- Tổng quan
- Nội dung
- VB gốc
- Tiếng Anh
- Hiệu lực
- VB liên quan
- Lược đồ
-
Nội dung hợp nhất
Tính năng này chỉ có tại LuatVietnam.vn. Nội dung hợp nhất tổng hợp lại tất cả các quy định còn hiệu lực của văn bản gốc và các văn bản sửa đổi, bổ sung, đính chính... trên một trang. Việc hợp nhất văn bản gốc và những văn bản, Thông tư, Nghị định hướng dẫn khác không làm thay đổi thứ tự điều khoản, nội dung.
Khách hàng chỉ cần xem Nội dung hợp nhất là có thể nắm bắt toàn bộ quy định hiện hành đang áp dụng, cho dù văn bản gốc đã qua nhiều lần chỉnh sửa, bổ sung.
- Tải về
Thông tư 38/2020/TT-BCT Quy chuẩn kỹ thuật quốc gia về an toàn đối với máy phát điện phòng nổ sử dụng trong mỏ hầm lò
| Cơ quan ban hành: | Bộ Công Thương |
Số công báo:
Số công báo là mã số ấn phẩm được đăng chính thức trên ấn phẩm thông tin của Nhà nước. Mã số này do Chính phủ thống nhất quản lý.
|
Đã biết
|
| Số hiệu: | 38/2020/TT-BCT | Ngày đăng công báo: |
Đã biết
|
| Loại văn bản: | Thông tư | Người ký: | Trần Tuấn Anh |
|
Ngày ban hành:
Ngày ban hành là ngày, tháng, năm văn bản được thông qua hoặc ký ban hành.
|
30/11/2020 |
Ngày hết hiệu lực:
Ngày hết hiệu lực là ngày, tháng, năm văn bản chính thức không còn hiệu lực (áp dụng).
|
Đang cập nhật |
|
Áp dụng:
Ngày áp dụng là ngày, tháng, năm văn bản chính thức có hiệu lực (áp dụng).
|
Đã biết
|
Tình trạng hiệu lực:
Cho biết trạng thái hiệu lực của văn bản đang tra cứu: Chưa áp dụng, Còn hiệu lực, Hết hiệu lực, Hết hiệu lực 1 phần; Đã sửa đổi, Đính chính hay Không còn phù hợp,...
|
Đã biết
|
| Lĩnh vực: | Công nghiệp, Than |
TÓM TẮT THÔNG TƯ 38/2020/TT-BCT
Ngày 30/11/2020, Bộ Công Thương ra Thông tư 38/2020/TT-BCT về việc ban hành Quy chuẩn kỹ thuật quốc gia về an toàn đối với máy phát điện phòng nổ sử dụng trong mỏ hầm lò.
Cụ thể, quy chuẩn kỹ thuật quy định chỉ tiêu kỹ thuật an toàn và quản lý đối với máy phát điện phòng nổ sử dụng trong mỏ hầm lò có khí cháy và bụi nổ. Máy phát điện phòng nổ sử dụng trong hầm lò không được sử dụng trong các trường hợp sau: Mỏ hầm lò có khí chát chứa carbon disulphide; Đường lò dùng để sản xuất, chế biến hoặc lưu trữ vật liệu nổ công nghiệp.
Ngoài ra, máy phát điện phòng nổ sử dụng trong hầm lò phải được trang bị thiết bị cảnh báo khí mêtan tự động và được liên động cắt điện với động cơ của máy phát điện khi hàm lượng khí mêtan vượt ngưỡng cho phép. Trong quá quá trình vận chuyển trong hầm lò, máy phát điện phòng nổ sử dụng trong hầm lò phải có bánh xe lắp ở phần khung dưới của máy phù hợp với các kích thước đường ray cỡ đường 900 mm hoặc 600 mm để thuận tiện trong quá trình di chuyển, phải được cố định sau khi lắp đặt.
Thông tư có hiệu lực kể từ ngày 01/07/2021.
Xem chi tiết Thông tư 38/2020/TT-BCT có hiệu lực kể từ ngày 01/07/2021
Tải Thông tư 38/2020/TT-BCT
|
BỘ CÔNG THƯƠNG Số: 38/2020/TT-BCT |
CỘNG HÒA XÃ HỘI CHỦ NGHĨA VIỆT NAM Hà Nội, ngày 30 tháng 11 năm 2020 |
THÔNG TƯ
Ban hành Quy chuẩn kỹ thuật quốc gia về an toàn đối với máy phát điện phòng nổ sử dụng trong mỏ hầm lò
__________
BỘ TRƯỞNG BỘ CÔNG THƯƠNG
Căn cứ Luật Tiêu chuẩn và Quy chuẩn kỹ thuật ngày 29 tháng 6 năm 2006;
Căn cứ Luật Chất lượng sản phẩm, hàng hóa ngày 21 tháng 11 năm 2007;
Căn cứ Nghị định số 127/2007/NĐ-CP ngày 01 tháng 8 năm 2007 của Chính phủ quy định chi tiết thi hành một số điều của Luật Tiêu chuẩn và Quy chuẩn kỹ thuật; Nghị định số 78/2018/NĐ-CP ngày 16 tháng 5 năm 2018 của Chính phủ sửa đổi, bổ sung một số điều của Nghị định số 127/2007/NĐ-CP ngày 01 tháng 8 năm 2007 của Chính phủ quy định chi tiết thi hành một số điều của Luật Tiêu chuẩn và Quy chuẩn kỹ thuật;
Căn cứ Nghị định số 132/2008/NĐ-CP ngày 31 tháng 12 năm 2008 của Chính phủ quy định chi tiết thi hành một số điều của Luật Chất lượng sản phẩm, hàng hóa; Nghị định số 74/2018/NĐ-CP ngày 15 tháng 5 năm 2018 của Chính phủ sửa đổi, bổ sung một số điều của Nghị định số 132/2008/NĐ-CP ngày 31 tháng 12 năm 2008 của Chính phủ quy định chi tiết thi hành một số điều của Luật Chất lượng sản phẩm, hàng hóa;
Căn cứ Nghị định số 98/2017/NĐ-CP ngày 18 tháng 8 năm 2017 của Chính phủ quy định chức năng, nhiệm vụ, quyền hạn và cơ cấu tổ chức của Bộ Công Thương;
Theo đề nghị của Cục trưởng Cục Kỹ thuật an toàn và Môi trường công nghiệp;
Bộ trưởng Bộ Công Thương ban hành thông tư ban hành Quy chuẩn kỹ thuật quốc gia về an toàn đối với máy phát điện phòng nổ sử dụng trong mỏ hầm lò.
Điều 1. Ban hành kèm theo Thông tư này Quy chuẩn kỹ thuật quốc gia về an toàn đối với máy phát điện phòng nổ sử dụng trong mỏ hầm lò.
Ký hiệu: QCVN 07:2020/BCT.
Điều 2. Thông tư này có hiệu lực từ ngày 01 tháng 7 năm 2021.
Điều 3. Chánh Văn phòng Bộ, Cục trưởng Cục Kỹ thuật an toàn và Môi trường công nghiệp, Vụ trưởng Vụ Khoa học và Công nghệ; Thủ trưởng các Cơ quan, tổ chức và cá nhân có liên quan chịu trách nhiệm thi hành Thông tư này./.
|
Nơi nhận: |
BỘ TRƯỞNG
|

CỘNG HÒA XÃ HỘI CHỦ NGHĨA VIỆT NAM
QCVN 07:2020/BCT
QUY CHUẨN KỸ THUẬT QUỐC GIA VỀ AN TOÀN ĐỐI VỚI MÁY PHÁT ĐIỆN PHÒNG NỔ SỬ DỤNG TRONG MỎ HẦM LÒ
National technical regulation on safety for explosion-proof generator used in underground mine
HÀ NỘI - 2020
QCVN 07:2020/BCT
LỜI NÓI ĐẦU
QCVN 07:2020/BCT do Ban soạn thảo Quy chuẩn kỹ thuật Quốc gia về an toàn đối với máy phát điện phòng nổ sử dụng trong mỏ hầm lò, Cục Kỹ thuật an toàn và Môi trường công nghiệp trình duyệt, Bộ Khoa học và Công nghệ thẩm định, Bộ trưởng Bộ Công Thương ban hành theo Thông tư số 38/2020/TT-BCT ngày 30 tháng 11 năm 2020.
QUY CHUẨN KỸ THUẬT QUỐC GIA VỀ AN TOÀN ĐỐI VỚI MÁY PHÁT ĐIỆN PHÒNG NỔ SỬ DỤNG TRONG MỎ HẦM LÒ
National technical regulation on safety for explosion-proof generator used in underground mine
I. QUY ĐỊNH CHUNG
1. Phạm vi điều chỉnh
Quy chuẩn kỹ thuật này quy định các yêu cầu kỹ thuật an toàn và quản lý đối với máy phát điện phòng nổ sử dụng trong mỏ hầm lò có khí cháy và bụi nổ. Có mã HS được quy định tại Phụ lục A của Quy chuẩn kỹ thuật này.
2. Đối tượng áp dụng
Quy chuẩn kỹ thuật này áp dụng đối với các tổ chức, cá nhân có liên quan đến máy phát điện phòng nổ sử dụng trong mỏ hầm lò trên lãnh thổ Việt Nam.
3. Giải thích từ ngữ
3.1. Khí quyển nổ là hỗn hợp với không khí, trong điều kiện khí quyển, của các chất dễ cháy ở dạng khí, hơi, bụi, sợi, hoặc vật bay mà, sau khi bắt cháy, cho phép ngọn lửa lan truyền tự duy trì.
3.2. Nhiệt độ
3.2.1. Nhiệt độ bắt lửa của khí quyển nổ là nhiệt độ thấp nhất của bề mặt được làm nóng, trong các điều kiện thử nghiệm, sẽ đốt cháy một chất dễ cháy ở dạng hỗn hợp khí hoặc hơi với không khí.
3.2.2. Nhiệt độ bề mặt tối đa là nhiệt độ cao nhất đạt được trong các điều kiện hoạt động bất lợi nhất của các bề mặt bên ngoài mà bầu khí quyển xung quanh có thể tiếp cận, như các bề mặt của động cơ, máy phát, thiết bị điện, các thiết bị phụ trợ có vỏ phòng nổ, thiết bị chặn tia lửa, ống dẫn.
3.2.3. Nhiệt độ tối đa là nhiệt độ lớn nhất của:
3.2.3.1. Nhiệt độ bề mặt tối đa.
3.2.3.2. Nhiệt độ khí tối đa đối với:
3.2.3.2.1. Khí thải thoát ra vào khí quyển ngay sau thiết bị chặn tia lửa.
3.2.3.2.2. Không khí nạp ở đầu ra của thiết bị tăng áp.
3.3. Máy phát điện phòng nổ là tổ hợp thiết bị gồm: Động cơ diesel kiểu piston phòng nổ; máy phát điện xoay chiều ba pha phòng nổ; tủ điều khiển và tủ đóng cắt phòng nổ cùng với các bộ phận liên quan.
3.4. Động cơ diesel kiểu piston phòng nổ là động cơ diesel được chế tạo để sử dụng trong khí quyển nổ.
3.5. Nhiên liệu diesel là nhiên liệu được sử dụng cho động cơ diesel kiểu piston phòng nổ bao gồm: Dầu diesel và các loại nhiên liệu khác có tính năng tương đương.
3.6. Máy phát điện xoay chiều ba pha phòng nổ là máy phát điện xoay chiều ba pha được chế tạo để sử dụng trong khí quyển nổ.
3.7. Mối ghép phòng nổ là mối ghép nơi các bề mặt tương ứng của hai phần của vỏ hoặc kết hợp các vỏ khác nhau với nhau để ngăn ngừa sự lan truyền của một vụ nổ bên trong đến khí quyển, khí nổ xung quanh vỏ.
3.8. Bộ chặn ngọn lửa là thiết bị được trang bị để nối thông giữa hệ thống xilanh của động cơ diesel kiểu piston với các đường ống dẫn khí vào và khí thải ra để cho phép truyền hỗn hợp khí cháy/không khí nhưng ngăn chặn ngọn lửa đi qua. Thiết bị chặn ngọn lửa bao gồm các phần tử chặn tia lửa và vỏ phòng nổ.
3.9. Bộ chặn tia lửa là thiết bị lắp đặt bên trong hệ thống khí thải, có tác dụng triệt tiêu các tia, hạt cháy sáng, hạ nhiệt độ và làm giảm khói bụi.
3.10. Thiết bị bảo vệ tự động là thiết bị an toàn có khả năng kịp thời đưa ra tín hiệu cảnh báo khi một thông số điều khiển giám sát của máy phát phòng nổ xuất hiện tình trạng bất thường và có khả năng tự động dừng động cơ diesel kiểu piston phòng nổ đang vận hành.
3.11. Tủ điều khiển và tủ đóng cắt phòng nổ là thiết bị điện dùng để đóng - cắt, bảo vệ, đo lường, giám sát điều khiển tự động hoạt động của máy phát điện xoay chiều ba pha phòng nổ, có vỏ không xuyên nổ dạng “d”.
3.12. Vỏ không xuyên nổ dạng “d” là vỏ trong đó có chứa các bộ phận có thể mồi cháy hỗn hợp khí nổ và có thể chịu được áp lực xuất hiện trong vụ nổ bên trong của hỗn hợp khí nổ đó và ngăn ngừa sự lan truyền vụ nổ ra khí quyển nổ xung quanh vỏ.
II. QUY ĐỊNH VỀ KỸ THUẬT AN TOÀN
4. Tài liệu viện dẫn
4.1. QCVN QTĐ-5:2009/BCT Quy chuẩn kỹ thuật quốc gia về kỹ thuật điện - Tập 5 Kiểm định trang thiết bị hệ thống điện.
4.2. QCVN 01:2011/BCT Quy chuẩn kỹ thuật quốc gia về an toàn trong khai thác than hầm lò.
4.3. QCVN 04:2017/BCT Quy chuẩn kỹ thuật quốc gia về an toàn trong khai thác quặng hầm lò.
4.4. TCVN 4255: 2008 (IEC 60529:2001) Cấp bảo vệ bằng vỏ ngoài (mã IP).
4.5. TCVN 6627-1:2014 (IEC 60034-1:2010) Máy điện quay - Phần 1: Thông số đặc trưng và tính năng.
4.6. TCVN 7079-7: 2002 (IEC 60079-7: 2017) Thiết bị điện dùng trong mỏ hầm lò - Phần 7: Tăng cường độ tin cậy - Dạng bảo vệ “e”.
4.7. TCVN 7079-11: 2002 (IEC 60079-11: 2011) Thiết bị điện dùng trong mỏ hầm lò - Phần 11: An toàn tia lửa - Dạng bảo vệ “i”.
4.8. TCVN 7144-1:2008 (ISO 3046-1:2002) Động cơ đốt trong kiểu pít tông - Đặc tính - Phần 1: Công bố công suất, tiêu hao nhiên liệu và dầu bôi trơn, phương pháp thử - Yêu cầu bổ sung đối với động cơ thông dụng.
4.9. TCVN 7994-1:2009 (IEC 60439-1:2004) Tủ điện đóng - cắt và điều khiển hạ áp - Phần 1: Tủ điện được thử nghiệm điển hình và tủ điện được thử nghiệm điển hình từng phần.
4.10. TCVN 8096-200:2010 (IEC 62271-200:2003) Tủ điện đóng - cắt và điều khiển cao áp - phần 200: Tủ điện đóng - cắt và điều khiển xoay chiều có vỏ bọc bằng kim loại dùng cho điện áp danh định lớn hơn 1kV đến và bằng 52 kV.
4.11. TCVN 9729-1:2013 (ISO 8528-1:2005) Tổ máy phát điện xoay chiều dẫn động bởi động cơ đốt trong kiểu pit tông - Phần 1: Ứng dụng, công suất danh định và tính năng.
4.12. TCVN 9729-2:2013 (ISO 8528-2:2005) Tổ máy phát điện xoay chiều dẫn động bởi động cơ đốt trong kiểu pit tông - Phần 2: Động cơ.
4.13. TCVN 9729-3:2013 (ISO 8528-3:2005) Tổ máy phát điện xoay chiều dẫn động bởi động cơ đốt trong kiểu pit tông - Phần 3: Máy phát điện xoay chiều cho tổ máy phát điện.
4.14. TCVN 9729-4:2013 (ISO 8528-4:2005) Tổ máy phát điện xoay chiều dẫn động bởi động cơ đốt trong kiểu pit tông - Phần 4: Tủ điều khiển và tủ đóng cắt.
4.15. TCVN 9729-6:2013 (ISO 8528-6:2005) Tổ máy phát điện xoay chiều dẫn động bởi động cơ đốt trong kiểu pit tông - Phần 6: Phương pháp thử.
4.16. TCVN 9729-10:2013 (ISO 8528-10:1998) Tổ máy phát điện xoay chiều dẫn động bởi động cơ đốt trong kiểu pit tông - Phần 10: Đo độ ồn trong không khí theo phương pháp bề mặt bao quanh.
4.17. TCVN 10888-0:2015 (IEC 60079-0:2011) Khí quyển nổ - Phần 0: Thiết bị - Yêu cầu chung.
4.18. TCVN 10888-1:2015 (IEC 60079-1:2014) Khí quyển nổ - Phần 1: Bảo vệ thiết bị bằng vỏ không xuyên nổ “d”.
4.19. IEC 60079-11:2011 Explosive atmospheres Past 11: Equipment protection by intrinsic safety “i” (Khí quyển nổ - Phần 11: Bảo vệ thiết bị bằng an toàn tia lửa “i”.
4.20. IEC 60079-7:2015/AMD1:2017 Explosive atmospheres Past 7: Past 7: Equipment protection by increased safety "e" (Khí quyển nổ - Phần 7: Tăng cường độ tin cậy - Dạng bảo vệ “e”).
5. Các yêu cầu chung
5.1. Máy phát điện phòng nổ sử dụng trong mỏ hầm lò không được sử dụng trong các trường hợp sau:
5.1.1. Mỏ hầm lò có khí cháy chứa carbon disulphide (CS2).
5.1.2. Đường lò dùng để sản xuất, chế biến hoặc lưu trữ vật liệu nổ công nghiệp.
5.2. Yêu cầu về vị trí lắp đặt đối với máy phát điện phòng nổ:
5.2.1. Độ dốc không quá ±15° so với vị trí cân bằng và ở những khám, trạm và đường lò có kết cấu chống giữ đảm bảo an toàn.
5.2.2. Khô ráo và được thông gió đảm bảo theo quy định tại Điều 42 của QCVN 01: 2011/BCT đối với mỏ than, Điều 43 của QCVN 04: 2017/BCT đối với mỏ quặng.
5.2.3. Không khí và nhiệt độ phải đảm bảo theo quy định tại Điều 41 của QCVN 01:2011/BCT đối với mỏ than, Điều 42 của QCVN 04:2017/BCT đối với mỏ quặng.
5.2.4. Lưu lượng gió yêu cầu tại vị trí máy phát điện làm việc phải đảm bảo tuân thủ theo quy định tại Điều 42 của QCVN 01:2011/BCT đối với mỏ than, Điều 43 của QCVN 04:2017/BCT đối với mỏ quặng, nhưng không được nhỏ hơn 0,08 m3/s/kW công suất của động cơ diesel.
5.2.5. Phải trang bị thùng cát cứu hỏa, bình cứu hỏa, điện thoại phục vụ vận hành máy phát điện phòng nổ.
5.3. Máy phát điện phòng nổ sử dụng trong mỏ hầm lò phải được trang bị thiết bị cảnh báo khí mêtan tự động và được liên động cắt điện với động cơ của máy phát điện khi hàm lượng khí mêtan vượt ngưỡng cho phép.
5.4. Yêu cầu đối với tiếng ồn tại vị trí làm việc
5.4.1. Các khu vực khám, trạm và đường lò lắp đặt máy phát điện phòng nổ phải được trang bị hệ thống cách âm. Mức áp suất âm cực đại (Max) không vượt quá 115 dBA.
5.4.2. Hệ thống cách âm buồng, trạm lắp đặt máy phát điện phòng nổ phải được làm bằng vật liệu chống cháy.
Bảng 1. Chỉ tiêu khí thải của động cơ diesel
|
STT |
Chỉ tiêu |
Đơn vị |
Giá trị |
|
1 |
CO |
ppm |
< 1 100 (0,11%) |
|
2 |
NO |
ppm |
< 900 (0,09%) |
|
3 |
NO2 |
ppm |
< 100 (0,010%) |
|
4 |
NOx |
ppm |
< 1 000 (0,10%) |
|
Chú dẫn: Phương pháp xác định chỉ tiêu khí thải của động cơ diesel bằng cách đo trực tiếp tại cửa xả của động cơ diesel bằng các thiết bị đo khí tự động cầm tay. |
|||
5.6. Thông số kỹ thuật
5.6.1. Công suất danh định: Đến 1 000 KVA.
5.6.2. Điện áp danh định: 380 V, 660 V, 1 140 V, 3 300 V, 6 000 V.
5.6.3. Tần số danh định: 50 Hz.
5.7. Yêu cầu về chế độ vận hành
Máy phát điện phòng nổ sử dụng trong mỏ hầm lò chỉ được phép vận hành độc lập.
5.8. Cơ cấu di chuyển
Trong quá trình vận chuyển trong mỏ hầm lò, máy phát điện phòng nổ sử dụng trong mỏ hầm lò phải có bánh xe lắp ở phần khung dưới của máy phù hợp với các kích thước đường ray cỡ đường 900 mm hoặc 600 mm để thuận tiện trong quá trình di chuyển; phải được cố định sau khi lắp đặt.
5.9. Móc treo phải được lắp trực tiếp trên vỏ máy, đảm bảo chịu được tải trọng của máy trong quá trình vận chuyển và lắp đặt.
5.10. Bộ phận nối đất
5.10.1. Trong các khoang đấu cáp và hai phía đối diện bên ngoài của vỏ máy máy phát điện xoay chiều ba pha phòng nổ; động cơ diesel kiểu piston phòng nổ; tủ điều khiển và tủ đóng cắt phòng nổ; các khoang và hộp đấu dây phải có cơ cấu để đảm bảo bắt các dây tiếp đất chắc chắn và được hàn vào vỏ.
5.10.2. Dây dẫn và thanh tiếp đất: Thực hiện theo các quy định tại QCVN 01: 2011/BCT, QCVN 04: 2017/BCT.
6. Yêu cầu đối với các dạng bảo vệ nổ được áp dụng
Các thiết bị điện; bộ phận sinh nhiệt; cơ cấu ngăn chặn ngọn lửa được lắp đặt trong máy phát điện phòng nổ sử dụng trong mỏ hầm lò có khí cháy và bụi nổ phải tuân thủ theo các tiêu chuẩn TCVN 10888-0:2015 (IEC 60079-0:2011), TCVN 10888-1:2015 (IEC 60079-1:2014); bộ tiêu chuẩn IEC 60079-7, IEC 60079-11, IEC 60079-15, IEC 60079-18 và các quy định tại Quy chuẩn kỹ thuật này.
6.1. Dạng bảo vệ có vỏ không xuyên nổ “d”, bao gồm:
6.1.1. Các khoang đấu cáp.
6.1.2. Các cổ cáp đầu vào và cổ cáp đầu ra, các phễu cáp.
6.1.3. Các bộ phận sứ xuyên qua thành và vách phòng nổ.
6.1.4. Các phần tử xuyên sáng.
6.1.5. Các nút bấm điều khiển, khóa chuyển mạch.
6.1.6. Các cơ cấu điều khiển truyền chuyển động quay hoặc tịnh tiến.
6.1.7. Các chốt, các lỗ liên quan và các phần tử trống.
6.1.8. Các cơ cấu bắt chặt đặc biệt.
6.1.9. Các cơ cấu liên động.
6.1.10. Các nắp mở nhanh.
6.1.11. Bộ phận nối đất.
6.1.12. Bộ ngăn chặn lửa.
6.2. Yêu cầu đối với vỏ không xuyên nổ dạng “d”
6.2.1. Các dạng mối ghép phòng nổ
6.2.1.1. Mối ghép phòng nổ dạng nút ống, hình trụ không có lỗ bắt bu lông như Hình 1.

Chú dẫn:
c - Bề rộng mối ghép phòng nổ phần mặt phẳng, mm.
d - Bề rộng mối ghép phòng nổ phần hình trụ, mm.
f - Khoảng hở của mép vát, mm.
L - Bề rộng nhỏ nhất của mối ghép phòng nổ, mm; L = c + d với điều kiện: c ≥ 3,0 mm , f ≤ 1,0 mm.
T - Phía bên trong của vỏ thiết bị.
Hình 1. Mối ghép phòng nổ dạng nút ống, hình trụ không có lỗ bắt bu lông
6.2.1.2. Mối ghép phòng nổ dạng nút ống, hình trụ có lỗ bắt bu lông như Hình 2.

Chú dẫn:
a - Bề rộng mối ghép phần hình trụ, mm.
b - Bề rộng mối ghép phần mặt phẳng đến lỗ bu lông, mm.
i - Khe hở của mối ghép hình trụ, mm.
l - Khoảng cách nhỏ nhất từ bên trong thiết bị đến lỗ bu lông, mm; I = a + b nếu i ≤ 0,2 mm.
L - Bề rộng nhỏ nhất của mối ghép phòng nổ, mm.
T - Phía bên trong của vỏ thiết bị.
Hình 2. Mối ghép phòng nổ dạng nút ống, hình trụ có lỗ bắt bu lông
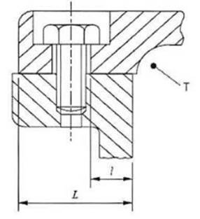
6.2.1.3. Mối ghép phòng nổ dạng mặt bích phẳng như Hình 3.

Chú dẫn:
I - Khoảng cách nhỏ nhất từ bên trong thiết bị đến lỗ bu lông, mm.
L - Bề rộng nhỏ nhất của mối ghép phòng nổ, mm.
T - Phía bên trong của vỏ thiết bị.
Hình 3. Mối ghép phòng nổ dạng mặt bích phẳng
6.2.1.4. Khoảng cách nhỏ nhất từ bên trong thiết bị đến lỗ bu lông phải đảm bảo theo quy định tại Bảng 2.
Bảng 2. Khoảng cách nhỏ nhất từ bên trong thiết bị đến lỗ bu lông.
|
l (mm) |
L (mm) |
|
6 |
< 12,5 |
|
8 |
12,5 ≤ L < 25 |
|
9 |
≥ 25 |
6.2.1.5. Mối ghép phòng nổ mặt bích có gioăng đệm như Hình 4.

Chú dẫn:
G - Gioăng đệm.
L - Bề rộng mối ghép phòng nổ, mm.
T - Phía bên trong của vỏ thiết bị.
Hình 4. Mối ghép phòng nổ mặt bích có gioăng đệm
6.2.1.6. Mối ghép phòng nổ dạng trục xoay như Hình 5.

Chú dẫn:
L - Bề rộng mối ghép phòng nổ, mm.
Hình 5. Mối ghép phòng nổ dạng trục xoay
Trường hợp cần thao tác đi qua thành của vỏ không xuyên nổ, chiều rộng của mối ghép phải lớn hơn 25 mm.
6.2.1.7. Mối ghép phòng nổ dạng trục xoay có bạc lót như Hình 6.

Chú dẫn:
L - Bề rộng mối ghép phòng nổ, mm.
Hình 6. Mối ghép phòng nổ dạng trục xoay có bạc lót
6.2.1.8. Mối ghép phòng nổ dạng ren, vít như Hình 7.

Chú dẫn:
T - Bước ren.
Y - Chiều dài ăn khớp của ren, mm.
α - Góc đỉnh ren, độ.
Hình 7. Mối ghép phòng nổ dạng ren, vít
6.2.1.9. Mối ghép trục đối với trục quay như Hình 8.

Chú dẫn:
L - Khoảng cách từ bề mặt trục đến rãnh mỡ.
Hình 8. Mối ghép trục đối với trục quay
6.2.1.10. Mối ghép đệm trượt đối với các trục của máy điện quay như Hình 9.

Chú dẫn:
1 - Khe hở.
2 - Vấu ngăn chặn sự quay của miếng đệm
Hình 9. Mối ghép đệm trượt đối với các trục của máy điện quay
6.2.1.11. Mối ghép của trục có các vòng đệm của máy điện quay như Hình 10.

Chú dẫn:
k - khoảng hở theo đường kính nhỏ nhất cho phép không cọ sát
m - khoảng hở theo đường kính lớn nhất theo k
D,d - khoảng hở theo đường kính
Hình 10. Mối ghép của trục có các vòng đệm của các máy điện quay
6.2.2. Chiều rộng và khe hở nhỏ nhất của mối ghép phòng nổ:
6.2.2.1. Đối với các mối ghép dạng: Nút ống, hình trụ, mặt bích, trục xoay: Theo quy định tại Bảng 3.
Bảng 3. Chiều rộng và khe hở nhỏ nhất của mối ghép phòng nổ
|
Dạng mối ghép |
Chiều rộng nhỏ nhất của mối ghép L (mm) |
Khe hở nhỏ nhất |
||||||||||||||||||
|
Thể tích (cm3) |
Thể tích (cm3) |
Thể tích (cm3) |
Thể tích (cm3) |
Thể tích (cm3) |
||||||||||||||||
|
I |
IIA |
IIB |
I |
IIA |
IIB |
I |
IIA |
IIB |
I |
IIA |
IIB |
I |
IIA |
IIB |
||||||
|
Nút ống, hình trụ, mặt bích, trục xoay |
6 |
0,30 |
0,30 |
0,20 |
- |
- |
- |
- |
- |
- |
- |
- |
- |
- |
- |
- |
||||
|
9,5 |
0,35 |
0,30 |
0,20 |
0,35 |
0,30 |
0,20 |
0,08 |
0,08 |
0,08 |
- |
0,08 |
0,08 |
- |
0,08 |
- |
|||||
|
12,5 |
0,40 |
0,30 |
0,20 |
0,40 |
0,30 |
0,20 |
0,40 |
0,30 |
0,20 |
0,40 |
0,20 |
0,15 |
0,40 |
0,20 |
0,15 |
|||||
|
25 |
0,50 |
0,40 |
0,20 |
0,50 |
0,40 |
0,20 |
0,50 |
0,40 |
0,20 |
0,50 |
0,40 |
0,20 |
0,50 |
0,40 |
0,20 |
|||||
|
Mối ghép hình trụ đối với bộ đệm cáp của trục máy điện quay có |
Ổ đỡ bạc trượt |
6 |
0,30 |
0,30 |
0,20 |
- |
- |
- |
- |
- |
- |
- |
- |
- |
- |
- |
- |
|||
|
9,5 |
0,35 |
0,30 |
0,20 |
0,35 |
0,30 |
0,20 |
- |
- |
- |
- |
- |
- |
- |
- |
- |
|||||
|
12,5 |
0,40 |
0,35 |
0,25 |
0,40 |
0,30 |
0,20 |
0,40 |
0,30 |
0,20 |
0,40 |
0,20 |
- |
0,40 |
0,20 |
- |
|||||
|
25 |
0,50 |
0,40 |
0,30 |
0,50 |
0,40 |
0,25 |
0,50 |
0,40 |
0,25 |
0,50 |
0,40 |
0,20 |
0,50 |
0,40 |
0,20 |
|||||
|
40 |
0,60 |
0,50 |
0,40 |
0,60 |
0,50 |
0,30 |
0,60 |
0,50 |
0,30 |
0,60 |
0,50 |
0,25 |
0,60 |
0,50 |
0,25 |
|||||
|
Ổ đỡ phần tử lăn |
6 |
0,45 |
0,45 |
0,30 |
- |
- |
- |
- |
- |
- |
- |
- |
- |
- |
- |
- |
||||
|
9,5 |
0,50 |
0,45 |
0,35 |
0,50 |
0,40 |
0,25 |
- |
- |
- |
- |
- |
- |
- |
- |
- |
|||||
|
12,5 |
0,60 |
0,50 |
0,40 |
0,60 |
0,45 |
0,30 |
0,60 |
0,45 |
0,30 |
0,60 |
0,30 |
0,20 |
0,60 |
0,30 |
0,20 |
|||||
|
25 |
0,75 |
0,60 |
0,45 |
0,75 |
0,60 |
0,40 |
0,75 |
0,60 |
0,40 |
0,75 |
0,60 |
0,30 |
0,75 |
0,60 |
0,30 |
|||||
|
40 |
0,80 |
0,75 |
0,60 |
0,80 |
0,75 |
0,45 |
0,80 |
0,75 |
0,45 |
0,80 |
0,75 |
0,40 |
0,80 |
0,75 |
0,40 |
|||||
|
Chú dẫn: - Kí hiệu: I là nhóm thiết bị dùng cho các mỏ có khí mê tan. - Kí hiệu: IIA và IIB là nhóm thiết bị dùng cho các mỏ có khí cháy khác mêtan. |
||||||||||||||||||||
6.2.2.2. Đối với mối ghép dạng ren, vít tuân thủ theo các yêu cầu sau:
6.2.2.2.1. Ít nhất năm ren được ăn khớp với nhau.
6.2.2.2 2. Bước ren ≥ 0,7 mm.
6.2.2.2.3. Góc đỉnh răng bằng 60° (± 5°).
6.2.2.2.4. Chiều dài ăn khớp của ren ≥ 5 mm với V ≤ 100 cm3.
6.2.2.2.5. Chiều dài ăn khớp của ren ≥ 8 mm với V > 100 cm3.
6.2.3. Cơ cấu bắt chặt đặc biệt
Tất cả các mối ghép phòng nổ sử dụng bu lông bắt chặt phải có các vòng đệm vênh chống trôi và chỉ mở được khi sử dụng các dụng cụ.
6.2.4. Cơ cấu liên động phải đảm bảo hoạt động đúng chức năng.
6.2.5. Nắp mở nhanh phải có cơ cấu liên động; chỉ mở được sau khi đã cắt điện và cơ cấu liên động đã được mở.
6.2.6. Cổ cáp khi đấu nối phải:
6.2.6.1. Được bắt chặt vào vỏ thiết bị và có đầy đủ các chi tiết để làm kín và kẹp chặt cáp, một trong các loại cổ cáp như Hình 11.

Chú dẫn:
1 - Vòng cao su bịt kín cáp.
2 - Cáp điện cao su.
3 - Chi tiết kẹp cáp.
4 - Chi tiết vào cáp để ép chặt gioăng đệm cao su.
5 - Vỏ thiết bị.
D - Đường kính ngoài của cáp điện cao su, mm.
D1 - Đường kính trong của cổ cáp, mm.
D2, D3 - Đường kính ngoài, trong của gioăng đệm cao su, mm.
Hình 11. Cổ cáp khi được đấu nối
6.2.6.2. Khoảng cách lớn nhất giữa cổ cáp, gioăng đệm và cáp điện cao su theo quy định tại Bảng 4.
Bảng 4. Khoảng cách lớn nhất giữa cổ cáp, gioăng đệm và cáp điện cao su
|
D2 (mm) |
Khoảng cách từ D1-:-D2 (mm) |
Khoảng cách từ D3 -:- d (mm) |
|
< 20 |
≤ 1 |
≤ 2 |
|
20 -:- 60 |
≤ 2 |
|
|
> 60 |
≤ 3 |
6.2.6.3. Các chi tiết của cổ cáp phải được vặn chặt để đảm bảo tính năng làm kín.
6.2.6.4. Gioăng cao su phải đảm bảo không bị nứt, đàn hồi tốt, cáp điện không bị kéo căng hoặc bẻ gập trong quá trình lắp ráp và vận hành.
6.2.6.5. Ở cổ cáp cao áp có sử dụng vật liệu điền đầy là bitum cách điện, khối bitum khi đông cứng phải đảm bảo không có vết nứt.

Chú dẫn:
1 - Nút bịt kín.
2 - Vòng cao su bịt kín.
3 - Chi tiết đầu vào cáp để ép kín.
4 - Chi tiết kẹp cáp.
Các yêu cầu về khe hở giữa các phần mang điện và khoảng cách rò trên bề mặt cách điện theo quy định tại Bảng 5.
Bảng 5. Khe hở và khoảng cách rò trên bề mặt cách điện
|
Điện áp làm việc (V) |
Khoảng cách rò nhỏ nhất (mm) |
Khe hở nhỏ nhất (mm) |
||
|
Nhóm vật liệu theo IEC 60079-7 |
||||
|
I |
II |
llla |
|
|
|
≤ 20 |
1,6 |
1,6 |
1,6 |
1,6 |
|
25 |
1,7 |
1,7 |
1,7 |
1,7 |
|
32 |
1,8 |
1,8 |
1,8 |
1,8 |
|
40 |
1,9 |
2,4 |
3,0 |
1,9 |
|
50 |
2,1 |
2,6 |
3,4 |
2,1 |
|
63 |
2,1 |
2,6 |
3,4 |
2,1 |
|
80 |
2,2 |
2,8 |
3,6 |
2,2 |
|
100 |
2,4 |
3,0 |
3,8 |
2,4 |
|
125 |
2,5 |
3,2 |
4,0 |
2,5 |
|
160 |
3,2 |
4,0 |
5,0 |
3,2 |
|
200 |
4,0 |
5,0 |
6,3 |
4,0 |
|
250 |
5,0 |
6,3 |
8,0 |
5,0 |
|
320 |
6,3 |
8,0 |
10,0 |
6,0 |
|
400 |
8,0 |
10 |
12,5 |
6,0 |
|
500 |
10 |
12,5 |
16 |
8,0 |
|
630 |
12 |
16 |
20 |
10 |
|
800 |
16 |
20 |
25 |
12 |
|
1 000 |
20 |
25 |
32 |
14 |
|
1 250 |
22 |
26 |
32 |
18 |
|
1 600 |
23 |
27 |
32 |
20 |
|
2 000 |
25 |
28 |
32 |
23 |
|
2 500 |
32 |
36 |
40 |
29 |
|
3 200 |
40 |
45 |
50 |
36 |
|
4 000 |
50 |
56 |
63 |
44 |
|
5 000 |
63 |
71 |
80 |
50 |
|
6 300 |
80 |
90 |
100 |
60 |
|
Chú dẫn: - Các điện áp đưa ra theo IEC 60664-1. Điện áp làm việc có thể quá 10% mức điện áp ghi trong bảng trên. - Giá trị khoảng cách rò và khe hở trên dựa vào sức chịu đựng điện áp nguồn lớn nhất ±10%. |
||||
6.4. Yêu cầu đối với thiết bị, bộ phận, thành phần có dạng bảo vệ an toàn tia lửa “i” phải đảm bảo các yêu cầu sau:
6.4.1. Cấp bảo vệ bằng vỏ ngoài của vỏ thiết bị (mã IP) phải lớn hơn hoặc bằng mức IP54 được quy định trong TCVN 4255: 2008 (IEC 60529-2001).
6.4.2. Các thiết bị, bộ phận, thành phần sử dụng trong các cảm biến, đo lường, thông tin, giám sát, điều khiển, tín hiệu và các thiết bị khác được áp dụng trong máy phát điện phòng nổ có dạng bảo vệ an toàn tia lửa phải được cấp chứng chỉ đánh giá sự phù hợp theo tiêu chuẩn IEC 60079-11:2015.
6.4.3. Tiêu chí để đánh giá, kiểm tra gồm có:
6.4.3.1. Các thông số R, L & C của mạch điện phải đảm bảo khi mạch được thử nghiệm đánh giá theo các yêu cầu tiêu chuẩn IEC 60079-11:2015 không đốt cháy hỗn hợp khí thử nghiệm bởi tia lửa.
6.4.3.2. Các hiệu ứng về nhiệt độ sinh ra trong các mạch an toàn tia lửa ở bất cứ trường hợp nào, hoạt động bình thường hoặc sự cố nặng nề nhất cũng đảm bảo răng sự đốt cháy không phải do bề mặt nóng gây ra.
6.4.3.3. Các mạch điện hoặc thiết bị có dạng bảo vệ an toàn tia lửa phải cách ly với các mạch an toàn tia lửa khác và các mạch không an toàn tia lửa.
6.4.3.4. Các yêu cầu kỹ thuật và thử nghiệm đánh giá chấp nhận sự phù hợp của dạng bảo vệ an toàn tia lửa tuân thủ theo IEC 60079-11:2015.
7. Yêu cầu đối với động cơ diesel kiểu piston phòng nổ
Động cơ diesel kiểu piston phòng nổ phải tuân thủ theo các tiêu chuẩn TCVN 9729-2:2013 (ISO 8528-2:2005), TCVN 10888-0:2015, TCVN 10888-1:2015, IEC 60079-7:2017, IEC 60079-11:2015 và đáp ứng các yêu cầu sau:
7.1. Các yêu cầu chung
7.1.1. Công suất và tốc độ quay của động cơ phải phù hợp với thông số của máy phát điện điện xoay chiều ba pha phòng nổ.
7.1.2. Động cơ phải phù hợp với các quy định tại QCVN 01: 2011/BCT.
7.1.3. Nhiệt độ tối đa trên tất cả các bề mặt của động cơ trong mọi điều kiện hoạt động đối với mỏ hầm lò không vượt quá 150 °C, đối với mỏ hầm lò khác có khí cháy không phải mê tan nhiệt độ này không được vượt quá phân cấp nhiệt độ của khí nhóm II theo bảng 2 của TCVN 10888-0: 2015 (IEC 60079-0:2011). Nhiệt độ tối đa trên bề mặt động cơ được xác định theo quy định tại Điều 26.5.1 của TCVN 10888-0:2015 (IEC 60079-0:2011).
7.1.4. Dây cáp điện nối các thiết bị điện phải phù hợp với các quy định về tính kháng cháy, có tính năng chịu được dầu và được cố định, bảo vệ chắc chắn.
7.2. Vỏ phòng nổ phải đáp ứng được các yêu cầu sau:
7.2.1. Chịu được:
7.2.1.1. Áp lực của vụ nổ bên trong khi thử nghiệm theo Mục 15.2.2 của TCVN 10888-1:2015.
7.2.1.2. Quá áp khi thử nghiệm theo Mục 15.2.3 của TCVN 10888-1:2015.
7.2.2. Ngăn chặn được sự lan truyền của vụ nổ từ bên trong ra ngoài khi thử nghiệm theo Mục 15.3 của TCVN 10888-1:2015.
7.2.3. Mỗi kết nối của các bộ phận cơ học trong vỏ phòng nổ phải là mối ghép phòng nổ.
7.2.4. Khe hở của mối ghép phòng nổ phải tuân theo Bảng 2 trong TCVN 10888-1:2015.
7.2.5. Độ nhấp nhô trung bình Ra của bề mặt mối ghép phòng nổ của động cơ không vượt quá 6,3 μm.
7.2.6. Các bề mặt mối ghép phải có biện pháp chống han gỉ, không được phép quét sơn.
7.2.7. Các mối ghép phòng nổ có ren phải được thiết kế theo Bảng 4 của TCVN 10888-1:2015.
7.3. Phương thức làm mát: Cấm sử dụng phương pháp làm mát bằng thông gió tự nhiên.
7.4. Phương thức khởi động: Phải sử dụng phương thức khởi động bằng ắc quy, đáp ứng các yêu cầu sau:
7.4.1. Các thiết bị, bộ phận có khả năng sản sinh ra tia lửa điện trong quá trình khởi động phải sử dụng kết cấu phòng nổ.
7.4.2. Ắc quy sử dụng là loại ắc quy hydro thấp và đặt vào trong khoang chứa ắc quy loại phòng nổ, trong quá trình làm việc nồng độ hydro trong khoang chứa ắc quy không được lớn hơn 0,3 %. Khoang phòng nổ chứa ắc quy phải được lắp bộ phận thoát khí phòng nổ, nhiệt độ bề mặt khoang chứa ắc quy trong mọi trường hợp phải đảm bảo không được vượt quá 150°C.
7.5. Vật liệu chế tạo vỏ ngoài của các linh kiện, thiết bị không được sử dụng kim loại nhẹ để chế tạo. Các yêu cầu về sử dụng vật liệu kim loại, hợp kim có kim loại nhẹ và vật liệu phi kim loại theo yêu cầu tại Điều 7, Điều 8 của TCVN 10888-0:2015 và Điều 12 của TCVN 10888-1:2015.
7.6. Ngăn chặn tia lửa điện
7.6.1. Ngăn chặn tia lửa điện do va đập cơ học:
7.6.1.1. Sơn và lớp phủ không được chứa quá 15% trọng lượng của tổng số kim loại nhôm, magiê, titan và hơn 6% trong tổng số magiê và titan.
7.6.1.2. Quạt và vỏ quạt phải được liên kết điện với động cơ để chống tĩnh điện.
7.6.1.3. Thiết bị điện lắp đặt phục vụ cho động cơ phải là 2 cực, ngoại trừ mạch điện cho phích cắm sấy nóng hoặc thiết bị hỗ trợ khởi động điện khác có thể sử dụng khối vỏ xy lanh động cơ như một phần của mạch vòng nối đất trong khoảng thời gian mà mạch hỗ trợ khởi động đang hoạt động. Khi không hoạt động, cả hai kết nối dương và âm phải được cách ly khỏi nguồn điện.
7.6.2. Ngăn chặn tia lửa do tĩnh điện:
7.6.2.1. Chỉ được sử dụng vật liệu nhựa không có khả năng phóng tĩnh điện để làm các bộ phận bên ngoài và đảm bảo:
7.6.2.1.1. Điện trở bề mặt không vượt quá 109 Ω;
7.6.2.1.2. Diện tích bề mặt có thể nạp tĩnh điện được giới hạn ở 100 cm2;
7.6.2.1.3. Độ dày của vật liệu không dẫn điện trên các lớp dẫn.
7.6.2.2. Khi lưới kim loại được sử dụng cho lớp dẫn, chiều rộng của lưới không được vượt quá 100 cm2 và độ dày của vật liệu ≤ 2 mm.
7.6.2.3. Liên kết điện: Tất cả các bề mặt bộ phận bên ngoài phải được liên kết điện với khối xi lanh động cơ để đạt được sự cân bằng điện thế. Không cần thiết phải kết nối các bộ phận bằng một dây dẫn riêng nếu các bộ phận này được bảo đảm chắc chắn và tiếp xúc kim loại với khối xi lanh.
7.6.3. Dây đai truyền động phải đáp ứng các yêu cầu về điện trở bề mặt của vật liệu theo TCVN 10888-0:2015.
7.6.4. Gioăng, đệm làm kín phải sử dụng loại nguyên liệu có tính kháng cháy.
7.7. Bộ chặn ngọn lửa
7.7.1. Cửa cấp không khí vào và cửa thoát khí thải của động cơ phải được lắp đặt bộ chặn ngọn lửa.
7.7.2. Kết cấu phòng nổ của bộ chặn ngọn lửa tuân thủ theo yêu cầu của TCVN 10888-1:2015.
7.7.3. Bộ chặn ngọn lửa phải dùng nguyên liệu có tính năng chịu nhiệt, chống ăn mòn và chịu mài mòn.
7.7.4. Độ dày tấm ngăn của bộ chặn ngọn lửa phải ≥ 1 mm, độ nhấp nhô ≤ 0,15 mm, độ rộng theo hướng dòng khí ≥ 50 mm, khe giữa hai tấm ngăn cạnh nhau ≤ 0,5 mm.
7.7.5. Khi bộ chặn ngọn lửa sử dụng bi cầu với đường kính 5 mm, độ dày lấp của hướng dòng khí ≥ 60 mm; sử dụng bi cầu đường kính 6 mm độ dày lấp của hướng dòng khí ≥ 90 mm. Các bi cầu bên trong của bộ chặn ngọn lửa sau khi lắp ráp xong phải đảm bảo chắc chắn.
7.7.6. Bộ chặn ngọn lửa của dòng không khí đầu vào và dòng khí thải đầu ra chỉ được hoán đổi cho nhau trong trường hợp hai bộ chặn này giống hệt nhau. Mô phỏng của bộ chặn ngọn lửa như hình 13.

Chú dẫn:
M - Động cơ diesel.
FLP - Vỏ phòng nổ.
SA - Bộ chặn tia lửa.
- Bộ ngăn chặn ngọn lửa.
Hình 13. Mô phỏng bộ chặn ngọn lửa
7.8. Bộ chặn tia lửa
7.8.1. Các yêu cầu chung
Khí thải của động cơ trước khi thải ra ngoài phải được đi qua bộ chặn tia lửa, các vật liệu được sử dụng để chế tạo các bộ chặn tia lửa phải có đặc tính chống ăn mòn và mài mòn.
7.8.2. Bộ chặn tia lửa dùng nước phải được chế tạo từ các vật liệu chịu được chất lỏng làm kín, khí thải và bất kỳ sản phẩm trộn nào và đảm bảo:
7.8.2.1. Phải được lắp thiết bị giám sát mức chất lỏng, phía trên ngăn nước lọc làm mát dưới dạng cửa sổ kính để quan sát.
7.8.2.2. Trường hợp bộ chặn tia lửa lắp trước bộ chặn ngọn lửa phải có kết cấu phòng nổ đảm bảo tuân thủ theo TCVN 10888-1:2015.
7.9. Van đóng ngắt không khí đầu vào
Hệ thống cấp không khí ở phía sau bộ lọc không khí phải đặt van đóng ngắt không khí, khi van đóng phải đảm bảo động cơ ngừng vận hành. Trường hợp van đóng ngắt không khí lắp đặt ở phía sau thiết bị ngăn ngọn lửa, phải sử dụng kết cấu phòng nổ.
7.10. Ngăn trục khuỷu phải đảm bảo:
7.10.1. Lỗ thông khí của ngăn trục khuỷu phải có lưới lọc để ngăn bụi vào trong ngăn trục khuỷu.
7.10.2. Lỗ rót dầu và lỗ kiểm tra mức dầu phải sử dụng kết cấu kín, dạng ren, nắp lỗ rót dầu phải có thiết bị gắn chặt.
7.11. Khả năng chịu áp
7.11.1. Linh kiện của hệ thống cấp, thoát khí (trừ các chi tiết, linh kiện không phòng nổ như bộ lọc không khí, ngăn nước) đều phải chịu được áp lực thử nghiệm 0,8 Mpa, trong thời gian tối thiểu t = 01 phút mà không bị rò rỉ, không bị biến dạng vĩnh viễn.
7.11.2. Thùng nhiên liệu diesel phải chịu được áp lực thử nghiệm 0,03 Mpa, trong thời gian tối thiểu t = 01 phút mà không bị rò rỉ, không bị biến dạng vĩnh viễn.
7.12. Tính năng phòng nổ: Hệ thống cấp khí, thoát khí của động cơ sau khi lắp đặt phải có tính năng ngăn ngọn lửa lan truyền và phòng nổ.
7.13. Nhiệt độ cửa thoát khí thải của động cơ không vượt quá 70 °C.
7.14. Báo động và tắt máy
7.14.1. Phải tự động tắt động cơ khi động cơ vượt quá tốc độ. Bộ phận tắt động cơ có thể kết hợp báo động và tắt máy; phải truyền tín hiệu cho các loại bảo vệ được liệt kê trong Bảng 6.
7.14.2. Khi có quy định về loại bảo vệ khác trong Bảng 6, động cơ phải được tắt an toàn, không thể khởi động lại cho đến khi thiết bị tắt động cơ được phục hồi.
Bảng 6. Các loại bảo vệ động cơ
|
STT |
Loại bảo vệ |
|
1 |
Quá nhiệt chất làm mát trong hệ thống làm mát động cơ bằng chất lỏng |
|
2 |
Áp suất dầu bôi trơn thấp |
|
3 |
Mực nước thấp trong hệ thống làm mát động cơ |
|
4 |
Mực nước thấp trong bộ chặn tia lửa dùng nước |
|
5 |
Nhiệt độ của khí thải vượt quy định |
|
6 |
Nhiệt độ bề mặt với động cơ làm mát bằng không khí vượt quy định |
|
7 |
Nhiệt độ dầu bôi trơn động cơ vượt quy định |
|
8 |
Nhiệt độ dầu thủy lực vượt quy định |
|
9 |
Vượt quá tốc độ cho phép |
|
10 |
Có tín hiệu tác động từ hệ thống giám sát và điều khiển tự động |
|
11 |
Nồng độ khí cháy, nổ vượt quá ngưỡng báo động |
7.15. Hệ thống tắt động cơ
7.15.1. Bộ phận dừng động cơ phải sử dụng van ngắt khí đầu vào và van nhiên liệu. Van nhiên liệu được lắp trên bơm phun cao áp.
7.15.2. Hoạt động của thiết bị bảo vệ quá tốc độ phải tự động tắt nhiên liệu và đóng van ngắt khí đầu vào.
7.15.3. Hệ thống tắt động cơ phải có cơ cấu tắt van bằng tay và được bố trí như sau:
7.15.3.1. Vị trí của người thao tác: Đối với động cơ có giám sát điều khiển.
7.15.3.2. Ở vị trí dễ quan sát và dễ tiếp cận bên ngoài vỏ động cơ: Đối với động cơ không có giám sát điều khiển.
7.16. Động cơ phải có thiết bị dập lửa tự động hoặc thiết bị dập lửa cầm tay, thiết bị dập lửa cầm tay phải thuận tiện khi sử dụng.
8. Yêu cầu đối với máy phát điện xoay chiều ba pha phòng nổ
8.1. Máy phát điện xoay chiều ba pha phòng nổ, bao gồm cả máy phát kích thích phải được thiết kế, chế tạo và thử nghiệm theo các bộ tiêu chuẩn TCVN 6627 (IEC 60034), TCVN 9729-3:2013 (ISO 8528-2:2005) và các tiêu Chuẩn TCVN 10888-0:2015, TCVN 10888-1:2015; có công suất, tốc độ quay phù hợp với động cơ; được làm mát cưỡng bức bằng không khí, các quạt làm mát bên trong và bên ngoài stator được lắp trực tiếp trên trục của máy phát. Ký hiệu dạng làm mát phải tuân theo yêu cầu của TCVN 6627-6:2011 (IEC 60034-6:1991).
8.2. Điện áp phát ra của máy phát phải phù hợp với lưới điện đang sử dụng trong các mỏ hầm lò gồm: 380 V, 660 V, 1140 V, 3 300 V, 6 000 V. Sai số điện áp cho phép ± 5% phù hợp với Điều 7.3 của TCVN 6627-1:2014 (IEC 60034-1:2010).
8.3. Sơ đồ đấu dây của stator là sơ đồ đấu dây có điểm trung tính cách ly.
8.4. Độ tăng nhiệt của cuộn dây máy phát, các thiết bị điện tuân thủ Điều 8 của TCVN 6627-1:2014 (IEC 60034-1:2010) và không vượt quá giới hạn tương ứng quy định tại Bảng 7.
Bảng 7. Giới hạn độ tăng nhiệt của cuộn dây
|
Nhiệt độ của hệ thống cách điện °C |
Giới hạn độ tăng nhiệt trung bình của cuộn dây ở dòng diện danh định °C |
|
105 (A) |
60 |
|
120 (E) |
75 |
|
130 (B) |
80 |
|
155 (F) |
100 |
|
180 (H) |
125 |
|
200 (N) |
135 |
|
220 (R) |
150 |
|
250 |
210 |
8.5. Cấp cách điện của máy phát điện xoay chiều ba pha phòng nổ phải chịu được điện áp thử nghiệm ở tần số công nghiệp, trong thời gian t = 60 s đảm bảo giá trị điện áp thử (Uthử= 2Udđ+ 1000 Vac) phù hợp theo Điều 9 của TCVN 6627-1:2014 (IEC 60034-1:2010) và giá trị điện áp thử nghiệm được quy định tại Bảng 8.
Bảng 8. Điện áp thử nghiệm ở tần số công nghiệp
|
Điện áp danh định (giá trị hiệu dụng) |
Điện áp thử nghiệm ở tần số công nghiệp (giá trị hiệu dụng) |
|
≤ 1 |
3 |
|
1,14 |
3,5 |
|
3,3 |
7,6 |
|
6 |
13 |
8.6. Yêu cầu về khe hở giữa các phần mang điện và khoảng cách rò trên bề mặt cách điện phù hợp với Điều 4 của IEC 60079-7 được quy định tại Bảng 9.
Bảng 9. Khe hở giữa các phần mang điện và khoảng cách rò
|
Điện áp làm việc |
Khoảng cách rò nhỏ nhất (mm) |
Khe hở nhỏ nhất (mm) |
||
|
Nhóm vật liệu theo IEC 60079-7 |
||||
|
I |
II |
IIIa |
|
|
|
≤ 20 |
1,6 |
1,6 |
1,6 |
1,6 |
|
25 |
1,7 |
1,7 |
1,7 |
1,7 |
|
32 |
1,8 |
1,8 |
1,8 |
1,8 |
|
40 |
1,9 |
2,4 |
3,0 |
1,9 |
|
50 |
2,1 |
2,6 |
3,4 |
2,1 |
|
63 |
2,1 |
2,6 |
3,4 |
2,1 |
|
80 |
2,2 |
2,8 |
3,6 |
2,2 |
|
100 |
2,4 |
3,0 |
3,8 |
2,4 |
|
125 |
2,5 |
3,2 |
4,0 |
2,5 |
|
160 |
3,2 |
4,0 |
5,0 |
3,2 |
|
200 |
4,0 |
5,0 |
6,3 |
4,0 |
|
250 |
5,0 |
6,3 |
8,0 |
5,0 |
|
320 |
6,3 |
8,0 |
10,0 |
6,0 |
|
400 |
8,0 |
10 |
12,5 |
6,0 |
|
500 |
10 |
12,5 |
16 |
8,0 |
|
630 |
12 |
16 |
20 |
10 |
|
800 |
16 |
20 |
25 |
12 |
|
1 000 |
20 |
25 |
32 |
14 |
|
1 250 |
22 |
26 |
32 |
18 |
|
1 600 |
23 |
27 |
32 |
20 |
|
2 000 |
25 |
28 |
32 |
23 |
|
2 500 |
32 |
36 |
40 |
29 |
|
3 200 |
40 |
45 |
50 |
36 |
|
4 000 |
50 |
56 |
63 |
44 |
|
5 000 |
63 |
71 |
80 |
50 |
|
6 300 |
80 |
90 |
100 |
60 |
8.7. Kiểm soát nhiệt độ máy phát: Các cuộn dây, ổ đỡ trục của máy phát phải được đặt các cảm biến nhiệt độ, tín hiệu nhiệt độ của các cảm biến đưa đến hệ thống tự động giám sát và báo động khi nhiệt độ vượt ngưỡng đặt trước cho phép.
8.8. Kiểm soát rung động cơ học
8.8.1. Trên khung bệ của máy phát phải có bộ cảm biến rung động để giám sát mức độ rung quá mức của máy phát.
8.8.2. Tín hiệu từ câm biến rung phải truyền đến hệ thống tự động giám sát và báo động khi độ rung vượt ngưỡng đặt trước cho phép.
8.9. Bảo vệ trong hệ thống kích từ
Phải trang bị cảm biến để điều khiển tủ đóng cắt và tủ điều khiển cắt phụ tải đưa máy phát điện ra khỏi lưới điện khi mất mạch kích từ.
8.10. Nối đất bảo vệ của máy phát
8.10.1. Máy phát phải có đầu nối đất hoặc bộ phận khác để đấu nối dây bảo vệ hoặc dây nối đất và phải có ký hiệu nhận biết.
8.10.2. Tất cả các ổ trục và cuộn dây rôto của máy phải cách điện, trục được nối điện với đầu nối đất.
8.10.3. Bộ phận nối đất tuân thủ theo điểm 5.10 của quy chuẩn kỹ thuật này.
9. Yêu cầu đối với tủ điều khiển và tủ đóng cắt phòng nổ
9.1. Tủ điều khiển và tủ đóng cắt phòng nổ phải được thiết kế, chế tạo và thử nghiệm tuân theo các tiêu chuẩn sau đây:
9.1.1. TCVN 9729-4:2013 (ISO 8528-4:2003).
9.1.2. Các tiêu chuẩn phòng nổ của thiết bị điện TCVN 10888-0:2015, TCVN 10888-1:2015.
9.1.3. TCVN 7994-1:2009 (IEC 60439-1:2004): Đối với điện áp danh định không vượt quá 1000V xoay chiều.
9.1.4. TCVN 8096-200:2010 (IEC 62271-200:2003): Đối với điện áp danh định từ 1 kV đến 52 kV.
9.2. Các chức năng của tủ điều khiển và tủ đóng cắt phòng nổ
Tủ điều khiển và tủ đóng cắt phòng nổ phải có các thông số danh định về: điện áp, dòng điện, các chức năng bảo vệ điều khiển phù hợp với máy phát điện, động cơ của máy phát điện.Tự động ngắt phụ tải ra khỏi máy phát khi có các sự cố. Các hệ thống thiết bị trong tủ gồm có:
9.2.1. Thiết bị kiểm tra, giám sát, đo lường, tín hiệu và tự động hóa để duy trì sự làm việc ổn định cho máy phát điện phòng nổ.
9.2.2. Mạch lực cung cấp nguồn cho phụ tải. Các thiết bị trong mạch lực phải có chức năng bảo vệ gồm: Quá tải, ngắn mạch, điện áp thấp, quá áp, mất pha, lệch pha, rò điện. Mạch lực phải có các thiết bị chính như sau:
9.2.2.1. Áptômát hoặc máy cắt chân không.
9.2.2.2. Phần tử bảo vệ quá điện áp tự nhiên, quá điện áp xung trong quá trình vận hành.
Mạch điều khiển của máy phát điện phải có các chức năng đáp ứng được theo Điều 7 của TCVN 9729-4:2013 được quy định tại Bảng 10.
Bảng 10. Chức năng kiểm soát, bảo vệ của mạch điều khiển
|
STT |
Nội dung |
Mức giám sát |
Yêu cầu |
Thiết bị đo, hệ thống bảo vệ |
Ghi chú |
|
|
Cao |
Thấp |
|||||
|
I |
Máy phát điện |
|
|
|
|
|
|
1 |
Lỗi khởi động |
|
|
x |
Tín hiệu chỉ báo |
|
|
2 |
Điện áp ắc quy |
|
x |
x |
Tín hiệu chỉ báo |
|
|
3 |
Lỗi nạp điện ắc quy |
|
|
x |
Tín hiệu chỉ báo |
|
|
4 |
Mức nhiên liệu diesel |
|
x |
x |
Tín hiệu chỉ báo |
|
|
5 |
Bảo vệ thiết bị đếm giờ |
|
|
x |
Đồng hồ thời gian |
|
|
6 |
Tần số |
|
|
x |
Đồng hồ đo tần số |
|
|
7 |
Bảo vệ tần số |
x |
x |
x |
Bảo vệ lệch tần số |
|
|
8 |
Điện áp |
|
|
|
Vôn kế |
|
|
9 |
Dòng điện |
|
|
x |
Ampe kế mỗi pha |
|
|
10 |
Công suất tác dụng |
|
|
x |
Đồng hồ đo công suất |
|
|
11 |
Hệ số công suất |
|
|
x |
Đồng hồ đo Cosφ |
|
|
12 |
Bảo vệ điện áp |
x |
x |
x |
Quá áp, thấp áp, lệch pha, mất pha |
|
|
13 |
Bảo vệ ngắn mạch |
x |
|
x |
Quá dòng chỉnh định |
|
|
14 |
Bảo vệ quá tải |
x |
|
x |
Quá dòng chỉnh định |
|
|
15 |
Bảo vệ dòng lệch pha |
|
|
x |
Quá dòng chỉnh định |
|
|
16 |
Dòng điện kích thích |
|
|
x |
Ampe kế |
|
|
17 |
Bảo vệ dòng kích thích |
x |
x |
x |
Bảo vệ quá dòng điện |
|
|
18 |
Số giờ hoạt động |
|
|
x |
Bộ đếm giờ |
|
|
19 |
Bảo vệ rò điện của lưới |
|
x |
x |
Giảm thấp dưới điện trở chỉnh định |
|
|
20 |
Bảo vệ chạm đất stator |
|
x |
x |
Giảm thấp dưới điện trở chỉnh định |
|
|
21 |
Bảo vệ chạm đất roto |
|
x |
x |
Giảm thấp dưới điện trở chỉnh định |
|
|
22 |
Bảo vệ quá nhiệt cuộn dây stator. |
x |
|
x |
Quá nhiệt độ cho phép |
|
|
23 |
Nhiệt độ ổ đỡ máy phát |
x |
|
x |
Đồng hồ đo nhiệt độ |
|
|
II |
Động cơ diesel kiểu piston |
|
|
|
|
|
|
1 |
Tốc độ quay |
|
|
x |
Đồng hồ tốc độ |
|
|
2 |
Bảo vệ tốc độ quay |
x |
|
x |
Quá tốc độ |
|
|
3 |
Áp suất dầu bôi trơn |
|
x |
x |
Đồng hồ đo áp suất, bảo vệ thấp áp suất |
|
|
4 |
Nhiệt độ dầu bôi trơn |
x |
|
x |
Đồng hồ đo nhiệt độ |
|
|
5 |
Nhiệt độ bề mặt động cơ |
x |
|
x |
Bảo vệ quá nhiệt bề mặt |
|
|
6 |
Nhiệt độ khí thải |
x |
|
x |
Bảo vệ quá nhiệt |
|
|
7 |
Nhiệt độ nước làm mát động cơ |
x |
|
x |
Bảo vệ quá nhiệt |
|
|
8 |
Mức dầu bôi trơn |
|
x |
x |
Có tín hiệu cảnh báo |
|
|
9 |
Mức nước làm mát động cơ |
|
x |
x |
Có tín hiệu cảnh báo |
|
|
10 |
Mức nước của ngăn chặn hạt cháy sáng |
|
x |
x |
Có tín hiệu cảnh báo |
|
|
11 |
Mức thùng nhiên liệu diesel |
|
x |
x |
Có tín hiệu cảnh báo |
|
|
12 |
Hư hỏng quạt làm mát |
|
|
x |
Dừng động cơ |
|
|
13 |
Hư hỏng dây đai truyền động |
|
|
x |
Dừng động cơ |
|
|
14 |
Nồng độ khí CH4 vượt ngưỡng đặt trước |
x |
|
x |
Dừng động cơ |
|
|
Chú dẫn: Kí hiệu “x” chỉ hạng yêu cầu chức năng kiểm soát, bảo vệ của mạch điều khiển. |
||||||
9.2.4. Tủ điều khiển và tủ đóng cắt phải đáp ứng được các yêu cầu sau:
9.2.4.1. Tác động dừng máy phát điện phòng nổ khi xảy ra các trường hợp: Quá tải, ngắn mạch, điện áp thấp, quá áp, mất pha, quá nhiệt và các tín hiệu kiểm soát tự động của hệ thống bảo vệ máy phát điện.
9.2.4.2. Chịu được dòng ngắn mạch lớn nhất và nhiệt trong thời gian ngắn mạch.
9.2.4.3. Chỉ dẫn vị trí “cắt”, vị trí “đóng" và hiển thị các thông số vận hành như: Điện áp, dòng điện, tần số.
9.2.4.4. Cửa được khóa liên động cơ khí, đảm bảo không thể mở khi chưa được cắt điện.
9.3. Các thông số kỹ thuật
9.3.1. Điện áp danh định: 380V, 660 V, 1 140 V, 3 300 V, 6 000 V.
9.3.2. Dòng điện danh định: đến 1 200 A.
9.3.3. Điện áp mạch điều khiển, giám sát, đo lường và tự động hóa tuân thủ Điều 4.6 của TCVN 9729-4:2013 phải sử dụng điện áp nhỏ hơn hoặc bằng 250 V.
9.4. Lắp đặt
Tủ đóng cắt, tủ điều khiển và các thiết bị điện phụ trợ khác kết nối với tủ được lắp đặt trực tiếp trên khung máy phát điện, trên các bộ phận của vỏ, trong các bộ phận của thiết bị.
Mức cách điện của tủ đóng cắt và tủ điều khiển phải chịu được điện áp thử nghiệm với tần số công nghiệp, trong thời gian t = 60 s đảm bảo giá trị quy định tại Bảng 11.
Bảng 11. Mức điện áp thử nghiệm của tủ đóng cắt và tủ điều khiển
|
Điện áp danh định của mạch điện (giá trị hiệu dụng) |
Điện áp thử nghiệm (giá trị hiệu dụng) |
|
Thiết bị và mạch điện an toàn tia lửa “i” |
500 |
|
≤ 60 |
1 000 |
|
> 60 |
2Uđm + 1 000 (không nhỏ hơn 1 500) |
|
660 |
3 000 |
|
1 140 |
4 200 |
|
3 300 |
12 000 |
|
6 000 |
23 000 |
Bảng 12. Thông số bảo vệ rò điện của tủ đóng - cắt và điều khiển
|
Điện áp danh định (V) |
Trị số chỉnh định điện trở tác động rò một pha (kΩ) |
Trị số chỉnh định điện trở khóa rò điện (kΩ) |
Thời gian tác động với điện trở rò 1 kΩ (ms) |
|
380 |
3,5 |
7 |
≤ 200 |
|
660 |
11 |
22 |
|
|
1 140 |
20 |
40 |
|
|
3 300 |
50 |
100 |
|
|
6 000 |
Thông số bảo vệ chạm đất một pha Phạm vi đặt dòng 3I0 (1-10) A |
||
|
Chú dẫn: Thời gian tác động bảo vệ rò bao gồm cả thời gian tác động của các thiết bị cắt điện; các thông số bảo vệ rò điện có sai số giữa giá trị điện trở tác động và giá trị được quy định trong Bảng 12 không quá 20%. |
|||
9.7. Sơ đồ nguyên lý của mạch lực của máy phát điện phòng nổ phải được gắn vào thành trong của tủ điều khiển và tủ đóng cắt.
9.8. Bộ phận nối đất tuân thủ theo điểm 5.10 của Quy chuẩn kỹ thuật này.
10. Yêu cầu đối với nhiên liệu diesel
Trong quá trình sử dụng nhiên liệu diesel dùng cho máy phát điện, phải tuân thủ các quy định tại QCVN 01:2011/BCT và QCVN 04:2017/BCT và tuân thủ các yêu cầu sau:
10.1. Yêu cầu đối với thùng nhiên liệu diesel
10.1.1. Phải được chế tạo bằng kim loại và có nút bịt có ren, có vị trí thăm nhiên liệu. Nắp để lỗ thăm mức nhiên liệu phải có gioăng kín bảo đảm loại trừ tia lửa khi mở ra. Không được phép lắp ống kiểm tra mức nhiên liệu bằng thủy tinh.
10.1.2. Có lỗ cấp nhiên liệu và lỗ thoát khí, nắp lỗ phải dùng kết cấu dạng ren xoắn ốc và phải có cơ cấu bắt chặt.
10.1.3. Có bộ phận tháo nước được lắp đặt ở điểm thấp nhất của thùng nhiên liệu. Khi tháo, nhiên liệu không đi vào gần các bộ phận nóng hoặc thiết bị điện.
10.1.4. Khi lắp đặt thùng nhiên liệu phải đảm bảo tránh bị va đập và phải cách nguồn nhiệt ít nhất 50 cm.
10.1.5. Dung tích chứa không vượt quá lượng nhiên liệu sử dụng khi vận hành bình thường trong 8h.
10.2. Các yêu cầu đối với hệ thống cấp nhiên liệu vận hành máy phát điện phòng nổ
10.2.1. Hệ thống cấp nhiên liệu phải được thiết kế van dừng cung cấp nhiên liệu, van này có thể thao tác từ xa tự động đóng lại khi gặp sự cố.
10.2.2. Các dòng dẫn nhiên liệu phải là đường ống kim loại hoặc đường ống có lớp lót lưới thép chịu được các tác động hóa học và nhiệt; được bảo vệ chống các tác động cơ học.
10.2.3. Cho phép dẫn nhiên liệu từ mặt đất vào kho chứa trong lò bằng các đường ống dẫn qua lỗ khoan. Hệ thống dẫn này do Giám đốc điều hành mỏ phê duyệt sau khi thỏa thuận với lực lượng cấp cứu mỏ chuyên trách.
10.2.4. Bơm chuyển nhiên liệu qua đường ống dọc trên đường lò phải thực hiện theo thiết kế được đơn vị quản lý khai thác mỏ phê duyệt và có sự thỏa thuận của lực lượng cấp cứu mỏ chuyên trách.
10.3. Các yêu khi vận chuyển nhiên liệu diesel vào trong hầm lò
10.3.1. Phương án vận chuyển, bảo quản, lưu trữ nhiên liệu diesel trong hầm lò phải được Giám đốc điều hành mỏ phê duyệt.
10.3.2. Khi vận chuyển nhiên liệu diesel xuống mỏ hầm lò và đến vị trí máy phát điện phòng nổ làm việc phải thực hiện trong thời gian được quy định và do các nhân viên phải được huấn luyện làm việc với chất lỏng cháy trong hầm lò.
10.3.3. Khi vận chuyển nhiên liệu diesel từ ngoài mặt bằng vào kho chứa hoặc điểm cấp phát trong lò phải sử dụng xe chuyên dụng kín, được trang bị bơm để bơm nhiên liệu.
10.3.4. Trong trường hợp chuyển nhiên liệu diesel chứa trong thùng chứa (xi téc, thùng, can) đặt trên toa xe goòng thì thùng chứa phải được chằng buộc chắc chắn, tin cậy với toa xe.
10.3.5. Khi chuyển nhiên liệu diesel bằng đầu tàu điện, giữa đầu tàu và xe goòng chở chất lỏng cháy phải có ít nhất 03 xe goòng rỗng, hoặc khoảng cách giữa đầu tàu và toa chở chất lỏng không nhỏ hơn 03 m. Các xe goòng còn lại trong đoàn tàu không được vận chuyển hàng hóa khác.
10.3.6. Khi vận chuyển, lưu trữ, sang chiết nhiên liệu diesel thì thùng chứa nhiên liệu, đường ống và thiết bị phải được tiếp đất để tránh cháy nổ do tĩnh điện. Cấm sang chiết nhiên liệu diesel bằng dòng hở.
10.3.7. Cho phép vận chuyển nhiên liệu diesel chứa trong thùng chứa, bằng các phương tiện vận tải không ray với điều kiện thùng chứa được chằng buộc chắc chắn với phương tiện. Không được vận chuyển kết hợp các hàng hóa khác. Vận tốc vận chuyển không quá 10 km/h. Thân thùng chứa phải gắn mạch tiếp đất bảo đảm tin cậy, đầu tiếp đất làm bằng thanh sắt nhọn kim loại tiếp xúc với nền lò. Trong quá trình rót, cấp nhiên liệu, thùng chứa phải luôn được tiếp đất.
10.3.8. Nếu vận chuyển thùng chứa nhiên liệu bằng phương tiện có động cơ diesel, thì khí thải của động cơ phải được dẫn ra theo hướng không có khả năng gây cháy nổ cho thùng chứa nhiên liệu.
10.4. Tại địa điểm phục vụ bảo dưỡng máy phát điện phòng nổ, chất lỏng cháy, thải phải được lưu trữ trong thùng chứa kim loại có khóa và nắp kín khít.
10.5. Để tránh tạo tia lửa, cấm sử dụng dụng cụ bằng sắt để dịch chuyển và mở thùng chứa chất lỏng cháy, ở nơi lưu trữ chất lỏng cháy phải có các dụng cụ và đồ gá chuyên dùng, loại trừ khả năng tạo tia lửa.
III. QUY ĐỊNH VỀ QUẢN LÝ
11. Quy định về hợp quy
11.1. Máy phát điện phòng nổ thuộc phạm vi điều chỉnh của quy chuẩn này phải công bố hợp quy phù hợp với các quy định về kỹ thuật an toàn tại Chương II của Quy chuẩn kỹ thuật này, gắn dấu hợp quy (dấu CR) trước khi lưu thông trên thị trường và ghi nhãn hàng hóa; phải được kiểm định, kiểm tra, thử nghiệm trong quá trình sử dụng vận hành theo quy định tại Chương III và Chương IV của Quy chuẩn kỹ thuật này.
11.2. Máy phát điện phòng nổ sản xuất trong nước và nhập khẩu phải thực hiện việc công bố hợp quy theo quy định tại Thông tư số 28/2012/TT-BKHCN ngày 12 tháng 12 năm 2012 của Bộ trưởng Bộ Khoa học và Công nghệ quy định về công bố hợp chuẩn, công bố hợp quy và các phương thức đánh giá sự phù hợp với tiêu chuẩn, Quy chuẩn kỹ thuật và Thông tư số 02/2017/TT-BKHCN ngày 31 tháng 3 năm 2017 của Bộ trưởng Bộ Khoa học và Công nghệ về việc sửa đổi, bổ sung một số điều của Thông tư số 28/2012/TT-BKHCN (sau đây viết tắt là Thông tư số 28/2012/TT-BKHCN và Thông tư số 02/2017/TT-BKHCN).
11.3. Máy phát điện phòng nổ nhập khẩu phải thực hiện đăng ký kiểm tra nhà nước về chất lượng hàng hóa nhập khẩu theo quy định tại Thông tư số 36/2019/TT-BCT ngày 29 tháng 11 năm 2019 của Bộ Công Thương quy định quản lý chất lượng sản phẩm, hàng hóa nhóm 2 thuộc trách nhiệm quản lý của Bộ Công Thương.
11.4. Công bố hợp quy
11.4.1. Việc công bố hợp quy máy phát điện phòng nổ phải dựa trên kết quả chứng nhận của tổ chức chứng nhận đã đăng ký lĩnh vực hoạt động theo quy định tại Nghị định 107/2016/NĐ-CP ngày 01 tháng 7 năm 2016 của Chính phủ quy định kinh doanh dịch vụ đánh giá sự phù hợp (sau đây viết tắt là Nghị định số 107/2016/NĐ-CP); Nghị định số 154/2018/NĐ-CP ngày 09 tháng 11 năm 2018 của Chính phủ sửa đổi, bổ sung, bãi bỏ một số quy định về điều kiện đầu tư, kinh doanh trong lĩnh vực quản lý nhà nước của Bộ Khoa học và Công nghệ (sau đây viết tắt là Nghị định số 154/2018/NĐ-CP); Nghị định số 132/2008/NĐ-CP ngày 31 tháng 12 năm 2008 của Chính phủ quy định chi tiết thi hành một số điều của Luật Chất lượng sản phẩm, hàng hóa; Nghị định số 74/2018/NĐ-CP sửa đổi, bổ sung một số điều của Nghị định số 132/2008/NĐ-CP ngày 31 tháng 12 năm 2008 của Chính phủ quy định chi tiết thi hành một số điều của Luật Chất lượng sản phẩm, hàng hóa và một số quy định về kiểm tra chuyên ngành hoặc được thừa nhận theo quy định của Thông tư số 27/2007/TT-BKHCN ngày 31 tháng 10 năm 2007 của Bộ trưởng Bộ Khoa học và Công nghệ hướng dẫn việc ký kết và thực hiện các Hiệp định và thỏa thuận thừa nhận lẫn nhau kết quả đánh giá sự phù hợp (sau đây viết tắt là Thông tư số 27/2007/TT-BKHCN).
11.4.2. Chứng nhận hợp quy
11.4.2.1. Đối với máy phát điện phòng nổ sản xuất trong nước:
Chứng nhận hợp quy theo phương thức 5 “Thử nghiệm mẫu điển hình và đánh giá quá trình sản xuất; giám sát thông qua thử nghiệm mẫu lấy tại nơi sản xuất hoặc trên thị trường kết hợp với đánh giá quá trình sản xuất” tại cơ sở sản xuất máy phát điện phòng nổ theo quy định tại khoản 1 Điều 5 Thông tư số 28/2012/TT-BKHCN.
11.4.2.2. Đối với máy phát điện phòng nổ nhập khẩu:
Chứng nhận hợp quy theo phương thức 8 “Thử nghiệm hoặc kiểm định toàn bộ sản phẩm, hàng hóa” theo quy định tại khoản 1 Điều 5 Thông tư số 28/2012/TT-BKHCN.
11.4.3. Thử nghiệm phục vụ việc chứng nhận phải được thực hiện bởi tổ chức thử nghiệm được Bộ Công Thương chỉ định theo quy định tại Nghị định số 107/2016/NĐ-CP, Nghị định số 154/2018/NĐ-CP hoặc được thừa nhận theo quy định của Thông tư số 27/2007/TT-BKHCN. Phạm vi thử nghiệm của tổ chức thử nghiệm phải đáp ứng các yêu cầu quy định của Quy chuẩn kỹ thuật này.
11.4.4. Dấu hợp quy phải tuân thủ theo khoản 2 Điều 4 của quy định về chứng nhận hợp chuẩn, chứng nhận hợp quy và công bố hợp chuẩn, công bố hợp quy ban hành kèm theo Thông tư số 28/2012/TT-BKHCN.
11.4.5. Trình tự, thủ tục và hồ sơ công bố hợp quy
Trình tự, thủ tục và hồ sơ công bố hợp quy đối với Máy phát điện phòng nổ sử dụng trong mỏ hầm lò sản xuất trong nước và nhập khẩu thực hiện theo Thông tư số 28/2012/TT-BKHCN và Thông tư số 02/2017/TT-BKHCN.
12. Quy định về ghi nhãn
Thông tin ghi trên nhãn của máy phát điện phòng nổ sử dụng trong mỏ hầm lò phải bao gồm thông tin tối thiểu theo khoản 1 Điều 10 của Nghị định số 43/2017/NĐ-CP ngày 14 tháng 4 năm 2017 của Chính phủ quy định về nhãn hàng hóa và các bộ phận của máy phát điện phải thể hiện các nội dung sau:
12.1. Máy phát điện phòng nổ:
12.1.1. Kiểu, loại.
12.1.2. Công suất danh định, kVA.
12.1.3. Điện áp danh định, V.
12.1.4. Dòng điện danh định, A.
12.1.5. Điện áp kích từ danh định, V.
12.1.6. Dòng điện kích từ danh định, A.
12.1.7. Tần số danh định, Hz.
12.1.8. Số pha.
12.1.9. Kí hiệu làm mát.
12.1.10. Dạng bảo vệ nổ.
12.1.11. Cấp bảo vệ kín.
12.1.12. Số chứng chỉ phòng nổ.
12.1.13. Tốc độ quay
12.1.14. Tổ đấu dây
12.1.15. Số chế tạo của nhà máy.
12.1.16. Năm sản xuất.
12.2. Động cơ diesel kiểu piston phòng nổ:
12.2.1. Kiểu, loại.
12.2.2. Công suất động cơ, kW.
12.2.3. Tốc độ danh định, vòng/phút
12.2.4. Mức vượt tốc cho phép.
12.2.5. Kí hiệu chiều quay động cơ.
12.2.6. Dạng bảo vệ nổ.
12.2.7. Cấp bảo vệ kín.
12.2.8. Số chế tạo của nhà máy.
12.2.9. Năm sản xuất
12.3. Tủ điều khiển và tủ đóng cắt phòng nổ:
12.3.1. Kiểu, loại.
12.3.2. Điện áp danh định, V.
12.3.3. Dòng điện danh định, A.
12.3.4. Tần số danh định, Hz.
12.3.5. Dạng bảo vệ nổ.
12.3.6. Cấp bảo vệ kín.
12.3.7. Số chứng chỉ phòng nổ.
12.3.8. Số chế tạo của nhà máy.
12.3.9. Năm sản xuất.
13. Yêu cầu về hồ sơ quản lý máy phát điện phòng nổ sử dụng trong mỏ hầm lò
13.1. Phải có đầy đủ các tài liệu kỹ thuật của nhà chế tạo, gồm: Hướng dẫn vận chuyển, sử dụng, bảo dưỡng và bảo quản. Trường hợp tài liệu kỹ thuật tiếng nước ngoài phải có bản dịch sang tiếng Việt được công chứng.
13.2. Lập hồ sơ quản lý từ khi bắt đầu đưa vào sử dụng bao gồm:
13.2.1. Thiết kế lựa chọn máy phát điện phòng nổ sử dụng trong mỏ hầm lò được phê duyệt.
13.2.2. Thiết kế thi công, vị trí lắp đặt máy phát điện.
13.2.3. Hồ sơ nghiệm thu sau lắp đặt.
13.2.4. Hồ sơ hoàn công lắp đặt.
13.2.5. Hồ sơ kiểm định.
13.2.6. Quy trình vận hành.
13.2.7. Sổ ghi kết quả kiểm tra kỹ thuật an toàn và theo dõi tình trạng hoạt động của máy phát điện trong quá trình sử dụng; sổ kiểm tra rơle bảo vệ rò điện.
13.2.8. Nội quy an toàn, quy trình trong vận chuyển, lắp đặt, kiểm tra, vận hành, bảo dưỡng, sửa chữa và bảo quản máy phát điện phòng nổ sử dụng trong mỏ hầm lò.
14. Yêu cầu về kiểm tra trong quá trình vận hành
14.1. Kiểm tra, đánh giá các tính năng kỹ thuật được thực hiện theo QCVN QTĐ-5: 2009/BCT, QCVN QTĐ-6: 2008/BCT, TCVN 6592-2: 2009 (IEC 60947-2: 2009), TCVN 7079-17: 2003, TCVN 8096-200: 2010 (IEC 62271- 200: 2003), TCVN 9729-6:2013 (ISO 8528-6:2005).
14.2. Các phương pháp kiểm tra:
14.2.1. Kiểm tra bằng trực quan: Kiểm tra xác định, mà không cần sử dụng tiếp cận bằng thiết bị hoặc các dụng cụ.
14.2.2. Kiểm tra trực tiếp: Kiểm tra những bộ phận ở bên ngoài bằng trực quan và xác định các khuyết tật bằng cách sử dụng dụng cụ, thiết bị. Kiểm tra trực tiếp không được mở vỏ hoặc cắt điện thiết bị.
14.2.3. Kiểm tra chi tiết: Kiểm tra trong đó bao gồm những nội dung của kiểm tra trực tiếp và xác định các khuyết tật bằng sử dụng dụng cụ, thiết bị. Kiểm tra chi tiết phải cắt điện và mở vỏ thiết bị.
15. Thời hạn và nội dung kiểm tra
15.1. Trách nhiệm và tần suất kiểm tra:
15.1.1. Người vận hành hoặc thợ điện thường trực kiểm tra hàng ca.
15.1.2. Phó Quản đốc cơ điện phân xưởng hoặc người được ủy quyền kiểm tra hàng tuần.
15.1.3. Trưởng phòng cơ điện hoặc người được ủy quyền kiểm tra hàng quý.
15.1.4. Phó Giám đốc cơ điện hoặc những người được chỉ định kiểm tra hàng năm.
15.2. Nội dung kiểm tra thực hiện theo quy định tại phụ lục B Quy chuẩn kỹ thuật này.
15.3. Kết quả kiểm tra phải được:
15.3.1. Ghi vào sổ kiểm tra theo quy định tại Phụ lục D của Quy chuẩn kỹ thuật này.
15.3.2. Kết luận về tình trạng kỹ thuật an toàn máy phát điện phòng nổ sử dụng trong mỏ hầm lò và chỉ cho phép đưa vào sử dụng hoặc tiếp tục vận hành khi đảm bảo kỹ thuật an toàn.
15.4. Khi phát hiện máy không đảm bảo an toàn, người theo dõi, vận hành phải dừng hoạt động và báo cáo người có trách nhiệm để xử lý.
16. Yêu cầu về thử nghiệm và kiểm định
16.1. Máy phát điện phòng nổ sử dụng trong mỏ hầm lò trước khi đưa vào sử dụng phải được kiểm định theo quy định tại Thông tư số 09/2017/TT-BCT ngày 13 tháng 7 năm 2017 của Bộ trưởng Bộ Công Thương quy định hoạt động kiểm định kỹ thuật an toàn lao động thuộc thẩm quyền quản lý của Bộ Công Thương (sau đây viết tắt là Thông tư số 09/2017/TT-BCT), Thông tư số 10/2017/TT-BCT ngày 26 tháng 7 năm 2017 của Bộ trưởng Bộ Công Thương quy định quy trình kiểm định kỹ thuật an toàn đối với máy, thiết bị, vật tư có yêu cầu nghiêm ngặt về an toàn lao động thuộc thẩm quyền quản lý của Bộ Công Thương (sau đây viết tắt là Thông tư số 10/2017/TT-BCT) và Thông tư số 12/2020/TT-BCT ngày 18 tháng 6 năm 2020 sửa đổi, bổ sung, bãi bỏ một số điều của Thông tư số 09/2017/TT-BCT và Thông tư số 10/2017/TT-BCT của Bộ Công Thương.
16.2. Theo các loại hình kiểm định, các phép thử nghiệm, kiểm định phải được thực hiện theo hướng dẫn kỹ thuật, phương pháp thử, quy trình thử nghiệm và các thiết bị thử nghiệm quy định trong các tiêu chuẩn TCVN 10888- 0: 2015 (IEC 60079-0: 2011), TCVN 10888-1: 2015 (IEC 60079-1: 2014), TCVN 9729-4:2013 (ISO 8528-4:2005), IEC 60079-7:2015/AMD1:2017, IEC 60079-11:2011. Nội dung thực hiện theo quy định tại Phụ lục C Quy chuẩn kỹ thuật này.
16.2.1. Các hạng mục và thông số cụ thể của các phép kiểm tra, thử nghiệm được thực hiện theo hướng dẫn của các tiêu chuẩn kỹ thuật được áp dụng và theo tài liệu hướng dẫn của nhà chế tạo.
16.2.2. Các phương tiện đo (đồng hồ đo U, I, f, nhiệt độ; phương tiện đo điện trở cách điện, nồng độ khí thải, khí mêtan,..) dùng trong các phép kiểm tra, thử nghiệm tại quy chuẩn này phải được kiểm định, hiệu chuẩn theo pháp luật đo lường.
16.3. Báo cáo, đánh giá kết quả thử nghiệm, kiểm định
Báo cáo, đánh giá kết quả thử nghiệm, kiểm định phải chỉ ra cụ thể kết quả kiểm tra, thử nghiệm đạt hoặc không đạt các yêu cầu kỹ thuật trong các tiêu chuẩn, quy chuẩn áp dụng.
16.3.1. Thử nghiệm, kiểm định đạt yêu cầu khi: Đáp ứng các yêu cầu kỹ thuật của các tiêu chuẩn, Quy chuẩn kỹ thuật được áp dụng tại Bảng C Phụ lục C Quy chuẩn kỹ thuật này.
16.3.2. Thử nghiệm, kiểm định không đạt yêu cầu khi: Không đáp ứng một trong các yêu cầu kỹ thuật của các tiêu chuẩn, Quy chuẩn kỹ thuật được áp dụng tại Bảng C Phụ lục C Quy chuẩn kỹ thuật này.
IV. TỔ CHỨC THỰC HIỆN
17. Trách nhiệm của tổ chức, cá nhân
17.1. Tuân thủ các quy định của Quy chuẩn kỹ thuật này.
17.2. Tổ chức, cá nhân sử dụng máy phát điện phòng nổ sử dụng trong mỏ hầm lò phải:
17.2.1. Thường xuyên kiểm tra theo quy định, kịp thời báo cáo cấp có thẩm quyền khi phát hiện sự cố, biểu hiện mất an toàn trong quá trình vận hành.
17.2.2. Sửa chữa, bảo dưỡng, thử nghiệm, kiểm định máy phát điện phòng nổ theo quy định tại Quy chuẩn kỹ thuật này và các yêu cầu của văn bản pháp luật khác có liên quan.
17.2.3. Lập hồ sơ theo dõi, quản lý và sử dụng an toàn máy phát điện phòng nổ sử dụng trong mỏ hầm lò theo quy định tại Quy chuẩn kỹ thuật này.
17.3. Các tổ chức thử nghiệm, kiểm định
Tổ chức thử nghiệm, kiểm định phải thực hiện các nội dung quy định tại Quy chuẩn kỹ thuật này và phải chịu trách nhiệm về các kết quả thử nghiệm, kiểm định theo quy định hiện hành.
18. Tổ chức thực hiện
18.1. Cục Kỹ thuật an toàn và Môi trường công nghiệp, Bộ Công Thương có trách nhiệm:
18.1.1. Hướng dẫn, tổ chức triển khai thực hiện các quy định tại Quy chuẩn kỹ thuật này.
18.1.2. Thanh tra, kiểm tra việc thực hiện các nội dung được quy định tại Quy chuẩn kỹ thuật này đối với các tổ chức có liên quan tới máy phát điện phòng nổ sử dụng trong hầm lò.
18.2. Sở Công Thương các tỉnh, thành phố theo chức năng, quyền hạn phối hợp với Cục Kỹ thuật an toàn và Môi trường công nghiệp, Bộ Công Thương hoặc trực tiếp thanh tra, kiểm tra việc thực hiện các nội dung được quy định tại Quy chuẩn kỹ thuật này.
19. Hiệu lực thi hành
19.1. Quy chuẩn kỹ thuật này có hiệu lực thi hành kể từ ngày 01 tháng 7 năm 2021.
19.2. Trong trường hợp các văn bản quy phạm pháp luật, quy chuẩn, tiêu chuẩn được dẫn chiếu tại Quy chuẩn kỹ thuật này được sửa đổi, bổ sung, thay thế thì việc áp dụng theo quy định của văn bản mới đó.
19.3. Tổ chức, cá nhân trong quá trình thực hiện Quy chuẩn kỹ thuật này, trường hợp có phát sinh khó khăn, vướng mắc trong quá trình thực hiện đề nghị phản ánh về Bộ Công Thương để xem xét./.
Phụ lục A
MÃ HS CỦA DANH MỤC SẢN PHẨM HÀNG HÓA THUỘC PHẠM VI ĐIỀU CHỈNH CỦA QUY CHUẨN
Quy định tại Thông tư số 33/2017/TT-BCT ngày 28 tháng 12 năm 2017 của Bộ trưởng Bộ Công Thương sửa đổi, bổ sung mã số HS trong Danh mục ban hành kèm theo Thông tư số 29/2016/TT-BCT ngày 13 tháng 12 năm 2016 của Bộ trưởng Bộ Công Thương quy định Danh mục sản phẩm, hàng hóa có khả năng gây mất an toàn thuộc trách nhiệm quản lý của Bộ Công Thương.
|
Tên sản phẩm, hàng hóa |
Mã HS |
|
Máy phát điện phòng nổ |
8502.11.00 |
|
8502.12.10 |
|
|
8502.12.20 |
|
|
8502.13.20 |
|
|
8502.13.90 |
|
|
8502.20.10 |
|
|
8502.20.20 |
|
|
8502.20.30 |
|
|
8502.20.42 |
|
|
8502.20.49 |
|
|
8502.39.10 |
|
|
8502.39.20 |
|
|
8502.39.32 |
|
|
8502.39.39 |
Phụ lục B
NỘI DUNG KIỂM TRA
I. Kiểm tra hàng ca:
Nội dung kiểm tra hàng ca theo quy định tại Bảng B1.
Bảng B1. Quy định nội dung kiểm tra hàng ca
|
STT |
Nội dung kiểm tra |
Phương pháp kiểm tra |
Kết quả kiểm tra cho phép vận hành |
|
1 |
Vị trí máy phát điện |
Bằng trực quan, trực tiếp |
Không có nguy cơ đá rơi và nước nhỏ giọt. |
|
2 |
Lắp đặt |
Bằng trực quan, trực tiếp |
Lắp đặt chắc chắn trên móng hoặc giá đỡ tin cậy, vẹt gỗ hoặc bê tông, không bị xô lệch rung động trong vận hành. Các đường cáp vào ra đúng kỹ thuật không bị kéo căng, gập gẫy. |
|
3 |
Tình trạng bên ngoài của vỏ |
Bằng trực quan, trực tiếp |
Nguyên vẹn không có các hư hỏng biến dạng vĩnh cửu |
|
4 |
Tiếp đất |
Bằng trực quan, trực tiếp |
Các bộ phận tiếp đất của máy phát điện gồm: - Thanh tiếp đất chính. - Các dây tiếp đất mềm của các bộ phận, máy phát, động cơ, tủ đóng-cắt, tủ điều khiển, các cổ cáp vào ra. - Dây cáp tiếp đất của rơ le bảo vệ rò điện cách tiếp đất chính ≥ 5 m. Phải có đầy đủ, được bắt chắc chắn và tin cậy. |
|
5 |
Kiểm tra các thông số vận hành của tổ máy phát thông qua bảng hiển thị hoặc các đồng hồ chỉ thị. Tiếng kêu của máy phát |
Bằng trực quan, trực tiếp |
Các thông số vận hành gồm: Điện áp, dòng điện, tần số, nhiệt độ làm việc của máy. Xem xét các thông báo về sự cố đã xảy ra trong ca trước (nếu có). Tiếng kêu êm bình thường không có tiếng kêu, rung động hoặc va đập lạ. |
|
6 |
Kiểm tra tác động của rơ le bảo vệ rò điện |
Bằng trực quan, trực tiếp |
Thử tác động của nút bảo vệ rò. Quan sát giá trị chỉ số điện trở rò khi rơ le tác động và ghi kết quả kiểm tra vào bảng thử rơ le rò. |
|
7 |
Kiểm tra sơ đồ nguyên lý cung cấp điện, nội quy an toàn và quy trình vận hành của máy phát điện phòng nổ |
Bằng trực quan, trực tiếp |
- Phải có sơ đồ nguyên lý cung cấp điện chính xác rõ ràng được cập nhật theo hiện trạng ở vị trí dễ quan sát và có đủ các thông số bảo vệ cung cấp điện. - Phải có nội quy, quy trình vận hành rõ ràng dễ đọc, dễ quan sát. |
|
8 |
Kiểm tra thiết bị an toàn |
Bằng trực quan, trực tiếp |
Phải có đầy đủ trong trạng thái sẵn sàng làm việc tốt: Găng ủng cách điện cao áp (6-10) kV phải được kiểm định dán tem còn hạn kiểm định, ghế cách điện thao tác tủ điện áp cao, thùng cát chống cháy, các bình bọt chống cháy, xẻng và phương tiện chữa cháy khác, hàng rào ngăn cách an toàn. |
|
9 |
Kiểm tra nguồn điện ắc quy |
Bằng trực quan, trực tiếp |
Điện áp của ắc quy phải đảm bảo 12V. |
|
10 |
Kiểm tra cơ cấu liên động |
Bằng trực quan, trực tiếp |
Các cơ cấu liên động để thao tác của tủ đóng cắt, tủ điều khiển, liên động giữa cao áp và hạ áp phải còn nguyên bản không bị cong vênh, hư hỏng làm mất tính năng liên động. |
|
11 |
Kiểm tra các mối ghép phòng nổ |
Bằng trực quan, trực tiếp |
- Tất cả các mối ghép phòng nổ (nắp mở nhanh, nắp mở chậm, các mặt bích, trục xoay) phải còn nguyên vẹn không bị biến dạng, cong vênh vĩnh cửu, phải có đầy đủ các bu lông đúng chủng loại, có vòng đệm vênh và được vặn chặt chắc chắn. - Không được sử dụng các bu lông không đúng chủng loại. - Không cho vận hành máy phát điện khi có các mối ghép phòng nổ thiếu bất kỳ các bu lông bị hoặc lỏng. |
|
12 |
Kiểm tra các cổ cáp vào, ra |
Bằng trực quan, trực tiếp |
- Các cổ dẫn cáp vào ra phải đủ chi tiết bộ phận đặc biệt là (vòng đệm cáp bằng cao su) và được vặn chặt, các loại cáp sử dụng phải phù hợp với vòng đệm cáp bằng cao su và phải được ép chặt không thể kéo ra được. - Cáp lắp đặt phải không được chịu lực dọc hoặc lực uốn theo cáp. |
|
13 |
Kiểm tra các phần tử xuyên sáng cho màn hiển thị hoặc tín hiệu |
Bằng trực quan, trực tiếp |
Các phần tử xuyên sáng để quan sát thông số vận hành hoặc thông báo tín hiệu phải còn nguyên vẹn không được sứt, nứt, vỡ, biến dạng vĩnh cửu và được kẹp chặt đúng vị trí đảm bảo chức năng quan sát. |
|
14 |
Vệ sinh, kiểm tra các tấm ghi nhãn của máy phát điện |
Bằng trực quan, trực tiếp |
- Vệ sinh sạch sẽ bụi bẩn bám bên ngoài phía trên của thành vỏ. - Các tấm ghi nhãn phải đầy đủ nguyên vẹn, sạch sẽ dễ đọc và không bị hư hỏng, mờ các thông số, không nhìn được rõ ràng. |
II. Kiểm tra hàng tuần:
Ngoài nội dung các công việc kiểm tra hàng ca phải kiểm tra thêm các nội dung theo quy định tại Bảng B2.
Bảng B2. Quy định nội dung kiểm tra hàng tuần
|
STT |
Nội dung kiểm tra |
Phương pháp kiểm tra |
Kết quả kiểm tra cho phép vận hành |
|
1 |
Mối ghép phòng nổ nắp tủ điều khiển và tủ đóng cắt |
Trực tiếp |
- Kiểm tra khe hở mối ghép phòng nổ theo chu vi của mối ghép, khe hở phải đảm bảo yêu cầu kỹ thuật. - Vặn chặt các bu lông bị lỏng. |
|
2 |
Mối ghép phòng nổ khoang đấu cáp của tủ đóng - cắt |
Trực tiếp |
- Kiểm tra khe hở mối ghép phòng nổ theo chu vi của mối ghép, khe hở phải đảm bảo yêu cầu kỹ thuật. - Vặn chặt các bu lông bị lỏng. |
|
3 |
Các cổ cáp vào ra cao áp, hạ áp |
Trực tiếp |
Vặn chặt tất cả các bu lông của cổ cáp và các cơ cấu chống trôi. |
|
4 |
Mối ghép phòng nổ nắp tủ điều khiển |
Trực tiếp |
- Kiểm tra khe hở mối ghép phòng nổ theo chu vi của mối ghép, khe hở phải đảm bảo yêu cầu kỹ thuật. - Vặn chặt các bu lông bị lỏng. |
|
5 |
Mối ghép phòng nổ khoang đấu cáp của tủ hạ áp |
Trực tiếp |
- Kiểm tra khe hở mối ghép phòng nổ theo chu vi của mối ghép, khe hở phải đảm bảo yêu cầu kỹ thuật. - Vặn chặt các bu lông bị lỏng. |
|
6 |
Mối ghép phòng nổ của các nắp trên khoang máy phát điện |
Trực tiếp |
- Kiểm tra khe hở mối ghép phòng nổ theo chu vi của mối ghép, khe hở phải đảm bảo yêu cầu kỹ thuật. - Vặn chặt các bu lông bị lỏng. |
III. Kiểm tra hàng quý:
Ngoài nội dung các công việc kiểm tra hàng tuần phải kiểm tra thêm các nội dung theo quy định tại Bảng B3.
Bảng B3. Quy định nội dung kiểm tra hàng quý
|
STT |
Nội dung kiểm tra |
Phương pháp kiểm tra |
Kết quả kiểm tra cho phép vận hành |
|
1 |
Mối ghép phòng nổ nắp tủ đóng - cắt |
Trực tiếp |
Vặn chặt tất cả các bu lông hoặc cơ cấu bắt chặt phòng nổ, kiểm tra khe hở mối ghép phòng nổ theo chu vi của mối ghép, khe hở phải đảm bảo yêu cầu kỹ thuật. |
|
2 |
Mối ghép phòng nổ khoang đấu cáp của tủ đóng cắt |
Trực tiếp |
|
|
3 |
Các cổ cáp vào ra cao áp, hạ áp |
Trực tiếp |
Vặn chặt tất cả các bu lông của cổ cáp và các cơ cấu chống trôi. |
|
4 |
Mối ghép phòng nổ nắp tủ điều khiển |
Trực tiếp |
Vặn chặt tất cả các bu lông hoặc cơ cấu bắt chặt phòng nổ, kiểm tra khe hở mối ghép phòng nổ theo chu vi của mối ghép, khe hở phải đảm bảo yêu cầu kỹ thuật. |
|
5 |
Mối ghép phòng nổ khoang đấu cáp của tủ điều khiển |
Trực tiếp |
|
|
6 |
Mối ghép phòng nổ của các nắp trên khoang máy phát điện |
Trực tiếp |
|
|
7 |
Hệ thống tiếp đất |
Trực tiếp |
- Kiểm tra củng cố hệ thống tiếp đất và đo điện trở tiếp đất. - Giá trị điện trở tiếp đất đảm bảo Rtđ ≤ 2 Ω, đo tại bất kỳ vị trí nào. |
|
8 |
Hệ thống bảo vệ |
Trực tiếp |
Kiểm tra tác động bảo vệ của các bộ bảo vệ của máy phát điện. |
IV. Kiểm tra hàng năm:
Ngoài nội dung các công việc kiểm tra hàng quý phải kiểm tra thêm các nội dung theo quy định tại Bảng B4.
Bảng B4. Quy định nội dung kiểm tra hàng năm
|
STT |
Nội dung kiểm tra |
Phương pháp kiểm tra |
Kết quả kiểm tra cho phép vận hành |
|
1 |
Các mối ghép dạng trục xoay (cơ cấu liên động, nút bấm, trục tay quay) |
Trực tiếp |
Vặn chặt tất cả các bu lông hoặc cơ cấu bắt chặt phòng nổ, kiểm tra khe hở mối ghép phòng nổ theo chu vi của mối ghép, khe hở phải đảm bảo yêu cầu kỹ thuật. |
|
2 |
Các mối ghép của phần tử xuyên sáng, tín hiệu. |
Trực tiếp |
Kiểm tra khe hở mối ghép phòng nổ theo chu vi của mối ghép, khe hở phải đảm bảo yêu cầu kỹ thuật. |
Phụ lục C
NỘI DUNG THỬ NGHIỆM, KIỂM ĐỊNH
I. Nội dung thử nghiệm, kiểm định theo quy định tại Bảng C
Bảng C. Quy định nội dung thử nghiệm, kiểm định
|
STT |
Nội dung kiểm tra, thử nghiệm |
Kiểm định lần đầu |
Kiểm định định kỳ |
Kiểm định bất thường |
Tiêu chuẩn yêu cầu |
|
I |
Kiểm tra trực quan bên ngoài của vỏ máy phát điện |
|
|
|
|
|
1 |
Kiểm tra hình dáng bên ngoài của vỏ thiết bị |
√ |
√ |
√ |
TCVN 10888-0-2015 (IEC 60079-0-2014) |
|
2 |
Kiểm tra cơ cấu bắt chặt, bắt chặt đặc biệt của vỏ thiết bị |
√ |
√ |
√ |
|
|
3 |
Kiểm tra các cơ cấu liên động |
√ |
√ |
√ |
|
|
4 |
Kiểm tra cơ cấu tiếp địa |
√ |
√ |
√ |
|
|
5 |
Kiểm tra các kết cấu của các cổ cáp lực và cổ cáp điều khiển |
√ |
√ |
√ |
|
|
II |
Kiểm tra, thử nghiệm tính năng phòng nổ đối với dạng bảo vệ vỏ không xuyên nổ dạng “d” của các thiết bị điện trong tổ hợp máy phát điện phòng nổ |
|
|
|
|
|
1 |
Kiểm tra các loại mối ghép phòng nổ: - Độ nhám bề mặt, vết rỗ rỉ, xước, rãnh..vv. - Chiều rộng mối ghép. - Khe hở mối ghép. - Chiều rộng từ trong đến lỗ bắt bu lông. - Mối ghép ren. - Mối ghép phần tử xuyên sáng. - Bảo vệ môi trường của mối ghép. |
√ |
√ |
√ |
TCVN 10888-1-2015 (IEC 60079-1-2014) |
|
2 |
Kiểm tra gioăng, đệm làm kín |
√ |
- |
√ |
TCVN 10888-0-2015 (IEC 60079-0-2014), IEC 60079-7 |
|
3 |
Vật liệu chế tạo vỏ phòng nổ |
- |
- |
x |
|
|
4 |
Kiểm tra độ bền chịu nhiệt của các vật liệu chế tạo vỏ bằng Plastic |
- |
- |
x |
|
|
5 |
Kiểm tra điện trở bề mặt của vật liệu Plastic |
- |
- |
x |
|
|
6 |
Kiểm tra nạp tĩnh điện của vật liệu Plastic |
- |
- |
x |
|
|
7 |
Kiểm tra sự nguyên vẹn và lắp đặt đúng của các phễu cáp, cổ cáp vào ra, các cọc đấu dây |
√ |
√ |
√ |
|
|
8 |
Kiểm tra sự kẹp chặt và độ kín của các cổ cáp, phễu cáp mạch lực và mạch điều khiển |
- |
- |
x |
|
|
9 |
Kiểm tra chịu va đập của phần tử xuyên sáng, vật liệu Plastic |
√ |
- |
x |
|
|
10 |
Thử nghiệm sốc nhiệt cho phần tử xuyên sáng |
- |
- |
x |
|
|
11 |
Kiểm tra sự nguyên vẹn của hệ thống các vị trí tiếp đất |
√ |
√ |
√ |
|
|
12 |
Kiểm tra sự nguyên vẹn của các phần tử lấp chỗ trống (phần tử Ex) |
√ |
√ |
x |
|
|
13 |
Thử nghiệm xác định áp suất nổ chuẩn |
- |
- |
x |
TCVN 10888-1-2015 (IEC 60079-1-2014) |
|
14 |
Thử nghiệm quá áp suất bên trong (độ bền cơ học của vỏ) |
- |
- |
x |
|
|
15 |
Thử nghiệm không lan truyền sự cháy của vụ nổ từ bên trong ra bên ngoài |
- |
- |
x |
|
|
16 |
Thử nghiệm mômen xoắn cho các cọc đấu dây và ống dẫn cáp |
√ |
- |
x |
TCVN 10888-0-2015 (IEC 60079-0-2014) |
|
17 |
Thử nghiệm xác định chỉ số CTI của vật liệu cách điện |
- |
- |
x |
TCVN 7079-7:2002 |
|
18 |
Kiếm tra khe hở và khoảng cách rò giữa các phần dẫn điện trực tiếp |
√ |
- |
x |
|
|
19 |
Thử nghiệm các mạch điều khiển an toàn tia lửa |
- |
- |
x |
TCVN 7079-11:2002 |
|
20 |
Kiểm tra sự, nguyên vẹn của thiết bị và mạch điều khiển an toàn tia lửa |
√ |
√ |
x |
|
|
III |
Kiểm tra, thử nghiệm các tính năng kỹ thuật điện của máy phát điện xoay chiều |
|
|
|
|
|
1 |
Đo điện trở cách điện các cuộn dây máy máy phát điện xoay chiều ba pha |
√ |
√ |
√ |
QCVN QTĐ-5:2009/BCT; TCVN 1987:1994 |
|
2 |
Đo điện trở thuần (Rdc) của các cuộn dây máy phát điện xoay chiều ba pha |
√ |
√ |
√ |
TCVN 2280-78 |
|
3 |
Thử độ bền cách điện của các cuộn dây stator và roto |
√ |
- |
√ |
TCVN 7079-7:2002 |
|
4 |
Kiểm tra hiệu chuẩn các cảm biến nhiệt độ lắp trên máy phát điện xoay chiều ba pha (cuộn dây và ổ bi) |
√ |
- |
√ |
TCVN 9729-4:2013 |
|
IV |
Kiểm tra, thử nghiệm các tính năng kỹ thuật điện của tủ đóng cắt và tủ điều khiển |
|
|
|
|
|
1 |
Kiểm tra điện trở cách điện của mạch lực |
√ |
√ |
√ |
QCVN QTĐ-5:2009/BCT |
|
2 |
Kiểm tra điện trở cách điện của các mạch điều khiển |
√ |
√ |
√ |
|
|
3 |
Thử độ bền cách điện của mạch lực và mạch điều khiển |
√ |
- |
√ |
QCVN QTĐ-5:2009/ BCT, TCVN 9729-4:2013 |
|
4 |
Kiểm tra, hiệu chuẩn các loại đồng hồ đo lường U, I, f, tốc độ, nhiệt độ, công tơ, biến dòng điện và biến điện áp |
√ |
√ |
√ |
QCVN QTĐ-5:2009/BCT |
|
5 |
Kiểm tra hệ thống bảo vệ quá dòng điện gồm ngắn mạch và quá tải |
√ |
√ |
√ |
QCVN QTĐ-5:2009/BCT, TCVN 9729-4:2013 |
|
6 |
Kiểm tra hệ thống bảo vệ quá áp, thấp áp |
√ |
√ |
√ |
TCVN 9729-4:2013 |
|
7 |
Kiểm tra hệ thống bảo vệ lệch tần số |
√ |
- |
√ |
TCVN 9729-4:2013 |
|
8 |
Kiểm tra hệ thống bảo vệ quá tốc độ |
√ |
- |
√ |
TCVN 9729-4:2013 |
|
9 |
Kiểm tra thử nghiệm hệ thống bảo vệ rò điện. |
√ |
√ |
√ |
QCVN 01:2011/BCT |
|
10 |
Kiểm tra hệ thống tín hiệu báo động ánh sáng và âm thanh. |
√ |
√ |
√ |
TCVN 9729-4:2013 |
|
V |
Kiểm tra, thử nghiệm động cơ diesel |
|
|
|
|
|
1 |
Kiểm tra hiệu chuẩn các cảm biến nhiệt độ, cảm biến áp suất, cảm biến mức nước và các loại cảm biến khác được lắp trên động cơ diesel |
√ |
√ |
√ |
QCVN 01:2011/BCT; BS EN 1834-2:2000, MT 990-2006 |
|
2 |
Thử nghiệm hoạt động chính xác của van ngắt không khí khi tắt động cơ |
√ |
√ |
√ |
|
|
3 |
Kiếm tra bộ chắn ngọn lửa của hệ thống cấp không khí vào |
√ |
√ |
√ |
|
|
4 |
Kiểm tra bộ chắn ngọn lửa của hệ thống xả khí thải |
√ |
√ |
√ |
|
|
5 |
Thử nghiệm bảo vệ quá nhiệt độ bề mặt của thiết bị |
√ |
√ |
√ |
|
|
6 |
Thử nghiệm bảo vệ quá nhiệt độ khí thải ra của thiết bị |
√ |
√ |
√ |
|
|
7 |
Thử nghiệm bảo vệ quá nhiệt độ nước làm mát và ngăn nước làm mát khí thải động cơ |
√ |
√ |
√ |
|
|
8 |
Thử nghiệm bảo vệ quá nhiệt độ dầu bôi trơn |
√ |
- |
√ |
|
|
9 |
Thử nghiệm bảo vệ giảm áp suất dầu bôi trơn |
√ |
- |
√ |
|
|
10 |
Thử nghiệm bảo vệ mức nước của hệ thống làm mát động cơ và hệ thống làm mát, chặn hạt cháy sáng của khí thải dưới mức quy định |
√ |
√ |
√ |
|
|
11 |
Kiểm tra nồng khí thải ra Oxit cacbon (CO): (ppm) |
√ |
√ |
√ |
QCVN 01:2011/BCT; MT 990-2006 |
|
12 |
Kiểm tra nồng khí thải ra Chất Oxit nitơ (NOx): (ppm) |
√ |
√ |
√ |
|
|
13 |
Kiểm tra sự hoạt động chính xác, tin cậy của hệ thống kiểm soát khí CH4 |
√ |
√ |
√ |
|
|
14 |
Thử nghiệm tính năng khởi động nhiệt độ thường |
√ |
√ |
√ |
|
|
Chú dẫn: - Kí hiệu “√” chỉ hạng mục kiểm tra, thử nghiệm bắt buộc. - Kí hiệu “x” chỉ hạng mục kiểm tra, thử nghiệm khi công tác sửa chữa, đại tu có sự thay đổi các cấu trúc và thông số của mạch điện ảnh hưởng tới các đặc tính kỹ thuật, mức độ của dạng bảo vệ nổ hoặc được thực hiện theo yêu cầu. - Kí hiệu “-“ chỉ hạng mục không cần kiểm tra, thử nghiệm. |
|||||
Phụ lục D
CÁC MẪU SỔ KIỂM TRA
SỔ GHI KẾT QUẢ KIỂM TRA
KỸ THUẬT AN TOÀN VÀ THEO DÕI TÌNH TRẠNG HOẠT ĐỘNG CỦA MÁY PHÁT ĐIỆN PHÒNG NỔ SỬ DỤNG TRONG MỎ HẦM LÒ
Bộ phận, Công trường, Phân xưởng: ………………………………..
Đơn vị: …………………………………………………
Bắt đầu ghi sổ từ ngày …… tháng ……. năm...
Kết thúc ghi sổ vào ngày ……. tháng …….. năm...
Phần I
|
STT |
Các hạng mục kiểm tra |
Ngày, tháng, năm |
|||
|
1 |
2 |
n |
31 |
||
|
1 |
Vị trí máy phát điện |
|
|
|
|
|
2 |
Kiểm tra công tác lắp đặt |
|
|
|
|
|
3 |
Kiểm tra tình trạng bên ngoài của vỏ |
|
|
|
|
|
4 |
Kiểm tra tiếp đất |
|
|
|
|
|
5 |
Kiểm tra các thông số vận hành của máy phát điện thông qua bảng hiển thị hoặc các đồng hồ chỉ thị và kiểm tra tiếng kêu của máy phát điện |
|
|
|
|
|
6 |
Kiểm tra sự làm việc tin cậy của rơ le bảo vệ rò điện |
|
|
|
|
|
7 |
Kiểm tra sơ đồ cung cấp điện của máy phát điện và nội quy vận hành |
|
|
|
|
|
8 |
Kiểm tra thiết bị an toàn |
|
|
|
|
|
9 |
Kiểm tra cơ cấu liên động |
|
|
|
|
|
10 |
Kiểm tra các mối ghép phòng nổ |
|
|
|
|
|
11 |
Kiểm tra các cổ cáp vào, ra |
|
|
|
|
|
12 |
Kiểm tra các phần tử xuyên sáng cho màn hiển thị hoặc tín hiệu |
|
|
|
|
|
13 |
Vệ sinh, kiểm tra các tấm nhãn của máy phát điện |
|
|
|
|
|
14 |
Kiểm tra mối ghép phòng nổ nắp tủ đóng cắt |
|
|
|
|
|
15 |
Kiểm tra mối ghép phòng nổ khoang đấu cáp của tủ đóng cắt và tủ điều khiển |
|
|
|
|
|
16 |
Kiểm tra các cổ cáp vào ra cao áp hạ áp |
|
|
|
|
|
17 |
Kiểm tra mối ghép phòng nổ nắp tủ điều khiển |
|
|
|
|
|
18 |
Kiểm tra mối ghép phòng nổ khoang đấu cáp của tủ hạ áp |
|
|
|
|
|
19 |
Kiểm tra mối ghép phòng nổ của các nắp trên thân máy phát điện |
|
|
|
|
|
20 |
Kiểm tra mối ghép dạng trục xoay (cơ cấu liên động, nút bấm, trục tay quay) |
|
|
|
|
|
21 |
Kiểm tra mối ghép của phần tử xuyên sáng, tín hiệu. |
|
|
|
|
|
22 |
Chữ ký của người kiểm tra |
|
|
|
|
|
23 |
Chữ ký của người giám sát |
|
|
|
|
Phần II
|
Ngày, tháng |
Ghi các hỏng hóc của các cơ cấu hoặc các thiết bị |
Phương pháp khắc phục các bộ phận hư hỏng, thời gian thực hiện. Họ, tên người thực hiện |
Đánh giá về thực hiện khắc phục hư hỏng. Chữ ký của người thực hiện và người quản lý |
|
1 |
2 |
3 |
4 |
|
... |
……. |
…………. |
……………. |
|
|
|
|
|
Hướng dẫn ghi sổ
Phần I: Ghi chép tình trạng của các chi tiết, thiết bị, cơ cấu của phát điện sau khi kiểm tra.
- Cột 3 ghi theo thứ tự từng ngày, tháng. Trong cột ghi kí hiệu:
“T” - Chỉ chi tiết, cụm chi tiết còn tốt;
“H” - Chỉ chi tiết, cụm chi tiết hỏng;
“CKT” - Chỉ chi tiết, cụm chi tiết chưa được kiểm tra.
- Nhận xét ………………. (của người được giao nhiệm vụ kiểm tra ghi).
Phần II: Ghi các hỏng hóc (chi tiết hỏng, mức độ hỏng hóc và phương pháp khắc phục chúng).
Người được giao nhiệm vụ tiến hành kiểm tra ghi vào cột 2 tính chất và mức độ hỏng của các bộ phận và đánh dấu kí hiệu “H” vào Phần I.
Trong cột 3, Người quản lý ghi phương án khắc phục chi tiết, bộ phận hỏng và người chịu trách nhiệm thực hiện các phương án khắc phục.
Ghi chú:
a) Mỗi thiết bị máy phát điện phòng nổ sử dụng trong mỏ hầm lò phải có một quyển sổ riêng, sổ phải được để tại máy phát điện phòng nổ.
b) Người chịu trách nhiệm về các sổ này là cán bộ kỹ thuật có chuyên môn về cơ điện mỏ.
c) Sổ phải được đánh số trang và đóng dấu giáp lai của mỏ.
d) Kết quả kiểm tra hàng quý và hàng năm không ghi vào sổ mà được lập thành biên bản và ghi đầy đủ các thông số kỹ thuật an toàn kiểm tra được. Phó giám đốc phụ trách cơ điện phải nhận xét và ký đóng dấu.
SỔ KIỂM TRA RƠ LE BẢO VỆ RÒ ĐIỆN
MÁY PHÁT ĐIỆN PHÒNG NỔ SỬ DỤNG TRONG MỎ HẦM LÒ
Bộ phận, Công trường, Phân xưởng: ……………………………………
Đơn vị: ………………………………….
Bắt đầu ghi sổ từ ngày …….. tháng ……… năm...
Kết thúc ghi sổ vào ngày …….. tháng …….. năm...
|
STT |
Ca, ngày, tháng |
Tên, mã hiệu máy phát điện và loại rơle rò |
Vị trí lắp đặt máy phát điện |
Tình trạng |
Người kiểm tra (ký và ghi rõ họ tên) |
|
1 |
2 |
3 |
4 |
5 |
6 |
|
|
|
|
|
|
|
|
|
|
|
|
|
|
|
|
|
|
|
|
|
Hướng dẫn ghi sổ
- Cột 2 ghi theo thứ tự từng ca, ngày, tháng.
- Cột 3 ghi tên, mã hiệu từng máy phát điện và loại rơle rò
- Cột 4 ghi vị trí lắp đặt của máy phát điện.
- Cột 5 ghi tình trạng của rơ le bảo vệ rò điện. Trong cột ghi kí hiệu:
“T” - Chỉ rơ le bảo vệ rò điện còn tốt;
“H” - Chỉ rơ le bảo vệ rò điện hỏng.
- Người được giao nhiệm vụ kiểm tra tiến hành kiểm tra tình trạng của rơ le rò điện, ghi và đánh dấu kí hiệu “T” hoặc “H” vào cột 5.
- Sau khi kiểm tra, người kiểm tra phải ký và ghi rõ họ tên vào cột 6.
- Trong trường hợp rơ le bảo vệ rò điện hỏng, người được giao nhiệm vụ kiểm tra phải thông báo dừng hoạt động của thiết bị và báo cho người quản lý cơ điện mỏ hoặc chỉ huy điều hành sản xuất trong ca đó biết để tiến hành khắc phục thay thế rơ le bảo vệ rò điện hỏng.
Ghi chú:
a) Mỗi thiết bị máy phát điện phòng nổ sử dụng trong mỏ hầm lò phải có một quyển sổ riêng.
b) Người chịu trách nhiệm về các sổ này là người có chuyên môn về cơ điện mỏ.
c) Sổ phải được đánh số trang và đóng dấu giáp lai.
PHỤ LỤC E
TÀI LIỆU THAM KHẢO
|
STT |
TÀI LIỆU THAM KHẢO |
MỤC ĐÍCH, NỘI DUNG ÁP DỤNG |
|
1 |
BS EN 1834-2:2000 Reciprocating internal combustion engines - Safety requirements for the design and construction of engines for use in potentially explosive atmospheres Part 2: Group I engines for use in underground workings susceptible to firedamp and/or combustible dust (Động cơ đốt trong piston - Yêu cầu an toàn cho thiết kế và chế tạo động cơ sử dụng trong môi trường khí nổ Phần 2: Động cơ nhóm I để sử dụng trong công trình ngầm có khí cháy và bụi nổ). |
Quy định về an toàn khi kiểm tra, thử nghiệm động cơ diesel |
|
2 |
MT 990:2006 The general technical condition of the flameproof diesel engine for the mine (Điều kiện kỹ thuật chung của động cơ diesel phòng nổ cho mỏ). |
Quy định về kiểm tra, thử nghiệm khí thải của động cơ diesel |
Bạn chưa Đăng nhập thành viên.
Đây là tiện ích dành cho tài khoản thành viên. Vui lòng Đăng nhập để xem chi tiết. Nếu chưa có tài khoản, vui lòng Đăng ký tại đây!
Bạn chưa Đăng nhập thành viên.
Đây là tiện ích dành cho tài khoản thành viên. Vui lòng Đăng nhập để xem chi tiết. Nếu chưa có tài khoản, vui lòng Đăng ký tại đây!