- Tổng quan
- Nội dung
- Tiêu chuẩn liên quan
- Lược đồ
- Tải về
Tiêu chuẩn TCVN 6852-10:2009 Chu trình thử để đo ở hiện trường khói khí thải từ động cơ cháy
| Số hiệu: | TCVN 6852-10:2009 | Loại văn bản: | Tiêu chuẩn Việt Nam |
| Cơ quan ban hành: | Bộ Khoa học và Công nghệ | Lĩnh vực: | Công nghiệp |
|
Ngày ban hành:
Ngày ban hành là ngày, tháng, năm văn bản được thông qua hoặc ký ban hành.
|
2009 |
Hiệu lực:
|
Đã biết
|
| Người ký: | Đang cập nhật |
Tình trạng hiệu lực:
Cho biết trạng thái hiệu lực của văn bản đang tra cứu: Chưa áp dụng, Còn hiệu lực, Hết hiệu lực, Hết hiệu lực 1 phần; Đã sửa đổi, Đính chính hay Không còn phù hợp,...
|
Đã biết
|
TÓM TẮT TIÊU CHUẨN VIỆT NAM TCVN 6852-10:2009
Nội dung tóm tắt đang được cập nhật, Quý khách vui lòng quay lại sau!
Tải tiêu chuẩn Việt Nam TCVN 6852-10:2009
TIÊU CHUẨN QUỐC GIA
TCVN 6852-10 : 2009
ISO 8178-10 : 2002
ĐỘNG CƠ ĐỐT TRONG KIỂU PIT TÔNG - ĐO CHẤT THẢI PHẦN 10: CHU TRÌNH THỬ VÀ QUY TRÌNH THỬ ĐỂ ĐO Ở HIỆN TRƯỜNG KHÓI KHÍ THẢI TỪ ĐỘNG CƠ CHÁY DO NÉN HOẠT ĐỘNG Ở CHẾ ĐỘ CHUYỂN TIẾP
Reciprocating internal combustion engines - Exhaust emission measurement - Part 10: Test cycles and test procedures for field measurement of exhaust gas smoke emissions from compression ignition engines operating under transient conditions
Lời nói đầu
TCVN 6852-10 : 2009 hoàn toàn tương đương với ISO 8178-10 : 2002.
TCVN 6852-10 : 2009 do Ban kỹ thuật tiêu chuẩn quốc gia TCVN/TC 70 Động cơ đốt trong biên soạn, Tổng cục Tiêu chuẩn Đo lường Chất lượng đề nghị, Bộ Khoa học và Công nghệ công bố.
Bộ tiêu chuẩn TCVN 6852 (ISO 8178), Động cơ đốt trong kiểu pít tông - Đo chất thải, gồm các phần sau:
- TCVN 6852-1 : 2008 (ISO 8178-1 : 2006), Phần 1: Đo trên băng thử các chất thải khí và hạt.
- TCVN 6852-2 : 2001 (ISO 8178-2 :1996), Phần 2: Đo khí và bụi thải tại hiện trường.
- TCVN 6852-3 : 2002 (ISO 8178-3 : 1994), Phần 3: Định nghĩa và phương pháp đo khói khí thải ở chế độ ổn định.
- TCVN 6852-4 : 2001 (ISO 8178-4 : 1996), Phần 4: Chu trình thử cho các ứng dụng khác nhau của động cơ.
- TCVN 6852-5 : 2001 (ISO 8178-5 : 1997), Phần 5: Nhiên liệu thử.
- TCVN 6852-6 : 2008 (ISO 8178-6 : 2000), Phần 6: Đo trên bảng thử các chất thải khí và hạt
- TCVN 6852-7 : 2008 (ISO 8178-7 : 1996), Phần 7: Xác định họ động cơ.
- TCVN 6852-8 : 2008 (ISO 8178-8 : 2006), Phần 8: Xác định nhóm động cơ.
- TCVN 6852-9 : 2008 (ISO 8178-9 : 2000/Amendment 1 : 2004), Phần 9: Chu trình thử và quy trình thử để đo trên băng thử khói khí thải từ động cơ cháy do nén hoạt động ở chế độ chuyển tiếp.
- TCVN 6852-10 : 2009 (ISO 8178-10 : 2002), Phần 10: Chu trình thử và quy trình thử để đo ở hiện trường khói, khí thải từ động cơ cháy do nén hoạt động ở chế độ chuyển tiếp.
- TCVN 6852-11 : 2009 (ISO 8178-11 : 2006), Phần 11: Đo trên băng thử các chất thải khí và hạt từ động cơ lắp trên máy di động không chạy trên đường bộ ở chế độ thử chuyển tiếp.
ĐỘNG CƠ ĐỐT TRONG KIỂU PIT TÔNG - ĐO CHẤT THẢI PHẦN 10: CHU TRÌNH THỬ VÀ QUY TRÌNH THỬ ĐỂ ĐO Ở HIỆN TRƯỜNG KHÓI KHÍ THẢI TỪ ĐỘNG CƠ CHÁY DO NÉN HOẠT ĐỘNG Ở CHẾ ĐỘ CHUYỂN TIẾP
Reciprocating internal combustion engines - Exhaust emission measurement - Part 10: Test cycles and test procedures for field measurement of exhaust gas smoke emissions from compression ignition engines operating under transient conditions
1. Phạm vi áp dụng
Tiêu chuẩn này quy định quy trình đo và các chu trình thử để đánh giá khói từ động cơ cháy do nén trong điều kiện hiện trường. Tiêu chuẩn này được dùng chủ yếu để trợ giúp cho các chương trình thử khói trên các động cơ đã được “chứng nhận” hoặc được “phê duyệt kiểu” phù hợp với các yêu cầu của TCVN 6852-9. TCVN 6852-9 đưa ra các quy trình thử và chu trình thử để đo khói từ các ứng dụng khác nhau của động cơ vận hành trên băng thử.
Tương tự như vậy, TCVN 6852-4 quy định một số các chu trình thử khác nhau để mô tả đặc trưng của các chất thải khí và hạt từ các động cơ không dùng để lắp trên xe chạy trên đường bộ. Các chu trình thử trong TCVN 6852-4 đã được phát triển theo các đặc tính làm việc khác nhau của các loại máy khác nhau không chạy trên đường bộ.
Đối với các chu trình thử khói chuyển tiếp, phép thử được tiến hành với các khói kế hoạt động theo nguyên lý triệt tiêu ánh sáng. Mục đích của tiêu chuẩn này là xác định của chu trình thử khói và các phương pháp dùng để đo và phân tích khói. Điều kiện kỹ thuật đối với phép đo khói khi sử dụng nguyên lý triệt tiêu ánh sáng được nêu trong TCVN 7663 (ISO 11614). Các quy trình thử và kỹ thuật đo được mô tả trong các Điều 5 đến Điều 11 của tiêu chuẩn này áp dụng được cho các động cơ đốt trong kiểu pit tông (RIC). Tuy nhiên, một ứng dụng nào đó của động cơ chỉ có thể được đánh giá khi sử dụng tiêu chuẩn này một khi đã xây dựng chu trình thích hợp. Các Phụ lục A đến Phụ lục C trong tiêu chuẩn này, mỗi phụ lục đề cập đến một chu trình thử chỉ liên quan đến các ứng dụng riêng của động cơ được liệt kê trong phạm vi của phụ lục đó. Nếu có thể, nên sử dụng chu trình thử khói mô tả trong phụ lục cho các loại động cơ và máy được cho trong TCVN 6852-4.
2. Tài liệu viện dẫn
Các tài liệu viện dẫn sau rất cần thiết cho việc áp dụng tiêu chuẩn này. Đối với các tài liệu viện dẫn ghi năm công bố thì áp dụng phiên bản được nêu. Đối với các tài liệu viện dẫn không ghi năm công bố thì áp dụng phiên bản mới nhất, bao gồm cả các sửa đổi, bổ sung (nếu có).
TCVN 6852-4 (ISO 8178-4), Động cơ đốt trong của kiểu pit tông - Đo chất thải - Phần 4: Chu trình thử cho các ứng dụng khác nhau của động cơ.
TCVN 6852-5 (ISO 8178-5), Động cơ đốt trong của kiểu pit tông - Đo chất thải - Phần 5: Nhiên liệu thử.
TCVN 6852-6 (ISO 8178-6), Động cơ đốt trong của kiểu pit tông - Đo chất thải - Phần 6: Báo cáo kết quả đo và thử.
TCVN 6852-7( ISO 8178-7), Động cơ đốt trong của kiểu pit tông - Đo chất thải - Phần 7: Xác định họ động cơ.
TCVN 6852-8 (ISO 8178-8), Động cơ đốt trong của kiểu pit tông - Đo chất thải - Phần 7: Xác định nhóm động cơ.
TCVN 6852-9 (ISO 8178-9), Động cơ đốt trong của kiểu pit tông - Đo chất thải - Phần 9: Chu trình thử và quy trình thử để đo trên băng thử khói khí thải từ động cơ cháy do nén hoạt động ở chế độ chuyển tiếp.
TCVN 7663 (ISO 11614), Động cơ đốt trong cháy do nén kiểu pit tông tịnh tiến - Thiết bị đo độ khói và hệ số hấp thụ ánh sáng của khí thải.
3. Thuật ngữ và định nghĩa
Tiêu chuẩn này áp dụng các thuật ngữ và định nghĩa sau.
3.1
Khói khí thải (exhaust gas smoke)
Thể lơ lửng nhìn thấy được của các hạt rắn và/hoặc lỏng trong khí do sự đốt cháy hoặc nhiệt phân.
CHÚ THÍCH: Khói đen (muội than) chủ yếu gồm các hạt cacbon. Khói xanh thường do các hạt nhỏ được tạo thành từ sự cháy không hết của nhiên liệu hoặc dầu bôi trơn. Khói trắng thường do nước và/hoặc nhiên liệu lỏng ngưng tụ. Khói vàng được tạo thành bởi NO2.
3.2
Hệ số truyền, t (transmittance)
Phần nhỏ ánh sáng được truyền từ nguồn sáng qua một đường bị khói che để đi tới người quan sát hoặc máy thu.
CHÚ THÍCH: Hệ số truyền được biểu thị bằng tỷ lệ phần trăm.
3.3
Độ khói N (opacity)
Phần ánh sáng được truyền từ nguồn sáng qua một đường có khói che, bị chặn lại không tới được người quan sát hoặc máy thu (N = 100 - t).
CHÚ THÍCH: Hệ số chắn sáng (độ khói) được biểu thị bằng tỷ lệ phần trăm.
3.4
Chiều dài đường quang (optical path length)
3.4.1
Chiều dài hiệu dụng của đường quang, LA (effective optical path length)
Chiều dài đường quang bị khói che khuất giữa nguồn sáng của khói kế và máy thu, được hiệu chỉnh khi cần thiết cho sự không phù hợp do các građien mật độ và hiệu ứng biên.
CHÚ THÍCH 1: Chiều dài hiệu dụng của đường quang được biểu thị bằng mét. Điều 9.2 mô tả cách xác định LA và cách lắp đặt thiết bị đo trên các hệ thống khí thải có thể gặp trên hiện trường.
CHÚ THÍCH 2: Các đoạn của tổng nguồn sáng đến chiều dài đường quang của máy thu không bị khói che khuất sẽ không góp phần vào chiều dài hiệu dụng của đường quang.
3.4.2
Chiều dài hiệu dụng tiêu chuẩn của đường quang, LAs (standard effective optical path length)
Kích thước dùng để bảo đảm sự so sánh có nghĩa của các giá trị hệ số chắn sáng (độ khói) đã xác định.
CHÚ THÍCH: Xem 10.1.4.
3.5
Hệ số hấp thu ánh sáng, k (light absorption coefficient)
Giá trị trung bình cơ bản của việc định lượng khả năng một luồng khói hoặc một mẫu khí chứa khỏi che khuất ánh sáng.
CHÚ THÍCH: Theo quy ước, hệ hấp thụ ánh sáng được biểu thị bằng mét mũ trừ một (m-1). Hệ số hấp thụ ánh sáng là một, hàm số của số lượng các hạt khói trên một đơn vị thể tích của khí, sự phân bố cỡ hạt khói và tính chất hấp thụ và tán xạ ánh sáng của các hạt. Trong trường hợp không có khói xanh, khói trắng hoặc vàng hoặc tro thì sự phân bố cỡ hạt khói và các tính chất hấp thụ/tán xạ ánh sáng tương tự như tất cả các mẫu khí thải đizen và hệ số hấp thụ ánh sáng chủ yếu là một hàm số của mật độ hạt khói.
3.6
Định luật Beer - Lambert (Beer - Lamber law)
Công thức toán học mô tả mối quan hệ vật lý giữa hệ số hấp thụ ánh sáng k, hệ số truyền khói t và chiều dài hiệu dụng của đường quang LA.
CHÚ THÍCH: Vì không thể trực tiếp đo được hệ số hấp thụ ánh sáng k cho nên định luật Beer - Lambert được dùng để tính toán k, khi biết hệ số chắn sáng (độ khói) N, hệ số truyền t và chiều dài hiệu dụng của đường quang LA.
(1)
(2)
3.7
Khói kế (opacimeter)
Dụng cụ để đo đặc tính khói khi sử dụng phương pháp truyền quang học.
3.7.1
Khói kế toàn dòng (full - flow opacimeter)
Dụng cụ đo hệ số chắn sáng (độ khói) trong đó toàn bộ dòng khí thải đi qua buồng đo khói.
3.7.1.1
Khói kế toàn dòng đo ở cuối dòng (full-flow end-of-line opacimeter)
Dụng cụ đo hệ số chắn sáng (độ khói) của toàn bộ dòng khí thải khi nó ra khỏi ống xả.
CHÚ THÍCH: Nguồn sáng và máy thu đối với kiểu khói kế này được bố trí trên các phía đối diện của dòng khói và gần đầu mút hở của ống xả. Khi sử dụng kiểu khói kế này, chiều dài hiệu dụng của đường quang là một hàm số của kết cấu ống xả.
3.7.1.2
Khói kế toàn dòng đo ở trong dòng (full-flow in -line opacimeter)
Dụng cụ đo hệ số chắn sáng (độ khói) của toàn bộ dòng khí thải chứa bên trong ống xả.
CHÚ THÍCH: Nguồn sáng và máy thu đối với kiểu khói kế này được bố trí trên các phía đối diện của dòng khói và gần với thành bên ngoài của ống xả. Với kiểu khói kế này chiều dài hiệu dụng của đường quang phụ thuộc vào dụng cụ do.
3.7.2
Khói kế một phần dòng (partial flow opacimeter)
Dụng cụ đo hệ số chắn sáng (độ khói) lấy mẫu một phần đại diện của toàn bộ dòng khí thải và cho mẫu thử đi qua buồng đo.
CHÚ THÍCH: Với kiểu khói kế này chiều dài hiệu dụng của đường quang là một hàm số của kết cấu khói kế.
3.7.3
Thời gian phản ứng của khói kế (opacimeter response time)
3.7.3.1
Thời gian phản ứng về vật lý của khói kế, tp (opacimeter physical response time)
Hiệu số giữa thời gian khi tín hiện chưa xử lý k đạt tới 10 % và 90 % của toàn bộ sai lệch khi mà hệ số hấp thụ ánh sáng của khí đo được thay đổi trong thời gian ít hơn 0,01 s.
CHÚ THÍCH: Thời gian phản ứng về vật lý của khói kế một phần dòng được xác định bằng đầu dò lấy mẫu và ống truyền. Các thông tin bổ sung thêm đối với thời gian phản ứng về vật lý được giới thiệu trong TCVN 7663 (ISO 11614), xem trong 8.2.1 và 11.7.2.
3.7.3.2
Thời gian phản ứng về điện của khói kế, te (opacimeter electrical respense time)
Hiệu số giữa các thời gian khi tín hiệu ra bộ ghi của dụng cụ hoặc màn hiển thị đi từ 10 % đến 90 % kích thước thực khi mà hệ số chắn sáng hoặc hệ số triệt sáng thay đổi trong thời gian ít hơn 0,01 s.
CHÚ THÍCH: Thông tin bổ sung thêm đối với thời gian phản ứng về điện được giới thiệu trong TCVN 7663 (ISO 11614), xem trong 8.2.3 và 11.7.3.
4 Ký hiệu và đơn vị
Tiêu chuẩn này của bộ TCVN 6852 áp dụng các ký hiệu và đơn vị được liệt kê trong Bảng 1.
Bảng 1 - Ký hiệu và đơn vị
| Ký hiệu | Thuật ngữ | Đơn vị |
| D | Hằng số của hàm Bessel | 1 |
| E | Hằng số Bessel | 1 |
| fa | Hệ số khí quyển | 1 |
| fc | Tần số cắt của bộ lọc Bessel | s-1 |
| k | Hệ số hấp thụ ánh sáng | m-1 |
| kcorr | Hệ số hấp thụ ánh sáng hiệu chỉnh theo điều kiện môi trường xung quanh | m-1 |
| kobs | Hệ số hấp thụ ánh sáng quan sát được | m-1 |
| K | Hằng số Bessel | 1 |
| Ks | Hệ số hiệu chỉnh môi trường khói | 1 |
| LA | Chiều dài hiệu dụng của đường quang | m |
| LAS | Chiều dài hiệu dụng tiêu chuẩn của đường quang | m |
| N | Hệ số chắn sáng (độ khói) | % |
| NA | Hệ số chắn sáng (độ khói) ở chiều dài hiệu dụng của đường quang | % |
| NAS | Hệ số chắn sáng (độ khói) ở chiều dài hiệu dụng tiêu chuẩn của đường quang | % |
| pme | Áp suất phanh hiệu dụng trung bình | kPa |
| pS | Áp suất khí quyển khô | kPa |
| p | Công suất động cơ | kW |
| Si | Chỉ số khói tức thời | m-1 hoặc % |
| ∆t | Thời gian giữa các số hiệu khói liên tiếp (= 1/tốc độ lấy mẫu) | s |
| tAver | Thời gian phản ứng (đáp ứng) toàn bộ | s |
| te | Thời gian phản ứng về điện của khói kế | s |
| tF | Thời gian phản ứng của bộ lọc đối với hàm Bessel | s |
| tp | Thời gian phản ứng vật lý của khói kế | s |
| Ta | Nhiệt độ không khí nạp của động cơ | K |
| X | Thời gian phản ứng toàn bộ mong muốn | s |
| Yi | Chỉ số khói trung binh Bessel | m-1 hoặc % |
| p | Mật độ môi trường khô | kg/m3 |
| t | Hệ số truyền khói | % |
| W | Hằng số Bessel | 1 |
5. Điều kiện thử
5.1. Điều kiện của môi trường thử
5.1.1. Thông số của điều kiện thử
Nhiệt độ tuyệt đối Ta của không khí nạp vào động cơ được biểu thị bằng kelvin và áp suất khí quyển khô, ps được biểu thị bằng kPa phải được đo và thông số fa phải được xác định theo các yêu cầu được đánh giá bằng các công thức (3) đến (5).
Đối với các động cơ cháy do nén không tăng áp và có tăng áp cơ học và các động cơ cháy do nén có các van xả hoạt động:
(3)
CHÚ THÍCH: Cũng áp dụng công thức này nếu van xả chỉ hoạt động trong các công đoạn của chu trình thử. Nếu van xả không hoạt động trong bất cứ công đoạn nào của chu trình thử thì phải sử dụng công thức (4) hoặc (5) tùy thuộc vào kiểu làm mát không khí nạp, nếu có.
Đối với các động cơ cháy do nén có tuabô tăng áp và không làm mát không khí nạp hoặc có làm mát không khí nạp bằng không khí/bộ làm mát bằng không khí:
(4)
Đối với các động cơ cháy do nén có tuabô tăng áp với không khí nạp được làm mát bằng bộ làm mát không khí nạp dùng chất lỏng:
(5)
5.1.2. Chuẩn đánh giá phép thử - Điều kiện thử
Đối với một phép thử được công nhận là có giá trị về mặt điều kiện khí quyển thì thông số fa nên ở trong phạm vi:
0,93 £ fa £ 1,07
Các chỉ số khói thu được trong phạm vi này của fa phải được hiệu chỉnh theo các yêu cầu cho trong 10.3 Các kết quả từ các phép thử được tiến hành ngoài phạm vi này không so sánh được với các kết quả từ TCVN 6852-9 (ISO 8178-9).
Các tiêu chuẩn đánh giá bổ sung thêm được cho trong 7.3.4 (sự trôi điểm không của khói kế) và các Phụ lục A đến Phụ lục C (chuẩn đánh giá chu trình thử).
5.2. Công suất
Các thiết bị phụ chỉ cần thiết cho vận hành phải ngắt máy. Nếu không thể ngắt được các thiết bị phụ thì chúng phải hoạt động ở công suất tối thiểu có thể đạt được trong quá trình thử. Danh sách không đầy đủ của các thiết bị phụ này được cho trong ví dụ sau:
- Máy nén khí;
- Bơm trợ lực tay lái;
- Máy nén điều hòa không khí;
- Bơm cho các cơ cấu dẫn động thủy lực;
- Thiết bị điện phụ (đèn chiếu sáng, quạt v.v...).
5.3. Hệ thống nạp không khí của động cơ
Phải kiểm tra hệ thống nạp không khí của động cơ về rò rỉ, sự nới lỏng hoặc không được kẹp chặt hoặc phụ tùng đường ống v.v....Tình trạng chung của hệ thống không khí nạp, bao gồm cả việc có hoặc không có bộ lọc không khí cần cho làm việc, phải được ghi chép lại.
5.4. Hệ thống xả của động cơ
Phải kiểm tra hệ thống xả của động cơ về sự rò rỉ, sự nơi lỏng hoặc không được kẹp chặt hoặc phụ tùng đường ống v.v...Tình trạng chung của hệ thống xả phải được ghi chép lại.
5.5. Động cơ có làm mát không khí nạp
Phải kiểm tra hệ thống làm mát không khí nạp về sự rò rỉ, sự nơi lỏng hoặc không được kẹp chặt hoặc các phụ tùng đường ống v.v... Tình trạng chung của hệ thống làm mát không khí nạp phải được ghi chép lại.
6. Nhiên liệu thử
Đặc tính của nhiên liệu ảnh hưởng đến khói khí thải của động cơ. Các phép thử khói được tiến hành theo TCVN 6852-9 thường là các phép thử “chứng nhận” hoặc “phê duyệt kiểu” khi sử dụng nhiên liệu được quy định trong quy chuẩn. Các phép thử tại hiện trường thường không được tiến hành với nhiên liệu chuẩn. Do đó, đặc biệt là đối với các xe cộ không đạt yêu cầu của phép thử khói thì phải xác định đặc tính của nhiên liệu cho thử, ghi lại và trình bày các đặc tính của nhiên liệu cùng với các kết quả thử. Khi sử dụng các nhiên liệu quy định trong TCVN 6852-5 làm nhiên liệu chuẩn thì phải cung cấp mã nhiên liệu và sự phân tích về nhiên liệu. Đối với tất cả các nhiên liệu khác, các đặc tính ghi được là các đặc tính được liệt kê trong các tờ dữ liệu thông dụng thích hợp trong TCVN 6852-5.
Sự lựa chọn nhiên liệu cho thử nghiệm phụ thuộc vào mục đích của phép thử. Nếu không có thỏa thuận nào khác giữa các bên có liên quan, phải lựa chọn nhiên liệu theo Bảng 2.
Bảng 2 - Lựa chọn nhiên liệu
| Mục đích thử | Các bên liên quan | Lựa chọn nhiên liệu |
| Phê duyệt kiểu (chứng nhận) | - Cơ quan chứng nhận - Nhà sản xuất hoặc nhà cung cấp | - Nhiên liệu chuẩn, nếu đã được xác định - Nhiên liệu thương mại nếu không xác định được nhiên liệu chuẩn |
| Thử khi kiểm tra/bảo dưỡng | - Nhà sản xuất hoặc nhà cung cấp - Khách hàng hoặc thanh tra viên | - Nhiên liệu thương mại theo quy định của nhà sản xuất a) |
| Nghiên cứu/phát triển | Một hoặc nhiều: Nhà sản xuất, cơ quan nghiên cứu, nhà cung cấp nhiên liệu và chất bôi trơn, v.v... | Phù hợp với mục đích của thử nghiệm |
| a) Khách hàng và thanh tra viên cần lưu ý rằng các phép thử phát thải được thực hiện với nhiên liệu thương mại sẽ không cần thiết phải tạo ra kết quả có thể so sánh được với kết quả khi thử bằng các nhiên liệu chuẩn. Nhiên liệu dùng cho các phép thử nghiệm thu nên có đặc tính kỹ thuật nằm trong phạm vi đặc tính kỹ thuật do nhà sản xuất động cơ cho phép như quy định trong tài liệu kỹ thuật của nhà sản xuất động cơ. Khi không có nhiên liệu chuẩn thích hợp thì có thể sử dụng nhiên liệu có các tính chất rất gần với tính chất của nhiên liệu chuẩn. Đặc tính của nhiên liệu phải được công bố. | ||
7. Thiết bị đo và độ chính xác
7.1. Yêu cầu chung
Phải sử dụng thiết bị đo được nêu trong 7.3 cho các phép thử khói của động cơ ở hiện trường.
7.2. Điều kiện thử
7.2.1. Yêu cầu chung
Tiêu chuẩn này không đề cập đến các nội dung chi tiết về thiết bị đo tốc độ, áp suất và nhiệt độ của động cơ. Thay vào đó, chỉ có các yêu cầu về độ chính xác của các thiết bị đo này được giới thiệu trong 7.4.
7.2.2. Tốc độ động cơ
Cần đo tốc độ của động cơ để khẳng định rằng phép thử đang được vận hành đúng. Cũng cần đo tốc độ của động cơ để xác định xem cơ cấu điều chỉnh của động cơ có hoạt động tốt hay không - để tránh hư hỏng có thể xảy ra cho động cơ. Các tốc độ không tải thấp hoặc cao không đúng cũng có thể gây ra khói khác với thử nghiệm khói được tiến hành theo các yêu cầu của TCVN 6852-9.
7.2.3. Nhiệt độ môi trường
Cần có nhiệt độ môi trường (nhiệt độ bàu khô) để hiệu chỉnh khói cho điều kiện của môi trường thử và xác định xem động cơ có tuân theo tiêu chuẩn dùng để chứng nhận động cơ theo các yêu cầu của TCVN 6852-9 hay không.
7.2.4. Áp suất môi trường khô
Cần có áp suất môi trường khô để hiệu chỉnh khói và xác định xem động cơ có tuân theo tiêu chuẩn dùng để chứng nhận động cơ theo các yêu cầu của TCVN 6852-9 hay không. Áp suất môi trường khô được xác định bằng cách lấy áp suất môi trường ẩm đo được (áp suất khí áp kế) trừ đi áp suất hơi nước tính toán. Áp suất hơi nước được tính toán từ phép đo nhiệt độ điểm sương hoặc nhiệt độ bầu ướt và bầu khô.
7.3. Xác định khói
7.3.1. Yêu cầu chung
Phải tiến hành các phép thử khói ở chế độ chuyển tiếp bằng khói kế kiểu mật độ kế quang học. Cho phép sử dụng ba kiểu khói kế là. Khói kế toàn dòng đo ở giữa dòng, khói kế toán dòng đo ở cuối dòng và khói kế một phần dòng. Đặc tính kỹ thuật đối với ba kiểu khói kế được nêu trong Điều 11 của tiêu chuẩn này và các Điều 6 và Điều 7 của TCVN 7663. Sự hiệu chỉnh nhiệt độ không có giá trị đối với các phép thử ở chế độ chuyển tiếp, do đó tiêu chuẩn này không đề cập đến sự hiệu chỉnh nhiệt độ của các kết quả thử khói.
7.3.2. Điều kiện kỹ thuật chung - Khói kế
Các phép thử khói cần sử dụng phép đo khói và hệ thống xử lý số hiệu bao gồm ba thiết bị chức năng. Các thiết bị này có thể được hợp chất trong một thiết bị hoặc được cung cấp thành một hệ thống các thiết bị liên kết nhau. Ba thiết bị chức năng này là:
- Một khói kế toàn dòng hoặc một khói kế một phần dòng đáp ứng các điều kiện kỹ thuật của điều này. Điều kiện kỹ thuật chi tiết của các khói kế được giới thiệu trong Điều 11 và TCVN 7663;
- Thiết bị xử lý số liệu có thể thực hiện các chức năng được mô tả trong 10.2 và 10.3 và trong các Phụ lục A, Phụ lục B hoặc Phụ lục C.
- Một máy in và/hoặc môi trường bộ nhớ điện tử để ghi và xuất ra các chỉ số khói quy định trong các Phụ lục A, Phụ lục B hoặc Phụ lục C.
7.3.3. Độ tuyến tính
Độ tuyến tính là hiệu số giữa giá trị đo được bằng khói kế và giá trị chuẩn của thiết bị hiệu chuẩn. Độ tuyến tính không được vượt quá ± 2 % hệ số chắn sáng (độ khói).
7.3.4. Sự trôi điểm không (Zero)
Sự trội điểm không trong khoảng thời gian là giá trị nhỏ hơn trong hai giá trị một giờ và khoảng thời gian thử không được vượt quá ± 0,5 % hệ số chắn sáng (độ khói) hoặc 2 % của giá trị toàn thang đo, lấy giá trị nào nhỏ hơn.
7.3.5. Sự hiển thị và phạm vi của khói kế
Để hiển thị hệ số chắn sáng (độ khói) và hệ số hấp thụ ánh sáng, khói kế phải có phạm vi đo thích hợp cho việc đo khói chính xác của động cơ được thử. Độ phân giải tối thiểu là 0,1 % giá trị toàn thang đo.
Chiều dài đường quang được lựa chọn cho dụng cụ đo khói phải thích hợp đối với các mức khói được đo giảm thiểu các sai số trong hiệu chuẩn, trong các phép đo và tính toán.
7.3.6. Thời gian phản ứng (độ nhạy) của dụng cụ
Thời gian phản ứng về vật lý (độ nhạy vật lý) của khói kế không được vượt quá 0,2 s và thời gian phản ứng về điện (độ nhạy điện) của khói kế không được vượt quá 0,05 s.
7.3.7. Yêu cầu về lấy mẫu đối với khói kế một phần dòng
Các điều kiện lấy mẫu phải phù hợp với các yêu cầu của 11.3 trong TCVN 6852-9.
7.3.8. Nguồn sáng
Nguồn sáng phải phù hợp với các yêu cầu của 11.2 và 11.3 trong TCVN 6852-9.
7.3.9. Bộ lọc mật độ trung tính
Bất cứ bộ lọc mật độ trung tính nào được dùng để hiệu chuẩn và kiểm tra các khói kế phải có độ chính xác đã cho là ± 1 % hệ số chắn sáng (độ khói) và ít nhất là mỗi năm một lần phải kiểm tra độ chính xác của giá trị danh nghĩa của bộ lọc theo chuẩn được quy định trong tiêu chuẩn quốc gia hoặc tiêu chuẩn quốc tế.
CHÚ THÍCH: Các bộ lọc mật độ trung tính là các thiết bị chính xác và dễ bị hư hỏng trong quá trình sử dụng. Nếu giảm thiểu việc sờ mó và cầm bằng tay và khi có yêu cầu, cần chú ý tránh làm trầy xước hoặc làm bẩn lưới lọc.
7.4. Độ chính xác
Việc hiệu chuẩn tất cả các dụng cụ đo phải theo quy định trong các tiêu chuẩn quốc gia hoặc tiêu chuẩn quốc tế (nếu không có tiêu chuẩn quốc gia) và phải tuân theo các yêu cầu cho trong Bảng 3.
Bảng 3 - Sai lệch cho phép của dụng cụ để đo các thông số liên quan đến động cơ
| Thông số đo | Sai lệch cho phép | Khoảng thời gian hiệu chuẩn tháng |
| Tốc độ động cơ | ± 5 % giá trị đo | 3 |
| Nhiệt độ môi trường | ± 2 °C | 3 |
| Áp suất khi áp kế | ± 0,5 % | 3 |
| Độ ẩm tương đối của môi trường không khí | ± 3% | 3 |
CHÚ THÍCH: TCVN 6852-1 quy định phép đo nhiệt độ không khí nạp trong khi tiêu chuẩn này lại sử dụng nhiệt độ môi trường. Trong một số thiết bị động cơ có sự khác nhau giữa hai nhiệt độ này có thể là đáng kể và cần được giải thích rõ.
8. Sự hiệu chuẩn khói kế
8.1. Yêu cầu chung
Khói kế cần phải được hiệu chuẩn thường xuyên để đáp ứng các yêu cầu về độ chính xác của phần này của TCVN 6852. Phải sử dụng phương pháp hiệu chuẩn được mô tả trong 8.2.
8.2. Quy trình hiệu chuẩn
8.2.1. Thời gian làm nóng
Khói kế phải được làm nóng và ổn định theo hướng dẫn của nhà sản xuất. Nếu khói kế được trang bị hệ thống khí làm sạch để ngăn ngừa sự phủ muội đối với bộ phận quang của dụng cụ thì hệ thống này nên được hoạt động và điều chỉnh theo hướng dẫn của nhà sản xuất.
8.2.2. Xác lập sự đáp ứng tuyến tính
Với khói kế ở chế độ đọc ra hệ số chắn sáng (độ khói) và chùm sáng của khói kế không bị chèn thì số liệu đưa ra phải được điều chỉnh đến 0,0 % ± 0,5 % hệ số chắn sáng (độ khói).
Với khói kế ở chế độ đọc ra hệ số chắn sáng (độ khói) và toàn bộ ánh sáng bị ngăn cản đi tới máy thu thì số liệu đưa ra phải được điều chỉnh tới 100,0 % ± 0,5 % hệ số truyền sáng (độ khói).
Độ tuyến tính của khói kế khi được sử dụng ở chế độ hệ số chắn sáng (độ khói) phải được kiểm tra định kỳ theo hướng dẫn của nhà sản xuất. Phải đưa vào khói kế một bộ lọc mật độ trung tính từ 30 % đến 60 % giá trị toàn thang đo, đáp ứng các yêu cầu được cho trong 7.3.9 và phải ghi lại giá trị của bộ lọc. Số liệu đưa ra của dụng cụ không được sai khác lớn hơn ± 2 % hệ số chắn sáng (độ khói) so với giá trị danh nghĩa của bộ lọc mật độ trung tính. Bất cứ độ không tuyến tính nào vượt quá giá trị trên phải được hiệu chỉnh trước khi thử.
9. Chạy thử
9.1. Lắp đặt thiết bị đo
Khói kế và đầu dò lấy mẫu, nếu sử dụng, phải được lắp đặt sau bộ giảm thanh hoặc bất cứ thiết bị xử lý sau nào, nếu được lắp, phù hợp với quy trình lắp đặt do nhà sản xuất dụng cụ quy định. Một số hệ thống xả được thiết kế để có thể đưa không khí của môi trường vào ống xả và hòa trộn với dòng khí xả. Phải thực hiện phép đo khói trước khi xảy ra sự hòa trộn nếu muốn so sánh kết quả với kết quả của TCVN 6852-9. Ngoài ra phải quan sát các yêu cầu của Điều 10 trong TCVN 7663, nếu thích hợp.
Khi sử dụng khói kế toàn dòng đo ở cuối dòng, LA là một hàm số của hệ thống xả của xe và cách lắp dụng cụ đo trên ống xả. Việc xác định LA cho các kiểu ống xả khác nhau có thể gập trên hiện trường được giới thiệu trong 9.2. Trong một số máy, sự tiếp cận hệ thống xả có thể bị hạn chế và không thể lắp đặt được dụng cụ đo phù hợp với sự giới thiệu này. Trong những trường hợp này không thể so sánh các kết quả về khói với các kết quả của TCVN 6852-9.
Phải tránh tình trạng gió mạnh. Gió được xem là gió mạnh nếu nó gây nhiễu cho kích thước, hình dạng hoặc vị trí của dòng khói trong vùng lấy mẫu khí thải hoặc giảm ảnh hưởng của gió bằng cách bố trí máy trong khu vực kín gió hoặc bằng cách sử dụng các kết cấu thiết bị đo ngăn ngừa được tác động của gió đến khói trong các khu vực đo hoặc lấy mẫu.
Không được có độ ẩm nhìn thấy được (mưa, sương mù hoặc tuyết) trong khu vực lấy mẫu khí thải hoặc đo dòng khói, cần chú ý bảo đảm cho ánh sáng trực tiếp của mặt trời không chiếu thẳng vào dòng khói hoặc máy thu. Một số kết cấu của thiết bị ngăn ngừa được ảnh hưởng của các tình trạng này.
9.2. Xác định chiều dài hiệu dụng của đường quang, (LA)
Các đoạn của nguồn sáng đến chiều dài đường quang của máy thu không bị khối che khuất tính vào chiều dài hiệu dụng của đường quang. Nếu chùm sáng của khói kế được bố trí đủ gần với cửa ra của khí thải (trong khoảng 0,07 m) thì mặt cắt ngang của dòng khói đi qua khói kế về cơ bản tương tự như mặt cắt ngang của đầu ra ống xả dọc theo đường dẫn hướng của chùm sáng khói kế. Nói chung nên xác định khoảng cách này bằng cách đo trực tiếp đầu ra của ống xả. Để đạt được các kết quả đo khói với độ chính xác trong khoảng ± 2 % hệ số chắn sáng (độ khói), phải xác định LA với độ chính xác ± 6 %. (Sai số lớn nhất về hệ số chắn sáng hoặc độ khói xuất hiện tại hệ số chắn sáng xấp xỉ 60 %, tại các giá trị thấp hơn và cao hơn của hệ số chắn sáng, việc xác định LA kém chính xác hơn có thể có dung sai). Đối với chiều dài hiệu dụng tiêu chuẩn nhỏ nhất của đường quang (0,038), ± 6 % tương đương với độ chính xác 0,002 m.
Thường rất khó tiếp cận và thực hiện được các phép đo trực tiếp tại đầu ra của ống xả trên nhiều máy, đặc biệt là đối với các phép thử tại hiện trường. Do đó phải xem xét tới việc kéo dài thân ống xả từ ba tới tối đa là ba mươi lần đường kính thân ống xả nếu nhà sản xuất động cơ không có bất cứ sự phản đối nào. Việc bịt kín mối nối cho ống kéo dài ống xả này là cần thiết để tránh sự pha loãng khí thải với không khí.
Đối với nhiều kết cấu ống xả thông thường, có thể xác định LA một cách chính xác từ các kích thước của hệ thống xả bên ngoài, các kích thước này thường dễ đo hơn. Các nội dung được trình bày trong các điều sau đây mô tả các trường hợp nêu trên, các nguyên tắc và quy trình cho việc xác định LA.
9.2.2. Các kích thước trong và ngoài ống xả
9.2.2.1. Yêu cầu chung
Hầu hết các ống xả trên các máy được thiết kế từ ống kim loại có các kích thước danh nghĩa tiêu chuẩn khác nhau. Các kích thước danh nghĩa của ống dựa trên cơ sở đường kính ngoài (OD) của ống trong khi kích thước trong của ống xả xác định ra LA. Hiệu số giữa kích thước ngoài và kích thước trong của ống xả bằng hai lần chiều dày thành ống là khá nhỏ.
Việc sử dụng kích thước ngoài của ống xả như là chiều dài hiệu dụng của đường quang sẽ dẫn đến các chỉ số khói hiệu chỉnh nhỏ hơn một chút so với các chỉ số khói hiệu chỉnh thực (< 1 % hệ số chắn sáng). Trong hầu hết các trường hợp có thể chấp nhận được sai số nhỏ này. Tuy nhiên, trong trường hợp cần có độ chính xác rất cao hoặc khi chiều dày thành ống xả thường không lớn thì nên tính đến chiều dày vật liệu trong việc xác định LA.
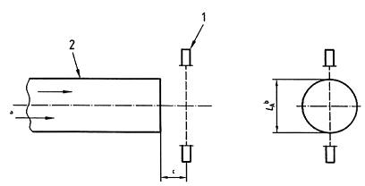
9.2.2.2. Ống xả trụ tròn không vát đầu
Đây là kết cấu ống xả đơn giản nhất có thể gập và được minh họa trên Hình 1. Trong trường hợp này, chùm sáng của khói kế phải được định hướng sao cho vuông góc và đi qua đường tâm của dòng khói và cách mặt mút đầu ra của ống xả trong khoảng 0,05 m. Nếu tuân theo các quy định này thì LA bằng đường kính trong (ID) của ống xả và thường có thể xấp xỉ với đường kính ngoài (OD) của ống xả (xem 9.2.2.1).

CHÚ DẪN:
1 Khói kế toàn dòng
2 Ống xả trụ tròn
a Dòng khi thải
b LA¥ = Đường kính trong ống xả; LA¥ = Đường kính ngoài ống xả đối với chiều dày thành nhỏ hơn 1,5 mm
c £ 5 cm
Hình 1 - Ống xả trụ tròn không vát đầu
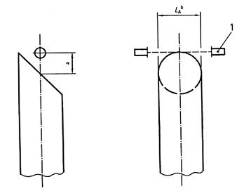
9.2.2.3. Ống xả trụ tròn có vát đầu
Ống xả có vát đầu được tạo thành khi đầu ra của ống xả không được cắt vuông góc với đường tâm (trục) của dòng khói. Khi gập loại ống xả này thì chỉ nên dùng phương pháp định hướng lắp đặt khói kế đã được khuyến nghị. Đường trục của chùm sáng khói kế phải vuông góc và đi qua đường tâm của dòng khói và nên song song với trục ngắn hình elip của mặt mút đầu ra của ống xả. Chùm sáng của khói kế cũng phải cách mặt mút đầu ra của ống xả trong khoảng 0,05 m (xem Hình 2). Nếu tuân theo các quy định này thì LA bằng đường kính trong của ống xả (ID) và thường có thể xấp xỉ với đường kính ngoài (OD) của ống xả (xem 9.2.2.1).

a) Định hướng khói kế được khuyến nghị

b) Định hướng khói kế không được khuyến nghị
CHÚ DẪN
1 Khói kế toàn dòng
a £ 5 cm
b LA = Đường kính trong ống xả; LA = Đường kính ngoài ống xả đối với chiều dày thành nhỏ hơn 1,5 mm
c Chùm sáng không vuông góc với dòng khí thải
d “A” > 50 mm
Hình 2 - Ống xả trụ tròn có vát đầu
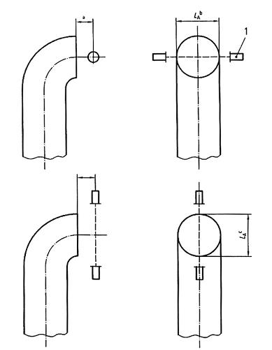
9.2.2.4 Ống xả trụ tròn cong
Khi đường tâm của ống xả bị cong ở gần đầu ra thì ống xả được gọi là ống xả cong và mặt cắt ngang của đầu ra ống xả không phải là hình tròn. Để tránh các chỉ thị sai khi gập các loại ống xả này, phải lắp đặt khói kế sao cho đường trục của chùm sáng khói kế vuông góc và đi qua đường tâm của dòng khói (không cần thiết phải là đường tâm của ống) và song song với trục ngắn mặt mút đầu ra của ống xả. Chùm sáng của khói kế phải cách mặt mút đầu ra của ống xả trong khoảng 0,05 m (xem Hình 3). Nếu tuân theo quy định này thì LA bằng đường kính trong (ID) của ống xả và thường có thể xấp xỉ với đường kính ngoài (OD) của ống xả (xem 9.2.2.1). Có thể sử dụng các định hướng khói kế trong đó chùm sáng của khói kế không song song với trục ngắn mặt đầu ra của ống xả, nhưng trong trường hợp này cần xác định LA bằng cách đo trực tiếp.
9.2.2.5. Ống xả có mặt cắt ngang không tròn
Nếu mặt cắt ngang của ống xả không tròn thì khói kế phải được lắp đặt sao cho chùm sáng của khói kế vuông góc và đi qua đường trục của dòng khói và cách mặt mút đầu ra của ống xả trong khoảng 0,05 m.
Đối với các trường hợp này, LA phải được xác định bằng cách đo trực tiếp. Nếu mặt cắt ngang của ống xả có hình ôvan hoặc elip thì chùm sáng của khói kế nên thẳng hàng với trục dài hoặc trục ngắn của mặt cắt ngang ống xả để phép đo LA được thực hiện dễ dàng (xem Hình 4).

CHÚ DẪN:
1 Khói kế toàn dòng
a £ 5cm
b LA = Trục ngắn mặt mút đầu ra; LA = Đường kính trong ống xả; LA = Đường kính ngoài ống xả đối với chiều dày thành nhỏ hơn 1,5 mm.
c LA = Trục dài mặt mút đầu ra; LA > Đường kính trong ống xả (được xác định bằng cách đo trực tiếp).
Hình 3 - Ống xả trụ tròn cong

a) Định hướng khói kế được khuyến nghị

b) Định hướng khói kế không được khuyến nghị
CHÚ DẪN
1 Khói kế toàn dòng
a £ 5 cm
b LA = trục ngắn được xác định bằng cách đo trực tiếp
c LA = trục dài được xác định bằng cách đo trực tiếp
d LA = trục dài hoặc trục ngắn, rất khó đo
Hình 4 - Ống xả có mặt cắt ngang không tròn
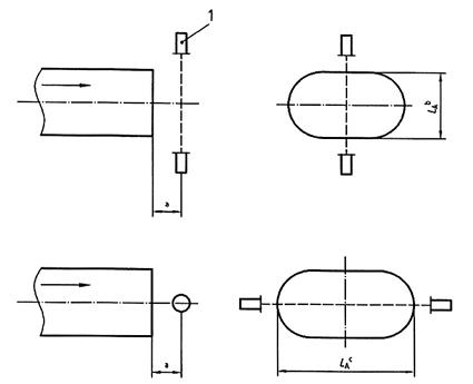
9.2.2.6. Nắp che mưa
Không thể thực hiện được các phép đo khói với khói kế toàn dòng đo ở cuối dòng khi ống xả có lắp nắp che mưa. Nếu có lắp nắp che mưa thì nắp này phải được tháo ra hoặc được mở ra hoàn toàn trước khi thử khói. Nếu lắp đặt khói kế mà không tháo nắp che mưa ra thì dụng cụ đo phải được định hướng sao cho nắp không cản trở dòng khói hoặc làm tắc nghẽn bất cứ phần nào của chùm sáng khói kế (xem Hình 5).

CHÚ DẪN:
1 Khói kế toàn dòng
2 Nắp che mưa được kẹp chặt ở vị trí mở hoàn toàn; khói kế được định hướng sao cho chùm sáng không bị ngắt khi mở nắp che mưa.
a £ 5 cm
Hình 5 - Nắp che mưa
9.2.2.7. Khí thải hướng xuống dưới
Một số máy có các hệ thống xả được lắp bên dưới sat-xi. Các hệ thống xả này có ống xả cong dẫn khí thải hướng xuống mặt đất.
Cần có sự quan tâm khi sử dụng khói kế toàn dòng đo ở cuối dòng với các máy có loại hệ thống xả này. Trong một số trường hợp các khí thải có thể quay trở lại từ mặt đất và quay vòng qua chùm sáng của khói kế gây ra sai số lớn cho các phép đo khói. Tình trạng này sẽ nghiêm trọng hơn nếu có bụi được kéo theo trong dòng khí thải quay vòng.
Trong hầu hết các trường hợp cần chú ý ngăn ngừa tình trạng trên, tuy nhiên người thử nghiệm nên cố gắng quan sát xem có sự quay vòng của khí thải khi máy được thử có hệ thống xả hướng xuống dưới hay không. Nếu xuất hiện sự quay vòng của khí thải ảnh hưởng đến các phép đo khói thì các kết quả thử được xem là có độ tin cậy không cao và nên có sự thận trọng trong sử dụng.
9.3. Kiểm tra khói kế
Trước bất cứ phép kiểm tra điểm không (zero) và kiểm tra kích thước thực (theo tỷ lệ 1 : 1) nào, khói kế phải được làm nóng và ổn định theo hướng dẫn của nhà sản xuất dụng cụ. Nếu khói kế được trang bị hệ thống làm sạch không khí để ngăn ngừa sự phủ muội than lên bộ phận quang của dụng cụ đo thì hệ thống này cũng phải được đưa vào hoạt động và được điều chỉnh theo hướng dẫn của nhà xuất.
Các phép kiểm tra điểm không (zero) và kiểm tra kích thước thực phải được thực hiện đối với các kết quả số liệu chỉ thị về hệ số chắn sáng (độ khói). Vì vậy hệ số hấp thụ ánh sáng được tính toán chính xác dựa trên hệ số chắn sáng (độ khói) và LA đo được do nhà sản xuất khói kế đưa ra, khi dụng cụ đo được đưa về chế độ chỉ thị k để thử.
Với chùm sáng của khói kế không bị chặn, số liệu chỉ thị phải được điều chỉnh tới 0,0 % ± 0,5 % hệ số chắn sáng (độ khói). Với ánh sáng bị ngăn cản không cho tới máy thu, số liệu chỉ thị phải được điều chỉnh tới 100,0 % ± 0,5 % hệ số chắn sáng (độ khói).
9.4. Chu trình thử
Động cơ phải được chạy theo chu trình thử như đã mô tả trong các Phụ lục A, B, và C có tính đến các vấn đề cần xem xét được nêu trong Phụ lục D.
CHÚ THÍCH: Chu trình thử đối với động cơ có tốc độ không đổi không dùng trên phương tiện giao thông đường bộ được cho trong TCVN 6852-9.
Trước khi tiến hành thử phải hoàn thành các thủ tục sau.
a) Nếu máy được trang bị truyền động bằng tay thì phải đưa cơ cấu truyền động về vị trí trung gian và nhả khớp ly hợp. Nếu máy được trang bị truyền động tự động thì phải đưa cơ cấu truyền động về vị trí đỗ, nếu có hoặc nếu không, về vị trí trung gian;
b) Máy phải được hạn chế di động trong quá trình thử;
c) Nên ngắt điều hòa không khí của máy;
d) Nếu động cơ được trang bị phanh thì không được tác động phanh trong quá trình thử;
e) Tất cả các thiết bị được lắp trên động cơ hoặc máy có thể làm thay đổi đặc tính gia tốc thông thường của động cơ (như đèn chiếu sáng và các thiết bị phụ khác) phải ngừng hoạt động trước khi thử.
f) Tất cả các dụng cụ và đồ gá trên máy phải ở vị trí an toàn và nếu cần thiết phải được hạn chế di động.
10. Đánh giá và tính toán các số liệu
10.1. Đánh giá các số liệu
10.1.1. Yêu cầu chung - Khói kế
phải lấy mẫu khói với tần suất lấy mẫu tối thiểu là 20 Hz. Các chỉ số khói phải được hiệu chỉnh, khi cần thiết đối với các sự khác biệt của chiều dài đường quang của khói kế, các đơn vị về khói (xem 10.1.2, 10.1.3 và 10.1.4) và các điều kiện môi trường thử (xem 10.3). Sau đó các số liệu về khói phải được xử lý bằng thuật toán Bessel như đã mô tả trong 10.2 và Phụ lục.
Trong 10.3 quy định rằng chiều dài đường mẫu thử không được ảnh hưởng đến đường khói. Tuy nhiên, ngay cả khi chiều dài đường mẫu thử không ảnh hưởng đến hình dạng của đường khói thì cũng có thể có độ trễ giữa thời điểm khói được tạo ra và thời điểm khói được đo. Sự phân tích các đường khói phải tính đến bất cứ độ trễ thời gian nào gắn liền với sự vận hành khói trong hệ thống xả.
Sau đó các chỉ số khói phải được tính toán như mô tả trong Phụ lục.
10.1.2. Quan hệ Beer - Lambert
Định luật Beer - Lambert xác định mối quan hệ giữa hệ số truyền, hệ số hấp thụ ánh sáng và chiều dài đường quang như đã cho trong công thức (7).
(7)
Từ các định nghĩa về hệ số tuyền và hệ số chắn sáng (độ khói), mối quan hệ giữa các thông số này có thể được xác định như sau trong công thức (8).
N = 100 - t (8)
Từ các công thức (7) và (8) có thể rút ra các quan hệ sau:
(9)
(10)
10.1.3. Chuyển đổi số liệu
Sự chuyển đổi từ các chỉ số khói đo được theo các đơn vị thích hợp cho báo cáo là một quá trình có hai bước. Vì các đơn vị đo cơ bản của tất cả các khói kế là hệ số truyền cho nên trong mọi trường hợp bước thứ nhất là chuyển đổi từ hệ số truyền t thành hệ số chắn sáng (độ khói) ở chiều dài hiệu dụng đo được của đường quang NA khi sử dụng công thức (8). Đối với hầu hết các khói kế, bước này được thực hiện trong nội bộ và dễ hiểu đối với người sử dụng. Bước hai của quá trình là chuyển đổi NA thành các đơn vị cho báo cáo như sau.
Nếu các kết quả thử được báo cáo theo các đơn vị hệ số chắn sáng (độ khói) thì phải sử dụng công thức (9) để chuyển đổi từ hệ số chắn sáng (độ khói) ở chiều dài hiệu dụng đo được của đường quang NA thành hệ số chắn sáng (độ khói) ở chiều dài hiệu dụng tiêu chuẩn của đường quang NAS.
CHÚ THÍCH: Trong trường hợp các chiều dài hiệu dụng đo được và tiêu chuẩn của đường quang là như nhau, NAS bằng NA thì không cần phải thực hiện chuyển đổi thứ hai.
Nếu các kết quả thử được báo cáo theo đơn vị hệ số hấp thụ ánh sáng thì phải áp dụng công thức (10).
10.1.4. Các giá trị đưa vào của chiều dài hiệu dụng của đường quang
Để áp dụng công thức (10), cần đưa vào chiều dài hiệu dụng đo được của đường quang LA. Khi sử dụng công thức (9) phải đưa vào cả LA và LAS, chiều dài hiệu dụng tiêu chuẩn của đường quang.
Đối với các khói kế toàn dòng ở cuối dòng, LA là một hàm số của kết cấu ống xả động cơ (xem 9.2).
Đối với các khói kế (lấy mẫu) một phần dòng, LA là một hàm cố định của bộ phận đo của dụng cụ và kết cấu của hệ thống làm sạch không khí. Phải sử dụng các số liệu về đặc tính kỹ thuật do nhà sản xuất dụng cụ đo cung cấp để xác định giá trị LA thích hợp khi sử dụng các loại khói kế này.
Có thể cần phải xác định LA trong khoảng 0,002 m để đạt được các kết quả đo khói hiệu chỉnh với độ chính xác trong khoảng ± 2 % hệ số chắn sáng (độ khói) (xem 9.2).
Số chỉ thị hệ số chắn sáng của khói phụ thuộc vào chiều dài hiệu dụng của đường quang của dụng cụ đo. Vì các giá trị giới hạn có thể được xác lập theo đơn vị hệ số chắn sáng (độ khói) tính bằng phần trăm cho nên chúng phải có liên quan với chiều dài hiệu dụng tiêu chuẩn của đường quang (đường kính ống). Để so sánh các số liệu về khói có ý nghĩa, các kết quả hệ số chắn sáng của khói phải được báo cáo tại các chiều dài hiệu dụng tiêu chuẩn của đường quang LAS được nêu trong Bảng 4. Tuy nhiên, có thể đo hệ số chắn sáng của khói ở các chiều dài hiệu dụng không tiêu chuẩn của đường quang.
Đối với Bảng 4, không cần thiết phải đo công suất động cơ. Công suất động cơ thường được cho trên nhãn hiệu động cơ, từ sổ tay hướng dẫn sử dụng động cơ của người chủ sở hữu động cơ, hoặc từ thông tin được dùng để xin chứng nhận hoặc phê duyệt kiểu động cơ. Trong trường hợp không thể xác định được công suất động cơ thì không thể đánh giá được sự phù hợp của động cơ với các giá trị giới hạn được biểu thị bằng hệ số chắn sáng tính bằng tỷ lệ phần trăm.
Bảng 4 - Chiều dài hiệu dụng tiêu chuẩn của đường quang
| Công suất động cơ P kW | Chiều dài hiệu dụng tiêu chuẩn của đường quang, LAS m |
| P < 37 | 0,038 |
| 37 £ P < 75 | 0,05 |
| 75 £ P < 130 | 0,075 |
| 130 £ P < 225 | 0,1 |
| 225 £ P < 450 | 0,125 |
| P ³ 450 | 0,15 |
10.2. Thuật toán Bessel
10.2.1. Yêu cầu chung
Phải sử dụng thuật toán Bessel để tính toán các giá trị trung bình từ các số chỉ thị tức thời về khói. Thuật toán được áp dụng đúng cho các chỉ số khói được biểu thị bằng hệ số hấp thụ ánh sáng. Tuy nhiên, nếu mức khói nhỏ hơn 40 % hệ số chắn sáng (độ khói) thì có thể áp dụng thuật toán cho tín hiệu khói với sai số không đáng kể. Thuật toán so sánh với một bộ lọc chọn tần số thấp cấp hai và việc sử dụng thuật toán này đòi hỏi phải có các tính toán lặp lại để xác định các hệ số. Các hệ số này là hàm số của thời gian phản ứng (độ nhạy) của hệ thống khói kế và tốc độ lấy mẫu. Do đó phải lặp lại 10.2.2 khi mà thời gian phản ứng của hệ thống và/hoặc tốc độ lấy mẫu có thay đổi.
10.2.2. Tính toán thời gian phản ứng của bộ lọc và hằng số Bessel
Thời gian phản ứng yêu cầu của bộ lọc Bessel tF là hàm số của các thời gian phản ứng về vật lý và điện của hệ thống khói kế. Như đã định nghĩa trong 3.7.3 và thời gian phản ứng toàn bộ mong muốn, X, phải được tính toán theo công thức (11):
(11)
Trong đó:
tp là thời gian phản ứng về vật lý, tính bằng s;
te là thời gian phản ứng về điện, tính bằng s.
Có thể sử dụng công thức để điều chỉnh các khói kế khác nhau theo thời gian phản ứng chung với điều kiện là cả hai tp và te đều << X (xem 7.3.6) và của hai tp và te đều << khoảng thời gian của phép thử chuyển tiếp.
Các tính toán để đánh giá tần số ngắt của bộ lọc fc dựa trên một bước số liệu vào từ 0 đến 1 trong thời gian < 0,01 s (xem Phụ lục A).
Thời gian phản ứng được định nghĩa là thời gian từ khi số liệu ta Bessel đạt 10 % (t10) đến khi đạt tới 90 % (t90) của hàm bước nhảy này. Thời gian phản ứng này đạt được bằng cách lắp lại tính toán đối với fc tới khi t90 - t10 » tF. Phép tính lắp đầu tiên đối với fc được cho bởi công thức (12):
(12)
Phải tính toán các hằng số Bessel E và K theo các công thức (13) và (14):
(13)
(14)
Trong đó:
D = 0,618034;
∆t = 1/tốc độ lấy mẫu
W = 1/tg (p x ∆t x fc)
Khi sử dụng các giá trị E và k, sự phản ứng trung bình Bessel cho một bậc số liệu vào Si phải được tính toán như sau:
Yi = Yi-1 + E x (Si + 2 x Si-1 + Si-2 - 4 x Yi-2) + K x (Yi-1 - Yi-2) (15)
Trong đó:
Si-2 = Si-1 = 0
Si = 1
Yi-2= Yi-1 = 0
Các thời gian t10 và t90 phải được nội suy. Hiệu số thời gian giữa t10 và t90, xác định thời gian phản ứng tF đối với giá trị fc tương ứng.
Nếu thời gian phản ứng này không đủ gần xấp xỉ với thời gian phản ứng yêu cầu thì phải tiếp tục phép tính tới khi thời gian phản ứng thực gần xấp xỉ trong khoảng 1 % thời gian phản ứng yêu cầu như sau:
(16)
CHÚ THÍCH: Vì việc áp dụng thuật toán Bessel về lọc là một phương pháp mới trong việc xác định khói cho nên Phụ lục D của TCVN 6852-9 đã đưa ra giải thích về bộ lọc Bessel, một ví dụ về thiết kế thuật toán Bessel và một ví dụ tính toán chỉ số khói cuối cùng. Các hằng số của thuật toán Bessel chỉ phụ thuộc vào kết cấu của khói kế và tốc độ lấy mẫu của hệ thống thu nhận dữ liệu. Nhà sản xuất khỏi kế nên cung cấp các hằng số cuối của bộ lọc Bessel cho các tốc độ lấy mẫu khác nhau và khách hàng nên sử dụng các hằng số này để thiết kế thuật toán Bessel và tính toán các chỉ số khói.
10.2.3. Tính toán chỉ số khói trung bình Bessel
Một khi các hằng số thích hợp của thuật toán Bessel E và K đã được tính toán theo 10.2.2 thì phải áp dụng thuật toán Bessel cho vết khói tức thời bằng công thức (15).
Thuật toán Bessel lặp lại trong tự nhiên. Như vậy, cần một số giá trị đầu vào ban đầu Si-1 và Si-2 và các giá trị đầu ra ban đầu Yi-1 và Yi-2 để bắt đầu thuật toán. Các giá trị này có thể được giả thiết bằng 0.
Các chỉ số khói trung bình Bessel hợp thành được sử dụng sau đó để tính toán các chỉ số khói thích hợp như đã mô tả trong Phụ lục có liên quan.
10.3. Hiệu chỉnh theo điều kiện môi trường
10.3.1. Yêu cầu chung
Khói của động cơ phải được hiệu chỉnh theo điều kiện môi trường nếu các chỉ số khói đáng được sử dụng được so sánh với giá trị giới hạn điều chỉnh. Nếu fa nằm trong dải từ 0,93 đến 1,07 thì khói phải được hiệu chỉnh theo công thức (19). Công thức hiệu chỉnh khói không được xác nhận đối với giá trị fa nằm ngoài dải 0,93 đến 1,07. Các phép đo khói diễn ra ngoài phạm vi này có thể được hiệu chỉnh theo công thức (19) nhưng không nên so sánh các kết quả với TCVN 6852-9.
CHÚ THÍCH: Các công thức mật độ không khí được quy định trong điều này phản ánh độ nhạy danh nghĩa phù hợp nhất của một mẫu thử động cơ/xe được đánh giá. Một số động cơ có độ nhạy lớn hơn và một số có độ nhạy nhỏ hơn đối với các thay đổi của mật độ không khí so với độ nhạy dự đoán bởi các công thức điều chỉnh. Do đó, việc áp dụng các công thức hiệu chỉnh các động cơ/xe có độ nhạy đối với mật độ không khí chưa biết còn các công thức điều chỉnh chỉ có thể được xem là gần đúng. Cơ quan có thẩm quyền nên chấp nhận pháp này trong các chương trình bắt buộc với sự thừa nhận rằng độ nhạy đối với mật độ không khí của các xe được thử trong chương trình thường không biết được một cách chính xác và có thể khác với độ nhạy do phép điều chỉnh danh nghĩa đã chỉ ra.
10.3.2. Điều kiện chuẩn
Hệ số hiệu chỉnh cho trong 10.3.3 giải thích cho mật độ không khí nạp khô của động cơ. Mật độ không khí khô chuẩn là 1,1575 kg/m3 ở nhiệt độ chuẩn 25 °C (298 K) và áp dụng chuẩn 99 kPa (xem 5.1.1).
10.3.3 Hiệu chỉnh khói theo mật độ môi trường
Phải áp dụng sự hiệu chỉnh cho các chỉ số khói được biểu thị như là hệ số hấp thụ ánh sáng hoặc k. Phải áp dụng sự hiệu chỉnh cho các chỉ số khói đỉnh trung bình Bessel và không áp dụng cho đường khói chưa được xử lý. Các giá trị hệ số chắn sáng (độ khói) phải được chuyển đổi sang K khi sử dụng công thức (10) và sau đó có thể lại được chuyển đổi thành các đơn vị hệ số chắn sáng (độ khói) sau khi hiệu chỉnh. Phải sử dụng công thức (17):
(17)
Trong đó:
(18)
Khi sử dụng công thức (17), các chỉ số khói trong các Phụ lục phải được hiệu chỉnh từ giá trị “quan sát được” thành giá trị “hiệu chỉnh” của hệ số hấp thụ ánh sáng như sau:
kcorr = Ks x kobs (19)
10.4. Báo cáo thử
Báo cáo thử phải chứa các dữ liệu được quy định trong TCVN 6852-6.
11. Xác định khói
Các điều 11.2 và 11.3 của TCVN 6852-9 mô tả chi tiết các hệ thống k khói kế được khuyến nghị. Vì các cấu hình khác nhau có thể tạo ra các kết quả tương đương cho nên không yêu cầu phải có sự phù hợp chính xác với các hình vẽ. Có thể sử dụng các phần cấu thành bổ sung như dụng cụ đo, van, nam châm điện, bơm và công tắc để có thêm các thông tin và phối hợp các chức năng của các hệ thống bộ phận cấu thành. Các bộ phận cấu thành khác không cần thiết cho việc duy trì độ chính xác trên một số hệ thống có thể được loại trừ nếu sự loại trừ này dựa trên cơ sở đánh giá kỹ lưỡng về mặt kỹ thuật.
Nguyên lý đo là cho ánh sáng truyền sau một chiều dài khói được đo và phần ánh sáng tới đi tới một máy thu được dùng để đánh giá tính chất che khuất ánh sáng của môi trường. Phép đo khói phụ thuộc và kết cấu của thiết bị và có thể được thực hiện trong ống xả (khói kế toàn dòng đo ở giữa dòng), ở tại đầu mút của ống xả (khói kế toàn dòng đo ở cuối dòng) hoặc bằng cách lấy một mẫu thử từ ống xả (khói kế một phần dòng). Để xác định hệ số hấp thụ ánh sáng từ tín hiệu hệ số chắn sáng (độ khói), nhà sản xuất dụng cụ đo phải cung cấp chiều dài đường quang của dụng cụ.
Phụ lục A
(Quy định)
Chu trình thử cho động cơ có tốc độ thay đổi để lắp trên xe không chạy trên đường bộ
A.1. Yêu cầu chung
Chu trình thử khói được mô tả trong Phụ lục này gồm một quá trình tăng tốc từ tốc độ chạy không tải thấp đến tốc độ chạy không tải cao. Chu trình khói này áp dụng cho các động cơ có tốc độ thay đổi được nêu trong chu trình C1 của TCVN 6852-4. Chu trình thử khói chuyển tiếp là một chu trình thử phát thải dễ thực hiện trong sử dụng và có thể được tiến hành một động cơ điêzen lắp trên một máy nào đó.
Loại C1 của TCVN 6852-4 dùng cho “xe không chạy trên đường bộ, thiết bị công nghiệp được dẫn động bằng động cơ điêxen không chạy trên đường bộ”. Các ứng dụng điển hình của các động cơ C1 được bao gồm trong phạm vi của phụ lục này, nhưng không bị hạn chế đối với:
- Thiết bị khoan công nghiệp, máy nén v.v...;
- Thiết bị xây dựng bao gồm máy bốc xếp bánh lớp, xe ủi đất, máy kéo bánh xích, máy bốc xếp bánh xích;
- Máy bốc xếp kiểu xe tải, xe tải không chạy trên đường cao tốc, tàu cuốn v.v...;
- Thiết bị nông nghiệp, máy phay đất;
- Xe nông nghiệp tự hành (bao gồm cả máy kéo);
- Thiết bị lâm nghiệp;
- Thiết bị nâng chuyển vật liệu;
- Xe tải có chạc nâng hàng;
- Thiết bị bảo dưỡng đường bộ (máy san đất, xe lu, thiết bị rải bê tông nhựa);
- Thiết bị cày, dọn tuyết;
- Thiết bị phục vụ cảng hàng không;
- Thang máy hàng không;
- Cần trục di động.
Phép thử khói chuyển tiếp mô tả trong phụ lục này có thể không có tính khả thi cho tất cả các động cơ trên tất cả các máy. Một số biện pháp điều khiển động cơ và/hoặc máy có thể ngăn cản sự tăng tốc từ tốc độ chạy không thấp đến tốc độ chạy không tải cao. Phép đo khói từ một hoặc hai động cơ xy lanh có thể có sự mạch động ảnh hưởng đến độ tin cậy của phép đo, trừ khi có sử dụng thể tích giảm chấn (bộ tiêu âm). Có thể sử dụng các phương pháp thử đặc biệt cho các ứng dụng riêng nếu có sự thỏa thuận của các bên có liên quan.
A.2 Thuật ngữ và định nghĩa
A.2.1
Thử tăng tốc (acceleration test)
Phép thử bao gồm quá trình tăng tốc động cơ chống lại quán tính bên trong của động cơ, quán tính bánh đà và quán tính của các bộ phận ký sinh của máy không chất tải từ tốc độ chạy không thấp đến độ chạy không cao.
A.2.1.1
Thời gian tăng tốc tự do (free acceleration time) - FAT
Thời gian, tính bằng giây, cần cho động cơ để chạy từ tốc độ cao hơn tốc độ chạy không thấp 5 % đến tốc độ bằng 95 % tốc độ định mức trong phép thử tăng tốc tự do.
CHÚ THÍCH: Đối với phương pháp thử tại hiện trường này, thời gian tăng tốc tự do (FAT) có thể xấp xỉ bằng thời gian cần cho động cơ để tăng tốc từ tốc độ chạy không thắp đến tốc độ chạy không cao. Nên xác định giá trị gần đúng của thời gian tăng tốc tự do trong quá trình thử khói ở hiện trường. Quán tính quay cao không bình thường hoặc tải của các bộ phận ký sinh trên động cơ cao có thể làm cho trị số thời gian tăng tốc tự do của phép thử trong sử dụng lớn hơn 9 lần thời gian tăng tốc tự do của phép thử theo TCVN 6852-9, Phụ lục A. Không nên so sánh các chỉ số khói trong sử dụng với các giá trị giới hạn nếu tình trạng trên xảy ra, bởi vì phép thử khói trong sử dụng đã được tiến hành ngoài các giới hạn mà động cơ đã được chứng nhận hoặc phê duyệt kiểu.
A.2.1.2
Chỉ số khói đỉnh (peak smoke value) - PSVs
Chỉ số khỏi trung bình Bessel 1,0 s cao nhất thu được trong quá tính tăng tốc như trong A.3.5.1.e) đối với phép thử khi làm việc (s = làm việc).
CHÚ THÍCH: Giá trị được báo cáo cho chỉ số khói đỉnh (PSVs) là giá trị trung bình của ba gia tốc trong A.3.5.1 e).
A.3 Chu trình thử
A.3.1 Yêu cầu chung
Phép thử bao gồm các lần tăng tốc động cơ từ các tốc độ chạy không thấp đến các tốc độ chạy không cao. Tiến hành nhiều lần tăng tốc để giảm các khả năng biến đổi.
A.3.2 Kiểm tra động cơ
Động cơ phải được ngắt, phanh đỗ phải hoạt động và tất cả các dụng cụ, thiết bị phụ phải ở vị trí an toàn phù hợp với các yêu cầu của 9.4.
Phải kiểm tra động cơ về sự tháo lỏng hoặc mất chi tiết, có sự quan tâm đặc biệt đến hệ thống nạp và hệ thống xả theo 5.3, 5.4 và 5.5. Phải kiểm tra hệ thống nhiên liệu về dấu hiệu của sự lục lọi, can thiệp vào. Sự bảo dưỡng không tốt hoặc sự can thiệp vào hệ thống nạp hệ thống xả hoặc hệ thống nhiên liệu có thể làm cho động cơ không đạt yêu cầu của phép thử khói. Công suất động cơ, mẫu (model) động cơ, số loạt động cơ và họ động cơ phải được xác định trong quá trình kiểm tra.
A.3.3 Kiểm tra các tốc độ chạy không tải
Phải kiểm tra tốc độ chạy không thấp và ghi lại tốc độ này trước khi tiến hành phép thử khói.
Cũng nên kiểm tra tốc độ chạy không cao trước khi tiến hành phép thử khói kế để tránh gây hư hỏng cho động cơ trong quá trình thử. Mức điều chỉnh tốc độ phải được thực hiện chậm đến vị trí có tốc độ lớn nhất trong khi vẫn giám sát tốc độ của động cơ. Nếu tốc độ động cơ vượt quá tốc độ chạy không cao do nhà sản xuất giới thiệu thì ngay lập tức phải điều chỉnh tốc độ trở về vị trí chạy không thấp và phép thử khói phải được dừng lại.
A.3.4. Thuần hóa trước cho động cơ
Động cơ phải được làm nóng lên bằng cách đưa vào vận hành có tải ít nhất là 15 min. Có thể sử dụng dụng cụ đo nhiệt độ của dầu và chất làm nguội để khẳng định rằng động cơ đang ở nhiệt độ làm việc bình thường.
CHÚ THÍCH: Giai đoạn thuần hóa trước cũng bảo vệ cho phép đo thực tránh được ảnh hưởng của sự đóng cặn trong hệ thống xả do phép thử trước đây để lại.
A.3.5 Thử tăng tốc
A.3.5.1 Yêu cầu chung
Phanh đỗ phải hoạt động và tất cả các dụng cụ và gá lắp phụ tùng phải ở vị trí an toàn. Tất cả các thiết bị phụ trợ phải được ngắt. Các thiết bị phụ trợ và thiết bị khác được dẫn động bởi động cơ không thể ngắt được thì phải được chỉnh đặt để hấp thụ tải nhỏ nhất của động cơ. Các truyền động bằng tay phải được đưa về vị trí “trung gian” và các truyền động tự động phải ở vị trí “đỗ”. Phải lắp đặt và hiệu chỉnh dụng cụ đo khói phù hợp với các yêu cầu của 7.3 và Điều 8.
Thử tăng tốc là một phép thử làm tăng tốc độ động cơ từ tốc độ chạy không tải thấp đến tốc độ chạy không tải cao.
Thử tăng tốc được tiến hành theo trình tự chung sau. Trình tự này được minh họa bằng đồ thị trên Hình A.1.
a) Động cơ phải được ổn định ở tốc độ chạy không tải thấp trong 15 s ± 5 s;
b) Cần điều khiển tốc độ phải được di chuyển nhanh tới vị trí được mở rộng và được giữa ở vị trí này tới khi động cơ đạt tới tốc độ chạy (không tải cao) vào đã được điều chỉnh của nó;
c) Cần điều khiển tốc độ phải được đưa trở về vị trí đóng và động cơ được phép trở về tốc độ chạy không tải thấp của nó;
d) Trình tự trên phải được lặp lại hai lần như là chạy trong thực hành để làm sạch hệ thống xả.
e) Sau ba lần chạy thực hành, trình tự trên phải được lặp lại tới khi ba lần chạy liên tiếp đáp ứng được tiêu chuẩn ổn định như đã quy định trong A.3.5.2.
A.3.5.2. Chuẩn đánh giá phép thử - Thử tăng tốc
Kết quả thử tăng tốc chỉ được xem là có giá trị sau khi đã đáp ứng được chuẩn đánh giá của chu trình thử sau.
Hiệu số học giữa các giá trị cao nhất và thấp nhất của các chỉ số khói trung bình Bessel 1,0 s lớn nhất từ ba lần thử tăng tốc liên tiếp không được vượt quá 5,0 % hệ số chắn sáng (độ khói). Các chuẩn đánh giá cho thử nghiệm bổ sung thêm được cho trong 5.1.2 và 7.3.4.
A.3.5.3. Xác định thời gian tăng tốc tự do (FAT)
Thời gian tăng tốc tự do cho một lần tăng tốc trong A.3.5.1.e) là thời gian từ khi tốc độ động cơ tách rời khỏi tốc độ chạy không thấp tới khi tốc độ động cơ đạt tới tốc độ chạy không cao. Phải xác định thời gian tăng tốc tự do nhằm mục đích so sánh với các thời gian tăng tốc được sử dụng khi chứng nhận hoặc phê duyệt kiểu động cơ theo các yêu cầu của TCVN 6852-9. Nếu thời gian tốc độ ở hiện trường lớn hơn chín lần thời gian tăng tốc tự do theo TCVN 6852-9 thì không nên mong đợi động cơ đáp ứng được giá trị giới hạn.

a Tốc độ chạy không tải cao
b Tốc độ chạy không tải danh định
e Tốc độ chạy không tải
d Chạy thực hành
e Chạy thực
(a), (b) và (c) được cho trong A.3.5.1.
Hình A.1 - Thử tăng tốc
A.4 Phân tích kết quả
A.4.1 Yêu cầu chung
Điều này mô tả phương pháp phân tích của kết quả của phép thử tăng tốc. Nhiều khói kế được sử dụng cho phép thử này có tín hiệu ra của khói là chỉ số khói trung bình Bessel X = 0,5 s theo thuật toán mô tả trong 10.2. Đối với các khói kế này việc xử lý thêm đối với tín hiệu để tạo ra các kết quả về khói X = 1,0 s là cần thiết, và giá trị (tp2 + te2) được dùng trong công thức (11) của 10.2.2 là 0,52. Các kết quả phân tích khói chưa xử lý (thô), các kết quả này đã không được xử lý theo thuật toán Bessel 0,5 s, phải sử dụng giá trị (tp2 + te2) đặc trưng cho hệ thống khói kế.
Các chỉ số khói được báo cáo cũng phải được hiệu chỉnh theo điều kiện về môi trường như đã mô tả trong 10.3.
A.4.2 Chỉ số khói đỉnh (PSVs)
Phải tính toán các giá trị đối với chỉ số khói đỉnh cho mỗi thử nghiệm tăng tốc theo A.3.5.1e). Các giá trị này là các giá trị lớn nhất của chỉ số khói trung bình Bessel X = 1,0 s xuất hiện trong quá trình tăng tốc. Phải thận trọng để bảo đảm rằng các số liệu về khói được phân tích tương ứng với thời gian trong đó xảy ra sự kiện tăng tốc (xem 10.1.1). Đối với phương pháp tăng tốc, xem A.3.5.1 b). Phương pháp tính toán các chỉ số trung bình Bessel được giới thiệu trong 10.2. Đối với các chỉ số khói đỉnh, giá trị của X trong công thức (11) là 1,0 s. Chỉ số khói đỉnh trung bình (PSVs) là trị số trung bình của các giá trị thu được đối với mỗi một trong ba lần tăng tốc.
A.5 Kết quả báo cáo
Phải báo cáo các kết quả sau: Công suất động cơ, kiểu động cơ, họ động cơ (từ nhãn hiệu), số loạt động cơ, thời gian tăng tốc tự do (FAT), chỉ số khói đỉnh (PSVs).
A.6 Đánh giá kết quả theo thống kê
Các kết quả của quy trình thử này được sử dụng như một phần của chương trình thử bắt buộc. Nên có các thử nghiệm bổ sung thêm trước khi có bất cứ quy định bắt buộc nào nếu như các kết quả (giá trị trung bình của chỉ số khói đỉnh) gần với giá trị giới hạn cho phép (LL). Điều này giới thiệu phương pháp thống kê nên dùng trước khi có bất cứ quy định bắt buộc nào.
a) Nếu mỗi giá trị trong ba giá trị của chỉ số khói đỉnh (PSV) nhỏ hơn giá trị giới hạn cho phép (LL) thì kết quả thử chấp nhận được và kết thúc quy trình thử;
b) Nếu mỗi giá trị trong ba giá trị của chỉ số khói đỉnh (PSV) lớn hơn 1,5 lần giá trị giới hạn cho phép (LL) thì kết quả thử không chấp nhận được và kết thúc quy trình thử;
c) Nếu không xảy ra trường hợp a) hoặc b) thì nên tiến hành thêm các thử nghiệm. Ít nhất là nên có hai lần chạy thử bổ sung thêm theo A.3.3, A.3.4 và A.3.5 để có sáu giá trị bổ sung thêm của chỉ số khói đỉnh (PSV). Quyết định chấp nhận/không chấp nhận cần dựa trên giá trị trung bình của ít nhất là chín giá trị của chỉ số khói đỉnh (PSV).
PHỤ LỤC B
(Quy định)
Chu trình thử đối với động cơ đẩy tàu thủy
B.1 Yêu cầu chung
Hoạt động của động cơ tàu thủy diễn ra với nhiều sự phối hợp có giới hạn của tốc độ và momen hơn so với các động cơ lắp trên ô tô và trên thiết bị di động không chạy trên đường bộ. Điều này một phần là do các động cơ tàu thủy không được trang bị hộp số có thể sang số được và phần khác là do trạng thái vật lý của việc truyền lực từ chân vịt vào nước.
Có hai mối quan hệ chính có tính nguyên lý của momen - tốc độ: nguyên lý chân vịt được định nghĩa bằng momen = f (n2) với chân vịt hoặc tia nước cố định, và nguyên lý tốc độ không đổi (so với các ứng dụng của máy phát) áp dụng cho chân vịt có bước điều chỉnh được. Các nguyên lý này tương ứng với các chu trình thử E1, E2, và E3 và E5 của TCVN 6852-4. Do đó khói trong quá trình tăng tải của động cơ, đối với cả hai trường hợp (có hoặc không tăng tốc) sẽ ổn định hơn và chịu ảnh hưởng chủ yếu bởi tốc độ tăng tải. Tốc độ này phụ thuộc vào các quy trình điều khiển tự động có giới hạn khác nhau.
Tốc độ tăng công suất là một ví dụ. Đối với các động cơ tàu thủy, tốc độ tăng công suất chậm hơn so với các động cơ lắp trên ô tô hoặc trên thiết bị di động không chạy trên đường bộ. Đặc điểm này một phần là do trạng thái vật lý của việc truyền lực từ chân vịt vào nước. Trong tất cả các trường hợp như vậy, động cơ sẽ được kiểm soát bởi hệ thống điều khiển hoặc điều chỉnh động cơ phụ thuộc vào loại tàu thủy. “Trường hợp tiêu chuẩn” này cũng là trường hợp xấu nhất và là cơ sở rất thích hợp cho các phép đo khói động lực học. Các động cơ có các chế độ chỉnh đặt cho điều khiển hoặc điều chỉnh khác nhau có thể được tổ hợp trong các họ hoặc nhóm động cơ và phép thử cho trường hợp xấu nhất là phép thử cho toàn bộ họ hoặc nhóm động cơ.
Trên các tàu thủy chạy ven bờ, an toàn luôn có tầm quan trọng rất lớn. Do đó, mặc dù việc điều khiển tự động là nguyên tắc chung nhưng vẫn phải có sự ngoại lệ cho các trường hợp khẩn cấp khi mà sự chạy vượt tốc là cần thiết để giảm mối nguy hiểm cận kề. Trong trường hợp khẩn cấp này có thể có mức khói tăng lên do sự tăng tốc lớn hơn của động cơ. Mức khói tăng lên như trên không được xem xét trong Phụ lục này.
B.2 Ứng dụng của chu trình thử khói
Chu trình thử khói mô tả trong Phụ lục này áp dụng cho các động cơ được bao hàm trong các chu trình thử E1, E2, E3 và E5 của TCVN 6852-4. Sự phân biệt cho sử dụng chu trình thử trong phụ lục này là thời gian tăng tốc có tải. Thời gian này nên là 20 s ± 5 s hoặc do nhà sản xuất công bố có tính đến hệ thống điều khiển hoặc điều chỉnh động cơ. Các động cơ dày tàu thủy, có thể được dùng trong ứng dụng đối với các động cơ lắp trên thiết bị di động không chạy trên đường bộ, không bắt buộc phải thử theo quy trình trong Phụ lục A.
Các ứng dụng điển hình là:
E1: Các động cơ điêzen cho tàu thủy nhỏ có chiều dài nhỏ hơn 24 m (dẫn xuất của chu trình thử B).
E2: Các động cơ điêzen có tốc độ không đổi, chế độ làm việc nặng dùng để đẩy tàu thủy có chiều dài không hạn chế.
E3: Các động cơ theo nguyên lý chân vịt, chế độ làm việc nặng dùng để đầy tàu thủy có chiều dài không hạn chế.
E5: Các động cơ điêzen (theo nguyên lý chân vịt) dùng cho tàu thủy nhỏ có chiều dài nhỏ hơn 24 m. Phụ lục này đã được xác nhận dùng cho các động cơ có ống suất định mức đến 1500 kW.
B.3 Thuật ngữ và định nghĩa
B.3.1 Thử ở chế độ chuyển tiếp (test under transient load)
B.3.1.1
Đối với động cơ có tốc độ thay đổi (for variable-speed engines)
Phần quy trình thử bao gồm việc cho động cơ chạy hết một chu trình thử hoàn toàn xác định gồm có một chế độ tăng tốc có tải và một chế độ 80 % tải ở tốc độ định mức.
B.3.1.2
Đối với động cơ có tốc độ không đổi (for constant-speed engines)
Phần quy trình thử bao gồm việc cho động cơ chạy ở tốc độ định mức hết một chu trình thử hoàn toàn xác định gồm có một chế độ tăng tải và một chế độ ở 50 % công suất định mức.
B.3.2 Thời gian tăng tải (load-increase time)
B.3.2.1
Đối với động cơ có tốc độ thay đổi (for variable-speed engines)
Thời gian cần thiết cho một động cơ để tăng tốc từ tốc độ chạy không thấp đến 80 % tốc độ định mức; trong quá trình tăng tốc, tải của động cơ được điều chỉnh sao cho momen động cơ tương ứng với đường cong tải trọng ngắn hạn.
B.3.2.2
Đối với động cơ có tốc độ không đổi (for constant-speed engines)
Thời gian cần thiết cho một động cơ ở tốc độ định mức để tăng tải trọng từ không tải đến 50 % công suất định mức.
B.3.3 Đường cong tải trọng ngắn hạn (transient-load curve)
B.3.3.1
Đối với động cơ có tốc độ thay đổi (for variable-speed engines)
Đường cong của động cơ đẩy được xác định bởi momen = f(n2), tại điểm cuối của đường cong, động cơ đạt tới công suất định mức ở tốc độ định mức.
B.3.3.2
Đối với động cơ có tốc độ không đổi (for constan-speed engines)
Đường cong của động cơ có tốc độ không đổi ở tốc độ định mức và ở điểm cuối của đường cong động cơ đạt tới công suất định mức.
B.3.4
Chỉ số khói đỉnh (peak Smoke Value)
Giá trị trung bình của ba chỉ số khói trung bình Bessel 1,0 s cao nhất thu được trong quá trình thử ở điều kiện tải trọng ngắn hạn.
B.4 Chu trình thử
B.4.1 Yêu cầu chung
Trong quá trình đo khói thuộc phép thử trong điều kiện tải trọng ngắn hạn (được mô tả chi tiết trong B.4.2 và B.4.3), tải trọng của động cơ được tăng lên càng nhanh càng tốt theo đường cong của động cơ đầy hoặc ở tốc độ không đổi. Tốc độ tăng tải trọng cũng như thời gian tăng tải trọng được kiểm soát bởi hệ thống điều khiển hoặc điều chỉnh của động cơ.
Chu trình này thích hợp cho sử dụng trên băng thử cũng như cho các phép đo với động cơ được lắp trên tàu thủy.
Khi đo khói động cơ trên băng thử, thời gian tăng tải trọng có thể thay đổi trong phạm vi bao phủ các điều kiện làm việc của một họ hoặc nhóm động cơ đã được định nghĩa theo TCVN 6852-7 và TCVN 6852-8.
B.4.2 Thuần hóa trước cho động cơ
Động cơ phải được làm nóng lên ở công suất định mức theo hướng dẫn của nhà sản xuất để ổn định các thông số làm việc của động cơ.
CHÚ THÍCH: Giai đoạn thuần hóa trước sẽ bảo vệ cho phép đo dòng điện tránh được ảnh hưởng của phép thử trước đây và được xem là tạo ra các điều kiện chuẩn.
B.4.3 Tiến hành thử trong điều kiện tải trọng ngắn hạn
B.4.3.1 Yêu cầu chung
Phải thực hiện phép thử trong điều kiện tải trọng ngắn hạn ngay sau khi thuần hóa trước như đã mô tả trong B.4.2.
B.4.3.2 Động cơ có tốc độ thay đổi
Phép thử trong điều kiện ngắn hạn bao gồm sự tăng tốc động cơ từ tốc độ chạy không thấp tới 80 % tốc độ định mức với tải trọng được mô tả bởi công thức momen = f(n2). Trình tự thử được biểu thị bằng biểu đồ trên Hình B.1.
B.4.3.3 Động cơ có tốc độ không đổi
Phép thử trong điều kiện tải trọng ngắn hạn bao gồm sự tăng tải trọng động cơ ở tốc độ định mức từ không tải đến 50 % tải trọng định mức.
Trình tự thử được biểu thị bằng biểu đồ trên Hình B.2.
Việc tiến hành thử trong điều kiện tải trọng ngắn hạn bắt đầu bằng một chu trình thuần hóa để tăng tính lặp lại của các kết quả. Theo sau chu trình thuần hóa là ba chu trình tăng tải. Trình tự thử với sự chuyển tiếp tải trọng được mô tả trong B.4.3.4 và B.4.3.5.
B.4.3.4 Trình tự thử đối với động cơ có tốc độ thay đổi
B.4.3.4.1 Chu trình thuần hóa
a) Động cơ phải được vận hành ở tải trọng ổn định thấp nhất với cần điều khiển tải/tốc độ ở vị trí thấp nhất và tốc độ chạy không thấp trong thời gian 40 s ± 5 s.
b) Từ tốc độ chạy không thấp, cần điều khiển tải/tốc độ phải:
1) Gạt tới vị trí mở để cho phép động cơ đạt tới 80 % tốc độ định mức của nó trong thời gian 20 s ± 5 s.
2) Gạt nhanh tới vị trí mở hoàn toàn và được giữ ở vị trí này; động cơ phải tăng tốc theo tải trọng trên đường cong tải trọng ngắn hạn tới 80 % tốc độ định mức của nó trong thời gian do hệ thống điều khiển hoặc điều chỉnh động cơ cho phép.
c) Phải duy trì 80 % tốc độ định mức và tải trọng đã cho như đã quy định trên đường cong tải trọng ngắn hạn trong thời gian 60 s ± 5 s.
d) Phải giảm tải trọng và cần điều khiển tải/tốc độ phải được đưa về vị trí chạy không thấp.
B.4.3.2 Chu trình đo
Lặp lại quá trình từ a) đến d) tới khi hoàn tất được ba kết quả liên tiếp phù hợp.

Hình B.1 - Thử trong điều kiện tải trọng ngắn hạn - Động cơ có tốc độ thay đổi

Hình B.2 - Thử tăng tốc có tải - Động cơ có tốc độ không đổi
B.4.3.5 Trình tự đối với động cơ có tốc độ không đổi
B.4.3.5.1 Chu trình thuần hóa
a) Động cơ phải được vận hành ở tải trọng ổn định thấp nhất và ở tốc độ định mức trong thời gian 40 s ± 5 s.
b) Tốc độ định mức, cần điều khiển tải/tốc độ phải:
1) Gạt tới vị trí mở để cho phép động cơ đạt tới 50 % tải định mức trong 20 s ± 5 s;
2) Gạt nhanh tới vị trí 50 % và được giữ ở vị trí này. Tải trọng của động cơ phải tăng lên ở tốc độ không đổi của động cơ tới 50 % tải định mức của nó trong thời gian do hệ thống điều khiển hoặc điều chỉnh động cơ cho phép.
c) Phải duy trì 50 % công suất định mức ở tốc độ định mức trong thời gian 60 s ± 5 s.
d) Phải giảm tải trọng và cần điều khiển tải/tốc độ phải được đưa về vị trí không tải ở tốc độ định mức.
B.4.3.5.2 Chu trình đo
Lặp lại quá trình a) đến d) tới khi hoàn tất được ba kết quả liên tiếp phù hợp.
B.4.3.6 Chuẩn đánh giá phép thử - Thử trong điều kiện tải trọng ngắn hạn
Kết quả thử tăng tốc chỉ được xem là có giá trị sau khi đã đáp ứng được chuẩn đánh giá của chu trình thử sau.
Hiệu số học giữa các giá trị cao nhất và thấp nhất của các chỉ số khói trung bình Bessel 1,0 s lớn nhất từ ba lần thử tăng tốc liên tiếp có tải không được được vượt quá 5,0 % hệ số chắn sáng (độ khói).
Các chuẩn đánh giá bổ sung thêm được cho trong 5.1.2 và 7.3.4.
B.5 Phân tích kết quả
B.5.1 Yêu cầu chung
Điều này mô tả phương pháp phân tích các kết quả của phép thử trong điều kiện tải trọng ngắn hạn. Nhiều khói kế sử dụng cho phép thử này có tín hiệu ra của khói là chỉ số khói trung bình Bessel X = 0,5 s theo thuật toán mô tả trong 10.2. Đối với các khói kế này cần xử lý thêm đối với tín hiệu để tạo ra các kết quả tương đương với công thức trong đó X = 1,0 s và giá trị của (tp2 + te2) được dùng trong 10.2.2, công thức (11) là 0,52. Việc phân tích các kết quả của khói chưa xử lý (thô), các kết quả này đã không được xử lý theo thuật toán Bessel 0,5 s, phải sử dụng giá trị của(tp2 + te2) đặc trưng cho hệ thống khói kế.
B.5.2 Chỉ số khói đỉnh (PSV)
Xác định các chỉ số khói trung bình Bessel 1,0 s cao nhất xuất hiện trong ba lần thử lặp lại được nêu trong B.4.3. Phải thận trọng để bảo đảm rằng các số liệu về khói được phân tích tương ứng với thời gian trong đó xảy ra sự tăng tải trọng (xem 10.1.1). Chỉ số khói đỉnh (PSV) là giá trị trung bình của ba chỉ số khói trung bình Bessel 1,0 s cao nhất thu được trong quá trình tăng tải trọng.
Phương pháp tính toán các số trung bình Bessel được nêu trong 10.2. Đối với các chỉ số khói đỉnh, giá trị của X trong công thức (11) là 1,0 s.
B.6 Kết quả báo cáo
Phải báo cáo các chỉ số khói sau: PSV1, PSV2, PSV3, cộng với PSVa (giá trị trung bình của ba giá trị này). Khoảng thời gian cho ba thử nghiệm (trong quá trình tăng tải trọng) cũng phải được báo cáo. Ngoài ra cần báo cáo các sai số thời gian cho các quá trình a) đến d) trên Hình B.1 và Hình B.2 thuộc B.4.3.4.1 và B.4.3.5.1.
PHỤ LỤC C
(Quy định)
Chu trình thử cho các động cơ có tốc độ thay đổi kiểu F (động cơ đầu máy xe lửa)
C.1 Yêu cầu chung
Phép thử tăng tốc tương phản với momen quán tính của động cơ (không tải) không có liên quan với động cơ đầu máy (xe lửa) bởi vì, để tránh hiện tượng trượt của bánh xe đầu máy, sự phản ứng của van tiết lưu động cơ đầu máy không nhanh như sự phản ứng của van tiết lưu động cơ lắp trên thiết bị di động không chạy trên đường bộ (C.1). Khi tăng tốc, van tiết lưu của động cơ đầu máy không mở nhanh nhưng thời gian mở dựa trên tốc độ tăng tải. Các động cơ có sự lắp đặt khác nhau đối với hệ thống điều khiển hoặc điều chỉnh có thể được tổ hợp trong các họ hoặc nhóm động cơ và khi trường hợp xấu nhất được thử sẽ đại diện cho toàn bộ họ hoặc nhóm.
Thường thực hiện phép thử với động cơ trên băng thử và có tất cả các thiết bị tĩnh tại và dụng cụ đo cần thiết. Trong một số trường hợp có thể hấp thu công suất được tạo ra trên thiết bị băng thử tĩnh (ví dụ, hệ thống trục tải) mà không phải tháo dỡ động cơ khỏi đầu máy.
C.2 Ứng dụng của chu trình thử
Phụ lục C này đã được chấp nhận sử dụng cho các động cơ có công suất định mức đến 1500 kW.
C.3 Thuật ngữ và định nghĩa
C.3.1
Thử trong điều kiện tải trọng ngắn hạn (test under transient load)
Phần quy trình thử bao gồm việc cho động cơ chạy hết một chu trình thử hoàn toàn xác định gồm có một chế độ tăng tốc có tải và một chế độ toàn tải ở tốc độ định mức.
C.3.2
Thời gian tăng tốc có tải (acceleration time under load)
Thời gian cần thiết cho một động cơ để tăng tốc từ tốc độ chạy không đến tốc độ định mức, trong quá trình tăng tốc, tải của động cơ được điều chỉnh sao cho công suất của động cơ nằm trên đường cong tải trọng có tăng tốc.
CHÚ THÍCH: Thời gian tăng tốc có tải được kiểm soát bởi hệ thống điều khiển hoặc điều chỉnh của động cơ.
C.3.3
Đường cong tải trọng có tăng tốc (acceleration load curve)
Đường cong tải trọng tự nhiên của động lực kế thủy lực có dạng gần tương tự như đường cong momen = f (n2) và đại diện cho các đường cong tải trọng thực khi làm việc.
CHÚ THÍCH: Trong các trường hợp phép thử được thực hiện với máy phát thì đường cong tải trọng có tăng tốc phải có dạng momen = f (n2).
C.3.4
Chỉ số khói đỉnh (Peak smoke value) - PSV
Giá trị trung bình của ba chỉ số khói trung bình Bessel 1,0 s cao nhất thu được trong quá trình thử với các chế độ tăng tốc trong điều kiện tải trọng ngắn hạn.
C.4 Chu trình thử
C.4.1 Yêu cầu chung
Phải thử động cơ với hệ thống điều khiển hoặc điều chỉnh được sử dụng khi làm việc.
C.4.2 Thuần hóa trước cho động cơ
Động cơ phải được chạy để làm nóng lên ở công suất định mức theo hướng dẫn của nhà sản xuất để ổn định các thông số làm việc của động cơ.
CHÚ THÍCH: Giai đoạn thuần hóa trước này sẽ bảo vệ cho phép đo dòng điện tránh được ảnh hưởng của phép thử trước đây và được xem là tạo ra các điều kiện chuẩn.
C.4.3 Thử trong điều kiện tải trọng ngắn hạn
C.4.3.1 Yêu cầu chung
Phải thực hiện phép thử trong điều kiện tải trọng ngắn hạn ngay sau giai đoạn thuần hóa trước được mô tả trong C.4.2. Phép thử trong điều kiện tải trọng ngắn hạn là một quy trình làm tăng tốc độ động cơ từ tốc độ chạy không tương ứng với tải trọng. Điểm cuối của đường cong tải trọng này ở tốc độ định mức phải là công suất định mức của động cơ.
C.4.3.2 Thời gian tăng tốc trong điều kiện chất tải ngắn hạn
Thời gian tăng tốc trong quá trình thử này phải được kiểm soát bởi hệ thống điều khiển hoặc điều chỉnh của động cơ và được định hướng cho điều kiện làm việc của động cơ khi sử dụng trên đầu máy. Vì sự phát thải khói của một động cơ trong điều kiện chất tải ngắn hạn tăng lên khi thời gian cho tăng tốc giảm đi nên sự chấp nhận hoặc nghiệm thu các động cơ có các thời gian tăng tốc khác nhau trong một họ hoặc nhóm động cơ sẽ trở nên dễ dàng bằng cách thử nghiệm động cơ có thời gian tăng tốc ngắn nhất, được xem là động cơ chuẩn.
C.4.3.3 Tiến hành thử trong điều kiện tải trọng ngắn hạn
C.4.3.3.1 Yêu cầu chung
Phép thử trong điều kiện tải trọng ngắn hạn bắt đầu với một chu trình thuần hóa để tăng tính lặp lại của các kết quả. Theo sau chu trình thuần hóa là ba chu trình tăng tốc trong điều kiện tải trọng ngắn hạn. Tiếp sau sự tăng tốc có tải là sự ổn định tốc độ ở toàn tải.
C.4.3.3.2 Chu trình thuần hóa
a) Động cơ phải được vận hành ở tải trọng bên ngoài ổn định nhất với cần điều khiển ở vị trí thấp nhất (tốc độ chạy không thấp) trong thời gian 40 s ± 5 s.
b) Từ tốc độ chạy không, cần điều khiển tải/tốc độ phải được gạt nhanh tới vị trí điều khiển toàn tải/tốc độ để tăng tốc cho động cơ tương ứng với tải trọng sẽ cho phép động cơ đạt tới 95 % tốc độ định mức của nó trong thời gian do hệ thống điều khiển hoặc điều chỉnh của động cơ cho phép.
c) Trong khoảng 20 s khi động cơ đạt tới 95 % tốc độ định mức, tải trọng cần thiết của động lực học kế phải được tác động để ổn định động cơ ở tốc độ định mức/toàn tải.
CHÚ THÍCH: Trong thời gian tạo sự ổn định có thể xảy ra sự quá tải của động cơ.
d) Phải duy trì tốc độ định mức và toàn tải trong thời gian 60 s ± 5 s.
e) Phải giảm tải trọng và đưa cần điều khiển tải/tốc độ trở về vị trí chạy không.
C.4.3.3.3 Chu trình đo
Lặp lại quá trình từ a) đến e) tới khi hoàn tất được ba kết quả liên tiếp phù hợp.
C.4.3.4 Chuẩn đánh giá phép thử - Thử trong điều kiện tải trọng ngắn hạn
Kết quả thử tăng tốc chỉ được xem là có giá trị sau khi đã đáp ứng được chuẩn đánh giá của chu trình thử sau.
Hiệu số học giữa các giá trị cao nhất và thấp nhất của các chỉ số khói trung bình Bessel 1,0 s lớn nhất từ ba lần thử tăng tốc liên tiếp trong điều kiện có tải không được vượt quá 5 % hệ số chắn sáng (độ khói). Các chuẩn đánh giá bổ sung thêm được cho trong 5.1.2 và 7.3.4.
C.5 Phân tích kết quả
C.5.1 Yêu cầu chung
Điều này mô tả phương pháp phân tích kết quả của phép thử trong điều kiện tải trọng ngắn hạn. Nhiều khói kế sử dụng cho phép thử này có tín hiệu ra của khói là chỉ số khói trung bình Bessel X = 0,5 s theo thuật toán mô tả trong 10.2. Đối với các khói kế cần xử lý thêm đối với tín hiệu ra để tạo ra kết quả tương đương với công thức trong đó X = 1,0 s và giá trị của (tp2 + te2) được dùng trong 10.2.2, công thức (11) là 0,52. việc phân tích các kết quả của khói chưa xử lý (thô), các kết quả này đã không được xử lý theo thuật toán Bessel 0,5 s, cần sử dụng giá trị (tp2 + te2) đặc trưng cho hệ thống khói kế.
C.5.2 Chỉ số khói đỉnh (PSV)
Xác định các chỉ số khói trung bình Bessel 1,0 s cao nhất xuất hiện trong ba lần thử lặp lại được nêu trong C.4.3.3.2 b). Phải thận trọng để bảo đảm rằng các số liệu về khói được phân tích tương ứng với thời gian trong đó xảy ra sự kiện tăng tốc (xem 10.1.1). Chỉ số khói trung bình (PSV) là giá trị trung bình của ba chỉ số khói trung bình Bessel 1,0 s cao nhất thu được trong quá trình tăng tốc có tải.
Phương pháp tính toán các số trung bình Bessel được nêu trong 10.2. Đối với các chỉ số khối đỉnh (PSVs) thì giá trị X trong công thức (11) là 1,0 s.
C.6 Kết quả báo cáo
Phải báo cáo chỉ số khói sau: PSV1, PSV2, PSV3 cộng với PSVa (giá trị trung bình của ba giá trị này. Khoảng thời gian cho ba lần thử (trong quá trình tải trọng lên) phải được báo cáo.

Hình C.1 - Thử tăng tốc có tải
Các khoảng thời gian a) đến e) tương ứng với các đường trên hình vẽ được cho trong C.4.3.3.2.
PHỤ LỤC D
(Tham khảo)
Nhận xét về các chu trình thử
Quy định thử của TCVN 6852-9 được sử dụng riêng cho phép đo trên băng thử của động cơ, bao gồm sự chứng nhận hoặc phê duyệt kiểu động cơ theo giá trị giới hạn cho phép, có thể hình dung rằng các phép thử của TCVN 6852-8 đã được thực hiện trên một “động cơ mẹ” của họ động cơ và kết quả của các phép thử đã được so sánh với giá trị giới hạn cho phép. Cách dễ làm nhất để áp dụng tiêu chuẩn này của bộ TCVN 6852 là kiểm tra các mẫu “động cơ phát thải khói đậm đặc” - đó là các động cơ có mức khói đang sử dụng vượt quá giá trị giới hạn cho phép của động cơ mới một lượng đáng kể.
Tuy nhiên, cần thấy rằng cơ quan có thẩm quyền có thể cần đến sự nhận biết rõ hơn về phép thử khói đang sử dụng - phép thử có thể phát hiện ra một động cơ đang sử dụng nào đó có chỉ số khói không bình thường so với chỉ số khói thu được trong quá trình chứng nhận/phê duyệt kiểu. Điều này có thể thực hiện được bằng cách so sánh chỉ số khói đang sử dụng tại thời gian tăng tốc đang sử dụng với chỉ số khói (thực hoặc nội suy) cho chứng nhận/phê duyệt kiểu tại cùng một thời gian tăng tốc cho chứng nhận/phê duyệt kiểu; ví dụ, nếu thời gian tăng tốc tự do (FAT) cho chứng nhận/phê duyệt kiểu là 1,0 s thì phép thử khói đã xác định các giá trị tại FAT cũng như 3,6 và 9 FAT, hoặc 1 s, 3 s, 6 s, 9 s. Nếu thời gian tăng tốc đang sử dụng là 4 s thì phép thử có thể xác định một chỉ số khói chứng nhận/phê duyệt kiểu nội suy đối với 4 s bằng cách nội suy tuyến tính giữa các chỉ số khói chứng nhận/phê duyệt kiểu ứng với 3 FAT và 6 FAT. Tuy nhiên để sử dụng các chỉ số khói chứng nhận/phê duyệt theo cách này cần đánh giá tính chất hay thay đổi của các nguồn dữ liệu khói khác nhau.
Có hai loại tính chất hay thay đổi của động cơ cần được xem xét: tính chất hay thay đổi giữa công suất và tính chất hay thay đổi giữa các động cơ có cùng một công suất. Có một số công suất động cơ trong họ động cơ và ký hiệu khói sẽ thay đổi một chút từ một công suất sang công suất sau. Kết quả của thử nghiệm trên một công suất không thể hy vọng sẽ tương đương một cách chính xác với kết quả thử nghiệm trên một công suất khác. Mặt khác các dung sai trong sản xuất dẫn đến mức khói khác nhau từ một động cơ đến động cơ tiếp sau, ngay cả đối với các động cơ có cùng một công suất. Để sử dụng các kết quả của TCVN 6852-9 trong chương trình kiểm tra đang sử dụng, nên có mẫu thử thống kê có giá trị của các kết quả của TCVN 6852-9.
Mẫu thử nên xác định tính chất hay thay đổi giữa các công suất trong một họ động cơ và giữa các động cơ khác nhau có cùng một công suất để đáng giá xem một động cơ đang sử dụng là “Tốt” hoặc “xấu”. Thất bại trong việc xác định này có thể làm mất đi độ tin cậy của một chương trình đang sử dụng. Nên thiết kế chương trình sao cho không dẫn đến thất bại đối với một động cơ có mức khói cao hơn mức khói của động cơ thử chứng nhận nhưng vẫn ở trong dung sai sản xuất bình thường.
Cuối cùng nên xem xét tính chất hay thay đổi của phép đo. Cần lưu ý rằng các phép đo đang sử dụng theo các yêu cầu trong tiêu chuẩn này của bộ TCVN 6852 có thể kém chính xác hơn các phép đo trên băng thử theo các yêu cầu của TCVN 6852-9. Do đó, các giá trị giới hạn được xác lập cho chứng nhận/phê duyệt kiểu có thể thấp, không thích hợp cho chương trình đang sử dụng. Các số liệu thử bổ sung thêm là cần thiết để xác định độ dịch chuyển thích hợp, nếu có, giữa hạn khói trên băng thử và giới hạn đang sử dụng.
Cần thấy trước rằng các khó khăn trong quá trình đo sẽ xuất hiện trên các động cơ chỉ có ít xy lanh (một hai và có thể là ba) cấp khói vào một ống xả. Các động cơ có ít xy lanh này sẽ có sự thay đổi đáng kể và áp suất và lưu lượng khí thải làm cho độ chính xác đo giảm đi và tính chất hay thay đổi tăng lên.
Nên tuân thủ các giới hạn được nêu trong các Phụ lục A và Phụ lục B và Phụ lục C. Các phép thử khói bên ngoài các giới hạn này có thể cần đến một chu trình hoặc quy trình đo khác, vấn đề đang nằm trong quá trình kiểm tra độ chính xác của dụng cụ bên ngoài phạm vi kích thước thông thường. Điều này sẽ được xem xét trong các lần xuất bản trong tương lai của phần này của TCVN 6852.
Các chu trình thử khói mô tả trong các Phụ lục A và Phụ lục B và Phụ lục C có thể được vận hành ở hiện trường (nghĩa là với động cơ được lắp đặt trên máy). Các chu trình trong Phụ lục này có liên quan mật thiết với các chu trình tương ứng trong các Phụ lục của TCVN 6852-9.
Chu trình thử mô tả trong Phụ lục A là chu trình tiêu biểu cho các động cơ được sử dụng trong các ứng dụng như đã mô tả trong các chu trình C.1 của TCVN 6852-4. Phạm vi của Phụ lục A được thừa nhận cho công suất định mức đầu ra đến 1500 kW. Việc mở rộng phần này của TCVN 6852 cho các ứng dụng khác đã được sự tính trước thông qua việc phát triển cho các phụ lục bổ sung thêm. Việc mở rộng cho các mức công suất khác (như các thiết bị nhà máy điện) và các ứng dụng khác (như các động cơ có tốc độ không đổi, các tàu thủy hoặc đầu máy lớn) cần có sự nghiên cứu nghiêm túc. Các giới hạn cho các mức tăng tốc (do cỡ kích thước động cơ) bao gồm cả các điều kiện làm việc khác (như khởi động động cơ) cần được xác định rõ thêm. Hơn nữa, một số động cơ có thể được trang bị các hệ thống kiểm soát tốc độ và/hoặc tải để ngăn ngừa động cơ vận hành với các chu trình mô tả trong các Phụ lục A và Phụ lục B và Phụ lục C. Cần thừa nhận rằng các hệ thống kiểm soát này có thể đang có, ít nhất là một phần để kiểm soát khói. Có thể cần đến các quy trình thử đặc biệt dành cho các môi trường này.
Cần lưu ý rằng một phép thử khói đang sử dụng chấp nhận được có thể không thực hiện được trên một số máy nào đó, đặc biệt là các máy có thời gian tăng tốc của động cơ có lắp trên máy lớn hơn 9 x FAT dùng cho động cơ được thử theo TCVN 6852-9.
Có một số trường hợp có thể dẫn đến thất bại cho phép thử khói của động cơ đang sử dụng. Động cơ có thể được áp dụng sai đối với máy, với hệ thống nạp, hệ thống xả hoặc hệ thống làm mát có kích thước nhỏ không đáp ứng các yêu cầu của nhà sản xuất động cơ. Hơn nữa việc bảo dưỡng không đứng hoặc không thường xuyên cũng có thể dẫn đến thất bại của phép thử khói động cơ. Ngoài ra, nhiên liệu đang sử dụng có thể làm cho động cơ có mức khói cao.
MỤC LỤC
Lời nói đầu
1. Phạm vi áp dụng
2. Tài liệu viện dẫn
3. Thuật ngữ và định nghĩa
4. Ký hiệu và đơn vị
5. Điều kiện thử
5.1 .Điều kiện của môi trường thử
5.2. Công suất
5.3. Hệ thống nạp không khí của động cơ
5.4. Hệ thống xả của động cơ
5.5. Động cơ có làm mát không khí nạp
6. Nhiên liệu thử
7. Thiết bị đo và độ chính xác
7.1. Yêu cầu chung
7.2. Điều kiện thử
7.3. Xác định khói
7.4. Độ chính xác
8. Sự hiệu chuẩn khói kế
8.1. Yêu cầu chung
8.2. Quy trình hiệu chuẩn
9. Chạy thử
9.1. Lắp đặt thiết bị đo
9.2. Xác định chiều dài hiệu dụng của đường quang, (LA)
9.3. Kiểm tra khói kế
9.4. Chu trình thử
10. Đánh giá và tính toán các số liệu
10.1. Đánh giá các số liệu
10.2. Thuật toán Bessel
10.3. Hiệu chỉnh theo điều kiện môi trường
10.4. Báo cáo thử
11. Xác định khói
Phụ lục A (Quy định): Chu trình thử cho động cơ có tốc độ thay đổi để lắp trên xe không chạy trên đường bộ
Phụ lục B (quy định): Chu trình thử đối với động cơ đẩy tàu thủy
Phụ lục C (Quy định): Chu trình thử cho các động cơ có tốc độ thay đổi kiểu F (động cơ đầu máy xe lửa)
Phụ lục D (Tham khảo): Nhận xét về các chu trình thử
Bạn chưa Đăng nhập thành viên.
Đây là tiện ích dành cho tài khoản thành viên. Vui lòng Đăng nhập để xem chi tiết. Nếu chưa có tài khoản, vui lòng Đăng ký tại đây!