- Tổng quan
- Nội dung
- Tiêu chuẩn liên quan
- Lược đồ
- Tải về
Tiêu chuẩn quốc gia TCVN 7278-3:2025 Chất chữa cháy - Chất tạo bọt chữa cháy - Phần 3: Yêu cầu kỹ thuật đối với chất tạo bọt chữa cháy độ nở thấp dùng để phun lên bề mặt chất lỏng cháy hòa tan được với nước
| Số hiệu: | TCVN 7278-3:2025 | Loại văn bản: | Tiêu chuẩn Việt Nam |
| Cơ quan ban hành: | Bộ Khoa học và Công nghệ | Lĩnh vực: | Công nghiệp |
| Trích yếu: | Chất chữa cháy - Chất tạo bọt chữa cháy - Phần 3: Yêu cầu kỹ thuật đối với chất tạo bọt chữa cháy độ nở thấp dùng để phun lên bề mặt chất lỏng cháy hòa tan được với nước | ||
|
Ngày ban hành:
Ngày ban hành là ngày, tháng, năm văn bản được thông qua hoặc ký ban hành.
|
01/10/2025 |
Hiệu lực:
|
Đã biết
|
| Người ký: | Đang cập nhật |
Tình trạng hiệu lực:
Cho biết trạng thái hiệu lực của văn bản đang tra cứu: Chưa áp dụng, Còn hiệu lực, Hết hiệu lực, Hết hiệu lực 1 phần; Đã sửa đổi, Đính chính hay Không còn phù hợp,...
|
Đã biết
|
TÓM TẮT TIÊU CHUẨN VIỆT NAM TCVN 7278-3:2025
Tiêu chuẩn quốc gia TCVN 7278-3:2025: Yêu cầu kỹ thuật cho chất tạo bọt chữa cháy độ nở thấp
Tiêu chuẩn quốc gia TCVN 7278-3:2025 về chất chữa cháy - chất tạo bọt chữa cháy đã được ban hành nhằm mục đích quy định những yêu cầu kỹ thuật cần thiết cho chất tạo bọt chữa cháy độ nở thấp. Tiêu chuẩn này hướng đến việc đảm bảo chất lượng và hiệu quả của các chất tạo bọt trong việc kiểm soát và dập tắt các đám cháy liên quan đến chất lỏng có khả năng hòa tan với nước. Tiêu chuẩn này được thông qua vào năm 2025 và được áp dụng thay thế cho phiên bản trước là TCVN 7278-3:2003.
Phạm vi áp dụng: TCVN 7278-3:2025 quy định về các tính chất vật lý và hóa học cần thiết cho chất tạo bọt chữa cháy nhằm kiểm soát và dập tắt đám cháy chất lỏng hòa tan với nước, đồng thời đưa ra hiệu quả dập cháy tối thiểu khi thử nghiệm.
Quy định về phân loại: Chất tạo bọt có thể được phân loại dựa trên hiệu quả dập cháy thành các cấp I hoặc II và theo khả năng chống cháy lại thành các mức A, B hoặc C. Điều này giúp cho việc kiểm soát và lựa chọn chất tạo bọt phù hợp với từng loại đám cháy.
Yêu cầu kỹ thuật: Chất tạo bọt chữa cháy phải đạt yêu cầu về độ nở, thời gian tiết nước, độ nhớt và độ pH. Cụ thể, độ nở của bọt phải nằm trong khoảng từ 1 đến 20, và thời gian tiết nước không được vượt quá các giới hạn cho phép.
Ghi nhãn và bao gói: Các thông tin cần ghi trên bao bì sẽ bao gồm tên nhận biết chất tạo bọt, cấp hiệu quả dập cháy, nồng độ sử dụng khuyến nghị, cũng như các cảnh báo liên quan đến mức độ độc hại và nhiệt độ bảo quản. Điều này có vai trò quan trọng trong việc cung cấp thông tin cho người sử dụng nhằm đảm bảo an toàn trong quá trình sử dụng và bảo quản.
Thử nghiệm hiệu quả dập cháy: Tiêu chuẩn cũng quy định rõ quy trình thử nghiệm dành cho chất tạo bọt chữa cháy nhằm đánh giá hiệu quả dập cháy trong các điều kiện khác nhau, bao gồm cả nước ngọt và nước mặn.
TCVN 7278-3:2025 được ban hành và có hiệu lực từ năm 2025, thay thế hoàn toàn phiên bản TCVN 7278-3:2003. Tiêu chuẩn này đã thiết lập một khung pháp lý rõ ràng cho việc sản xuất, thử nghiệm và sử dụng chất tạo bọt chữa cháy, tạo điều kiện thuận lợi cho việc đảm bảo chất lượng và an toàn trong các hoạt động phòng cháy chữa cháy.
Tải tiêu chuẩn Việt Nam TCVN 7278-3:2025
TIÊU CHUẨN QUỐC GIA
TCVN 7278-3:2025
CHẤT CHỮA CHÁY - CHẤT TẠO BỌT CHỮA CHÁY - PHẦN 3: YÊU CẦU KỸ THUẬT ĐỐI VỚI CHẤT TẠO BỌT CHỮA CHÁY ĐỘ NỞ THẤP DÙNG ĐỂ PHUN LÊN BỀ MẶT CHẤT LỎNG CHÁY HÒA TAN ĐƯỢC VỚI NƯỚC
Fire extinguishing media - Foam concentrates - Part 3: Specification for low expansion foam concentrates for top application to water - miscible liquids
Lời nói đầu
TCVN 7278-3:2025 thay thế TCVN 7278-3:2003 (ISO 7203-3:1999);
TCVN 7278-3:2025 hoàn toàn tương đương ISO 7203-3:2019;
Bộ TCVN 7278 (ISO 7203) Chất chữa cháy - Chất tạo bọt chữa cháy ngoài TCVN 7278-3 còn các phần sau:
TCVN 7278-1 (ISO 7203-1) Chất chữa cháy - Chất tạo bọt chữa cháy - Phần 1: Yêu cầu kỹ thuật đối với chất tạo bọt chữa cháy độ nở thấp dùng phun lên bề mặt chất lỏng cháy không hòa tan được với nước.
TCVN 7278-2 (ISO 7203-2) chất Chữa cháy - Chất tạo bọt chữa cháy - Phần 2: Yêu cầu kỹ thuật đối với chất tạo bọt chữa cháy độ nở trung bình và cao dùng phun lên bề mặt chất lỏng không hòa tan được với nước.
CHẤT CHỮA CHÁY - CHẤT TẠO BỌT CHỮA CHÁY - PHẦN 3: YÊU CẦU KỸ THUẬT ĐỐI VỚI CHẤT TẠO BỌT CHỮA CHÁY ĐỘ NỞ THẤP DÙNG ĐỂ PHUN LÊN BỀ MẶT CHẤT LỎNG CHÁY HÒA TAN ĐƯỢC VỚI NƯỚC
Fire extinguishing media - Foam concentrates - Part 3: Specification for low expansion foam concentrates for top application to water - miscible liquids
1. Phạm vi áp dụng
Tiêu chuẩn này quy định các tính chất và hiệu quả cần thiết của chất tạo bọt chữa cháy dạng lỏng dùng để tạo ra bọt chữa cháy độ nở thấp nhằm kiểm soát, dập tắt và ngăn chặn việc cháy lại của các đám cháy chất lỏng cháy hòa tan được với nước. Tiêu chuẩn này quy định hiệu quả dập cháy tối thiểu khi thử nghiệm với đám cháy thử.
Các chất tạo bọt chữa cháy này thích hợp cho việc sử dụng phun lên bề mặt chất lỏng cháy hòa tan được với nước. Chúng cũng phải tuân thủ theo TCVN 7278-1 (ISO 7203-1), thích hợp cho việc phun lên bề mặt đám cháy chất lỏng cháy không hòa tan được với nước.
Chất tạo bọt chữa cháy có thể thích hợp với việc sử dụng vòi phun không hút hoặc phun từ phía dưới lên bề mặt đám cháy chất lỏng cháy, nhưng tiêu chuẩn này không quy định các yêu cầu riêng cho các cách sử dụng này.
2. Tài liệu viện dẫn
Các tài liệu viện dẫn sau đây rất cần thiết cho việc áp dụng tiêu chuẩn này. Đối với các tài liệu viện dẫn ghi năm công bố thì áp dụng phiên bản được nêu. Đối với các tài liệu viện dẫn không ghi năm công bố thì áp dụng phiên bản mới nhất, bao gồm cả các sửa đổi (nếu có).
TCVN 3171 (ASTM D 445 -11) Sản phẩm dầu mỏ - Xác định độ nhớt động học và độ nhớt động học quy đổi.
TCVN 4878: 2009 (ISO 3941:2007) Phòng cháy và chữa cháy - Phân loại cháy.
TCVN 7278-1: 2024 (ISO 7203-1:2019) Chất chữa cháy- Chất tạo bọt chữa cháy - Phần 1: Yêu cầu kỹ thuật đối với chất tạo bọt chữa cháy độ nở thấp dùng phun lên bề mặt chất lỏng cháy không hòa tan được với nước.
TCVN 10865 - 1 (ISO 3506-1) Cơ tính của các chi tiết lắp xiết bằng thép không gỉ chịu ăn mòn - Phần 1: Bulông, vít và vít cấy.
ISO 3219 Plastics - Polymers/resins in the liquid State or as emulsions or dispersions - Determination of viscosity using a rotational viscometer with defined shear rate. (Chất dẻo - Polyme / nhựa ở trạng thải lỏng hoặc ở dạng nhũ tương hoặc chất phân tán - Xác định độ nhớt bằng cách sử dụng nhớt kế quay với tốc độ cắt xác định).
ISO 3310-1 Test sieves-Technical requirement and testing - Part 1: Test sieves of metal wire cloth (Rây thử - Yêu cầu kỹ thuật và phương pháp thử - Phần 1: Rây thử bằng sợi kim loại).
ISO 3734 Crude petroleum and fuel oils - Determination of water and sediment - Centrifuge method (Dầu thô và dầu nhiên liệu - Xác định nước và cặn - Phương pháp ly tâm).
BS 5117: 1989 Testing corrosion inhibiting, engien coolant concentrate (antifreeze) - Part 1: Methods of test for determination of physical and chemical properties - Section 1.3: Determination of freezing point. (Thử hạn chế ăn mòn dung dịch làm nguội động cơ (chống đông) - Phần 1: Phương pháp thử để xác định tính chất vật lý và hóa học - Phần 1.3: Xác định điểm đông đặc).
3. Thuật ngữ và định nghĩa
Tiêu chuẩn này sử dụng các thuật ngữ và định nghĩa sau đây:
3.1.
Giá trị đặc trưng (characteristic values)
Giá trị do người cung cấp chất tạo bọt công bố về các tính chất vật lý và hóa học cũng như tính năng của bọt, dung dịch bọt và chất tạo bọt.
3.2.
Thời gian tiết nước 25% (25% drainage time)
Thời gian tiết 25% lượng chất lỏng trong bọt.
3.3.
Độ nở (expansion)
Tỷ số giữa thể tích bọt được tạo thành và thể tích dung dịch tạo bọt.
3.4.
Độ nở thấp (low - expansion)
Độ nở trong phạm vi từ 1 đến 20, khi áp dụng cho bọt và các thiết bị, hệ thống và chất tạo bọt chữa cháy liên quan.
3.5.
Độ nở trung bình (medium - expansion)
Độ nở trong khoảng từ 21 đến 200, áp dụng cho bọt và các thiết bị, hệ thống và chất tạo bọt chữa cháy liên quan.
3.6.
Độ nở cao (high - expansion)
Độ nở lớn hơn 200, khi áp dụng cho bọt và các thiết bị, hệ thống và chất tạo bọt chữa cháy liên quan.
3.7.
Bọt chữa cháy (firefighting foam)
Tập hợp các bong bóng chứa đầy không khí được hình thành từ dung dịch nước của chất tạo bọt chữa cháy thích hợp.
3.8.
Chất tạo bọt (foam concentrate)
Hóa chất dạng lỏng khi trộn với nước theo nồng độ thích hợp thì tạo ra dung dịch tạo bọt.
3.9.
Chất tạo bọt protein (protein foam concentrate)
P
Chất tạo bọt có nguồn gốc từ nguyên liệu protein thủy phân.
3.10.
Chất tạo bọt flo-protein (fluoroprotein foam concentrate)
FP
Chất tạo bọt protein được cho thêm chất hoạt động bề mặt được flo hóa.
3.11.
Chất tạo bọt tổng hợp (synthetic foam concentrate)
S
Chất tạo bọt trên cơ sở hỗn hợp của chất hoạt động bề mặt hydrocacbon và chất chứa flocacbon có bổ sung chất ổn định.
3.12.
Chất tạo bọt kháng cồn (alcohol - resistant foam concentrate)
AR
Chất tạo bọt có độ bền chống phân hủy khi sử dụng trên bề mặt alcohol hoặc các dung môi phân cực khác.
3.13.
Chất tạo bọt tạo màng nước (aqueous film - forming foam concentrate)
AFFF
Chất tạo bọt trên cơ sở hỗn hợp của hydrocacbon và chất hoạt động bề mặt được flo hóa có khả năng tạo màng nước trên bề mặt của một số hydrocacbon.
3.14.
Chất tạo bọt flo-protein tạo màng (film - forming fluoroprotein concentrate)
FFFP
Chất tạo bọt fluoroprotein có khả năng tạo màng nước trên bề mặt của một số hydrocarbons.
3.15.
Dung dịch tạo bọt (foam solution)
Dung dịch của chất tạo bọt và nước.
3.16.
Phun mạnh (forceful application)
Phun bọt trực tiếp lên bề mặt của nhiên liệu lỏng.
3.17.
Phun nhẹ (gentle application)
Phun bọt gián tiếp lên bề mặt nhiên liệu lỏng thông qua ván thành thùng chứa hoặc bề mặt khác.
3.18.
Cặn (sediment)
Các hạt không hòa tan được trong chất tạo bọt.
3.19.
Hệ số lan truyền (spreading coefficient)
Số đo khả năng của một chất lỏng tự lan truyền qua bề mặt chất lỏng khác.
3.20.
Nhiệt độ sử dụng (temperature for use)
Nhiệt độ lớn nhất và nhỏ nhất của chất tạo bọt được sử dụng đã được nhà sản xuất công bố.
3.21.
Chất tạo bọt không chứa flo - F3 (fluorine - free foam concentrate - F3)
Chất tạo bọt F3 không tạo thành màng trên nhiên liệu hydrocarbon, chủ yếu sử dụng cho đám cháy Loại B khi phun mạnh và không chứa bất kỳ hóa chất fluoro nào.
3.22.
Chất tạo bọt chữa cháy loại A (Class A foam concentrate)
Chất tạo bọt để sử dụng cho đám cháy loại A.
3.23.
Đám cháy loại A (Class A foam concentrate)
Đám cháy liên quan đến các vật liệu rắn, thường có bản chất hữu cơ, trong đó quá trình cháy thường diễn ra với sự hình thành than hồng phát sáng.
CHÚ THÍCH 1: Phù hợp với TCVN 4878: 2009 (ISO 3941:2007), Điều 2.
CHÚ THÍCH 2: Đám cháy loại A liên quan đến các vật liệu rắn, thường có nguồn gốc hữu cơ (như thực vật, gỗ, vải và giấy), cao su và một số loại nhựa, trong đó quá trình cháy có thể xảy ra ở bề mặt hoặc bên dưới bề mặt của vật liệu, có hoặc không có sự hình thành của than hồng.
4. Phân loại và ứng dụng của chất tạo bọt chữa cháy
4.1. Phân loại
Tùy theo thử nghiệm hiệu quả dập cháy (xem Điều 10), chất tạo bọt được phân loại thành:
- Theo hiệu quả dập cháy thành cấp I, II;
- Theo khả năng chống cháy lại thành mức A, B hoặc C.
4.2. Sử dụng với nước mặn
Nếu chất tạo bọt chữa cháy được ghi nhãn là thích hợp để sử dụng với nước mặn, thì nồng độ khuyến nghị khi sử dụng với nước ngọt và nước mặn phải như nhau.
5. Độ ổn định khi đông đặc và hoá lỏng
Trước và sau khi ổn định phù hợp với A.2, chất tạo bọt chữa cháy, nếu được người cung cấp xác nhận là không bị tác động có hại bởi đông đặc và hóa lỏng, phải không nhìn thấy được dấu hiệu của việc phân tầng và không đồng nhất, khi thử theo phụ lục B.
Chất tạo bọt chữa cháy tuân theo điều này phải được thử nghiệm theo đúng các yêu cầu tương ứng trong các điều khác của tiêu chuẩn này sau khi đông đặc và hóa lỏng phù hợp với A.2.
6. Cặn trong chất tạo bọt chữa cháy
6.1. Cặn trước khi già hóa
Bất kỳ cặn nào trong chất tạo bọt được chuẩn bị theo A.1 phải có khả năng lọt qua rây 180 μm và tỷ lệ phần trăm thể tích của cặn không được vượt quá 0,25% khi thử theo phụ lục C.
6.2. Cặn sau khi già hóa
Bất kỳ cặn nào trong chất tạo bọt được già hóa theo C.1 phải có khả năng lọt qua rây 180 μm và tỷ lệ phần trăm thể tích của cặn không được vượt quá 1,0% khi thử theo phụ lục C.
7. Xác định độ nhớt
7.1. Chất tạo bọt chữa cháy Newton
Độ nhớt của chất tạo bọt ở nhiệt độ sử dụng thấp nhất do nhà sản xuất công bố phải tuân theo TCVN 3171 (ISO 3104). Nếu độ nhớt lớn hơn 200 mm2s-1, thùng chứa phải được ghi nhãn như sau: "chất tạo bọt này có thể yêu cầu thiết bị định lượng đặc biệt”.
7.2. Chất tạo bọt chữa cháy giả dẻo
Độ nhớt của chất tạo bọt chữa cháy phải được xác định theo Phụ lục D. Nếu độ nhớt ở nhiệt độ sử dụng thấp nhất lớn hơn hoặc bằng 120 mPa *s ở 375 s-1, thùng chứa phải được ghi nhãn như sau: “chất tạo bọt này có thể yêu cầu thiết bị định lượng đặc biệt”.
CHÚ THÍCH: Chất tạo bọt chữa cháy giả dẻo là một loại đặc biệt của chất lỏng phi Newton và có độ nhớt giảm khi tốc độ cắt tăng ở nhiệt độ không đổi.
8. Độ pH của chất tạo bọt chữa cháy
8.1. Giới hạn độ pH
Độ pH của chất tạo bọt chữa cháy trước và sau ổn định phù hợp với A.2, không được nhỏ hơn 6,0 và không được lớn hơn 8,5 ở (20 ± 2) °C.
8.2. Độ nhạy với nhiệt độ
Sự chênh lệch độ pH trước và sau khi ổn định chênh nhau không quá 1,0 đơn vị.
9. Độ nở và độ tiết nước của bọt
9.1. Tổng quát
Một trong các phép thử sau đây phải được tiến hành hai lần với nước ngọt, hai lần với nước mặn tổng hợp nếu thích hợp và giá trị trung bình của cả hai loạt thử nghiệm phải được ghi lại.
9.2. Giới hạn độ nở
Bọt được tạo thành từ chất tạo bọt với nước ngọt, trước và sau khi ổn định theo A.2 và theo F.2.4 nếu thích hợp với nước mặn tổng hợp, phải có độ nở trung bình trong khoảng ± 20% của giá trị đặc trưng hoặc ±1,0 của giá trị đặc trưng thì lấy giá trị nào lớn hơn, khi thử theo phụ lục E.4.
9.3. Giới hạn độ tiết nước
Bọt được tạo thành từ chất tạo bọt với nước ngọt, trước và sau khi ổn định theo A.2 và theo F.2.4 nếu thích hợp với nước mặn tổng hợp, phải có thời gian tiết nước 25% trong khoảng ± 20% giá trị đặc trưng, khi thử theo phụ lục E.4.
10. Thử nghiệm hiệu quả dập cháy
Bọt được tạo ra từ dung dịch chất tạo bọt chữa cháy được lấy mẫu theo Phụ lục B với nồng độ được nhà cung cấp khuyến nghị cùng với nước ngọt, và với nồng độ tương tự với nước mặn tổng hợp theo G.4 nếu phù hợp, phải có cấp hiệu quả dập cháy và mức độ chống cháy lại như được quy định trong Bảng 1, khi được thử nghiệm theo G.1 và G.2.
Bảng 1- Cấp hiệu quả dập cháy và mức độ chống cháy lại
Thời gian tính bằng phút
| Cấp hiệu quả dập cháy | Mức chống cháy lại | Thời gian dập tắt, không lớn hơn | Thời gian cháy lại 25% không nhỏ hơn |
| I | A | 3 | 15 |
| B | 3 | 10 | |
| C | 3 | 5 | |
| II | A | 5 | 15 |
| B | 5 | 10 | |
| C | 5 | 5 | |
| CHÚ THÍCH 1: Các giá trị thu được với nước mặn có thể khác với các giá trị thu được với nước ngọt CHÚ THÍCH 2: Phụ lục mô tả một thử nghiệm dập đám cháy quy mô nhỏ có thể phù hợp cho mục đích kiểm soát chất lượng. CHÚ THÍCH 3: Thời gian dập tắt là khoảng thời gian từ khi bắt đầu phun bọt lên bề mặt nhiên liệu đến thời điểm tất cả ngọn lửa được dập tắt. CHÚ THÍCH 4: Thời gian cháy trở lại 25 % là khoảng thời gian từ khi đốt cháy nồi cháy lại cho đến khi 25 % khay được bao phủ, duy trì bởi ngọn lửa. CHÚ THÍCH 5: Tất cả các cấp hiệu quả dập cháy và mức chống cháy trở lại đều dựa trên thử nghiệm phun nhẹ | |||
11. Ghi nhãn, bao gói và bảng thông số kỹ thuật
11.1. Ghi nhãn
11.1.1. Thông tin sau đây phải được đánh dấu trên thùng chứa hàng:
a) Ký hiệu (tên nhận biết) của chất tạo bọt và dòng chữ “Chất tạo bọt chữa cháy độ nở thấp”;
b) Cấp hiệu quả dập cháy (I hoặc II) và mức chống cháy lại (A, B hoặc C) của chất tạo bọt chữa cháy và chữ “tạo màng” nếu chất tạo bọt chữa cháy phù hợp với điều 11;
c) Nồng độ sử dụng khuyến nghị (thường là 1 %, 3 % hoặc 6 %);
d) Bất kỳ xu hướng nào của chất tạo bọt gây ra các ảnh hưởng có hại cho người, các phương pháp quy định để tránh các ảnh hưởng đó và các biện pháp cấp cứu nếu chúng xảy ra;
e) Nhiệt độ bảo quản và nhiệt độ sử dụng khuyến nghị;
f) Dòng chữ “không bị tác động bởi đông đặc và hóa lỏng” nếu chất tạo bọt phù hợp với Điều 5, hoặc dòng chữ “không được làm đông đặc” nếu chất tạo bọt không phù hợp với Điều 5;
g) Khối lượng danh nghĩa trong thùng chứa;
h) Tên và địa chỉ của nhà cung cấp;
i) Số lô;
j) Dòng chữ “không thích hợp sử dụng với nước mặn” hoặc “thích hợp sử dụng với nước mặn”.
CẢNH BÁO - Việc chất tạo bọt chữa cháy sau khi pha loãng với nước theo nồng độ khuyến nghị và sử dụng trong điều kiện bình thường, không gây ra mối nguy hại đáng kể về độc tính đối với sự sống và môi trường là điều hết sức quan trọng.
Nhiệt độ bảo quản và nhiệt độ sử dụng khuyến nghị là giống nhau nếu sản phẩm được ghi nhãn “không được để đông".
Bao bì của chất tạo bọt chữa cháy phải duy trì được các đặc tính thiết yếu của chất tạo bọt chữa cháy trong quá trình lưu trữ và vận chuyển theo đúng hướng dẫn của nhà cung cấp.
11.1.2. Nhãn hiệu trên các thùng chửa vận chuyển phải bền và dễ nhận biết.
11.1.3. Khuyến nghị nên nhận dạng thích hợp đối với các loại chất tạo bọt phi Newton.
11.1.4. Chất tạo bọt chữa cháy đáp ứng theo tiêu chuẩn này nếu cũng phù hợp theo tiêu chuẩn TCVN 7278-2 thì phải được ghi nhãn là “độ nở trung bình” hoặc “độ nở cao” hoặc cả hai.
11.1.5. Chất tạo bọt chữa cháy đáp ứng theo tiêu chuẩn này phải được ghi nhãn là “kháng cồn”.
11.2. Bao gói
Việc đóng gói sản phẩm chất tạo bọt phải đảm bảo các đặc tính cơ bản của bọt được giữ nguyên khi bảo quản và xử lý theo khuyến nghị của nhà cung cấp.
11.3. Bảng thông số kỹ thuật
11.3.1. Nếu người sử dụng yêu cầu, nhà cung cấp phải cung cấp danh sách các giá trị đặc trưng.
11.3.2. Chất tạo bọt chữa cháy Newton có độ nhớt ở nhiệt độ sử dụng thấp nhất lớn hơn 200 mm2s-1 phải được ghi nhãn “chất tạo bọt này có thể yêu cầu thiết bị định lượng đặc biệt”.
11.3.3. Chất tạo bọt chữa cháy giả dẻo có độ nhớt ở nhiệt độ sử dụng thấp nhất lớn hơn hoặc bằng 120mPa*s ở 375 s-1, thùng chứa phải được ghi nhãn ghi nhãn "chất tạo bọt này có thể yêu cầu thiết bị định lượng đặc biệt”.
11.3.4. Khuyến nghị rằng các chất tạo bọt chữa cháy giả dẻo nên được xác định một cách thích hợp.
Phụ lục A
(Quy định)
Lấy mẫu sơ bộ và ổn định chất tạo bọt
A.1. Lấy mẫu sơ bộ
Phương pháp lấy mẫu phải đảm bảo lấy được các mẫu đại diện, bất kể được lấy từ thùng chứa lớn hay từ một số can riêng lẻ.
Bảo quản mẫu trong thùng chứa hoàn toàn kín.
CHÚ THÍCH: Các thùng có dung tích 20 lít là phù hợp.
A.2. Ổn định chất tạo bọt chữa cháy
A.2.1. Nếu nhà cung cấp xác nhận rằng việc đông đặc và hóa lỏng không ảnh hưởng xấu đến chất tạo bọt thì ổn định mẫu chất tạo bọt qua bốn chu kỳ đông đặc và hóa lỏng như mô tả trong B.2, trước khi ổn định theo A.2.2.
Nếu chất tạo bọt chữa cháy bị ảnh hưởng xấu bởi việc đông đặc và hoá lỏng, nó phải được ổn định theo A.2.2 mà không cần đông đặc và hoá lỏng trước.
A.2.2. Ổn định chất.tạo bọt trong thùng chứa bịt kín trong 7 ngày ở (60 ± 2)°C, tiếp theo trong 1 ngày ở (20 ± 5)°C.
A.3. Thử tiếp theo
Mẫu thử phải được chuẩn bị theo A.1, hoặc A.2.1 và A.2.2 tùy thuộc vào trường hợp. Lắc thùng chứa trước khi lấy mẫu cho các thử nghiệm tiếp theo.
Phụ lục B
(Quy định)
Xác định độ ổn định khi đông đặc và hoá lỏng
B.1. Thiết bị thử
Thiết bị phòng thí nghiệm thông thường và, đặc biệt, các thiết bị sau đây:
B.1.1. Buồng đông đặc, có khả năng đạt được nhiệt độ yêu cầu trong B.2.
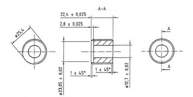
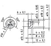
B.1.2. Ống, polyethylene, đường kính khoảng 10 mm, dài khoảng 400 mm được bịt kín một đầu và gắn vật nặng, gắn các miếng đệm thích hợp (tham khảo kiểu điển hình tại Hình B.1).
B.1.3. Bình đo, bằng thủy tinh, dung tích 500 ml, cao khoảng 400 mm và đường kính khoảng 65 mm, có nút đậy.
B.2. Quy trình
Đặt nhiệt độ trong buồng đông đặc thấp hơn điểm đông đặc của mẫu được đo phù hợp với BS 5117, tại 1.3 (trừ 5.2) là 10 °C.
Để ngăn ngừa bình đo bằng thủy tinh bị vỡ do sự giãn nở của chất tạo bọt chữa cháy khi đông đặc, lồng một ống (B.1.2) vào bình đo với một đầu bịt kín ở phía dưới, được làm nặng nếu cần thiết để chống nổi, các miếng đệm đảm bảo giữ chúng hầu như ở trên đường tâm của bình đo. Đổ đầy bình và đậy nút.
Đặt bình đo vào buồng, làm lạnh và giữ ở nhiệt độ quy định trong 24 h. Khi kết thúc chu kỳ này, để tan mẫu ở nhiệt độ phòng (20±5) °C trong thời gian không ít hơn 24 h và không nhiều hơn 96 h.
Lặp lại ba lần để đạt được bốn chu kỳ đông đặc và hóa lỏng trước khi thử.
Kiểm tra mẫu về việc phân tầng và độ không đồng nhất.
Kích thước danh nghĩa tính bằng milimét

CHÚ DẪN
S: Các miếng đệm (ví dụ băng chất dẻo);
W: Vật nặng ở đầu bịt kín.
Hình B.1 - Kiểu điển hình của ống polyetylen
Phụ lục C
(Quy định)
Xác định tỷ lệ cặn
C.1. Lấy mẫu
Sử dụng mẫu được chuẩn bị theo A.1. Đảm bảo rằng bất kỳ cặn nào được phân tán bằng cách khuấy trộn thùng chứa mẫu. Lấy hai mẫu, thử nghiệm một mẫu ngay sau khi lấy và mẫu còn lại sau khi lão hóa trong (24 ± 2) h ở (60 ± 2) °C trong bình chứa được nạp đầy và không có đường không khí vào.
C.2. Thiết bị
Thiết bị phòng thí nghiệm thông thường và, đặc biệt, các thiết bị sau đây:
C.2.1. Ống máy ly tâm chia độ.
C.2.2. Máy ly tâm, hoạt động ở (6000 ± 600) m/s2.
CHÚ THÍCH: Máy ly tâm và ống theo tiêu chuẩn ISO 3734 là phù hợp.
C.2.3. Rây, kích thước lỗ danh nghĩa 180 pm, phù hợp với ISO 3310-1.
C.2.4. Bình rửa bằng nhựa.
C.3. Tiến hành thử
Ly tâm từng mẫu của chất tạo bọt trong (10 ± 1) min. Xác định thể tích của cặn và ghi lại như là phần trăm thể tích của mẫu được ly tâm.
Rửa các chất chứa trong ống ly tâm (C.2.1) phía trên rây (C.2.3) và kiểm tra xem cặn có thể hoặc không thể phân tán qua rây bởi tia nước từ bình rửa bằng nhựa (C.2.4).
Phụ lục D
(Quy định)
Xác định độ nhớt cho chất tạo bọt chữa cháy giả dẻo
D.1. Tổng quan
Phụ lục này quy định quy trình xác định độ nhớt đối với chất tạo bọt chữa cháy giả dẻo. Quy trình được mô tả trong ISO 3219.
CHÚ THÍCH: Chất tạo bọt chữa cháy giả dẻo là một loại đặc biệt của chất lỏng phi Newton và có độ nhớt giảm khi tốc độ cắt tăng ở nhiệt độ không đổi.
D.2. Xác định độ nhớt
D.2.1. Thiết bị thử và vật liệu
Thiết bị phòng thí nghiệm thông thường và, đặc biệt, các thiết bị sau đây:
D.2.1.1. Máy đo độ nhớt quay, theo ISO 3219, với các thông số sau:
- Ứng suất cắt lớn nhất ≥ 75 Pa;
- Tốc độ cắt tối đa ≥ 600/s.
Máy đo độ nhớt phải được lắp bộ phận kiểm soát nhiệt độ để có thể duy trì nhiệt độ mẫu trong khoảng ± 1 °C so với nhiệt độ yêu cầu.
D.2.2. Nhiệt độ thử nghiệm
Độ nhớt của chất tạo bọt chữa cháy phải được đo từ 20 °C trở xuống và bao gồm cả nhiệt độ thấp nhất để sử dụng do nhà sản xuất công bố, với gia số là 10 °C. Sử dụng một mẫu mới cho mỗi nhiệt độ thử nghiệm.
D.2.3. Đo độ nhớt
Nếu mẫu chứa các bọt khí lơ lửng thì mẫu phải được ly tâm trong 10 min bằng thiết bị quy định trong C.2.1 và C.2.2 trước khi cho mẫu vào thiết bị.
Thử nghiệm cần được thực hiện theo quy trình thử nghiệm sau đây.
a) Điều chỉnh bộ điều khiển nhiệt độ.
b) Đặt khoảng cách.
c) Áp dụng mẫu.
d) Chờ ít nhất 10 min (không cắt) để đạt đến trạng thái cân bằng nhiệt độ.
e) Cắt trước trong 1 min ở tốc độ 600/s.
f) Chờ 1 min mà không cắt.
g) Đo ứng suất cắt trong 10 s ở mỗi tốc độ cắt, bắt đầu từ tốc độ cắt thấp nhất (tốt nhất là 75/s).
Đo ứng suất cắt ở tám tốc độ cắt khác nhau trong phạm vi từ 0/s đến 600/s, ví dụ: 75/s, 150/s, 225/s, 300/s, 375/s, 450/s, 525/s và 600/s. Tính độ nhớt biểu kiến, v, được biểu thị bằng milipascal x giây, như công thức dưới đây (D.1):

Trong đó:
S1 là ứng suất cắt, tính bằng pascal;
S2 là tốc độ cắt, tính bằng nghịch đảo thời gian (s-1).
D.2.4. Kết quả
Báo cáo kết quả dưới dạng bảng bao gồm nhiệt độ thử nghiệm tính bằng °C, tốc độ cắt tính bằng giây nghịch đảo, ứng suất cắt tính bằng giây nghịch đảo, và độ nhớt biểu kiến tính bằng milipascal-s.
Phụ lục E
(Quy định)
Xác định độ nở và thời gian tiết nước
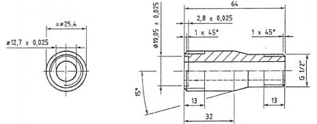
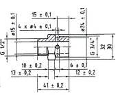
E.1. Thiết bị
Thiết bị phòng thí nghiệm thông thường và, đặc biệt, các thiết bị sau đây:
E.1.1. Bình thu bằng chất dẻo, dung tích đã cho ±1%, được lắp với bộ phận xả đáy, như Hình E.1.
E.1.2. Bộ phận thu chất tạo bọt, dùng để đo độ nở và độ tiết nước, như chỉ ra trên hình E.2; Thép không gỉ, nhôm, đồng thau và chất dẻo là các vật liệu thích hợp làm bề mặt thu.
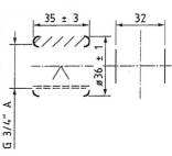
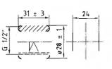
E.1.3. Lăng tạo bọt, như hình E.3, mà khi thử với nước có lưu lượng 11,4 L/min ở áp suất lăng (6,3±0,3) bar.
E.1.4. Bình chứa dung dịch chất tạo bọt, được nối với lăng tạo bọt.
E.2. Điều kiện nhiệt độ
Tiến hành thử ở điều kiện nhiệt độ sau đây:
Nhiệt độ không khí (20 ± 5)°C.
Nhiệt độ dung dịch bọt (17,5 ± 2,5) °C.
E.3. Cách tiến hành
Kiểm tra xem các ống và vòi từ bình chứa dung dịch tạo bọt (E.1.4) đến lăng tạo bọt (E.1.3) có chứa đầy dung dịch không. Đặt lăng tạo bọt nằm ngang, đối diện bộ phận thu chất tạo bọt (E.1.2), ở phía trước lăng tạo bọt (3±0,3) m tính từ mép trên của bộ phận thu. Làm ướt bên trong bình thu (E.1.1) và cân bình (m1). Bật lăng tạo bọt và điều chỉnh áp suất lăng để có lưu lượng 11,4 L/min. Phun chất tạo bọt và điều chỉnh độ cao của đầu phun sao cho dòng phun vào trung tâm bộ phận thu. Giữ lăng ở vị trí nằm ngang. Dừng phun chất tạo bọt và rửa sạch tất cả chất tạo bọt ra khỏi bộ phận thu. Kiểm tra xem bình chứa dung dịch chất tạo bọt có đầy không. Phun chất tạo bọt và sau (30 ± 5) s để sự phun ổn định, đặt bình thu, với đầu phun ra bị khóa, phía dưới bộ phận thu. Ngay sau khi bình thu đầy, chuyển bình khỏi bộ phận thu, gạt mức bề mặt bọt ngang bằng miệng bình và đậy lại, Cân toàn bộ bình m2
Tính độ nở E theo phương trình:
![]()
Trong đó:
V là thể tích của bình thu (E.1.1), tính bằng lít;
m1 là khối lượng của bình thu rỗng, tính bằng kilôgam;
m2 là khối lượng của bình thu chứa đầy bọt, tính bằng kilôgam. Thừa nhận tỷ trọng của dung dịch bọt là 1,0 kg/l.
Mở cơ cấu làm tiết nước (xem E.1.1) và lấy dung dịch chất tạo bọt trong bình đo để đo thời gian tiết nước 25%. Điều chỉnh cơ cấu tiết nước sao cho dung dịch chất tạo bọt được tiết nước có thể chảy ra ngoài trong khi ngăn chất tạo bọt truyền qua.
CHÚ THÍCH: Điều này có thể đạt được bằng cách kiểm tra mức của bề mặt phân giới chất lỏng/chất tạo bọt trong ống chất dẻo ở đầu ra.
Kích thước danh nghĩa tính bằng milimét

Góc đáy danh nghĩa của lọ là 110°
CHÚ DẪN:
1. Bình tiết nước;
2. Giá đỡ;
3. Ống trong suốt, dài 30 mm đến 50 mm, đường kính lỗ 6 mm đến 8 mm;
4. Khóa đầu xả;
5. Ống đo.
Hình E.1 - Bình thu để xác định độ nở và thời gian tiết nước
Kích thước danh nghĩa tính bằng milimét

CHÚ DẪN:
1. Lọ thu nước tiết ra.
Hình E.2 - Bộ phận thu bọt để đo độ nở và độ tiết nước
E.4. Nước mặn tổng hợp
Chuẩn bị nước mặn tổng hợp bằng cách hoàn tan các thành phần được liệt kê trong bảng E.1
Bảng E.1 - Thành phần của nước mặn tổng hợp
| % khối lượng | Thành phần | Công thức hoá học |
| 2,5 | Natri clorua | NaCI |
| 1,10 | Magiê clorua hexahydrat | MgCI2. 6H2O |
| 0,16 | Canxi clorua dihydrat | CaCI2.2H2O |
| 0,40 | Natri sunfat | Na2SO4 |
| 95,84 | Nước | - |
Kích thước tính bằng milimét

a) Bản vẽ lắp ráp
Hình E.3 - Lăng tạo bọt
Kích thước tính bằng milimét trừ khi có quy định khác
|
|
|
|
| b.1) Chi tiết 1 | b.2) Chi tiết 2 | b.3) Chi tiết 3 |
CHÚ DẪN: Các con số ở dưới mỗi hình biểu thị cho con số trong Hình phụ.a) của Hình F.3
b) Các chi tiết
Hình E.3 - Lăng tạo bọt (tiếp theo)
|
|
|
|
|
| b.4) Chi tiết 4 | b.5) Chi tiết 5 | b.6) Chi tiết 6 | b.7) Chi tiết 7 |

b.8) Chi tiết 8
|
|
|
|
| b.9) Chi tiết 9 | b.10) Chi tiết 10 | b.11) Chi tiết 11 |
b) Các chi tiết
Hình E.3 - Lăng tạo bọt (kết thúc)
Phụ lục F
(Quy định)
Xác định hiệu quả dập cháy
F.1. Tổng quan
Phụ lục này quy định quy trình xác định hiệu quả dập cháy đối với các chất tạo bọt chữa cháy có độ giãn nở thấp. Các phép thử được mô tả trong phụ lục này đắt hơn và tốn nhiều thời gian hơn so với các phép thử khác trong tiêu chuẩn này. Lưu ý rằng chúng được tiến hành ở cuối chương trình thử để tránh chi phí không cần thiết trong việc thử nghiệm của chất tạo bọt mà nó không đáp ứng các yêu cầu khác.
F.2. Điều kiện chung
F.2.1. Loạt thử nghiệm
F.2.1.1. Đối với chất tạo bọt không thích hợp với nước mặn
Tiến hành một thử nghiệm với nước ngọt bằng propan-2-one (acetone) và một thử nghiệm với nước ngọt bằng propan-2-ol (iso propanol, isopropyl, IPA). Nếu cả 2 thử nghiệm đều đạt hoặc cả 2 thử nghiệm đều không đạt, kết thúc thử nghiệm. Nếu một thử nghiệm không đạt, lặp lại thử nghiệm.
Chất tạo bọt chữa cháy đáp ứng Điều 10 nếu hai thử nghiệm đầu tiên thành công, hoặc nếu một trong hai thử nghiệm đầu tiên thành công và thử nghiệm lặp lại thành công.
F.2.1.2. Đối với chất tạo bọt thích hợp với nước mặn (xem Hình F.1)
Thực hiện một thử nghiệm với nước ngọt trên propan-2-one (acetone), và một thử nghiệm với nước ngọt trên propan-2-ol (isopropanol, rượu isopropyl, IPA).
Nếu cả hai thử nghiệm đều thành công, hãy thực hiện một thử nghiệm với nước mặn tổng hợp theo E.4 trên propan-2-one (acetone), và một thử nghiệm với nước mặn tổng hợp theo E.4 trên propan-2-ol (isopropanol, rượu isopropyl, IPA).
Nếu tất cả các thử nghiệm đều thành công, hãy kết thúc chuỗi thử nghiệm.
Nếu một trong các thử nghiệm nước ngọt không thành công, lặp lại thử nghiệm đó. Nếu một trong các thử nghiệm nước mặn tổng hợp không thành công, lặp lại thử nghiệm đó.
Chất tạo bọt chữa cháy đáp ứng Điều 10 nếu tất cả bốn thử nghiệm đều thành công hoặc, trong trường hợp một trong các thử nghiệm nước ngọt không thành công và/hoặc một trong các thử nghiệm nước mặn tổng hợp không thành công, nhưng các thử nghiệm lặp lại thành công.

Hình F.1 - Chương trình thử nghiệm chất tạo bọt thích hợp với nước mặn
F.2.2. Nhiệt độ và vận tốc gió
Tiến hành các phép thử trong điều kiện sau:
Nhiệt độ không khí: (5-40) °C;
Nhiệt độ nhiên liệu: (17,5 ± 2,5) °C;
Nhiệt độ dung dịch tạo bọt: (17,5 ± 2,5) °C;
Vận tốc gió lớn nhất: 3 m/s ở gần quạt thử.
CHÚ THÍCH: Nếu cần, có thể sử dụng một số dạng màn chắn gió.
F.2.3. Biên bản
Trong khi thử cháy, ghi biên bản các điều sau:
- Địa điểm;
- Nhiệt độ không khí;
- Nhiệt độ nhiên liệu;
- Nhiệt độ nước;
- Nhiệt độ dung dịch tạo bọt;
- Vận tốc gió;
- Thời gian khống chế 90%;
- Thời gian khống chế 99%;
- Thời gian tắt;
- Thời gian cháy lại 25%.
Thời gian khống chế 90% và thời gian cháy lại có thể kiểm tra được bởi người có kinh nghiệm xác định bang mắt hoặc được xác định bằng cách đo bức xạ nhiệt. Phụ lục H đưa ra chi tiết phương pháp thích hợp đối với chất tạo bọt độ nở thấp.
F.2.4. Dung dịch chất tạo bọt
Chuẩn bị dung dịch chất tạo bọt theo hướng dẫn của nhà cung cấp về nồng độ, thời gian trộn lớn nhất, tính tương thích với thiết bị thử, việc tránh khỏi tạp chất do các loại chất tạo bọt khác v.v...
Sử dụng nước ngọt để tạo dung dịch chất tạo bọt và nếu nhà sản xuất khẳng định chất tạo bọt thích hợp với nước mặn, thì cũng tạo dung dịch chất tạo bọt bằng cách sử dụng nước mặn mô phỏng được tạo ra do hòa tan các thành phần được liệt kê ở E.5.
F.2.5. Nhiên liệu
Sử dụng propan-2-one (acetone) độ tinh khiết không nhỏ hơn 99%.
Sử dụng propan-2-ol (isopropanol, isopropyl alcohol, IPA) độ tinh khiết không nhỏ hơn 99%.
F.3. Thử dập cháy
F3.1. Thiết bị
Sử dụng các thiết bị thử nghiệm thông dụng và các thiết bị khác như sau:
F.3.1.1. Khay thử, tròn, bằng thép không rỉ tương đương X5CrNi18-10 TCVN 10865 - 1 (ISO 3506-1) với kích thước như sau:
Đường kính tại miệng khay: (1480 ± 15) mm;
Chiều sâu: (150±10)mm;
Chiều dày thành danh nghĩa: 2,5 mm.
F.3.1.2. tấm thép chắn hậu thẳng đứng cao (1 ± 0,05) m dài (1 ± 0,05) m, được lắp khít dọc theo đình cong của thành cong hoặc được tạo hình bằng cách nối thêm thành.
Khay phải có diện tích ~1,73 m2.
F.3.1.3. Thiết bị tạo bọt như mô tả ở E.1.3
F.3.1.4. Nồi cháy lại, bằng thép có chiều dày danh nghĩa 2,5 mm, đường kính (300 ± 5) mm và chiều cao (250 ± 5) mm.
F.3.2. Tiến hành thử nghiệm
Để khay trực tiếp trên mặt đất và đảm bảo khay ở trạng thái bằng phẳng. Để lăng tạo bọt nằm ngang cao trên mức nhiên liệu (1 ± 0,05) m ở vị trí mà phần giữa của dòng phun bọt sẽ đập vào trục đối xứng của các tấm thép ở trên mức nhiên liệu (0,5 ± 0,1) m (xem hình F.2). Cho thêm (125 ± 5) I nhiên liệu, tạo ra phần nổi danh nghĩa 78 mm.
Đốt cháy khay không chậm hơn 5 min sau khi cho thêm nhiên liệu và để khay cháy trong thời gian (120 ± 5) s sau khi bề mặt nhiên liệu hoàn toàn bốc cháy, sau đó bắt đầu phun bọt. Ghi lại thời gian dập tắt như là khoảng thời gian từ lúc sử dụng bọt đến lúc dập tắt.
Phun bọt trong (180 ± 2) s đối với hiệu quả dập cháy cấp I, hoặc trong (300 ± 2) s đối với hiệu quả dập cháy cấp II. Để ý bất kỳ sự tràn bọt nào ra khỏi khay trong khi sử dụng bọt. Ngừng sử dụng bọt và sau đó (300 ± 10) s đặt nồi cháy lại, chứa (2 ± 0,1) I axeton vào giữa khay và đốt. Ghi lại thời gian khi 25 % khay được ngọn lửa phủ.
Kích thước tính bằng mét

CHÚ DẪN
1 - Tấm thép chắn hậu;
2 - Lăng tạo bọt;
3 - Nhiên liệu;
4 - Khay thử nghiệm.
Hình F.2- Mô hình thử nghiệm
Phụ lục G
(tham khảo)
Phương pháp đo bức xạ
G.1. Đánh giá
Đo bức xạ là phương pháp thuận tiện và có mục đích để kiểm soát đặc tính của chất tạo bọt trong khi thử đặc tính cháy. Nó làm giảm bớt sự cần thiết quan sát bằng mắt (trừ các ngọn lửa nhấp nháy và thời gian cần thiết để dập tắt hoàn toàn).
Phụ lục này mô tả các thiết bị và cách tiến hành được sử dụng trong các loạt thử ở một phòng thử nghiệm, và các phương pháp sử dụng để giải thích và thể hiện kết quả thử. Phương pháp này thích hợp với chất tạo bọt độ nở thấp và trung bình, nhưng không thích hợp với chất tạo bọt độ nở cao.
G.2. Sơ đồ bố trí thiết bị thử
Các bức xạ kế phải đặt hướng kính so với khay như trên hình G.1. Khoảng cách giữa các bức xạ kế và miệng khay không được nhỏ hơn hai lần đường kính (D) của khay và cao hơn miệng khay ít nhất 1,5m.
CHÚ THÍCH: Khoảng cách lớn nhất được giới hạn bởi độ nhạy của bức xạ kế.
Mức bức xạ có thể được ghi liên tục hoặc với khoảng thời gian không quá 1 s.
Kích thước tính bằng mét.

CHÚ DẪN:
1 - Bức xạ kế;
2 - Khay cháy tròn.
Hình G.1 - Vị trí của bức xạ kế để ghi bức xạ nhiệt trong khi thử hiệu quả dập cháy
G.3. Số liệu kỹ thuật của bức xạ kế
Sử dụng hai bức xạ kế loại Gordon hoặc Schmidt-Boelter. Các thiết bị này cần được làm mát bằng nước, với nhiệt độ nước làm mát duy trì ổn định ở mức (30 ± 10) °C trong suốt quá trình đo.
Các bức xạ kế phải hấp thụ ít nhất 90% bức xạ tới trong khoảng bước sóng từ 0,6 μm đến 15,0 μm.
Đối với một đám cháy đã phát triển hoàn toàn, giá trị đo được của bức xạ kế không được nhỏ hơn 0,6 lần giá trị thang đo đầy đủ.
Bức xạ kế phải đảm bảo độ không tuyến tính không vượt quá ±3% của dải đo danh định, và thời gian đáp ứng không vượt quá 2 giây (để đạt đến 63% của tín hiệu toàn phần).
Có thể sử dụng bức xạ kế có kính bảo vệ nếu đảm bảo được các yêu cầu về độ nhạy phổ. Nếu cần thiết, phạm vi đo quy định có thể được điều chỉnh, trong trường hợp bức xạ kế có độ tuyến tính tốt hơn. Tuy nhiên, việc sử dụng dưới 40% thang đo là không khuyến khích, do ảnh hưởng của bức xạ nền có thể gây sai số lớn.
G.4. Quy trình
Hiệu chỉnh công suất của hai bức xạ kế bằng cách trừ đi bức xạ nền từ 5s đến 10s sau khi dập tắt hoàn toàn.
Xác định giá trị trung bình của hai bức xạ kế.
Xác định giá trị trung bình của thời gian bức xạ được ghi trong chu kỳ 25 s từ 30 s đến 5 s trước khi bắt đầu phun bọt (xem hình G.2).
CHÚ THÍCH: Bắt đầu phun bọt ở 1 min và dừng ở 5 min. Thử cháy lại bắt đầu ở 15 min.
Xác định độ bức xạ tương đối bằng cách chia công suất cho giá trị trung bình nhận được phù hợp với các phần trên.
Trị số bức xạ tức thời phụ thuộc vào sự tăng giảm ngẫu nhiên. Đường cong trơn thuận cho sự tăng giảm, có thể nhận được bằng cách lập đồ thị giá trị bức xạ trung bình trên chu kỳ ±5s đối với từng giá trị thời gian.
Bức xạ tương đối được điều chỉnh đối với phép thử dập tắt được chỉ ra trên hình G.3 và đối với thử cháy lại trên hình G.4. Việc kiểm tra 90% là tương đương với bức xạ tương đối 0,1.
Việc mô tả ở trên ngụ ý rằng cần sử dụng phương tiện đo kiểm soát bằng máy tính.

CHÚ DẪN:
X: thời gian, min;
Y: Bức xạ theo kilowatts/m2.
CHÚ THÍCH: Bắt đầu phun bọt ở phút thứ 1, kết thúc phun bọt ở phút thứ 5. Thử nghiệm cháy lại bắt đầu ở phút thứ 15.
Hình G.2 - Mức bức xạ tuyệt đối điển hình trong cả phép thử

CHÚ DẪN:
X: Thời gian, min;
Y: Bức xạ, theo kW/m2.
CHÚ THÍCH: Bắt đầu phun bọt ở phút thứ 0, kết thúc phun bọt ở phút thứ 4. Mức độ kiểm soát 90% đạt được vào khoảng 1 phút 8 giây.
Hình G.3 - Mức bức xạ tương đối điển hình trong khi dập tắt

CHÚ DẪN:
X: Thời gian, min;
Y: Bức xạ tương đối, không thứ nguyên.
CHÚ THÍCH: Quá trình cháy lại bắt đầu tử phút 0. Mức độ cháy lại 25% xảy ra vào khoảng 8 phút 30 giây.
Hình G.4- Mức bức xạ tương đối điển hình trong khi cháy lại
Phụ lục H
(Tham khảo)
Tính tương thích
H.1. Tính tương thích giữa chất tạo bọt và bột chữa cháy
Khi bọt và bột chữa cháy được sử dụng đồng thời hoặc luân phiên người sử dụng phải đảm bảo rằng bất kỳ tác động qua lại không có lợi nào không gây ra sự giảm hiệu quả chửa cháy.
Thử nghiệm dập đám cháy quy mô nhò được nêu chi tiết trong Phụ lục I có thể được sử dụng để đánh giá tính tương thích của chất tạo bọt chữa cháy và bột chữa cháy.
Thử nghiệm này được thực hiện trên bọt được đề cập, và sau đó lặp lại sau khi nhiên liệu đã được bao phủ thành bột như sau:
a) (500 ± 1) gam bột được cân cho vào rây 180 pm, đặt trên một tờ giấy hoặc bìa cứng.
b) Đặt sàng rây trên nhiên liệu, và loại bỏ bìa cứng hoặc giấy.
c) Sau đó, bột được phân bố đều trên bề mặt nhiên liệu từ độ cao (150 ± 10) mm.
d) Nhiên liệu phải được đốt không quá 60 s sau khi bột đã được rải trên bề mặt nhiên liệu.
Nếu thời gian lửa tắt tăng lên bằng hoặc lâu hơn 25% so với kết quả không có bột, thì sự kết hợp giữa bột và bọt sẽ không hiệu quả.
Tương tự như vậy, giảm 25% thời gian cháy lại khi sử dụng bột cho thấy bọt và bột không tương thích với nhau.
H.2. Tính tương thích giữa các chất tạo bọt
Các chất tạo bọt của các nhà sản xuất khác nhau có phẩm chất hoặc cấp loại thường không tương thích và không được trộn lẫn với nhau, trừ khi chúng được xác định rằng không đưa đến kết quả làm giảm hiệu quả.
Phụ lục I
(Tham khảo)
Thử nghiệm dập đám cháy quy mô nhỏ
I.1. Tổng quan
Phụ lục I mô tả các thử nghiệm cháy quy mô lớn. Phụ lục này mô tả thử nghiệm dập đám cháy ở quy mô nhỏ có thể phù hợp cho các mục đích kiểm tra chất lượng.
Các bài thử không nên thực hiện ngoài trời vì kết quả dễ bị ảnh hưởng bởi gió.
Để phân tích sự tương thích giữa bọt và bột hóa chất khô, phép thử này phải được lặp lại theo quy trình nêu trong I.3.
I.2. Dụng cụ
Các thiết bị phòng thí nghiêm thông thường, đặc biệt là những thiết bị sau:
I.2.1. Khay thử nghiệm cháy
Khay hình tròn, bằng đồng thau, như trong Hình I.1, có vành lật và điểm thoát nước có van ở tâm của để hình nón, có kích thước như sau:
- Đường kính trong tại vành: (565 ± 5) mm;
- Chiều cao của thành khay: (150 ± 5) mm;
- Chiều cao của để hình nón: (30 ± 5) mm;
- Chiều dày của thành khay: (1,2 ± 0,2) mm.
Khay thử nghiệm cháy phải có một tấm chắn đứng dày 2,5 mm, dài 600 mm và cao 300 mm, được tạo thành bằng cách kéo dài thành đối diện với vòi phun.
CHÚ THÍCH: Khay có diện tích khoảng 0,25 m2.
Khay thử nghiệm cháy được đỡ cách mặt đất khoảng 1 m trên khung thép có bốn chân. Khay thường được đặt bên dưới một tủ hút khói phù hợp để có thể hút khói ra mà không ảnh hưởng đến ngọn lửa.
I.2.2. Nồi cháy lại, bằng đồng thau, có vành lật, được gắn bốn đinh tán ở đế và có chiều cao tổng thể là (96 ± 2) mm, với kích thước như sau:
- Đường kính trong ở vành: (120 ± 2) mm;
- Chiều sâu bên trong: (80 ± 2) mm;
- Chiều dày của tường: (1,2 ± 0,2) mm.
Một dây xích được gắn vào vành cho phép nâng nồi bằng một thanh kim loại.
I.2.3. Lăng phun bọt, như thể hiện trong Hình I.2, có tốc độ phun là 5,0 L/ min ở 700 kPa (7 bar) khi thử với nước.
Lăng phun được trang bị một vòng đệm có thể điều chỉnh được để cho phép bọt phun ra từ cạnh của vòi phun và do đó, có thể thay đổi tốc độ bọt. Tốc độ phun cũng có thể được kiểm soát bằng cách điều chỉnh áp suất áp dụng cho dung dịch bọt.
I.2.4. Nhiên liệu, bao gồm hỗn hợp hydrocacbon béo như quy định trong F.2.5.
I.3. Quy trình thử nghiệm
I.3.1. Điều kiện thử nghiệm
Tiến hành thử nghiệm trong các điều kiện sau:
- Nhiệt độ không khí: (15 ± 5)° C;
- Nhiệt độ nhiên liệu: (17,5 ± 2,5)° C;
- Nhiệt độ dung dịch bọt: (17,5 ± 2,5)° C.
I.3.2. Thiết lập
Đặt vòi phun bọt theo phương ngang với các lỗ phụ trên vòng đệm hướng xuống dưới ở độ cao (150 ± 5) mm so với vành của khay lửa (xem Hình I.1).
Chuẩn bị dung dịch bọt theo khuyến nghị của nhà cung cấp về nồng độ, thời gian trộn tối đa, khả năng tương thích với thiết bị thử nghiệm, tránh bị nhiễm bẩn bởi các loại bọt khác, v.v.
Đặt áp suất vòi phun thành 700 kPa (7 bar) và tốc độ dòng bọt thành (0,75 ± 0,025) kg / min bằng cách điều chỉnh vòng đệm và nếu cần, giảm áp suất vòi phun. Thuận tiện hơn cả là cân số lượng bọt đã phun trong 6s để tính toán tốc độ phun.
Đặt vòi phun nằm ngang để bọt được phun vào tâm khay lửa. Ngắt lăng xả bọt. Làm sạch khay và đóng van xả.
I.3.3. Thử lửa
Cho (9 ± 0,1) lít nhiên liệu vào khay và (0,3 ± 0,01) lít nhiên liệu vào nồi cháy lại.
(120 ± 2) s sau khi tiếp nhiên liệu, đốt cháy nhiên liệu và để cháy trong (60 ± 2) s trước khi bắt đầu phun bọt. Phun bọt trong (120 ± 2) s vào giữa khay và ghi lại thời gian từ khi bắt đầu phun bọt đến khi kiểm soát 90%, kiểm soát 99% và tắt hoàn toàn.
Khi kết thúc tạo bọt, đốt cháy nhiên liệu trong nồi đốt lại và (60 ± 2) s sau khi kết thúc phun bọt, hạ nồi vào giữa khay bằng một thanh kim loại, cẩn thận không để bột trần vào nồi. Ghi lại thời gian cháy lại tính từ lúc đặt nồi cháy lại đến khi bề mặt khay thử lửa bao phủ hoàn toàn trong ngọn lửa.
Kích thước tính bằng milimét

CHÚ DẪN:
1. Nồi cháy lại 4. Cửa điều chỉnh chính
2. Lăng phun 5. Khay thử lửa
3. Màn chắn (tùy chọn) 6. Bọt
Hình I.1 - Bố trí thử nghiệm dập đám cháy quy mô nhỏ

CHÚ DẪN:
| 1. Lăng phun foam có bộ chuyển đổi (xem hình I.3) | 6. Tấm hạn chế dòng chảy G (xem hình I.8) |
| 2. Khớp nổi (xem hình I.4) | 7. Miếng ngăn cách (xem hình I.9) |
| 3. Ống trộn (xem hình I.5) | 8. Tấm hạn chế dòng chảy P (xem hình 1.10) |
| 4. Ống ổn định (xem hình I.6) | 9. Inlet (xem hình 1.11) |
| 5. Venturi (xem hình I.7) |
|
Hình I.2 Lăng phun bọt cho thử nghiệm dập đám cháy quy mô nhỏ
CHÚ THÍCH: Từ hình I.3 đến I.11 là hình minh họa tương ứng cho các chi tiết trong hình I.2
Kích thước tính bằng milimét trừ khi có quy định khác

CHÚ DẪN:
1. 03 lỗ ØH
2. 16 ren
Hình I.3 Lăng phun foam có bộ chuyển đổi

CHÚ DẪN:
Vân lăn trên bề mặt thanh kim loại
Hình I.4 Khớp nối
Kích thước tính bằng milimét trừ khi có quy định khác

Hình I.5 Ống trộn
Kích thước tính bằng milimét trừ khi có quy định khác

CHÚ DẪN 1: nắp ống nằm vuông góc với trục
CHÚ DẪN 2: Cổ ren là Whitworth, 16 tpi.
CHÚ DẪN 3: Cạnh vát mỗi đầu là 1 x 45°.
Hình I.6 Ống ổn định
Kích thước tính bằng milimét trừ khi có quy định khác
CHÚ DẪN 4: lỗ Ø 6
Hình I.7 Venturi
Kích thước tính bằng milimét

CHÚ DẪN 1: Đường kính tấm chắn rộng 0,02 mm
CHÚ DẪN 2: Lỗ đồng tâm với OD rộng 0,02 mm
CHÚ DẪN 3: Lỗ nằm vuông góc 90° với mỗi tấm chắn và có đường kính 0,01 mm
Hình I.8 Tấm hạn chế dòng chảy G
Kích thước tính bằng milimét trừ khi có quy định khác

CHÚ DẪN 1: Lỗ khoan và lỗ khoan đồng tâm với OD trong phạm vi 0,02 mm.
CHÚ DẪN 2: Mặt phân song song với mặt cuối trong phạm vi 0,02 mm.
CHÚ DẪN 3: Mặt đối và mặt cuối vuông góc với trục trong phạm vi 0,01 mm.
CHÚ DẪN 4: Vát mép ren 1 x 45 °, giữ nguyên các cạnh khác.
Hình I.9 Miếng ngăn cách
Kích thước tính bằng milimét

CHÚ DẪN 1: đường kính tấm chắn rộng 0,02 mm
CHÚ DẪN 2: Lỗ đồng tấm với OD rộng 0,02 mm
CHÚ DẪN 3: Lỗ nằm vuông góc 90° với mỗi tấm chắn và có đường kính 0,01 mm
Hình I.10 Tấm hạn chế dòng chảy P
Kích thước tính bằng milimét trừ khi có quy định khác

CHÚ DẪN 1: Lỗ khoan và lỗ khoan đồng tâm với OD trong phạm vi 0,02 mm.
Hình I.11 Inlet
Thư mục tài liệu tham khảo
[1] TCVN.4686-1:2007 (ISO 228-1:2000) Ren ống không làm kín bằng ren - Phần 1: Kích thước, dung sai và ký hiệu
[2] TCVN 6102:2020 (ISO 7202:2018) Phòng cháy chữa cháy - Chất chữa cháy - Bột
[3] TCVN 7278-1 (ISO 7203-1) Chất chữa cháy - Chất tạo bọt chữa cháy - Phần 1: Yêu cầu kỹ thuật đối với chất tạo bọt chữa cháy độ nở thấp dùng phun lên bề mặt chất lỏng cháy không hòa tan được với nước.
[4] ISO 6183:2022 Fire protection equipment - Carbon dioxide extinguishing systems for use on premises - Design and installation (Thiết bị chữa cháy - Hệ thống chữa cháy cacbon dioxit - Thiết kế và lắp đặt)
[5] ISO 7201-1:1989 Fire protection - Fire extinguishing media - Halogenated hydrocarbons -Parti: Specifications for halon 1211 and halon 1301 (Thiết bị phòng cháy chữa cháy - Hóa chất chữa chảy hydrocarbon halogen - Phần 1: Quy cách dành cho halon 1211 và halon 1301)
[6] ISO 7201-2:1991 Fire protection- Fire extinguishing media - Halogenated hydrocarbons - Part2: Code of practice for safe handling and transfer procedures of halon 1211 and halon 1301 (Thiết bị phòng cháy chữa cháy - Chất chữa cháy hydrocarbon halogen hóa - Phần 2: Hướng dẫn thực hành an toàn trong xử lý và chuyển nạp halon 1211 và halon 1301)
[7] ISO 7076 Fire protection — Foam fire extinguishing systems (all parts) (Phòng cháy chữa cháy - Hệ thống chữa cháy bằng bọt, tất cả các phần)
[8] ISO 7203-3:2019 Fire extinguishing media -Foam concentrates - Part 3: Fire extinguishing media - Foam concentrates -Part 3: Specification for low-expansion foam concentrates for top application to water-miscible liquids (Chất chữa cháy - Chất tạo bọt chữa cháy - Phần 3: Yêu cầu kỹ thuật đối với chất tạo bọt chữa cháy độ nờ thấp dùng phun lên bề mặt chất lỏng cháy hòa tan được với nước).
[9] ASTM A312-20 Standard Specification for Carbon and Alloy Steel Bars Subject to End-Quench Hardenability Requirements (Đặc điểm kỹ thuật tiêu chuẩn cho các thanh thép cacbon và hợp kim tuân theo các yêu cầu về độ cứng cuối cùng).
Mục lục
Lời nói đầu
1 Phạm vi
2 Tài liệu tham khảo
3 Thuật ngữ và định nghĩa
4 Các loại và công dụng của chất tạo bọt chữa cháy
4.1 Phân loại
4.2 Sử dụng với nước mặn
5 Độ ổn định của chất tạo bọt chữa cháy khi đông đặc và hoá lòng
6 Cặn trong chất tạo bọt chữa cháy
6.1 Cặn trước khi già hóa
6.2 Cặn sau khi già hóa
7 Xác định độ nhớt
7.1 Chất tạo bọt chữa cháy Newton
7.2 Chất tạo bọt chữa cháy giả dẻo
8 Độ pH của chất tạo bọt chữa cháy
8.1 Giới hạn độ pH
8.2 Độ nhạy với nhiệt độ
9 Độ nở và độ tiết nước của bọt
9.1 Tổng quát
9.2 Giới hạn độ nở
9.3 Giới hạn độ tiết nước
10 Hiệu quả dập cháy
11 Ghi nhãn, đóng gói và bảng thông số kỹ thuật
11.1 Ghi nhãn
11.2 Đóng gói
11.3 Bảng thông số kỹ thuật
Phụ lục A (quy định) Lấy mẫu sơ bộ và ổn định chất tạo bọt chữa cháy
Phụ lục B (quy định) Xác định độ ổn định khi đông đặc và hoá lỏng
Phụ lục C (quy định) Xác định tỷ lệ cặn
Phụ lục D (quy định) Xác định độ nhớt của chất tạo bọt chữa cháy giả dẻo
Phụ lục E (quy định) Xác định độ nở và thời gian tiết nước
Phụ lục F (quy định) Xác định hiệu quả dập cháy
Phụ lục G (tham khảo) Phương pháp đo bức xạ
Phụ lục H (tham khảo) Khả năng tương thích
Phụ lục I (tham khảo) Thử nghiệm dập đám cháy quy mô nhỏ
Thư mục tài liệu tham khảo
Bạn chưa Đăng nhập thành viên.
Đây là tiện ích dành cho tài khoản thành viên. Vui lòng Đăng nhập để xem chi tiết. Nếu chưa có tài khoản, vui lòng Đăng ký tại đây!









