- Tổng quan
- Nội dung
- Tiêu chuẩn liên quan
- Lược đồ
- Tải về
Tiêu chuẩn TCVN 14451-1:2025 Thiết bị chơi bơm hơi - Yêu cầu an toàn và phương pháp thử
| Số hiệu: | TCVN 14451-1:2025 | Loại văn bản: | Tiêu chuẩn Việt Nam |
| Cơ quan ban hành: | Bộ Khoa học và Công nghệ | Lĩnh vực: | Công nghiệp |
| Trích yếu: | BS EN 14960-1:2019 Thiết bị chơi bơm hơi – Phần 1: Yêu cầu an toàn và phương pháp thử | ||
|
Ngày ban hành:
Ngày ban hành là ngày, tháng, năm văn bản được thông qua hoặc ký ban hành.
|
20/06/2025 |
Hiệu lực:
|
Đã biết
|
| Người ký: | Đang cập nhật |
Tình trạng hiệu lực:
Cho biết trạng thái hiệu lực của văn bản đang tra cứu: Chưa áp dụng, Còn hiệu lực, Hết hiệu lực, Hết hiệu lực 1 phần; Đã sửa đổi, Đính chính hay Không còn phù hợp,...
|
Đã biết
|
TÓM TẮT TIÊU CHUẨN VIỆT NAM TCVN 14451-1:2025
TCVN 14451-1:2025: Yêu cầu an toàn và phương pháp thử thiết bị chơi bơm hơi cho trẻ em
Tiêu chuẩn quốc gia TCVN 14451-1:2025 được ban hành nhằm mục đích cung cấp yêu cầu an toàn và phương pháp thử cho thiết bị chơi bơm hơi, áp dụng cho trẻ em từ 14 tuổi trở xuống. Văn bản này được công bố ngày 15 tháng 1 năm 2025 và có hiệu lực từ cùng ngày.
Tiêu chuẩn này quy định rõ các yêu cầu về vật liệu, thiết kế, giám sát và thông tin cần cung cấp, nhằm đảm bảo an toàn cho người sử dụng thiết bị. Cụ thể, trong phần yêu cầu an toàn, vải sử dụng cho thiết bị chơi bơm hơi phải có độ bền xé tối thiểu là 350 N và độ bền kéo tối thiểu là 1.850 N. Các chỉ may cũng phải đạt yêu cầu tối thiểu về độ bền và kỹ thuật.
Về thiết kế, mỗi thiết bị bơm hơi phải có ít nhất 6 điểm neo, với sức chịu lực lên tới 1.600 N tại mỗi điểm. Khi sử dụng ngoài trời, thiết bị có thể chịu được tốc độ gió tối đa 38 km/h. Thời gian xả khí trong trường hợp mất điện phải đủ để người sử dụng sơ tán an toàn.
Phần quy định liên quan đến khu vực sử dụng cũng rất quan trọng, trong đó chiều cao rơi tự do không được vượt quá 630 mm và diện tích chịu tác động tối thiểu phải là 1,2 m. Thiết bị phải thiết kế sao cho không có khe hở nào nguy hiểm có thể dẫn đến việc mắc kẹt ngón tay hoặc cơ thể người sử dụng.
Cuối cùng, tiêu chuẩn cũng đề cập đến yêu cầu về bảo trì, kiểm tra thiết bị. Việc kiểm tra định kỳ và bảo trì sửa chữa phải được thực hiện theo quy định cụ thể để đảm bảo thiết bị luôn trong trạng thái an toàn khi sử dụng.
TCVN 14451-1:2025 nhấn mạnh tầm quan trọng của an toàn cho trẻ em, đồng thời khuyến khích sự phát triển của các thiết bị chơi bơm hơi đáp ứng được yêu cầu an toàn cao nhất.
Tải tiêu chuẩn Việt Nam TCVN 14451-1:2025
TIÊU CHUẨN QUỐC GIA
TCVN 14451-1:2025
BS EN 14960-1:2019
THIẾT BỊ CHƠI BƠM HƠI - PHẦN 1: YÊU CẦU AN TOÀN VÀ PHƯƠNG PHÁP THỬ
Inflatable play equipment - Part 1: Safety requirements and test methods
Mục lục
Lời nói đầu
Lời giới thiệu
1 Phạm vi áp dụng
2 Tài liệu viện dẫn
3 Thuật ngữ và định nghĩa
4 Yêu cầu an toàn
4.1 Vật liệu
4.1.1 Vải
4.1.2 Chỉ may
4.1.3 Lưới bảo vệ
4.1.4 Dây
4.1.5 Khóa kéo
4.1.6 Các chất độc hại và lớp hoàn thiện trang trí
4.2 Thiết kế
4.2.1 Neo
4.2.2 Độ bền của kết cấu
4.2.3 Lối vào/ra
4.2.4 Máy bơm khí
4.2.5 Mắc kẹt
4.2.6 Vật cứng, góc nhọn và cạnh sắc
4.2.7 Lắp đặt điện
4.2.8 Vị trí lắp đặt
4.2.9 Thành bao
4.2.10 Chiều cao thành trên dốc
4.2.11 Khu vực giảm tốc
4.2.12 Thông gió
4.3 Số lượng người sử dụng
4.4 Giám sát
5 Phương pháp thử và báo cáo
6 Thông tin được cung cấp bởi nhà cung cấp/nhà sản xuất
6.1 Thông tin chung về sản phẩm
6.2 Thông tin cung cấp trước
6.3 Thông tin lắp đặt
6.4 Thông tin vận hành
6.5 Thông tin kiểm tra và bảo trì
7 Kiểm tra, bảo trì và thay thế
7.1 Kiểm tra
7.1.1 Yêu cầu chung
7.1.2 Kiểm tra định kỳ
7.1.3 Kiểm tra hằng năm
7.2 Bảo trì
7.2.1 Quy định chung
7.2.2 Bảo dưỡng định kỳ
7.2.3 Bảo trì sửa chữa
7.3 Sự thay thế
8 Ghi nhãn
9 Hồ sơ
Phụ lục A (quy định) Tính toán sổ điểm neo
Phụ lục B (tham khảo) Thang sức gió Beaufort
Phụ lục C (quy định) Phương pháp thử nối đất
Phụ lục D (quy định) Phương pháp thử mắc kẹt
Phụ lục E (quy định) Phương pháp thử độ bền xé
Thư mục tài liệu tham khảo
Lời nói đầu
TCVN 14451-1:2025 hoàn toàn tương đương với BS EN 14960-1:2019.
TCVN 14451-1:2025 do Ban kỹ thuật tiêu chuẩn quốc gia TCVN/TC 181 An toàn đồ chơi trẻ em biên soạn, Viện Tiêu chuẩn Chất lượng Việt Nam đề nghị, Ủy ban Tiêu chuẩn Đo lường Chất lượng Quốc gia thẩm định, Bộ Khoa học và Công nghệ công bố.
Bộ TCVN 14451:2G25, Thiết bị chơi bơm hơi gồm các tiêu chuẩn sau:
- TCVN 14451-1:2025 (BS EN 14960-1:2019), Phần 1: Yêu cầu an toàn và phương pháp thử;
- TCVN 14451-2:2025 (BS EN 14960-2:2019), Phần 2: Yêu cầu an toàn bổ sung đối với phao nhún lắp đặt cố định;
- TCVN 14451-3:2025 (BS EN 14960-3:2019), Phần 3: Yêu cầu an toàn bổ sung và phương pháp thử thiết bị chơi leo trèo và trượt
Lời giới thiệu
Chơi là cách để trẻ em khám phá và hiểu về thế giới mà chúng đang sống, và là yếu tố thiết yếu trong sự phát triển về thể chất và tinh thần của trẻ.
Việc giúp trẻ phát triển toàn diện rất quan trọng, và thông qua chơi, trẻ sẽ nhận thức được nguy hiểm, điều này tạo nền tảng cho việc đánh giá sự an toàn trong nhiều tình huống khác nhau. Cân bằng giữa thử thách và an toàn là một yếu tố quan trọng cần xem xét.
Thiết bị chơi bơm hơi được đề cập trong tiêu chuẩn này có thể cung cấp các mức độ thử thách và hứng thú khác nhau. Tiêu chuẩn này nhằm giảm thiểu mức độ rủi ro và khả năng bị thương nghiêm trọng trong khi cho phép trẻ em tận hưởng niềm vui khi chơi trong hoặc trên thiết bị chơi bơm hơi.
Tiêu chuẩn này thừa nhận rằng việc giải quyết các vấn đề an toàn chỉ bằng các tiêu chí độ tuổi là rất khó khăn, vì khả năng xử lý rủi ro dựa trên mức độ kỹ năng của từng người sử dụng, chứ không phải độ tuổi. Hơn nữa, những người sử dụng ngoài độ tuổi dự định vẫn có thể sử dụng thiết bị bơm hơi, trong trường hợp này, các quy định của tiêu chuẩn này vẫn được áp dụng.
Các yêu cầu trong tiêu chuẩn này không nhằm mục đích làm ảnh hưởng đến nhu cầu vui chơi của trẻ em hoặc làm giảm sự đóng góp của thiết bị chơi bơm hơi đối với sự phát triển của trẻ em hoặc việc vui chơi có ý nghĩa theo quan điểm giáo dục.
Khi kết hợp thiết bị chơi bơm hơi với các thiết bị sân chơi trẻ em khác, cần tham khảo các tiêu chuẩn có liên quan áp dụng cho các thiết bị đó.
THIẾT BỊ CHƠI BƠM HƠI - PHẦN 1: YÊU CẦU AN TOÀN VÀ PHƯƠNG PHÁP THỬ
Inflatable play equipment - Part 1: Safety requirements and test methods
1 Phạm vi áp dụng
Tiêu chuẩn này áp dụng cho thiết bị chơi bơm hơi dành cho trẻ em từ mười bốn tuổi trở xuống, bao gồm cá nhân và tập thể.
Tiêu chuẩn này quy định các yêu cầu an toàn đối với thiết bị chơi bơm hơi mà hoạt động chính là nhún và trượt. Tiêu chuẩn này thiết lập các biện pháp nhằm giải quyết các rủi ro cũng như giảm thiểu tai nạn cho người sử dụng, dành cho những người tham gia vào quá trình thiết kế, sản xuất và cung cấp thiết bị chơi bơm hơi. Tiêu chuẩn này cũng quy định các thông tin phải được cung cấp kèm theo thiết bị. Các yêu cầu được quy định dựa trên việc cân nhắc yếu tố rủi ro từ các dữ liệu sẵn có.
Tiêu chuẩn này quy định các yêu cầu nhằm bảo vệ trẻ em khỏi những mối nguy mà trẻ em có thể không lường trước được khi sử dụng thiết bị theo thiết kế hoặc theo cách có thể dự đoán hợp lý.
Tiêu chuẩn này không áp dụng cho thiết bị chơi bơm hơi và giải trí trên mặt nước, đồ chơi bơm hơi sử dụng trong gia đình, các công trình có kết cấu hỗ trợ bằng khí (air-supported buildings), thiết bị bơm hơi chỉ dùng cho mục đích bảo vệ, thiết bị bơm hơi dùng để cứu hộ, hoặc các loại đồ chơi bơm hơi khác mà hoạt động chính không phải là nhún hoặc trượt.
2 Tài liệu viện dẫn
Các tài liệu sau rất cần thiết cho việc áp dụng tiêu chuẩn này. Đối với tài liệu viện dẫn ghi năm công bố thì áp dụng phiên bản được nêu. Đối với tài liệu viện dẫn không ghi năm công bố thì áp dụng phiên bản mới nhất bao gồm các sửa đổi, bổ sung (nếu có).
TCVN 4255 (EN 60529), cấp bảo vệ bằng vỏ ngoài (mã IP), (IEC 60529)
TCVN 9549 (ISO 1421), Vải tráng phủ cao su hoặc chất dẻo - Xác định độ bền kéo và độ giãn dài khi đứt
TCVN 9550 (ISO 2411), Vải tráng phủ cao su hoặc chất dẻo - Xác định độ kết dính lớp tráng phủ
TCVN ISO IEC 17025:2017, Yêu cầu chung về năng lực của phòng thử nghiệm và hiệu chuẩn
ISO 2307, Fibre ropes - Determination of certain physical and mechanical properties (Dây bện - Xác định một số tính chất vật lý và cơ học)
ISO 9554, Fibre ropes - General specifications (Dây bện - Yêu cầu kỹ thuật chung)
EN 71-3[1], Safety of toys - Part 3: Migration of certain elements (An toàn đồ chơi trẻ em - Yêu cầu giới hạn mức xâm nhập của các độc tố)
EN 1177[2], Impact attenuating playground surfacing - Determination of critical fall height (Bề mặt sân chơi giảm chấn - Xác định chiều cao rơi tới hạn)
3 Thuật ngữ và định nghĩa
Trong tiêu chuẩn này áp dụng các thuật ngữ và định nghĩa sau.
CHÚ THÍCH Nhằm tránh việc giới hạn phạm vi áp dụng của tiêu chuẩn này chỉ đối với các loại thiết bị hiện đang được sử dụng, đồng thời tạo điều kiện cho sự tự do trong thiết kế và sản xuất các thiết bị mới, tiêu chuẩn này chỉ liệt kê các hình thức cơ bản của thiết bị và chuyển động.
3.1
Thiết bị chơi bơm hơi (inflatable play equipment)
Kết cấu phụ thuộc vào nguồn cung cấp không khí liên tục để duy trì hình dạng, trên đó người sử dụng có thể chơi, nhún và/hoặc trượt (xem Hình 1).
CHÚ THÍCH Còn được gọi là thiết bị bơm hơi.

| a) Giường phẳng (4 mặt mở) | b) Lâu đài (3 mặt có thành, 1 mặt mở) | c) Khung chữ A bơm hơi (3 mặt có thành, 1 mặt mở) |

| d) Kết hợp nhún/trượt | e) Tổ hợp chơi đa năng | f) Đường chạy vượt chướng ngại vật |

| g) Đường trượt bơm hơi | h) Thiết bị bơm hơi khép kín | i) Núi mềm |
Hình 1 - Ví dụ về thiết bị chơi bơm hơi
3.2
Máy bơm khí (blower)
Máy chạy bằng điện được sử dụng để bơm căng kết cấu liên tục.
3.3
Ống nối (connection tube)
Một phần của kết cấu thiết bị chơi bơm hơi mà máy bơm khí được kết nối.
3.4
Bộ phận giám sát (controller)
Cá nhân, công ty hoặc người thuê (người thuê lại), chịu trách nhiệm toàn diện về việc kiểm soát, kiểm tra và bảo trì thiết bị.
3.5
Người vận hành (operator)
Người được bộ phận giám sát chỉ định để chịu trách nhiệm vận hành thiết bị vào bất cứ thời điểm nào khi thiết bị sẵn sàng để sử dụng.
3.6
Người phục vụ (attendant)
Người làm việc dưới sự kiểm soát và chỉ đạo của người vận hành để hỗ trợ vận hành thiết bị.
3.7
Tổ chức kiểm định (inspection body)
Tổ chức, một bộ phận của tổ chức hoặc cá nhân có năng lực phù hợp để thực hiện một hoặc nhiều công việc kiểm định sau:
- Rà soát thiết kế;
- Đánh giá sự phù hợp với thiết kế;
- Kiểm tra ban đầu;
- kiểm tra tổng thể hàng năm.
3.8
Chiều cao rơi tự do (free height of fall)
Khoảng cách lớn nhất theo chiều thẳng đứng từ giá đỡ cơ thể được xác định chính xác đến vùng chịu va đập bên dưới.
[NGUỒN: TCVN 12721-1 (EN 1176-1, 3.6].
3.9
Chiều cao rơi tới hạn (critical fall height)
Chiều cao rơi tự do lớn nhất mà bề mặt có thể cung cấp mức độ giảm chấn thích hợp.
3.10
Mặt mở (open side)
Bất kỳ thành ngoài nào của một thiết bị chơi bơm hơi không có thành bao.
3.11
Bậc (step)
Bậc hỗ trợ người sử dụng tiếp cận hoặc rời khỏi khu vực chơi của thiết bị bơm hơi, tạo sự chuyển tiếp độ cao giữa khu vực chơi và mặt đất.
3.12
Đường dốc (ramp)
Đường hỗ trợ người sử dụng tiếp cận hoặc rời khỏi khu vực vui chơi của thiết bị bơm hơi, tạo sự chuyển đổi giữa chiều cao của khu vực vui chơi và mặt đất.
3.13
Bệ sàn (platform)
Bất kỳ bề mặt nào mà người sử dụng có thể đứng trên đó.
3.14
Ép (squeeze)
Hạng mục chơi thường được gắn vào và tạo thành một phần của thiết bị chơi bơm hơi, có mục đích là tạo cảm giác ép chặt người sử dụng mà không gây mắc kẹt, đồng thời cho phép người chơi đi qua một khe hẹp với một mức độ khó khăn nhất định.
3.15
Mắc kẹt (entrapment)
Mối nguy mà trong đó cơ thể, một phần cơ thể hoặc quần áo của người sử dụng có thể bị kẹt lại.
3.16
Khu vực chịu tác động (impact area)
Khu vực xung quanh (các) mặt mở của một thiết bị chơi bơm hơi.
3.17
Khu vực giảm tốc (run-out)
Khu vực được thiết kế ở cuối đường trượt.
3.18
Hệ thống neo (anchorage system)
Hệ thống cố định thiết bị chơi bơm hơi xuống đất bằng cọc.
3.19
Hệ thống dằn (ballast system)
Hệ thống cố định thiết bị chơi bơm hơi xuống đất bằng cách sử dụng vật nặng.
3.20
Chiều cao người sử dụng (user height)
Chiều cao tối đa của người được phép sử dụng thiết bị chơi bơm hơi.
3.21
Không gian vận động (free space)
Không gian bên trong, bên trên hoặc xung quanh thiết bị mà có thể bị tác động bởi người sử dụng do các chuyển động cưỡng bức gây ra bởi thiết bị (ví dụ như trượt, nhún).
3.22
Khu vực chơi (playing area)
Không gian bên trong hoặc bên trên thiết bị chơi bơm hơi, dùng để vui chơi.
3.23
Không gian rơi (falling space)
Khoảng không gian bên trong hoặc xung quanh thiết bị chơi bơm hơi mà người sử dụng có thể rơi từ phần trên cao của thiết bị.
CHÚ THÍCH Không gian rơi bắt đầu ở độ cao rơi tự do.
4 Yêu cầu an toàn
4.1 Vật liệu
4.1.1 Vải
Vải phải là loại chống cháy.
Vải, và các mối nối trong vải, phải có độ bền xé và độ bền kéo đủ để chịu được trọng lượng của người sử dụng dự định và có khả năng giữ khí đủ để thiết bị bơm hơi, khi được bơm đủ áp suất theo mức quy định trong hướng dẫn sử dụng, có thể khôi phục lại hình dạng sau khi bị biến dạng dưới tải trọng.
Vải phải có:
a) độ bền xé tối thiểu là 350 N (xem phương pháp thử Phụ lục E),
b) độ bền kéo tối thiểu là 1 850 N (xem TCVN 9549 (ISO 1421),
c) độ bám dính lớp phủ tối thiểu là 100 N (xem TCVN 9550 (ISO 2411),
Vải có các tính chất trên phải được sử dụng ở các bộ phận kết cấu của thiết bị bơm hơi tại các vị trí chịu lực hoặc áp lực của người sử dụng.
4.1.2 Chỉ may
Chỉ may phải là loại sợi không mục và có độ bền kéo đứt ít nhất là 88 N. Đường may phải được may lại mũi. Chiều dài mũi tối thiểu là 3 mm và tối đa là 8 mm.
4.1.3 Lưới bảo vệ
Lưới bảo vệ thường được sử dụng để xác định khu vực chơi, giới hạn người chơi và giữ các đồ chơi di động như bóng. Lưới bảo vệ không được làm giảm khả năng nhìn rõ. Lưới bảo vệ phải đủ chắc chắn để chứa được người sử dụng lớn nhất hoặc nặng nhất mà thiết bị bơm hơi được thiết kế cho.
Để ngăn người chơi leo lên lưới bảo vệ, khi lưới có chiều cao hơn 1 m và có thể tiếp cận được bởi người sử dụng, thì kích thước mắt lưới phải không được lớn hơn 30 mm để không đặt vừa chân người sử dụng.
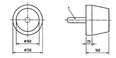
Khi lưới được sử dụng cho mái và có thể tiếp cận bởi người sử dụng, kích thước mắt lưới phải đủ nhỏ để ngăn que thăm hình ngón tay 8 mm lọt qua (xem Hình 2).
Kích thước tính bằng milimét

Hình 2 - Que thăm hình ngón tay 8 mm
Lưới leo (thường được đặt trên các dốc để tạo điểm bám cho tay và chân) phải được cố định chắc chắn để ngăn việc người sử dụng làm lỏng hoặc nâng lên. Dây làm lưới phải có đường kính tối thiểu 12 mm và phải được thắt nút chắc chắn. Các đầu dây phải được xử lý để tránh bị xơ rối. Phải cẩn thận khi hàn nhiệt để tránh tạo ra các mép hoặc cạnh sắc.
4.1.4 Dây
Dây phải được cố định chắc chắn ở cả hai đầu và biên độ dao động tổng cộng không được vượt quá 20% khoảng cách giữa các điểm cố định để không thể tạo vòng dây có đường kính đủ lớn để cho phép đầu dò E đi qua (xem Hình D.1).
CHÚ THÍCH Yêu cầu này nhằm loại bỏ nguy cơ bị nghẹt thở.
Đường kính dây phải nằm trong khoảng từ 18 mm đến 45 mm.
Dây bện (loại bằng vật liệu dệt) phải tuân thủ ISO 9554 hoặc ISO 2307. Ngoài ra, phải cung cấp chứng chỉ chất lượng nêu rõ vật liệu được sử dụng và tải trọng làm việc an toàn. Không được sử dụng dây sợi đơn (monofilament) bằng chất dẻo.
4.1.5 Khóa kéo
Khóa kéo (zips) phải có khả năng chịu được áp suất không khí và lực căng được tạo ra trong kết cấu của thiết bị. Khóa kéo sử dụng cho lối vào và lối ra phải đảm bảo độ tin cậy, dễ sử dụng, có khả năng mở từ cả hai phía và cho phép người lớn có thể vào và ra.
Khóa kéo dùng cho mục đích xả khí phải có dây kéo ẩn khỏi tầm nhìn (ví dụ như được che chắn bởi mảnh vải gập hoặc túi).
4.1.6 Các chất độc hại và lớp hoàn thiện trang trí
Không được sử dụng các chất độc hại cho thiết bị chơi bơm hơi mà có thể gây ra các ảnh hưởng bất lợi đến sức khỏe của người sử dụng. Sơn và các lớp hoàn thiện trang trí khác phải tuân thủ TCVN 6238-3 (ISO 8124-3).
CHÚ THÍCH Cần lưu ý đến các điều khoản của Quy định Châu Âu (EC) số 1907/2006 [2]. Các vật liệu như vậy bao gồm, ví dụ, amiăng, chì, formaldehyt, dầu nhựa than (coal tar oils), dầu chống mục gỗ (carbolineums) và các biphenyl đa clo hóa (PCB).
4.2 Thiết kế
4.2.1 Neo
Thiết bị bơm hơi phải được trang bị hệ thống neo và/hoặc hệ thống chằng giữ trọng tải cùng với các phụ kiện cần thiết để cố định thiết bị bơm hơi một cách an toàn vào mặt đất. Mỗi thiết bị bơm hơi phải có ít nhất sáu điểm neo.
Số lượng điểm neo phải được tính toán theo Phụ lục A. Các điểm neo phải được phân bổ xung quanh chu vi của thiết bị bơm hơi (xem thêm mục 4.2.3) và phải được trang bị đầu kim loại. Thiết bị chơi bơm hơi được sử dụng ngoài trời phải chịu được tốc độ gió tối đa là 38 km/h (Lực 5 theo thang Beaufort); xem Phụ lục B.
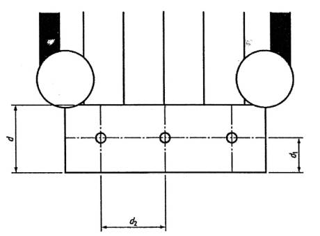
Khi được sử dụng ngoài trời, thiết bị bơm hơi phải được cố định chắc chắn vào mặt đất, tốt nhất là sử dụng cọc nối đất khi mặt đất phù hợp. Mỗi điểm neo trên thiết bị bơm hơi và tất cả các chi tiết của hệ thống neo và/hoặc hệ thống dằn, ví dụ như dây, băng vải, phụ kiện kim loại, cọc, tạ phải chịu được lực đến 1 600 N. Hướng lực tác dụng phải theo góc từ 30° đến 45° so với mặt đất. Cọc nối đất phải nghiêng ra khỏi hướng của lực tác dụng. Cọc nối đất phải có chiều dài tối thiểu 380 mm và đường kính tối thiểu 16 mm, với đầu cọc được bo tròn. Hệ thống neo không được để nhô ra trên mặt đất quá 25 mm (xem Hình 3).
Khi thiết bị bơm hơi được sử dụng trong nhà, hệ thống neo và/hoặc hệ thống chằng giữ trọng tải phải được sử dụng khi cần thiết để duy trì độ ổn định.
Kích thước tính bằng milimét

CHÚ DẪN
1 hướng lực
2 đầu được bo tròn
3 mặt đất
Hình 3 - Ví dụ về cọc nối đất
Khi không thể sử dụng cọc nối đất trên các bề mặt cứng, thiết bị bơm hơi phải được cố định vào mặt đất bằng phương pháp hiệu quả tương đương, ví dụ như gắn mỗi điểm neo vào các thiết bị đã có sẵn trong mặt đất, hoặc vào bao cát hoặc các vật nặng khác, nếu chủng có thể chịu được tải trọng 1 600 N. Nếu thiết bị bơm hơi được cố định vào phương tiện hoặc máy móc di động khác, các phương tiện hoặc máy móc này phải được cố định và dưới sự kiểm soát của người vận hành.
4.2.2 Độ bền của kết cấu
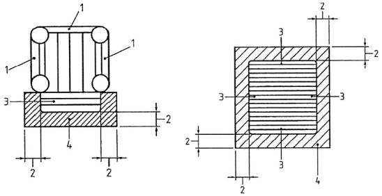
Áp suất khí tối thiểu bên trong các bộ phận kết cấu của thiết bị bơm hơi phải là 1 kPa (100 mm cột nước). Các khoang bơm khí mà người sử dụng có thể vào không được coi là các bộ phận kết cấu của thiết bị bơm hơi, ví dụ như các thiết bị bơm hơi dạng mái vòm kín. Áp suất trong khu vực chơi của núi mềm không được lớn hơn 0,25 kPa (25 mm cột nước), nhưng phải duy trì áp suất đủ để không bị chạm đất. Áp suất trong khu vực an toàn bao quanh núi mềm phải ít nhất là 1 kPa (100 mm cột nước); xem Hình 4.
Độ sâu của rãnh trên bề mặt của bất kỳ nền bệ phẳng nào không vượt quá 33% chiều rộng của tấm panel tiếp giáp, được đo khi thiết bị được bơm căng (xem Hình 5).
Các thành bao phải thẳng đứng (90 ± 5)°. Các tháp đỡ thành bao phải nằm trong cùng một mặt phẳng. Thành bao và tháp phải đủ chắc chắn để chứa người sử dụng lớn nhất và/hoặc nặng nhất mà thiết bị bơm hơi được thiết kế cho.
Khu vực chơi, các khu vực an toàn xung quanh, bậc và/hoặc các đường dốc phải có khả năng chịu được trọng lượng của người sử dụng lớn nhất và/hoặc nặng nhất mà thiết bị bơm hơi được thiết kế cho, mà không bị chạm đất. Phương pháp thử xem Phụ lục C.

CHÚ DẪN
1 khu vực an toàn xung quanh
2 độ sâu rãnh
3 khu vực chơi
Hình 4 - Mặt cắt một núi mềm
CHÚ DẪN
a độ sâu của rãnh - được đo khi bơm căng b chiều rộng của tấm tiếp giáp
Hình 5 - Độ sâu rãnh
4.2.3 Lối vào/ra
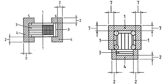
Bậc thang, hoặc đường dốc phải đủ rộng để che phủ toàn bộ cửa ra vào/ra với phần chồng lên nhau, theo Hình 6.
Bậc thang hoặc đường dốc phải có độ sâu của mặt bậc tối thiểu bằng 1,5 lần chiều cao của bệ sàn khu vực chơi tiếp giáp mà nó được gắn vào được gắn vào (xem Hình 6).

a) Chi tiết bậc

b) Chi tiết đường dốc
CHÚ DẪN
1 phần chồng lên nhau
2 mặt mở
3 chiều cao của sàn khu vực chơi tiếp giáp
4 độ sâu bậc
5 bậc
6 đường dốc
Hình 6 - Chi tiết bậc hoặc đường dốc
Khu vực chơi của núi mềm phải được bao quanh hoàn toàn bởi một tấm an toàn đã bơm hơi. Tấm an toàn này phải có độ sâu của mặt bậc tối thiểu là 1,6 m hoặc 0,5 lần chiều cao của khu vực chơi được đo từ mặt đất khi đã bơm căng và khi chưa có tải, tùy theo giá trị nào lớn hơn.
Trong trường hợp mất nguồn cung cấp không khí, thời gian xả hơi phải đủ để người sử dụng thiết bị chơi bơm hơi có thể sơ tán an toàn.
CHÚ THÍCH Thời gian xả hơi có thể được kéo dài đáng kể bằng cách lắp van một chiều vào vòi xả của máy bơm khí hoặc tại đầu nối giữa ống nối và kết cấu.
Thiết bị chơi bơm hơi phải được thiết kế để đảm bảo người lớn có thể tiếp cận để hỗ trợ người sử dụng.
Ở bất kỳ mặt mở nào, chiều cao rơi tự do không được lớn hơn 630 mm so với mặt đất ở trạng thái không tải (600 mm ở trạng thái có tải).
Ở bất kỳ mặt mở nào, phạm vi của khu vực chịu tác động phải ít nhất là 1,2 m. Bề mặt trong vùng chịu tác động phải đáp ứng các yêu cầu về giảm chấn sao cho chiều cao rơi tới hạn của bề mặt, theo EN 1177, ít nhất là 630 mm. Các vùng chịu tác động của các thiết bị chơi bơm hơi tiếp giáp và/hoặc các thiết bị vui chơi khác không được chồng lên nhau.
Các vật liệu như đất, có và cát có một số đặc tính làm giảm chấn. Có thể sử dụng thảm giảm chấn (xem Hình 7).
Xem thêm 4.2.8. Vị trí lắp đặt.

| a) Kiểu lâu đài | b) Tấm phẳng |

| c) Trượt lên và trượt xuống | d) Mặt trên thoáng của thiết bị bơm hơi trên nền cứng |
CHÚ DẪN
1 thành bên
2 ít nhất 1,2 m
3 mặt mở
4 khu vực chịu tác động
5 lối ra
6 lối vào
7 ít nhất 1,5 m
Hình 7 - Các khu vực chịu tác động
Nếu có thể, tránh đặt các điểm neo trong khu vực chịu tác động nhưng nếu cần thiết, các điểm neo phải được kết nối với mép đường bao quanh để hoặc đường hàn của thiết bị chơi bơm hơi và phải càng gần thiết bị chơi bơm hơi càng tốt (xem Hình 8).

CHÚ DẪN
1 thành thiết bị bơm hơi
2 khu vực chịu tác động
3 cọc neo càng gần thành của thiết bị chơi bơm hơi càng tốt
4 mặt đất
Hình 8 - Neo tại khu vực chịu tác động
Thiết bị chơi bơm hơi khép kín hoàn toàn phải có biển báo chỉ dẫn lối thoát, có thể nhìn thấy trong mọi trường hợp. Khi được thiết kế cho hơn 15 người sử dụng, phải có nhiều hơn một lối thoát và người sử dụng không bao giờ được cách lối thoát quá 5 m.
4.2.4 Máy bơm khí
Máy bơm khí phải được bảo vệ ở mức tối thiểu là IP23B theo quy định trong TCVN 4255 (IEC 60529), ngoại trừ phải sử dụng que thăm hình ngón tay 8 mm, như nêu trong Hình 2, thay cho que thăm hình ngón tay có khớp nổi 12 mm.
Que thăm hình ngón tay 8 mm có thể lọt qua lưới bảo vệ nhưng không được tiếp xúc với bộ phận chuyển động, bề mặt nóng hoặc đầu nối điện hở tại bất kỳ vị trí nào.
Máy bơm khí phải được đặt cách mặt thành ít nhất 1,2 m và cách mặt mở ít nhất 2,5 m. Ống kết nối phải đủ dài để đảm bảo khoảng cách này.
Nếu máy bơm khí được đặt bên trong kết cấu bơm hơi, thì máy phải cách khu vực chơi, tấm an toàn, bậc và/hoặc đường dốc ít nhất 2,5 m.
Không được để công chúng dễ dàng tiếp cận với máy bơm khí, bao gồm cả đường dây điện và bộ điều khiển.
CHÚ THÍCH Xem thêm 4.2.7 Lắp đặt điện.
4.2.5 Mắc kẹt
4.2.5.1 Quy định chung
Trừ khi có quy định khác, đầu dò thử phải được tác dụng lực 222 N.
4.2.5.2 Bị kẹt ở đầu và cổ
Các thiết bị bơm hơi phải được thiết kế sao cho mọi khe hở không tạo ra nguy cơ mắc kẹt đầu và cổ, dù là trong trường hợp người sử dụng trượt vào bằng đầu hoặc bằng chân.
Các tình huống nguy hiểm có thể gây ra loại kẹt này bao gồm:
- khe hở khép kín mà người sử dụng có thể trượt vào bằng chân hoặc đầu trước;
- khe hở khép kín một phần hoặc hình chữ V;
- khe hở dạng khác (ví dụ như khe hở được tạo ra bởi chuyển động hoặc khe cắt kẹp).
a) Khe hở khép kín
Các khe hở khép kín có thể tiếp cận được và có mép dưới cao hơn 600 mm so với bệ sàn phải được thử theo D.2.1.
Các đầu dò C hoặc E không được lọt qua bất kỳ khe hở nào trừ khi khe hở đó cũng cho phép đầu dò đầu lớn D lọt qua.
b) Khe hở khép kín một phần và khe hở hình chữ V
Phạm vi 2: (trục chính của khuôn thử nằm trong khoảng từ phương ngang đến +45°); khi đỉnh khuôn tiếp xúc với đáy khe hở, độ sâu của khe hở phải nhỏ hơn phần “A” của khuôn thử. Nếu độ sâu khe hở lớn hơn phần “A”, thì mọi phần phía trên phần “A” phải cho phép chèn được phần vai của khuôn hoặc que D.
Phạm vi 3: Không yêu cầu thử nghiệm bằng khuôn.
Các khe hở khép kín một phần và khe hở hình chữ V có lối vào ở độ cao 600 mm trở lên so với bệ sàn phải được thiết kế sao cho:
1) khe hở không thể tiếp cận được khi thử theo D.2.2 hoặc
2) nếu có thể tiếp cận được ở vị trí cách bệ sàn 600 mm trở lên khi thử theo D.2.2, tùy thuộc vào phạm vi hướng góc của khe hở (xem Hình D.4), phải đáp ứng các điều sau:
Phạm vi 1: (trục chính của khuôn thử lệch ±45° so với phương thẳng đứng); khi đỉnh của khuôn tiếp xúc với đáy khe hở, độ sâu của khe hở phải nhỏ hơn chiều dài từ đỉnh khuôn đến phần dưới của phần vai khuôn.
Phạm vi 2: (trục chính của khuôn thử nằm trong khoảng từ phương ngang đến +45°); khi đỉnh khuôn tiếp xúc với đáy khe hở, độ sâu của khe hở phải nhỏ hơn phần “A" của khuôn thử. Nếu độ sâu khe hở lớn hơn phần “A”, thì mọi phần phía trên phần “A” phải cho phép chèn được phần vai của khuôn hoặc que D.
Phạm vi 3: Không yêu cầu thử nghiệm bằng khuôn.
c) Các khe hở khác (ví dụ như khe hở được tạo ra bởi chuyển động hoặc khe cắt kẹp)
Các bộ phận không cứng (ví dụ như dây thừng) không được chồng chéo lên nhau nếu việc chồng chéo đó tạo ra các khe hở không đáp ứng yêu cầu đối với khe hở khép kín.
4.2.5.3 Bị kẹt quần áo/tóc
Các thiết bị bơm hơi phải được thiết kế sao cho không tạo ra các tình huống nguy hiểm, bao gồm:
a) Các khe hở hoặc khe hình chữ V trong đó một phần của quần áo có thể bị mắc kẹt trong khi hoặc ngay trước khi người sử dụng thực hiện một chuyển động cưỡng bức,
b) Không tạo ra các phần nhô ra mà có thể gây mắc kẹt quần áo.
Các đường trượt phải được thiết kế sao cho các khe hở nằm trong không gian chơi (xem Hình 9) không làm bị kẹt chốt khóa (toggle) khi thử theo D.3.
Không gian hình trụ được nêu trong Hình 9 và các kích thước của hình được nêu trong Bảng 1. Khi xác định không gian chơi, phải tính đến các chuyển động có thể xảy ra của thiết bị chơi và người sử dụng.
CHÚ THÍCH 1 Phép thử kẹt chốt khóa (xem D.3) được giới hạn trong không gian chơi vì kinh nghiệm thực tế cho thấy rằng vật liệu tự nhiên và các kết nối giữa các bộ phận có thể thay đổi theo thời gian. Định nghĩa về không gian chơi (xem 3.22) không bao gồm không gian ba chiều nơi diễn ra chuyển động rơi.
Cần đặc biệt lưu ý khi sử dụng các bộ phận có tiết diện tròn (ví dụ như ống tròn hoặc cột tròn) để tránh tình trạng quần áo bị vướng vào không gian rơi.
Mái che phải được thiết kế sao cho không làm kẹt chốt khóa khi thử theo D.3. Các trục quay và bộ phận chuyển động phải được thiết kế để ngăn ngừa tình trạng tóc hoặc quần áo bị cuốn vào.
CHÚ THÍCH 2 Điều này có thể đạt được bằng cách sử dụng vỏ bọc hoặc tấm chắn phù hợp.

a) Người sử dụng đứng

b) Ví dụ về trượt
Hình 9 - Không gian vận động
Bảng 1 - Kích thước của ống trụ để xác định không gian vận động
Kích thước tính bằng milimét
| Loại sử dụng | Bán kính α | Chiều cao h |
| Đứng | 1 000 | 1 800 |
| Ngồi | 1 000 | 1 500 |
| Treo | 500 | 300 < h < 800, tại vị trí treo |
| CHÚ THÍCH Trong trường hợp treo, h = 300 do khả năng tự treo của người sử dụng | ||
CHÚ THÍCH Trong một số trường hợp, kích thước của không gian vận động có thể thay đổi. Trong một số trường hợp, các kích thước này sẽ được nêu trong các Điều của tiêu chuẩn này bao gồm các loại thiết bị cụ thể.
4.2.5.4 Kẹt ngón tay
Các thiết bị bơm hơi phải được thiết kế sao cho không có các khe hở nguy hiểm có thể khiến ngón tay bị mắc kẹt trong khi phần còn lại của cơ thể vẫn đang di chuyển hoặc tiếp tục chuyển động một cách không chủ động, ví dụ như khi trượt hoặc nảy lên.
Các khe hở nằm trong vùng không gian vận động, nơi người sử dụng chịu chuyển động cưỡng bức, và các khe hở có mép dưới cao hơn 1,0 m so với bệ sàn, khi được thử theo Phụ lục D (D.4), phải đáp ứng một trong các yêu cầu sau:
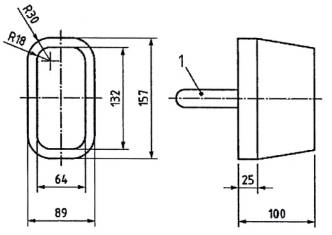
a) Que thăm hình ngón tay 8 mm (xem Hình 2), khi tác dụng lực 30 N, không được lọt qua tiết diện nhỏ nhất của khe hở, và hình dạng khe hở phải được thiết kế sao cho que thăm không thể bị kẹt trong bất kỳ vị trí nào khi được đưa vào theo cách mô tả trong Hình D.10; hoặc
b) Nếu que thăm 8 mm lọt qua được khe hở, thì que thăm ngón tay 25 mm (xem Hình 10), khi tác dụng lực 30 N, cũng phải lọt qua được khe hở, với điều kiện khe hở đó không dẫn đến một vị trí khác có nguy cơ mắc kẹt ngón tay.
Kích thước tính bằng milimét

Hình 10 - Que thăm hình ngón tay 25 mm
4.2.5.5 Cơ thể bị kẹt
Các bề mặt bơm căng tiếp giáp nhau phải cách nhau hơn 120 mm nếu khe hở được tạo ra sâu hơn 200 mm (xem Hình 11).

a) Vị trí ghép nối giữa thành và tháp tại A tạo thành một điểm mắc kẹt. Vị trí ghép nối giữa thành và tháp tại B không tạo thành một điểm mắc kẹt

b) Đường trượt rộng tại B tạo thành điểm mắc kẹt.
Quả bóng cố định tại A không tạo thành điểm mắc kẹt
CHÚ DẪN
| 1 | 1 lâu đài có thành bao nhìn từ trên xuống | 5 | nhỏ hơn 120 mm |
| 2 | mặt cắt khu vực chơi | 6 | điểm ghép nối thành và tháp |
| 3 | điểm ghép nối thành và tháp | 7 | nhỏ hơn 200 mm |
| 4 | lớn hơn 200 mm | 8 | lớn hơn 120 mm |
Hình 11 - Mắc kẹt
Đường ống bơm hơi:
- Đường ống bơm bơm hơi có chiều dài 75 cm trở xuống, theo mục đích của tiêu chuẩn này, được coi là đường ống nén hơi.
- Đường ống có chiều dài từ 75 cm đến 2,0 m phải có đường kính bên trong ít nhất là 50 cm.
- Đường ống có chiều dài hơn 2,0 m phải có đường kính bên trong ít nhất là 75 cm.
Đường ống nén hơi:
- Đường ống nén hơi không được dài quá 75 cm.
- Đường kính của lỗ ban đầu phải ít nhất là 40 cm.
- Lỗ nhỏ nhất của đường ống nén hơi phải cho phép đầu thử lớn đi qua khi tác dụng lực 222 N.
- Toàn bộ chiều dài của tấm nén bên trong phải có khả năng mở rộng đến đường kính ít nhất là 40 cm.
4.2.6 Vật cứng, góc nhọn và cạnh sắc
Không được có góc và/hoặc cạnh sắc nhọn ở bất kỳ bộ phận nào của thiết bị chơi bơm hơi mà người sử dụng có thể tiếp xúc (ví dụ: đường hàn bên ngoài có cạnh thô, góc bơm hơi vuông, góc hình chóp nhọn).
Người sử dụng không được tiếp xúc với bất kỳ vật cứng nào được đặt bên trong hoặc gần kết cấu bơm hơi trong khi đang sử dụng thiết bị hoặc trong quá trình xả hơi do sự cố.
Mọi vật cứng được đặt trên khu vực chơi và được hỗ trợ bằng áp suất không khí phải có hệ thống hỗ trợ độc lập bổ sung.
4.2.7 Lắp đặt điện
Các thiết bị điện phải tuân thủ các quy định hiện hành.
Các thiết bị điều khiển bằng điện không được để công chúng dễ dàng tiếp cận.
Dây cáp điện phải được cố định cách xa người sử dụng và công chúng.
4.2.8 Vị trí lắp đặt
Thiết bị chơi bơm hơi phải được đặt cách xa các nguy cơ có thể xảy ra như đường dây điện trên cao hoặc các vật cản khác có phần nhô ra nguy hiểm (ví dụ như hàng rào và/hoặc cây cối).
Thiết bị chơi bơm hơi không được dựng tại địa điểm có độ dốc lớn hơn 5% theo hướng bất kỳ.
Địa điểm phải được dọn sạch các mảnh vụn và/hoặc vật sắc nhọn trên hoặc gắn vào bề mặt.
Nếu sử dụng hàng rào bao quanh với mục đích kiểm soát đám đông, thì hàng rào đó phải cách thành ít nhất 1,8 m và cách mặt mở ít nhất 3,5 m. Cổng vào phải rộng 1,0 m (xem Hình 12).
Khi thiết bị chơi bơm hơi được đặt trên sàn cứng và vận hành với ít hơn một người giám sát cho mỗi thiết bị chơi bơm hơi, thì khu vực chịu tác động phải được mở rộng thêm 1,5 m để sao cho các sàn cứng bất kỳ mà người sử dụng có thể rơi từ độ cao lớn hơn 630 mm khi không có tải phải được phủ vật liệu giảm chấn tương ứng với chiều cao rơi tới hạn được đo từ mặt đất đến chiều cao rơi có liên quan, ví dụ: đỉnh thành. Yêu cầu này không cần thiết nếu tất cả các khu vực mà người sử dụng có thể rơi xuống nền cứng đều được che chắn an toàn và cố định để giữ người sử dụng (xem Hình 7 d)).

CHÚ DẪN
1 1 ít nhất 1,8 m
2 mặt thành
3 ít nhất 3,5 m
4 mặt hở
5 cổng 1 m
Hình 12 - Vị trí lắp đặt hàng rào bao quanh
Phải duy trì một khu vực thông thoáng, không có bất kỳ vật cản nào có thể gây thương tích xung quanh thiết bị chơi bơm hơi. Phạm vi của khu vực thông thoáng này phải được thiết lập bằng cách chia chiều cao của bệ sàn cao nhất cho hai. Khu vực thông thoáng tối thiểu phải là 1,8 m ở các mặt có thành và 3,5 m ở các mặt hở (xem Hình 13).
Một ngoại lệ đối với nguyên tắc này là khi thiết bị chơi bơm hơi có thành bơm hơi được tựa trực tiếp vào một hoặc nhiều thành cứng, ví dụ như thành của một tòa nhà. Trong trường hợp như vậy, các thành cứng phải cao hơn 2,0 m so với chiều cao bệ sàn cao nhất trừ khi bệ sàn có mái cố định. Việc sử dụng ngoại lệ này sẽ không dẫn đến việc tạo ra thêm các mối nguy hiểm.

CHÚ DẪN
| x Chiều cao của bệ sàn cao nhất | y Phạm vi của khu vực trống |
Hình 13 - Khu vực trống xung quanh thiết bị bơm hơi
4.2.9 Thành bao
Chiều cao thành bao phải được đo từ bề mặt của bệ sàn đến đỉnh thành, vuông góc với sàn.
Thành bao người sử dụng, được gọi là thành ngoài, được yêu cầu khi chiều cao sàn lớn hơn 0,6 m.
Thiết bị chơi bơm hơi có chiều cao sàn từ 0,6 m đến 3,0 m phải có chiều cao thành bao ít nhất bằng chiều cao của người sử dụng. Thành bao cao 1,8 m là đủ cho người sử dụng có chiều cao bất kỳ.
Thiết bị chơi bơm hơi có chiều cao sàn từ 3,0 m đến 6,0 m phải có chiều cao thành bao ít nhất gấp 1,25 lần chiều cao của người sử dụng hoặc khu vực sàn phải được làm mái cố định để chứa người sử dụng.
Thiết bị chơi bơm hơi có chiều cao sàn trên 6,0 m phải có thành bao và mái cố định (xem Hình 14).
Chiều cao bên trong tối thiểu của các thành bao và mái cố định đó, được đo từ bề mặt bệ sàn đến mặt dưới của mái, phải ít nhất là 0,75 m.
Kích thước tính bằng milimét

CHÚ DẪN
1 không cần thành bao
2 cần thành bao có chiều cao bằng người sử dụng
3 cần thành bao cao gấp 1,25 lần chiều cao người sử dụng
4 phương án thay thế cho 3, thêm mái cố định
5 cần cả thành bao và mái cố định
Hình 14 - Chiều cao thành bao trên các bệ sàn
4.2.10 Chiều cao thành trên dốc
Độ dốc nhỏ hơn 30° sẽ được coi là một bệ sàn.
Chiều cao thành bao trên các dốc sẽ được đo từ bề mặt của dốc đến đỉnh thành, vuông góc với dốc.
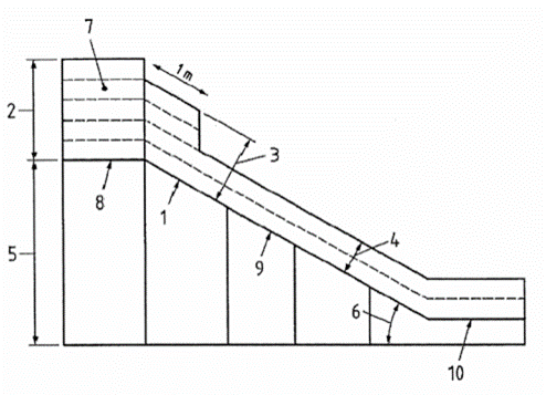
Chiều cao của các thành bao trên dốc của cầu trượt hoặc đường leo dốc có độ nghiêng hơn 30° phải bằng ít nhất 50% chiều cao của người sử dụng trong mét đầu tiên ở đỉnh và ít nhất 50% chiều cao của người sử dụng trong phần còn lại (xem Hình 15).
Trên dốc hoặc đường leo dốc cao hơn 6,0 m, phải lắp thành bao và mái che cố định. Chiều cao bên trong tối thiểu của các thành bao và mái che đó, được đo từ bề mặt của dốc đến mặt dưới của mái, phải là 75 cm.
Đối với các tổ hợp đường trượt/nhún, trong đó chiều cao của sàn cao nhất là 1,5 m hoặc thấp hơn (tính từ mặt đất) và người sử dụng buộc phải ngồi hoặc khom người khi vào đường trượt, thì các thành bao quanh dốc cao 750 mm phải cao ít nhất 50% chiều cao của người sử dụng và thành bao phần còn lại của dốc phải cao ít nhất 300 mm.

CHÚ DẪN
| 1 | mét đầu tiên của dốc | 6 | hơn 30° |
| 2 | chiều cao thành | 7 | thành |
| 3 | chiều cao người sử dụng | 8 | bề mặt sàn |
| 4 | 50% chiều cao người sử dụng | 9 | bề mặt trượt |
| 5 | độ cao sàn | 10 | vùng giảm tốc |
Hình 15 - Chiều cao thành bao trên dốc
4.2.11 Khu vực giảm tốc
Tất cả các đường trượt phải bao gồm một phần khu vực giảm tốc ở phía dưới, khu vực này phải có độ nghiêng trung bình không quá 10°.
Chiều dài của khu vực giảm tốc, được đo từ điểm cuối của bán kính hoặc góc tại đáy đường trượt, phải ít nhất bằng 50% chiều cao của bệ cao nhất của đường trượt, được đo từ mặt đất và trong mọi trường hợp, tối thiểu là 300 mm.
Khi lắp thành dừng ở cuối khu vực giảm tốc, phải thêm 50 cm vào chiều dài khu vực giảm tốc. Chiều cao của thành dừng phải ít nhất bằng chiều cao của người sử dụng. Nếu được lắp, chiều cao của các thành bao ở hai bên khu vực giảm tốc, phải ít nhất bằng 50% chiều cao của người sử dụng.
4.2.12 Thông gió
Khu vực chơi phải được thông gió tốt.
4.3 Số lượng người sử dụng
Để xác định số lượng người sử dụng an toàn tối đa được phép chơi trên thiết bị chơi bơm hơi cùng một lúc, nhà thiết kế phải xem xét tất cả các trường hợp có thể ảnh hưởng đến số lượng người sử dụng an toàn.
Các yếu tố này bao gồm:
a) chiều cao của người sử dụng
b) kích thước của khu vực chơi;
c) loại hoạt động, ví dụ như nhún, trượt;
d) các hình dạng thiết bị bơm hơi được đặt trên khu vực chơi;
e) lối vào và lối ra.
Danh sách này chưa đầy đủ.
4.4 Giám sát
Không được sử dụng thiết bị chơi bơm hơi nếu không có người giám sát.
Khi thiết bị chơi bơm hơi không có người giám sát, phải xả hơi và ngắt nguồn điện.
Bộ phận giám sát sẽ xác định số lượng và tính phù hợp của nhân viên giám sát cần thiết để vận hành thiết bị chơi bơm hơi an toàn bằng cách xem xét các vấn đề như số lượng người sử dụng tối đa được ghi nhãn trên thiết bị chơi bơm hơi, độ tuổi của người sử dụng, môi trường sử dụng thiết bị chơi bơm hơi, khả năng quan sát các khu vực chơi và thông tin do nhà sản xuất/nhà cung cấp cung cấp. Nhân viên giám sát bao gồm một người vận hành và nhiều người phục vụ theo quyết định của bộ phận giám sát. Nhân viên giám sát phải dễ dàng nhận diện.
5 Phương pháp thử và báo cáo
Trước khi thử nghiệm, thiết bị phải được lắp ráp theo hướng dẫn của nhà sản xuất/nhà cung cấp. Phép thử phải được thực hiện bằng phương pháp phù hợp nhất, ví dụ như đo đạc, kiểm tra trực quan, thử nghiệm thực tế.
Báo cáo thử nghiệm phải được lập phù hợp với TCVN ISO/IEC 17025:2017, 7.8.2.1 và bao gồm ít nhất các thông tin sau:
a) viện dẫn tiêu chuẩn này;
b) thông tin chi tiết về thiết bị được thử nghiệm;
c) thông tin chi tiết về tình trạng của thiết bị bao gồm mọi khuyết tật được quan sát thấy;
d) kết quả thử nghiệm.
Báo cáo thử nghiệm phải được cung cấp theo yêu cầu cho chủ sở hữu/bộ phận giám sát/người vận hành.
6 Thông tin được cung cấp bởi nhà cung cấp/nhà sản xuất
6.1 Thông tin chung về sản phẩm
Nhà cung cấp/nhà sản xuất phải cung cấp thông tin bằng ngôn ngữ phù hợp của quốc gia mà thiết bị chơi sẽ được lắp đặt và sử dụng. Thông tin phải:
a) được in rõ ràng và ở dạng đơn giản;
b) được truyền đạt bằng hình ảnh minh họa bất cứ khi nào có thể;
c) ít nhất bao gồm các chi tiết về lắp đặt, vận hành, kiểm tra và bảo trì.
6.2 Thông tin cung cấp trước
Nhà cung cấp/nhà sản xuất phải cung cấp thông tin liên quan đến tính an toàn của thiết bị trước khi chấp nhận đơn đặt hàng. Thông tin này phải bao gồm ít nhất các thông tin sau đây khi có liên quan:
a) khoảng cách chiều cao và không gian cần thiết để vận hành thiết bị một cách an toàn;
b) yêu cầu về bề mặt;
c) kích thước đóng gói và trọng lượng tổng thể;
d) độ tuổi dự kiến hoặc giới hạn chiều cao và số lượng người sử dụng được phép;
e) chứng nhận phù hợp với tiêu chuẩn này.
6.3 Thông tin lắp đặt
Nhà cung cấp/nhà sản xuất phải cung cấp thông tin lắp đặt bao gồm ít nhất những thông tin sau:
a) danh sách thiết bị;
b) phương pháp neo và số điểm neo;
c) tốc độ gió an toàn tối đa;
d) vị trí, chiều cao và yêu cầu về không gian;
e) độ dốc tối đa cho phép của địa điểm;
f) các biện pháp kiểm soát đám đông;
g) phải giữ người sử dụng tránh xa thiết bị chơi bơm hơi trong quá trình bơm hơi và xả hơi;
h) loại và kích thước máy bơm khí cần thiết.
6.4 Thông tin vận hành
Nhà cung cấp/nhà sản xuất phải cung cấp thông tin vận hành bao gồm ít nhất các thông tin và hướng dẫn sau:
Cần/phải:
a) Giám sát liên tục;
b) Cho phép người sử dụng vào thiết bị bơm hơi một cách có kiểm soát và an toàn;
c) Giới hạn chiều cao tối đa của người sử dụng theo chiều cao thiết kế;
d) Giới hạn số người sử dụng tối đa cùng lúc theo số người thiết kế;
e) Sử dụng ít nhất số lượng nhân viên vận hành tối thiểu;
f) Yêu cầu người sử dụng tháo giày;
g) Yêu cầu người sử dụng tháo các vật cứng, sắc nhọn hoặc nguy hiểm trên người;
h) Yêu cầu người sử dụng tháo kính mắt khi có thể;
i) Cấm ăn, uống và nhai kẹo cao su;
j) Giữ lối vào luôn thông thoáng, không có vật cản;
k) Cấm người sử dụng leo trèo hoặc treo lên các thành bao quanh;
l) Cấm nhào lộn và chơi thô bạo;
m) Người điều khiển và/hoặc nhân viên giám sát phải luôn quan sát hoạt động trên thiết bị bơm hơi;
n) Người điều khiển và/hoặc nhân viên giám sát phải sử dụng còi hoặc tín hiệu khác để thu hút sự chú ý của người sử dụng;
o) Người điều khiển và/hoặc nhân viên giám sát phải tách những người sử dụng lớn hơn, mạnh mẽ hơn khỏi những người nhỏ hơn;
p) Thiết bị bơm hơi phải được sơ tán khi nạp lại nhiên liệu cho quạt gió chạy bằng động cơ đốt trong.
Nhà cung cấp / nhà sản xuất cũng phải cung cấp thông tin về cách thức xử lý trong trường hợp khẩn cấp hoặc tai nạn.
6.5 Thông tin kiểm tra và bảo trì
Nhà cung cấp/nhà sản xuất phải cung cấp thông tin về việc kiểm tra và bảo trì thiết bị. Thông tin phải nêu rõ loại và tần suất kiểm tra.
7 Kiểm tra, bảo trì và thay thế
7.1 Kiểm tra
7.1.1 Yêu cầu chung
Thiết bị chơi bơm hơi phải được kiểm tra theo định kỳ thích hợp để đảm bảo phát hiện và khắc phục kịp thời tình trạng hư hỏng của thiết bị.
7.1.2 Kiểm tra định kỳ
Bộ phận giám sát phải thực hiện hoặc chỉ định một người thực hiện kiểm tra định kỳ.
Việc kiểm tra định kỳ phải được thực hiện trước khi thiết bị được đưa vào sử dụng. Việc kiểm tra phải bao gồm:
- địa điểm phù hợp;
- tất cả các điểm neo đều chắc chắn và đúng vị trí;
- thiết bị phụ trợ đã vào đúng vị trí (ví dụ: thảm giảm chấn);
- không có lỗ thủng hoặc vết rách đáng kể nào trên vải hoặc đường may;
- máy bơm khí đúng loại đang được sử dụng;
- áp suất không khí bên trong đủ để tạo được bề mặt vững chắc và đáng tin cậy;
- không có bộ phận điện nào lộ ra ngoài và không có dây cáp nào bị mòn;
- phích cắm, ổ cắm, công tắc, v.v. không bị hỏng;
- ống nối và máy bơm khí được gắn chặt với nhau;
- máy bơm khí được cố định chắc chắn và lưới bảo vệ của máy bơm khí còn nguyên vẹn.
Không được phép sử dụng thiết bị cho đến khi lỗi được xác định trong quá trình kiểm tra định kỳ đã được sửa chữa.
7.1.3 Kiểm tra hằng năm
Bộ phận giám sát phải đảm bảo việc kiểm tra hàng năm được thực hiện bởi một tổ chức kiểm định và việc kiểm tra này phải bao gồm tất cả các bộ phận của thiết bị bơm hơi và các thiết bị phụ trợ có thể ảnh hưởng đến việc vận hành an toàn của thiết bị. Việc kiểm tra phải bao gồm:
- Báo cáo và chứng nhận kiểm tra trước (nếu có);
- Xác định thiết bị bơm khí và quạt (ví dụ: số seri);
- Hệ thống neo để kiểm tra độ mòn, rách hoặc trầy xước;
- Loại và số lượng neo hoặc vật nặng để đảm bảo tuân thủ yêu cầu thiết kế;
- Cấu trúc bơm hơi để kiểm tra độ mòn hoặc rách vải;
- Thành và tháp (nếu có) để kiểm tra độ chắc chắn và độ thẳng đứng;
- Áp suất không khí bên trong phải đủ để tạo ra một nền vững chắc và đáng tin cậy;
- Dây buộc bên trong phải kiểm tra độ mòn, đặc biệt là ở các đầu dây lỏng hoặc lộ ra;
- Đường hàn của tấm, đường hàn giữa tường và tấm, và các đường hàn giữa thành và tháp;
- Lưới bảo vệ ở cổng vào và cổng ra của máy bơm khí;
- Tình trạng của cánh quạt máy bơm khí và vỏ bảo vệ máy bơm khí;
- Tình trạng của dây điện và/hoặc các lắp đặt điện;
- Kiểm tra sự hiện diện của nắp bình nhiên liệu (đối với quạt động cơ xăng).
Có thể cần phải kiểm tra một số mục này bên trong thiết bị chơi bơm hơi. Danh sách trên là danh sách chưa đầy đủ.
7.2 Bảo trì
7.2.1 Quy định chung
Không được tiến hành sửa chữa khi thiết bị chơi bơm hơi đang được sử dụng.
7.2.2 Bảo dưỡng định kỳ
Các biện pháp phòng ngừa để duy trì mức độ an toàn và hiệu suất. Các biện pháp này bao gồm:
- vệ sinh thiết bị chơi bơm hơi;
- loại bỏ mảnh vụn và chất gây ô nhiễm;
- kiểm soát rỉ sét trên máy bơm khí;
- vệ sinh cửa hút gió của máy bơm khí.
7.2.3 Bảo trì sửa chữa
Các biện pháp sửa chữa các lỗi hoặc khôi phục lại các mức độ an toàn cần thiết. Các biện pháp này bao gồm:
- thay thế các bộ phận bị mòn hoặc bị hỏng;
- sửa chữa các đường hàn/đường may bị rách hoặc tách lớp;
- sửa chữa các khe hở và vết cắt;
- sửa chữa hoặc thay thế các chi tiết có kết cấu hỏng.
7.3 Sự thay thế
Việc thay thế bất kỳ bộ phận nào của thiết bị mà có thể ảnh hưởng đến sự an toàn thiết yếu của thiết bị chỉ được thực hiện sau khi tham khảo ý kiến của nhà cung cấp/nhà sản xuất hoặc người có thẩm quyền. Thiết bị chỉ được đưa vào sử dụng lại khi các thay thế đã được cơ quan có thẩm quyền kiểm tra và chấp nhận.
8 Ghi nhãn
Mỗi thiết bị bơm hơi phải được ghi nhãn rõ ràng và bền với ít nhất các thông tin sau:
- loại và kích thước máy bơm khí yêu cầu;
- chiều cao tối đa của người sử dụng;
- số lượng người sử dụng tối đa;
- số nhận dạng duy nhất;
- năm sản xuất;
- tên và địa chỉ của một trong số nhà cung cấp/nhà sản xuất, nhà nhập khẩu hoặc đại diện được ủy quyền;
- viện dẫn tiêu chuẩn này.
Các ống nối phải được ghi nhãn sao cho không bị nhầm lẫn với bất kỳ ống nào khác, ví dụ như ống kiểm tra, ống xả khí.
Tất cả các nhãn này phải được nhìn thấy rõ ràng khi thiết bị đang được sử dụng.
Mỗi máy bơm khí phải được ghi nhãn rõ ràng và bền với ít nhất các thông tin sau:
- loại và kích thước;
- số nhận dạng duy nhất;
- năm sản xuất;
- tên và địa chỉ của nhà cung cấp/nhà sản xuất;
- viện dẫn tiêu chuẩn này.
Tất cả các nhãn này phải được nhìn thấy rõ ràng khi thiết bị đang được sử dụng.
9 Hồ sơ
Bộ phận giám sát phải lưu giữ hồ sơ và bản ghi chép liên quan đến sự an toàn của thiết bị. Các tài liệu này bao gồm:
- thông tin do nhà cung cấp/nhà sản xuất cung cấp;
- giấy chứng nhận kiểm định và thử nghiệm;
- hồ sơ kiểm định/kiểm tra;
- hồ sơ bảo trì;
- hồ sơ thay thế;
- báo cáo tai nạn.
Phụ lục A
(quy định)
Tính toán số điểm neo
Số lượng điểm neo cần thiết sẽ được tính toán độc lập cho mỗi bên bằng cách sử dụng các công thức và giá trị sau:
Trước tiên, tính lực tác dụng lên mỗi bên, F.
|
| (A.1) |
trong đó
| F | lực; |
| CW | hệ số gió; |
| ρ | mật độ không khí; |
| V | tốc độ gió cực đại; |
| A | diện tích bề mặt tiếp xúc; |
sử dụng các giá trị mặc định sau:
Cw = 115
ρ = 1,24 kg/m3
V = 11,1 m/s (trung bình lực Beaufort 6);
và xác định A, bằng cách đo và/hoặc tính toán.
Tính toán số điểm neo cần thiết bằng cách sử dụng công thức sau:
|
| (A.2) |
làm tròn lên.
Lặp lại việc tính toán này cho mỗi bên.
CHÚ THÍCH Mỗi neo góc được tính 50% cho mỗi bên.
Phụ lục B
(tham khảo)
Thang sức gió Beaufort
Thang Beaufort là thang đo cường độ hoặc vận tốc gió, trong đó các cường độ khác nhau được biểu thị bằng số. Thang này được ông Francis Beaufort xây dựng vào năm 1805 và kể từ đó đã được sửa đổi định kỳ. Thang này dao động từ 0 (yên tĩnh) khi gió dưới 1 dặm/giờ (1,61 km/h) đến 12 (bão) khi gió vượt quá 73 dặm/giờ (117,72 km/h).
Bảng B.1 - Thang sức gió Beaufort
| Lực | Mô tả | Nhận biết | Tốc độ gió | |
| mph | km/h | |||
| 0 | Êm đềm | Khói bốc lên theo chiều thẳng đứng | < 1 | < 1 |
| 1 | Rất nhẹ | Hướng gió thể hiện bằng khói lan, nhưng không phải bằng cánh gió. | 1 đến 3 | 1,1 đến 5,5 |
| 2 | Gió nhẹ vừa phải | Cảm nhận được gió trên khuôn mặt; lá cây xào xạc, cánh gió di chuyển theo gió | 4 đến 7 | 5,6 đến 11 |
| 3 | Gió nhẹ | Lá và cành nhỏ chuyển động liên tục. Gió thổi lá cờ bay nhẹ. | 8 đến 12 | 12 đến 19 |
| 4 | Gió vừa phải | Làm tung bụi và giấy rời. Cành nhỏ bị di chuyển. | 13 đến 17 | 20 đến 28 |
| 5 | Gió mạnh vừa phải | Những cây nhỏ có lá bắt đầu đung đưa. | 18 đến 24 | 29 đến 38 |
| 6 | Gió hơi mạnh | Cành cây lớn chuyển động. Tiếng huýt gió nghe thấy trên đường dây cáp viễn thông. Khó sử dụng ô dù. | 25 đến 30 | 39 đến 49 |
| 7 | Gió mạnh | Toàn bộ cây chuyển động. Cảm thấy bất tiện khi đi ngược gió. | 31 đến 38 | 50 đến 61 |
| 8 | Gió mạnh hơn | Cành cây gãy. Đi bộ bị cản trở. | 39 đến 46 | 62 đến 74 |
| 9 | Gió rất mạnh | Có hư hại nhẹ về mặt kết cấu. Ống khói và đá phiến bị bật ra. | 47 đến 54 | 75 đến 88 |
| 10 | Gió bão | Cây bị bật gốc. Có hư hại đáng kể về mặt kết cấu. | 55 đến 63 | 89 đến 102 |
| 11 | Gió bão dữ dội | Xảy ra thiệt hại trên diện rộng. | 64 đến 72 | 103 đến 117 |
| 12 | Gió bão cực mạnh |
| > 73 | > 118 |
Phụ lục C
(quy định)
Phương pháp thử nối đất

CHÚ DẪN
Nếu d > 1 m thì d1 = 0,5 m
Nếu d < 1 m thì d1 = 1/2 d
1 m = d2
Hình C.1 - Vị trí của khối thử
a) Vẽ một lưới vuông tưởng tượng có kích thước 1,0 m trên bề mặt cần thử, bắt đầu từ vị trí cách mép 0,5 m. Trong trường hợp d nhỏ hơn 1,0 m, điểm thử phải nằm giữa d.
b) Đặt lần lượt khối thử được nêu trong Bảng C.1, vào mỗi điểm mà các đường lưới giao nhau.
c) Trải khối thử được áp dụng tại mỗi điểm trên một vòng tròn có đường kính 36 cm.
Bảng C.1 - Khối thử
| Được thiết kế theo chiều cao của người sử dụng | 1,0 m | 1,2 m | 1,5 m | 1,8 m |
| Khối thử áp dụng | 25 kg | 35 kg | 65 kg | 85 kg |
Phụ lục D
(quy định)
Phương pháp thử mắc kẹt
D.1 Quy định chung
Trừ khi có quy định khác, dung sai của các đầu dò trong phụ lục này như sau:
a) ± 1 mm đối với kích thước; và
b) ± 1° đối với góc.
Trong trường hợp nghi ngờ khi sử dụng đầu dò liên quan đến dung sai, phải thực hiện phép đo chính xác để đảm bảo độ mở phù hợp với kích thước danh nghĩa của đầu dò.
Tất cả các phép thử phải được thực hiện tại điều kiện khắc nghiệt nhất.
D.2 Đầu và cổ bị kẹt
D.2.1 Khe hở khép kín
D.2.1.1 Thiết bị
Đầu dò, như minh họa trong Hình D.1.
D.2.1.2 Cách tiến hành
Chèn lần lượt các đầu dò như minh họa trong Hình D.1 vào mỗi khe hở liên quan. Ghi lại và báo cáo quá trình lọt qua khe hở của bất kỳ đầu dò nào. Nếu có đầu dò bất kỳ không lọt tự do qua khe hở, phải tác dụng lực (222 ± 5) N vào đầu dò đó. Khi sử dụng đầu dò thân, an toàn hơn là dùng lực đưa thân lọt qua khe hở trước vì nếu thân lọt qua thì đầu dò cũng sẽ lọt qua. Chèn đầu dò với trục vuông góc với mặt phẳng của khe hở.
CHÚ THÍCH Kích thước đầu dò đầu dựa trên kích thước dành cho trẻ lớn và do đó, sẽ có dung sai lớn nếu đánh giá thiết bị dành cho trẻ nhỏ sử dụng.
Kích thước tính bằng milimét

a) Đầu dò E (đầu nhỏ)

b) Đầu dò C (thân thử)

c) Đầu dò D (đầu rộng)
CHÚ DẪN
1 tay cầm
Hình D.1 - Đầu dò để xác định đầu và cổ bị kẹt trong các khe hở khép kín
D.2.2 Các khe hở khép kín một phần và khe hở hình chữ V
D.2.2.1 Thiết bị
Khuôn mẫu thử như minh họa trong Hình D.2.
Kích thước tính bằng milimét

CHÚ DẪN
A phần 'A' của đầu dò
B phần ‘B’ của đầu dò
B1 phần vai
Hình D.2 - Khuôn mẫu để đánh giá tình trạng kẹt đầu và cổ trong các khe hở hình chữ V và khe hở khép kín một phần
D.2.2.2 Cách tiến hành
Đặt phần ‘B’ của khuôn mẫu vào giữa và vuông góc với ranh giới của khe hở, như minh họa trong Hình D.3. Ghi lại và báo cáo xem khuôn mẫu có vừa trong phạm vi của khe hở hay không hoặc không thể chèn mẫu vào hết độ dày của khuôn.
Nếu khuôn mẫu thử có thể chèn được vào vào sâu hơn độ dày của mẫu (45 mm), phải áp dụng phần ‘A’ của khuôn mẫu thử sao cho trục chính của khuôn mẫu được căn chỉnh để kiểm tra các mép ngoài cùng của khe hở cũng như trục chính.
Đảm bảo mặt phẳng của khuôn mẫu song song và được áp dụng theo đường thẳng với khe hở, như minh họa trong Hình D.4.
Chèn khuôn mẫu dọc theo khe hở cho đến khi chuyển động của khuôn bị dừng lại do tiếp xúc với ranh giới của khe hở. Ghi lại và báo cáo kết quả bao gồm góc của trục chính khuôn mẫu so với trục đứng và trục ngang (xem Hình D.4) vì điều này sẽ xác định các yêu cầu đạt/không đạt được nêu trong 4.2.5.2. Xem Hình D.5 và Hình D.6 để biết ví dụ về đánh giá đối với các phạm vi góc khác nhau.

a)

b)
CHÚ DẪN
1 tiếp cận được
2 không tiếp cận được
Hình D.3 - Phương pháp chèn phần ‘B’ của khuôn mẫu thử nghiệm


CHÚ DẪN
1 phạm vi 1
2 phạm vi 2
3 phạm vi 3
a góc chèn để đánh giá phạm vi b trục chính của khuôn mẫu
c kiểm tra tất cả các góc chèn
Hình D.4 - Kiểm tra tất cả các góc chèn để xác định phạm vi
Kích thước tính bằng milimét

a) Đạt nếu phần trước đi hoàn toàn vào lỗ đến độ sâu tối đa (độ sâu vai mẫu) 265 mm
Kích thước tính bằng milimét

b) Không đạt

c) Đạt
CHÚ DẪN
> 600 mm = cao hơn 600 mm so với mặt sân chơi
< 600 mm = thấp hơn 600 mm so với mặt sân chơi
Hình D.5 - Phương pháp chèn phần ‘A’ của khuôn mẫu thử vào phạm vi 1

CHÚ DẪN
a) đạt
b) không đạt
1 đầu dò lớn D
Hình D.6 - Phương pháp chèn phần ‘A’ của khuôn mẫu thử sau đó chèn vai của khuôn mẫu hoặc đầu dò D vào phạm vi 2
D.3 Sự kẹt của quần áo (phép thử bật tắt)
D.3.1 Thiết bị
Thiết bị thử, như nêu trong Hình D.7 a), bao gồm:
- chốt khóa, như nêu trong Hình D.7 b), làm bằng polyamit (PA) (ví dụ như nylon), polytetrafluoroethylene (PTFE), được xác định là vật liệu phù hợp;
- chuỗi xích, như nêu trong Hình D.7 c);
- vòng cổ, có thể tháo rời và có độ trượt tốt;
- cột.

| a) Thiết bị thử hoàn chỉnh | b) chốt khóa |

c) Chuỗi xích
CHÚ DẪN
1 1 cột
2 chuỗi xích
3 chốt khóa
4 vòng cổ
Hình D.7 - Thiết bị thử
D.3.2 Cách tiến hành Đường trượt
Đặt thiết bị thử vuông góc với phần bắt đầu của đường trượt, cách điểm chuyển tiếp của phần bắt đầu 200 mm và ở vị trí thành bên thích hợp, như minh họa trong Hình D.8.
Đặt ngẫu nhiên chốt khóa và chuỗi xích dưới tác dụng của trọng lượng của chính nó vào tất cả các vị trí trong phạm vi, mà không cần tác dụng thêm lực hoặc tác động.
CHÚ THÍCH Mục tiêu của phép thử này là mô phỏng chuyển động tự nhiên của chốt quần áo.
Trong trường hợp thiết bị thử bị cản trở, phải tác dụng lực tối đa 50 N theo hướng chuyển động cưỡng bức. Nếu thiết bị được thả ra ở vị trí này trong thiết bị thì sẽ vượt qua phép thử.
Ghi lại và báo cáo vị trí xảy ra sự mắc kẹt chốt khóa hoặc chuỗi xích.
Kích thước tính bằng milimét

| a) Đường trượt hẹp | b) Đường trượt rộng |
CHÚ DẪN
1 Đường tâm
Hình D.8 - Vị trí của thiết bị thử nghiệm trên các đường trượt
D.4 Kẹt ngón tay
D.4.1 Thiết bị, dụng cụ
Que thăm hình ngón tay, như minh họa trong Hình D.9.
D.4.2 Cách tiến hành
Tác dụng que thăm hình ngón tay có đường kính 8 mm vào tiết diện ngang nhỏ nhất của khe hở và nếu que thăm không lọt qua, quay như minh họa trong Hình D.10.
Ghi lại và báo cáo nếu que thăm lọt qua khe hở và nếu dưỡng bị chặn ở bất kỳ vị trí nào khi di chuyển qua cung hình nón được nêu trong Hình D.10.
Nếu que thăm hình ngón tay có đường kính 8 mm lọt qua khe hở, phải tác dụng que thăm hình ngón tay có đường kính 25 mm.
Ghi lại và báo cáo nếu que thăm hình ngón tay có đường kính 25 mm lọt qua khe hở và nếu có, liệu có tiếp cận được đến vị trí kẹt ngón tay khác hay không.
Kích thước tính bằng milimét

a) Que thăm hình ngón tay có đường kính 8 mm

b) Que thăm hình ngón tay có đường kính 25 mm
R bán kính hình cầu
Hình D.9 - Que thăm hình ngón tay

Hình D.10 - Sự quay của que thăm hình ngón tay có đường kính 8 mm
Phụ lục E
(quy định)
Phương pháp thử độ bền xé
E.1 Thiết bị thử độ bền xé hình lưỡi lớn nhất
Máy thử độ bền kéo vải tốc độ di chuyển ngang tự động, quán tính thấp, có phạm vi phù hợp, vận hành bằng điện ở tốc độ (100 ± 10) mm/min. Trong điều kiện sử dụng, sai số của lực tối đa được chỉ định hoặc ghi lại tại bất kỳ điểm nào trong phạm vi sử dụng máy không vượt quá ± 1% lực. Chiều rộng của ngàm kẹp không được nhỏ hơn chiều rộng của mẫu.
E.2 Chuẩn bị mẫu thử
Cắt năm mẫu kích thước 200 mm × 60 mm theo chiều dọc của cuộn và cắt năm mẫu khác theo chiều ngang của cuộn. Các dải phải cách đều nhau trong toàn bộ chiều dài và chiều rộng có thể sử dụng của mẫu và cách mép vải 50 mm.
Trong mỗi mẫu, cắt một lưỡi theo chiều dài 100 mm × 20 mm, như minh họa trong Hình E.1; vẽ đường abcd trên mỗi mặt của mẫu ở khoảng cách 50 mm tính từ đầu lưỡi.
Trong trường hợp vải tráng phủ có độ bền xé cao, nếu lưỡi bị đứt hoặc các sợi bị kéo ra khỏi vải thay vì bị đứt, thì sử dụng các mẫu rộng hơn, kích thước 200mm × 150mm, với lưỡi rộng 50mm.
Kích thước tính bằng milimét

Hình E.1 - Mẫu thử
E.3 Điều hòa
Chuẩn bị mẫu thử theo phương pháp sau. Nếu cần xác định mẫu thử ướt, ngâm hoàn toàn mẫu thử trong dung dịch nước của chất làm ướt không ion có nồng độ không quá 0,1% (m/m) trong tối thiểu 1 h ở (20 ± 2) °C. Rửa sạch bằng nước và thử trong vòng 1 min sau khi lấy mẫu ra khỏi nước.
E.4 Điều hòa sơ bộ
Khi nền là vật liệu dệt có độ hút ẩm cao hoặc khi phương pháp thử yêu cầu độ chính xác cao, trạng thái cân bằng độ ẩm (tức là trạng thái cân bằng đạt được bởi vải tráng phủ khi sau khi tiếp xúc với không khí chuyển động, không có sự thay đổi đáng kể về khối lượng) phải được tiếp cận từ phía khô của đường cong hồi phục bằng cách xử lý trước các mẫu thử trong môi trường có độ ẩm tương đối không lớn hơn 10% và nhiệt độ từ 60 °C đến 70 °C.
CHÚ THÍCH Không khí có độ ẩm 65% và nhiệt độ 20 °C, khi được gia nhiệt ở áp suất không đổi đến nhiệt độ từ 60 °C đến 70 °C sẽ có độ ẩm tương đối khoảng 5%. Nhiệt độ cao hơn có thể dẫn đến các thay đổi ở một số lớp phủ.
E.5 Yêu cầu đối với môi trường thử nghiệm
Việc sử dụng một trong các môi trường thử nghiệm dưới đây phải được quy định theo tiêu chuẩn hoặc thông số kỹ thuật cụ thể cho từng phép thử hoặc vật liệu. Việc lựa chọn một trong các phương án thay thế này sẽ phụ thuộc vào cách sử dụng phổ biến ở từng quốc gia và các thay đổi phải được ghi trong báo cáo thử nghiệm.
Môi trường ‘A’
- nhiệt độ (20 ± 2) °C - độ ẩm tương đối (65 ± 5) %
Môi trường ‘B’
- nhiệt độ (23 ± 2) °C - độ ẩm tương đối (50 ± 5) %
Môi trường ‘C’ (nhiệt đới)
- nhiệt độ (27 ± 2) °C - độ ẩm tương đối (65 ± 5) %
Môi trường ‘D’ (chỉ kiểm soát nhiệt độ)
- nhiệt độ (23 ± 2) °C
Môi trường ‘E’ (chỉ kiểm soát nhiệt độ nhiệt đới)
- nhiệt độ (27 ± 2) °C
E.6 Phương pháp điều hòa
Các mẫu thử phải được tiếp xúc tự do với môi trường chuẩn ‘A’, ‘B’ hoặc ‘C’ cho đến khi mẫu đạt trạng thái cân bằng. Trạng thái cân bằng với môi trường chuẩn được coi là đạt được khi cân liên tiếp các mẫu thử tiếp xúc tự do với không khí chuyển động, cách nhau 2 h, độ chênh lệch nhỏ hơn 0,1%.
Đối với vải chỉ được tráng phủ một mặt, khuyến nghị tiếp xúc tối thiểu 16 h.
Đối với vải được tráng phủ cả hai mặt, khuyến nghị tiếp xúc tối thiểu 24 h.
Các mẫu thử phải được tiếp xúc tự do với môi trường chuẩn 'D’ hoặc ‘E’ trong thời gian 3 h.
E.7 Cách tiến hành
Tiến hành các phép thử trong môi trường để điều hòa và thử được mô tả ở trên.
Điều chỉnh tốc độ di chuyển của ngàm kẹp của máy thử nghiệm theo mô tả trong phần thiết bị ở trên và chọn giới hạn đo lực phù hợp. Tháo các chốt hãm hoặc chốt chặn bất kỳ ngăn cản chuyển động của thiết bị đo tải trọng. Cài đặt khoảng cách của ngàm kẹp là 100mm.
Kẹp phần lưỡi của mẫu thử trong ngàm kẹp trên sao cho đường bc chỉ vừa đủ nhìn thấy (xem Hình E.2). Tương tự như vậy, kẹp đối xứng phần chân của mẫu thử trong các ngàm kẹp dưới sao cho chỉ vừa đủ nhìn thấy các đường ab và cH và các chân của mẫu thử song song với lực xé.
Cho ngàm kẹp chuyển động. Sau khi mẫu vải xé được 60mm, dừng chuyển động và tháo mẫu thử ra.
Kích thước tính bằng milimét

Hình E.2 - Phương pháp kẹp mẫu
E.8 Tính toán và biểu thị kết quả
Đồ thị thu được có thể bao gồm một dãy pic, như nêu trong Hình E.3, hoặc một đường cong tương đối trơn như trong Hình E.4. Từ năm giá trị cực đại được ghi lại, xác định giá trị trung bình tính bằng newton là độ bền xé dọc hoặc ngang tùy theo việc các sợi dọc hay ngang tương ứng bị rách.

a) Thời gian phản hồi điện tử

b) Phản ứng cơ học tại quán tính thấp
CHÚ THÍCH Xác định giá trị trung vị. Hình E.3 a) minh họa đồ thị điển hình. Một 'pic' là một điểm trên đồ thị mà tại đó độ dốc thay đổi từ dương sang âm. Các điểm được đánh dấu A là các pic, các điểm được đánh dấu B không phải là các pic. Tầm quan trọng của các pic trong đồ thị là chúng tạo ra lực tác dụng lên mẫu tại thời điểm đứt.
CHÚ DẪN
X tải
Y hướng xé (chiều dài đồ thị)
Hình E.3 - Đồ thị điển hình
Giá trị trung bình độ bền xé là giá trị sao cho một nửa số pic có giá trị cao hơn và một nửa có giá trị thấp hơn.
Để xác định giá trị trung vị, đếm tổng số pic (n). Nếu n là số lẻ, thì đếm ngược, bắt đầu từ pic cao nhất, số pic bằng (n + 1)/2. Số pic cuối cùng được đếm là pic trung vị.
Nếu n là số chẵn, giá trị trung vị được lấy là giá trị giữa các đỉnh n/2 và (n/2) + 1.

CHÚ DẪN
X tải trọng
Y hướng xé (chiều dài vết)
CHÚ THÍCH Đồ thị được minh họa không phù hợp để sử dụng trong việc xác định giá trị trung vị. Đồ thị này thường liên quan đến các dụng cụ có quán tính cao và với một số loại nền không phải là vật liệu dệt. Trong những trường hợp như vậy, nếu dụng cụ có khả năng chỉ ra lực trung bình hoặc lực trung bình tác dụng trong quá trình thử nghiệm, có thể báo cáo giá trị này là độ bền xé trung bình, mà không cần tham chiếu đồ thị. Sử dụng đồ thị này khi chỉ yêu cầu các giá trị tối đa.
Hình E.4 - Đồ thị tự động không có pic xác định
E.9 Báo cáo thử nghiệm
Báo cáo thử nghiệm phải bao gồm các thông tin chi tiết sau:
a) mô tả vải tráng phủ;
b) độ bền xé trung bình theo cả chiều dọc và chiều ngang. Nêu rõ rằng kết quả dựa trên các giá trị tối đa và báo cáo phương pháp thử nghiệm đã sử dụng. Nếu thử vải rip-top, phải báo cáo số sọc vải trên một đơn vị chiều dài của mẫu và số sọc vải bị xé trên mẫu thử trong quá trình thử;
c) kích thước mẫu đã sử dụng;
d) thông tin chi tiết về bất kỳ sai lệch nào so với quy trình thử chuẩn;
e) viện dẫn tiêu chuẩn này.
Thư mục tài liệu tham khảo
[1] QCVN 3:2019/BKHCN, Quy chuẩn kỹ thuật quốc gia về An toàn đồ chơi trẻ em
[2] TCVN 12721-1 (EN 1176-1), Thiết bị và bề mặt sân chơi - Phần 1: Yêu cầu an toàn chung và phương pháp thử
[3] Regulation (EC) No 1907/2006 of the European Parliament and of the Council of 18 December 2006 .concerning the Registration, Evaluation, Authorisation and Restriction of Chemicals (REACH), establishing a European Chemicals Agency, amending Directive 1999/45/EC and repealing Council Regulation (EEC) No 793/93 and Commission Regulation (EC) No 1488/94 as well as Council Directive 76/769/EEC and Commission Directives 91/155/EEC, 93/67/EEC, 93/105/EC and 2000/21/EC
[1] Hiện có TCVN 6238-3:2011 (ISO 8124-3:2010), An toàn đồ chơi trẻ em - Phần 3: Giới hạn mức thôi nhiễm của một số nguyên tố độc hại
[2] Hiện có TCVN 12722:2020 (tham khảo EN 1177:2018), Bề mặt sân chơi giảm chấn - Phương pháp thử để xác định độ giảm chấn.
Bạn chưa Đăng nhập thành viên.
Đây là tiện ích dành cho tài khoản thành viên. Vui lòng Đăng nhập để xem chi tiết. Nếu chưa có tài khoản, vui lòng Đăng ký tại đây!