- Tổng quan
- Nội dung
- VB gốc
- Tiếng Anh
- Hiệu lực
- VB liên quan
- Lược đồ
-
Nội dung hợp nhất
Tính năng này chỉ có tại LuatVietnam.vn. Nội dung hợp nhất tổng hợp lại tất cả các quy định còn hiệu lực của văn bản gốc và các văn bản sửa đổi, bổ sung, đính chính... trên một trang. Việc hợp nhất văn bản gốc và những văn bản, Thông tư, Nghị định hướng dẫn khác không làm thay đổi thứ tự điều khoản, nội dung.
Khách hàng chỉ cần xem Nội dung hợp nhất là có thể nắm bắt toàn bộ quy định hiện hành đang áp dụng, cho dù văn bản gốc đã qua nhiều lần chỉnh sửa, bổ sung.
- Tải về
Thông tư 20/2026/TT-BQP quy định mẫu nhà quàn thờ cúng liệt sĩ và vật dụng phục vụ
| Cơ quan ban hành: | Bộ Quốc phòng |
Số công báo:
Số công báo là mã số ấn phẩm được đăng chính thức trên ấn phẩm thông tin của Nhà nước. Mã số này do Chính phủ thống nhất quản lý.
|
Đã biết
|
| Số hiệu: | 20/2026/TT-BQP | Ngày đăng công báo: |
Đã biết
|
| Loại văn bản: | Thông tư | Người ký: | Nguyễn Quang Ngọc |
| Trích yếu: | Quy định mẫu nhà quàn thờ cúng liệt sĩ; giá khiêng, lồng kính, quách, tiểu sành phục vụ công tác quy tập, lễ truy điệu, an táng hài cốt liệt sĩ | ||
|
Ngày ban hành:
Ngày ban hành là ngày, tháng, năm văn bản được thông qua hoặc ký ban hành.
|
11/03/2026 |
Ngày hết hiệu lực:
Ngày hết hiệu lực là ngày, tháng, năm văn bản chính thức không còn hiệu lực (áp dụng).
|
Đang cập nhật |
|
Áp dụng:
Ngày áp dụng là ngày, tháng, năm văn bản chính thức có hiệu lực (áp dụng).
|
Đã biết
|
Tình trạng hiệu lực:
Cho biết trạng thái hiệu lực của văn bản đang tra cứu: Chưa áp dụng, Còn hiệu lực, Hết hiệu lực, Hết hiệu lực 1 phần; Đã sửa đổi, Đính chính hay Không còn phù hợp,...
|
Đã biết
|
| Lĩnh vực: | Chính sách | ||
TÓM TẮT THÔNG TƯ 20/2026/TT-BQP
Quy định về mẫu nhà quàn và vật dụng phục vụ công tác quy tập hài cốt liệt sĩ
Ngày 11/03/2026, Bộ Quốc phòng đã ban hành Thông tư 20/2026/TT-BQP quy định về mẫu nhà quàn thờ cúng liệt sĩ, giá khiêng, lồng kính, quách, tiểu sành phục vụ công tác quy tập, lễ truy điệu, an táng hài cốt liệt sĩ. Thông tư này có hiệu lực từ ngày ký ban hành.
Thông tư này áp dụng cho các đối tượng được quy định tại Điều 2 Nghị định số 281/2025/NĐ-CP của Chính phủ, liên quan đến công tác tìm kiếm, quy tập hài cốt liệt sĩ.
- Mẫu nhà quàn thờ cúng liệt sĩ
Nhà quàn thờ cúng liệt sĩ được thiết kế dạng lắp ghép, có thể tháo rời để dễ dàng vận chuyển và lắp dựng lại. Vật liệu sử dụng phải đảm bảo độ bền, chịu được thời tiết và dễ thi công. Nhà quàn cần có hệ thống chiếu sáng và thông gió phù hợp, ưu tiên ánh sáng tự nhiên. Bên trong, nhà quàn bố trí bàn thờ liệt sĩ và khu vực bảo quản hài cốt, đảm bảo trang nghiêm và phù hợp với phong tục địa phương.
- Giá khiêng, lồng kính, quách, tiểu sành
-
Giá khiêng: Được làm từ kim loại hoặc vật liệu bền tương đương, có tay khiêng hai bên và khay đặt đồ thờ. Giá khiêng phải chắc chắn, dễ di chuyển và trang trí hoa văn truyền thống.
-
Lồng kính: Có khung kim loại, bao bọc bằng kính trong suốt, mặt trước có biểu trưng Quốc huy. Lồng kính phải đảm bảo an toàn, không trầy xước và dễ vệ sinh.
-
Quách và tiểu sành: Quách sành bảo vệ tiểu sành bên trong, đảm bảo kín và chắc. Cả hai đều có màu sắc tôn nghiêm và hoa văn truyền thống. Các cơ quan có thể đặt sản xuất theo mẫu hoặc chọn sản phẩm có sẵn đáp ứng tiêu chuẩn.
- Phụ lục kèm theo Thông tư
Thông tư kèm theo Phụ lục I và II quy định chi tiết mẫu nhà quàn, giá khiêng, lồng kính, quách, tiểu sành. Các cơ quan, đơn vị cần tuân thủ mẫu này khi thực hiện công tác quy tập, lễ truy điệu và an táng hài cốt liệt sĩ.
Xem chi tiết Thông tư 20/2026/TT-BQP có hiệu lực kể từ ngày 11/03/2026
Tải Thông tư 20/2026/TT-BQP
| BỘ QUỐC PHÒNG | CỘNG HÒA XÃ HỘI CHỦ NGHĨA VIỆT NAM |
THÔNG TƯ
Quy định mẫu nhà quàn thờ cúng liệt sĩ; giá khiêng, lồng kính, quách,
tiểu sành phục vụ công tác quy tập, lễ truy điệu, an táng hài cốt liệt sĩ
_____________________
Căn cứ Nghị định số 281/2025/NĐ-CP của Chính phủ quy định chế độ, chính sách và công tác bảo đảm đối với cá nhân, tổ chức làm nhiệm vụ tìm kiếm, quy tập hài cốt liệt sĩ;
Căn cứ Nghị định số 01/2022/NĐ-CP của Chính phủ quy định chức năng, nhiệm vụ, quyền hạn và cơ cấu tổ chức của Bộ Quốc phòng, được sửa đổi, bổ sung một số điều bởi Nghị định số 03/2025/NĐ-CP;
Theo đề nghị của Chủ nhiệm Tổng cục Hậu cần - Kỹ thuật;
Bộ trưởng Bộ Quốc phòng ban hành Thông tư quy định mẫu nhà quàn thờ cúng liệt sĩ; giá khiêng, lồng kính, quách, tiểu sành phục vụ công tác quy tập, lễ truy điệu, an táng hài cốt liệt sĩ.
Chương I
QUY ĐỊNH CHUNG
Điều 1. Phạm vi điều chỉnh
Thông tư này quy định mẫu nhà quàn thờ cúng liệt sĩ; giá khiêng, lồng kính, quách, tiểu sành phục vụ công tác quy tập, tổ chức lễ truy điệu, an táng hài cốt liệt sĩ theo quy định tại khoản 1 Điều 12 Nghị định số 281/2025/NĐ-CP ngày 29 tháng 10 năm 2025 của Chính phủ quy định chế độ, chính sách và công tác bảo đảm đối với cá nhân, tổ chức làm nhiệm vụ tìm kiếm, quy tập hài cốt liệt sĩ và trách nhiệm của cơ quan, đơn vị có liên quan.
Điều 2. Đối tượng áp dụng
Thông tư này áp dụng đối với các đối tượng quy định tại Điều 2 Nghị định số 281/2025/NĐ-CP ngày 29 tháng 10 năm 2025 của Chính phủ.
Điều 3. Giải thích từ ngữ
Trong Thông tư này, các từ ngữ dưới đây được hiểu như sau:
1. Nhà quàn thờ cúng liệt sĩ là công trình dạng lắp ghép, sử dụng để thờ cúng, tưởng niệm liệt sĩ trong quá trình tìm kiếm, quy tập; có thể tháo rời một phần hoặc toàn bộ để cơ động, vận chuyển, lắp dựng lại và sử dụng nhiều lần, phù hợp với điều kiện hoạt động của các đội tìm kiếm, quy tập hài cốt liệt sĩ.
2. Giá khiêng là vật dụng dùng để khiêng, đặt, di chuyển hài cốt liệt sĩ trong quá trình tổ chức lễ truy điệu, an táng tại Việt Nam; bảo đảm chắc chắn, an toàn và tính trang nghiêm.
3. Lồng kính là vật dụng bao bọc quách, tiểu sành trong quá trình tổ chức lễ truy điệu, an táng tại Việt Nam; bảo đảm yêu cầu về bảo quản, vệ sinh và tính trang nghiêm.
4. Quách sành là vật dụng bằng sành nung chất lượng cao, dùng để bao bọc bên ngoài tiểu sành, bảo vệ hài cốt liệt sĩ trong quá trình vận chuyển, an táng tại Việt Nam; bảo đảm độ bền, vệ sinh và tính trang nghiêm.
5. Tiểu sành là vật dụng bằng sành nung bảo đảm chất lượng, dùng để đựng hài cốt liệt sĩ sau khi quy tập, đặt trong quách khi an táng tại Việt Nam; bảo đảm độ bền, vệ sinh và tính trang nghiêm.
Chương II
MẪU NHÀ QUÀN THỜ CÚNG LIỆT SĨ; GIÁ KHIÊNG, LÒNG KÍNH, QUÁCH, TIỂU SÀNH
Điều 4. Nhà quàn thờ cúng liệt sĩ
1. Kết cấu và vật liệu
a) Nhà quàn có kết cấu lắp ghép, kiểu mái dốc, có thể tháo lắp từng phần hoặc toàn bộ để vận chuyển, lắp dựng và di chuyển. Vật liệu sử dụng bảo đảm yêu cầu về độ bền, chịu được điều kiện thời tiết, dễ thi công và vận chuyển;
b) Khung nhà sử dụng kết cấu thép; tường bao xung quanh sử dụng tấm panel lắp ghép hoặc vật liệu tương đương; nền nhà sử dụng bê tông hoặc vật liệu phù hợp, bề mặt lát gạch ceramic, granite nhân tạo hoặc vật liệu có tính năng tương đương; mái sử dụng vật liệu chống nóng, chống thấm, bảo đảm điều kiện sử dụng.
2. Chiếu sáng, thông gió
Nhà quàn được bố trí hệ thống chiếu sáng và thông gió phù hợp, ưu tiên sử dụng ánh sáng tự nhiên kết hợp chiếu sáng nhân tạo; có giải pháp thông gió tự nhiên hoặc thông gió cưỡng bức để bảo đảm môi trường bên trong thông thoáng, vệ sinh, đáp ứng yêu cầu tổ chức nghi lễ.
3. Bố trí nội thất, nghi lễ
Bên trong nhà quàn bố trí bàn thờ liệt sĩ; khu vực đặt hòm bảo quản hài cốt liệt sĩ và các trang thiết bị phục vụ nghi lễ được bố trí ở vị trí trang trọng, thuận tiện cho việc thăm viếng, đảm bảo phù hợp với phong tục, tập quán địa phương và điều kiện thực tế của đơn vị làm nhiệm vụ quy tập. Việc bảo quản hài cốt liệt sĩ trong quá trình tìm kiếm, quy tập phải được thực hiện chu đáo, tôn nghiêm; được bọc và đặt trong hòm bảo quản tạm thời tại nhà quàn; bảo đảm tuyệt đối an toàn, vệ sinh và phù hợp với phong tục, truyền thông. Kích thước hòm bảo quản hài cốt liệt sĩ do đơn vị thực hiện nhiệm vụ xác định dựa trên số lượng hài cốt thực tế và quy mô nhiệm vụ; bảo đảm trang nghiêm, phù hợp với không gian bố trí.
4. Yêu cầu: Nhà quàn phải bảo đảm chống ẩm, chống mối mọt, an toàn trong sử dụng, phù hợp thuần phong mỹ tục, bảo đảm tính trang nghiêm, an toàn.
5. Mẫu nhà quàn thờ cúng liệt sĩ quy định tại Phụ lục I kèm theo Thông tư này.
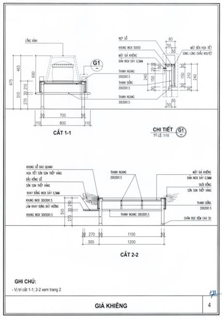
Điều 5. Giá khiêng, lồng kính, quách, tiểu sành
1. Giá khiêng hài cốt liệt sĩ
a) Kết cấu, vật liệu
Giá khiêng được chế tạo từ kim loại hoặc vật liệu có độ bền tương đương, bảo đảm chắc chắn, dễ dàng trong di chuyển. Tay khiêng bố trí phù hợp hai bên; mặt giá phẳng, ổn định. Phía trước bố trí khay đặt đồ thờ (bát hương, lọ hoa, đĩa hoa quả) bảo đảm an toàn, không trượt rơi trong quá trình di chuyển. Khung giá khiêng sử dụng inox hoặc thép sơn tĩnh điện với màu sắc trang nghiêm;
b) Trang trí
Giá khiêng được trang trí hoa văn truyền thống bảo đảm sự tôn nghiêm của nghi lễ truy điệu liệt sĩ; khung trang trí sử dụng vật liệu gỗ hoặc vật liệu phù hợp khác, bảo đảm tính thẩm mỹ, tôn nghiêm;
c) Yêu cầu: Bền, chắc, dễ lau chùi, vệ sinh, bảo đảm tôn nghiêm.
2. Lồng kính
a) Kết cấu, vật liệu
Lồng kính có khung bằng kim loại hoặc vật liệu phù hợp, bao bọc xung quanh bằng kính hoặc vật liệu trong suốt tương đương, để hở mặt đáy; mặt trước bố trí biểu trưng Quốc huy nước Cộng hòa xã hội chủ nghĩa Việt Nam;
b) Yêu cầu: Bề mặt trong suốt, không trầy xước, dễ vệ sinh, bảo đảm tôn nghiêm, an toàn, chống va đập trong quá trình sử dụng.
3. Quách, tiểu sành:
a) Kết cấu: Quách sành dùng để bảo vệ tiểu sành bên trong; tiểu sành đặt lọt trong quách, bảo đảm kín, chắc;
b) Hình thức, màu sắc: Quách và tiểu sành có hình khối phù hợp, màu sắc tôn nghiêm; hoa văn trang trí truyền thống, phía trước có thể bố trí biểu trưng ngôi sao theo quy định;
c) Yêu cầu: Bảo đảm mỹ quan, bền, chắc, dễ vận chuyển, bảo đảm vệ sinh và tính tôn nghiêm;
d) Tổ chức sản xuất, sử dụng
Trường hợp sử dụng với số lượng lớn, cơ quan, đơn vị có thể đặt sản xuất theo mẫu quy định tại Thông tư này; trường hợp sử dụng với số lượng ít, có thể lựa chọn sản phẩm có sẵn trên thị trường đáp ứng yêu cầu, tiêu chuẩn quy định tại Thông tư này.
5. Mẫu giá khiêng, lồng kính, quách, tiểu sành quy định tại Phụ lục II kèm theo Thông tư này.
Chương III
ĐIỀU KHOẢN THI HÀNH
Điều 6. Tổ chức thực hiện
1. Tổng cục Hậu cần - Kỹ thuật
Chủ trì, phối hợp các cơ quan, đơn vị liên quan hướng dẫn, kiểm tra việc thực hiện quy định tại Thông tư này; tổng hợp tình hình, kết quả thực hiện, kịp thời đề xuất cấp có thẩm quyền điều chỉnh, bổ sung Thông tư này cho phù hợp với thực tiễn.
2. Các cơ quan, đơn vị thuộc Bộ Quốc phòng
a) Quán triệt, tổ chức triển khai thống nhất các nội dung quy định tại Thông tư này;
b) Bảo đảm quản lý, sử dụng nhà quàn, giá khiêng, lồng kính, quách, tiểu sành đúng mục đích, tiết kiệm, hiệu quả.
3. Các cơ quan, tổ chức, địa phương, cá nhân phối hợp trong công tác tìm kiếm, quy tập, truy điệu và an táng hài cốt liệt sĩ
a) Áp dụng mẫu được quy định tại Thông tư này theo điều kiện thực tế;
b) Phối hợp bảo đảm lễ nghi trang nghiêm, đúng quy định.
Điều 7. Hiệu lực thi hành
Thông tư này có hiệu lực thi hành kể từ ngày ký.
Điều 8. Điều khoản chuyển tiếp
1. Các loại nhà quàn, giá khiêng, lồng kính, quách, tiểu sành đã mua, đặt làm hoặc tiếp nhận trước ngày Thông tư này có hiệu lực được tiếp tục sử dụng cho đến khi sử dụng hết (đối với quách, tiểu sành) hoặc hư hỏng, không thể khắc phục (đối với nhà quàn, giá khiêng, lồng kính).
2. Điều kiện để tiếp tục sử dụng nhà quàn, giá khiêng, lồng kính, quách, tiểu sành đã mua, đặt làm hoặc tiếp nhận trước ngày Thông tư này có hiệu lực
a) An toàn, vệ sinh, tôn nghiêm;
b) Phù hợp tổ chức lễ truy điệu, an táng;
c) Thực hiện đầy đủ chế độ quản lý theo quy định tại Thông tư này.
3. Đối với nhà tập kết hài cốt liệt sĩ hiện là công trình mượn của địa phương hoặc nhà tạm
a) Được tiếp tục sử dụng phục vụ nhiệm vụ cho đến khi được trang bị nhà quàn di động theo mẫu quy định tại Thông tư này;
b) Trong quá trình sử dụng phải chủ động sắp xếp, đảm bảo vệ sinh, an toàn và tính tôn nghiêm.
4. Quy định về niên hạn và lộ trình chuẩn hóa
a) Niên hạn sử dụng đối với nhà quàn, giá khiêng, lồng kính quy định tại Thông tư này là 05 năm (tính từ năm trang bị);
b) Việc thay thế sang mẫu quy định tại Thông tư này được thực hiện khi bị hư hỏng, xuống cấp không đảm bảo an toàn, tính tôn nghiêm mà không thể khắc phục, sửa chữa hoặc theo lộ trình quy định tại điểm c khoản này;
c) Các cơ quan, đơn vị, địa phương chủ động rà soát, lập kế hoạch thực hiện lộ trình chuẩn hóa theo mẫu quy định, đảm bảo hoàn thành chậm nhất sau 02 năm kể từ ngày Thông tư này có hiệu lực.
5. Kể từ ngày Thông tư này có hiệu lực, khi mua sắm, đặt làm mới nhà quàn, giá khiêng, lồng kính, quách, tiểu sành thực hiện theo mẫu quy định tại Thông tư này.
Điều 9. Trách nhiệm thi hành
1. Tổng Tham mưu trưởng, Chủ nhiệm Tổng cục Chính trị, Chỉ huy các cơ quan, đơn vị trực thuộc Bộ Quốc phòng và cá nhân có liên quan chịu trách nhiệm thi hành Thông tư này.
2. Người đứng đầu các cơ quan, tổ chức, địa phương trong phạm vi quyền hạn phối hợp tổ chức thực hiện Thông tư này.
3. Quá trình thực hiện, trường hợp có khó khăn, vướng mắc, phát sinh các cơ quan, đơn vị phản ánh về Bộ Quốc phòng (qua Tổng cục Hậu cần - Kỹ thuật) để tổng hợp, báo cáo Thủ trưởng Bộ Quốc phòng xem xét, quyết định./.
| Nơi nhận: | KT. BỘ TRƯỞNG |
Phụ lục I
QUY ĐỊNH MẪU NHÀ QUÀN THỜ CÚNG LIỆT SĨ
(Ban hành kèm theo Thông tư số 20/2026/TT-BQP
ngày 11 tháng 3 năm 2026 của Bộ trưởng Bộ Quốc phòng)
__________________













Phụ lục II
QUY ĐỊNH MẪU GIÁ KHIÊNG,
LỒNG KÍNH, QUÁCH, TIỂU SÀNH PHỤC VỤ CÔNG TÁC
QUY TẬP, LỄ TRUY ĐIỆU, AN TÁNG HÀI CỐT LIỆT SĨ
(Ban hành kèm theo Thông tư số 20/2026/TT-BQP
ngày 11 tháng 3 năm 2026 của Bộ trưởng Bộ Quốc phòng)
_______________








Bạn chưa Đăng nhập thành viên.
Đây là tiện ích dành cho tài khoản thành viên. Vui lòng Đăng nhập để xem chi tiết. Nếu chưa có tài khoản, vui lòng Đăng ký tại đây!
Bạn chưa Đăng nhập thành viên.
Đây là tiện ích dành cho tài khoản thành viên. Vui lòng Đăng nhập để xem chi tiết. Nếu chưa có tài khoản, vui lòng Đăng ký tại đây!