- Tổng quan
- Nội dung
- VB gốc
- Tiếng Anh
- Hiệu lực
- VB liên quan
- Lược đồ
-
Nội dung hợp nhất
Tính năng này chỉ có tại LuatVietnam.vn. Nội dung hợp nhất tổng hợp lại tất cả các quy định còn hiệu lực của văn bản gốc và các văn bản sửa đổi, bổ sung, đính chính... trên một trang. Việc hợp nhất văn bản gốc và những văn bản, Thông tư, Nghị định hướng dẫn khác không làm thay đổi thứ tự điều khoản, nội dung.
Khách hàng chỉ cần xem Nội dung hợp nhất là có thể nắm bắt toàn bộ quy định hiện hành đang áp dụng, cho dù văn bản gốc đã qua nhiều lần chỉnh sửa, bổ sung.
- Tải về
Thông tư 21/2022/TT-BTTTT Quy chuẩn về phơi nhiễm trường điện từ của các trạm gốc điện thoại di động mặt đất công cộng
| Cơ quan ban hành: | Bộ Thông tin và Truyền thông |
Số công báo:
Số công báo là mã số ấn phẩm được đăng chính thức trên ấn phẩm thông tin của Nhà nước. Mã số này do Chính phủ thống nhất quản lý.
|
Đang cập nhật |
| Số hiệu: | 21/2022/TT-BTTTT | Ngày đăng công báo: | Đang cập nhật |
| Loại văn bản: | Thông tư | Người ký: | Nguyễn Mạnh Hùng |
|
Ngày ban hành:
Ngày ban hành là ngày, tháng, năm văn bản được thông qua hoặc ký ban hành.
|
29/11/2022 |
Ngày hết hiệu lực:
Ngày hết hiệu lực là ngày, tháng, năm văn bản chính thức không còn hiệu lực (áp dụng).
|
Đang cập nhật |
|
Áp dụng:
Ngày áp dụng là ngày, tháng, năm văn bản chính thức có hiệu lực (áp dụng).
|
Đã biết
|
Tình trạng hiệu lực:
Cho biết trạng thái hiệu lực của văn bản đang tra cứu: Chưa áp dụng, Còn hiệu lực, Hết hiệu lực, Hết hiệu lực 1 phần; Đã sửa đổi, Đính chính hay Không còn phù hợp,...
|
Đã biết
|
| Lĩnh vực: | Thông tin-Truyền thông |
TÓM TẮT THÔNG TƯ 21/2022/TT-BTTTT
Ngày 29/11/2022, Bộ Thông tin và Truyền thông đã ra Thông tư 21/2022/TT-BTTTT ban hành “Quy chuẩn kỹ thuật quốc gia về phơi nhiễm trường điện từ của các trạm gốc điện thoại di động mặt đất công cộng”.
Theo đó, tỷ lệ phơi nhiễm tổng cộng được xác định theo chu trình gồm 03 bước như sau:
Bước 1, xác định vùng tuân thủ của trạm gốc; nếu người dân có thể tiếp cận không gia trong đường biên tuân thủ (vùng tuân thủ) thì tỷ lệ phơi nhiễm tổng cộng sẽ lớn hơn 1.
Bước 2, xác định vùng liên quan và vùng đo; nếu người dân không có khả năng tiếp cận vào vùng liên quan, nghĩa là không tồn tại vùng đo, thì tỷ lệ phơi nhiễm tổng cộng sẽ nhỏ hơn hoặc bằng 1.
Bước 3, xác định tỷ lệ phơi nhiễm tổng cộng trong vùng đo.
Bên cạnh đó, việc đánh giá toàn diện tỷ lệ phơi nhiễm tổng cộng nhằm xác định tỷ lệ phơi nhiễm tổng cộng lớn nhất trong các khu vực đánh giá nơi mà người dân có thể tiếp cận (nghĩa là vùng đo). Ngoài ra, nếu nhà khai thác thiết lập ranh giới của khu vực cấm nhằm ngăn sự tiếp cận của người dân tới khu vực xung quanh EUT và/hoặc các nguồn liên quan thì việc đánh giá phải được thực hiện tại các điểm đo (PI) nằm sát với các ranh giới này.
Thông tư có hiệu lực từ ngày 01/7/2023.
Xem chi tiết Thông tư 21/2022/TT-BTTTT có hiệu lực kể từ ngày 01/07/2023
Tải Thông tư 21/2022/TT-BTTTT
|
BỘ THÔNG TIN VÀ TRUYỀN THÔNG |
CỘNG HÒA XÃ HỘI CHỦ NGHĨA VIỆT NAM |
THÔNG TƯ
Ban hành “Quy chuẩn kỹ thuật quốc gia về phơi nhiễm trường điện từ của các trạm gốc điện thoại di động mặt đất công cộng”
Căn cứ Luật Tiêu chuẩn và Quy chuẩn kỹ thuật ngày 29 tháng 6 năm 2006;
Căn cứ Luật Viễn thông ngày 23 tháng 11 năm 2009;
Căn cứ Luật Tần số vô tuyến điện ngày 23 tháng 11 năm 2009;
Căn cứ Nghị định số 127/2007/NĐ-CP ngày 01 tháng 8 năm 2007 của Chính phủ quy định chi tiết và hướng dẫn thi hành một số điều của Luật Tiêu chuẩn và Quy chuẩn kỹ thuật;
Căn cứ Nghị định số 78/2018/NĐ-CP ngày 16 tháng 5 năm 2018 của Chính phủ sửa đổi, bổ sung một số điều của Nghị định số 127/2007/NĐ-CP ngày 01 tháng 8 năm 2007 của Chính phủ quy định chi tiết thi hành một số điều Luật tiêu chuẩn và quy chuẩn kỹ thuật;
Căn cứ Nghị định số 48/2022/NĐ-CP ngày 26 tháng 7 năm 2022 của Chính phủ quy định chức năng, nhiệm vụ, quyền hạn và cơ cấu tổ chức của Bộ Thông tin và Truyền thông;
Theo đề nghị của Vụ trưởng Vụ Khoa học và Công nghệ,
Bộ trưởng Bộ Thông tin và Truyền thông ban hành Thông tư quy định Quy chuẩn kỹ thuật quốc gia về phơi nhiễm trường điện từ của các trạm gốc điện thoại di động mặt đất công cộng.
Điều 1. Ban hành kèm theo Thông tư này Quy chuẩn kỹ thuật quốc gia về phơi nhiễm trường điện từ của các trạm gốc điện thoại di động mặt đất công cộng (QCVN 8:2022/BTTTT).
Điều 2. Hiệu lực thi hành
1. Thông tư này có hiệu lực thi hành kể từ ngày 01 tháng 7 năm 2023.
2. Quy chuẩn kỹ thuật quốc gia về phơi nhiễm trường điện từ của các trạm gốc điện thoại di động mặt đất công cộng, Ký hiệu QCVN 8:2010/BTTTT quy định tại Khoản 7 Điều 1 Thông tư số 18/2010/TT-BTTTT ngày 30 tháng 7 năm 2010 của Bộ trưởng Bộ Thông tin và Truyền thông ban hành Quy chuẩn kỹ thuật quốc gia về viễn thông hết hiệu lực thi hành kể từ ngày 01 tháng 7 năm 2023.
Điều 3. Giấy chứng nhận kiểm định trạm gốc điện thoại di động mặt đất công cộng đã được cấp trước ngày Thông tư này có hiệu lực thi hành và đang còn thời hạn được tiếp tục áp dụng cho đến hết thời hạn hiệu lực nêu tại giấy chứng nhận kiểm định.
Điều 4. Chánh Văn phòng, Vụ trưởng Vụ Khoa học và Công nghệ, Thủ trưởng các cơ quan, đơn vị thuộc Bộ Thông tin và Truyền thông, Giám đốc Sở Thông tin và Truyền thông các tỉnh, thành phố trực thuộc Trung ương và các tổ chức, cá nhân có liên quan chịu trách nhiệm thi hành Thông tư này./.
|
Nơi nhận: - Thủ tướng Chính phủ, các Phó Thủ tướng Chính phủ (để b/c); - Các Bộ, cơ quan ngang Bộ, cơ quan thuộc Chính phủ; - UBND các tỉnh, thành phố trực thuộc Trung ương; - Sở TTTT các tỉnh, thành phố trực thuộc Trung ương; - Cục Kiểm tra văn bản QPPL (Bộ Tư pháp); - Công báo, Cổng Thông tin điện tử Chính phủ; - Bộ TTTT: Bộ trưởng và các Thứ trưởng, các cơ quan, đơn vị thuộc Bộ, Cổng thông tin điện tử của Bộ; - Lưu: VT, KHCN (250). |
BỘ TRƯỞNG
Nguyễn Mạnh Hùng |

CỘNG HÒA XÃ HỘI CHỦ NGHĨA VIỆT NAM
QCVN 8:2022/BTTTT
QUY CHUẨN KỸ THUẬT QUỐC GIA
VỀ PHƠI NHIỄM TRƯỜNG ĐIỆN TỪ CỦA CÁC TRẠM GỐC
ĐIỆN THOẠI DI ĐỘNG MẶT ĐẤT CÔNG CỘNG
National technical regulation
on electromagnetic exposure from public land mobile base stations
HÀ NỘI – 2022
Mục lục
1. QUY ĐỊNH CHUNG.. 5
1.1. Phạm vi điều chỉnh. 5
1.2. Đối tượng áp dụng. 5
1.3. Tài liệu viện dẫn. 5
1.4. Chữ viết tắt 5
1.5. Giải thích từ ngữ. 5
2. QUY ĐỊNH KỸ THUẬT. 9
2.1. Giới hạn phơi nhiễm không do nghề nghiệp. 9
2.2. Phương pháp xác định tỷ lệ phơi nhiễm tổng cộng. 9
2.2.1. Mô tả phương pháp. 9
2.2.2. Đánh giá toàn diện tỷ lệ phơi nhiễm tổng cộng. 10
2.3. Phương pháp xác định các vùng. 12
2.3.1. Vùng tuân thủ. 12
2.3.2. Vùng thâm nhập. 14
2.3.3. Vùng liên quan. 14
2.3.4. Vùng đo (DI) 16
2.4. Phương pháp đo. 17
2.4.1. Yêu cầu chung. 17
2.4.2. Yêu cầu về thiết bị đo. 17
2.4.3. Đo băng thông rộng. 18
2.4.4. Đo chọn tần. 19
2.4.5. Xác định giá trị tỷ lệ phơi nhiễm tổng cộng của EUT (TEReut) 20
2.5. Đánh giá tỷ lệ phơi nhiễm tổng cộng. 20
3. QUY ĐỊNH VỀ QUẢN LÝ. 20
4. TRÁCH NHIỆM CỦA TỔ CHỨC, CÁ NHÂN. 21
5. TỔ CHỨC THỰC HIỆN. 21
Phụ lục A (Tham khảo) Xác định vùng tuân thủ. 22
Phụ lục B (Tham khảo) Xác định đường biên của vùng liên quan. 25
Thư mục tài liệu tham khảo. 28
Lời nói đầu
QCVN 8:2022/BTTTT thay thế QCVN 8:2010/BTTTT.
Các yêu cầu kỹ thuật và phương pháp đo của QCVN 8:2022/BTTTT được xây dựng dựa trên cơ sở IEC 62232:2017, ITU-T K.100 (07/2019), ITU-T K.52 (01/2018), TCVN 3718-1:2005 và ICNIRP Guidelines “Guidelines for limiting exposure to electromagnetic fields (100 KHz to 300 GHz).
QCVN 8:2022/BTTTT do Cục Viễn thông biên soạn, Bộ Khoa học và Công nghệ thẩm định, Vụ Khoa học và Công nghệ trình duyệt, Bộ trưởng Bộ Thông tin và Truyền thông ban hành kèm theo Thông tư số 21/2022/TT-BTTTT ngày 29 tháng 11năm 2022.
QUY CHUẨN KỸ THUẬT QUỐC GIA
VỀ PHƠI NHIỄM TRƯỜNG ĐIỆN TỪ CỦA CÁC TRẠM GỐC ĐIỆN THOẠI DI ĐỘNG MẶT ĐẤT CÔNG CỘNG
National technical regulation
on electromagnetic exposure from public land mobile base stations
1. QUY ĐỊNH CHUNG
1.1. Phạm vi điều chỉnh
Quy chuẩn này áp dụng cho các trạm gốc điện thoại di động mặt đất công cộng có ăng ten lắp đặt ngoài trời, hoạt động trong dải tần từ 110 MHz đến 6 GHz.
1.2. Đối tượng áp dụng
Quy chuẩn này áp dụng đối với các cơ quan, tổ chức, doanh nghiệp có trạm gốc điện thoại di động hoạt động phát tín hiệu thông tin di động trên lãnh thổ Việt Nam.
1.3. Tài liệu viện dẫn
IEC 62232:2017 “Determination of RF field strength, power density and SAR in the vicinity of radiocommunication base stations for the purpose of evaluating human exposure”.
1.4. Chữ viết tắt
|
E |
Cường độ trường điện |
Vôn trên mét (V/m) |
|
H |
Cường độ trường từ |
Ampe trên mét (A/m) |
|
S |
Mật độ công suất |
Oát trên mét vuông (W/m2) |
|
|
Tần số |
Héc (Hz) |
|
SAR |
Mức hấp thụ riêng |
Oát trên kilôgam (W/kg) |
|
|
Bước sóng |
Mét (m) |
|
|
Vận tốc ánh sáng trong chân không |
2,997 x 108 m/s |
|
|
Trở kháng không gian tự do |
120 πΩ (~ 377 Ω) |
1.5. Giải thích từ ngữ
1.5.1. Ăng ten (antenna)
Thiết bị thực hiện việc chuyển đổi năng lượng giữa sóng được dẫn hướng (ví dụ trong cáp đồng trục) và sóng trong môi trường không gian tự do, hoặc/và ngược lại. Ăng ten có thể được sử dụng để phát hoặc/và thu tín hiệu vô tuyến;
Trong Quy chuẩn này, nếu không có quy định cụ thể, thuật ngữ ăng ten được dùng để chỉ ăng ten phát.
1.5.2. Máy phát (transmitter)
Thiết bị phát ra tần số vô tuyến điện và được nối với ăng ten cho mục đích truyền thông tin.
1.5.3. Trạm gốc (Base Station - BS)
Thiết bị cố định sử dụng để truyền sóng vô tuyến được sử dụng trong mạng di động mặt đất công cộng. Trong phạm vi của Quy chuẩn này, thuật ngữ trạm gốc bao gồm các máy phát vô tuyến và ăng ten đi kèm.
1.5.4. Thiết bị cần đo kiểm (Equipment Under Test – EUT)
Trạm gốc cần phải đo theo phương pháp đo quy định trong Quy chuẩn này.
1.5.5. Nguồn liên quan (Relevant Source - RS)
Nguồn bức xạ vô tuyến trong dải tần từ 100 KHz đến 6 GHz có tỷ lệ phơi nhiễm lớn hơn 0,05 tại một điểm đo (PI) xác định.
1.5.6. Tính đẳng hướng (isotropy)
Đặc tính vật lý không thay đổi trong mọi hướng.
1.5.7. Ăng ten đẳng hướng theo phương nằm ngang (horizontaly omnidirectional antenna)
Loại ăng ten bức xạ vô tuyến điện có công suất bằng nhau theo mọi hướng trong mặt phẳng ngang.
1.5.8. Ăng ten định hướng (directivity antenna):
Loại ăng ten bức xạ vô tuyến điện theo một hướng nhất định.
1.5.9. Ăng ten thông minh (smart antenna)
Loại ăng ten phát ra chùm tia hẹp đồng thời hướng đến người dùng cá nhân để tối ưu hóa thông tin liên lạc có điều chỉnh định hướng bức xạ công suất tức thời cho từng kênh truyền thông riêng lẻ. Ăng ten thông minh gồm ăng ten đơn lẻ (MIMO) hoặc ăng ten tích hợp nhiều phần tử phát xạ trên một bề mặt bức xạ (mMIMO).
1.5.10. Công suất bức xạ đẳng hướng tương đương (Equivalent Isotropic Radiated Power - EIRP)
Công suất bức xạ đẳng hướng tương đương trung bình theo thời gian được xác định bởi công thức:

Công suất bức xạ đẳng hướng tương đương danh định được xác định bởi công thức:

Hoặc 
Trong đó:
-
: công suất bức xạ đẳng hướng tương đương trung bình, đơn vị oát;
-
: công suất bức xạ đẳng hướng tương đương danh định, đơn vị oát;
-
: công suất bức xạ đẳng hướng tương đương danh định, đơn vị đề xi ben;
-
: tổng công suất đầu ra của các máy phát, đơn vị oát;
-
: tổng công suất đầu ra của các máy phát theo đơn vị đề xi ben;
-
: tổng suy hao từ các máy phát đến ăng ten (ví dụ do combiner, feeder…);
-
: độ tăng ích cực đại của ăng ten tương ứng với ăng ten đẳng hướng;
-
Hệ số phát xạ trung bình theo thời gian.
Đối với trạm gốc sử dụng ăng ten bức xạ thông thường
.
Đối với trạm gốc sử dụng ăng ten bức xạ thông minh
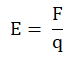
1.5.11. Cường độ trường điện (electric field strength - E)
Độ lớn của véc tơ trường tại một điểm, xác định bằng lực trên một đơn vị điện tích
chia cho điện tích đó:

Cường độ trường điện có đơn vị là V/m.
1.5.12. Cường độ trường từ (magnetic field strength - H)
Độ lớn của véc tơ trường tại một điểm gây ra bởi lực tĩnh điện F lên điện tích q chuyển động với vận tốc v:

Cường độ trường từ có đơn vị là A/m
1.5.13. Điểm đo (Point of Investigation - PI)
Vị trí nằm trong vùng đo (DI) nơi thực hiện đo các giá trị trường điện E, trường từ H hoặc mật độ công suất S.
1.5.14. Điểm tham chiếu (Reference Point - RP)
Đối với ăng ten dạng tấm thì điểm tham chiếu là tâm của tấm phản xạ sau (rear reflector). Đối với ăng ten đẳng hướng theo phương nằm ngang thì điểm tham chiếu là tâm của ăng ten.
1.5.15. Đường biên tuân thủ (Compliance Boundary - CB)
Đường biên tuân thủ của EUT là đường biên giới hạn xung quanh ăng ten phát của EUT mà bên ngoài đường biên đó mức phơi nhiễm do EUT gây ra nhỏ hơn mức phơi nhiễm giới hạn cho phép (không tính đến ảnh hưởng của các nguồn bức xạ khác).
Vùng tuân thủ của EUT là vùng thể tích được bao bởi đường biên tuân thủ, là vùng mà người dân không được tiếp cận.
1.5.16. Vùng liên quan (Relevant domain - RD)
Vùng xung quanh ăng ten, trong đó tỷ lệ phơi nhiễm do ăng ten đó gây nên lớn hơn 0,05.
1.5.17. Vùng thâm nhập (Public Access - PA)
Nơi có thể diễn ra các hoạt động đi lại, sinh hoạt trong điều kiện bình thường của người dân.
1.5.18. Vùng đo (Domain of Investigation - DI)
Phân vùng của vùng liên quan nơi người dân có thể tiếp cận khi trạm gốc đã được đưa vào hoạt động.
1.5.19. Mật độ công suất (power density - S)
Công suất bức xạ tới vuông góc với một bề mặt, chia cho diện tích bề mặt đó. Mật độ công suất có đơn vị là W/m2.
1.5.20. Mật độ công suất sóng phẳng tương đương (equivalent plane wave power density)
Công suất trên một đơn vị diện tích được chuẩn hóa theo phương lan truyền của sóng phẳng trong không gian tự do được biểu diễn bởi:

1.5.21. Mức giới hạn phơi nhiễm (exposure level)
Mức giới hạn phơi nhiễm được dùng để so sánh với các giá trị phơi nhiễm. Trong dải tần từ 100 KHz đến 6 GHz, các mức giới hạn phơi nhiễm có thể là giá trị cường độ trường điện, cường độ trường từ hoặc mật độ công suất.
1.5.22. Mức hấp thụ riêng (Specific Absorption Rate - SAR)
Mức theo thời gian mà năng lượng RF truyền vào một đơn vị khối lượng sinh học, biểu thị bằng Oát trên kilôgam (W/kg).
1.5.23. Phơi nhiễm (exposure)
Hiện tượng xuất hiện khi con người bị đặt trong trường RF hoặc dòng điện tiếp xúc.
1.5.24. Phơi nhiễm không do nghề nghiệp (non-occupational exposure)
Phơi nhiễm không do nghề nghiệp là phơi nhiễm của con người, không phải do trong khi làm việc hoặc do công việc.
1.5.25. Trở kháng không gian tự do (intrinsic impedance of free space)
Tỷ số giữa cường độ trường điện với cường độ trường từ của sóng điện từ lan truyền trong không gian. Trở kháng đặc tính của sóng phẳng trong không gian tự do (trở kháng không gian tự do) xấp xỉ bằng
(hay
).
1.5.26. Tỷ lệ phơi nhiễm (Exposure Ratio)
Thông số được đánh giá tại một vị trí xác định cho mỗi tần số hoạt động của nguồn phát vô tuyến, được biểu diễn bằng tỷ số giữa mật độ công suất sóng phẳng tương đương so với mức giới hạn phơi nhiễm tương ứng.
Trong dải tần từ 100 KHz đến 6 GHz:

Trong đó:
-
: tỷ lệ phơi nhiễm tại mỗi tần số hoạt động của nguồn;
-
: tần số hoạt động của nguồn;
-
: mật độ công suất sóng phẳng tương đương đo được tại tần số
của nguồn;
-
: mức giới hạn phơi nhiễm dẫn xuất dưới dạng mật độ công suất sóng phẳng tương đương tại tần số
;
-
: cường độ trường điện đo được tại tần số
của nguồn;
-
: mức giới hạn phơi nhiễm dẫn xuất dưới dạng cường độ trường điện tại tần số
.
1.5.27. Tỷ lệ phơi nhiễm tổng cộng (Total Exposure Ratio - TER)
Tỷ lệ phơi nhiễm tổng cộng của riêng EUT là giá trị lớn nhất của tổng các giá trị phơi nhiễm của EUT không tính đến các nguồn phơi nhiễm liên quan.
Đối với EUT đa băng tần (N băng tần):

Giá trị lớn nhất của tổng các giá trị phơi nhiễm của EUT và tất cả các nguồn liên quan trong dải tần từ 100 KHz đến 6 GHz:

Trong đó:
-
: tỷ lệ phơi nhiễm của băng tần i;
-
: tỷ lệ phơi nhiễm của EUT;
-
: tỷ lệ phơi nhiễm của tất cả các nguồn liên quan.
2. QUY ĐỊNH KỸ THUẬT
2.1. Giới hạn phơi nhiễm không do nghề nghiệp
Giới hạn phơi nhiễm không do nghề nghiệp đối với dải tần của các trạm gốc điện thoại di động mặt đất công cộng phải tuân thủ Bảng 1 như sau:
Bảng 1 - Giới hạn phơi nhiễm không do nghề nghiệp
|
Dải tần |
Cường độ trường điện (V/m) |
Cường độ trường từ (A/m) |
Mật độ công suất sóng phẳng tương đương (W/m2) |
|
100 kHz - 1 MHz |
87 |
0,23/ f0,5 |
- |
|
1 MHz – 10 MHz |
87/ f0,5 |
0,23/ f0,5 |
- |
|
10 MHz – 6 GHz |
27,5 |
0,073 |
2 |
2.2. Phương pháp xác định tỷ lệ phơi nhiễm tổng cộng
Mục này quy định phương pháp xác định tỷ lệ phơi nhiễm tổng cộng trong các khu vực liên quan nơi người dân có thể tiếp cận.
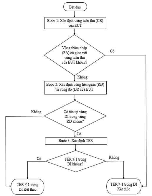
2.2.1. Mô tả phương pháp
Tỷ lệ phơi nhiễm tổng cộng được xác định theo lưu đồ Hình 1.
Chu trình trong Hình 1 được thực hiện theo 3 bước như sau nhằm xác định tỷ lệ phơi nhiễm tổng cộng:
- Bước 1: xác định vùng tuân thủ của trạm gốc theo 2.3.1. Nếu người dân có thể tiếp cận không gian trong đường biên tuân thủ (vùng tuân thủ) thì tỷ lệ phơi nhiễm tổng cộng sẽ lớn hơn 1;
- Bước 2: xác định vùng liên quan và vùng đo theo 2.3.3 và 2.3.4. Nếu người dân không có khả năng tiếp cận vào vùng liên quan, nghĩa là không tồn tại vùng đo, thì tỷ lệ phơi nhiễm tổng cộng sẽ nhỏ hơn hoặc bằng 1;
- Bước 3: xác định tỷ lệ phơi nhiễm tổng cộng trong vùng đo theo 2.2.2.

Hình 1 - Lưu đồ đánh giá tỷ lệ phơi nhiễm tổng cộng
2.2.2. Đánh giá toàn diện tỷ lệ phơi nhiễm tổng cộng
Việc đánh giá toàn diện tỷ lệ phơi nhiễm tổng cộng nhằm xác định tỷ lệ phơi nhiễm tổng cộng lớn nhất trong các khu vực đánh giá nơi mà người dân có thể tiếp cận (nghĩa là vùng đo).
Nếu nhà khai thác thiết lập ranh giới của khu vực cấm nhằm ngăn sự tiếp cận của người dân tới khu vực xung quanh EUT và/hoặc các nguồn liên quan thì việc đánh giá phải được thực hiện tại các điểm đo (PI) nằm sát với các ranh giới này (xem Hình 2).

Hình 2 - Ranh giới vật lý của khu vực cấm nằm trong vùng đo
Tỷ lệ phơi nhiễm tổng cộng được xác định tại các điểm đo (PI, xem 1.5.26) bằng phương pháp mô tả trong 2.4 và 2.5. Bước lấy mẫu (khoảng cách giữa các điểm đo) tối đa là 2 m. Tập hợp các điểm đo phải tạo thành lưới với mắt lưới là hình vuông có kích thước tối đa là 2 m x 2 m.

Hình 3 - Ba vị trí đo tại từng điểm đo
Tại mỗi điểm đo, tỷ lệ phơi nhiễm tổng cộng được xác định là giá trị lớn nhất của các giá trị tỷ lệ phơi nhiễm tổng cộng đo được tại các vị trí đo có độ cao so với mặt sàn nơi người dân tiếp cận là 110 cm, 150 cm và 170 cm và nằm trong vùng đo (DI) như minh họa trong Hình 3.
2.3. Phương pháp xác định các vùng
2.3.1. Vùng tuân thủ
Vùng tuân thủ của ăng ten đẳng hướng theo phương nằm ngang.

Hình 4 - Vùng tuân thủ của ăng ten đẳng hướng theo phương nằm ngang
Vùng tuân thủ của một ăng ten đẳng hướng theo phương nằm ngang là một hình trụ tròn (đường kính là D) và chiều cao bằng độ dài mặt bức xạ ăng ten cộng thêm 0,2m, mở rộng 0,1 m về hai phía trên và dưới của ăng ten (H = h + 0,2m). Hình trụ này có trục trùng với trục của ăng ten (xem Hình 4).
Công thức xác định đường kính của vùng tuân thủ của ăng ten đẳng hướng theo phương nằm ngang (xem Phụ lục A) như sau:

Trong đó:
-
: công suất bức xạ đẳng hướng tương đương của ăng ten;
-
: Mức giới hạn phơi nhiễm không do nghề nghiệp dẫn xuất dưới dạng mật độ công suất sóng phẳng tương đương (W/m2), đối với trạm gốc áp dụng dải tần từ 110 MHz đến 6 GHz được tính bằng 2 W/m2
- D: đường kính của hình trụ (đường kính của vùng tuân thủ);
- H (m): chiều cao của hình trụ (chiều cao của vùng tuân thủ), tính bằng h + 0,2 m;
- h: độ dài mặt bức xạ của ăng ten.
Vùng tuân thủ của ăng ten định hướng

|
a) Mặt phẳng ngang vùng tuân thủ ăng ten định hướng |
b) Mặt phẳng đứng vùng tuân thủ ăng ten định hướng |
Hình 5 - Vùng tuân thủ của ăng ten định hướng
Vùng tuân thủ của một ăng ten định hướng là một hình hộp chữ nhật có đáy là hình chữ nhật (chiều dài D, chiều rộng Df hoặc 2Dside) và chiều cao bằng độ dài mặt bức xạ ăng ten cộng thêm 0,2 m, mở rộng 0,1 m về hai phía trên và dưới của ăng ten (H = h + 0,2 m). Hình hộp này được bắt đầu từ sau ăng ten 0,1 m và có trục song song với trục của ăng ten (xem Hình 5).
Công thức xác định kích thước của vùng tuân thủ của ăng ten định hướng (xem Phụ lục A) như sau:


Trong đó:
-
: Công suất bức xạ đẳng hướng tương đương trung bình của ăng ten;
-
: Mức giới hạn phơi nhiễm không do nghề nghiệp dẫn xuất dưới dạng mật độ công suất sóng phẳng tương đương (W/m2), đối với BS áp dụng dải tần từ 110 MHz đến 6 GHz được tính bằng 2 W/m2;
- D (m): chiều dài cạnh đáy của hình hộp;
-
: Chiều rộng cạnh đáy của hình hộp;
- H (m): chiều cao của hình hộp (chiều cao của vùng tuân thủ), tính bằng h + 0,2 m;
- Db (m): khoảng cách từ điểm tham chiếu của ăng ten đến đường biên vùng tuân thủ phía sau ăng ten bằng 0,1 m;
- Df (m): khoảng cách từ điểm tham chiếu của ăng ten đến đường biên vùng tuân thủ ở phía trước ăng ten (hướng phát sóng chính);
- h: độ dài mặt bức xạ của ăng ten.
2.3.2. Vùng thâm nhập
Vùng thâm nhập được xác định bởi một (hoặc nhiều) không gian có đáy là mặt sàn nơi người dân tiếp cận và chiều cao là 170 cm (xem Hình 6).

Hình 6 - Minh họa vùng thâm nhập
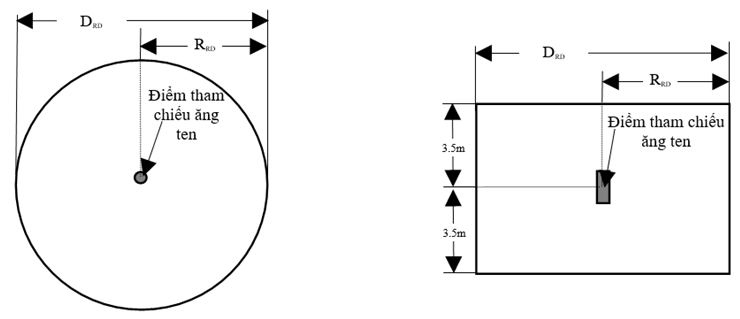
2.3.3. Vùng liên quan
2.3.3.1. Vùng liên quan của ăng ten đẳng hướng theo phương nằm ngang

|
a) Mặt phẳng ngang vùng liên quan của ăng ten đẳng hướng theo phương nằm ngang |
b) Mặt phẳng đứng vùng liên quan của ăng ten đẳng hướng theo phương nằm ngang |
|
|
|
Hình 7 – Vùng liên quan của ăng ten đẳng hướng theo phương nằm ngang
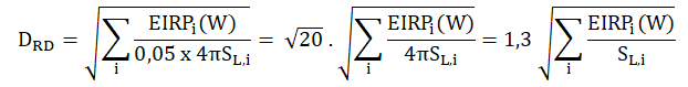
Vùng liên quan của một ăng ten đẳng hướng theo phương nằm ngang là một hình trụ tròn Đường kính là
và chiều cao là
(xem Hình 7).
Đối với ăng ten đơn băng tần:

Đối với ăng ten đa băng tần:

Trong đó:
: đường kính vùng liên quan (m);
: bán kính vùng tuân thủ (xem 2.3.1);
: chiều cao vùng liên quan (m), tính bằng 7 m;
: công suất bức xạ đẳng hướng tương đương (W);
: công suất bức xạ đẳng hướng tương đương của băng tần i (W);
: mức giới hạn phơi nhiễm không do nghề nghiệp dẫn xuất dưới dạng mật độ công suất sóng phẳng tương đương (W/m2), đối với BS áp dụng trong dải tần từ 110 MHz đến 6 GHz được tính bằng 2 W/m2;
: mức giới hạn phơi nhiễm không do nghề nghiệp dẫn xuất dưới dạng mật độ công suất sóng phẳng tương đương của băng tần i (W/m2), đối với BS áp dụng trong dải tần từ 110 MHz đến 6 GHz được tính bằng 2 W/m2.
2.3.3.2. Vùng liên quan của ăng ten định hướng

|
a) Mặt phẳng ngang vùng liên quan của ăng ten định hướng |
b) Mặt phẳng đứng vùng liên quan của ăng ten định hướng |
Hình 8 – Vùng liên quan của ăng ten định hướng
Vùng liên quan của ăng ten định hướng là hình hộp theo hướng phát sóng chính của ăng ten, chiều dài là
, chiều rộng là
và chiều cao là
(xem Hình 8).
- Đối với ăng ten đơn băng tần:

- Đối với ăng ten đa băng tần:



Trong đó:
: kích thước đáy của vùng liên quan (m);
- Df (m): khoảng cách từ điểm tham chiếu của ăng ten đến đường biên vùng tuân thủ ở phía trước ăng ten (xem 2.3.1);
: chiều cao vùng liên quan (m);
: chiều cao tính từ điểm tham chiếu của ăng ten đến mép dưới của vùng liên quan (m);
- EIRP (W): công suất bức xạ đẳng hướng tương đương trung bình (W);
: công suất bức xạ đẳng hướng tương đương trung bình của băng tần i(W);
: mức giới hạn phơi nhiễm không do nghề nghiệp dẫn xuất dưới dạng mật độ công suất sóng phẳng tương đương (W/m2), đối với BS áp dụng dải tần từ 110_MHz đến 6 GHz được tính bằng 2 W/m2;
: mức giới hạn phơi nhiễm không do nghề nghiệp dẫn xuất dưới dạng mật độ công suất sóng phẳng tương đương của băng tần i (W/m2),đối với BS áp dụng dải tần từ 110 MHz đến 6 GHz được tính bằng 2 W/m2;
- α: tổng góc ngẩng (điện + cơ) tính bằng độ;
- Trong trường hợp không xác định được α thì có thể tính bằng
, đây là góc ngẩng thực tế tối đa được lựa chọn để đảm bảo kết quả là ngặt nghèo nhất. Độ cao 3,5 m cũng được lựa chọn tương ứng với chiều cao Hb thực tế cho ăng ten không có góc ngẩng;
- Các công thức trên được áp dụng cho ăng ten nghiêng xuống. Nếu ăng ten nghiêng lên phía trên, các giá trị 3,5 m và
sẽ được hoán đổi.
2.3.4. Vùng đo (DI)
Vùng đo là vùng con của vùng liên quan và nơi người dân có thể tiếp cận, là phần giao nhau giữa vùng liên quan và vùng thâm nhập của trạm gốc (xem Hình 9).

Hình 9 - Minh họa vùng đo của ăng ten đẳng hướng theo phương nằm ngang
2.4. Phương pháp đo
2.4.1. Yêu cầu chung
Có thể sử dụng thiết bị đo băng thông rộng hoặc thiết bị đo chọn tần bao gồm một hoặc nhiều đầu đo để đo kiểm cường độ trường để xác định tỷ lệ phơi nhiễm ER. Hệ thống đo và xử lý phải bao phủ ít nhất dải tần từ 100_KHz đến 6 GHz và cao hơn nếu được yêu cầu.
Công suất bức xạ của EUT tại thời điểm đo yêu cầu phát lớn nhất.
2.4.2. Yêu cầu về thiết bị đo
Thiết bị được sử dụng để đo kiểm phải được hiệu chuẩn ở một số tần số đủ để đạt được độ không đảm bảo đo đã công bố của thiết bị trong dải tần đo. Có thể thực hiện hiệu chuẩn toàn bộ hệ thống hoặc hiệu chuẩn tất cả các bộ phận riêng lẻ của hệ thống.
Trong trường hợp khả năng giải điều chế cụ thể được sử dụng, thiết bị đo cũng phải được hiệu chuẩn cho các tham số quan tâm (ví dụ: đối với WCDMA, tín hiệu CPICH và tín hiệu âm lượng).
Hệ thống đo băng thông rộng được yêu cầu tại Bảng 2.
Bảng 2 - Yêu cầu về hệ thống đo băng thông rộng
|
Đáp ứng tần số
|
Mức phát hiện tối thiểu
|
Dải động
|
Tính tuyến tính
|
Tính đẳng hướng của đầu dò |
|
Từ 900 MHz đến 3 GHz ± 1,5 dB |
< 2 mW/m2 (ví dụ 1 V/m hoặc 0,003 A/m) |
> 40 dB |
± 1,5 dB |
< 2,5 dB đối với đầu dò đẳng hướng |
|
Nhỏ hơn 900 MHz và lớn hơn 3 GHz ± 3 dB |
||||
|
Ăng ten đo và đầu dò (Probe) có đáp ứng đẳng hướng được khuyến khích sử dụng. Trục đơn (ví dụ: dipole lưỡng cực) và ăng ten đo định hướng được phép cung cấp miễn là phép đo được xử lý sau để có được cường độ trường tổng cộng (tương đương với việc đo kiểm bằng đầu dò/ăng ten đo đẳng hướng). |
||||
Hệ thống đo chọn tần được yêu cầu tại Bảng 3.
Bảng 3 - Yêu cầu về hệ thống đo chọn tần
|
Đáp ứng tần số
|
Mức phát hiện tối thiểu
|
Dải động
|
Tính tuyến tính
|
Tính đẳng hướng của đầu dò |
|
Từ 900 MHz đến 3 GHz ± 1,5 dB |
< 0,01 mW/m2 (Ví dụ: 0,06 V/m)
Tỷ số tín hiệu / tạp ở mức tối thiểu 10 dB trên băng thông đo kiểm |
> 60 dB |
± 1,5 dB |
Nhỏ hơn 900 MHz: < 2 dB Từ 900 MHz-3 GHz: <3 dB Lớn hơn 3Gz: < 5 dB |
|
Nhỏ hơn 900 MHz và lớn hơn 3 GHz ± 3 dB |
||||
|
Ăng ten đo và đầu dò có đáp ứng đẳng hướng được khuyến khích sử dụng. Trục đơn (ví dụ: dipole lưỡng cực) và ăng ten đo định hướng được phép cung cấp miễn là phép đo được xử lý sau để có được cường độ trường tổng cộng (tương đương với việc đo kiểm bằng đầu dò/ăng ten đo đẳng hướng) |
||||
2.4.3. Đo băng thông rộng
2.4.3.1. Khả năng áp dụng phép đo băng thông rộng
Phép đo băng thông rộng đưa ra tổng của tất cả các tín hiệu trên dải tần của đầu dò mà không phân biệt sự đóng góp của các tần số khác nhau (từ EUT hoặc từ các nguồn xung quanh). Chúng có thể cho giá trị cường độ trường trung bình tức thời hoặc trung bình theo thời gian.
Phương pháp này đưa ra cường độ trường tại thời điểm quan sát và phù hợp để giám sát cường độ trường.
Phép đo băng thông rộng phù hợp để xác định các mức tổng thể trong môi trường.
Ngoại suy kết quả đo băng thông rộng không được khuyến khích. Phép ngoại suy như vậy có thể dẫn đến kết quả vượt quá giá trị thực tế tùy thuộc vào đặc điểm của đầu dò và đặc tính của tín hiệu EUT / môi trường xung quanh. Do đó, phép đo chọn tần được khuyến nghị khi yêu cầu ngoại suy chính xác.
2.4.3.2. Phương pháp đo băng thông rộng
Lựa chọn công cụ khảo sát băng thông rộng đẳng hướng có phạm vi đo phù hợp từ 100 KHz tới 6 GHz để đo cường độ trường RF và đáp ứng được các yêu cầu về thiết bị băng thông rộng.
Đáp ứng tần số của đầu dò phải bằng phẳng trong dải tần yêu cầu Bảng 2 hoặc phải là nghịch đảo của giới hạn phơi nhiễm phụ thuộc tần số có liên quan để cung cấp khả năng đọc trực tiếp được biểu thị theo tỷ lệ phơi nhiễm có liên quan, ví dụ bằng phần trăm của giới hạn.
2.4.4. Đo chọn tần
2.4.4.1. Khả năng áp dụng phép đo chọn tần
Phép đo chọn tần sử dụng dụng kỹ thuật phân tích phổ hoặc giải mã kênh để tách và xác định nguồn của trạm gốc và các tần số xung quanh được sử dụng:
• Để phân biệt tín hiệu ở các tần số khác nhau;
• Khi các trường xung quanh có thể so sánh với mức của nguồn trạm gốc hoặc vượt quá mức của nguồn trạm gốc;
• Khi cần thông tin để cho phép ngoại suy chính xác từ cấu hình đánh giá sang cấu hình định lượng;
• Trong trường hợp định lượng phơi nhiễm RF tại chỗ, khi mức mật độ công suất vượt quá ngưỡng nhất định.
2.4.4.2. Phương pháp đo chọn tần
Khi sử dụng thiết bị đo chọn tần, đảm bảo thiết bị bao phủ dải tần của các tín hiệu cần đánh giá. Việc đo trên một dải tần rộng trong một số trường hợp có thể cần nhiều hơn một ăng ten đo.
Phép đo cường độ trường RF phải xem xét các đóng góp từ tất cả các hướng / phân cực. Sử dụng ăng ten đẳng hướng là phù hợp nhất cho phép đo này. Các ăng ten khác có thể được sử dụng theo các quy định sau đây.
• Trục đơn (ví dụ: dipole lưỡng cực) có thể được sử dụng để có được cường độ trường RF tổng bằng cách định vị đầu dò theo ba hướng trực giao và tính tổng các kết quả đo được.
• Có thể sử dụng đầu dò hoặc ăng ten đo đẳng hướng để tách các đóng góp từ các hướng khác nhau. Những đóng góp này sẽ được cộng lại để xác định cường độ trường tổng.Tuy nhiên, giá trị này sẽ cao hơn mức giá trị thật.
• Có thể sử dụng ăng ten định hướng cho phương pháp quét cầm tay với điều kiện được định hướng để đọc giá trị cường độ trường RF tối đa.
Mối tương quan giữa các kết quả thu được khi sử dụng ăng ten đẳng hướng và không đẳng hướng có thể bị ảnh hưởng bởi sự hiện diện của tín hiệu đa đường mạnh.
Thực hiện quét phổ rộng ban đầu để xác định các tín hiệu quan tâm cho phân tích tiếp theo.
Đối với các tín hiệu quan tâm (ví dụ: mức cao), tăng độ phân giải đo bằng cách tập trung vào tần số tín hiệu và thực hiện phép đo riêng từng tín hiệu.
Từng dải tần liên quan cần đo phải được phân tích để xác định cài đặt tối ưu cho máy đo chọn tần. Cài đặt băng thông phân giải phải tính đến các tín hiệu của trạm gốc và các trường xung quanh thích hợp
2.4.5. Xác định giá trị Tỷ lệ phơi nhiễm tổng cộng của EUT (TEReut)
Tổng mức phơi nhiễm của EUT được tính bằng tổng các tỷ lệ phơi nhiễm của các băng tần phát của EUT. Giá trị phơi nhiễm tổng cộng được xác định là giá trị lớn nhất đo được trong vùng đo DI:

Trong đó:
là tỷ lệ phơi nhiễm của băng tần i;
TEReut : tổng tỷ lệ phơi nhiễm của EUT, đối với thiết bị đơn băng tần;

Theo quy định tại 2.2.2, tại mỗi điểm đo giá trị được xác định tại 3 vị trí và lấy giá trị lớn nhất.
2.5. Đánh giá tỷ lệ phơi nhiễm tổng cộng
Tỷ lệ phơi nhiễm tổng cộng tại điểm đo (PI) là tổng của M giá trị ER đo được trong toàn bộ dải tần từ 100 KHz đến 6 GHz:

Trong đó: ERf: tỷ lệ phơi nhiễm tại tần số f có giá trị > 0,05;
TER : tổng tỷ lệ phơi nhiễm tại điểm đo;
TEREUT: tổng tỷ lệ phơi nhiểm của EUT;
TERRS tổng tỷ lệ phơi nhiễm của RS.
Nếu tỷ lệ phơi nhiễm tổng cộng nhỏ hơn hoặc bằng một (TER≤1) thì trạm gốc tuân thủ yêu cầu về mức giới hạn phơi nhiễm không do nghề nghiệp.
Nếu tỷ lệ phơi nhiễm tổng cộng lớn hơn một (TER≤1) thì trạm gốc không tuân thủ yêu cầu về mức giới hạn phơi nhiễm không do nghề nghiệp.
3. QUY ĐỊNH VỀ QUẢN LÝ
3.1. Trạm gốc điện thoại di động mặt đất công cộng phải phù hợp các quy định tại Quy chuẩn này.
3.2. Phương tiện đo, thiết bị đo: tuân thủ quy định của pháp luật đo lường.
4. TRÁCH NHIỆM CỦA TỔ CHỨC, CÁ NHÂN
Các doanh nghiệp viễn thông có trách nhiệm đảm bảo các trạm gốc điện thoại di động mặt đất công cộng phù hợp với Quy chuẩn này và chịu sự kiểm tra của cơ quan quản lý nhà nước theo các quy định hiện hành.
5. TỔ CHỨC THỰC HIỆN
5.1. Cục Viễn thông và các Sở Thông tin và Truyền thông có trách nhiệm hướng dẫn và tổ chức triển khai quản lý các trạm gốc điện thoại di động mặt đất công cộng theo Quy chuẩn này.
5.2. Quy chuẩn này được áp dụng thay thế QCVN 8:2010/BTTTT, Quy chuẩn kỹ thuật quốc gia về phơi nhiễm trường điện từ của các trạm gốc điện thoại di động mặt đất công cộng.
5.3. Trong trường hợp các quy định nêu tại Quy chuẩn này có sự thay đổi, bổ sung hoặc được thay thế thì thực hiện theo quy định tại văn bản mới.
5.4. Trong quá trình triển khai thực hiện Quy chuẩn này, nếu có vấn đề phát sinh, vướng mắc, các tổ chức và cá nhân có liên quan phản ánh bằng văn bản về Bộ Thông tin và Truyền thông (Vụ Khoa học và Công nghệ) để được hướng dẫn, giải quyết./.
Phụ lục A
(Tham khảo)
Xác định vùng tuân thủ
A.1. Mặt cắt vùng tuân thủ

|
a) Mặt cắt ngang vùng tuân thủ của ăng ten định hướng qua điểm tham chiếu |
b) Mặt cắt đứng vùng tuân thủ của ăng ten định hướng qua điểm tham chiếu |
Hình A.1 - Mặt cắt vùng tuân thủ của ăng ten định hướng

|
a) Mặt cắt ngang vùng tuân thủ của ăng ten đẳng hướng qua điểm tham chiếu
|
b) Mặt cắt đứng vùng tuân thủ của ăng ten đẳng hướng qua điểm tham chiếu
|
Hình A.2 - Mặt cắt vùng tuân thủ của ăng ten đẳng hướng theo phương nằm ngang
A.2. Diễn giải
Ăng ten định hướng: (Hình A.1)
Trên mặt cắt ngang gọi điểm F là điểm xa nhất so với điểm tham chiếu (RP) theo hướng búp sóng chính của ăng ten định hướng.
Áp dụng mô hình truyền sóng trong không gian tự do, với giả thiết tại điểm F trên đường biên tuân thủ có đặc tính bức xạ trường xa, mật độ công suất tại điểm F sẽ là:

Trong đó:
-
: công suất bức xạ đẳng hướng tương đương trung bình của ăng ten;
-
: khoảng cách từ điểm tham chiếu (RP) đến điểm F;
-
: mật độ công suất tại điểm F.
Theo định nghĩa đường biên tuân thủ thì mật độ công suất tại điểm F bằng mức giới hạn phơi nhiễm dẫn xuất dưới dạng mật độ công suất
. Vì vậy:

Tương tự điểm B là điểm xa nhất so với điểm tham chiếu (RP) theo hướng búp sóng phía sau của ăng ten định hướng:

Đường kính của vùng tuân thủ là 
Như vậy:

Ăng ten đẳng hướng theo phương nằm ngang (Hình A.2).
Chọn điểm A là điểm bất kỳ nằm trên đường biên tuân thủ của ăng ten đẳng hướng Tương tự như trên, do ăng ten định hướng nên 
Như vậy:

A.3 - Ví dụ tính toán kích thước vùng tuân thủ
Ví dụ 1: Tính toán kích thước vùng tuân thủ cho một ăng ten định hướng. Giả thiết một ăng ten định hướng có các thông số sau:
- Tổng công suất phát của các máy phát
(tương đương 51,6 dBm);
- Tổng suy hao từ các máy phát đến ăng ten 
- Độ tăng ích của ăng ten theo hướng búp sóng chính 
- Mức giới hạn phơi nhiễm không do nghề nghiệp (dẫn xuất dưới dạng mật độ công suất sóng phẳng tương đương) tại tần số phát của ăng ten 
- Độ dài mặt bức xạ của ăng ten 
Vùng tuân thủ của ăng ten này có dạng hình hộp như Hình A.1.
Công suất bức xạ đẳng hướng tương đương trung bình theo thời gian:

Tương đương 
Kích thước vùng tuân thủ:



Ví dụ 2: Tính toán kích thước vùng tuân thủ cho một ăng ten định hướng thông minh có các thông số sau:
- Tổng công suất phát của các máy phát
(tương đương 54,6 dBm);
- Tổng suy hao từ các máy phát đến ăng ten 
- Độ tăng ích của ăng ten theo hướng búp sóng chính
;
- Mức giới hạn phơi nhiễm không do nghề nghiệp (dẫn xuất dưới dạng mật độ công suất sóng phẳng tương đương) tại tần số phát của ăng ten 
- Độ dài mặt bức xạ của ăng ten:
Vùng tuân thủ của ăng ten này có dạng hình hộp như Hình A.1.
Công suất bức xạ đẳng hướng tương đương:

Công suất bức xạ đẳng hướng tương đương trung bình:

Kích thước vùng tuân thủ:



Thư mục tài liệu tham khảo
[1] ICNIRP Guidelines “Guidelines for limiting exposure to electromagnetic fields (100 KHz to 300 GHz)”, 2020.
[2] QCVN 8: 2010/BTTTT Quy chuẩn kỹ thuật quốc gia về phơi nhiễm trường điện từ của các trạm gốc điện thoại di động mặt đất công cộng.
[3] IEC 62232:2017 “Determination of RF field strength, power density and SAR in the vicinity of radiocommunication base stations for the purpose of evaluating human exposure”.
[4] IEC 62669:2019 “Case studies supporting IEC 62232 – Determination of RF field strength, power density and SAR in the vicinity of radiocommunication base stations for the purpose of evaluating human exposure”.
[5] ITU-T K.100 (07/2019) - Measurement of radio frequency electromagnetic fields to determine compliance with human exposure limits when a base station is put into service.
[6] ITU-T K.52 (01/2018) - Guidance on complying with limits for human exposure to electromagnetic fields.
[7] ITU-T Series K Supplement 9 (05/2019) - 5G technology and human exposure to RF EMF.
Bạn chưa Đăng nhập thành viên.
Đây là tiện ích dành cho tài khoản thành viên. Vui lòng Đăng nhập để xem chi tiết. Nếu chưa có tài khoản, vui lòng Đăng ký tại đây!
Bạn chưa Đăng nhập thành viên.
Đây là tiện ích dành cho tài khoản thành viên. Vui lòng Đăng nhập để xem chi tiết. Nếu chưa có tài khoản, vui lòng Đăng ký tại đây!



