- Tổng quan
- Nội dung
- Tiêu chuẩn liên quan
- Lược đồ
- Tải về
Tiêu chuẩn Quốc gia TCVN 7618:2007 ISO 15538:2001 Quần áo bảo vệ cho nhân viên chữa cháy
| Số hiệu: | TCVN 7618:2007 | Loại văn bản: | Tiêu chuẩn Việt Nam |
| Cơ quan ban hành: | Bộ Khoa học và Công nghệ | Lĩnh vực: | Khoa học-Công nghệ |
|
Ngày ban hành:
Ngày ban hành là ngày, tháng, năm văn bản được thông qua hoặc ký ban hành.
|
2007 |
Hiệu lực:
|
Đã biết
|
| Người ký: | Đang cập nhật |
Tình trạng hiệu lực:
Cho biết trạng thái hiệu lực của văn bản đang tra cứu: Chưa áp dụng, Còn hiệu lực, Hết hiệu lực, Hết hiệu lực 1 phần; Đã sửa đổi, Đính chính hay Không còn phù hợp,...
|
Đã biết
|
TÓM TẮT TIÊU CHUẨN VIỆT NAM TCVN 7618:2007
Nội dung tóm tắt đang được cập nhật, Quý khách vui lòng quay lại sau!
Tải tiêu chuẩn Việt Nam TCVN 7618:2007
TCVN 7618:2007
ISO 15538:2001
QUẦN ÁO BẢO VỆ CHO NHÂN VIÊN CHỮA CHÁY PHƯƠNG PHÁP THỬ TRONG PHÒNG THÍ NGHIỆM VÀ YÊU CẦU TÍNH NĂNG CHO QUẦN ÁO BẢO VỆ CÓ BỀ MẶT NGOÀI PHẢN XẠ
Protective clothing for firefighters - Laboratory test methods and performance requirements for protective clothing with a reflective outer surface
Lời nói đầu
TCVN 7618:2007 hoàn toàn tương đương ISO 15538:2001.
TCVN 7618: 2007 do Ban kỹ thuật Tiêu chuẩn TCVN/TC 94 Phương tiện bảo vệ cá nhân biên soạn, Tổng cục Tiêu chuẩn Đo lường Chất lượng đề nghị, Bộ Khoa học và Công nghệ công bố.
Lời giới thiệu
Mục đích của tiêu chuẩn này là đưa ra những yêu cầu tính năng tối thiểu đối với quần áo bảo vệ sử dụng trong một số kỹ thuật chữa cháy.
Quần áo bảo vệ phải rộng rãi thoải mái và càng nhẹ càng tốt thích hợp với các rủi ro mà người sử dụng có thể gặp phải.
Việc đánh giá rủi ro cần được thực hiện để xác định loại quần áo bảo vệ phù hợp với tiêu chuẩn này có thích hợp với mục đích sử dụng trong các tình huống đề ra hay không. Việc đánh giá rủi ro cần tính đến cả việc bảo vệ cơ quan hô hấp.
Nhân viên chữa cháy phải được đào tạo về cách sử dụng, giữ gìn và bảo quản loại quần áo bảo vệ phù hợp với tiêu chuẩn này, trong đó bao gồm những hiểu biết về giới hạn của quần áo bảo vệ và tình huống cần thiết phải tháo bỏ các phương tiện bảo vệ cá nhân (PTBVCN) càng nhanh càng tốt khi tai nạn xảy ra.
Tùy thuộc vào việc đánh giá rủi ro, loại quần áo bảo vệ phù hợp với tiêu chuẩn này có thể thích hợp cho các mục đích sử dụng khác ngoài mục đích được đưa ra trong tiêu chuẩn này. Không có một điều khoản nào trong tiêu chuẩn này nhằm hạn chế bất cứ sự ứng dụng, mua sắm hay sản xuất các sản phẩm có tính năng vượt trội hơn những yêu cầu tối thiểu trong tiêu chuẩn.
Danh mục các tiêu chuẩn liên quan tới tiêu chuẩn này được nêu trong thư mục tài liệu tham khảo.
QUẦN ÁO BẢO VỆ CHO NHÂN VIÊN CHỮA CHÁY - PHƯƠNG PHÁP THỬ TRONG PHÒNG THÍ NGHIỆM VÀ YÊU CẦU TÍNH NĂNG CHO QUẦN ÁO BẢO VỆ CÓ BỀ MẶT NGOÀI PHẢN XẠ
Protective clothing for fighters - Laboratory test methods and performance requirements for protective clothing with a reflective outer surface
1. Phạm vi áp dụng
Tiêu chuẩn này quy định phương pháp thử và yêu cầu tính năng tối thiểu cho quần áo bảo vệ có bề mặt là vật liệu có khả năng phản xạ bức xạ nhiệt cao.
Loại quần áo bảo vệ phù hợp với tiêu chuẩn này được dùng để bảo vệ chống ngọn lửa táp và bức xạ nhiệt cao, nó chỉ được mặc trong một khoảng thời gian ngắn.
Tùy thuộc vào việc đánh giá rủi ro, mà loại quần áo này có thể được sử dụng trong một số ngành công nghiệp nhất định và các ứng dụng khác.
Tùy thuộc vào việc đánh giá rủi ro, các loại quần áo bảo vệ khác có thể được sử dụng cùng với sự bảo vệ thích hợp đầu, mặt, bàn tay và bàn chân cũng như cơ quan hô hấp vào những hoạt động chữa cháy và ứng dụng công nghiệp được định ra trong tiêu chuẩn này, ví dụ như loại quần áo phù hợp với yêu cầu của ISO 11613.
Tiêu chuẩn này không xem xét tới những yêu cầu liên quan đến việc bảo vệ đầu (kể cả mặt), bàn tay và bàn chân ngoài các yêu cầu được nêu ra trong điều 4.2 và 4.3. Bất kì các yêu cầu nào khác đối với việc bảo vệ đầu (kể cả mặt), bàn tay và bàn chân do yêu cầu của người sử dụng phải được xác định bởi việc đánh giá rủi ro và được quy định rõ.
2. Tài liệu viện dẫn
Các tài liệu viện dẫn sau rất cần thiết cho việc áp dụng tiêu chuẩn. Đối với các tài liệu viện dẫn ghi năm ban hành thì áp dụng bản được nêu. Đối với các tài liệu viện dẫn không ghi năm ban hành thì áp dụng phiên bản mới nhất, bao gồm cả các sửa đổi.
TCVN 6689:2000 (ISO 13688), Quần áo bảo vệ - Yêu cầu chung.
TCVN 6877:2001 (ISO 9151), Quần áo bảo vệ chống nhiệt và lửa - Xác định độ truyền nhiệt khi tiếp xúc với lửa.
TCVN 6878:2001 (ISO 6942), Quần áo bảo vệ chống nóng và cháy - Phương pháp thử: Đánh giá đặc tính nhiệt của vật liệu và cụm vật liệu khi tiếp xúc với nguồn bức xạ nhiệt.
TCVN 7204-1 (ISO 8782-1), Giày ủng an toàn, bảo vệ và chuyên dụng - Phần 1: Yêu cầu và phương pháp thử.
TCVN 7204-5 (ISO 8782-5), Giày ủng an toàn, bảo vệ và chuyên dụng - Phần 5: Yêu cầu và phương pháp thử bổ sung.
TCVN 7205:2002 (ISO 15025:2000), Quần áo bảo vệ - Quần áo chống nóng và chống cháy - Phương pháp thử lan truyền cháy có giới hạn.
TCVN 7206:2002 (ISO 17493), Quần áo và thiết bị bảo vệ chống nóng - Phương pháp thử độ bền nhiệt đối lưu sử dụng lò tuần hoàn dòng khí nóng.
TCVN 7616:2007 (ISO 15383:2001), Găng tay bảo vệ cho nhân viên chữa cháy - Phương pháp thử trong phòng thí nghiệm và yêu cầu tính năng.
ISO 811, Textile fabrics - Determination of resistance to water penetration - Hydrostatic pressure test (Vải dệt - Xác định độ bền chống thấm nước - Phép thử áp suất thủy tĩnh).
ISO 1421, Rubber - or plastics-coated fabrics - Determination of tensile strength and elongation at break (Vải tráng phủ cao su hoặc nhựa - Xác định độ bền kéo đứt và độ dãn dài khi đứt).
ISO 3175-1, Textiles - Dry cleaning and finishing - Part 1: Method for assessing the cleanability of textiles and garments (Vật liệu dệt - Giặt khô và hoàn tất - Phần 1: Phương pháp đánh giá độ sạch của vật liệu dệt và trang phục).
ISO 4674:1977, Fabrics coated with rubber or plastics - Determination of tear resistance (Vải tráng phủ cao su hoặc nhựa - Xác định độ bền xé).
ISO 4920, Textiles - Determination of resistance to surface wetting (spray test) of fabrics (Vật liệu dệt - Xác định độ bền với thấm ướt bề mặt vải (phép thử phun tia).
ISO 5077, Textiles - Determination of dimensional change in washing and drying (Vật liệu dệt - Xác định sự thay đổi kích thước khi giặt và sấy khô).
ISO 6330:2000, Textiles - Domestic washing and drying procedures for textile testing (Vật liệu dệt - Quy trình giặt và sấy khô cho phép thử vật liệu dệt).
ISO 12127, Clothing for protection against heat and flame - Determination of contact heat transmission through protective clothing or constituent materials (Quần áo bảo vệ chống nhiệt và chống cháy – Xác định sự truyền nhiệt tiếp xúc qua quần áo bảo vệ hoặc vật liệu).
ISO 13934-1, Textiles - Tensile properties of fabrics - Part 1: Determination of maximum force and elongation at maximum force using the strip method (Vật liệu dệt - Đặc tính căng của vải - Phần 1: Xác định lực tối đa và độ dãn dài tại lực tối đa sử dụng phương pháp băng vải).
ISO 13935-2, Textiles - Seam tensile properties of fabrics and made-up textile articles - Part 2: Determination of maximum force to seam rupture using the grab method (Vật liệu dệt - Đặc tính căng của ghép nối của vải và hàng làm từ vật liệu dệt - Phần 2: Xác định lực tối đa để làm đứt ghép nối bằng cách sử dụng phương pháp grab).
ISO 13938-2, Textiles - Bursting properties of fabrics - Part 2: Pneumatic method for determination of bursting strength and bursting distension (Vật liệu dệt - Đặc tính nổ của vải - Phần 2: Phương pháp khi động học xác định độ bền nổ và sự phồng nổ).
3. Thuật ngữ và định nghĩa
Trong tiêu chuẩn này áp dụng các thuật ngữ và định nghĩa sau:
3.1. Quần áo (garment)
đối tượng đơn lẻ của quần áo có thể gồm một hay nhiều lớp.
3.2. Quần áo tổ hợp (clothing ensemble)
tổ hợp của hai hay nhiều loại quần áo được lựa chọn để bảo vệ tổng hợp cơ thể.
3.3. Tổ hợp quần áo (clothing assembly)
các loại quần áo trong và quần áo ngoài được mặc đồng thời với nhau.
3.4. Tổ hợp thành phần (component assembly)
sự kết hợp tất cả các loại vật liệu của một bộ quần áo nhiều lớp giống như kết cấu của một bộ quần áo hoàn chỉnh.
3.5. Hệ thống khóa (closure system)
phương pháp làm kín những chỗ hở trên quần áo bằng cách kết hợp nhiều phương pháp để đạt được độ kín an toàn, ví dụ như hệ thống khóa kéo được phủ ngoài bởi khóa đóng mở nhanh.
CHÚ THÍCH: Thuật ngữ này không đề cập tới phương pháp nối.
3.6. Sự ghép nối (seam)
liên kết chắc chắn hai hay nhiều mảnh vật liệu với nhau bằng bất kỳ phương pháp nào.
3.7. Sự ghép nối chính (main seam)
sự ghép nối cần thiết để đảm bảo tính nguyên vẹn của quần áo.
3.8. Phụ kiện cứng (hardware)
những chi tiết không phải bằng vải được sử dụng trong quần áo bảo vệ, được làm bằng kim loại hoặc nhựa, ví dụ khóa, nhãn phân loại, khuy áo.
4. Quy định chung về thiết kế quần áo
4.1. Quần áo
4.1.1. Quy định chung
Quần áo bảo vệ cho nhân viên chữa cháy phù hợp với tiêu chuẩn này có thể bảo vệ toàn thân gồm đầu, tay và chân, tùy theo việc đánh giá rủi ro. Loại quần áo này gồm:
a) quần áo đơn, hoặc
b) quần áo tổ hợp, hoặc
c) tổ hợp quần áo.
Khi các tổ hợp quần áo được sử dụng để đáp ứng các mức yêu cầu kỹ thuật nhất định của tiêu chuẩn này thì các quần áo khác nhau phải được ghi nhãn rõ ràng để đảm bảo rằng chúng luôn được sử dụng kết hợp (xem điều 9).
Không được che phủ bề mặt phản xạ của lớp quần áo ngoài một cách tùy tiện ngoại trừ vị trí lắp tấm chắn, nếu vừa vặn.
4.1.2. Phụ kiện cứng
Phụ kiện cứng xuyên qua lớp vật liệu bề mặt ngoài không được lộ ra phía bề mặt trong cùng của tổ hợp thành phần.
4.1.3. Túi
Nếu cần thiết phải có túi ngoài, thì chúng phải được làm hoàn toàn bằng vật liệu bề mặt và được che kín bằng nắp túi có kích thước lớn hơn miệng túi 2,5 cm về mỗi phía. Túi ngoài phải có chỗ thoát nước ra phía ngoài của quần áo.
4.1.4. Kích cỡ
Kích cỡ của quần áo được thiết kế phù hợp với TCVN 6689 (ISO 13688).
4.2. Phương tiện bảo vệ bàn tay
Kích cỡ của găng tay phù hợp với TCVN 7616:2007 (ISO 15383:2001).
4.3. Phương tiện bảo vệ bàn chân
Phương tiện bảo vệ chân được đi phía ngoài của ủng như quy định trong TCVN 7204-5 (ISO 8782-5). Nếu quần áo này kết hợp với ủng bảo vệ thì tổ hợp này phải phù hợp với yêu cầu của TCVN 7204-1 (ISO 8782-1).
5. Lấy mẫu và xử lý sơ bộ
5.1. Lấy mẫu
Mẫu thử được lấy từ các vật liệu được sử dụng trong tổ hợp thành phần. Chúng có thể được cắt từ chính quần áo và không bao gồm các phụ kiện khác như đường may, khóa hay phụ kiện cứng.
5.2. Xử lý sơ bộ
Trước khi tiến hành thử các yêu cầu về nhiệt của vật liệu được kim loại hóa và các tổ hợp thành phần có lớp kim loại không thể tách riêng, chúng cần được làm sạch năm lần theo hướng dẫn của nhà sản xuất.
Trước khi tiến hành phép thử bức xạ nhiệt, những vật liệu được kim loại hóa cũng cần phải được xử lý sơ bộ theo phương pháp nêu ra trong Phụ lục A.
Tất cả các vật liệu khác phải được giặt trong máy giặt lồng ngang cửa trước với hàm lượng chất tẩy rửa A là 1 g/l (Phụ lục B của ISO 6330:2000) pha trong nước mềm và sấy khô theo quá trình được đưa ra trong ISO 6330. Quy trình giặt được tiến hành theo ISO 6330:2000 tại nhiệt độ (60 ± 3)oC và sấy khô theo quy trình E (sấy quay) trừ khi có các yêu cầu khác quy định trên nhãn an toàn. Quá trình sấy khô sẽ tuân theo quy trình của ISO 6330. Phải thực hiện quá trình giặt và sấy năm lần. Các loại vật liệu có ghi nhãn quy định rõ chỉ có thể giặt khô sẽ được thực hiện giặt khô năm lần theo ISO 3175-1.
6. Yêu cầu về nhiệt
6.1. Lan truyền ngọn lửa có giới hạn
Mỗi một lớp trong tổ hợp thành phần khi thử nghiệm theo quy trình A của TCVN 7205 (ISO 15025) phải thỏa mãn những yêu cầu sau:
- không có mẫu thử nào có ngọn lửa cháy tới đỉnh hay ra mép ngoài;
- không có mẫu thử nào bị thủng lỗ;
- không có mẫu nào bị nóng chảy hay tạo thành mảnh vụn cháy;
- giá trị trung bình của thời gian cháy ≤ 2 s;
- giá trị trung bình của thời gian tàn cháy ≤ 2 s;
6.2. Truyền nhiệt (bức xạ)
Tổ hợp thành phần khi tiến hành thử nghiệm theo phương pháp B của TCVN 6878 (ISO 6942) với thông lượng nhiệt là 40 kW/m2 sẽ phải đạt được mức đưa ra trong Bảng 1.
Bảng 1 - Truyền nhiệt (bức xạ)
| Cấp độ | T2 s |
| 1 | ≥ 60 |
| 2 | ≥ 120 |
6.3. Truyền nhiệt (đối lưu)
Tổ hợp thành phần khi tiến hành thử nghiệm theo TCVN 6877 (ISO 9151) phải đạt được mức đưa ra trong Bảng 2.
Bảng 2 - Truyền nhiệt (đối lưu)
| Cấp độ | HTI (24oC)a s |
| 1 | ≥ 13 |
| 2 | ≥ 21 |
| a HTI = chỉ số truyền nhiệt (xem TCVN 6877 (ISO 9151) | |
6.4. Nhiệt tiếp xúc
Tổ hợp các thành phần khi tiến hành thử nghiệm theo ISO 12127 tại nhiệt độ tiếp xúc là 300oC phải đạt được các mức đưa ra trong Bảng 3.
Bảng 3 - Nhiệt tiếp xúc
| Cấp độ | Thời gian tới hạn giây |
| 1 | ≥ 10 |
| 2 | ≥ 15 |
6.5. Độ chịu nhiệt
Tất cả các vật liệu được sử dụng trong tổ hợp thành phần và các phụ kiện của hệ thống khóa có tiếp xúc với cơ thể người ngoại trừ tấm chắn, không được nóng chảy, chảy nhỏ giọt hoặc bắt cháy, và không co rút quá 5 % khi tiến hành thử nghiệm tại nhiệt độ (255 ± 10)oC theo phương pháp đưa ra trong TCVN 7206 (ISO 17493).
7. Những yêu cầu cơ học
7.1. Thay đổi kích thước
Các vật liệu trong tổ hợp thành phần khi thử theo ISO 5077 với quy trình làm sạch đưa ra trong điều 5.2 phải có sự thay đổi kích thước ≤ 3 % theo cả chiều dọc và chiều ngang. Khi không phân biệt được chiều dọc và chiều ngang của vật liệu, mẫu có thể được đo và lấy tùy ý theo hai trục vuông góc.
7.2. Độ bền kéo
Vật liệu ngoài được sử dụng trong kết cấu của tổ hợp thành phần phải có độ bền kéo ít nhất là 650 N khi thử cả theo chiều dọc và chiều ngang theo ISO 13934-1, hoặc theo ISO 1421 đối với vật liệu được kim loại hóa.
Khi thử cả theo chiều dọc và chiều ngang, lớp lót trong cùng phải có độ bền kéo ít nhất là 350 N. Khi không phân biệt được chiều dọc và chiều ngang của vật liệu, mẫu có thể được đo và lấy tùy ý theo hai trục vuông góc.
Nếu lớp lót trong cùng là vật liệu dệt kim thì mẫu sẽ được thử theo phương pháp trong ISO 13938-2 và phải có độ chịu bục tối thiểu là 25 kPa.
7.3. Độ bền xé
Vật liệu ngoài được sử dụng trong kết cấu của tổ hợp thành phần phải có độ bền xé ít nhất là 25 N khi thử theo cả chiều dọc và chiều ngang theo phương pháp A2 của ISO 4674:1977, hoặc theo phương pháp A1 của ISO 4674:1977 đối với vật liệu được kim loại hóa, với tốc độ xé là (1,7 ± 0,17) mm/s đối với cả hai phương pháp. Khi không phân biệt được chiều dọc và chiều ngang của vật liệu, mẫu có thể được đo và lấy tùy ý theo hai trục vuông góc.
7.4. Độ bền ghép nối
Tất cả các ghép nối phải được thử theo ISO 13935-2 với tốc độ xé là 300 mm/phút và phải đạt được các kết quả sau:
- Độ bền ghép nối ≥ 650 N đối với ghép nối của vật liệu ngoài khi rách làm lộ lớp lót bên trong, quần áo lót hay da;
- Độ bền ghép nối ≥ 350 N đối với ghép nối của các lớp vật liệu bên trong khi rách làm lộ lớp lót bên trong tiếp theo, quần áo lót hay da;
- Độ bền ghép nối ≥ 180 N đối với tất cả các ghép nối khác.
Ghép nối chính của vật liệu dệt kim phải được thử theo ISO 13938-2 và phải có độ chịu bục ≥ 180 kPa.
8. Yêu cầu khác
8.1. Độ chống thấm nước
Tổ hợp thành phần phải được thử độ chống thấm nước theo ISO 811 với tốc độ tăng áp suất của nước là 10 mbar/min và phải có độ chống thấm nước tối thiểu là 200 cm. Nếu xuất hiện giọt nước là không đạt yêu cầu.
8.2. Thấm ướt bề mặt
Vật liệu ngoài khi thử theo ISO 4920 phải có độ thấm ướt bề mặt ≥ 4.
9. Ghi nhãn
9.1. Nếu các yêu cầu của tiêu chuẩn này chỉ thỏa mãn khi sử dụng quần áo tổ hợp hoặc tổ hợp quần áo thì phải ghi rõ trên nhãn của tất cả các quần áo hay các lớp tổ hợp. Tất cả các yêu cầu về ghi nhãn khác phải phù hợp với ISO 13688.
9.2. Quần áo bảo vệ có tính phản xạ đáp ứng được các yêu cầu của tiêu chuẩn này phải được ghi nhãn với biểu tượng (xem hình 1) cùng với số hiệu của tiêu chuẩn này bao gồm mức của yêu cầu về nhiệt. Nếu như một quần áo không đạt mức 2 như đã đưa ra (6.2, 6.3 và 6.4) thì các quần áo được ghi nhãn là mức 1.

TCVN 7618:2007 (ISO 15538:2001) - Mức 1 hoặc 2
Hình 1 - Biểu tượng ISO 7000-2418
10. Thông tin của nhà sản xuất
Nhà sản xuất phải đưa ra những thông tin về quần áo theo quy định trong TCVN 6689 (ISO 13688).
Ngoài ra nhà sản xuất phải đưa ra những cảnh báo đặc biệt cho người sử dụng về khả năng chịu nhiệt của quần áo khi được sử dụng theo tiêu chuẩn này.
Phụ lục A
(quy định)
Xử lý sơ bộ bằng phương pháp cơ học đối với vật liệu được kim loại hóa
A.1. Nguyên tắc
Hiệu quả của lớp vật liệu bao phủ được kim loại hóa phản xạ bức xạ nhiệt có thể bị giảm mạnh do sử dụng. Phương pháp này được dùng để mô phỏng ảnh hưởng của quá trình sử dụng lặp đi lặp lại. Mẫu thử được xử lý sơ bộ theo phương pháp cơ học bằng một thiết bị đồng thời xoắn và nén mẫu.
A.2. Lấy mẫu
Lấy mẫu thử có kích thước 280 mm x 280 mm từ vật liệu hoặc quần áo. Mẫu có thể bao gồm cả ghép nối nếu như không thể lấy được mẫu có kích thước tương ứng mà không có ghép nối.
Kích thước của mẫu phải vừa đủ để bao phủ quanh chu vi của các đĩa, nhưng chồng lên nhau tại mỗi đầu. Chỉ riêng phần giữa của mẫu được sử dụng để thử. Như vậy hai mẫu (kích thước 230 mm x 70 mm) thử nghiệm có thể được lấy từ các mẫu thử uốn theo TCVN 6878 (ISO 6942).
A.3. Thiết bị, dụng cụ
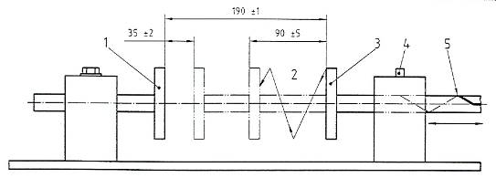
A.3.1. Thiết bị thử (xem Hình A.1), bao gồm 2 đĩa có đường kính (90 ± 1) mm và dày (12 ± 0,5) mm, một đĩa lắp cố định và một đĩa được lắp trên một trục và có thể di chuyển về phía đĩa cố định theo hai giai đoạn:
a) di chuyển thẳng (90 ± 5) mm cùng với chuyển động quay (450 ± 10)o; sau đó
b) di chuyển thẳng không quay.
Nếu khoảng cách ban đầu của hai đĩa là (190 ± 1) mm thì khoảng cách ở vị trí hoàn thành chuyển động thẳng phải là (35 ± 2) mm.
Sự chuyển động của đĩa quay phải đều, trừ thời gian chuyển đổi từ chuyển động quay sang chuyển động thẳng và ngược lại. Một chu kỳ sẽ bao gồm một chuyển động tiến và một chuyển động lùi. Thiết bị phải thực hiện (40 ± 4) chu kỳ/min.
A.4. Cách tiến hành
Điều chỉnh khoảng cách giữa hai đĩa đến (190 ± 1) mm. Lắp mẫu thử vào đĩa với mặt ngoài mẫu hướng ra phía ngoài và không kéo căng mẫu, đồng thời không để mẫu lòi ra phía viền ngoài của cả hai đĩa.
Mẫu được thử 2 500 chu kỳ. Tháo mẫu ra sau mỗi lần đạt được 500 chu kỳ (xấp xỉ 12,5 min) xoay mẫu 90o sau đó lắp mẫu trở lại.
Kích thước tính theo milimét

a) Khoảng chuyển động của đĩa

b) Vị trí ban đầu của mẫu

c) Vị trí mẫu bị nén hoàn toàn
Chú giải:
1 Đĩa cố định
2 Quay 450o
3 Đĩa chuyển động
4 Chốt
5 Trục khía rãnh
6 Mẫu thử
7 Kẹp để cố định mẫu với đĩa
Hình A1 - Thiết bị xử lý sơ bộ bằng phương pháp cơ học
Phụ lục B
(Tham khảo)
Cảnh báo đối với tình huống bị bao trùm trong lửa
Mặc dù những lưu ý dưới đây không phải là một khuyến cáo hay là một phần của tiêu chuẩn cho quần áo hay quy trình thực hiện, nhưng là những cảnh báo cho người sử dụng quần áo khi tiếp xúc với các điều kiện như sau.
Không ngoại trừ bất cứ trường hợp nào, người sử dụng được cảnh báo là không nên cố tình lao vào trong đám cháy vì có thể nguy hiểm đến tính mạng. Tất cả những quần áo cho nhân viên chữa cháy được đưa ra trong một loạt các tiêu chuẩn cho quần áo bảo vệ (TCVN 7617:2007 (ISO 15384:2001)), ISO 11612 và ISO 11613), những quần áo bảo vệ được quy định là cấp độ 2 trong tiêu chuẩn này là những quần áo đáp ứng được cấp độ bảo vệ cao nhất cho nhân viên chữa cháy.
Mặc dù những quần áo này không được khuyến cáo để bảo vệ chống lại sự bao phủ của ngọn lửa, tuy nhiên lưu ý là ở những điều kiện nhất định tình huống này vẫn có thể xảy ra một cách bất ngờ. Do vậy khuyến cáo những người được trang bị những quần áo theo cấp độ 2 của tiêu chuẩn này bị bao phủ bởi ngọn lửa trong một khoảng thời gian nhất định phải nhanh chóng thoát ra khỏi đám cháy, và cẩn thận cởi bỏ quần áo ở khoảng cách an toàn so với đám cháy. Nếu xét thấy cần thiết thì phải được kiểm tra y tế, và đối với những quần áo đã bị bao trùm trong đám cháy một thời gian nhất định, cần phải được kiểm tra kỹ lưỡng. Nếu sau khi kiểm tra những quần áo trên không đáp ứng được yêu cầu cấp độ 2 của tiêu chuẩn này thì phải loại bỏ, không sử dụng tiếp nữa.
Nếu sau khi đánh giá rủi ro, thấy hoàn toàn không có sự lựa chọn để làm việc trong điều kiện thời gian ngắn hay kéo dài trong ngọn lửa thì phải áp dụng quy trình đảm bảo an toàn cao nhất. Các quy trình này phải có các nhân viên cứu nạn và nhân viên y tế cùng với các thiết bị sẵn có trong trường hợp hệ thống an toàn và/hoặc quy trình an toàn bị phá hủy.
Sự nguy hiểm của ngọn lửa hay nguồn nhiệt khi bị ngọn lửa bao phủ liên tục là do nhiệt đối lưu hơn là nhiệt bức xạ. Do đó không nên sử dụng quần áo bảo vệ có bề mặt phản xạ vì phần lớn các loại vật liệu có nhiệt dung lớn và như vậy sẽ có nguy cơ rủi ro cao do sự truyền nhiệt vào lớp bên trong của quần áo.
Vì thế quần áo được sản xuất theo cấp độ 1 hoặc cấp độ 2 của tiêu chuẩn này và quần áo được sản xuất theo các tiêu chuẩn khác cho quần áo bảo vệ nhân viên chữa cháy được đưa ra trong phần tham khảo không được cho là phù hợp với ứng dụng này. Do vậy các quần áo này không được sử dụng để bảo vệ bước đầu khi tiếp xúc với điều kiện đã nêu.
Phụ lục C
(tham khảo)
Hướng dẫn thiết kế quần áo
Một số các đặc điểm nổi bật của quần áo rất quan trọng đối với việc bảo vệ người mặc trong các hoạt động chữa cháy. Các hướng dẫn sau phục vụ cho việc thiết kế quần áo phù hợp với tiêu chuẩn này.
Nếu sử dụng quần áo tổ hợp để đạt được mức độ yêu cầu đã quy định trong tiêu chuẩn này thì các quần áo khác nhau phải phủ lên nhau ở tất cả các lớp trong mọi tình huống.
Hệ thống khóa phải đảm bảo sao cho không ảnh hưởng đến các đặc tính kỹ thuật và tính toàn vẹn của quần áo.
Bộ quần áo phải được thiết kế để giảm thiểu các hạn chế đến sự di chuyển. Quần áo phải đồng bộ với các thiết bị bảo vệ cá nhân khác nếu cần thiết.
Cấu tạo của thiết bị bảo vệ tay phải đồng bộ với bộ quần áo và phải ngăn cản được sự xâm nhập của bụi cháy qua cổ tay.
Cấu tạo của thiết bị bảo vệ đầu phải đồng bộ với bộ quần áo và phải ngăn cản được sự xâm nhập của bụi cháy qua cổ áo.
Cấu tạo của thiết bị bảo vệ chân phải đồng bộ với bộ quần áo và phải ngăn cản được sự xâm nhập của bụi cháy qua ống chân.
Bộ quần áo phải đồng bộ với các thiết bị bảo vệ cơ quan hô hấp tương ứng.
Thư mục tài liệu tham khảo
[1] ISO 11612, Clothing for protection against heat and flame - Test methods and performance requirements for heat-protective clothing (Quần áo bảo vệ chống nhiệt và chống cháy - Phương pháp thử và yêu cầu kỹ thuật cho quần áo chống nhiệt).
[2] ISO 11613, Protective clothing for firefighters - Laboratory test methods and performance requirements (Quần áo bảo vệ cho nhân viên chữa cháy - Phương pháp thử trong phòng thí nghiệm và yêu cầu tính năng).
[3] TCVN 7617:2007 (ISO 15384:2001), Quần áo bảo vệ cho nhân viên chữa cháy - Phương pháp thử trong phòng thí nghiệm và yêu cầu tính năng cho quần áo chữa cháy ngoài trời.
Bạn chưa Đăng nhập thành viên.
Đây là tiện ích dành cho tài khoản thành viên. Vui lòng Đăng nhập để xem chi tiết. Nếu chưa có tài khoản, vui lòng Đăng ký tại đây!