- Tổng quan
- Nội dung
- Tiêu chuẩn liên quan
- Lược đồ
- Tải về
Tiêu chuẩn quốc gia TCVN 14223-3:2024 Máy và thiết bị sản xuất, xử lý và gia công kính phẳng - Yêu cầu an toàn - Phần 3: Máy cắt kính
| Số hiệu: | TCVN 14223-3:2024 | Loại văn bản: | Tiêu chuẩn Việt Nam |
| Cơ quan ban hành: | Bộ Khoa học và Công nghệ | Lĩnh vực: | Công nghiệp |
| Trích yếu: | Máy và thiết bị sản xuất, xử lý và gia công kính phẳng - Yêu cầu an toàn - Phần 3: Máy cắt kính | ||
|
Ngày ban hành:
Ngày ban hành là ngày, tháng, năm văn bản được thông qua hoặc ký ban hành.
|
31/12/2024 |
Hiệu lực:
|
Đã biết
|
| Người ký: | Đang cập nhật |
Tình trạng hiệu lực:
Cho biết trạng thái hiệu lực của văn bản đang tra cứu: Chưa áp dụng, Còn hiệu lực, Hết hiệu lực, Hết hiệu lực 1 phần; Đã sửa đổi, Đính chính hay Không còn phù hợp,...
|
Đã biết
|
TÓM TẮT TIÊU CHUẨN VIỆT NAM TCVN 14223-3:2024
Tiêu chuẩn quốc gia TCVN 14223-3:2024: Những yêu cầu an toàn quan trọng đối với máy cắt kính
Tiêu chuẩn quốc gia TCVN 14223-3:2024, được ban hành bởi Bộ Khoa học và Công nghệ, hướng đến việc thiết lập yêu cầu an toàn cho thiết kế và lắp đặt máy cắt kính phẳng. Tiêu chuẩn này nhằm giảm thiểu rủi ro và mối nguy hiểm trong quá trình sản xuất, xử lý và gia công kính phẳng, đặc biệt là trong bối cảnh sử dụng máy cắt kính phẳng có cầu cắt chuyển động.
Phạm vi áp dụng và các yêu cầu an toàn
Tiêu chuẩn TCVN 14223-3:2024 áp dụng cho các máy cắt kính phẳng hoạt động bằng cách cho kính đặt trên giá đỡ nằm ngang. Tiêu chuẩn không áp dụng cho máy cắt bằng phương pháp mài mòn, dưới áp lực cao hoặc laser, cũng như không bao gồm các quy định về việc bốc dỡ kính phẳng.
Các yêu cầu an toàn trong tiêu chuẩn quy định các biện pháp kỹ thuật để loại trừ hoặc giảm thiểu rủi ro, bao gồm đoạn kiểm tra, hướng dẫn cho người vận hành và giải pháp thiết kế an toàn. Đặc biệt, tiêu chuẩn yêu cầu phải có khoảng cách tối thiểu giữa cầu cắt và các bộ phận cố định, cùng với nhiều cải tiến về hệ thống bảo vệ xung quanh để ngăn ngừa kẹp dập.
Các mối nguy hiểm và biện pháp bảo vệ
Tiêu chuẩn phân loại các mối nguy hiểm liên quan đến máy cắt kính, như nguy cơ kẹp dập cơ thể và các nguy cơ liên quan đến điện. Các mối nguy hiểm cụ thể bao gồm:
- Kẹp dập cơ thể người: Các quy định về khoảng cách an toàn giữa cầu cắt và các bộ phận khác để tránh kẹp dập tay hoặc ngón tay.
- Cắt kính và va chạm: Yêu cầu dừng máy khẩn cấp để ngăn ngừa tai nạn nếu có sự can thiệp không mong muốn.
Các biện pháp bảo vệ yêu cầu phải lắp đặt rào chắn, kiểm soát trình tự vận hành và trang bị các thiết bị dừng khẩn cấp. Tất cả những yêu cầu này nhằm đảm bảo an toàn tối đa cho người vận hành và những người xung quanh.
Yêu cầu về tiếng ồn và các tiêu chuẩn liên quan
Tiêu chuẩn cũng quy định về tiếng ồn phát ra từ máy và yêu cầu giảm tiếng ồn đến mức tối ưu. Do đó, giảm thiểu tiếng ồn trở thành một phần thiết yếu trong thiết kế máy móc. Các yêu cầu về kiểm tra và công bố mức phát thải tiếng ồn cũng được nêu rõ, nhằm bảo vệ sức khỏe người lao động.
Thông tin sử dụng và tài liệu kèm theo
Người sử dụng máy cắt kính cũng cần có một sổ tay hướng dẫn rõ ràng, trong đó chỉ ra những thông tin thiết yếu như phát thải tiếng ồn, loại kính có thể xử lý, cũng như yêu cầu sử dụng thiết bị bảo vệ cá nhân.
TCVN 14223-3:2024 được thực thi từ ngày ban hành và là tài liệu quan trọng cho các nhà sản xuất, nhà thiết kế và người sử dụng máy cắt kính, đảm bảo môi trường làm việc an toàn và hiệu quả.
Tải tiêu chuẩn Việt Nam TCVN 14223-3:2024
TIÊU CHUẨN QUỐC GIA
TCVN 14223-3:2024
MÁY VÀ THIẾT BỊ SẢN XUẤT, XỬ LÝ VÀ GIA CÔNG KÍNH PHẲNG - YÊU CẦU AN TOÀN - PHẦN 3: MÁY CẮT KÍNH
Machines and plants for the manufacture, treatment and processing of flat glass - Safety requirements - Part 3: Cutting machines
Lời nói đầu
TCVN 14223-3:2024 được xây dựng dựa trên cơ sở tham khảo EN 13035-3:2003 with amendmen 1:2009.
TCVN 14223-3:2024 do Trường Đại học Xây dựng Hà Nội biên soạn, Bộ Xây dựng đề nghị, Ủy ban Tiêu chuẩn Đo lường Chất lượng Quốc gia thẩm định, Bộ Khoa học và Công nghệ công bố.
Bộ TCVN 14223:2024 (EN 13035), Máy và thiết bị sản xuất, xử lý và gia công kính phẳng - Yêu cầu an toàn, gồm các tiêu chuẩn sau:
- Phần 1: Thiết bị lưu giữ, xếp dỡ và vận chuyển trong nhà máy;
- Phần 2: Thiết bị lưu giữ, xếp dỡ và vận chuyển ngoài nhà máy;
- Phần 3: Máy cắt kính;
- Phần 4: Bàn lật kính.
Bộ EN 13035 còn các tiêu chuẩn sau:
- EN 13035-5, Machines and plants for the manufacture, treatment and processing of flat glass - Safety requirements - Part 5: Machines and installations for stacking and destacking.
- EN 13035-6, Machines and plants for the manufacture, treatment and processing of flat glass - Safety requirements - Part 6: Machines for break-out.
- EN 13035-7, Machines and plants for the manufacture, treatment and processing of flat glass - Safety requirements - Part 7: Cutting machines for laminated glass.
- EN 13035-9, Machines and plants for the manufacture, treatment and processing of flat glass - Safety requirements - Part 9: Washing installations.
- EN 13035-11, Machines and plants for the manufacture, treatment and processing of flat glass - Safety requirements - Part 11: Drilling machines.
Lời giới thiệu
Tiêu chuẩn này là tiêu chuẩn loại C như quy định trong TCVN 7383-1:2004 (ISO 12100-1:2003).
Các máy có liên quan và các mối nguy hiểm được quy định trong phạm vi áp dụng của tiêu chuẩn này.
Đối với các máy được thiết kế và chế tạo theo các quy định của tiêu chuẩn loại C này khác với các quy định được nêu trong tiêu chuẩn loại A hoặc B, thì các quy định của tiêu chuẩn loại c sẽ được ưu tiên hơn các quy định của tiêu chuẩn khác.
MÁY VÀ THIẾT BỊ SẢN XUẤT, XỬ LÝ VÀ GIA CÔNG KÍNH PHẲNG - YÊU CẦU AN TOÀN - PHẦN 3: MÁY CẮT KÍNH
Machines and plants for the manufacture, treatment and processing of flat glass - Safety requirements - Part 3: Cutting machines
1 Phạm vi áp dụng
1.1 Tiêu chuẩn này quy định các yêu cầu về an toàn cho thiết kế và lắp đặt máy cắt kính phẳng có một cầu cắt chuyển động, hoạt động bằng cách cho kính đặt trên giá đỡ nằm ngang. Tiêu chuẩn này quy định cho cả việc vận chuyển kính trên máy.
1.2 Tiêu chuẩn này đề cập đến tất cả các mối nguy hiểm, các tình huống nguy hiểm và các sự cố liên quan đến máy cắt kính phẳng, khi chúng được sử dụng đúng như dự kiến khi thiết kế và trong các điều kiện sử dụng sai mà nhà sản xuất có thể lường trước một cách hợp lý (xem Điều 4). Tiêu chuẩn này quy định các biện pháp kỹ thuật thích hợp để loại trừ hoặc giảm thiểu rủi ro phát sinh từ các mối nguy hiểm trong quá trình vận hành thử, vận hành và bảo dưỡng thiết bị.
1.3 Tiêu chuẩn này không áp dụng cho máy cắt kính phẳng bằng phương pháp cắt mài mòn hoặc bằng cách sử dụng chất lỏng áp lực cao hoặc laser.
1.4 Tiêu chuẩn này không áp dụng cho việc xếp và dỡ kính phẳng lên hoặc ra khỏi máy cắt và lấy các mảnh vỡ ra (xem EN 13035-5 và EN 13035-6).
1.5 Tiêu chuẩn này không áp dụng cho băng tải (xem EN 619) và quạt được sử dụng như các bộ phận không thể tách rời của máy. Nếu có những rủi ro cụ thể phát sinh liên quan đến máy cắt kính phẳng phải đưa ra các biện pháp thích hợp.
1.6 Tiêu chuẩn này không áp dụng cho việc cắt kính dán (xem EN 13035-7).
1.7 Tiêu chuẩn này không áp dụng cho việc cắt khi kính đang chuyển động.
2 Tài liệu viện dẫn
Các tài liệu viện dẫn sau rất cần thiết cho việc áp dụng tiêu chuẩn này. Đối với các tài liệu viện dẫn ghi năm công bố thì áp dụng phiên bản được nêu. Đối với các tài liệu viện dẫn không ghi năm công bố, áp dụng phiên bản mới nhất, bao gồm cả các sửa đổi bổ sung (nếu có).
TCVN 6719:2008 (ISO 13850:2006), An toàn máy - Dừng khẩn cấp - Nguyên tắc thiết kế
TCVN 7383-1:2004 (ISO 12100-1:2003), An toàn máy - Khái niệm cơ bản, nguyên tắc chung cho thiết kế - Phần 1: Thuật ngữ cơ bản, phương pháp luận.
TCVN 7383-2:2004 (ISO 12100-2:2003), An toàn máy - Khái niệm cơ bản, nguyên tắc chung cho thiết kế - Phần 2: Nguyên tắc kỹ thuật.
TCVN 7384-1:2010 (ISO 13849-1:2006), An toàn máy - Các bộ phận liên quan đến an toàn của hệ thống điều khiển - Phần 1: Nguyên tắc chung về thiết kế.
TCVN 9228:2012 (ISO 3747:2000), Âm học - Xác định mức công suất âm của nguồn phát ồn bằng áp suất âm - Phương pháp đo so sánh tại hiện trường.
TCVN 12965:2020 (ISO 11201:2020), Âm học - Tiếng ồn phát ra từ máy và thiết bị - Xác định mức áp suất âm phát ra tại vị trí làm việc và tại các vị trí quy định khác trong một trường âm gần như tự do phía trên một mặt phẳng phản xạ với các hiệu chỉnh môi trường không đáng kể.
TCVN 12966:2020 (ISO 11202:2020), Âm học - Tiếng ồn phát ra từ máy và thiết bị - Xác định mức áp suất âm phát ra tại vị trí làm việc và tại các vị trí quy định khác áp dụng các hiệu chỉnh môi trường gần đúng.
TCVN 12968:2020 (ISO 11204:2020), Âm học - Tiếng ồn phát ra từ máy và thiết bị - Xác định mức áp suất âm phát ra tại vị trí làm việc và tại các vị trí quy định khác áp dụng các hiệu chỉnh môi trường chính xác.
EN 294:1992 Safety of machinery - Safety distances to prevent danger zones being reached by the upper limbs (An toàn máy - Khoảng cách an toàn để ngăn chặn tay người vươn tới vùng nguy hiểm).
EN 349:1993, Safety of machinery - Minimum gaps to avoid crushing of parts of the human body (An toàn máy - Khoảng cách tối thiểu để tránh kẹp dập các bộ phận cơ thể người).
EN 953:1997, Safety of machinery - Guards - General requirements for the design and construction of fixed and movable guards (An toàn máy - Rào chắn - Yêu cầu chung về thiết kế và kết cấu của rào chắn cố định và di động).
EN 999:19981) , Safety of machinery - The positioning of protective equipment in respect of approach speeds of parts of the human body (An toàn máy - Định vị che chắn bảo vệ đối với tốc độ tiếp cận của các bộ phận cơ thể người).
EN 1037:1995, Safety of machinery - Prevention of unexpected start-up (An toàn máy - Ngăn chặn khởi động bất ngờ).
EN 60204-1:2006, Safety of machinery - Electrical equipment of machines - Part 1: General requirements (IEC 60204-1:2005, modified) (An toàn máy - Thiết bị điện của máy - Phần 1: Yêu cầu chung).
EN 61496-1:2004, Safety of machinery - Electro-sensitive protective equipment - Part 1: General requirements and tests (IEC 61496-1:2004, modified) (An toàn máy - Thiết bị bảo vệ tiếp xúc điện - Phần 1: Yêu cầu chung và thử nghiệm).
ISO 3744:1995, Acoustics - Determination of sound power levels of noise sources using sound pressure - Ingineering method in an essentially free field over a reflecting plane (ISO 3744:1994) (Âm học - Xác định công suất âm thanh của nguồn tiếng ồn bằng áp suất âm thanh - Phương pháp kỹ thuật trong trường cơ bản tự do trên mặt phẳng phản xạ).
ISO 3746:1995, Acoustics - Determination of sound power levels of noise sources using sound pressure - Survery method using an enveloping measurement surface over a reflecting plane (Âm học - Xác định công suất âm thanh của nguồn tiếng bằng áp suất âm thanh - Phương pháp khảo sát sử dụng bề mặt đo bao phủ trên mặt phẳng phản xạ).
ISO 4871:1996, Acoustics - Declaration and verification of nois emission values of machinery and equipment (Âm học - Công bố và xác minh các giá trị phát thải tiếng ồn của máy và thiết bị).
ISO 11688-1:1998, Acoustics - Recommended practice for the design of low-noise machinery and equipment - Part 1: Planning (ISO/TR 11688-1:1995) (Âm học - Thực hành khuyến nghị để thiết kế máy và thiết bị có tiếng ồn thấp - Phần 1: Lập kế hoạch).
IEC 61496-2:2006, Safety of machinery - Electro-sensitive protective equipment - Part 2: Particular requirements for equipment using active opto-electronic protective devices (AOPDs) (An toàn máy - Thiết bị bảo vệ nhạy về điện - Phần 2: Yêu cầu cụ thể đối với thiết bị sử dụng thiết bị bảo vệ bằng quang điện chủ động).
3 Thuật ngữ và định nghĩa
Tiêu chuẩn này sử dụng các thuật ngữ, định nghĩa nêu trong TCVN 7383-1:2004 (ISO 12100-1:2003) và các thuật ngữ, định nghĩa sau:
3.1
Dụng cụ cắt (cutting tool)
Bộ phận để vạch vết cắt trên bề mặt tấm kính.
3.2
Đầu cắt (cutting head)
Bộ phận lắp ghép để di chuyển dụng cụ cắt theo chiều đứng.
3.3
Xe trượt (carriage)
Bộ phận lắp ghép để di chuyển đầu cắt trên trục của cầu cắt.
3.4
Cầu cắt (cutting bridge)
Dẫn hướng dịch chuyển ngang cho xe trượt.
3.5.
Bàn cắt (cutting table)
Bề mặt đỡ mà trên đó đặt tấm kính để cắt.
3.6
Các cạnh dọc của bàn cắt (longitudinal sides of the table)
Các cạnh của bàn song song với hướng di chuyển của cầu cắt.
3.7
Các cạnh ngang của bàn cắt (small sides of the table).
Các cạnh của bàn vuông góc với hướng di chuyển của cầu cắt.
3.8
Thiết bị vận chuyển (transport device)
Thiết bị để di chuyển tấm kính trên bàn cắt trong mặt phẳng ngang.
3.9
Đệm khí (air cushion)
Đệm không khí có áp suất cao hơn áp suất khí quyển nằm giữa bề mặt của bàn cắt và tấm kính để giảm ma sát trong quá trình vận chuyển kính trong mặt phẳng ngang.
3.10
Cữ chặn định vị di động (movable positioning stop)
Thiết bị cơ khí có thể đưa đến vị trí cao hơn bề mặt của bàn cắt để giữ tấm kính tại vị trí cắt và có thể thu vào được.
3.11
Xích dẫn cáp (energy chain)
Xích để đỡ và bảo vệ cáp điện và ống mềm.
4 Danh mục các mối nguy hiểm
Điều này bao gồm tất cả các mối nguy hiểm, các tình huống nguy hiểm và các trường hợp nguy hiểm được đề cập đến trong tiêu chuẩn. Chúng được nhận biết thông qua đánh giá rủi ro được coi là đáng kể cho từng loại máy, đồng thời yêu cầu phải có các biện pháp để loại bỏ hoặc giảm các rủi ro này.
Một số khu vực nguy hiểm trên máy cắt được trình bày dưới dạng đồ họa trong Phụ lục I.
Trước khi sử dụng tiêu chuẩn, điều quan trọng là phải tiến hành đánh giá rủi ro chung đối với máy được đề cập.
CHÚ THÍCH: Áp dụng các tiêu chuẩn mức B xem Điều 5.
Bảng 1 - Danh mục các mối nguy hiểm
| Mối nguy hiểm | Khu vực nguy hiểm - Đối tượng gây nguy hiểm | Các biện pháp phòng ngừa, xem Điều | |
| 4.1 | Cơ học |
|
|
| 4.1.1 | Kẹp dập |
| 5.2.5 |
| 4.1.1.1 | Kẹp dập cơ thể người | Cầu cắt/các bộ phận cố định bên ngoài bàn cắt, ví dụ bảng điều khiển | 5.1.1; 7.1.8; 5.2.5 |
| 4.1.1.2 | Kẹp dập cánh tay | Cầu cắt hoặc trục dẫn động của nó/bàn cắt có hoặc không có kính đối với khe hở < 120 mm | 5.2-5.3.1; 5.3.3; 5.2.5 |
| 4.1.1.3 | Kẹp dập cánh tay | Cầu cắt với xích dẫn cáp/giá đỡ xích dẫn cáp | 5.12; 5.2.5 |
| 4.11.4 | Kẹp dập bàn tay hoặc ngón tay | Cữ chặn cơ khí/cầu cắt | 5.13; 5.2.5 |
| 4.1.1.5 | Kẹp dập ngón tay | Xe trượt/cầu cắt và thiết bị định vị | 5.1.4; 5.2.5 |
| 4.11.6 | Kẹp dập ngón tay | Các bánh xe/ray dẫn hướng và giá đỡ của chúng | 5.1.5; 5.16; 5.2.5 |
| 4.1.17 | Kẹp dập ngón tay | Công tắc giới hạn/phương tiện vận hành | 5.1.7; 5.2.5 |
| 4.1.18 | Kẹp dập ngón tay (đầu ngón tay) | Cữ chặn định vị/bệ đỡ bàn | 5.1.8; 5.2.5 |
| 4.1.2 | Cắt | Tấm kính | 7.15 |
| 4.1.3 | Cuốn vào | Trục dẫn động của cầu cắt | 5.1.9; 5.2.5 |
| 4.1.4 | Cứa vào cánh tay | Cầu cắt hoặc trục dẫn động của nó/bàn cắt có hoặc không có kính đối với khe hở < 120 mm | 5.2-5.3.1; 5.3.3; 5.2.5 |
| 4.1.5 | Va chạm | Cầu cắt | 5.2-5.3.2; 5.2.5 |
| 4.2 | Điện | Tiếp xúc trực tiếp hoặc gián tiếp | 5.1.21 |
| 4.3 | Không sử dụng trang bị bảo hộ cá nhân | Cắt bởi thủy tinh sắc nhọn | 7.1.5 |
| 4.4 | Khởi động không mong muốn (hoặc trục trặc) từ: |
|
|
| 4.4.1 | Lỗi của hệ thống điều khiển | Tất cả các chuyển động nguy hiểm | 5.1.16; 5.1.17; 7.1.9 |
| 4.4.2 | Rối loạn trình tự điều khiển | Kính bị đẩy ra khỏi bàn cắt | 5.1.11; 5.1.12 |
| 4.4.3 | Khôi phục nguồn cung cấp năng lượng sau khi bị gián đoạn | Tất cả các chuyển động nguy hiểm | 5.1.15 |
| 4.4.4 | Lỗi do người vận hành | Tất cả các chuyển động nguy hiểm | 5.1.14; 5.1.17; 7.1.9 |
| 4.5 | Không thể dừng lại trong điều kiện tốt nhất có thể | Tất cả các chuyển động nguy hiểm | 5.1.13; 5.1.18; 5.1.19; 7.1.10 |
| 4.6 | Trượt, vấp và té ngã |
|
|
| 4.6.1 | Trượt | Các mảnh thủy tinh | 7.1.7 |
| 4.6.2 | Vấp | Cáp điện giữa bảng điều khiển và bàn cắt | 5.1.10 |
| 4.7 | Mối nguy hiểm do tiếng ồn có thể dẫn đến tổn thương thính giác, ù tai, căng thẳng, tai nạn do cản trở giao tiếp bằng giọng nói và nhận thức các tín hiệu âm thanh | Cơ cấu dẫn động, quạt | 5.4, 7.1.1, Phụ lục K |
5 Yêu cầu về an toàn và/hoặc các biện pháp bảo vệ
Máy phải tuân theo yêu cầu về an toàn và/hoặc các biện pháp bảo vệ của điều này.
Ngoài ra, máy phải được thiết kế theo nguyên tắc quy định trong TCVN 7383 (ISO 12100) cho các mối nguy hiểm có liên quan nhưng không đáng kể và không được đề cập đến trong tiêu chuẩn này.
CHÚ THÍCH: Đối với các mối nguy hiểm không được đề cập trong tiêu chuẩn này sẽ được giảm thiểu bằng cách áp dụng tiêu chuẩn mức B như EN 294, TCVN 6719:2008 (ISO 13850), EN 953, EN 983, EN 999, EN 1037, EN 1088, EN 60204-1, nhà sản xuất phải thực hiện đánh giá rủi ro một cách đầy đủ và phù hợp để lựa chọn các yêu cầu của tiêu chuẩn B sẽ được áp dụng. Đánh giá rủi ro cụ thể này phải là một phần của đánh giá rủi ro chung của máy.
Trong trường hợp các biện pháp giảm thiểu rủi ro thông qua cách bố trí máy đã được lắp đặt hoặc bởi một hệ thống làm việc an toàn, thì nhà sản xuất phải đưa vào Hướng dẫn sử dụng, trong đó yêu cầu tham chiếu đến các biện pháp giảm thiểu rủi ro được thực hiện và đến bất kỳ giá trị giới hạn nào được yêu cầu và, nếu cần, đến các phương tiện kiểm tra.
5.1 Yêu cầu chung
5.1.1 Để tránh mối nguy hiểm kẹp dập cơ thể người ở cầu cắt di động, phải có một khoảng cách tối thiểu là 0,5 m (xem Bảng 1 của EN 349:1993) giữa các phần nhô ra ngoài cùng của cầu cắt có thể tiếp cận được (xem CHÚ THÍCH) và các bộ phận cố định nằm bên ngoài bàn cắt, chẳng hạn như bảng điều khiển/hệ thống điều khiển. Khi chỉ có thể tiếp cận vùng nguy hiểm thông qua các rào chắn di động có khoá liên động thì phải có khoảng cách tối thiểu là 0,4 m giữa các phần nhô ra ngoài cùng và các bộ phận cố định của các rào chắn.
CHÚ THÍCH: Cầu cắt di động được coi là có thể tiếp cận được khi các biện pháp an toàn không làm dừng chuyển động trước khi có người vào khu vực nguy hiểm.
5.1.2 Các điểm kẹp dập trong tầm với của người2) giữa xích dẫn cáp và/hoặc tổ hợp cầu cắt phải được bảo vệ bởi một trong hai cách sau:
5.1.2.1 Định vị các điểm kẹp dập bên dưới bàn cắt với khoảng cách tối thiểu giữa điểm kẹp dập và mép bàn là 100 mm, hoặc
5.1.2.2 Một tấm chắn (nắp) để chống tiếp cận trực tiếp từ bên ngoài bàn cắt vào các điểm có nguy cơ bị kẹp dập.
5.1.3 Các điểm kẹp dập trong tầm với của người2) giữa cữ chặn cơ khi và cầu cắt phải được loại bỏ bằng một khe hở tối thiểu phù hợp với Bảng 1 của EN 349:1993 bởi một trong hai cách sau:
5.1.3.1 100 mm, khi cữ chặn có thể tiếp cận trực tiếp, hoặc
5.1.3.2 25 mm, khi cữ chặn nằm ở dưới bàn.
5.1.4 Các điểm kẹp dập trong tầm với của người2) giữa xe trượt và kết cấu cầu cắt và cữ chặn cơ khí phải được phòng tránh bằng một khoảng cách tối thiểu là 25 mm theo Bảng 1 của EN 349:1993.
5.1.5 Các bánh xe trong tầm với của người2) phải được trang bị tấm chắn (tấm quét) ở cả hai bên của mỗi bánh xe kéo dài xuống bề mặt của ray dẫn hướng.
5.1.6 Việc cố định các ray dẫn hướng trong tầm với của người2) phải tạo thành bề mặt liên tục và nhẵn.
5.1.7 Nguy cơ kẹp dập ngón tay giữa các công tắc giới hạn hành trình (bộ phát hiện vị trí) và các phương tiện vận hành trong tầm với của người2) phải được loại bỏ hoặc được bảo vệ bằng cách:
5.1.7.1 Công tắc giới hạn hành trình với đòn bẩy có lò xo nhằm duy trì khe hở tối thiểu là 25 mm hoặc
5.1.7.2 Công tắc hành trình được gắn phía dưới bàn cắt.
5.1.8 Phải để lại một khe hở tối thiểu là 15 mm giữa các cữ chặn định vị di động và mặt bàn cắt trong tầm với của người2).
5.1.9 Trục truyền động trong tầm với của người2) phải có bề mặt hoàn toàn nhẵn hoặc phải được che chắn để tránh bị vướng vào, ví dụ: bằng các tấm chắn cố định bao quanh (xem 3.2.1, EN 953:1997).
5.1.10 Các ống dẫn cáp giữa bảng điều khiển và bàn cắt phải được đặt ở mức sàn và ở dưới bề mặt sàn hoặc phải được che phủ.
5.1.11 Để tránh các tấm kính bị dịch chuyển khỏi bàn cắt khi đưa đầu cắt vào cạnh của tấm kính, đầu cắt phải được chế tạo sao cho:
5.1.11.1 Các chuyển động không mong muốn bị cảm biến dừng lại khi đầu cắt đi xuống quá sâu. Bộ điều khiển phải đáp ứng các yêu cầu của ISO 13849-1:2008, mức tính năng d, ví dụ: sử dụng giám sát động; Bộ điều khiển phải được chế tạo sao cho ít nhất sau mỗi lệnh bật công tắc, đầu cắt được di chuyển xuống bàn để kiểm tra một cách chủ động trước khi có thể bắt đầu, và
5.1.11.2 Xảy ra hiện tượng gãy đầu cắt có chủ đích, hoặc
5.1.11.3 Hạn chế công suất của bộ dẫn động theo cách không thể đẩy các tấm kính ra, hoặc
5.1.11.4 Lắp con lăn để nâng đầu cắt.
5.1.12 Chuyển động của đầu cắt ở vị trí cắt phải được khoá liên động với hệ thống vận chuyển, bao gồm cả đệm khí sao cho không thể thực hiện đồng thời hai chức năng. Khóa liên động phải đáp ứng các yêu cầu của ISO 13849-1:2008, mức tính năng b.
5.1.13 Phải cung cấp một công tắc chính có thể khóa, phù hợp với EN 60204-1 tại vị trí điều khiển để ngắt nguồn điện của máy cắt.
5.1.14 Các thiết bị điều khiển khởi động và dừng của máy cắt phải được tách biệt và phải được bố trí sao cho có thể quan sát được sự hiện diện của người trong khu vực nguy hiểm.
5.1.15 Việc điều khiển máy cắt phải được thiết kế sao cho không có bộ phận nào của máy di chuyển khi đóng nguồn hoặc phục hồi nguồn điện và chuyển đổi bộ chọn chế độ.
5.1.16 Khởi động không mong muốn (xem EN 1037) do hư hỏng không thể xảy ra bằng cách sử dụng một trong các cách sau:
5.1.16.1 Một mạch cứng, hoặc
5.1.16.2 Một bộ giám sát dừng sử dụng điều khiển logic dựa trên phần cứng để ngắt nguồn trong trường hợp khởi động sai, hoặc
5.1.16.3 Một bộ điều khiển điện tử cổng kép với mạch so sánh an toàn.
5.1.17 Các thiết bị điều khiển dừng (công tắc) phù hợp với EN 1037:1995, 6.3.2 và phù hợp với các yêu cầu của ISO 13849-1:2008, mức tính năng c, phải được bố trí gần bàn để ngăn chặn việc khởi động máy cắt bất ngờ bởi người khác hoặc do lỗi của bộ điều khiển. Khởi động mới chỉ có thể thực hiện được sau khi thiết bị kích hoạt được đặt lại bằng thủ công.
5.1.18 Việc dừng máy bằng các biện pháp an toàn phải đạt được bằng cách ngắt nguồn điện ngay lập tức (EN 60204-1:2006, 9.2.2, loại 0) hoặc bằng phanh được điều khiển điện tử và sau đó ngắt nguồn bằng cách sử dụng các tiếp điểm, ví dụ: thông qua một yếu tố thời gian sau khi ngừng hoạt động (EN 60204-1:2006, 9.2.2, loại 1). Trong trường hợp này, việc ngắt nguồn kiểu phụ thuộc thời gian sẽ phải được giám sát, ví dụ: bằng thiết bị điện tử theo Phụ lục H. Khi sử dụng loại 0, phanh cơ sẽ được áp dụng.
5.1.19 Tại bảng điều khiển và ở mỗi bên làm việc của bàn cắt, nơi người vận hành thực hiện việc cắt theo chiều ngang và nhấc lên, phải trang bị thiết bị dừng khẩn cấp phù hợp với ISO 13850:2008, 4.4.3. nằm trong tầm với của người vận hành. Chức năng dừng khẩn cấp phải hoạt động theo 5.1.18. Các quy định phải được thực hiện để đảm bảo việc dừng khẩn cấp cũng có thể được thực hiện trên các máy khác có liên quan đến hoạt động của máy cắt nếu không điều này sẽ gây ra nguy hiểm. Các thiết bị dừng khẩn cấp (bộ kích hoạt vận hành bằng tay) phải được đặt ở độ cao của bàn.
5.1.20 Sau khi lệnh dừng được kích hoạt bởi các thiết bị bảo vệ được mô tả trong 5.2 và 5.3, việc khởi động lại chỉ có thể thực hiện được sau khi một công tắc (thiết bị đặt lại bằng thủ công) phù hợp với các yêu cầu của ISO 13849-1:2008, 5.2.2 đã được kích hoạt tại một nơi có tầm nhìn tốt về khu vực nguy hiểm. Công tắc này phải được lắp sao cho không thể vận hành nó từ bên trong khu vực nguy hiểm.
5.1.21 Tất cả các thiết bị điện phải phù hợp với các yêu cầu của EN 60204-1 về bảo vệ chống điện giật (xem EN 60204-1:2006, Điều 6).
5.2 Các yêu cầu an toàn riêng bổ sung đối với bàn cắt kính phẳng khi không cho phép người tiếp cận
CHÚ THÍCH: Để biết tóm tắt về các phương pháp bảo vệ khả thi theo 5.2 và 5.3 (đối với chế độ vận hành và tốc độ của cầu cắt), xem phụ lục J.
Các máy cắt kính phẳng trong điều kiện hoạt động bình thường dự định không có người tiếp cận phải trang bị các biện pháp an toàn để tránh nguy cơ va đập, nguy cơ tay người bị cầu cắt hoặc trục truyền động của nó kẹp dập và cuốn vào. Các chuyển động nguy hiểm phải dừng lại trước khi bất kỳ người nào có thể tiếp cận khu vực nguy hiểm.
5.2.1 Mỗi bên máy phải trang bị một rào chắn cố định bao quanh có chiều cao tối thiểu 1,4 m phù hợp với Phụ lục A. Lối vào phải trang bị các rào chắn di động có khoá liên động (xem EN 953:1997, 3.3 và 3.5) ở cả hai cạnh dọc của bàn cắt hoặc rào chắn bằng quang điện với bộ cảm biến bằng quang điện theo EN 61496-1:2004, loại 4, và IEC 61496-2:2006, Phụ lục B hoặc Phụ lục C.
5.2.2 Tuy nhiên, nếu không có không gian trống để sử dụng phương pháp 5.2.1, phải trang bị các rào chắn khoảng cách cố định gần khu vực nguy hiểm ở mỗi bên của máy theo Phụ lục D. Lối vào phải trang bị các rào chắn di động có khoá liên động với khóa bảo vệ (xem 3.2, 3.2.2, 3.3 và 3.6 của EN 953:1997) ở cả hai cạnh dọc của bàn trong khu vực của cầu cắt ở vị trí cơ sở (vị trí ban đầu).
5.2.3 Các cạnh ngang của máy cắt phải được bảo vệ bởi các rào chắn khoảng cách cố định phù hợp với EN 953 hoặc bộ phận bảo vệ bằng quang điện, hoặc các bộ phận giáp ranh liền kề. Trường hợp các bộ phận giáp ranh liền kề được sử dụng, thông tin chi tiết về các thuộc tính lân cận và an toàn phải đưa vào Thông tin sử dụng.
5.2.4 Hệ thống điều khiển kết hợp với khoá liên động của rào chắn phải phù hợp với các yêu cầu của ISO 13849-1:2008, mức tính năng d. Phụ lục H đưa ra một ví dụ về bộ bảo vệ liên động không có khóa bảo vệ kết hợp hai bộ phát hiện vị trí hoạt động bằng camera theo EN 1088:1995, Phụ lục G.
5.2.5 Nếu sử dụng các rào chắn cố định, hệ thống cố định của chúng phải được gắn vào rào chắn hoặc vào máy khi rào chắn được tháo ra.
5.3 Các yêu cầu an toàn riêng bổ sung đối với bàn cắt kính phẳng khi cho phép người tiếp cận
CHÚ THÍCH 1: Để biết tóm tắt về các phương pháp bảo vệ có thể thực hiện được theo 5.2 và 5.3 (đối với chế độ vận hành và tốc độ của cầu cắt), xem Phụ lục J.
Các máy cắt kính phẳng có tốc độ di chuyển của cầu cắt lớn hơn 0,7 m/s và được thiết kế cho phép người tiếp cận trong quá trình hoạt động bình thường phải được trang bị các biện pháp an toàn để ngăn không cho người thứ ba khởi động di chuyển cầu cắt trong lúc đang có người ở khu vực nguy hiểm nhằm phòng tránh các nguy cơ va đập của cầu cắt, nguy cơ tay người bị cầu cắt hoặc trục truyền động của nó kẹp dập và cuốn vào. Nếu có bất kỳ ai đi vào khu vực được bảo vệ, hệ thống dừng an toàn sẽ tự động được kích hoạt. Điều này có thể được thực hiện bằng cách:
a) Bảo vệ bằng quang điện phù hợp với Phụ lục E hoặc
b) Sử dụng cảm biến bằng quang điện phản xạ (máy quét chùm tia ánh sáng đơn) chống lại nguy cơ va đập kết hợp với thanh đẩy phù hợp với Phụ lục G nếu có nguy cơ cánh tay bị kẹp dập và cuốn vào.
CHÚ THÍCH 2: Không có nguy cơ cánh tay bị kẹp dập hoặc cuốn vào nếu khe hở giữa cầu hoặc trục truyền động của nó và mặt bàn có kinh dự kiến lớn hơn 120 mm.
5.3.1 Các thiết bị bảo vệ bằng quang điện chủ động phải phù hợp với loại 4 của IEC 61496-2:2006. Các thiết bị bằng quang điện chủ động được kiểm tra tự động - loại 2 của IEC 61496-2:2006 chỉ được sử dụng trên các máy cắt khi cần tiếp cận nếu việc kiểm tra của chúng được diễn ra tự động ở bất kỳ lần khởi động thủ công nào hoặc ít nhất khi sử dụng cảm biến bằng quang điện phản xạ (máy quét chùm tia ánh sáng đơn) ở lần khởi động thủ công đầu tiên sau mỗi lần bật nguồn.
5.3.2 Các máy cắt có tốc độ di chuyển của cầu cắt nhỏ hơn 0,7 m/s phải được chế tạo không có cạnh sắc hoặc được làm bằng vật liệu hấp thụ chấn động để giảm nguy cơ va đập.
5.3.3 Máy cắt kính phẳng có tốc độ di chuyển của cầu cắt nhỏ hơn 0,7 m/s có nguy cơ cánh tay bị kẹp dập hoặc cuốn vào giữa cầu cắt với trục truyền động và bàn có kính với chiều dày dự kiến phải được bảo vệ bằng các thanh đẩy phù hợp với Phụ lục F.
CHÚ THÍCH: Không yêu cầu phải có thanh đẩy trên các máy có khoảng cách giữa cầu cắt với trục truyền động và mặt bàn có kính lớn hơn 120 mm.
5.4 Tiếng ồn
5.4.1 Nguồn tiếng ồn và giảm tiếng ồn
Máy phát ra tiếng ồn phải ở mức tương đối thấp khi có thể thực hiện được. Do đó, việc giảm tiếng ồn phải là một phần không thể thiếu của quá trình thiết kế có tính đến các đo đạc tại nguồn như được mô tả chung trong ISO 11688-1:1998.
Các nguồn tiếng ồn chính là cơ cấu dẫn động và quạt. Có thể giảm bớt, ví dụ bằng cách sử dụng bộ giảm thanh ở đầu vào của quạt và vỏ bọc.
5.4.2 Đo, công bố và kiểm tra xác nhận phát thải tiếng ồn
Quy trình đo, công bố và kiểm tra xác nhận phát thải tiếng ồn phải được thực hiện theo quy tắc kiểm tra tiếng ồn nêu trong Phụ lục K.
5.4.3 Thông tin về phát thải tiếng ồn
Thông tin về phát thải tiếng ồn phải được nhà sản xuất cung cấp trong sổ tay hướng dẫn sử dụng, xem 7.1.1.
6 Kiểm tra xác nhận các yêu cầu về an toàn và/hoặc các biện pháp bảo vệ
Điều này chỉ ra các phương pháp thử nghiệm về sự hiện diện và đầy đủ của các yêu cầu an toàn nêu trong Điều 5.
Bảng 2 - Thử nghiệm riêng lẻ đối với các yêu cầu nêu trong Điều 5
| Tham chiếu - số hiệu của Điều 5 | Biện pháp an toàn | Phương pháp thử nghiệm | ||
| Trực quan | Chức năng | Đo lường | ||
| 5.1.9, 5.2.5 | Rào chắn bao quanh cố định | X |
|
|
| 5.1.20; 5.2.1; 5.2.3; 5.2.4; 5.2.5 | Hàng rào theo chu vi với việc tiếp cận có khoá liên động và thiết lập lại bằng thủ công | X | X | X |
| 5.1.20; 5.2.2; 5.2.3; 5.2.4; 5.2.5 | Rào chắn khoảng cách cố định với việc tiếp cận có khoá liên động với khoá bảo vệ và thiết lập lại bằng thủ công | X | X | X |
| 5.1.20; 5.2.1; 5.2.3; 5.3 a); 5.3 b); 5.3.1 | Thiết bị ngắt (rào chắn bằng quang điện) và thiết lập lại bằng thủ công | X | X | X |
| 5.3.2 | Bảo vệ phía cạnh bên | X |
|
|
| 5.3 b); 5.3.3 | Thanh đẩy | X |
| X |
| 5.1.2; 5.1.7.2, 5.2.5 | Che đậy | X |
| X |
| 5.1.1; 5.1.3; 5.1.4; 5.1.7.1; 5.1.8 | Khe hở tối thiểu |
|
| X |
| 5.1.5 | Tấm chắn trên bánh xe | X |
|
|
| 5.1.6; 5.1.9 | Tránh rủi ro | X |
| (X) |
| 5.1.10 | Các biện pháp an toàn ống dẫn cáp | X |
|
|
| 5.1.11; 5.1.12 | Các quy định chống lại sự rối loạn của trình tự điều khiển | X | X |
|
| 5.1.13-5.1.19 | Quy định chống khởi động bất ngờ và chạy quá mức; dừng khẩn cấp | Xa | X |
|
| 5.1.21 | Tiếp xúc điện trực tiếp hoặc gián tiếp | Xb | Xb | Xb |
| a xem ISO 13849-1:2008, Điều 8 b xem EN 60204-1:2006, Điều 18 | ||||
7 Thông tin cho sử dụng
Thông tin sử dụng phải được xây dựng tuân theo TCVN 7383-2:2004 (ISO 12100-2:2003), Điều 6.
7.1 Các tài liệu kèm theo (cụ thể: sổ tay hướng dẫn sử dụng)
Hướng dẫn bằng văn bản (sổ tay hướng dẫn) phải được soạn thảo tuân theo TCVN 7383-2:2004 (ISO 12100-2:2003), 6.5. Thông tin cụ thể được yêu cầu cho:
7.1.1 Phát thải tiếng ồn (công bố tiếng ồn) được xác định theo quy tắc kiểm tra nêu trong Phụ lục K:
- Mức áp suất âm thanh phát thải trọng số A tại các vị trí làm việc khi mức này vượt quá 70 dB (A). Nếu mức này không vượt quá 70 dB (A) thì cũng phải công bố giá trị thực tế này;
- Mức áp suất âm thanh phát thải trọng số C tại các vị trí làm việc khi mức này vượt quá 63 Pa (130 dB so với 20 pPa);
- Mức công suất âm thanh trọng số A do máy phát ra khi mức áp suất âm thanh phát thải trọng số A tại bất kỳ vị trí làm việc nào vượt quá 80 dB (A). Trong trường hợp này, hướng dẫn phải nêu rõ việc người vận hành phải đeo thiết bị bảo vệ tai.
Bất cứ giá trị phát thải tiếng ồn nào được công bố thì đều phải nêu ra mức sai lệch xung quanh giá trị này.
7.1.2 Mục đích sử dụng, ví dụ: loại kính, kích thước, độ dày.
7.1.3 Các điểm để chằng buộc cáp khi vận chuyển.
7.1.4 Khối lượng của bàn cắt hoặc các bộ phận riêng lẻ của bàn cắt.
7.1.5 Sự cần thiết của việc sử dụng phương tiện bảo vệ cá nhân.
CHÚ THÍCH: Cần quan tâm đến các yêu cầu của quốc gia và/hoặc của người sử dụng.
7.1.6 Các điều kiện giới hạn đối với việc sử dụng điều khiển số, ví dụ: độ ẩm, nhiệt độ.
7.1.7 Sự cần thiết của việc giữ cho sàn nhà không có các mảnh vỡ để tránh nguy cơ trượt.
7.1.8 Sự cần thiết phải bố trí máy sao cho có khoảng cách tối thiểu giữa cầu cắt di động và các bộ phận cố định của công trình, ví dụ: cột, được đảm bảo và giữ cho khu vực xung quanh máy không có bất kỳ bộ phận “cố định” nào, ví dụ: Xe tải, giá đỡ, (xem 5.1.1).
7.1.9 Sự cần thiết của các thiết bị điều khiển dừng (công tắc) để ngăn người khác khởi động hoặc do lỗi điều khiển điện tử trong quá trình bảo dưỡng, ví dụ: thay đổi đầu cắt (xem 5.1.17).
7.1.10 Sự cần thiết phải dừng khẩn cấp để tác động lên các máy được liên kết với máy cắt (xem 5.1.19).
7.1.11 Khuyến nghị liên hệ với nhà sản xuất bàn cắt về các biện pháp an toàn cần thiết nếu người sử dụng thực hiện các thay đổi sau khi vận hành thử.
7.1.12 Đào tạo tối thiểu về an toàn cần thiết để sử dụng bàn cắt.
CHÚ THÍCH: Nhà sản xuất khuyến nghị rằng việc đào tạo đỏ nên được thực hiện bởi nhà sản xuất.
7.1.13 Yêu Cầu về lắp đặt do thoả thuận với người sử dụng là cần thiết để giảm thiểu rủi ro đã được xác định (xem 5.2.3). Các biện pháp này phải bao gồm các biện pháp bảo vệ đối với các cạnh ngang của máy được nêu trong CHÚ THÍCH của các Phụ lục A, B, C và D.
7.1.14 Trong trường hợp xảy ra tai nạn hoặc sự cố, phải tuân theo phương pháp vận hành; Nếu tắc nghẽn có khả năng xảy ra, phương pháp vận hành phải được tuân thủ để cho phép thiết bị được giải toả một cách an toàn.
7.1.15 Thông số kỹ thuật của các phụ tùng dự phòng sẽ được sử dụng khi chúng ảnh hưởng đến sức khỏe và sự an toàn của người vận hành.
7.2 Ghi nhãn
Mỗi máy cắt kính phẳng phải có một nhãn cố định, rõ ràng và dễ đọc, chứa tối thiểu các thông tin:
- Tên doanh nghiệp và địa chỉ đầy đủ của nhà sản xuất và đại diện được ủy quyền của họ, nếu có;
- Ký hiệu của máy;
- Nhãn hiệu bắt buộc về mặt pháp lý;
- Năm sản xuất, là năm mà quá trình sản xuất hoàn thành;
- Ký hiệu số sê ri của kiểu, nếu có;
- Số sê ri hoặc số nhận dạng, nếu có;
- Thông tin kỹ thuật, ví dụ: điện áp, tần số, công suất.
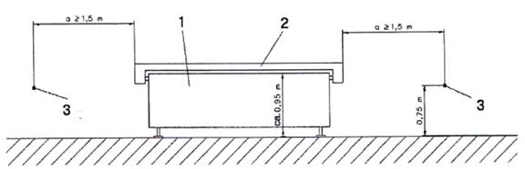
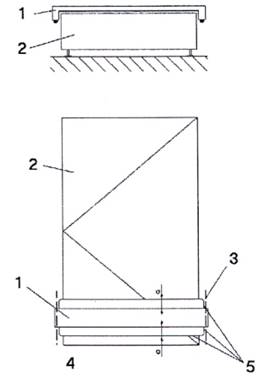
Phụ lục A
(quy định)
Rào chắn cố định bao quanh
Cần phải có rào chắn cố định có khoá liên động (xem 3.5 của EN 953:1997) để tiếp cận từng cạnh dọc của máy. Kích thước của các lỗ hở trên rào chắn phải tuân theo Bảng 4 của EN 294:1992.

CHÚ DẪN:
1 Cầu cắt
2 Bàn cắt
3 Rào chắn
CHÚ THÍCH: Giả thiết việc tiếp cận các cạnh ngang trong trường hợp có các chuyển động nguy hiểm được ngăn chặn bởi các bộ phận liền kề (máy khác, kết cấu đặc thù) hoặc các biện pháp bổ sung (rào chắn cố định, rào chắn bằng quang điện).
Phụ lục B
(quy định)
Bảo vệ bằng quang điện

CHÚ DẪN:
1 Bàn cắt
2 Cầu cắt
3 Bộ cảm biến bằng quang điện
Với tốc độ tiếp cận là 1,6 m/s, khoảng cách “a” phải được đặt sao cho chuyển động nguy hiểm của máy dừng lại khi đến vùng nguy hiểm (xem 6.1.5 của EN 999:1998).
a nhỏ nhất là bằng 1,5 m
CHÚ THÍCH: Giả thiết việc tiếp cận các cạnh ngang trong trường hợp có các chuyển động nguy hiểm được ngăn chặn bởi các bộ phận liền kề (máy khác, kết cấu đặc thù) hoặc các biện pháp bổ sung (rào chắn cố định, bằng rào chắn quang điện).
Phụ lục C
(quy định)
Bảo vệ bằng quang điện với thanh chắn

CHÚ DẪN:
1 Thanh chắn
2 Bàn cắt
3 Cầu cắt
4 Bộ cảm biến bằng quang điện
CHÚ THÍCH: Giả thiết việc tiếp cận các cạnh ngang trong trường hợp có các chuyển động nguy hiểm được ngăn chặn bởi các bộ phận liền kề (máy khác, kết cấu đặc thù) hoặc các biện pháp bổ sung (rào chắn cố định, bằng rào chắn quang điện).
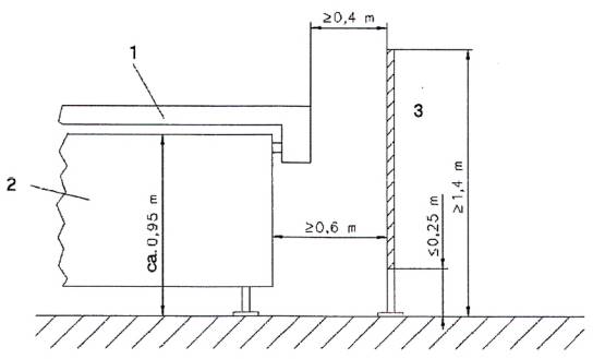
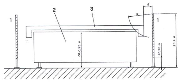
Phụ lục D
(quy định)
Rào chắn khoảng cách cố định

d ≥ 120 mm
R ≥ 620 mm
CHÚ DẪN:
1 Rào chắn
2 Bàn cắt
3 Cầu cắt
CHÚ THÍCH 1: R lớn hơn hoặc bằng 620 mm được quy định thay vì 900 mm (xem Bảng 1 của EN 294:1992), vì nguy cơ cánh tay bị cuốn vào chỉ tồn tại nếu toàn bộ lòng bàn tay được đặt trên bàn cắt.
Các lỗ hở trên rào chắn phải tuân theo Bảng 4 của EN 294:1992.
Phải xem xét nguy cơ kẹp dập bàn tay và các ngón tay do vươn qua hàng rào bảo vệ.
CHÚ THÍCH 2: Giả thiết việc tiếp cận các cạnh ngang trong trường hợp có các chuyển động nguy hiểm được ngăn chặn bởi các bộ phận liền kề (máy khác, kết cấu đặc thù) hoặc các biện pháp bổ sung (rào chắn cố định, rào chắn bằng quang điện).
Phụ lục E
(quy định)
Bảo vệ bằng quang điện

CHÚ DẪN:
1 Bộ cảm biến bằng quang điện
2 Bàn cắt
3 Cầu cắt
Chỉ dành cho máy cắt kính phẳng theo 5.3 ở những nơi cần tiếp cận.
Phụ lục F
(quy định)
Cảm biến bằng quang điện phản xạ (máy quét tia ánh sáng đơn) và thanh đẩy

CHÚ DẪN:
1 Cầu cắt
2 Bàn cắt
3 Máy quét tia ánh sáng đơn chỉ cho tốc độ lớn hơn hoặc bằng 0,7 m/s
4 Khoảng cách (a) giữa thanh đẩy và kính dự định là 120 mm; khoảng cách a: 200 mm
5 Thanh đẩy
CHÚ THÍCH: Chỉ sử dụng cho máy cắt kính phẳng theo 5.3, nơi có yêu cầu tiếp cận. Các thanh đẩy chỉ cần thiết nếu có nguy cơ cánh tay bị kẹp dập hoặc cuốn vào (xem 4.1.1.2 và 4.1.4): khoảng cách giữa cầu cắt hoặc trục truyền động và bàn cắt có kinh nhỏ hơn 120 mm.
Phụ lục G
(quy định)
Dừng hoạt động bằng các biện pháp an toàn

CHÚ DẪN:
| 1 Cảm biến bằng quang điện | 7 Cổng ra |
| 2 Đầu dò vị trí | 8 Tốc độ tiêu chuẩn |
| 3 Dừng khẩn cấp | 9 Bộ điều chỉnh khóa |
| 4 Rơ le thời gian (thời gian trễ) | 10 Bộ điều chỉnh |
| 5 Cổng vào | 11 Bộ phận an toàn chính |
| 6 PLC | 12 Tiếp điểm điều khiển |
Phụ lục H
(tham khảo)
Khóa liên động điện của rào chắn di động

CHÚ DẪN:
1 Trạng thái đóng
2 Trạng thái mở
CHÚ THÍCH: Việc thiết lập lại phải được kết nối đầy đủ với bộ điều khiển máy.
Giám sát vị trí và xử lý tín hiệu bằng bộ điều khiển có giám sát tự động và kiểm tra khởi động (xem 5.2.4).
Phụ lục I
(tham khảo)
Khu vực nguy hiểm trên máy cắt

CHÚ DẪN:
1 Cầu cắt
2 Bàn cắt
| Khu vực nguy hiểm - Điều khoản nguy hiểm | Mối nguy hiểm | ||||
|
|
|
|
| 4.1.1.1 | Kẹp dập cơ thể |
|
|
| 4.1.1.2 | 4.1.1.3 | 4.1.4 | Cánh tay bị kẹp dập/cuốn vào |
| 4.1.1.4a | 4.1.1.5 | 4.1.1.6 | 4.1.1.7 | 4.1.1.8 | Kẹp dập các ngón tay |
|
|
|
|
| 4.1.5 | Va chạm |
|
|
|
|
| 4.5.2 | Trượt ngã |
| a Cũng có nguy cơ kẹp dập bàn tay | |||||
Phụ lục J
(tham khảo)
Tóm tắt các phương pháp bảo vệ có thể thực hiện được theo 5.2 và 5.3
| Các biện pháp an toàn | Điều (khoản) | Tốc độ cầu cắt/Phương thức hoạt động | |||
| < 0,7 m/s không yêu cầu truy cập | > 0,7 m/s không yêu cầu truy cập | < 0,7m/s yêu cầu truy cập | > 0,7 m/s yêu cầu truy cập | ||
| Cầu cắt không có cạnh sắc; được bọc giảm chấn; có các thanh đẩy | F (5.3.2) (5.3.3) | N | N | X | N |
| Cảm biến bằng quang điện phản xạ với thanh đẩy | F (5.3 b)) | N | N | P | X |
| Rào chắn bằng quang điện | E (5.3 a)) | N | N | P | X |
| Rào chắn cố định bao quanh | A (5.2.1) | X | X | N | N |
| Rào chắn bằng quang điện | B (5.2.1) | X | X | N | N |
| Rào chắn bằng quang điện với thanh chắn | C (5.2.1) | X | X | N | N |
| Rào chắn khoảng cách cố địnha | D (5.2.2) | Xa | X3 | N | N |
| X: Thích hợp N: Không thích hợp P: Có thể, nhưng không bắt buộc. a chỉ được chấp nhận nếu không có không gian trống để sử dụng các phương pháp được mô tả trong các Phụ lục A, B hoặc C | |||||
Phụ lục K
(quy định)
Quy tắc kiểm tra tiếng ồn
K.1 Xác định mức áp suất âm thanh phát thải trọng số A
Mức áp suất âm thanh phát thải trọng số A phải được xác định phù hợp với một trong các tiêu chuẩn cơ bản:
- TCVN 12965 (ISO 11201) (cấp 2: kỹ thuật);
- TCVN 12966 (ISO 11202) (cấp 3: khảo sát);
- TCVN 12968 (ISO 11204) (cấp 2: kỹ thuật).
Tốt hơn là áp dụng phương pháp cấp 2. Nếu không thể, có thể áp dụng phương pháp cấp 3 nhưng phải giải thích rõ lý do. Phương pháp được khuyến nghị cho máy cắt kính là TCVN 12968 (ISO 11204).
Trạm làm việc là một đường cách cạnh gần nhất của máy 1 m - vị trí của các micrô cách nhau 1 m và cao 1,55 m so với mặt sàn.
Người vận hành không được vắng mặt trong quá trình đo.
K.2 Xác định mức công suất âm thanh phát thải trọng số A
Các mức công suất âm thanh trọng số A phải được xác định theo một trong các tiêu chuẩn cơ bản:
- ISO 3744 (cấp 2: kỹ thuật);
- ISO 3746 (cấp 3: khảo sát);
- TCVN 12965 (ISO 3747) (cấp 2: kỹ thuật).
Tốt hơn là nên sử dụng phương pháp cấp 2. Nếu không thể, có thể áp dụng phương pháp cấp 3 nhưng phải giải thích rõ lý do. Phương pháp được khuyến nghị cho máy cắt là ISO 3744.
K.3 Lắp đặt và điều kiện gắn kết
Máy phải được lắp đặt trên nền cứng phản xạ âm. Các điều kiện lắp đặt và gắn kết này phải giống nhau để xác định cả mức công suất âm thanh và mức áp suất âm thanh phát thải tại các vị trí xác định, đặc biệt cho mục đích khai báo. Phải cẩn thận để đảm bảo mọi tiếng ồn từ ngoại vi của thiết bị phải được giữ ở mức tối thiểu và không phát ra lượng âm thanh đáng kể.
K.4 Điều kiện vận hành
Máy phải được trang bị các dụng cụ cắt điển hình và phải được vận hành với thông số điển hình để sử dụng. Các thông số quan trọng là tốc độ của xe trượt dao và tốc độ của cầu cắt.
K.5 Độ không tin cậy của phép đo
Tùy thuộc vào tiêu chuẩn cơ bản được sử dụng, độ tin cậy của phép đo đối với các giá trị phát thải phải được quy định theo Iso 4871:1996.
K.6 Thông tin cần ghi lại
Thông tin được ghi lại phải bao gồm tất cả các yêu cầu kỹ thuật của quy tắc kiểm tra tiếng ồn này. Bất kỳ sai lệch nào so với quy tắc kiểm tra tiếng ồn này hoặc so với các tiêu chuẩn cơ bản đã được áp dụng phải được ghi lại cùng với lý do kỹ thuật cho những sai lệch đó.
K.7 Thông tin cần báo cáo
Báo cáo thử nghiệm phải bao gồm ít nhất những thông tin cần thiết để chuẩn bị công bố tiếng ồn hoặc để xác minh các giá trị đã công bố. Tối thiểu, các thông tin sau phải được bao gồm:
- Viện dẫn các tiêu chuẩn phát thải tiếng ồn cơ bản được sử dụng;
- Mô tả các điều kiện lắp đặt và vận hành được áp dụng;
- Vị trí của các trạm làm việc và các vị trí xác định khác để xác định LPA;
- Giá trị phát thải tiếng ồn thu được.
Phải xác nhận về việc tất cả các yêu cầu của quy tắc kiểm tra tiếng ồn theo tiêu chuẩn này đã được đáp ứng, hoặc nếu không thì phải nêu rõ yêu cầu nào chưa được đáp ứng. Phải nêu rõ các sai lệch so với các yêu cầu và phải đưa ra các biện minh kỹ thuật cho các sai lệch đó.
Mục lục
Lời nói đầu
Lời giới thiệu
1 Phạm vi áp dụng
2 Tài liệu viện dẫn
3 Thuật ngữ và định nghĩa
4 Danh mục các mối nguy hiểm
5 Yêu cầu về an toàn và/hoặc các biện pháp bảo vệ
6 Kiểm tra xác nhận các yêu cầu về an toàn và/hoặc các biện pháp bảo vệ
7 Thông tin cho sử dụng
8 Ghi nhãn
Phụ lục A (quy định) Rào chắn cố định bao quanh
Phụ lục B (quy định) Bảo vệ bằng quang điện
Phụ lục C (quy định) Bảo vệ bằng quang điện với thanh chắn
Phụ lục D (quy định) Rào chắn khoảng cách cố định
Phụ lục E (quy định) Bảo vệ bằng quang điện
Phụ lục F (quy định) Cảm biến bằng quang điện phản xạ (máy quét tia ánh sáng đơn) và thanh đẩy
Phụ lục G (quy định) Dừng hoạt động bằng các biện pháp an toàn
Phụ lục H (tham khảo) Khóa liên động điện của rào chắn di động
Phụ lục I (tham khảo) Khu vực nguy hiểm trên máy cắt
Phụ lục J (tham khảo) Tóm tắt các phương pháp bảo vệ có thể thực hiện được theo 5.2 và 5.3
Phụ lục K (quy định) Quy tắc kiểm tra tiếng ồn
1) Việt Nam hiện có TCVN 7386:2011 (ISO 13855:2010)
2) Khu vực nguy hiểm không nằm trong tầm với của người khi các biện pháp nêu trong các Phụ lục A, B hoặc D được đáp ứng.
Bạn chưa Đăng nhập thành viên.
Đây là tiện ích dành cho tài khoản thành viên. Vui lòng Đăng nhập để xem chi tiết. Nếu chưa có tài khoản, vui lòng Đăng ký tại đây!