- Tổng quan
- Nội dung
- Tiêu chuẩn liên quan
- Lược đồ
- Tải về
Tiêu chuẩn Quốc gia TCVN 7295:2003 ISO 5458:1998 Đặc tính hình học của sản phẩm - Ghi dung sai vị trí
| Số hiệu: | TCVN 7295:2003 | Loại văn bản: | Tiêu chuẩn Việt Nam |
| Cơ quan ban hành: | Bộ Khoa học và Công nghệ | Lĩnh vực: | Công nghiệp |
|
Ngày ban hành:
Ngày ban hành là ngày, tháng, năm văn bản được thông qua hoặc ký ban hành.
|
26/12/2003 |
Hiệu lực:
|
Đã biết
|
| Người ký: | Đang cập nhật |
Tình trạng hiệu lực:
Cho biết trạng thái hiệu lực của văn bản đang tra cứu: Chưa áp dụng, Còn hiệu lực, Hết hiệu lực, Hết hiệu lực 1 phần; Đã sửa đổi, Đính chính hay Không còn phù hợp,...
|
Đã biết
|
TÓM TẮT TIÊU CHUẨN VIỆT NAM TCVN 7295:2003
Tiêu chuẩn Quốc gia TCVN 7295:2003: Hướng dẫn về Dung sai hình học cho sản phẩm
Tiêu chuẩn Quốc gia TCVN 7295:2003, tương đương với ISO 5458:1998, được ban hành bởi Bộ Khoa học và Công nghệ ngày 01/01/2003. Tiêu chuẩn này quy định cách thức ghi dung sai hình học cho vị trí của các yếu tố như điểm, đường hoặc bề mặt trong thiết kế kỹ thuật. Tiêu chuẩn này nhằm nâng cao tính chính xác và đồng nhất trong sản phẩm cơ khí, đồng thời giúp các nhà sản xuất dễ dàng tham chiếu đến các yếu tố chuẩn.
Nội dung chính của TCVN 7295:2003 bao gồm quy trình ghi dung sai vị trí cho các điểm, đường, và bề mặt trong sản xuất. Để thực hiện điều này, tiêu chuẩn đưa ra yêu cầu về các kích thước chính xác lý thuyết đi kèm với các miền dung sai nhằm xác định vị trí chính xác cho từng yếu tố trong quá trình sản xuất. Các yêu cầu dung sai vị trí không tích lũy khi các kích thước chính xác được sắp xếp theo một dãy.
Định nghĩa các yếu tố: Tiêu chuẩn trình bày rõ ràng định nghĩa các yếu tố hình học như yếu tố bề mặt, yếu tố dẫn xuất, và yếu tố bề mặt danh nghĩa. Các yếu tố này được xác định dựa trên cách thức mà chúng tác động đến vị trí và kích thước thực tế của các sản phẩm.
Tiêu chuẩn cũng quy định cách ghi các dung sai vị trí theo các hướng khác nhau, với các hình thức như dung sai theo một hướng, hai hướng hoặc nhiều hướng, nhằm phục vụ cho việc sản xuất và kiểm tra chất lượng. Điều này rất quan trọng trong việc đảm bảo rằng các yếu tố sản phẩm được định vị chính xác và đồng bộ.
Ngoài ra, tiêu chuẩn này còn chỉ ra cách kết hợp các dung sai từ nhiều nhóm yếu tố khác nhau một cách độc lập để tối ưu hóa vị trí và kích thước của sản phẩm, từ đó nâng cao chất lượng tổng thể. Quy chuẩn này sẽ giúp cho các kỹ sư và nhà thiết kế có nền tảng vững vàng để thực hiện các bản vẽ kỹ thuật chính xác và dễ hiểu.
Tóm lại, TCVN 7295:2003 không chỉ quy định về cách ghi dung sai vị trí mà còn đóng vai trò quan trọng trong việc thiết lập các tiêu chuẩn về đặc tính hình học của sản phẩm, giúp cải thiện quy trình sản xuất và nâng cao chất lượng sản phẩm trên thị trường.
Tải tiêu chuẩn Việt Nam TCVN 7295:2003
TIÊU CHUẨN QUỐC GIA
TCVN 7295: 2003
ISO 5458 : 1998
ĐẶC TÍNH HÌNH HỌC CỦA SẢN PHẨM (GPS) - DUNG SAI HÌNH HỌC - GHI DUNG SAI VỊ TRÍ
Geometrical product specification (GPS) - Geometrical tolerancing - Positional tolerancing
Lời nói đầu
TCVN 7295 : 2003 hoàn toàn tương đương với ISO 5458 : 1998.
TCVN 7295 : 2003 do Tiểu ban kỹ thuật tiêu chuẩn TCVN/TC/SC1 Những vấn đề chung về cơ khí biên soạn, Tổng cục Tiêu chuẩn Đo lường Chất lượng đề nghị, Bộ Khoa học và Công nghệ ban hành.
Tiêu chuẩn này được chuyển đổi năm 2008 từ Tiêu chuẩn Việt Nam cùng số hiệu thành Tiêu chuẩn Quốc gia theo quy định tại khoản 1 Điều 69 của Luật Tiêu chuẩn và Quy chuẩn kỹ thuật và điểm a khoản 1 Điều 6 Nghị định số 127/2007/NĐ-CP ngày 1/8/2007 của Chính phủ quy định chi tiết thi hành một số điều của Luật Tiêu chuẩn và Quy chuẩn kỹ thuật.
ĐẶC TÍNH HÌNH HỌC CỦA SẢN PHẨM (GPS) - DUNG SAI HÌNH HỌC - GHI DUNG SAI VỊ TRÍ
Geometrical product specification (GPS) - Geometrical tolerancing - Positional tolerancing
1. Phạm vi áp dụng
1.1. Tiêu chuẩn này mô tả phương pháp ghi dung sai vị trí. Phương pháp ghi dung sai này được áp dụng cho vị trí của một điểm, một đường, một bề mặt, ví dụ tâm của một hình cầu, đường tâm của lỗ hoặc trục và mặt phẳng trung tuyến của rãnh.
CHÚ THÍCH - Việc ghi dung sai của profin được sử dụng khi các đường không phải là các đường thẳng hoặc các bề mặt không nằm trong một mặt phẳng - Xem ISO 1660.
2. Tiêu chuẩn trích dẫn
ISO 1101 :1983 Geometrical product specifications (GPS) - Geometrical tolerancing - Generalities, definitions, symbols, indications on drawings. (Đặc tính hình học của sản phẩm (GPS) - Dung sai hình học - Nguyên tắc chung, định nghĩa, ký hiệu, ghi dung sai trên bản vẽ).
3. Định nghĩa
Các định nghĩa liên quan đến các yếu tố đặc trưng theo ISO 14660-1. Các thuật ngữ mới khác với các thuật ngữ dùng trong tiêu chuẩn này. Các thuật ngữ mới này được định nghĩa trong phụ lục A và có trong phần chính của tiêu chuẩn này, đặt trong dấu ngoặc đơn bên cạnh thuật ngữ đang dùng.
4. Xác lập dung sai vị trí
4.1. Yêu cầu chung
Các thành phần cơ bản là các kích thước chính xác về lý thuyết, các miền dung sai và các yếu tố chuẩn.
4.2. Yêu cầu cơ bản
Dung sai vị trí được kết hợp với các kích thước chính xác về lý thuyết và xác định các giới hạn đối với vị trí của yếu tố thực như các điểm, đường tâm, mặt phẳng trung tuyến, các đường thẳng và mặt phẳng có liên quan với nhau hoặc có liên quan với một hoặc nhiều yếu tố chuẩn. Các miền dung sai được bố trí đối xứng so với vị trí chính xác về lý thuyết.
CHÚ THÍCH - Các dung sai vị trí không có tính tích lũy khi các kích thước chính xác (về) lý thuyết được sắp xếp thành một dãy (xem hình 4). (Sự tích lũy dung sai trái ngược với các dung sai kích thước được sắp xếp thành một dãy). Việc ghi dung sai vị trí cho phép tham chiếu rõ ràng đến một hoặc nhiều yếu tố chuẩn.
4.3. Kích thước chính xác (về) lý thuyết
Các kích thước chính xác (về) lý thuyết, kể cả kích thước góc và kích thước dài được cho trong các khung chữ nhật phù hợp với ISO 1101. Việc cho kích thước này được minh họa trong các hình 2a), 2b), 3a), 4a; 5a) và 7a).
Các kích thước chính xác về lý thuyết 0o và 90o, 180o hoặc khoảng cách 0 giữa.
- các yếu tố có dung sai vị trí không liên quan với một yếu tố chuẩn [xem hình 4a) và hình 5a)];
- các yếu tố dung sai vị trí liên quan với cùng một hoặc nhiều yếu tố chuẩn [xem hình 2a)];
- các yếu tố dung sai vị trí và các yếu tố chuẩn có liên quan của chúng (xem hình 1);
được mặc nhiên thừa nhận mà không có chỉ dẫn riêng.
Khi các yếu tố có dung sai vị trí có chung một đường tâm hoặc đường trục thì các yếu tố này được coi là các yếu tố chính xác, lý thuyết có liên quan nếu không có quy định nào khác, ví dụ, có liên quan với các yếu tố chuẩn khác nhau hoặc lý do khác được chỉ dẫn bằng một chú thích thích hợp trên bản vẽ như đã nêu trên hình 2b).
Ghi trên bản vẽ Giải thích

Có thể áp dụng các trường hợp a), b), c) hoặc d) tại mỗi lỗ:
a) đường trục lỗ trùng với vị trí chính xác lý thuyết [ sai lệnh zero ];
b) đường trục lỗ tại sai lệch vị trí lớn nhất với sai lệch độ vuông góc zero;
c) đường trục lỗ tại sai lệch vị trí lớn nhất với sai lệch độ vuông góc lớn nhất;
d) đường trục lỗ tại sai lệch vị trí lớn nhất; trong trường hợp này là sự kết hợp của các sai lệch hình học
Hình 1
4.4. Dung sai vị trí trên toàn bộ một vòng tròn
Khi các yếu tố có dung sai vị trí được sắp xếp trên toàn bộ một vòng tròn thì cần hiểu rằng các yếu tố này cách đều nhau, trừ khi có quy định khác, và vị trí của chúng là chính xác về lý thuyết.
Nếu hai hay nhiều nhóm các yếu tố có cùng một đường trục thì được xem là một nhóm khi
- chúng không có liên quan với một yếu tố chuẩn;
- chúng có liên quan với cùng một yếu tố chuẩn hoặc hệ thống các yếu tố chuẩn (các yếu tố chuẩn theo cùng một trật tự hoặc trong cùng điều kiện vật liệu) [xem hình 2a)];
trừ khi có quy định khác [xem hình 2b)].

Hình 2a

Hình 2b
4.5. Hướng của dung sai vị trí
4.5.1. Dung sai vị trí chỉ theo một hướng
Giá trị dung sai có thể được quy định theo một hướng.Khi không có quy định nào khác, định hướng của chiều rộng miền dung sai dựa trên mô hình các kích thước chính xác lý thuyết và ở 0o hoặc 90o như đã chỉ dẫn bởi hướng của đường mũi tên [xem hình 3a) và 3b)].
Ghi trên hình vẽ

Hình 3a
Giải thích

CHÚ THÍCH
1 Yếu tố chuẩn mô phỏng A
2 Yếu tố chuẩn mô phỏng B
Mỗi đường phân chia giữa các kích thước chính xác lý thuyết phải chứa một miền dung sai được xác định bởi hai đường thẳng song song cách nhau 0,1, được bố trí đối xứng với vị trí chính xác (về) lý thuyết của mỗi đường phân chia kích thước này.
Hình 3b
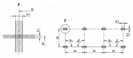
4.5.2. Dung sai vị trí theo hai hướng
Có thể quy định giá trị dung sai theo hai hướng vuông góc với nhau và các giá trị dung sai này được quy định khác nhau [xem hình 4a) và 4b)] hoặc bằng nhau.
Ghi trên hình vẽ

Hình 4a
Giải thích

Hình 4b
Mô hình chữ nhật có 8 miền dung sai, được đặt cách nhau 30 mm, là mô hình không cố định, vị trí và định hướng của nó phụ thuộc vào yếu tố thực của chi tiết gia công.
Mỗi lỗ phải:
- được đo theo hướng kích thước chính xác lý thuyết 30; bề mặt trung tuyến thực của lỗ nằm trong một miền dung sai có mặt cắt ngang chữ nhật 0,3 x chiều dài thực của yếu tố;
- được đo theo hướng kích thước chính xác lý thuyết 28; bề mặt trung tuyến thực của lỗ nằm trong một miền dung sai có mặt cắt ngang chữ nhật 0,1 x chiều dài thực của yếu tố;
- là các mặt phẳng trung tuyến của các miền dung sai được cố định bởi các kích thước chính xác (về) lý thuyết.
4.5.3. Dung sai vị trí theo nhiều hướng
Dung sai được quy định là một miền hình trụ [xem hình 5a) và 5b)]. “Mô hình chữ nhật cứng” có 8 miền dung sai đặt cách nhau 30 mm có thể được hiểu là mối ghép tốt nhất (quay và tịnh tiến) giữa các yếu tố thực của chi tiết gia công với điểm tâm / đường trục.
Ghi trên hình vẽ

Hình 5a
Giải thích

Hình 5b
Đường trục thực của mỗi lỗ phải nằm trong một miền dung sai hình trụ có đường kính 0,1 mm; đường trục của miền dung sai hình trụ được cố định bởi các kích thước chính xác lý thuyết.
CHÚ THÍCH - Đối với các mặt trụ của các chi tiết đối tiếp, miền dung sai thường là hình trụ và dung sai vị trí là dung sai theo nhiều hướng so với vị trí chính xác lý thuyết. Trong trường hợp này, phương pháp ghi dung sai vị trí đạt được miền dung sai lớn hơn so với phương pháp ghi dung sai theo hai hướng, là phương pháp chỉ có thể tạo ra miền dung sai hai kích thước hình vuông (hoặc chữ nhật); xem hình 6. Nên lựa chọn giữa miền dung sai “nhiều hướng” và “hai hướng” theo chức năng của yếu tố cần quy định dung sai.

CHÚ THÍCH
1- Miền lớn hơn 57 %.
Hình 6
5. Sự kết hợp dung sai
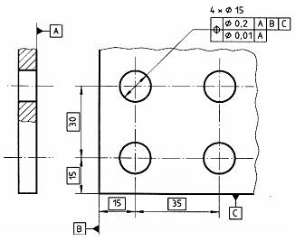
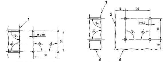
5.1. Nếu một nhóm các yếu tố được định vị riêng bằng việc ghi dung sai vị trí và vị trí của mô hình các yếu tố cũng được định vị bằng việc ghi dung sai vị trí thì mỗi yêu cầu phải được đáp ứng một cách độc lập [xem hình 7a)].
5.2. Đường trục thực (đường trục được xem xét) của mỗi lỗ trong 4 lỗ phải nằm trong miền dung sai hình trụ có đường kính 0,01; các miền dung sai vị trí được đặt tại các vị trí chính xác lý thuyết của chúng và vuông góc với yếu tố chuẩn A [xem hình 7b].
5.3. Đường trục thực của mỗi lỗ phải nằm trong miền dung sai hình trụ có đường kính 0,2; các miền dung sai vị trí vuông góc với yếu tố chuẩn A và được đặt tại các vị trí chính xác về lý thuyết so với nhau và với các yếu tố chuẩn B và C [xem hình 7c)].
Ghi trên hình vẽ

Hình 7a
Giải thích

| Chú thích | Chú thích |
| 1 Yếu tố chuẩn mô phỏng A | 1 Yếu tố chuẩn mô phỏng A |
|
| 2 Yếu tố chuẩn mô phỏng B |
|
| 3 Yếu tố chuẩn mô phỏng C |
| Hình 7b | Hình 7c |
PHỤ LỤC A
(tham khảo)
Định nghĩa
Để có nội dung chi tiết: xem ISO 14660-1
Yếu tố (feature): Điểm, đường hoặc bề mặt.
Yếu tố bề mặt (integral feature): Mặt hoặc đường trên một bề mặt.
Yếu tố dẫn xuất (derived feature): Điểm tâm, đường hoặc mặt phẳng trung tuyến được suy ra từ một hoặc nhiều yếu tố bề mặt.
Yếu tố kích thước (feature of size): Hình dạng hình học được xác định bởi một kích thước độ dài.
Yếu tố bề mặt danh nghĩa (nominal integral feature): Yếu tố bề mặt chính xác về lý thuyết được xác định bởi bản vẽ kỹ thuật hoặc các phương tiện khác.
Yếu tố dẫn xuất danh nghĩa (nominal derived feature): Điểm tâm, đường thẳng hoặc mặt phẳng trung tuyến được suy ra từ một hoặc nhiều yếu tố bề mặt danh nghĩa.
Bề mặt thực của chi tiết gia công (real surface of a workpiece): Tập hợp các yếu tố vốn có trên chi tiết gia công và ngăn cách toàn bộ chi tiết gia công với môi trường xung quanh.
Yếu tố thực [real (integral) feature]: Phần yếu tố bề mặt của một bề mặt thực của chi tiết gia công được giới hạn bởi các yếu tố (bề mặt) thực liền kề.
Yếu tố bề mặt được xem xét (extracted integral feature): Yếu tố biểu thị gần đúng của yếu tố (bề mặt) thực, có được bằng cách suy ra một số lượng giới hạn các điểm từ yếu tố (bề mặt) thực.
CHÚ THÍCH - Sự tính ra này được thực hiện phù hợp với các qui ước quy định .
Yếu tố dẫn xuất được xem xét (extracted derived feature): Điểm tâm, đường hoặc mặt phẳng trung tuyến được suy ra từ một hoặc nhiều yếu tố bề mặt xem xét.
Yếu tố bề mặt liên kết (associated integral feature): Yếu tố bề mặt có dạng hoàn thiện liên kết với yếu tố bề mặt xem xét phù hợp với các quy ước quy định.
Yếu tố dẫn xuất liên kết (associated derived feature): Điểm tâm, đường hoặc mặt phẳng trung tuyến được suy ra từ một hoặc nhiều yếu tố bề mặt liên kết.
PHỤ LỤC B
(tham khảo)
Cách ghi dung sai trước đây
Cách ghi dung sai trước đây đòi hỏi phải xác định vị trí riêng của một nhóm các yếu tố bằng cách ghi dung sai vị trí và mô hình các yếu tố bởi các dung sai theo tọa độ (xem hình B.1).

Hình B.1 Ghi trên bản vẽ
Cách ghi dung sai này không được sử dụng nữa, bởi vì ý nghĩa của các khoảng cách có dung sai 16 ± 0,5 và 18 ± 0,5 không được tiêu chuẩn hóa. Nên dùng cách ghi dung sai theo điều 5 để thay thế.
PHỤ LỤC C
(tham khảo)
Quan hệ với mô hình ma trận GPS
Để có nội dung chi tiết về mô hình ma trận GPS: xem ISO/TR 14638.
C.1. Thông tin về tiêu chuẩn này và việc sử dụng nó
Tiêu chuẩn này xác định các phương pháp để ghi các dung sai vị trí trên các bản vẽ kỹ thuật.
Tiêu chuẩn này cũng trình bày tỉ mỉ hơn về các khái niệm dung sai vị trí được quy định trong ISO 1101.
C.2. Vị trí trong mô hình ma trận GPS
Tiêu chuẩn này là một tiêu chuẩn tổng quát về GPS có ảnh hưởng đến các khâu 1 và 2 của một chuỗi các tiêu chuẩn về vị trí trong ma trận tổng quát GPS như đã minh họa bằng biểu đồ trên hình C.1.

Hình C.1
C.3. Các tiêu chuẩn quốc tế có liên quan
Các tiêu chuẩn quốc tế có liên quan là các tiêu chuẩn của các chuỗi tiêu chuẩn được giới thiệu trong hình C.1.
THƯ MỤC TÀI LIỆU THAM KHẢO
[1] ISO 1660 : 1987 Technical drawings - Dimensioning and tolerancing of profiles (Bản vẽ kỹ thuật - Ghi kích thước và dung sai của profin).
[2] ISO 2692 : 1988 Technical drawings - Geometrical tolerancing - Maximum material principles (Bản vẽ kỹ thuật - Dung sai hình học - Nguyên tắc vật liệu lớn nhất).
[3] ISO 3098-1: 2001 Technical drawings - Lettering - Part 1: latin alphabet, numerals and marks (Bản vẽ kỹ thuật - Chữ viết - Phần 1: Chữ cái La tinh, chữ số và dấu).
[4] ISO 5459 : 1981 Technical drawings - Geometrical tolerancing - Datums and datum-systems for geometrical tolerancing (Bản vẽ kỹ thuật - Dung sai hình học - Các yếu tố chuẩn và hệ thống các yếu tố chuẩn đối với dung sai hình học).
[5] ISO/TR 14638 : 1995 Geometrical product specifications (GPS) - masterplan (Đặc tính hình học của sản phẩm (GPS) - Sơ đồ chính).
[6] ISO 14660 -1: 1999 Geometrical product specifications (GPS) - Geometric features - Part 1: General terms and definitions (Đặc tính hình học của sản phẩm (GPS) - Các yếu tố hình học - Phần 1: Thuật ngữ chung và định nghĩa).
Bạn chưa Đăng nhập thành viên.
Đây là tiện ích dành cho tài khoản thành viên. Vui lòng Đăng nhập để xem chi tiết. Nếu chưa có tài khoản, vui lòng Đăng ký tại đây!