- Tổng quan
- Nội dung
- VB gốc
- Tiếng Anh
- Hiệu lực
- VB liên quan
- Lược đồ
-
Nội dung hợp nhất
Tính năng này chỉ có tại LuatVietnam.vn. Nội dung hợp nhất tổng hợp lại tất cả các quy định còn hiệu lực của văn bản gốc và các văn bản sửa đổi, bổ sung, đính chính... trên một trang. Việc hợp nhất văn bản gốc và những văn bản, Thông tư, Nghị định hướng dẫn khác không làm thay đổi thứ tự điều khoản, nội dung.
Khách hàng chỉ cần xem Nội dung hợp nhất là có thể nắm bắt toàn bộ quy định hiện hành đang áp dụng, cho dù văn bản gốc đã qua nhiều lần chỉnh sửa, bổ sung.
- Tải về
Thông tư 30/2017/TT-BCT của Bộ Công Thương về việc ban hành Quy chuẩn kỹ thuật Quốc gia về an toàn vì chống thủy lực sử dụng trong mỏ than hầm lò
| Cơ quan ban hành: | Bộ Công Thương |
Số công báo:
Số công báo là mã số ấn phẩm được đăng chính thức trên ấn phẩm thông tin của Nhà nước. Mã số này do Chính phủ thống nhất quản lý.
|
Đã biết
|
| Số hiệu: | 30/2017/TT-BCT | Ngày đăng công báo: |
Đã biết
|
| Loại văn bản: | Thông tư | Người ký: | Trần Tuấn Anh |
|
Ngày ban hành:
Ngày ban hành là ngày, tháng, năm văn bản được thông qua hoặc ký ban hành.
|
26/12/2017 |
Ngày hết hiệu lực:
Ngày hết hiệu lực là ngày, tháng, năm văn bản chính thức không còn hiệu lực (áp dụng).
|
Đang cập nhật |
|
Áp dụng:
Ngày áp dụng là ngày, tháng, năm văn bản chính thức có hiệu lực (áp dụng).
|
Đã biết
|
Tình trạng hiệu lực:
Cho biết trạng thái hiệu lực của văn bản đang tra cứu: Chưa áp dụng, Còn hiệu lực, Hết hiệu lực, Hết hiệu lực 1 phần; Đã sửa đổi, Đính chính hay Không còn phù hợp,...
|
Đã biết
|
| Lĩnh vực: | Công nghiệp, Than |
TÓM TẮT THÔNG TƯ 30/2017/TT-BCT
Quy chuẩn kỹ thuật Quốc gia về an toàn vì chống thủy lực sử dụng trong mỏ than hầm lò đã được Bộ Công Thương ban hành tại Thông tư số 30/2017/TT-BCT, ngày 26/12/2017. Trong đó có quy định về sử dụng an toàn vì chống thủy lực đối với người sử dụng và nhà sản xuất vì chống thủy lực.
Cụ thể, người sử dụng vì chống thủy lực chỉ được sử dụng vì chống thủy lực trong hầm lò khi đã có thiết kế lò phù hợp với đặc tính kỹ thuật và công dụng của vì chống đó và đã được Giám đốc điều hành mỏ phê duyệt; Chỉ được đưa vào sử dụng trong hầm lò vì chồng thủy lực đã được kiểm định và đảm bảo an toàn; Phải thay thế mỡ bảo quản của các bộ phận: Van thủy lực; ống thủy lực, xilanh và piston thủy lực trước khi đưa vào sử dụng; Xilanh thủy lực cất giữ trên 03 tháng, cần kiểm tra dung dịch thủy lực ở trong khoảng xilanh, nếu không đảm bảo chất lượng phải thay thế; Phải thay thế ngay bộ phận, chi tiết của bộ phận vì chống thủy lực có dấu hiệu hư hỏng hoặc đã đến thời hạn phải thay thế; Không được xả thải dung dịch của vì chống thủy lực làm ô nhiễm nguồn nước thải. Nhà sản xuất vì chống thủy lực phải cung cấp các tài liệu kỹ thuật và an toàn về chống thủy lực.
Thông tư này có hiệu lực từ ngày 01/07/2018.
Để tìm hiểu thêm về quy định nêu trên, bạn đọc tham khảo:
Xem chi tiết Thông tư 30/2017/TT-BCT có hiệu lực kể từ ngày 01/07/2018
Tải Thông tư 30/2017/TT-BCT
|
BỘ CÔNG THƯƠNG Số: 30/2017/TT-BCT |
CỘNG HÒA XÃ HỘI CHỦ NGHĨA VIỆT NAM Hà Nội, ngày 26 tháng 12 năm 2017 |
THÔNG TƯ
BAN HÀNH QUY CHUẨN KỸ THUẬT QUỐC GIA VỀ AN TOÀN VÌ CHỐNG THỦY LỰC SỬ DỤNG TRONG MỎ THAN HẦM LÒ
------------
BỘ TRƯỞNG BỘ CÔNG THƯƠNG
Căn cứ Nghị định số 98/2017/NĐ-CP ngày 18 tháng 8 năm 2017 của Chính phủ quy định chức năng, nhiệm vụ, quyền hạn và cơ cấu tổ chức của Bộ Công Thương;
Căn cứ Luật Tiêu chuẩn và Quy chuẩn kỹ thuật ngày 29 tháng 6 năm 2006;
Căn cứ Luật Chất lượng sản phẩm, hàng hóa ngày 21 tháng 11 năm 2007;
Căn cứ Nghị định số 127/2007/NĐ-CP ngày 01 tháng 8 năm 2007 của Chính phủ quy định chi tiết thi hành một số điều của Luật Tiêu chuẩn và Quy chuẩn kỹ thuật;
Theo đề nghị của Cục trưởng Cục Kỹ thuật an toàn và Môi trường công nghiệp,
Bộ trưởng Bộ Công Thương ban hành Quy chuẩn kỹ thuật Quốc gia về an toàn vì chống thủy lực sử dụng trong mỏ than hầm lò.
Điều 1. Ban hành kèm theo Thông tư này Quy chuẩn kỹ thuật Quốc gia về an toàn vì chống thủy lực sử dụng trong mỏ than hầm lò.
Ký hiệu: QCVN 03:2017/BCT
Điều 2. Thông tư này có hiệu lực thi hành ngày 01 tháng 7 năm 2018.
Điều 3. Chánh Văn phòng Bộ, Cục trưởng Cục Kỹ thuật an toàn và Môi trường công nghiệp, Vụ trưởng Vụ Khoa học và Công nghệ, Giám đốc sở Công Thương các tỉnh, thành phố trực thuộc Trung ương, Thủ trưởng các cơ quan, tổ chức và cá nhân có liên quan chịu trách nhiệm thi hành Thông tư này./.
|
|
BỘ TRƯỞNG |
QCVN 03:2017/BCT
QUY CHUẨN KỸ THUẬT QUỐC GIA VỀ AN TOÀN VÌ CHỐNG THỦY LỰC SỬ DỤNG TRONG MỎ THAN HẦM LÒ
National technical regulation on safety of hydraulic Support of coal mine
Lời nói đầu
QCVN 03:2017/BCT do Ban soạn thảo Quy chuẩn kỹ thuật quốc gia về an toàn vì chống thủy lực sử dụng trong mỏ than hầm lò biên soạn, Cục Kỹ thuật an toàn và Môi trường công nghiệp trình duyệt. Bộ Khoa học và Công nghệ thẩm định, Bộ trưởng Bộ Công Thương ban hành theo Thông tư số 30/2017/TT-BCT ngày 26 tháng 12 năm 2017.
MỤC LỤC
Mục lục
Chương I. Quy định chung
Điều 1. Phạm vi áp dụng
Điều 2. Đối tượng áp dụng
Điều 3. Định nghĩa và giải thích từ ngữ
Điều 4. Tài liệu viện dẫn
Chương II. Quy định kỹ thuật
Mục 1. Vì chống thủy lực đơn
Điều 5. Chiều dài xà
Điều 6. Tải trọng của xà đơn
Điều 7. Tải trọng của bộ khớp nối
Điều 8. Phân loại xà
Điều 9. Các thông số cơ bản của xà
Điều 10. Ghi nhãn
Điều 11. Yêu cầu kỹ thuật khác
Điều 12. Vật liệu chế tạo xà
Điều 13. Sự linh hoạt trong thao tác
Điều 14. Độ cứng bề mặt xà
Điều 15. Khả năng chịu tải của xà
Điều 16. Mối hàn chịu lực
Điều 17. Cột chống thủy lực của vì chống thủy lực đơn
Mục 2. Giàn và giá chống thủy lực
Điều 18. Lối đi
Điều 19. Dập bụi và chống lở rơi
Điều 20. Bảo vệ hệ thống thủy lực
Điều 21. Tấm chắn gương
Điều 22. Kết cấu móc, treo
Điều 23. Xà tiến gương
Điều 24. Vị trí định vị đầu cột chống
Điều 25. Lắp ráp
Điều 26. Sai số của kết cấu
Điều 27. Đánh giá nguy cơ, yếu tố nguy hiểm
Điều 28. Yêu cầu kỹ thuật khác
Điều 29. Khả năng hoạt động
Điều 30. Độ kín
Điều 31. Khả năng chống đỡ
Điều 32. Khả năng thích ứng
Điều 33. Tính linh hoạt
Điều 34. Cường độ kết cấu
Điều 35. Độ bền
Điều 36. Chi tiết thủy lực
Điều 37. Vật liệu
Điều 38. Mối hàn chịu lực
Điều 39. Tính toán ứng suất và lực tĩnh cho phép
Mục 3. Cột chống và kích thủy lực
Điều 40. Không ghi chú dung sai
Điều 41. Mối hàn chịu lực
Điều 42. Chi tiết đúc rèn
Điều 43. Các chi tiết khác
Điều 44. Kết cấu móc, treo
Điều 45. Van và thiết bị an toàn
Điều 46. Dung dịch thủy lực
Điều 47. Mối hàn chịu áp lực
Điều 48. Tính toán ứng suất và lực tĩnh cho phép
Điều 49. Chất lượng lắp ráp
Điều 50. Chi tiết chính
Điều 51. Mạ điện
Điều 52. Độ kín
Điều 53. Hành trình không tải
Điều 54. Áp suất khởi động nhỏ nhất
Điều 55. Độ kín của khoang cần piston
Điều 56. Sự linh hoạt
Điều 57. Khả năng chịu tải đúng tâm
Điều 58. Khả năng chịu tải lệch tâm
Điều 59. Độ bền
Điều 60. Giới hạn duỗi
Điều 61. Khả năng làm việc
Điều 62. Mối liên kết xilanh thủy lực
Điều 63. Khả năng chịu áp của thân xilanh
Điều 64. Vật liệu
Mục 4. Hệ thống điều khiển thủy lực và van
Điều 65. Dung dịch thủy lực
Điều 66. Tính hoàn chỉnh
Điều 67. Độ kín
Điều 68. Điều khiển giàn, giá chống hoạt động
Điều 69. Lực chống ban đầu và hệ thống bảo đảm lực chống ban đầu
Điều 70. Cắt nguồn cấp dịch
Điều 71. Hiển thị áp suất
Điều 72. Hệ thống lọc
Điều 73. Che chắn dung dịch bắn ra
Điều 74. Bảo vệ quá tải
Điều 75. Đóng mở cấp dung dịch
Điều 76. Vận tốc chuyển động của bộ phận có tiếp xúc với người
Điều 77. Lực thao tác
Điều 78. Áp suất đường hồi
Điều 79. Che chắn thiết bị điều khiển thủy lực
Điều 80. Tháo dỡ chi tiết thủy lực
Điều 81. Kết cấu móc, treo
Điều 82. Ống mềm thủy lực
Điều 83. Van thủy lực - Yêu cầu chung
Điều 84. Yêu cầu kỹ thuật của van an toàn
Điều 85. Yêu cầu kỹ thuật van một chiều điều khiển thủy lực
Điều 86. Yêu cầu kỹ thuật van đổi hướng
Điều 87. Yêu cầu kỹ thuật của van chặn
Điều 88. Các loại van khác
Chương III. Quy định về kiểm tra, thử nghiệm, kiểm định vì chống thủy lực
Mục 1. Quy định chung
Điều 89. Kiểm tra, thử nghiệm xuất xưởng
Điều 90. Kiểm tra, thử nghiệm kiểu dáng
Điều 91. Kiểm định
Điều 92. Yêu cầu kiểm tra, thử nghiệm
Điều 93. Điều kiện và thiết bị thử nghiệm
Mục 2. Nội dung phương pháp kiểm tra, thử nghiệm
Điều 94. Kiểm tra, thử nghiệm vì chống thủy lực đơn
Điều 95. Kiểm tra, thử nghiệm giàn, giá chống thủy lực
Điều 96. Kiểm tra, thử nghiệm cột chống thủy lực
Điều 97. Kiểm tra, thử nghiệm hệ thống thủy lực và van
Điều 98. Quy định về kiểm định vì chống thủy lực trước khi đưa vào hầm lò sử dụng và trong quá trình sử dụng trong hầm lò
Điều 99. Quy định về kiểm tra vì chống thủy lực đang sử dụng trong hầm lò
Chương IV. Quy định quản lý, sử dụng vì chống thủy lực
Điều 100. Quản lý chất lượng an toàn vì chống thủy lực
Điều 101. Đóng gói, vận chuyển, lưu trữ và bảo quản
Điều 102. Quy định về công tác quản lý
Điều 103. Quy định về sử dụng an toàn vì chống thủy lực
Chương V. Tổ chức thực hiện
Điều 104. Cơ quan quản lý Nhà nước về an toàn khai thác than có trách nhiệm
Điều 105. Tổ chức, cá nhân có liên quan tới vì chống thủy lực có trách nhiệm
Điều 106. Hiệu lực thi hành
Phụ lục A. Bảng các tình huống nguy hiểm
Phụ lục B. Tính toán ứng suất và lực tĩnh cho phép
Phụ lục C. Tài liệu hướng dẫn sử dụng sản phẩm
Phụ lục D. Yêu cầu kỹ thuật lớp mạ điện chi tiết xilanh thủy lực
Phụ lục E . Tính toán ứng suất và lực tĩnh cho phép của xilanh thủy lực
Phụ lục G. Yêu cầu kỹ thuật lớp phủ chi tiết van
QUY CHUẨN
QUY CHUẨN KỸ THUẬT QUỐC GIA VỀ AN TOÀN VÌ CHỐNG THỦY LỰC SỬ DỤNG TRONG MỎ THAN HẦM LÒ
QCVN 03:2017/BCT
Chương I
QUY ĐỊNH CHUNG
Điều 1. Phạm vi áp dụng
Quy chuẩn này quy định các yêu cầu kỹ thuật an toàn áp dụng đối với vì chống thủy lực sử dụng trong mỏ than hầm lò.
Điều 2. Đối tượng áp dụng
Quy chuẩn này áp dụng đối với tổ chức, cá nhân có liên quan đến thiết kế, chế tạo, nhập khẩu, lắp đặt, kiểm tra, thử nghiệm, kiểm định, sửa chữa, sử dụng, đóng gói, vận chuyển, bảo quản và quản lý vì chống thủy lực sử dụng trong mỏ than hầm lò.
Điều 3. Định nghĩa và giải thích từ ngữ
1. Vì chống thủy lực là vì chống sử dụng nguồn thủy lực để thực hiện các thao tác nâng, hạ và chống giữ hầm lò. Vì chống thủy lực bao gồm vì chống thủy lực đơn, giá chống thủy lực và giàn chống thủy lực.
2. Vì chống thủy lực đơn là vì chống thủy lực không có liên kết với các vì chống khác.
3. Vì chống thủy lực đơn gồm xà đỡ, cột chống thủy lực và các cơ cấu liên kết.
a) Xà đỡ là bộ phận chính của vì chống thủy lực đơn được lắp đặt phía trên của cột chống thủy lực đơn, phía dưới của nóc lò, chuyển áp lực của nóc lò đến cột chống. Xà đỡ được phân ra hai loại: Xà khớp nối và xà không có khớp nối.
b) Xà đơn là loại xà đơn chiếc.
c) Xà có khớp nối: Đoạn đầu xà có bộ phận khớp nối xà.
d) Xà không có khớp nối: Xà đơn, đoạn đầu xà không có bộ phận khớp nối xà.
e) Xà chính là xà chịu áp lực chính của nóc lò.
g) Xà phụ là xà không chịu áp lực chính của nóc lò, chủ yếu có tác dụng liên kết xà.
h) Cột chống thủy lực là cột chống dùng xi lanh thủy lực chống đỡ áp lực mỏ.
i) Cơ cấu liên kết bao gồm: Khớp nối, bu lông, đai ốc bắt giữ.
4. Giá chống thủy lực bao gồm nhiều hơn hai vì chống thủy lực đơn được liên kết với nhau theo chức năng, điều kiện áp dụng để chống giữ lò và không có liên kết với máng cào để thực hiện việc di chuyển.
5. Giàn chống thủy lực bao gồm nhiều hơn hai vì chống thủy lực đơn được liên kết với nhau theo chức năng, điều kiện áp dụng để chống giữ lò và có liên kết với máng cào để thực hiện việc di chuyển.
6. Giàn chống thủy lực dạng 2 cột chống che chắn là giàn chống thủy lực có 2 cột chống giữa mái giàn và đế giàn, có tấm che chắn sau.
7. Giàn chống thủy lực dạng 4 cột chống che chắn là giàn chống thủy lực có 4 cột chống giữa mái giàn và đế giàn, có tấm che chắn.
8. Giàn chống thủy lực dạng chống đỡ là giàn có cột chống giữa mái giàn và đế giàn, không có tấm che chắn.
9. Cột chống thủy lực nhiều cấp là cột chống dùng xi lanh thủy lực có nhiều hơn một cấp hành trình làm việc.
10. Kích thủy lực là kích dùng xilanh thủy lực không thực hiện nhiệm vụ chống đỡ áp lực mỏ.
11. Kích chống đỡ, kích cân bằng là kích dùng xilanh thủy lực chống phụ trợ.
12. Xilanh thủy lực là thiết bị truyền động qua lại trên một đường thẳng bằng thủy lực.
13. Mái giàn là bộ phận của giàn chống, giá chống tiếp xúc trực tiếp với nóc, truyền lực chống đỡ tới nóc lò.
14. Tấm che chắn (phá hỏa) là bộ phận nhận và truyền toàn bộ hoặc một phần lực chống đỡ, lực ngang và lực uốn, trực tiếp hoặc thông qua tay biên liên kết với mái giàn và đế, che chắn cách ly không gian làm việc và luồng phá hỏa, đồng thời tiếp nhận tải từ đá vách rơi xuống.
15. Tay biên là bộ phận liên kết tấm che chắn với đế giàn để hình thành cơ cấu bản lề bốn khâu, trong đó tay biên ở vị trí thấp là tay biên sau, tay biên ở vị trí cao là tay biên trước.
16. Đế (một hoặc nhiều đế) là bộ phận của giá hoặc giàn chống, tiếp xúc trực tiếp với nền, truyền lực chống đỡ của giàn hoặc giá chống xuống nền.
17. Bộ phận phụ của giàn hoặc giá chống là bộ phận không tiếp nhận lực chống đỡ của giàn hoặc giá chống, nhưng là bộ phận cần có để bảo đảm công năng của giàn hoặc giá chống.
18. Cơ cấu di chuyển giàn chống là bộ phận dùng để di chuyển máng cào hoặc giàn chống.
19. Tấm chắn gương là bộ phận dùng để chống đỡ tạm thời gương hoặc nóc (khi giàn, giá chống chưa di chuyển sau khi khấu gương), phòng ngừa than, đất đá lở rơi vào không gian làm việc.
20. Dầm tiến gương là bộ phận dùng để chống đỡ nóc tạm thời (khi giàn, giá chống chưa di chuyển sau khi khấu gương), phòng ngừa than, đất đá lở rơi vào không gian làm việc.
21. Neo cố định là bộ phận dùng để giữ giàn, giá chống; máng cào; máy khấu chống trượt theo hướng dốc.
22. Van một chiều điều khiển thủy lực là van một chiều dùng áp suất thủy lực để điều khiển đóng mở van.
23. Van phân phối là van có 3 vị trí (dừng, cấp thuận, cấp nghịch) sử dụng để điều khiển từ 3 dòng chảy trở lên và được điều khiển bằng tay, thủy lực, khí nén hoặc điện, phương thức điều khiển có thể là một hoặc hỗn hợp.
24. Van loại A là van đổi hướng, van an toàn và van điều khiển thủy lực một chiều cho cột chống với giàn chống loại A.
25. Hệ thống thủy lực là hệ thống bao gồm bơm, van, xilanh thủy lực và đường ống thủy lực.
26. Hệ thống điều khiển bản thân giàn là hệ thống điều khiển lắp trên giàn đó để điều khiển các hoạt động của giàn đó.
27. Hệ thống điều khiển giàn bên cạnh là hệ thống điều khiển lắp trên một giàn để điều khiển các hoạt động của giàn bên cạnh nó.
28. Hệ thống bảo đảm lực chống ban đầu là hệ thống luôn đảm bảo áp suất chống định mức và duy trì được áp suất đó.
29. Lực thiết kế là lực chống lớn nhất được tính toán dựa vào kích thước hình học và lực chống định mức của vì chống thủy lực (bỏ qua lực ma sát).
30. Lực chống định mức là hợp lực làm việc được tạo ra bởi các cột chống, kích chống khi vượt quá áp suất van an toàn sẽ tác động (bỏ qua lực ma sát).
31. Lực chống đỡ là lực tác dụng vuông góc với xà nóc, mái giàn, khi vì chống thủy lực chịu lực chống định mức, có tương quan với chiều cao chống giữ.
32. Lực phụ là lực được tạo ra do các bộ phận của vì chống thủy lực dưới tác dụng lực chống định mức, có tương quan với chiều cao chống giữ.
33. Áp suất chống ban đầu là áp suất được tạo ra khi quá trình chống ban đầu kết thúc.
34. Áp suất cấp dịch là áp suất của hệ thống thủy lực cung cấp cho xilanh thủy lực.
35. Áp suất làm việc định mức là áp suất thiết kế lớn nhất mà xilanh thủy lực có thể làm việc bình thường.
36. Độ linh hoạt là khả năng xilanh thay đổi chiều dài trong phạm vi hành trình làm việc khi lực tác động lên vì chống thủy lực vượt giới hạn cho phép.
37. Áp suất định mức của van là áp suất được xác định theo thông số cơ bản của van.
38. Áp suất đóng van một chiều là áp suất sau khi cấp dịch qua van một chiều, hệ thống giảm áp, van một chiều đóng lại và duy trì áp suất ổn định.
39. Áp suất điều khiển là áp suất nhỏ nhất trong khoang điều khiển làm cho van điều khiển thay đổi trạng thái làm việc.
40. Biến dạng dư tương đối là tỷ lệ giữa biến dạng tối đa và khoảng cách giữa xà nóc, mái giàn và đế khi vì chống bị xoắn, cong vênh.
Điều 4. Tài liệu viện dẫn
TCVN 1765-1975 Thép cacbon kết cấu thông thường, mác thép và yêu cầu kỹ thuật.
TCVN 1766:1975 Thép cacbon kết cấu chất lượng tốt - Mác thép và yêu cầu kỹ thuật.
TCVN 2031-77 Lò xo xoắn trụ nén và kéo bằng thép mặt cắt tròn. Yêu cầu kỹ thuật.
TCVN 2140:1977 Truyền dẫn thủy lực - Yêu cầu kỹ thuật chung.
TCVN 2387-78 Hệ thủy lực, khí nén và bôi trơn. Nối ống có vòng mím Pqu 40 MN/m2 (~ 400 KG/cm2). Kết cấu và kích thước cơ bản.
TCVN 2361:1989 Gang đúc, yêu cầu kỹ thuật.
TCVN 1823-1993 Thép hợp kim dụng cụ.
TCVN 2244:1999 (ISO 286 - 1:1988) Hệ thống ISO về dung sai và lắp ghép. Cơ sở dung sai, sai lệch và lắp ghép.
TCVN 6735-2000: Kiểm tra các mối hàn bằng siêu âm - Các phương pháp kiểm tra bằng tay các mối hàn nóng chảy trong thép ferit.
ISO 3601 - 1:2002 Gioăng phớt cao su hình O dùng cho thủy lực và khí nén - Phần 1 Kích thước và dung sai. TCVN 10357 - 1,2:2014 (ISO 9444 - 1,2:2009) Thép không gỉ.
TCVN 7296-2003 - Hàn - Dung sai chung cho các kết cấu hàn - Kích thước dài và kích thước góc - Hình dạng và vị trí.
TCVN 7295:2003 (ISO 5458:1998) Đặc tính hình học của sản phẩm (GPS). Dung sai hình học. Ghi dung sai vị trí.
TCVN 7507-2005: Kiểm tra không phá hủy mối hàn nóng chảy - Kiểm tra bằng mắt thường.
ISO 3601 - 3:2005 Gioăng phớt cao su hình O dùng cho thủy lực và khí nén - Phần 2: Quy phạm kiểm định chất lượng bề ngoài.
TCVN 2263-1:2007 (ISO 2768 - 1:1989) Dung sai chung. Phần 1: Dung sai của các kích thước dài và góc không chỉ dẫn dung sai riêng.
TCVN 2263-2:2007 (ISO 2768 - 2:1989) Dung sai chung. Phần 2: Dung sai hình học đối với các yếu tố không chỉ dẫn dung sai riêng.
TCVN 5023-2007 - ISO - Lớp phủ kim loại - Lớp mạ niken crom và mạ đồng - niken - crom
TCVN 2263-1:2007 (ISO 2768 - 1:1989) Dung sai chung - Phần 1: Dung sai của các kích thước dài và gọc không chỉ dẫn dung sai riêng.
TCVN 4683-1:2008 (ISO 965 - 1:1998) Ren hệ mét thông dụng ISO. Dung sai. Phần 1: Nguyên lý và thông số cơ bản.
TCVN 5026:2010 (ISO 2081:2008) Lớp phủ kim loại và lớp phủ vô cơ khác - Lớp kẽm mạ điện có xử lý bổ sung trên nền gang hoặc thép.
TCVN 9944-7:2013 (ISO 22514 - 7:2012) Phương pháp thống kê trong quản lý quá trình - Năng lực và hiệu năng - Phần 7: Năng lực của quá trình đo, phép đo được quy về đơn vị tiêu chuẩn hóa.
TCVN 10357-1:2014 (ISO 9444 - 1:2009) Thép không gỉ cán nóng liên tục.
TCVN 10357-2:2014 (ISO 9444 - 2:2009) Thép không gỉ cán nóng liên tục.
Điều 5. Chiều dài xà
1. Chiều dài của xà có khớp nối là khoảng cách tâm hai chốt ở hai đầu xà.
2. Chiều dài của xà không có khớp nối là chiều dài của toàn bộ xà.
Điều 6. Tải trọng của xà đơn
Tải trọng của xà đơn trong quy định về phương pháp thử nghiệm và yêu cầu kỹ thuật, gồm:
1. F1 - Tải trọng nhỏ nhất của xà đơn.
2. F2 - Tải trọng lớn nhất của xà đơn.
3. F3 - Tải trọng phá hủy của xà đơn.
4. F4 - Tải trọng lặp lại của xà đơn.
Điều 7. Tải trọng của bộ khớp nối
Tải trọng của bộ khớp nối của xà trong quy định về phương pháp thử nghiệm và yêu cầu về kỹ thuật, gồm:
1. F5 - Tải trọng nhỏ nhất của bộ khớp nối.
2. F6 - Tải trọng lớn nhất của bộ khớp nối.
3. F7 - Tải trọng phá hủy của bộ khớp nối.
4. F8 - Tải trọng lặp lại của bộ khớp nối.
Điều 8. Phân loại xà
1. Theo phương thức kết nối: Xà có khớp nối và không có khớp nối.
2. Theo mặt cắt của thân xà: Xà loại A, xà loại B, xà loại C, xà loại D.
Điều 9. Các thông số cơ bản của xà
1. Hình dạng, tiết diện và chiều cao tiết diện của xà theo Bảng 1 của Quy chuẩn này.
Bảng 1. Hình dạng, tiết diện và chiều cao tiết diện của xà
|
Hình thức xà |
Hình dạng, tiết diện thân xà |
Chiều cao tiết diện thân xà H (mm) |
|
Loại A |
|
98 |
|
Loại B |
|
90 |
|
Loại C |
|
70 |
|
Loại D |
|
55 |
|
Ghi chú: Loại A là loại không khuyến khích sử dụng |
||
2. Chiều dài của xà theo quy định tại Bảng 2 của Quy chuẩn này.
Bảng 2. Chiều dài của xà
|
L |
600 |
800 |
1000 |
1200 |
1400 |
1600 |
1800 |
2000 |
2200 |
2400 |
|
L |
2600 |
2800 |
3000 |
3200 |
3400 |
3600 |
3800 |
4000 |
4200 |
4400 |
3. Căn cứ yêu cầu thực tế của người sử dụng, cho phép sản xuất loại xà có chiều dài đặc biệt. Sản phẩm chế tạo phải phù hợp các yêu cầu an toàn của Quy chuẩn này và thiết kế được phê duyệt.
4. Giá trị tải trọng nhỏ nhất quy định tại Bảng 5 của Quy chuẩn này.
Điều 10. Ghi nhãn
Nhãn của vì chống thủy lực được ghi theo quy định tại Nghị định số 43/2017/NĐ-CP ngày 14 tháng 4 năm 2017 của Chính phủ về Nhãn hàng hóa và bổ sung các yêu cầu đặc trưng của từng loại.
Điều 11. Yêu cầu kỹ thuật khác
1. Bản vẽ gia công chi tiết kim loại không ghi chú dung sai phải thỏa mãn các yêu cầu tại TCVN 2263-2:2007 (ISO 2768 - 2:1989) Dung sai vị trí - Không ghi chú giá trị dung sai.
2. Các chi tiết của xà phải có tính lắp lẫn.
3. Lỗ để lắp chốt liên kết xà có đường kính trong 86+1.5- 0.7 mm và phải chịu mài mòn.
4. Độ dài xà có khớp nối cho phép chênh lệch ± 4 mm; xà không có khớp nối cho phép chênh lệch ± 8 mm.
1. Vật liệu chế tạo xà là thép cacbon, thép trắng, thép ống cán nóng, thép dẹp cán nóng, kết cấu kim loại theo TCVN 1765-1975 Thép cacbon kết cấu thông thường, mác thép và yêu cầu kỹ thuật; TCVN 1766:1975 Thép cac bon chất lượng tốt - Mác thép và yêu cầu kỹ thuật; TCVN 1823-1993 Thép hợp kim dụng cụ, được quy định tại bản vẽ được phê duyệt.
2. Vật liệu chế tạo chi tiết chính là thép cán có độ cứng phù hợp với quy định tại Bảng 4 của Quy chuẩn này.
Trường hợp đặc biệt cho phép sử dụng vật liệu thay thế khác nhưng cơ tính không thấp hơn vật liệu quy định tại Bảng 3 của Quy chuẩn này.
Bảng 3. Vật liệu chế tạo một số chi tiết chính của xà
|
Các chi tiết chính |
Vật liệu |
Thép cán |
|
Thân xà |
27SiMn |
Thép dẹt hoặc thép hình |
|
Khớp nối |
27SiMn |
Thép vuông |
|
Tai trái, phải |
27SiMn |
Thép dẹt hoặc thép vuông |
|
Chốt |
27SiMn, 45C |
Thép ống |
|
Chêm điều chỉnh góc |
27SiMn, 30Mn2 |
Thép ống |
|
Gân tăng cứng |
27SiMn |
Thép dẹt |
|
Vách ngăn |
CT3 |
Thép ống |
|
Ghi chú: Thép 45C và 30Mn2 hạn chế sử dụng chế tạo xà |
||
Điều 13. Sự linh hoạt trong thao tác
1. Khớp nối xà, chốt và nêm dễ tháo lắp khi liên kết 2 xà với nhau, chốt không được chuyển động xoay.
2. Khớp nối xà phải có tính lắp lẫn.
3. Hai xà sau khi nối trong quá trình chống giữ nhìn theo phương khấu thì góc lệch xà sang trái hoặc phải nhỏ hơn 30 và góc lệch lên hoặc xuống nhỏ hơn 70.
4. Phải đảm bảo độ nhô ra của đầu nêm so với thân xà không nhỏ hơn 25 mm.
Độ cứng bề mặt thân xà, nêm góc và chốt phù hợp với quy định tại Bảng 4 của Quy chuẩn này
Bảng 4. Độ cứng bề mặt thân xà, nêm góc và chốt
|
Chi tiết |
Giá trị độ cứng |
|
Thân xà |
300 HB ÷ 350 HB |
|
Nêm góc |
300 HB ÷ 350 HB |
|
Chốt |
380 HB ÷ 420 HB |
a) Tải trọng nhỏ nhất F1 của xà không nhỏ hơn quy định tại Bảng 5 của Quy chuẩn này. Sau khi gia tải theo khoản 5, Điều 94 của Quy chuẩn này, với tác động của tải trọng nhỏ nhất, sau khi xả tải, biến dạng dư của xà (độ võng) không lớn hơn 0,5 mm.
b) Tải trọng lớn nhất F2 của xà không nhỏ hơn quy định tại Bảng 5 của Quy chuẩn này. Sau khi gia tải theo khoản 5, Điều 94 của Quy chuẩn này, khi tải trọng lớn nhất tác dụng, cho phép có biến dạng dư không quá 0,5 mm và mối hàn không có vết nứt.
Bảng 5. Tải trọng nhỏ nhất và lớn nhất của xà
|
Loại xà |
Tải trọng nhỏ nhất F1 của xà đơn (kN) |
||
|
L ≥ 1.000 mm |
700 ≤ L < 1.000=""> |
600 ≤ L < 700=""> |
|
|
Loại A |
250 |
350 |
390 |
|
Loại B |
300 |
420 |
470 |
|
Loại C |
200 |
280 |
310 |
|
Loại D |
150 |
210 |
230 |
|
Loại xà |
Tải trọng lớn nhất F2 của xà đơn (kN) |
||
|
L ≥ 1.000 mm |
700 ≤ L < 1.000=""> |
600 ≤ L < 700=""> |
|
|
Loại A |
350 |
490 |
550 |
|
Loại B |
400 |
560 |
360 |
|
Loại C |
250 |
350 |
390 |
|
Loại D |
200 |
280 |
310 |
2. Tải trọng phá hủy của xà
Tải trọng phá hủy F3 của xà lớn hơn F2, không cho phép đứt gãy do giòn.
Tải trọng lặp lại F4 của xà bằng 1,1F1, khi số lần gia tải thử nghiệm xà phù hợp với quy định trong Bảng 6 của Quy chuẩn này, mối hàn không bị phá hủy.
Bảng 6. Số lần gia tải thử nghiệm tải trọng lặp lại xà
|
Loại xà |
Loại A |
Loại B |
Loại C |
Loại D |
|
Số lần gia tải thử nghiệm |
30 |
35 |
25 |
20 |
a) Tải trọng nhỏ nhất F5 của bộ khớp nối
Tải trọng nhỏ nhất F5 của bộ khớp nối không nhỏ hơn giá trị quy định tại Bảng 7 của Quy chuẩn này. Khi tải trọng nhỏ nhất tác dụng, trên bề mặt làm việc của khớp nối, chốt, nêm điều chỉnh góc không xuất hiện vết có độ sâu lớn quá 3 mm, bộ phận khớp nối không được biến dạng, mối hàn không bị rạn nứt.
Bảng 7. Tải trọng của bộ khớp nối
|
Loại xà |
Tải trọng nhỏ nhất bộ khớp nối (kN) |
Tải trọng lớn nhất của bộ khớp nối (kN) |
|
Loại A |
115 |
200 |
|
Loại B |
170 |
250 |
|
Loại C |
100 |
115 |
|
Loại D |
85 |
100 |
Tải trọng lớn nhất F6 bộ phận khớp nối không nhỏ hơn giá trị quy định tại Bảng 7 của Quy chuẩn này. Khi tải trọng lớn nhất tác dụng, mối hàn của khớp nối không bị rạn nứt, các chi tiết không bị hư hại.
c) Tải trọng phá hủy F7 bộ phận khớp nối
Tải trọng phá hủy F7 bộ phận khớp nối có giá trị lớn bằng F6 khi phá hủy, không cho phép đứt gẫy do giòn.
d) Tải trọng lặp lại F8 của khớp nối
Tải trọng lặp lại F8 của khớp nối bằng 1,1F5. Sau khi thực hiện số lần gia tải thử nghiệm theo quy định tại Bảng 7 của Quy chuẩn này, xà không bị hư hại, mối hàn không rạn nứt.
Điều 16. Mối hàn chịu lực
1. Mối hàn phải phù hợp với quy định tại TCVN 7296-2003 - Hàn - Dung sai chung cho các kết cấu hàn - Kích thước dài và kích thước góc - Hình dạng và vị trí.
2. Kiểm tra mối hàn theo quy định tại TCVN 7507-2005: Kiểm tra không phá hủy mối hàn nóng chảy - Kiểm tra bằng mắt thường và TCVN 6735-2000: Kiểm tra các mối hàn bằng siêu âm - Các phương pháp kiểm tra bằng tay các mối hàn nóng chảy trong thép ferit.
Điều 17. Cột chống thủy lực của vì chống thủy lực đơn
Cột chống thủy lực của vì chống thủy đơn được quy định tại Mục 3 của Quy chuẩn này.
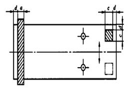
1. Kích thước mặt cắt tại lối đi bên trong giàn chống (Hình 1) có chiều rộng không nhỏ hơn 0,6 m; chiều cao không nhỏ hơn 0,4 m.

2. Giàn chống phải có đủ không gian cho người đi bộ và trong phạm vi người đi bộ không được có các chi tiết nhô ra cản trở đi lại.
3. Bề mặt lối đi phải được chống trơn trượt cho người đi bộ (sử dụng tấm kim loại có mặt nhám, thảm nhựa chống trượt…).
4. Khi giàn chống lắp đặt tại các vỉa than nghiêng phải có các thiết bị thích hợp để bảo đảm cho người đi lại an toàn.
Điều 19. Dập bụi và chống lở rơi
1. Giàn chống phải có vị trí để lắp đặt cơ cấu dập bụi.
2. Kết cấu của giàn chống phải bảo vệ an toàn cho người khỏi than, đất đá từ nóc và từ luồng phá hỏa lở rơi vào không gian diện làm việc của giàn chống.
Điều 20. Bảo vệ hệ thống thủy lực
Kết cấu của giàn, giá chống phải bảo vệ được hệ thống thủy lực không bị hư hỏng do các thao tác giàn, giá chống hay do đất đá lở rơi.
Điều 21. Tấm chắn gương
Phải lắp đặt tấm chắn gương cho giàn, giá chống có chiều cao không nhỏ hơn 3,5 m. Tấm chắn gương khi che chắn và thu hồi phải có liên động, kích tấm chắn gương phải lắp đặt van an toàn.
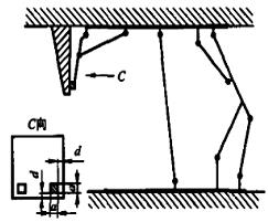
Điều 22. Kết cấu móc, treo
Các bộ phận của giàn, giá chống có trọng lượng lớn không cho phép người mang vác, di chuyển bằng tay phải thiết kế vị trí móc, treo để nâng hạ, di chuyển. Liên kết của kết cấu móc, treo với các bộ phận của giàn chống và độ bền chịu lực kéo của bản thân cơ cấu móc, treo phải chịu được lực nâng bằng 4 lần trọng lượng bộ phận phải nâng mà không bị hư hại.
Điều 23. Xà tiến gương
Khi lắp đặt tại vỉa than mà nóc của diện công tác bị nứt vỡ thì giàn, giá chống phải lắp đặt xà tiến gương.
Điều 24. Vị trí định vị đầu cột chống
Mái của giàn, giá chống phải có vị trí để định vị và liên kết đầu cột chống.
Điều 25. Lắp ráp
Giàn, giá chống phải có tính năng lắp ráp tốt. Tất cả các bộ phận của giàn, giá chống cần thỏa mãn yêu cầu tháo, lắp dễ dàng.
Điều 26. Sai số của kết cấu
1. Sai số chiều cao nhỏ nhất và lớn nhất của giàn, giá chống là ± 50 mm.
2. Sai số chiều rộng nhỏ nhất và lớn nhất của giàn, giá chống là ± 20 mm.
Điều 27. Đánh giá nguy cơ, yếu tố nguy hiểm
1. Giàn, giá chống phải được tiến hành đánh giá nguy cơ, yếu tố nguy hiểm để xây dựng và áp dụng các biện pháp loại bỏ hoặc giảm thiểu các nguy cơ, yếu tố nguy hiểm đó.
2. Phải có biện pháp kỹ thuật an toàn trong quá trình vận hành, lắp đặt và sửa chữa giàn, giá chống.
3. Các nguy cơ, tình huống nguy hiểm được liệt kê tại Phụ lục A.
Điều 28. Yêu cầu kỹ thuật khác
1. Các phụ kiện và hệ thống đường ống của giàn, giá chống phải theo các quy định trong bản vẽ về vị trí lắp đặt, liên kết tin cậy, sắp xếp ngay ngắn, mỹ quan. Trên giàn, giá chống phải có biển chỉ dẫn rõ ràng về các thao tác của chúng.
2. Bề mặt của giàn, giá chống phải được sơn, lớp sơn phải đều liền mạch, không phồng rộp, bong tróc, nứt nẻ và các khuyết tật khác.
3. Mối hàn phải phù hợp quy định tại TCVN 6008:2010 Thiết bị chịu áp lực - Mối hàn - Yêu cầu kỹ thuật và phương pháp thử.
4. Bề ngoài chi tiết gang đúc phải phù hợp quy định tại TCVN 2361:1989 Gang đúc, yêu cầu kỹ thuật.
5. Bề mặt ngoài piston phải được mạ lớp crom phù hợp quy định tại TCVN 5023-2007 - ISO - Lớp phủ kim loại - Lớp mạ niken crom và mạ đồng - niken - crom.
Điều 29. Khả năng hoạt động
1. Trong quá trình làm việc, các hoạt động của giàn, giá chống phải thuận tiện, không bị vướng; các bộ phận chuyển động phải chuyển động chính xác, linh hoạt, không có hiện tượng chậm, kẹt; các bộ phận chuyển động khi đạt đến trạng thái giới hạn không có hư hại.
2. Ở điều kiện áp suất, lưu lượng cấp và hồi dung dịch đạt thiết kế, thì thời gian tuần hoàn lớn nhất hoàn chỉnh chu kỳ thao tác nâng, hạ, di chuyển của giàn, giá chống phải nhỏ hơn 1,1 lần giá trị thiết kế.
Điều 30. Độ kín
1. Khi cột chống và kích thủy lực được cấp dung dịch với áp suất lớn hơn hoặc bằng 90% áp suất định mức (Pđm), không tụt áp trong 5 phút.
2. Cần piston của cột thủy lực và kích thủy lực ở vị trí ngoài 2/3 hành trình, trong 16 giờ (ở trạng thái tự nhiên), độ tụt vào của cần piston không lớn hơn 2 mm (loại bỏ ảnh hưởng của nhiệt độ).
3. Khi cấp dung dịch ở áp suất định mức, thao tác vận hành giàn, giá chống theo quy định, các chi tiết của hệ thống thủy lực không được xuất hiện rỏ rỉ.
Điều 31. Khả năng chống đỡ
1. Khi áp suất cấp dung dịch định mức, lực chống ban đầu của giàn, giá chống không nhỏ hơn 95% lực chống ban đầu định mức khi thử nghiệm. Có thể đo áp suất cột thủy lực, khi đó áp suất cột thủy lực phải lớn hơn 95% áp suất cấp dung dịch định mức.
2. Phải đảm bảo áp suất làm việc của giàn, giá chống, kích thủy lực từ 0,9 đến 1,1 áp suất định mức.
Điều 32. Khả năng thích ứng
1. Cơ cấu di chuyển giàn chống ở vị trí thu lại, đầu liên kết với lỗ liên kết của máng cào hợp bộ nâng lên trên phải lớn hơn 200 mm (giàn chống vỉa mỏng hoặc giàn chống có thiết bị nâng hạ có đế phải lớn hơn 100 mm), hạ xuống dưới phải lớn hơn 60 mm.
2. Khi giàn chống ở chiều cao lớn nhất, góc hạ mái giàn phải lớn hơn 150. Khi giàn chống ở vị trí cao hơn chiều cao thấp nhất + 300 mm, góc nâng mái giàn phải lớn hơn 100.
3. Giàn chống có yêu cầu đặc thù về áp lực riêng của đế đối với nền, phải tiến hành đo đạc áp lực riêng và giá trị phải nhỏ hơn cường độ kháng nén cho phép của nền.
Điều 33. Tính linh hoạt
Giàn chống phải có khả năng tự hạ thấp khi áp lực mỏ lớn hơn lực chống của giàn (lực chống lớn nhất không được vượt qua 110% Pđm). Kết cấu của giàn chống sao cho đá vách không làm cản trở giàn chống tự hạ thấp.
Điều 34. Cường độ kết cấu
1. Cường độ các kết cấu chính
Cường độ các kết cấu chính được thử nghiệm theo điểm a và b khoản 10 Điều 95 Quy chuẩn này. Sau khi thử nghiệm các phương án đặt tải, kết cấu chính không có mối hàn bị rạn nứt; độ biến dạng dư tương đối của mái giàn với đế giàn phải nhỏ hơn 0,4%; thay đổi góc lệch tương đối giữa đường tâm mái giàn và đường tâm đế giàn phải nhỏ hơn 30; các bộ phận khác không bị hỏng và có biến dạng.
2. Cường độ các kết cấu phụ
a) Tấm ốp bên mái giàn
Sau khi thử nghiệm theo điểm a và c khoản 10 Điều 95 của Quy chuẩn này, bộ phận chịu lực chủ yếu không bị hỏng và rạn nứt mối hàn; biến dạng không được ảnh hưởng đến sự duỗi ra của tấm ốp.
b) Kết cấu liên kết kích cân bằng
Sau khi thử nghiệm theo điểm a và c khoản 10 Điều 95 của Quy chuẩn này, kích cân bằng và kết cấu liên kết không bị hỏng và có biến dạng.
c) Tấm chắn sau (phá hỏa)
Sau khi thử nghiệm theo điểm a và c khoản 10 Điều 95 của Quy chuẩn này, kết cấu không bị hỏng và có biến dạng.
d) Tấm chắn gương
Sau khi thử nghiệm theo điểm a và c khoản 10 Điều 95 của Quy chuẩn này tấm chắn gương và kết cấu liên kết không bị hỏng và có biến dạng.
đ) Dầm tiến gương
Sau khi thử nghiệm theo điểm a và c khoản 10 Điều 95 của Quy chuẩn này dầm tiến gương không bị hỏng và có biến dạng.
e) Cơ cấu di chuyển
Sau khi thử nghiệm theo điểm a và c khoản 10 Điều 95 của Quy chuẩn này cơ cấu di chuyển không bị hỏng và có biến dạng.
g) Liên kết cột chống thủy lực
Sau khi thử nghiệm theo điểm a và c khoản 10 Điều 95 của Quy chuẩn này. Cấp dung dịch với áp suất bằng 1,2 lần định mức để rút cột chống, tất cả các chốt liên kết không được có biến dạng. Cấp dung dịch với áp suất bằng 1,5 lần áp suất định mức để rút cột thủy lực, cho phép đứt gãy chốt liên kết cột chống với đế giàn, nhưng các bộ phận liên kết khác không được có biến dạng do ảnh hưởng đứt gãy.
h) Cơ cấu điều chỉnh đế giàn
Sau khi thử nghiệm theo điểm a và c khoản 10 Điều 95 của Quy chuẩn này cơ cấu điều chỉnh không bị hỏng và biến dạng.
Điều 35. Độ bền
Khi thử nghiệm độ bền theo khoản 11 Điều 95 của Quy chuẩn này không cho phép:
1. Nhiều hơn 2 rạn nứt, vết rạn trên mối hàn của cùng một bộ phận.
2. Vết rạn, nứt dài hơn 50 mm trên mối hàn.
3. Biến dạng dư lớn hơn 0,5% khoảng cách tương ứng giữa các điểm chống.
4. Biến dạng uốn lớn hơn 0,5% chiều dài tối đa của bộ phận.
5. Góc lệch tương đối giữa đường tâm mái giàn và đường tâm đế giàn lớn hơn 30.
6. Hỏng và có biến dạng các bộ phận.
1. Cột và kích thủy lực
Cột chống và kích thủy lực phải phù hợp với quy định tại Mục 3 Chương II của Quy chuẩn này.
2. Hệ thống điều khiển thủy lực và van
Hệ thống điều khiển thủy lực và van của giàn chống phải phù hợp quy định tại Mục 4 Chương II của Quy chuẩn này.
3. Đường ống thủy lực và phụ kiện đầu nối
Đường ống thủy lực phải phù hợp quy định tại TCVN 2140:1977 Truyền dẫn thủy lực - Yêu cầu kỹ thuật chung.
Kẹp chữ U kiểu kết nối nhánh các đầu nối và phụ kiện phải phù hợp quy định tại TCVN 2387-78 Hệ thủy lực, khí nén và bôi trơn. Nối ống có vòng mím Pqu 40MN/m2 (~ 400KG/cm2) kết cấu và kích thước cơ bản.
Điều 37. Vật liệu
1. Vật liệu thép
a) Yêu cầu chung
Vật liệu các chi tiết của giàn chống phải thỏa mãn thông số và đặc tính theo yêu cầu thiết kế. Khi ứng suất thiết kế đạt đến 90% ứng suất cho phép, cường độ kháng kéo của thép chế tạo phải lớn hơn 1,08 lần giới hạn chảy. Độ dãn dài tương đối của vật liệu phải lớn hơn 10%; độ dãn dài tương đối của chốt phải lớn hơn 9%.
b) Thép dùng cho các bộ phận hàn liên kết
Phải dùng thép lắng, có phân bố tạp chất đều, độ hạt tinh thể ổn định, thích hợp dùng để hàn, đồng thời phải thỏa mãn:
- Cấp độ hạt tinh thể nguyên tử sắt lớn hơn bằng 6.
- Ở nhiệt độ 200C khi va đập (không liên quan đến hướng uốn của mẫu thử) phải sinh công như sau:
+ Đối với thép có giới hạn chảy nhỏ hơn hoặc bằng 620 N/mm2 là 20J.
+ Đối với thép có giới hạn chảy lớn hơn 620 N/mm2 là 25J.
c) Thép dùng cho các bộ phận không hàn
Vật liệu thép phải khử Ôxy, ở nhiệt độ 200C khi va đập phải sinh công lớn hơn 25 J.
2. Kim loại nhẹ
Trong mỏ than hầm lò có khí và bụi nổ, các bộ phận và phụ kiện của giàn, giá chống bao gồm cả sơn hoặc mạ, không được sử dụng vật liệu kim loại nhẹ hoặc hợp kim kim loại nhẹ.
3. Các loại vật liệu khác
Các vật liệu sử dụng khác phải phù hợp với yêu cầu thiết kế.
Điều 38. Mối hàn chịu lực
Mối hàn phải phù hợp với quy định tại Điều 16 của Quy chuẩn này.
Điều 39. Tính toán ứng suất và lực tĩnh cho phép
Tính toán ứng suất và lực tĩnh cho phép của các bộ phận vì chống tham khảo Phụ lục B của Quy chuẩn này.
Điều 40. Không ghi chú dung sai
Bản vẽ gia công cắt tiện chi tiết kim loại không ghi chú dung sai phải thỏa mãn các yêu cầu tại TCVN 2263-2:2007 (ISO 2768 - 2:1989) Dung sai vị trí - Không ghi chú giá trị dung sai.
Điều 41. Mối hàn chịu lực
Phải phù hợp với quy định tại Điều 16 của Quy chuẩn này và phải chịu được 200% áp suất định mức khi thử nghiệm thủy lực và duy trì trong 5 phút không rò rỉ dung dịch thủy lực.
Điều 42. Chi tiết đúc rèn
1. Chi tiết thép đúc phải phù hợp quy định tại TCVN 1766:1975 Thép cac bon kết cấu chất lượng tốt - Mác thép và yêu cầu kỹ thuật.
2. Chi tiết rèn phải phù hợp quy định tại TCVN 1823 - 1993 Thép hợp kim dụng cụ.
Điều 43. Các chi tiết khác
1. Lò xo xoắn trụ tròn thủy lực phải phù hợp quy định tại TCVN 2031-77 Lò xo xoắn trụ nén và kéo bằng thép mặt cắt tròn. Yêu cầu kỹ thuật.
2. Ren thông thường phải phù hợp quy định tại TCVN 4683-1:2008 (ISO 965 - 1:1998) Ren hệ mét thông dụng - Dung sai. Phần 1: Nguyên lý và thông số cơ bản.
3. Chất lượng lớp mạ của cần piston khi không có yêu cầu đặc biệt phải phù hợp với quy định tại Phụ lục D của Quy chuẩn này.
4. Gioăng phớt Hình O và kích thước rãnh máng phải phù hợp quy định tại ISO 3601-1:2002 Gioăng phớt cao su hình O dùng cho thủy lực và khí nén - Phần 1: Kích thước và dung sai và ISO 3601 - 3:2005 Gioăng phớt cao su hình O dùng cho thủy lực và khí nén - Phần 2: Quy phạm kiểm định chất lượng bề ngoài.
Điều 44. Kết cấu móc, treo
Phải phù hợp với quy định tại Điều 22 của Quy chuẩn này.
Điều 45. Van và thiết bị an toàn
1. Cột chống và kích chống phải lắp van và thiết bị an toàn để phòng ngừa áp suất vượt quá giá trị cho phép.
2. Van và thiết bị an toàn lắp cố định không được phát sinh tác động ngoài ý muốn.
Điều 46. Dung dịch thủy lực
Dung dịch thủy lực phải đảm bảo không cháy, không độc hại, trung tính, không kết tủa và đảm bảo tính bôi trơn trên bề mặt piston và xilanh theo thiết kế.
Điều 47. Mối hàn chịu áp lực
Các mối hàn chịu lực của cột chống và kích phải phù hợp với quy định tại Điều 16 của Quy chuẩn này.
Điều 48. Tính toán ứng suất và lực tĩnh cho phép
Tính toán ứng suất và lực tĩnh cho phép của chi tiết xem tại Phụ lục B của Quy chuẩn này.
Điều 49. Chất lượng lắp ráp
1. Chất lượng lắp ráp và hình thức bề ngoài phải thỏa mãn các yêu cầu sau:
a) Trước khi lắp ráp, phải loại bỏ sạch sẽ gờ ráp, mạt cắt, bụi, bẩn, dầu loang trên tất cả bề mặt của các chi tiết.
b) Khi lắp ráp, bề mặt các chi tiết tiếp xúc với nhau không được hư hại, tất cả các ren phải được bôi mỡ chống gỉ; phải kiểm tra tỉ mỉ các chi tiết bịt kín, có hay không các vết trầy xước, hằn lõm, lão hóa, kiểm tra kỹ lưỡng gioăng trong rãnh máng của xi lanh, có hay không các hiện tượng như dồn nén và xé rách…, nếu như có các hiện tượng đã nêu phải lập tức thay thế.
c) Sau khi lắp ráp hoàn chỉnh, cột, kích thủy lực phải thu lại đến trạng thái ngắn nhất, đồng thời phải dùng vật liệu nhựa bị chặt các lỗ vào, ra của dung dịch.
d) Sau khi lắp ráp, bề mặt của cột, kích thủy lực (trừ bề mặt của cần piston) phải sơn lót chống gỉ và sơn phủ theo yêu cầu của thiết kế. Lớp sơn phải đều đặn, kết hợp bền vững, không được có hiện tượng bong tróc.
Cột, kích thủy lực sau khi thử nghiệm đạt tiêu chuẩn phải tháo rời và rửa sạch, hàm lượng tạp chất (bám bẩn bên ngoài chi tiết) sau khi rửa sạch phải nhỏ hơn giá trị liệt kê trong Bảng 8, Bảng 9, Bảng 10 của Quy chuẩn này.
Bảng 8. Bảng hàm lượng tạp chất cột chống một cấp
(bao gồm đoạn nối dài cơ khí)
|
Đường kính xilanh, mm |
Chiều dài cột chống, mm |
Hàm lượng tạp chất, mg |
|
<> |
Chiều dài lớn nhất <> |
40 |
|
2000 ≤ chiều dài lớn nhất ≤ 4.000 |
45 |
|
|
Chiều dài lớn nhất ≥ 4.000 |
50 |
|
|
≥ 200 |
Chiều dài lớn nhất <> |
45 |
|
2000 ≤ chiều dài lớn nhất ≤ 4.000 |
50 |
|
|
Chiều dài lớn nhất ≥ 4.000 |
55 |
Bảng 9. Bảng hàm lượng tạp chất cột chống hai cấp
|
Đường kính xilanh, mm |
Chiều dài cột chống, mm |
Hàm lượng tạp chất, mg |
|
<> |
Chiều dài lớn nhất <> |
60 |
|
<> |
2000 ≤ chiều dài lớn nhất ≤ 4.000 |
65 |
|
<> |
Chiều dài lớn nhất ≥ 4.000 |
70 |
|
≥ 200 |
Chiều dài lớn nhất <> |
65 |
|
2000 ≤ chiều dài lớn nhất ≤ 4.000 |
70 |
|
|
Chiều dài lớn nhất ≥ 4.000 |
75 |
Bảng 10. Bảng hàm lượng tạp chất kích thủy lực
|
Đường kính xilanh, mm |
Chiều dài kích, mm |
Hàm lượng tạp chất, mg |
|
≤ 100 |
Chiều dài lớn nhất ≤ 1.000 |
25 |
|
1000 < chiều="" dài="" lớn="" nhất="" ≤=""> |
30 |
|
|
> 100 |
Chiều dài lớn nhất ≤ 1.000 |
30 |
|
1000 < chiều="" dài="" lớn="" nhất="" ≤=""> |
40 |
Điều 50. Chi tiết chính
1. Thân xilanh
a) Sai lệch cơ bản của kích thước đường kính trong theo hệ thống lỗ H, cấp dung sai phải chính xác hơn IT9.
b) Độ nhám (Ra) bề mặt đường kính trong xilanh nhỏ hơn hoặc bằng 0,4 μm.
2. Cần piston
a) Sai lệch cơ bản của kích thước đường kính ngoài cần piston lắp ghép theo hệ thống lỗ, cấp f. Cấp dung sai phải chính xác hơn IT8.
b) Độ nhám (Ra) bề mặt đường kính ngoài piston nhỏ hơn hoặc bằng 0,4 μm.
3. Van xả tải (chỉ áp dụng đối với cột chống)
a) Ty van, thân van phải chế tạo bằng thép chống gỉ.
b) Độ nhám (Ra) bề mặt của mặt phối hợp làm kín nhỏ hơn hoặc bằng 0,4 μm.
c) Khi van xả tải mở, cột chống không được xuất hiện các hiện tượng như tiếng kêu, rung hoặc di chuyển chậm.
Điều 51. Mạ điện
1. Chi tiết mạ điện
Những chi tiết sau phải được mạ điện:
a) Bề mặt cần piston, bề mặt phía trong thân xilanh.
b) Chi tiết tiếp xúc với dung dịch thủy lực dễ han gỉ làm ảnh hưởng đến sự làm việc của xilanh thủy lực.
2. Lớp mạ điện
a) Chất lượng lớp mạ điện không có yêu cầu đặc biệt phải phù hợp quy định tại Phụ lục D của Quy chuẩn này.
b) Tất cả các chi tiết mạ kẽm sau khi mạ phải được xử lý thụ động.
Điều 52. Độ kín
Khi thử nghiệm, sau khi gia tải xilanh thủy lực, khóa khoang áp suất. Sự tụt áp trong khoang áp suất ở 1 phút đầu tiên không được vượt quá 10% hoặc độ dài xilanh co lại nhỏ hơn 1%, trong 5 phút sau đó áp suất hoặc độ dài không đổi, trong 5 phút tiếp sau đó áp suất hạ xuống không vượt quá 0,5% hoặc độ dài xilanh co lại không vượt quá 0,05%.
Điều 53. Hành trình không tải
Ở hành trình không tải, xilanh thủy lực phải duỗi ra hoặc co lại hết ở đầu hoặc cuối hành trình và không được chậm chạp, giật cục và rò rỉ.
Điều 54. Áp suất khởi động nhỏ nhất
1. Cột chống ở điều kiện không tải, không có áp suất, áp suất khởi động của khoang piston phải nhỏ hơn 3,5 MPa, áp suất khởi động của khoang cần piston phải nhỏ hơn 7,5 MPa.
2. Kích ở điều kiện không tải, không có áp suất, áp suất khởi động của khoang piston và khoang cần piston phải nhỏ hơn 3,5 MPa.
Điều 55. Độ kín của khoang cần piston
Khoang cần piston khi được cấp dung dịch ở áp suất 2 MPa và 1,1 lần áp suất định mức không được rò rỉ.
Điều 56. Sự linh hoạt
1. Lực đúng tâm làm co piston đo được không được lớn hơn 1,1 lần lực định mức, nhưng không nhỏ hơn lực định mức.
2. Lực lệch tâm làm co piston đo được không được lớn hơn 1,1 lần giá trị lực đúng tâm làm co piston lớn nhất đo được, nhưng không nhỏ hơn lực định mức.
Điều 57. Khả năng chịu tải đúng tâm
1. Khi chịu tải trọng tĩnh bằng 1,5 lần lực định mức và khi tác động tải trọng động cơ học đạt đến 1,5 lần áp suất định mức, cột chống (bao gồm cả đoạn nối dài) và kích chống không được mất khả năng làm việc, lượng biến dạng dư của đường kính thân xilanh nhỏ hơn 0,02 lần đường kính xilanh.
2. Khi không chịu tác động tải trọng động cơ học, cột chống và kích chống phải chịu được 2 lần áp suất tĩnh do lực định mức gây nên. Sau khi gia tải thử nghiệm, vật liệu chế tạo và mối hàn không được xuất hiện vết nứt.
3. Kích chống không chịu tác động của tải trọng động cơ học phải chịu được 2 lần lực kéo tĩnh định mức.
4. Cột chống và kích chống ở trạng thái co lại hoàn toàn phải chịu đựng được 2 lần lực định mức, sau khi thử nghiệm không có biến dạng dẻo.
5. Khi gia tải bằng 1,5 lần lực kéo định mức hoặc áp suất làm việc định mức, kích không được mất khả năng làm việc.
Điều 58. Khả năng chịu tải lệch tâm
Cột chống (bao gồm đoạn nối dài) và kích chống khi chịu tác động của lực lệch tâm và (hoặc) lực hướng bên, không được mất khả năng làm việc, giá trị độ cong tại đoạn chuyển tiếp phải nhỏ hơn 0,1% độ dài thử nghiệm.
Điều 59. Độ bền
1. Cột chống (bao gồm cả đoạn nối dài) và kích chống đỡ sau khi qua 21.000 lần tuần hoàn đặt tải, không được mất hiệu lực công năng.
2. Kích sau khi qua 10.000 lần tuần hoàn đặt tải, không được xuất hiện mất hiệu lực công năng.
Điều 60. Giới hạn duỗi
1. Cho cột chống và kích chống duỗi dài ra hết cỡ đến kịch vòng chặn trong 1 lần, với áp suất bằng áp suất làm việc định mức, duy trì ít nhất 3 phút, vòng chặn trong không được hư hỏng.
2. Cho cột chống và kích chống duỗi dài ra hết cỡ đến kịch vòng chặn trong 100 lần, với áp suất bằng 0,8 lần áp suất làm việc định mức, vòng chặn trong không được hư hỏng.
3. Nếu áp suất hệ thống thủy lực cao hơn 0,8 lần làm việc định mức, cột chống và kích chống phải duỗi dài ra hết cỡ đến kịch vòng chặn trong 100 lần, vòng chặn trong không được hư hỏng.
4. Khi kéo kích chống với lực bằng 1,5 lần lực kéo định mức theo hướng ngược lại vòng chặn trong, kích chống không được hư hỏng.
5. Piston của kích duỗi ra hết cỡ, tiếp xúc với vòng chặn giới hạn trong, kích có thể chịu đựng được 1,25 lần áp suất làm việc định mức, sau khi thử nghiệm không mất khả năng làm việc.
Điều 61. Khả năng làm việc
Cột chống và kích chống sau khi đã thử nghiệm các tính năng nêu trên, cho duỗi ra hết hành trình, tác động lực ngoài để co lại hết hành trình, lực đo được phải lớn hơn lực định mức và nhỏ hơn 1,1 lần lực đo được quy định tại Điều 56 của Quy chuẩn này khi chịu tải đúng tâm; có thể dùng áp suất bằng 0,8 lần áp suất làm việc định mức để cột và kích chống co lại hoàn toàn, đồng thời đảm bảo yêu cầu độ kín được quy định tại Điều 52 của Quy chuẩn này.
Điều 62. Mối liên kết xilanh thủy lực
Mối nối liên kết xilanh thủy lực (bao gồm cả đoạn nối dài) với bộ phận truyền lực phải chịu được 1,5 lần lực làm việc định mức mà không mất khả năng làm việc.
1. Phải tiến hành thử nghiệm khả năng chịu áp lực của thân xilanh trong các trường hợp sau đây:
a) Thân xilanh sử dụng vật liệu mới.
b) Xilanh lần đầu tiên sử dụng.
2. Vật liệu, độ dày thành ống xilanh, đường kính trong, ngoài định mức của mẫu thử áp lực phá hủy tương đồng với xilanh cần thử nghiệm áp lực phá hủy. Cho phép rút ngắn độ dài, nhưng không nhỏ hơn yêu cầu của Bảng 11 của Quy chuẩn này.
Bảng 11. Chiều dài mẫu ống xilanh thử nghiệm
|
Độ dài ống xilanh cần thử nghiệm, mm |
> 1.000 |
≤ 1.000 |
|
Độ dài ngắn nhất của mẫu thử, mm |
1000 |
500 |
Điều 64. Vật liệu
1. Vật liệu thép
a) Yêu cầu về tính cơ lý
- Khi ứng suất tính toán đạt đến 90% ứng suất cho phép, cường độ kháng kéo của vật liệu xilanh thủy lực phải lớn hơn 1,08 lần giới hạn chảy của vật liệu hoặc 0,2% giới hạn biến dạng dư.
- Độ giãn dài tới hạn δ5 của vật liệu sử dụng phải lớn hơn 10%. b) Vật liệu thép dùng để hàn các chi tiết
Thép để hàn các chi tiết phải đảm bảo yêu cầu về thông số kỹ thuật quy định tại các tiêu chuẩn được chỉ dẫn trong thiết kế và có đủ hồ sơ xuất xứ và chứng nhận chất lượng.
2. Kim loại nhẹ
Trong hầm lò có khí cháy, nổ không được sử dụng kim loại nhẹ hoặc hợp kim kim loại nhẹ chế tạo các chi tiết bên ngoài xilanh thủy lực.
3. Các vật liệu khác
a) Các vật liệu khác để chế tạo xilanh thủy lực phải thỏa mãn yêu cầu tại điểm a khoản 1 Điều này.
b) Vật liệu phi kim loại phải đảm bảo yêu cầu an toàn chống phóng tia lửa tĩnh điện.
Điều 65. Dung dịch thủy lực
1. Yêu cầu dung dịch thủy lực theo quy định tại Điều 46 của Quy chuẩn này.
2. Nhiệt độ làm việc của dung dịch thủy lực phải ở trong phạm vi từ 100C đến 500C.
Điều 66. Tính hoàn chỉnh
Hệ thống điều khiển thủy lực phải được lắp đặt theo bản vẽ thiết kế, không được thiếu chi tiết, bộ phận và không được lắp sai chi tiết, bộ phận.
Điều 67. Độ kín
Hệ thống điều khiển thủy lực khi làm việc bình thường không được rò rỉ dung dịch.
Điều 68. Điều khiển giàn, giá
Việc điều khiển tốc độ nâng, hạ, di chuyển và các hoạt động khác của vì chống được điều khiển từ hệ thống van điều khiển lắp dưới giàn, giá chống đó hoặc từ vì chống bên cạnh và phải thỏa mãn yêu cầu thiết kế, không được xuất hiện bất kỳ tác động sai.
Điều 69. Lực chống ban đầu và hệ thống bảo đảm lực chống ban đầu
Lực chống ban đầu của vì chống phải lớn hơn 90% áp suất của trạm bơm thủy lực. Sự đảm bảo lực chống ban đầu chỉ được thực hiện sau khi áp suất trong khoang piston cột chống lớn hơn 8 MPa. Sự đảm bảo này phải có thể ngừng bất cứ lúc nào nếu áp suất trong khoang piston cột chống nhỏ hơn 8 MPa
Điều 70. Cắt nguồn cấp dịch
Trên vì chống phải bố trí cơ cấu điều khiển để ngừng cung cấp dung dịch của hệ thống thủy lực.
Điều 71. Hiển thị áp suất
Trên vì chống phải bố trí vị trí lắp thiết bị đo áp suất khoang piston của cột chống.
Điều 72. Hệ thống lọc
Bộ lọc dung dịch thủy lực phải được lắp đặt tại bơm cấp dung dịch và cửa cấp dịch vào hệ thống điều khiển thủy lực của mỗi vì chống. Độ tinh khiết của dung dịch thủy lực sau lọc phải thỏa mãn yêu cầu của thiết kế.
Điều 73. Che chắn dung dịch bắn ra
Khi tiến hành bơm dung dịch thủy lực vào cột chống, phải có bộ phận che chắn để tránh văng bắn dung dịch ra ngoài gây nguy hại cho người vận hành và làm ô nhiễm môi trường.
Điều 74. Bảo vệ quá tải
Khi vì chống chịu tác dụng tương đối lớn của tải trọng ngoài, phải lắp đặt van an toàn ở khoang chứa dung dịch của cột hoặc trên đường ống của hệ thống điều khiển thủy lực để bảo vệ quá tải.
Điều 75. Đóng mở cấp dung dịch
Khi đóng hoặc mở van cấp dung dịch của hệ thống điều khiển thủy lực, không được dẫn tới vì chống tác động sai và rò rỉ dung dịch bất thường.
Điều 76. Vận tốc chuyển động của bộ phận có tiếp xúc với người
Khi vì chống làm việc bình thường, trong phạm vi mà cơ thể người thao tác có thể tiếp xúc đến, vận tốc chuyển động của bất kỳ bộ phận nào của vì chống không được lớn hơn 300 mm/s.
Điều 77. Lực thao tác
Lực thao tác bằng tay thiết bị điều khiển thủy lực phải lớn hơn 10 N và nhỏ hơn 130 N.
Điều 78. Áp suất đường hồi
Áp suất trong đường ống chính hồi dung dịch của hệ thống điều khiển thủy lực không được vượt quá 4 MPa.
Điều 79. Che chắn thiết bị điều khiển thủy lực
Cơ cấu điều khiển trong hệ thống điều khiển thủy lực phải được che chắn.
Điều 80. Tháo dỡ chi tiết thủy lực
Chỉ được tháo dỡ chi tiết trong hệ thống điều khiển thủy lực khi đã dừng bơm cấp dịch và không còn áp suất trong hệ thống thủy lực đồng thời phải có biện pháp không để dung dịch chảy ra ngoài làm ô nhiễm môi trường.
Điều 81. Kết cấu móc, treo
Thực hiện theo quy định tại Điều 22 của Quy chuẩn này.
Điều 82. Ống mềm thủy lực
1. Ống mềm trong hệ thống điều khiển thủy lực phải chịu được áp suất lớn hơn 1,1 lần áp suất làm việc định mức của cột chống và nhiệt độ từ 00C đến 500C. Ở mỏ có khí cháy, bụi nổ ống mềm phải có tính kháng cháy.
2. Ống mềm trong hệ thống điều khiển thủy lực phải có kết cấu để đấu nối nhanh.
Điều 83. Van thủy lực - Yêu cầu chung
1. Phương thức đấu nối van bao gồm phương thức liên kết dạng ống, phương thức liên kết dạng ren, phương thức liên kết dạng bích và phương thức liên kết hỗn hợp.
2. Vật liệu chế tạo chi tiết van:
a) Phải phù hợp quy định tại TCVN 1766 - 1975 Thép cacbon chất lượng tốt - Mác thép và yêu cầu kỹ thuật; TCVN 10357:2014 (ISO 9444-2:2009) Thép không gỉ cán nóng liên tục - Dung sai kích thước và hình dạng - Phần 2: Thép dải rộng và thép tấm/lá; TCVN 2361:1989 Gang đúc - Yêu cầu kỹ thuật và TCVN 1765 - 75 Thép cacbon kết cấu thông thường - Mác thép và yêu cầu kỹ thuật.
b) Có thể thay thế vật liệu chế tạo van bằng các vật liệu khác nhưng phải đảm bảo chất lượng không thấp hơn các vật liệu quy định trên.
c) Không được sử dụng kim loại nhẹ để chế tạo van.
3. Không được sử dụng kim loại nhẹ để mạ và phủ lên bề mặt van.
4. Ở điều kiện áp suất định mức, nhiệt độ làm việc trong giới hạn cho phép, van thủy lực phải đảm bảo sự kín khít.
5. Giá trị độ nhám Ra bề mặt làm kín chi tiết di động của van phải nhỏ hơn 1,6 µm.
6. Giá trị độ nhám Ra của bề mặt chi tiết kín khít động của van phải nhỏ hơn 3,2 µm.
7. Cấp độ chính xác kích thước của chi tiết làm kín động và tĩnh của van không nhỏ hơn cấp IT9 được quy định tại TCVN 2244:1999 Hệ thống ISO về dung sai và lắp ghép - Cơ sở của dung sai. Sai lệch và lắp ghép.
8. Gioăng phớt hình O phải phù hợp quy định tại ISO 3061 - 1:2005 Gioăng phớt cao su hình O dùng cho thủy lực và khí nén - Phần 2: Quy phạm kiểm định chất lượng bề ngoài.
9. Kích thước rãnh máng Gioăng phớt hình O phải phù hợp quy định tại ISO 3601 - 3:2005 Gioăng phớt cao su hình O dùng cho thủy lực và khí nén - Phần 2: Quy phạm kiểm định chất lượng bề ngoài.
10. Phối hợp ren thông thường áp dụng 6H/6g tại TCVN 4683-1:2008 (ISO 965 - 1:1998) Ren hệ mét thông dụng ISO. Dung sai. Phần 1: Nguyên lý và thông số cơ bản. Phối hợp ren có lớp mạ phải phù hợp quy định tại TCVN 4683-1:2008. TCVN 4683-1:2008 (ISO 965 - 1:1998) Ren hệ mét thông dụng ISO. Dung sai. Phần 1: Nguyên lý và thông số cơ bản.
11. Lò xo thông thường, lò xo điều áp trong van áp suất phải phù hợp quy định tại TCVN 2031 - 77 Lò xo xoắn trụ nén và kéo bằng thép mặt cắt tròn. Yêu cầu kỹ thuật.
12. Dung sai vị trí trong bản vẽ phải phù hợp với quy định tại TCVN 7295:2003 (ISO 5458:1998) Đặc tính hình học của sản phẩm (GPS). Dung sai hình học. Ghi dung sai vị trí.
13. Không ghi chú dung sai kích thước gia công trong bản vẽ phải phù hợp với quy định cấp m tại TCVN 2263-1:2007 (ISO 2768-1:1989) Dung sai chung - Phần 1: Dung sai của các kích thước dài và góc không chỉ dẫn dung sai riêng.
14. Không ghi chú dung sai hình dạng và vị trí gia công có trong bản vẽ phải phù hợp với quy định cấp K tại TCVN 2263-1:2007 (ISO 2768-1:1989) Dung sai chung - Phần 1: Dung sai của các kích thước dài và gọc không chỉ dẫn dung sai riêng.
15. Tất cả các chi tiết đúc của van phải phù hợp với quy định tại TCVN 2361:1989 Gang đúc - Yêu cầu kỹ thuật, TCVN 1765 - 75 Thép cacbon kết cấu thông thường - Mác thép và yêu cầu kỹ thuật.
16. Yêu cầu kỹ thuật lớp phủ các chi tiết của van xem Phụ lục D của Quy chuẩn này.
17. Các chi tiết phi kim loại của van phải thỏa mãn yêu cầu của thiết kế.
18. Chi tiết tiêu chuẩn, chi tiết kết cấu phải thỏa mãn yêu cầu thiết kế của van và phải phù hợp với tiêu chuẩn, quy chuẩn được dẫn chiếu trong thiết kế.
19. Bề mặt chi tiết van phải sạch sẽ, nhẵn bóng, không gờ ráp, không gỉ sét, không va chạm.
20. Trong môi trường sạch sẽ, dùng dầu hỏa rửa sạch bề ngoài van thành phẩm, sau đó lấy một tổ hợp van làm sạch tất cả các bộ phận tháo rời. Dầu hỏa sau khi dùng để rửa sạch được lọc qua bộ lọc có mắt lưới 40 µm, cân trọng lượng tạp chất sau sấy khô thu được trên lưới lọc, trọng lượng đó phải nhỏ hơn 10mg/1 van.
21. Độ cứng các chi tiết van phải thỏa mãn yêu cầu thiết kế.
Điều 84. Yêu cầu kỹ thuật của van an toàn
1. Độ kín
Van an toàn được điều chỉnh áp suất từ 2 MPa đến 90% áp suất định mức, không được rò dung dịch.
2. Áp suất đặt thực tế
Giá trị áp suất đặt thực tế đã được điều chỉnh của van an toàn cho phép sai số, khi áp suất làm việc lớn hơn hoặc bằng 40 MPa, phạm vi sai số phải trong khoảng ± 2,5% áp suất làm việc; khi áp suất công tác nhỏ hơn 40 MPa, phạm vi sai số phải trong khoảng ± 1 MPa.
3. Dao động áp suất
Van an toàn có lưu lượng là 0,04 lít/phút, phạm vi dao động áp suất khi mở van an toàn không được vượt quá 10% áp suất định mức; phạm vi giá trị dao động áp suất lớn nhất không lớn hơn 110% áp suất định mức; giá trị nhỏ nhất không nhỏ hơn 90% áp suất định mức.
4. Áp suất đóng
Áp suất đóng van an toàn không nhỏ hơn 90% áp suất định mức.
5. Chịu áp suất xung kích
Khi phát sinh 150% áp suất xung kích van an toàn không được mất khả năng làm việc.
6. Cường độ
Van an toàn phải chịu được 1,5 lần áp suất định mức trong 3 phút, không được rò dung dịch và hư hại các chi tiết.
7. Đặc tính lưu lượng - áp suất
Khi lưu lượng định mức qua van an toàn, đặc tính lưu lượng - áp suất phải thỏa mãn các yêu cầu sau:
a) Van an toàn có lưu lượng định mức nhỏ hơn hoặc bằng 16 lít/phút, giá trị lớn nhất của áp suất mở van phải không lớn hơn 115% áp suất định mức, giá trị nhỏ nhất phải không nhỏ hơn 90% áp suất định mức.
b) Van an toàn có lưu lượng định mức lớn hơn 16 lít/phút và nhỏ hơn hoặc bằng 100 lít/phút, giá trị lớn nhất của áp suất mở van phải không lớn hơn 120% áp suất định mức, giá trị nhỏ nhất phải không nhỏ hơn 90% áp suất định mức.
c) Van an toàn có lưu lượng định mức lớn hơn 100 lít/phút, giá trị lớn nhất của áp suất mở van phải không lớn hơn 125% áp suất định mức, giá trị nhỏ nhất phải không nhỏ hơn 90% áp suất định mức.
8. Nhiệt độ
Ảnh hưởng của nhiệt độ tới khả năng làm việc của van an toàn dạng thổi khí do đơn vị thiết kế hoặc nhà chế tạo ghi rõ trong tài liệu kỹ thuật.
9. Độ bền
a) Van an toàn sau khi thông qua 6.200 lần đóng mở tuần hoàn, phải thỏa mãn yêu cầu được quy định tại khoản 1 đến khoản 7 Điều 84 của Quy chuẩn này.
b) Van an toàn thuộc loại A sau khi thông qua 10.500 lần đóng mở tuần hoàn, phải thỏa mãn yêu cầu được quy định tại khoản 1 đến khoản 7 Điều 84 của Quy chuẩn này.
10. Chịu va đập
Van an toàn không bị hỏng dưới tác dụng va đập cơ học có xung lực nhỏ hơn hoặc bằng 1,6 Ns.
Điều 85. Yêu cầu kỹ thuật van một chiều điều khiển thủy lực
1. Độ kín
Ở trạng thái khóa, van một chiều điều khiển thủy lực không được rò rỉ khi điều chỉnh giá trị áp suất dung dịch thủy lực từ 2 MPa đến áp suất định mức.
2. Cường độ
Ở trạng thái khóa, van một chiều điều khiển thủy lực không được rò rỉ và tổn hại khi điều chỉnh áp suất dung dịch thủy lực đạt 1,2 lần áp suất định mức.
3. Áp suất xung kích
Áp suất xung kích ngắn hạn sinh ra khi đóng hoặc mở van một chiều điều khiển thủy lực không được lớn hơn 1,15 lần áp suất định mức.
4. Đặc tính lưu lượng áp suất
Khi lưu lượng định mức thông qua van một chiều điều khiển thủy lực, đặc tính lưu lượng - áp suất phải thỏa mãn các yêu cầu sau:
a) Lưu lượng định mức của van một chiều điều khiển thủy lực nhỏ hơn hoặc bằng 125 lít/phút, tổn thất áp suất cấp hồi dịch phải nhỏ hơn 5 MPa.
b) Lưu lượng định mức của van một chiều điều khiển thủy lực lớn hơn 125 lít/phút và nhỏ hơn hoặc bằng 250 lít/phút, tổn thất áp suất cấp hồi dịch phải nhỏ hơn 6 MPa.
c) Lưu lượng định mức của van một chiều điều khiển thủy lực lớn hơn 250 lít/phút, tổn thất áp suất cấp hồi dịch phải nhỏ hơn 7 MPa.
5. Áp suất mở van
Áp suất mở của van một chiều điều khiển thủy lực phải nhỏ hơn 1 MPa.
6. Áp suất đóng van
Áp suất đóng van một chiều điều khiển thủy lực phải lớn hơn 95% áp suất cấp dịch vào.
7. An toàn của van khi bị dội áp suất trở lại
Dưới tình trạng áp suất dội trở lại bình thường, van một chiều điều khiển thủy lực không được tác động sai.
8. Áp suất điều khiển
Áp suất điều khiển của van một chiều điều khiển thủy lực phải trong khoảng (30 ÷ 60)% áp suất định mức của trạm bơm.
9. Độ bền
a) Van một chiều điều khiển thủy lực thông qua 15.000 lần tuần hoàn tác động, phải thỏa mãn quy định tại khoản 1 đến khoản 8 Điều 84 của Quy chuẩn này.
b) Van một chiều điều khiển thủy lực loại A thông qua 30.000 lần tuần hoàn tác động, phải thỏa mãn quy định tại khoản 1 đến khoản 8 Điều 84 của Quy chuẩn này.
Điều 86. Yêu cầu kỹ thuật van đổi hướng
1. Khả năng đổi hướng
Khi thao tác van đổi hướng phải tác động linh hoạt, đổi hướng chuẩn xác, không có hiện tượng kẹt.
2. Mô men thao tác (áp suất điều khiển, điện áp điều khiển)
Lực thao tác bằng tay của loại van đổi hướng phải lớn hơn 10 N và nhỏ hơn 130 N; loại van đổi hướng điều khiển bằng thủy lực dưới áp suất định mức, áp suất điều khiển phải thỏa mãn yêu cầu thiết kế; điện áp hoặc dòng điện của loại van đổi hướng điều khiển bằng điện phải thỏa mãn yêu cầu thiết kế.
3. Độ kín
Van đổi hướng tại vị trí trung gian, giá trị áp suất trong phạm vi từ 6 MPa đến áp suất định mức, không được có rò dịch; van đổi hướng tại vị trí công tác, giá trị áp suất trong phạm vi từ 10 MPa đến áp suất định mức, không được rò dung dịch.
4. Cường độ
Van đổi hướng không được rò rỉ và hư hỏng khi áp suất đạt 1,5 lần áp suất làm việc tại vị trí trung gian hoặc vị trí công tác.
5. Đặc tính lưu lượng áp suất
Khi lưu lượng định mức lưu thông qua van đổi hướng, đặc tính lưu lượng - áp suất phải thỏa mãn các yêu cầu sau:
a) Lưu lượng định mức của van đổi hướng nhỏ hơn hoặc bằng 125 lít/phút, tổn thất áp suất cấp hồi dịch phải nhỏ hơn 5 MPa.
b) Lưu lượng định mức của van đổi hướng lớn hơn 125 lít/phút và nhỏ hơn hoặc bằng 250 lít/phút, tổn thất áp suất cấp hồi dịch phải nhỏ hơn 6 MPa.
c) Lưu lượng định mức của van đổi hướng lớn hơn 250 lít/phút, tổn thất áp suất cấp hồi dịch phải nhỏ hơn 7 MPa.
6. An toàn của van khi bị dội áp suất trở lại
Dưới tình trạng dội áp suất trở lại bình thường, van đổi hướng không được sản sinh tác động sai.
7. Độ bền
a) Van đổi hướng thông qua 15.000 lần tuần hoàn tác động, phải thỏa mãn quy định tại khoản 1, khoản 2, khoản 4, khoản 5 và khoản 6 Điều này.
b) Van đổi hướng loại A thông qua 30 000 lần tuần hoàn tác động phải thỏa mãn quy định tại khoản 1, khoản 2, khoản 4, khoản 5 và khoản 6 Điều này.
Điều 87. Yêu cầu kỹ thuật của van chặn
1. Đóng mở van
Khi thao tác đóng mở phải tác động linh hoạt, không có hiện tượng kẹt cứng.
2. Mô men thao tác
a) Mô men thao tác phải nhỏ hơn 30 Nm đối với van chặn có đường kính thông qua nhỏ hơn hoặc bằng 25 mm.
b) Mô men thao tác phải nhỏ hơn 45 Nm đối với van chặn có đường kính thông qua lớn hơn 25 mm.
3. Độ kín
Với áp suất từ 2 MPa đến áp suất định mức, van chặn không được rò rỉ dung dịch khi ở trạng thái đóng hoặc mở.
4. Cường độ
Van chặn ở trạng thái chặn lại hoặc mở ra phải chịu được áp suất đến 1,5 lần áp suất làm việc, không được rò dịch và hư hỏng.
5. Đặc tính lưu lượng - áp suất
Khi lưu lượng định mức lưu thông qua van chặn, đặc tính lưu lượng - áp suất phải thỏa mãn các yêu cầu sau:
a) Van chặn có lưu lượng định mức nhỏ hơn hoặc bằng 125 lít/phút, tổn thất áp suất cấp hồi dịch phải nhỏ hơn 1 MPa.
b) Van chặn có lưu lượng định mức lớn hơn 125 lít/phút và nhỏ hơn hoặc bằng 320 lít/phút, tổn thất áp suất cấp hồi dịch phải nhỏ hơn 2 MPa.
c) Van chặn có lưu lượng định mức lớn hơn 320 lít/phút, tổn thất áp suất cấp hồi dịch phải nhỏ hơn 3 MPa.
6. Độ bền
Van chặn sau khi thông qua 1.500 lần tuần hoàn tác động đóng mở, phải thỏa mãn quy định tại khoản 1 đến khoản 5 Điều này.
Điều 88. Các loại van khác
Các loại van khác có chi tiết hoặc có chức năng tương tự van an toàn, van một chiều điều khiển thủy lực, van đổi hướng hoặc van chặn, phải phù hợp quy định tại Điều 85, Điều 86 và Điều 87 của Quy chuẩn này và phải thỏa mãn yêu cầu thiết kế.
Chương III
QUY ĐỊNH VỀ KIỂM TRA, THỬ NGHIỆM, KIỂM ĐỊNH VÌ CHỐNG THỦY LỰC
Điều 89. Kiểm tra, thử nghiệm xuất xưởng
Trước khi xuất xưởng vì chống và các chi tiết của vì chống phải được tiến hành kiểm tra và nghiệm thu chất lượng bởi nhà chế tạo theo các thông số kỹ thuật và các yêu cầu thử nghiệm được quy định tại Quy chuẩn này.
Điều 90. Kiểm tra, thử nghiệm kiểu dáng
1. Kiểm tra, thử nghiệm kiểu dáng được tiến hành với các trường hợp sau đây:
a) Chế tạo sản phẩm theo thiết kế mới hoặc lần đầu chế tạo sản phẩm theo mẫu.
b) Sau khi chính thức sản xuất, nếu sản phẩm có thay đổi về thiết kế, kết cấu, vật liệu hoặc công nghệ; có thể ảnh hưởng đến tính năng của sản phẩm.
c) Khi sản phẩm dừng sản xuất trong 3 năm trở lên sau đó tiếp tục sản xuất lại.
d) Khi người sử dụng đề nghị đánh giá lại chất lượng sản phẩm.
e) Khi kết quả kiểm tra, thử nghiệm xuất xưởng có nhiều sai khác so với thử nghiệm kiểu dáng lần trước đó.
g) Khi có yêu cầu của cơ quan quản lý Nhà nước về an toàn.
2. Khi kiểm tra kiểu dáng, đơn vị chế tạo phải xuất trình đầy đủ tài liệu về: Quyền được chế tạo theo thiết kế hoặc theo mẫu; thuyết minh thiết kế và các bản vẽ kỹ thuật và tài liệu chứng minh đủ khả năng hàn chịu lực.
Điều 91. Kiểm định
Kiểm định vì chống thủy lực được thực hiện theo quy định tại Điều 98 của Quy chuẩn này.
Điều 92. Yêu cầu kiểm tra, thử nghiệm
1. Kiểm tra, thử nghiệm được tiến hành trên một bộ vì chống hoàn chỉnh. Cho phép tiến hành thử nghiệm trên bộ phận riêng lẻ của vì chống hoặc trên tổ hợp các bộ phận có liên kết với nhau.
2. Sau khi thử nghiệm chịu tải kết thúc, vật liệu chính của các chi tiết vì chống không được có hư hại và có biến dạng hoặc rạn nứt mối hàn.
3. Tất cả giá trị kiểm tra phải ghi chép đầy đủ.
4. Các nội dung quy định kiểm tra phải được thực hiện đầy đủ.
1. Thiết bị thử nghiệm có thể đặt tải ngoài và đặt tải trong. Năng lực đặt tải và độ cao phải thỏa mãn yêu cầu của vì chống cần thử nghiệm.
2. Lưu lượng và áp suất của nguồn dung dịch phải bằng hoặc lớn hơn lưu lượng và áp suất thiết kế của vì chống cần thử nghiệm.
3. Hệ thống cung cấp dung dịch phải có chức năng tăng áp, có thể tăng áp đến 1,5 lần áp suất làm việc định mức của vì chống cần thử nghiệm.
4. Đường kính ống cấp, hồi dung dịch của vì chống cần thử nghiệm phải phù hợp với đường kính ống cấp, hồi dung dịch thiết kế hoặc lớn hơn đường kính ống thiết kế.
5. Hệ thống cung cấp dung dịch cần có chức năng tự động tuần hoàn.
6. Dung dịch thủy lực để tiến hành kiểm tra vì chống thủy lực theo quy định tại Điều 46 của Quy chuẩn này. Dung dịch được pha chế theo tỷ lệ dầu nhũ hóa và nước trung tính là 5 : 95.
7. Trong quá trình kiểm tra khống chế nhiệt độ của dung dịch trong khoảng từ 100C ÷ 500C, dung dịch phải được lọc bằng bộ lọc có mắt lưới 40 μm, đồng thời phải có thiết bị lọc từ tính.
8. Thiết bị đo kiểm tra và đồng hồ đo các thông số kiểm tra phải phù hợp với quy trình đo lường có liên quan và phải được kiểm định theo quy định hiện hành.
9. Sai số cho phép của hệ thống đo lường phải phù hợp với quy định trong Bảng 12 của Quy chuẩn này.
Bảng 12. Sai số cho phép của hệ thống đo lường
|
Hạng mục đo lường |
Đơn vị |
Sai số |
|
Sai số lưu lượng |
% |
± 2,5 |
|
Sai số áp suất (đồng hồ áp suất ≥ 0,2 MPa) |
% |
± 2,5 |
|
Sai số nhiệt độ |
0C |
± 2,0 |
Điều 94. Kiểm tra, thử nghiệm vì chống thủy lực đơn
1. Quy định chung
a) Các thiết bị dụng cụ đo phục vụ thử nghiệm xà tuân theo TCVN 9944 - 7:2013 (ISO 22514 - 7:2012) Phương pháp thống kê trong quản lý quá trình - Năng lực và hiệu năng - Phần 7: Năng lực của quá trình đo, phép đo được quy về đơn vị tiêu chuẩn hóa. Độ chính xác của dụng cụ đo đạt 1,5.
b) Khi tiến hành gia tải để thử nghiệm, phải vẽ đường đặc tính chịu tải, ghi chép kết quả thử nghiệm và miêu tả quá trình thực hiện thử nghiệm.
c) Thử nghiệm giá trị chịu tải trọng lớn nhất, nhỏ nhất của xà và khớp nối:
- Lưu lại giá trị thử nghiệm khi lặp lại quá trình gia tải.
- Khi thử nghiệm cần liên tục và gia tải ổn định, tốc độ gia tải trong khoảng 40 kN/phút ÷ 60 kN/phút.
- Khi thử nghiệm phá hủy, đầu tiên gia tải theo tốc độ 40 kN/phút đến 60 kN/phút đến giá trị lớn nhất, sau đó giảm dần tốc độ gia tải đến 20 kN/phút đến 30 kN/phút, tiếp tục gia tải đến khi có kết quả, giữ ổn định áp lực trong 1 phút, ghi lại giá trị tải trọng.
- Độ chính xác đồng hồ đo không nhỏ hơn cấp 1,5, giá trị áp lực đo được bằng 50% đến 75% giá trị lớn nhất của đồng hồ đo.
- Khi thử nghiệm chịu lực của xà, thiết bị thực hiện thử nghiệm phải đáp ứng yêu cầu quy định về độ lệch tâm khi tải trọng lớn nhất, độ chính xác của thiết bị đo thử nghiệm không nhỏ hơn cấp 2.
- Kích thước xà được tiến hành xác định trên bề mặt làm việc bằng thiết bị đo thông dụng và chuyên dụng.
2. Thử nghiệm sự linh hoạt điều chỉnh khi làm việc
Sự linh hoạt điều chỉnh khi làm việc được tiến hành trên bề mặt làm việc, sử dụng thiết bị đo chuyên dụng xác định độ cao, độ vuông góc để điều chỉnh góc làm việc.
3. Bên ngoài
Bề ngoài của vì chống thủy lực đơn được xác định bằng mắt thường.
4. Độ cứng bề mặt của xà
Khi thực hiện thử nghiệm về tính năng của xà, trước tiên tiến hành xác định độ cứng bề mặt của xà, nêm điều chỉnh góc và chốt. Độ cứng bề mặt của xà và các chi tiết được tiến hành xác định bằng độ cứng HRC hoặc HB. Trước khi xác định cần làm nhẵn và làm sạch bề mặt làm việc kim loại. Mỗi phép đo thực hiện tại 3 điểm, khoảng cách giữa 3 điểm không nhỏ hơn 10 mm.
a) Đối với xà có chiều dài không lớn hơn 2.000 mm, độ cứng bề mặt của xà được đo trên bề mặt làm việc của 1/2 xà, hoặc trên bề mặt làm việc lựa chọn một vị trí để xác định.
b) Đối với chiều dài lớn hơn 2.000 mm, độ cứng bề mặt của xà được xác định theo theo quy định tại điểm a, khoản 4 Điều này, đối với các vị trí ngoài, tại khoảng cách không nhỏ hơn 500 mm so với hai đầu xà bổ sung thêm một vị trí đo.
c) Khi xác định độ cứng bề mặt của xà chữ thập, mắt lưới xà, cần phân biệt giữa xà chính và xà phụ, trọn một vị trí trên thân xà hoặc vị trí bề mặt đặc biệt để đo.
d) Độ cứng bề mặt của chốt, nêm chỉnh góc được tiến hành đo tại giữa bề mặt làm việc.
5. Thử nghiệm tải xà
Thực hiện trên bề mặt xà thử nghiệm như Hình 2.

Hình 2. Sơ đồ thử nghiệm gia tải xà
F - Tải trọng xà; l - khoảng cách giữa hai gối đỡ
Bảng 13. Trọng tâm và bán kính đầu ép
|
Chiều dài xà L, mm |
Khoảng cách gối đỡ l, mm |
Bán kính đầu ép R, mm |
|
L ≥ 1.000 |
700 |
20 ÷ 30 |
|
700 ≤ L <> |
500 |
50 ÷ 60 |
|
600 ≤ L <> |
400 |
50 ÷ 60 |
b) Tải trọng nhỏ nhất của xà
Sơ đồ thử nghiệm theo Hình 2. Ban đầu, trên đường tâm xà, giữa hai gối đỡ đặt đồng hồ đo biến dạng xà, kim đồng hồ đo độ dịch chuyển điểm A, hoặc sử dụng thiết bị cảm ứng vị trí, đầu dò tiếp xúc trực tiếp điểm A, sau đó gia tải trước 10 kN, sau khi ổn định đọc và ghi giá trị biến dạng.
c) Tải trọng lớn nhất của xà
Sơ đồ thử nghiệm theo Hình 2, thiết bị thử nghiệm gia tải đều và liên tục lên xà đơn đến giá trị tải trọng ổn định lớn nhất F2, ghi lại giá trị, sau đó từ từ giảm tải về không, quan sát mối hàn liên kết để phát hiện rạn nứt và các khiếm khuyết khác của mối hàn.
d) Tải trọng phá hủy của xà
Sơ đồ thử nghiệm theo Hình 2, thiết bị thử nghiệm gia tải đều và liên tục lên xà đến khi tải trọng thử lớn hơn tải trọng lớn nhất F2, ghi lại giá trị và giảm tải về không, kiểm tra xà có hay không đứt gãy do giòn, tải trọng có đạt được giá trị theo quy định tại khoản 2 Điều 15 của Quy chuẩn này.
Thử nghiệm thực hiện trên thiết bị như Hình 3. Khi thử nghiệm hai xà có khớp được liên kết với nhau thành một hàng, hình thành một liên kết cứng, sử dụng đồ gá ép tại vị trí trung tâm, sau đó gia tải đều, liên tục đến tải trọng thử nghiệm yêu cầu. Thử tải xà loại có hai khớp bản lề theo hai hướng: Hướng chính và hướng ngược lại. Đối với xà chữ thập và xà lưới, chỉ tiến hành thử nghiệm đối với xà chính. Điểm đặt và bán kính đầu ép xem trong Bảng 14 của Quy chuẩn này.

Hình 3. Sơ đồ thử nghiệm tải trọng đối với khớp nối
F- Lực gia tải; l1, l2 - khoảng cách gối đỡ
Bảng 14. Khoảng cách gối đỡ và bán kính đầu ép
|
Chiều dài của xà L, mm |
Khoảng cách gối đỡ l1, l2, mm |
Bán kính đầu ép R, mm |
|
|
l1 |
l2 |
||
|
L ≥ 800 |
1200 |
500 |
20 ÷ 30 |
|
600 ≤ L <> |
1000 |
300 |
20 ÷ 30 |
e) Tải trọng nhỏ nhất của khớp nối
Sơ đồ thử nghiệm xem tại Hình 3. Gia tải đều lên bộ phận khớp nối đến giá trị tải trọng ổn định F5, sau đó từ từ giảm tải về không. Đo vết tích ép trên bề mặt làm việc của khớp nối, kiểm tra sự hư hại của khớp nối và mối hàn có rạn nứt hay không.
g) Tải trọng lớn nhất của khớp nối
Sơ đồ thử nghiệm theo Hình 3. Gia tải đều lên bộ phận khớp nối đến giá trị F6 ổn định, sau đó từ từ giảm tải về không. Kiểm tra tổn hại của mối hàn và khớp nối.
h) Tải trọng phá hủy của khớp nối
Sơ đồ thử nghiệm theo Hình 3. Gia tải đều lên bộ phần khớp nối đến khi khớp nối tổn hại hoặc giá trị tải trọng không thể tăng thêm, ghi lại giá trị tải trọng, kiểm tra có hay không đứt gẫy do giòn, giá trị tải trọng đạt đến quy định tại điểm c khoản 4 Điều 15 của Quy chuẩn này, kiểm tra tình trạng hư hỏng của khớp nối và mối hàn có rạn nứt hay không bị.
a) Phải phù hợp với quy định tại Điều 89, Điều 90 và Điều 99 của Quy chuẩn này.
b) Nội dung và yêu cầu kiểm tra, thử nghiệm vì chống thủy lực đơn tiến hành theo Bảng 15 của Quy chuẩn này.
Bảng 15. Nội dung tiến hành kiểm tra, thử nghiệm
|
TT |
Nội dung kiểm tra, thử nghiệm |
Yêu cầu kỹ thuật |
Phương pháp kiểm tra, thử nghiệm |
Phân loại kiểm tra, thử nghiệm |
|
|
Kiểu dáng |
Xuất xưởng |
||||
|
1 |
Kích thước |
Điều 11 |
Điểm a khoản 1 Điều 94 |
x |
x |
|
2 |
Bên ngoài |
Điều 8, Điều 9 |
Khoản 3 Điều 94 |
x |
x |
|
3 |
Tính linh hoạt thao tác |
Điều 13 |
Khoản 2 Điều 94 |
x |
x |
|
4 |
Độ cứng |
Điều 14 |
Khoản 4 Điều 94 |
x |
x |
|
5 |
Tải trọng nhỏ nhất của xà |
Khoản 1 Điều 15 |
Khoản 5 Điều 94 |
x |
x |
|
6 |
Tải trọng lớn nhất của xà |
Khoản 1 Điều 15 |
Khoản 5 Điều 94 |
x |
x |
|
7 |
Tải trọng phá hủy của xà |
Khoản 2 Điều 15 |
Khoản 5 Điều 94 |
x |
k |
|
8 |
Tải trọng lặp lại của xà |
Khoản 3 Điều 15 |
Khoản 5 Điều 94 |
x |
k |
|
9 |
Tải trọng nhỏ nhất của khớp nối |
Khoản 4 Điều 15 |
Khoản 5 Điều 94 |
x |
x |
|
10 |
Tải trọng lớn nhất của khớp nối |
Khoản 4 Điều 15 |
Khoản 5 Điều 94 |
x |
x |
|
11 |
Tải trọng phá hủy của khớp nối |
Khoản 4 Điều 15 |
Khoản 5 Điều 94 |
x |
k |
|
12 |
Tải trọng lặp lại của khớp nối |
Khoản 4 Điều 15 |
Khoản 5 Điều 94 |
x |
k |
|
Chú ý: "x" biểu thị hạng mục phải kiểm tra; "k" biểu thị hạng mục không phải kiểm tra. |
|||||
d) Kiểm tra vì chống đạt yêu cầu về kiểu dáng khi tất cả các nội dung kiểm tra quy định tại Bảng 15 của Quy chuẩn này đạt yêu cầu. Khi có một hạng mục không đạt yêu cầu thì sản phẩm không đạt về kiểm tra kiểu dáng.
Điều 95. Kiểm tra, thử nghiệm giàn, giá chống thủy lực
1. Quy định chung
Được thực hiện theo quy định tại khoản 1 Điều 94 của Quy chuẩn này.
a) Tấm đệm dùng để truyền tải trọng uốn đối xứng phải làm cho tỷ số áp suất trung bình lên mái giàn sẽ thử nhỏ hơn 25 MPa. Tấm đệm có kích thước: Chiều rộng 150 mm, chiều dài bằng chiều rộng lớn nhất của mái giàn chống sẽ thử. Nếu khi thử nghiệm tỷ số áp suất vượt quá 25 MPa, phải tăng kích thước tấm đệm để tỷ số áp suất trung bình nhỏ hơn 25 MPa.
b) Tấm đệm truyền tải trọng xoắn phải làm cho tỷ số áp suất lên mái giàn, giá chống sẽ thử nhỏ hơn 25 MPa. Tấm đệm có kích thước: Chiều rộng 200 mm, chiều dài bằng 1/4 chiều rộng của mái giàn, giá chống sẽ thử. Nếu đế cột chống có thể tách rời, độ dài tấm đệm bằng bề rộng lớn nhất của đế cột chống đơn chiếc đã tách rời. Tấm đệm phải đặt tại vị trí trung tâm truyền lực và ở đầu mút của bộ phận mái giàn, giá được thử nghiệm. Nếu có yêu cầu bắt buộc đạt được sự ổn định tải trọng thử, tấm đệm có thể đặt ở các vị trí khác
c) Kết cấu tấm đệm không được cản trở sự chuyển động tự do linh hoạt của bộ phận vì chống, đồng thời không để cho cạnh vát chịu dồn lực. Độ cao phải đảm bảo khi thử nghiệm không làm cản trở sự biến dạng của các bộ phận vì chống.
d) Nếu đầu xà nóc và đế cột chống có vát mép hoặc bo tròn, tấm đệm đặt tải như Hình 4.

d - Khoảng cách từ tấm đệm đến biên của kết cấu thử, d = (20 ÷ 50) mm.
3. Kiểm tra bên ngoài
Kiểm tra bằng mắt, bằng dụng cụ đo thông thường và dụng cụ đo chuyên dụng để tiến hành kiểm tra.
4. Kết cấu móc, treo
Kiểm tra theo thông số quy định tại Điều 22 của Quy chuẩn này.
5. Khả năng hoạt động
a) Vận hành van đổi hướng theo thiết kế. Mỗi hướng thực hiện 3 lần và mỗi lần đều đạt được đến vị trí giới hạn của van và đạt các thông số thiết kế của van.
b) Điều khiển kích di chuyển đầu liên kết tiến lên hết hành trình, cố định đầu liên kết. Điều khiển với lưu lượng và áp suất cấp dung dịch định mức, hạ giàn 100 mm, sau đó di chuyển giàn chống lên theo thiết kế và nâng giàn lên 100 mm. Đo thời gian dùng để hoàn thiện toàn bộ thao tác kể trên.
6. Độ kín
a) Giàn, giá chống đặt trong khung kiểm tra, điều chỉnh chiều cao của khung thử nghiệm đến vị trí bằng 2/3 chiều cao lớn nhất của giàn, giá chống. Thao tác tay điều khiển để cấp dung dịch vào cột thủy lực và các xilanh hoạt động có liên quan, để vì chống chống chặt ở trong khung thử nghiệm đạt đến 90% Pđm, ổn định trong 5 phút, thử nghiệm 3 lần.
b) Nâng giàn, giá chống không tải, làm cho cần piston duỗi ra ngoài đến vị trí 2/3 hành trình, sau đó để trong 16 giờ, đo khoảng cách hạ của cần piston.
c) Đối với giàn, giá chống có lắp tấm chắn gương, nâng tấm chắn gương không tải, làm cho cần piston của kích tấm chắn gương duỗi ra ngoài đến vị trí 2/3 hành trình, sau đó để trong 16 giờ, đo khoảng cách co lại của cần piston.
d) Thao tác tay điều khiển làm cho các bộ phận chuyển động hoạt động qua lại đồng thời đạt đến vị trí giới hạn, thao tác 5 lần, trong đó có 1 lần duy trì trong 5 phút dưới áp suất cấp dung dịch định mức, kiểm tra các bộ phận thủy lực (bao gồm cột thủy lực, kích, các loại van, đường ống và khớp nối).
7. Khả năng chống đỡ
Đặt giàn, giá chống trong khung thử nghiệm đặt tải ngoài hoặc khung thử nghiệm đặt tải trong để tiến hành thử nghiệm.
a) Cấp dịch cho cột chống đạt đến áp suất định mức, dừng cấp dịch, đo 3 lần giá trị áp suất của cột chống. Cột chống đạt yêu cầu thử nghiệm khi không bị tụt áp trong 5 phút.
b) Sau khi nâng cột chống lên đạt đến áp suất định mức, đặt tải trong hoặc đặt tải ngoài với tốc độ từ từ làm cho van an toàn tràn dịch (2 đến 3) lần, đo giá trị áp suất của cột chống. Sau khi van an toàn ngừng chảy dung dịch 5 phút, đo 3 lần giá trị áp suất của cột chống. Cột chống đạt yêu cầu thử nghiệm khi áp suất tại 3 lần đo không sai lệch.
c) Đối với kích mái trước và kích cân bằng đặt tải trong hoặc đặt tải ngoài, cấp dung dịch với tốc độ từ từ làm cho van an toàn tràn dung dịch (2 đến 3) lần, đo giá trị áp suất tràn dung dịch của van. Sau khi van an toàn ngừng chảy dung dịch 5 phút, đo 3 lần giá trị áp suất của cột chống. Cột chống đạt yêu cầu thử nghiệm khi áp suất tại 3 lần đo không sai lệch.
a) Hình 5 thể hiện khả năng thích ứng của giàn, giá chống. Khi cơ cấu di chuyển giàn, giá chống ở vị trí thu lại và đầu liên kết ở trên mặt phẳng ngang. Cho đầu liên kết nâng lên hoặc hạ xuống, tiến hành đo khoảng cách L1 và L2 từ tâm lỗ đầu liên kết ở vị trí vị trí nâng lên và hạ xuống so với vị trí nằm ngang.

b) Thao tác làm cho đoạn đầu mái giàn, giá hạ xuống, khi đó cột chống của vì chống 4 cột co lại, nếu là vì chống 2 cột thì cột chống và kích cân bằng co lại), đoạn đuôi xà nóc duy trì ở chiều cao lớn nhất của giàn, giá chống, đo góc hạ của mái giàn.
c) Ở trong toàn bộ diện tích của đế giàn, giá chống, đặt tấm ván ép (Hình 6), đồng thời đặt thêm tấm đệm (chiều dài của tấm đệm bằng với chiều dài của đế giàn, giá chống, kích thước chiều rộng tấm đệm lấy bằng vết nén của tấm ván ép, chiều dầy của tấm đệm là (30 đến 50) mm. Đặt tải đều lên vì chống đến áp suất định mức, duy trì áp suất 1 phút, lấy tấm ván ép ra, sau 1 giờ đo lường độ sâu vết nén của tấm đệm, tiến hành so sánh với tấm mẫu, tính toán tỷ số áp suất tại các vị trí của đế cột chống.

9. Khả năng tự hạ thấp
a) Khi mái giàn, giá chống có dẫn hướng cưỡng bức, có mái che chắn, phải tiến hành thử nghiệm nén dưới áp suất định mức. Thử nghiệm với 3 đoạn chiều cao của cột chống là cao, trung, thấp. Chiều dài nén xuống lớn hơn 100 mm, tốc độ nén không vượt quá 100 mm/phút. Trong phạm vi 50 mm ở chiều cao lớn nhất và nhỏ nhất của giàn, giá chống không làm thử nghiệm này.
b) Giới hạn tải trọng ngang của giàn, giá chống tác dụng với mô hình thử nghiệm là 0,3 lần lực chống.
c) Khi thử nghiệm, đều điều chỉnh van an toàn của cột và kích thủy lực đến áp suất định mức theo quy định.
10. Cường độ kết cấu
a) Quy định chung
- Giàn, giá chống được đặt trong mô hình thử nghiệm gia tải trong, bàn thử tải điều chỉnh đến chiều cao thử nghiệm. Khi thử nghiệm lệch tải mái giàn, chiều cao thử nghiệm là chiều cao thấp nhất của giàn, giá chống + 300 mm; khi thử nghiệm các hạng mục khác, chiều cao của giàn, giá chống là 2/3 chiều cao lớn nhất của cột và kích cân bằng, mỗi lần thử nghiệm duy trì áp trong 5 phút, mỗi một lần thay đổi vị trí tấm đệm, gia tải 3 lần.
- Trước thử nghiệm, đo độ uốn cong ban đầu của bề mặt trên mái giàn, giá chống, bề mặt cạnh dưới của đế cột và độ lệch tương đối của đường tâm của mái với đường tâm của đế cột trên mặt phẳng ngang (đo ở đoạn trước đế cột khi vì chống ở trạng thái tự do).
- Sau thử nghiệm, dùng kính phóng đại 5 lần quan sát mối hàn và vật liệu xem có vết nứt hay không. Đo lượng biến dạng dư tương đối và góc lệch của xà nóc và đế cột.
- Giàn chống dạng 2 cột che chắn và giàn chống dạng 4 cột che chắn tiến hành thử nghiệm cường độ kết cấu chính lần lượt theo các Hình 7a đến Hình 17; với thử nghiệm đế cột đặt tải bằng 1,3 Pđm; với các thử nghiệm khác đặt tải bằng 1,2 Pđm.
- Khi tiến hành thử nghiệm đặt tải ngang theo Hình 14a đến Hình 14c đối với cơ cấu không ổn định của giàn chống dạng chống đỡ, phương tác dụng lực lên trên mái giàn hướng theo luồng phá hỏa, lực đặt tải ngang bằng với lực di chuyển của cơ cấu di chuyển giàn chống hoặc đối với mỗi mét chiều cao giàn chống, đặt lực thử nghiệm lên mái giàn hướng theo luồng phá hỏa tương đương với một lực cần để đế cột chống xuất hiện chuyển động tương đương ít nhất 80 mm. Khi thử nghiệm lấy giá trị lớn. Ngoài ra cần tiến hành một thử nghiệm tại mỗi chiều cao 40 mm, tính toán sao cho xuất hiện chuyển động ngang làm mái giàn hướng theo phương gương than và hướng sang hai phía.
- Chứng minh tính ổn định đặt tải bằng cách tiến hành thử nghiệm lặp lại, cho đến khi có được 5 kết quả kiểm tra liên tục ổn định.
Bảng 16. Liệt kê hình thử nghiệm đặt tải kết cấu chính giàn, giá chống
|
Tên hình |
Phương thức đặt tải |
Hình vẽ đặt tải rút gọn và vị trí tấm đệm |
Thuyết minh |
|
7 a |
Đặt tải hai đầu mái giàn |
|
|
|
7b |
Đặt tải dọc giữa mái giàn |
|
|
|
7c |
Đặt tải ngang giữa mái giàn |
|
|
|
7d |
Đặt tải đối đỉnh mái giàn |
|
Vì chống dạng phân thể, mái giàn và đế cột không làm thử nghiệm này |
|
8a |
Đặt tải hai đầu cột chống |
|
|
|
8b |
Đặt tải ngang giữa các cột chống |
|
|
|
9a |
Đặt tải uốn mái giàn |
|
Giàn chống dạng phân thể, mái giàn và đế giàn không làm thử nghiệm này |
|
9b |
Đặt tải uốn mái giàn |
|
Giàn chống dạng phân thể, mái giàn và đế giàn không làm thử nghiệm này |
|
10a |
Đặt tải uốn mái giàn |
|
Khi hai nửa của đế giàn dạng phân thể có thể hoạt động tương hỗ lệch nhau với góc lớn hơn 60, không làm thử nghiệm này |
|
10b |
Đặt tải uốn mái giàn |
|
Khi hai nửa của đế giàn dạng phân thể có thể hoạt động tương hỗ lệch nhau với góc lớn hơn 60, không làm thử nghiệm này |
|
11 |
Đặt tải lệch tâm mái giàn |
|
Đối với tải trọng thử nghiệm ở 10%, khi góc lệch ngang giữa mái giàn và đế giàn lớn hơn 100 không làm thử nghiệm này; Khi góc quay tự do của mái giàn ngang lớn hơn 80, gia tải dựa vào áp suất lúc 80; Đối với giàn chống hạ trần đường tâm của tấm đệm trùng với đường tâm dọc của một bên cột thủy lực. |
|
12 |
Đặt tải đế cột |
|
Giá trị L2, L3 phải lớn hơn chiều dài đế cột, cạnh của tấm đệm cách đế cột là 40 ÷ 60 mm |
|
13a |
Đặt tải ngang |
|
X = 0,3 H X là khoảng cách từ cạnh tấm đệm dưới đế giàn chống đến đường vuông góc với mái giàn (tính từ vị trí tim đầu cột) |
|
13b |
Đặt tải ngang |
|
X = 0,3 H |
|
13c |
Đặt tải ngang |
|
X = 0,3 H Giàn chống 4 cột dạng che chắn hợp lực vuông góc lấy trung điểm của khoảng cách 2 giao điểm trên của 2 hàng cột |
|
13d |
Đặt tải ngang |
|
X = 0,3 H |
|
14a |
Đặt tải ngang giàn chống dạng chống đỡ |
|
Chuyển động hướng gương than 0,04 H |
|
14b |
Đặt tải ngang giàn chống dạng chống đỡ |
|
Chuyển động hướng luồng phá hỏa 0,08 H |
|
14c |
Đặt tải ngang giàn chống dạng chống đỡ |
|
Chuyển động hướng cạnh bên 0,04 H |
|
15 |
Đặt tải 4 góc đế giàn chống (cong vênh và uốn) |
|
Y- Kích thước bên trong gân chính W = Y - 100 |
|
16 |
Đặt tải đối góc đế giàn |
|
Khi hai nửa của đế giàn dạng phân thể có thể hoạt động tương hỗ lệch nhau với góc lớn hơn 60, không làm thử nghiệm này |
|
17 |
Đặt tải hai biên đối xứng đế giàn |
|
|
|
Chú ý: a = 150 mm; b = 200 mm; c = 300 mm; d = 20 ÷ 50 mm. |
|||
- Tấm chắn cạnh, mái giàn thử nghiệm theo Hình 18.
- Kích cân bằng và kết cấu liên kết thử nghiệm theo Hình 19.
- Tấm chắn gương ở trạng thái vuông góc thử nghiệm theo Hình 20a.
- Tấm chắn gương ở trạng thái giữ mái thử nghiệm theo Hình 20b và 21.
- Dầm tiến gương thử nghiệm theo Hình 22.
- Cơ cấu di chuyển thử nghiệm theo Hình 23a, 23b và 23c.
- Kết cấu liên kết cột thủy lực thử nghiệm theo Hình 24.
- Cơ cấu điều chỉnh đế giàn thử nghiệm theo Hình 25.
Bảng 17. Liệt kê hình thử nghiệm đặt tải kết cấu phụ giàn, giá chống
|
Tên hình |
Phương thức đặt tải |
Hình vẽ đặt tải rút gọn và vị trí tấm đệm |
Thuyết minh |
|
18 |
Đặt tải dầm tiến gương |
|
Dầm tiến gương nhô ra ngoài toàn bộ. Mỗi bên mái giàn đặt một tấm đệm dài 1.800 ÷ 2.000 mm. Gia tải cho cột chống với áp suất 1,2 Pđm (của vì chống) |
|
19 |
Đặt tải kích cân bằng |
|
Giàn, giá chống được gia tải chống chặt như mô hình thử nghiệm. Gia tải cả hai chiều (đẩy ra và co lại) cho kích cân bằng với áp suất 1,3 Pđm |
|
20a |
Đặt tải lệch (uốn) tấm chắn gương |
|
Giàn, giá chống được gia tải chống chặt như mô hình thử nghiệm, đặt tấm đệm ở hai bên trái và phải phía dưới tấm chắn gương. Gia tải cho kích tấm chắn gương với áp suất 1,3 Pđm |
|
20b |
Đặt tải tập trung tấm chắn gương |
|
Giàn, giá chống được gia tải chống chặt như mô hình thử nghiệm, trên tấm chắn gương đặt tấm đệm dài. Gia tải cho kích tấm chắn gương với áp suất 1,3 Pđm |
|
21 |
Đặt tải lệch tấm chắn gương |
|
Giàn, giá chống được gia tải chống chặt như mô hình thử nghiệm, đặt tấm đệm ở hai bên trái, phải tấm chắn gương. Gia tải cho kích tấm chắn gương với áp suất 1,3 Pđm |
|
22 |
Đặt tải tập trung và lệch dầm tiến gương |
|
Kích dầm tiến gương thò ra ngoài 2/3 hành trình. Gia tải cho cột chống với áp suất 1,1 Pđm. Khi mái giàn là dạng phân thể. Gia tải cho kích tấm chắn gương với áp suất 1,2 Pđm. |
|
23a |
Đặt tải lệch cơ cấu di chuyển |
|
Giàn, giá chống được gia tải chống chặt trong mô hình thử nghiệm, đưa thanh đẩy ra 3/4 hành trình, để tâm lỗ thanh đẩy lệch tương đối 150 mm so với tâm vì chống tiến hành thử nghiệm đẩy - kéo với áp suất 1,5 Pđm |
|
23b |
Đặt tải hướng bên cạnh cơ cấu di chuyển |
|
Giàn, giá chống được gia tải chống chặt như mô hình thử nghiệm, đưa thanh đẩy ra hết hành trình. Gia tải vào bên cạnh với tải trọng bằng 1/2 lần lực đẩy di chuyển giàn chống nhưng lớn hơn 100 kN |
|
23c |
Đặt tải vuông góc cơ cấu di chuyển |
|
Có cơ cấu nâng đế vì chống của thiết bị di chuyển |
|
24 |
Đặt tải kết cấu liên kết cột chống thủy lực |
|
Giàn, giá chống được gia tải chống chặt như mô hình thử nghiệm. Gia tải rút cột chống thủy lực với áp suất 1,2 Pđm và 1,5 Pđm |
|
25 |
Đặt tải lệch cơ cấu điều chỉnh đế giàn (giá) chống |
|
Đặt giàn, giá chống như mô hình thử nghiệm, hai xà ngang dẫn hướng cố định, một bên đế giàn, giá chống tựa vào hai điểm chống xà dẫn hướng bên còn lại kích điều chỉnh đế bằng 2/3 hành trình. Gia tải cho xà ngang còn lại với áp suất 1,2 Pđm, sau đó điều khiển giàn di chuyển |
|
Chú ý: a = 150 mm; b = 200 mm; c = 300 mm; d = 20 ÷ 50 mm |
|||
11. Độ bền
- Thử nghiệm độ bền phải tiến hành sau khi toàn bộ các thử nghiệm khác đã đạt tiêu chuẩn (trừ thử nghiệm cường độ đặt tải ngang). Chu kỳ đặt tải sử dụng phương thức gia tải trong, tiến hành theo quá trình như đường cong Hình 26, trong đó t3 ≥ 2 giây.
|
T- Thời gian 1 chu kỳ pe- Áp suất thử nghiệm (≥ 1,05 Pđm) pc- Áp suất cấp dung dịch pr- Áp suất đóng (≤ 0,25 Pđm) t1- Thời gian chống ban đầu t2- Thời gian tăng áp t3- Thời gian ổn áp t4- Thời gian dỡ tải. |
Hình 26. Chu kỳ đặt tải |
- Từ Hình 7a đến Hình 17 đã bao gồm các loại vì chống ứng dụng chủ yếu (vì chống dạng 2 cột che chắn và vì chống dạng 4 cột che chắn). Đối với các vì chống loại khác (như vì chống dạng chống đỡ) phải quy định tương tự về điều kiện đặt tải và số lần chu kỳ đặt tải. Các thử nghiệm đặt tải khác nhau có thể tổ hợp bộ phận để tiến hành.
- Phương thức thử nghiệm độ bền kết cấu chính của vì chống dạng 2 cột che chắn loại A như Bảng 18 của Quy chuẩn này, số lần đặt tải không ít hơn giá trị trong Bảng 18 của Quy chuẩn này. Phương thức thử nghiệm độ bền kết cấu chính của vì chống dạng 4 cột che chắn loại A như Bảng 19 của Quy chuẩn này, số lần đặt tải không ít hơn giá trị trong Bảng 19 của Quy chuẩn này.
- Phương thức thử nghiệm tính năng bền kết cấu chính của vì chống dạng 2 cột che chắn loại B như Bảng 20 của Quy chuẩn này, số lần đặt tải không ít hơn giá trị trong Bảng 20 của Quy chuẩn này; Phương thức thử nghiệm độ bền kết cấu chính của vì chống dạng 4 cột che chắn loại B như Bảng 21 của Quy chuẩn này, số lần đặt tải không ít hơn giá trị trong Bảng 21 của Quy chuẩn này.
Bảng 18. Tổ hợp chu kỳ đặt tải - Vì chống dạng 2 cột che chắn loại A
|
TT |
Phương thức đặt tải |
Tên hình |
Số lần đặt tải |
|
1 |
Đặt tải 2 đầu xà nóc + Đặt tải ngang |
7a + 13a |
5.000 |
|
2 |
Đặt tải 2 đầu xà nóc + Đặt tải ngang |
7a + 13b |
5.000 |
|
3 |
Đặt tải 2 đầu xà nóc + Đặt tải đối góc đế vì chống |
7a + 16 |
2.000 |
|
4 |
Đặt tải 2 đầu xà nóc + Đặt tải 2 bên đối xứng đế vì chống |
7a + 17 |
2.000 |
|
5 |
Đặt tải dọc giữa xà nóc + Đặt tải 2 đầu đế vì chống |
7b + 8a |
2.000 |
|
6 |
Đặt tải uốn xà nóc + Đặt tải 2 đầu đế vì chống |
9a + 8a |
2.000 |
|
7 |
Đặt tải uốn xà nóc + Đặt tải 2 đầu đế vì chống |
9b + 8a |
2.000 |
|
8 |
Đặt tải lệch tâm xà nóc |
11 |
2.000 |
|
9 |
Đặt tải uốn đế vì chống |
10a |
1.000 |
|
10 |
Đặt tải uốn đế vì chống |
10b |
1.000 |
|
11 |
Đặt tải đối góc xà nóc + Đặt tải đối góc đế vì chống |
7d + 16 |
2.000 |
|
12 |
Đặt tải đế cột |
12 |
1.000 |
|
Tổng số |
27.000 |
||
Bảng 19: Tổ hợp chu kỳ đặt tải - Vì chống dạng 4 cột che chắn loại A
|
TT |
Phương thức đặt tải |
Tên hình |
Số lần đặt tải |
|
1 |
Đặt tải 2 đầu xà nóc + Đặt tải ngang |
7a + 13c |
3.000 |
|
2 |
Đặt tải 2 đầu xà nóc + Đặt tải ngang |
7a + 13d |
7.000 |
|
3 |
Đặt tải 2 đầu xà nóc + Đặt tải đối góc đế vì chống |
7a + 16 |
2.000 |
|
4 |
Đặt tải 2 đầu xà nóc + Đặt tải 2 bên đối xứng đế vì chống |
7a + 17 |
2.000 |
|
5 |
Đặt tải dọc giữa xà nóc + Đặt tải 2 đầu đế vì chống |
7b + 8a |
2.000 |
|
6 |
Đặt tải uốn xà nóc + Đặt tải 2 đầu đế vì chống |
9a + 8a |
2.000 |
|
7 |
Đặt tải uốn xà nóc + Đặt tải 2 đầu đế vì chống |
9b + 8a |
2.000 |
|
8 |
Đặt tải lệch tâm xà nóc |
11 |
2.000 |
|
9 |
Đặt tải uốn đế vì chống |
10a |
1.000 |
|
10 |
Đặt tải uốn đế vì chống |
10b |
1.000 |
|
11 |
Đặt tải 4 góc đế vì chống |
15 |
2.000 |
|
12 |
Đặt tải ngang giữa xà nóc |
7c |
2.000 |
|
13 |
Đặt tải ngang giữa đế vì chống |
8b |
2.000 |
|
14 |
Đặt tải đế cột |
12 |
1.000 |
|
Tổng số |
31.000 |
||
Bảng 20. Tổ hợp chu kỳ đặt tải - Vì chống dạng 2 cột che chắn loại B
|
TT |
Phương thức đặt tải |
Tên hình |
Số lần đặt tải |
|
1 |
Đặt tải 2 đầu xà nóc + Đặt tải ngang |
7a + 13a |
1.000 |
|
2 |
Đặt tải 2 đầu xà nóc + Đặt tải ngang |
7a + 13b |
1.000 |
|
3 |
Đặt tải 2 đầu xà nóc + Đặt tải đối góc đế vì chống |
7a + 16 |
1.000 |
|
4 |
Đặt tải 2 đầu xà nóc + Đặt tải 2 bên đối xứng đế vì chống |
7a + 17 |
1.000 |
|
5 |
Đặt tải dọc giữa xà nóc + Đặt tải 2 đầu đế vì chống |
7b + 8a |
1.000 |
|
6 |
Đặt tải uốn xà nóc + Đặt tải 2 đầu đế vì chống |
9a + 8a |
1.000 |
|
7 |
Đặt tải uốn xà nóc + Đặt tải 2 đầu đế vì chống |
9b + 8a |
1.000 |
|
8 |
Đặt tải lệch tâm xà nóc |
11 |
2.000 |
|
9 |
Đặt tải uốn đế vì chống |
10a |
1.000 |
|
10 |
Đặt tải uốn đế vì chống |
10b |
1.000 |
|
11 |
Đặt tải đối góc xà nóc + Đặt tải 4 góc đế vì chống |
7d + 15 |
1.000 |
|
12 |
Đặt tải đế cột |
12 |
1.000 |
|
Tổng số |
13.000 |
||
Bảng 21: Tổ hợp chu kỳ đặt tải - Vì chống dạng 4 cột che chắn loại B
|
TT |
Phương thức đặt tải |
Tên hình |
Số lần đặt tải |
|
1 |
Đặt tải 2 đầu xà nóc + Đặt tải ngang |
7a + 13c |
1.000 |
|
2 |
Đặt tải 2 đầu xà nóc + Đặt tải ngang |
7a + 13d |
1.000 |
|
3 |
Đặt tải 2 đầu xà nóc + Đặt tải đối góc đế vì chống |
7a + 16 |
1.000 |
|
4 |
Đặt tải 2 đầu xà nóc + Đặt tải 2 bên đối xứng đế vì chống |
7a + 17 |
1.000 |
|
5 |
Đặt tải dọc giữa xà nóc + Đặt tải 2 đầu đế vì chống |
7b + 8a |
1.000 |
|
6 |
Đặt tải uốn xà nóc + Đặt tải 2 đầu đế vì chống |
9a + 8a |
1.000 |
|
7 |
Đặt tải uốn xà nóc + Đặt tải 2 đầu đế vì chống |
9b + 8a |
1.000 |
|
8 |
Đặt tải lệch tâm xà nóc |
11 |
2.000 |
|
9 |
Đặt tải uốn đế vì chống |
10a |
1.000 |
|
10 |
Đặt tải uốn đế vì chống |
11b |
1.000 |
|
11 |
Đặt tải 4 góc đế vì chống |
15 |
1.000 |
|
12 |
Đặt tải ngang giữa xà nóc |
7c |
1.000 |
|
13 |
Đặt tải ngang giữa đế vì chống |
8b |
1.000 |
|
14 |
Đặt tải đế cột |
12 |
1.000 |
|
Tổng số |
15.000 |
||
Đối với giàn, giá chống có mái giàn và đế dạng phân thể, không phù hợp tiến hành thử nghiệm độ bền theo quy định tại điểm 10.2 khoản 10 Điều này phải tiến hành theo hạng mục sau:
+ Tổ hợp chu kỳ đặt tải 3.000 lần theo Hình 7a và Hình 8a trong Bảng 18 của Quy chuẩn này.
+ Tổ hợp chu kỳ đặt tải 3.000 lần theo Hình 7c và Hình 8a trong Bảng 18 của Quy chuẩn này.
- Đặt tải ngang
Khi thử nghiệm đặt tải ngang Hình 13a đến Hình 13d, phải giới hạn lực tác dụng ngang lên xà nóc bằng 0,3 lần lực vuông góc. Nếu thông số kết cấu vì chống không cho phép, thử nghiệm theo lực ngang lớn nhất có thể. Đối với vì chống dạng 2 cột che chắn, vì chống dạng 4 cột chống đỡ che chắn, lực ngang có thể hướng theo gương than, cũng có thể hướng theo luồng phá hỏa. Nếu đã được kiểm chứng, tác dụng của lực ngang tương đương với khi không có lực ngang trái lại làm giảm sự chịu lực của vì chống, thì có thể không làm hạng mục thử nghiệm này.
Phương thức đặt tải và số lần đặt tải thử nghiệm tính năng bền kết cấu phụ vì chống loại A, loại B theo Bảng 22 của Quy chuẩn này. Ngoại trừ các hạng mục trong Bảng 22 của Quy chuẩn này đã ghi áp suất thử nghiệm ra, các hạng mục còn lại thử nghiệm với áp suất bằng 1,05 Pđm.
Bảng 22. Phương thức đặt tải và số lần đặt tải thử nghiệm độ bền kết cấu phụ của vì chống
|
TT |
Vị trí đặt tải |
Phương thức đặt tải |
Tên hình |
Số lần đặt tải |
Ghi chú |
|
1 |
Xà cạnh |
Đặt tải xà cạnh |
16 |
1.000 lần |
|
|
2 |
Bộ phận liên kết kích cân bằng |
Đặt tải kéo, đẩy |
17 |
Đẩy, kéo mỗi loại 500 lần; tổng 1.000 lần |
Áp suất thử nghiệm bằng 1,2 Pđm |
|
3 |
Tấm chắn gương |
Đặt tải uốn Đặt tải tập trung |
18a 18b |
Tải uốn mỗi tấm đệm trái, phải 500 lần; tải tập trung 500 lần; tổng 1.500 lần |
Áp suất thử nghiệm bằng 1,2 Pđm |
|
4 |
Tấm chắn gương |
Đặt tải lệch |
19 |
Tải lệch mỗi tấm đệm trái, phải 500 lần; tổng 1.000 lần |
|
|
5 |
Dầm tiến gương |
Đặt tải tập trung và tải lệch |
20 |
Tải tập trung 500 lần; tải lệch mỗi tấm đệm trái, phải 250 lần; tổng 1.000 lần |
|
|
6 |
Cơ cấu di chuyển |
Đặt tải lệch Đặt tải vuông góc |
21a và 21c |
Tải lệch trái, phải mỗi bên 500 lần; tải vuông góc 500 lần; tổng 1.500 lần |
Áp suất thử nghiệm bằng 1,2 Pđm |
|
7 |
Bộ phận liên kết cột thủy lực |
Đặt tải bộ phận liên kết |
22 |
Hạ cột thủy lực 500 lần |
Áp suất thử nghiệm bằng Pđm |
12. Chi tiết thủy lực của giàn, giá chống
Cột, kích, van, đường ống và khớp nối của giàn, giá chống khi làm việc ở chế độ định mức phải đạt tới vị trí giới hạn theo thiết kế.
13. Vật liệu
a) Yêu cầu chung
Phải tiến hành thử nghiệm tính chất cơ, lý, hóa của vật liệu. Thử nghiệm trên mẫu thử nguyên mẫu hoặc mẫu thử của bộ phận kiểm nghiệm, các giá trị phân tích phải tương ứng với tài liệu thuyết minh của nhà thiết kế vì chống đồng thời phù hợp với quy định tại Điều 37 của Quy chuẩn này.
b) Giới hạn chảy, cường độ kháng kéo, độ dãn dài của thép chế tạo
- Giới hạn chảy không thấp hơn 345 MPa.
- Cường độ kháng kéo không thấp hơn 470 MPa.
- Độ dãn dài tương đối không lớn hơn 21%
c) Độ dai va đập được kiểm tra được quy định tại điểm b khoản 2 Điều 37 Quy chuẩn này. Lấy giá trị trung bình 3 lần kiểm tra làm giá trị đo lường, đồng thời giá trị đo phải lớn hơn 70% giá trị được quy định tại Điều 37 của Quy chuẩn này.
d) Kiểm tra các mối hàn chịu lực được thực hiện theo quy định tại TCVN 76008:2010 Thiết bị chịu áp lực - Mối hàn - Yêu cầu kỹ thuật và phương pháp thử
14. Kiểm tra, thử nghiệm xuất xưởng
Kiểm tra, thử nghiệm xuất xưởng phải phù hợp quy định tại Điều 89 của Quy chuẩn này.
a) Phải phù hợp với quy định tại Điều 90 của Quy chuẩn này. Trường hợp trong phương pháp thử nghiệm không có thử nghiệm theo yêu cầu Điều 18 của Quy chuẩn này, cho phép dùng trực quan hoặc thao tác vận hành để kiểm tra nghiệm chứng. Nội dung và yêu cầu kiểm tra, thử nghiệm giàn, giá chống tiến hành theo Bảng 23 của Quy chuẩn này.
Bảng 23. Nội dung và yêu cầu về kiểm tra, thử nghiệm xuất xưởng và kiểm tra, thử nghiệm kiểu dáng
|
TT |
Nội dung kiểm tra, thử nghiệm |
Yêu cầu kỹ thuật |
Phương pháp kiểm tra, thử nghiệm |
Phân loại kiểm tra, thử nghiệm |
|
|
Kiểu dáng |
Xuất xưởng |
||||
|
1 |
Chất lượng bề ngoài |
Điều 28 |
Khoản 3 Điều 95 |
x |
x |
|
2 |
Lối đi lại |
Điều 18 |
Đo lường |
B |
x |
|
3 |
Thiết bị dập bụi và chống lở rơi |
Điều 19 |
Tiến hành trực quan/so sánh theo bản vẽ |
B |
x |
|
4 |
Bảo vệ chi tiết thủy lực |
Điều 20 |
Theo bản vẽ |
x |
x |
|
5 |
Tấm chắn gương |
Điều 21 |
Tiến hành trực quan/so sánh theo bản vẽ |
x |
x |
|
6 |
Cơ cấu móc, treo |
Điều 22 |
Khoản 4 Điều 95 |
k |
x |
|
7 |
Xà tiến gương |
Điều 23 |
Theo bản vẽ |
x |
x |
|
8 |
Vị trí định vị đầu cột chống thủy lực |
Điều 24 |
Tiến hành trực quan/so sánh theo bản vẽ |
x |
x |
|
9 |
Lắp ráp |
Điều 25 |
So sánh với tài liệu kiểm tra |
B |
k |
|
10 |
Khả năng hoạt động |
Khoản 1 Điều 29 |
Điểm a khoản 5 Điều 95 |
x |
x |
|
Khoản 2 Điều 29 |
Điểm b khoản 5 Điều 95 |
B |
x |
||
|
11 |
Độ kín |
Khoản 1 Điều 30 |
Điểm a khoản 6 Điều 95 |
B |
x |
|
Khoản 2 Điều 30 |
Điểm b khoản 6 Điều 95 |
x |
x |
||
|
Khoản 3 Điều 30 |
Điểm c khoản 6 Điều 95 |
x |
x |
||
|
Khoản 4 Điều 30 |
Điểm c khoản 6 Điều 95 |
x |
x |
||
|
12 |
Khả năng chống đỡ |
Điều 31 |
Khoản 7 Điều 95 |
B |
x |
|
13 |
Khả năng thích ứng |
Điều 32 |
Khoản 8 Điều 95 |
x |
x |
|
14 |
Khả năng tự hạ thấp |
Điều 33 |
Khoản 9 Điều 95 |
k |
x |
|
15 |
Cường độ kết cấu |
Điều 34 |
Khoản 10 Điều 95 |
B |
x |
|
16 |
Độ bền |
Điều 35 |
Khoản 11 Điều 95 |
k |
x |
|
17 |
Vật liệu |
Điều 37 |
Khoản 13 Điều 95 so sánh với tài liệu thuyết minh của nhà sản xuất |
x |
k |
|
18 |
Hàn |
Điều 38 |
Có giấy chứng nhận hàn áp lực |
x |
k |
|
Chú ý: "x" Nội dung đánh dấu này trong Bảng là nội dung kiểm tra "B" Nội dung đánh dấu này trong Bảng là nội dung kiểm tra bộ phận "k" Nội dung đánh dấu này trong Bảng là nội dung không kiểm tra. |
|||||
c) Đối với các chi tiết chính, không đạt yêu cầu được quy định tại Điều 18 đến Điều 33; khoản 1 và khoản 2 Điều 34 Quy chuẩn này phải tiến hành kiểm tra, thử nghiệm lại, số lần kiểm tra, thử nghiệm lại không vượt quá 1 lần. Trong đó, khi kiểm tra, thử nghiệm cường độ không đạt yêu cầu phải kiểm tra, thử nghiệm lại toàn bộ các nội dung được quy định tại khoản 1 Điều 34 Quy chuẩn này. Đối với chi tiết phụ thì tiến hành kiểm tra, thử nghiệm lại nội dung không đạt.
d) Khi kiểm tra, thử nghiệm độ bền không đạt tiêu chuẩn, số lần thử nghiệm lại không vượt quá 2 lần. Đối với chi tiết chính khi kiểm tra, thử nghiệm không đạt tiêu chuẩn, sau khi xử lý hạng mục đó, phải kiểm tra, thử nghiệm theo quy định tại Điều 35 Quy chuẩn này và tiếp tục hoàn thiện tất cả các nội dung thử nghiệm, sau đó kiểm tra, thử nghiệm lại một lần nữa các nội dung liên quan, trong quá trình thử nghiệm lại cho phép xuất hiện không đạt tiêu chuẩn ở các nội dung khác. Đối với kết cấu phụ chỉ kiểm tra, thử nghiệm lại nội dung không đạt.
e) Đối với 3 tình huống kiểm tra, thử nghiệm kiểu dáng được quy định tại điểm d, e, g khoản 1 Điều 90 của Quy chuẩn này, nếu có nội dung không đạt tiêu chuẩn, kiểm tra, thử nghiệm lại bộ phận một vì chống, nếu vẫn không đạt tiêu chuẩn, thì quyết định là không đạt.
h) Khi kiểm tra, thử nghiệm kiểu dáng, nếu chi tiết thủy lực phát sinh sự cố, cho phép xử lý và thay thế, nhưng chỉ cho phép xử lý thay thế chi tiết đó một lần, nếu không xử lý được kết luận không đạt.
Điều 96. Kiểm tra, thử nghiệm cột chống thủy lực
1. Mối hàn chịu áp lực
Thử nghiệm theo quy định tại Điều 16 của Quy chuẩn này.
2. Cơ cấu móc, treo
Thử nghiệm theo quy định tại Điều 22 của Quy chuẩn này và cho phép thử nghiệm một lần.
3. Chất lượng lắp ráp và bên ngoài
Trong điều kiện ánh sáng bình thường, cho phép kiểm tra bằng mắt thường và sử dụng thiết bị đo lường thông dụng để kiểm tra hoặc dụng cụ chuyên dụng để kiểm tra chất lượng lắp ráp và bên ngoài.
4. Độ sạch
Xilanh thủy lực sau khi thử nghiệm đạt tiêu chuẩn phải tháo rời và rửa sạch, thu thập dung dịch sau khi rửa và lọc lại với bộ lọc có lưới lọc tương đương 40 µm, phẩm vật thu được ở trên sàng qua sấy khô và cân, khối lượng sau khi cân chính là khối lượng của tạp chất và phải phù hợp với Bảng 8 của Quy chuẩn này.
5. Chi tiết chính
Khi thử nghiệm van xả tải (chỉ đối với cột chống), để cột chống ở trạng thái duỗi trước khi mở van xả tải, cần piston duỗi ra hết cỡ, cấp dịch vào khoang cần piston với áp suất sao cho van mở liên tục, cột chống thu lại đến ngắn nhất. Tiến hành 3 lần, kiểm tra thông qua nghe và cảm nhận. Tính năng sử dụng khác tiến hành theo phương pháp thông thường.
6. Mạ điện
Thử nghiệm được tiến hành theo các thông số được quy định tại Điều 29 của Quy chuẩn này và các quy định tại TCVN 5026: 2010 Lớp phủ kim loại và lớp phủ vô cơ khác - Lớp kẽm mạ điện có xử lý bổ sung trên nền gang hoặc thép (ISO 2081:2008) hoặc TCVN 5023 - 2007 - ISO - Lớp phủ kim loại - Lớp mạ niken crom và mạ đồng - niken - crom.
7. Độ kín
a) Thử nghiệm phải tiến hành trên xilanh thủy lực có van nạp cố định, thiết bị an toàn, chi tiết làm kín, đầu nối thủy lực và ống nối dài.
b) Thử nghiệm độ kín xilanh: Sau khi gia tải lên xilanh thủy lực, khóa khoang áp suất, liên tục đo áp suất trong khoang áp suất và hành trình xilanh, ghi lại các giá trị này và vẽ đồ thị thay đổi áp suất và hành trình xilanh theo thời gian. Thử nghiệm 3 lần, mỗi lần kéo dài 5 phút. Giá trị đo lấy tại phút đầu tiên của lần thử thứ nhất, phút thứ 2 của lần thử thứ 2 và phút thứ 3 của lần thử thứ 3.
c) Thử nghiệm độ kín khoang cần piston
- Cột chống ở trạng thái co lại hết cỡ, cấp dung dịch thủy lực vào cột tới áp suất 2 MPa và duy trì ổn áp trong 5 phút, sau đó cấp dung dịch thủy lực vào cột tới áp suất 1,1 Pđm và duy trì trong 5 phút. Cả hai trường hợp áp suất phải ổn định, không tụt áp.
- Kích thủy lực ở trạng thái co lại hết cỡ, cấp dung dịch thủy lực vào kích tới áp suất 2 MPa, duy trì trong 5 phút, sau đó cấp dung dịch vào cột tới áp suất 1,1 Pđm và duy trì trong 5 phút. Trong cả hai trường hợp áp suất phải ổn định, không bị tụt áp.
Ghi chú: Áp suất làm kín là giá trị áp suất ở các trạng thái gia tải.
8. Hành trình không tải
Thử với xilanh thủy lực không tải, vận tốc piston nhỏ hơn 200 mm/phút, thực hiện 03 chu trình co lại và duỗi ra hết hành trình.
9. Áp suất khởi động nhỏ nhất
a) Cột chống ở điều kiện không tải (không chịu áp suất), khoang piston và khoang cần piston tách rời nhau. Tăng áp suất từ từ đến khi piston di chuyển toàn bộ hành trình, ghi lại áp suất khởi động các tầng xilanh trong khoang piston và khoang cần piston.
b) Piston nén lại hết hành trình, duy trì áp lực cấp dịch ở khoang cần piston xilanh trung gian, từ từ tăng áp khoang cần piston xilanh lớn làm cho xilanh trung gian dịch chuyển. Ghi lại áp lực khởi động trong khoang cần piston xilanh lớn, khi phần giữa xilanh trung gian đi qua dẫn hướng của xilanh lớn.
c) Kích và kích chống ở điều kiện không tải không chịu áp suất, khoang piston và khoang cần piston tách rời nhau. Tăng áp suất từ từ đến khi piston di chuyển toàn bộ hành trình, ghi lại áp suất khởi động trong khoang piston và khoang cần piston.
10. Độ kín khoang cần piston
Cột chống thu lại hết cỡ, cấp vào khoang cần piston áp suất 2 MPa và bằng 1,1 lần áp suất cấp dịch, khóa khoang làm kín ổn áp trong 5 phút.
11. Sự linh hoạt
a) Sự linh hoạt nén đúng tâm
Cột chống và kích chống duỗi hết cỡ ra ngoài, điều chỉnh áp suất khởi động van an toàn đến áp suất làm việc định mức, tiến hành thử nghiệm theo các điều kiện sau đây:
- Nén với tốc độ (10 ± 2) mm/phút, tiến hành thử nghiệm 2 lần với hành trình linh hoạt co cần piston 100 mm.
- Nén với tốc độ (2 ± 1) mm/phút, tiến hành thử nghiệm 2 lần với hành trình linh hoạt co cần piston 20 mm.
- Cột chống nhiều tầng thì thay đổi giữa các tầng, nén với tốc độ (10 ± 2) mm/phút, tiến hành thử nghiệm 2 lần với hành trình linh hoạt co cần piston 100 mm.
b) Sự linh hoạt khi co lại, duỗi ra
Thử nghiệm sự linh hoạt kéo theo phương pháp thử nghiệm linh hoạt nén.
c) Sự linh hoạt tốc độ cao
- Khi làm việc, kích chống co duỗi với tốc độ cao, thì tiến hành thử nghiệm độ linh hoạt tốc độ cao.
- Trong quá trình ghi lại độ linh hoạt lực đúng tâm và thay đổi áp suất theo thời gian.
d) Sự linh hoạt lệch tâm
Theo độ lệch tâm như Hình 27 hoặc Hình 28, áp dụng phương pháp thử nghiệm tương tự như tại khoản a Điều này với vị trí đặt tải lệch tâm. Trong quá trình thử, ghi lại độ linh hoạt lực lệch tâm và thay đổi áp suất theo thời gian.
Ghi chú: Chỉ tiến hành thử nghiệm sự linh hoạt đối với cột đứng và kích chống.

Hình 27. Đặt tải lệch tâm cột chống
a) Nén bằng 1,5 lần tải trọng định mức. Thử nghiệm bằng phương pháp đặt tải ngoài hoặc đặt tải trong.- Các bước đặt tải ngoài
+ Bơm dung dịch vào cột chống với áp suất bằng 0,8 lần áp suất làm việc định mức làm cho piston thủy lực duỗi toàn bộ ra ngoài.
+ Khóa khoang áp suất.
+ Đặt tải ngoài, nén 1 lần bằng 1,5 lần áp suất làm việc định mức trong 3 phút, sau 3 phút kiểm tra độ kín.
+ Sau khi dỡ tải đo biến dạng dư làm rộng đường kính xilanh.
- Các bước đặt tải trong
+ Bơm dung dịch vào cột chống với áp suất bằng 0,8 lần áp suất làm việc định mức làm cho piston thủy lực duỗi ra (95 ± 3)% hành trình.
+ Cố định hai đầu kích, cấp 1,5 lần áp suất làm việc định mức vào khoang áp lực.
+ Khóa khoang áp lực 1 lần trong 3 phút, sau đó 3 phút kiểm tra độ kín.
+ Sau khi dỡ tải đo biến dạng dư làm rộng đường kính xilanh.
+ Kiểm tra độ kín có thể thông qua thử nghiệm độ kín theo khoản 7 Điều 97 Quy chuẩn này.
b) Kéo bằng 1,5 lần tải trọng định mức
Áp dụng phương pháp thử nghiệm tương tự như điểm b khoản 11 Điều này và chỉ gia tải đối với khoang cần piston.
c) Nén tụt bằng 2 lần tải trọng nén định mức
Cột và kích chống nén tụt hết cỡ, gia tải ngoài bằng 2 lần lực định mức. Tiến hành 1 lần trong 3 phút.

Hình 28. Đặt tải lệch tâm kích chống
d) Quá tải trọng độngCột chống hoặc kích chống duỗi ra (75 ± 5)% toàn bộ hành trình (mỗi đoạn hành trình thừa ra: Ít nhất 100 mm với cột chống và ít nhất 30 mm với kích), dùng 0,6 áp suất định mức để chống chặt, đồng thời khóa khoang áp suất, đối với cột chống dùng khối lượng tác động không nhỏ hơn 10.000 kg, đối với kích dùng khối lượng tác động không nhỏ hơn 1.000 kg nén xuống theo hướng trục 2 lần, sao cho áp suất trong khoang áp suất đạt (1,5 ± 5)% lần áp suất định mức.
Sau khi tác động tiến hành thử nghiệm sự linh hoạt nén theo điểm a khoản 1 Điều này, đồng thời tiến hành kiểm tra độ kín.
13. Chịu tải lệch tâm
Dùng 0,1 lần áp suất làm việc định mức làm cho cột chống và kích chống duỗi hết hành trình, khóa khoang áp lực, theo Hình 27 và Hình 28 gia tải ngoài lệch tâm 1 lần với lực định mức trong 3 phút (nếu có tải trọng hướng ngang phải cho tác động đồng thời), kiểm tra độ kín, sau đó giảm tải đến 0,1 lần áp suất làm việc định mức và đo độ cong tại vị trí chuyển tiếp giữa các đoạn.
14. Độ bền
a) Cột chống
- Đặt tải lệch tâm
Cột chống hoặc kích chống duỗi ra ngoài (90 ± 5)% toàn bộ hành trình, gia tải theo chu kỳ với độ lệch tâm trên đỉnh giống như Hình 27 và Hình 28:
+ Đặt (1,1 ± 0,05) lần lực định mức, vận tốc gia tải linh hoạt (100 ± 10) mm/phút, khoảng cách dịch chuyển (50 ± 2,5) mm.
+ Hoàn tất cấp áp suất, lấy áp suất cấp dịch định mức cấp vào khoang cần piston, hạ xuống (50 ± 2,5) mm.
+ Cấp dung dịch với áp suất định mức làm cho xilanh thủy lực duỗi ra đến vị trí ban đầu; số chu kỳ lớn hơn 6.000 lần, sau đó tiến hành thử nghiệm độ kín theo quy định tại khoản 7 Điều này.
- Đặt tải đúng tâm
Cột chống hoặc kích chống duỗi ra (90 ± 5)% hết hành trình, gia tải đúng tâm theo chu kỳ:
+ Dùng 1,1 lần áp suất làm việc định mức gia tải đúng tâm.
+ Dỡ tải 0,1 lần áp suất làm việc định mức.
+ Tiến hành 15.000 chu kỳ, sau đó tiến hành thử nghiệm độ kín theo quy định tại khoản 7 Điều 96 Quy chuẩn này.
b) Kích chống
Với áp suất cấp dịch và lưu lượng định mức của trạm bơm trọn bộ, tạo lực tác động định mức, thực hiện thu vào, duỗi ra toàn bộ hành trình 10.000 lần, sau đó tiến hành thử nghiệm độ kín theo quy định tại khoản 7 Điều này.
15. Giới hạn duỗi
a) Giới hạn duỗi của kích
Kích duỗi ra không tải, sau khi piston tiếp xúc với bạc dẫn hướng, đặt 1,25 lần áp suất làm việc định mức vào khoang piston1 lần, giữ trong 3 phút.
b) Giới hạn duỗi của cột chống
- Dùng áp suất làm việc định mức làm cho piston duỗi ra về hướng vòng chặn trong, sau khi piston và vòng chặn trong tiếp xúc, giữ trong 3 phút.
- Duỗi ra với áp suất giữa (80 ± 5)% và (10 ± 5)% áp suất làm việc định mức tới khi tiếp xúc vòng chặn trong 100 lần.
- Kéo kích chống duỗi ra kịch tới vòng chặn trong, với lực bằng 1,5 lần lực kéo định mức 1 lần trong 3 phút.
16. Khả năng làm việc
Cột chống và kích chống sau khi hoàn thành tất cả các thử nghiệm từ khoản 1 đến khoản 15 Điều này, điều chỉnh van an toàn của cột chống và kích chống về áp suất làm việc định mức. Cấp dung dịch cho cột chống và kích chống duỗi ra hết hành trình với tốc độ (10 ± 2) mm/phút và gia tải làm cho toàn bộ hành trình co lại.
17. Hành trình piston khi chịu tải bằng 2 lần tải trọng đúng tâm
Thử nghiệm bằng phương pháp đặt tải ngoài hoặc đặt tải trong:
a) Gia tải ngoài: Dùng 0,8 lần áp suất làm việc định mức làm cho cột chống hoặc kích chống duỗi hết hành trình, gia tải ngoài 1 lần với áp suất bằng 2 lần áp suất làm việc định mức trong 3 phút, để kiểm tra độ kín.
b) Gia tải trong: Dùng 0,8 lần áp suất làm việc định mức làm cho cột chống hoặc kích chống duỗi ra đến (95 ± 3)% toàn bộ hành trình, cố định hai đầu, cấp dung dịch 1 lần bằng 2 lần áp suất làm việc định mức vào khoang áp suất, sau đó khóa khoang áp suất trong 3 phút, để kiểm tra độ kín.
Trường hợp đã thử nghiệm được quy định tại điểm 4 khoản 12 Điều này thì có thể không thực hiện hạng mục thử nghiệm này.
18. Khả năng chịu áp thân xilanh
Bịt kín hai đầu thân xilanh, dùng bơm tăng áp từ từ cho đến khi thân xilanh nổ vỡ, ghi lại áp suất nổ vỡ đó.
19. Vật liệu
a) Yêu cầu chung
Vật liệu phải được thử nghiệm cơ tính và phân tích nóng chảy. Thử nghiệm được tiến hành trên mẫu. Mẫu lấy từ chi tiết cần thử hoặc từ vật liệu. Giá trị thu được phải tương đương với các thông số của vật liệu do nhà chế tạo cung cấp, đồng thời thỏa mãn quy định tại Điều 64 Quy chuẩn này.
b) Đặc tính hàn
Đặc tính hàn đối với vật liệu thép lựa chọn phương pháp hàn liên kết, phải đảm bảo có độ bền lớn hơn vật liệu nền, chịu được điều kiện làm việc của xilanh.
c) Cơ tính
Giới hạn chảy của vật liệu hoặc σ0.2, cường độ kháng kéo và tỷ lệ dãn dài phải thử nghiệm theo quy định của TCVN 197:2002 Vật liệu kim loại - Thử kéo ở nhiệt độ thường.
d) Độ dai va đập
Thử độ dai va đập của 3 mẫu thử có rãnh hình V theo TCVN 312: 1969 Kim loại - Phương pháp xác định độ dai va đập ở nhiệt độ thường. Lấy giá trị bình quân của 3 thử nghiệm làm kết quả thử nghiệm, trong đó không có giá trị thử nghiệm nào nhỏ hơn 70% giá trị trung bình.
a) Thực hiện theo quy định tại Điều 89 và Điều 90 của Quy chuẩn này.
b) Nội dung và yêu cầu về thử nghiệm xuất xưởng và thử nghiệm kiểu dáng xem Bảng 24 của Quy chuẩn này. Mẫu xilanh thủy lực đã qua kiểm tra kiểu dáng không cung cấp lại ra thị trường để sử dụng.
Bảng 24. Nội dung kiểm tra, thử nghiệm, yêu cầu kỹ thuật
|
TT |
Nội dung kiểm tra, thử nghiệm |
Yêu cầu kỹ thuật |
Phương pháp kiểm tra, thử nghiệm |
Phân loại kiểm tra, thử nghiệm |
|
|
Xuất xưởng |
Kiểu dáng |
||||
|
1 |
Lắp ráp và bề ngoài |
Điều 49 |
Khoản 3 Điều 96 |
x |
k |
|
2 |
Cơ cấu móc, treo |
Điều 44 |
Khoản 2 Điều 96 |
k |
x |
|
3 |
Van và thiết bị an toàn |
Điều 45 |
Bản vẽ thiết kế |
x |
x |
|
4 |
Mối hàn chịu áp lực |
Điều 47 |
Khoản 1 Điều 96 |
x |
k |
|
5 |
Độ sạch |
Điều 49 |
Khoản 4 Điều 96 |
x |
k |
|
6 |
Chi tiết chính |
Điều 50 |
Khoản 5 Điều 96 |
x |
x |
|
7 |
Mạ điện |
Điều 51 |
Khoản 6 Điều 96 và phụ lục A |
x |
k |
|
8 |
Hành trình không tải |
Điều 53 |
Khoản 8 Điều 96 |
x |
x |
|
9 |
Áp suất khởi động nhỏ nhất |
Điều 54 |
Khoản 9 Điều 96 |
x |
x |
|
10 |
Độ kín khoang cần piston |
Điều 55 |
Khoản 10 Điều 96 |
x |
x |
|
11 |
Độ linh hoạt |
Điều 56 |
Khoản 11 Điều 96 |
k |
x |
|
12 |
Khả năng chịu tải đúng tâm |
Điều 57 |
Khoản 12 và khoản 17 Điều 96 |
k |
x |
|
13 |
Khả năng chịu tải lệch tâm |
Điều 58 |
Khoản 13 Điều 96 |
k |
x |
|
14 |
Độ bền |
Điều 59 |
Khoản 14 Điều 96 |
k |
x |
|
15 |
Giới hạn duỗi |
Điều 60 |
Khoản 15 Điều 96 |
k |
x |
|
16 |
Khả năng làm việc |
Điều 61 |
Khoản 16 Điều 96 |
k |
x |
|
17 |
Điểm liên kết xilanh |
Điều 62 |
Khoản 12 Điều 96 |
k |
x |
|
18 |
Khả năng chịu áp của thân xilanh |
Điều 63 |
Khoản 18 Điều 96 |
k |
x |
|
19 |
Vật liệu |
Điều 64 |
Khoản 19 Điều 96 so với thuyết minh vật liệu của nhà sản xuất |
x |
k |
|
Chú ý: "x" Có ý nghĩa là thử nghiệm ; "k" Có ý nghĩa là không thử nghiệm. |
|||||
21. Phương pháp quyết định chấp nhận chất lượng sản phẩm sau kiểm tra, thử nghiệm xuất xưởng và kiểu dáng:
a) Kiểm tra, thử nghiệm xuất xưởng
Tất cả các nội dung kiểm tra xuất xưởng quy định tại Bảng 24 của Quy chuẩn này đạt yêu cầu, quyết định là đạt chất lượng kiểm tra xuất xưởng, nếu không thì quyết định là không đạt chất lượng kiểm tra xuất xưởng.
b) Kiểm tra, thử nghiệm kiểu dáng
Tất cả các nội dung kiểm tra, thử nghiệm kiểu dáng quy định tại Bảng 24 của Quy chuẩn này đạt chất lượng, quyết định là đạt, trường hợp không đạt quyết định là không đạt.
Điều 97. Kiểm tra, thử nghiệm hệ thống thủy lực và van
1. Sự hoàn chỉnh theo thiết kế
Kiểm tra lắp ráp hệ thống điều khiển thủy lực theo bản vẽ, yêu cầu kỹ thuật thiết kế, chi tiết bộ phận phải đầy đủ, chính xác.
2. Độ kín
Hệ thống điều khiển thủy lực, phải thỏa mãn yêu cầu các nội dung của thiết kế và quy định tại Điều 67 đến Điều 82 Quy chuẩn này.
3. Chất lượng chế tạo chi tiết
Kiểm tra, thử nghiệm chất lượng chế tạo chi tiết phải căn cứ vào yêu cầu bản vẽ thiết kế và áp dụng các phương pháp sau đây:
a) Đo kích thước và dung sai hình học của các chi tiết.
b) Kiểm tra độ nhám bề mặt chi tiết và dùng vật mẫu tiêu chuẩn để so sánh.
c) Kiểm tra chất lượng bề ngoài chi tiết bằng đo và quan sát trực quan.
d) Kiểm tra độ sạch thực hiện theo quy định tại Điều 83 Quy chuẩn này.
e) Kiểm tra độ cứng chi tiết áp dụng máy đo độ cứng để kiểm tra.
4. Phương pháp kiểm tra, thử nghiệm van an toàn
Phương pháp kiểm tra, thử nghiệm van an toàn (loại van an toàn) phải phù hợp với quy định của Bảng 25 của Quy chuẩn này. Khi kiểm tra, thử nghiệm hình dáng van an toàn, áp suất làm việc là áp suất định mức.
Bảng 25: Phương pháp thử nghiệm van an toàn
|
Loại thử nghiệm |
TT |
Nội dung thử nghiệm |
Mạch thử nghiệm tra cơ bản |
Yêu cầu kỹ thuật |
Phương pháp thử nghiệm |
Ghi chú |
|
Thử nghiệm đặc tính |
1 |
Đặc tính đóng, mở tràn lưu lượng nhỏ |
Hình 29 |
Phạm vi dao động áp suất không được vượt quá 10% áp suất làm việc, phạm vi giá trị dao động áp suất lớn nhất không lớn hơn 110% áp suất làm việc; giá trị nhỏ nhất không nhỏ hơn 90% áp suất làm việc, giá trị áp suất đóng van phải lớn hơn 90% áp suất làm việc |
Điều tiết nguồn dịch, làm cho áp suất hệ thống có thể cao hơn 1,2 lần áp suất làm việc của van được thử nghiệm, lưu lượng là 0,04 lít/phút. Cài đặt áp suất của van an toàn đến áp suất làm việc (van có áp suất công tác nhỏ hơn hoặc bằng 40 MPa, sai số áp suất cài đặt thực tế là ± 1 MPa, van có áp suất công tác lớn hơn 40 MPa, sai số áp suất cài đặt thực tế là ± 2,5% áp suất công tác). Khi thử nghiệm đưa áp suất hệ thống tăng từ từ đến khi van được thử nghiệm mở ra, sau khi chảy tràn trong 3 phút, cắt dịch cấp, cho đến khi áp suất ổn định, kết thúc thử nghiệm. Vẽ đồ thị về sự thay đổi áp suất trong cả quá trình, mỗi van tiến hành 3 lần. |
Dung tích bình ổn áp 2 ÷ 5 lít |
|
Thử nghiệm đặc tính |
2 |
Đặc tính đóng mở tràn lưu lượng định mức |
Hình 29 |
1. Van có lưu lượng nhỏ hơn hoặc bằng 16 lít/phút, giá trị lớn nhất của áp suất mở tràn phải nhỏ hơn 115% áp suất làm việc, giá trị nhỏ nhất phải lớn hơn 90% áp suất làm việc. 2. Van có lưu lượng lớn hơn 16 lít/phút và nhỏ hoặc bằng 100 lít/phút, giá trị lớn nhất của áp suất mở tràn phải nhỏ hơn 120% áp suất làm việc, giá trị nhỏ nhất phải lớn hơn 90% áp suất làm việc. 3. Van có lưu lượng lớn hơn 100 lít/phút, giá trị lớn nhất của áp suất mở tràn phải nhỏ hơn 125% áp suất làm việc, giá trị nhỏ nhất phải lớn hơn 90% áp suất làm việc. |
Điều tiết nguồn dịch, làm cho áp suất hệ thống có thể cao hơn 1,5 lần áp suất làm việc của van được thử nghiệm, lưu lượng hệ thống là lưu lượng định mức của van được thử nghiệm. Khi thử nghiệm áp suất hệ thống tăng cao với độ tăng trên 120 MPa/s, làm cho van mở ra, duy trì lưu lượng định mức chảy tràn trên 0,5s, sau đó cắt thật nhanh dịch cấp, cho đến áp suất ổn định, kết thúc thử nghiệm. Vẽ đồ thị về sự thay đổi áp suất trong cả quá trình, mỗi van tiến hành 3 lần. |
Dung tích bình ổn áp 2 ÷ 5 lít |
|
Thử nghiệm độ bền |
3 |
Tuần hoàn ứng suất |
Hình 29 |
Sau khi hoàn tất thử nghiệm, thử nghiệm độ kín và thử nghiệm đặc tính đóng mở tràn lưu lượng nhỏ đạt tiêu chuẩn |
Đặt tải van được thử nghiệm, tăng áp suất từ 0 đến áp suất làm việc của van làm cho van chảy tràn, sau đó dỡ tải, tới khi áp suất về 0 là 1 lần tuần hoàn ứng suất, tiến hành 4.000 lần, van loại A tiến hành 5.000 lần |
— |
|
4 |
Chảy tràn lưu lượng nhỏ |
Hình 29 |
Sau khi hoàn tất thử nghiệm, thử nghiệm độ kín và thử nghiệm đặc tính đóng mở tràn lưu lượng nhỏ đạt tiêu chuẩn |
Đặt tải với lưu lượng 0,4 lít/phút vào van được thử nghiệm đến khi chảy tràn, chảy tràn đến 5 s là một lần, tiến hành 2.000 lần, van loại A tiến hành 6.000 lần |
|
|
|
5 |
Chảy tràn lưu lượng lớn |
Hình 29 |
Sau khi hoàn tất thử nghiệm, thử nghiệm độ kín và thử nghiệm đặc tính đóng, mở tràn lưu lượng nhỏ đạt tiêu chuẩn |
Van có lưu lượng định mức nhỏ hơn hoặc bằng 160 lít/phút, đặt tải lên van thử nghiệm bằng lưu lượng định mức đến khi van chảy tràn. Van có lưu lượng định mức lớn hơn 160 lít/phút, đặt tải đối với van thử nghiệm bằng lưu lượng 160 lít/phút đến khi chảy tràn. Thời gian chảy tràn một lần thử là 5s, khoảng thời gian dừng giữa mỗi lần thử phải lớn hơn 5s, tiến hành 200 lần, van loại A tiến hành 500 lần. |
||
|
Thử độ kín |
6 |
Độ kín |
Hình 29 |
1. Van không làm thử nghiệm độ bền, phải duy trì ổn định áp suất cao, hạ áp trong 2 giờ. 2. Van làm thử nghiệm độ bền, trước khi thử nghiệm độ bền ổn áp trong 2 phút, không được giảm áp, sau khi thử nghiệm tính năng bền ổn áp trong 4 giờ, không được giảm áp. 3. Khi kiểm tra xuất xưởng, bịt kín cao hạ áp mỗi loại tiến hành trong 2 phút, không được giảm áp. |
1. Bịt kín cao áp: Cấp dịch vào van được thử nghiệm đến 90% áp suất làm việc, cắt dịch cấp, đợi sau khi máy đo áp suất ổn định thì ghi lại giá trị áp suất đó. 2. Bịt kín hạ áp: Cấp dịch với áp suất 2 MPa vào van được thử nghiệm, cắt dịch cấp, đợi sau khi máy đo áp suất ổn định thì ghi lại giá trị áp suất đó |
1. Dung tích bình ổn áp 2 ÷ 5 lít. 2. Sự ảnh hưởng của loại bỏ nhiệt độ đến biến hóa áp suất |
|
Thử nghiệm cường độ |
7 |
Tính an toàn của áp suất xung kích |
Hình 29 |
1. Trong 25 ms, khi áp suất trước van đạt đến áp suất xung kích quy định, van được thử nghiệm phải mở ra. 2. Sau khi hoàn tất thử nghiệm, thử nghiệm độ kín và thử nghiệm đặc tính đóng mở tràn lưu lượng nhỏ đạt tiêu chuẩn. |
Làm cho áp suất trước van được thử nghiệm đạt 60 % áp suất định mức trước tiên, điều chỉnh nguồn dịch, làm cho áp suất hệ thống lớn hơn 1,5 lần áp suất định mức, đột ngột cấp dịch vào van được thử nghiệm, làm cho áp suất trước van được thử nghiệm trong 25 ms đạt đến áp suất xung kích quy định, giá trị áp suất xung kích phân biệt như sau: Van có lưu lượng định mức nhỏ hơn hoặc bằng 160 lít/phút, là 1,5 lần áp suất định mức; van có 160 lít/phút nhỏ hơn lưu lượng định mức nhỏ hơn hoặc bằng 400 lít/phút, là 1,4 lần áp suất định mức; van có 400 lít/phút nhỏ hơn lưu lượng định mức nhỏ hơn hoặc bằng 1.000 lít/phút, là 1,3 lần áp suất định mức; van có lưu lượng định mức lớn hơn 1000 lít/phút, là 1,2 lần áp suất định mức. Ghi lại đường đặc tính thời gian của van, mỗi van tiến hành 3 lần |
Dung tích bình ổn áp nhỏ hơn 2 lít |
|
Thử nghiệm cường độ |
8 |
An toàn va đập |
Hình 30 |
Đặc tính đóng mở tràn van thỏa mãn yêu cầu, sau khi hoàn tất thử nghiệm, thử nghiệm độ kín và thử nghiệm đặc tính đóng mở tràn lưu lượng nhỏ đạt yêu cầu |
Trong quá trình van an toàn chảy tràn với lưu lượng 0,04 lít/phút, dùng một khối kim loại nặng 1 kg (kích thước khoảng: 45 mm x 50 mm x 60 mm) treo trên một sợi dây dài 500 mm, lắc lên 450 sau đó tự do rơi xuống, làm cho vừa vặn va đập vào van, liên tục va đập 3 lần. |
— |
|
9 |
Cường độ |
Hình 29 |
Không rò dung dịch và hư hại chi tiết |
Điều chỉnh van thử nghiệm, làm cho van không thể chảy tràn, lại đặt tải bằng 1,5 lần áp suất định mức, ổn áp trong 3 phút. |
— |

Hình 29. Sơ đồ nguyên lý thử nghiệm van an toàn
1 - Nguồn dầu, 2 - Van đổi hướng, 3 - Van chặn, 4 - Sensor áp suất, 5 - Bình ổn áp, 6 - Van được thử nghiệm; 7 - Sensor lưu lượng.

Hình 30. Sơ đồ thử nghiệm tính năng va đập của van an toàn
5. Phương pháp thử nghiệm van một chiều điều khiển thủy lực
Phương pháp thử nghiệm van một chiều điều khiển thủy lực phải phù hợp với quy định trong Bảng 26 của Quy chuẩn này.
Bảng 26. Phương pháp thử nghiệm van một chiều điều khiển thủy lực
|
Loại thử nghiệm |
TT |
Nội dung thử nghiệm |
Mạch kiểm tra cơ bản |
Yêu cầu tính năng |
Phương pháp thử nghiệm |
Ghi chú |
|
Thử nghiệm đặc tính |
1 |
Đo áp suất mở van |
Hình 31 |
Áp suất mở van phải nhỏ hơn 1 MPa |
Điều tiết nguồn dịch l thông qua van đổi hướng 2 - 1 cấp dịch vào van được thử nghiệm 4, làm cho áp suất tăng từ từ đến khi van thử nghiệm mở ra, ghi lại giá trị áp suất cao nhất khi van thử nghiệm mở ra. Mỗi van tiến hành 3 lần. |
— |
|
2 |
Đo áp suất đóng van |
Hình 31 |
Áp suất đóng van dùng cho cột chống phải lớn hơn 90 % áp suất dịch vào, van không dùng cho cột chống theo yêu cầu thiết kế |
Điều tiết nguồn dịch 1 tới áp suất định mức của van thử nghiệm 3, thông qua van đổi hướng 2 - 1 cấp dịch vào van thử nghiệm 3. Sau khi van an toàn ngừng chảy, sensor đo áp suất 5 - 1 ổn định, nhanh chóng cắt dịch cấp, áp suất đầu vào van được thử nghiệm hạ về 0, ghi lại giá trị áp suất đo được sau khi máy đo áp suất 5 - 1 ổn định, mỗi van tiến hành 3 lần. |
Dung tích bình ổn áp 2 ÷ 5 lít |
|
|
3 |
Đo lường áp suất điều khiển |
Hình 31 |
1. Ở tình trạng thông thường áp suất điều khiển phải là (30 ÷ 65) % áp suất định mức của bơm. 2. Ở tình trạng đặc biệt theo yêu cầu của thiết kế |
Điều tiết nguồn dịch 1 - 2 với áp suất là áp suất định mức của van được thử nghiệm 3, cấp dịch ngược hướng vào van được thử nghiệm, sau khi sensor đo áp suất 5 - 1 ổn định cắt dịch cấp. Điều tiết nguồn dịch 1 - 1, thông qua van đổi hướng 2 - 2 cấp dịch vào cửa điều khiển thủy lực của van được thử nghiệm 3, áp suất tăng dần đến khi van được thử nghiệm dỡ tải, ghi lại giá trị áp suất ở sensor đo áp suất 5 - 3 trong giây lát khi van được thử nghiệm dỡ tải. Mỗi van tiến hành 3 lần. |
— |
|
|
4 |
An toàn của van khi bị dội áp suất trở lại |
Hình 31 |
Giá trị áp suất hạ xuống ở máy đo áp suất 5 - 1 phải nhỏ hơn 2% áp suất duy trì |
Điều tiết áp suất tới 15 MPa tại nguồn dịch 1 - 2, cấp dịch ngược hướng vào van thử nghiệm 3, sau khi đồng hồ đo áp suất 5 -1 ổn định thì cắt dịch cấp. Điều tiết nguồn dịch 1 - 1, thông qua van đổi hướng 2 - 1, 2 - 2 đồng thời cấp dịch vào cửa cấp dịch và cửa điều khiển thủy lực, áp suất từ từ tăng đến 8 MPa, duy trì trong 3 phút. Mỗi van tiến hành 3 lần |
— |
|
|
5 |
Đặc tính lưu lượng áp suất |
Hình 31 |
1. Van có lưu lượng định mức nhỏ hơn hoặc bằng 125 lít/phút, tổn thất áp suất cấp hồi dịch phải nhỏ hơn 5 MPa. 2. Van có 125 lít/phút nhỏ hơn lưu lượng định mức nhỏ hơn hoặc bằng 250 lít/phút, tổn thất áp suất cấp hồi dịch phải nhỏ hơn 6 MPa. 3. Van có lưu lượng định mức lớn hơn 250 lít/phút, tổn thất áp suất cấp hồi dịch phải nhỏ hơn 7 MPa. |
1. Đo lường tổn thất áp suất cấp dịch: Điều tiết nguồn dịch 1, thông qua van đổi hướng 2 - 1 cấp dịch vào van được thử nghiệm 4, làm cho phạm vi biến hóa lưu lượng thông qua van được thử nghiệm 4 bao gồm cả lưu lượng định mức của van đó. Lợi dụng sensor đo độ lệch áp đo được sự tổn thất áp suất tương ứng với các lưu lượng khác nhau, vẽ ra đường đặc tính lưu lượng áp suất. 2. Đo lường tổn thất áp suất hồi dịch: Điều tiết nguồn dịch 1, thông qua van đổi hướng 2 - 2 cấp dịch vào cửa điều khiển thủy lực của van được thử nghiệm 4, làm cho van được thử nghiệm 4 mở ra đồng thời duy trì trạng thái mở ra đó; lại thông qua van đổi hướng 2 - 3 cấp dịch ngược hướng vào van được thử nghiệm 4 làm cho phạm vi biến hóa lưu lượng được thông qua van được thử nghiệm 4 bao gồm cả lưu lượng định mức của van đó. Lợi dụng máy đo độ lệch áp đo được sự tổn thất áp suất tương ứng với các lưu lượng khác nhau, vẽ ra đường đặc tính lưu lượng áp suất. |
Khi không có điều kiện thực hiện biến hóa lưu lượng, cho phép dùng phương thức tìm điểm để vẽ lên đường đặc tính hoặc đo được giá trị tổn thất áp suất dưới lưu lượng định mức |
|
|
6 |
Áp suất xung kích |
Hình 32 |
Giá trị áp suất xung kích lớn nhất trong quá trình dỡ tải phải nhỏ hơn 115% áp suất định mức, vẽ ra đường xung kích thủy lực, thời gian dỡ tải không được lớn hơn 2 s. |
Điều tiết nguồn dịch 1 - 2 với áp suất là áp suất định mức của van được thử nghiệm 3. Sau khi sensor đo áp suất 4 - 2 đạt đến giá trị quy định đồng thời ổn định, cắt dịch cấp. Sau đó, điều tiết nguồn dịch 1 - 1 áp suất bằng 31.5 MPa, nhanh chóng thao tác van đổi hướng 2, làm cho van được thử nghiệm 3 dỡ tải phóng dung dịch cao áp khoang bịt kín. Dùng sensor áp suất, máy hiện sóng ghi lại đường xung kích thủy lực. Mỗi van tiến hành 3 lần. |
Đường kính trong của xilanh định lượng là 280 mm, tổng hành trình là (800 ÷ 1000) mm. Độ dài piston duỗi ra ngoài bằng 2/3 tổng hành trình xilanh. Liên kết giữa xilanh và van được thử nghiệm là liên kết bằng thép, đường kính trong của đường ống và chi tiết liên kết phải đồng nhất, độ dài là (1 ÷ 2) m |
|
|
Thử nghiệm độ bền |
7 |
Độ bền |
Hình 32 |
Sau khi thử nghiệm, thử nghiệm độ kín đạt tiêu chuẩn. |
Điều tiết nguồn dịch 1 - 1 áp suất là áp suất định mức của bơm, lưu lượng là lưu lượng định mức của van được thử nghiệm 3, cấp dịch vào van được thử nghiệm 3, piston của xilanh định lượng 5 nâng lên, sau khi lưu lượng thông qua đạt 3 lít, piston đến vị trí giới hạn, sensor đo áp suất 4 -2 đạt đến giá trị áp suất và ổn định, dừng cấp dịch, làm cho van đóng lại. Lại cấp dịch ngược hướng vào van được thử nghiệm 3 từ nguồn dịch 1 - 2, sau khi sensor đo áp suất 4 - 2 đạt đến áp suất định mức của van được thử nghiệm 3 thì cắt nguồn dịch, lại làm cho van được thử nghiệm 3 dỡ tải đồng thời cấp dịch vào khoang trên của xilanh định lượng 5, dung dịch khoang dưới thông qua van được thử nghiệm 3 ngược hướng chảy ra, lượng dịch chảy qua đó là 3 lít. Quá trình trên đây là một lần tuần hoàn công tác, tiến hành 15.000 lần tuần hoàn công tác, van loại A tiến hành 30.000 lần tuần hoàn công tác |
— |
|
Thử nghiệm độ kín |
8 |
Độ kín |
Hình 31 |
1. Van không làm thử nghiệm độ bền, độ kín cao hạ áp ổn áp trong 2 giờ, không được có giảm áp. 2. Van làm thử nghiệm độ bền, trước khi thử nghiệm độ bền ổn áp trong 2 phút, không được có giảm áp, sau khi thử nghiệm độ bền ổn áp trong 4 giờ, không được có giảm áp. 3. Khi kiểm tra xuất xưởng, độ kín cao hạ áp mỗi loại tiến hành trong 2 phút, không được có giảm áp. |
1. Độ kín cao áp: Điều tiết nguồn dịch 1 - 2, cấp dịch ngược hướng vào van được thử nghiệm 3, làm cho áp suất từ từ tăng cao đến áp suất định mức của van được thử nghiệm 3, đợi sau khi máy đo áp suất 5 -1 ổn định thì cắt dịch cấp, ghi lại giá trị áp suất. 2. Độ kín hạ áp: Cấp dịch ngược hướng vào van được thử nghiệm 3 đến áp suất 2,5 MPa, đợi sau khi máy đo áp suất 5 -1 ổn định thì cắt dịch cấp, ghi lại giá trị áp suất. |
1. Dung tích bình ổn áp 2 ÷ 5 lít; 2. Sự ảnh hưởng của loại bỏ nhiệt độ đến biến hóa áp suất |
|
Thử nghiệm cường độ |
9 |
Cường độ |
Hình 31 |
Không có rò dịch và hư hại chi tiết. |
Đặt tải bằng 1,5 lần áp suất định mức đối với van được thử nghiệm 3, ổn định áp trong 3 phút. |
— |

Hình 31. Sơ đồ nguyên lý thử nghiệm van một chiều điều khiển thủy lực
1 - Nguồn dịch; 2 - 1, 2 - 2, 2 - 3 - Van đổi hướng; 3 - 1, 3 - 2 - Đồng hồ đo áp suất (sensor áp suất); 4 - Van được thử nghiệm; 5 - Đồng hồ đo lưu lượng (sensor lưu lượng).

Hình 32. Sơ đồ nguyên lý thử nghiệm van một chiều điều khiển thủy lực
1-1, 1-2 - Nguồn dịch; 2-2 - Van đổi hướng; 3 - Van được thử nghiệm; 4 - Bình ổn áp; 2-1, 5-1, 5-2, 5-3 - Đồng hồ đo áp suất (sensor áp suất); 6-1, 6-2 - Van chặn.

Hình 33. Sơ đồ nguyên lý thử nghiệm van một chiều điều khiển thủy lực
1-1, 1-2 - Nguồn dịch; 2 - Van đổi hướng; 3 - Van được thử nghiệm; 4-1, 4-2 - Đồng hồ đo áp suất (sensor áp suất); 5 - Xilanh định lượng; 6 - Van đổi hướng.
6. Phương pháp thử nghiệm van đổi hướng
Phương pháp thử nghiệm Van đổi hướng (loại Van đổi hướng) phải phù hợp với quy định trong Bảng 27 của Quy chuẩn này.
Bảng 27. Phương pháp thử nghiệm Van đổi hướng
|
Loại thử nghiệm |
TT |
Nội dung thử nghiệm |
Mạch thử nghiệm cơ bản |
Yêu cầu kỹ thuật |
Phương pháp thử nghiệm |
Ghi chú |
|
Thử nghiệm đặc tính |
1 |
Khả năng đổi hướng |
Hình 34 |
Động tác linh hoạt, không có hiện tượng kẹt ứ đọng, đổi hướng chuẩn xác (có yêu cầu tự khóa phải có thể tự khóa), áp suất xung kích trong quá trình đổi hướng không vượt quá 150% áp suất định mức. |
Điều tiết nguồn dịch 1 với lưu lượng định mức của van thử nghiệm, với áp suất phân biệt là 10 MPa và áp suất định mức của van thử nghiệm cấp dịch vào van thử nghiệm 3. Cho van thử nghiệm đổi hướng, sau khi xilanh định lượng di chuyển đến vị trí giới hạn, làm 2 lần với cửa công tác này; dùng phương pháp đồng dạng thử nghiệm đổi hướng với cửa công tác còn lại. Quan sát và ghi lại tác động của van được thử nghiệm có linh hoạt hay không và áp suất xung kích khi đóng mở van. Làm 3 lần thử nghiệm với áp suất 10 MPa và áp suất định mức đối với mỗi cửa công tác của van được thử nghiệm. |
Dung tích xilanh định lượng 2 ÷ 5 lít |
|
|
2 |
Đo lường lực thao tác (điều khiển thủy lực, điện áp khởi động) |
Hình 34 |
1. Lực thao tác phải ở khoảng (10 ÷ 130) N. 2. Áp suất điều khiển của Van đổi hướng điều khiển thủy lực phải thỏa mãn yêu cầu thiết kế. 3. Điện áp khởi động của van đổi hướng điều khiển điện phải thỏa mãn yêu cầu thiết kế. |
Điều tiết nguồn dịch 1 với áp suất và lưu lượng là áp suất định mức và lưu lượng định mức của van được thử nghiệm, cấp dịch vào van được điều khiển. Thông qua máy đo lực thao tác đổi hướng van được thử nghiệm, ghi lại số chỉ của máy đo lực. Đối với van đổi hướng điều khiển thủy lực, thì ghi lại áp suất điều khiển tại cửa dịch điều khiển trong thời gian van đổi hướng, van đổi hướng điều khiển điện thì ghi lại điện áp điều khiển trong thời gian van đổi hướng, mỗi van tiến hành đo lường 3 lần. |
— |
|
Thử nghiệm đặc tính |
3 |
Đặc tính lưu lượng áp suất |
Hình 35 |
1. Van có lưu lượng định mức nhỏ hơn hoặc bằng 125 lít/phút, tổn thất áp suất cấp hồi dịch phải nhỏ hơn 5 MPa. 2. Van có 125 lít/phút nhỏ hơn lưu lượng định mức nhỏ hơn hoặc bằng 250 lít/phút, tổn thất áp suất cấp hồi dịch phải nhỏ hơn 6 MPa. 3. Van có lưu lượng định mức lớn hơn 250 lít/phút, tổn thất áp suất cấp hồi dịch phải nhỏ hơn 7 MPa. |
Mở van chặn 6 - 2, đong van chặn 6 - 1, điều tiết nguồn dịch 1, làm cho phạm vi biến hóa lưu lượng thông qua van được thử nghiệm 3 bao gồm cả lưu lượng định mức của van được thử nghiệm 3. Lợi dụng máy đo độ lệch áp đo được tổn thất áp suất tương ứng với các lưu lượng khác nhau, phân biệt vẽ ra đường đặc tính lưu lượng áp suất khi cấp dịch và hồi dịch |
Khi không có điều kiện thực hiện biến hóa lưu lượng, cho phép dùng phương thức tìm điểm để vẽ lên đường đặc tính hoặc đo được giá trị tổn thất áp suất dưới lưu lượng định mức |
|
|
4 |
Tính an toàn Áp suất trở lại |
Hình 36 |
Áp suất ở máy đo áp suất 2 - 1 không được có hạ áp |
1. Van được thử nghiệm 3 ở vào vị trí trung gian, điều tiết nguồn dịch 1 cấp dịch với áp suất 15 MPa vào van được thử nghiệm 3, sau đó điều tiết nguồn dịch 4 cấp dịch với áp suất 6 MPa vào van được thử nghiệm 3, duy trì trong 3 phút. Mỗi van tiến hành 3 lần. 2. Van được thử nghiệm 3 ở vào vị trí trung gian, điều tiết nguồn dịch 1 cấp dịch với áp suất định mức vào van được thử nghiệm 3, sau đó điều tiết nguồn dịch 4 cấp dịch với áp suất 6 MPa vào van được thử nghiệm 3, duy trì trong 3 phút. Mỗi van tiến hành 3 lần. |
— |
|
Thử nghiệm độ bền |
5 |
Độ bền |
Hình 33 |
Sau khi thử nghiệm, thử độ kín đạt tiêu chuẩn |
Điều tiết nguồn dịch 1 để cấp dịch vào van được thử nghiệm 3 với lưu lượng định mức và áp suất định mức của van đó, dung tích xilanh định lượng là 3 lít, van được thử nghiệm 3 đổi hướng sang vị trí công tác, sau khi thông qua 3 lít dịch thể, máy đo áp suất 2 -3 đạt đến áp suất định mức, điều khiển van được thử nghiệm 3 trở về vị trí trung gian đồng thời đổi hướng sang vị trí công tác khác, sau khi thông qua 3 lít dịch thể, máy đo áp suất 2 - 4 đạt đến áp suất định mức, điều khiển van được thử nghiệm 3 trở về vị trí trung gian. Trên đây là một lần tuần hoàn công tác, tiến hành tuần hoàn công tác 15.000 lần, với van loại A tiến hành tuần hoàn công tác 30.000 lần |
— |
|
Thử độ kín |
6 |
Độ kín |
Hình 34 |
1. Van không làm thử nghiệm độ bền, khi thử độ kín tại vị trí trung gian và vị trí công tác áp suất hạ xuống không được vượt quá 2%. 2. Van đã làm xong thử nghiệm độ bền, khi thử nghiệm độ kín tại vị trí trung gian và vị trí công tác cho phép có xuống áp, trong 5 phút áp suất hạ xuống không vượt quá 3%. |
1. Van được thử nghiệm ở vào vị trí trung gian, điều tiết nguồn dịch 1 cấp dịch vào van được thử nghiệm, áp suất phân biệt từ từ tăng lên đến áp suất định mức của van được thử nghiệm 3 và 6MPa, các cửa lưu thông dịch khác mở rộng, duy trì áp suất trong 2 phút, ghi lại giá trị áp suất. 2. Bịt kín cửa công tác, lợi dụng lực thao tác (điều khiển áp suất, điện năng độc lập) làm cho van được thử nghiệm 3 ở vào bất kỳ vị trí công tác nào, duy trì trạng thái đó, điều tiết nguồn dịch 1 cấp dịch vào van được thử nghiệm 3, áp suất phân biệt từ từ tăng lên đến áp suất định mức của van được thử nghiệm 3 và 10 MPa, các cửa lưu thông dịch khác mở rộng, duy trì áp suất trong 2 phút, ghi lại giá trị áp suất. |
Dung tích bình ổn áp 2 ÷ 5 lít |
|
Thử nghiệm cường độ |
7 |
Cường độ |
Hình 34 |
Các cửa lưu thông dịch không được rò dịch, chi tiết van không được hư hại |
Dùng phương pháp 1,2 của thử nghiệm bịt kín. Áp suất cấp dịch là 1,5 lần áp suất định mức của van được thử nghiệm, ổn định áp trong 3 phút. |
— |

Hình 34. Sơ đồ nguyên lý thử nghiệm khả năng đổi hướng của van đổi hướng
1 - Nguồn dịch; 2-1, 2-2, 2-3, 2-4 - Đồng hồ đo áp suất (sensor áp suất); 3 - Van được thử nghiệm; 4 - Van hồi áp; 5 - Xilanh định lượng (dung tích là 3 lít).

Hình 35. Sơ đồ nguyên lý thử nghiệm đặc tính lưu lượng áp suất của van đổi hướng
1 - Nguồn dịch; 2-1, 2-2, 2-3, 2-4 - Đồng hồ đo áp suất (sensor áp suất); 3 - Van được thử nghiệm; 4 - Máy đo lưu lượng (sensor lưu lượng); 5 - Van an toàn; 6-1, 6-2 - Van chặn; 7 - Bình ổn áp.

Hình 36: Sơ đồ nguyên lý thử nghiệm an toàn của van khi bị dội áp suất trở lại trở lại của van đổi hướng
1, 4 - Nguồn dịch; 2-1, 2-2 - Đồng hồ đo áp suất (sensor áp suất); 3 - Van được thử nghiệm; 5, 6 - Bình ổn áp.
7. Phương pháp thử nghiệm van chặn
Phương pháp thử nghiệm Van chặn (loại Van chặn) phải phù hợp với quy định trong Bảng 28 của Quy chuẩn này.
Bảng 28. Phương pháp thử nghiệm van chặn
|
Loại thử nghiệm |
TT |
Hạng mục thử nghiệm |
Mạch thử nghiệm cơ bản |
Yêu cầu kỹ thuật |
Phương pháp thử nghiệm |
Ghi chú |
|
Thử nghiệm đặc tính |
1 |
Đóng mở |
Hình 37 |
Linh hoạt, không ứ kẹt. |
Thao tác bằng tay đóng mở van được thử nghiệm mỗi loại 3 lần. |
|
|
2 |
Mô men thao tác |
Hình 37 |
1. Van được thử nghiệm có đường kính thông qua nhỏ hơn hoặc bằng 25 mm Mô men thao tác phải nhỏ hơn 30 N.m; van được thử nghiệm có đường kính thông qua lớn hơn 25 mm Mô men thao tác phải nhỏ hơn hoặc bằng 30N.m. 2. Áp suất điều khiển là (30 ÷ 66)% áp suất định mức của van được thử nghiệm. |
Cấp dịch vào van được thử nghiệm với lưu lượng định mức và áp suất định mức của van được thử nghiệm đó, dùng máy đo lực phân biệt đo được mô men lực thao tác khi van được thử nghiệm mở ra và đóng vào (đối với van chặn điều khiển thủy lực thì ghi lại áp suất điều khiển tại cửa điều khiển thủy lực khi van mở). Mỗi van tiến hành 3 lần. |
— |
|
|
Thử nghiệm đặc tính |
3 |
Đặc tính lưu lượng áp suất |
Hình 37 |
1. Van có lưu lượng định mức nhỏ hơn hoặc bằng 125 lít/phút, tổn thất áp suất phải nhỏ hơn hoặc bằng 1 MPa. 2. Van có 125 lít/phút nhỏ hơn lưu lượng định mức nhỏ hơn hoặc bằng 250 lít/phút, tổn thất áp suất phải nhỏ hơn hoặc bằng 2 MPa. 3. Van có lưu lượng định mức lớn hơn 250 lít/phút, tổn thất áp suất phải nhỏ hơn hoặc bằng 3MPa. |
Điều tiết nguồn dịch, làm cho lưu lượng phạm vi biến hóa lưu lượng của nó thông qua van được thử nghiệm. Đo được tổn thất áp suất tương ứng với các lưu lượng khác nhau. Vẽ ra đường đặc tính lưu lượng áp suất. |
Khi không có điều kiện thực hiện biến hóa lưu lượng, cho phép dùng phương thức tìm điểm để vẽ lên đường đặc tính hoặc đo được giá trị tổn thất áp suất dưới lưu lượng định mức. |
|
Thử nghiệm độ bền |
4 |
Độ bền |
Hình 37 |
Sau khi thử nghiệm, thử nghiệm độ kín đạt tiêu chuẩn. |
Cấp dịch vào van được thử nghiệm với lưu lượng định mức và áp suất định mức của van được thử nghiệm đó. Lấy mở van, đóng van là một lần tuần hoàn công tác, thời gian cấp dịch mỗi lần mở van là 5s, tiến hành tuần hoàn công tác 1.500 lần. |
— |
|
Thử nghiệm độ kín |
5 |
Độ kín |
Hình 37 |
1) Van không làm thử nghiệm độ bền, không được dò dung dịch. 2) Van đã làm xong thử nghiệm độ bền, duy trì áp suất trong 5 lượng rò dịch phải nhỏ hơn hoặc bằng 20 ml. 3) Khi kiểm tra xuất xưởng không được có rò dịch. |
1) Đóng van được thử nghiệm 3 mở van chặn 6, điều tiết nguồn dịch, cấp dịch vào van được thử nghiệm phân biệt với áp suất 2 MPa và áp suất định mức của van được thử nghiệm, liên tục cấp dịch trong 2 phút. 2) Mở van được thử nghiệm 3 đóng van chặn 6, điều tiết nguồn dịch, cấp dịch vào van được thử nghiệm phân biệt với áp suất 2 MPa và áp suất định mức của van được thử nghiệm, liên tục cấp dịch trong 2 phút. |
— |
|
Thử nghiệm cường độ |
6 |
Cường độ |
Hình 37 |
Không rò dung dịch và hư hại chi tiết. |
Cấp dịch vào van được thử nghiệm với áp suất là 1,5 lần áp suất định mức của van được thử nghiệm, ổ định áp trong 3 phút. Hạng mục thử nghiệm này tiến hành trước thử nghiệm tính năng bền. |
— |

Hình 37. Sơ đồ nguyên lý thử nghiệm van chặn
1 - Nguồn dịch; 2-1, 2-2 - Đồng hồ đo áp suất (sensor áp suất); 3 - Van được thử nghiệm; 4 - Đồng hồ đo lưu lượng (sensor lưu lượng); 5 - Bình ổn áp; 6 - Van chặn.
8. Phương pháp thử nghiệm các loại van khác
Thử nghiệm các loại van khác có kết cấu tương tự hoặc đặc tính tương tự như van an toàn, van một chiều điều khiển thủy lực, van đổi hướng hoặc van chặn, thực hiện theo quy định tại khoản 3 đến khoản 7 Điều này.
9. Quy tắc kiểm tra, thử nghiệm
a) Nội dung kiểm tra, thử nghiệm
Nội dung và yêu cầu về kiểm tra xuất xưởng và kiểm tra kiểu dáng xem Bảng 29 của Quy chuẩn này. Mẫu van đã qua kiểm tra kiểu dáng không cung cấp lại ra thị trường.
Bảng 29. Nội dung và yêu cầu kiểm tra, thử nghiệm
|
TT |
Chủng loại |
Nội kiểm tra, thử nghiệm |
Yêu cầu kỹ thuật |
Phương pháp kiểm tra, thử nghiệm |
Kiểm tra, thử nghiệm xuất xưởng |
Kiểm tra, thử nghiệm kiểu dáng |
|
|
1 |
Hệ thống điều khiển thủy lực |
1 |
Tính hoàn chỉnh |
Điều 66 |
Khoản 1 Điều 97 |
x |
k |
|
2 |
Tính năng |
Điều 76 đến Điều 82 |
Khoản 1 Điều 97 |
x |
k |
||
|
2 |
Chất lượng chế tạo chi tiết |
1 |
Độ nhám |
Khoản 5 và khoản 6 Điều 83 |
Khoản 3 Điều 97 |
x |
k |
|
2 |
Dung sai kích thước và vị trí |
Khoản 5 và khoản 6 Điều 83 |
x |
k |
|||
|
3 |
Độ cứng |
Khoản 21 Điều 83 |
x |
k |
|||
|
3 |
Loại Van an toàn |
1 |
Chất lượng bề ngoài |
Khoản 20 Điều 83 |
Khoản 4 Điều 97 |
x |
x |
|
2 |
Độ sạch |
Khoản 20 Điều 83 |
x |
k |
|||
|
3 |
Khả năng đóng mở tràn lưu lượng nhỏ |
Khoản 3 và khoản 4 Điều 84 |
x không vẽ đường đặc tính |
x |
|||
|
4 |
Khả năng đóng mở tràn lưu lượng định mức |
Khoản 7 Điều 84 |
x |
x |
|||
|
5 |
Tuần hoàn ứng suất |
Khoản 9 Điều 84 |
k |
x |
|||
|
6 |
Độ bền chảy tràn lưu lượng nhỏ |
Khoản 9 Điều 84 |
k |
x |
|||
|
7 |
Độ bền chảy tràn lưu lượng định mức |
Khoản 9 Điều 84 |
k |
x |
|||
|
8 |
Độ kín |
Khoản 1 Điều 84 |
x |
x |
|||
|
9 |
Chịu áp suất xung kích |
Khoản 5 Điều 84 |
x |
x |
|||
|
10 |
Chịu va đập |
Khoản 10 Điều 84 |
x |
x |
|||
|
11 |
Cường độ |
Khoản 6 Điều 84 |
x |
x |
|||
|
4 |
Loại van một chiều điều khiển thủy lực |
1 |
Chất lượng bề ngoài |
Khoản 19 Điều 83 |
Khoản 1 Điều 97 |
x |
x |
|
2 |
Độ sạch |
Khoản 20 Điều 83 |
x |
k |
|||
|
3 |
Áp suất mở van |
Khoản 5 Điều 85 |
Khoản 5 Điều 97 |
x |
x |
||
|
4 |
Áp suất đóng van |
Khoản 6 Điều 85 |
x |
x |
|||
|
5 |
Áp suất điều khiển |
Khoản 8 Điều 85 |
x |
x |
|||
|
6 |
An toàn của van khi bị dội áp suất trở lại |
Khoản 7 Điều 85 |
x |
x |
|||
|
7 |
Đặc tính lưu lượng áp suất |
Khoản 4 Điều 85 |
x |
x |
|||
|
8 |
Áp suất xung kích |
Khoản 3 Điều 85 |
k |
x |
|||
|
9 |
Độ bền |
Khoản 9 Điều 85 |
x |
x |
|||
|
10 |
Độ kín |
Khoản 1 Điều 85 |
x |
x |
|||
|
11 |
Cường độ |
Khoản 2 Điều 85 |
x |
x |
|||
|
5 |
Loại van đổi hướng |
1 |
Chất lượng bề ngoài |
Khoản 19 Điều 83 |
Khoản 1 Điều 97 |
x |
x |
|
2 |
Độ sạch |
Khoản 20 Điều 83 |
x |
k |
|||
|
3 |
Khả năng đổi hướng |
Khoản 1 Điều 86 |
Khoản 6 Điều 97 |
x |
x |
||
|
4 |
Mô men thao tác (áp suất điều khiển, áp suất khởi động) |
Khoản 2 Điều 86 |
x |
x |
|||
|
5 |
An toàn của van khi bị dội áp suất trở lại |
Khoản 6 Điều 86 |
x |
x |
|||
|
6 |
Đặc tính lưu lượng áp suất |
Khoản 5 Điều 86 |
k |
x |
|||
|
7 |
Độ bền |
Khoản 7 Điều 86 |
k |
x |
|||
|
8 |
Độ kín |
Khoản 3 Điều 86 |
x |
x |
|||
|
9 |
Cường độ |
Khoản 4 Điều 86 |
x |
x |
|||
|
6 |
Loại van chặn |
1 |
Chất lượng bề ngoài |
Khoản 19 Điều 83 |
Khoản 1 Điều 97 |
x |
x |
|
2 |
Độ sạch |
Khoản 20 Điều 83 |
x |
k |
|||
|
3 |
Đóng mở van |
Khoản 1 Điều 87 |
Khoản 7 Điều 97 |
x |
x |
||
|
4 |
Mô men thao tác (áp suất điều khiển) |
Khoản 2 Điều 87 |
x |
x |
|||
|
5 |
Đặc tính lưu lượng áp suất |
Khoản 5 Điều 87 |
k |
x |
|||
|
6 |
Độ bền |
Khoản 6 Điều 87 |
k |
x |
|||
|
7 |
Độ kín |
Khoản 3 Điều 87 |
x |
x |
|||
|
8 |
Cường độ |
Khoản 4 Điều 87 |
x |
x |
|||
|
Chú ý: "x" Có ý nghĩa là kiểm tra ; "k" Có ý nghĩa là không kiểm tra. |
|||||||
b) Phương pháp quyết định chấp nhận chất lượng sản phẩm sau kiểm tra, thử nghiệm xuất xưởng và kiểu dáng:
- Các nội dung kiểm tra xuất xưởng quy định trong Bảng 29 của Quy chuẩn này đạt yêu cầu, quyết định là sản đạt yêu cầu kiểm tra chất lượng xuất xưởng, nếu không đạt, quyết định là không đạt yêu cầu chất lượng xuất xưởng.
- Các nội dung kiểm tra hình dáng quy định trong Bảng 29 của Quy chuẩn này đạt yêu cầu, quyết định là sản phẩm kiểm tra hình dáng đạt yêu cầu, nếu không thì quyết định là không đạt yêu cầu về kiểm tra hình dáng.
Điều 98. Quy định về kiểm định vì chống thủy lực trước khi đưa vào hầm lò sử dụng và trong quá trình sử dụng trong hầm lò
1. Kiểm định vì chống thủy lực trước khi đưa vào hầm lò sử dụng
1.1. Kiểm tra xuất xứ, sự phù hợp với tiêu chuẩn, quy chuẩn.
1.2. Kiểm định đặc tính kỹ thuật và độ tin cậy làm việc của vì chống thủy lực:
a) Đối với lô hàng mới nhập, lấy 5% số lượng của mỗi loại (cột chống, xà đỡ, mái đỡ, tấm chặn, xà tiến gương, các loại van, đường ống thủy lực) trong lô hàng mới nhập để kiểm định. Trong số đó, nếu loại nào có số lượng là 01 không đạt yêu cầu về kỹ thuật an toàn thì lấy tiếp 5% trong số lượng còn lại của loại đó để kiểm định. Nếu trong số đó vẫn còn số lượng là 01 không đảm bảo yêu cầu thì kết luận toàn bộ số hàng mới nhập không đạt yêu cầu an toàn.
b) Vì chống thủy lực sau sửa chữa phải kiểm định 100%.
c) Vì chống thủy lực khi lưu kho:
- Vì chống thủy lực được bảo quản trên 01 năm, trước khi sử dụng phải kiểm định lại độ kín thủy lực toàn bộ số hàng.
- Vì chống thủy lực để trong kho quá 3 tháng nhưng chưa quá 1 năm trước khi sử dụng phải kiểm định độ kín thủy lực không ít hơn 2% số lượng sử dụng. Nếu loại nào có số lượng là 01 vì chống không đảm bảo yêu cầu chất lượng thì phải tăng gấp đôi tỷ lệ cần kiểm định. Nếu tiếp tục phát hiện có số lượng là 01 vì chống không đảm bảo thì phải tiến hành kiểm định toàn bộ số hàng. Vì chống nào không đảm bảo phải đưa vào sửa chữa.
1.3. Kiểm định định kỳ vì chống thủy lực đang sử dụng trong mỏ hầm lò
a) Vì chống thủy lực đang sử dụng trong mỏ hầm lò thực hiện kiểm định 01 lần/01 năm. Trường hợp vì chống thủy lực đang chống lò không thể đưa ra ngoài kiểm định được thì sau khi kết thúc chống phải đưa ra ngoài kiểm định.
b) Trường hợp nhà chế tạo hoặc yêu cầu của cơ sở về thời hạn kiểm định ngắn hơn thì thực hiện theo đề nghị của nhà chế tạo hoặc cơ sở.
c) Khi rút ngắn thời hạn kiểm định, kiểm định viên phải nêu rõ lý do trong biên bản kiểm định.
d) Khi thời hạn kiểm định được quy định trong các quy chuẩn kỹ thuật quốc gia thì thực hiện theo quy định của quy chuẩn đó.
2. Quy định về số lần đặt tải thử nghiệm vì chống thủy lực khi kiểm định
Số lần đặt tải thử nghiệm vì chống thủy lực được quy định tại Điều 95 và Điều 96 của Quy chuẩn này không áp dụng khi kiểm định vì chống thủy lực trước khi đưa vào hầm lò hoạt động. Trong trường hợp này chỉ thực hiện một lần đặt tải.
3. Vì chống thủy lực chỉ được kết luận đạt yêu cầu khi có các thông số kỹ thuật an toàn đạt yêu cầu thiết kế và sau khi đạt các nội dung kiểm định theo quy định tại Quy chuẩn này.
Điều 99. Quy định về kiểm tra vì chống thủy lực đang sử dụng trong hầm lò
Các vì chống thủy lực đang chống lò phải thường xuyên kiểm tra áp lực đầu cột chống để bổ sung dung dịch thủy lực và quan sát để phát hiện và khắc phục các biểu hiện không an toàn.
Chương IV
QUY ĐỊNH QUẢN LÝ, SỬ DỤNG VÌ CHỐNG THỦY LỰC
Điều 100. Quản lý chất lượng an toàn vì chống thủ lực
1. Vì chống thủy lực nhập khẩu và sản xuất trong nước phải có thông số kỹ thuật an toàn không thấp hơn quy định tại Quy chuẩn này.
2. Vì chống thủy lực trước khi đưa vào mỏ hầm lò sử dụng phải được kiểm định theo quy định tại Điều 98 Quy chuẩn này.
3. Vì chống thủy lực phải:
a) Ghi nhãn phải theo quy định tại Điều 10 của Quy chuẩn này. Nhãn mác phải được đúc nổi hoặc dập chìm trên các chi tiết tại các vị trí vững chắc, dễ nhìn thấy, không có khả năng bong tróc khi vì chống thủy lực làm việc trong hầm lò.
b) Ghi rõ loại A hoặc loại B (Giàn chống thủy lực loại A là giàn chống thủy lực dùng cho diện công tác có sản lượng trên 5 triệu tấn/năm hoặc theo yêu cầu của người sử dụng. Giàn loại chống thủy lực loại B là các giàn chống thủy lực khác ngoài loại A và giàn chống hạ trần thu hồi than nóc).
c) Thông số kỹ thuật cơ bản: Lực chống định mức, chiều cao chống, kích thước (dài, rộng, cao), khối lượng từng bộ phận và toàn bộ, số xuất xưởng.
d) Ký hiệu chỉ dẫn lắp ráp của từng bộ phận chính tương ứng với giàn chống đó.
e) Có giấy chứng nhận hợp quy.
Điều 101. Đóng gói, vận chuyển, lưu trữ và bảo quản
1. Đóng gói:
a) Chỉ được đóng gói các sản phẩm đã đạt chất lượng và kiểu dáng.
b) Trước khi đóng gói: Các đầu để lắp ghép mở phải được làm kín; giàn chống hạ xuống độ cao thấp nhất; piston thủy lực phải co lại hết hành trình; các đường ống phải được giữ chặt gọn gàng, không được dồn nén, tránh hư hại; phải tiến hành xử lý chống gỉ đối với hệ thống thủy lực, các chi tiết thủy lực và các chi tiết có thể han gỉ của giàn chống và cột chống.
c) Khi có yêu cầu đặc biệt về đóng gói sản phẩm giàn chống, phải đóng gói theo yêu cầu.
d) Phụ kiện đi kèm, chi tiết chóng hỏng phải đóng thùng (hoặc đóng túi). Đối với các chi tiết không thể đóng thùng (hoặc đóng túi), phải được chằng giữ chắc chắn để tránh thất lạc, hư hỏng.
e) Bản mục lục liệt kê các chi tiết được đóng gói phải đi kèm trong gói sản phẩm.
g) Bao bì đóng gói phải phù hợp với hàng hóa được đóng gói để tránh vỡ, rách bao bì và bảo quản được hàng hóa không bị hư hại khi vận chuyển lưu trữ.
2. Vận chuyển:
a) Phải có mục lục liệt kê các bộ phận và tổ hợp bộ phận của vì chống cần thiết phải nâng, hạ và vận chuyển riêng rẽ, đồng thời chỉ rõ vị trí móc, treo để nâng, hạ và vị trí trọng tâm của nó.
b) Phải có tài liệu thuyết minh hướng dẫn về vận chuyển: Nêu rõ phương pháp móc cáp, vị trí móc cáp, chịu lực của vị trí móc cáp, phương pháp chằng néo; chỉ rõ các chú ý đặc biệt về an toàn khi vận chuyển và các hư hại có thể xuất hiện.
3. Lưu trữ và bảo quản:
a) Khi lưu trữ tổ hợp vì chống thủy lực phải thực hiện chống han gỉ.
b) Các chi tiết có thể bị hư hại dưới tác dụng của môi trường ngoài trời phải được cất giữ trong kho có mái che. Trường hợp lưu trữ ngoài trời phải có biện pháp che chắn, bảo quản chống lại sự tác dụng của môi trường.
c) Cột chống, kích thủy lực và các cơ cấu xilanh khác phải xả hết dung dịch trong khoang xilanh, piston phải co hết vào trong.
d) Xilanh thủy lực phải được cất giữ ở trong nhà kho khô ráo hoặc ở điều kiện có che đậy, nhiệt độ môi trường phải ở trên 00C.
e) Van thủy lực, ống thủy lực phải được bảo quản trong túi, hòm chuyên dụng.
Điều 102. Quy định về công tác quản lý
1. Đánh giá sự phù hợp và kiểm tra, thử nghiệm, kiểm định vì chống thủy lực:
a) Tổ chức đánh giá sự phù hợp phải đủ điều kiện theo quy định tại Nghị định số 107/2016/NĐ-CP ngày 01 tháng 7 năm 2016 của Chính phủ quy định về điều kiện kinh doanh dịch vụ đánh giá sự phù hợp, Thông tư số 28/2012/TT-BKHCN ngày 12 tháng 12 năm 2012 của Bộ Khoa học và Công nghệ quy định về công bố hợp chuẩn, công bố hợp quy và phương thức đánh giá sự phù hợp với tiêu chuẩn, quy chuẩn kỹ thuật và Thông tư số 02/2017/TT-BKHCN ngày 31 tháng 3 năm 2017 của Bộ Khoa học và Công nghệ về việc sửa đổi, bổ sung một số điều của Thông tư số 28/2012/TT-BKHCN.
b) Tổ chức kiểm định kỹ thuật an toàn lao động phải đủ điều kiện theo quy định tại Nghị định số 44/2016/NĐ-CP ngày 15 tháng 5 năm 2016 của Chính phủ quy định chi tiết một số điều của Luật An toàn, vệ sinh lao động và hoạt động kiểm định kỹ thuật an toàn lao động và huấn luyện an toàn, vệ sinh lao động và quan trắc môi trường lao động và Thông tư số 09/2017/TT-BCT ngày 13 tháng 7 năm 2017 của Bộ Công Thương quy định hoạt động kiểm định kỹ thuật an toàn lao động thuộc thẩm quyền quản lý của Bộ Công Thương.
c) Việc đánh giá sự phù hợp vì chống thủy lực được thực hiện khi chế tạo lần đầu tại Việt Nam theo phương thức 5 và khi nhập khẩu về Việt Nam theo phương thức 7 được quy định tại điểm a, khoản 1, Điều 5 của Thông tư số 28/2012/TT-BKHCN ngày 12 tháng 12 năm 2012 của Bộ Khoa học và Công nghệ quy định về công bố hợp chuẩn, công bố hợp quy và phương thức đánh giá sự phù hợp với tiêu chuẩn, quy chuẩn kỹ thuật.
d) Vì chống thủy lực đã được chứng nhận phù hợp quy chuẩn Việt Nam phải được đóng dấu hợp quy.
e) Kiểm định vì chống thủy lực được thực hiện theo các quy định tại Thông tư số 10/2017/TT-BCT ngày 26 tháng 7 năm 2017 của Bộ Công Thương ban hành quy trình kiểm định kỹ thuật an toàn lao động đối với máy, thiết bị, vật tư có yêu cầu nghiêm ngặt về an toàn lao động thuộc thẩm quyền quản lý của Bộ Công Thương và Mục 3 Chương II của Quy chuẩn này.
2. Giám đốc mỏ phải:
a) Biên soạn đầy đủ các quy trình, nội quy an toàn trong vận chuyển, lắp đặt, vận hành và tháo dỡ vì chống thủy lực trong hầm lò cũng như các quy trình và nội quy an toàn trong bảo dưỡng, sửa chữa, bảo quản, kiểm tra vì chống thủy lực.
b) Tổ chức huấn luyện quy trình vận hành, nội quy an toàn trong vận chuyển, lắp đặt, vận hành và tháo dỡ vì chống thủy lực trong hầm lò.
c) Tổ chức huấn luyện quy trình vận hành và kỹ năng kiểm định vì chống thủy lực.
d) Tổ chức kiểm định, kiểm tra vì chống thủy lực theo quy định tại Điều 98 Quy chuẩn này.
e) Mở sổ theo dõi, quản lý kỹ thuật an toàn vì chống thủy lực: Đánh số quản lý (số hoặc ký hiệu phục vụ quản lý thay cho việc dán tem kiểm định), ngày tháng đưa vào sử dụng, lưu giữ biên bản kiểm định.
g) Giao trách nhiệm quản lý kỹ thuật an toàn vì chống thủy lực và công tác kiểm định cho các phòng ban chuyên môn.
Điều 103. Quy định về sử dụng an toàn vì chống thủy lực
1. Người sử dụng vì chống thủy lực:
a) Chỉ được sử dụng vì chống thủy lực trong hầm lò khi đã có thiết kế lò phù hợp với đặc tính kỹ thuật và công dụng của vì chống đó và đã được Giám đốc điều hành mỏ phê duyệt.
b) Chỉ được đưa vào sử dụng trong hầm lò vì chống thủy lực đã được kiểm định và đảm bảo an toàn.
c) Phải thay thế mỡ bảo quản của các bộ phận: Van thủy lực, ống thủy lực, xilanh và piston thủy lực trước khi đưa vào sử dụng.
d) Xilanh thủy lực cất giữ trên 3 tháng, cần kiểm tra dung dịch thủy lực ở trong khoang xilanh, nếu không đảm bảo chất lượng phải thay thế.
e) Phải thay thế ngay bộ phận, chi tiết của bộ phận vì chống thủy lực có dấu hiệu hư hỏng hoặc đã đến thời hạn phải thay thế.
g) Không được xả thải dung dịch của vì chống thủy lực làm ô nhiễm nguồn nước thải.
2. Nhà sản xuất vì chống thủy lực phải cung cấp đủ các tài liệu kỹ thuật và an toàn về vì chống thủy lực.
Chương V
TỔ CHỨC THỰC HIỆN
Điều 104. Cơ quan quản lý nhà nước về an toàn khai thác than có trách nhiệm
1. Cục Kỹ thuật an toàn và Môi trường công nghiệp, Bộ Công Thương có trách nhiệm:
a) Hướng dẫn, tổ chức triển khai thực hiện các quy định tại Quy chuẩn này.
b) Định kỳ hoặc đột xuất thanh tra, kiểm tra việc thực hiện các nội dung được quy định tại Quy chuẩn này đối với các tổ chức có liên quan tới vì chống thủy lực sử dụng trong hầm lò.
2. Sở Công Thương các tỉnh, thành phố theo chức năng, quyền hạn phối hợp với Cục Kỹ thuật an toàn và Môi trường công nghiệp, Bộ Công Thương hoặc trực tiếp thanh tra, kiểm tra việc thực hiện các nội dung được quy định tại Quy chuẩn này.
Điều 105. Tổ chức cá nhân có liên quan tới vì chống thủy lực có trách nhiệm
1. Tuân thủ các quy định của Quy chuẩn này trong thiết kế, chế tạo, nhập khẩu, lắp đặt, kiểm tra, thử nghiệm, kiểm định, sửa chữa, sử dụng, đóng gói, vận chuyển, bảo quản và quản lý vì chống thủy lực sử dụng trong mỏ than hầm lò.
2. Ban hành các quy định để quản lý, sử dụng vì chống thủy lực đảm bảo an toàn và hiệu quả.
Điều 106. Hiệu lực thi hành
1. Quy chuẩn này có hiệu lực thi hành kể từ ngày 01 tháng 7 năm 2018.
2. Các điểm a và b, khoản 15 Điều 29 của Quy chuẩn kỹ thuật Quốc gia về an toàn khai thác than hầm lò QCVN 01:2011/BCT được ban hành kèm theo Thông tư số 03/2011/TT-BCT ngày 15 tháng 02 năm 2011 của Bộ trưởng Bộ Công Thương được bãi bỏ.
3. Trong trường hợp các văn bản quy phạm pháp luật, quy chuẩn, tiêu chuẩn được dẫn chiếu tại Quy chuẩn này được sửa đổi, bổ sung, thay thế thì việc chế tạo vì chống thủy lực được áp dụng theo quy định của văn bản mới đó.
4. Trong quá trình thực hiện Quy chuẩn này, nếu phát hiện những điều chưa phù hợp, những vấn đề chưa được quy định hoặc cần sửa đổi, bổ sung, yêu cầu tổ chức, cá nhân báo cáo, phản ánh về Bộ Công Thương để xem xét, nghiên cứu sửa đổi, bổ sung./.
|
|
BỘ TRƯỞNG
Trần Tuấn Anh |
Phụ lục A
Bảng các tình huống nguy hiểm
Các tình huống nguy hiểm và dễ phát sinh nguy hiểm trong quá trình vận hành, lắp đặt và duy tu giàn chống xem Bảng 30 của Quy chuẩn này dưới đây.
Bảng 30. Tình huống nguy hiểm của giàn chống đối với yêu cầu về an toàn
|
TT |
Tình huống nguy hiểm |
Yêu cầu |
|
1 |
Chèn ép, cào rách và cắt đứt |
Điều 5 |
|
2 |
Trơn trượt, vướng mắc và té ngã trong giàn chống |
Điều 5 |
|
3 |
Tư thế không chính xác hoặc dùng quá lực dẫn đến mất ổn định |
Điều 5 |
|
4 |
Hít vào bụi bột có hại |
Điều 19 |
|
5 |
Thiếu hoặc lắp nhầm thiết bị bảo vệ an toàn |
Điều 20; Điều 21 |
|
6 |
Chi tiết tung ra |
Điều 21 |
|
7 |
Thế năng vận động có thể có của các bộ phận giàn chống dưới ảnh hưởng của trọng lực |
Điều 21 |
|
8 |
Thiếu hoặc nhầm các thiết bị và công cụ phụ trợ dùng cho lắp đặt và duy tu |
Điều 22; Điều 24 |
|
9 |
Lắp ráp sai |
Điều 25 |
|
10 |
Thao tác sai |
Khoản 1 Điều 28 |
|
11 |
Mỏi hoặc quá tải |
Điều 33; khoản 2 Điều 34; Điều 35 |
|
12 |
Phóng điện do quá trình tích điện tích bền mặt |
Khoản 2 và khoản 3 Điều 37 |
|
13 |
Phát sinh tia lửa hoặc nổ |
Khoản 2 và khoản 3 Điều 37 |
Phụ lục B
Tính toán ứng suất và lực tĩnh cho phép
B.1. Ứng suất cho phép
B.1.1. Yêu cầu chung
Tính toán giàn chống theo tải trọng tĩnh, nhưng phải nghiên cứu các bộ phận giàn chống chịu tải trọng phụ. Kết quả tính toán ứng suất của các bộ phận giàn chống không vượt quá ứng suất cho phép đã liệt kê từ B.1.2 đến B.1.5.
B.1.2. Ứng suất hướng pháp tuyến
Tính toán ứng suất hướng pháp tuyến của xà nóc và đế giàn phải nhỏ hơn giá trị nhỏ nhất của giới hạn chảy mà vật liệu bảo đảm; ứng suất hướng pháp tuyến của các bộ phận khác phải nhỏ hơn 85% của giới hạn chảy này.
B.1.3. Ứng suất cắt
Ứng suất cắt phải nhỏ hơn 80% giá trị ứng suất cắt cho phép của các bộ phận giàn chống và các điều kiện tải trọng khác nhau.
B.1.4. Ứng suất chính
Ứng suất chính phải nhỏ hơn giá trị nhỏ nhất của giới hạn chảy mà vật liệu bảo đảm.
B.1.5. Ứng suất cho phép của mối hàn
Ứng suất mối hàn không được vượt quá ứng suất cho phép của vật liệu cơ bản như giá trị tỷ lệ trong Bảng 31 của Quy chuẩn này.
Bảng 31. Ứng suất cho phép của mối hàn
|
Mối hàn |
Ứng suất hướng pháp tuyến |
Ứng suất cắt |
Ứng suất chính |
|
Mối hàn góc |
65% |
65% |
100% |
|
Mối hàn kết nối |
100% |
65% |
100% |
B.2. Tính toán lực tĩnh
Lấy ứng suất cho phép làm cơ sở tính toán lực tĩnh, không xem xét đến ảnh hưởng của tải ba chiều và tải theo chu kỳ, giàn chống tính toán theo hệ tọa độ hai chiều. Tiết diện chịu lực của các bộ phận giàn chống (uốn, lực hướng pháp tuyến, lực cắt) quyết định bởi lực tác dụng của cột chống, kết cấu giàn chống và vị trí đặt khác nhau của tấm đệm.
Vị trí tấm đệm được quy định theo Bảng 18 và Bảng 19 của Quy chuẩn này (các Hình từ 7a đến Hình 25). Thay đổi chiều cao giàn chống từng đoạn 100 mm, xác định lực tác dụng lên các bộ phận giàn chống để xác định tiết diện chịu lực cần thiết.
Nếu như căn cứ vào kết cấu giàn chống có thể xuất hiện ngoại lực ngang, thì độ lớn hạn chế trong 0,3 lần lực chống đỡ của giàn chống.
Khi tính toán ứng suất, phải xem xét mặt cắt ngang của toàn bộ bộ phận.
B.2.2. Điều kiện tải trọng
B.2.2.1. Đặt tải trọng tâm
Lấy lực mà cần xem xét ở B.2.1 phân bố đều trên độ dài chống, và xác định ứng suất.
B.2.2.2. Đặt tải lệch tâm
Do đặt tải lệch tâm như Hình 11 Bảng 18 của Quy chuẩn này, gây nên ứng suất trong mái trên và đế đơn nguyên vì chống.
B.2.2.3. Đặt tải ngang
Đối với tất cả các bộ phận giữa mái trên và đế, vì đặt tải ngang mà xuất hiện ứng suất có thể xác định theo sơ đồ trong Bảng 18 của Quy chuẩn này từ Hình 13a đến Hình 13d.
B.2.2.4. Cộng tác dụng
Khi tính toán ứng suất của bộ phận nào đó, phải tiến hành cộng tác dụng, tổ hợp tác dụng bất lợi nhất của ứng suất khi đặt tải trọng tâm và khi đặt tải lệch tâm.
Phụ lục C
Tài liệu hướng dẫn sử dụng sản phẩm
C.1. Yêu cầu chung
Nhà sản xuất vì chống phải cung cấp đủ tài liệu về thông số kỹ thuật, các bản vẽ kỹ thuật, các bảng biểu, hướng dẫn lắp đặt, vận hành, duy tu bảo dưỡng, thông tin an toàn….
C.2. Thông số kỹ thuật, công dụng và phạm vi sử dụng
Phải thuyết minh cụ thể:
a) Về kích thước bao, khối lượng và trọng tâm của toàn bộ vì chống cho đến thuyết minh cần thiết về thông số kỹ thuật của các bộ phận, bản vẽ lắp ráp và bản vẽ sử dụng thông thường.
b) Thông số khả năng chống đỡ của giàn chống, chiều cao chống….
c) Thông số kỹ thuật của thiết bị và trang bị kèm theo.
d) Phạm vi sử dụng (như chiều dày lớn nhất và nhỏ nhất của vỉa than, góc dốc lớn nhất và nhỏ nhất của theo phương khai thác và hướng dốc, góc dốc lớn nhất và nhỏ nhất của diện công tác vuông góc với hướng tiến), ngoài ra phải thuyết minh phương pháp khai thác thử phù hợp với vì chống.
e) Phương thức chống đỡ và điều khiển (như chống đỡ tức thời, chống đỡ phía sau; điều khiển cạnh giàn, điều khiển trình tự).
g) Phương pháp điều khiển cụ thể áp dụng tại hiện trường (như điều khiển tự động hóa) và các tình huống nguy hiểm và biện pháp an toàn của thiết bị khác đi cùng trong diện công tác.
C.3. Lắp đặt và đưa vào sử dụng
C.3.1. Lắp đặt
Thuyết minh chi tiết phương pháp và các bước lắp đặt đồng thời chỉ ra các công cụ chuyên dụng cần thiết.
C.3.2. Đưa vào sử dụng
Phải tiến hành thuyết minh trình tự và nội dung kiểm tra trước khi đưa vào sử dụng.
a) Trước khi đấu nối vào hệ thống cung cấp dịch phải tiến hành kiểm tra lắp đặt, thuyết minh phương pháp làm sạch, súc rửa cần thiết.
b) Đấu nối vào hệ thống cung cấp dịch.
c) Đưa đơn nguyên vì chống vào vận hành đồng thời kiểm tra sự thực hiện các thao tác và khả năng thực hiện các chức năng của vì chống.
C.4. Thuyết minh sử dụng, thao tác và vận hành
Phải thuyết minh các nội dung liên quan tới phương pháp sử dụng, thao tác và các điểm cần chú ý khi vận hành để bảo đảm giàn chống vận hành an toàn, tin cậy.
a) Quy định phạm vi sử dụng chính xác và trường hợp không nên sử dụng.
b) Phương thức điều khiển.
c) Phạm vi sử dụng, công năng và vị trí lắp đặt của tất cả các trang bị thuận tiện cho thao tác.
d) Phạm vi sử dụng, công năng và vị trí lắp đặt của các thiết bị giám sát.
C.5. Sửa chữa tại hiện trường
C.5.1. Thuyết minh tính kỹ thuật
Phải thuyết minh toàn bộ công năng của giàn chống và các bộ phận.
Thuyết minh bổ sung bản vẽ nguyên lý, bản vẽ chế tạo và bản vẽ sơ đồ điều khiển. Khi cần thiết cũng có thể thuyết minh chi tiết kết cấu và thiết bị thử nghiệm, để thuận tiện sửa chữa tại hiện trường.
C.5.2. Chẩn đoán và loại trừ sự cố
Phải cung cấp thông tin về các sự cố, phương pháp chẩn đoán và loại trừ.
C.5.3. Sửa chữa
Phải thuyết minh các công tác sửa chữa cụ thể cần thiết tiến hành tại hiện trường, khi cần thiết có bản vẽ minh họa đi kèm, đồng thời chỉ rõ:
a) Phương pháp và nội dung tháo dỡ và lắp ráp lại.
b) Phương pháp và nội dung thay thế, cài đặt, kiểm tra.
c) Bảng các chi tiết dự phòng sử dụng.
d) Các công cụ chuyên dụng, thiết bị kiểm tra và thiết bị phụ trợ sử dụng.
e) Các tình huống nguy hiểm có thể xuất hiện và biện pháp an toàn.
C.6. Kế hoạch sửa chữa
Phải chỉ rõ trình tự sửa chữa bình thường, để cho giàn chống ở vào trạng thái vận hành bình thường và tin cậy. Thuyết minh nội dung, chu kỳ và số lần tiến hành kiểm tra, thử nghiệm và sửa chữa giàn chống, đồng thời chỉ ra chu kỳ thử nghiệm và kiểm tra các chi tiết thay thế và chi tiết chóng hỏng, khi cần thiết chỉ ra giá trị giới hạn.
C.7. Bảng phụ kiện dự phòng
Bảng phụ kiện dự phòng bao gồm:
a) Nhà sản xuất quy định các chi tiết thay thế trực tiếp tại hiện trường.
b) Nhà sản xuất giới thiệu các phụ kiện dự phòng.
Bảng phụ kiện dự phòng phải cung cấp vị trí sử dụng của phụ kiện dự phòng và quan hệ phụ thuộc với bộ phận, khi cần thiết cung cấp bản vẽ và hình ảnh….
Phụ kiện dự phòng phải có số bản vẽ chế tạo chi tiết, đồng thời mô tả đặc điểm của nó, như thông số kỹ thuật, kích thước bao….
C.8. Các nguy cơ khác
Thuyết minh với người sử dụng các nguy cơ khác khi sử dụng vì chống (ví dụ do sự chuyển động địa tầng).
C.9. Bảng liệt kê các bản vẽ và tài liệu phụ trợ đi kèm
Cần có Bảng liệt kê toàn bộ các bản vẽ, Bảng biểu và các tài liệu khác, cung cấp riêng rẽ với thuyết minh hướng dẫn sử dụng sản phẩm đi kèm đơn nguyên giàn chống.
Phụ lục D
Yêu cầu kỹ thuật lớp mạ điện chi tiết xilanh thủy lực
D.1. Yêu cầu cơ bản
Trước khi mạ điện phải tiến hành kiểm tra chất liệu, độ chính xác kích thước và các khuyết tật bề mặt của vật được mạ, chi tiết không đạt tiêu chuẩn không được đưa vào trình tự công nghệ mạ điện.
D.2. Chủng loại lớp mạ
D.2.1. Cần piston
Áp dụng một trong các loại lớp mạ phức hợp sau đây cho cần piston:
a) Hợp kim đồng thiếc và crom cứng.
b) Hợp kim đồng thiếc và crom kem trắng. c) Crom kem trắng và crom cứng.
d) Lớp mạ đồng thiếc và kẽm với chiều dày lớn.
e) Lớp mạ phức hợp tiên tiến khác có hiệu quả bảo vệ bề mặt kim loại cao.
D.2.2. Các chi tiết khác
Mạ điện các chi tiết khác thông thường áp dụng mạ kẽm, cho phép áp dụng các loại mạ khác có hiệu quả bảo vệ bề mặt chi tiết.
D.3. Độ dày lớn mạ
D.3.1. Lớp mạ phức hợp
Độ dày lớp mạ phức hợp:
a) Hợp kim đồng thiếc (20 ÷ 35) µm; crom cứng (30 ÷ 45) µm.
b) Hợp kim đồng thiếc (20 ÷ 35) µm; crom kem trắng (30 ÷ 55) µm.
c) Crom kem trắng (20 ÷ 35) µm; crom cứng (30 ÷ 45) µm.
D.3.2. Lớp mạ kẽm hoặc lớp mạ khác
Độ dày lớp mạ kẽm hoặc lớp mạ khác:
a) (7 ÷ 15) µm.
b) (15 ÷ 25) µm.
D.3.3. Lớp mạ đặc biệt
Khi có yêu cầu đặc biệt về độ dày lớp mạ, thi hành theo quy định của tài liệu bản vẽ.
D.4. Độ cứng lớp mạ
Độ cứng lớp mạ là:
a) Hợp kim đồng thiếc và crom cứng HRC ≥ 500.
b) Hợp kim đồng thiếc và crom kem trắng HRC ≥ 800.
c) Crom kem trắng và crom cứng HRC ≥ 800.
D.5. Chất lượng bề ngoài lớp mạ
D.5.1. Môi trường kiểm tra
Kiểm tra chất lượng ngoại quan phải được tiến hành tại nơi có ánh sáng tán xạ tự nhiên hoặc nơi có ánh sáng trắng truyền qua mà không có phản xạ quang.
D.5.2. Chất lượng bề ngoài
Lớp mạ kết tinh phải tinh tế, đều đặn, không được phép có các khuyết tật sau:
a) Bề mặt thô ráp, nổi hạt, cháy sém, nứt nẻ, phồng rộp, bong tróc, rơi rụng.
b) Kết tinh hình cành cây.
c) Không có lớp mạ cục bộ hoặc lộ ra lớp trung gian.
D.5.3. Khuyết tật cho phép
Các khuyết tật cho phép tồn tại trên lớp mạ:
a) Tại chỗ đổi góc có thô ráp nhẹ bề mặt không ảnh hưởng đến lắp ráp;
b) Lớp mạ phát tối tại khu mối hàn;
c) Khuyết tật, rỗ của kim loại cơ bản cùng quá trình công nghệ mạ điện dẫn đến điểm rỗ hoặc lỗ kim châm, thì đường kính và số lượng phải phù hợp với các yêu cầu sau đây:
1) Chi tiết mạ kẽm ít hơn 5 điểm/dm2, đường kính lỗ hổng nhỏ hơn 0,2 mm.
2) Chi tiết mạ crom; mạ đồng khi quan sát bằng mắt thường không phát hiện được điểm rỗ hoặc lỗ châm kim.
D.5.4. Bề mặt không kiểm tra đánh giá
Không kiểm tra đánh giá khuyết tật lớp mạ do khuyết tật cho phép của hàn liên kết dẫn đến; Không kiểm tra đánh giá chất lượng lớp mạ của bề mặt rãnh rút dao.
D.5.5. Vết tích rơi trên bề mặt hành trình cần piston
Quy định vết tích rơi trên bề mặt hành trình cần piston:
a) Không vượt quá 2 đường trong cùng một đường vòng trên bề mặt hành trình cần piston.
b) Chiều dài vết tích rơi không vượt quá 6 mm, và độ sâu không vượt quá 0,02 mm.
c) Khoảng cách giữa 2 vết tích phải nhỏ hơn 20 mm.
d) Số đường vết tích rơi ít hơn 10 đường/m2.
Phụ lục E
Tính toán ứng suất và lực tĩnh cho phép của xilanh thủy lực
E.1. Ứng suất cho phép
E.1.1. Ứng suất cho phép khi xilanh thủy lực chịu lực trung tâm định mức
Ứng suất hướng pháp tuyến bộ phận đơn độc của xilanh thủy lực không được vượt quá 0,2% giới hạn chảy của vật liệu và 70% biến dạng dư cực hạn (đồng dạng thử nghiệm phù hợp với ứng suất hướng tiếp tuyến tạo ra do áp suất dung dịch); ứng suất cắt không vượt quá 65% giới hạn chảy của vật liệu.
Ứng suất hướng pháp tuyến đáy cao áp của xilanh thủy lực không được vượt quá 80% giới hạn chảy của vật liệu.
E.1.2. Ứng suất cho phép khi cột chống và kích chống đỡ chịu 2 lần lực định mức trung tâm
Khi cột chống và kích chống đỡ ở trạng thái co lại hoàn toàn, chịu 2 lần lực định mức trung tâm, ứng suất không được vượt quá giới hạn chảy của vật liệu.
Chú ý: Yêu cầu này chỉ bao gồm tải trọng cơ học, không có áp suất dịch thể.
E.1.3. Ứng suất cho phép khi cột chống và kích chống đỡ chịu lực định mức lệch tâm
Khi dưới tác dụng của lực định mức lệch tâm, ứng suất hướng pháp tuyến của cột chống và kích chống đỡ bị uốn bộ phận (ứng suất biên giới) không được vượt quá giới hạn chảy của vật liệu.
Khi lực định mức lệch tâm đồng thời với tác dụng của tải trọng bên cạnh (ví dụ dùng để làm giàn chống ổn định), ứng suất hướng pháp tuyến của cột chống và kích chống đỡ bị uốn bộ phận không được vượt quá giới hạn chảy của vật liệu.
E.1.4. Ứng suất cho phép của mối hàn
Khi tải trọng như tại E.1.1 ÷ E.1.3, ứng suất mối hàn không được vượt quá về giá trị tỷ lệ ứng suất cho phép của vật liệu cơ bản đã liệt kê tại Bảng 32 của Quy chuẩn này.
Bảng 32. Ứng suất cho phép của mối hàn
|
Loại mối hàn |
Ứng suất hướng pháp tuyến |
Ứng suất cắt |
Ứng suất chính |
|
Mối hàn góc |
65% |
65% |
100% |
|
Mối hàn kết nối |
80% |
80% |
100% |
E.2. Tính toán lực tĩnh
E.2.1. Nguyên tắc tính toán
Tiến hành tính toán lực tĩnh của xilanh thủy lực theo phương pháp tính toán được liệt kê ở phần này.
Ứng suất tính toán dưới đây không được lớn hơn ứng suất cho phép đã nêu trong E.1.
Chú ý: Ký hiệu dùng để tính toán liệt kê tại E.2.6.
E.2.2. Ứng suất hướng trục
E.2.2.1. Xilanh thủy lực chịu tác dụng của lực định mức đúng tâm
Đối tượng tính toán là xilanh thủy lực duỗi ra toàn bộ (bao gồm đoạn nối dài lớn nhất).
Tất cả các mặt cắt ngang của đoạn (cột) trong, đoạn (cột) ngoài, đoạn chống đỡ trung gian và đoạn nối dài tính toán theo công thức (E.1):
σxa = Fn/A (E.1)
E.2.2.2. Cột chống và kích chống đỡ chịu tác dụng của 2 lần lực định mức.
Đối tượng tính toán là cột chống và kích chống đỡ duỗi ra toàn bộ (bao gồm đoạn nối dài).
Các chi tiết chịu tác dụng đặt tải bằng 2 lần lực định mức tính toán theo công thức (E.2).
σxa = 2Fn/A (E.2)
E.2.2.3. Chịu tác dụng lực định mức lệch tâm
Theo công thức (E.3) công thức (E.6) tính được mô men lực, xem Hình 38.
|
Điểm 1 (ở e1): |
M1 = Fn x e1 |
(E.3) |
|
Điểm 2 (ở e2): |
M2 = Fn x e2 |
(E.4) |
|
Điểm 3 (ở e3): |
M3 = Fn x e3 |
(E.5) |
|
Điểm lớn nhất (ở emax): |
Mmax = Fn x emax |
(E.6) |
Hình 38: Xilanh thủy lực chịu tác dụng lực định mức lệch tâm
Giá trị độ lệch có thể là giá trị tính toán hoặc là giá trị đo được tại khoản 13 Điều 96 của Quy chuẩn này. Trong đó mỗi giá trị lớn nhất xem như cơ sở để tính toán ứng suất dưới đây.
Theo công thức (E.7) ÷ (E.10) tìm được ứng suất uốn do lực lệch tâm sản sinh ra, xem Hình 38.
|
Điểm 1 (ở e1): |
σxb1 = ± M1/W1 |
(E.7) |
|
Điểm 2 (ở e2): |
σxb2 = ± M2/W2 |
(E.8) |
|
Điểm 3 (ở e3): |
σxb3 = ± M3/W3 |
(E.9) |
|
Điểm lớn nhất (ở emax): |
σxbmax = ± Mmax/W |
(E.10) |
E.2.2.4. Gồm có cả lực bên cạnh
Xilanh thủy lực chịu tác dụng của lực cạnh bên, phải lấy Hình 39 làm cơ sở để tính toán, theo công thức (E.11) tìm được mô men xoắn lớn nhất của tình trạng tải trọng đó.
Mhmax = Fh.a.b/L (E.11)
Ứng suất uốn tại điểm 1 đến điểm 3 và đoạn uốn lớn nhất tìm được theo công thức (B.12) ~ công thức (B.15).
|
Điểm 1 (ở Mh1): |
σxh1 = ± Mh1/W1 |
(E.12) |
|
Điểm 2 (ở Mh2): |
σxh2 = ± Mh2/W2 |
(E.13) |
|
Điểm 3 (ở Mh3): |
σxh3 = ± Mh3/W3 |
(E.14) |
|
Điểm lớn nhất (ở Mhmax): |
σxhmax = ± Mhmax/W |
(E.15) |
Hình 39. Xilanh thủy lực chịu tác dụng của lực cạnh bên cho phép
E.2.2.5. Sự chồng lên nhau của ứng suất hướng trục
Ứng suất tổng là hợp lực của các ứng suất thành phần, tìm được theo công thức
σx = σxa ± σxb ± σxh (E.16)
Trong đó ứng suất thành phần đều tính toán theo Hình 39 hoặc Hình 40 tại các vị trí tương đồng của xilanh thủy lực, đối với tình trạng không có ứng suất thành phần thì không yêu cầu tính vào.
E.2.3. Ứng suất hướng tiếp tuyến chính
Xilanh thủy lực do dịch thể ở trong sản sinh ra ứng suất kéo hướng tiếp tuyến tìm được theo công thức (E.17) ÷ (E.20), xem Hình 40.
P = Fn/A (E.17)
Hình 40. Ứng suất hướng tiếp tuyến của xilanh thủy lực
Bình quân ứng suất kéo hướng tiếp tuyến theo Hình 41.
(E.18)
Ứng suất kéo hướng tiếp tuyến bên cạnh trong và bên cạnh ngoài:
(E.19)
(E.20)
Ngoài ra phải tính toán tất cả các (cột) đoạn chịu tác dụng thủy lực của xilanh thủy lực.
E.2.4. Ứng suất xuyên tâm chính
Tính toán ứng suất xuyên tâm chính chịu áp suất dịch thể của xilanh thủy lực trên bề mặt bên trong là σz = p, trên bề mặt bên ngoài là σz = 0.
E.2.5. Ứng suất hợp thành
Trong tình trạng không có ứng suất cắt, ứng suất hợp thành tìm được theo công thức (E.21), xem Hình 41.
Hình 41. Ứng suất hợp thành
(E.21)
Ứng suất hợp thành phải tính toán từng đoạn, đồng thời tính toán ứng suất tại chỗ uốn lớn nhất trong Hình 41.
Đối với mặt cắt ngang hình ống mà nói, ứng suất hợp thành phải tính toán trên đường kính trong và đường kính ngoài.
E.2.6. Ký hiệu sử dụng và Định nghĩa
Ký hiệu sử dụng và Định nghĩa xem Bảng 33 ÷ Bảng 35 của Quy chuẩn này.
Bảng 33. Lực
|
Ký hiệu |
Định nghĩa |
|
Fn Fh P M |
Lực định mức Lực bên cạnh Áp suất dung dịch Mô men uốn |
Bảng 34. Kích thước hình học
|
Ký hiệu |
Định nghĩa |
|
L r t |
Chiều dài xilanh thủy lực duỗi ra toàn bộ, bao gồm đoạn nối dài Đường kính trong của một đoạn của xilanh thủy lực Dầy vách của xilanh thủy lực |
|
e |
Giá trị lệch tâm của lực định mức tác dụng lệch tâm tương đối so với đường tâm xilanh thủy lực |
|
emax |
Khoảng cách lớn nhất sau khi biến dạng của đường trục trung tâm xilanh thủy lực với đường lực tác dụng (biến dạng + giá trị lệch tâm) |
|
A W |
Diện tích mặt cắt ngang xilanh thủy lực Mô đun tiết diện kháng uốn của mặt cắt ngang xilanh thủy lực |
Bảng 35. Ứng suất và đặc tính vật liệu
|
Ký hiệu |
Định nghĩa |
|
σs σx(a,b,h) |
Giới hạn chảy của vật liệu (giá trị nhỏ nhất) Ứng suất chính hướng trục (a - áp suất, b - uốn, h - lực cạnh bên) |
|
σy |
Ứng suất chính hướng tiếp tuyến |
|
σz |
Ứng suất chính xuyên tâm |
|
σv |
Ứng suất hợp thành |
Phụ lục G
Yêu cầu kỹ thuật lớp phủ chi tiết van
G.1. Yêu cầu cơ bản
Trước khi phủ phải tiến hành kiểm tra chất liệu, kích trước, độ chính xác và các khuyết tật bề mặt, chi tiết không đạt tiêu chuẩn không được đưa vào trình tự công nghệ phủ.
G.2. Lựa chọn lớp phủ
Lớp phủ chi tiết van thường áp dụng công nghệ mạ điện, công nghệ mạ hóa học và công nghệ phun phủ.
G.3. Độ dày lớn phủ
Độ dày lớp phủ phải thỏa mãn yêu cầu trong bản vẽ thiết kế.
G.4. Yêu cầu lực liên kết
Lớp phủ không được có hiện tượng phồng rộp, bong tróc, lột ra…
G.5. Yêu cầu chất lượng bề ngoài lớp phủ
Lớp phủ phải đều đặn, mịn. Không được có các khuyết tật như sau:
a) Bề mặt thô ráp, nổi hạt, cháy sém, nứt nẻ, phồng rộp, bong tróc, rơi rụng. b) Không có lớp phủ cục bộ.
c) Tập trung nhiều điểm rỗ.
Các khuyết tật cho phép tồn tại trên lớp phủ :
a) Tại chỗ đổi góc có thô ráp nhẹ bề mặt không ảnh hưởng đến lắp ráp.
b) Không kiểm tra đánh giá chất lượng lớp mạ của bề mặt rãnh thoát dao.
G.6. Kiểm tra lớp phủ
Kiểm tra lớp mạ kẽm phải phù hợp quy định tại Điều 51 Quy chuẩn này, các vật liệu lớp phủ khác căn cứ vào các tiêu chuẩn, quy chuẩn liên quan tới lớp phủ kim loại hoặc theo yêu cầu kỹ thuật của bản vẽ để thực hiện./.
Bạn chưa Đăng nhập thành viên.
Đây là tiện ích dành cho tài khoản thành viên. Vui lòng Đăng nhập để xem chi tiết. Nếu chưa có tài khoản, vui lòng Đăng ký tại đây!
Bạn chưa Đăng nhập thành viên.
Đây là tiện ích dành cho tài khoản thành viên. Vui lòng Đăng nhập để xem chi tiết. Nếu chưa có tài khoản, vui lòng Đăng ký tại đây!





































