- Tổng quan
- Nội dung
- VB gốc
- Tiếng Anh
- Hiệu lực
- VB liên quan
- Lược đồ
-
Nội dung hợp nhất
Tính năng này chỉ có tại LuatVietnam.vn. Nội dung hợp nhất tổng hợp lại tất cả các quy định còn hiệu lực của văn bản gốc và các văn bản sửa đổi, bổ sung, đính chính... trên một trang. Việc hợp nhất văn bản gốc và những văn bản, Thông tư, Nghị định hướng dẫn khác không làm thay đổi thứ tự điều khoản, nội dung.
Khách hàng chỉ cần xem Nội dung hợp nhất là có thể nắm bắt toàn bộ quy định hiện hành đang áp dụng, cho dù văn bản gốc đã qua nhiều lần chỉnh sửa, bổ sung.
- Tải về
Thông tư 24/2022/TT-BTTTT Quy chuẩn về an toàn điện đối với thiết bị đầu cuối viễn thông và CNTT
| Cơ quan ban hành: | Bộ Thông tin và Truyền thông |
Số công báo:
Số công báo là mã số ấn phẩm được đăng chính thức trên ấn phẩm thông tin của Nhà nước. Mã số này do Chính phủ thống nhất quản lý.
|
Đã biết
|
| Số hiệu: | 24/2022/TT-BTTTT | Ngày đăng công báo: |
Đã biết
|
| Loại văn bản: | Thông tư | Người ký: | Nguyễn Mạnh Hùng |
|
Ngày ban hành:
Ngày ban hành là ngày, tháng, năm văn bản được thông qua hoặc ký ban hành.
|
30/11/2022 |
Ngày hết hiệu lực:
Ngày hết hiệu lực là ngày, tháng, năm văn bản chính thức không còn hiệu lực (áp dụng).
|
Đang cập nhật |
|
Áp dụng:
Ngày áp dụng là ngày, tháng, năm văn bản chính thức có hiệu lực (áp dụng).
|
Đã biết
|
Tình trạng hiệu lực:
Cho biết trạng thái hiệu lực của văn bản đang tra cứu: Chưa áp dụng, Còn hiệu lực, Hết hiệu lực, Hết hiệu lực 1 phần; Đã sửa đổi, Đính chính hay Không còn phù hợp,...
|
Đã biết
|
| Lĩnh vực: | Thông tin-Truyền thông |
TÓM TẮT THÔNG TƯ 24/2022/TT-BTTTT
Ngày 30/11/2022, Bộ Thông tin và Truyền thông đã ra Thông tư 24/2022/TT-BTTTT về việc ban hành “Quy chuẩn kỹ thuật quốc gia về an toàn điện đối với thiết bị đầu cuối viễn thông và công nghệ thông tin”.
Theo đó, Quy chuẩn này quy định các yêu cầu an toàn điện áp dụng cho bản thân các thiết bị đầu cuối viễn thông và công nghệ thông tin. Quy chuẩn này không quy định các yêu cầu an toàn điện của các giao diện được thiết kế và dự định để kết nối tới mạng viễn thông và công nghệ thông tin. Quy chuẩn này áp dụng đối với các tổ chức, cá nhân Việt Nam và nước ngoài có hoạt động sản xuất, kinh doanh các thiết bị thuộc phạm vi điều chỉnh của quy chuẩn này trên lãnh thổ Việt Nam.
Ngoài ra, thiết kế và cấu tạo của thiết bị phải có các biện pháp bảo vệ để giảm khả năng bị thương hoặc thiệt hại khi thiết bị hoạt động trong các điều kiện hoạt động bình thường, hoạt động bất thường và các điều kiện lỗi đơn. Các bộ phận của thiết bị có thể gây thương tích sẽ không thể tiếp cận được và các bộ phận có thể tiếp cận được đều sẽ không gây ra thương tổn. Sự phù hợp được đánh giá bằng cách kiểm tra và kết quả thử nghiệm liên quan.
Thông tư có hiệu lực thi hành kể từ ngày 01/01/2024.
Xem chi tiết Thông tư 24/2022/TT-BTTTT có hiệu lực kể từ ngày 01/01/2024
Tải Thông tư 24/2022/TT-BTTTT
|
BỘ THÔNG TIN VÀ TRUYỀN THÔNG Số: 24/2022/TT-BTTTT |
CỘNG HÒA XÃ HỘI CHỦ NGHĨA VIỆT NAM Độc lập - Tự do - Hạnh phúc Hà Nội, ngày 30 tháng 11 năm 2022 |
THÔNG TƯ
Ban hành “Quy chuẩn kỹ thuật quốc gia về an toàn điện đối với thiết bị đầu cuối viễn thông và công nghệ thông tin”
____________________
Căn cứ Luật Tiêu chuẩn và Quy chuẩn kỹ thuật ngày 29 tháng 6 năm 2006;
Căn cứ Luật Viễn thông ngày 23 tháng 11 năm 2009;
Căn cứ Luật Tần số vô tuyến điện ngày 23 tháng 11 năm 2009;
Căn cứ Nghị định số 127/2007/NĐ-CP ngày 01 tháng 8 năm 2007 của Chính phủ quy định chi tiết và hướng dẫn thi hành một số điều của Luật Tiêu chuẩn và Quy chuẩn kỹ thuật;
Căn cứ Nghị định số 78/2018/NĐ-CP ngày 16 tháng 5 năm 2018 của Chính phủ sửa đổi, bổ sung một số điều của Nghị định số 127/2007/NĐ-CP ngày 01 tháng 8 năm 2007 của Chính phủ quy định chi tiết thi hành một số điều Luật tiêu chuẩn và quy chuẩn kỹ thuật;
Căn cứ Nghị định số 48/2022/NĐ-CP ngày 26 tháng 7 năm 2022 của Chính phủ quy định quy định chức năng, nhiệm vụ, quyền hạn và cơ cấu tổ chức của Bộ Thông tin và Truyền thông;
Theo đề nghị của Vụ trưởng Vụ Khoa học và Công nghệ,
Bộ trưởng Bộ Thông tin và Truyền thông ban hành Thông tư quy định Quy chuẩn kỹ thuật quốc gia về an toàn điện đối với thiết bị đầu cuối viễn thông và công nghệ thông tin.
Điều 1. Ban hành kèm theo Thông tư này Quy chuẩn kỹ thuật quốc gia về an toàn điện đối với thiết bị đầu cuối viễn thông và công nghệ thông tin (QCVN 132:2022/BTTTT).
Điều 2. Hiệu lực thi hành
1. Thông tư này có hiệu lực thi hành kể từ ngày 01 tháng 01 năm 2024.
2. Khoản 21 Điều 1 Thông tư số 18/2010/TT-BTTTT ngày 30 tháng 7 năm 2010 của Bộ trưởng Bộ Thông tin và Truyền thông ban hành Quy chuẩn kỹ thuật quốc gia về viễn thông hết hiệu lực pháp luật kể từ ngày Thông tư này có hiệu lực thi hành.
Điều 3. Chánh Văn phòng, Vụ trưởng Vụ Khoa học và Công nghệ, Thủ trưởng các cơ quan, đơn vị thuộc Bộ Thông tin và Truyền thông, Giám đốc Sở Thông tin và Truyền thông các tỉnh, thành phố trực thuộc Trung ương và các tổ chức, cá nhân có liên quan chịu trách nhiệm thi hành Thông tư này./.
|
Nơi nhận: |
BỘ TRƯỞNG
Nguyễn Mạnh Hùng |
QUY CHUẨN ĐƯỢC ĐÍNH KÈM THEO VĂN BẢN

CỘNG HÒA XÃ HỘI CHỦ NGHĨA VIỆT NAM
QCVN 132:2022/BTTTT
QUY CHUẨN KỸ THUẬT QUỐC GIA
VỀ AN TOÀN ĐIỆN CHO THIẾT BỊ ĐẦU CUỐI
VIỄN THÔNG VÀ CÔNG NGHỆ THÔNG TIN
National technical regulation
on electrical safety requirements for telecommunication and information terminal equipment
HÀ NỘI - 2022
Mục lục
1. QUY ĐỊNH CHUNG.........................................................................................................................................................3
1.1. Phạm vi điều chỉnh.......................................................................................................................................................3
1.2. Đối tượng áp dụng...................................................................................................................................................... 3
1.3. Tài liệu viện dẫn...........................................................................................................................................................3
1.4. Giải thích từ ngữ..........................................................................................................................................................8
2. QUY ĐỊNH KỸ THUẬT..................................................................................................................................................19
2.1. Yêu cầu chung............................................................................................................................................................19
2.1.1. Tổng quan...............................................................................................................................................................19
2.1.2. Phân loại các nguồn năng lượng............................................................................................................................22
2.1.3. Bảo vệ chống lại các nguồn năng lượng.................................................................................................................22
2.1.4. Các biện pháp bảo vệ.............................................................................................................................................26
2.1.5. Nổ............................................................................................................................................................................29
2.1.6. Cố định vật chất dẫn................................................................................................................................................29
2.1.7. Thiết bị để cắm trực tiếp vào ổ cắm điện lưới.........................................................................................................30
2.1.8. Khả năng xảy ra cháy hoặc điện giật do sự tiếp xúc của các vật dẫn....................................................................30
2.1.9. Yêu cầu về thành phần...........................................................................................................................................31
2.2. Yêu cầu bảo vệ đối với điện đến con người..............................................................................................................31
2.2.1. Tổng quan...............................................................................................................................................................31
2.2.2. Phân loại và các giới hạn của các nguồn năng lượng điện....................................................................................31
2.2.3. Bảo vệ khỏi các nguồn năng lượng điện................................................................................................................36
2.2.4. Vật liệu cách điện và các yêu cầu...........................................................................................................................39
2.2.5. Các thành phần như biện pháp bảo vệ...................................................................................................................77
2.2.6. Dòng điện trong dây dẫn bảo vệ.............................................................................................................................80
2.2.7. Điện áp tiếp xúc tiềm năng, dòng điện chạm và dòng điện trong dây dẫn bảo vệ..................................................88
2.3. Yêu cầu bảo vệ chống cháy do điện..........................................................................................................................92
2.3.1. Tổng quan................................................................................................................................................................92
2.3.2. Phân loại nguồn điện (PS) và nguồn đánh lửa tiềm ẩn (PIS)..................................................................................92
2.3.3. Biện pháp bảo vệ chống cháy trong điều kiện bình thường và bất thường............................................................97
2.3.4. Biện pháp bảo vệ chống cháy trong các điều kiện lỗi đơn......................................................................................98
2.3.5. Hệ thống dây điện bên trong và bên ngoài............................................................................................................110
2.3.6. Biện pháp bảo vệ chống cháy cho kết nối các thiết bị bổ sung.............................................................................111
3. QUY ĐỊNH VỀ Quản lý................................................................................................................................................111
4. TRÁCH NHIỆM CỦA TỔ CHỨC, CÁ NHÂN...............................................................................................................112
5. TỔ CHỨC THỰC HIỆN...............................................................................................................................................112
Phụ lục A. (Quy định) Kiểm tra tình trạng hoạt động bình thường, kiểm tra điều kiện hoạt động bất thường và kiểm tra tình trạng lỗi đơn lẻ............................................................................................................................................................................................113
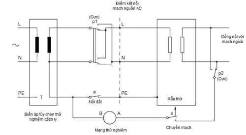
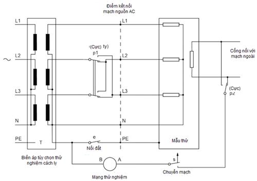
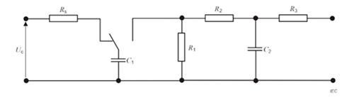
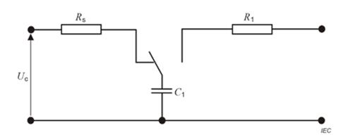
Phụ lục B. (Quy định) Máy phát thử nghiệm.................................................................................................................................... 122
Phụ Lục C (Quy định) Điều kiện thử nghiệm đối với thiết bị có chứa bộ khuếch đại âm thanh ……………………………….......124
Phụ lục D (Quy định) Các thành phần......................................................................................................................................... 126
Phụ lục E(Quy định) Tiêu chí đối với tín hiệu chuông điện thoại................................................................................................. 170
Phụ lục G(Tham khảo) Danh mục quá điện áp (theo IEC 60364-4-44).......................................................................................174
Phụ lục H(Quy định) Dây quấn cách điện không có các lớp cách điện xen kẽ........................................................................... 175
Phụ lục I (Quy định) Khóa liên động an toàn................................................................................................................................178
Phụ lục K (Quy định) Ngắt kết nối các thiết bị..............................................................................................................................182
Phụ lục L(Quy định) Thế điện hóa học........................................................................................................................................ 184
Phụ lục M (Quy định) Phép đo khe hở không khí và chiều dài đường rò................................................................................... 186
Phụ lục N(Quy định) Các biện pháp bảo vệ chống lại các vật dẫn điện..................................................................................... 195
Phụ lục O.. (Quy định) Mạch dành cho kết nối với hệ thống dây điện trong tòa nhà.......................................................................201
Phụ lục P(Quy định) Thử nghiệm giới hạn ngắn mạch............................................................................................................... 204
Phụ lục Q(Quy định) Kiểm tra độ bền cơ học............................................................................................................................. 206
Phụ lục R(Quy định) Xác định các bộ phận có thể tiếp cận........................................................................................................ 210
Phụ lục S (Quy định) Phương pháp thay thế xác định khe hở cách điện trong mạch nối với nguồn điện xoay chiều không vượt quá 420 Vđỉnh (RMS 300 V).........................................................................................................................................................215
Phụ lục T (Quy định) Mã HS của thiết bị đầu cuối viễn thông và công nghệ thông tin................................................................ 217
Thư mục tài liệu tham khảo..........................................................................................................................................................219
Lời nói đầu
QCVN 132:2022/BTTTT do Cục Tần số Vô tuyến điện biên soạn, Vụ Khoa học và Công nghệ trình duyệt, Bộ Khoa học và Công nghệ thẩm định, Bộ trưởng Bộ Thông tin và Truyền thông ban hành kèm theo Thông tư số 24/2022/TT-BTTTT ngày 30 tháng 11 năm 2022.
QUY CHUẨN KỸ THUẬT QUỐC GIA
VỀ AN TOÀN ĐIỆN CHO THIẾT BỊ ĐẦU CUỐI VIỄN THÔNG VÀ CÔNG NGHỆ THÔNG TIN
National technical regulation
on electrical safety requirements for telecommunication and information terminal equipment
1. QUY ĐỊNH CHUNG
1.1. Phạm vi điều chỉnh
Quy chuẩn này quy định các yêu cầu an toàn điện áp dụng cho bản thân các thiết bị đầu cuối viễn thông và công nghệ thông tin.
Quy chuẩn này không quy định các yêu cầu an toàn điện của các giao diện được thiết kế và dự định để kết nối tới mạng viễn thông và công nghệ thông tin.
Mã số HS của các thiết bị thuộc phạm vi của quy chuẩn này quy định tại Phụ lục T.
1.2. Đối tượng áp dụng
Quy chuẩn này áp dụng đối với các tổ chức, cá nhân Việt Nam và nước ngoài có hoạt động sản xuất, kinh doanh các thiết bị thuộc phạm vi điều chỉnh của quy chuẩn này trên lãnh thổ Việt Nam.
1.3. Tài liệu viện dẫn
TCVN 8086 (IEC 60085), Cách điện - Đánh giá về nhiệt và ký hiệu cấp chịu nhiệt.
TCVN 6098-1 (IEC 60107-1), Phương pháp đo máy thu hình dùng trong truyền hình quảng bá - Phần 1: Lưu ý chung - Các phép đo ở tần số radio và tần số video.
TCVN 12238 (IEC 60127) (tất cả các phần), Cầu chảy cỡ nhỏ.
TCVN 6610-1 (IEC 60227-1), Cáp cách điện bằng polyvinyl clorua có điện áp danh định đến và bằng 450/750 V - Phần 1: Yêu cầu chung.
TCVN 6610-2 (IEC 60227-2), Cáp cách điện bằng polyvinyl clorua có điện áp danh định đến và bằng 450/750 V - Phần 2: Phương pháp thử.
TCVN 9615-1 (IEC 60245-1), Cáp cách điện bằng cao su - Điện áp danh định đến và bằng 450/750V. Phần 1: Yêu cầu chung.
TCVN 7675 (IEC 60317) (tất cả các phần), Quy định đối với các loại dây quấn cụ thể.
TCVN 10899 (IEC 60320) (tất cả các phần), Bộ nối nguồn dùng cho thiết bị gia dụng và các mục đích sử dụng chung tương tự.
TCVN 6749-14 (IEC 60384-14), Tụ điện không đổi dùng trong thiết bị điện tử – Phần 14: Quy định kỹ thuật từng phần – Tụ điện không đổi dùng để triệt nhiễu điện từ và kết nối với nguồn lưới.
TCVN 4255 (IEC 60529), Cấp bảo vệ bằng vỏ ngoài (mã IP).
TCVN 10884-3 (IEC 60664-3), Phối hợp cách điện dùng cho thiết bị trong hệ thống điện hạ áp. Phần 3: Sử dụng lớp phủ, vỏ bọc hoặc khuôn đúc để bảo vệ chống nhiễm bẩn.
TCVN 9897-1 (IEC 61051-1), Điện trở phi tuyến dùng trong thiết bị điện tử – Phần 1: Quy định kỹ thuật chung.
TCVN 11851-1 (IEC 61056-1), Acquy chì-axit mục đích thông dụng (loại có van điều chỉnh) - Phần 1; Yêu cầu chung, đặc tính chức năng và phương pháp thử.
TCVN 11851-2 (IEC 61056-2), Acquy chì-axit mục đích thông dụng (loại có van điều chỉnh) - Phần 2; Kích thước, đầu nối và ghi nhãn.
TCVN 6615-1 (IEC 61058-1), Thiết bị đóng cắt dùng cho thiết bị. Phần 1: Yêu cầu chung.
TCVN 7917-5 (IEC 60851-5), Dây quấn. Phương pháp thử nghiệm. Phần 5: Đặc tính điện.
TCVN 6188 (IEC 60884-1), Ổ cắm và phích cắm dùng trong gia đình và các mục đích tương tự. Phần 1: Yêu cầu chung.
TCVN 11850-11 (IEC 60896-11), Acquy chì-axit đặt tĩnh tài - Phần 11: Loại có thoát khí - Yêu cầu chung và phương pháp thử.
TCVN 11850-21 (IEC 60896-21), Acquy chì-axit đặt tĩnh tại - Phần 21: Loại có van điều chỉnh - Phương pháp thử.
TCVN 11850-22 (IEC 60896-22), Acquy chì-axit đặt tĩnh tại - Phần 22: Loại có van điều chỉnh - Các yêu cầu.
TCVN 11324-1 (IEC 60906-1), Hệ thống phích cắm và ổ cắm dùng trong gia đình và các mục đích tương tự – Phần 1: Phích cắm và ổ cắm 16 A 250 V xoay chiều.
TCVN 11324-2 (IEC 60906-2), Hệ thống phích cắm và ổ cắm dùng trong gia đình và các mục đích tương tự – Phần 2: Phích cắm và ổ cắm 15 A 125 V xoay chiều và 20 A 125 V xoay chiều.
TCVN 6592-1 (IEC 60947-1), Thiết bị đóng cắt và điều khiển hạ áp. Phần 1: Quy tắc chung.
TCVN 7326-1 (IEC 60950-1), Thiết bị công nghệ thông tin - An toàn - Phần 1: Yêu cầu chung.
TCVN 9622-1 (IEC 60998-1), Bộ đấu nối dùng cho mạch điện hạ áp trong gia đình và các mục đích tương tự - Phần 1: Yêu cầu chung.
TCVN 9623-1 (IEC 60999-1), Bộ đấu nối. Ruột dẫn điện bằng đồng. Yêu cầu an toàn đối với khối kẹp kiểu bắt ren và khối kẹp kiểu không bắt ren. Phần 1: Yêu cầu chung và yêu cầu cụ thể đối với khối kẹp dùng cho ruột dẫn có tiết diện từ 0,2 mm2 đến 35 mm2.
TCVN 12237-1 (IEC 61558-1), An toàn của máy biến áp, cuộn kháng, bộ cấp nguồn và các kết hợp của chúng – Phần 1: Yêu cầu chung và thử nghiệm.
IEC TR 60083, Plugs and socket-outlets for domestic and similar general use standardized in member countries of IEC.
IEC 60085, Electrical insulation – Thermal evaluation and designation.
IEC 60086-4, Primary batteries – Part 4: Safety of lithium batteries.
IEC 60086-5, Primary batteries – Part 5: Safety of batteries with aqueous electrolyte.
IEC 60107-1:1997, Methods of measurement on receivers for television broadcast transmissions – Part 1: General considerations – Measurements at radio and video frequencies.
IEC 60112, Method for the determination of the proof and the comparative tracking indices of solid insulating materials.
IEC 60127 (all parts), Miniature fuses.
IEC 60227-1, Polyvinyl chloride insulated cables of rated voltages up to and including.
450/750 V – Part 1: General requirements.
IEC 60227-2:1997, Polyvinyl chloride insulated cables of rated voltages up to and including 450/750 V – Part 2: Test methods IEC 60227-2:1997/AMD1:2003.
IEC 60245-1, Rubber insulated cables – Rated voltages up to and including 450/750 V – Part 1: General requirements.
IEC 60296, Fluids for electrotechnical applications – Unused mineral insulating oils for transformers and switch gear.
IEC 60309 (all parts), Plugs, socket-outlets and couplers for industrial purposes.
IEC 60317 (all parts), Specifications for particular types of winding wires.
IEC 60317-0-7:2017, Specifications for particular types of winding wires – Part 0-7: General requirements – Fully insulated (FIW) zero-defect enamelled round copper wire.
IEC 60317-43, Specifications for particular types of winding wires – Part 43: Aromatic polyimide tape wrapped round copper wire, class 240.
IEC 60317-56, Specifications for particular types of winding wires – Part 56: Solderable fully insulated (FIW) zero-defect polyurethane enamelled round copper wire, class 180
IEC 60320 (all parts), Appliance couplers for household and similar general purposes
IEC 60320-1, Appliance couplers for household and similar general purposes – Part 1:General requirements.
IEC 60332-1-2, Tests on electric and optical fibre cables under fire conditions – Part 1-2: Test for vertical flame propagation for a single insulated wire or cable – Procedure for 1 kW premixed flame.
IEC 60332-1-3, Tests on electric and optical fibre cables under fire conditions – Part 1-3: Test for vertical flame propagation for a single insulated wire or cable – Procedure for determination of flaming droplets/particles.
IEC 60332-2-2, Tests on electric and optical fibre cables under fire conditions – Part 2-2: Test for vertical flame propagation for a single small insulated wire or cable – Procedure for diffusion flame.
IEC 60384-14, Fixed capacitors for use in electronic equipment – Part 14: Sectional specification: Fixed capacitors for electromagnetic interference suppression and connection to the supply mains.
IEC 60417, Graphical symbols for use on equipment.
IEC 60664-1:2007, Insulation coordination for equipment within low-voltage systems – Part 1: Principles, requirements and tests.
IEC 60664-3, Insulation coordination for equipment within low-voltage systems – Part 3: Use of coating, potting or moulding for protection against pollution.
IEC 60695-2-11, Fire hazard testing – Part 2-11: Glowing/hot-wire based test methods – Glow-wire flammability test method for end-products (GWEPT).
IEC 60695-10-2, Fire hazard testing – Part 10-2: Abnormal heat – Ball pressure test method.
IEC 60695-10-3, Fire hazard testing – Part 10-3: Abnormal heat – Mould stress relief distortion test.
IEC 60695-11-5:2016, Fire hazard testing – Part 11-5: Test flames – Needle-flame test method – Apparatus, confirmatory test arrangement and guidance.
IEC 60695-11-10, Fire hazard testing – Part 11-10: Test flames – 50 W horizontal and vertical flame test methods.
IEC 60695-11-20:2015, Fire hazard testing – Part 11-20: Test flames – 500 W flame test methods.
IEC TS 60695-11-21, Fire hazard testing – Part 11-21: Test flames – 500 W vertical flame test method for tubular polymeric materials.
IEC 60728-11:2016, Cable networks for television signals, sound signals and interactive services – Part 11: Safety.
IEC 60730 (all parts), Automatic electrical controls for household and similar use.
IEC 60730-1:2013, Automatic electrical controls – Part 1: General requirements.
IEC 60738-1:2006, Thermistors – Directly heated positive temperature coefficient – Part 1: Generic specification.
IEC 60836, Specifications for unused silicone insulating liquids for electrotechnical purposes.
IEC 60851-3:2009, Winding wires – Test methods – Part 3: Mechanical properties.
IEC 60851-3:2009/AMD1:2013.
IEC 60851-5:2008, Winding wires – Test methods – Part 5: Electrical properties.
IEC 60851-5:2008/AMD1:2011.
IEC 60884-1, Plugs and socket-outlets for household and similar purposes – Part 1: General requirements.
IEC 60896-11, Stationary lead-acid batteries – Part 11: Vented types – General requirements and methods of tests.
IEC 60896-21:2004, Stationary lead-acid batteries – Part 21: Valve regulated types – Methods of test.
IEC 60896-22, Stationary lead-acid batteries – Part 22: Valve regulated types – Requirements.
IEC 60906-1, IEC system of plugs and socket-outlets for household and similar purposes – Part 1: Plugs and socket-outlets 16 A 250 VAC.
IEC 60906-2, IEC system of plugs and socket-outlets for household and similar purposes – Part 2: Plugs and socket-outlets 15 A 125 VAC.
IEC 60947-1, Low-voltage switchgear and controlgear – Part 1: General rules.
IEC 60947-5-5, Low-voltage switchgear and controlgear – Part 5-5: Control circuit devices and switching elements – Electrical emergency stop device with mechanical latching function.
IEC 60950-1, Information technology equipment – Safety – Part 1: General requirements.
IEC 60990:2016, Methods of measurement of touch current and protective conductor current.
IEC 60998-1, Connecting devices for low-voltage circuits for household and similar purposes – Part 1: General requirements.
IEC 60999-1, Connecting devices – Electrical copper conductors – Safety requirements for screw-type and screwless-type clamping units – Part 1: General requirements and particular requirements for clamping units for conductors from 0,2 mm2 up to 35 mm2 (included).
IEC 60999-2, Connecting devices – Electrical copper conductors – Safety requirements for screw-type and screwless-type clamping units – Part 2: Particular requirements for clamping units for conductors above 35 mm2 up to 300 mm2 (included).
IEC 61039, Classification of insulating liquids.
IEC 61051-1, Varistors for use in electronic equipment – Part 1: Generic specification
IEC 61051-2:1991, Varistors for use in electronic equipment – Part 2: Sectional specification for surge suppression varistors.
IEC 61051-2:1991/AMD1:2009.
IEC 61058-1:2016, Switches for appliances – Part 1: General requirements.
IEC 61099, Insulating liquids – Specifications for unused synthetic organic esters for electrical purposes.
IEC 61204-7, Low-voltage power supplies – Part 7: Safety requirements.
IEC 61293, Marking of electrical equipment with ratings related to electrical supply – Safety requirements.
IEC 61558-1:2017, Safety of power transformers, power supplies, reactors and similar products – Part 1: General requirements and tests.
IEC 61558-2-16, Safety of transformers, reactors, power supply units and similar products for voltages up to 1 100 V – Part 2-16: Particular requirements and tests for switch mode power supply units and transformers for switch mode power supply units.
IEC 61643-11:2011, Low-voltage surge protective devices – Part 11: Surge protective devices connected to low-voltage power systems – Requirements and test methods.
IEC 61643-331:2017, Components for low-voltage surge protective devices – Part 331: Performance requirements and test methods for metal oxide varistors (MOV).
IEC 61810-1:2015, Electromechanical elementary relays – Part 1: General and safety Requirement.
IEC 61984, Connectors – Safety requirements and tests.
IEC TS 62332-1, Electrical insulation systems (EIS) – Thermal evaluation of combined liquid and solid components – Part 1: General requirements.
IEC 62440:2008, Electric cables with a rated voltage not exceeding 450/750 V – Guide to use.
1.4. Giải thích từ ngữ
1.4.1. Chữ viết tắt về nguồn năng lượng
Bảng 1 – Chữ viết tắt về nguồn năng lượng
|
ES |
Electrical energy source |
Nguồn năng lượng điện |
|
ES1 |
Electrical energy source class 1 |
Nguồn năng lượng điện loại 1 |
|
ES2 |
Electrical energy source class 2 |
Nguồn năng lượng điện loại 2 |
|
ES3 |
Electrical energy source class 3 |
Nguồn năng lượng điện loại 3 |
Bảng 2 - Chữ viết tắt về nguồn cấp điện
|
PS |
Power source |
Nguồn năng lượng |
|
PS1 |
Power source class 1 |
Nguồn cấp điện loại 1 |
|
PS2 |
Power source class 2 |
Nguồn cấp điện loại 2 |
|
PS3 |
Power source class 3 |
Nguồn cấp điện loại 3 |
1.4.2. Chữ viết tắt khác
Bảng 3 - Chữ viết tắt khác
|
EIS |
electrical insulation system |
Hệ thống cách điện |
|
EUT |
equipment under test |
Thiết bị đang thử nghiệm |
|
FIW |
fully insulated winding wire |
Dây quấn cách điện hoàn toàn |
|
GDT |
gas discharge tube |
Ống phóng điện có khí |
|
IC |
integrated circuit |
Mạch tích hợp |
|
LPS |
limited power source |
Nguồn điện bị giới hạn |
|
MEL |
momentary exposure level |
Mức độ tiếp xúc tạm thời |
|
MOV |
metal oxide varistor |
Tụ chống sét |
|
NEMA |
National Electrical Manufacturers Association |
Hiệp hội Các nhà sản xuất Điện Quốc gia |
|
PIS |
potential ignition source |
Nguồn đánh lửa tiềm ẩn |
|
PPE |
personal protective equipment |
Thiết bị bảo vệ cá nhân |
|
PTC |
positive temperature coefficient |
Hệ số nhiệt độ dương |
|
PTI |
proof tracking index |
Chỉ số phóng điện bề mặt |
|
RC |
resistor-capacitor |
Điện trở-tụ điện |
|
SEL |
sound exposure level |
Mức độ phơi nhiễm âm thanh |
|
TSS |
thyristor surge suppressor |
Bộ chống sét thyristor |
|
UPS |
uninterruptible power supply |
Nguồn cung cấp điện không gián đoạn |
|
VDR |
voltage dependent resistor |
Điện trở phụ thuộc điện áp |
1.4.3. Thuật ngữ và định nghĩa
1.4.3.1. Các mạch điện
- Mạch điện bên ngoài
Mạch điện ở bên ngoài thiết bị và không phải là nguồn điện lưới.
CHÚ THÍCH 1: Mạch bên ngoài được phân loại là ES1, ES2 hoặc ES3 và PS1, PS2 hoặc PS3.
- Nguồn điện
Hệ thống phân phối điện AC hoặc DC (bên ngoài thiết bị) cung cấp năng lượng hoạt động cho thiết bị và là PS3.
CHÚ THÍCH 1: Nguồn điện bao gồm nguồn điện công cộng hoặc tư nhân và, trừ khi có quy định khác trong tài liệu này, các nguồn tương đương như máy phát điện chạy bằng động cơ và nguồn điện liên tục.
1.4.3.2. Các thuật ngữ về vỏ bọc
- Vỏ bọc điện
Vỏ bọc nhằm mục đích bảo vệ chống lại thương tích do điện gây ra.
Nguồn tham khảo: IEC 60050-195: 1998, 195-06-13, được sửa đổi - thuật ngữ “bảo vệ” đã được sử dụng.
- Vỏ bọc
Vỏ bọc có loại và mức độ bảo vệ phù hợp với ứng dụng dự kiến.
Nguồn tham khảo: IEC 60050-195: 1998, 195-02-35
- Vỏ bọc cháy
Vỏ bọc được thiết kế như một biện pháp bảo vệ chống lại sự lan rộng của lửa từ bên trong vỏ bọc ra bên ngoài vỏ bọc.
- Vỏ bọc cơ khí
Vỏ bọc nhằm mục đích bảo vệ chống lại đau và thương tích do cơ học gây ra.
- Vỏ bọc ngoài trời
Vỏ bọc nhằm bảo vệ khỏi các điều kiện cụ thể ở vị trí ngoài trời.
CHÚ THÍCH 1: Vỏ bọc ngoài trời cũng có thể thực hiện các chức năng của vỏ bọc khác, ví dụ: vỏ bọc chống cháy; một vỏ bọc điện; một vỏ máy.
CHÚ THÍCH 2: Tủ hoặc hộp riêng biệt để đặt thiết bị có thể cung cấp chức năng của vỏ bọc ngoài trời.
1.4.3.3. Thuật ngữ thiết bị
- Thiết bị cắm trực tiếp
Thiết bị trong đó phích cắm nguồn điện tạo thành một phần không thể tách rời của vỏ thiết bị.
- Thiết bị cố định
Thiết bị được mô tả trong hướng dẫn lắp đặt chỉ được cố định tại vị trí bằng phương tiện do nhà sản xuất xác định.
CHÚ THÍCH 1: Thiết bị có lỗ vít hoặc các phương tiện khác để cố định thiết bị của người bình thường, chẳng hạn như để cố định vào bàn hoặc để chống động đất, không được coi là thiết bị cố định.
CHÚ THÍCH 2: Thông thường, thiết bị cố định sẽ được gắn trên tường, trần hoặc sàn.
- Thiết bị cầm tay
Thiết bị có thể di chuyển, hoặc một phần của bất kỳ loại thiết bị nào, được thiết kế để cầm trên tay trong quá trình sử dụng bình thường.
- Thiết bị có thể di chuyển
Là những thiết bị có khối lượng từ 18 kg trở xuống và không phải thiết bị cố định; hoặc có bánh xe hoặc các phương tiện khác để người bình thường có thể di chuyển dễ dàng theo yêu cầu để thực hiện mục đích sử dụng cụ thể.
- Thiết bị ngoài trời
Thiết bị được lắp đặt hoặc để lộ ở vị trí ngoài trời, được nhà sản xuất quy định phải tuân thủ toàn bộ hoặc một phần trong các điều kiện cụ thể.
CHÚ THÍCH 1: Thiết bị có thể vận chuyển, ví dụ, máy tính xách tay hoặc hoặc điện thoại, không phải thiết bị ngoài trời trừ khi được nhà sản xuất quy định để sử dụng liên tục ở vị trí ngoài trời.
- Thiết bị kết nối vĩnh viễn
Thiết bị chỉ có thể được kết nối điện hoặc ngắt kết nối với nguồn điện bằng cách sử dụng một công cụ.
- Thiết bị có thể cắm được loại A
Thiết bị được thiết kế để kết nối với nguồn điện qua phích cắm và ổ cắm không công nghiệp hoặc qua bộ ghép thiết bị phi công nghiệp, hoặc cả hai.
CHÚ THÍCH 1: Ví dụ như phích cắm và ổ cắm được đề cập trong tiêu chuẩn như IEC TR 60083 và IEC 60320-1.
- Thiết bị có thể cắm loại B
Thiết bị được thiết kế để kết nối với nguồn điện qua phích cắm và ổ cắm công nghiệp hoặc qua bộ ghép nối thiết bị công nghiệp, hoặc cả hai.
CHÚ THÍCH 1: Ví dụ như phích cắm và ổ cắm được đề cập trong các tiêu chuẩn như IEC 60309-1.
- Thiết bị chuyên dụng
Thiết bị sử dụng trong các ngành, nghề hoặc các ngành công nghiệp và không nhằm mục đích bán cho công chúng.
Nguồn tham khảo: IEC 60050-161: 1990, 161-05-05.
- Thiết bị trạm
Thiết bị cố định; Thiết bị được kết nối vĩnh viễn; Thiết bị, do các đặc tính vật lý của nó, thường không được di chuyển.
CHÚ THÍCH 1: Thiết bị trạm không phải là thiết bị có thể di chuyển được cũng không phải là thiết bị có thể vận chuyển.
Thiết bị có thể vận chuyển
Thiết bị được thiết kế để mang theo thường xuyên.
CHÚ THÍCH 1: Ví dụ bao gồm máy tính xách tay, đầu đĩa CD và các phụ kiện di động, bao gồm cả bộ nguồn bên ngoài của chúng.
1.4.3.4. Khái niệm về tính dễ cháy
- Vật liệu dễ cháy
Vật liệu có khả năng bắt lửa hoặc đốt cháy.
CHÚ THÍCH 1: Tất cả các vật liệu nhiệt dẻo được coi là có khả năng bắt lửa hoặc đốt cháy.
- Lớp vật liệu dễ cháy
Đặc tính cháy của vật liệu và khả năng dập tắt của chúng nếu bị bắt lửa.
CHÚ THÍCH 1: Vật liệu được phân loại khi thử nghiệm theo IEC 60695-11-10, IEC 60695-11-20, ISO 9772 hoặc ISO 9773.
- Vật liệu lớp 5VA
Vật liệu được thử nghiệm ở độ dày mỏng nhất được sử dụng và được phân loại 5VA theo IEC 60695-11-20.
- Vật liệu lớp 5VB
Vật liệu được thử nghiệm ở độ dày mỏng nhất được sử dụng và được phân loại 5VB theo IEC 60695-11-20.
- Vật liệu lớp HB40
Vật liệu được thử nghiệm ở độ dày mỏng nhất được sử dụng và được phân loại HB40 theo IEC 60695-11-10.
- Vật liệu lớp HB75
Vật liệu được thử nghiệm ở độ dày mỏng nhất được sử dụng và được phân loại HB75 theo IEC 60695-11-10.
- Vật liệu tạo bọt lớp HBF
Vật liệu xốp được thử nghiệm ở độ dày mỏng nhất được sử dụng và được phân loại HBF theo ISO 9772.
- Vật liệu tạo bọt lớp HF-1
Vật liệu xốp được thử nghiệm ở độ dày mỏng nhất được sử dụng và được phân loại HF-1 theo ISO 9772.
- Vật liệu tạo bọt lớp HF-2
Vật liệu xốp được thử nghiệm ở độ dày mỏng nhất được sử dụng và được phân loại HF-2 theo ISO 9772.
- Vật liệu lớp V-0
Vật liệu được thử nghiệm ở độ dày mỏng nhất được sử dụng và được phân loại V-0 theo IEC 60695-11-10.
- Vật liệu lớp V-1
Vật liệu được thử nghiệm ở độ dày mỏng nhất được sử dụng và được phân loại V-1 theo IEC 60695-11-10.
- Vật liệu lớp V-2
Vật liệu được thử nghiệm ở độ dày mỏng nhất được sử dụng và được phân loại V-2 theo IEC 60695-11-10.
- Vật liệu lớp VTM-0
Vật liệu được thử nghiệm ở độ dày mỏng nhất được sử dụng và được phân loại VTM-0 theo ISO 9773.
- Vật liệu lớp VTM-1
Vật liệu được thử nghiệm ở độ dày mỏng nhất được sử dụng và được phân loại VTM-1 theo ISO 9773.
- Vật liệu lớp VTM-2
Vật liệu được thử nghiệm ở độ dày mỏng nhất được sử dụng và được phân loại VTM-2 theo ISO 9773.
1.4.3.5. Cách điện
- Cách điện chính
Cách điện để cung cấp một biện pháp bảo vệ tối thiểu chống lại điện giật.
CHÚ THÍCH 1: Khái niệm này không áp dụng cho cách điện được sử dụng riêng cho các mục đích chức năng.
- Cách điện kép
Cách điện bao gồm cả Cách điện chính và Cách điện phụ.
Nguồn tham khảo: IEC 60050-195,1998, 195-06-08.
- Cách điện chức năng
Cách điện giữa các bộ phận dẫn điện chỉ cần thiết cho chức năng thông thường của thiết bị.
- Chất lỏng cách điện
Vật liệu cách điện bao gồm hoàn toàn bằng chất lỏng
Nguồn tham khảo: IEC 60050-212:2010, 212-11-04.
- Cách nhiệt tăng cường
Hệ thống cách điện đơn cung cấp mức độ bảo vệ chống điện giật tương đương với cách điện kép.
- Cách nhiệt rắn
Cách điện hoàn toàn bằng vật liệu rắn.
Nguồn tham khảo: IEC 60050-212: 2010, 212-11-02.
- Cách điện phụ
Cách điện độc lập được áp dụng ngoài Cách điện chính để cung cấp một biện pháp bảo vệ bổ sung để bảo vệ sự cố chống lại điện giật.
1.4.3.6. Các khái niệm khác
- Có thể tiếp cận được
Có thể chạm vào một phần cơ thể.
CHÚ THÍCH 1: Một phần cơ thể được đại diện bởi một hoặc nhiều đầu dò được quy định trong Phụ lục R, nếu có.
- Cung cấp ngược lại
Điều kiện trong đó điện áp hoặc năng lượng có sẵn trong nguồn cung cấp bằng pin dự phòng được cấp lại cho bất kỳ đầu nối đầu vào nào, trực tiếp hoặc bằng đường rò rỉ trong khi hoạt động ở chế độ năng lượng dự trữ và không có nguồn điện lưới.
- Vải thưa
Vải bông tẩy trắng khoảng 40 g / m2
CHÚ THÍCH 1: Vải thưa là một loại gạc bông thô, dệt lỏng lẻo, ban đầu được sử dụng để gói pho mát.
- Ngắt kết nối thiết bị
Có nghĩa là ngắt kết nối điện của thiết bị khỏi nguồn điện, ở vị trí mở, tuân thủ các yêu cầu quy định về cách ly.
- Nối đất chức năng
Nối đất một điểm hoặc các điểm trong hệ thống hoặc trong lắp đặt hoặc trong thiết bị, cho các mục đích khác ngoài an toàn điện.
Nguồn tham khảo: IEC 60050-195: 1998 / AMD1: 2001, 195-01-13
- Dây cấp nguồn không thể tháo rời
Dây cấp nguồn linh hoạt được gắn vào hoặc lắp ráp với thiết bị và không thể tháo rời khỏi thiết bị nếu không sử dụng công cụ.
- Vị trí ngoài trời
Vị trí đặt thiết bị ở nơi có sự bảo vệ khỏi thời tiết và các ảnh hưởng bên ngoài khác do tòa nhà hoặc cấu trúc khác cung cấp bị hạn chế hoặc không tồn tại.
- Mức độ nhiễm bẩn
Đặc trưng bằng số mô tả nhiễm bẩn dự kiến của môi trường vi mô.
Nguồn tham khảo: IEC 60050-581: 2008, 581-21-07.
- Vùng hạn chế tiếp cận
Vùng chỉ có thể tiếp cận với những người có kỹ năng và những người được hướng dẫn với sự ủy quyền thích hợp.
- Thử nghiệm thường xuyên
Thử nghiệm mà từng thiết bị riêng lẻ phải chịu trong hoặc sau khi sản xuất để xác định xem thiết bị đó có tuân thủ các tiêu chí nhất định hay không.
Nguồn tham khảo: IEC 60664-1: 2007, 3.19.2.
- Thử nghiệm lấy mẫu
Thử nghiệm trên một số thiết bị được lấy ngẫu nhiên từ một lô.
Nguồn tham khảo: IEC 60664-1: 2007, 3.19.3.
- Chế độ năng lượng được lưu trữ
Chế độ hoạt động ổn định mà nguồn cung cấp pin dự phòng đạt được trong các điều kiện cụ thể.
CHÚ THÍCH 1: Phù hợp với IEC 62040-1:2017, các điều kiện quy định như sau:
– Nguồn điện đầu vào AC bị ngắt kết nối hoặc vượt quá dung sai yêu cầu;
– Công suất hoạt động và công suất đầu ra được cung cấp bởi thiết bị lưu trữ năng lượng;
– Tải nằm trong định mức được chỉ định của nguồn cung cấp pin dự phòng.
- Dụng cụ
Đối tượng có thể được sử dụng để vận hành vít, chốt hoặc các phương tiện cố định tương tự.
CHÚ THÍCH 1: Ví dụ về các công cụ bao gồm đồng xu, bộ đồ ăn, tua vít, kìm, v.v.
- Dòng điện chạm
Dòng điện qua cơ thể người khi các bộ phận cơ thể chạm vào hai hoặc nhiều bộ phận có thể tiếp cận hoặc một bộ phận có thể tiếp cận được và đất.
- Thử nghiệm điển hình
Thử nghiệm trên một mẫu đại diện với mục tiêu xác định xem, như được thiết kế và sản xuất, nó có thể đáp ứng các yêu cầu của tiêu chuẩn này hay không.
- Vùng làm việc
Không gian bên trong thiết bị có kích thước mà một người có thể vào toàn bộ hoặc một phần (ví dụ, toàn bộ chi hoặc đầu) để bảo dưỡng hoặc vận hành thiết bị và ở những nơi có thể xuất hiện các nguy cơ cơ học.
CHÚ THÍCH 1: Một vùng làm việc có thể chứa nhiều hơn một ngăn. Một ngăn có thể được sử dụng cho mục đích hoạt động hoặc dịch vụ.
CHÚ THÍCH 2: Thiết bị chứa vùng làm việc thường được lắp đặt trong khu vực truy cập hạn chế.
1.4.3.7. Các điều kiện hoạt động và lỗi
- Điều kiện hoạt động bất thường
Tình trạng hoạt động tạm thời không phải là điều kiện hoạt động bình thường và không phải là tình trạng lỗi đơn lẻ của chính thiết bị.
CHÚ THÍCH 1: Các điều kiện hoạt động bất thường được quy định trong A.3.
CHÚ THÍCH 2: Tình trạng hoạt động bất thường có thể do thiết bị hoặc người gây ra.
CHÚ THÍCH 3: Điều kiện hoạt động bất thường có thể dẫn đến hỏng hóc bộ phận, thiết bị hoặc sự bảo vệ.
- Hoạt động không liên tục
Hoạt động trong một loạt các chu kỳ, mỗi chu kỳ bao gồm một khoảng thời gian hoạt động sau đó là một khoảng thời gian khi thiết bị tắt hoặc chạy không tải.
- Công suất đầu ra không bị cắt
Công suất sóng sin tiêu tán trong trở kháng tải danh định, được đo ở 1 000 Hz khi bắt đầu cắt trên một hoặc cả hai đỉnh cực đại.
- Điều kiện hoạt động bình thường
Phương thức hoạt động thể hiện càng chặt chẽ càng tốt phạm vi sử dụng bình thường có thể được mong đợi một cách hợp lý.
CHÚ THÍCH 1: Trừ khi có quy định khác được nêu, các điều kiện hoạt động bình thường khắc nghiệt nhất là giá trị mặc định bất lợi nhất như quy định trong A.2.
CHÚ THÍCH 2: Việc không sử dụng như dự kiến không được đề cập trong các điều kiện vận hành bình thường. Thay vào đó, nó được xét trong điều kiện hoạt động bất thường.
- Tần số đáp ứng cao nhất
Tần số thử nghiệm tạo ra công suất đầu ra lớn nhất được đo ở trở kháng tải danh định.
CHÚ THÍCH 1: Tần số được áp dụng phải nằm trong phạm vi hoạt động dự kiến của bộ khuếch đại / đầu dò.
- Trở kháng tải định mức
Trở kháng hoặc điện trở, theo công bố của nhà sản xuất, bằng cách kết cuối mạch đầu ra.
- Sử dụng sai dự đoán được
Sử dụng sản phẩm, quá trình hoặc dịch vụ theo cách không được nhà cung cấp dự kiến, nhưng có thể là kết quả của hành vi con người có thể đoán trước được.
CHÚ THÍCH 1: Việc sử dụng sai có thể lường trước được một cách hợp lý được coi là một dạng của các điều kiện hoạt động bất thường.
Nguồn tham khảo: ISO / IEC Guide 51: 2014, được sửa đổi - Trong định nghĩa, "sản phẩm hoặc hệ thống" đã được thay thế bằng "sản phẩm, quy trình hoặc dịch vụ".
- Hoạt động trong thời gian ngắn
Hoạt động trong điều kiện hoạt động bình thường trong một khoảng thời gian xác định, bắt đầu khi thiết bị nguội, khoảng thời gian sau mỗi khoảng thời gian hoạt động đủ để thiết bị nguội xuống nhiệt độ phòng.
- Tình trạng lỗi đơn lẻ
Tình trạng của thiết bị có lỗi trong điều kiện hoạt động bình thường của một biện pháp bảo vệ duy nhất (nhưng không phải là biện pháp bảo vệ tăng cường) hoặc của một thành phần hoặc một thiết bị.
CHÚ THÍCH 1: Các điều kiện sự cố đơn lẻ được quy định trong A.4.
1.4.3.8. Con người
- Người hướng dẫn
Người được hướng dẫn hoặc giám sát bởi một người có chuyên môn về các nguồn điện và người có thể sử dụng một cách có trách nhiệm các biện pháp bảo vệ thiết bị và các biện pháp phòng ngừa liên quan đến các nguồn điện đó.
CHÚ THÍCH 1: Giám sát, như được sử dụng trong định nghĩa, có nghĩa là có sự chỉ đạo và giám sát hoạt động của những người khác.
- Người bình thường
Người không phải là một người có kỹ năng cũng không phải là một người được hướng dẫn.
Nguồn tham khảo: IEC 60050-826: 2004, 826-18-03
- Người có kỹ năng
Người có trình độ học vấn hoặc kinh nghiệm liên quan để cho phép họ xác định các mối nguy hiểm và thực hiện các hành động thích hợp để giảm nguy cơ thương tích cho bản thân và những người khác.
Nguồn tham khảo: IEC 60050-826: 2004, 826-18-01, được sửa đổi - Định nghĩa đã được áp dụng cho tất cả các loại mối nguy.
1.4.3.9. Các nguồn có thể đánh lửa
- Nguồn đánh lửa tiềm ẩn PIS
Vị trí mà năng lượng điện có thể gây ra đánh lửa
- Nguồn đánh lửa hồ quang PIS
PIS trong đó hồ quang có thể xảy ra do hở phần dẫn hoặc tiếp điểm.
CHÚ THÍCH 1: Có thể sử dụng mạch bảo vệ điện tử hoặc các biện pháp xây dựng bổ sung để ngăn một vị trí trở thành PIS phóng điện.
CHÚ THÍCH 2: Tiếp điểm bị lỗi hoặc gián đoạn trong kết nối điện có thể xảy ra trong các mẫu dẫn điện trên bảng mạch in được coi là nằm trong phạm vi của định nghĩa này.
- PIS điện trở
PIS trong đó một bộ phận có thể bắt lửa do tiêu tán công suất quá mức.
CHÚ THÍCH 1: Có thể sử dụng mạch bảo vệ điện tử hoặc các biện pháp xây dựng bổ sung để ngăn một vị trí trở thành PIS điện trở.
1.4.3.10. Định mức
- Dòng định mức
Dòng điện đầu vào của thiết bị, theo công bố của nhà sản xuất, ở điều kiện hoạt động bình thường.
- Tần số định mức
Tần số cung cấp hoặc dải tần số theo công bố của nhà sản xuất.
- Công suất định mức
Công suất đầu vào của thiết bị, theo công bố của nhà sản xuất, ở điều kiện hoạt động bình thường.
- Điện áp định mức
Giá trị của điện áp do nhà sản xuất ấn định cho một bộ phận hoặc thiết bị và liên quan đến các đặc tính hoạt động và hiệu suất.
CHÚ THÍCH 1: Thiết bị có thể có nhiều hơn một giá trị điện áp danh định hoặc có thể có dải điện áp danh định.
Nguồn tham khảo: IEC 60664-1: 2007, 3.9.
- Dải điện áp định mức
Dải điện áp cung cấp, theo công bố của nhà sản xuất, được biểu thị bằng điện áp định mức.
- Định mức dòng điện bảo vệ
Định mức dòng điện của thiết bị bảo vệ quá dòng được lắp đặt trong tòa nhà hoặc trong thiết bị bảo vệ mạch điện.
1.4.3.11. Bảo vệ
- Bảo vệ nguồn cấp dữ liệu
Cơ chế kiểm soát làm giảm nguy cơ điện giật do nguồn cấp dữ liệu.
- Biện pháp bảo vệ cơ bản
Biện pháp cho phép bảo vệ trong điều kiện hoạt động bình thường và trong điều kiện hoạt động bất thường bất cứ khi nào nguồn năng lượng có khả năng gây đau hoặc thương tích có mặt trong thiết bị.
- Bảo vệ kép
Biện pháp bảo vệ bao gồm cả biện pháp bảo vệ cơ bản và biện pháp bảo vệ bổ sung.
- Bảo vệ thiết bị
Bảo vệ một phần vật lý của thiết bị.
- Bảo vệ cài đặt
Bảo vệ một phần vật lý của cài đặt thủ công.
- Bảo vệ có hướng dẫn
Bảo vệ yêu cầu hành vi cụ thể.
- Phòng hộ cá nhân
Thiết bị bảo hộ cá nhân được đeo trên người và làm giảm sự tiếp xúc với nguồn điện.
CHÚ THÍCH 1: Ví dụ như tấm chắn, kính bảo hộ, găng tay, tạp dề, khẩu trang hoặc thiết bị thở.
- Biện pháp phòng ngừa an toàn
Hành vi của người được hướng dẫn để tránh tiếp xúc hoặc tiếp xúc với nguồn năng lượng loại 2 dựa trên sự giám sát hoặc hướng dẫn của một người có kỹ năng.
- Dây liên kết bảo vệ
Dòng điện trong dây dẫn bảo vệ trong thiết bị được cung cấp cho liên kết đẳng thế bảo vệ của các bộ phận được yêu cầu nối đất cho các mục đích an toàn.
CHÚ THÍCH 1: Dây dẫn liên kết bảo vệ nằm bên trong thiết bị.
- Dòng điện trong dây dẫn bảo vệ
Dây dẫn được cung cấp cho các mục đích an toàn (ví dụ, bảo vệ chống điện giật).
CHÚ THÍCH 1: Dòng điện trong dây dẫn bảo vệ là dây nối đất bảo vệ hoặc dây dẫn liên kết bảo vệ.
Nguồn tham khảo: IEC 60050-195:1998 / AMD1: 2001, 195-02-09.
- Nối đất bảo vệ
Nối đất một điểm hoặc các điểm trong hệ thống hoặc trong hệ thống lắp đặt hoặc trong thiết bị vì mục đích an toàn điện.
Nguồn tham khảo: IEC 60050-195:1998 / AMD1: 2001, 195-01-11.
- Dây dẫn nối đất bảo vệ
Dòng điện trong dây dẫn bảo vệ kết nối đầu nối đất bảo vệ chính trong thiết bị với điểm nối đất trong công trình lắp đặt của tòa nhà để nối đất bảo vệ.
- Bảo vệ tăng cường
Biện pháp bảo vệ đơn nhất hoạt động hiệu quả theo: Điều kiện hoạt động bình thường; các điều kiện hoạt động bất thường; và các điều kiện lỗi đơn lẻ.
- Sự bảo vệ
Bộ phận vật lý hoặc hệ thống hoặc hướng dẫn được cung cấp cụ thể để giảm khả năng bị đau hoặc thương tích, hoặc, đối với hỏa hoạn, để giảm khả năng bắt lửa hoặc cháy lan.
- Khóa liên động an toàn
Khả năng tự động thay đổi một nguồn năng lượng thành một nguồn năng lượng loại thấp hơn trước khi có khả năng truyền năng lượng cao hơn cho một bộ phận cơ thể.
CHÚ THÍCH 1: Khóa liên động an toàn bao gồm hệ thống các bộ phận và mạch liên quan trực tiếp đến chức năng bảo vệ, bao gồm các thiết bị cơ điện, dây dẫn trên bảng mạch in, hệ thống dây điện và đầu cuối của chúng, v.v., nếu có.
- Kỹ năng bảo vệ
Hành vi của người có kỹ năng để tránh tiếp xúc hoặc tiếp xúc với nguồn năng lượng loại 2 hoặc cấp 3 dựa trên học vấn và kinh nghiệm.
- Biện pháp bảo vệ bổ sung
Biện pháp tự vệ được áp dụng ngoài biện pháp tự vệ cơ bản đã hoặc đang hoạt động trong trường hợp không áp dụng biện pháp tự vệ cơ bản.
1.4.3.12. Khe hở không khí và chiều dài đường rò
- Khe hở không khí
Khoảng giãn cách ngắn nhất trong không gian giữa hai bộ phận dẫn điện Nguồn tham khảo: IEC 60664-1: 2007, 3.2.
- Chiều dài đường rò
Khoảng giãn cách ngắn nhất dọc theo bề mặt của vật liệu cách điện giữa hai bộ phận dẫn điện.
Nguồn tham khảo: IEC 60664-1: 2007, 1.4.3, được sửa đổi - Trong định nghĩa, "chất rắn" đã bị xóa.
1.4.3.13. Điện áp và dòng điện
- Điện áp DC
Điện áp có độ gợn sóng đỉnh đến đỉnh không vượt quá 10% giá trị trung bình.
CHÚ THÍCH 1: Khi độ gợn sóng đỉnh đến đỉnh vượt quá 10% giá trị trung bình, thì có thể áp dụng các yêu cầu liên quan đến điện áp đỉnh.
- Nguồn điện quá độ
Điện áp đỉnh cao nhất dự kiến giữa đầu vào nguồn lưới và đến thiết bị phát sinh từ quá độ bên ngoài.
- Điện áp tiếp xúc tiềm năng
Điện áp giữa các bộ phận dẫn điện có thể tiếp cận đồng thời hoặc giữa một bộ phận dẫn điện có thể tiếp cận được và đất khi các bộ phận dẫn điện đó đang không tiếp xúc.
Nguồn tham khảo: IEC 60050-195: 1998, 195-05-09, được sửa đổi - Trong định nghĩa, "hoặc giữa một phần dẫn điện có thể tiếp cận và đất" đã được thêm vào.
- Dòng dẫn bảo vệ
Dòng điện chạy qua dây dẫn nối đất bảo vệ trong điều kiện làm việc bình thường
CHÚ THÍCH 1: Dòng điện dẫn bảo vệ trước đây được bao gồm trong thuật ngữ “dòng điện rò”.
- Điện áp chịu thử yêu cầu
Điện áp đỉnh mà cách điện đang xem xét cần phải chịu được
- Điện áp làm việc RMS
Giá trị RMS thực của điện áp làm việc.
CHÚ THÍCH 1: Giá trị RMS thực của điện áp làm việc bao gồm bất kỳ thành phần DC nào của dạng sóng.
CHÚ THÍCH 2: Giá trị RMS kết quả của dạng sóng có điện áp RMS xoay chiều A và điện áp thành phần DC B được cho theo công thức sau:
Giá trị RMS = (A2 + B2)1/2
- Quá điện áp tạm thời
Quá điện áp ở tần số nguồn điện lưới trong thời gian tương đối dài.
- Điện áp làm việc
Điện áp trên bất kỳ phần cách điện cụ thể nào trong khi thiết bị được cung cấp ở điện áp danh định hoặc điện áp bất kỳ trong dải điện áp danh định trong điều kiện làm việc bình thường.
CHÚ THÍCH 1: Quá độ bên ngoài được bỏ qua.
CHÚ THÍCH 2: Điện áp đỉnh định kỳ được bỏ qua.
1.4.3.14. Các loại thiết bị liên quan đến bảo vệ chống điện giật
- Thiết bị loại I
Thiết bị có Cách điện chính được sử dụng như một biện pháp phòng vệ cơ bản và với liên kết bảo vệ và nối đất bảo vệ được sử dụng như một biện pháp bảo vệ bổ sung.
CHÚ THÍCH 1: Thiết bị cấp I có thể được cung cấp với kết cấu cấp II.
Nguồn tham khảo: IEC 60050-851: 2008, 851-15-10, được sửa đổi - Định nghĩa đã được điều chỉnh cho phù hợp với nguyên tắc tự vệ.
- Kết cấu loại II
Một phần của thiết bị mà bảo vệ chống điện giật dựa trên cách điện kép hoặc cách điện tăng cường.
- Thiết bị loại II
Thiết bị trong đó bảo vệ chống điện giật không chỉ dựa vào Cách điện chính mà có cung cấp biện pháp bảo vệ bổ sung, không có quy định về nối đất bảo vệ hoặc phụ thuộc vào điều kiện lắp đặt.
- Thiết bị loại III
Thiết bị trong đó bảo vệ chống điện giật dựa vào nguồn cung cấp từ ES1 và trong đó ES3 không được tạo ra.
1.4.3.15. Các thuật ngữ
- Dây quấn cách điện hoàn toàn FIW
Dây đồng tròn tráng men polyurethane, cấp chịu nhiệt 180.
CHÚ THÍCH 1: Đặc tính cách điện phù hợp với IEC 60317-0-7, IEC 60317-56 và IEC 60851-5: 2008. Các tiêu chuẩn này cũng gọi loại dây này là "dây không có khuyết tật", được định nghĩa là "dây quấn không có hiện tượng gián đoạn điện khi thử nghiệm trong các điều kiện cụ thể".
CHÚ THÍCH 2: Thuật ngữ “dây không lỗi” thường được sử dụng để chỉ FIW.
- Cấp độ FIW
Dải phạm vi đường kính tổng cộng của dây (FIW3 đến FIW9).
2. QUY ĐỊNH KỸ THUẬT
2.1. Yêu cầu chung
2.1.1. Tổng quan
2.1.1.1. Áp dụng các yêu cầu và chấp nhận đối với vật liệu, bộ phận và các cụm lắp ráp
Các yêu cầu được quy định trong các điều liên quan và trong các phụ lục liên quan nếu được tham chiếu trong các điều đó.
Sự phù hợp của các vật liệu, bộ phận hoặc cụm lắp ráp được chứng minh bằng cách tiến hành kiểm tra sự phù hợp trực tiếp hoặc xem xét dựa trên các dữ liệu đã được công bố hoặc kết quả thử nghiệm trước đó.
2.1.1.2. Sử dụng các bộ phận
Khi bộ phận, hoặc một đặc tính của bộ phận, được coi là biện pháp bảo vệ hoặc một phần của biện pháp bảo vệ, các chi tiết đó phải tuân thủ các yêu cầu trong tài liệu này hoặc các điều yêu cầu khác đối với khía cạnh an toàn đối với bộ phận trong các tiêu chuẩn liên quan nếu có.
Sự phù hợp được đánh giá bằng cách kiểm tra và thông qua các dữ liệu hoặc kết quả thử nghiệm liên quan.
2.1.1.3. Thiết kế và cấu tạo thiết bị
Thiết kế và cấu tạo của thiết bị phải có các biện pháp bảo vệ để giảm khả năng bị thương hoặc thiệt hại khi thiết bị hoạt động trong các điều kiện hoạt động bình thường như quy định trong A.2, các điều kiện hoạt động bất thường như quy định trong A.3, và các điều kiện lỗi đơn như quy định trong A.4.
Các bộ phận của thiết bị có thể gây thương tích sẽ không thể tiếp cận được và các bộ phận có thể tiếp cận được đều sẽ không gây ra thương tổn.
Sự phù hợp được đánh giá bằng cách kiểm tra và kết quả thử nghiệm liên quan.
2.1.1.4. Lắp đặt thiết bị
Trừ trường hợp nêu trong 2.1.1.6, việc đánh giá thiết bị theo tài liệu phải xem xét hướng dẫn của nhà sản xuất có liên quan đến cài đặt, di dời, bảo dưỡng và hoạt động, nếu có.
Thiết bị ngoài trời và vỏ bọc ngoài trời của các thiết bị phải thích hợp để sử dụng ở bất kỳ nhiệt độ nào trong phạm vi do nhà sản xuất quy định. Nếu nhà sản xuất không quy định thì phải lấy phạm vi như sau:
- Nhiệt độ môi trường tối thiểu: – 10 °C;
- Nhiệt độ môi trường tối đa: + 40 °C.
Kiểm tra sự phù hợp bằng cách xem xét và bằng cách đánh giá dữ liệu được cung cấp bởi nhà sản xuất.
CHÚ THÍCH 1: Các giá trị nhiệt độ trên dựa vào IEC 60721-3-4, Loại 4K2. Các giá trị này không tính đến môi trường khắc nghiệt (ví dụ: cực kỳ lạnh hoặc cực kỳ nóng); cũng như không bao gồm nhiệt lượng bức xạ từ mặt trời (năng lượng mặt trời).
CHÚ THÍCH 2: Tiêu chuẩn IEC 61587-1 có cung cấp các thông tin về các mức tính năng C1, C2 và C3.
2.1.1.5. Kết cấu và các bộ phận không được đề cập cụ thể
Trường hợp thiết bị liên quan đến công nghệ, thành phần và vật liệu hoặc phương pháp cấu tạo không được đề cập cụ thể trong tài liệu này, thiết bị phải có các biện pháp bảo vệ không ít hơn các biện pháp bảo vệ được quy định trong tài liệu này và các nguyên tắc an toàn tương ứng
2.1.1.6. Hướng đặt thiết bị trong quá trình vận chuyển và sử dụng
Hướng đặt có ảnh hưởng đáng kể đến thiết bị khi sử dụng hoặc ảnh hưởng đến các kết quả thử nghiệm. Tất cả các hướng đặt trong tài liệu lắp đặt và sử dụng đều cần phải được tính đến. Tuy nhiên, nếu thiết bị có xu hướng được sử dụng cố định tại chỗ bởi một người bình thường, chẳng hạn như các lỗ vít cho việc gắn trực tiếp lên mặt lắp đặt hoặc thông qua việc sử dụng giá đỡ và các tính năng tương tự được cung cấp cùng với thiết bị hoặc sẵn có trên thị trường thì tất cả các vị trí có khả năng ảnh hưởng đến hướng đặt của thiết bị phải được tính đến, bao gồm cả khả năng lắp lên bề mặt không thẳng đứng.
Ngoài ra, đối với thiết bị có thể vận chuyển, tất cả các hướng đặt thiết bị khi vận chuyển đều sẽ được tính đến.
2.1.1.7. Lựa chọn tiêu chí
Trong đó tài liệu này chỉ ra sự lựa chọn giữa các tiêu chí tuân thủ khác nhau hoặc giữa
các phương pháp hoặc điều kiện thử nghiệm khác nhau, sự lựa chọn do nhà sản xuất quy định.
2.1.1.8. Chất lỏng và các bộ phận chứa chất lỏng (LFC)
Trừ khi được quy định là chất lỏng cách điện, chất lỏng phải được coi là vật chất dẫn điện.
Kết cấu và các yêu cầu thử nghiệm đối với LFC có điều áp được sử dụng bên trong thiết bị có khả năng gây chấn thương theo nghĩa của tài liệu này do rò rỉ chất lỏng trong LFC phải tuân thủ theo D.15. Tuy nhiên, D.15 không áp dụng cho những điều sau:
- LFC được niêm phong trong thiết bị nhưng khi mở ra tiếp xúc với không khí; hoặc
- Các thành phần chứa một lượng nhỏ chất lỏng không có khả năng gây ra bất kỳ chấn thương nào (ví dụ, màn hình tinh thể lỏng, tụ điện, ống dẫn nhiệt làm mát bằng chất lỏng, v.v.); hoặc
- LFC và các bộ phận liên quan của nó phù hợp với P.3.3; hoặc
- Thiết bị có chứa hơn 1 lít chất lỏng.
2.1.1.9. Dụng cụ đo điện
Dụng cụ đo điện phải có đủ băng thông để cung cấp khả năng đọc số chính xác, yếu tố này có tính đến tất cả các thành phần (DC, tần số nguồn, tần số cao và sóng hài) của tham số được đo.
Khi đo một giá trị RMS, cần đảm bảo thiết bị đo có thể đọc giá trị đúng cho giá trị RMS của tín hiệu dạng sóng hình sin cũng như không hình sin.
Phép đo phải được thực hiện với đồng hồ đo có trở kháng đầu vào không ảnh hưởng đáng kể đến kết quả phép đo.
2.1.1.10. Các phép đo nhiệt độ
Trừ khi có quy định khác, trong đó kết quả của thử nghiệm có thể coi là phụ thuộc vào nhiệt độ môi trường, phạm vi nhiệt độ môi trường cho phép của thiết bị được nhà sản xuất công bố (Tma). Khi thực hiện thử nghiệm tại một giá trị nhiệt độ môi trường cụ thể (Tamb), phép ngoại suy (trên và dưới) của kết quả phép thử có thể được sử dụng để xem xét tác động của Tma đến kết quả. Các bộ phận và cụm lắp ráp có thể được xem xét riêng biệt với thiết bị nếu kết quả thử nghiệm và phép ngoại suy đại diện cho toàn bộ thiết bị đang được thử nghiệm. Dữ liệu thử nghiệm liên quan và thông số kỹ thuật của nhà sản xuất có thể được kiểm tra để xác định ảnh hưởng của sự thay đổi nhiệt độ đối với một thành phần hoặc cụm lắp ráp (xem A.1.5).
2.1.1.11. Điều kiện trạng thái ổn định
Điều kiện trạng thái ổn định là điều kiện khi sự ổn định nhiệt độ được coi là tồn tại (xem A.1.5).
2.1.1.12. Phân cấp các biện pháp bảo vệ
Các biện pháp bảo vệ được yêu cầu với người bình thường được chấp nhận, nhưng có thể không bắt buộc với người được chỉ dẫn và người có kỹ năng. Tương tự như vậy, các biện pháp bảo vệ được yêu cầu với những người được chỉ dẫn được chấp nhận, nhưng có thể không bắt buộc đối với người có kỹ năng.
Một biện pháp bảo vệ tăng cường có thể được sử dụng thay cho một biện pháp bảo vệ cơ bản hoặc một biện pháp bảo vệ bổ sung hoặc biện pháp bảo vệ kép. Một biện pháp bảo vệ kép có thể được sử dụng thay cho một biện pháp bảo vệ tăng cường.
Các biện pháp bảo vệ, ngoài các biện pháp bảo vệ thiết bị, được quy định trong các điều cụ thể.
2.1.1.13. Các ví dụ được đề cập trong quy chuẩn này
Trong trường hợp các ví dụ được đưa ra trong tiêu chuẩn này; các ví dụ, tình huống và giải pháp khác liên quan đều không bị loại trừ.
2.1.1.14. Thử nghiệm trên các bộ phận hoặc mẫu tách biệt với sản phẩm cuối cùng
Nếu thử nghiệm được tiến hành trên một bộ phận hoặc mẫu tách biệt với sản phẩm cuối cùng, thì thử nghiệm phải được tiến hành như trong điều kiện bộ phận hoặc mẫu đó nằm trong sản phẩm cuối cùng.
2.1.2. Phân loại các nguồn năng lượng
2.1.2.1. Nguồn năng lượng loại 1
Trừ khi có quy định khác, nguồn năng lượng loại 1 là nguồn năng lượng có mức không vượt quá giới hạn loại 1 trong:
- Các điều kiện hoạt động bình thường; và
- Các điều kiện hoạt động bất thường không dẫn đến một tình trạng lỗi đơn; và
- Các điều kiện lỗi đơn không dẫn đến việc vượt quá giới hạn loại 2.
Dòng điện trong dây dẫn bảo vệ là nguồn năng lượng điện loại 1.
2.1.2.2. Nguồn năng lượng loại 2
Trừ khi có quy định khác, nguồn cấp 2 là nguồn năng lượng có mức vượt quá giới hạn loại 1 và không vượt quá giới hạn loại 2 trong điều kiện hoạt động bình thường, điều kiện hoạt động bất thường hoặc các điều kiện lỗi đơn.
2.1.2.3. Nguồn năng lượng loại 3
Nguồn năng lượng loại 3 là nguồn năng lượng có mức vượt quá giới hạn loại 2 trong điều kiện hoạt động bình thường, điều kiện hoạt động bất thường, hoặc điều kiện lỗi đơn, hoặc bất kỳ nguồn năng lượng nào được khai báo là nguồn năng lượng loại 3, như đã nêu trong 2.1.2.2.1.
Dây dẫn trung tính là nguồn năng lượng điện loại 3.
2.1.2.4. Phân loại nguồn năng lượng theo công bố
Nhà sản xuất có thể công bố:
- Nguồn năng lượng loại 1 là nguồn năng lượng loại 2 hoặc nguồn năng lượng loại 3;
- Nguồn năng lượng loại 2 là nguồn năng lượng loại 3.
2.1.3. Bảo vệ chống lại các nguồn năng lượng
2.1.3.1. Yêu cầu chung
Các thuật ngữ “người”, “cơ thể” và “các bộ phận cơ thể” được mô tả bởi các đầu dò trong Phụ lục R.
2.1.3.2. Các biện pháp bảo vệ để bảo vệ một người bình thường
2.1.3.2.1. Biện pháp bảo vệ giữa nguồn năng lượng loại 1 và người bình thường
Không có biện pháp bảo vệ nào được yêu cầu giữa nguồn năng lượng loại 1 và người bình thường. Do đó, một người bình thường có thể tiếp cận trực tiếp nguồn năng lượng loại 1.

Hình 1 - Bảo vệ nguồn năng lượng loại 1 và người bình thường
2.1.3.2.2. Biện pháp bảo vệ giữa nguồn năng lượng loại 2 và người bình thường
Cần có ít nhất một biện pháp bảo vệ cơ bản giữa nguồn năng lượng loại 2 và người bình thường.

Hình 2 - Bảo vệ giữa nguồn năng lượng loại 2 và người bình thường
2.1.3.2.3. Biện pháp bảo vệ giữa nguồn năng lượng loại 2 và người bình thường trong điều kiện hoạt động với người bình thường
Nếu các điều kiện hoạt động với người bình thường yêu cầu phải tháo bỏ hoặc hủy bỏ biện pháp bảo vệ cơ bản, một biện pháp bảo vệ được hướng dẫn n sẽ được cung cấp và được đặt theo cách mà một người bình thường sẽ nhìn thấy thông tin về biện pháp bảo vệ được hướng dẫn trước khi tháo bỏ hoặc hủy bỏ biện pháp bảo vệ c.
Biện pháp bảo vệ được hướng dẫn phải bao gồm tất cả những điều sau:
- Xác định các bộ phận và vị trí của nguồn năng lượng loại 2;
- Chỉ rõ các hành động sẽ bảo vệ con người khỏi nguồn năng lượng đó; và
- Chỉ định các hành động để khôi phục hoặc phục hồi biện pháp bảo vệ cơ bản.
Nếu các điều kiện hoạt động với người bình thường yêu cầu phải tháo bỏ hoặc hủy bỏ biện pháp bảo vệ cơ bản, và nơi thiết bị được thiết kế để sử dụng trong gia đình, một biện pháp bảo vệ được hướng dẫn, hướng tới người lớn, sẽ cảnh báo về việc trẻ em không được tháo bỏ hoặc hủy bỏ các biện pháp bảo vệ cơ bản.

Hình 3 - Bảo vệ giữa nguồn năng lượng loại 2 và người bình thường có điều kiện
2.1.3.2.4. Biện pháp bảo vệ giữa nguồn năng lượng loại 3 và người bình thường
Trừ khi được quy định khác,
- Một biện pháp bảo vệ cơ bản và một biện pháp bảo vệ bổ sung cho thiết bị để cùng hình thành một biện pháp bảo vệ kép; hoặc
- Một biện pháp bảo vệ tăng cường được yêu cầu giữa nguồn năng lượng loại 3 và người bình thường.

Hình 4 - Bảo vệ giữa nguồn năng lượng loại 3 và người bình thường
2.1.3.3. Các biện pháp bảo vệ để bảo vệ người được chỉ dẫn
2.1.3.3.1. Biện pháp bảo vệ giữa nguồn năng lượng loại 1 và người được chỉ dẫn
Không có biện pháp bảo vệ nào được yêu cầu giữa nguồn năng lượng loại 1 và người được chỉ dẫn.

Hình 5 - Bảo vệ giữa nguồn năng lượng loại 1 và người được chỉ dẫn
2.1.3.3.2. Biện pháp bảo vệ giữa nguồn năng lượng loại 2 và người được chỉ dẫn
Người được chỉ dẫn sử dụng biện pháp bảo vệ phòng ngừa. Không cần thiết phải có thêm biện pháp bảo vệ nào giữa nguồn năng lượng loại 2 và người được chỉ dẫn. Do đó, nguồn năng lượng loại 2 có thể tiếp cận được người được chỉ dẫn.

Hình 6 - Bảo vệ giữa nguồn năng lượng loại 2 và người được chỉ dẫn
2.1.3.3.3. Biện pháp bảo vệ giữa nguồn năng lượng loại 3 và người được chỉ dẫn
Trừ khi có các quy định khác,
- Một biện pháp bảo vệ cơ bản và một biện pháp bảo vệ bổ sung cho thiết bị để cùng hình thành một biện pháp bảo vệ kép; hoặc
- Một biện pháp bảo vệ tăng cường được yêu cầu giữa nguồn năng lượng loại 3 và người được chỉ dẫn.

Hình 7 - Bảo vệ giữa nguồn năng lượng loại 3 và người được chỉ dẫn
2.1.3.4. Các biện pháp bảo vệ để bảo vệ người có kỹ năng
2.1.3.4.1. Biện pháp bảo vệ giữa nguồn năng lượng loại 1 và người có kỹ năng
Không có biện pháp bảo vệ nào được yêu cầu giữa nguồn năng lượng loại 1 và người có kỹ năng. Do đó, một nguồn năng lượng loại 1 có thể được tiếp cận được người có kỹ năng.

Hình 8 - Bảo vệ giữa nguồn năng lượng loại 1 và người có kỹ năng
2.1.3.4.2. Biện pháp bảo vệ giữa nguồn năng lượng loại 2 và người có kỹ năng
Người có kỹ năng sử dụng biện pháp bảo vệ kỹ năng. Không có biện pháp bảo vệ bổ sung nào được yêu cầu giữa nguồn năng lượng loại 2 và người có kỹ năng. Do đó, nguồn năng lượng loại 2 có thể tiếp cận được người có kỹ năng.

Hình 9 - Bảo vệ giữa nguồn năng lượng loại 2 và người có kỹ năng
2.1.3.4.3. Biện pháp bảo vệ giữa nguồn năng lượng loại 3 và người có kỹ năng
Một người có kỹ năng sử dụng biện pháp bảo vệ kỹ năng. Trừ khi có chỉ định khác, không cần thêm biện pháp bảo vệ nào giữa nguồn năng lượng loại 3 và một người có kỹ năng. Do đó, một nguồn năng lượng loại 3 có thể tiếp cận được với người có kỹ năng.
Trong các điều kiện hoạt động của thiết bị với nguồn năng lượng loại 3, một biện pháp bảo vệ nhằm mục đích giảm khả năng bị thương do tác động vô tình giữa:
- Một nguồn năng lượng loại 3 khác, đang không trong điều kiện hoạt động, và ở vùng lân cận với nguồn năng lượng loại 3 đang hoạt động; và
- Người có kỹ năng.

Hình 10 - Bảo vệ giữa nguồn năng lượng loại 3 khác và người có kỹ năng
2.1.3.5. Biện pháp bảo vệ trong khu vực hạn chế tiếp cận
Một số thiết bị được thiết kế để lắp đặt riêng trong các khu vực hạn chế tiếp cận. Những thiết bị này phải có các biện pháp bảo vệ như yêu cầu trong 2.1.3.3 đối với người được chỉ dẫn và 2.1.3.4 đối với người có kỹ năng.
2.1.4. Các biện pháp bảo vệ
2.1.4.1. Vật liệu hoặc bộ phận tương đương
Trong quy chuẩn này liệt kê một thông số bảo vệ cụ thể, chẳng hạn như phân loại nhiệt của lớp cách nhiệt hoặc vật liệu dễ cháy, các biện pháp bảo vệ có thông số tốt hơn đều có thể được sử dụng.
2.1.4.2. Thành phần của biện pháp bảo vệ
Một biện pháp bảo vệ có thể bao gồm một hoặc nhiều yếu tố.
2.1.4.3. Sự chắc chắn của biện pháp bảo vệ
2.1.4.3.1. Yêu cầu chung
Các biện pháp bảo vệ ở dạng vật chất rắn (ví dụ như vỏ bọc, rào chắn, vật liệu cách nhiệt vững chắc, kim loại được nối đất, thủy tinh, v.v.) mà có thể tiếp cận được bởi người bình thường hoặc người được chỉ dẫn phải tuân thủ các thử nghiệm độ bền có liên quan như quy định trong 2.1.4.3.2 đến 2.1.4.3.10.
Đối với biện pháp bảo vệ có thể tiếp cận được sau khi mở vỏ bọc bên ngoài, xem 2.1.4.3.5.
Yêu cầu cho:
- Độ bám dính của các lớp phủ kim loại; và
- Các liên kết bảo vệ bộ phận đóng vai trò là biện pháp bảo vệ; và
- Các bộ phận có thể hủy bỏ lớp bảo vệ nếu bị mất liên kết
được quy định trong P.2.1.
2.1.4.3.2. Phép thử lực ổn định
Vỏ bọc hoặc rào chắn có thể tiếp cận được và được sử dụng như biện pháp bảo vệ cho:
- Thiết bị có thể vận chuyển; và
- Thiết bị cầm tay; và
- Thiết bị cắm trực tiếp
được áp dụng phép thử lực ổn định trong Q.4
Một biện pháp bảo vệ có thể tiếp cận và biện pháp này chỉ hoạt động như một vỏ bọc chống cháy hoặc rào cản chống cháy phải áp dụng phép thử lực ổn định của Q.3.
Tất cả các loại vỏ bọc hoặc rào cản khác có thể tiếp cận và được sử dụng như một biện pháp bảo vệ phải áp dụng phép thử lực ổn định trong Q.5. Không có yêu cầu nào cho phần đáy của thiết bị có khối lượng lớn hơn 18 kg trừ khi hướng dẫn sử dụng mô tả hướng của thiết bị mà đáy của vỏ bọc trở thành đỉnh hoặc một mặt của thiết bị.
Điều này không áp dụng cho thủy tinh. Yêu cầu đối với thủy tinh được nêu trong 2.1.4.3.6.
2.1.4.3.3. Phép thử rơi tự do
Các thiết bị sau đây phải áp dụng phép thử va đập tại Q.7:
- Thiết bị cầm tay;
- Thiết bị cắm trực tiếp;
- Thiết bị có thể vận chuyển;
- Thiết bị có thể di chuyển được có yêu cầu về nâng hoặc cầm bởi người bình thường như một phần của mục đích sử dụng, bao gồm cả việc di dời định kỳ;
CHÚ THÍCH: Ví dụ về loại thiết bị này là máy hủy tài liệu đặt trên thùng chứa giấy bị hủy, cần phải tháo máy hủy tải liệu để dọn thùng chứa giấy bị hủy.
- Thiết bị để trên bàn có khối lượng từ 7 kg trở xuống được thiết kế để sử dụng với bất kỳ chức năng nào sau đây:
• Thiết bị điện thoại cầm tay có dây kết nối; hoặc
• Phụ kiện của thiết bị cầm tay được kết nối bằng dây khác có chức năng âm thanh; hoặc
• Tai nghe.
2.1.4.3.4. Phép thử va đập
Tất cả thiết bị, trừ các thiết bị được quy định trong 2.1.4.3.3, phải áp dụng thử nghiệm va đập của trong Q.6.
Thử nghiệm va đập trong Q.6 không được áp dụng cho các trường hợp sau:
- Đáy của vỏ bọc, trừ khi hướng dẫn sử dụng mô tả hướng của thiết bị mà đáy của vỏ bọc trở thành đỉnh hoặc một mặt của thiết bị;
- Thủy tinh;
CHÚ THÍCH: Các thử nghiệm va đập đối với thủy tinh nằm trong 2.1.4.3.6.
- Bề mặt của vỏ bọc của thiết bị tĩnh, kể cả thiết bị dùng trong tòa nhà, đó là
• Không thể tiếp cận được; hoặc
• Được bảo vệ sau khi lắp đặt.
2.1.4.3.5. Các thử nghiệm bảo vệ có thể tiếp cận bên trong
Một biện pháp bảo vệ bên trong mà một người bình thường có thể tiếp cận được sau khi mở vỏ bọc bên ngoài và hành động này sẽ khiến các nguồn năng lượng loại 2 hoặc loại 3 có thể tiếp cận được sẽ phải áp dụng phép thử lực ổn định như trong Q.3.
2.1.4.3.6. Kiểm tra va đập đối với thủy tinh
Các yêu cầu dưới đây có thể áp dụng cho tất cả các bộ phận làm bằng thủy tinh, ngoại trừ:
- Trục cuốn kính được sử dụng trên máy photocopy, máy quét và các loại tương tự, nơi kính đã được đặt đối với thử nghiệm lực ổn định như trong Q.3 và được cung cấp một vỏ bọc hoặc thiết bị để bảo vệ kính trục lăn; và
- Thủy tinh nhiều lớp hoặc có kết cấu sao cho các hạt thủy tinh không tách ra khỏi nhau nếu kính bị vỡ.
CHÚ THÍCH: Kính nhiều lớp bao gồm các cấu tạo như màng nhựa được dán vào một mặt của kính.
Kính mà người bình thường hoặc người được chỉ dẫn có thể tiếp cận được:
- Có diện tích bề mặt lớn hơn 0,1 m2; hoặc
- Có kích thước chính vượt quá 450 mm; hoặc
- Ngăn cản khả năng tiếp cận các nguồn năng lượng loại 3 nhưng không bao gồm PS3
phải áp dụng thử nghiệm va đập đối với thủy tinh trong Q.9.
2.1.4.3.7. Thử nghiệm cố định thủy tinh
Thủy tinh nhiều lớp được sử dụng như một biện pháp bảo vệ ngăn cản việc tiếp cận các nguồn năng lượng loại 3 nhưng không bao gồm PS3 phải chịu các thử nghiệm cố định sau:
- Thử va đập đối với thủy tinh như trong Q.9 với lực va đập 1J được áp dụng ba lần; và
- Thử nghiệm đẩy / kéo với lực 10N được đặt ở tâm của mẫu thử thủy tinh tại hướng bất lợi nhất.
CHÚ THÍCH: Để thực hiện thử nghiệm, có thể sử dụng bất kỳ phương pháp thích hợp nào, chẳng hạn như sử dụng tay cầm hút hoặc miếng dán hỗ trợ cho thủy tinh.
2.1.4.3.8. Thử nghiệm vật liệu nhựa nhiệt dẻo
Nếu một biện pháp bảo vệ được tạo nên bằng vật liệu nhựa nhiệt dẻo, thì biện pháp bảo vệ đó phải được cấu tạo để tránh mọi sự co rút hoặc biến dạng của vật liệu do giải phóng áp suất bên trong sẽ phá hủy chức năng bảo vệ của nó. Vật liệu nhựa nhiệt dẻo phải chịu thử nghiệm giảm áp suất như trong Q.8.
2.1.4.3.9. Biện pháp bảo vệ được bao quanh bởi không khí
Trường hợp biện pháp bảo vệ được bao quanh bởi không khí (ví dụ, các khoảng trống), các rào cản hoặc vỏ bọc phải ngăn cản sự dịch chuyển của không khí bởi bộ phận cơ thể hoặc bộ phận dẫn điện. Các rào cản hoặc vỏ bọc phải phù hợp với phép thử độ bền cơ học như trong Phụ lục Q, nếu có.
2.1.4.3.10. Tiêu chí tuân thủ
Trong và sau khi kiểm tra:
- Ngoại trừ PS3, các nguồn năng lượng loại 3 sẽ không thể tiếp cận được với người bình thường người hoặc người được chỉ dẫn; và
- Thủy tinh sẽ:
• Không bị vỡ hoặc nứt; hoặc
• Không vỡ thành các mảnh thủy tinh có khối lượng lớn hơn 30 g hoặc kích thước các chiều lớn hơn 50 mm; hoặc
• Đáp ứng phép thử phân mảnh như trong Q.10 trên mẫu thử độc lập; và
- Vẫn đáp ứng tất cả các biện pháp bảo vệ khác.
2.1.4.4. Khóa liên động an toàn
Trừ khi có quy định khác, nếu khóa liên động an toàn được sử dụng như một biện pháp bảo vệ để chống lại ảnh hưởng của:
- Nguồn năng lượng loại 2 hoặc loại 3 đến người bình thường; hoặc
- Nguồn năng lượng loại 3 đến người được chỉ dẫn,
thì khóa liên động an toàn phải tuân thủ theo Phụ lục K.
2.1.5. Nổ
2.1.5.1. Yêu cầu chung
Nổ có thể xảy ra do:
- Phản ứng hóa học;
- Biến dạng cơ học của thùng kín;
- Sự cháy hoặc phân hủy nhanh chóng, tạo ra một lượng lớn khí nóng;
- Áp suất cao; hoặc
- Nhiệt độ cao.
CHÚ THÍCH 1: Tùy thuộc vào mật độ năng lượng, nổ có thể được phân loại: bùng nổ, kích nổ hoặc áp suất nổ.
CHÚ THÍCH 2: Siêu tụ điện (ví dụ, tụ điện hai lớp) là nguồn năng lượng cao và có thể phát nổ sau khi sạc quá mức và tại nhiệt độ cao.
2.1.5.2. Yêu cầu
Trong điều kiện hoạt động bình thường và điều kiện hoạt động bất thường của thiết bị, hiện tượng nổ không được xảy ra. Nếu một vụ nổ xảy ra trong các điều kiện lỗi đơn, nó sẽ không gây ra thương tích và thiết bị phải tuân thủ các phần liên quan của Quy chuẩn này.
Sự phù hợp được đánh giá bằng cách kiểm tra và các thử nghiệm như quy định trong A.2, A.3 và A.2.1.
2.1.6. Cố định vật chất dẫn
2.1.6.1. Yêu cầu
Vật chất dẫn phải đảm bảo sao cho sự dịch chuyển không gây hủy bỏ các biện pháp bảo vệ, chẳng hạn như giảm giá trị của khe hở không khí hoặc chiều dài đường rò xuống dưới các giá trị quy định trong 2.2.2.1.2 và 2.2.2.1.3.
Việc cố định vật chất dẫn phải đảm bảo sao cho, vật chất dẫn bị lỏng hoặc bị tách ra, vật chất dẫn không thể gây hủy bỏ biện pháp bảo vệ, chẳng hạn như giảm giá trị của khe hở không khí hoặc chiều dài đường rò xuống dưới các giá trị quy định trong 2.2.2.1.2 và 2.2.2.1.3.
Với mục đích của các yêu cầu này, giả định rằng:
- Hai cơ chế cố định độc lập sẽ không bị lỏng hoặc tách rời cùng một lúc; và
- Các bộ phận được cố định bằng vít hoặc đai ốc được kết hợp với vòng đệm tự khóa hoặc các phương tiện khóa khác không bị lỏng hoặc bị tách rời.
LƯU Ý: Vòng đệm lò xo hoặc tương tự cũng có thể thỏa mãn các yêu cầu về khóa.
2.1.6.2. Tiêu chí tuân thủ
Sự phù hợp được đánh giá bằng cách kiểm tra, bằng đo lường hoặc, trong trường hợp có nghi ngờ, bằng các phép thử như trong Q.2 áp dụng theo hướng bất lợi nhất.
Ví dụ: Các công trình được coi là đáp ứng các yêu cầu bao gồm:
- Ông áp sát (ví dụ, ống co nhiệt hoặc ống bọc cao su), được áp dụng trên dây và đầu cuối của nó;
- Vật dẫn được nối bằng cách hàn và được giữ ở vị trí gần đầu cuối, độc lập với mối nối hàn;
- Vật dẫn được nối bằng cách hàn và được móc chắc chắn trước khi hàn, với điều kiện là lỗ mà ruột dẫn đi qua không quá lớn;
- Vật dẫn được nối với các đầu nối bằng vít, với một phần cố định bổ sung gần đầu nối để kẹp;
- Các vật dẫn được nối với các đầu nối bằng vít và được cung cấp với các đầu cuối không có khả năng chuyển động tự do (ví dụ, các đầu vòng được uốn vào vật dẫn), tuy nhiên, việc xoay trục của các đầu cuối như vậy cần phải được xem xét; hoặc
- Các vật dẫn thể rắn và kích thước ngắn vẫn ở nguyên vị trí khi vít đầu cuối bị nới lỏng.
2.1.7. Thiết bị để cắm trực tiếp vào ổ cắm điện lưới
2.1.7.1. Yêu cầu chung
Thiết bị kết hợp các chốt tích hợp để cắm vào ổ cắm điện lưới không được đặt mô-men xoắn quá mức lên ổ cắm. Cơ chế để cố định các chốt phải chịu được lực mà các chốt có thể phải chịu trong sử dụng bình thường.
2.1.7.2. Yêu cầu
Phần phích cắm nguồn điện phải tuân thủ tiêu chuẩn liên quan đối với phích cắm nguồn điện.
Trong sử dụng bình thường, thiết bị được lắp vào ổ cắm cố định có cấu hình như dự kiến của nhà sản xuất, được xoay quanh trục nằm ngang giao với đường tâm của các tiếp điểm ở khoảng giãn cách 8 mm sau mặt tiếp xúc của ổ cắm song song với mặt khớp nối.
2.1.7.3. Tiêu chí tuân thủ
Kiểm tra sự phù hợp bằng cách xem xét và áp dụng một mômen lực tác dụng lên ổ cắm để duy trì mặt tiếp giáp trong mặt phẳng thẳng đứng không được vượt quá 0,25_Nm.
Giá trị này không bao gồm mô-men xoắn để giữ ổ cắm nằm trong mặt phẳng thẳng đứng.
2.1.8. Khả năng xảy ra cháy hoặc điện giật do sự tiếp xúc của các vật dẫn
Khi có sự tiếp xúc của một vật dẫn từ bên ngoài thiết bị hoặc từ một phần khác của thiết bị có thể dẫn đến:
- Bắc cầu trong mạch PS3 và ES3; hoặc
- Bắc cầu mạch ES3 với các bộ phận dẫn có thể tiếp cận, không tiếp đất.
Các cổng mở mặt trên và bên trên các mạch PS3 và ES3 phải:
- Nằm cao hơn 1,8 m so với mặt sàn; hoặc
- Tuân thủ Phụ lục P.
Sự phù hợp được đánh giá bằng cách kiểm tra hoặc theo Phụ lục P.
2.1.9. Yêu cầu về thành phần
2.1.9.1. Ngắt kết nối thiết bị
Thiết bị được nối với nguồn điện lưới phải được cung cấp thiết bị ngắt kết nối phù hợp với Phụ lục K.
2.1.9.2. Thiết bị đóng cắt và rơ le
Thiết bị đóng cắt và rơ le đặt trong mạch PS3 hoặc được sử dụng như một biện pháp bảo vệ phải tuân thủ G.1 hoặc G.2 tương ứng.
Độ sẵn sàng của mạng vô tuyến là tỷ lệ (%) giữa số mẫu đo có mức tín hiệu thu lớn hơn hoặc bằng -121 dBm trên tổng số mẫu đo.
2.2. Yêu cầu bảo vệ đối với điện đến con người
2.2.1. Tổng quan
Để làm giảm thiểu khả năng của các tác động và chấn thương gây nên bởi dòng điện chạy qua cơ thể con người, các thiết bị sẽ được cung cấp với các biện pháp an toàn được chỉ ra trong điều 2.
2.2.2. Phân loại và các giới hạn của các nguồn năng lượng điện
2.2.2.1. Phân loại nguồn năng lượng điện
2.2.2.1.1. ES1
ES1 là nguồn năng lượng điện loại 1 với các mức dòng điện và điện áp:
- Không vượt quá giới hạn ES1 trong:
+ Điều kiện hoạt động bình thường, và
+ Điều kiện hoạt động bất thường, và
+ Các điều kiện lỗi đơn của một bộ phận, một thiết bị hoặc vật liệu cách điện không đóng vai trò là biện pháp bảo vệ và
- Không vượt quá giới hạn ES2 trong các điều kiện lỗi đơn của biện pháp bảo vệ cơ bản hoặc của biện pháp bảo vệ bổ sung.
GHI CHÚ: Về các yêu cầu khả năng tiếp cận, xem 2.2.3.1.
2.2.2.1.2. ES2
ES2 là nguồn năng lượng điện loại 2, khi:
- Cả điện áp và dòng điện vượt quá giới hạn cho ES1, và trong:
+ Điều kiện hoạt động bình thường, và
+ Điều kiện hoạt động bất thường, và
+ Các điều kiện lỗi đơn,
Hoặc điện áp và dòng điện không vượt quá giới hạn cho ES2
2.2.2.1.3. ES3
ES3 là nguồn năng lượng điện loại 3 khi cả nguồn điện và điện áp vượt quá giới hạn cho ES2.
2.2.2.2. Các giới hạn nguồn năng lượng điện của ES1 và ES2
2.2.2.2.1. Thông tin chung
Các giới hạn qui định trong 2.2.2.2 là so sánh với đất hoặc so với các bộ phận có thể tiếp xúc được.

Hình 11 - Hình minh họa các giới hạn ES về điện áp và dòng điện
Đối với bất kỳ điện áp trong giới hạn điện áp, sẽ không có giới hạn cho dòng điện. Tương tự như vậy đối với bất kỳ dòng điện nào trong giới hạn, sẽ không có giới hạn nào đối với điện áp, xem Hình 11.
2.2.2.2.2. Các giới hạn điện áp và dòng điện ở trạng thái ổn định
Cấp nguồn năng lượng điện được xác định tử cả nguồn điện và điện áp trong các điều kiện hoạt động bình thường, các điều kiện hoạt động bất thường và các điều kiện sự cố đơn lẻ (xem Bảng 4).
Các giá trị là giá trị tối đa mà nguồn có thể cung cấp. Trạng thái ổn định được coi là được thiết lập khi các giá trị điện áp hoặc giá trị dòng điện duy trì trong 2 s hoặc lâu hơn, nếu không thì áp dụng giới hạn của 2.2.2.2.3, 2.2.2.2.4 hoặc 2.2.2.2.5, nếu thích hợp.
Bảng 4 - Các giới hạn nguồn năng lượng điện cho ES1 và ES2 ở trạng thái ổn định
|
Nguồn năng lượng |
Các giới hạn cho ES1 |
Các giới hạn cho ES2 |
ES3 |
||
|
Điện áp |
Dòng điện a,c,d |
Điện áp |
Dòng điện b,c |
||
|
DC c |
60 V |
2 mA |
120 V |
25 mA |
|
|
AC tới 1 kHz |
30 V R.M.S 42,4 V đỉnh |
0,5 mA R.M.S 0,707 mA đỉnh |
50 V R.M.S 70,7 V đỉnh |
0,5 mA R.M.S 0,707 mA đỉnh |
>ES2 |
|
AC >1 kHz tới 100 kHz |
30 V R.M.S + 0,4 *f
|
50 V R.M.S + 0,9*f
|
|||
|
AC trên 100 kHz |
70 V R.M.S 99 V đỉnh |
140 V R.M.S 198 V đỉnh |
|||
|
Kết hợp AC và DC |
|
|
Xem Hình 13 |
Xem Hình 12 |
|
|
Thay thế cho các yêu cầu bên trên, các giá trị dưới đây có thể được sử dụng cho các dạng sóng hình sin |
|||||
|
Nguồn năng lượng |
Các giới hạn cho ES1 |
Các giới hạn cho ES2 |
ES3 |
||
|
Dòng điện c R.M.S |
Dòng điện c R.M.S |
||||
|
A.C tới 1 kHz |
0,5 mA |
0,5 mA |
>ES2 |
||
|
A.C >1kHz tới 100 kHz |
|
|
|||
|
A.C trên 100 kHz |
|
|
|||
|
f tính bằng kHz Giá trị định phải được sử dụng cho điện áp và dòng điện không phải dạng hình sin. Giá trị R.M.S chỉ có thể được sử dụng cho điện áp và dòng điện có dạng hình sin. Tham khảo 2.2.7 về phép đo điện áp tiếp xúc tiềm năng và phép đo dòng điện chạm. |
|||||
|
a Dòng điện được đo bằng cách sử dụng mạng đo được quy định trong Hình 4 của tiêu chuẩn IEC 60990:2016. b Dòng điện được đo bằng cách sử dụng mạng đo được quy định trong Hình 5 của tiêu chuẩn IEC 60990:2016 c Đối với dạng sóng hình sin và một chiều, dòng điện có thể được đo bằng điện trở 2 000 Ω d Trên 22 kHz, khu vực tiếp cận được giới hạn ở 1 cm2. e Trên 36 kHz, khu vực tiếp cận được giới hạn ở 1 cm2. |
|||||

Hình 12 - Các giá trị cực đại cho kết hợp dòng AC và dòng DC

Hình 13 - Các giá trị cực đại cho kết hợp điện áp AC và điện áp DC
2.2.2.2.3. Các giới hạn điện dung
Khi nguồn năng lượng điện là một tụ điện, nguồn năng lượng này được phân loại theo cả điện áp tích và điện dung.
Điện dung là giá trị danh định của tụ điện cộng với dung sai theo quy định.
Các giới hạn ES1 và ES2 cho các giá trị điện dung khác nhau được liệt kê Bảng 5.
CHÚ THÍCH 1: Các giá trị điện dung cho ES2 được lấy từ Bảng A.2 của IEC TS 61201:2007
CHÚ THÍCH 2: Các giá trị cho ES1 được tính bằng cách chia các giá trị từ Bảng A.2 của IEC TS 61201:2007 cho hai (2).
Bảng 5 - Các giới hạn nguồn năng lượng điện đối với các tụ điện tích điện
|
C nF |
ES1 Uđỉnh V |
ES2 Uđỉnh V |
ES3 Uđỉnh V |
|
300 hoặc lớn hơn |
60 |
120 |
|
|
170 |
75 |
150 |
|
|
91 |
100 |
200 |
|
|
61 |
125 |
250 |
|
|
41 |
150 |
300 |
|
|
28 |
200 |
400 |
|
|
18 |
250 |
500 |
|
|
12 |
350 |
700 |
|
|
8,0 |
500 |
1 000 |
|
|
4,0 |
1 000 |
2 000 |
|
|
1,6 |
2 500 |
5 000 |
|
|
0,8 |
5 000 |
10 000 |
|
|
0,4 |
10 000 |
20 000 |
|
|
0,2 |
20 000 |
40 000 |
|
|
0,133 hoặc nhỏ hơn |
25 000 |
50 000 |
|
|
Phép nội suy tuyến tính có thể được sử dụng giữa hai điểm gần nhất |
|||
2.2.2.2.4. Các giới hạn xung đơn
Trong trường hợp nguồn năng lượng điện là một xung đơn lẻ, nguồn năng lượng được phân loại theo cả điện áp và khoảng thời gian tồn tại hoặc được phân loại theo dòng điện và khoảng thời gian tồn tại. Các giá trị được nêu trong Bảng 6 và Bảng 7. Nếu điện áp vượt quá giới hạn, thì dòng điện không vượt quá giới hạn. Nếu dòng điện vượt quá giới hạn, điện áp không được vượt quá giới hạn. Dòng điện được đo theo 2.2.7. Đối với các xung lặp lại, xem 2.2.2.2.5.
Đới với xung có thời gian tồn tại đến 10 ms, áp dụng giới hạn dòng điện và giới hạn điện áp cho 10 ms.
Nếu phát hiện nhiều hơn một xung trong khoảng thời gian 3 s, thì nguồn năng lượng điện được coi là xung lặp lại và áp dụng các giới hạn của 2.2.2.2.5.
CHÚ THÍCH 1: Các giới hạn xung được tính theo IEC TS 60479-1:2005, Hình 12 và Bảng 10.
CHÚ THÍCH 2: Các xung đơn không bao gồm quá độ.
CHÚ THÍCH 3: Khoảng thời gian tồn tại của xung được coi là khoảng thời gian khi điện áp hoặc dòng điện vượt quá các giới hạn của ES1.
Bảng 6 - Các giới hạn điện áp cho các xung đơn
|
Khoảng thời gian tồn tại của xung đến ms |
ES1 Uđỉnh V |
ES2 Uđỉnh V |
ES3 Uđỉnh V |
|
10 |
60 |
196 |
> ES2 |
|
20 |
178 |
||
|
50 |
150 |
||
|
80 |
135 |
||
|
100 |
129 |
||
|
200 và lớn hơn |
120 |
||
|
Nếu khoảng thời gian nằm giữa các giá trị trong hai hàng bất kỳ, thì có thể sử dụng giá trị ES2 của Uđỉnh thấp hơn hoặc có thể sử dụng phép nội suy tuyến tính giữa hai hàng liền kề bất kỳ với giá trị điện áp đỉnh được tính toán làm tròn xuống giá trị gần nhất tính theo phụ lục R. Nếu điện áp định của ES2 nằm giữa các giá trị trong hai hàng bất kỳ, thì có thể sử dụng giá trị khoảng thời gian tồn tại của hàng trên hoặc có thể sử dụng phép nội suy tuyến tính giữa hai hàng liền kề bất kỳ với khoảng thời gian tính toán được làm tròn xuống giá trị gần nhất tính theo ms. |
|||
Bảng 7 - Các giới hạn dòng điện cho các xung đơn
|
Khoảng thời gian tồn tại của xung đến ms |
ES1 Iđỉnh mA |
ES2 Iđỉnh mA |
ES3 Iđỉnh mA |
|
10 |
2 |
200 |
> ES2 |
|
20 |
153 |
||
|
50 |
107 |
||
|
100 |
81 |
||
|
200 |
62 |
||
|
500 |
43 |
||
|
1 000 |
33 |
||
|
2 000 và lớn hơn |
25 |
||
|
Nếu khoảng thời gian nằm giữa các giá trị trong hai hàng bất kỳ, thì có thể sử dụng giá trị ES2 của Iđỉnh thấp hơn hoặc có thể sử dụng phép nội suy tuyến tính giữa hai hàng liền kề bất kỳ với giá trị dòng điện được tính toán làm tròn xuống giá trị gần nhất tính theo mA. Nếu dòng điện đỉnh cho ES2 nằm giữa các giá trị trong hai hàng bất kỳ, thì có thể sử dụng giá trị khoảng thời gian tồn tại của hàng trên hoặc có thể sử dụng phép nội suy tuyến tính giữa hai hàng liền kề bất kỳ với khoảng thời gian tính toán được làm tròn xuống giá trị gần nhất tính theo ms. |
|||
2.2.2.2.5. Giới hạn cho các xung lặp lại
Ngoại trừ các xung được đề cập trong Phụ lục E, phân cấp nguồn năng lượng điện xung lặp lại được xác định từ điện áp khả dụng hoặc dòng điện khả dụng. Nếu điện áp vượt quá giới hạn thì dòng điện không được vượt quá giới hạn. Nếu dòng điện vượt quá giới hạn, thì điện áp không được vượt quá giới hạn. Dòng điện được đo theo 2.2.7.
Đối với thời gian tắt xung nhỏ hơn 3 s, giá trị đỉnh của 2.2.2.2.2 được áp dụng. Đối với khoảng thời gian dài hơn, giá trị trong 2.2.2.2.4 được áp dụng.
2.2.2.2.6. Tín hiệu đổ chuông
Trong trường hợp nguồn năng lượng điện là tín hiệu đổ chuông mạng điện thoại tương tự như được định nghĩa trong Phụ lục E, loại nguồn năng lượng được coi là ES2.
2.2.2.2.7. Tín hiệu âm thanh
Đối với nguồn năng lượng điện là tín hiệu âm thanh, các giới hạn được quy định trong E1
2.2.3. Bảo vệ khỏi các nguồn năng lượng điện
2.2.3.1. Thông tin chung
Ngoại trừ như được đưa ra dưới đây, các yêu cầu bảo vệ đối với các thành phần có thể tiếp cận được đối với người bình thường, người được hướng dẫn và người có kỹ năng như nêu ra trong 2.1.3.
Các mạch ES2 hoặc ES3, từ đó dẫn xuất ra các mạch ES1 hoặc ES2 có thể tiếp cận được, phải được tách biệt với nguồn ES3 bằng một bộ bảo vệ kép hoặc một bộ bảo vệ tăng cường. Thêm vào đó, những điều dưới đây sẽ áp dụng:
- Dưới các điều kiện lỗi đơn trong mạch giữa ES2/ES3 và ES1 có thể tiếp cận được, mức dòng điện hoặc mức điện áp sẽ không vượt giới hạn ES1; và
- Dưới các điều kiện lỗi đơn trong mạch giữa ES2/ES3 và ES2 có thể tiếp cận được, mức dòng điện hoặc mức điện áp sẽ không vượt giới hạn E2.
CHÚ THÍCH: Ví dụ cho cấu tạo này là chỉnh lưu trong mạch (thứ cấp) được cách điện trong bộ nguồn xung mà trong đó nhiều thành phần có mặt.
Dây dẫn không được cách điện tại ES3 sẽ được đặt vào vị trí hoặc bảo vệ sao cho việc tiếp xúc vô tình giữa dây dẫn đó với người có kỹ năng trong các hoạt động dịch vụ sẽ không có thể xảy ra.
Đối với nguồn cung cấp pin dự phòng có khả năng cấp nguồn ngược cho đầu vào AC, xem 2.2.8.
2.2.3.2. Tiếp xúc với các nguồn năng lượng điện và các biện pháp bảo vệ
2.2.3.2.1. Các yêu cầu
Đối với người bình thường, các bộ phận sau phải không thể tiếp cận được:
- Các bộ phận trần ở ES2, ngoại trừ chân của các đầu nối. Tuy nhiên, phải không thể tiếp cận được các chân như vậy trong điều kiện làm việc bình thường bằng đầu dò cùn của Hình R.3; và
- Các bộ phận trần ở ES3; và
- Một biện pháp bảo vệ cơ bản ES3.
Đối với các bộ phận trần của thiết bị ngoại trời mà người bình thường có thể tiếp cận được ở vị trí ngoài trời dự kiến của họ, các bộ phận sau phải không thể tiếp cận được:
- Các bộ phận trần vượt quá 0,5 lần giới hạn điện áp ES1 dưới điều kiện hoạt động bình thường và điều kiện hoạt động không bình thường và các điều kiện lỗi đơn của một thành phần, thiết bị hoặc phần cách điện không phải đóng vai trò là biện pháp bảo vệ; và
- Các bộ phận trần vượt quá giới hạn điện áp ES1 dưới các điều kiện lỗi đơn của biện pháp bảo vệ cơ bản hoặc của biện pháp bảo vệ bổ sung (xem 2.3.2.1.1).
Đối với người được hướng dẫn, các bộ phận sau phải không thể tiếp cận được:
- Các bộ phận ở ES3; và
- Một biện pháp bảo vệ cơ bản ở ES3.
2.2.3.2.2. Các yêu cầu tiếp xúc
Đối với điện áp ES3 lên đến 420 V đỉnh, đầu dò kiểm tra thích hợp từ Phụ lục R phải không được tiếp xúc với bộ phần dẫn điện trần bên trong hình dưới đây.
Đối với điện áp ES3 lớn hơn 420 V đỉnh, đầu dò kiểm tra thích hợp từ Phụ lục R phải không được tiếp xúc với bộ phần dẫn điện trần bên trong và phải có khe hở không khí với bộ phận đó (xem Hình 14).
Khe hở không khí phải:
a) Vượt qua thử nghiệm sức mạnh điện theo 2.2.4.9.1 tại điện áp thử nghiệm (DC hoặc AC đỉnh) bằng điện áp thử nghiệm cho Cách điện chính trong Bảng 26 tương ứng với đỉnh của điện áp làm việc; hoặc
b) Có khoảng giãn cách tối thiểu theo Bảng 8.

Hình 14 - Yêu cầu tiếp xúc với các thành phần dẫn điện trần bên trong
Bảng 8 - Khoảng giãn cách khe hở không khí tối thiểu
|
Điện áp |
Khoảng giãn cách khe hở không khí mm |
|
|
Điện áp đỉnh hoặc DC lên đến và bao gồm |
Độ nhiễm bẩn |
|
|
2 |
3 |
|
|
>420 và ≤ 1 000 |
0,2 |
0,8 |
|
1 200 |
0,25 |
|
|
1 500 |
0,5 |
|
|
2 000 |
1,0 |
|
|
2 500 |
1,5 |
|
|
3 000 |
2,0 |
|
|
4 000 |
3,0 |
|
|
5 000 |
4,0 |
|
|
6 000 |
5,5 |
|
|
8 000 |
8,0 |
|
|
10 000 |
11 |
|
|
12 000 |
14 |
|
|
15 000 |
18 |
|
|
20 000 |
25 |
|
|
25 000 |
33 |
|
|
30 000 |
40 |
|
|
40 000 |
60 |
|
|
50 000 |
75 |
|
|
60 000 |
90 |
|
|
80 000 |
130 |
|
|
100 000 |
170 |
|
|
Phép nội suy tuyến tính có thể được sử dụng giữa 2 điểm gần nhất, khoảng giãn cách khe hở không khí nhỏ nhất được tính toán được làm tròn đến mức tăng 0,1 mm cao hơn tiếp theo hoặc giá trị đến hàng bên dưới tiếp theo tùy theo giá trị nào thấp hơn. Đối với thiết bị dự định sử dụng ở độ cao hơn 2 000 m so với mực nước biển, các giá trị trong bảng này được nhân với hệ số nhân với độ cao mong muốn theo Bảng 16. |
||
2.2.3.2.3. Tiêu chuẩn tuân thủ
Kiểm tra sự tuân thủ theo thử nghiệm của Q.3
Ngoài ra, với các bộ phận hở ES3 tại điện áp cao hơn 420 V đỉnh, sự tuân thủ được kiểm tra bởi việc đo khoảng giãn cách hoặc bởi sự thử nghiệm cường độ điện.
Các thành phần và cụm lắp ráp phụ tuân theo các tiêu chuẩn IEC tương ứng của chúng không phải kiểm tra khi các thành phần và cụm lắp ráp phụ đó được sử dụng trong sản phẩm cuối cùng.
2.2.3.2.4. Thiết bị đầu cuối để kết nối dây tách vỏ
Việc sử dụng dây tách vỏ để tạo kết nối với thiết bị đầu cuối liên quan của nó được sử dụng:
- Bởi người bình thường phải không dẫn đến tiếp xúc với ES2 hoặc ES3; và
- Bởi người được hướng dẫn phải không dẫn đến tiếp xúc với ES3.
Đối với tín hiệu âm thanh, xem Bảng C.1 cho các giá trị của ES2 và ES3. Các phần của các thiết bị đầu nối tín hiệu audio được cung cấp với một trong các biện pháp an toàn trong Bảng C.1 không được kiểm tra.
Kiểm tra sự tuân thủ bằng thử nghiệm của R.1.6 cho mỗi chỗ mở đầu nối dây cũng như bất kỳ chỗ mở nào khác trong phạm vi 25 mm tính từ đầu nối. Trong quá trình kiểm tra, không có phần nào của đầu dò được lắp vào đầu nối hay chỗ mở được tiếp xúc với ES2 hoặc ES3.
2.2.4. Vật liệu cách điện và các yêu cầu
2.2.4.1. Tổng quan
2.2.4.1.1. Cách điện
Cách điện bao gồm vật liệu cách điện, khe hở, khoảng giãn cách rò và cách điện rắn và cung cấp chức năng bảo vệ được chỉ định là cách điện chính, cách điện phụ, cách điện kép hoặc cách điện tăng cường.
2.2.4.1.2. Đặc tính của vật liệu cách điện
Việc lựa chọn và ứng dụng vật liệu cách điện cần phải tính đến các nhu cầu về độ bền điện, độ bền cơ khí, kích thước, tần số của điện áp làm việc và các đặc tính khác của môi trường làm việc (nhiệt độ, áp suất, độ ẩm và mức nhiễm điện) như quy định tại Điều 5 và Phụ lục Q.
Vật liệu cách điện không hút ẩm được quy định tại 2.2.4.1.3.
2.2.4.1.3. Tuân thủ tiêu chuẩn
Việc tuân thủ tiêu chuẩn được kiểm tra bằng cách xem xét và trong trường hợp cần thiết có thể cần phải đánh giá dữ liệu đối với vật liệu.
Trong trường hợp cần thiết, nếu dữ liệu không khẳng định vật liệu là không hút ẩm, thì bản chất hút ẩm của vật liệu được xác định bằng cách cho bộ phận cấu thành hoặc cụm lắp ráp có sử dụng vật liệu cách điện được đề cập chịu xử lý ẩm như tại 2.2.4.8.
Sau đó, cách điện cần phải được thử nghiệm độ bền điện liên quan như tại 2.2.4.9.1 trong khi vẫn giữ trong buồng ẩm hoặc trong phòng mà ở đó các mẫu được đưa đến nhiệt độ quy định.
2.2.4.1.4. Nhiệt độ hoạt động tối đa đối với các hệ thống, các bộ phận, vật liệu
2.2.4.1.4.1. Các yêu cầu
Trong điều kiện hoạt động bình thường, nhiệt độ vật liệu cách điện không được vượt quá giới hạn nhiệt độ của EIS, bao gồm vật liệu cách điện của các bộ phận, hoặc giới hạn nhiệt độ tối đa của hệ thống cách điện như cho trong Bảng 9.
Đối với nhiệt độ tối đa ≤ 100 ºC, không yêu cầu công bố hệ thống cách điện, một EIS không được công bố được coi như là Class 105 (A).
2.2.4.1.4.2. Phương pháp kiểm tra
Nhiệt độ vật liệu cách điện được đo theo A.1.5.
Thiết bị hoặc các bộ phận của thiết bị được hoạt động dưới các điều kiện hoạt động bình thường (xem A.2) như sau:
- Cho hoạt động liên tục, cho đến khi các điều kiện trạng thái ổn định được thiết lập, và
- Cho hoạt động gián đoạn, cho đến khi các điều kiện trạng thái ổn định được thiết lập, sử dụng các khoảng thời gian “BẬT” và “TẮT” danh định, và
- Cho hoạt động trong thời gian ngắn, trong thời gian hoạt động được quy định bởi nhà sản xuất.
Các thành phần và các bộ phận khác có thể được kiểm tra độc lập với sản phẩm cuối cùng được cung cấp trong đó các điều kiện kiểm tra áp dụng cho sản phẩm cuối cùng cũng sẽ được áp dụng cho các thành phần hoặc bộ phận đó.
Thiết bị định dùng để lắp trong nhà hoặc đặt trong tủ rack, hoặc để kết hợp trong thiết bị lớn hơn, được kiểm tra trong các điều kiện thực tế hoặc các điều kiện mô phỏng được quy định trong hướng dẫn quá trình lắp đặt.
2.2.4.1.4.3. Tuân thủ tiêu chuẩn
Nhiệt độ của vật liệu cách điện hoặc EIS không được vượt quá giới hạn trong Bảng 9.
Đối với một vật liệu cách điện đơn, có thể sử dụng thông tin chỉ số nhiệt độ tương đối được công bố từ nhà sản xuất vật liệu nếu nó phù hợp với loại cách điện áp dụng.
Đối với EIS, có thể sử dụng dữ liệu lớp nhiệt sẵn có của EIS do nhà sản xuất đưa ra nếu phù hợp với loại cách điện áp dụng.
Đối với các phân loại nhiệt cao hơn Class 105 (A), EIS phải tuân theo IEC 60085.
Bảng 9 - Giới hạn nhiệt độ cho vật liệu, bộ phận và hệ thống
|
Bộ phận |
Nhiệt độ tối đa Tmax °C |
|
Cách điện, bao gồm cách điện cuộn dây: |
|
|
Vật liệu loại 105 (A) hoặc EIS |
100 a |
|
Vật liệu loại 120 (E) hoặc EIS |
115 a |
|
Vật liệu loại 130 (B) hoặc EIS |
120 a |
|
Vật liệu loại 155 (F) hoặc EIS |
140 a |
|
Vật liệu loại 180 (H) hoặc EIS |
165 a |
|
Vật liệu loại 200 (N) hoặc EIS |
180 a |
|
Vật liệu loại 220 (R) hoặc EIS |
200 a |
|
Vật liệu loại 250 hoặc EIS |
225 a |
|
Cách điện của dây bên trong và bên ngoài, bao gồm cả dây cấp nguồn: |
|
|
- Không có đánh dấu nhiệt độ |
70 |
|
- Có đánh dấu nhiệt độ |
Nhiệt độ được đánh dấu trên dây hoặc lõi quấn, hoặc phân cấp do nhà sản xuất ấn định |
|
Cách điện nhựa nhiệt dẻo khác |
Xem 2.2.4.1.10 |
|
Các bộ phận, thành phần |
Xem Phụ lục G và 2.1.9 |
|
Các loại có liên quan đến các loại nhiệt độ của vật liệu cách điện và EIS phù hợp với IEC 60085. Các ký hiệu chữ cái được chỉ định được ghi trong ngoặc đơn. Đối với mỗi vật liệu, phải tính đến dữ liệu của vật liệu đó để xác định nhiệt độ tối đa thích hợp. |
|
|
aNếu nhiệt độ của cuộn dây được xác định bằng cặp nhiệt điện thì các giá trị này giảm đi 10 K, ngoại trừ trường hợp: - một động cơ, hoặc - một cuộn dây được gắn vào cặp nhiệt điện. |
|
2.2.4.1.5. Mức độ nhiễm bẩn
2.2.4.1.5.1. Tổng quan
Các mức độ nhiễm bẩn khác nhau của môi trường hoạt động hoặc môi trường vi mô đối với các sản phẩm đề cập trong tài liệu này được đưa ra dưới đây:
Mức độ nhiễm bẩn 1: Không có nhiễm bẩn hoặc chỉ xảy ra nhiễm bẩn khô, không dẫn điện. Sự nhiễm bẩn không có ảnh hưởng.
CHÚ THÍCH: Bên trong thiết bị, các bộ phận cấu thành hoặc cụm lắp ráp được đóng kín để ngăn bụi và hơi nước là các ví dụ về nhiễm bẩn mức độ 1.
Mức độ nhiễm bẩn 2: Chỉ xảy ra nhiễm bẩn không dẫn điện ngoại trừ trường hợp đôi khi sẽ có hiện tượng dẫn điện tạm thời do ngưng tụ.
CHÚ THÍCH: Mức độ nhiễm bẩn 2 thường ứng với các thiết bị thuộc phạm vi của tài liệu này.
Mức độ nhiễm bẩn 3: Nhiễm bẩn dẫn điện hoặc nhiễm bẩn không dẫn điện khô nhưng có thể trở nên dẫn điện do ngưng tụ có thể xảy ra.
2.2.4.1.5.2. Kiểm tra môi trường và hợp chất cách điện mức độ nhiễm bẩn 1
Mỗi mẫu cần phải tuân theo trình tự chu kỳ nhiệt tại 2.2.4.1.5.3. Mẫu được để nguội tới nhiệt độ phòng, sau đó phải xử lý ẩm như tại 2.2.4.8.
Nếu việc kiểm tra được tiến hành để xác minh hợp chất cách điện tạo thành cách điện rắn theo yêu cầu tại 2.2.4.4.3, thì quy định là ngay sau đó thực hiện thử nghiệm độ bền điện tại 2.2.4.9.1.
Đối với bảng mạch in, tuân thủ kiểm tra trực quan bề ngoài, không được bóc tách vì nó sẽ ảnh hưởng đến chiều dài đường rò cần thiết để đáp ứng các yêu cầu của nhiễm bẩn mức độ 1.
Đối với các bảng mạch khác ngoài bảng mạch in thì kiểm tra sự phù hợp bằng cách xem xét diện tích mặt cắt ngang và không được có các khoảng trống, khe hở hoặc vết nứt có thể nhìn thấy được trên vật liệu cách điện.
2.2.4.1.5.3. Quy trình kiểm tra chu kỳ nhiệt
Mỗi mẫu của bộ phận hợp thành hoặc cụm lắp ráp phải đáp ứng trình tự thử nghiệm dưới đây.
Mẫu chịu 10 lần trình tự chu kỳ nhiệt sau:
68 h ở (T1 ± 2) °C;
1 h ở (25 ± 2) °C;
2 h ở (0 ± 2) °C;
≥ 1 h ở (25 ± 2) °C.
T1 = T2 + Tma– Tamb + 10 K hoặc 85 °C, chọn giá trị cao hơn. Tuy nhiên, không cộng thêm hằng số 10 K nếu nhiệt độ được đo bởi cặp nhiệt điện nhúng hoặc bằng phương pháp điện trở.
T2 là nhiệt độ của các bộ phận được đo trong quá trình thử nghiệm tại 2.2.4.1.4
Ý nghĩa của Tma và Tamb được nêu trong A.2.6.1.
Không quy định khoảng thời gian cho sự chuyển tiếp từ nhiệt độ này sang nhiệt độ khác, nhưng chuyển tiếp được phép diễn ra từ từ.
2.2.4.1.6. Cách điện trong máy biến áp với các kích thước khác nhau
Nếu cách điện của máy biến áp có các điện áp làm việc khác nhau dọc theo chiều dài của cuộn dây thì khe hở, chiều dài đường rò và khoảng giãn cách xuyên qua cách điện tương ứng được phép khác nhau.
Một ví dụ về cấu trúc như vậy là cuộn dây 30 kV, bao gồm nhiều cuộn dây được nối nối tiếp và được nối đất hoặc nối với một điểm chung ở một đầu.
2.2.4.1.7. Cách điện trong các mạch tạo xung khởi động
Đối với các mạch tạo xung khởi động vượt quá ES1 (ví dụ, để đánh lửa phóng điện đèn) thì các yêu cầu về Cách điện chính, Cách điện phụ và cách điện tăng cường được áp dụng cho chiều dài đường rò và khoảng giãn cách xuyên qua cách điện.
CHÚ THÍCH 1: Đối với điện áp làm việc trong các trường hợp trên xem 2.2.4.1.8.1
CHÚ THÍCH 2: Nếu xung khởi động là dạng sóng AC, thì độ rộng xung được xác định bằng cách nối các giá trị đỉnh của dạng sóng AC đó.
Khe hở được xác định bằng một trong các phương pháp sau:
- Xác định khe hở tối thiểu phù hợp với 2.24.2, hoặc
- Tiến hành một trong các thử nghiệm độ bền điện sau đây, với các đầu nối của mạch xung khởi động (ví dụ, một bóng đèn) được nối tắt với nhau:
+ Thử nghiệm được đưa ra trong 2.2.4.9.1; hoặc
+ Đặt 30 xung có biên độ bằng điện áp thử nghiệm được yêu cầu trong 2.2.4.9.1 do bộ tạo xung bên ngoài tạo ra. Độ rộng xung phải bằng hoặc lớn hơn độ rộng của xung khởi động được tạo bên trong.
Kiểm tra sự phù hợp bằng cách xem xét và đánh giá dữ liệu được cung cấp bởi nhà sản xuất hoặc thử nghiệm. Trong quá trình thử nghiệm, cách điện không được đánh thủng hoặc phóng điện bề mặt.
2.2.4.1.8. Xác định điện áp làm việc
2.2.4.1.8.1. Tổng quan
Để xác định điện áp làm việc, áp dụng tất cả các yêu cầu
a. Các bộ phận dẫn điện chạm tới được không tiếp đất phải được giả thiết là tiếp đất;
b. Nếu cuộn dây biến áp hoặc phần khác không nối vào mạch thiết lập điện thế của nó so với đất, phải được coi là tiếp đất ở điểm mà nhờ đó đạt được điện áp làm việc cao nhất;
c. Ngoại trừ quy định trong 2.2.4.1.6, đối với cách điện giữa hai cuộn dây của máy biến áp, điện áp cao nhất giữa hai điểm bất kỳ trong hai cuộn dây là điện áp làm việc, có tính đến điện áp mà các cuộn dây đầu vào sẽ được nối vào;
d. Ngoại trừ quy định trong 2.2.4.1.6, đối với cách điện giữa cuộn dây máy biến áp và bộ phận khác, điện áp cao nhất giữa điểm bất kỳ trên cuộn dây và bộ phận đó là điện áp làm việc;
e. Trong trường hợp sử dụng cách điện kép, điện áp làm việc đặt lên cách điện chính được xác định bằng cách hình dung ra một sự ngắn mạch trên cách điện phụ và ngược lại. Đối với cách điện kép giữa các cuộn dây của máy biến áp, ngắn mạch phải được giả định là xảy ra tại điểm mà nhờ đó tạo ra điện áp làm việc cao nhất trong cách điện kia;
f. Khi điện áp làm việc được xác định bằng phép đo thì điện áp đầu vào cung cấp cho thiết bị phải là điện áp danh định hoặc điện áp nằm trong dải điện áp danh định tạo ra giá trị đo cao nhất;
g. Điện áp làm việc giữa bất kỳ điểm nào trong mạch do điện lưới cung cấp và:
- bất kỳ bộ phận nào được nối đất;
- bất kỳ điểm nào trong mạch được cách ly với điện lưới;
Sẽ được giả định là lớn hơn những điện áp sau:
- điện áp danh định hoặc điện áp trên của dải điện áp danh định; và
- điện áp đo được;
h. Khi xác định điện áp làm việc cho mạch ngoài ES1 hoặc ES2, phải tính đến điện áp làm việc thông thường. Nếu không xác định được điện áp làm việc, thì điện áp làm việc phải được coi là giới hạn trên của ES1 hoặc ES2 (nếu có). Các tín hiệu thời gian tồn tại ngắn (như chuông điện thoại) sẽ không được tính đến để xác định điện áp làm việc;
i. Đối với mạch tạo xung khởi động (ví dụ, đèn phóng điện, xem 5.4.1.7), điện áp làm việc là giá trị đỉnh của các xung với bóng đèn được nối nhưng trước khi đèn đánh lửa. Tần số của điện áp làm việc để xác định khe hở nhỏ nhất phải nhỏ hơn 30 kHz. Điện áp làm việc để xác định khoảng giãn cách rò nhỏ nhất là điện áp đo được sau khi bóng đèn đánh lửa;
2.2.4.1.8.2. Điện áp làm việc RMS
Khi xác định điện áp làm việc RMS, các điều kiện trong thời gian ngắn hạn (ví dụ, tín hiệu chuông điện thoại có nhịp điệu trong các mạch bên ngoài) và quá trình chuyển tiếp không lặp lại (ví dụ, do nhiễu khí quyển) không được tính đến.
CHÚ THÍCH: Chiều dài đường rò được xác định từ điện áp làm việc RMS.
2.2.4.1.9. Các bề mặt cách điện
Bề mặt cách điện có thể chạm tới được coi là được bao phủ bởi một lá kim loại mỏng để xác định khe hở, chiều dài đường rò và khoảng giãn cách xuyên qua cách điện (xem Hình M.13).
2.2.4.1.10. Các bộ phận nhựa nhiệt dẻo mà trên đó các phần kim loại dẫn điện được gắn trực tiếp
2.2.4.1.10.1. Các yêu cầu
Các bộ phận bằng nhựa nhiệt dẻo mà trên đó các phần bằng kim loại dẫn điện được gắn trực tiếp phải đủ khả năng chịu nhiệt nếu nhựa mềm có thể dẫn đến hỏng bộ phận bảo vệ.
Kiểm tra sự phù hợp bằng cách xem xét phép thử Vicat hoặc dữ liệu thử nghiệm ép viên bi nhà sản xuất vật liệu. Nếu dữ liệu không có sẵn, kiểm tra sự phù hợp bằng thử nghiệm Vicat tại 2.2.4.1.10.2 hoặc bằng thử nghiệm ép viên bi tại 2.2.4.1.10.3.
2.2.4.1.10.2. Thử nghiệm Vicat
Nhiệt độ đo được trong điều kiện hoạt động bình thường, như quy định trong A.2, sẽ phải nhỏ hơn nhiệt độ hóa mềm Vicat ít nhất 15K như quy định trong thử nghiệm Vicat B50 của ISO 306.
Nhiệt độ đo được trong các điều kiện hoạt động không bình thường tại A.3 phải nhỏ hơn nhiệt độ hóa mềm Vicat.
Nhiệt độ mềm hóa Vicat của bộ phận đỡ phi kim loại trong mạch điện được cung cấp từ nguồn điện lưới không được nhỏ hơn 125° C.
2.2.4.1.10.3. Thử nghiệm ép viên bi
Kiểm tra sự phù hợp bằng cách đưa bộ phận vào thử nghiệm ép viên bi theo IEC 60695-10-2. Thử nghiệm được thực hiện trong tủ gia nhiệt ở nhiệt độ (T – Tamb + Tma + 15 ° C) ± 2 ° C (T, Tma và Tamb được giải thích tại A.2.6.1). Tuy nhiên, phần nhựa nhiệt dẻo đỡ các bộ phận trong mạch được cung cấp từ điện lưới được thử nghiệm ở nhiệt độ tối thiểu là 125° C.
Sau thử nghiệm, kích thước d (đường kính của vết lõm) không được vượt quá 2 mm.
Thử nghiệm không được thực hiện nếu kết quả kiểm tra các đặc tính vật lý của vật liệu thể hiện rõ ràng rằng vật liệu đó sẽ đáp ứng các yêu cầu của thử nghiệm này.
2.2.4.2. Khe hở
2.2.4.2.1. Các yêu cầu chung
Khe hở phải có kích thước sao cho khả năng xảy ra sự cố do:
- Quá điện áp tức thời;
- Các điện áp quá độ đặt vào thiết bị;
- Các điện áp đỉnh lập lại và các yêu cầu liên quan của chúng được tạo ra trong thiết bị được giảm.
Tất cả các khe hở và điện áp thử nghiệm được yêu cầu áp dụng cho độ cao đến 2_000 m. Đối với độ cao lớn hơn, hệ số nhân tại 2.2.4.2.5 được áp dụng sau bất kỳ phép nội suy tuyến tính nào, nhưng trước khi làm tròn và trước khi áp dụng bất kỳ hệ số nhân nào khác như đã nêu trong Bảng 10, Bảng 11, Bảng 14 và Bảng 15.
CHÚ THÍCH: Đối với khe hở không khí giữa các tiếp điểm của thiết bị đóng cắt khóa liên động, xem phụ lục K. Đối với khe hở không khí giữa các tiếp điểm của thiết bị đóng cắt cách ly, xem phụ lục K. Đối với khe hở không khí giữa các tiếp điểm của các bộ phận, xem phụ lục G.
Trừ khi được nhà sản xuất quy định khác và được cung cấp các giải pháp để đảm bảo khe hở tối thiểu trong tất cả các chế độ hoạt động bình thường, cuộn dây thoại và các bộ phận dẫn điện liền kề của loa được coi là được kết nối dẫn điện.
Để xác định khe hở, giá trị cao nhất của hai quy trình sau sẽ được sử dụng:
- Quy trình 1: xác định khe hở theo 2.2.4.2.2
- Quy trình 2: xác định khe hở theo 2.2.2.2.3. Ngoài ra, có thể xác định mức độ phù hợp của khe hở bằng cách sử dụng thử nghiệm độ bền điện theo 2.2.2.2.4, trong trường hợp đó các giá trị theo quy trình 1 phải được duy trì.
Đối với cấp quá điện áp cấp II, khe hở trong mạch nối với nguồn điện xoay chiều không vượt quá 420 Vđỉnh (300 V RMS) có thể được xác định theo Phụ lục X như một giải pháp thay thế.
2.2.4.2.2. Quy trình 1 để xác định khe hở
Để xác định điện áp sử dụng trong Bảng 10 và Bảng 11, điện áp cao nhất trong các giá trị dưới đây được sử dụng để áp dụng:
- Giá trị đỉnh của điện áp làm việc qua khe hở cần xét;
- Các điện áp đỉnh lập lại (nếu có) qua khe hở cần xét;
- Đối với các mạch nối với nguồn điện lưới xoay chiều AC: giá trị quá điện áp tức thời, được lấy là 2 000 Vđỉnh nếu điện áp điện lưới xoay chiều danh định không vượt quá 250 V và được lấy là 2500 Vđỉnh nếu điện áp điện lưới xoay chiều danh định vượt quá 250 V nhưng không vượt quá 600 V.
Ngoài ra, quá điện áp tức thời có thể được xác định theo 5.3.3.2.3 của IEC 60664-1:2007 theo ý muốn của nhà sản xuất, trong trường hợp đó, nhà sản xuất có thể tham khảo “cách điện rắn” trong 2.2.3.3.2.3 của IEC 60664-1: 2007 được thay thế bằng "khe hở". Hơn thế nữa, giá trị ngắn hạn bằng Un + 1 200 V được lấy làm điện áp sử dụng trong Bảng 10.
CHÚ THÍCH: Un là điện áp dây-trung tính danh định của hệ thống cung cấp được nối đất trung tính.
- Giá trị khe hở của Bảng 10 đối với mạch có tần số cơ bản đến 30 kHz.
- Giá trị khe hở của Bảng 11 đối với các mạch có tần số cơ bản cao hơn 30 kHz
- Giá trị khe hở cao nhất của Bảng 10 và Bảng 11 đối với các mạch có cả hai tần số thấp hơn 30 kHz và cao hơn 30 kHz.
Bảng 10 Khe hở tối thiểu cho các điện áp có tần số lên đến 30 kHz
|
Điện áp đến và bằng |
Cách điện chính và cách điện phụ mm |
Cách điện tăng cường
mm |
||||
|
Mức độ nhiễm bẩn |
Mức độ nhiễm bẩn |
|||||
|
1 a |
2 |
3 |
1 a |
2 |
3 |
|
|
330 |
0,01 |
0,2 |
0,8 |
0,02 |
0,4 |
1,5 |
|
400 |
0,02 |
0,04 |
||||
|
500 |
0,04 |
0,08 |
||||
|
600 |
0,06 |
0,12 |
||||
|
800 |
0,13 |
0,26 |
||||
|
1 000 |
0,26 |
0,26 |
0,52 |
0,52 |
||
|
1 200 |
0,42 |
0,84 |
||||
|
1 500 |
0,76 |
1,52 |
1,6 |
|||
|
2 000 |
1,27 |
2,54 |
||||
|
2 500 |
1,8 |
3,6 |
||||
|
3 000 |
2,4 |
4,8 |
||||
|
4 000 |
3,8 |
7,6 |
||||
|
5 000 |
5,7 |
11,0 |
||||
|
6 000 |
7,9 |
15,8 |
||||
|
8 000 |
11,0 |
20 |
||||
|
10 000 |
15,2 |
27 |
||||
|
12 000 |
19 |
33 |
||||
|
15 000 |
25 |
42 |
||||
|
20 000 |
34 |
59 |
||||
|
25 000 |
44 |
77 |
||||
|
30 000 |
55 |
95 |
||||
|
40 000 |
77 |
131 |
||||
|
50 000 |
100 |
175 |
||||
|
60 000 |
120 |
219 |
||||
|
80 000 |
175 |
307 |
||||
|
100 000 |
230 |
395 |
||||
|
Phép nội suy tuyến tính có thể được sử dụng giữa hai điểm gần nhất, khe hở tối thiểu được tính toán sẽ được làm tròn đến giá trị được chỉ định cao hơn tiếp theo. Đối với các giá trị sau: - Không quá 0,5 mm, lượng gia tăng quy định là 0,01 mm; - Quá 0,5 mm, lượng gia tăng quy định là 0,1 mm. a: Các giá trị đối với độ nhiễm bẩn mức 1 có thể được sử dụng nếu một mẫu phù hợp với các thử nghiệm tại 2.2.4.1.5.2. |
||||||
Bảng 11 - Khe hở tối thiểu đối với điện áp có tần số trên 30 kHz
|
Điện áp đến và bằng điện áp đỉnh |
Cách điện chính và cách điện phụ mm |
Cách điện tăng cường mm |
|
|
600 |
0,07 |
0,14 |
|
|
800 |
0,22 |
0,44 |
|
|
1 000 |
0,6 |
1,2 |
|
|
1 200 |
1,68 |
3,36 |
|
|
1 400 |
2,82 |
5,64 |
|
|
1 600 |
4,8 |
9,6 |
|
|
1 800 |
8,04 |
16,08 |
|
|
2 000 |
13,2 |
26,4 |
|
|
Phép nội suy tuyến tính có thể được sử dụng giữa hai điểm gần nhất, khe hở tối thiểu được tính toán sẽ được làm tròn đến giá trị gia tăng được chỉ định cao hơn tiếp theo. Đối với các giá trị sau: - Không quá 0,5 mm, giá trị gia tăng quy định là 0,01 mm; - Quá 0,5 mm, giá trị gia tăng quy định là 0,1 mm. Đối với độ nhiễm bẩn mức 1: sử dụng hệ số nhân 0,8; Đối với độ nhiễm bẩn mức 3: sử dụng hệ số nhân 1,4; |
|
||
2.2.4.2.3. Quy trình 2 để xác định khe hở
2.2.4.2.3.1. Tổng quan
Kích thước của khe hở chịu điện áp quá độ từ nguồn điện lưới hoặc mạch ngoài được xác định từ điện áp chịu thử được yêu cầu cho khe hở đó.
Mỗi khe hở cần phải được xác định theo các bước sau:
- Xác định điện áp quá độ theo 2.2.4.2.3.2
- Xác định điện áp chịu thử được yêu cầu theo 2.2.4.2.3.3
- Xác định khe hở tối thiểu theo 2.2.4.2.3.4
2.2.4.2.3.2. Xác định điện áp quá độ
2.2.4.2.3.2.1. Tổng quan
Điện áp quá độ có thể được xác định dựa trên nguồn gốc của chúng, hoặc có thể được đo theo 2.2.4.2.3.2.5.
Nếu các điện áp quá độ khác nhau ảnh hưởng đến cùng một khe hở, thì điện áp lớn nhất trong các điện áp đó được sử dụng. Các giá trị không được cộng với nhau.
Thiết bị ngoài trời được nối với nguồn điện lưới phải phù hợp với điện áp quá độ nguồn lưới cao nhất dự kiến tại vị trí lắp đặt.
Các vấn đề sau cần phải được xem xét:
- Dòng điện rò dự kiến của nguồn cung cấp cho thiết bị ngoài trời có thể cao hơn so với thiết bị trong nhà, xem IEC 60364-4-43;
- Điện áp quá độ nguồn điện lưới cho thiết bị ngoài trời có thể cao hơn so với thiết bị trong nhà.
Các bộ phận bên trong thiết bị ngoài trời làm giảm điện áp quá độ nguồn điện lưới hoặc dòng điện rò dự kiến phải tuân theo các yêu cầu của họ tiêu chuẩn IEC 61643.
CHÚ THÍCH 1: cấp quá điện áp của thiết bị ngoài trời thường được coi là một trong những loại sau:
- Nếu được cấp nguồn qua hệ thống dây điện lắp đặt thông thường của tòa nhà, quá điện áp cấp II;
- Nếu được cấp nguồn trực tiếp từ hệ thống phân phối nguồn điện lưới, quá điện áp cấp III;
- Nếu ở hoặc ở gần điểm bắt đầu của việc lắp đặt điện, quá điện áp cấp IV;
CHÚ THÍCH 2: Để biết thêm thông tin về bảo vệ khỏi quá điện áp, xem IEC 60364-5-53
Kiểm tra sự phù hợp bằng cách xem xét thiết bị, hướng dẫn lắp đặt và nếu cần, bằng các thử nghiệm thành phần áp dụng được quy định trong bộ tiêu chuẩn IEC 61643.
2.2.4.2.3.2.2. Xác định các điện áp quá độ nguồn điện lưới xoay chiều
Đối với thiết bị được cấp điện từ nguồn lưới xoay chiều, giá trị điện áp quá độ nguồn lưới phụ thuộc vào cấp quá điện áp và giá trị danh nghĩa của điện áp lưới, được nêu trong bảng 12 dưới đây. Nói chung, khe hở không khí trong thiết bị được nối đến nguồn lưới xoay chiều phải được thiết kế đối với điện áp quá độ nguồn lưới ở quá điện áp cấp II.
Xem Phụ lục G để biết thêm hướng dẫn về việc xác định các loại quá điện áp.
Thiết bị khi được lắp đặt có khả năng chịu điện áp quá độ vượt quá cấp quá điện áp được thiết kế của nó, yêu cầu cần phải cung cấp thêm bảo vệ điện áp quá độ bên ngoài thiết bị. Trong trường hợp này, hướng dẫn lắp đặt cần phải nêu rõ sự cần thiết của biện pháp bảo vệ bên ngoài như vậy.
Bảng 12 - Điện áp quá độ nguồn điện lưới
|
Điện áp lưới xoay chiều đến và bằng V RMS |
Điện áp quá độ nguồn lưới V (đỉnh) |
|||
|
Cấp quá điện áp |
||||
|
I |
II |
III |
IV |
|
|
50 |
330 |
500 |
800 |
1500 |
|
100 c |
500 |
800 |
1 500 |
2 500 |
|
150 d |
800 |
1 500 |
2 500 |
4 000 |
|
300 e |
1 500 |
2 500 |
4 000 |
6 000 |
|
600 f |
2 500 |
4 000 |
6 000 |
8 000 |
|
Đối với thiết bị được thiết kế để kết nối với nguồn điện ba pha, nơi không có dây trung tính, điện áp nguồn AC là điện áp đường dây. Trong tất cả các trường hợp khác, khi có dây dẫn trung tính, đó là điện áp dây-trung tính. Đối với thiết bị được thiết kế để kết nối với nguồn điện ba pha 3 dây, nơi không có dây dẫn trung tính, điện áp nguồn AC là điện áp đường dây. Trong tất cả các trường hợp khác, khi có dây dẫn trung tính, đó là điện áp dây-trung tính. Đối với thiết bị được thiết kế để kết nối với nguồn điện ba pha 3 dây, nơi không có dây dẫn trung tính, điện áp nguồn AC là điện áp đường dây. Trong tất cả các trường hợp khác, khi có dây dẫn trung tính, đó là điện áp dây nóng- dây trung tính. Điện áp quá độ của nguồn điện lưới luôn là một trong các giá trị trong bảng. Phép nội suy không được cho phép. Ở Nhật Bản, giá trị của điện áp quá độ nguồn điện lưới cho điện áp nguồn AC danh định là 100 V được xác định từ các cột áp dụng cho điện áp nguồn AC danh định là 150 V. Bao gồm cả 120/208 V and 120/240 V. Bao gồm cả 230/400 V and 277/480 V. Bao gồm cả 400/690 V. |
||||
2.2.4.2.3.2.3. Xác định điện áp quá độ nguồn điện lưới một chiều DC
Nếu hệ thống phân phối điện một chiều được nối đất nằm hoàn toàn trong một tòa nhà, thì điện áp quá độ được chọn như sau:
- Nếu hệ thống phân phối nguồn DC được nối đất tại một điểm, điện áp quá độ được coi là 500 Vđỉnh; hoặc
- Nếu hệ thống phân phối điện một chiều được nối đất tại nguồn và thiết bị thì điện áp quá độ được lấy là 350 Vđỉnh; hoặc
CHÚ THÍCH: Nối với đất bảo vệ có thể ở phía nguồn của hệ thống phân phối điện DC hoặc tại vị trí đặt thiết bị, hoặc cả hai (xem Khuyến nghị ITU-T K.27)
- Nếu cáp liên kết với hệ thống phân phối điện một chiều ngắn hơn 4 m hoặc được lắp đặt hoàn toàn trong ống kim loại liên tục, thì điện áp quá độ được lấy là 150 Vđỉnh.
Nếu hệ thống phân phối điện một chiều không được nối đất hoặc không nằm trong cùng một tòa nhà, thì điện áp quá độ đối với đất phải được coi là bằng điện áp quá độ nguồn điện lưới trong các nguồn lưới mà từ đó nguồn điện một chiều được tạo ra.
Nếu hệ thống phân phối điện một chiều không nằm trong cùng một tòa nhà và được xây dựng bằng các kỹ thuật lắp đặt và bảo vệ tương tự như các kỹ thuật của mạch bên ngoài, thì điện áp quá độ phải được xác định bằng cách sử dụng phân loại phù hợp như tại 2.2.4.2.3.2.4.
Nếu thiết bị được cấp nguồn từ pin chuyên dụng, không cho phép sạc từ nguồn điện lưới trong khi không cần tháo pin ra khỏi thiết bị, thì điện áp quá độ sẽ được bỏ qua.
Khi xác định điện áp quá độ của nguồn DC, phải tính đến cách lắp đặt và nguồn gốc của nguồn DC. Nếu không biết những điều này, thì điện áp quá độ nguồn lưới trên nguồn điện một chiều đối với thiết bị ngoài trời phải được lấy là 1,5 kV.
Nếu hệ thống phân phối nguồn DC không nằm trong cùng một tòa nhà, thì nhà sản xuất phải công bố điện áp quá độ nguồn lưới trên nguồn điện DC trong hướng dẫn lắp đặt.
2.2.4.2.3.2.4. Xác định điện áp quá độ mạch ngoài
Giá trị thích hợp của điện áp quá độ có thể xuất hiện trên mạch ngoài sẽ được xác định bằng cách sử dụng Bảng 13. Khi có nhiều vị trí hoặc điều kiện thích hợp, thì điện áp quá độ cao nhất được sử dụng. Một tín hiệu chuông hoặc tín hiệu gián đoạn khác sẽ không được đưa vào tính toán nếu điện áp của tín hiệu này nhỏ hơn điện áp quá độ.
Nếu điện áp quá độ nhỏ hơn điện áp đỉnh của tín hiệu thời gian tồn tại ngắn (chẳng hạn như tín hiệu chuông điện thoại), thì điện áp đỉnh của tín hiệu thời gian tồn tại ngắn sẽ được sử dụng làm điện áp quá độ.
Nếu điện áp quá độ mạch ngoài đã biết là cao hơn so với chỉ dẫn trong Bảng 13 thì phải sử dụng giá trị đã biết đó.
CHÚ THÍCH 1: Úc đã công bố giới hạn quá điện áp của mình trong AS/ACIF G624: 2005
CHÚ THÍCH 2: Giả thiết rằng các phép đo thích hợp đã được thực hiện để giảm khả năng điện áp quá độ xuất hiện ở thiết bị vượt quá giá trị quy định trong Bảng 13. Việc lắp đặt mà điện áp quá độ xuất hiện ở thiết bị dự kiến sẽ vượt quá các giá trị quy định trong Bảng 13, có thể cần các biện pháp bổ sung như triệt tiêu xung điện áp.
Bảng 13 - Điện áp quá độ mạch ngoài
|
STT |
Loại cáp |
Các điều kiện bổ sung |
Điện áp quá độ |
|
1 |
Dây dẫn ghép cặpa – |
Tòa nhà hoặc cấu trúc có thể có hoặc không có liên kết đẳng thế |
1 500 V 10/700 µs Chỉ vi sai nếu một dây dẫn được nối đất trong thiết bị |
|
2 |
Bất kỳ dây dẫn nào khác |
Mạch bên ngoài không được nối đất ở cả hai đầu, nhưng có một tham chiếu nối đất (ví dụ: từ kết nối đến nguồn điện). |
Điện áp quá độ nguồn điện lưới hoặc điện áp quá độ mạch ngoài của mạch được đề cập là mạch được dẫn xuất theo giá trị nào cao hơn |
|
3 |
Cáp đồng trục trong mạng phân phối cáp |
Thiết bị không phải là bộ lặp đồng trục được cấp nguồn. Tấm chắn cáp được nối đất tại thiết bị. |
4 000 V 10/700 µs |
|
4 |
Cáp đồng trục trong mạng phân phối cáp |
Bộ lặp đồng trục được cấp nguồn (cáp đồng trục lên đến 4,4 mm). Tấm chắn cáp được nối đất tại thiết bị. |
5 000 V 10/700 µs |
|
5 |
Cáp đồng trục trong mạng phân phối cáp |
Thiết bị không phải là bộ lặp đồng trục được cấp nguồn. Tấm chắn cáp không được nối đất tại thiết bị. Tấm chắn cáp được nối đất ở lối vào tòa nhà. |
4 000 V 10/700 µs |
|
6 |
Cáp đồng trục |
Cáp kết nối với ăng ten ngoài trời |
Không quá độb |
|
7 |
Dây dẫn ghép cặpa |
Cáp kết nối với ăng ten ngoài trời |
Không quá độb |
|
8 |
Cáp đồng trục trong tòa nhàb |
Kết nối của cáp đến từ bên ngoài tòa nhà được thực hiện thông qua một điểm trung chuyển. Tấm chắn của cáp đồng trục từ bên ngoài tòa nhà và tấm chắn cáp đồng trục của cáp bên trong tòa nhà được kết nối với nhau và được kết nối với đất. |
Không áp dụng |
|
Nói chung, đối với các mạch bên ngoài được lắp đặt hoàn toàn trong cùng một cấu trúc tòa nhà, quá độ không được tính đến. Tuy nhiên, một dây dẫn được coi là tách rời tòa nhà nếu nó kết thúc trên thiết bị được nối đất với một mạng tiếp địa khác. CHÚ THÍCH 1: Các thiết bị gia dụng như âm thanh, video và các sản phẩm đa phương tiện được xác định bằng số thứ tự 6, 7 và 8. |
|||
|
a: Một dây dẫn ghép cặp bao gồm một cặp dây xoắn. b: Các cáp này không chịu bất kỳ quá độ nào nhưng chúng có thể bị ảnh hưởng bởi điện áp phóng tĩnh điện 10 kV (từ tụ điện 1 nF). Ảnh hưởng của điện áp phóng tĩnh điện như vậy không được tính đến khi xác định khe hở. Kiểm tra sự phù hợp bằng thử nghiệm của E.10.4. |
|||
2.2.4.2.3.2.5. Xác định các mức điện áp quá độ bằng đo kiểm
Điện áp quá độ qua khe hở được đo bằng quy trình dưới đây.
Trong quá trình đo, thiết bị không được kết nối với nguồn điện hoặc với bất kỳ mạch bên ngoài nào. Chỉ ngắt kết nối bộ triệt đột biến bên trong thiết bị trong các mạch điện được kết nối với nguồn điện lưới. Nếu thiết bị được thiết kế để sử dụng với nguồn điện riêng, thì nguồn điện riêng đó sẽ được kết nối với thiết bị trong quá trình đo.
Để đo điện áp quá độ qua khe hở, máy phát thử nghiệm xung thích hợp ở Phụ lục C được sử dụng để tạo xung. Ít nhất ba xung tại mỗi cực tính, với khoảng giãn cách giữa các xung ít nhất là 1 s, được đặt vào giữa mỗi điểm liên quan.
a. Điện áp quá độ từ nguồn lưới xoay chiều AC
Mạch tạo thử nghiệm xung 2 ở Bảng B.1 được sử dụng để tạo ra xung 1,2 / 50 µs có điện áp bằng điện áp quá độ của nguồn điện xoay chiều giữa các điểm sau:
- Pha-pha;
- Tất cả các dây pha nối với nhau và trung tính;
- Tất cả các dây pha nối với nhau và đất bảo vệ;
- Trung tính và đất bảo vệ.
b. Điện áp quá độ từng nguồn lưới một chiều DC
Mạch tạo thử nghiệm xung 2 ở Bảng B.1 được sử dụng để tạo ra xung 1,2 / 50 µs có điện áp bằng điện áp quá độ của nguồn điện một chiều, tại các điểm sau:
- Các điểm nối cực nguồn âm và dương;
- Tất cả các điểm nối nguồn đấu nối cùng nhau và đất bảo vệ;
c. Điện áp quá độ từ mạch ngoài
Máy phát thử nghiệm thích hợp ở Phụ lục C được sử dụng để tạo ra xung phù hợp, được mô tả trong Bảng 13 và được đặt giữa mỗi điểm nối mạch bên ngoài dưới đây của một kiểu giao diện đơn:
- Từng cặp đầu nối (ví dụ, A và B hoặc đầu và vòng) trong một giao diện;
- Tất cả các đầu nối của một kiểu giao diện đơn nối với nhau và đất;
Một thiết bị đo điện áp được kết nối qua khe hở được đề cập.
Trường hợp có một số mạch giống hệt nhau, chỉ một mạch được thử nghiệm.
2.2.4.2.3.3. Xác định điện áp chịu thử được yêu cầu
Điện áp chịu thử được yêu cầu bằng điện áp quá độ được xác định trong 2.2.4.2.3.2, trừ các trường hợp sau:
- Nếu một mạch cách ly với nguồn điện được nối với đầu nối đất bảo vệ chính thông qua một dây nối bảo vệ, thì điện áp chịu thử được yêu cầu có thể thấp hơn một cấp quá điện áp hoặc thấp hơn một điện áp nguồn AC trong Bảng 12. Đối với nguồn điện xoay chiều lên đến và bao gồm 50 V RMS, không có điều chỉnh nào được thực hiện.
- Trong mạch điện được cách ly với nguồn điện được cung cấp bởi nguồn một chiều có lọc điện dung và được nối đất bảo vệ, điện áp chịu thử được yêu cầu phải được giả định bằng giá trị đỉnh của điện áp một chiều của nguồn điện hoặc giá trị đỉnh của điện áp làm việc của mạch cách ly với nguồn điện, chọn giá trị nào cao hơn.
- Nếu thiết bị được cấp nguồn từ pin chuyên dụng, không cho phép sạc từ nguồn điện lưới trong khi không cần tháo pin ra khỏi thiết bị thì điện áp quá độ bằng 0 và điện áp chịu thử yêu cầu bằng giá trị đỉnh của điện áp làm việc.
2.2.4.2.3.4. Xác định khe hở bằng cách sử dụng điện áp chịu thử được yêu cầu
Mỗi khe hở phải tuân theo các giá trị thích hợp tại Bảng 14.
Bảng 14 - Xác định khe hở nhỏ nhất bằng cách sử dụng điện áp chịu thử được yêu cầu
|
Điện áp chịu thử được yêu cầu |
Cách điện chính và cách điện phụ mm |
Cách điện tăng cường
mm |
||||
|
Vđỉnh hoặc DC Đến và bằng |
Mức độ nhiễm bẩn |
Mức độ nhiễm bẩn |
||||
|
1 a |
2 |
3 |
1 a |
2 |
3 |
|
|
330 |
0,01 |
0,2 |
0,8 |
0,02 |
0,4 |
1,5 |
|
400 |
0,02 |
0,04 |
||||
|
500 |
0,04 |
0,08 |
||||
|
600 |
0,06 |
0,12 |
||||
|
800 |
0,10 |
0,2 |
||||
|
1 000 |
0,15 |
0,3 |
||||
|
1 200 |
0,25 |
0,5 |
||||
|
1 500 |
0,5 |
1,0 |
||||
|
2 000 |
1,0 |
2,0 |
||||
|
2 500 |
1,5 |
3,0 |
||||
|
3 000 |
2,0 |
3,8 |
||||
|
4 000 |
3,0 |
5,5 |
||||
|
5 000 |
4,0 |
8,0 |
||||
|
6 000 |
5,5 |
8,0 |
||||
|
8 000 |
8,0 |
14 |
||||
|
10 000 |
11 |
19 |
||||
|
12 000 |
14 |
24 |
||||
|
15 000 |
18 |
31 |
||||
|
20 000 |
25 |
44 |
||||
|
25 000 |
33 |
60 |
||||
|
30 000 |
40 |
72 |
||||
|
40 000 |
60 |
98 |
||||
|
50 000 |
75 |
130 |
||||
|
60 000 |
90 |
162 |
||||
|
80 000 |
130 |
226 |
||||
|
100 000 |
170 |
290 |
||||
|
Phép nội suy tuyến tính có thể được sử dụng giữa hai điểm gần nhất, khe hở tối thiểu được tính toán sẽ được làm tròn đến giá trị được chỉ định cao hơn tiếp theo. Đối với các giá trị sau: Không quá 0,5 mm, lượng gia tăng quy định là 0,01 mm; Quá 0,5 mm, lượng gia tăng quy định là 0,1 mm. a Các giá trị đối với độ nhiễm bẩn mức 1 có thể được sử dụng nếu một mẫu phù hợp với các thử nghiệm tại 2.2.4.1.5.2. |
||||||
2.2.4.2.4. Xác định độ thích hợp của khe hở bằng cách sử dụng thử nghiệm độ bền điện
Khe hở phải chịu được thử nghiệm độ bền điện. Thử nghiệm có thể được tiến hành bằng cách sử dụng điện áp xung hoặc điện áp xoay chiều hoặc điện áp một chiều. Điện áp chịu thử được yêu cầu được xác định như trong 2.2.4.2.3.
Thử nghiệm điện áp chịu xung được thực hiện với điện áp có dạng sóng thích hợp (xem Phụ lục C) và với các giá trị quy định trong Bảng 15. Mỗi cực tính có năm xung được đặt với khoảng thời gian giữa các xung ít nhất là 1 s.
Thử nghiệm điện áp xoay chiều được thực hiện bằng cách sử dụng điện áp hình sin có giá trị đỉnh như quy định trong Bảng 15 và được thực hiện trong 5 s.
Thử nghiệm điện áp một chiều được thực hiện bằng cách sử dụng điện áp một chiều quy định trong Bảng 15 và đặt vào một cực trong 5 s và sau đó trong 5 s ở cực ngược.
Bảng 15 - các điện áp thử nghiệm độ bền điện
|
Điện áp chịu thử được yêu cầu đến và bằng |
Điện áp thử nghiệm độ bền điện đối với khe hở với Cách điện chính hoặc Cách điện phụ kV đỉnh |
|
0,33 |
0,36 |
|
0,5 |
0,54 |
|
0,8 |
0,93 |
|
1,5 |
1,75 |
|
2,5 |
2,92 |
|
4,0 |
4,92 |
|
6,0 |
7,39 |
|
8,0 |
9,85 |
|
12,0 |
14,77 |
|
U a |
1,23 × U a |
|
Có thể sử dụng phép nội suy tuyến tính giữa hai điểm gần nhất, điện áp thử nghiệm tối thiểu được tính toán được làm tròn đến mức tăng 0,01 kV giá trị cao hơn tiếp theo. Nếu EUT không đạt được thử nghiệm AC hoặc DC thì phải sử dụng thử nghiệm xung. Nếu thử nghiệm được tiến hành ở độ cao từ 200 m trở lên so với mực nước biển, có thể sử dụng Bảng D.5 của IEC 60664-1: 2007, trong trường hợp này, phép nội suy tuyến tính giữa các độ cao từ 200 m đến 500 m và giữa các độ cao tương ứng. Có thể sử dụng điện áp thử nghiệm xung trong Bảng D.5 của IEC 60664-1: 2007. |
|
|
a U là điện áp chịu thử được yêu cầu bất kỳ cao hơn 12,0 kV. |
|
2.2.4.2.5. Hệ số nhân đối với độ cao hơn 2 000 m so với mực nước biển
Đối với thiết bị dự kiến và được thiết kế để sử dụng ở độ cao hơn 2 000 m so với mực nước biển, khe hở tối thiểu trong Bảng 10, Bảng 11 và Bảng 14 và điện áp thử nghiệm độ bền điện trong Bảng 15 được nhân với hệ số nhân cho độ cao mong muốn theo Bảng 16.
CHÚ THÍCH 1: Các độ cao cao hơn có thể được mô phỏng trong buồng chân không.
Bảng 16 - Hệ số nhân cho khe hở và điện áp thử nghiệm
|
Độ cao m |
Áp suất khí quyển thông thường kPa |
Hệ số nhân đối với khe hở |
Hệ số nhân đối với điện áp thử nghiệm độ bền điện |
||
|
< 1 mm |
≥ 1 mm đến < 10 mm |
≥ 10 mm đến < 100 mm |
|||
|
2 000 |
80,0 |
1,00 |
1,00 |
1,00 |
1,00 |
|
3 000 |
70,0 |
1,14 |
1,05 |
1,07 |
1,10 |
|
4 000 |
62,0 |
1,29 |
1,10 |
1,15 |
1,20 |
|
5 000 |
54,0 |
1,48 |
1,16 |
1,24 |
1,33 |
|
Phép nội suy tuyến tính có thể được sử dụng giữa hai điểm gần nhất, hệ số nhân tối thiểu đã tính được sẽ được làm tròn lên 0,01 tới giá trị cao hơn tiếp theo. |
|||||
2.2.4.2.6. Tuân thủ tiêu chuẩn
Kiểm tra sự phù hợp bằng phép đo và thử nghiệm có tính đến các điều liên quan tại Phụ lục O và Phụ lục Q.
Các điều kiện sau được áp dụng:
- Các bộ phận có thể chuyển động được đặt ở tư thế, vị trí bất lợi nhất của chúng.
- Các khe hở từ vỏ bọc bằng vật liệu cách điện qua khe hoặc lỗ hở ở vỏ bọc được đo theo Hình M.13, điểm X;
- Trong các thử nghiệm chịu lực, vỏ bọc kim loại không được tiếp xúc với các bộ phận dây dẫn trần của:
+ Các mạch ES2, trừ khi sản phẩm nằm trong khu vực truy cập hạn chế, hoặc
+ Các mạch ES3;
- Sau các thử nghiệm của Phụ lục Q:
+ Đo các kích thước cho khe hở.
+ Phải áp dụng thử nghiệm độ bền điện liên quan.
+ Đối với thử nghiệm va đập kính của Q.9, sự cố kết thúc, vết lõm nhỏ không làm giảm khe hở dưới giá trị quy định, vết nứt bề mặt và những thứ tương tự được bỏ qua. Nếu vết nứt xuyên qua xuất hiện, khe hở không được giảm. Đối với các vết nứt không thể nhìn thấy bằng mắt thường, phải tiến hành thử nghiệm độ bền điện;
- Các thành phần và bộ phận, trừ các bộ phận đóng vai trò là vỏ bọc, phải chịu thử nghiệm như tại Q.2. Sau khi tác dụng lực, khe hở không được giảm xuống dưới giá trị yêu cầu.
Đối với các mạch được nối với hệ thống phân phối cáp đồng trục hoặc ăng ten ngoài trời, kiểm tra sự phù hợp bằng các thử nghiệm của 2.2.5.8.
2.2.4.3. Chiều dài đường rò
2.2.4.3.1. Tổng quan
Chiều dài đường rò phải có kích thước sao cho, với một điện áp làm việc RMS, độ nhiễm bẩn và nhóm vật liệu cho trước, không xảy ra phóng điện bề mặt hoặc phóng điện đánh thủng.
Chiều dài đường rò đối với cách điện chính và Cách điện phụ với tần số đến 30 kHz phải tuân theo Bảng 17. Chiều dài đường rò đối với cách điện chính và Cách điện phụ với tần số lớn hơn 30 kHz và đến 400 kHz phải tuân theo Bảng 18.
Các yêu cầu về chiều dài đường rò đối với tần số lên đến 400 kHz có thể được sử dụng cho tần số trên 400 kHz cho đến khi có thêm dữ liệu.
CHÚ THÍCH: Chiều dài đường rò với các tần số cao hơn 400 kHz đang được xem xét.
Chiều dài đường rò giữa bề mặt cách điện bên ngoài (xem 5.4.3.2) của đầu nối (bao gồm cả lỗ hở trong vỏ bọc) và các bộ phận dẫn điện được nối với ES2 bên trong đầu nối (hoặc trong vỏ bọc) phải phù hợp với các yêu cầu đối với cách điện chính.
Chiều dài đường rò giữa bề mặt cách điện bên ngoài (xem 2.2.4.3.2) của đầu nối (bao gồm cả lỗ hở trong vỏ bọc) và các bộ phận dẫn điện được nối với ES3 bên trong đầu nối (hoặc trong vỏ bọc) phải phù hợp với các yêu cầu đối với cách điện tăng cường.
Ngoại lệ, chiều dài đường rò có thể tuân theo các yêu cầu đối với cách điện chính nếu đầu nối là:
- Được cố định vào thiết bị;
- Nằm bên trong vỏ bọc điện bên ngoài của thiết bị;
- Chỉ có thể chạm tới được sau khi tháo bỏ một phụ kiện phụ, cái mà:
+ Được yêu cầu ở đúng vị trí trong điều kiện hoạt động bình thường;
+ Được cung cấp một biện pháp bảo vệ để thay thế phụ kiện phụ đã tháo rời.
Đối với tất cả các chiều dài đường rò khác trong các đầu nối, kể cả các đầu nối không được cố định vào thiết bị, áp dụng các giá trị nhỏ nhất được xác định theo 2.2.4.3.
Chiều dài đường rò tối thiểu nêu trên đối với các đầu nối không áp dụng cho các đầu nối được liệt kê trong D.4.
Nếu chiều dài đường rò tối thiểu lấy từ Bảng 17 hoặc Bảng 18 nhỏ hơn khe hở tối thiểu, thì khe hở tối thiểu phải được áp dụng làm chiều dài đường rò tối thiểu.
Đối với thủy tinh, mica, gốm tráng men hoặc các vật liệu vô cơ tương tự, nếu khoảng giãn cách rò nhỏ nhất lớn hơn khe hở tối thiểu áp dụng, thì giá trị của khe hở tối thiểu có thể được áp dụng làm khoảng giãn cách rò tối thiểu.
Đối với cách điện tăng cường, các giá trị đối với chiều dài đường rò gấp hai lần giá trị đối với cách điện chính trong Bảng 17 hoặc Bảng 18.
2.2.4.3.2. Phương pháp thử nghiệm
Các điều kiện dưới đây được áp dụng:
- Các bộ phận có thể chuyển động được đặt ở vị trí bất lợi nhất của chúng;
- Đối với thiết bị kết hợp dây cấp nguồn loại thông thường không thể tháo rời, các phép đo chiều dài đường rò được thực hiện với ruột dẫn cung cấp có diện tích mặt cắt ngang lớn nhất quy định trong D.7 và thực hiện không có ruột dẫn.
- Khi đo chiều dài đường rò từ bề mặt ngoài có thể chạm tới được của vỏ bọc bằng vật liệu cách điện qua một khe hoặc lỗ ở vỏ bọc hoặc qua một lỗ ở đầu nối chạm tới được, thì bề mặt ngoài chạm tới được của vỏ bọc phải được xem là dẫn điện như thể nó đã được phủ bằng lá kim loại trong quá trình thử nghiệm của V.1.2, đặt với lực không đáng kể (xem Hình M.13, điểm X);
- Các kích thước đối với chiều dài đường rò có chức năng như cách điện chính, cách điện phụ và cách điện tăng cường được đo sau các thử nghiệm của Phụ lục Q theo 4.4.3;
- Đối với thử nghiệm va đập kính của Q.9, sự cố kết thúc, vết lõm nhỏ không làm giảm chiều dài đường rò xuống dưới các giá trị cụ thể, vết nứt bề mặt và những thứ tương tự được bỏ qua. Nếu xuất hiện vết nứt xuyên qua, chiều dài đường rò không được giảm;
- Các thành phần và bộ phận, trừ các bộ phận đóng vai trò là vỏ bọc, phải chịu thử nghiệm như tại Q.2. Sau khi tác dụng lực, chiều dài đường rò không được giảm xuống dưới giá trị yêu cầu.
2.2.4.3.3. Nhóm vật liệu và CTI
Các nhóm vật liệu dựa trên CTI và được phân loại như sau:
Nhóm vật liệu I 600 ≤ CTI (chỉ số phóng điện bề mặt tương đối)
Nhóm vật liệu II 400 ≤ CTI < 600
Nhóm vật liệu IIIa 175 ≤ CTI < 400
Nhóm vật liệu IIIb 100 ≤ CTI < 175
Nhóm vật liệu được kiểm tra bằng cách đánh giá dữ liệu thử nghiệm vật liệu theo IEC 60112 sử dụng 50 giọt dung dịch A.
Nếu chưa biết nhóm vật liệu, phải coi chúng là vật liệu nhóm IIIb.
Nếu CTI bằng 175 hoặc lớn hơn là cần thiết, mà dữ liệu chưa có sẵn, thì nhóm vật liệu có thể được thiết lập qua thử nghiệm đối với chỉ số chịu phóng điện bề mặt (PTI) được nêu cụ thể trong IEC 60112. Vật liệu có thể nằm trong một nhóm nếu PTI của nó được thiết lập qua các thử nghiệm này có giá trị bằng hoặc lớn hơn giá trị thấp của CTI quy định cho nhóm đó.
2.2.4.3.4. Tuân thủ tiêu chuẩn
Kiểm tra sự phù hợp bằng phép đo có tính đến Phụ lục O, Phụ lục Q và Phụ lục R
Bảng 17 - Khoảng giãn cách rò tối thiểu đối với cách điện chính, cách điện phụ tính theo mm
|
|
Điện áp làm việc RMS đến và bằng |
|
Mức độ nhiễm bẩn |
||||||||
|
|
|
|
|
|
|
|
|
|
|
|
|
|
|
|
1a |
2 |
3 |
|||||||
|
|
|
||||||||||
|
|
|
|
|
|
|
Nhóm vật liệu |
|
|
|
||
|
|
|
|
|
|
|
|
|
|
|||
|
|
V |
|
I, II, IIIa, IIIb |
|
I |
II |
|
IIIa, IIIb |
I |
II |
IIIa, IIIb b |
|
|
10 |
|
0,08 |
|
0,4 |
0,4 |
|
0,4 |
1,0 |
1,0 |
1,0 |
|
|
|
|
|
|
|
|
|
|
|
|
|
|
|
12,5 |
|
0,09 |
|
0,42 |
0,42 |
|
0,42 |
1,05 |
1,05 |
1,05 |
|
|
|
|
|
|
|
|
|
|
|
|
|
|
|
16 |
|
0,1 |
|
0,45 |
0,45 |
|
0,45 |
1,1 |
1,1 |
1,1 |
|
|
|
|
|
|
|
|
|
|
|
|
|
|
|
20 |
|
0,11 |
|
0,48 |
0,48 |
|
0,48 |
1,2 |
1,2 |
1,2 |
|
|
|
|
|
|
|
|
|
|
|
|
|
|
|
25 |
|
0,125 |
|
0,5 |
0,5 |
|
0,5 |
1,25 |
1,25 |
1,25 |
|
|
|
|
|
|
|
|
|
|
|
|
|
|
|
32 |
|
0,14 |
|
0,53 |
0,53 |
|
0,53 |
1,3 |
1,3 |
1,3 |
|
|
|
|
|
|
|
|
|
|
|
|
|
|
|
40 |
|
0,16 |
|
0,56 |
0,8 |
|
1,1 |
1,4 |
1,6 |
1,8 |
|
|
|
|
|
|
|
|
|
|
|
|
|
|
|
50 |
|
0,18 |
|
0,6 |
0,85 |
|
1,2 |
1,5 |
1,7 |
1,9 |
|
|
|
|
|
|
|
|
|
|
|
|
|
|
|
63 |
|
0,2 |
|
0,63 |
0,9 |
|
1,25 |
1,6 |
1,8 |
2,0 |
|
|
|
|
|
|
|
|
|
|
|
|
|
|
|
80 |
|
0,22 |
|
0,67 |
0,95 |
|
1,3 |
1,7 |
1,9 |
2,1 |
|
|
|
|
|
|
|
|
|
|
|
|
|
|
|
100 |
|
0,25 |
|
0,71 |
1,0 |
|
1,4 |
1,8 |
2,0 |
2,2 |
|
|
|
|
|
|
|
|
|
|
|
|
|
|
|
125 |
|
0,28 |
|
0,75 |
1,05 |
|
1,5 |
1,9 |
2,1 |
2,4 |
|
|
|
|
|
|
|
|
|
|
|
|
|
|
|
160 |
|
0,32 |
|
0,8 |
1,1 |
|
1,6 |
2,0 |
2,2 |
2,5 |
|
|
|
|
|
|
|
|
|
|
|
|
|
|
|
200 |
|
0,42 |
|
1,0 |
1,4 |
|
2,0 |
2,5 |
2,8 |
3,2 |
|
|
|
|
|
|
|
|
|
|
|
|
|
|
|
250 |
|
0,56 |
|
1,25 |
1,8 |
|
2,5 |
3,2 |
3,6 |
4,0 |
|
|
|
|
|
|
|
|
|
|
|
|
|
|
|
320 |
|
0,75 |
|
1,6 |
2,2 |
|
3,2 |
4,0 |
4,5 |
5,0 |
|
|
|
|
|
|
|
|
|
|
|
|
|
|
|
400 |
|
1,0 |
|
2,0 |
2,8 |
|
4,0 |
5,0 |
5,6 |
6,3 |
|
|
|
|
|
|
|
|
|
|
|
|
|
|
|
500 |
|
1,3 |
|
2,5 |
3,6 |
|
5,0 |
6,3 |
7,1 |
8,0 |
|
|
|
|
|
|
|
|
|
|
|
|
|
|
|
630 |
|
1,8 |
|
3,2 |
4,5 |
|
6,3 |
8,0 |
9.0 |
10 |
|
|
|
|
|
|
|
|
|
|
|
|
|
|
|
800 |
|
2,4 |
|
4,0 |
5,6 |
|
8,0 |
10 |
11 |
12,5 |
|
|
|
|
|
|
|
|
|
|
|
|
|
|
|
1 000 |
|
3,2 |
|
5,0 |
7,1 |
|
10 |
12,5 |
14 |
16 |
|
|
|
|
|
|
|
|
|
|
|
|
|
|
|
1 250 |
|
4,2 |
|
6,3 |
9,0 |
|
12,5 |
16 |
18 |
20 |
|
|
|
|
|
|
|
|
|
|
|
|
|
|
|
1 600 |
|
5,6 |
|
8,0 |
11 |
|
16 |
20 |
22 |
25 |
|
|
|
|
|
|
|
|
|
|
|
|
|
|
|
2 000 |
|
7,5 |
|
10 |
14 |
|
20 |
25 |
28 |
32 |
|
|
|
|
|
|
|
|
|
|
|
|
|
|
|
2 500 |
|
10 |
|
12,5 |
18 |
|
25 |
32 |
36 |
40 |
|
|
|
|
|
|
|
|
|
|
|
|
|
|
|
3 200 |
|
12,5 |
|
16 |
22 |
|
32 |
40 |
45 |
50 |
|
|
|
|
|
|
|
|
|
|
|
|
|
|
|
4 000 |
|
16 |
|
20 |
28 |
|
40 |
50 |
56 |
63 |
|
|
|
|
|
|
|
|
|
|
|
|
|
|
|
5 000 |
|
20 |
|
25 |
36 |
|
50 |
63 |
71 |
80 |
|
|
|
|
|
|
|
|
|
|
|
|
|
|
|
6 300 |
|
25 |
|
32 |
45 |
|
63 |
80 |
90 |
100 |
|
|
|
|
|
|
|
|
|
|
|
|
|
|
|
8 000 |
|
32 |
|
40 |
56 |
|
80 |
100 |
110 |
125 |
|
|
|
|
|
|
|
|
|
|
|
|
|
|
|
10 000 |
|
40 |
|
50 |
71 |
|
100 |
125 |
140 |
160 |
|
|
|
|
|
|
|
|
|
|
|
|
|
|
|
12 500 |
|
50 |
|
63 |
90 |
|
125 |
|
|
|
|
|
|
|
|
|
|
|
|
|
|
|
|
|
|
16 000 |
|
63 |
|
80 |
110 |
|
160 |
|
|
|
|
|
|
|
|
|
|
|
|
|
|
|
|
|
|
20 000 |
|
80 |
|
100 |
140 |
|
200 |
|
|
|
|
|
|
|
|
|
|
|
|
|
|
|
|
|
|
25 000 |
|
100 |
|
125 |
180 |
|
250 |
|
|
|
|
|
|
|
|
|
|
|
|
|
|
|
|
|
|
32 000 |
|
125 |
|
160 |
220 |
|
320 |
|
|
|
|
|
|
|
|
|
|
|
|
|
|
|
|
|
|
40 000 |
|
160 |
|
200 |
280 |
|
400 |
|
|
|
|
|
|
|
|
|
|
|
|
|
|
|
|
|
|
50 000 |
|
200 |
|
250 |
360 |
|
500 |
|
|
|
|
|
|
|
|
|
|
|
|
|
|
|
|
|
|
63 000 |
|
250 |
|
320 |
450 |
|
600 |
|
|
|
|
|
|
|
|
|
|
|
|
||||
|
Có thể sử dụng phép nội suy tuyến tính giữa hai điểm gần nhất, chiều dài đường rò tối thiểu được tính toán được làm tròn đến 0,1 mm tới giá trị cao hơn tiếp theo hoặc giá trị trong hàng tiếp theo bên dưới tùy theo giá trị nào thấp hơn. Đối với cách điện tăng cường, việc làm tròn đến 0,1 mm tới giá trị cao hơn tiếp theo hoặc để nhân đôi giá trị trong hàng tiếp theo được thực hiện sau khi nhân đôi giá trị tính toán cho cách điện chính. |
|||||||||||
|
a |
Các giá trị cho mức độ nhiễm bẩn 1 có thể được sử dụng nếu một mẫu phù hợp với các thử nghiệm của 2.2.4.1.5.2. |
|
|||||||||
|
|
|
||||||||||
|
b Nhóm vật liệu IIIb không được khuyến nghị cho các ứng dụng trong nhiễm điện mức độ 3 với điện áp làm việc RMS trên 630 V. |
|||||||||||
Bảng 18 - Giá trị tối thiểu của chiều dài đường rò (tính theo mm) đối với tần số cao hơn 30 kHz và lên đến 400 kHz
|
Điện áp kV |
30 kHz < f ≤ 100 kHz |
100 kHz < f ≤ 200 kHz |
200 kHz < f ≤ 400 kHz |
|
0,1 |
0,0167 |
0,02 |
0,025 |
|
0,2 |
0,042 |
0,043 |
0,05 |
|
0,3 |
0,083 |
0,09 |
0,1 |
|
0,4 |
0,125 |
0,13 |
0,15 |
|
0,5 |
0,183 |
0,23 |
0,25 |
|
0,6 |
0,267 |
0,38 |
0,4 |
|
0,7 |
0,358 |
0,55 |
0,68 |
|
0,8 |
0,45 |
0,8 |
1,1 |
|
0,9 |
0,525 |
1,0 |
1,9 |
|
1 |
0,6 |
1,15 |
3 |
|
Các giá trị cho khoảng giãn cách rò trong bảng áp dụng cho mức độ nhiễm bẩn 1. Đối với mức độ nhiễm bẩn 2, hệ số nhân 1,2 và cho mức độ nhiễm bẩn 3, hệ số nhân 1,4 sẽ được áp dụng. Có thể áp dụng phép nội suy tuyến tính, kết quả được làm tròn đến chữ số có nghĩa tiếp theo. Dữ liệu đưa ra trong Bảng 18 này (từ Bảng 2 của IEC 60664-4: 2005) không tính đến ảnh hưởng của các hiện tượng phóng điện. Vì mục đích đó, Bảng 17 phải được tính đến. Do đó, nếu các giá trị trong Bảng 18 nhỏ hơn các giá trị trong Bảng 17 thì áp dụng các giá trị của Bảng 17. |
|||
2.2.4.4. Cách điện rắn
2.2.4.4.1. Các yêu cầu chung
Các yêu cầu của điều phụ này áp dụng cho vật liệu cách điện rắn, bao gồm các hợp chất và vật liệu gel được sử dụng làm vật liệu cách điện.
Cách điện rắn sẽ không bị đánh thủng:
- Do quá điện áp, bao gồm cả quá độ, vào thiết bị và điện áp đỉnh có thể được tạo ra trong thiết bị;
- Do lỗ nhỏ trong lớp cách điện mỏng;
Các lớp phủ tráng men không được sử dụng cho cách điện chính, cách điện phụ hoặc cách điện tăng cường trừ trường hợp nêu trong G.6.2.
Ngoại trừ bảng mạch in, vật liệu cách điện rắn phải:
- Tuân thủ các khoảng giãn cách tối thiểu qua lớp cách điện phù hợp với 2.2.4.4.2; hoặc
- Đáp ứng các yêu cầu và vượt qua các thử nghiệm trong 2.2.4.4.3 đến 2.2.4.4.7, nếu có.
Kính được sử dụng làm vật liệu cách điện rắn phải phù hợp với thử nghiệm va đập vỡ kính như quy định trong Q.9. Sự cố kết thúc, vết lõm nhỏ không làm giảm khe hở dưới giá trị quy định, vết nứt bề mặt và những thứ tương tự được bỏ qua. Nếu xuất hiện vết nứt xuyên qua thì khe hở và chiều dài đường rò không được giảm xuống dưới các giá trị quy định.
Đối với bảng mạch in, xem D.13. Đối với các đầu cuối ăng ten, xem 2.2.4.5. Đối với cách điện rắn trên dâu bên trong, xem 2.2.4.6.
2.2.4.4.2. Khoảng giãn cách tối thiểu xuyên qua lớp cách điện
Ngoại trừ trường hợp áp dụng điều phụ khác của Điều 5, các khoảng giãn cách xuyên qua lớp cách điện phải được định kích thước tùy theo ứng dụng của cách điện và như sau (xem Hình M.15 và Hình M.16):
- Nếu điện áp làm việc không vượt quá giới hạn điện áp ES2 thì không có yêu cầu nào về khoảng giãn cách xuyên qua lớp cách điện;
- Nếu điện áp làm việc vượt quá giới hạn điện áp ES2, cần áp dụng các quy tắc sau:
+ Đối với cách điện chính, không quy định khoảng giãn cách tối thiểu xuyên qua lớp cách điện;
+ Đối với cách điện phụ hoặc cách điện tăng cường bao gồm một lớp vật liệu, khoảng giãn cách tối thiểu xuyên qua lớp cách điện phải là 0,4 mm;
+ Đối với cách điện phụ hoặc cách điện tăng cường bao gồm nhiều lớp vật liệu, khoảng giãn cách tối thiểu xuyên qua cách điện phải phù hợp với 2.2.4.4.6.
2.2.4.4.3. Hợp chất cách điện tạo thành vật liệu cách điện rắn
Không yêu cầu khe hở bên trong hoặc khoảng giãn cách rò tối thiểu nếu:
- Hợp chất cách điện được lấp đầy trong vỏ bọc của các bộ phận hoặc phụ kiện, bao gồm cả các linh kiện bán dẫn (ví dụ bộ ghép quang học); và
- Bộ phận hoặc phụ kiện đáp ứng các khoảng giãn cách tối thiểu qua lớp cách điện của 2.2.4.4.2; và
- Một mẫu đơn vượt qua các thử nghiệm của 2.2.4.1.5.2
CHÚ THÍCH: Một số ví dụ về cách xử lý như vậy được biết đến với nhiều cách khác nhau như bọc kín, ngâm tẩm chân không.
Cấu trúc gồm các khớp nối gắn kết cũng sẽ phải tuân thủ theo 2.2.4.4.5.
Các yêu cầu thay thế đối với linh kiện bán dẫn được nêu trong 2.2.4.4.4.
Đối với bảng mạch in, xem D.13 và đối với các bộ phận quấn dây, xem 2.2.4.4.7
Kiểm tra sự phù hợp bằng cách chia nhỏ mẫu. Không được có khoảng trống nhìn thấy được trong vật liệu cách điện.
2.2.4.4.4. Cách điện rắn trong các linh kiện bán dẫn
Không có khe hở bên trong hoặc khoảng giãn cách rò tối thiểu và không có khoảng giãn cách xuyên qua cách điện tối thiểu đối với cách điện phụ hoặc cách điện tăng cường bao gồm hợp chất cách điện lấp đầy vỏ bọc của linh kiện bán dẫn (ví dụ: bộ ghép quang học) với điều kiện là thành phần đó:
- Vượt qua các thử nghiệm điển hình và tiêu chí kiểm tra của 2.2.4.7; và vượt qua các thử nghiệm thông thường về độ bền điện trong quá trình sản xuất, sử dụng thử nghiệm thích hợp trong 2.2.4.9.2; hoặc
- Tuân theo D.12.
Cấu trúc gồm các khớp nối gắn kết cũng sẽ phải tuân thủ theo 2.2.4.4.5.
Ngoài ra, chất bán dẫn có thể được đánh giá theo 2.2.4.4.3.
2.2.4.4.5. Hợp chất cách điện tạo thành các khớp nối gắn kết
Các yêu cầu quy định dưới đây áp dụng khi một hợp chất cách điện tạo thành khớp nối gắn kết giữa hai bộ phận không dẫn điện hoặc giữa một bộ phận không dẫn điện khác với chính nó. Các yêu cầu này không áp dụng cho bộ ghép quang học phù hợp với IEC 60747-5-5.
Tại vị trí đường dẫn giữa các bộ phận dẫn điện được lấp đầy bằng hợp chất cách điện và hợp chất cách điện tạo thành một khớp nối gắn kết giữa hai bộ phận không dẫn điện hoặc giữa bộ phận không dẫn điện với chính nó (xem Hình M.14, Hình M.15 và Hình M.16), một trong các điều sau đây a), b) hoặc c) được áp dụng.
a. Khoảng giãn cách dọc theo đường dẫn giữa hai bộ phận dẫn điện không được nhỏ hơn khe hở và khoảng giãn cách rò tối thiểu đối với nhiễm điện mức 2. Không áp dụng các yêu cầu về khoảng giãn cách xuyên qua cách điện của 2.2.4.4.2 dọc theo khớp nối.
b. Khoảng giãn cách dọc theo đường dẫn giữa hai bộ phận dẫn điện không được nhỏ hơn khe hở và khoảng giãn cách rò tối thiểu đối với nhiễm điện mức 1. Ngoài ra, một mẫu phải đạt thử nghiệm của 2.2.4.1.5.2. Các yêu cầu về khoảng giãn cách xuyên qua lớp cách điện trong 2.2.4.4.2 không áp dụng dọc theo khớp nối.
c. Các yêu cầu về khoảng giãn cách xuyên qua lớp cách điện của 2.2.4.4.2 áp dụng giữa các bộ phận dẫn điện dọc theo khớp nối. Ngoài ra, ba mẫu phải đạt thử nghiệm của 2.2.4.7.
Đối với a) và b) ở trên, nếu vật liệu cách điện có bao gồm các nhóm vật liệu khác nhau, thì trường hợp xấu nhất được sử dụng. Nếu nhóm vật liệu không được biết đến, thì Nhóm vật liệu IIIb sẽ được sử dụng.
Đối với b) và c) ở trên, các thử nghiệm của 2.2.4.1.5.2 và 5.4.7 không được áp dụng cho các lớp bên trong của bảng mạch in được chế tạo sử dụng chất tẩm trước nếu nhiệt độ của bảng mạch in được đo trong quá trình thử nghiệm gia nhiệt của 2.2.4.1.4. không vượt quá 90°C.
CHÚ THÍCH Một số ví dụ về khớp nối gắn kết như sau:
- Hai bộ phận không dẫn điện được gắn kết với nhau (ví dụ, hai lớp của bảng mạch đa lớp, xem Hình M.14) hoặc cuộn dây đã tách của máy biến áp trong đó phần giữa được giữ chặt bằng chất kết dính (xem Hình M.16);
- Cách điện quấn xoắn ốc trên dây quấn, được bịt kín bằng hợp chất cách điện dính, là một ví dụ của PD1; hoặc
- Khớp nối giữa bộ phận không dẫn điện (vỏ) và chính bản thân hợp chất cách điện trong bộ ghép quang (xem Hình M.15).
2.2.4.4.6. Vật liệu tấm mỏng
2.2.4.4.6.1. Tổng quan
Không có yêu cầu về kích thước hoặc cấu tạo đối với cách điện bằng vật liệu tấm mỏng được sử dụng làm vật liệu cách điện chính.
CHÚ THÍCH: Dụng cụ để thực hiện thử nghiệm độ bền điện trên các tấm mỏng của vật liệu cách điện được mô tả trên Hình 19.
Cách điện bằng vật liệu tấm mỏng có thể được sử dụng để cách điện phụ và cách điện tăng cường, bất kể khoảng giãn cách xuyên qua vật liệu cách điện, với điều kiện là:
- Hai hoặc nhiều lớp cách điện được sử dụng; và
- Cách điện nằm bên trong vỏ thiết bị; và
- Cách điện không bị xử lý hoặc bào mòn trong quá trình người bình thường hoặc người được hướng dẫn thực hiện bảo dưỡng, sửa chữa; và
- Đáp ứng các yêu cầu và thử nghiệm của 2.2.4.4.6.2 (đối với các lớp có thể tách rời) hoặc 5.4.4.6.3 (đối với các lớp không thể tách rời).
Hai hoặc nhiều lớp không bắt buộc phải cố định vào cùng một bộ phận dẫn điện. Hai hoặc nhiều lớp có thể là:
- Được cố định vào một trong các bộ phận dẫn điện cần tách rời; hoặc
- Được chia sẻ giữa hai phần dẫn điện; hoặc
- Không cố định vào một trong hai phần dẫn điện.
Đối với cách điện bằng từ ba lớp vật liệu tấm mỏng không thể tách rời trở lên:
- Không yêu cầu khoảng giãn cách tối thiểu qua lớp cách điện; và
- Mỗi lớp cách điện không nhất thiết phải cùng một loại vật liệu.
2.2.4.4.6.2. Vật liệu tấm mỏng có thể tách rời
Các yêu cầu bổ sung ngoài yêu cầu tại 2.2.4.4.6.1:
- Cách điện phụ bao gồm hai lớp vật liệu, mỗi lớp phải vượt qua thử nghiệm độ bền điện đối với cách điện bổ phụ; hoặc
- Cách điện phụ bao gồm ba lớp vật liệu, bất kỳ sự kết hợp nào của hai lớp đều phải vượt qua thử nghiệm độ bền điện đối với cách điện phụ; hoặc
- Cách điện tăng cường bao gồm hai lớp vật liệu, mỗi lớp phải vượt qua thử nghiệm độ bền điện đối với cách điện tăng cường; hoặc
- Cách điện tăng cường bao gồm ba lớp vật liệu, bất kỳ sự kết hợp nào của hai lớp đều phải vượt qua thử nghiệm độ bền điện đối với cách điện tăng cường.
Nếu sử dụng nhiều hơn ba lớp, các lớp có thể được chia thành hai hoặc ba nhóm lớp. Mỗi nhóm lớp phải vượt qua thử nghiệm độ bền điện đối với cách điện thích hợp.
Thử nghiệm trên một lớp hoặc nhóm lớp không được lặp lại trên một lớp hoặc nhóm lớp giống hệt nhau.
Không có yêu cầu đối với tất cả các lớp cách điện phải có cùng vật liệu và độ dày.
2.2.4.4.6.3. Vật liệu tấm mỏng không thể tách rời
Đối với cách điện bằng vật liệu tấm mỏng không tách rời được, ngoài các yêu cầu của 2.2.4.4.6.1, các quy trình thử nghiệm trong Bảng 19 được áp dụng. Không có yêu cầu tất cả các lớp cách điện phải có cùng vật liệu và độ dày.
Kiểm tra sự phù hợp bằng cách xem xét và bằng cách đánh giá dữ liệu được cung cấp bởi nhà sản xuất hoặc theo các thử nghiệm quy định trong Bảng 19.
Bảng 19 - Thử nghiệm cách điện bằng các lớp cách điện không tách rời
|
Số lớp |
Quy trình thử nghiệm |
|
Cách điện phụ |
|
|
≥ 02 lớp |
Áp dụng quy trình thử nghiệm tại 2.2.4.4.6.4 |
|
Cách điện tăng cường |
|
|
02 lớp |
Áp dụng quy trình thử nghiệm tại 2.2.4.4.6.4 |
|
>02 lớp |
Áp dụng quy trình thử nghiệm tại 2.2.4.4.6.4 và tại 2.2.4.4.6.5a |
|
CHÚ THÍCH: Mục đích của các thử nghiệm trong 2.2.4.4.6.5 là để đảm bảo rằng vật liệu có đủ độ bền để chống lại hư hỏng khi ẩn trong các lớp cách điện bên trong. Do đó, các thử nghiệm không được áp dụng cho cách điện trong hai lớp. Các thử nghiệm trong 2.2.4.4.6.5 không được áp dụng cho cách điện phụ. |
|
|
a Trong trường hợp cách điện không thể tách rời với cuộn dây, thử nghiệm không áp dụng |
|
2.2.4.4.6.4. Quy trình thử nghiệm chuẩn đối với vật liệu tấm mỏng không tách rời
Đối với các lớp không tách rời được, áp dụng thử nghiệm độ bền điện theo 2.2.4.9.1 cho tất cả các lớp cùng nhau. Điện áp thử nghiệm là:
- 200% Utest nếu sử dụng hai lớp; hoặc
- 150% Utest nếu sử dụng ba lớp trở lên,
- Trong đó Utest là điện áp thử nghiệm quy định trong 2.2.4.9.1 đối với cách điện phụ hoặc cách điện tăng cường thích hợp.
CHÚ THÍCH: Trừ khi tất cả các lớp có cùng vật liệu và có cùng độ dày, có khả năng điện áp thử nghiệm sẽ bị phân chia không đồng đều giữa các lớp, gây ra đánh thủng lớp mà lẽ ra sẽ đạt nếu được thử nghiệm riêng biệt.
2.2.4.4.6.5. Thử nghiệm trục quay
Các yêu cầu thử nghiệm đối với cách điện tăng cường làm bằng ba hoặc nhiều tấm vật liệu cách điện mỏng không thể tách rời được quy định dưới đây.
CHÚ THÍCH: Thử nghiệm này dựa trên IEC 61558-1 và sẽ cho kết quả tương tự.
Sử dụng ba mẫu thử, mỗi mẫu riêng lẻ bao gồm ba hoặc nhiều lớp vật liệu tấm mỏng không thể tách rời tạo thành cách điện tăng cường. Một mẫu được cố định vào trục của bộ gá thử nghiệm cho trong Hình 15. Việc cố định phải được thực hiện như trong Hình 16.
|
Kích thước tính bằng mm |
|
|
|
|
|
Hình 15 - Trục |
|
|
Kích thước theo mm |
|
|
|
|
|
Hình 16 - Vị trí ban đầu của trục |
Vị trí cuối cùng của trục quay được quay 230 ° ± 5 ° so với vị trí ban đầu. |
|
Hình 17 - Vị trí cuối cùng của trục |
|
Một lực kéo hướng xuống được áp dụng cho đầu tự do của mẫu, sử dụng một thiết bị kẹp thích hợp. Trục được quay:
- Từ vị trí ban đầu (Hình 16) đến vị trí cuối cùng (Hình 17) và trở lại;
- Lần thứ hai từ vị trí ban đầu đến vị trí cuối cùng.
Nếu mẫu bị vỡ trong quá trình quay tại vị trí được cố định vào trục hoặc được cố định vào thiết bị kẹp, thì điều này không được coi là thử nghiệm không đạt. Nếu một mẫu bị vỡ ở bất kỳ vị trí nào khác, thì thử nghiệm đã không đạt.
Sau thử nghiệm trên, một tấm lá kim loại, dày 0,035 mm ± 0,005 mm, dài ít nhất 200 mm, được đặt dọc theo bề mặt của mẫu, treo xuống mỗi bên của trục (xem Hình 17). Bề mặt của lá tiếp xúc với mẫu phải dẫn điện, không bị oxy hóa hoặc cách điện khác. Lá được đặt sao cho các mép của nó cách mép của mẫu không nhỏ hơn 18 mm (xem Hình 18). Sau đó, lá kim loại được siết chặt ở mỗi đầu bằng hai vật nặng bằng nhau, sử dụng các thiết bị kẹp thích hợp.
|
Kích thước theo đơn vị mm |
|
|
|
Hình 18 - Vị trí của lá kim loại đặt trên vật liệu cách điện |
Khi trục quay ở vị trí cuối cùng và trong vòng 60 s sau vị trí cuối cùng, một thử nghiệm độ bền điện được áp dụng giữa trục quay và lá kim loại phù hợp với 2.2.4.9.1. Điện áp thử nghiệm là 150% Utest, nhưng không nhỏ hơn 5 kV RMS, Utest là điện áp thử nghiệm quy định trong 2.2.4.9.1 đối với cách điện tăng cường thích hợp.
Thử nghiệm được lập lại trên hai mẫu còn lại.
2.2.4.4.7. Cách điện rắn trong các bộ phận quấn dây
Cách điện chính, cách điện phụ hoặc cách điện tăng cường trong bộ phận quấn có thể được cung cấp bởi:
- Cách điện trên các bộ phận quấn (xem D.5); hoặc
- Cách điện trên dây khác (xem D.6); hoặc
- Sự kết hợp của cả hai.
Các bộ phận cuốn có chứa các khớp nối được liên kết cũng phải tuân theo 2.2.4.4.5.
Máy biến áp phẳng phải phù hợp với các yêu cầu của D.13.
2.2.4.4.8. Tuân thủ tiêu chuẩn
Kiểm tra sự phù hợp với các yêu cầu từ 2.2.4.4.2 đến 2.2.4.4.7 về sự phù hợp của cách điện rắn bằng cách xem xét và đo đạc, có tính đến Phụ lục O, bằng các thử nghiệm độ bền điện của 2.2.4.9.1 và các thử nghiệm bổ sung được yêu cầu trong 2.2.4.4.2. đến 2.2.4.4.7, nếu có.
2.2.4.4.9. Yêu cầu cách điện rắn ở tần số cao hơn 30 kHz
Sự phù hợp của cách điện rắn phải được xác định như sau:
- Xác định giá trị cường độ điện trường đánh thủng của vật liệu cách điện ở tần số nguồn điện lưới EP tính bằng kV / mm (RMS) đối với vật liệu cách điện. Một trong các phương pháp sau sẽ được sử dụng để xác định giá trị của EP:
• Giá trị do nhà sản xuất công bố dựa trên dữ liệu của nhà sản xuất vật liệu; hoặc
• Giá trị từ Bảng 20; hoặc
• Giá trị dựa trên thử nghiệm quy định trong IEC 60243-1.
Nhà sản xuất chịu trách nhiệm xác định giá trị
- Xác định hệ số suy giảm KR đối với cường độ điện trường đánh thủng của vật liệu cách điện ở tần số áp dụng từ Bảng 21 hoặc Bảng 22. Nếu vật liệu không được liệt kê trong Bảng 21 hoặc Bảng 22, hãy sử dụng hệ số suy giảm trung bình trong hàng cuối cùng của Bảng 21 hoặc Bảng 22 (nếu có).
- Xác định giá trị của cường độ điện trường đánh thủng ở tần số áp dụng EF bằng cách nhân giá trị EP với hệ số giảm KR:

- Xác định cường độ điện thực VW của vật liệu cách điện bằng cách nhân giá trị EF với tổng chiều dày (d tính bằng mm) của vật liệu cách điện:

- Đối với cách điện chính hoặc cách điện phụ, VW phải vượt quá 20% đỉnh tần số cao đo được của điện áp làm việc VPW:

- Đối với cách điện tăng cường, VW phải vượt quá 20% so với 2 lần đỉnh tần số cao đo được của điện áp làm việc VPW:

Để thay thế cho điều trên, có thể áp dụng thử nghiệm độ bền điện theo 2.2.4.9.1 ngoại trừ điện áp thử nghiệm tần số nguồn lưới phải như sau:
- Cách điện chính: 
- Cách điện tăng cường: 
Sẽ không có đánh thủng.
Bảng 20 - Cường độ điện trường EP cho một số vật liệu thường được sử dụng
|
|
|
|
Cường độ điện trường đánh thủng EP kV/mm |
||||||||
|
|
|
|
|||||||||
|
|
Loại vật liệu |
|
|||||||||
|
|
|
Độ dày của vật liệu mm |
|||||||||
|
|
|
|
|||||||||
|
|
|
|
|||||||||
|
|
|
|
0,75 |
|
0,08 |
|
0,06 |
0,05 |
|
0,03 |
|
|
Sứ a |
|
9,2 |
|
- |
|
- |
- |
|
- |
||
|
Thủy tinh - silicon a |
|
14 |
|
- |
|
- |
- |
|
- |
||
|
Nhựa phenolic a |
|
17 |
|
- |
|
- |
- |
|
- |
||
|
Gốm a |
|
19 |
|
- |
|
- |
- |
|
- |
||
|
Teflon® a 1 |
|
27 |
|
- |
|
- |
- |
|
- |
||
|
Thủy tinh - melamine a |
|
27 |
|
- |
|
- |
- |
|
- |
||
|
Mica a |
|
29 |
|
- |
|
- |
- |
|
- |
||
|
Giấy phenolic a |
|
38 |
|
- |
|
- |
- |
|
- |
||
|
Polyethylene b |
|
49 |
|
- |
|
- |
52 |
|
- |
||
|
Polystyrene c |
|
55 |
|
65 |
|
- |
- |
|
- |
||
|
Thủy tinh a |
|
60 |
|
- |
|
- |
- |
|
- |
||
|
Kapton® a 2 |
|
303 |
|
- |
|
- |
- |
|
- |
||
|
FR530L a |
|
33 |
|
- |
|
- |
- |
|
- |
||
|
Phenolic chứa đầy mica a |
|
28 |
|
- |
|
- |
- |
|
- |
||
|
Glass-silicone laminate a |
|
18 |
|
- |
|
- |
- |
|
- |
||
|
Cellulose-acetobutyrate d |
|
- |
|
- |
|
120 |
- |
|
210 |
||
|
Polycarbonate d |
|
- |
|
- |
|
160 |
- |
|
270 |
||
|
Cellulose-triacetate d |
|
- |
|
- |
|
120 |
- |
|
210 |
||
|
GHI CHÚ: Các giá trị còn thiếu trong phần trên và các giá trị cho các vật liệu khác không có trong danh sách đang được nghiên cứu. |
|||||||||||
|
a |
Đối với cường độ điện trường đánh thủng của các vật liệu được chỉ định, giá trị EP của độ dày 0,75 mm có thể được sử dụng cho tất cả các độ dày. |
||||||||||
|
b |
Giá trị EP của độ dày 0,05 mm được sử dụng cho lớp cách điện bằng hoặc mỏng hơn 0,05 mm. Giá trị EP của độ dày 0,75 mm được sử dụng cho trường hợp còn lại. |
||||||||||
|
c |
Giá trị EP của độ dày 0,08 mm được sử dụng cho lớp cách điện bằng hoặc mỏng hơn 0,08 mm. Giá trị EP của độ dày 0,75 mm được sử dụng cho trường hợp còn lại |
||||||||||
|
|
|
|
|
|
|
|
|
|
|||
|
d |
Giá trị EP của độ dày 0,03 mm được sử dụng cho lớp cách điện bằng hoặc mỏng hơn 0,03 mm. Giá trị EP của độ dày 0,06 mm được sử dụng cho lớp cách nhiệt bằng hoặc mỏng hơn 0,06 mm và lớn hơn 0,03 mm. |
||||||||||
|
|
Teflon® là nhãn hiệu của sản phẩm do DuPont cung cấp. Thông tin này được cung cấp để tạo sự thuận tiện cho người sử dụng tài liệu này và không cấu thành sự chứng thực của IEC về sản phẩm có tên. Các sản phẩm tương đương có thể được sử dụng nếu chúng có thể dẫn đến kết quả tương tự. Kapton® là nhãn hiệu của sản phẩm do DuPont cung cấp. Thông tin này được cung cấp để tạo sự thuận tiện cho người sử dụng tài liệu này và không cấu thành sự chứng thực của IEC về sản phẩm có tên. Các sản phẩm tương đương có thể được sử dụng nếu chúng có thể dẫn đến kết quả tương tự. |
||||||||||
|
|
|||||||||||
Bảng 21 - Hệ số suy giảm đối với giá trị cường độ điện trường đánh thủng EP tại các tần số cao hơn
|
|
Tần số kHz |
|||||||||||||||||||||||||
|
Vật liệu a |
||||||||||||||||||||||||||
|
|
30 |
100 |
200 |
|
300 |
|
400 |
|
|
500 |
|
1 000 |
|
2 000 |
|
3 000 |
5 000 |
10 000 |
||||||||
|
|
|
|
|
|
|
|
|
|
||||||||||||||||||
|
|
|
|
|
|
|
|
|
|
|
|
|
|
|
|
|
|
|
|
|
|
|
|
||||
|
|
|
|
|
|
|
|
|
|
Hệ số suy giảm KR |
|
|
|
|
|
|
|
||||||||||
|
Sứ |
|
0,52 |
0,42 |
0,40 |
|
0,39 |
|
0,38 |
|
0,37 |
|
0,36 |
|
0,35 |
|
0,35 |
0,34 |
0,30 |
||||||||
|
Thủy tinh - Silicon |
|
0,79 |
0,65 |
0,57 |
|
0,53 |
|
0,49 |
|
0,46 |
|
0,39 |
|
0,33 |
|
0,31 |
0,29 |
0,26 |
||||||||
|
Nhựa Phenolic |
|
0,82 |
0,71 |
0,53 |
|
0,42 |
|
0,36 |
|
0,34 |
|
0,24 |
|
0,16 |
|
0,14 |
0,13 |
0,12 |
||||||||
|
Gốm |
|
0,78 |
0,64 |
0,62 |
|
0,56 |
|
0,54 |
|
0,51 |
|
0,46 |
|
0,42 |
|
0,37 |
0,35 |
0,29 |
||||||||
|
Teflon® |
|
0,57 |
0,54 |
0,52 |
|
0,51 |
|
0,48 |
|
0,46 |
|
0,45 |
|
0,44 |
|
0,41 |
0,37 |
0,22 |
||||||||
|
Thủy tinh - Melamine |
|
0,48 |
0,41 |
0,31 |
|
0,27 |
|
0,24 |
|
0,22 |
|
0,16 |
|
0,12 |
|
0,10 |
0,09 |
0,06 |
||||||||
|
Mica |
|
0,69 |
0,55 |
0,48 |
|
0,45 |
|
0,41 |
|
0,38 |
|
0,34 |
|
0,28 |
|
0,26 |
0,24 |
0,20 |
||||||||
|
Giấy phenolic |
|
0,58 |
0,47 |
0,40 |
|
0,32 |
|
0,26 |
|
0,23 |
|
0,16 |
|
0,11 |
|
0,08 |
0,06 |
0,05 |
||||||||
|
Polyethylene |
|
0,36 |
0,28 |
0,22 |
|
0,21 |
|
0,20 |
|
0,19 |
|
0,16 |
|
0,13 |
|
0,12 |
0,12 |
0,11 |
||||||||
|
Polystyrene |
|
0,35 |
0,22 |
0,15 |
|
0,13 |
|
0,13 |
|
0,11 |
|
0,08 |
|
0,06 |
|
0,06 |
0,06 |
0,06 |
||||||||
|
Thủy tinh |
|
0,37 |
0,21 |
0,15 |
|
0,13 |
|
0,11 |
|
0,10 |
|
0,08 |
|
0,06 |
|
0,05 |
0,05 |
0,04 |
||||||||
|
Các vật liệu khác |
|
0,43 |
0,35 |
0,30 |
|
0,27 |
|
0,25 |
|
0,24 |
|
0,20 |
|
0,17 |
|
0,16 |
0,14 |
0,12 |
||||||||
|
Nếu tần số nằm giữa các giá trị trong hai cột bất kỳ, thì giá trị hệ số suy giảm trong cột tiếp theo sẽ được sử dụng hoặc có thể sử dụng phép nội suy logarit giữa hai cột liền kề bất kỳ với giá trị tính toán được làm tròn xuống giá trị 0,01 gần nhất. |
||||||||||||||||||||||||||
|
a Dữ liệu này dành cho vật liệu dày 0,75 mm. |
|
|
|
|
|
|
|
|
|
|
|
|
|
|
|
|
|
|||||||||
|
|
||||||||||||||||||||||||||
Bảng 22 - Hệ số suy giảm đối với giá trị cường độ điện trường đánh thủng EP tại các tần số cao hơn cho vật liệu mỏng
|
|
|
|
|
Tần số kHz
|
||||||||||||||||||
|
|
|
|
|
|||||||||||||||||||
|
Vật liệu mỏng |
|
|||||||||||||||||||||
|
|
30 |
100 |
|
200 |
|
300 |
|
400 |
|
500 |
|
1 000 |
|
2 000 |
3 000 |
|
5 000 |
10 000 |
||||
|
|
|
|
|
|
|
|
|
|
|
|
||||||||||||
|
|
|
|
|
|
|
|
|
|
|
|
Hệ số suy giảm KR |
|
|
|
|
|||||||
|
Cellulose-acetobutyrate (0,03 mm) |
|
0,67 |
0,43 |
|
0,32 |
|
0,27 |
|
0,24 |
|
0,20 |
|
0,15 |
|
0,11 |
|
0,09 |
|
0,07 |
0,06 |
||
|
Cellulose-acetobutyrate (0,06 mm) |
|
0,69 |
0,49 |
|
0,36 |
|
0,30 |
|
0,26 |
|
0,23 |
|
0,17 |
|
0,13 |
|
0,11 |
|
0,08 |
0,06 |
||
|
Polycarbonate (0,03 mm) |
|
0,61 |
0,39 |
|
0,31 |
|
0,25 |
|
0,23 |
|
0,20 |
|
0,14 |
|
0,10 |
|
0,08 |
|
0,06 |
0,05 |
||
|
Polycarbonate (0,06 mm) |
|
0,70 |
0,49 |
|
0,39 |
|
0,33 |
|
0,28 |
|
0,25 |
|
0,19 |
|
0,13 |
|
0,11 |
|
0,08 |
0,06 |
||
|
Cellulose-triacetate (0,03 mm) |
|
|
0,67 |
0,43 |
|
0,31 |
|
0,26 |
|
0,23 |
|
0,20 |
|
0,14 |
|
0,10 |
|
0,09 |
|
0,07 |
0,06 |
|
|
Cellulose-triacetate (0,06 mm) |
|
|
0,72 |
0,50 |
|
0,36 |
|
0,31 |
|
0,27 |
|
0,23 |
|
0,17 |
|
0,13 |
|
0,10 |
|
0,10 |
0,06 |
|
|
Các vật liệu mỏng khác |
|
0,68 |
0,46 |
|
0,34 |
|
0,29 |
|
0,25 |
|
0,22 |
|
0,16 |
|
0,12 |
|
0,10 |
|
0,08 |
0,06 |
||
|
Nếu tần số nằm giữa các giá trị trong hai cột bất kỳ, thì giá trị hệ số suy giảm trong cột tiếp theo sẽ được sử dụng hoặc có thể sử dụng phép nội suy logarit giữa hai cột liền kề bất kỳ với giá trị tính toán được làm tròn xuống giá trị 0,01 gần nhất. |
||||||||||||||||||||||
2.2.4.5. Cách điện đầu nối ăng ten
2.2.4.5.1. Tổng quan
Cách điện
- Giữa nguồn điện lưới và đầu nối ăng ten; và
- Giữa nguồn điện lưới và mạch điện bên ngoài cung cấp các điện áp nguồn không phải điện lưới cho thiết bị khác có đầu nối ăng ten
phải chịu được phóng điện tại các đầu nối ăng ten.
Thử nghiệm này không áp dụng cho thiết bị mà có một đầu nối ăng ten trên thiết bị được nối với đất theo 2.2.6.7.
2.2.4.5.2. Phương pháp thử nghiệm
Mẫu phải chịu 50 lần phóng điện từ máy phát thử nghiệm giao diện ăng ten (mạch 3) của B.2, với tốc độ không quá 12 lần phóng điện mỗi phút, với Uc bằng 10 kV. Thiết bị phải được đặt trên bề mặt cách điện. Đầu ra máy phát thử nghiệm giao diện ăng ten phải được kết nối với các đầu nối ăng ten được kết nối với nhau và với các đầu nối nguồn điện lưới được kết nối với nhau. Nếu thiết bị có các mạch bên ngoài cung cấp điện áp nguồn không phải nguồn điện lưới cho thiết bị khác có đầu nối ăng ten, thì thử nghiệm được lặp lại với máy phát điện được kết nối với các đầu nối nguồn điện lưới được kết nối với nhau và các đầu nối mạch bên ngoài được kết nối với nhau. Thiết bị không được cấp điện trong các thử nghiệm này.
CHÚ THÍCH: Người thực hiện thử nghiệm được cảnh báo không chạm vào thiết bị trong quá trình thử nghiệm này.
2.2.4.5.3. Tuân thủ tiêu chuẩn
Kiểm tra sự phù hợp bằng cách đo điện trở cách điện ở điện áp một chiều 500 V DC.
Thiết bị phù hợp với yêu cầu nếu điện trở cách điện đo được sau 1 phút không nhỏ hơn các giá trị cho trong Bảng 23.
Bảng 23 - Các giá trị điện trở cách điện
|
Các yêu cầu cách điện giữa các bộ phận |
Điện trở cách điện MΩ |
|
Giữa các bộ phận được ngăn cách bằng cách điện chính hoặc bằng cách điện phụ |
2 |
|
Giữa các bộ phận được ngăn cách bằng cách điện kép hoặc cách điện tăng cường |
4 |
Để thay thế cho điều trên, có thể kiểm tra sự phù hợp bằng thử nghiệm độ bền điện theo 2.2.4.9.1 đối với cách điện chính hoặc cách điện tăng cường nếu có thể áp dụng. Điện áp thử nghiệm phải là điện áp cao nhất trong số các điện áp thử nghiệm được xác định theo phương pháp 1, 2 và 3. Tại đó không được đánh thủng cách điện.
2.2.4.6. Cách điện của dây điện bên trong như một phần của biện pháp bảo vệ bổ sung
Các yêu cầu tại mục này áp dụng khi cách điện của dây bên trong đáp ứng các yêu cầu đối với cách điện chính, nhưng không đáp ứng các yêu cầu đối với cách điện phụ.
Khi cách điện dây được sử dụng như một phần của hệ thống cách điện phụ và người bình thường có thể chạm tới được cách điện dây với các điều kiện sau:
- Người bình thường không cần phải cầm vào hệ thống cách điện dây này; và
- Dây được đặt sao cho người bình thường không thể kéo ra được hoặc dây phải được cố định sao cho các điểm nối không bị căng; và
- Hệ thống dây được định tuyến và cố định sao cho không chạm tới các bộ phận dẫn có thể chạm tới được không nối đất; và
- Cách điện dây vượt qua thử nghiệm độ bền điện tại 2.2.4.9.1 đối với cách điện phụ; và
- Khoảng giãn cách xuyên qua cách điện của dây tối thiểu phải như trong Bảng 24.
Bảng 24 - Khoảng giãn cách xuyên qua cách điện của hệ thống đi dây bên trong
|
Điện áp làm việc (trong trường hợp hỏng cách điện chính) |
Khoảng giãn cách tối thiểu xuyên qua cách điện (mm) |
|
|
Điện áp đỉnh Vpeak hoặc điện áp một chiều DC |
V RMS (hình sin) |
|
|
>71≤350 |
>50≤250 |
0,17 |
|
> 350 |
> 250 |
0,31 |
Kiểm tra sự phù hợp bằng cách xem xét, đo đạc và bằng thử nghiệm tại 2.2.4.9.1
2.2.4.7. Thử nghiệm đối với các linh kiện bán dẫn và các khớp nối được gắn kết
Ba mẫu được thực hiện theo trình tự chu kỳ nhiệt tại 2.2.4.1.5.3. Trước khi thử nghiệm khớp nối được gắn kết, bất kỳ dây quấn có tráng men nào được sử dụng đều được thay thế bằng lá kim loại hoặc bằng một vài dây trần, được đặt gần với khớp nối được gắn kết.
Ba mẫu được thử nghiệm như sau:
- Một trong các mẫu phải chịu thử nghiệm độ bền điện theo 2.2.4.9.1, ngay sau chu kỳ cuối cùng ở (T1 ± 2) ° C trong chu kỳ nhiệt, ngoại ra điện áp thử nghiệm được nhân với 1,6; và
- Các mẫu khác phải chịu thử nghiệm độ bền điện tương ứng theo 2.2.4.9.1 sau khi xử lý ẩm như tại 2.2.4.8, ngoài ra điện áp thử nghiệm được nhân với 1,6.
Kiểm tra sự phù hợp bằng thử nghiệm và xem xét sau:
Ngoại trừ các khớp nối được gắn kết trên cùng một bề mặt bên trong của bảng mạch in, việc kiểm tra sự phù hợp được thực hiện bằng cách xem xét diện tích mặt cắt ngang và không được có các khoảng trống, khe hở hoặc vết nứt có thể nhìn thấy trên vật liệu cách điện.
Trong trường hợp cách điện giữa các dây dẫn trên cùng một bề mặt bên trong của bảng mạch in và cách điện giữa các dây dẫn trên các bề mặt khác nhau của bảng mạch nhiều lớp, kiểm tra sự phù hợp bằng cách xem xét bằng mắt bên ngoài. Sẽ không có sự phân tách.
2.2.4.8. Xử lý ẩm
Xử lý ẩm được thực hiện trong 48 giờ trong tủ hoặc phòng chứa không khí có độ ẩm tương đối là (93 ± 3) %. Nhiệt độ không khí tại tất cả những nơi có thể đặt mẫu, được duy trì trong khoảng ± 2 °C của bất kỳ giá trị T nào trong khoảng từ 20 °C đến 30 °C để không xảy ra hiện tượng ngưng tụ. Trong quá trình xử lý này, thành phần hoặc cụm lắp ráp phụ không được cấp điện.
Đối với điều kiện khí hậu nhiệt đới, thời gian sẽ là 120 giờ ở nhiệt độ (40 ± 2) ° C và độ ẩm tương đối là (93 ± 3)%.
Trước khi điều hòa độ ẩm, mẫu được đưa đến nhiệt độ giữa nhiệt độ T quy định và (T + 4) °C.
2.2.4.9. Thử nghiệm độ bền điện
2.2.4.9.1. Quy trình thử nghiệm đối với cách điện rắn
Trừ khi có các quy định khác, việc tuân thủ phải được kiểm tra:
- ngay sau thử nghiệm nhiệt độ trong 2.2.4.1.4; hoặc
- nếu một bộ phận hoặc cụm lắp ráp phụ được thử nghiệm riêng biệt bên ngoài thiết bị, thì nó được đưa về nhiệt độ mà bộ phận đó đạt được trong quá trình thử nghiệm nhiệt độ ở 2.2.4.1.4 (ví dụ, bằng cách đặt nó trong tủ sấy) trước khi thực hiện thử nghiệm độ bền điện.
Ngoài ra, vật liệu tấm mỏng để cách điện phụ hoặc cách điện tăng cường có thể được thử nghiệm ở nhiệt độ phòng.
Trừ khi có quy định khác, điện áp thử nghiệm đối với độ bền điện của cách điện chính, cách điện phụ hoặc cách điện tăng cường là giá trị cao nhất trong ba phương pháp sau:
- Phương pháp 1: Xác định điện áp thử nghiệm theo Bảng 25 bằng cách sử dụng điện áp chịu thử được yêu cầu (dựa trên điện áp quá độ từ nguồn điện xoay chiều hoặc nguồn điện một chiều hoặc từ các mạch bên ngoài).
- Phương pháp 2: Xác định điện áp thử nghiệm theo Bảng 26 bằng cách sử dụng điện áp đỉnh làm việc hoặc điện áp đỉnh chu kỳ, chọn giá trị nào cao hơn.
- Phương pháp 3: Xác định điện áp thử nghiệm theo Bảng 27 bằng cách sử dụng điện áp nguồn AC danh định (để bao gồm quá điện áp tức thời).
Cách điện phải chịu điện áp thử nghiệm cao nhất như sau:
- Đặt vào điện áp xoay chiều có dạng sóng hình sin và có tần số 50 Hz hoặc 60 Hz; hoặc
- Đặt vào điện áp một chiều trong thời gian được chỉ định bên dưới
Điện áp đặt vào cách điện cần thử nghiệm được tăng đều từ "không" đến điện áp quy định và được giữ ở giá trị đó trong 60 s (đối với các thử nghiệm thường xuyên, xem 2.2.4.9.2).
Khi cần thiết, cách điện được thử bằng lá kim loại tiếp xúc với bề mặt cách điện. Quy trình này được giới hạn ở những nơi có khả năng cách điện yếu (ví dụ, nơi có các cạnh kim loại sắc nhọn dưới lớp cách nhiệt). Nếu có thể, các lớp lót cách điện được thử nghiệm riêng. Chú ý để lá kim loại được đặt sao cho không xảy ra phóng điện bề mặt ở các cạnh của cách điện. Khi sử dụng lá kim loại kết dính, chất kết dính phải dẫn điện.
Để tránh hư hỏng các linh kiện hoặc cách điện không liên quan đến thử nghiệm, có thể ngắt kết nối các IC hoặc những thứ tương tự và có thể sử dụng liên kết đẳng thế. Một điện trở phi tuyến phù hợp với D.8 có thể bị loại bỏ trong quá trình thử nghiệm.
Đối với thiết bị kết hợp cách điện chính và cách điện phụ song song với cách điện tăng cường, cần chú ý rằng điện áp đặt vào cách điện tăng cường không gây quá tải cho cách điện chính hoặc cách điện phụ.
Trong trường hợp các tụ điện mắc song song với cách điện cần thử nghiệm (ví dụ, tụ điện lọc tần số vô tuyến) và các tụ điện có thể ảnh hưởng đến kết quả thử nghiệm, thì phải sử dụng điện áp thử nghiệm một chiều.
Các linh kiện có đường dẫn điện một chiều song song với cách điện cần thử nghiệm, ví dụ như các điện trở phóng điện đối với các tụ điện của bộ lọc và linh kiện giới hạn điện áp, cần được ngắt ra.
Khi cách điện của cuộn dây máy biến áp thay đổi dọc theo chiều dài của cuộn dây phù hợp với 2.2.4.1.6, thì phương pháp thử độ bền điện được sử dụng để tạo ứng suất tương ứng lên cách điện.
Ví dụ về phương pháp thử nghiệm này là thử nghiệm điện áp cảm ứng được đặt vào ở tần số đủ cao để tránh trạng thái bão hoà của máy biến áp. Điện áp vào được tăng đến giá trị để tạo ra điện áp ra bằng điện áp thử nghiệm yêu cầu.
Bảng 25 - Điện áp thử nghiệm cho các thử nghiệm độ bền điện dựa trên điện áp quá độ
|
Điện áp chịu thử được yêu cầu Đến và bằng kV đỉnh |
Điện áp thử nghiệm đối với cách điện chính và cách điện phụ |
Điện áp thử nghiệm đối với cách điện tăng cường |
|
kV đỉnh hoặc DC |
||
|
0,33 |
0,33 |
0,5 |
|
0,5 |
0,5 |
0,8 |
|
0,8 |
0,8 |
1,5 |
|
1,5 |
1,5 |
2,5 |
|
2,5 |
2,5 |
4 |
|
4 |
4 |
6 |
|
6 |
6 |
8 |
|
8 |
8 |
12 |
|
12 |
12 |
18 |
|
UR a |
UR a |
1,5 x UR a |
|
Phép nội suy tuyến tính có thể được sử dụng giữa hai điểm gần nhất |
||
|
a UR là bất kỳ điện áp chịu thử được yêu cầu cao hơn 12 kV. |
||
Bảng 26 - Điện áp thử nghiệm cho các thử nghiệm độ bền điện dựa trên đỉnh điện áp làm việc và điện áp đỉnh chu kỳ 1,3x UP a
|
Điện áp đến và bằng |
Điện áp thử nghiệm đối với cách điện chính và cách điện phụ |
Điện áp thử nghiệm đối với cách điện tăng cường |
|
kV đỉnh |
kV đỉnh hoặc DC |
|
|
0,33 |
0,43 |
0,53 |
|
0,5 |
0,65 |
0,8 |
|
0,8 |
1,04 |
1,28 |
|
1,5 |
1,95 |
2,4 |
|
2,5 |
3,25 |
4 |
|
4 |
5,2 |
6,4 |
|
6 |
7,8 |
9,6 |
|
8 |
10,4 |
12,8 |
|
12 |
15,6 |
19,2 |
|
UP a |
1,3x UP a |
1,6x UP a |
|
Phép nội suy tuyến tính có thể được sử dụng giữa hai điểm gần nhất |
||
|
a UP là bất kỳ điện áp chịu thử được yêu cầu cao hơn 12 kV. |
||
Bảng 27 - Điện áp thử nghiệm cho các thử nghiệm độ bền điện dựa trên quá điện áp tức thời
|
Điện áp hệ thống điện lưới |
Điện áp thử nghiệm đối với cách điện chính và cách điện phụ |
Điện áp thử nghiệm đối với cách điện tăng cường |
|
|
V RMS |
kV đỉnh hoặc DC |
||
|
≤ 250 |
2 |
|
4 |
|
Lớn hơn 250 và nhỏ hơn hoặc bằng 600 |
2,5 |
|
5 |

Hình 19 - Ví dụ về dụng cụ thử độ bền điện đối với cách điện rắn
CHÚ THÍCH: Cách điện dạng tấm mỏng có thể được thử nghiệm bằng dụng cụ như Hình 19. Khi áp dụng vật cố định thử nghiệm, đảm bảo rằng đường kính của mẫu thử có kích thước đủ để ngăn ngừa hỏng hóc xung quanh các cạnh.
Không được đánh thủng cách điện trong quá trình thử nghiệm. Đánh thủng cách điện được coi là đã xảy ra khi dòng điện do đặt điện áp thử nghiệm, tăng nhanh theo cách không thể khống chế được, nghĩa là cách điện không cản trở được dòng điện chạy qua. Phóng điện hoa hoặc phóng điện tức thời đơn không được coi là đánh thủng cách điện.
2.2.4.9.2. Quy trình thử nghiệm đối với các thử nghiệm thường xuyên
Khi có yêu cầu, các thử nghiệm thường xuyên được thực hiện theo 2.2.4.9.1, ngoại trừ các trường hợp sau:
- Thử nghiệm có thể được thực hiện ở nhiệt độ phòng; và
- Thời gian thử nghiệm độ bền điện phải trong khoảng từ 1 s đến 4 s; và
- Điện áp thử nghiệm có thể giảm 10%.
CHÚ THÍCH: Thử nghiệm thường xuyên đối với thiết bị được quy định trong IEC 62911
Không được đánh thủng cách điện trong quá trình thử nghiệm. Đánh thủng cách điện được coi là đã xảy ra khi dòng điện do đặt điện áp thử nghiệm, tăng nhanh theo cách không thể khống chế được, nghĩa là cách điện không cản trở được dòng điện chạy qua. Phóng điện hoa hoặc phóng điện tức thời đơn không được coi là đánh thủng cách điện.
2.2.4.10. Biện pháp bảo vệ đề phòng điện áp quá độ từ các mạch bên ngoài
2.2.4.10.1. Các yêu cầu
Phải có sự cách ly về điện hợp lý giữa mạch điện dự định nối với mạch điện bên ngoài như được chỉ ra trong bảng 13, số ID 1, Hình 20 và các phần dưới đây của thiết bị:
a. Các bộ phận dẫn điện không được nối đất và các bộ phận không dẫn điện của thiết bị có thể sẽ được cầm hoặc duy trì tiếp xúc liên tục với cơ thể trong quá trình sử dụng bình thường (ví dụ: điện thoại cầm tay hoặc máy nghe, bàn phím của máy tính xách tay);
b. Các bộ phận và mạch điện có thể chạm tới được, ngoại trừ các chân của đầu nối. Tuy nhiên, không thể chạm tới các chân như vậy trong điều kiện làm việc bình thường bằng đầu dò thử nghiệm tại Hình R.3;
c. Bộ phận ES1 hoặc ES2 khác được cách ly khỏi mạch dự định kết nối với mạch ngoài. Áp dụng yêu cầu về cách ly cho dù bộ phận ES1 hoặc ES2 có thể chạm tới được hoặc không chạm tới được.
Các yêu cầu này không áp dụng khi phân tích mạch và nghiên cứu thiết bị cho thấy an toàn được đảm bảo bằng các phương tiện khác, ví dụ, giữa hai mạch mà mỗi mạch đều có mối nối cố định với đất bảo vệ.

Hình 20 - Các điểm đặt của điện áp thử nghiệm
2.2.4.10.2. Phương pháp thử nghiệm
2.2.4.10.2.1. Tổng quan
Sự cách ly được kiểm tra bằng các thử nghiệm tại 2.2.4.10.2.2 hoặc 2.2.4.10.2.3.
CHÚ THÍCH: ở Úc, cả hai thử nghiệm tại 2.2.4.10.2.2 hoặc 2.2.4.10.2.3 đều được áp dụng
Trong quá trình thử nghiệm:
- Tất cả các dây dẫn được thiết kế để nối với mạch bên ngoài được nối với nhau, kể cả bất kỳ dây dẫn nào có thể được nối đất ở mạch ngoài; và
- Tất cả các dây dẫn được thiết kế để kết nối với các mạch bên ngoài khác cũng được kết nối với nhau.
Bảng 28 - Giá trị thử nghiệm đối với thử nghiệm độ bền điện
|
Bộ phận |
Thử nghiệm xung (xem Phụ lục C) |
Thử nghiệm trạng thái ổn định |
||
|
Uc |
Máy phát thử nghiệm |
|
||
|
|
||||
|
Các bộ phận được chỉ ra trong 2.2.4.10.1 a) a |
2,5 kV |
Mạch 1 |
1,5 kV |
|
|
Các bộ phận được chỉ ra trong 2.2.4.10.1 b) and c) b |
1,5 kV
|
Mạch 1c |
1,0 kV |
|
|
a |
Không được tháo các bộ triệt quá điện áp |
|||
|
b |
Có thể tháo bộ triệt quá điện áp, với điều kiện là các thiết bị đó phải vượt qua thử nghiệm xung của 2.2.4.10.2.2 khi được thử nghiệm như các bộ phận bên ngoài thiết bị. |
|||
|
|
||||
|
c |
Trong thử nghiệm này, cho phép một bộ triệt quá điện áp hoạt động và sự phóng tia lửa điện xảy ra trong GDT. |
|||
2.2.4.10.2.2. Thử nghiệm xung
Cách ly về điện phải chịu 10 xung có cực tính thay đổi như cho trong Bảng 28. Khoảng thời gian giữa các xung liên tiếp là 60 s. Uc là giá trị mà tụ điện cần được sạc.
CHÚ THÍCH: Ở Úc, giá trị Uc = 7,0 kV được sử dụng cho điện thoại cầm tay và cho tai nghe và 2,5 kV cho các thiết bị khác trong 2.2.4.10.1 a). Xung 7 kV mô phỏng xung sét lan truyền trên các đường dây mạng điển hình ở các vùng nông thôn và bán nông thôn.
2.2.4.10.2.3. Thử nghiệm trạng thái ổn định
Cách ly về điện phải chịu thử nghiệm độ bền điện theo 2.2.4.9.1, với điện áp cho trong Bảng 28.
CHÚ THÍCH: Ở Úc, điện áp thử nghiệm trạng thái ổn định là 3 kV đối với 2.24.10.1 a) và 1,5 kV đối với 2.24.10.1 b) và c). Các giá trị này đã được xác định khi xem xét các điện áp cảm ứng tần số thấp từ hệ thống phân phối nguồn điện.
2.2.4.10.3. Tuân thủ tiêu chuẩn:
Trong các thử nghiệm 2.2.4.10.2.2 và 2.2.4.10.2.3:
- Không được có đánh thủng cách điện.
- Ngoại trừ như được chỉ ra trong Bảng 28, chú thích c, bộ triệt xung điện áp sẽ không hoạt động, hoặc sự phóng điện sẽ không xảy ra trong GDT.
Đối với thử nghiệm độ bền điện, đánh thủng cách điện được coi là đã xảy ra khi dòng điện chạy qua do đặt điện áp thử nghiệm tăng nhanh theo cách không khống chế được.
Đối với các thử nghiệm xung, đánh thủng cách điện được xác nhận theo một trong hai cách sau:
- Bằng cách quan sát biểu đồ dao động, trong quá trình đặt các xung. Tác động của bộ triệt quá điện áp hoặc đánh thủng cách điện được đánh giá từ hình dạng của biểu đồ dao động.
- Bằng thử nghiệm điện trở cách điện, sau khi đặt tất cả các xung. Cho phép tháo bộ triệt quá điện áp trong khi đo điện trở cách điện. Điện áp thử nghiệm là 500 V một chiều hoặc, nếu bộ triệt quá điện áp vẫn được đặt đúng vị trí, điện áp thử nghiệm một chiều nhỏ hơn điện áp đánh lửa và điện áp hoạt động bộ triệt quá điện áp là 10%. Điện trở cách điện không được nhỏ hơn 2 MΩ.
2.2.4.11. Cách ly giữa mạch ngoài và đất
2.2.4.11.1. Tổng quan
Các yêu cầu này chỉ áp dụng cho thiết bị được thiết kế để nối với mạch bên ngoài được chỉ ra trong Bảng 13, số ID là 1.
Các yêu cầu này không áp dụng cho:
- Thiết bị được nối vĩnh viễn; hoặc
- Thiết bị có phích cắm loại B; hoặc
- Thiết bị có phích cắm cố định loại A, được thiết kế để sử dụng ở một địa điểm có kết nối đẳng thế (chẳng hạn như trung tâm viễn thông, phòng máy tính chuyên dụng hoặc khu vực hạn chế tiếp cận) và có hướng dẫn lắp đặt yêu cầu người có chuyên môn kiểm tra kết nối tiếp đất bảo vệ của ổ cắm; hoặc
- Thiết bị có phích cắm điện cố định loại A, có dự phòng dây dẫn nối đất bảo vệ được nối vĩnh viễn, bao gồm hướng dẫn lắp đặt dây dẫn đó vào đất xây dựng bởi người có chuyên môn.
2.2.4.11.2. Các yêu cầu
Phải có cách ly giữa mạch điện được thiết kế để kết nối với mạch điện bên ngoài được đề cập ở trên và bất kỳ bộ phận hoặc mạch điện nào sẽ được nối đất trong một số ứng dụng, trong EUT hoặc thông qua thiết bị khác.
SPDs bắc cầu cách ly giữa mạch ES1 hoặc ES2 được thiết kế để kết nối với mạch bên ngoài và đất phải có điện áp làm việc danh định tối thiểu Uop (ví dụ, điện áp phóng điện của ống phóng điện khí) là:
Uop = Upeak + ∆Usp + ∆Usa
Trong đó:
Upeak là một trong các giá trị sau:
- Đối với thiết bị được thiết kế để lắp đặt trong vùng có điện áp nguồn lưới danh nghĩa xoay chiều vượt quá 130 V: 360 V
- Đối với các thiết bị khác: 180 V
∆Usp là dung sai âm của điện áp làm việc danh định do sự thay đổi trong quá trình sản xuất SPD, thu được bằng cách lấy điện áp làm việc danh định trừ đi điện áp làm việc danh định nhỏ nhất. Nếu điều này không được nhà sản xuất SPD quy định thì ∆Usp phải được lấy bằng 10% điện áp làm việc danh định của SPC.
∆Usa là sự thay đổi của điện áp làm việc danh định do SPD lão hóa so với tuổi thọ dự kiến của thiết bị, thu được bằng cách lấy điện áp làm việc danh định trừ đi điện áp làm việc tối thiểu sau khi lão hóa. Nếu điều này không được nhà sản xuất SPD quy định, thì ∆Usa phải được lấy bằng 10% điện áp làm việc danh định của SPC.
(∆Usp + ∆Usa) có thể là một giá trị duy nhất do nhà sản xuất linh kiện cung cấp.
2.2.4.11.3. Phương pháp thử nghiệm và tiêu chí tuân thủ
Kiểm tra sự phù hợp bằng cách xem xét và bằng thử nghiệm độ bền điện của 2.2.4.9.1 với điện áp thử nghiệm theo Bảng 25 đối với cách điện chính hoặc cách điện phụ dựa trên điện áp chịu thử yêu cầu đối với điện áp nguồn điện lưới của thiết bị.
Các linh kiện, trừ tụ điện, là cầu nối cách ly, có thể được tháo ra trong quá trình thử nghiệm độ bền điện. Các bộ phận được giữ nguyên trong quá trình thử nghiệm sẽ không bị hư hỏng.
Nếu tháo các linh kiện ra, thực hiện thêm thử nghiệm với mạch điện thử nghiệm theo Hình 21 với tất cả các linh kiện được đặt đúng vị trí.
Đối với thiết bị được cấp nguồn từ nguồn điện xoay chiều, thử nghiệm được thực hiện với điện áp bằng điện áp danh định của thiết bị hoặc điện áp trên của dải điện áp danh định. Đối với thiết bị được cấp nguồn từ nguồn điện một chiều, thử nghiệm được thực hiện với điện áp bằng điện áp danh định cao nhất của nguồn điện xoay chiều trong khu vực sử dụng thiết bị (ví dụ: 230 V đối với Châu Âu hoặc 120 V đối với Bắc Mỹ).
Dòng điện chạy trong mạch thử nghiệm của Hình 21 không được vượt quá 10 mA.

Hình 21 - thử nghiệm cách ly giữa mạch ngoài và đất
2.2.4.12. Chất lỏng cách điện
2.2.4.12.1. Các yêu cầu chung
Chất lỏng cách điện không được đánh thủng do quá điện áp, kể cả quá độ, đặt vào thiết bị và điện áp đỉnh có thể được tạo ra bên trong thiết bị.
Chất lỏng cách điện phải phù hợp với 2.2.4.12.2 và 2.2.4.12.3. Bình chứa chất lỏng cách điện phải phù hợp với 2.2.4.12.4.
2.2.4.12.2. Độ bền điện của chất lỏng cách điện
Độ bền điện của chất lỏng cách điện phải phù hợp với thử nghiệm độ bền điện trong 2.2.4.9 với chất lỏng cách điện trong thiết bị.
2.2.4.12.3. Khả năng tương thích của chất lỏng cách điện
Chất lỏng cách điện không được phản ứng với hoặc làm xấu đi các biện pháp bảo vệ, chẳng hạn như:
- Cách nhiệt rắn; hoặc
- Bản thân chất lỏng cách điện.
Đối với chất lỏng cách điện với phân loại nhiệt của IEC 60085 Class 105 (A), kiểm tra sự phù hợp bằng cách vận hành thiết bị ngâm trong 60 ngày, sau đó là thử nghiệm độ bền điện theo 2.2.4.9. Không được có đánh thủng và không được hư hỏng hoặc biến dạng của các biện pháp bảo vệ thiết bị được ngâm khác.
Đối với các cấp chịu nhiệt cao hơn, có thể áp dụng các yêu cầu của 2.2.4.1.4.3.
2.2.4.12.4. Bình chứa chất lỏng cách điện
Bình chứa chất lỏng cách điện phải có giải pháp giảm áp lực nếu nó là bình kín.
Bình chứa chất lỏng cách điện phải phù hợp với E.15.2.1 đối với bình kín.
Đối với chất lỏng cách điện cũng được coi là chất nguy hiểm, bình chứa cũng phải tuân theo các yêu cầu của 2.4.2.
Kiểm tra sự phù hợp bằng các thử nghiệm liên quan.
2.2.5. Các thành phần như biện pháp bảo vệ
2.2.5.1. Thông tin chung
Một thành phần được coi như là biện pháp bảo vệ nếu sự phân loại của nguồn năng lượng thay đổi do sự cố của thành phần đó.
Một thành phần sử dụng như là một biện pháp bảo vệ phải:
- Tuân thủ với các yêu cầu áp dụng cho biện pháp bảo vệ đó; và
- Được sử dụng trong sự đánh giá của nó.
CHÚ THÍCH xem chất lượng của các thành phần được sử dụng như một biện pháp bảo vệ tại Phụ lục G.
2.2.5.2. Tụ điện và đơn vị RC
2.2.5.2.1. Yêu cầu chung
Tụ điện và đơn vị RC hoạt động như là một biện pháp bảo vệ (điện) phải tuân thủ với IEC 60384-14. Đơn vị RC có thể bao gồm các thành phần rời.
Tụ điện và đơn vị RC với một hoặc nhiều tụ điện phải:
- Tuân thủ với D.11, tuy nhiên, các yêu cầu của D.11 không áp dụng đối với tụ điện và đơn vị RC được sử dụng như là biện pháp bảo vệ giữa:
o ES3 ngăn cách từ nguồn và đất bảo vệ; và
o ES2 và đất bảo vệ; và
o ES2 và ES1;
Và:
- Đạt bài kiểm tra cường độ điện của 2.2.4.9.1, có tính đến tổng điện áp làm việc trên (các) tụ điện và đơn vị RC. Các tụ diện tuân thủ với IEC 60384-14 không cần được kiểm tra nếu:
o Điện áp kiểm tra xung đỉnh yêu cầu của Bảng D.12; và
o Điện áp kiểm tra RMS yêu cầu của Bảng D.12 nhân với 1,414
Bằng với hoặc lớn hơn điện áp thử nghiệm yêu cầu của 2.2.4.9.1.
Khi sử dụng nhiều tụ điện, các điện áp kiểm tra của Bảng D.12 được nhân với số lượng tụ điện được sử dụng.
Dưới các điều kiện lỗi đơn, nếu một tụ điện và đơn vị RC bao gồm nhiều hơn một tụ điện, điện áp trên mỗi một tự điện riêng lẻ còn lại không được vượt quá mức điện áp của các tụ điện đơn lẻ có liên quan.
Tụ điện lớp X có thể được sử dụng như là biện pháp bảo vệ cơ bản trong mạch cách ly với nguồn điện nhưng không được sử dụng như một:
- Biện pháp bảo vệ cơ bản trong mạch kết nối với nguồn điện; hoặc
- Biện pháp bảo vệ bổ sung.
Tụ điện lớp X phải không được sử dụng như là một biện pháp bảo vệ tăng cường.
2.2.5.2.2. Sự phóng điện của tụ điện sau khi ngắt kết nối của đầu nối
Nơi điện áp tụ điện trở thành tiếp cận được khi ngắt kết nối của đầu nối (ví dụ, đầu nối của nguồn điện) điện áp tiếp cận được được đo 2 s sau khi ngắt kết nối của đầu nối, phải tuân thủ:
- Giới hạn ES1 của Bảng 5 dưới các điều kiện hoạt động bình thường cho người bình thường.
- Giới hạn ES2 của Bảng 5 dưới các điều kiện hoạt động bình thường cho người được hướng dẫn.
- Giới hạn ES2 của Bảng 5 dưới các điều kiện lỗi đơn cho cả người bình thường và người được hướng dẫn.
Điện trở hoặc nhóm các điện trở được sử dụng như là biện pháp bảo vệ chống lại việc phóng điện của tụ điện không phải chịu các điều kiện sự cố đơn mô phòng nếu điện trở hoặc nhóm điện trở tuân thủ 2.2.5.6.
Nếu một IC bao gồm chức năng phóng điện tụ điện (ICX) được sử dụng để tuân thủ với điều kiện trên:
- Điện áp tiếp cận được (ví dụ, tại đầu nối nguồn điện) phải không vượt giới hạn được đưa ra ở trên dưới điều kiện lỗi đơn của ICX hoặc của bất kỳ thành phần nào có liên quan đến mạch phóng điện cho tụ điện; hoặc
- ICX với mạch liên quan được cung cấp trong thiết bị phải tuân thủ với các yêu cầu trong D.16. Bất kỳ thành phần suy giảm xung nào (như là biến trở và GDTs) bị ngắt kết nối; hoặc
- Ba mẫu ICX được kiểm tra riêng biệt phải tuân theo các yêu cầu của D.16.
Phép đo được thực hiện với thiết bị có trở kháng đầu vào bao gồm điện trở 100 MΩ ± 5 MΩ mắc song song với điện dung đầu vào 25 pF hoặc bé hơn.
Nếu một Thiết bị đóng cắt (ví dụ, Thiết bị đóng cắt nguồn) có tác động đến kết quả thử nghiệm, nó được đặt trong vị trí không thuận lợi nhất. Việc ngắt kết nối của đầu nối (bắt đầu thời gian phóng điện) phải được thực hiện tại thời điện khi mà tụ điện đầu vào của thiết bị cần thử nghiệm được nạp đến giá trị đỉnh của nó.
Các phương pháp khác mà đưa ra các kết quả tương tự với phương pháp trên có thể được sử dụng.
2.2.5.3. Biến áp
Biến áp được sử dụng như một biện pháp bảo vệ phải tuân thủ với G.5.3.
2.2.5.4. Optocoupler
Sự cách điện của optocoupler được sử dụng như là biện pháp bảo vệ phải tuân thủ với các yêu cầu của 2.2.4 hoặc với D.12.
2.2.5.5. Rơ le
Sự cách điện của rơ le được sử dụng như là biện pháp bảo vệ phải tuânthủ với các yêu cầu của 2.2.4.
2.2.5.6. Điện trở
Các ứng dụng điện trở dưới đây phải tuân thủ với các thử nghiệm tương ứng được nêu trong Bảng 29:
- Một điện trở đơn được sử dụng như là một biện pháp bảo vệ tăng cường hoặc bắc cầu cách điện tăng cường;
- Một điện trở hoặc một nhóm các điện trở hoạt động như một biện pháp bảo vệ giữa mạch kết nối với nguồn và mạch có mục đích kết nối với cáp đồng trục;
- Điện trở hoạt động như là biện pháp bảo vệ sự phóng điện của tụ điện.
Ngoài ra, điện trở mà bắc cầu lớp Cách điện chính, lớp Cách điện phụ hoặc lớp cách điện tăng cường phải tuân thủ với mỗi điều sau đây:
- Điện trở đơn hoặc một nhóm các điện trở phải tuân thủ với yêu cầu về khe hở (clearance) và chiều dài đường rò của 2.2.4.2 và 2.2.4.3, tương ứng giữa các đầu cuối cho tổng điện áp làm việc trên lớp cách điện (xem Hình M.4);
- Đối với nhóm các điện trở được sử dụng như là biện pháp bảo vệ tăng cường hoặc cho bắc cầu lớp bảo vệ tăng cường, khe hở và chiều dài đường rò được tiếp cận như thể lần lượt từng điện trở được nối tắt trừ khí nhóm tuân thủ các yêu cầu liên quan của D.10.
Bảng 29 - Tổng quan về các thử nghiệm cho các ứng dụng điện trở
|
Các ứng dụng điện trở |
Điều kiện |
Thử nghiệm điện trở |
Thử nghiệm tăng điện áp |
Thử nghiệm xung |
Thử nghiệm quá tải |
|
E.10.2 |
E.10.3 |
E.10.4 |
E.10.5 |
E.10.6 |
|
|
Biện pháp bảo vệ tăng cường hoặc bắc cầu cách điện tăng cường |
X |
X |
|
|
|
|
Giữa mạch kết nối nguồn và cáp đồng trục |
X |
|
Xa |
Xb |
|
|
Biện pháp bảo vệ phóng điện của tụ điện |
X |
|
|
|
X |
|
a Đối với mạch bên ngoài được chỉ ra trong Bảng 13, ID 6 và 7. b Đối với mạch bên ngoài được chỉ ra trong Bảng 13, ID 3, 4, 5. |
|||||
2.2.5.7. SPDs
Nơi một biến trở được sử dụng giữa mạch nguồn ở điện áp ES3 và nối đất bảo vệ:
- Kết nối đất phải tuân theo 2.2.6.7; và
- Biến trở phải tuân theo D.8.
Nơi một biến trở được sử dụng giữa đường điện nóng và đường điện trung tính hoặc giữa các đường điện nóng, nó phải tuân theo D.8.
Nơi một SPD được sử dụng giữa nguồn điện và đất bảo vệ, nó phải bao gồm một biến trở và một GDT được mắc nối tiếp, trong đó các điều sau được áp dụng:
- Biến trở phải tuân theo D.8;
- GDT phải tuân theo:
o Thử nghiệm cường độ điện của 2.2.4.9.1 đối với lớp Cách điện chính; và
o Các yêu cầu về khe hở và chiều dài đường rò bên ngoài của 2.2.4.2 và 2.2.4.3 tương ứng cho lớp Cách điện chính.
GHI CHÚ 1: Một vài ví dụ của SPDs là MOVs, biến trở và GDTs. Một biến trở đôi khi được gọi là VDR hoặc biến trở ô xít kim loại (MOV).
Các yêu cầu trên không áp dụng với SPDs được kết nối với nối đất tin cậy (xem 2.2.6.7).
GHI CHÚ 2: Tiêu chuẩn này không yêu cầu các thiết bị khử xung điện tuân theo bất kỳ tiêu chuẩn thành phần cụ thể nào. Tuy nhiên, sự chú ý được tập trung vào bộ tiêu chuẩn IEC 61643, cụ thể là:
- IEC 61643-21 (thiết bị khử xung điện)
- IEC 61643-311 (ống phóng điện có khi)
- IEC 61643-321 (avalanche breakdown diodes)
- IEC 61643-331 (metal oxide varistors)
- IEC 61643-341 (thyristor surge suppressors TSS).
GHI CHÚ 3: SPDs giữa mạch bên ngoại và đất không được coi là biện háp bảo vệ. Các yêu cầu cho những SPDs đó được bao hàm trong 2.2.4.11.2.
2.2.5.8. Cách điện giữa nguồn và mạch bên ngoài bao gồm cáp đồng trục
Cách điện giữa nguồn và kết nối đến cáp đồng trục, bao gồm bất kỳ điện trở mắc song song với lớp cách điện đó, phải có khả năng chịu được xung điện từ mạch ngoài và từ nguồn điện.
Yêu cầu này không áp dụng trong bất kỳ thiết bị nào dưới đây:
- Thiết bị trong nhà sử dụng ăng ten tích hợp bên trong và không được trang bị kết nối với cáp đồng trục; hoặc
- Thiết bị được nối với nối đất tin cậy tuân theo 2.2.6.7.
Sự kết hợp của cách điện và điện trở được thử nghiệm sau khi điều chỉnh của E.10.2 như sau:
- Đối với thiết bị được thiết kế để kết nối với cáp đồng trục được kết nối với ăng ten ngoài trời, thử nghiệm đột biến điện áp của E.10.4; hoặc
- Đối với thiết bị được thiết kế để kết nối với cáp đồng trục khác, thử nghiệm xung của E.10.5; hoặc
- Đối với thiết bị được thiết kế để kết nối với cả ăng ten ngoài trời và các kết nối cáp đồng trục khác, thử nghiệm đột biến điện áp E.10.4 và thử nghiệm xung E.10.5.
Sau khi thử nghiệm:
- Các điện phải tuân thủ với 2.2.4.5.3 và điện trở có thể bị loại bỏ khi đang thực hiện thử nghiệm này; và
- Điện trở phải tuân thủ với E.10.3, trừ khi có dữ liệu có sẵn cho thấy sự tuân thủ của điện trở.
2.2.5.9. Biện pháp bảo vệ cho ổ cắm trong thiết bị ngoài trời
Phải sử dụng thiết bị bảo vệ dòng điện dư có dòng điện dư danh định không vượt quá 30 mA trong nguồn điện cấp cho các ổ cắm dành cho mục đích sử dụng chung.
Thiết bị bảo vệ dòng điện dư phải là một phần bên trong của thiết bị ngoài trời hoặc phải là một phần của việc lắp đặt tòa nhà.
Kiểm tra sự tuân thủ bằng cách xem xét.
2.2.6. Dòng điện trong dây dẫn bảo vệ
2.2.6.1. Thông tin chung
Dưới các điều kiện hoạt động bình thường, một dòng điện trong dây dẫn bảo vệ có thể hoạt động:
- Như là biện pháp bảo vệ cơ bản để tránh các thành phần dẫn điện tiếp cận được không vượt quá giới hạn ES1;
- Như là phương tiện giới hạn điện áp chuyển tiếp trong mạch nối đất.
Dưới các điều kiện lỗi đơn, dòng điện trong dây dẫn bảo vệ có thể hoạt động như là phương tiện bảo vệ bổ sung để tránh các thành phần dẫn điện tiếp cận được vượt quá giới hạn ES2.
2.2.6.2. Yêu cầu đối với dòng điện trong dây dẫn bảo vệ
2.2.6.2.1. Yêu cầu chung
Dòng điện trong dây dẫn bảo vệ phải không chứa chuyển mạch, thiết bị giới hạn dòng điện hoặc thiết bị bảo vệ quá dòng điện.
Khả năng mang dòng của dòng điện trong dây dẫn bảo vệ phải đủ trong thời gian xuất hiện dòng điện sự cố trong các điều kiện sự cố đơn lẻ.
Sự kết nối đối với dòng điện trong dây dẫn bảo vệ phải được tạo ra sớm hơn và ngắt muộn hơn so với kết nối nguồn trong từng trường hợp sau:
- Một kết nối (trên một cáp) hoặc một kết nối gắn với một phần hoặc cụm lắp ráp phụ mà người không có kỹ năng có thể được tháo ra được;
GHI CHÚ: thực tế tốt rằng việc xây dựng này cũng được áp dụng khi người có kỹ năng được mong đợi sẽ thay thế các bộ phận nguồn và các cụm lắp ráp khi thiết bị đang hoạt động.
- Phích cắm trên dây điện;
- Bộ ghép thiết bị (an appliance coupler).
Chất hàn không được hoạt động như là phương tiện duy nhất cung cấp sự an toàn cơ học cho dòng điện trong dây dẫn bảo vệ.
Đầu nối dây bảo vệ phải được thực hiện sao cho nó không có khả năng bị lỏng trong quá trình bảo dưỡng, ngoài việc bảo dưỡng chính dòng điện trong dây dẫn bảo vệ thực tế. Một thiết bị đầu cuối có thể dùng để nối nhiều dây dẫn liên kết bảo vệ. Một đầu nối dây dẫn nối đất bảo vệ sẽ không được coi là một phương tiện để đảm bảo bất kỳ thành phần hoặc bộ phận nào khác ngoài một dây dẫn liên kết bảo vệ.
Có thể sử dụng một đầu nối dây duy nhất của loại vít hoặc đinh tán để giữ chặt cả bộ phận bảo vệ dây nối đất và dây dẫn liên kết bảo vệ trong thiết bị có dây cấp nguồn không thể tháo rời. Trong trường hợp này, đầu nối dây của dây dẫn nối đất bảo vệ phải được tách bởi khớp nối khỏi dây dẫn liên kết bảo vệ. Dây dẫn nối đất bảo vệ phải được đặt dưới cùng của cụm kết nối, để dây dẫn này sẽ là kết nối cuối cùng bị tháo ra.
2.2.6.2.2. Màu của cách điện
Cách điện của dây dẫn nối đất bảo vệ phải có màu vàng và xanh.
Nếu dây dẫn liên kết bảo vệ được cách điện, cách điện phải có màu vàng và xanh ngoài trừ hai trường hợp sau đây:
- Đối với dây nối đất, cách điện, nếu được cung cấp, có thể trong suốt.
- Dây nối liên kết bảo vệ được lắp ráp như là cáp ruy-băng, thanh cái, dây in v.v. có thể có bất kỳ màu nào với điều kiện không có khả năng phát sinh việc hiểu sai về việc sử dụng dẫn dây dẫn.
Kiểm tra sự tuân thủ bằng cách xem xét.
2.2.6.3. Yêu cầu đối với dân dẫn nối đất bảo vệ
Dây dẫn nối đất bảo vệ phải tuân thủ với kích thước dây dẫn tối thiểu trong Bảng D.7.
GHI CHÚ 1: Đối với thiết bị được kết nối cố định được cung cấp với (các) đầu cuối để kết nối với nguồn điện lưới, cần tham khảo các yêu cầu về hệ thống dây điện tòa nhà của quốc gia về kích thước dây nối đất bảo vệ.
GHI CHÚ 2: IEC 60364-5-54 có thể được sử dụng để xác định kích thước dây dẫn tối thiểu.
Đối với dây dẫn kết nối với thiết bị được cấp nguồn từ nguồn điện một chiều, kết nối tiếp đất bảo vệ có thể được cung cấp bởi đầu cuối riêng biệt.
Dây dẫn tiếp đất bảo vệ đóng vai trò như một biện pháp bảo vệ tăng cường chỉ có thể được sử dụng trong thiết bị tháo lắp loại B hoặc trong thiết bị kết nối cố định và phải:
- Được bao gồm và được bảo vệ bởi dây nguồn có vỏ bọc phù hợp với G.7.1 và không nhẹ hơn dây tải nặng như quy định trong Phụ lục C của IEC 62440:2008; hoặc
- Có kích thước dây dẫn tối thiểu không nhỏ hơn 4 mm2 nếu không được bảo vệ khỏi hư hỏng vật lý; hoặc
- Có kích thước dây dẫn tối thiểu không nhỏ hơn 2,5 mm2 nếu được bảo vệ khởi hư hỏng vật lý; hoặc
- Được bảo vệ bằng một ống dẫn được thiết kế để nối với thiết bị và có kích thước tối thiểu phù hợp với Bảng 30.
GHI CHÚ 3: Đối với dây cấp nguồn, xem D.7.
GHI CHÚ 4: Vỏ dây dẫn chịu tải nặng được coi là phù hợp để bảo vệ khỏi hư hỏng vật lý.
Bảng 30 - Kích thước dân dẫn nối đất bảo vệ cho biện pháp bảo vệ tăng tường cho thiết bị kết nối cố định
|
Sự bảo vệ được cung cấp bởi |
Kích thước dây dẫn nối đất bảo vệ tối thiểu mm2 |
|
Ống dẫn linh hoạt phi kim loại |
4 |
|
ống dẫn linh hoạt kim loại |
2,5 |
|
ống dẫn kim loại không linh hoạt |
1,5 |
|
Dây dẫn nối đất bảo vệ được thiết kế để lắp đặt bởi người có kỹ năng |
|
Dây dẫn nối đất bảo vệ hoạt động như biện pháp bảo vệ kép có thể chỉ được sử dụng trên thiết bị tháo lắp loại B hoặc trên thiết bị kết nối cố định và phải bao gồm hai dây dẫn nối đất bảo vệ độc lập.
Sự tuân thủ được kiểm tra bởi thanh tra và phép đo kích thước dẫn nối đất bảo vệ theo Bảng 30 hoặc Bảng 7 nếu áp dụng được.
2.2.6.4. Yêu cầu đối với dây dẫn liên kết bảo vệ
2.2.6.4.1. Yêu cầu chung
Các dây dẫn liên kết bảo vệ của các bộ phận được yêu cầu nối đất với mục đích an toàn phải tuân thủ một trong các điều sau:
- Kích thước dây dẫn tối thiểu trong Bảng D.7; hoặc
- Nếu dòng điện danh định của thiết bị hoặc dòng điện bảo vệ danh định của mạch điện vượt quá 25 A, với kích thước dây dẫn tối thiểu trong Bảng 31; hoặc
- Nếu cả dòng điện danh định của thiết bị và dòng điện bảo vệ danh định của mạch điện không vượt quá 25 A, một trong hai điều sau:
o Với kích thước dây dẫn nhỏ nhất trong Bảng 31; hoặc
o Với thử nghiệm ngắn mạch giới hạn của Phụ lục R; hoặc
- Đối với chỉ các thành phần, không được nhỏ hơn dây dẫn nguồn điện cung cấp cho thành phần.
Nếu dòng điện danh định của thiết bị không được nhà sản xuất công bố, nó có thể được tính bằng công suất danh định chia cho điện áp danh định.
GHI CHÚ: Giá trị của dòng điện bảo vệ danh định được sử dụng trong Bảng 31 và trong thử nghiệm của 2.2.6.6.2.
Bảng 31 - Kích thước dây dẫn liên kết bảo vệ tối thiểu của dây dẫn đồng
|
Nhỏ hơn dòng điện danh định của thiết bị hoặc dòng điện danh định bảo vệ của mạch đang được xem xét A Lên đến và bao gồm |
Kích thước dây dẫn tối thiểu |
|
|
Diện tích mặt cắt ngang mm2 |
AWG diện tích mặt cắt ngang theo mm2 |
|
|
3 |
0,3 |
22 0,324 |
|
6 |
0,5 |
20 0,519 |
|
10 |
0,75 |
18 0,8 |
|
13 |
1,0 |
16 1.3 |
|
16 |
1,25 |
16 1,3 |
|
25 |
1,5 |
14 2 |
|
32 |
2,5 |
12 3 |
|
40 |
4,0 |
10 5 |
|
63 |
6,0 |
8 8 |
|
80 |
10 |
6 13 |
|
100 |
16 |
4 21 |
|
125 |
25 |
2 33 |
|
160 |
35 |
1 42 |
|
190 |
50 |
0 53 |
|
230 |
70 |
000 85 |
|
260 |
95 |
0000 107 |
|
|
|
Kcmil diện tích mặt cắt ngang theo mm2 |
|
300 |
120 |
250 |
|
340 |
150 |
300 126 |
|
400 |
185 |
400 202 |
|
460 |
240 |
500 253 |
|
GHI CHÚ: kích thước AWG và kcmil chỉ được cung cấp để làm thông tin. Các diện tích mặt cắt liên quan đã được làm tròn để chỉ hiển thị các số liệu quan trọng. AWG là viết tắt của từ American Wire Gage và thuật ngữ “cmil” dùng để chỉ đơn vị mil tròn, trong đó một mil tròn bằng (đường kính tính bằng mil)2. |
||
2.2.6.4.2. Xác định định mức dòng điện bảo vệ
2.2.6.4.2.1. Nguồn là nguồn điện cung cấp chính
Khi nguồn là nguồn cung cấp điện lưới, định mức dòng điện bảo vệ của mạch là định mức của thiết bị bảo vệ quá dòng được cung cấp trong việc lắp đặt tòa nhà hoặc như một phần của thiết bị.
Khi thiết bị bảo vệ quá dòng được cung cấp trong việc lắp đặt tòa nhà, thì:
- Đối với thiết bị có thể cắm loại A, định mức dòng điện bảo vệ là định mức của thiết bị bảo vệ quá dòng được cung cấp bên ngoài đến thiết bị (ví dụ, trong hệ thống dây điện trong tòa nhà, trong phích cắm điện hoặc trong tủ thiết bị), với tối thiểu là 16 A;
GHI CHÚ 1: tại hầu hết các quốc gia, 16 A được coi là phù hợp làm định mức dòng điện bảo vệ thích hợp của mạch cung cấp từ nguồn điện.
GHI CHÚ 2: Tại Canada và Mỹ, định mức dòng điện bảo vệ của mạch cung cấp từ nguồn được lấy là 20 A.
GHI CHÚ 3: Tại UK và Ireland, định mức dòng điện bảo vệ được lấy là 13 A, đây là mức lớn nhất của cầu chì được sử dụng trong phích cắm nguồn.
GHI CHÚ 4: Tại Pháp, trong trường hợp cụ thể, định mức dòng điện bảo vệ của mạch cung cấp từ nguồn được lấy là 20 A thay vì 16 A.
- Đối với thiết bị có thể cắm loại B, và thiết bị kết nối cố định, định mức dòng điện bảo vệ là mức tối đa của thiết bị bảo vệ quá dòng được chỉ định trong hướng dẫn lắp đặt thiết bị được cung cấp bên ngoài thiết bị.
2.2.6.4.2.2. Nguồn khác với nguồn cung cấp chính
Khi nguồn là nguồn bên ngoài có dòng điện tối đa có giới hạn vốn có bởi trở kháng bên trong của nguồn (ví dụ như là trở kháng của biến áp bảo vệ), định mức dòng điện bảo vệ của mạch là dòng điện cao nhất có được từ nguồn đó qua tải bất kỳ.
Khi dòng điện tối đa từ nguồn cấp bên ngoài bị giới hạn bởi thành phần điện tử của nguồn, định mức dòng điện bảo vệ phải được lấy bằng dòng điện đầu ra lớn nhất với bất kỳ tải thuần trở nào, bao gồm cả ngắn mạch. Nếu dòng điện bị giới hạn bởi trở kháng, một cầu chì, thiết bị PTC hoặc thiết bị ngắt mạch, dòng điện được đo sau 60 s tải hoạt động. Nếu dòng điện bị giới hạn bởi các phương tiện khác, dòng điện được đo sau 5 s tải hoạt động.
2.2.6.4.2.3. Nguồn là mạch bên trong
Khi nguồn là mạch bên trong thiết bị, định mức dòng điện bảo vệ của mạch là:
- Mức của thiết bị bảo vệ quá dòng nếu dòng điện bị giới hạn bởi thiết bị bảo vệ quá dòng; hoặc
- Dòng điện đầu ra lớn nhất, nếu dòng điện bị giới hạn bởi trở kháng nguồn của nguồn cấp. Dòng điện đầu ra được đo với bất kỳ tải thuần trở nào bao gồm cả ngắn mạch, được đo sau 60 s sau khi tải hoạt động nếu dòng điện bị giới hạn bởi trở kháng hoặc các thiết bị giới hạn dòng như cầu chì, thiết bị ngắt mạch hoặc thiết bị PTC; hoặc được đo sau 5s trong các trường hợp khác.
2.2.6.4.2.4. Thiết bị bảo vệ quá dòng và giới hạn dòng điện
Thiết bị giới hạn dòng (thiết bị PTC) hoặc thiết bị bảo vệ quá dòng (cầu chì hoặc thiết bị ngắt mạch) phải không được kết nối song song với bất kỳ thành phần nào có khả năng hỏng về trạng thái điện trở thấp.
2.2.6.4.3. Các tiêu chí tuân thủ
Sự tuân thủ được xem xét và đo đạc theo kích thước dây dẫn liên kết bảo vệ theo Bảng 31 hoặc Bảng D.7 và thử nghiệm của 2.2.6.6 hoặc Phụ lục R nếu áp dụng được.
2.2.6.5. Đầu nối cho dòng điện trong dây dẫn bảo vệ
2.2.6.5.1. Yêu cầu
Đầu nối cho kết nối với dây dẫn nối đất bảo vệ phải tuân thủ kích thước đầu nối nhỏ nhất trong Bảng 32
Đầu nối cho kết nối dây dẫn liên kết bảo vệ phải tuân thủ kích thủ với một trong các điều sau:
- Kích thước đầu nối nhỏ nhất trong Bảng 32; hoặc
- Nếu dòng điện danh định của thiết bị hoặc định mức dòng điện bảo vệ của mạch vượt quá 25 A, với các kích thước đầu nối không quá 1 kích thước nhỏ hơn trong Bảng 32; hoặc
- Nếu cả dòng điện danh định của thiết bị và định mức dòng điện bảo vệ của mạch không vượt quá 25 A; một trong hai:
+ Với các kích thước đầu nối không vượt quá 1 kích thước nhỏ hơn trong Bảng 32; hoặc
+ Với thử nghiệm ngắn mạch giới hạn trong Phụ lục R;
Hoặc
- Chỉ đối với các thành phần, không được nhỏ hơn kích thước đầu nối cung cấp điện cho thành phần.
Bảng 32 - Các kích thước của đầu nối cho dòng điện trong dây dẫn bảo vệ
|
Kích thước dây dẫn mm2 (từ Bảng D.7) |
Đường kính ren danh nghĩa tối thiểu mm |
Diện tích của mặt cắt ngang mm2 |
||
|
Loại trụ hoặc loại đinh tán |
Loại vít a |
Loại trụ hoặc loại đinh tán |
Loại vít a |
|
|
1 |
3,0 |
3,5 |
7 |
9,6 |
|
1,5 |
3,5 |
4,0 |
9,6 |
12,6 |
|
2,5 |
4,0 |
5,0 |
12,6 |
19,6 |
|
4 |
4,0 |
5,0 |
12,6 |
19,6 |
|
6 |
5,0 |
5,0 |
19,6 |
19,6 |
|
10 b |
6,0 |
6,0 |
28 |
28 |
|
16 b |
7,9 |
7,9 |
49 |
49 |
|
a Loại vít dùng để chỉ một đầu nối kẹp dây dẫn dưới đầu vít, có hoặc không có long đền. b Để thay thế cho các yêu cầu của bảng này, dây dẫn nối đất bảo vệ có thể được gắn vào các đầu nối đặc biệt, hoặc phương tiện kẹp thích hợp được giữ chặt bằng cơ cấu vít và đai ốc vào khung kim loại của thiết bị. Tổng của diện tích mặt cắt ngang của vít và đai ốc không được nhỏ hơn 3 lần diện tích mặt cắt ngang của kích thước dây dẫn trong Bảng 31 hoặc Bảng D.7 nếu áp dụng được. Đầu nối phải tuân thủ với IEC 60998-1 và OEC 60999-1 hoặc IEC 60999-2. |
||||
Sự phù hợp được kiểm tra bằng cách xem xét và đánh giá dữ liệu được cung cấp bởi nhà sản xuất hoặc bằng các thử nghiệm hoặc đo kích thước đầu nối bảo vệ phù hợp với Bảng 32, thử nghiệm của 2.2.6.6 hoặc Phụ lục R nếu áp dụng được.
2.2.6.5.2. Sự ăn mòn
Các bộ phận dẫn điện tiếp xúc với đầu nối đất bảo vệ chính, các đầu nối và đầu nối liên kết bảo vệ phải được lựa chọn theo Phụ lục L sao cho hiệu điện thế giữa hai kim loại khác nhau bất kỳ là 0,6 V hoặc nhỏ hơn.
Sự phù hợp được kiểm tra bằng cách xem xét và đánh giá dữ liệu được cung cấp bởi nhà sản xuất về vật liệu của ruột dẫn và đầu nối và các bộ phận liên quan và xác định hiệu điện thế.
2.2.6.6. Điện trở của hệ thống liên kết bảo vệ
2.2.6.6.1. Yêu cầu
Dây dẫn liên kết bảo vệ và các đầu nối phải không có điện quá mức
GHI CHÚ hệ thống liên kết bảo vệ trong thiết bị bao gồm dây dẫn đơn hoặc một tổ hợp của các bộ phận dẫn điện, nối đầu nối đất bảo vệ chính với một phần của thiết bị sẽ được nối đất với mục đích an toàn.
Dây dẫn liên kết bảo vệ cần có kích thước dây dẫn nhỏ nhất trong Bảng D.7 trong suốt chiều dài của chúng và các đầu nối của chúng đều đạt kích thước tối thiểu trong Bảng 32 thì được coi là tuân thủ mà không cần thử nghiệm.
Trên thiết bị mà chỗ nối đất bảo vệ với các kết cấu phụ hoặc với bộ phận riêng biệt được thực hiện bằng một lõi của cáp nhiều lõi cũng cấp nguồn cho các kết cấu phụ hoặc bộ phận đó và khi cáp được bảo vệ bằng thiết bị bảo vệ được đánh giá thích hợp đi vào tính đến kích thước của dây dẫn, điện trở của dây dẫn liên kết bảo vệ trong cáp đó không được tính vào phép đo.
2.2.6.6.2. Phương pháp thử nghiệm
Dòng điện thử nghiệm có thể AC hoặc DC và điện áp thử nghiệm phải không vượt quá 12 V. Phép đo được thực hiện giữa đầu nối đất bảo vệ chính và điểm trên thiết bị cần được nối đất.
Điện trở của đầu nối nối đất bảo vệ và của bất kỳ dây dẫn nối đất trong hệ thống dây dẫn bên ngoài khác không được tính đến trong phép đo. Tuy nhiên, nếu dây dẫn nối đất bảo vệ được cung cấp cùng với thiết bị, dây dẫn có thể đưa vào trong mạch thử nghiệm, những phép đo mức rơi điện áp được thực hiện chỉ từ đầu nối đất bảo vệ chính đến thành phần cần nối đất.
Cẩn thận để điện trở tiếp xúc giữa đầu của đầu do đo và phần dẫn điện cần đo không làm ảnh hưởng đến kết quả thử nghiệm. Dòng điện thử nghiệm và thời gian thử nghiệm như sau:
a) Đối với thiết bị được cấp nguồn từ nguồn chính trong đó định mức dòng điện bảo vệ của mạch được thử nghiệm là 25 A hoặc nhỏ hơn, dòng điện thử nghiệm là 200% của định mức dòng điện bảo vệ được áp dụng trong 2 phút.
b) Đối với thiết bị cấp nguồn từ nguồn điện AC, trong đó định mức dòng bảo vệ của mạch được thử nghiệm vượt quá 25 A, dòng điện thử nghiệm là 200% của định mức dòng điện bảo vệ hoặc 500 A, tùy theo giá trị nào nhỏ hơn, và thời gian thử nghiệm như trong Bảng 33.
Bảng 33 - Thời gian thử nghiệm, thiết bị kết nối với nguồn
|
Định mức dòng điện bảo vệ của mạch điện A Lên đến và bao gồm |
Thời gian thử nghiệm Phút |
|
30 |
2 |
|
60 |
4 |
|
100 |
6 |
|
200 |
8 |
|
Trên 200 |
10 |
c) Để thay thế cho b), các thử nghiệm được dựa trên đặc tính thời gian – dòng điện của thiết bị bảo vệ quá dòng, thiết bị giới hạn dòng điện sự cố trong dây dẫn liên kết bảo vệ. Thiết bị này được cung cấp trong EUT hoặc được chỉ định trong hướng dẫn lắp đặt được cung cấp bên ngoài thiết bị. Thử nghiệm được tiến hành tại 200% định mức dòng điện bảo vệ, trong khoảng thời gian tương ứng với 200% trên đặc tính thời gian - dòng điện. Nếu khoảng thời gian cho 200% không được đưa ra, có thể sử dụng điểm gần nhất trong đặc tính thời gian – dòng điện.
d) Đối với thiết bị được cấp nguồn từ nguồn DC, nếu định mức dòng điện bảo vệ của mạch điện được thử nghiệm vượt quá 25 A, dòng điện thử nghiệm và thời gian được chỉ định bởi nhà sản xuất.
e) Đối với thiết bị nhận nguồn điện của nó từ mạch bên ngoài, dòng điện thử nghiệm bằng 1,5 lần dòng điện lớn nhất có được từ mạch điện ngoài hoặc 2 A, lấy giá trị nào lớn hơn, trong khoảng thời gian là 2 phút. Đối với các thành phần nối với dây dẫn liên kết bảo vệ để giới hạn sự quá độ hoặc để giới hạn dòng điện chạm đến mạch điện ngoài và không vượt mức ES2 trong các điều kiện lỗi đơn lẻ, việc thử nghiệm được tiến hành tuân theo phương pháp thử nghiệm liên quan một trong các phương án a), b), c) hoặc d) dựa trên nguồn điện giả định.
2.2.6.6.3. Các tiêu chí tuân thủ
Khi định mức dòng điện bảo vệ không vượt 25 A, điện trở của hệ thống liên kết bảo vệ, được tính toán từ sự rơi điện áp, phải không vượt 0,1 Ω.
Khi định mức dòng điện bảo vệ vượt 25 A, điện áp rời qua hệ thống liên kết bảo vệ phải không vượt 2,5 V.
2.2.6.7. Kết nối tin cậy của dây dẫn tiếp đất bảo vệ
Đối với thiết bị kết nối cố định, việc nối đất được coi là tin cậy.
Đối với thiết bị nguồn điện được kết nối bằng dây, việc nối đất cũng có thể được coi là tin cậy đối với:
- Thiết bị có thể cắm được loại B; hoặc
- Thiết bị có thể cắm được cố định loại A,
+ Được dự định sử dụng ở một địa điểm có liên kết đẳng thế (chẳng hạn như trung tâm viễn thông, phòng máy tính chuyển dụng hoặc khu vực hạn chế truy cập); và
+ Có hướng dẫn lắp đặt yêu cầu người có chuyên môn kiểm tra kết nối tiếp đất bảo vệ của ổ cắm; hoặc
- Thiết bị có thể cắm được cố định loại A,
+ Có quy định cho dây dẫn nối đất bảo vệ được kết nối vĩnh viễn; và
+ Có hướng dẫn cho sự lắp đặt của dây dẫn đến tiếp địa tòa nhà bởi người có chuyên môn.
Đối với thiết bị nối với mạch ngoài được chỉ ra trong Bảng 13, ID số 1, 2, 3, 4 và 5, việc tiếp địa được coi là tin cậy đối với thiết bị có thể cắm được loại A và thiết bị có thể cắm được loại B mà có quy định:
- Kết nối với dây dẫn tiếp địa bảo vệ vĩnh viễn; và
- Có hướng dẫn cho sự lắp đặt của dây dẫn đến tiếp địa tòa nhà bởi người có chuyên môn.
2.2.6.8. Nối đất
Nếu dây dẫn nối đất bảo vệ trong dây cấp nguồn chính chỉ được sử dụng để hình thành việc nối đất chức năng:
- Áp dụng các yêu cầu cho kích thước dây dẫn được đưa ra trong G.7.2 đối với dây dẫn nối đất của dây cấp nguồn chính; và
- Việc ghi nhãn cho thiết bị cấp II với nối đất chức năng phải được sử dụng như quy định trong E.3.6.2: và
- Đầu vào của thiết bị, nếu được sử dụng, phải tuân thủ với yêu cầu về chiều dài đường rò và khe hở đối với cách điện kép hoặc cách điện tăng cường.
GHI CHÚ 1: một vài đầu cho thiết bị cấp I không có đủ cách điện dùng làm cách điện kép hoặc cách điện tăng cường giữa các pha và đầu nối tiếp địa bảo vệ. Thiết bị sử dụng đầu vào như vậy không được coi là thiết bị cấp II.
2.2.7. Điện áp tiếp xúc tiềm năng, dòng điện chạm và dòng điện trong dây dẫn bảo vệ
2.2.7.1. Thông tin chung
Các phép đo điện áp tiếp xúc, dòng điện chạm và dòng điện dòng điện trong dây dẫn bảo vệ được thực hiện với EUT được cung cấp ở điện áp nguồn bất lợi nhất (xem A.2.3).
2.2.7.2. Thiết bị đo và mạng
2.2.7.2.1. Đo dòng điện chạm
Đối với phép đo dòng điện chạm, dụng cụ được sử dụng để đo U2 và U3 được quy định trong Hình 4 và Hình 5 tương ứng trong IEC 60990:2016 phải chỉ thị điện áp đỉnh. Nếu dòng điện chạm có dạng sóng hình sin, có thể sử dụng thiết bị đo chỉ thị giá trị hiệu dụng.
2.2.7.2.2. Đo điện áp
Thiết bị, hoặc các bộ phận của thiết bị, được thiết kế để nối đất trong ứng dụng dự kiến, nhưng không được nối đất theo quy định, phải được nối đất trong quá trình đo tại điểm mà tại đó điện áp tiếp xúc tiềm năng là lớn nhất.
2.2.7.3. Thiết lập thiết bị, kết nối nguồn cung cấp và kết nối đất
Việc thiết lập thiết bị, kết nối nguồn cung cấp thiết bị và nối đất thiết bị phải phù hợp với Điều 4, Điều 5.3 và 5.4 của IEC 60990:1999.
Thiết bị được cung cấp có kết nối với đất tách biệt khỏi dây dẫn nối đất bảo vệ phải được thử nghiệm khi đã ngắt kết nối đó.
Hệ thống thiết bị được kết nối với nhau có kết nối riêng biệt với nguồn điện phải có từng thiết bị được thử nghiệm riêng biệt.
Hệ thống thiết bị được kết nối với nhau có một kết nối với nguồn điện lưới phải được thử nghiệm như một thiết bị duy nhất.
CHÚ THÍCH 1: Hệ thống thiết bị được kết nối với nhau được quy định chi tiết hơn trong Phụ lục A của IEC 60990:1999.
Thiết bị được thiết kế cho nhiều kết nối với nguồn điện, nơi chỉ yêu cầu một kết nối tại một thời điểm, phải thử nghiệm từng kết nối trong khi các kết nối khác bị ngắt kết nối.
Thiết bị được thiết kế cho nhiều kết nối với nguồn điện, trong đó yêu cầu nhiều hơn một kết nối, mỗi kết nối phải được thử nghiệm trong khi các kết nối khác được kết nối, với các dây dẫn nối đất bảo vệ được kết nối với nhau. Nếu dòng điện chạm vượt quá giới hạn trong 2.2.2.2.2, thì dòng điện chạm phải được đo riêng lẻ.
CHÚ THÍCH 2: EUT không cần thiết phải hoạt động bình thường trong quá trình thử nghiệm này.
2.2.7.4. Thành phần có thể tiếp cận, không được nối đất
Trong điều kiện hoạt động bình thường, điều kiện hoạt động bất thời và các điều kiện lỗi đơn (ngoại trừ lỗi biện pháp bảo vệ), điện áp tiếp xúc và dòng điện chạm phải được đo từ tất cả các thành phần dẫn điện, có thể tiếp cận được mà không nối đất. Dòng điện chạm (dòng điện a và dòng điện b của Bảng 4) phải được đo theo 5.1, 5.4 và 6.2.1 của IEC 60990:2016.
Trong điều kiện lỗi đơn của biện pháp bảo vệ thích hợp hoặc biện báp bảo vệ bộ sung, bao gồm 6.1.1.1 của IEC 60990:2016, điệp áp tiếp xúc và dòng điện chạm phải được đo từ tất cả thành phần dẫn điện tiếp cận được mà không nối đất. Dòng điện chạm (dòng điện b của Bảng 4) phải được đo với mạng chỉ định trong Hình 5 của IEC 60990:2016.
Đối với thành phần không dẫn điện tiếp cận được, thử nghiệm được thực hiện bằng lá kim loại như quy định trong 2.2.2.1 của IEC 600990:2016.
2.2.7.5. Thành phần dẫn điện có thể tiếp cận, được nối đất
Ít nhất một thành phần dẫn điện có thể tiếp cận được, được nối đất phải được thử nghiệm về dòng điện chạm theo các lỗi kết nối nguồn điện theo 2.3.1 và 2.3.2.2 của IEC 60990:2016, ngoài trừ 6.2.2.8. Ngoại trừ trường hợp được phép trong 2.2.7.6, dòng điện chạm phải không vượt giới hạn ES2 trong 2.2.2.2.2.
Điều 2.3.2.2.3 của IEC 60990:2016 không áp dụng cho thiết bị có Thiết bị đóng cắt hoặc thiết bị ngắt kết nối có thể ngắt kết nối tất cả các cực của nguồn cấp điện,
CHÚ THÍCH Bộ coupler của thiết bị là ví dụ cho thiết bị ngắt kết nối.
2.2.7.6. Yêu cầu khi dòng điện chạm vượt giới hạn ES2
Khi dòng điện chạm vượt giới hạn ES2 trong 2.2.2.2.2 trong điều kiện sự cố nguồn cung cấp được quy định trong 6.2.2.2 của IEC 60990:2016, tất cả các điều kiện sau đây được áp dụng:
- Dòng điện dòng điện trong dây dẫn bảo vệ đo được theo Điều 8 của IEC 60990:2016 phải không vượt quá 5% của dòng điện đầu vào được đo dưới điều kiện hoạt động bình thường.
- Cấu tạo của mạch điện dây dẫn nối đất bảo vệ và các kết nối của nó phải có:
+ Dây dẫn nối đất bảo vệ hoạt động như một biện pháp bảo vệ tăng cường như quy định trong 2.2.6.3 hoặc hai dây dẫn nối đất bảo vệ độc lập hoạt động như là biện pháp bảo vệ kép, và
+ Kết nối tin cậy đến nối đất bảo vệ như quy định tại 2.2.6.7;
- Nhà sản xuất phải đưa ra giá trị của dòng điện trong dây dẫn bảo vệ trong hướng dẫn lắp đặt nếu dòng điện vượt quá 10 mA;
- Biện pháp bảo vệ hướng dẫn được phải được cung cấp, ngoại trừ yếu tố thứ 3 không bắt buộc. Các yếu tố của biện pháp bảo vệ hướng dẫn phải như sau:
+ Yếu tố 1a:
, IEC 60417-6042 (2010-11); và
, IEC 60417-6173 (2012-10); và
, IEC 60417-5019 (2006-08)
+ Yếu tố 2: “Cảnh báo”, hoặc từ hoặc văn bản tương đương, và “Dòng điện chạm cao” hoặc văn bản tương đương.
+ Yếu tố 3: không bắt buộc
+ Yếu tố 4: “Kết nối với nối đất trước khi kết nối với nguồn” hoặc văn bản tương đương.
Các yếu tố trong Bảng hướng dẫn an toàn (instructional safeguard) được yêu cầu đặt trên thiết bị phải được gắn lên thiết bị liền kề với kết nối cung cấp nguồn cho thiết bị.
2.2.7.7. Điện áp tiếp xúc tiềm năng và dòng điện chạm liên quan đến mạch bên ngoài
2.2.7.7.1. Dòng điện chạm từ cáp đồng trục
Nếu thiết bị được nối với mạch bên ngoài bằng cáp đồng trục và nếu kết nối đó có khả năng gây nên hỏng hóc, nhà sản xuất phải cung cấp hướng dẫn để kết nối vở của cáp đồng trục với bãi đất của tòa nhà theo 6.2 g) và 6.2 l) của IEC 60728-11:2016.
2.2.7.7.2. Điện tiếp xúc tiềm năng và dòng điện chạm liên quan đến cáp dẫn điện đôi
Đối với các mạch định kết nối với mạch bên ngoài như mô tả trong ID 1 của Bảng 13:
- Điện áp tiếp xúc tiềm năng phải tuân thủ với ES2; hoặc
- Dòng điện chạm phải không vượt quá 0,25 mA.
Yêu cầu trên không được áp dụng nếu các mạch bên ngoài tương ứng được kết nối với dây dẫn nối đất bảo vệ.
Sự tuân thủ được kiểm tra bằng phép đo theo 2.2.7.2 và 2.2..7.3 bằng cách sử dụng bố trí phép đo trong Hình 22 đối với thiết bị điện 1 pha và Hình 23 với thiết bị ba pha.
CHÚ THÍCH: Đối với hệ thống phân phối nguồn khác, xem IEC 60990:2016.

Hình 22 - Mạch thử nghiệm đối với dòng điện chạm của thiết bị 1 pha

Hình 23 - Mạch thử nghiệm đối với dòng điện chạm của thiết bị 3 pha
2.2.7.8. Tổng hợp các dòng điện chạm từ các mạch bên ngoài
Các yêu cầu dưới đây chỉ rõ khi nào cần dây dẫn nối đất bảo vệ kết nối cố định cho thiết bị có thể cắm được loại A hoặc thiết bị có thể cắm được loại B, nếu kết nối nguồn điện bị ngắt.
Các yêu cầu được áp dụng chỉ với thiết bị định được nối với mạch bên ngoài như mô tả trong Bảng 13, số thứ tự 1, 2, 3 và 4.
GHI CHÚ Các loại mạch bên ngoài là thường mạng viễn thông.
Tổng hợp các dòng điện chạm từ thiết bị cung cấp đến các mạch bên ngoài, phải không vượt quá giá trị ES2 (xem Bảng 4).
Các thuật ngữ viết tắt dưới đây được sử dụng:
- I1: dòng điện chạm nhận được từ các thiết bị khác qua mạng bên ngoài.
- S(I1): tổng hợp dòng điện chạm nhận được từ các thiết bị khác qua mạng bên ngoài.
- I2: dòng điện chạm do bộ nguồn cung cấp của thiết bị.
Giả thiết rằng mỗi mạch của thiết bị được nối với mạch ngoài nhận 0,25 mA (I1) từ các thiết bị khác, trừ khi dòng điện thực tế từ các thiết bị khác được biết là thấp hơn.
Các yêu cầu dưới đây a) hoặc b) nếu áp dụng được, phải được đáp ứng:
a) Thiết bị được kết nối với mạch bên ngoài được nối đất.
Đối với thiết bị mà trong đó, mỗi mạch có thể kết nối đến mạch bên ngoài được nối với đầu nối của dây nối đất bảo vệ của thiết bị, phải xem xét các yếu tố sau:
1) Nếu S(I1) (nếu không bao gồm I2) vượt các giới hạn ES2 của Bảng 4:
- Thiết bị phải có quy định về kết nối cố định với đất bảo vệ trong dây cấp nguồn của thiết bị có thể cắm được loại A hoặc thiết bị có thể cắm được loại B; và
- Hướng dẫn lắp đặt phải quy định việc cung cấp kết nối cố định với đất bảo vệ có diện tích mặt cắt không nhỏ hơn 2,5 mm2, nếu được bảo vệ cơ học hoặc là 4,0 mm2; và
- Cung cấp nhãn dán theo 2.2.7.6 và E.3.
2) Thiết bị như vậy phải tuân theo 2.2.7.6. Giá trị của I2 sẽ được sử dụng để tính toán giá trị giới hạn dòng điện đầu vào 5% trên mỗi pha được quy định trong 2.2.7.6.
3. Tổng của S(I1) và I2 phải tuân theo giới hạn trong Bảng 4.
Kiểm tra sự phù hợp của mục a) bằng cách xem xét hoặc bằng thử nghiệm nếu cần thiết.
Nếu thiết bị có quy định cho kết nối đất bảo vệ cố định theo 1) ở trên, không cần tiến hành phép đo nào, ngoại trừ I2 phải tuân thủ với các yêu cầu liên quan của 2.2.7.
Thử nghiệm dòng điện chạm, nếu cần, được thực hiện sử dụng thiết bị đo thích hợp trong IEC 60990:2016, Hình 5, hoặc bất kỳ thiết bị đo nào khác cho kết quả tương tự. Một nguồn (ví dụ nguồn xoay chiều được ghép điện dung có cùng tần số đường dây và cùng pha với nguồn điện xoay chiều) được đặt vào mỗi mạch bên ngoài và được điều chỉnh sao cho 0,25 mA hoặc dòng điện thực tế được biết là thấp hơn từ thiết bị khác có sẵn để đi vào mạch bên ngoài đó. Sau đó, đo dòng điện chạy trong dây dẫn nối đất.
b) Thiết bị được nối với mạch điện ngoài không được nối đất.
Nếu mỗi mạch điện của thiết bị có thể được nối đến mạch bên ngoài mà không có kết nối chung, dòng điện chạm cho mỗi mạch không được vượt quá giới hạn ES2 trong Bảng 4.
Nếu tất cả các mạch của thiết bị có thể được kết nối đến mạch bên ngoài hoặc bất kỳ nhóm nào của các cổng như vậy đều có kết nối chung, thì tổng dòng điện chạm từ mỗi kết nối chung phải không vượt giới hạn ES2 của Bảng 4.
Kiểm tra sự phù hợp với mục b) bằng cách xem xét và nếu có các điểm kết nối chung, bằng việc thực nghiệm sau.
Nguồn điện xoay chiều được ghép với điện dung có cùng tần số và cùng pha với nguồn điện xoay chiều được đặt vào mỗi mạch của thiết bị có thể được nối với mạch ngoài sao cho 0,25 mA hoặc cường độ dòng điện thực tế được biết là thấp hơn từ thiết bị khác, có sẵn để đi vào mạch đó. Các điểm kết nối chung được thử nghiệm theo 5.7.3, cho dù các điểm đó có thể tiếp cận được hay không.
2.3. Yêu cầu bảo vệ chống cháy do điện
2.3.1. Tổng quan
Giảm khả năng bị thương hoặc thiệt hại về tài sản do cháy sinh ra từ điện có nguồn gốc bên trong thiết bị, thiết bị phải được cung cấp các biện pháp bảo vệ quy định trong Điều 6.
2.3.2. Phân loại nguồn điện (PS) và nguồn đánh lửa tiềm ẩn (PIS)
2.3.2.1. Yêu cầu chung
Nguồn điện sinh nhiệt có thể được phân loại theo các mức công suất PS1, PS2 và PS3 (xem 2.2.2.2.4, 2.2.2.2.5 và 2.2.2.2.6) có thể gây nóng điện trở của cả các bộ phận và kết nối của thiết bị. Các nguồn năng lượng này dựa trên năng lượng có sẵn cho một mạch.
Trong nội tại nguồn điện, PIS có thể phát sinh do phóng điện của các kết nối bị hỏng hoặc hở của các tiếp điểm (PIS phóng điện) hoặc từ các thành phần tiêu thụ công suất hơn 15 W (PIS điện trở).
Tùy thuộc vào phân loại nguồn điện của mỗi mạch, cần phải có một hoặc nhiều biện pháp bảo vệ cần thiết để giảm khả năng gây cháy hoặc giảm khả năng cháy lan ra ngoài thiết bị.
2.3.2.2. Phân loại mạch điện nguồn
2.3.2.2.1. Yêu cầu chung
Mạch điện được phân loại PS1, PS2 hoặc PS3 dựa trên công suất của mạch điện.
Việc phân loại nguồn điện phải được xác định bằng cách đo giá trị công suất lớn nhất trong mỗi điều kiện sau:
- Đối với mạch tải: nguồn điện hoạt động trong điều kiện bình thường như quy định của
nhà sản xuất khi gặp lỗi tệ nhất (xem 2.3.2.2.2);
- Đối với mạch nguồn: sự cố nguồn điện trong trường hợp xấu nhất khi sử dụng mạch tải bình thường theo quy định (xem 2.3.2.2.3).
Công suất được đo tại các điểm X và Y trong Hình 24 và Hình 25.
2.2.2.2.2. Đo công suất cho trường hợp xấu nhất
Tham khảo Hình 24:
- Phép đo có thể được thực hiện mà không cần kết nối mạch tải LNL, trừ khi công suất tối đa phụ thuộc vào kết nối của tải;
- Tại các điểm X và Y, lắp một Watt kế (hoặc vôn kế, VA, và đồng hồ đo dòng điện, IA);
- Kết nối một điện trở phi tuyến, LVR, như được hiển thị;
- Điều chỉnh điện trở phi tuyến, LVR, để có công suất lớn nhất. Đo công suất tối đa và phân loại nguồn điện theo 2.3.2.2.4, 2.3.2.2.5 hoặc 2.3.2.2.6.
Nếu một thiết bị bảo vệ quá dòng hoạt động trong quá trình thử nghiệm, thì phép đo phải lặp lại ở 125% định mức hiện tại của thiết bị bảo vệ quá dòng.
Nếu thiết bị hoặc mạch giới hạn công suất hoạt động trong quá trình thử nghiệm, thì phép đo phải được lặp lại tại một điểm công suất mà tại đó thiết bị hoặc mạch giới hạn công suất đã hoạt động.
Khi đánh giá các phụ kiện được kết nối qua cáp với thiết bị, trở kháng của cáp có thể được tính đến khi xác định PS1 hoặc PS2 của phụ kiện.

Hình 24 - Mạch đo công suất trường hợp xấu nhất
2.3.2.2.3. Đo công suất cho trường hợp xấu nhất của nguồn điện
- Tại các điểm X và Y, mắc một Watt kế (hoặc vôn kế, VA và đồng hồ đo cường độ dòng điện, IA).
- Trong mạch nguồn điện, mô phỏng bất kỳ tình trạng lỗi đơn nào có thể dẫn đến việc công suất cực đại của đoạn mạch được phân loại. Tất cả các thành phần trong mạch nguồn phải được ngắn mạch hoặc ngắt kết nối từng mạch một khi tiến hành đo đạc.
- Thiết bị chứa bộ khuếch đại âm thanh cũng phải được thử nghiệm trong điều kiện hoạt động không bình thường các điều kiện như quy định trong C.3.
- Đo công suất cực đại theo quy định và phân loại các mạch điện nguồn theo 2.3.2.2.4, 2.3.2.2.5 hoặc 2.3.2.2.6.
Nếu một thiết bị bảo vệ quá dòng hoạt động trong quá trình thử nghiệm, thì phép đo phải lặp lại ở 125% định mức hiện tại của thiết bị bảo vệ quá dòng.
Nếu thiết bị hoặc mạch giới hạn công suất hoạt động trong quá trình thử nghiệm, thì phép đo phải được lặp lại tại một điểm công suất mà tại đó thiết bị hoặc mạch giới hạn công suất đã hoạt động.
Khi các thử nghiệm được lặp lại, một điện trở thay đổi có thể được sử dụng để mô phỏng thành phần bị lỗi.
Để tránh hư hỏng các thành phần của tải bình thường, một điện trở có thể được sử dụng thay thế cho tải bình thường.

Hình 25 - Mạch đo nguồn trường hợp xấu nhất
2.3.2.2.4. PS1
PS1 là mạch mà công suất nguồn, được đo theo 2.3.2.2, không không vượt quá 15 W đo được sau 3 s.
Nguồn điện có sẵn từ các mạch bên ngoài được mô tả trong Bảng 13, ID 1 và 2, được coi là giới hạn cho PS1.
2.3.2.2.5. PS2
PS2 là mạch mà công suất nguồn, được đo theo 2.3.2.2:
- Vượt quá giới hạn PS1; và
- Không vượt quá 100 W đo được sau 5 s.
2.3.2.2.6. PS3
PS3 là mạch có nguồn điện vượt quá giới hạn PS2 hoặc bất kỳ mạch nào có nguồn điện chưa được phân loại.

2.3.2.3. Phân loại các nguồn đánh lửa tiềm ẩn
2.3.2.3.1. PIS phóng điện
PIS phóng điện là một vị trí có các đặc điểm sau:
- Điện áp hở mạch (đo sau 3 s) trên một dây dẫn hở hoặc đang điểm mở tiếp xúc điện vượt quá 50 V (đỉnh) AC hoặc DC; và
- Tích của đỉnh của điện áp hở mạch (Vp) và dòng điện RMS đo được
(Irms) vượt quá 15 (nghĩa là Vp × Irms > 15) tại bất kỳ điểm nào sau đây:
• Một tiếp điểm, chẳng hạn như Thiết bị đóng cắt hoặc đầu nối;
• Một điểm cuối, chẳng hạn như một điểm được tạo bởi một đầu uốn, lò xo hoặc hàn;
• Ruột dẫn hở, chẳng hạn như dấu vết bảng đấu dây được in, do hậu quả của tình trạng lỗi đơn. Điều kiện này không áp dụng nếu mạch bảo vệ điện tử hoặc các biện pháp xây dựng bổ sung được sử dụng để giảm khả năng xảy ra lỗi này trở thành một PIS phóng điện.
Một PIS phóng điện được coi là không tồn tại trong PS1 vì các giới hạn của nguồn công suất.
CHÚ THÍCH 1: Một dây dẫn hở trong mạch điện bao gồm những gián đoạn xảy ra trong các dạng dẫn điện trên bảng mạch in.
Các kết nối đáng tin cậy hoặc dự phòng không được coi là một PIS phóng điện.
Kết nối dự phòng là bất kỳ loại kết nối nào có hai hoặc nhiều kết nối song song, trong đó trường hợp một kết nối bị lỗi, các kết nối còn lại vẫn có khả năng duy trì hoạt động toàn bộ công suất.
Kết nối đáng tin cậy là kết nối được coi là không mở.
CHÚ THÍCH 2: Các kết nối có thể được coi là đáng tin cậy là:
- Lỗ của miếng hàn trên bảng mạch in được gia công kim loại;
- Đinh tán / khoen hình ống được hàn bổ sung;
- Các kết nối uốn hoặc quấn dây bằng máy hoặc tạo nên bằng công cụ.
CHÚ THÍCH 3: Có thể sử dụng các phương tiện khác để tránh xảy ra PIS phóng điện.
CHÚ THÍCH 4: Sự cố kết nối do hiện tượng mỏi nhiệt có thể được ngăn ngừa bằng cách lựa chọn các bộ phận với hệ số giãn nở nhiệt tương tự như của vật liệu bản mạch in, có tính đến vị trí của các bộ phận liên quan vật liệu bảng.
2.3.2.3.2. PIS điện trở
PIS điện trở là bất kỳ bộ phận nào trong mạch PS2 hoặc PS3:
- Tiêu thụ hơn 15 W đo được sau 30 s ở điều kiện hoạt động bình thường; hoặc
LƯU Ý Trong 30 s đầu tiên, không có giới hạn.
- Trong các điều kiện lỗi đơn:
• Tiêu thụ hơn 100 W đo được trong 30 s, không kể 3 s đầu tiên, ngay lập tức
sau khi xuất hiện lỗi nếu các mạch điện tử, bộ điều chỉnh hoặc thiết bị PTC
đã sử dụng; hoặc
• Tiêu thụ hơn 15 W đo được trong 30 giây sau khi xuất hiện lỗi.
PIS điện trở được coi là không tồn tại trong PS1 vì các giới hạn của nguồn công suất.
2.3.3. Biện pháp bảo vệ chống cháy trong điều kiện bình thường và bất thường
2.3.3.1. Yêu cầu
Trong điều kiện hoạt động bình thường và điều kiện hoạt động bất thường, những biện pháp bảo vệ cơ bản sau được yêu cầu:
- Không xảy ra hiện tượng cháy; và
- Không bộ phận nào của thiết bị hoạt động đạt đến giá trị nhiệt độ lớn hơn 90% giới hạn nhiệt độ cháy tự phát, tính bằng độ C, của bộ phận như được xác định bởi ISO 871.
Khi không xác định được nhiệt độ cháy tự phát của vật liệu, thì nhiệt độ sẽ được giới hạn ở 300 ° C; và
CHÚ THÍCH: Tài liệu này hiện không có các yêu cầu đối với bụi hoặc chất lỏng dễ cháy khác với chất lỏng cách điện.
- Vật liệu dễ cháy cho các thành phần và các bộ phận khác (bao gồm cả vỏ bọc điện, vỏ bọc cơ khí và các bộ phận trang trí) không nằm trong vỏ bọc chống cháy phải tuân thủ các yêu cầu:
• Vật liệu loại HB75 nếu độ dày đáng kể mỏng nhất của vật liệu này là < 3 mm; hoặc
• Vật liệu loại HB40 nếu độ dày đáng kể mỏng nhất của vật liệu này là ≥ 3 mm; hoặc
• Vật liệu tạo bọt lớp HBF; hoặc
• Phải vượt qua thử nghiệm sợi dây nóng đỏ ở 550 ° C theo IEC 60695-2-11.
Các yêu cầu này không áp dụng cho:
• Các bộ phận có thể tích nhỏ hơn 1 750 mm3;
• Các bộ phận có khối lượng vật liệu dễ cháy nhỏ hơn 4 g;
• Vật tư, vật liệu tiêu hao, phương tiện và vật liệu ghi chép;
• Các bộ phận được yêu cầu phải có các thuộc tính cụ thể để thực hiện các chức năng dự kiến, chẳng hạn như con lăn cao su tổng hợp, ống mực và vật liệu quang học; và
• Bánh răng, cam, dây đai, vòng bi và các bộ phận khác sẽ đóng góp nhiên liệu không đáng kể cho duy trì cháy, bao gồm, nhãn, chân gắn, nắp chìa khóa, núm vặn và những thứ tương tự.
2.3.3.2. Tiêu chí tuân thủ
Sự phù hợp được kiểm tra bằng cách xem xét và đánh giá dữ liệu được cung cấp bởi nhà sản xuất hoặc bằng các thử nghiệm trong điều kiện hoạt động bình thường theo B.2 và trong các điều kiện hoạt động bất thường theo B.3. Nhiệt độ của vật liệu được đo liên tục cho đến khi nhiệt độ đã đạt được trạng thái cân bằng.
CHÚ THÍCH: Xem A.1.5 để biết chi tiết về cân bằng nhiệt.
Các biện pháp bảo vệ cơ bản về giới hạn nhiệt độ tuân thủ các yêu cầu của quy chuẩn này hoặc các quy chuẩn an toàn khác phải nằm trong mạch khi được đánh giá.
2.3.4. Biện pháp bảo vệ chống cháy trong các điều kiện lỗi đơn
2.3.4.1. Yêu cầu chung
Điều phụ này xác định các biện pháp bảo vệ có thể được sử dụng để giảm khả năng cháy hoặc cháy lan trong các điều kiện lỗi đơn lẻ.
Có hai phương pháp tạo nên biện pháp bảo vệ. Các phương pháp đều có thể được áp dụng cho các các bộ phận của cùng một thiết bị.
- Giảm khả năng cháy: Thiết bị được thiết kế để trong điều kiện một lỗi đơn, không có bộ phận nào có thể bị cháy liên tục. Phương pháp này có thể được sử dụng cho bất kỳ mạch nào trong đó công suất khả dụng của mạch trong trạng thái ổn định không vượt quá 4000 W. Các yêu cầu và thử nghiệm thích hợp được nêu chi tiết trong 2.3.4.2 và 2.3.4.3.
• Thiết bị có thể tháo lắp loại A được coi là không vượt quá giá trị trạng thái ổn định 4_000 W.
• Thiết bị có thể tháo lắp loại B và thiết bị được kết nối cố định được coi là không vượt quá giá trị trạng thái ổn định 4 000 W nếu tích của điện áp nguồn danh định và định mức dòng điện bảo vệ của việc lắp đặt thiết bị bảo vệ quá dòng (Vmains × Imax) không vượt quá 4 000 W.
- Kiểm soát cháy lan: Lựa chọn và áp dụng các biện pháp bảo vệ bổ sung cho các bộ phận, hệ thống dây điện, vật liệu và các biện pháp xây dựng làm giảm sự lan truyền của đám cháy. Khi cần thiết, bằng cách sử dụng biện pháp bảo vệ bổ sung thứ hai, chẳng hạn như các biện pháp bao vây đám cháy. Phương pháp này có thể được sử dụng cho mọi loại thiết bị. Các yêu cầu được nêu chi tiết trong 2.3.4.4, 2.3.4.5 và 2.3.4.6.
2.3.4.2. Giảm khả năng cháy trong các điều kiện lỗi đơn trong mạch PS1
Không cần bất kì biện pháp bảo vệ bổ sung để dành cho mạch PS1. Mạch PS1 được coi là không có khả năng cung cấp đủ năng lượng để làm cho vật liệu đạt đến ngưỡng nhiệt độ cháy.
2.3.4.3. Giảm khả năng cháy trong các điều kiện sự cố đơn trong mạch PS2 và mạch PS3
2.3.4.3.1. Yêu cầu
Khả năng cháy trong các điều kiện sự cố đơn trong mạch PS2 và mạch PS3 khi công suất khả dụng không vượt quá 4 000 W (xem 2.3.4.1) phải được giảm bớt bằng cách sử dụng các biện pháp bảo vệ bổ sung sau đây nếu có:
CHÚ THÍCH: Đối với mạch PS3 trong đó công suất khả dụng vượt quá 4000 W, xem 2.3.4.6.
- PIS phóng điện hoặc PIS điện trở phải được tách biệt như quy định trong 2.3.4.7 với
bề mặt bên ngoài có thể tiếp xúc của thiết bị được coi là được bao phủ bằng vật liệu dễ cháy;
- Các thiết bị bảo vệ hoạt động như một biện pháp bảo vệ phải phù hợp với D.3.1 đến D.3.4 hoặc các Tiêu chuẩn thành phần của IEC;
- Động cơ và máy biến áp phải phù hợp với D.5.3, D.5.4 hoặc các tiêu chuẩn IEC liên quan;
- Các biến trở phải phù hợp với D.8.2; và
- Các bộ phận gắn với nguồn điện lưới phải phù hợp với tiêu chuẩn thành phần IEC liên quan và các yêu cầu trong quy chuẩn này.
Ngoài ra, các thử nghiệm trong 2.3.4.3.2 cần được áp dụng
Ví dụ: Các thành phần liên quan đến nguồn điện bao gồm dây cung cấp, bộ ghép thiết bị, bộ lọc EMC, linh kiện, thiết bị chuyển mạch, v.v.
2.3.4.3.2. Phương pháp thử
Lần lượt áp dụng các điều kiện có thể gây ra cháy như trong A.4. Các điều kiện áp dụng có thể gây ra gián đoạn hoặc ngắn mạch một thành phần đối với mạch điện. Trong trường hợp nghi ngờ, phép thử sẽ được lặp lại hai lần nữa với các thành phần thay thế để đảm bảo sự cháy liên tục không xảy ra.
Thiết bị được vận hành trong các điều kiện lỗi đơn và nhiệt độ của vật liệu được theo dõi liên tục cho đến khi đạt được trạng thái cân bằng nhiệt.
Nếu vật dẫn bị hở trong quá trình mô phỏng điều kiện lỗi đơn, thì vật dẫn phải được nối bắc cầu và việc mô phỏng điều kiện lỗi đơn sẽ được tiếp tục. Trong tất cả các trường hợp khác, khi điều kiện lỗi đơn được áp dụng dẫn đến ngắt dòng điện trước khi đạt đến trạng thái cân bằng nhiệt, nhiệt độ phải được ghi lại ngay sau khi xảy ra gián đoạn.
CHÚ THÍCH 1: Xem A.1.5 để biết chi tiết về cân bằng nhiệt.
CHÚ THÍCH 2: Có thể quan sát thấy sự tăng nhiệt độ sau khi dòng điện bị ngắt do quán tính nhiệt.
Nếu nhiệt độ bị giới hạn bởi cầu chì, trong điều kiện lỗi đơn:
- Cầu chì phù hợp với họ tiêu chuẩn IEC 60127 phải mở trong vòng 1 s; hoặc
- Cầu chì không phù hợp với họ tiêu chuẩn IEC 60127 phải mở trong vòng 1 s trong 3 lần liên tiếp; hoặc
- Cầu chì phải phù hợp với thử nghiệm sau đây.
Cầu chì bị đoản mạch và dòng điện sẽ đi qua cầu chì trong điều kiện lỗi đơn có liên quan được đo.
Nếu dòng điện qua cầu chì vẫn nhỏ hơn 2,1 lần định mức hiện tại của cầu chì, thì nhiệt độ được đo sau khi đạt được trạng thái ổn định sẽ được ghi lại;
Nếu dòng điện ngay lập tức đạt đến 2,1 lần định mức hiện tại của cầu chì trở lên, hoặc
đạt đến giá trị này sau một khoảng thời gian bằng với thời gian phóng điện trước tối đa đối với dòng điện qua cầu chì đang xét, cả cầu chì và liên kết ngắn mạch được loại bỏ sau một thời gian bổ sung tương ứng với thời gian phóng điện trước tối đa của cầu chì đang được xem xét và nhiệt độ được đo ngay sau đó sẽ được ghi lại.
Nếu điện trở của cầu chì ảnh hưởng đến dòng điện của mạch liên quan thì giá trị điện trở lớn nhất của cầu chì phải được tính đến khi thiết lập giá trị của dòng điện.
Các dây dẫn bảng mạch in được thử nghiệm bằng cách áp dụng các điều kiện lỗi đơn liên quan trong A.4.4.
2.3.4.3.3. Tiêu chí tuân thủ
Sự phù hợp được kiểm tra bằng cách xem xét và đánh giá dữ liệu được cung cấp bởi nhà sản xuất hoặc bằng các thử nghiệm.
Xem A.4.8 về sự tuân thủ tiêu chuẩn.
2.3.4.4. Kiểm soát cháy lan trong mạch PS1
Không cần các biện pháp bảo vệ bổ sung để bảo vệ chống lại PS1. PS1 không được coi là có khả năng cung cấp đủ năng lượng để làm cho vật liệu đạt đến nhiệt độ bắt lửa.
2.3.4.5. Kiểm soát cháy lan trong mạch PS2
2.3.4.5.1. Yêu cầu chung
Với mục đích giảm khả năng cháy lan trong mạch PS2 sang các vật liệu dễ cháy gần đó, mạch điện đáp ứng các yêu cầu của Phụ lục Q được coi là các mạch PS2.
2.3.4.5.2. Yêu cầu
Cần có biện pháp bảo vệ bổ sung để kiểm soát sự lây lan của đám cháy từ bất kỳ PIS nào có thể đến các bộ phận khác của thiết bị như được đưa ra dưới đây.
Các dây dẫn và bộ phận cấu thành PIS phải tuân thủ những điều sau:
- Bảng mạch in phải được làm bằng vật liệu loại V-1 hoặc vật liệu loại VTM-1; và
- Cách điện của dây và ống phải phù hợp với 2.3.5.1.
Động cơ phải phù hợp với D.5.4.
Máy biến áp phải phù hợp với D.5.3.
Tất cả các thành phần khác trong mạch PS2 phải tuân thủ một trong những điều sau:
- Được gắn trên vật liệu loại V-1 hoặc vật liệu loại VTM-1; hoặc
- Được làm bằng vật liệu loại V-2, vật liệu loại VTM-2 hoặc vật liệu tạo bọt loại HF-2; hoặc
- Tuân thủ các yêu cầu của S.1; hoặc
- Có kích thước nhỏ hơn 1 750 mm3; hoặc
- Có khối lượng vật liệu dễ cháy nhỏ hơn 4 g; hoặc
- Tách biệt khỏi PIS theo các yêu cầu của 2.3.4.7; hoặc
- Tuân thủ các yêu cầu về tính dễ cháy của tiêu chuẩn thành phần IEC liên quan; hoặc
- Ở trong vỏ bọc kín có dung tích từ 0,06 m3 trở xuống, chứa chỉ vật liệu không cháy và không có lỗ thông gió; hoặc
- Bộ phận không cháy trong các điều kiện lỗi đơn như quy định trong 2.3.4.3.2.
Nếu các vật liệu và bộ phận sau đây không tách biệt khỏi PIS theo các yêu cầu của 2.3.4.7 thì vật liệu và bộ phận không cháy trong điều kiện lỗi đơn như các điều kiện quy định trong 2.3.4.3.2:
- Vật tư, vật liệu tiêu hao, phương tiện và vật liệu ghi chép; và
- Các bộ phận được yêu cầu có các thuộc tính cụ thể để thực hiện các chức năng dự kiến, chẳng hạn như con lăn cao su tổng hợp, ống mực và vật liệu yêu cầu đặc tính quang học.
2.3.4.5.3. Tiêu chí tuân thủ
Kiểm tra sự phù hợp bằng cách thử nghiệm hoặc bằng cách xem xét thiết bị và xem xét các tài liệu liên quan.
2.3.4.6. Kiểm soát cháy lan trong mạch PS3
Sự lan truyền cháy trong mạch PS3 phải được kiểm soát bằng cách áp dụng tất cả các biện pháp bảo vệ bổ sung sau:
- Vật dẫn và thành phần trong mạch PS3 phải đáp ứng các yêu cầu của 2.3.4.5;
- Các thiết bị chịu phóng điện hoặc điện trở tiếp xúc thay đổi (ví dụ, đầu nối có thể cắm được) phải tuân thủ một trong các điều sau:
• Có vật liệu làm bằng vật liệu loại V-1, hoặc
• Tuân thủ các yêu cầu về tính dễ cháy của tiêu chuẩn thành phần IEC liên quan, hoặc
• Tuân thủ các yêu cầu S.1, hoặc
• Được gắn trên vật liệu làm bằng vật liệu loại V-1 hoặc vật liệu loại VTM-1 và có thể tích không quá 1 750 mm3 hoặc có khối lượng vật liệu dễ cháy nhỏ hơn 4 g; và
- Bằng cách cung cấp vỏ bọc chống cháy như quy định trong 2.3.4.8.
Trong vỏ bọc chống cháy, vật liệu dễ cháy không tuân thủ các yêu cầu về tính dễ cháy đối với mạch PS2 hoặc PS3 phải tuân thủ thử nghiệm tính dễ cháy của S.1 hoặc được làm bằng vật liệu loại V-2, loại VTM-2 hoặc vật liệu xốp lớp HF-2.
Các yêu cầu này không áp dụng cho:
- Các bộ phận có thể tích nhỏ hơn 1 750 mm3;
- Các bộ phận có khối lượng vật liệu dễ cháy nhỏ hơn 4 g;
- Vật tư, vật liệu tiêu hao, phương tiện và vật liệu ghi chép;
- Các bộ phận được yêu cầu phải có các thuộc tính cụ thể để thực hiện các chức năng dự kiến, chẳng hạn như con lăn cao su tổng hợp, ống mực và vật liệu quang học; và
- Bánh răng, cams, dây đai, vòng bi và các bộ phận khác sẽ đóng góp nhiên liệu không đáng kể cho duy trì cháy, bao gồm, nhãn, chân gắn, nắp chìa khóa, núm vặn và những thứ tương tự.
- Ống cho hệ thống không khí hoặc chất lỏng, thùng chứa bột hoặc chất lỏng và các bộ phận bằng nhựa xốp, với điều kiện là chúng bằng vật liệu loại HB75 nếu độ dày đáng kể mỏng nhất của vật liệu < 3 mm, hoặc vật liệu loại HB40 nếu độ dày đáng kể mỏng nhất của vật liệu ≥ 3 mm, hoặc vật liệu tạo bọt lớp HBF hoặc vượt qua thử nghiệm sợi dây nóng đỏ ở 550 ° C theo IEC 60695-2-11.
Không cần thiết phải có vỏ bọc chống cháy đối với các thành phần và vật liệu sau:
- Bộ phận cách điện của dây và ống phù hợp với 2.3.5.1;
- Các bộ phận, kể cả các đầu nối, phù hợp với các yêu cầu của 2.3.4.8.2.1 và lấp đầy lỗ hổng trong vỏ bọc chống cháy;
- Phích cắm và đầu nối tạo thành một phần của dây cấp nguồn hoặc cáp kết nối phù hợp với 2.3.4.9, G.4.1 và G.7;
- Động cơ phù hợp với G.5.4; và
- Máy biến áp phù hợp với G.5.3.
Sự phù hợp được đánh giá bằng cách bằng cách đánh giá tài liệu kỹ thuật của vật liệu, bằng thử nghiệm, hoặc cả hai cách.
2.3.4.7. Ngăn cách giữa các vật liệu dễ cháy và PIS
2.3.4.7.1. Yêu cầu chung
Khi cần thiết, các yêu cầu về ngăn cách tối thiểu giữa PIS và vật liệu dễ cháy, để giảm khả năng duy trì sự cháy hoặc cháy lan, có thể áp dụng bằng ngăn cách bằng khoảng giãn cách (2.3.4.7.2) hoặc ngăn cách bằng rào cản chống cháy (2.3.4.7.3).
Các yêu cầu bổ sung đối với vỏ bọc chống cháy hoặc rào cản lửa bằng vật liệu dễ cháy nằm trong phạm vi 13 mm tính từ PIS phóng điện hoặc 5 mm tính từ PIS điện trở được nêu trong 2.3.4.8.4.
2.3.4.7.2. Ngăn cách bằng khoảng giãn cách
Vật liệu dễ cháy, ngoại trừ vật liệu mà PIS được gắn trên đó, phải được tách biệt khỏi PIS phóng điện hoặc PIS điện trở.
Vật liệu nền của bảng mạch in, trên đó đặt PIS phóng điện, phải được làm bằng vật liệu loại V-1, vật liệu loại VTM-1 hoặc vật liệu xốp loại HF-1.


CHÚ THÍCH: Mô hình này có thể được sử dụng cho:
- Một PIS bao gồm các đường hoặc các vị trí trên bảng mạch in;
- Vị trí PIS điện trở của các thành phần. Các phép đo được thực hiện từ phần tử tiêu thụ công suất gần nhất của bộ phận liên quan. Nếu trong thực tế, không thể xác định được bộ phận tiêu thụ công suất, thì bề mặt bên ngoài sẽ được sử dụng để thực hiện phép đo.
Khi khoảng giãn cách giữa PIS và vật liệu dễ cháy nhỏ hơn quy định, thì vật liệu dễ cháy phải:
- Có thể tích nhỏ hơn 1 750 mm3;
- Có khối lượng vật liệu dễ cháy nhỏ hơn 4 g; hoặc
- Tuân thủ:
• Các yêu cầu về tính dễ cháy của tiêu chuẩn thành phần IEC liên quan; hoặc
• Được làm bằng vật liệu loại V-1, vật liệu loại VTM-1 hoặc vật liệu tạo bọt loại HF-1, hoặc tuân thủ IEC 60695-11-5.
2.3.4.7.3. Ngăn cách bằng rào cản chống cháy
Vật liệu dễ cháy phải được ngăn cách với PIS phóng điện hoặc PIS điện trở bằng rào cản chống cháy như được xác định trong 2.3.4.8.2.1
Bảng mạch in không được coi là rào cản chống cháy cho các PIS phóng điện nằm trên cùng một bảng. Các bảng mạch in tuân thủ theo 2.3.4.8 có thể được coi là rào cản chống cháy chống lại PIS phóng điện nằm trên một bảng mạch in khác.
Bảng mạch in có thể được coi là rào cản chống cháy chống lại PIS điện trở nếu đáp ứng các điều kiện sau:
- Bảng mạch in phải:
• Tuân thủ thử nghiệm tính dễ cháy trong S.1 trong điều kiện hoạt động; hoặc
• Được làm bằng vật liệu loại V-1, vật liệu loại VTM-1 hoặc vật liệu tạo bọt loại HF-1;
- Trong một phạm vi thể tích hạn chế, các thành phần phải đáp ứng các yêu cầu về tính dễ cháy của tiêu chuẩn thành phần liên quan và không vật liệu nào khác được xếp hạng thấp hơn vật liệu loại V-1 phải được gắn trên cùng một mặt của bảng mạch in với PIS điện trở; và
- Trong một phạm vi thể tích hạn chế, bảng mạch in không được có Đường dẫn PS2 hoặc PS3 (ngoại trừ các Đường dẫn cung cấp cho mạch đang được xem xét). Điều này áp dụng cho bất kỳ mặt nào của bảng mạch in cũng như lớp bên trong của bảng mạch in.

CHÚ THÍCH 1: Thể tích của ngọn lửa gần như không đổi; do đó, hình dạng của đám cháy phụ thuộc vào vị trí và hình dạng của rào cản. Các hình dạng khác nhau của rào cản có thể tạo ra các hình dạng đám cháy khác nhau và dẫn đến các yêu cầu về khu vực hạn chế và ngăn cách khác nhau.
CHÚ THÍCH 2: Các kích thước tương tự như 2.3.4.7.2 (ngoại trừ được nêu trong 2.3.4.8.4), khoảng giãn cách của rào cản từ PIS được coi là không đáng kể.
2.3.4.7.4. Tiêu chí tuân thủ
Sự phù hợp được đánh giá bằng cách bằng cách đánh giá tài liệu kỹ thuật của vật liệu, bằng thử nghiệm, hoặc cả hai cách.
2.3.4.8. Vỏ bọc chống cháy và rào cản chống cháy
2.3.4.8.1. Yêu cầu chung
Chức năng bảo vệ an toàn của vỏ bọc chống cháy và rào cản chống cháy là ngăn cản sự lan truyền của đám cháy ra ngoài vỏ bọc hoặc rào cản.
Vỏ bọc chống cháy có thể là vỏ ngoài hoặc có thể nằm trong vỏ ngoài của thiết bị.
Vỏ bọc chống cháy không cần phải có chức năng riêng, nhưng có thể cung cấp các chức năng khác ngoài chức năng chống cháy.
2.3.4.8.2. Đặc tính của vật liệu cho vỏ chống cháy và rào cản chống cháy
2.3.4.8.2.1. Yêu cầu đối với rào cản chống cháy
Hàng rào chống cháy phải phù hợp với các yêu cầu trong S.1.
Các yêu cầu này không áp dụng với điều kiện vật liệu đó là:
- Làm bằng vật liệu khó cháy (ví dụ, kim loại, thủy tinh, gốm, v.v.); hoặc
- Được làm bằng vật liệu loại V-1 hoặc vật liệu loại VTM-1.
2.3.4.8.2.2. Yêu cầu đối với vỏ bọc chống cháy
Đối với các mạch mà công suất khả dụng không vượt quá 4000 W (xem 6.4.1), vỏ bọc chống cháy phải:
- Tuân thủ các yêu cầu trong S.1; hoặc
- Được làm bằng vật liệu không cháy (ví dụ, kim loại, thủy tinh, gốm, v.v.); hoặc
- Được làm bằng vật liệu loại V-1.
Đối với các mạch có công suất khả dụng vượt quá 4 000 W, vỏ bọc chống cháy phải:
- Tuân thủ các yêu cầu trong S.5; hoặc
- Được làm bằng vật liệu không cháy (ví dụ, kim loại, thủy tinh, gốm, v.v.); hoặc
- Được làm bằng vật liệu lớp 5VA hoặc vật liệu lớp 5VB.
Vật liệu cho các bộ phận đặt trong các vị trí trên vỏ bọc chống cháy hoặc được thiết kế để lắp vào các vị trí đó phải:
- Tuân thủ các yêu cầu về tính dễ cháy của tiêu chuẩn thành phần IEC liên quan; hoặc
- Được làm bằng vật liệu loại V-1; hoặc
- Tuân thủ S.1.
2.3.4.8.2.3. Tiêu chí tuân thủ
Sự phù hợp được đánh giá bằng cách bằng cách đánh giá tài liệu kỹ thuật của vật liệu, bằng thử nghiệm. Loại vật liệu dễ cháy được kiểm tra để có độ dày bằng với độ dày đáng kể mỏng nhất được sử dụng trong thực tế.
2.3.4.8.3. Yêu cầu về cấu tạo đối với vỏ bọc chống cháy và rào cản chống cháy
2.3.4.8.3.1. Các cổng mở trên vỏ bọc chống cháy và rào cản chống cháy
Các cổng mở trên vỏ bọc chống cháy hoặc trên hàng rào cản chống cháy phải có kích thước sao cho lửa và các sản phẩm cháy đi qua các cổng mở này không có khả năng cháy lan đến vật liệu ở bên ngoài vỏ bọc hoặc phía bên cạnh của rào cản chống cháy của PIS.
Các cổng mở mà áp dụng các đặc tính này liên quan đến vị trí của PIS hoặc của các vật liệu dễ cháy.

Bất kể hướng của thiết bị, đặc tính hướng ngọn lửa của PIS luôn luôn thẳng đứng. Khi thiết bị có hai hoặc nhiều hướng trong điều kiện hoạt động bình thường, các đặc tính của cổng mở sẽ áp dụng cho từng hướng.
Việc xác định vị trí của cổng mở phải được thực hiện phù hợp, có tính đến tất cả các hướng sử dụng có thể có (xem 2.1.1.6).
2.3.4.8.3.2. Kích thước hàng rào chống cháy
Các cạnh của rào cản chống cháy phải nằm ngoài thể tích hạn chế
2.3.4.8.3.3. Các cổng mở mặt trên và các thuộc tính liên quan
Đặc tính cổng mở mặt trên của vỏ bọc chống cháy phải áp dụng cho các cổng mở trên bề mặt nằm ngang hoặc bất kỳ bề mặt nào có độ nghiêng hơn 5 độ so với phương thẳng đứng phía trên PIS nằm trong mạch PS3 như mô tả trong hình. Các đặc tính của cổng mở mặt trên của rào cản chống cháy phải áp dụng cho các cổng mở mặt trên PIS như thể hiện trong hình dưới.
Các cổng mở mặt trên nằm trong thể tích xác định phải tuân thủ S.2.

Không yêu cầu thử nghiệm đối với các cổng mở không vượt quá:
- 5 mm ở bất kỳ kích thước nào; hoặc
- Chiều rộng 1 mm bất kể chiều dài.
2.3.4.8.3.4. Cổng mở mặt đáy và các thuộc tính liên quan
Đặc tính cổng mở mặt đáy của vỏ bọc chống cháy phải áp dụng cho các cổng mở trên bề mặt nằm ngang hoặc bất kỳ bề mặt nào có độ nghiêng hơn 5 độ so với thẳng đứng bên dưới PIS nằm trong mạch PS3 như thể hiện trong hình dưới đây. Các cổng mở mặt đáy khác của PIS phải được coi là cổng mở mặt bên và áp dụng theo 2.3.4.8.3.5.
Các cổng mở mặt đáy là các cổng mở mặt dưới PIS và nàm trong thể tích hình trụ có đường kính 30 mm và chiều cao vô hạn bên dưới PIS.

Các cổng mở mặt đáy phải tuân thủ S.3.
Không áp dụng thử nghiệm đối với một trong các điều kiện sau:
a) Các cổng mở mặt đáy đều không vượt quá:
- 3 mm ở bất kỳ kích thước nào; hoặc
- Chiều rộng 1 mm, bất kể chiều dài.
b) Dưới các thành phần và bộ phận đáp ứng các yêu cầu đối với vật liệu loại V-1, hoặc vật liệu tạo bọt loại HF-1 hoặc dưới các thành phần tuân thủ thử nghiệm ngọn lửa hình kim trong IEC 60695-11-5 khi áp dụng điều kiện cháy 30 s, các cổng mở mặt đáy không được vượt quá:
- 6 mm ở bất kỳ kích thước nào; hoặc
- Chiều rộng 2 mm bất kể chiều dài.
c) Tuân thủ kết cấu vách ngăn như mô tả trong hình dưới đây.

Thiết bị cố định được thiết kế để đặt trên bề mặt không cháy không yêu cầu phải có vỏ bọc chống cháy ở đáy. Các thiết bị như vậy phải được ghi nhãn phù hợp với F.5, ngoại trừ yếu tố 3 là tùy chọn.
Các yếu tố của biện pháp bảo vệ hướng dẫn phải như sau:
- Yếu tố 1a: không có
- Yếu tố 2: “RỦI RO CHÁY” hoặc nội dung tương đương
- Yếu tố 3: tùy chọn
- Yếu tố 4: “Chỉ lắp đặt trên bê tông hoặc bề mặt không bắt lửa khác” hoặc nội dung tương đương
2.3.4.8.3.5. Cổng mở mặt bên và thuộc tính liên quan
Đặc tính cổng mở mặt bên của vỏ bọc chống cháy và rào cản chống cháy phải áp dụng cho các cổng mở trên bề mặt bên thẳng đứng (± 5 độ). Khi một phần mặt bên của vỏ bọc chống cháy nằm trong khu vực được chỉ ra bằng góc 5 độ, thì các giới hạn trong 2.3.4.8.3.4 về kích thước của các cổng mở mặt đáy của vỏ bọc chống cháy cũng áp dụng cho cổng mở mặt bên.
Kiểm tra sự phù hợp bằng cách xem xét và thử nghiệm. Ngoại trừ các yêu cầu 6.4.8.3.5, không có yêu cầu nào khác áp dụng đối với các cổng mở mặt bên.
CHÚ THÍCH: Các giới hạn ảnh hưởng đến kích thước của các cổng mở mặt bên được áp dụng theo các mục khác trong quy chuẩn nếu phù hợp.

2.3.4.8.3.6. Tính toàn vẹn của vỏ bọc chống cháy
Nếu một phần của vỏ bọc chống cháy bao gồm cổng mở hoặc vỏ bọc mà người bình thường có thể mở được thì cổng mở hoặc vỏ bọc phải tuân theo các yêu cầu a), b) hoặc c):
a) Cổng mở hoặc nắp phải được khóa liên động và tuân theo các yêu cầu về khóa liên động an toàn trong Phụ lục K.
b) Một cánh cửa hoặc nắp đậy, nhằm mở ra thường xuyên bởi người bình thường, phải tuân theo cả hai điều kiện sau:
- Không được tháo rời khỏi các bộ phận khác của vỏ bọc chống cháy bởi người bình thường; và
- Được cung cấp một phương tiện để giữ đóng trong điều kiện hoạt động bình thường.
c) Một cánh cửa hoặc tấm che chỉ dành cho việc sử dụng không thường xuyên của người bình thường, chẳng hạn như chỉ để lắp đặt các phụ kiện, có thể tháo rời nếu có biện pháp bảo vệ hướng dẫn để tháo lắp đúng cách.
2.3.4.8.3.7. Tiêu chí tuân thủ
Sự phù hợp được kiểm tra bằng cách xem xét và đánh giá dữ liệu được cung cấp bởi nhà sản xuất hoặc bằng các thử nghiệm.
2.3.4.8.4. Ngăn cách giữa PIS với vỏ bọc chống cháy và rào cản chống cháy
Vỏ bọc chống cháy hoặc rào cản chống cháy làm bằng vật liệu dễ cháy phải:
- Có khoảng giãn cách tối thiểu là 13 mm đến PIS phóng điện; và
- Có khoảng giãn cách tối thiểu là 5 mm đến PIS điện trở.
Khoảng giãn cách nhỏ hơn được phép với điều kiện là một phần của vỏ bọc chống cháy hoặc rào cản chống cháy cần thiết tuân theo một trong những điều sau:
- Vỏ bọc chống cháy hoặc rào cản lửa đáp ứng thử nghiệm ngọn lửa hình kim theo IEC 60695-11-5. Mức độ nghiêm trọng được xác định trong S.2. Sau khi thử nghiệm, vỏ bọc chống cháy hoặc vật liệu chống cháy không được hình thành bất kỳ lỗ hổng nào lớn hơn mức cho phép tương ứng trong 2.3.4.8.3.3 hoặc 2.3.4.8.3.4; hoặc
- Vỏ bọc chống cháy được làm bằng vật liệu loại V-0; hoặc
- Rào cản chống cháy được làm bằng vật liệu loại V-0 hoặc vật liệu loại VTM-0.
2.3.4.9. Tính dễ cháy của chất lỏng cách điện
Chất lỏng cách nhiệt:
- Phải có nhiệt độ tự cháy không nhỏ hơn 300° C được xác định theo ISO 871 hoặc tiêu chuẩn tương tự (ví dụ ASTM E659-84); và
- Không được chớp cháy; hoặc phải có điểm chớp cháy cao hơn 135 ° C được xác định theo ISO 2719 bằng phương pháp cốc kín Pensky-Martens (hoặc tiêu chuẩn tương đương, ví dụ ASTM D93); hoặc bằng phương pháp cốc kín quy mô nhỏ phù hợp với ISO 3679 (hoặc tiêu chuẩn tương đương, ví dụ ASTM D3828 và ASTM D3278).
Nếu dầu máy biến áp, dầu silicon, dầu khoáng hoặc các loại dầu tương tự khác được sử dụng làm chất lỏng cách điện thì dầu phải tuân theo các yêu cầu về điểm chớp cháy, điểm bắt lửa hoặc tính dễ cháy của tiêu chuẩn IEC hiện hành.
Nhiệt độ của các bộ phận tiếp xúc với chất lỏng cách điện không được vượt quá nhiệt độ chớp cháy của chất lỏng cách điện.
Sự phù hợp được kiểm tra bằng cách xem xét và đánh giá dữ liệu được cung cấp bởi nhà sản xuất hoặc bằng các thử nghiệm.
2.3.5. Hệ thống dây điện bên trong và bên ngoài
2.3.5.1. Yêu cầu chung
Trong mạch PS2 hoặc mạch PS3, cách điện trên dây dẫn bên trong hoặc bên ngoài phải đáp ứng các phương pháp thử nghiệm được mô tả dưới đây hoặc phương pháp tương đương.
Đối với ruột dẫn có diện tích mặt cắt ngang từ 0,5 mm2 trở lên, phải sử dụng các phương pháp thử nghiệm trong IEC 60332-1-2 và IEC 60332-1-3.
Đối với ruột dẫn có tiết diện nhỏ hơn 0,5 mm2, phải sử dụng các phương pháp thử nghiệm trong IEC 60332-2-2.
Đối với cả hệ thống dây bên trong và bên ngoài, phương pháp thử nghiệm được mô tả trong IEC TS 60695-11-21 có thể được sử dụng thay cho các phương pháp thử nghiệm trong IEC 60332-1-2, IEC 60332-1-3 hoặc IEC 60332-2-2.
CHÚ THÍCH: Dây dẫn tuân thủ UL 2556 VW-1 được coi là phù hợp với các yêu cầu này.
Dây dẫn hoặc cáp cách điện được coi là đáp ứng yêu cầu nếu nó phù hợp với các yêu cầu về tính năng được khuyến nghị của tiêu chuẩn IEC 60332 hiện hành hoặc với các yêu cầu của IEC TS 60695-11-21.
2.3.5.2. Yêu cầu đối với đấu nối với hệ thống dây điện trong tòa nhà.
Thiết bị được thiết kế để cung cấp nguồn qua hệ thống dây dẫn cho thiết bị ở xa phải giới hạn dòng điện đầu ra ở một giá trị không gây ra thiệt hại cho hệ thống dây dẫn, do quá nhiệt, trong bất kỳ điều kiện tải bên ngoài nào. Dòng điện liên tục tối đa từ thiết bị không được vượt quá giới hạn dòng điện phù hợp với khổ dây tối thiểu được quy định trong hướng dẫn lắp đặt thiết bị.
CHÚ THÍCH: Hệ thống dây điện này thường không được kiểm soát bởi hướng dẫn lắp đặt thiết bị, vì hệ thống dây điện thường được lắp đặt độc lập với việc lắp đặt thiết bị.
Mạch PS2 hoặc mạch PS3 cung cấp nguồn và được thiết kế để tương thích với LPS tới mạch bên ngoài (xem Phụ lục Q) phải có công suất đầu ra của chúng được giới hạn ở các giá trị làm giảm khả năng cháy trong hệ thống dây điện của tòa nhà.
Các mạch cáp ruột dẫn ghép nối bên ngoài, chẳng hạn như các mạch được mô tả trong Bảng 13, số ID 1 và 2 có đường kính dây tối thiểu là 0,4 mm, phải có dòng điện giới hạn ở 1,3 A.
Ví dụ: Đặc tính thời gian / dòng điện của cầu chì loại gD và loại gN quy định trong IEC 60269-2 tuân theo giới hạn trên. Loại gD hoặc loại gN được xếp hạng 1 A, sẽ đáp ứng giới hạn dòng điện 1,3 A.
Sự phù hợp được kiểm tra bằng cách xem xét và đánh giá dữ liệu được cung cấp bởi nhà sản xuất hoặc bằng các thử nghiệm theo các yêu cầu của Phụ lục Q khi cần thiết.
2.3.5.3. Đi dây bên trong các ổ cắm
Hệ thống dây điện bên trong cho ổ cắm hoặc thiết bị cung cấp nguồn điện cho thiết bị khác phải có diện tích mặt cắt ngang danh định đáp ứng quy định trong Bảng D.7, bao gồm cả quy định của chú thích a.
Đánh giá sự phù hợp bằng cách kiểm tra.
2.3.6. Biện pháp bảo vệ chống cháy cho kết nối các thiết bị bổ sung
Nguồn điện cung cấp cho thiết bị hoặc phụ kiện được kết nối phải giới hạn ở PS2 hoặc phải tuân thủ O.1, trừ khi thiết bị hoặc phụ kiện được kết nối cũng tuân theo tiêu chuẩn này.
Yêu cầu này không áp dụng cho đầu ra âm thanh của bộ khuếch đại âm thanh.
Ví dụ: Thiết bị hoặc phụ kiện được kết nối có khả năng tuân theo tài liệu này bao gồm máy quét, chuột, bàn phím, ổ DVD, ổ CD ROM hoặc cần điều khiển.
Đánh giá sự phù hợp bằng cách kiểm tra hoặc thử nghiệm.
3. QUY ĐỊNH VỀ Quản lý
3.1. Các thiết bị đầu cuối trong lĩnh vực viễn thông và công nghệ thông tin thuộc phạm vi điều chỉnh tại Điều 1.1 phải tuân thủ các quy định kỹ thuật trong Quy chuẩn này.
3.2. Phương tiện, thiết bị đo: Tuân thủ các quy định hiện hành của pháp luật về đo lường.
4. TRÁCH NHIỆM CỦA TỔ CHỨC, CÁ NHÂN
Các tổ chức, cá nhân liên quan có trách nhiệm thực hiện các quy định về công bố hợp quy các thiết bị đầu cuối truyền thông và chịu sự kiểm tra của cơ quan quản lý nhà nước theo các quy định hiện hành.
5. TỔ CHỨC THỰC HIỆN
5.1. Cục Viễn thông và các Sở Thông tin và Truyền thông có trách nhiệm hướng dẫn, tổ chức triển khai công tác quản lý chất lượng các thiết bị đầu cuối viễn thông và công nghệ thông tin theo Quy chuẩn này.
5.2. Quy chuẩn này được áp dụng thay thế các quy định kỹ thuật tại điều 2.4 của QCVN 22:2010/BTTTT, Quy chuẩn kỹ thuật quốc gia về an toàn điện đối với các thiết bị đầu cuối viễn thông.
5.3. Chấp nhận kết quả thử nghiệm của tổ chức thử nghiệm trong nước và nước ngoài được công nhận phù hợp với tiêu chuẩn ISO/IEC 17025 theo các yêu cầu kỹ thuật tương ứng trong tiêu chuẩn IEC 62368-1:2018 để đánh giá sự phù hợp đối với Quy chuẩn này cho đến khi có hướng dẫn khác của Bộ Thông tin và Truyền thông.
5.4. Trong trường hợp các quy định nêu tại quy chuẩn này có sự thay đổi, bổ sung hoặc được thay thế thì thực hiện theo quy định tại văn bản mới.
5.5. Trong quá trình triển khai thực hiện Quy chuẩn này, nếu có vấn đề phát sinh, vướng mắc, tổ chức và cá nhân có liên quan phản ánh bằng văn bản về Bộ Thông tin và Truyền thông (Vụ Khoa học và Công nghệ) để được hướng dẫn, giải quyết./.
Phụ lục A
(Quy định)
Kiểm tra tình trạng hoạt động bình thường, kiểm tra điều kiện hoạt động bất thường và kiểm tra tình trạng lỗi đơn lẻ
A.1. Yêu cầu chung
A.1.1. Khả năng áp dụng thử nghiệm
Phụ lục này quy định các thử nghiệm và điều kiện thử nghiệm khác nhau áp dụng cho thiết bị.
Nếu rõ ràng là không thể áp dụng một thử nghiệm cụ thể hoặc không cần thiết sau khi kiểm tra các dữ liệu sẵn có, thì thử nghiệm sẽ không được thực hiện. Các thử nghiệm trong tài liệu này chỉ được tiến hành nếu có liên quan đến an toàn.
Để xác định có áp dụng thử nghiệm hay không, mạch điện và kết cấu phải được nghiên cứu cẩn thận để tính đến hậu quả của các lỗi có thể xảy ra. Hậu quả của lỗi có thể cần hoặc không cần sử dụng biện pháp bảo vệ để giảm khả năng bị thương hoặc cháy nổ.
A.1.2. Loại thử nghiệm
Trừ khi có quy định khác, các thử nghiệm được chỉ định là thử nghiệm điển hình.
A.1.3. Mẫu thử nghiệm
Trừ khi có quy định khác, mẫu được thử nghiệm phải đại diện cho thiết bị thực tế hoặc phải là thiết bị thực tế.
Để thay thế cho việc tiến hành các thử nghiệm trên thiết bị hoàn chỉnh, các thử nghiệm có thể được tiến hành riêng rẽ trên các mạch, linh kiện hoặc cấu trúc bên ngoài thiết bị, miễn là việc kiểm tra thiết bị và bố trí mạch đảm bảo rằng thử nghiệm đó sẽ chỉ ra rằng thiết bị được lắp ráp sẽ phù hợp các yêu cầu của tài liệu này. Nếu bất kỳ thử nghiệm nào như vậy cho thấy khả năng không phù hợp trong thiết bị hoàn chỉnh thì thử nghiệm phải được lặp lại trong thiết bị.
Nếu một thử nghiệm có thể dẫn đến phá hủy, một mẫu có thể được sử dụng để đại diện cho điều kiện được đánh giá.
A.1.4. Tuân thủ bằng cách kiểm tra dữ liệu liên quan
Trong tài liệu này, khi kiểm tra sự tuân thủ của các vật liệu, thành phần hoặc cấu trúc bằng cách xem xét hoặc bằng cách thử các đặc tính, thì sự phù hợp có thể được xác nhận bằng cách xem xét bất kỳ dữ liệu liên quan nào hoặc các kết quả thử nghiệm trước đó có sẵn thay vì thực hiện các thử nghiệm điển hình đã chỉ định.
A.1.5. Điều kiện đo nhiệt độ
Việc thiết lập phép đo thử nghiệm phải tái tạo các điều kiện lắp đặt thiết bị khắc nghiệt nhất. Trong trường hợp nhiệt độ tối đa (Tmax) được quy định để tuân thủ các thử nghiệm, thì nó dựa trên giả định rằng nhiệt độ không khí xung quanh phòng sẽ là 25 °C khi thiết bị đang hoạt động. Tuy nhiên, nhà sản xuất có thể chỉ định nhiệt độ xung quanh tối đa khác.
Trừ khi có quy định khác, không cần thiết phải duy trì nhiệt độ môi trường (Tamb) ở một giá trị cụ thể trong quá trình thử nghiệm, nhưng nhiệt độ đó phải được theo dõi và ghi lại.
Liên quan đến các thử nghiệm được tiếp tục cho đến khi đạt được nhiệt độ ở trạng thái ổn định, trạng thái ổn định được coi là tồn tại nếu độ tăng nhiệt không vượt quá 3 K trong 30 phút. Nếu nhiệt độ đo được nhỏ hơn ít nhất 10% so với giới hạn nhiệt độ quy định, thì trạng thái ổn định được coi là tồn tại nếu độ tăng nhiệt không vượt quá 1 K trong 5 phút.
Trừ khi có một phương pháp cụ thể được quy định, nhiệt độ của cuộn dây phải được xác định bằng phương pháp cặp nhiệt điện hoặc bằng bất kỳ phương pháp nào khác với nhiệt độ trung bình của dây quấn như phương pháp điện trở.
A.2. Điều kiện hoạt động bình thường
A.2.1. Yêu cầu chung
Ngoại trừ trường hợp các điều kiện thử nghiệm cụ thể được nêu ở nơi khác và rõ ràng là có ảnh hưởng đáng kể đến kết quả thử nghiệm, các thử nghiệm phải được tiến hành trong các điều kiện vận hành bình thường bất lợi nhất có tính đến các yếu tố sau:
- Điện áp cung cấp
- Tần số cung cấp
- Điều kiện môi trường (ví dụ, nhiệt độ môi trường tối đa danh định của nhà sản xuất);
- Vị trí vật lý của thiết bị và vị trí của các bộ phận có thể di chuyển được, theo quy định của nhà sản xuất;
- Chế độ vận hành, bao gồm cả tải bên ngoài do thiết bị được kết nối với nhau; và
- Điều chỉnh điều khiển.
Đối với bộ khuếch đại âm thanh và thiết bị có bộ khuếch đại âm thanh, áp dụng các điều kiện thử nghiệm bổ sung, xem Phụ lục D.
A.2.2. Tần số cung cấp
Khi xác định tần số nguồn cung cấp bất lợi nhất cho thử nghiệm, phải tính đến các tần số khác nhau trong dải tần danh định (ví dụ: 50 Hz và 60 Hz) nhưng không cần thiết xét đến dung sai trên tần số danh định (ví dụ: 50 Hz ± 0,5 Hz).
A.2.3. Điện áp cung cấp
Khi xác định điện áp cung cấp bất lợi nhất cho thử nghiệm, các yếu tố sau đây phải được tính đến:
- Các giá trị điện áp danh định;
- Điểm cực trị của dải điện áp danh định; và
- Dung sai điện áp danh định do nhà sản xuất công bố.
Trừ khi nhà sản xuất công bố dung sai rộng hơn, dung sai tối thiểu phải được lấy là +10% và –10% đối với nguồn AC và +20% và –15% đối với nguồn DC. Thiết bị được nhà sản xuất dự định hạn chế kết nối với hệ thống cung cấp điện có điều kiện (ví dụ, một UPS) có thể được cung cấp dung sai hẹp hơn nếu thiết bị đó cũng được cung cấp với các hướng dẫn chỉ rõ hạn chế đó.
A.2.4. Điện áp hoạt động bình thường
Các điện áp sau đây phải được xem xét:
- Điện áp làm việc bình thường được tạo ra trong thiết bị, bao gồm điện áp đỉnh lặp lại như điện áp liên kết với nguồn cung cấp chế độ chuyển mạch; và
- Điện áp làm việc bình thường được tạo ra bên ngoài thiết bị, bao gồm cả tín hiệu đổ chuông nhận được từ mạch bên ngoài như được chỉ ra trong Bảng 13, số ID 1 và 2.
Điện áp quá độ nguồn lưới được tạo ra bên ngoài và điện áp quá độ mạch ngoài không được xem xét:
- Khi xác định điện áp làm việc, vì quá độ này đã được tính đến trong quy trình xác định khe hở tối thiểu (xem 5.4.2); và
- Khi phân loại mạch trong thiết bị là ES1, ES2 và ES3 (xem 5.2).
A.2.5. Kiểm tra đầu vào
Để xác định dòng điện đầu vào hoặc công suất đầu vào, các yếu tố sau đây sẽ được xem xét:
- Tải do các tính năng tùy chọn, do nhà sản xuất cung cấp hoặc cung cấp để đưa vào hoặc cùng với EUT;
- Tải do các khối thiết bị khác do nhà sản xuất dự định để lấy điện từ EUT;
- Tải có thể được kết nối với bất kỳ ổ cắm tiêu chuẩn nào trên thiết bị người bình thường có thể tiếp cận được với giá trị do nhà sản xuất quy định;
- Đối với thiết bị có bộ khuếch đại âm thanh, xem C.1;
- Đối với thiết bị có chức năng chính là hiển thị hình ảnh chuyển động, các cài đặt sau sẽ được áp dụng:
● "Tín hiệu ba vạch dọc" phải được sử dụng như định nghĩa trong 3.2.1.3 của IEC 60107-1: 1997; và
● Các điều khiển hình ảnh có thể truy cập của người dùng phải được điều chỉnh để đạt được mức tiêu thụ điện năng tối đa; và
● Cài đặt âm thanh phải được định nghĩa trong C.1 của tài liệu này.
Tải trọng nhân tạo có thể được sử dụng để mô phỏng các tải trọng đó trong quá trình thử nghiệm.
Trong mỗi trường hợp, các chỉ số được đọc khi dòng điện đầu vào hoặc công suất đầu vào đã ổn định. Nếu dòng điện hoặc công suất thay đổi trong chu kỳ hoạt động bình thường, thì dòng điện hoặc công suất ở trạng thái ổn định được coi là chỉ thị trung bình của giá trị, được đo bằng ampe kế RMS hoặc máy đo công suất, trong khoảng thời gian đại diện.
Dòng điện đầu vào hoặc công suất đầu vào đo được trong điều kiện làm việc bình thường, nhưng ở điện áp danh định hoặc ở mỗi đầu của mỗi dải điện áp danh định, không được vượt quá dòng điện danh định hoặc công suất danh định quá 10%.
Kiểm tra sự phù hợp bằng cách đo dòng điện đầu vào hoặc công suất đầu vào của thiết bị trong các điều kiện sau:
- Khi thiết bị có nhiều hơn một điện áp danh định, thì dòng điện đầu vào hoặc công suất đầu vào được đo ở mỗi điện áp danh định; và
- Khi thiết bị có một hoặc nhiều dải điện áp danh định, dòng điện đầu vào hoặc công suất đầu vào được đo ở mỗi đầu của mỗi dải điện áp danh định:
● Khi một giá trị duy nhất của dòng điện danh định hoặc công suất danh định được đánh dấu, nó được so sánh với giá trị cao hơn của dòng điện đầu vào hoặc công suất đầu vào được đo trong dải điện áp danh định liên quan; và
● Khi hai giá trị của dòng điện danh định hoặc công suất danh định được đánh dấu, ngăn cách bằng dấu gạch nối, chúng được so sánh với hai giá trị đo được trong dải điện áp danh định liên quan.
A.2.6. Điều kiện đo nhiệt độ hoạt động
A.2.6.1. Yêu cầu chung
Nhiệt độ đo được trên thiết bị phải phù hợp với A.2.6.2 hoặc A.2.6.3, nếu có thể, tất cả các nhiệt độ tính bằng độ C (° C); trong đó:
T là nhiệt độ của bộ phận đã cho được đo trong các điều kiện thử nghiệm quy định;
Tmaxlà nhiệt độ tối đa được chỉ định để phù hợp với thử nghiệm;
Tamb là nhiệt độ môi trường trong quá trình thử nghiệm;
Tma là nhiệt độ môi trường tối đa do nhà sản xuất quy định, hoặc 25 ° C, chọn giá trị nào lớn hơn.
A.2.6.2. Làm nóng/làm mát phụ thuộc vào nhiệt độ hoạt động
Đối với thiết bị mà hiện tượng sinh nhiệt hoặc giảm nhiệt được thiết kế phụ thuộc vào nhiệt độ (ví dụ: thiết bị gắn quạt có tốc độ cao hơn ở nhiệt độ cao hơn), phép đo nhiệt độ được thực hiện ở nhiệt độ môi trường xung quanh ít thuận lợi nhất trong phạm vi dải hoạt động công bố bởi nhà sản xuất. Trong trường hợp này, T không được vượt quá Tmax.
CHÚ THÍCH 1: Để tìm giá trị cao nhất của T cho mỗi thành phần, có thể hữu ích khi tiến hành một số thử nghiệm ở các giá trị khác nhau của Tamb.
CHÚ THÍCH 2: Giá trị ít thuận lợi nhất của Tamb có thể khác nhau đối với các thành phần khác nhau.
Ngoài ra, phép đo nhiệt độ có thể được thực hiện trong các điều kiện môi trường xung quanh với thiết bị làm nóng / làm mát ở mức cài đặt kém hiệu quả nhất hoặc với thiết bị bị vô hiệu hóa.
A.2.6.3. Làm nóng / làm mát độc lập với nhiệt độ hoạt động
Đối với thiết bị mà hiện tượng sinh nhiệt hoặc giảm nhiệt không được thiết kế để phụ thuộc vào nhiệt độ môi trường, có thể sử dụng phương pháp trong A.2.6.2. Ngoài ra, thử nghiệm được thực hiện ở bất kỳ giá trị nào của Tamb trong phạm vi hoạt động quy định của nhà sản xuất. Trong trường hợp này, T sẽ không vượt quá (Tmax + Tamb - Tma).
Trong quá trình thử nghiệm, Tamb không được vượt quá Tma trừ khi được tất cả các bên liên quan đồng ý.
A.3. Điều kiện hoạt động bất thường được mô phỏng
A.3.1. Yêu cầu chung
Khi áp dụng các điều kiện vận hành bất thường được mô phỏng, các bộ phận, nguồn cung cấp và phương tiện phải được đặt sẵn nếu chúng có khả năng ảnh hưởng đến kết quả của thử nghiệm.
Lần lượt từng điều kiện vận hành bất thường phải được áp dụng.
Các lỗi là hậu quả trực tiếp của tình trạng hoạt động bất thường được coi là một tình trạng lỗi đơn lẻ.
Thiết bị, cách lắp đặt, hướng dẫn và thông số kỹ thuật phải được kiểm tra để xác định những điều kiện vận hành bất thường có thể xảy ra một cách hợp lý.
Ở mức tối thiểu, các ví dụ sau về điều kiện vận hành bất thường phải được xem xét, nếu có thể áp dụng, ngoài các ví dụ được đề cập trong A.3.2 đến B.3.7:
- Đối với thiết bị xử lý giấy: kẹt giấy;
- Đối với thiết bị có bộ điều khiển mà người bình thường có thể tiếp cận: điều chỉnh các bộ điều khiển, cả riêng lẻ và chung, cho các điều kiện vận hành trong trường hợp xấu nhất;
- Đối với bộ khuếch đại âm thanh có bộ điều khiển mà người bình thường có thể tiếp cận: điều chỉnh các bộ điều khiển, cả riêng lẻ và chung, cho các điều kiện hoạt động trong trường hợp xấu nhất, mà không áp dụng các điều kiện quy định trong Phụ lục D;
- Đối với thiết bị có các bộ phận chuyển động mà người bình thường có thể tiếp cận được: kẹt các bộ phận chuyển động;
- Đối với thiết bị có vật liệu in: vật liệu in không chính xác, vật liệu in kích thước không chính xác và số lượng vật liệu in không chính xác;
- Đối với thiết bị có chất lỏng bổ sung hoặc hộp mực chất lỏng, hoặc vật liệu có thể bổ sung: chất lỏng hoặc vật liệu tràn vào thiết bị; và
- Đối với thiết bị sử dụng chất lỏng cách điện được mô tả trong 2.3.4.12.1: mất mát của chất lỏng.
Trước khi đưa vào bất kỳ điều kiện vận hành bất thường nào ở trên, thiết bị phải hoạt động trong điều kiện vận hành bình thường.
A.3.2. Che các lỗ thông gió
Mặt trên, các mặt bên và mặt sau của thiết bị, nếu các bề mặt đó có lỗ thông gió, phải được phủ lần lượt bằng một miếng thẻ (giấy dày, cứng hoặc bìa cứng mỏng) với mật độ tối thiểu là 200 g / m2, có kích thước không ít hơn mỗi bề mặt được thử nghiệm, bao phủ tất cả các khe hở.
Các lỗ hở trên các bề mặt khác nhau trên đầu thiết bị (nếu có) được che đồng thời bằng các miếng thẻ riêng biệt.
Các lỗ hở trên đỉnh thiết bị, trên bề mặt nghiêng một góc lớn hơn 30 ° và nhỏ hơn 60 ° so với phương nằm ngang, từ đó vật cản có thể trượt tự do, được loại trừ.
Ở mặt sau và các cạnh của thiết bị, thẻ được gắn vào mép trên và được phép treo tự do.
Ngoại trừ các quy định dưới đây, không có yêu cầu nào đối với việc chặn các lỗ hở ở đáy thiết bị.
Ngoài ra, thiết bị có lỗ thông gió có khả năng được sử dụng trên giá đỡ mềm (như giường, chăn, v.v.), phải tuân thủ một trong những điều sau:
- Các lỗ hở ở đáy, mặt bên và mặt sau của thiết bị phải được che đồng thời. Các bề mặt bên ngoài không được vượt quá giới hạn TS2 trong Bảng 38.
- Một biện pháp bảo vệ hướng dẫn phải được cung cấp theo, ngoại trừ yếu tố 3 là tùy chọn.
Các yếu tố của biện pháp bảo vệ hướng dẫn phải như sau:
● phần tử 1a: không có sẵn
● Phần tử 2: Không che các lỗ thông gió hoặc cụm từ tương đương
● Phần tử 3: Không bắt buộc
● Phần tử 4: Thiết bị này không nhằm mục đích sử dụng trên các giá đỡ mềm (như khăn trải giường, chăn…) hoặc từ ngữ tương đương.
A.3.3. Thử nghiệm phân cực nguồn điện một chiều
Nếu kết nối với nguồn điện một chiều không phân cực và người bình thường có thể tiếp cận kết nối, thì ảnh hưởng có thể có của cực tính phải được tính đến khi thử nghiệm thiết bị được thiết kế cho điện một chiều.
A.3.4. Cài đặt bộ chọn điện áp
Thiết bị được cung cấp điện từ nguồn điện và được cung cấp với thiết bị đặt điện áp do người bình thường hoặc người được hướng dẫn đặt, được thử nghiệm với thiết bị đặt điện áp nguồn tại vị trí bất lợi nhất.
A.3.5. Tải tối đa tại các đầu nối đầu ra
Các đầu nối đầu ra của thiết bị cấp nguồn cho thiết bị khác, ngoại trừ ổ cắm và ổ cắm của thiết bị được kết nối trực tiếp với nguồn điện, được kết nối với trở kháng tải bất lợi nhất, kể cả ngắn mạch.
A.3.6. Điều kiện hoạt động bất thường của bộ khuếch đại âm thanh
Điều kiện hoạt động bất thường đối với bộ khuếch đại âm thanh được quy định trong C.3.
A.3.7. Tiêu chí tuân thủ trong và sau các điều kiện vận hành bất thường
Trong điều kiện hoạt động bất thường không dẫn đến một tình trạng lỗi, tất cả các biện pháp bảo vệ sẽ vẫn có hiệu lực. Sau khi khôi phục các điều kiện hoạt động bình thường, tất cả các biện pháp bảo vệ phải tuân theo các yêu cầu hiện hành.
Nếu một điều kiện hoạt động bất thường dẫn đến lỗi do hậu quả, các tiêu chí tuân thủ của A.4.8 được áp dụng.
A.4. Điều kiện lỗi đơn được mô phỏng
A.4.1. Yêu cầu chung
Khi áp dụng các điều kiện sự cố đơn mô phỏng, các bộ phận, nguồn cung cấp và phương tiện phải được lắp đặt nếu chúng có khả năng ảnh hưởng đến kết quả của thử nghiệm.
Việc đưa ra bất kỳ điều kiện sự cố đơn lẻ nào sẽ được áp dụng lần lượt tại một thời điểm. Các lỗi, là hậu quả trực tiếp của tình trạng lỗi đơn lẻ, được coi là một phần của tình trạng lỗi đơn lẻ đó.
Kết cấu thiết bị, sơ đồ mạch, thông số kỹ thuật của thành phần, bao gồm cả cách điện chức năng được kiểm tra để xác định các điều kiện sự cố đơn lẻ có thể xảy ra một cách hợp lý và:
- Có thể bỏ qua một biện pháp bảo vệ; hoặc là
- Gây ra hoạt động của một biện pháp tự vệ bổ sung; hoặc là
- Nếu không sẽ ảnh hưởng đến sự an toàn của thiết bị.
Các điều kiện sự cố đơn lẻ sau đây sẽ được xem xét:
- Điều kiện hoạt động không bình thường dẫn đến một tình trạng lỗi đơn lẻ (ví dụ, một người bình thường làm quá tải các đầu nối đầu ra bên ngoài, hoặc một người bình thường đặt Thiết bị đóng cắt bộ chọn chuyển mạch không chính xác);
- Lỗi bảo vệ cơ bản hoặc lỗi bảo vệ bổ sung;
- Ngoại trừ bộ hạn chế dòng điện mạch tích hợp tuân theo D.9, hư hỏng linh kiện được mô phỏng bằng cách làm ngắn mạch hai dây dẫn bất kỳ và hở mạch bất kỳ dây dẫn nào của linh kiện tại một thời điểm; và
- Khi A.4.4 yêu cầu, lỗi của cách điện chức năng.
A.4.2. Thiết bị kiểm soát nhiệt độ
Ngoại trừ các biện pháp bảo vệ kiểm soát nhiệt độ, theo D.3.1 đến D.3.4, bất kỳ thiết bị hoặc bộ phận riêng lẻ nào của mạch kiểm soát nhiệt độ trong quá trình đo nhiệt độ sẽ bị hở mạch hoặc ngắn mạch, tùy theo điều kiện nào bất lợi hơn.
Nhiệt độ phải được đo theo A.1.5.
A.4.3. Thử nghiệm động cơ
A.4.3.1. Thử nghiệm động cơ bị chặn
Động cơ bị chặn hoặc rôto bị khóa trong sản phẩm cuối cùng nếu rõ ràng rằng hành động đó sẽ dẫn đến việc tăng nhiệt độ môi trường bên trong của thiết bị (ví dụ, khóa cánh quạt của động cơ quạt để ngăn dòng không khí).
A.4.3.2. Tiêu chí tuân thủ
Sự phù hợp được kiểm tra bằng cách xem xét và đánh giá dữ liệu được cung cấp bởi nhà sản xuất hoặc bằng các thử nghiệm theo D.5.4.
A.4.4. Cách điện chức năng
A.4.4.1. Khe hở đối với cách điện chức năng
Trừ khi khe hở cho vật liệu cách nhiệt chức năng tuân thủ:
- Khe hở đối với Cách điện chính như quy định trong 2.2.4.2; hoặc là
- Đối với mạch ES1 và PS1 được sử dụng trong môi trường nhiễm bẩn mức độ 1 và nhiễm bẩn mức độ 2, khe hở đối với Cách điện chính đối với bảng mạch in như quy định trong IEC 60664-1: 2007, Bảng D.4; hoặc là
- Thử nghiệm cường độ điện của 2.2.4.9.1 đối với Cách điện chính,
- Khoảng hở đối với cách điện chức năng phải được ngắn mạch.
A.4.4.2. Chiều dài đường rò đối với cách điện chức năng
Trừ khi chiều dài đường rò đối với cách điện chức năng tuân thủ:
- Chiều dài đường rò đối với Cách điện chính như quy định trong 2.2.4.3; hoặc là
- Đối với mạch ES1 và PS1 được sử dụng trong môi trường nhiễm bẩn mức độ 1 và nhiễm bẩn mức độ 2, khe hở đối với Cách điện chính đối với bảng dây in như quy định trong IEC 60664-1: 2007, Bảng D.4; hoặc là
- Thử nghiệm cường độ điện của 2.2.4.9.1 đối với Cách điện chính,
Chiều dài đường rò đối với cách điện chức năng phải được ngắn mạch.
A.4.4.3. Cách điện chức năng trên bảng mạch in tráng phủ
Trừ khi lớp cách nhiệt chức năng tuân thủ:
- Khoảng giãn cách tách biệt của Bảng D.13; hoặc là
- Thử nghiệm cường độ điện của 2.2.4.9.1 đối với Cách điện chính,
Cách điện chức năng trên bảng mạch in tráng phủ phải được ngắn mạch.
A.4.5. Ngắn mạch và ngắt điện cực trong ống và chất bán dẫn
Các điện cực trong ống điện tử và dây dẫn của thiết bị bán dẫn phải được đoản mạch, hoặc ngắt mạch. Một dây dẫn tại một thời điểm bị ngắt hoặc hai dây dẫn bất kỳ lần lượt được nối với nhau.
A.4.6. Ngắn mạch hoặc ngắt kết nối của các thành phần thụ động
Điện trở, tụ điện, cuộn dây, loa phóng thanh, VDR và các thành phần thụ động khác phải được ngắn mạch hoặc ngắt kết nối, tùy theo điều kiện nào bất lợi hơn.
Các điều kiện lỗi đơn lẻ này không áp dụng cho:
- Các điện trở nhiệt PTC phù hợp với IEC 60730-1: 2010 2013, Điều 15, 17, J.15 và J.17;
- PTC cung cấp hành động IEC 60730-1 Loại 2.AL;
- Điện trở phù hợp với các thử nghiệm của 2.2.5.6;
- Tụ điện phù hợp với IEC 60384-14 và được đánh giá theo 5.5.2 của tiêu chuẩn này;
- Các bộ phận cách ly (ví dụ, bộ ghép quang và máy biến áp) tuân thủ các yêu cầu về bộ phận liên quan trong Phụ lục D đối với cách điện tăng cường; và
- Các bộ phận cách ly (ví dụ, bộ ghép quang và máy biến áp) tuân thủ các yêu cầu về bộ phận liên quan trong Phụ lục D đối với cách điện tăng cường
A.4.7 Hoạt động liên tục của các bộ phận
Động cơ, cuộn dây rơ le hoặc những thứ tương tự, được thiết kế để vận hành trong thời gian ngắn hoặc hoạt động gián đoạn, được vận hành liên tục nếu điều này có thể xảy ra trong quá trình vận hành thiết bị.
Đối với thiết bị được đánh giá là hoạt động trong thời gian ngắn hoặc hoạt động gián đoạn, thử nghiệm được lặp lại cho đến khi đạt được các điều kiện trạng thái ổn định, bất kể thời gian vận hành. Đối với thử nghiệm này, bộ điều nhiệt, bộ giới hạn nhiệt độ và bộ cắt nhiệt không bị đoản mạch.
Trong các mạch không được nối trực tiếp với nguồn điện và trong các mạch được cung cấp bởi hệ thống phân phối nguồn điện một chiều, các bộ phận cơ điện thường được cấp điện không liên tục, ngoại trừ động cơ, lỗi phải được mô phỏng trong mạch truyền động để gây ra việc đóng điện liên tục cho bộ phận đó.
Thời gian của thử nghiệm sẽ như sau:
- Đối với thiết bị hoặc linh kiện mà người bình thường không thấy rõ lỗi hoạt động, miễn là cần thiết để thiết lập các điều kiện ổn định hoặc đến khi ngắt mạch do các hậu quả khác của tình trạng lỗi mô phỏng, tùy theo điều kiện nào ngắn hơn; và
- Đối với thiết bị và linh kiện khác: 5 phút hoặc đến lúc ngắt mạch do hỏng hóc của linh kiện (ví dụ: cháy điện) hoặc do các hậu quả khác của tình trạng lỗi mô phỏng, tùy theo thời gian nào ngắn hơn.
A.4.8. Tiêu chí tuân thủ trong và sau các điều kiện sự cố đơn lẻ
Trong và sau điều kiện sự cố đơn lẻ, bộ phận có thể tiếp cận được không được vượt quá lớp năng lượng liên quan như quy định trong 2.2.3, 8.3, 9.4, 10.3, 10.4.1, 10.5.1 và 10.6.5 đối với người có liên quan tùy thuộc vào mối nguy liên quan. Trong và sau các điều kiện sự cố đơn lẻ, bất kỳ ngọn lửa nào bên trong thiết bị sẽ tắt trong vòng 10 s và không có bộ phận xung quanh nào được bốc cháy. Bất kỳ phần nào hiển thị ngọn lửa sẽ được coi là PIS.
Sau điều kiện sự cố đơn lẻ có thể ảnh hưởng đến cách điện được sử dụng như một biện pháp bảo vệ, cách điện phải chịu được thử nghiệm độ bền điện của 2.2.4.9.1 đối với cách điện liên quan.
Trong và sau điều kiện sự cố đơn lẻ, việc hở ruột dẫn trên bảng mạch in sẽ không được sử dụng như một biện pháp bảo vệ, ngoại trừ các trường hợp sau, trong trường hợp đó, tình trạng lỗi sẽ được lặp lại 3 lần:
- Các dây dẫn của bảng mạch in bằng vật liệu loại V-1 hoặc vật liệu loại VTM-1 có thể hở trong điều kiện quá tải với điều kiện mạch hở không phải là PIS phóng điện hồ quang. Các dây dẫn trên vật liệu bảng mạch in không có loại vật liệu dễ cháy hoặc được phân loại thấp hơn vật liệu cấp V-1 sẽ không được hở.
- Trong một điều kiện lỗi đơn lẻ, việc bong tróc các ruột dẫn trên bảng mạch in sẽ không dẫn đến việc không thực hiện được bất kỳ biện pháp bảo vệ bổ sung hoặc bảo vệ tăng cường nào.
Phụ lục B
(Quy định)
Máy phát thử nghiệm
B.1. Máy phát xung thử nghiệm
Các mạch này tạo ra các xung thử nghiệm như được tham chiếu trong Bảng B.1. Trong bảng này:
- Xung mạch 1 đặc trưng cho điện áp gây ra trong dây điện thoại và cáp đồng trục trong đường cáp ngoài trời do sét đánh vào tấm chắn nối đất của chúng;
- Xung mạch 2 đặc trưng cho sự gia tăng điện thế đất do sét đánh vào đường dây điện hoặc sự cố đường dây điện; và
- Xung mạch 3 đặc trưng cho điện áp cảm ứng vào hệ thống dây ăng ten do sét đánh xuống đất trong khoảng giãn cách gần.
CHÚ THÍCH: Trong quá trình thử nghiệm, cần cẩn thận với điện tích cao trong tụ điện C1.
Mạch trong Hình B.1, sử dụng các giá trị thành phần trong mạch 1 và 2 của Bảng B.1, được sử dụng để tạo xung, tụ điện C1 được sạc ban đầu đến hiệu điện thế Uc.
Mạch 1 của Bảng B.1 tạo ra xung 10/700 µs để mô phỏng quá độ trong các mạch bên ngoài như được chỉ ra trong Bảng 13, các số ID 1, 2, 3, 4 và 5.
Mạch 2 của Bảng B.1 tạo xung 1,2/50 µs để mô phỏng quá độ trong hệ thống phân phối điện.
Các hình dạng sóng xung trong điều kiện mạch hở và có thể khác nhau trong điều kiện tải.
Trong quá trình thử nghiệm, điện áp đỉnh của xung đặt vào không được nhỏ hơn điện áp thử nghiệm xung đỉnh (ví dụ, xem Bảng 14) và dạng xung về cơ bản phải giữ nguyên như trong điều kiện mạch hở. Các thành phần nối song song với khe hở có thể bị ngắt trong quá trình thử nghiệm này.
Hình B.1 - Mạch tạo xung 1,2/50 µs và 10/700 µs

B.2. Bộ tạo giao diện kiểm tra ăng ten
Mạch trong Hình B.2 sử dụng các giá trị thành phần của mạch 3 trong Bảng B.1, được sử dụng để tạo xung, tụ điện C1 được sạc ban đầu đến hiệu điện thế Uc.
Hình B.2 - Mạch tạo giao diện kiểm tra ăng ten

|
|
Xung thử nghiệm |
Hình |
RS |
C1 |
C2 |
R1 |
R2 |
R3 |
|
Mạch 1 |
10/700 µs |
C.1 |
- |
20 µF |
0,2 µF |
50 Ω |
15 Ω |
25 Ω |
|
Mạch 2 |
1,2/50 µs |
C.1 |
- |
1 µF |
30 nF |
76 Ω |
13 Ω |
25 Ω |
|
Mạch 3 |
- |
C.1 |
15 MΩ |
1 nF |
|
1 kΩ |
|
|
|
Các thiết bị máy phát khác nhau có thể được sử dụng để đưa ra kết quả tương đương Lưu ý Mạch 1 và mạch 2 dựa trên ITU-T K.44. |
||||||||
Phụ lục C
(Quy định)
Điều kiện thử nghiệm đối với thiết bị có chứa bộ khuếch đại âm thanh
C.1. Phân loại nguồn năng lượng điện cho tín hiệu âm thanh
Khi phân loại tín hiệu âm thanh như một nguồn năng lượng điện (xem Bảng C.1), thiết bị phải được vận hành để cung cấp công suất đầu ra không bị cắt lớn nhất vào tải danh định của nó. Tải được loại bỏ và loại nguồn năng lượng điện được xác định từ kết quả là điện áp đầu ra hở mạch.
Thành phần điều khiển âm điệu phải được đặt ở dải trung.
C.2. Bộ khuếch đại âm thanh điều kiện hoạt động bình thường
Thiết bị có bộ khuếch đại âm thanh phải được vận hành bằng tín hiệu âm thanh sóng sin ở tần số 1 000 Hz. Trong trường hợp bộ khuếch đại không hoạt động ở tần số 1_000 Hz, tần số đáp ứng đỉnh phải được sử dụng.
Thiết bị phải được vận hành theo cách để cung cấp 1/8 công suất đầu ra không cắt đến tải với trở kháng danh định. Ngoài ra, một tín hiệu nhiễu màu giới hạn băng tần có thể được sử dụng cho hoạt động sau khi công suất đầu ra không bị cắt được thiết lập bằng cách sử dụng sóng hình sin. Nhiễu băng thông của tín hiệu thử nghiệm tạp âm màu phải được giới hạn bởi bộ lọc.
Nếu không thể thiết lập được phần cắt có thể nhìn thấy, thì công suất đạt được tối đa phải được xem xét là công suất đầu ra không bị cắt.
Ngoài ra, tất cả các điều kiện sau đây sẽ được coi là hoạt động bình thường các điều kiện:
- Trở kháng tải danh định trong điều kiện bất lợi nhất hoặc loa, khi được cung cấp, được kết nối với đầu ra bộ khuếch đại.
- Tất cả các kênh bộ khuếch đại được vận hành đồng thời.
- Nhạc cụ và thiết bị tương tự có bộ tạo âm sẽ không được vận hành với tín hiệu 1_000 Hz, nhưng thay vào đó được vận hành với bất kỳ sự kết hợp nào của hai bàn đạp âm trầm, nếu có, và mười phím thủ công. Tất cả các chức năng có thể làm tăng công suất đầu ra của nguồn phải được kích hoạt và thiết bị phải được điều chỉnh để cung cấp 1/8 công suất đầu ra tối đa có thể đạt được.
- Trường hợp chức năng khuếch đại dự định phụ thuộc vào độ lệch pha giữa hai kênh, phải có sự lệch pha 90 ° giữa các tín hiệu được áp dụng cho hai kênh.
- Đối với thiết bị có bộ khuếch đại đa kênh, trong đó một số kênh không thể hoạt động độc lập, các kênh đó phải được làm việc bằng cách sử dụng tải danh định với trở kháng ở mức công suất đầu ra tương ứng với 1/8 của công suất đầu ra không bị cắt của (các) kênh bộ khuếch đại điều chỉnh.
- Trong trường hợp không thể hoạt động liên tục, bộ khuếch đại phải được vận hành ở mức công suất đầu ra tối đa cho phép hoạt động liên tục.
Các phép đo nhiệt độ phải được thực hiện với thiết bị được bố trí trong môi trường với hướng dẫn sử dụng do nhà sản xuất cung cấp, hoặc trong trường hợp không có hướng dẫn, thiết bị phải được bố trí cách 5 cm so với mép trước mặt mở của hộp thử nghiệm bằng gỗ, cách 1 cm dọc theo các cạnh bên và trên cùng và chiều sâu 5 cm phía sau thiết bị.
C.3. Bộ khuếch đại âm thanh điều kiện hoạt động bất thường
Các điều kiện làm việc bất thường phải được mô phỏng bằng cách điều chỉnh các bộ điều khiển để công suất đầu ra bất lợi nhất từ 0 đến công suất đầu ra đạt được lớn nhất khi kết nối với tải có trở kháng danh định bất lợi nhất. Ngắn mạch của các thiết bị đầu cuối đầu ra cũng được coi là một điều kiện hoạt động bất thường.
Phụ lục D
(Quy định)
Các thành phần
D.1. Thiết bị đóng cắt
D.1.1. Tổng quan
Các yêu cầu đối với các Thiết bị đóng cắt trong các mạch nguồn điện lớp 3 (PS3) được quy định dưới đây.
Các Thiết bị đóng cắt được thử nghiệm tách biệt hoặc đặt bên trong thiết bị.
D.1.2. Các yêu cầu
Thiết bị đóng cắt được sử dụng làm thiết bị ngắt kết nối phải tuân theo các yêu cầu trong Phụ lục K.
Thiết bị đóng cắt không được lắp vào dây nguồn điện.
Một Thiết bị đóng cắt phải tuân thủ tất cả những điều sau đây:
- Tuân thủ các yêu cầu của IEC 61058-1:2016, theo đó những điều sau đây được áp dụng:
● 10 000 chu kỳ hoạt động (xem 7.1.4.4 của IEC 61058-1: 2016)
● Thiết bị đóng cắt phải phù hợp để sử dụng trong môi trường mức độ nhiễm bẩn mà nó được sử dụng, thường là môi trường nhiễm điện mức độ 2 (xem 7.1.6.2 của IEC 61058-1:2016);
● Thiết bị đóng cắt có nhiệt độ dây nóng đỏ là 850°C (xem 7.1.9.3 của IEC 61058-1: 2016);
● Đối với Thiết bị đóng cắt nguồn điện được sử dụng trong TV CRT, tốc độ tạo và ngắt tiếp điểm phải độc lập với tốc độ kích hoạt.
CHÚ THÍCH: Điều này là do có dòng đột biến cao do cuộn dây khử khí.
● Các đặc tính của Thiết bị đóng cắt liên quan đến đặc trưng và phân loại (xem IEC 61058-1) phải phù hợp với chức năng của Thiết bị đóng cắt trong điều kiện hoạt động bình thường như cho dưới đây:
- Đặc trưng của Thiết bị đóng cắt (xem Điều 6 của IEC 61058-1:2016);
- Phân loại Thiết bị đóng cắt theo:
● Đặc tính của nguồn cung cấp (xem 7.1.1 của IEC 61058-1: 2016);
● Loại tải được điều khiển bởi Thiết bị đóng cắt (xem 7.1.2 của IEC 61058-1: 2016);
● Nhiệt độ không khí xung quanh (xem 7.1.3 của IEC 61058-1: 2016).
Kiểm tra sự phù hợp theo IEC 61058-1: 2016.
- Thiết bị đóng cắt phải được cấu tạo sao cho nó không bị nhiệt độ quá cao trong điều kiện làm việc bình thường;
- Kiểm tra sự phù hợp ở vị trí đóng mạch theo 16.2.2 d), l) và m) của IEC 61058-1: 2008, ngoại trừ dòng điện là tổng của dòng điện thiết bị và dòng điện tối đa cung cấp cho thiết bị khác, nếu có.
- Thiết bị đóng cắt nguồn điện điều khiển các đầu nối cung cấp điện cho thiết bị khác phải chịu được thử nghiệm độ bền điện theo 17.2 của IEC 61058-1:2016, với một phụ tải theo Hình 9 của IEC 61058-1:2016. Tổng dòng điện định mức của phụ tải phải tương ứng với ghi nhãn của các đầu nối cung cấp điện cho thiết bị khác. Dòng điện đột biến đỉnh của phụ tải phải có giá trị như trong Bảng D.1.
Bảng D.1 - Dòng điện đột biến đỉnh
|
Dòng điện định mức A |
Đòng điện đột biến đỉnh A |
|
Lên đến và bằng 0,5 |
20 |
|
Lên đến và bằng 1,0 |
50 |
|
Lên đến và bằng 2,5 |
100 |
|
Lớn hơn 2,5 |
150 |
D.1.3. Phương pháp thử nghiệm và tiêu chí tuân thủ
Các thử nghiệm của IEC 61058-1: 2016 phải được áp dụng với các sửa đổi nêu trong G.1.2.
Sau các thử nghiệm, Thiết bị đóng cắt phải không có biểu hiện hư hỏng của vỏ bọc và không bị lỏng các mối nối điện hoặc cố định cơ học.
D.2. Rơ le
D.2.1. Các yêu cầu
Các yêu cầu đối với rơ le đặt trong mạch nguồn điện lớp 3(PS3) được quy định dưới đây.
Một rơ le có thể được thử nghiệm riêng biệt hoặc trong thiết bị.
Đối với khả năng chống nhiệt và chống cháy, xem Điều 16 trong IEC 61810-1: 2015.
Rơ le phải phù hợp với các yêu cầu của IEC 61810-1:2015, có tính đến các yếu tố sau:
- Vật liệu phải phù hợp với 2.3.4.5.2 hoặc vượt qua thử nghiệm dây nóng đỏ ở 750°C hoặc thử nghiệm ngọn lửa kim;
- 10 000 chu kỳ hoạt động đối với độ bền (xem 5.5 của IEC 61810-1: 2015) và trong quá trình thử nghiệm độ bền điện (xem Điều 11 của IEC 61810-1: 2015), không được xảy ra sự cố tạm thời;
CHÚ THÍCH: Sự cố tạm thời là sự kiện phải được loại bỏ trong quá trình thử nghiệm, chậm nhất là sau một chu kỳ cấp điện bổ sung mà không có bất kỳ ảnh hưởng nào từ bên ngoài (xem Điều 11 của IEC 61810-1:2015).
- Rơ le phải phù hợp để sử dụng trong tình huống nhiễm điện có thể áp dụng (xem Điều 13 của IEC 61810-1: 2015);
- Các đặc tính của rơ le liên quan đến đặc trưng và phân loại (xem IEC 61810-1), phải phù hợp với chức năng của rơ le trong điều kiện làm việc bình thường như cho dưới đây:
● Điện áp cuộn dây danh định và dải điện áp cuộn dây danh định (xem 5.1 của IEC 61810-1:2015);
● Tải tiếp xúc danh định và loại tải (xem 5.7 của IEC 61810-1:2015);
● Điện áp phóng (xem 5.3 của IEC 61810-1:2015);
● Nhiệt độ không khí xung quanh và giới hạn trên và dưới của nhiệt độ (xem 5.8 của IEC 61810-1:2015);
● Chỉ loại công nghệ rơ le RT IV và RT V mới được coi là đáp ứng môi trường nhiễm điện mức độ 1, ví dụ, rơ le đáp ứng 5.4.1.5.2 của tiêu chuẩn này (xem 5.9 của IEC 61810-1:2015);
- Độ bền điện (xem 10.3 của IEC 61810-1:2015), ngoại trừ điện áp thử nghiệm phải là điện áp thử nghiệm yêu cầu quy định trong 2.2.4.9.1 của tiêu chuẩn này;
- Nếu điện áp chịu thử được yêu cầu (được gọi là điện áp chịu thử xung trong IEC 61810-1) vượt quá 12 kV thì khe hở phải tuân theo Bảng 14 của tiêu chuẩn này;
- Nếu điện áp làm việc RMS (được gọi là điện áp RMS trong IEC 61810-1) vượt quá 500 V, chiều dài đường rò phải tuân theo Bảng 17 của tiêu chuẩn này;
- Cách điện rắn phù hợp với 13.3 của IEC 61810-1: 2015 hoặc với 2.24.4 của tài liệu này.
Kiểm tra sự phù hợp theo IEC 61810-1 và các yêu cầu của tài liệu này.
D.2.2. Thử nghiệm quá tải
Rơ le phải chịu được thử nghiệm sau.
Tiếp điểm của rơ le phải chịu thử nghiệm quá tải bao gồm 50 chu kỳ hoạt động với tốc độ từ 6 đến 10 chu kỳ mỗi phút, tạo ra và ngắt 150% dòng điện đặt trong ứng dụng, ngoại trừ trường hợp tiếp điểm chuyển mạch một tải động cơ, thử nghiệm được tiến hành với rotor của động cơ trong tình trạng khóa. Sau thử nghiệm, rơle vẫn hoạt động.
D.2.3. Các đầu nối điều khiển rơ le cung cấp điện cho thiết bị khác
Các đầu nối điều khiển rơle nguồn điện cung cấp nguồn cho thiết bị khác phải chịu được thử nghiệm độ bền tại Điều 11 của IEC 61810-1:2015, với phụ tải bằng tổng tải được đánh dấu của các đầu nối cung cấp nguồn cho thiết bị khác.
D.2.4. Phương pháp thử nghiêm và tiêu chí tuân thủ
Đối với rơ le nguồn, phải áp dụng các thử nghiệm của IEC 61810-1 và quy chuẩn này với các sửa đổi nêu trong D.2 của quy chuẩn này.
Sau các thử nghiệm, rơ le không được có biểu hiện hư hỏng vỏ bọc của nó, không bị giảm khe hở và chiều dài đường rò cũng như không bị lỏng các mối nối điện hoặc cố định cơ học.
D.3. Các thiết bị bảo vệ
D.3.1 Cầu chì nhiệt
D.3.1.1. Các yêu cầu
Một cầu chì nhiệt được sử dụng như một biện pháp bảo vệ phải phù hợp với các yêu cầu a) và b), hoặc c).
a) Cầu chì nhiệt, khi được thử nghiệm như một thành phần riêng biệt, phải phù hợp với các yêu cầu và thử nghiệm của họ tiêu chuẩn IEC 60730 ở mức có thể áp dụng được:
- Cầu chì nhiệt phải là tác động loại 2 (xem 6.4.2 của IEC 60730-1:2013);
- Cầu chì nhiệt ít nhất phải có khoảng mở rất nhỏ, loại 2B (xem 6.4.3.2 và 6.9.2 của IEC 60730-1:2013);
- Cầu chì nhiệt phải có cơ cấu ngắt nối trong đó các tiếp điểm không thể ngăn được mở khi tiếp tục xảy ra sự cố, loại 2E (xem 6.4.3.5 của IEC 60730-1:2013);
- Số chu kỳ tác động tự động ít nhất phải là:
● 3 000 chu kỳ đối với một cầu chì nhiệt có reset tự động được sử dụng trong các mạch không bị ngắt khi thiết bị được tắt (xem 6.11.8 của IEC 60730-1:2013)
● 300 chu kỳ đối với cầu chì nhiệt có reset tự động được sử dụng trong các mạch được ngắt cùng với thiết bị và đối với cầu chì nhiệt không có reset tự động có thể được reset bằng tay từ bên ngoài thiết bị (xem 6.11.10 của IEC 60730-1:2013)
● 30 chu kỳ đối với cầu chì nhiệt không có reset tự động và không thể reset bằng tay từ bên ngoài thiết bị (xem 6.11.11 của IEC 60730-1: 2013);
- Cầu chì nhiệt phải được thử nghiệm như được thiết kế trong thời gian dài của ứng suất điện trên các bộ phận cách điện (xem 6.14.2 của IEC 60730-1:2013);
- Cầu chì nhiệt phải đáp ứng các yêu cầu xử lý cho mục đích sử dụng dự kiến ít nhất là 10 000 giờ (xem 6.16.3 của IEC 60730-1:2013);
- Khe hở tiếp xúc và khoảng giãn cách giữa các đầu cuối và dây dẫn đấu nối của tiếp điểm phải phù hợp với 13.1.4 và 13.2 của IEC 60730-1:2013.
b) Các đặc tính của cầu chì nhiệt liên quan đến:
- Đặc trưng của cầu chì nhiệt (xem Điều 5 của IEC 60730-1:2013);
- Sự phân loại của cầu chì nhiệt theo:
● Đặc tính của nguồn cung cấp (xem 6.1 của IEC 60730-1:2013)
● Loại tải được điều khiển (xem 6.2 của IEC 60730-1:2013)
● Mức độ bảo vệ do vỏ bọc cung cấp chống lại sự xâm nhập của vật rắn và bụi (xem 6.5.1 của IEC 60730-1:2013),
● Mức độ bảo vệ được cung cấp bởi vỏ ngoài chống lại sự xâm nhập có hại của nước (xem 6.5.2 của IEC 60730-1:2013),
● Tình trạng nhiễm điện mà cầu chì nhiệt phù hợp (xem 6.5.3 của IEC 60730-1:2013),
● Giới hạn nhiệt độ môi trường xung quanh tối đa (xem 6.7 của IEC 60730-1: 2013) phải phù hợp với ứng dụng trong thiết bị.
c) Cầu chì nhiệt khi được thử nghiệm như một bộ phận của thiết bị cần phải:
- Tối thiểu phải có khoảng mở rất nhỏ theo IEC 60730-1 chịu được điện áp thử nghiệm theo 13.2 của IEC 60730-1:2013; và
- Có cơ cấu ngắt nối trong đó các tiếp điểm không thể ngăn được mở khi tiếp tục xảy ra sự cố; và
- Được điều hòa trong 300 giờ khi thiết bị được làm việc trong điều kiện hoạt động bình thường ở nhiệt độ môi trường xung quanh là 30°C hoặc ở nhiệt độ môi trường tối đa do nhà sản xuất quy định, chọn giá trị nào cao hơn; và
- Phải chịu một số chu kỳ tác động tự động như quy định trong a) đối với cầu chì nhiệt được thử nghiệm như một bộ phận riêng biệt, bằng cách ước tính các điều kiện sự cố liên quan.
D.3.1.2. Phương pháp thử nghiệm và tiêu chí tuân thủ
Cầu chì nhiệt được kiểm tra theo các thông số kỹ thuật thử nghiệm của họ tiêu chuẩn IEC 60730 bằng cách xem xét và bằng phép đo. Thử nghiệm được thực hiện trên ba mẫu vật.
Trong quá trình thử nghiệm, không được xảy ra phóng điện liên tục. Sau thử nghiệm, cầu chì nhiệt không được nới lỏng các mối nối điện hoặc các cố định cơ khí.
D.3.2. Các cầu nối nhiệt
D.3.2.1. Các yêu cầu
Cầu nối nhiệt được sử dụng như một biện pháp bảo vệ phải đáp ứng yêu cầu a) hoặc b) dưới đây:
a) Cầu nối nhiệt khi được thử nghiệm như một thành phần riêng biệt, phải phù hợp với các yêu cầu của IEC 60691.
Các đặc tính của cầu nối nhiệt liên quan đến:
- Điều kiện môi trường xung quanh (xem Điều 5 của IEC 60691:2015);
- Các điều kiện điện (xem 6.1 của IEC 60691:2015);
- Điều kiện nhiệt (xem 6.2 của IEC 60691:2015);
- Thông số đặc trưng của cầu nối nhiệt (xem Điều 8 b) của IEC 60691:2015); và
- Sự phù hợp để gắn kín hoặc sử dụng với chất lỏng ngâm tẩm hoặc dung môi làm sạch (xem Điều 8 c) của IEC 60691:2015), phải thích hợp cho ứng dụng trong thiết bị dưới điều kiện hoạt động bình thường và dưới điều kiện sự cố đơn.
Độ bền điện của liên kết nhiệt phải đáp ứng các yêu cầu trong 2.2.4.9.1 của tiêu chuẩn này ngoại trừ qua phần ngắt kết nối (các bộ phận tiếp xúc) và ngoại trừ giữa các đầu cuối và dây dẫn kết nối của các tiếp điểm, áp dụng 10.3 của IEC 60691: 2015.
b) Cầu nối nhiệt khi được thử nghiệm như một bộ phận của thiết bị phải:
- Được giữ trong 300 giờ ở nhiệt độ tương ứng với nhiệt độ môi trường của cầu nối nhiệt khi thiết bị làm việc trong điều kiện hoạt động bình thường ở nhiệt độ môi trường xung quanh là 30°C hoặc ở nhiệt độ môi trường tối đa được quy định bởinhà sản xuất, tùy theo giá trị nào cao hơn; và
- Chịu các điều kiện sự cố đơn của thiết bị cái mà khiến cầu nối nhiệt hoạt động. Trong quá trình thử nghiệm, không được xảy ra phóng điện liên tục; và
- Có khả năng chịu được hai lần điện áp khi ngắt kết nối và có điện trở cách điện ít nhất là 0,2 MΩ, khi đo ở hiệu điện thế bằng hai lần điện áp khi ngắt kết nối.
D.3.2.2. Phương pháp thử nghiệm và tiêu chí tuân thủ
Nếu cầu nối nhiệt được thử nghiệm như một thành phần riêng biệt theo D.3.2.1 a) ở trên, thì việc kiểm tra sự phù hợp theo các thông số kỹ thuật thử nghiệm của IEC 60691, bằng cách xem xét và đo lường.
Nếu cầu nối nhiệt được thử nghiệm như một bộ phận của thiết bị theo D.3.2.1 b) ở trên, thì kiểm tra sự phù hợp bằng cách xem xét và bằng các thử nghiệm quy định theo thứ tự đã cho. Thử nghiệm được thực hiện ba lần. Cầu nối nhiệt được thay thế một phần hoặc toàn bộ sau mỗi thử nghiệm.
Khi cầu nối nhiệt không thể được thay thế một phần hoặc hoàn toàn, thì thành phần bộ phận hoàn chỉnh bao gồm cầu nối nhiệt (ví dụ, máy biến áp) phải được thay thế.
Không được phép lỗi trong thử nghiệm.
D.3.3. Điện trở nhiệt PTC
Các điện trở nhiệt PTC được sử dụng làm biện pháp bảo vệ phải tuân theo các Điều 15, 17, J.15 và J.17 của IEC 60730-1:2013.
- Có tiêu thụcông suấtliên tục xuất hiện ở điện áp lớn nhất của nó tại nhiệt độ môi trường 25°C hoặc quy định khác do nhà sản xuất quy định đối với trạng thái ngắt, được xác định như nêu trong 3.38 của IEC 60738-1:2006, vượt quá 15 W; và
- Có kích thước từ 1750 mm3 trở lên; và
- Nằm trong mạch PS2 hoặc PS3, vỏ bọc hoặc ống phải được làm bằng vật liệu loại V-1 hoặc vật liệu tương đương;
CHÚ THÍCH: Trạng thái ngắt có nghĩa là trạng thái trong đó điện trở nhiệt PTC được chuyển sang điều kiện điện trở cao ở một nhiệt độ nhất định.
Kiểm tra sự phù hợp bằng cách xem xét.
D.3.4. Các thiết bị bảo vệ quá dòng
Ngoại trừ các thiết bị được đề cập trong D.3.5, các thiết bị bảo vệ quá dòng được sử dụng như một biện pháp bảo vệ phải tuân theo các tiêu chuẩn IEC hiện hành phù hợp với 2.1.1.2. Mỗi thiết bị bảo vệ sẽ phải có đủ khả năng ngắt (đứt) để ngắt dòng điện sự cố lớn nhất (bao gồm cả dòng điện ngắn mạch) có thể chạy qua.
Kiểm tra sự phù hợp bằng cách xem xét.
D.3.5. Các thành phần bảo vệ không được đề cập trong D.3.1 đến D.3.4
D.3.5.1. Các yêu cầu
Các thiết bị bảo vệ như vậy (ví dụ, điện trở gây chảy, dây chảy không được tiêu chuẩn hóa trong họ tiêu chuẩn IEC 60127, IEC 60269 hoặc bộ ngắt mạch loại nhỏ) phải có đặc tính thích hợp bao gồm cả khả năng đánh thủng.
Đối với các thiết bị bảo vệ không thể reset, chẳng hạn như liên kết cầu chì, phải có nhãn phù hợp với F.3.5.3.
D.3.5.2. Phương pháp thử nghiệm và tiêu chí tuân thủ
Kiểm tra sự phù hợp bằng cách xem xét và bằng cách thực hiện thử nghiệm điều kiện sự cố đơn như quy định trong A.4.
Thử nghiệm được thực hiện ba lần. Không được phép thất bại.
D.4. Các đầu nối
D.4.1. Các yêu cầu về khe hở và chiều dài đường rò
Khe hở và chiều dài đường rò giữa bề mặt cách điện bên ngoài của đầu nối (bao gồm cả lỗ hở trong vỏ bọc) và các bộ phận dẫn điện được nối với ES2 bên trong đầu nối (hoặc trong vỏ bọc) phải tuân theo các yêu cầu về Cách điện chính.
Khe hở và chiều dài đường rò giữa bề mặt cách điện bên ngoài của đầu nối (bao gồm cả lỗ hở trong vỏ bọc) và các bộ phận dẫn điện được nối với ES3 bên trong đầu nối (hoặc trong vỏ bọc) phải tuân theo các yêu cầu về cách điện phụ. Ngoại lệ, khe hở và chiều dài đường rò có thể tuân theo các yêu cầu đối với cách điện chính nếu đầu nối là:
- Cố định vào thiết bị; và
- Nằm bên trong vỏ bọc điện bên ngoài của thiết bị; và
- Chỉ có thể mở ra sau khi loại bỏ cụm lắp ráp phụ. Cái mà:
● Bắt buộc phải có trong điều kiện hoạt động bình thường, và
● Được cung cấp một biện pháp bảo vệ có hướng dẫn để thay thế cụm lắp ráp phụ đã tháo rời.
Các thử nghiệm của 2.2.3.2 áp dụng cho các đầu nối như vậy sau khi tháo lắp ráp phụ.
D.4.2. Đầu nối điện lưới
Các đầu nối nguồn điện lưới được liệt kê trong IEC TR 60083 và tuân theo IEC 60884-1 hoặc tuân theo một trong các tiêu chuẩn sau: họ tiêu chuẩn IEC 60309, họ tiêu chuẩn IEC 60320, IEC 60906-1 hoặc IEC 60906-2. Chúng được coi là chấp nhận được mà không cần thêm đánh giá khi được sử dụng trong phạm vi hoạt động của chúng cho mục đích kết nối nguồn điện lưới.
D.4.3. Các đầu nối khác đầu nối điện lưới
Các đầu nối không phải để kết nối nguồn điện lưới phải được thiết kế sao cho phích cắm có hình dạng sao cho việc cắm vào ổ cắm điện hoặc bộ ghép nối của thiết bị khó có thể xảy ra.
Các đầu nối đáp ứng yêu cầu này là những đầu nối được kết cấu như mô tả trong IEC 60130-2, IEC 60130-9, IEC 60169-3 hoặc IEC 60906-3. Ví dụ về đầu nối không đáp ứng các yêu cầu của điều phụ này là những phích cắm được gọi là "chuối". Các phích cắm chuẩn âm thanh 3,5 mm được coi là không thể cắm được vào ổ cắm điện lưới.
Kiểm tra sự phù hợp bằng cách xem xét.
D.5. Các bộ phận quấn dây
D.5.1. Cách điện dây trong các bộ phận quấn dây
D.5.1.1. Tổng quan
Mục này áp dụng cho các bộ phận quấn dây bao gồm cách điện chính, cách điện phụ hoặc cách điện tăng cường.
D.5.1.2. Bảo vệ chống lại ứng suất cơ học
Trường hợp hai dây quấn, hoặc một dây quấn và một dây khác, tiếp xúc bên trong bộ phận quấn, chéo nhau một góc từ 45° đến 90°, áp dụng một trong các điều sau:
- Bảo vệ chống lại ứng suất cơ học phải được cung cấp. Ví dụ, sự bảo vệ này có thể đạt được bằng cách tạo ra sự phân tách vật lý dưới dạng vật liệu bọc hoặc tấm cách điện, hoặc bằng cách sử dụng gấp đôi số lớp cách điện cần thiết trên dây quấn; hoặc là
- Bộ phận quấn dây vượt qua các thử nghiệm độ bền của G.5.2.
Ngoài ra, nếu kết cấu trên cung cấp được cách điện chính, cách điện phụ hoặc cách điện tăng cường, thì bộ phận quấn hoàn chỉnh phải vượt qua thử nghiệm thường xuyên về độ bền điện theo 2.2.4.9.2.
D.5.1.3. Phương pháp thử nghiệm và tiêu chí tuân thủ
Kiểm tra sự phù hợp theo 2.2.4.4.1 và D.5.2 khi có yêu cầu. Nếu các thử nghiệm của Phụ lục J là bắt buộc, thì chúng không phải lặp lại nếu các dữ liệu vật liệu xác nhận sự phù hợp.
D.5.2. Thử nghiệm độ bền
D.5.2.1. Các yêu cầu chung của thử nghiệm
Trong trường hợp được yêu cầu bởi D.5.1.2, ba mẫu của bộ phận quấn phải chịu 10 chu kỳ thử nghiệm như sau:
- Các mẫu phải chịu thử nghiệm chạy nhiệt của D.5.2.2. Sau khi thử, các mẫu được để nguội đến nhiệt độ môi trường.
- Sau đó, các mẫu phải chịu thử nghiệm rung của D.15.2.4.
- Sau đó các mẫu được điều hòa độ ẩm trong 2.2.4.8 trong hai ngày.
Các thử nghiệm được mô tả dưới đây được thực hiện trước khi bắt đầu 10 chu kỳ và sau mỗi chu kỳ.
Thử nghiệm độ bền điện của 2.2.4.9.1 được thực hiện.
Sau thử nghiệm độ bền điện, thử nghiệm của D.4.3 được thực hiện trên các bộ phận quấn được cung cấp từ nguồn điện, ngoại trừ nguồn điện ở chế độ đóng cắt.
D.5.2.2. Thử nghiệm chạy nhiệt
Tùy thuộc vào phân loại nhiệt của vật liệu cách điện, các mẫu thử được giữ trong tủ gia nhiệt với tổ hợp tương ứng của thời gian và nhiệt độ như quy định trong Bảng D.2. 10 chu kỳ được thực hiện với cùng một tổ hợp.
Nhiệt độ trong tủ gia nhiệt phải được duy trì trong khoảng sai số ±5°C.
|
Phân loại nhiệt |
Classs 105 (A) |
Classs 120 (E) |
Classs 130 (B) |
Classs 155 (F) |
Classs 180 (H) |
Classs 200 (N) |
Classs 220 (R) |
Classs 250 |
|
Nhiệt độ thử nghiệm °C |
Khoảng thời gian thử nghiệm đối với thử nghiệm của G.5.2 |
|||||||
|
290 |
|
|
|
|
|
|
|
4 ngày |
|
280 |
|
|
|
|
|
|
|
7 ngày |
|
270 |
|
|
|
|
|
|
|
14 ngày |
|
260 |
|
|
|
|
|
|
4 ngày |
|
|
250 |
|
|
|
|
|
|
7 ngày |
|
|
240 |
|
|
|
|
|
4 ngày |
14 ngày |
|
|
230 |
|
|
|
|
|
7 ngày |
|
|
|
220 |
|
|
|
|
4 ngày |
14 ngày |
|
|
|
210 |
|
|
|
|
7 ngày |
|
|
|
|
200 |
|
|
|
|
14 ngày |
|
|
|
|
190 |
|
|
|
4 ngày |
|
|
|
|
|
180 |
|
|
|
7 ngày |
|
|
|
|
|
170 |
|
|
|
14 ngày |
|
|
|
|
|
160 |
|
|
4 ngày |
|
|
|
|
|
|
150 |
|
4 ngày |
7 ngày |
|
|
|
|
|
|
140 |
|
7 ngày |
|
|
|
|
|
|
|
130 |
4 ngày |
|
|
|
|
|
|
|
|
120 |
7 ngày |
|
|
|
|
|
|
|
|
Các Class có liên quan đến việc phân loại vật liệu cách điện và EIS phù hợp với IEC 60085. Các ký hiệu chữ cái được chỉ định được ghi trong ngoặc đơn. Nhà chế tạo phải quy định thời gian thử nghiệm hoặc nhiệt độ thử nghiệm. |
||||||||
D.5.2.3. Các bộ phận quấn dây được cấp điện từ nguồn lưới
Một mạch đầu vào được nối với điện áp bằng điện áp thử nghiệm tối thiểu bằng 1,2 lần điện áp danh định, ở tần số gấp đôi tần số danh định trong 5 phút. Máy biến áp không được nối tải. Trong quá trình thử nghiệm, nhiều cuộn dây, nếu có, được mắc nối tiếp.
Có thể sử dụng tần số thử nghiệm cao hơn; Khoảng thời gian của chu kỳ kết nối, tính bằng phút, sau đó lấy bằng 10 lần tần số danh định chia cho tần số thử nghiệm, nhưng không nhỏ hơn 2 phút.
Điện áp thử nghiệm ban đầu được đặt ở điện áp danh định và tăng dần đến 1,2 lần giá trị ban đầu, sau đó được duy trì trong thời gian quy định. Nếu trong quá trình thử nghiệm có dòng điện thay đổi phi tuyến tính theo cách không kiểm soát được thì nó được coi là đánh thủng giữa các vòng dây của cuộn dây.
D.5.2.4. Tuân thủ tiêu chuẩn
Đối với các bộ phận quấn được cấp điện từ nguồn lưới, không được đánh thủng cách điện giữa các vòng của cuộn dây, giữa các cuộn dây đầu vào và đầu ra, giữa các cuộn dây đầu vào liền kề và giữa các cuộn dây đầu ra liền kề, hoặc giữa các cuộn dây với bất kỳ lõi dẫn điện nào.
D.5.3. Máy biến áp
D.5.3.1. Tổng quan
Máy biến áp phải tuân thủ một trong các điều sau:
- Đáp ứng các yêu cầu nêu trong D.5.3.2 và D.5.3.3;
- IEC 61204-7 đối với máy biến áp được sử dụng trong nguồn điện hạ áp;
- Đáp ứng các yêu cầu của IEC 61558-1 và các phần liên quan của IEC 61558-2 với các bổ sung và hạn chế sau:
● các giá trị giới hạn cho ES1 của tài liệu này;
● Đối với điện áp làm việc trên 1 000 V RMS, xem 18.3 của IEC 61558-1: 2017, sử dụng điện áp thử nghiệm quy định trong 2.2.4.9.1;
● Thử nghiệm quá tải theo D.5.3.3; và
● IEC 61558-2-16 đối với máy biến áp được sử dụng trong nguồn điện ở chế độ chuyển mạch;
- Đáp ứng các yêu cầu nêu trong D.5.3.4 đối với máy biến áp sử dụng FIW
Ví dụ các phần liên quan của IEC 61558-2 là:
- IEC 61558-2-1: Máy biến áp phân tách;
- IEC 61558-2-4: Máy biến áp cách ly;
- IEC 61558-2-6: Máy biến áp cách ly an toàn.
D.5.3.2. Cách điện
D.5.3.2.1. Các yêu cầu
Cách điện trong máy biến áp phải tuân theo các yêu cầu sau.
Các cuộn dây và phần dẫn điện của máy biến áp phải được coi như các phần của mạch mà chúng nối vào, nếu có. Cách điện giữa chúng phải phù hợp với các yêu cầu tương ứng của Điều 5 và vượt qua các thử nghiệm độ bền điện tương ứng, tùy theo ứng dụng của cách điện trong thiết bị.
Phải thực hiện các biện pháp dự phòng để ngăn ngừa khe hở không khí và chiều dài đường rò giảm xuống dưới các giá trị tối thiểu được yêu cầu để tạo ra cách điện chính, cách điện phụ hoặc cách điện tăng cường, bằng cách:
- Xê dịch các cuộn dây, hoặc các vòng dây của chúng;
- Xê dịch của hệ thống đi dây bên trong hoặc của dây dẫn dùng cho đấu nối bên ngoài;
- Xê dịch quá mức của các phần cuộn dây hoặc của hệ thống đi dây bên trong, khi có các dây nằm gần kề với các mối nối hoặc có sự nới lỏng mối nối;
- Bắc cầu qua cách điện bởi dây dẫn, vít, vòng đệm hoặc các chi tiết tương tự khi bị nới lỏng hoặc rời ra
Giả thiết rằng hai cơ cấu cố định độc lập không bị nới lỏng ở cùng một thời điểm. Tất cả các cuộn dây phải có các vòng cuối được giữ bằng phương tiện chắc chắn.
Ví dụ về các dạng kết cấu chấp nhận được như sau (có các dạng kết cấu chấp nhận được khác):
- Các cuộn dây cách ly với nhau bằng cách đặt chúng trên các mép riêng biệt của lõi.
- Cuộn dây trên một ống đơn có vách ngăn, trong đó ống và vách ngăn được ép hoặc đúc thành một khối, hoặc vách ngăn loại đẩy vào có vỏ bọc trung gian hoặc lớp phủ trên mối nối giữa ống và vách ngăn;
- Cuộn dây đồng trục trên ống vật liệu cách điện không có gờ, hoặc trên cách điện làm từ các tấm mỏng đặt lên lõi máy biến áp;
- Cách điện được cung cấp giữa các cuộn dây bao gồm cách điện dạng tấm kéo dài ra ngoài các vòng cuối của mỗi lớp;
- Các cuộn dây đồng trục, được ngăn cách bởi một màn chắn dẫn điện nối đất là lá kim loại kéo dài hết chiều rộng của các cuộn dây, có cách điện thích hợp giữa mỗi cuộn dây và màn chắn dẫn điện. Màn dẫn điện và dây dẫn đầu ra của nó có tiết diện đủ để đảm bảo rằng khi đánh thủng lớp cách điện, một thiết bị quá tải sẽ ngắt mạch trước khi màn dẫn bị phá hủy. Thiết bị quá tải có thể là một phần của máy biến áp.
Nếu máy biến áp được lắp với màn chắn dẫn điện nối đất cho mục đích bảo vệ thì máy biến áp phải đạt thử nghiệm D.5.6.6 giữa màn dẫn điện nối đất và đầu nối đất của máy biến áp.
Không áp dụng thử nghiệm độ bền điện đối với cách điện giữa bất kỳ cuộn dây nào và lõi hoặc màn chắn, với điều kiện là lõi hoặc màn được che chắn hoặc bọc kín hoàn toàn và không có kết nối điện tới lõi hoặc màn. Tuy nhiên, các thử nghiệm giữa các cuộn dây có đầu cuối vẫn tiếp tục được áp dụng.
D.5.3.2.2. Tiêu chí tuân thủ
Kiểm tra sự phù hợp bằng cách xem xét, đo lường và nếu có thể áp dụng bằng thử nghiệm.
D.5.3.3. Thử nghiệm quá tải máy biến áp
D.5.3.3.1. Điều kiện thử nghiệm
Nếu các thử nghiệm được thực hiện trong các điều kiện mô phỏng trên bàn thử nghiệm thì các điều kiện này phải bao gồm thiết bị bảo vệ bất kỳ nào có thể bảo vệ máy biến áp trong thiết bị hoàn chỉnh.
Máy biến áp dùng cho các khối cấp nguồn phương thức đóng cắt được thử nghiệm trong khối cấp nguồn hoàn chỉnh hoặc trong thiết bị hoàn chỉnh. Tải thử nghiệm được đặt vào đầu ra của khối cấp nguồn.
Máy biến áp tuyến tính hoặc máy biến áp cộng hưởng sắt từ có từng cuộn thứ cấp lần lượt mang tải, còn các cuộn thứ cấp khác mang tải từ "không" đến giá trị lớn nhất quy định của chúng để tạo ra hiệu ứng nhiệt lớn nhất.
Đầu ra của khối cấp nguồn phương thức đóng cắt được mang tải để tạo ra hiệu ứng nhiệt lớn nhất trong máy biến áp.
Khi tình trạng quá tải không thể xảy ra hoặc không có khả năng gây ra lỗi bảo vệ, thì các thử nghiệm không được thực hiện.
D.5.3.3.2. Tiêu chí tuân thủ
Nhiệt độ lớn nhất của cuộn dây không được vượt quá các giá trị trong Bảng D.3 khi được đo như quy định trong A.1.5 và được xác định như quy định dưới đây:
- Với thiết bị bảo vệ quá dòng bên ngoài: tại thời điểm tác động, để xác định thời gian cho đến khi thiết bị bảo vệ quá dòng tác động, có thể tham khảo tài liệu kỹ thuật của thiết bị bảo vệ quá dòng để biết đặc tính thời gian tác động theo dòng điện;
- Với một cầu chì nhiệt reset tự động: như trong Bảng D.3 và sau 400 giờ;
- Với một cầu chì nhiệt reset thủ công: tại thời điểm hoạt động; hoặc là
- Đối với máy biến áp hạn chế dòng điện: sau khi nhiệt độ đã ổn định.
Nếu nhiệt độ của các cuộn dây của máy biến áp có lõi ferit, được đo như quy định trong A.1.5, vượt quá 180°C, thì nó phải được thử nghiệm lại ở nhiệt độ môi trường danh định lớn nhất (Tamb = Tma), và không được tính theo B. 2.6.3.
Các cuộn dây cách ly với nguồn điện vượt quá giới hạn nhiệt độ nhưng bị hở mạch hoặc yêu cầu thay thế máy biến áp khác thì không được coi là hỏng ở thử nghiệm này với điều kiện là máy biến áp tiếp tục tuân theo A.4.8.
Trong quá trình thử nghiệm, máy biến áp không được phát ra ngọn lửa hoặc kim loại nóng chảy. Sau thử nghiệm, máy biến áp phải chịu được thử nghiệm độ bền điện trong 2.2.4.9.1 nếu có.
|
Phương pháp bảo vệ |
Nhiệt độ cực đại oC |
|||||||
|
Class 105 (A) |
Class 120 (E) |
Class 130 (B) |
Class 155 (F) |
Class 180 (H) |
Class 200 (N) |
Class 220 (R) |
Class 250 - |
|
|
Không có thiết bị bảo vệ nào được sử dụng hoặc được bảo vệ bởi trở kháng bên trong hoặc bên ngoài |
150 |
165 |
175 |
200 |
225 |
245 |
265 |
295 |
|
Được bảo vệ bởi một thiết bị bảo vệ hoạt độngtrong giờ đầu tiên |
200 |
215 |
225 |
250 |
275 |
295 |
315 |
345 |
|
Được bảo vệ bởi bất kỳ thiết bị bảo vệ nào: Tối đa sau giờ đầu tiên Nhiệt độ trung bình cộng (tA) trong khoảng giờ thứ 2 và giờ thứ 72 và giờ thứ 400 |
175
150 |
190
165 |
200
175
|
225
200 |
250
225 |
270
245 |
290
265 |
320
295 |
|
Các Class có liên quan đến việc phân loại vật liệu cách điện và EIS phù hợp với IEC 60085. Các ký hiệu chữ cái được chỉ định được ghi trong ngoặc đơn. |
||||||||
|
a nhiệt độ trung bình cộngđược xác định như sau: Đồ thị của nhiệt độ theo thời gian (xem Hình D.1), trong khi máy biến áp được cấp điện theo chu kỳ đóng và cắt, được vẽ trong khoảng thời gian thử nghiệm đang được xem xét. Nhiệt độ trung bình cộng (tA) được xác định theo công thức:
Trong đó: tmax: là trung bình cộng các điểm lớn nhất tmin: là trung bình cộng các điểm nhỏ nhất |
||||||||

Hình D.1 - Xác định nhiệt độ trung bình cộng
D.5.3.3.3. Phương pháp thử nghiệm thay thế
Máy biến áp được bọc bằng một lớp vải thưa và được đặt trên một tấm gỗ có phủ một lớp khăn giấy. Sau đó máy biến áp được chịu tải dần cho đến khi xảy ra một trong các tình huống sau:
- Thiết bị bảo vệ quá tải hoạt động;
- Cuộn dây hở mạch; hoặc là
- Không thể tăng tải thêm nữa nếu không đạt đến tình trạng ngắn mạch hoặc uốn ngược.
Sau đó, máy biến áp được chịu tải đến một điểm ngay trước khi tình huống áp dụng trên xảy ra và được hoạtđộng trong 7 giờ.
Trong quá trình thử nghiệm, máy biến áp không được phát ra ngọn lửa hoặc kim loại nóng chảy. Tấm vải thưa hoặc khăn giấy không được cháy.
Nếu điện áp máy biến áp vượt quá ES1, bộ bảo vệ chính hoặc bảo vệ tăng cường được cung cấp trong máy biến áp phải chịu được thử nghiệm độ bền điện trong 2.2.4.9.1 nếu có thể áp dụng sau khi nó đã nguội đến nhiệt độ phòng.
D.5.3.4. Máy biến áp sử dụng dây quấn cách điện hoàn toàn (FIW)
D.5.3.4.1. Tổng quan
Các yêu cầu của D.5.3.4 chỉ có thể được áp dụng cho thiết bị được thiết kế để sử dụng trong cấp quá điện áp I và II.
Khi FIW được sử dụng trong máy biến áp, FIW phải tuân theo IEC 60851-5: 2008, IEC 60317-0-7 và IEC 60317-56.
Các cuộn dây FIW ở mức ES2 hoặc ES3 sẽ không thể tiếp cậnđược với người bình thường hoặc người đãđược hướng dẫn.
Nếu dây dẫn có đường kính danh nghĩa khác với đường kính được xác định trong Bảng D.5 (FIW3-9), thì giá trị độ bền điện tối thiểu có thể được tính theo công thức bên dưới Bảng D.5.
Máy biến áp sử dụng FIW phải tuân theo IEC 60085 và chỉ được sử dụng tối đa và bao gồm cả lớp cách điện 155 (F).
Trong trường hợp tách cơ học dưới đây được yêu cầu, thì tách cơ học phải tuân theo thử nghiệm độ bền điện đối với Cách điện chính theo 2.2.4.9.1 ngoại trừ việc áp dụng Bảng D.4 thay cho Bảng 16.
Bảng D.4 - Điện áp thử nghiệm cho các thử nghiệm độ bền điện dựa trên điện áp làm việc đỉnh
|
Điện áp tới và bằng |
Điện áp thử nghiệm đối với cách điện chính hoặc cách điện phụ |
Điện áp thử nghiệm đối với cách điện tăng cường |
|
vđỉnh |
kV đỉnh hoặc DC (Vrms) |
|
|
< 70,5 |
0,35 (0,25) |
0,7 (0,5) |
|
212 |
2 (1,41) |
4 (2,82) |
|
423 |
3 (2,12) |
6 (4,24) |
|
846 |
3,5 (2,47) |
7 (4,95) |
|
1410 |
3,9 (2,76) |
7,8 (5,52) |
|
Phép nội suy tuyến tính có thể được sử dụng giữa hai điểm gần nhất |
||
|
Bảng này dựa trên Bảng 14 của IEC 61558-1: 2017 |
||
D.5.3.4.2. Máy biến áp chỉ có cách điện chính
FIW dùng làm cách điện chính phải là kết cấu có điện áp thử nghiệm tối thiểu theo Bảng D.5 vượt quá điện áp thử nghiệm đối với các thử nghiệm độ bền điện dựa trên 2.2.4.9.1 ngoại trừ Bảng D.4 sẽ được áp dụng thay cho Bảng 16.
Cần có sự phân tách cơ học giữa FIW và dây tráng men.
Khe hở và khoảng giãn cách rò giữa FIW và dây tráng men không bắt buộc.
CHÚ THÍCH 1: Một ví dụ về kết cấu này là một máy biến áp với FIW là một cuộn dây và dây tráng men như một dây còn lại.
CHÚ THÍCH 2: Các giá trị được chỉ định trong Bảng G là giá trị RMS.
D.5.3.4.3. Máy biến áp có cách điện kép hoặc cách điện tăng cường
Máy biến áp có cách điện kép hoặc cách điện tăng cường bao gồm:
- Hai hoặc nhiều cuộn dây FIW được cách điện bằng cách điện chính và cách điện phụ, phải tuân theo tất cả các điều sau:
● FIW đóng vai trò cách điện chính và cách điện phụ phải có điện áp thử nghiệm tối thiểu theo Bảng D.5 vượt quá điện áp thử nghiệm cho các thử nghiệm độ bền điện dựa trên 2.2.4.9.1 ngoại trừ Bảng D.4 sẽ được áp dụng thay cho Bảng 26;
● Cần có sự phân tách cơ học đáp ứng thử nghiệm độ bền điện đối với cách điện chính giữa cả hai cuộn dây FIW; và
● Khe hở và khoảng giãn cách rò giữa các FIW không bắt buộc
- Một cuộn dây FIW được cung cấp cách điện tăng cường phải tuân theo tất cả những điều sau:
● FIW đóng vai trò cách điện tăng cường phải có điện áp thử nghiệm tối thiểu theo Bảng D.5 vượt quá điện áp thử nghiệm đối với các thử nghiệm độ bền điện dựa trên 2.2.4.9.1 ngoại trừ Bảng D.4 phải được áp dụng thay cho Bảng 26;
● Cần có sự phân tách cơ học đáp ứng thử nghiệm độ bền điện đối với cách điện chính giữa cuộn dây FIW và cuộn dây tráng men; và
● Khe hở và khoảng giãn cách rò giữa FIW và dây tráng men không bắt buộc.
- Một cuộn dây FIW được cung cấp cách điện chính kết hợp với cách điện lớp rắn hoặc lớp mỏng dùng làm cách điện phụ, phải tuân thủ tất cả các điều sau:
● FIW đóng vai trò cách điện chính phải có điện áp thử nghiệm tối thiểu phù hợp với Bảng D.5 vượt quá điện áp thử nghiệm đối với các thử nghiệm độ bền điện dựa trên 2.2.4.9.1 ngoại trừ Bảng D.4 sẽ được áp dụng thay cho Bảng 26;
● Cách điện rắn hoặc cáchđiện lớp mỏng dùng làm cách điện phụ phải tuân theo Điều 5, bao gồm cả cách điện rắn; và
● Khe hở và khoảng giãn cách rò giữa FIW và dây tráng men là bắt buộc.
D.5.3.4.4. Máy biến áp với cuộn dây FIW trên lõi kim loại hoặc lõi ferit
FIW phải được chỉ định cách điện chính dựa trên điện áp làm việc đỉnh.
FIW đóng vai trò cách điện chính phải là kết cấu có điện áp thử nghiệm tối thiểu phù hợp với Bảng D.5 vượt quá điện áp thử nghiệm đối với các thử nghiệm độ bền điện dựa trên 2.2.4.9.1 ngoại trừ Bảng D.4 sẽ được áp dụng thay cho Bảng 26.
Cần có sự phân tách cơ học giữa FIW và lõi kim loại hoặc ferit.
D.5.3.4.5. Thử nghiệm chu kỳ nhiệt và tuân thủ
Đối với máy biếnáp có FIW, thử nghiệm sau được yêu cầu:
Ba mẫu của máy biến áp phải được sử dụng. Các mẫu phải chịu 10 lần theo trình tự chu kỳ nhiệt độ sau:
- 68 giờ ở nhiệt độ cao nhất của cuộn dây ± 2°C được đo ởđiều kiệnsử dụng bình thường, cộng thêm 10 K hoặc 10oC với tối thiểu là 85°C;
- 1 giờ ở 25oC ± 2oC
- 2 giờ ở 0oC ± 2oC
- 1 giờ ở 25oC ± 2oC
Trong mỗi thử nghiệm chu kỳ nhiệt, phải đặt điện áp bằng hai lần giá trị điện áp làm việc ở tần số 50 Hz hoặc 60 Hz vào các mẫu giữa các cuộn dây.
Sau khi điều hòa ba mẫu trên:
- Hai trong số ba mẫu sau đó được xử lý độ ẩm theo 2.2.4.8 (xử lý 48 giờ) và thử nghiệm độ bền điện liên quan của 2.2.4.9.1, ngoại trừ Bảng D.4 là được áp dụng thay cho Bảng 26; và
- Phần mẫu còn lại phải chịu thử nghiệm độ bền điện liên quan của 2.2.4.9.1 ngoại trừ việc áp dụng Bảng D.4 thay cho Bảng 26 ngay khi kết thúc giai đoạn cuối cùng ở nhiệt độ cao nhất trong thử nghiệm chu kỳ nhiệt.
Không được đánh thủng cách điện trong quá trình thử nghiệm.
D..5.3.4.6. Thử nghiệm phóng điện cục bộ
Nếu sử dụng FIW và nếu điện áp đỉnh lập lại Ut trên cách điện lớn hơn 750 V thì phải thực hiện thử nghiệm phóng điện cục bộ theo IEC 60664-1 (mô tả chi tiết thử nghiệm như bên dưới). Thử nghiệm phóng điện cục bộ phải được thực hiện sau thử nghiệm chu kỳ nhiệt của G.5.3.4.5 ở nhiệt độ phòng bình thường đối với hai mẫu đã được xử lý độ ẩm.
Điện áp đỉnh lập lại thích hợp là điện áp lớn nhất đo được giữa đầu vào và máy biến áp và mạch điện liên kết nếu phía thứ cấp được nối đất.
Phép đo phải được thực hiện ở mức điện áp danh định lớn nhất của thiết bị.
Thử nghiệm phóng điện cục bộ phải được thực hiện tại máy biến áp có điện áp đỉnh lập lại đo được Ut trong đó:
- Ut là đỉnh cực đại của điện áp làm việc.
- t1 là 5 giây
- t2 là 15 giây
Phóng điện cục bộ phải nhỏ hơn hoặc bằng 10 pC tại thời gian t2. Thử nghiệm phải được thực hiện theo Hình D.2. Đối với các ứng dụng khác, giá trị cao hơn có thể được yêu cầu (ví dụ, IEC 61800-5-1).
D.5.3.4.7. Thử nghiệm thường xuyên
Một bộ phận hoàn thiện phải chịu các thử nghiệm thường xuyên về độ bền điện (giữa các cuộn dây và giữa các cuộn dây với lõi, xem G.5.3.2.1).
Bảng D.5 - Giá trị của dây FIW với đường kính ngoài tối đa và điện áp thử nghiệm tối thiểu theo độ tăng
|
Đường kính dây dẫn danh định dcumm |
Điện áp đánh thủng riêng nhỏ nhất UbV/µm |
Đường kính FIW ngoài tối thiểu domm
|
Giá trị điện áp thử nghiệm độ bền điện tối thiểu trên mỗi dây đối với cách điện chính hoặc cách điện tăng cường ở đường kính ngoài UsV (trong 60 giây) |
||||||||||||
|
FIW loại 3 |
FIW loại 4 |
FIW loại 5 |
FIW loại 6 |
FIW loại 7 |
FIW loại 8 |
FIW loại 9 |
FIW loại 3 |
FIW loại 4 |
FIW loại 5 |
FIW loại 6 |
FIW loại 7 |
FIW loại 8 |
FIW loại 9 |
||
|
0,04 |
56 |
0,055 |
0,059 |
0,070 |
0,080 |
0,090 |
0,100 |
|
714 |
904 |
1 428 |
1 904 |
2 380 |
2 856 |
|
|
0,045 |
56 |
0,062 |
0,067 |
0,079 |
0,090 |
0,101 |
0,112 |
|
809 |
1 047 |
1 618 |
2 142 |
2 666 |
3 189 |
|
|
0,056 |
56 |
0,075 |
0,082 |
0,093 |
0,105 |
0,117 |
0,129 |
|
904 |
1 238 |
1 761 |
2 332 |
2 904 |
3 475 |
|
|
0,063 |
56 |
0,084 |
0,090 |
0,103 |
0,116 |
0,129 |
0,142 |
|
1 000 |
1 285 |
1 904 |
2 523 |
3 142 |
3 760 |
|
|
0,071 |
56 |
0,092 |
0,098 |
0,111 |
0,124 |
0,137 |
0,150 |
0,163 |
1 000 |
1 285 |
1 904 |
2 523 |
3 142 |
3 760 |
4 379 |
|
0,08 |
56 |
0,102 |
0,109 |
0,123 |
0,137 |
0,151 |
0,165 |
0,179 |
1 047 |
1 380 |
2 047 |
2 713 |
3 380 |
4 046 |
4 712 |
|
0,112 |
53 |
0,140 |
0,148 |
0,165 |
0,182 |
0,199 |
0,216 |
0,233 |
1 261 |
1 622 |
2 388 |
3 154 |
3 919 |
4 685 |
5 451 |
|
0,125 |
53 |
0,155 |
0,164 |
0,182 |
0,200 |
0,218 |
0,236 |
0,254 |
1 352 |
1 757 |
2 568 |
3 379 |
4 190 |
5 001 |
5 811 |
|
0,14 |
53 |
0,172 |
0,182 |
0,202 |
0,222 |
0,242 |
0,262 |
0,282 |
1 442 |
1 892 |
2 793 |
3 694 |
4 595 |
5 496 |
6 397 |
|
0,16 |
53 |
0,195 |
0,206 |
0,228 |
0,250 |
0,272 |
0,294 |
0,316 |
1 577 |
2 072 |
3 063 |
4 055 |
5 046 |
6 037 |
7 028 |
|
0,2 |
53 |
0,240 |
0,253 |
0,278 |
0,303 |
0,328 |
0,353 |
0,378 |
1 802 |
2 388 |
3 514 |
4 640 |
5 766 |
6 893 |
8 019 |
|
0,224 |
53 |
0,267 |
0,281 |
0,308 |
0,335 |
0,362 |
0,389 |
0,416 |
1 937 |
2 568 |
3 784 |
5 001 |
6 217 |
7 433 |
8 650 |
|
0,25 |
53 |
0,298 |
0,313 |
0,343 |
0,373 |
0,403 |
0,433 |
0,463 |
2 162 |
2 838 |
4 190 |
5 541 |
6 893 |
8 244 |
9 596 |
|
0,28 |
53 |
0,330 |
0,346 |
0,377 |
0,408 |
0,439 |
0,470 |
0,501 |
2 253 |
2 973 |
4 370 |
5 766 |
7 163 |
8 560 |
9 956 |
|
0,4 |
49 |
0,460 |
0,479 |
0,510 |
0,541 |
0,572 |
0,603 |
|
2 499 |
3 290 |
4 582 |
5 873 |
7 164 |
8 455 |
|
|
0,45 |
49 |
0,514 |
0,534 |
0,565 |
0,596 |
0,627 |
0,658 |
|
2 666 |
3 499 |
4 790 |
6 081 |
7 372 |
|
|
|
0,5 |
49 |
0,567 |
0,588 |
0,629 |
0,670 |
0,711 |
|
|
2 791 |
3 665 |
5 373 |
7 081 |
8 788 |
|
|
|
0,56 |
37 |
0,631 |
0,654 |
0,695 |
0,736 |
0,777 |
|
|
2 233 |
2 956 |
4 246 |
5 535 |
6 825 |
|
|
|
0,8 |
37 |
0,885 |
0,912 |
0,963 |
1,014 |
|
|
|
2 673 |
3 522 |
5 126 |
6 730 |
|
|
|
|
0,9 |
37 |
0,990 |
1,019 |
1,070 |
1,121 |
|
|
|
2 831 |
3 743 |
5 347 |
6 950 |
|
|
|
|
1 |
37 |
1,095 |
1,125 |
1,176 |
1,227 |
|
|
|
2 988 |
3 931 |
5 535 |
7 139 |
|
|
|
|
1,4 |
33 |
1,503 |
1,536 |
1,597 |
|
|
|
|
2 889 |
3 815 |
5 526 |
|
|
|
|
|
1,6 |
33 |
1,707 |
1,741 |
1,802 |
|
|
|
|
3 001 |
3 955 |
5 666 |
|
|
|
|
|
a giá trị theo bảng 7 của IEC 60317-0-7:2017. |
|||||||||||||||
Các giá trị cường độ điện áp cho phép đối với các kích thước FIW khác với quy định trong Bảng D.5 được tính theo công thức sau:

Trong đó:
da: đường kính ngoài lớn nhất theo mm
dCu : đường kính đồng danh định
U: giá trị điện áp theo bảng 7 của IEC 60317-0-7:2017 (xem cột 02) theo V/μm;
V: cường độ điện áp cho phép đối với dây FIW tính bằng vôn.
Giá trị điện áp cao hơn, dựa trên "độ tăng men" của Bảng 6 của IEC 60317-0-7: 2017, đang được xem xét.

Hình D.2 - Các điện áp thử nghiệm
D.5.4. Động cơ
D.5.4.1. Các yêu cầu chung
Động cơ điện một chiều được cung cấp từ mạch PS2 hoặc PS3 cách ly với nguồn điện xoay chiều phải tuân theo các thử nghiệm của D.5.4.5, D.5.4.6 và D.5.4.9. Động cơ điện một chiều, mà do hoạt động bên trong của chúng, thường hoạt động trong điều kiện hãm rôto, chẳng hạn như động cơ bước thì không được thử nghiệm và động cơ điện một chiều chỉ được sử dụng để lưu chuyển không khí và trong đó bộ phận đẩy không khí được ghép trực tiếp với trục động cơ không cần yêu cầu phải vượt qua thử nghiệm của D.5.4.5.
Tất cả các động cơ khác được cung cấp từ mạch PS2 hoặc PS3 phải tuân theo các thử nghiệm quá tải của D.5.4.3 và D.5.4.4 và, nếu có, D.5.4.7, D.5.4.8 và D.5.4.9.
Tuy nhiên, các động cơ sau đây được miễn thử nghiệm của D.5.4.3:
- Động cơ được sử dụng chỉ để lưu chuyển không khí và trong đó bộ phận đẩy không khí được ghép trực tiếp với trục động cơ; và
- Động cơ cực mờ mà các giá trị dòng điện hãm rôto và dòng điện không tải khác nhau không quá 1 A và có tỷ số không lớn hơn 2/1.
D.5.4.2. Điều kiện thử nghiệm quá tải động cơ
Trừ khi có quy định khác, trong quá trình thử nghiệm, thiết bị được làm việc ở điện áp danh định hoặc ở điện áp cao nhất của dải điện áp danh định.
Thử nghiệm được tiến hành trong thiết bị hoặc trên bàn thử nghiệm ở các điều kiện mô phỏng. Cho phép sử dụng các mẫu riêng cho các thử nghiệm trên bàn thử nghiệm. Các điều kiện mô phỏng gồm:
- Bất kỳ thiết bị bảo vệ nào để bảo vệ động cơ trong thiết bị hoàn chỉnh; và
- Sử dụng tất cả các phương tiện lắp đặt có thể làm việc như cánh tản nhiệt cho khung động cơ.
Nhiệt độ của cuộn dây được đo như quy định trong A.1.5. Khi sử dụng cặp nhiệt điện, chúng được đặt lên bề mặt cuộn dây của động cơ. Nhiệt độ được đo tại thời điểm kết thúc thời gian thử nghiệm nếu được quy định, nếu không sẽ được xác định khi nhiệt độ đã ổn định hoặc tại thời điểm hoạt động của cầu chảy, bộ cắt nhiệt, thiết bị bảo vệ động cơ và những cơ cấu tương tự tác động.
Đối với động cơ được bảo vệ trở kháng, được bọc kín hoàn toàn, nhiệt độ được đo bằng cặp nhiệt điện đặt trên vỏ động cơ.
Khi thử nghiệm động cơ không có bảo vệ nhiệt ở các điều kiện mô phỏng trên bàn thử nghiệm, thì nhiệt độ đo được của cuộn dây sẽ được điều chỉnh để tính đến nhiệt độ môi trường nơi mà động cơ bình thường được đặt trong thiết bị.
D.5.4.3. Chạy thử nghiệm quá tải và tiêu chí tuân thủ
Thử nghiệm chạy quá tải được thực hiện bằng cách vận hành động cơ trong điều kiện hoạt động bình thường. Sau đó tăng tải để dòng điện tăng dần theo các bước thích hợp, điện áp cung cấp cho động cơ vẫn được duy trì ở giá trị ban đầu. Khi các điều kiện ổn định được thiết lập, tải lại được tăng tiếp. Theo cách đó, tải được tăng dần theo các bước thích hợp nhưng không để đạt đến tình trạng hãm roto (xem D.5.4.4), cho đến khi thiết bị bảo vệ quá tải hoạt động.
Kiểm tra sự phù hợp bằng cách đo nhiệt độ cuộn dây động cơ trong mỗi giai đoạn ổn định. Các nhiệt độ đo được không được vượt quá các giá trị trong Bảng D.6.
Bảng D.6 - Giới hạn nhiệt độ đối với chạy thử nghiệm quá tải
|
Nhiệt độ lớn nhất oC |
|||||||
|
Cấp 105 (A) |
Cấp 120 (E) |
Cấp 130 (B) |
Cấp 155 (F) |
Cấp 180 (H) |
Cấp 200 (N) |
Cấp 220 (R) |
Cấp 250 - |
|
140 |
155 |
165 |
190 |
215 |
235 |
255 |
275 |
|
Các Cấp có liên quan đến việc phân loại vật liệu cách điện và EIS phù hợp với IEC 60085. Các ký hiệu chữ cái được chỉ định được ghi trong ngoặc đơn. |
|||||||
D.5.4.4. Quá tải hãm rôto
D.5.4.4.1. Phương pháp thử nghiệm
Thử nghiệm hãm rôto được tiến hành bắt đầu ở nhiệt độ phòng.
Khoảng thời gian thử nghiệm diễn ra như sau:
- Động cơ được bảo vệ bằng trở kháng vốn có hoặc trở kháng bên ngoài được cho làm việc trong 15 ngày với rôto bị hãm, tuy nhiên thử nghiệm có thể bị gián đoạn khi các cuộn dây của động cơ đạt đến nhiệt độ không đổi, với điều kiện nhiệt độ không đổi không lớn hơn nhiệt độ quy định trong Bảng 9 đối với hệ thống cách điện đang được sử dụng;
- Động cơ có thiết bị bảo vệ tự động reset được làm việc theo chu kỳ trong 18 ngày với rôto bị hãm;
- Động cơ có thiết bị bảo vệ reset bằng tay được làm việc theo chu kỳ trong 60 chu kỳ với rôto bị hãm, thiết bị bảo vệ được reset sau mỗi lần hoạt động càng nhanh càng tốt để duy trì trạng thái đóng, nhưng sau thời gian không nhỏ hơn 30 s;
- Động cơ có thiết bị bảo vệ không thể reset lại được, được cho làm việc với rôto bị hãm cho đến khi thiết bị bảo vệ hoạt động.
D.5.4.4.2. Tuân thủ tiêu chí
Kiểm tra sự phù hợp bằng cách đo nhiệt độ theo khoảng thời gian đều đặn trong ba ngày đầu tiên đối với động cơ có bảo vệ bằng trở kháng vốn có hoặc trở kháng bên ngoài hoặc với thiết bị bảo vệ reset tự động hoặc trong 10 chu kỳ đầu tiên đối với động cơ có thiết bị bảo vệ reset bằng tay hoặc ở thời gian hoạt động của thiết bị bảo vệ không thể reset. Các nhiệt độ đo được không được vượt quá các giá trị trong Bảng D.3.
Trong quá trình thử nghiệm, các thiết bị bảo vệ phải hoạt động đáng tin cậy mà không gây hư hỏng vĩnh viễn đối với động cơ, động cơ hỏng vĩnh viễn bao gồm:
- Bốc khói dữ dội hoặc kéo dài hoặc cháy thành ngọn lửa.
- Hỏng về điện hoặc cơ của linh kiện bất kỳ như tụ điện hoặc rơle khởi động;
- Bong tróc, giòn hoặc cháy đen cách điện.
- Sự hư hỏng của lớp cách điện.
Cho phép cách điện đổi màu nhưng không cho phép cháy đen hoặc giòn đến mức cách điện bị bong ra hoặc vật liệu bị rơi ra khi cọ xát cuộn dây bằng ngón tay cái.
Sau khoảng thời gian quy định để đo nhiệt độ, động cơ phải chịu được thử nghiệm độ bền điện của 2.2.4.9.1 sau khi cách điện đã nguội đến nhiệt độ phòng và với điện áp thử nghiệm giảm xuống 0,6 lần giá trị quy định.
CHÚ THÍCH: Việc tiếp tục thử nghiệm thiết bị bảo vệ tự động reset quá 72 giờ, và thiết bị bảo vệ reset bằng tay quá 10 chu kỳ để chứng tỏ khả năng đóng và cắt dòng điện hãm rôto trong giai đoạn kéo dài, của thiết bị bảo vệ.
D.5.4.5. Chạy quá tải đối với động cơ một chiều DC
D.5.4.5.1. Yêu cầu
Thử nghiệm của G.5.4.5.2 chỉ được tiến hành nếu khả năng xảy ra quá tải được xác định bằng cách xem xét hoặc kiểm tra lại thiết kế. Ví dụ, không cần tiến hành thử nghiệm này khi các mạch điều khiển điện tử duy trì được dòng điều khiển cơ bản là không đổi.
Nếu gặp khó khăn trong việc đạt được các phép đo nhiệt độ chính xác, do kích thước nhỏ hoặc thiết kế không bình thường của động cơ, có thể sử dụng phương pháp của D.5.4.5.3 để thay thế.
D.5.4.5.2. Phương pháp thử nghiệm và tiêu chí tuân thủ
Động cơ được vận hành trong điều kiện hoạt động bình thường. Sau đó tăng tải để dòng điện tăng dần theo các bước thích hợp, điện áp cung cấp cho động cơ được duy trì ở giá trị ban đầu. Khi các điều kiện ổn định được thiết lập, tải lại được tăng lên tiếp. Theo cách đó, tải được tăng dần theo các bước thích hợp cho đến khi thiết bị bảo vệ quá tải hoạt động, cuộn dây trở thành mạch hở hoặc tải không thể được tăng thêm nữa khi mà không đạt đến điều kiện hãm rôto.
Nhiệt độ cuộn dây của động cơ được đo trong mỗi giai đoạn ổn định. Các nhiệt độ đo được không được vượt quá các giá trị trong Bảng D.6.
Sau thử nghiệm, nếu điện áp động cơ vượt quá ES1, thì bộ bảo vệ cơ bản hoặc bộ bảo vệ tăng cường được cung cấp trong động cơ phải chịu được thử nghiệm độ bền điện trong 2.2.4.9.1 sau khi nó đã nguội đến nhiệt độ phòng, nhưng với điện áp thử nghiệm giảm xuống 0,6 lần các giá trị được chỉ định.
D.5.4.5.3. Phương pháp thay thế
Động cơ được phủ một lớp vải thưa và đặt trên một tấm gỗ được phủ một lớp khăn giấy. Sau đó động cơ được cho làm việc đến khi xảy ra một trong các tình huống sau:
- Thiết bị bảo vệ quá tải hoạt động;
- Cuộn dây trở thành mạch hở; hoặc là
- Tải không thể được tăng thêm nữa khi mà không đạt đến điều kiện hãm rôto.
Trong quá trình thử nghiệm, động cơ không được phát ra ngọn lửa hoặc kim loại nóng chảy. Vải thưa hoặc khăn giấy không được cháy.
Sau thử nghiệm, nếu điện áp động cơ vượt quá ES1, thì bộ bảo vệ cơ bản hoặc bộ bảo vệ tăng cường được cung cấp trong động cơ phải chịu được thử nghiệm độ bền điện trong 2.2.4.9.1 sau khi nó đã nguội đến nhiệt độ phòng, nhưng với điện áp thử nghiệm giảm xuống 0,6 lần các giá trị được chỉ định.
D.5.4.6. Thử nghiệm quá tải hãm rôto đối với động cơ một chiều DC
D.5.4.6.1. Yêu cầu chung
Động cơ phải vượt qua thử nghiệm trong D.5.4.6.2.
Khi gặp khó khăn trong việc thu được các kết quả đo nhiệt độ chính xác do kích thước nhỏ hoặc thiết kế đặc biệt của động cơ thì có thể sử dụng phương pháp của G.5.4.6.3 để thay thế.
D.5.4.6.2. Phương pháp thử nghiệm và tiêu chí tuân thủ
Động cơ được cho làm việc ở điện áp sử dụng trong ứng dụng của nó và hãm rôto trong 7 h hoặc cho đến khi thiết lập các điều kiện ổn định, chọn thời gian nào dài hơn. Tuy nhiên, nếu cuộn dây của động cơ hở mạch hoặc động cơ bị mất điện vĩnh viễn thì thử nghiệm sẽ bị dừng.
Kiểm tra sự phù hợp bằng cách đo nhiệt độ cuộn dây động cơ trong quá trình thử nghiệm. Các nhiệt độ đo được không được vượt quá các giá trị trong Bảng D.3.
Sau thử nghiệm, nếu điện áp động cơ vượt quá ES1 và sau khi nguội đến nhiệt độ phòng, động cơ phải chịu được thử nghiệm độ bền điện trong 2.2.4.9.1 nhưng với điện áp thử nghiệm giảm xuống 0,6 lần giá trị quy định.
D.5.4.6.3. Phương pháp thay thế
Động cơ được phủ một lớp vải thưa và đặt trên một tấm gỗ được phủ một lớp khăn giấy.
Sau đó động cơ được cho làm việc ở điện áp sử dụng trong ứng dụng của nó và hãm rôto trong 7 h hoặc cho đến khi thiết lập các điều kiện ổn định, chọn thời gian nào dài hơn. Tuy nhiên, nếu cuộn dây của động cơ hở mạch hoặc động cơ bị mất điện vĩnh viễn thì thử nghiệm sẽ bị dừng.
Trong quá trình thử nghiệm, động cơ không được phát ra ngọn lửa hoặc kim loại nóng chảy. Vải thưa hoặc khăn giấy không được cháy.
Sau thử nghiệm, nếu điện áp động cơ vượt quá ES1 và sau khi nguội đến nhiệt độ phòng, động cơ phải chịu được thử nghiệm độ bền điện trong 2.2.4.9.1 nhưng với điện áp thử nghiệm giảm xuống 0,6 lần giá trị quy định.
D.5.4.7. Phương pháp thử nghiệm và tiêu chí tuân thủ đối với động cơ có tụ điện
Động cơ có các tụ điện dịch pha được thử nghiệm trong các điều kiện hãm rôto với tụ điện được ngắn mạch hoặc hở mạch (chọn trường hợp nào bất lợi hơn).
Thử nghiệm ngắn mạch không được thực hiện nếu tụ điện được thiết kế sao cho nếu bị hỏng, tụ điện không duy trì chế độ ngắn mạch nữa.
Kiểm tra sự phù hợp bằng cách đo nhiệt độ cuộn dây động cơ trong quá trình thử nghiệm. Các nhiệt độ đo được không được vượt quá các giá trị trong Bảng D.3.
D.5.4.8. Phương pháp thử nghiệm và tiêu chí tuân thủ đối với động cơ ba pha
Động cơ ba pha được thử nghiệm trong điều kiện làm việc bình thường, với một dây pha bị ngắt ra, trừ khi các bộ điều khiển mạch không cho phép đặt điện áp vào động cơ khi thiếu một hoặc nhiều pha nguồn.
Ảnh hưởng của các tải và các mạch khác trong thiết bị có thể đòi hỏi động cơ phải được thử nghiệm trong thiết bị và với ba pha nguồn được ngắt kết nối tại một thời điểm.
Kiểm tra sự phù hợp bằng cách đo nhiệt độ cuộn dây động cơ trong quá trình thử nghiệm. Các nhiệt độ đo được không được vượt quá các giá trị trong Bảng D.3.
D.5.4.9. Phương pháp thử nghiệm và tiêu chí tuân thủ đối với động cơ nối tiếp
Động cơ nối tiếp được cho làm việc ở điện áp bằng 1,3 lần điện áp danh định của động cơ trong 1 phút với tải nhỏ nhất có thể.
Sau thử nghiệm, các cuộn dây và mối nối không bị nới lỏng và tất cả các biện pháp bảo vệ thích hợp phải duy trì hiệu quả.
D.6. Dây cách điện
D.6.1. Tổng quan
Ngoại trừ cách điện của cuộn dây tráng men, các yêu cầu sau đây áp dụng cho tất cả các dây, kể cả dây dẫn trong các bộ phận quấn (xem D.5), dây dẫn ra ngoài và các loại tương tự, có cách điện tạo nên cách điện chính, cách điện phụ hoặc cách điện tăng cường.
CHÚ THÍCH 1: Đối với cách điện được cung cấp ngoài lớp cách điện trên dây quấn, xem 2.2.4.4
Điện áp làm việc đỉnh không vượt quá ES2, thì không có yêu cầu về kích thước hoặc cấu tạo.
Nếu điện áp làm việc đỉnh vượt quá ES2 thì một trong những yêu cầu sau phải được áp dụng:
a. Không có yêu cầu về kích thước hoặc cấu tạo đối với cách điện chính không chịu ứng suất cơ học (ví dụ, từ lực căng của cuộn dây). Đối với cách điện chính chịu ứng suất cơ học, áp dụng b) hoặc c).
CHÚ THÍCH 2: Ngoại lệ này không áp dụng cho cách điện phụ hoặc cách điện tăng cường.
b. Đối với cách điện chính, cách điện phụ hoặc cách điện tăng cường, cách điện trên dây phải:
- Có chiều dày ít nhất là 0,4 mm được cung cấp bởi một lớp; hoặc là
- Tuân theo 2.2.4.4.6 nếu dây không phải là dây quấn; hoặc là
- Tuân theo Phụ lục J nếu dây là dây quấn.
c. Dây quấn phải phù hợp với Phụ lục J. Số lượng tối thiểu các lớp chồng lên nhau của băng quấn xoắn hoặc các lớp cách điện ép đùn phải như sau:
- Đối với cách điện chính: 01 lớp
- Đối với cách điện phụ: 02 lớp
- Đối với cách điện tăng cường: 03 lớp
d. FIW được sử dụng như một biện pháp bảo vệ trong máy biến áp phải tuân theo D.5.3.4.
Đối với cách điện giữa hai dây quấn liền kề, một lớp trên mỗi dây dẫn được coi là tạo ra cách điện phụ.
Băng quấn xoắn phải được bọc kín và vượt qua các thử nghiệm của 2.2.4.4.5 a), b) hoặc c).
CHÚ THÍCH 3: Đối với dây được cách điện bằng quy trình ép đùn, bịt kín là quy trình vốn có của nó.
Dây quấn phải đạt thử nghiệm thường xuyên đối với thử nghiệm độ bền điện, sử dụng thử nghiệm như quy định trong D.3.2.
D.6.2. Cách điện dây quấn tráng men
Dây quấn tráng men không được coi là tạo ra cách điện phụ hoặc cách điện tăng cường, trừ khi nó phù hợp với các yêu cầu đối với FIW như quy định trong D.5.3.4.
Các dây quấn tráng men khác được sử dụng làm cách điện chính phải phù hợp với tất cả các điều kiện sau:
- Cách điện tạo ra cách điện chính trong bộ phận quấn giữa mạch ngoài và mạch bên trong hoạt động ở ES2 và ES1;
- Cách điện trên tất cả các dây dẫn bao gồm tráng men phù hợp với các yêu cầu của dây quấn cấp 2 của loạt tiêu chuẩn IEC 60317 với thử nghiệm thường xuyên được thực hiện ở điện áp cao nhất trong Bảng 25 và Bảng 26;
- Bộ phận hoàn thiện phải chịu thử nghiệm điển hình về độ bền điện (giữa các cuộn dây và giữa các cuộn dây với lõi, xem D.5.3.2.1), phù hợp với 2.24.9.1; và
- Bộ phận hoàn thiện phải chịu các thử nghiệm thường xuyên về độ bền điện (giữa các cuộn dây và giữa các cuộn dây với lõi, xem G.5.3.2.1), phù hợp với 2.24.9.2.
D.7. Dây nguồn
D.7.1. Tổng quan
Dây nguồn phải là loại có vỏ bọc và tuân theo các điều kiện sau khi thích hợp:
- Nếu có vỏ bọc bằng cao su, phải bằng cao su tổng hợp và không nhẹ hơn dây nguồn mềm có vỏ bọc cao su dẻo thông thường theo IEC 60245-1 ( mã hiệu 60245 IEC 53);
- Nếu vỏ bọc là PVC:
● Không được nhẹ hơn dây mềm có vỏ bọc PVC nhẹ theo IEC 60227-1 (mã hiệu 60227 IEC 52) đối với thiết bị có dây nguồn không thể tháo rời và có khối lượng không quá 3 kg.
● Không được nhẹ hơn dây mềm có vỏ bọc PVC thông thường theo IEC 60227-1 (mã hiệu 60227 IEC 53) đối với thiết bị có dây nguồn không thể tháo rời và có khối lượng vượt quá 3 kg.
CHÚ THÍCH 1: Không có giới hạn về khối lượng của thiết bị nếu thiết bị được thiết kế để sử dụng với dây cấp nguồn có thể tháo rời.
● Không được nhẹ hơn dây mềm có vỏ bọc PVC nhẹ theo IEC 60227-1 (ký hiệu 60227 IEC 52) đối với thiêt bị có dây nguồn có thể tháo rời.
● Thử nghiệm uốn ở 3.1 của IEC 60227-2: 1997 được áp dụng cho các dây nguồn có màn bọc kim của thiết bị di động.
CHÚ THÍCH 2: Mặc dù dây có màn chắn không nằm trong phạm vi của IEC 60227-2, nhưng các thử nghiệm uốn liên quan của IEC 60227-2 vẫn được sử dụng.
● Có thể sử dụng các loại dây khác nếu chúng có tính chất cơ điện và an toàn cháy nổ tương tự như trên.
CHÚ THÍCH 3: Khi các tiêu chuẩn quốc gia hoặc khu vực tồn tại, chúng có thể được sử dụng để thể hiện sự tuân thủ với các yêu cầu trên.
Đối với thiết bị có thể nối đất bảo vệ được loại A hoặc thiết bị có thể nối đất bảo vệ được loại B, dây tiếp đất bảo vệ phải được bao gồm trong dây nguồn. Đối với tất cả các thiết bị khác, nếu dây cấp nguồn được sử dụng mà không có dây nối đất bảo vệ, thì dây dẫn nối đất bảo vệ cũng phải được cung cấp.
Thiết bị được nhạc sĩ dự định sử dụng khi biểu diễn (ví dụ, nhạc cụ và bộ khuếch đại) phải có:
- Đầu vào của thiết bị theo IEC 60320-1 để kết nối với nguồn điện bằng bộ dây có thể tháo rời; hoặc là
- Một phương pháp cất giữ để bảo vệ dây nguồn khi không sử dụng (ví dụ: ngăn, móc hoặc chốt).
Kiểm tra sự phù hợp bằng cách xem xét. Đối với dây có màn bọc kim, việc làm hỏng màn bọc kim có thể chấp nhận được với điều kiện:
- Trong quá trình thử nghiệm uốn, màn không tiếp xúc với bất kỳ dây dẫn nào; và
- Sau thử nghiệm uốn, mẫu chịu được thử nghiệm độ bền điện thích hợp giữa màn và tất cả các dây dẫn khác.
D.7.2. Diện tích mặt cắt ngang
Dây cấp nguồn phải có ruột dẫn có tiết diện không nhỏ hơn diện tích quy định trong Bảng D.7 (xem 2.3.6.3).
Bảng D.7- Diện tích mặt cắt ngang
|
Dòng điện danh định của thiết bị A Đến và bằng a |
Kích thước dây tối thiểu tùy chọn |
|
|
Diện tích mặt cắt ngang mm2 |
Diện tích mặt cắt ngang theo AWG hoặc kcmil mm2e |
|
|
3 6 10 16 25 32 40 63 80 100 125 160 190 230
260 300 340 400 460 |
0,5b 0,75 1,00 (0,75)c 1,5 (1,0)d 2,5 4 6 10 16 25 35 50 70 95
120 150 185 240 300 |
20 [0,5] 18 [0,8] 16 [1,3] 14 [2] 12 [3] 10 [5] 8 [8] 6 [13] 4 [21] 2 [33] 1 [42] 0 [53] 000 [85] 0000 [107] Kcmil Diện tích mặt cắt ngang theo mm2e 250 [126] 300 [152] 400 [202] 500 [253] 600 [304] |
|
CHÚ THÍCH 1: IEC 60320-1 quy định các tổ hợp có thể chấp nhận được giữa các bộ ghép nối thiết bị và dây mềm, bao gồm cả các tổ hợp được đề cập trong chú thích b, c và C. Tuy nhiên, một số quốc gia đã chỉ ra rằng họ không chấp nhận tất cả các giá trị được liệt kê trong bảng này, đặc biệt là những giá trị được đề cập trong chú thích b, c và C. CHÚ THÍCH 2: Đối với dòng điện cao hơn, xem sê-ri IEC 60364. |
||
|
a Dòng điện danh định gồm dòng điện được lấy từ ổ cắm cung cấp nguồn điện lưới cho các thiết bị khác. Nếu dòng điện danh định của thiết bị không được nhà sản xuất công bố thì nó là giá trị tính toán của công suất danh định chia cho điện áp danh định. b Đối với dòng điện danh định đến 3 A, có thể sử dụng diện tích mặt cắt ngang danh định 0,5 mm2 ở một số quốc gia với điều kiện chiều dài của dây không vượt quá 2 m. c Giá trị trong ngoặc đơn áp dụng cho dây cấp nguồn có thể tháo rời được lắp với bộ nối có dòng danh định 10 A theo IEC 60320-1 (loại C13, C15, C15A và C17) với điều kiện chiều dài của dây không vượt quá 2 m. d Giá trị trong ngoặc đơn áp dụng cho dây cấp nguồn có thể tháo rời được lắp với các bộ nối có dòng danh định 16 A theo IEC 60320-1 (loại C19, C21 và C23) với điều kiện chiều dài của dây không vượt quá 2 m. e Cỡ AWG và kcmil để tham khảo. Diện tích mặt cắt tương ứng, trong ngoặc vuông, được làm tròn chỉ để thể hiện các số có nghĩa. AWG có nghĩa là cỡ dây của Mỹ và thuật ngữ "cmil" có nghĩa là mil tròn, bằng diện tích hình tròn có đường kính bằng 1 mil (một phần nghìn của inch). Các thuật ngữ này được sử dụng rộng rãi để xác định cỡ dây ở Bắc Mỹ. |
||
Kiểm tra sự phù hợp bằng cách xem xét.
D.7.3. Cơ cấu neo dây và giảm lực căng đối với dây nguồn không thể tháo rời
D.7.3.1. Tổng quan
Các biện pháp bảo vệ chống lại lực căng dây được truyền tới các đầu cuối thiết bị của ruột dẫn của dây hoặc cáp kết nối được kết nối với mạch ES2, mạch ES3 hoặc mạch PS3 được quy định dưới đây.
D.7.3.2. Giảm lực căng dây
D.7.3.2.1. Các yêu cầu
Việc buộc dây thành nút thắt không được sử dụng như một cơ cấu giảm lực căng dây.
Vít chịu lực trực tiếp trên dây hoặc cáp sẽ không được sử dụng làm cơ cấu giảm lực căng trừ khi neo giữ dây, bao gồm cả vít, được làm bằng vật liệu cách điện và vít có kích thước tương đương với đường kính của dây được kẹp.
Khi tác dụng lực tuyến tính và mômen xoắn lên dây hoặc cáp cấp nguồn không thể tháo rời, biện pháp bảo vệ cơ bản phải giảm thiểu lực căng truyền đến các đầu dây hoặc cáp.
Lực tuyến tính tác dụng lên dây hoặc cáp được quy định trong Bảng D.8. Lực tác dụng theo hướng bất lợi nhất trong 1 giây và lặp lại 25 lần.
Bảng D.8 - Lực thử giảm độ căng của dây
|
Khối lượng (M) của thiết bị kg |
Lực kéo N |
|
M ≤ 1 1 < M ≤ 4 M > 4 |
30 60 100 |
Mômen 0,25 Nm được đặt vào dây hoặc cáp trong 1 min ngay sau khi tác dụng lực tuyến tính. Mô-men xoắn được đặt càng gần càng tốt với cơ cấu giảm lực căng và được lặp lại theo hướng ngược lại.
Sự phù hợp được xác định bằng cách tác dụng lực và mômen quy định, bằng phép đo và kiểm tra bằng mắt. Không được có hư hỏng đối với dây dẫn hoặc các ruột dẫn và độ dịch chuyển của các ruột dẫn không được vượt quá 2 mm. Việc kéo căng của lớp vỏ bên ngoài dây mà không làm dịch chuyển các ruột dẫn thì không được coi là dịch chuyển.
D.7.3.2.2. Cơ cấu giảm lực căng thất bại
Nếu biện pháp bảo vệ cơ bản (cơ cấu giảm lực căng) không thành công và lực căng được truyền đến dây cấp nguồn không thể tháo rời hoặc các đầu cáp, thì một biện pháp bảo vệ bổ sung phải đảm bảo rằng đầu tiếp đất là đầu cuối cùng chịu lực căng.
Sự phù hợp được xác định bằng cách xem xét và nếu cần, bằng cách phá bỏ lớp bảo vệ cơ bản và kiểm tra độ chùng của ruột dẫn khi tác dụng lực trong Bảng D.8.
D.7.3.2.3. Vỏ bọc dây
Vỏ bọc dây hoặc cáp phải kéo dài từ cơ cấu bảo vệ cơ bản (cơ cấu giảm lực căng) vào thiết bị ít nhất bằng một nửa đường kính của dây hoặc cáp.
Kiểm tra sự phù hợp bằng cách xem xét
D.7.3.2.4. Vật liệu giảm lực căng và dây neo
Dây neo phải được làm bằng vật liệu cách điện hoặc có lớp lót bằng vật liệu cách điện phù hợp với các yêu cầu về cách điện chính. Trong trường hợp dây neo là ống lót có kết nối điện với màn bọc kim của dây nguồn có màn thì không áp dụng yêu cầu này.
Nếu cơ cấu bảo vệ cơ bản (cơ cấu giảm lực căng) được làm bằng vật liệu polyme thì cơ cấu bảo vệ cơ bản phải giữ nguyên các đặc tính cấu trúc của nó sau khi giảm ứng suất khuôn theo Q.8.
Sự phù hợp được xác định bằng cách xem xét và bằng cách áp dụng các thử nghiệm lực và mô-men xoắn của E.7.3.2.1 sau khi lớp bảo vệ cơ bản đạt đến nhiệt độ phòng.
D.7.4. Đầu vào dây
Các biện pháp bảo vệ chống điện giật và cháy do điện từ dây hoặc cáp nối với mạch ES2, mạch ES3 hoặc mạch PS3 được quy định dưới đây.
Việc đi dây hoặc cáp vào thiết bị phải được cung cấp các biện pháp bảo vệ chống điện giật như quy định trong Điều 5. Nếu vỏ bọc dây vượt qua thử nghiệm độ bền điện của 2.2.4.9.1 đối với Cách điện phụ, vỏ bọc dây có thể được coi là biện pháp bảo vệ bổ sung.
Đầu vào dây hoặc cáp phải được cung cấp một biện pháp bảo vệ bổ sung để:
- Ngăn chặn sự mài mòn của dây hoặc bề mặt ngoài của cáp; và
- Ngăn không cho dây hoặc cáp bị đẩy vào thiết bị đến mức dây hoặc các ruột dẫn của nó, hoặc cả hai, có thể bị hỏng hoặc các bộ phận bên trong của thiết bị có thể bị dịch chuyển.
Sự phù hợp được xác định bằng thử nghiệm độ bền điện giữa ruột dẫn của dây hoặc cáp và các bộ phận dẫn điện chạm tới được theo các thử nghiệm của D.7.3.2.1. Điện áp thử nghiệm đối với cách điện tăng cường phải phù hợp với 2.2.4.9.1.
D.7.5. Bảo vệ uốn cong dây không thể tháo rời
D.7.5.1. Các yêu cầu
Dây cấp nguồn không thể tháo rời của thiết bị cầm tay hoặc thiết bị dự định di chuyển trong khi đang vận hành phải được bảo vệ chống hư hỏng vỏ bọc, cách điện hoặc dây dẫn do uốn cong ở lối vào thiết bị.
Ngoài ra, đầu vào hoặc ống lót phải có dạng miệng loe có gờ trơn nhẵn có bán kính cong bằng ít nhất 1,5 lần đường kính bao của dây có diện tích mặt cắt ngang lớn nhất cần nối.
Cơ cấu bảo vệ uốn dây phải:
- Được thiết kế để bảo vệ dây khỏi bị uốn cong quá mức khi dây đi vào thiết bị; và
- Làm bằng vật liệu cách điện; và
- Được cố định chắc chắn; và
- Nhô ra khỏi lỗ đầu vào của thiết bị một khoảng ít nhất bằng 5 lần đường kính bao hoặc, đối với dây dẹt, ít nhất bằng 5 lần kích thước bao ở cạnh lớn theo mặt cắt của dây.
D.7.5.2. Phương pháp thử nghiệm và tiêu chí tuân thủ
Thiết bị được đặt sao cho trục của cơ cấu bảo vệ uốn dây, nơi dây đi ra, chếch một góc là 45o khi dây không chịu lực căng. Sau đó đặt một vật nặng có khối lượng 10 x D2g vào đầu tự do của dây, trong đó D là đường kính bao của dây hoặc với dây phẳng là kích thước bao cạnh nhỏ của dây, tính bằng milimét.
Nếu cơ cấu bảo vệ dây làm bằng vật liệu nhạy với nhiệt độ, thử nghiệm được tiến hành ở 23oC ± 2oC.
Dây dẹt được uốn theo bề mặt có điện trở nhỏ nhất (bề mặt dễ uốn nhất).
Ngay sau khi đặt vật nặng vào, bán kính cong ở mọi nơi của dây không được nhỏ hơn 1,5 C.
Kiểm tra sự phù hợp bằng cách xem xét, bằng phép đo và, nếu cần, bằng thử nghiệm với dây được cung cấp kèm thiết bị.
D.7.6. Khoảng không gian để đi dây
D.7.6.1. Các yêu cầu chung
Khoảng không gian để đi dây nguồn được bố trí ở bên trong thiết bị, hoặc là một bộ phận của thiết bị, để nối cố định hoặc để nối dây nguồn không tháo rời được thông thường, phải được thiết kế sao cho:
- Cho phép dây được đưa vào và đấu nối một cách dễ dàng; và
- Đầu không có cách điện của dây dẫn ít có khả năng bị tuột khỏi các đầu nối của nó, hoặc, nếu bị tuột, thì đầu không được cách điện này không thể tiếp xúc với:
● Phần dẫn có thể chạm tới mà không được nối dòng điện trong dây dẫn bảo vệ; hoặc
● Phần dẫn có thể chạm tới của thiết bị cầm tay; và
- Trước khi đậy nắp, nếu có, cho phép kiểm tra được các ruột dẫn đã nối và đặt đúng vị trí hay chưa; và
- Sao cho các nắp, nếu có, có thể được lắp vào mà không tạo ra rủi ro làm hư hại đến các dây nguồn hoặc cách điện của chúng; và
- Sao cho các nắp, nếu có, để tiếp cận các đầu nối có thể được tháo ra bằng dụng cụ.
Kiểm tra sự phù hợp bằng cách xem xét và bằng thử nghiệm lắp đặt với dây có diện tích mặt cắt ngang lớn nhất trong phạm vi thích hợp được quy định trong Bảng D.9.
Bảng D.9 - Dải kích thước dây được chấp nhận bởi các thiết bị đầu cuối
|
Dòng điện danh định của thiết bị A |
Mặt cắt danh định, mm2 |
|
|
Dây mềm |
Các cáp khác |
|
|
Đến và bằng 3 Trên 3 đến và bằng 6 Trên 6 đến và bằng 10 Trên 10 đến và bằng 13 Trên 13 đến và bằng 16 Trên 16 đến và bằng 25 Trên 25 đến và bằng 32 Trên 32 đến và bằng 40 Trên 40 đến và bằng 63 |
0,5 đến 0,75 0,75 đến 1 1 đến 1,5 1,25 đến 1,5 1,5 đến 2,5 2,5 đến 4 4 đến 6 6 đến 10 10 đến 16 |
1 đến 2,5 1 đến 2,5 1 đến 2,5 1,5 đến 4 1,5 đến 4 2,5 đến 6 4 đến 10 6 đến 16 10 đến 25 |
D.7.6.2. Dây bện
D.7.6.2.1. Các yêu cầu
Một đầu của ruột dẫn bện không được làm chắc bằng mối hàn thiếc tại những nơi mà ruột dẫn chịu lực ép tiếp xúc trừ khi phương pháp kẹp được thiết kế để giảm khả năng xảy ra tiếp xúc xấu do hiện tượng chảy nguội của chất hàn.
Các đầu nối có đàn hồi để bù lại hiện tượng chảy nguội được coi là đáp ứng yêu cầu này.
Việc ngăn ngừa vít kẹp không bị xoay không được coi là phù hợp.
Đầu nối phải được bố trí, bảo vệ hoặc cách điện sao cho nếu một sợi thành phần của ruột dẫn mềm bị tuột ra khi lắp ruột dẫn thì sẽ không có khả năng xảy ra tiếp xúc ngẫu nhiên giữa sợi thành phần đó và:
- Các phần dẫn có thể chạm tới; hoặc
- Các phần dẫn không nối đất được cách ly với các phần dẫn chạm tới được chỉ bằng cách điện phụ.
D.7.6.2.2. Phương pháp thử nghiệm và tiêu chí tuân thủ
Kiểm tra sự phù hợp bằng cách xem xét và, trừ khi ruột dẫn đặc biệt được chuẩn bị theo cách để ngăn ngừa các sợi con tuột ra, bằng thử nghiệm sau.
Một mảnh cách điện có chiều dài khoảng 8 mm được lấy ra từ một đầu của dây mềm có diện tích mặt cắt danh định thích hợp. Một sợi con của dây bện được để tự do, các dây còn lại được ấn hoàn toàn và được kẹp trong đầu nối. Không làm rách cách điện, sợi con tự do được uốn theo mọi hướng có thể, nhưng không uốn gập quanh tâm bảo vệ.
Nếu ruột dẫn là nguồn ES3, sợi con tự do không được chạm vào bất kỳ phần dẫn nào có thể chạm tới được hoặc phần dẫn bất kỳ nối với phần dẫn chạm tới được hoặc, trong trường hợp thiết bị cách điện kép, thì không được chạm vào phần dẫn bất kỳ được cách ly với các phần dẫn chạm tới được chỉ bởi cách điện phụ.
Nếu dây dẫn được nối đến đầu nối đất, thì sợi con tự do không được chạm vào bất kỳ nguồn ES3 nào.
D.8. Điện trở phi tuyến
D.8.1. Tổng quan
Một điện trở phi tuyến phải phù hợp với IEC 61051-2 hoặc IEC 61643-331: 2017, cho dù có cung cấp vỏ bọc chống cháy hay không, có tính đến tất cả các điều sau:
- Các loại khí hậu ưu tiên (xem 2.1.1 của IEC 61051-2: 1991):
● Nhiệt độ loại thấp hơn: - 10oC
● Nhiệt độ loại cao hơn: +85oC
● Khoảng thời gian nóng ẩm, thử nghiệm trạng thái ổn định: 4 ngày
Hoặc
- Các loại khí hậu ưu tiên (xem 4.1 của IEC 61643-331: 2017)
● Nhiệt độ loại thấp hơn: - 40oC
● Nhiệt độ loại cao hơn: +85oC
● Độ ẩm tương đối: 25% to 75%.
- Điện áp liên tục tối đa:
● Tối thiểu bằng 1,25 lần điện áp danh định của thiết bị; hoặc là
● Tối thiểu bằng 1,25 lần điện áp trên của dải điện áp danh định.
CHÚ THÍCH: Điện áp liên tục tối đa không giới hạn ở các giá trị quy định trong 2.1.2 của IEC 61051-2: 1991 hoặc các giá trị trong Bảng 1 và Bảng 2 của IEC 61643-331: 2017, có thể sử dụng các điện áp khác.
- Xung kết hợp (Bảng I nhóm 1 của IEC 61051-: 1991 / AMD1: 2009 hoặc 8.1.1 của IEC 61643-331: 2017, Hình 4).
Đối với thử nghiệm, một xung kết hợp được chọn từ 2.3.6 trong IEC 61051-2: 1991 / AMD1: 2009 hoặc từ 8.1.1 của IEC 61643-331: 2017, Hình 4. Thử nghiệm bao gồm 10 xung dương hoặc 10 xung âm, mỗi xung có dạng 1,2/50 μs đối với điện áp và 8/20 μs đối với dòng điện.
Xem Bảng 12 để lựa chọn loại điện áp nguồn AC và cấp quá điện áp.
Nguồn dưới 300 V được coi là 300 V.
Đối với cấp quá điện áp IV của Bảng 12, xung kết hợp 6kV / 3kA được sử dụng ngoại trừ 600 V, xung kết hợp 8 kV / 4 kA được sử dụng. Để thay thế, thử nghiệm xung kết hợp của IEC 61051-2: 1991 / AMD1: 2009 (2.3.6, Bảng I nhóm 1 và Phụ lục A) hoặc thử nghiệm xung kết hợp của 8.1.1 Hình 4 của IEC 61643-331: 2017, bao gồm cả việc xem xét điện áp nguồn danh định và danh mục quá điện áp, có thể chấp nhận được.
Sau khi thử nghiệm, điện áp điện trở phi tuyến tại dòng diện do nhà sản xuất quy định không được thay đổi quá 10% khi so với giá trị trước khi thử nghiệm.
Phần thân của điện trở phi tuyến triệt xung điện áp phải phù hợp với thử nghiệm ngọn lửa kim theo IEC 60695-11-5, với các yêu cầu thử nghiệm sau:
- Thời gian áp dụng thử lửa: 10 giây;
- Sau khi thời gian thử lửa: 5 giây
Nếu thân của điện trở phi tuyến triệt tiêu xung điện áp phù hợp với vật liệu loại V-1, thì không cần thực hiện thử nghiệm ngọn lửa kim.
CHÚ THÍCH 1: Một điện trở phi tuyến đôi khi được gọi là MOV hoặc VDR.
CHÚ THÍCH 2: Điện áp điện trở phi tuyến danh nghĩa là một điện áp, ở dòng điện một chiều xác định, được sử dụng làm điểm tham chiếu trong đặc tính thành phần (xem IEC 61051-1).
D.8.2. Các biện pháp bảo vệ chống cháy
D.8.2.1. Tổng quan
Điều phụ này áp dụng cho các điện trở phi tuyến được sử dụng như một biện pháp bảo vệ chống cháy:
- Khi phương pháp “giảm khả năng bắt lửa” của 2.3.4.1 được chọn; hoặc là
- Khi phương pháp “kiểm soát cháy lan” của 2.3.4.1 được chọn và vỏ bọc được làm bằng vật liệu dễ cháy và được đặt cách điện trở phi tuyến nhỏ hơn 13 mm.
Các biện pháp bảo vệ trong mục này không áp dụng cho điện trở phi tuyến được sử dụng trong mạch triệt tiêu có điện áp điện trở phi tuyến danh định, như được quy định trong IEC 61051-1, cao hơn điện áp chuyển tiếp của nguồn điện xoay chiều.
Một điện trở phi tuyến sẽ được coi là một PIS.
Thử nghiệm quá tải của điện trở phi tuyến và thử nghiệm quá điện áp tạm 3 phải được thực hiện tùy thuộc vào điện áp xoay chiều liên tục lớn nhất của điện trở phi tuyến theo Bảng D.10.
Bảng D.10 - Thử nghiệm quá tải và quá điện áp tạm thời của điện trở phi tuyến
|
Điện áp xoay chiều AC cực đại của điện trở phi tuyến |
Kết nối giữa |
||
|
L với N hoặc L với L |
L với PE |
N với PE |
|
|
1,25 × Vr tới 2 × Vr |
G.8.2.2 |
G.8.2.2 và G.8.2.3 |
G.8.2.2 và G.8.2.3 |
|
Trên 2 × Vr tới 1200 + 1,1 × Vr |
Không thử nghiệm |
G.8.2.2 |
G.8.2.2 |
|
Trên 1200 + 1,1 × Vr |
Không thử nghiệm |
Không thử nghiệm |
Không thử nghiệm |
|
Vr là điện áp danh định hoặc điện áp trên của dải điện áp danh định của thiết bị. |
|||
D.8.2.2. Thử nghiệm quá tải điện trở phi tuyến
Thử nghiệm sau đây được mô phỏng theo yêu cầu của Bảng D.10 đối với điện trở phi tuyến hoặc mạch triệt tiêu xung có chứa điện trở phi tuyến được nối qua nguồn điện (L đến L hoặc L đến N), đường dây tới đất bảo vệ (L đến PE), hoặc trung tính với đất bảo vệ (N đến PE).
Mạch mô phỏng thử nghiệm sau sẽ được sử dụng:
- Điện áp là nguồn xoay chiều 2 × Vr
- Dòng điện là dòng điện sinh ra từ điện trở thử nghiệm Rx mắc nối tiếp với nguồn xoay chiều.
- Vr là điện áp danh định hoặc điện áp trên của dải điện áp danh định của thiết bị.
Thử nghiệm phải được thực hiện với điện trở thử nghiệm ban đầu R1 = 16 × Vr.
Nếu mạch không hở ngay trong lần đặt dòng điện thử nghiệm ban đầu, thì thử nghiệm phải được tiếp tục cho đến khi ổn định nhiệt độ (xem A.1.5).
Sau đó, thử nghiệm phải được lặp lại với các giá trị mới của Rx (R2, R3, R4, v...v.) cho đến khi mạch hở, trong đó:
- R2 = 8 x Vr Ω
- R3 = 4 x Vr Ω
- R4 = 2 x Vr Ω
- Rx = 0,5 x (Rx-1) x Vr Ω
Các linh kiện đấu song song với điện trở phi tuyến có thể bị ảnh hưởng bởi thử nghiệm này phải được ngắt kết nối.
Trong và sau quá trình thử nghiệm, không được có nguy cơ cháy nổ và các biện pháp bảo vệ thiết bị khác điện trở phi tuyến được thử nghiệm vẫn hoạt động hiệu quả.
Trong quá trình thử nghiệm, mạch có thể:
- Hở do hoạt động của thiết bị bảo vệ như cầu chì, cầu chì nhiệt; hoặc là
- Đóng do hoạt động của một GDT.
D.8.2.3. Thử nghiệm quá điện áp tạm thời
Thử nghiệm quá điện áp tạm thời được mô phỏng bằng các phương pháp thử nghiệm sau nếu có thể:
Một mạch triệt tiêu xung có chứa các điện trở phi tuyến được nối giữa dây dẫn nguồn và đất được thử nghiệm theo 8.3.8.1 và 8.3.8.2 của IEC 61643-11: 2011. Tiêu chí tuân thủ của E.4.8 có thể được sử dụng thay thế cho tiêu chí tuân thủ của IEC 61643-11.
Nếu sử dụng mạch triệt tiêu xung thì xung kết hợp quy định trong G.8.2 sẽ được áp dụng trước thử nghiệm này.
Trong quá trình thử nghiệm, mạch có thể:
- Mở do hoạt động của thiết bị bảo vệ như cầu chì nhiệt; hoặc là
- Đóng do hoạt động của một GDT.
CHÚ THÍCH: Đối với các hệ thống phân phối điện khác nhau, quá điện áp tạm thời được xác định trong Phụ lục A của IEC 61643-11: 2011.
Các linh kiện mắc song song với điện trở phi tuyến có thể bị ảnh hưởng bởi thử nghiệm này phải được ngắt kết nối.
D.9. Mạch tích hợp (IC) giới hạn dòng điện
D.9.1. Yêu cầu
IC giới hạn dòng điện được sử dụng để giới hạn dòng điện trong các nguồn điện để công suất đầu ra khả dụng PS1 hoặc PS2 không bị ngắn mạch từ đầu vào đến đầu ra nếu chúng tuân thủ tất cả những điều sau:
- IC giới hạn dòng điện giới hạn dòng điện đến giá trị xác định của nhà sản xuất (không được lớn hơn 5 A) trong điều kiện hoạt động bình thường với bất kỳ quy định độ lệch nào được tính đến;
- IC giới hạn dòng điện hoàn toàn là điện tử và không có phương tiện vận hành thủ công hoặc cài lại;
- Dòng đầu ra của IC giới hạn dòng điện được giới hạn ở mức 5 A hoặc nhỏ hơn (tải tối đa được chỉ định);
- IC giới hạn dòng điện giới hạn dòng điện hoặc điện áp đến giá trị yêu cầu với độ lệch xác định của nhà sản xuất, nếu có, được tính đến sau mỗi thử nghiệm điều hòa; và
- Chương trình thử nghiệm như quy định trong D.9.2.
D.9.2. Chương trình thử nghiệm
Chương trình thử nghiệm bao gồm các thử nghiệm tính năng được nêu trong Bảng D.11.
Các thông số kỹ thuật sau đây sẽ được nhà sản xuất cung cấp để áp dụng các thử nghiệm:
- Giới hạn / thông số kỹ thuật của nguồn điện (nếu nhỏ hơn 250 VA);
- Điện áp đầu vào lớn nhất (vôn); và
- Tải đầu ra lớn nhất (ampe).
Sáu mẫu được sử dụng để thử nghiệm như sau:
Mẫu 1: Dòng 1
Mẫu 2: Dòng 2 và 3
Mẫu 3: Dòng 4 và 5
Mẫu 4: Dòng 6
Mẫu 5: Dòng 7
Mẫu 6: Dòng 8.
Nguồn điện cho các thử nghiệm phải có khả năng cung cấp tối thiểu 250 VA, trừ khi IC giới hạn dòng điện có thông số kỹ thuật thấp hơn hoặc được thử nghiệm trong sản phẩm cuối cùng.
Bảng D.11 - Chương trình kiểm tra hiệu suất cho IC giới hạn dòng điện
|
Hàng |
Hạng mục kiểm tra |
Điều kiện kiểm tra
|
Chu kỳ
|
Điều kiện nhiệt độ thiết bị °C a b c |
Điện áp kích hoạt thiết bị |
Điện áp đầu vào thiết bị
|
Tải đầu ra thiết bị (ampe) sang RTNd,e |
|
1 |
Khởi động |
Bật chốt – Chu kỳ |
10 000 |
25 |
Tắt thành Bật |
Lớn nhất (danh định) |
Lớn nhất (danh định) |
|
2 |
“ |
Bật chốt – Chu kỳ |
50 |
70 |
Tắt thành Bật |
Lớn nhất (danh định) |
0 Ω || 470 μF |
|
3 |
“ |
Bật chốt – Chu kỳ |
50 |
-30 |
Tắt thành Bật |
Lớn nhất (danh định) |
0 Ω || 470 μF |
|
4 |
“ |
Chốt nguồn đầu vào – Chu kỳ |
50 |
70 |
Bật |
Lớn nhất (danh định) |
0 Ω || 470 μF |
|
5 |
“ |
Chốt nguồn đầu vào – Chu kỳ |
50 |
-30 |
Bật |
Lớn nhất (danh định) |
0 Ω || 470 μF |
|
6 |
Ngắn mạch |
Chốt nguồn đầu ra – Ngắn mạch |
50 |
70 |
Bật |
Lớn nhất (danh định) |
Hở mạch sang 0 Ω (hở mạnh sang ngắn mạch) |
|
7 |
Quá tải |
Bật chốt – Chu kỳ |
50 |
25 |
Tắt thành Bật |
Lớn nhất (danh định) |
150 % Tối đa |
|
8 |
“ |
Chốt nguồn đầu vào – Chu kỳ |
50 |
25 |
Bật |
Lớn nhất (danh định) |
150 % Tối đa |
|
RTN = Trở lại || = Song song a Tma không được áp dụng b ± 2 oC c Mẫu có điều kiện 3 giờ trước khi kiểm tra d ± 20% e Tải phải được thực hiện thông qua một tụ điện danh định thích hợp và một dây dẫn song song cung cấp các đặc tính tương tự với tải điện trở không ohm (0 Ω) bị ngắn mạch. Giá trị điện áp danh định của tụ điện không được nhỏ hơn giá trị điện áp lớn nhất của linh kiện cần thử nghiệm |
|||||||
D.9.3. Tuân thủ tiêu chuẩn
Sau chương trình thử nghiệm, thiết bị phải giới hạn dòng điện phù hợp với đặc điểm kỹ thuật của nó (nếu có) hoặc thiết bị sẽ hở mạch. Thiết bị hở mạch được thay thế bằng mẫu mới và các thử nghiệm được tiếp tục (nếu có).
D.10. Điện trở
D.10.1. Yêu cầu chung
Đối với mỗi thử nghiệm trong phần này, mười mẫu điện trở được thử nghiệm. Một mẫu là một điện trở đơn lẻ (nếu được sử dụng một mình) hoặc một nhóm điện trở được sử dụng trong ứng dụng. Trước mỗi thử nghiệm, điện trở của các mẫu được đo theo điều kiện D.10.2.
D.10.2. Điều kiện
Các mẫu phải chịu thử nghiệm nhiệt độ, độ ẩm theo IEC 60068-2-78, với thông tin chi tiết sau:
- Nhiệt độ: (40 ± 2) 0C;
- Độ ẩm: (93 ± 3)% độ ẩm tương đối;
- Thời gian thử nghiệm: 2 ngày.
D.10.3. Thử nghiệm điện trở
Mỗi mẫu phải chịu 10 xung có cực tính xoay chiều, sử dụng mạch tạo xung thử nghiệm 2 của Bảng D.1. Khoảng thời gian giữa các xung liên tiếp là 60 s và Uc bằng điện áp chịu thử yêu cầu áp dụng.
Sau thử nghiệm, điện trở của mỗi mẫu không được thay đổi quá 10%. Không được lỗi
Giá trị điện trở thấp nhất trong số mười mẫu được thử nghiệm được sử dụng để đo dòng điện khi xác định sự phù hợp với Bảng D.4.
D.10.4. Thử nghiệm tăng điện áp
Mỗi mẫu phải chịu 50 lần phóng điện từ mạch tạo xung thử nghiệm 3 của Bảng A.1, với tốc độ không quá 12 lần phóng điện mỗi phút và Uc bằng 10 kV.
Sau các thử nghiệm, điện trở của mỗi mẫu không được thay đổi quá 20%. Không được lỗi.
D.10.5. Thử nghiệm xung
Mỗi mẫu chịu 10 xung từ mạch tạo xung thử nghiệm 1 của Bảng B.1, với Uc bằng 4 kV hoặc 5 kV của cực xoay chiều với khoảng giãn cách giữa các xung tối thiểu là 60 giây (xem Bảng 13).
Sau các thử nghiệm, điện trở của mỗi mẫu không được thay đổi quá 20%. Không được lỗi.
D.10.6. Thử nghiệm quá tải
Mỗi mẫu phải chịu một điện áp có giá trị sao cho dòng điện chạy qua nó gấp 1,5 lần giá trị đo được qua điện trở, có điện trở bằng giá trị danh định quy định, được lắp vào thiết bị, khi làm việc trong điều kiện lỗi đơn lẻ . Trong quá trình thử nghiệm, điện áp được giữ không đổi. Thử nghiệm được thực hiện cho đến khi đạt được trạng thái ổn định nhiệt.
Sau các thử nghiệm, điện trở của mỗi mẫu không được thay đổi quá 20%. Không được lỗi.
D.11. Tụ điện và khối RC
D.11.1. Tổng quan
Các yêu cầu dưới đây quy định tiêu chuẩn điều kiện khi thử nghiệm tụ điện và khối RC hoặc các thành phần rời tạo thành khối RC và đóng vai trò như là biện pháp bảo vệ, đồng thời cung cấp các tiêu chuẩn lựa chọn cho tụ điện và khối RC tuân theo IEC 60384-14.
D.11.2. Điều kiện của tụ điện và khối RC
Khi có yêu cầu trong 2.2.5.2.1, điều kiện sau được áp dụng khi đánh giá tụ điện hoặc khối RC theo các yêu cầu của IEC 60384-14.
Thời gian của thử nghiệm nhiệt độ, độ ẩm, trạng thái ổn định như quy định trong 4.12 của IEC 60384-14: 2005 phải là 21 ngày (48 giờ) ở nhiệt độ (40 ± 2) °C và độ ẩm tương đối là (93 ± 3)%.
Tụ điện chịu được thời gian dài hơn 21 ngày (48 giờ) trong quá trình thử nghiệm trên được coi là có thể chấp nhận được.
D.11.3. Quy tắc chọn tụ điện
Lớp phụ của tụ điện thích hợp phải được chọn từ các lớp được liệt kê trong Bảng D.12 và theo các quy tắc áp dụng trong bảng.
Bảng D.12 - Xếp hạng tụ điện theo IEC 60384-14
|
Phân lớp tụ điện theo IEC 60384-14 |
Điện áp danh định của tụ điện V RMS |
Thử nghiệm điển hình điện áp xung của tụ điện kV peak |
Thử nghiệm điển hình điện áp RMS của tụ điện kV RMS |
|
Y1 |
Lên đến và bao gồm 500 |
8 |
4 |
|
Y2 |
Lớn hơn 150 và bao gồm 300 |
5 a |
1.5 |
|
Y4 |
Lên đến và bao gồm 150 |
2.5 |
0.9 |
|
X1 |
Lên đến và bao gồm 760 |
4 a |
- |
|
X2 |
Lên đến và bao gồm 760 |
2.5 a |
- |
|
Quy tắc áp dụng bảng này. Điện áp danh định của tụ điện ít nhất phải bằng điện áp làm việc RMS qua cách điện được bắc cầu, được xác định theo 2.2.4.1.8.2. Ngoại lệ đối với các yêu cầu trong bảng, một tụ điện Y2 có thể được sử dụng trong trường hợp yêu cầu 2,5 kV. Đối với tụ điện đơn (loại X) dùng làm chức năng cách điện, sự cố của tụ điện không được dẫn đến hỏng bộ bảo vệ và kiểm tra mẫu điện áp xung ít nhất phải bằng điện áp chịu thử yêu cầu Có thể sử dụng tụ điện cấp cao hơn tụ điện được chỉ định, như sau: - lớp con Y1 nếu lớp con Y2 được chỉ định; - lớp con Y1 hoặc Y2 nếu lớp con Y4 được chỉ định; - lớp con Y1 hoặc Y2 nếu lớp con X1 được chỉ định; - lớp con X1, Y1 hoặc Y2 nếu lớp con X2 được chỉ định Hai hoặc nhiều tụ điện có thể được sử dụng nối tiếp thay cho tụ điện đơn được chỉ định, như sau: - lớp con Y1 hoặc Y2 nếu lớp con Y1 được chỉ định; - lớp con Y2 hoặc Y4 nếu lớp con Y2 được chỉ định; - lớp con X1 hoặc X2 nếu lớp con X1 được chỉ định. Nếu hai hoặc nhiều tụ điện được sử dụng nối tiếp, chúng phải tuân theo 2.2.5.2.1 khi có thể áp dụng và tuân theo các quy tắc khác ở trên. |
|||
|
a Đối với các giá trị điện dung lớn hơn 1 µF, điện áp thử nghiệm này được giảm đi một hệ số bằng C, trong đó C là giá trị điện dung tính bằng µF. |
|||
D.12. Bộ cách ly quang
Bộ cách ly quang phải phù hợp với các yêu cầu của IEC 60747-5-5: 2007. Khi áp dụng IEC 60747-5-5: 2007,
- Thử nghiệm điển hình như quy định trong 7.4.3 của IEC 60747-5-5: 2007 phải được thực hiện với điện áp Vini,a, điện áp này ít nhất phải bằng điện áp thử nghiệm thích hợp trong 2.2.4.9.1 của tài liệu này; và
- Thử nghiệm thường xuyên như quy định trong 7.4.1 của IEC 60747-5-5: 2007 phải được thực hiện với điện áp Vini,b, điện áp này ít nhất phải bằng điện áp thử nghiệm thích hợp trong 2.2.4.9.2 của tài liệu này.
D.13. Bảng mạch in
D.13.1. Tổng quan
Các yêu cầu đối với Cách điện chính, Cách điện phụ, cách điện tăng cường và Cách điện kép trên bảng mạch in được quy định dưới đây.
Các yêu cầu này cũng áp dụng cho các cuộn dây của máy biến áp phẳng.
D.13.2. Bảng mạch in không tráng phủ
Cách điện giữa các ruột dẫn trên bề mặt ngoài của bảng mạch in không tráng phủ phải tuân theo các yêu cầu về khe hở tối thiểu của 2.2.4.2 và các yêu cầu về chiều dài đường rò tối thiểu của 2.2.4.3.
Kiểm tra sự phù hợp bằng cách xem xét và bằng phép đo.
D.13.3. Bảng mạch in tráng phủ
Các yêu cầu về khoảng giãn cách phân tách trước khi bảng mạch phủ được quy định dưới đây.
Một phương pháp thay thế để đáp ứng các yêu cầu về bảng mạch in có phủ lớp phủ được nêu trong IEC 60664-3.
Đối với bảng mạch in có bề mặt bên ngoài được phủ bằng vật liệu phủ thích hợp, khoảng giãn cách tách biệt tối thiểu của Bảng D.13 áp dụng cho các bộ phận dẫn điện trước khi chúng được phủ.
Cách điện kép và cách điện tăng cường phải vượt qua các thử nghiệm thường xuyên về độ bền điện của 2.2.4.9.2.
Một hoặc cả hai bộ phận dẫn điện và toàn bộ khoảng giãn cách trên bề mặt giữa các bộ phận dẫn điện phải được phủ.
Phải áp dụng khe hở tối thiểu của 2.2.4.2 và khoảng giãn cách trượt tối thiểu của 2.2.4.3:
- Nếu các điều kiện trên không được đáp ứng;
- Giữa hai bộ phận dẫn điện không được tráng phủ bất kỳ; và
- Bên ngoài lớp phủ.
Kiểm tra sự phù hợp bằng cách xem xét và đo lường.
Bảng D.13 - Khoảng giãn cách tách biệt tối thiểu cho bảng mạch in tráng phủ
|
Đỉnh của điện áp làm việc (lên đến và bao gồm) V đỉnh |
Cách điện chính hoặc Cách điện phụ mm |
Cách nhiệt gia cố mm |
|
71a |
0,025 |
0,05 |
|
89a |
0,04 |
0,08 |
|
113a |
0,063 |
0,125 |
|
141a |
0,1 |
0,2 |
|
177a |
0,16 |
0,32 |
|
227a |
0,25 |
0,5 |
|
283a |
0,4 |
0,8 |
|
354a |
0,56 |
1,12 |
|
455a |
0,75 |
1,5 |
|
570 |
1,0 |
2,0 |
|
710 |
1,3 |
2,6 |
|
895 |
1,8 |
3,6 |
|
1135 |
2,4 |
3,8 |
|
1450 |
2,8 |
4,0 |
|
1770 |
3,4 |
4,2 |
|
2260 |
4,1 |
4,6 |
|
2830 |
5,0 |
5,0 |
|
3540 |
6,3 |
6,3 |
|
4520 |
8,2 |
8,2 |
|
5660 |
10 |
10 |
|
7070 |
13 |
13 |
|
8910 |
16 |
16 |
|
11310 |
20 |
20 |
|
14140 |
26 |
26 |
|
17700 |
33 |
33 |
|
22600 |
43 |
43 |
|
28300 |
55 |
55 |
|
35400 |
70 |
70 |
|
45200 |
86 |
86 |
|
Phép nội suy tuyến tính có thể được sử dụng giữa hai điểm gần nhất, khoảng giãn cách tính toán được làm tròn đến gia số 0,1 mm tăng lên. |
||
|
a Không bắt buộc thử nghiệm của D.13.6 |
||
D.13.5. Cách điện giữa các dây dẫn trên các bề mặt khác nhau
Các yêu cầu đối với cách nhiệt trên các lớp khác nhau của bảng nhiều lớp được quy định dưới đây.
Đối với lớp cách nhiệt cơ bản không có yêu cầu về độ dày.
Cách điện phụ hoặc cách điện tăng cường giữa các bộ phận dẫn điện trên các bề mặt khác nhau trong bảng mạch in một lớp hai mặt, bảng mạch in nhiều lớp và bảng mạch in lõi kim loại, phải có độ dày tối thiểu là 0,4 mm được cung cấp bởi một lớp hoặc phù hợp với một trong các thông số kỹ thuật và vượt qua các thử nghiệm liên quan trong Bảng D.14.
|
Đặc điểm kỹ thuật của vật liệu cách nhiệt |
Loại thử nghiệma |
Kiểm tra định kỳ về độ bền điệnc |
|
Hai lớp vật liệu cách nhiệt dạng tấm bao gồm cả lớp “pre-preg”b |
Không yêu cầu |
Có yêu cầu |
|
Ba hoặc nhiều lớp vật liệu cách nhiệt dạng tấm bao gồm cả lớp “pre-preg”b |
Không yêu cầu |
Không yêu cầu |
|
Hệ thống cách nhiệt với lớp phủ gốm trên nền kim loại, được xử lý ở nhiệt độ ≥ 500 °C |
Không yêu cầu |
Có yêu cầu |
|
Hệ thống cách nhiệt, với hai hoặc nhiều lớp phủ không phải là gốm trên nền kim loại, được xử lý ở nhiệt độ<500 ° C |
Có yêu cầu |
Có yêu cầu |
|
CHÚ THÍCH 1: “Pre-preg” là thuật ngữ được sử dụng cho một lớp vải thủy tinh được ngâm tẩm với nhựa đã đóng rắn một phần. CHÚ THÍCH 2: Để biết định nghĩa về gốm, xem IEC 60050-212: 2010, 212-15-25. |
||
|
a Điều hòa nhiệt độ của E.13.6.2 sau đó là thử nghiệm độ bền điện của 2.2.4.9.1. b Các lớp được tính trước khi đóng rắn. c Kiểm tra độ bền điện được thực hiện trên bảng mạch in thành phẩm. |
||
D.13.6. Kiểm tra trên bảng mạch in đã được tráng
D.13.6.1. Chuẩn bị mẫu và kiểm tra sơ bộ
Cần có ba bảng mạch in mẫu (hoặc đối với các thành phần được phủ trong D.14, hai thành phần và một bảng mạch) được xác định là mẫu 1, 2 và 3. Có thể sử dụng các bảng mạch thực tế hoặc các mẫu được sản xuất đặc biệt với lớp phủ đại diện và các khoảng phân cách tối thiểu. Mỗi bảng mạch mẫu phải đại diện cho các khoảng phân cách tối thiểu được sử dụng và được phủ. Mỗi mẫu đều phải tuân theo trình tự đầy đủ của các quy trình sản xuất, bao gồm cả quá trình hàn vàlàm sạch, mà nó thường được thực hiện trong quá trình lắp ráp thiết bị.
Khi được kiểm tra bằng mắt thường, các bảng mạch không có dấu hiệu về lỗ kim hoặc bong bóng trong lớp phủ hoặc bị đứt các rãnh dẫn điện ở các góc.
D.13.6.2. Phương pháp kiểm tra và tuân thủ tiêu chuẩn
Mẫu 1 phải tuân theo trình tự chu kỳ nhiệt của 2.2.4.1.5.3.
Mẫu 2 được ủ trong tủ sấy hoàn toàn ở nhiệt độ và trong khoảng thời gian được chọn từ đồ thị trong Hình D.3 sử dụng đường chỉ số nhiệt độ tương ứng với nhiệt độ hoạt động tối đa của bảng mạch đã được phủ. Nhiệt độ của lò được duy trì ở nhiệt độ quy định ± 2 ºC. Nhiệt độ được sử dụng để xác định đường chỉ số nhiệt độ là nhiệt độ cao nhất trên bảng mạch có thể an toàn.
Khi sử dụng Hình D.3, có thể sử dụng phép nội suy giữa hai đường chỉ số nhiệt độ gần nhất.

Hình D.3 - Thời gian lão hóa nhiệt
Sau đó, bảng mạch mẫu 1 và 2 được điều chỉnh độ ẩm theo 2.3.4.8 và phải chịu được thử nghiệm độ bền điện của 2.3.4.9.1 giữa các ruột dẫn.
Bảng mạch mẫu 3 phải chịu thử nghiệm độ bền mài mòn sau:
Các vết xước được thực hiện trên năm cặp bộ phận dẫn điện và các phần ngăn cách xen kẽ nhau tại các điểm mà các điểm phân tách sẽ chịu độ dốc tiềm ẩn lớn nhất trong quá trình thử nghiệm.
Các vết xước được thực hiện bằng một chốt thép cứng, đầu của chốt có dạng hình nón có góc với đỉnh là 40 °, đầu của nó được làm tròn và đánh bóng, với bán kính 0,25 mm ± 0,02 mm.
Vết xước được thực hiện bằng cách kéo chốt dọc theo bề mặt theo mặt phẳng vuông góc với các cạnh ruột dẫn với tốc độ 20 mm/s ± 5 mm/s như trong Hình D.4. Chốt chịu tải đến mức lực tác dụng dọc theo trục của nó là 10 N ± 0,5 N. Các vết xước phải cách nhau ít nhất 5 mm và cách mép mẫu ít nhất 5 mm.

CHÚ THÍCH: Chốt nằm trong mặt phẳng ABCD vuông góc với mẫu thử.
Hình D.4 - Kiểm tra độ bền mài mòn cho các lớp sơn
Sau thử nghiệm, lớp sơn phủ không được nới lỏng hoặc không bị xuyên thủng. Lớp phủ phải chịu được thử nghiệm độ bền điện như quy định trong 2.2.4.9.1 giữa các ruột dẫn. Trong trường hợp bảng mạch in lõi kim loại, chất nền là một trong những chất dẫn điện.
Nếu ứng suất cơ học hoặc sự uốn cong được đặt lên bảng mạch, có thể cần các thử nghiệm bổ sung để xác định vết nứt (xem IEC 60664-3)
D.14. Lớp phủ trên các đầu nối linh kiện
D.14.1. Yêu cầu
Các yêu cầu đối với lớp phủ trên các đầu nối linh kiện và các loại tương tự, trong đó lớp phủ được sử dụng để giảm khe hở và chiều dài đường rò được quy định dưới đây.
Các lớp phủ có thể được sử dụng cho các đầu bên ngoài của các linh kiện để tăng hiệu quả khe hở và chiều dài đường rò (xem Hình M.11). Các khoảng giãn cách nhỏ nhất của Bảng D.13 áp dụng cho linh kiện trước khi sơn phủ và lớp phủ phải đáp ứng tất cả các yêu cầu của E.13.3. Việc bố trí cơ học và độ cứng của các đầu nối phải phù hợp để đảm bảo rằng, trong quá trình xử lý bình thường, lắp ráp vào thiết bị và sử dụng sau đó, các đầu nối sẽ không bị biến dạng làm nứt lớp phủ hoặc giảm khoảng giãn cách tách biệt giữa các bộ phận dẫn điện dưới giá trị trong Bảng D.13 (xem D.13.3)
D.14.2. Phương pháp kiểm tra và tuân thủ tiêu chuẩn
Sự tuân thủ được kiểm tra bằng cách xem xét Hình M.11 và bằng cách áp dụng trình tự thử nghiệm nêu trong D.13.6. Các thử nghiệm này được thực hiện trên một lắp ráp hoàn chỉnh bao gồm (các) linh kiện.
Thử nghiệm độ bền mài mòn của E.13.6.2 được thực hiện trên bảng mạch in mẫu, được chuẩn bị đặc biệt như mô tả cho mẫu 3 trong D.13.6.1, ngoại trừ việc ngăn cách giữa các bộ phận dẫn điện phải đại diện cho khoảng giãn cách nhỏ nhất và độ dốc điện thế lớn nhất được sử dụng trong lắp ráp.
D.15. Bộ phận chứa đầy chất lỏng có áp suất
D.15.1. Yêu cầu
LFC đặt bên trong thiết bị phải tuân thủ tất cả các yêu cầu sau:
- Chất lỏng dễ cháy hoặc dẫn điện phải được bảo quản trong bình chứa, và LFC phải tuân theo các thử nghiệm của D.15.2.3, D.15.2.4, D.15.2.5 và D.15.2.6;
- Các bộ phận phi kim loại của hệ thống bình chứa phải chịu được các thử nghiệm của D.15.2.1 và D.15.2.2; và
- LFC phải được lắp bên trong thiết bị sao cho ống không tiếp xúc với các cạnh sắc hoặc bất kỳ bề mặt nào khác có thể làm hỏng ống và nếu LFC bùng nổ hoặc giảm áp suất của nó, chất lỏng không thể làm hỏng một biện pháp bảo vệ.
Thứ tự của các bài thử nghiệm không được chỉ định. Các thử nghiệm có thể được thực hiện trên các mẫu riêng biệt, ngoại trừ sau thử nghiệm của D.15.2.2, thử nghiệm của E.15.2.1 được tiến hành
D.15.2. Phương pháp thử nghiệm và tuân thủ tiêu chuẩn.
D.15.2.1. Thử nghiệm áp suất thủy tĩnh
Sự phù hợp được kiểm tra bằng cách đánh giá dữ liệu có sẵn hoặc bằng thử nghiệm sau. LFC tiếp xúc với khí quyển hoặc không có áp suất (ví dụ: hộp mực) không phải là đối tượng của thử nghiệm này.
Một mẫu LFC phải chịu một thử nghiệm áp suất thủy tĩnh trong 2 phút ở nhiệt độ phòng và ở áp suất cao nhất trong số những điều sau:
- Ba lần áp suất làm việc lớn nhất do nhà chế tạo quy định ở nhiệt độ lớn nhất đo được trong điều kiện làm việc bình thường; và
- Hai lần áp suất làm việc lớn nhất đo được ở nhiệt độ lớn nhất trong quá trình áp dụng các điều kiện làm việc không bình thường của A.3 và các điều kiện sự cố đơn lẻ của A.4.
D.15.2.2. Thử nghiệm khả năng chống đường rò
Hai mẫu LFC, trong đó có một hoặc nhiều bộ phận được làm bằng vật liệu phi kim loại, phải được sấy khô trong 14 ngày ở nhiệt độ 87 °C và được đặt trong lò sấy không khí lưu thông hoàn toàn. Sau khi sấy, hệ thống phải tuân theo thử nghiệm của D.15.2.1 và các bộ phận phi kim loại không được có dấu hiệu hư hỏng như nứt và lún.
D.15.2.3. Thử nghiệm tính tương thích của ống và phụ kiện
Mười mẫu của các mẫu thử được làm bằng vật liệu sử dụng cho ống và các phụ kiện đi kèm của LFC, trong đó một hoặc nhiều bộ phận được làm bằng vật liệu phi kim loại, sẽ được thử độ bền kéo theo tiêu chuẩn ISO 527. Năm mẫu thử phải được thử nghiệm trong điều kiện như đã nhận và năm mẫu thử còn lại sau thử nghiệm sấy 40 ngày trong nồi cách thủy chứa đầy chất lỏng dự định và duy trì ở 38 °C. Áp suất bên trong của các cụm được duy trì ở áp suất khí quyển. Độ bền kéo sau khi ổn định không được nhỏ hơn 60% độ bền kéo trước khi thử nghiệm.
Ngoài ra, năm mẫu của cụm LFC đã hoàn thiện có thể được thử nghiệm miễn là bộ phận được thử nghiệm phù hợp với thử nghiệm độ bền kéo. Các mẫu lắp ráp hoàn chỉnh chứa đầy chất lỏng dự định, áp suất bên trong duy trì ở áp suất khí quyển, được sấy trong 40 ngày ở 38 °C trong trong một lò sấy không khí lưu thông hoàn toàn.
D.15.2.4. Thử nghiệm độ rung
Một mẫu LFC, hoặc thiết bị chứa LFC, phải được gắn chặt vào bộ tạo rung ở vị trí sử dụng bình thường của nó, như quy định trong IEC 60068-2-6, bằng vít, kẹp hoặc dây đai quanh linh kiện. Hướng của dao động là theo phương thẳng đứng và các mức độ thử nghiệm là:
- Thời lượng: 30 phút;
- Biên độ: 0,35 mm;
- Dải tần: 10 Hz, 55 Hz, 10 Hz;
- Tốc độ quét: khoảng một quãng tám mỗi phút
D.15.2.5. Thử nghiệm đạp xe nhiệt
Một mẫu LFC phải chịu ba chu kỳ sấy trong 7 h ở nhiệt độ cao hơn 10 °C so với nhiệt độ tối đa thu được trong điều kiện vận hành bình thường, điều kiện vận hành không bình thường của A.3 và các điều kiện sự cố đơn lẻ của A.4, tiếp theo là nhiệt độ phòng trong 1 h.
CHÚ THÍCH: LFC không được cấp điện trong quá trình thử nghiệm trên
D.15.2.6. Thử nghiệm lực
Một mẫu LFC phải chịu các thử nghiệm của Q.2 (thử nghiệm 10 N áp dụng cho phụ kiện có thể tiếp cận được với người có tay nghề và Q.3 (thử nghiệm 30 N áp dụng cho phụ kiện có thể tiếp cận được với người được hướng dẫn hoặc người bình thường.
D.15.3. Tuân thủ tiêu chuẩn
Sự phù hợp được kiểm tra bằng cách xem xét và đánh giá dữ liệu được cung cấp bởi nhà sản xuất hoặc bằng các thử nghiệm của D.15.2. Trong và sau các thử nghiệm này, không được đứt, không bị rò rỉ và không được nới lỏng bất kỳ kết nối hoặc bộ phận nào.
D.16. IC bao gồm chức năng xả tụ điện (ICX)
D.16.1. Yêu cầu
ICX và bất kỳ thành phần liên quan nào quan trọng đối với chức năng phóng điện của tụ điện (chẳng hạn như tụ điện nguồn) tới bộ phận có thể chạm tới được đều được thử nghiệm lỗi trừ khi đáp ứng một trong các điều kiện sau:
- ICX với mạch liên kết như được cung cấp trong thiết bị phù hợp với các thử nghiệm của D.16.2. Bất kỳ thành phần nào làm suy giảm xung (chẳng hạn như biến thể và GDT) làm suy giảm xung tới ICX và mạch liên kết đều bị ngắt kết nối; hoặc là
- ICX được thử nghiệm riêng phù hợp với các yêu cầu của D.16.2. Nếu các thành phần xả bên ngoài ICX là cần thiết:
● Chúng phải được đưa vào thử nghiệm của D.16.2, và
● Các thành phần phóng điện được sử dụng trong thiết bị phải nằm trong phạm vi được thử nghiệm.
D.16.2. Thử nghiệm
Trong trường hợp ICX được thử nghiệm bởi chính nó, thì việc thiết lập thử nghiệm phải theo khuyến nghị của nhà sản xuất ICX.
- Xử lý độ ẩm 5.4.8 trong 120 h.
- 100 xung dương và 100 xung âm giữa đường dây và trung tính sử dụng tụ điện có điện dung nhỏ nhất và điện trở có điện trở nhỏ nhất do nhà sản xuất ICX quy định. Thời gian giữa hai xung bất kỳ không được nhỏ hơn 1 s. Xung phải như quy định trong mạch 2 của Bảng B.1 với Uc bằng điện áp quá độ được xác định trong 2.2.4.2.3.2.2.
Các xung phải được chồng lên điện áp nguồn. Điện áp nguồn được coi là tối đa của:
● Dải điện áp danh định của thiết bị khi được thử nghiệm trong thiết bị, hoặc
● Điện áp nguồn tối đa theo quy định của nhà sản xuất ICX khi được thử nghiệm riêng.
- Đặt điện áp nguồn xoay chiều bằng 120% điện áp danh định trong 2,5 phút.
- 10 000 chu kỳ kết nối và ngắt kết nối nguồn điện. Nếu ICX được thử nghiệm bằng chính nó, thì phải sử dụng tụ điện có điện dung lớn nhất và điện trở có điện trở nhỏ nhất theo quy định của nhà sản xuất. Thời gian chu kỳ kết nối và ngắt kết nối không được nhỏ hơn 2 giây.
Nếu bất kỳ thành phần mạch liên quan nào (khác với những thành phần quan trọng đối với chức năng phóng điện) bị lỗi thì có thể được thay thế bằng một thành phần mới.
D.16.3. Tuân thủ tiêu chuẩn
Sự phù hợp được kiểm tra bằng cách đánh giá các dữ liệu có sẵn hoặc bằng cách tiến hành các thử nghiệm ở trên.
Thử nghiệm phóng điện của tụ điện được tiến hành sau các thử nghiệm trên, đảm bảo ICX hoặc EUT (được cung cấp cùng với ICX) tiếp tục cung cấp chức năng bảo vệ.
CHÚ THÍCH: Đánh giá dữ liệu có sẵn bao gồm thông tin về sự cố của bất kỳ thành phần mạch điện nào liên quan giữ cho chế độ phóng điện ở chế độ bật /dừng.
Tiêu chí đối với tín hiệu chuông điện thoại
E.1. Yêu cầu chung
Hai phương pháp thay thế được mô tả trong phụ lục này phản ánh kinh nghiệm thực tế ở các khu vực khác nhau trên thế giới. Phương pháp A là điển hình của các mạng điện thoại tương tự ở châu Âu và Phương pháp B của các mạng ở Bắc Mỹ. Hai phương pháp dẫn chiếu đến các tiêu chuẩn về an toàn điện tương đương nhau.
E.2. Phương pháp A
Phương pháp này yêu cầu dòng điện ITS1 và ITS2 chạy qua điện trở 5 000 Ω, giữa hai dây dẫn bất kỳ hoặc giữa một dây dẫn và đất bảo vệ không vượt quá các giới hạn được chỉ định, như sau:
a) Đối với điều kiện hoạt động bình thường, ITS1, dòng điện được xác định từ tính toán hoặc dòng điện đo được cho bất kỳ chu kỳ đổ chuông hoạt động đơn lẻ nào t1 (như được xác định trong Hình E.1), không vượt quá:
- Đối với chuông có rãnh (t1 <
), dòng điện cho bởi đường cong của Hình H.2 tại t1;
- Để đổ chuông liên tục (t1 =), 16 mA.
ITS1, đơn vị mA, được tính như sau:
|
|
Với (t1 ≤ 600 ms) |
|
|
Với ( 600 ms < t1 < 1200 ms) |
|
|
Với (t1 ≥ 1200 ms) |
Trong đó,
Ip là dòng điện đỉnh, tính theo mA, của dạng sóng tương ứng trong Hình E.3
Ipp là dòng điện đỉnh – đỉnh, tính theo mA, của dạng sóng tương ứng trong Hình E.3
t1 được tính theo ms
b) Đối với các điều kiện hoạt động bình thường, ITS2, dòng điện trung bình cho các cụm lặp lại của tín hiệu đổ chuông có rãnh được tính toán cho một chu kỳ nhịp đổ chuông t2 (như được định nghĩa trong Hình E.1), không vượt quá 16 mA RMS.
ITS2 tính theo đơn vị mA được tính bằng

Trong đó,
ITS1 tính bằng mA, mô tả như trong H.2.a);
Idc là dòng điện một chiều tính bằng mA chạy qua điện trở 5 000 Ω trong khoảng thời gian không hoạt động của chu kỳ nhịp;
t1 và t2 được biểu thị bằng ms.
CHÚ THÍCH: Tần số của điện áp đổ chuông điện thoại thường nằm trong phạm vi từ 14 Hz đến 50 Hz.
c) Trong các điều kiện sự cố đơn lẻ, bao gồm cả trường hợp đổ chuông liên tục:
- ITS1 không được vượt quá mô tả bởi đường cong trong Hình H.2, hoặc 20 mA, chọn giá trị lớn hơn; và
- ITS2 không được vượt quá giới hạn 20 mA

Hình E.1 - Ví dụ về chu kỳ (f1) và nhịp chuông (f2) chuông

Hình E.2 - Giới hạn nhịp chuông

Hình E.3 - Dòng đỉnh, dòng đỉnh – đỉnh
E.3. Phương pháp B
E.3.1. Tín hiệu đổ chuông
E.3.1.1. Tần số
Tín hiệu đổ chuông chỉ được sử dụng các tần số có thành phần cơ bản bằng hoặc nhỏ hơn 70 Hz.
E.3.1.2. Điện áp
Điện áp đổ chuông phải nhỏ hơn 300 V từ đỉnh tới đỉnh và nhỏ hơn 200 V đối với đất, được đo trên điện trở ít nhất là 1 MΩ.
E.3.1.3. nhịp
Điện áp đổ chuông phải được ngắt để tạo ra các khoảng thời gian yên lặng trong khoảng thời gian ít nhất là 1 s, cách nhau không quá 5 s. Trong khoảng thời gian yên tĩnh, điện áp nối đất không được vượt quá 60 V DC.
E.3.1.4. Dòng sự cố đơn
Trong trường hợp đổ chuông liên tục trở nên liên tục do một lỗi đơn lẻ, thì dòng điện qua điện trở 5 000 Ω được nối giữa hai dây dẫn đầu ra bất kỳ hoặc giữa một dây dẫn đầu ra và đất không được vượt quá 56,5 mA từ đỉnh đến đỉnh, như thể hiện trong Hình E.3.
E.3.2. Thiết bị cắt và điện áp giám sát
E.3.2.1. Điều kiện sử dụng thiết bị vấp hoặc điện áp giám sát
Một mạch tín hiệu đổ chuông phải bao gồm một thiết bị ngắt nhịp như quy định trong H.3.2.2, hoặc cung cấp một chức năng giám sát điện áp như quy định trong E.3.2.3, hoặc cả hai, tùy thuộc vào dòng điện qua một điện trở xác định được nối giữa bộ tạo tín hiệu đổ chuông và đất, như sau:
- Nếu dòng điện qua điện trở 500 Ω hoặc lớn hơn không vượt quá 100 mA từ đỉnh đến đỉnh, thì không cần thiết bị ngắt và điện áp giám sát;
- Nếu dòng điện qua điện trở 1 500 Ω hoặc lớn hơn vượt quá đỉnh-đỉnh 100 mA, thì phải có một thiết bị gây vấp. Nếu thiết bị vấp đáp ứng các tiêu chí về chuyến đi được quy định trong Hình H.4 với R ≥ 500 Ω, thì không cần điện áp giám sát. Tuy nhiên, nếu thiết bị vấp chỉ đáp ứng các tiêu chí chuyến đi với R ≥ 1 500 Ω, thì điện áp giám sát cũng phải được cung cấp;
- Nếu dòng điện qua điện trở 500 Ω hoặc lớn hơn vượt quá 100 mA từ đỉnh đến đỉnh, nhưng dòng điện qua điện trở 1 500 Ω hoặc lớn hơn không vượt quá giá trị này, thì:
• Một thiết bị vấp phải được cung cấp, đáp ứng các tiêu chí chuyến đi được quy định trong Hình H.4 với R ≥ 500 Ω, hoặc
• Phải cung cấp điện áp giám sát.
CHÚ THÍCH 1: Nói chung, các thiết bị ngắt nhạy cảm với dòng điện và không có đáp tuyến tuyến tính, do đặc tính điện trở / dòng điện và hệ số đáp ứng / trễ thời gian trong thiết kế của chúng.
CHÚ THÍCH 2: Để giảm thiểu thời gian thử nghiệm, hộp điện trở phi tuyến thường được sử dụng.

E.3.2.2. Thiết bị trượt
Một thiết bị ngắt nhịp nối tiếp nhạy cảm với dòng điện trong vành khuyên sẽ phát chuông như quy định trong Hình E.4.
E.3.2.3. Giám sát điện áp
Điện áp chạm đất trên đầu hoặc vòng dây dẫn có cường độ cực đại ít nhất là 19 V, nhưng không vượt quá 60 V một chiều, bất cứ khi nào không có điện áp đổ chuông (trạng thái không tải)
Phụ lục G
(Tham khảo)
Danh mục quá điện áp (theo IEC 60364-4-44)
Khái niệm danh mục quá điện áp được sử dụng cho thiết bị được cấp điện trực tiếp từ nguồn điện xoay chiều.
Điện áp quá độ lớn nhất có thể gặp phải ở giao diện đầu vào nguồn của thiết bị được kết nối với nguồn lưới được gọi là điện áp quá độ nguồn lưới. Trong tài liệu này, khe hở tối thiểu đối với cách điện trong mạch nối với nguồn điện dựa trên điện áp quá độ của nguồn lưới.
Theo IEC 60664-1, giá trị của điện áp quá độ nguồn được xác định từ điện áp nguồn và Danh mục quá điện áp, I đến IV.
Do đó, loại quá điện áp phải được xác định cho từng thiết bị được thiết kế để nối với nguồn điện (xem Bảng I.1).
Các danh mục quá điện áp có hàm ý xác suất hơn là ý nghĩa về sự suy giảm vật lý của điện áp quá độ ở hạ lưu trong quá trình lắp đặt.
CHÚ THÍCH 1: Khái niệm về danh mục quá điện áp này được sử dụng trong mục 443 của IEC 60364-4-44: 2007.
CHÚ THÍCH 2: Thuật ngữ danh mục quá điện áp trong tài liệu này đồng nghĩa với danh mục chịu xung được sử dụng trong mục 443 của IEC 60364-4-44: 2007.
Thuật ngữ danh mục quá điện áp không được sử dụng liên quan đến hệ thống phân phối nguồn DC trong tài liệu này.
|
Phân loại |
Thiết bị và điểm kết nối với nguồn AC |
Ví dụ |
|
IV |
Thiết bị sẽ được kết nối với điểm mà nguồn điện chính đi vào tòa nhà |
Thiết bị đo điện Thiết bị công nghệ thông tin cho việc đo điện từ xa |
|
III |
Thiết bị sẽ là một phần không thể thiếu của tòa nhà dây điện |
Ổ cắm, bảng cầu chì và chuyểnn bảng Thiết bị giám sát nguồn điện |
|
II |
Thiết bị có thể cắm vào hoặc được kết nối vĩnh viễn sẽ được cung cấp từ hệ thống dây điện của tòa nhà |
Ứng dụng gia đình, thiết bị cầm tay, thiết bị điện gia dụng Phần lớn các thiết bị ITE trong tòa nhà |
|
I |
Thiết bị sẽ được kết nối với nguồn điện đặc biệt trong những biện pháp nào đã được thực hiện để giảm quá độ |
Thiết bị ITE được cấp nguồn từ bên ngoài |
Phụ lục H
(Quy định)
Dây quấn cách điện không có các lớp cách điện xen kẽ
H.1. Yêu cầu chung
Yêu cầu đối với dây quấn mà cách điện có thể được sử dụng để cung cấp Cách điện chính, Cách điện phụ, cách điện kép hoặc cách điện tăng cường trong các bộ phận quấn không có cách điện xen kẽ được quy định dưới đây.
Phụ lục này áp dụng cho:
- Dây quấn tròn đặc có đường kính từ 0,01 mm đến 5,0 mm và dây quấn bện có tiết diện tương đương; và
- Dây quấn đặc hình vuông và hình chữ nhật đặc (uốn phẳng) có tiết diện từ 0,03 mm2 đến 19,6 mm2.
H.2. Thử nghiệm điển hình
H.2.1. Yêu cầu chung
Trừ khi có quy định khác, dây quấn phải vượt qua các thử nghiệm điển hình sau đây, được thực hiện ở nhiệt độ từ 15 ° C đến 35 ° C và độ ẩm tương đối từ 45% đến 75%.
H.2.2. Độ bền điện
H.2.2.1. Dây quấn tròn đặc và dây quấn bện
H.2.2.1.1. Dây có đường kính ruột dẫn danh nghĩa đến và bao gồm 0,1 mm
Mẫu thử được chuẩn bị theo 4.3 của IEC 60851-5: 2008. Mẫu vật sau đó là
Chịu thử nghiệm độ bền điện của 2.2.4.9.1, giữa ruột dẫn của dây dẫn và ống trụ, với điện áp thử nghiệm tối thiểu là:
- 3 kV RMS hoặc đỉnh 4,2 kV đối với cách điện tăng cường; hoặc là
- 1,5 kV RMS hoặc đỉnh 2,1 kV đối với Cách điện chính hoặc Cách điện phụ.
H.2.2.1.2. Dây có đường kính ruột dẫn danh nghĩa trên 0,1 mm đến 2,5 mm
Mẫu thử được chuẩn bị theo 4.4.1 của IEC 60851-5: 2008. Mẫu vật sau đó chịu thử nghiệm độ bền điện của 2.2.4.9.1 với điện áp thử nghiệm không nhỏ hơn hai lần điện áp thích hợp của 2.2.4.9.1, tối thiểu là:
- RMS 6 kV hoặc đỉnh 8,4 kV đối với cách điện tăng cường; hoặc là
- Đỉnh 3 kV RMS hoặc 4,2 kV đối với Cách điện chính hoặc Cách điện phụ.
H.2.2.1.3. Dây có đường kính ruột dẫn danh nghĩa trên 2,5 mm
Mẫu thử được chuẩn bị theo 4.5.1 của IEC 60851-5: 2008. Sau đó, mẫu thử phải chịu thử nghiệm độ bền điện của 2.2.4.9.1 giữa ruột dẫn của dây dẫn và tấm bắn, với điện áp thử nghiệm tối thiểu là:
- 3 kV RMS hoặc đỉnh 4,2 kV đối với cách điện tăng cường; hoặc là
- 1,5 kV RMS hoặc đỉnh 2,1 kV đối với Cách điện chính hoặc Cách điện phụ.
H.2.2.2. Dây hình vuông hoặc hình chữ nhật
Mẫu thử nghiệm được chuẩn bị theo 4.7.1 của IEC 60851-5: 2008 (ruột dẫn đơn được bao bọc bởi các tấm chụp kim loại). Sau đó, mẫu thử phải chịu thử nghiệm độ bền điện của 2.2.4.9.1, với điện áp thử nghiệm tối thiểu là:
- 3 kV RMS hoặc đỉnh 4,2 kV đối với cách điện tăng cường; hoặc là
- 1,5 kV RMS hoặc đỉnh 2,1 kV đối với Cách điện chính hoặc Cách điện phụ.
H.2.3. Tính linh hoạt và tính tuân thủ
Sử dụng Điều 5.1.1 (trong Thử nghiệm 8) của IEC 60851-3: 2009, sử dụng đường kính trục của Bảng H.1.
Sau đó, mẫu thử nghiệm được kiểm tra theo 5.1.1.4 của IEC 60851-3: 2009, tiếp theo là thử nghiệm độ bền điện của 2.2.4.9.1 trong tài liệu này, với điện áp thử nghiệm tối thiểu là:
- 3 kV RMS hoặc đỉnh 4,2 kV đối với cách điện tăng cường; hoặc là
- 1,5 kV RMS hoặc đỉnh 2,1 kV đối với Cách điện chính hoặc Cách điện phụ.
Điện áp thử nghiệm được đặt giữa dây và trục gá.
|
Đường kính hoặc độ dày ruột dẫn danh định (mm) |
Đường kính trục gá (mm) |
|
Dưới 0.35 |
4,0 ± 0,2 |
|
Dưới 0.5 |
6,0 ± 0,2 |
|
Dưới 0.75 |
8,0 ± 0,2 |
|
Dưới 2.5 |
10,0 ± 0,2 |
|
Dưới 5 |
Bốn lần đường kính hoặc độ dày ruột dẫn danh định |
|
Theo IEC 60317-43 |
|
Lực căng tác dụng lên dây trong quá trình quấn trên trục gá được tính từ đường kính dây tương đương với 118 MPa ± 10% (118 N / mm2 ± 10%).
Không bắt buộc phải uốn theo chiều dọc ở cạnh có kích thước nhỏ hơn (chiều rộng) đối với dây hình chữ nhật.
Đối với thử nghiệm cuộn dây trục quay của dây hình vuông và hình chữ nhật, hai vòng dây liền nhau không cần tiếp xúc với nhau.
H.2.4. Sốc nhiệt
Mẫu thử nghiệm phải được chuẩn bị theo 5.1.1 (trong Thử nghiệm 8) của IEC 60851-3: 2009, tiếp theo là thử nghiệm độ bền điện của 2.2.4.9.1 trong tài liệu này, với điện áp thử nghiệm tối thiểu là:
- 3 kV RMS hoặc đỉnh 4,2 kV đối với cách điện tăng cường; hoặc là
- 1,5 kV RMS hoặc đỉnh 2,1 kV đối với Cách điện chính hoặc Cách điện phụ.
Điện áp thử nghiệm được đặt giữa dây và trục gá. Nhiệt độ lò là nhiệt độ liên quan của cấp cách nhiệt trong Bảng H.2. Đường kính trục gá và lực căng tác dụng lên dây trong quá trình quấn trên trục gá được quy định trong H.2.3. Thử nghiệm độ bền điện được tiến hành ở nhiệt độ phòng sau khi lấy ra khỏi lò.
|
Cấp chịu nhiệt |
Cấp 105 (A) |
Cấp 120 (E) |
Cấp 130 (B) |
Cấp 155 (F) |
Cấp 180 (H) |
Cấp 200 (N) |
Cấp 220 (R) |
Cấp 250 - |
|
Nhiệt độ lò |
200 |
215 |
225 |
250 |
275 |
295 |
315 |
345 |
|
Nhiệt độ lò phải được duy trì trong khoảng ± 5 ° so với nhiệt độ quy định. Các lớp liên quan đến việc phân loại vật liệu cách điện và EIS theo tiêu chuẩn IEC 60085. Các ký hiệu chữ cái được chỉ định được ghi trong ngoặc đơn |
||||||||
Không bắt buộc phải uốn theo chiều dọc ở cạnh có kích thước nhỏ hơn (chiều rộng) đối với dây hình chữ nhật.
H.2.5. Duy trì cường độ điện sau khi uốn
Năm mẫu thử được chuẩn bị như trong H.2.3 và được thử nghiệm như sau. Mỗi mẫu thử được lấy ra khỏi trục gá, đặt vào hộp đựng và định vị sao cho có thể bao quanh ít nhất 5 mm bắn kim loại. Các đầu của ruột dẫn trong mẫu thử phải đủ dài để tránh hiện tượng chớp cháy. Bắn phải có đường kính không quá 2 mm và phải bao gồm các viên bi bằng thép không gỉ, niken hoặc sắt mạ niken. Thuốc bắn được rót nhẹ vào vật chứa cho đến khi mẫu thử được bao phủ bởi lớp bắn ít nhất 5 mm. Vết bắn phải được làm sạch định kỳ bằng dung môi thích hợp.
CHÚ THÍCH: Quy trình thử nghiệm trên được sao chép từ 4.6.1 c) của IEC 60851-5: 1996, hiện đã được rút lại. Nó không có trong phiên bản thứ tư (2008) của tiêu chuẩn đó.
Mẫu thử phải chịu thử nghiệm độ bền điện của 2.2.4.9.1, với điện áp thử nghiệm tối thiểu là:
- 3 kV RMS hoặc đỉnh 4,2 kV đối với cách điện tăng cường; hoặc là
- 1,5 kV RMS hoặc đỉnh 2,1 kV đối với Cách điện chính hoặc Cách điện phụ.
Đường kính trục gá và lực căng tác dụng lên dây trong quá trình quấn trên trục gá như trong Bảng H.1.
H.3. Kiểm tra trong quá trình sản xuất
H.3.1. Yêu cầu chung
Nhà sản xuất dây dẫn phải thử nghiệm tia lửa trong quá trình sản xuất theo IEC 62230 như quy định trong H.3.2 và H.3.3.
H.3.2. Kiểm tra tia lửa
Điện áp thử nghiệm đối với thử nghiệm tia lửa điện phải phù hợp với thử nghiệm độ bền điện của 2.2.4.9.1, với giá trị tối thiểu là:
- 3 kV RMS hoặc đỉnh 4,2 kV đối với cách điện tăng cường; hoặc là
- 1,5 kV RMS hoặc đỉnh 2,1 kV đối với Cách điện chính hoặc Cách điện phụ.
H.3.3. Thử nghiệm lấy mẫu
Thử nghiệm lấy mẫu phải được tiến hành theo thử nghiệm thích hợp quy định trong H.2.2
Phụ lục I
(Quy định)
Khóa liên động an toàn
I.1. Yêu cầu chung
I.1.1. Yêu cầu chung
Khóa liên động an toàn phải được thiết kế sao cho đối với một người bình thường, các nguồn năng lượng loại 2 và cấp 3 sẽ được tháo ra trước khi nắp, cửa, v.v. ở vị trí mà các bộ phận đó có thể tiếp cận được như nguồn năng lượng loại 1.
Khóa liên động an toàn phải được thiết kế sao cho đối với người được hướng dẫn, các nguồn năng lượng loại 3 sẽ được tháo ra trước khi nắp, cửa, v.v. ở vị trí mà bộ phận này có thể tiếp cận được như nguồn năng lượng loại 2 trở xuống.
Khóa liên động sẽ:
- Yêu cầu ngắt điện trước đó của các bộ phận đó; hoặc là
- Tự động bắt đầu ngắt kết nối nguồn cung cấp cho các bộ phận như vậy và giảm xuống:
• Nguồn năng lượng loại 1 trong vòng 2 s cho một người bình thường, và
• Nguồn năng lượng loại 2 trong vòng 2 s cho một người được hướng dẫn.
Nếu việc giảm cấp nguồn năng lượng kéo dài hơn 2 s, thì biện pháp bảo vệ hướng dẫn phải được cung cấp theo, ngoại trừ trường hợp đó:
- Phần tử 1a phải được đặt trên cửa, nắp hoặc bộ phận khác bắt đầu hoạt động khóa liên động và được mở hoặc tháo ra để tiếp cận; và
- Phần tử 3 là tùy chọn.
Các yếu tố của biện pháp bảo vệ hướng dẫn phải đáp ứng các yêu cầu như sau:
- Phần tử 1a: IEC 60417-6057 (2011-05) cho các bộ phận chuyển động hoặc IEC 60417-5041 (2002-10) cho các bộ phận nóng
- Phần tử 2: không được chỉ định
- Phần tử 3: không được chỉ định
- Phần tử 4: thời điểm mà nguồn năng lượng sẽ giảm xuống mức cần thiết
I.1.2. Phương pháp thử và tiêu chí tuân thủ
Mức năng lượng của các bộ phận nguồn năng lượng loại 2 hoặc cấp 3 được theo dõi.
Kiểm tra sự phù hợp bằng cách xem xét, đo lường và sử dụng phiên bản thẳng không rời của đầu dò thử nghiệm theo Phụ lục R.
I.2 Các thành phần của cơ chế bảo vệ khóa liên động an toàn
Các bộ phận bao gồm cơ cấu khóa liên động an toàn phải được coi là các biện pháp bảo vệ và phải tuân theo Phụ lục G hoặc I.7.1 nếu có.
Kiểm tra sự phù hợp theo Phụ lục G hoặc I.7.1 và bằng cách xem xét.
I.3. Vô tình thay đổi chế độ vận hành
Khóa liên động an toàn không được hoạt động bằng các đầu dò quy định trong Hình R.1 hoặc Hình R.2, nếu có thể áp dụng để thay đổi cấp năng lượng trong khu vực, không gian hoặc điểm truy cập được điều khiển thành nguồn năng lượng loại 3 cho một người được hướng dẫn, hoặc nguồn năng lượng loại 2 hoặc nguồn năng lượng loại 3 đối với một người bình thường.
Kiểm tra sự phù hợp theo Phụ lục R và bằng cách xem xét.
I.4. Ghi đè bảo vệ khóa liên động
Một người có chuyên môn có thể ghi đè khóa liên động an toàn. Ghi đè khóa liên động an toàn:
- Sẽ yêu cầu một nỗ lực có chủ đích để vận hành; và
- Phải tự động đặt lại về hoạt động bình thường khi quá trình bảo dưỡng hoàn tất, hoặc ngăn hoạt động bình thường trừ khi người có tay nghề cao đã tiến hành khôi phục; và
- Nếu nằm trong khu vực mà một người bình thường có thể tiếp cận hoặc, nếu có, một hướng dẫn người, sẽ không thể hoạt động được bằng các phương tiện thăm dò quy định trong Phụ lục R, và phải yêu cầu một công cụ để hoạt động.
Kiểm tra sự phù hợp theo Phụ lục R và bằng cách xem xét.
I.5. Không an toàn
I.5.1. Yêu cầu
Trong trường hợp có bất kỳ tình trạng lỗi đơn lẻ nào trong hệ thống khóa liên động an toàn, không gian được kiểm soát bởi khóa liên động an toàn phải:
- Hoàn nguyên về nguồn năng lượng loại 1 cho người bình thường hoặc nguồn năng lượng loại 2 cho người được hướng dẫn; hoặc là
- Được khóa trong điều kiện hoạt động bình thường và tuân thủ các yêu cầu hiện hành đối với nguồn năng lượng loại 3.
I.5.2. Phương pháp thử và tiêu chí tuân thủ
Kiểm tra sự phù hợp bằng cách đưa ra từng lỗi thành phần điện, cơ điện và cơ khí, từng lỗi một. Các điều kiện sự cố đơn lẻ được mô tả trong A.4. Đối với mỗi sự cố, không gian được điều khiển bởi khóa liên động an toàn phải tuân theo các yêu cầu áp dụng cho các điều kiện sự cố đơn lẻ đối với nguồn năng lượng tương ứng.
Các bộ phận và bộ phận của khóa liên động an toàn được sử dụng làm cơ cấu bảo vệ không phải chịu các điều kiện sự cố đơn lẻ nếu chúng tuân theo K.2 hoặc I.6 nếu có.
Các khoảng giãn cách tách cố định trong các mạch khóa liên động an toàn (ví dụ, các mạch liên kết với bảng mạch in) không phải chịu các điều kiện sự cố đơn mô phỏng nếu các khoảng giãn cách tách tuân theo I.7.1.
I.6. Khóa liên động an toàn hoạt động bằng cơ học
I.6.1. Yêu cầu về độ bền
Các bộ phận cơ khí chuyển động trong hệ thống khóa liên động an toàn cơ và điện phải có độ bền thích hợp.
I.6.2. Phương pháp thử và tiêu chí tuân thủ
Kiểm tra sự phù hợp bằng cách xem xét hệ thống khóa liên động an toàn, dữ liệu có sẵn và, nếu cần, bằng cách luân phiên hệ thống khóa liên động an toàn qua 10 000 chu kỳ hoạt động. Trong trường hợp có bất kỳ lỗi nào trong hoặc sau 10 000 chu kỳ hoạt động của hệ thống khóa liên động an toàn, không gian được kiểm soát bởi khóa liên động an toàn phải:
- Hoàn nguyên về nguồn năng lượng loại 1 cho người bình thường hoặc nguồn năng lượng loại 2 cho người được hướng dẫn; hoặc là
- Được khóa trong điều kiện hoạt động bình thường và tuân thủ các yêu cầu hiện hành đối với nguồn năng lượng loại 3.
CHÚ THÍCH: Thử nghiệm trên được tiến hành để kiểm tra sức chịu đựng của các bộ phận chuyển động khác với các bộ phận trong hệ thống khóa liên động an toàn, Thiết bị đóng cắt và rơ lD. Hệ thống khóa liên động an toàn, Thiết bị đóng cắt và rơ le, nếu có, phải tuân theo Phụ lục G hoặc I.7.1.
I.7. Cách ly mạch khóa liên động
I.7.1. Khoảng giãn cách tách biệt đối với các khe hở tiếp xúc và các phần tử mạch khóa liên động
Khoảng giãn cách tách biệt đối với các khe hở tiếp xúc và các phần tử mạch khóa liên động phải tuân theo các yêu cầu sau nếu có thể áp dụng.
a) Nếu Thiết bị đóng cắt hoặc rơ le ngắt kết nối dây dẫn mạch trong mạch được nối với nguồn điện,
khoảng giãn cách tách biệt đối với các khe hở tiếp xúc và các mạch liên quan của chúng không được nhỏ hơn
đối với thiết bị ngắt kết nối (xem Phụ lục L).
b) Nếu Thiết bị đóng cắt hoặc rơ le nằm trong mạch cách ly với nguồn điện thì khoảng giãn cách tách biệt đối với các khe hở tiếp xúc không được nhỏ hơn giá trị khe hở tối thiểu liên quan đối với Cách điện chính để cách ly các nguồn năng lượng loại 2. Các phần tử mạch khóa liên động, sự cố của
hệ thống khóa liên động có thể đánh bại hệ thống khóa liên động, chẳng hạn như các khoảng giãn cách tách cố định trong mạch khóa liên động an toàn, phải phù hợp với các yêu cầu của 2.2.4.2 đối với Cách điện chính. Quá điện áp tạm thời không được tính đến để xác định điện áp sử dụng trong Bảng 10 và Bảng 11 trừ khi mạch điện chịu quá điện áp tạm thời.
c) Nếu Thiết bị đóng cắt hoặc rơ le nằm trong mạch cách ly với nguồn điện thì khoảng giãn cách tách biệt đối với các khe hở tiếp xúc không được nhỏ hơn giá trị khe hở tối thiểu liên quan đối với cách điện tăng cường để cách ly các nguồn năng lượng loại 3. Các phần tử của mạch khóa liên động, sự cố trong đó có thể làm hỏng hệ thống khóa liên động, chẳng hạn như khoảng giãn cách phân cách cố định trong mạch khóa liên động an toàn, phải tuân theo yêu cầu của 2.2.4.2 đối với Cách điện chính, ngoại trừ trường hợp có nguy cơ đe dọa tính mạng liên quan đến không gian lồng vào nhau, các khoảng giãn cách ngăn cách cố định phải phù hợp với yêu cầu đối với cách điện tăng cường. Quá điện áp tạm thời không được tính đến để xác định điện áp sử dụng trong Bảng 10 và Bảng 11 trừ khi mạch điện chịu quá điện áp tạm thời.
Để thay thế cho a), b) và c), khoảng giãn cách tách biệt đối với khe hở tiếp xúc giữa các tiếp điểm ở vị trí tắt phải chịu được thử nghiệm độ bền điện của 2.2.4.9.1 được yêu cầu đối với Cách điện chính hoặc cách điện tăng cường, nếu có. Khe hở tiếp xúc phải phù hợp với các yêu cầu trên trước và sau thử nghiệm của I.7.2.
Hệ số nhân độ cao của Bảng 16 không cần tính đến.
Khoảng giãn cách tách biệt đối với khe hở tiếp xúc của Thiết bị đóng cắt hoặc rơ le phải tuân theo I.7.3 và I.7.4 ngoài các yêu cầu trên, trừ khi Thiết bị đóng cắt hoặc rơ le tương ứng phù hợp với G.1 và G.2. Điều kiện thử nghiệm độ bền phải thể hiện điều kiện hoạt động bình thường tối đa bên trong thiết bị liên quan đến điện áp và dòng điện mà các tiếp điểm làm gián đoạn điều kiện hoạt động trong thiết bị liên quan đến điện áp và dòng điện mà các tiếp điểm ngắt.
I.7.2. Kiểm tra quá tải
Tiếp điểm của Thiết bị đóng cắt hoặc rơ le trong hệ thống khóa liên động an toàn phải chịu thử nghiệm quá tải bao gồm 50 chu kỳ hoạt động với tốc độ từ 6 đến 10 chu kỳ mỗi phút, tạo ra và phá vỡ 150% dòng điện đặt trong ứng dụng, ngoại trừ trường hợp đó. khi Thiết bị đóng cắt hoặc tiếp điểm rơ le đóng cắt tải động cơ, thử nghiệm được tiến hành với rôto của động cơ ở tình trạng khóa.
Sau thử nghiệm, hệ thống khóa liên động an toàn, bao gồm cả Thiết bị đóng cắt hoặc rơ le, sẽ vẫn hoạt động.
I.7.3. Kiểm tra độ bền
Tiếp điểm của Thiết bị đóng cắt hoặc rơ le trong hệ thống khóa liên động an toàn phải chịu thử nghiệm độ bền, tạo ra và ngắt 100% dòng điện đặt trong ứng dụng với tốc độ từ 6 đến 10 chu kỳ hoạt động mỗi phút. Có thể sử dụng tốc độ đạp xe cao hơn nếu nhà sản xuất yêu cầu.
Đối với Thiết bị đóng cắt sậy được sử dụng trong hệ thống khóa liên động an toàn trong ES1 hoặc ES2, thử nghiệm là 100 000 chu kỳ hoạt động. Đối với các Thiết bị đóng cắt và rơ le khác trong hệ thống khóa liên động an toàn, thử nghiệm là 10 000 chu kỳ hoạt động.
Sau thử nghiệm, hệ thống khóa liên động an toàn, bao gồm cả Thiết bị đóng cắt hoặc rơ le, sẽ vẫn hoạt động.
I.7.4. Thử nghiệm độ bền điện
Ngoại trừ các thiết bị đóng cắt trong ES1 hoặc ES2, thử nghiệm độ bền điện như quy định trong 2.2.4.9.1 được áp dụng giữa các tiếp điểm sau các thử nghiệm của I.7.3. Nếu tiếp điểm nằm trong mạch điện được nối với nguồn điện thì điện áp thử nghiệm được quy định đối với cách điện tăng cường. Nếu tiếp điểm nằm trong mạch cách ly với nguồn lưới, thì điện áp thử nghiệm như quy định đối với Cách điện chính trong mạch nối với nguồn điện lưới.
Phụ lục K
(Quy định)
Ngắt kết nối các thiết bị
K.1. Yêu cầu chung
Một thiết bị ngắt kết nối phải được cung cấp để ngắt kết nối thiết bị khỏi nguồn cung cấp. Nếu một thiết bị ngắt kết nối làm ngắt dây dẫn trung tính thì thiết bị đó phải ngắt đồng thời tất cả các dây dẫn pha.
Thiết bị ngắt kết nối có thể là:
- Phích cắm trên dây cung cấp điện; hoặc là
- Bộ ghép nối thiết bị; hoặc là
- Một Thiết bị đóng cắt cách ly; hoặc là
- Bộ ngắt mạch; hoặc là
- Bất kỳ phương tiện tương đương nào để ngắt kết nối.
Đối với thiết bị được thiết kế để được cấp nguồn từ nguồn điện xoay chiều Quá điện áp cấp I, Quá điện áp cấp II hoặc Quá điện áp cấp III hoặc từ nguồn điện một chiều là ES3, thiết bị ngắt kết nối phải có khoảng giãn cách tiếp xúc ít nhất là 3 mm. Đối với nguồn điện xoay chiều là Cấp quá điện áp IV, phải áp dụng IEC 60947-1. Khi được kết hợp trong thiết bị, thiết bị ngắt kết nối phải được kết nối càng chặt chẽ càng tốt với nguồn cung cấp đến.
Đối với thiết bị được thiết kế để được cấp nguồn từ nguồn điện một chiều không phải ở ES3,
- Thiết bị ngắt kết nối phải có khoảng giãn cách tiếp điểm ít nhất bằng mức tối thiểu giải phóng mặt bằng Cách điện chính; và
- Cầu chì có thể tháo rời có thể được sử dụng như một thiết bị ngắt kết nối, miễn là nó có thể tiếp cận được chỉ cho một người được hướng dẫn hoặc một người có kỹ năng.
K.2. Thiết bị được kết nối vĩnh viễn
Đối với thiết bị được kết nối cố định, thiết bị ngắt kết nối phải được kết hợp trong thiết bị, trừ khi thiết bị được kèm theo hướng dẫn lắp đặt nêu rõ rằng thiết bị ngắt kết nối thích hợp sẽ được cung cấp như một phần của việc lắp đặt tòa nhà.
CHÚ THÍCH: Các thiết bị ngắt kết nối bên ngoài sẽ không nhất thiết phải được cung cấp cùng với thiết bị.
K.3. Bộ phận vẫn còn năng lượng
Các bộ phận ở phía nguồn cung cấp của thiết bị ngắt kết nối trong thiết bị vẫn được cung cấp năng lượng khi thiết bị ngắt kết nối phải được được tắt; phải được bảo vệ để giảm nguy cơ tiếp xúc ngẫu nhiên bởi những người có chuyên môn. Thay vào đó, hướng dẫn sẽ được cung cấp trong sổ tay dịch vụ.
K.4. Thiết bị một pha
Đối với thiết bị một pha, thiết bị ngắt kết nối phải ngắt đồng thời cả hai cực, ngoại trừ thiết bị ngắt kết nối một cực có thể được sử dụng để ngắt kết nối dây pha khi có thể dựa vào việc xác định trung tính trong nguồn lưới. Nếu chỉ có một thiết bị ngắt kết nối một cực trong thiết bị, thì phải đưa ra hướng dẫn về việc cung cấp thêm một thiết bị ngắt kết nối hai cực trong hệ thống lắp đặt của tòa nhà khi thiết bị được sử dụng ở những nơi không thể xác định được trung tính trong nguồn điện lưới.
VÍ DỤ Các trường hợp yêu cầu thiết bị ngắt kết nối hai cực là:
- Trên thiết bị được cung cấp từ hệ thống điện CNTT;
- Trên thiết bị có thể dùng để cắm mà được cấp nguồn qua bộ nối của thiết bị có thể đảo ngược hoặc phích cắm có thể đảo ngược (trừ khi chính bộ ghép hoặc phích cắm của thiết bị được sử dụng làm thiết bị ngắt kết nối;
- Trên thiết bị được cung cấp từ ổ cắm có cực tính không xác định.
K.5. Thiết bị ba pha
Đối với thiết bị ba pha, thiết bị ngắt kết nối phải ngắt đồng thời tất cả các dây dẫn pha của nguồn cung cấp. Đối với thiết bị yêu cầu kết nối trung tính với hệ thống nguồn CNTT, thiết bị ngắt kết nối phải là thiết bị bốn cực và phải ngắt kết nối tất cả các pha
dây dẫn và dây dẫn trung tính. Nếu thiết bị bốn cực này không được cung cấp trong thiết bị, thì hướng dẫn lắp đặt phải nêu rõ sự cần thiết phải cung cấp thiết bị như một phần của việc lắp đặt tòa nhà.
K.6. Thiết bị đóng cắt làm thiết bị ngắt kết nối
Trong trường hợp thiết bị ngắt kết nối là một Thiết bị đóng cắt được lắp trong thiết bị, vị trí bật và tắt phải được đánh dấu phù hợp với F.3.5.2.
K.7. Phích cắm làm thiết bị ngắt kết nối
Trong trường hợp phích cắm trên dây nguồn được sử dụng làm thiết bị ngắt kết nối, hướng dẫn lắp đặt phải nêu rõ rằng đối với thiết bị có thể cắm được, ổ cắm phải dễ dàng tiếp cận. Đối với thiết bị có thể cắm được dành cho người bình thường lắp đặt, hướng dẫn lắp đặt phải được cung cấp cho người bình thường.
K.8. Nhiều nguồn điện
Khi một thiết bị nhận điện từ nhiều nguồn (ví dụ, điện áp / tần số khác nhau hoặc là nguồn dự phòng), thì phải có một biện pháp bảo vệ hướng dẫn nổi bật phù hợp gần mỗi thiết bị ngắt kết nối để cung cấp đầy đủ hướng dẫn rút toàn bộ nguồn điện khỏi thiết bị.
Có thể sử dụng một biện pháp bảo vệ theo hướng dẫn cho nhiều hơn một thiết bị ngắt kết nối, miễn là nó có thể nhìn thấy rõ ràng từ các điểm ngắt kết nối.
Các yếu tố của biện pháp bảo vệ hướng dẫn phải như sau:
- Phần tử 1a:, IEC 60417-6042 (2010-11); và IEC 60417-6172 (2012-09)
- Yếu tố 2: “Thận trọng” hoặc từ hoặc văn bản tương đương và “Nguy cơ va chạm” hoặc văn bản tương đương
- Phần tử 3: tùy chọn
- Phần tử 4: “Ngắt kết nối tất cả các nguồn điện” hoặc văn bản tương đương
Thiết bị kết hợp với UPS bên trong phải có các điều để tắt UPS một cách đáng tin cậy và ngắt kết nối đầu ra của nó trước khi bảo dưỡng thiết bị. Hướng dẫn ngắt kết nối UPS phải được cung cấp. Nguồn năng lượng bên trong của UPS phải được đánh dấu thích hợp và được bảo vệ khỏi sự tiếp xúc ngẫu nhiên bởi một người có chuyên môn.
K.9. Tiêu chí tuân thủ
Kiểm tra sự phù hợp bằng cách xem xét
Phụ lục L
(Quy định)
Thế điện hóa học
|
Magie, hợp kim magie |
Kẽm, hợp kim kẽm |
80 thiếc / 20 kẽm trên thép, kẽm trên sắt hoặc thép |
Nhôm |
Cadmium trên thép |
Hợp kim nhôm / magiê |
Thép nhẹ |
Duralumin |
Chì |
Crom trên thép, chất hàn mềm |
Crôm Niken trên thép, thiếc trên thép, thép không gỉ 12% Crom |
Thép không gỉ, crom cao |
|
Đồng, hợp kim đồng |
Chất hàn là bạc, thép không gỉ |
Niken trên thép |
Bạc |
Rhodium trên bạc/ đồng, hợp kim vàng bạc |
Carbon |
Vàng, Platin |
|
|
0 |
0,5 |
0,55 |
0,7 |
0,8 |
0,85 |
0,9 |
1,0 |
1,05 |
1,1 |
1,15 |
1,25 |
|
1,35 |
1,4 |
1,45 |
1,6 |
1,65 |
1,7 |
1,75 |
Magie, hợp kiim magie |
|
|
0 |
0,05 |
0,2 |
0,3 |
0,35 |
0,4 |
0,5 |
0,55 |
0,6 |
0,65 |
0,75 |
|
0,85 |
0,9 |
0,95 |
1,1 |
1,15 |
1,2 |
1,25 |
Kẽm, hợp kim kẽm |
|
|
|
0 |
0,15 |
0,25 |
0,3 |
0,35 |
0,45 |
0,5 |
0,55 |
0,6 |
0,7 |
|
0,8 |
0,85 |
0,9 |
1,05 |
1,1 |
1,15 |
1,2 |
80 thiếc / 20 kẽm trên thép, kẽm trên sắt hoặc thép |
|
|
|
|
0 |
0,1 |
0,15 |
0,2 |
0,3 |
0,35 |
0,4 |
0,45 |
0,55 |
|
0,65 |
0,7 |
0,75 |
0,9 |
0,95 |
1,0 |
1,05 |
Nhôm |
|
|
|
|
|
0 |
0,05 |
0,1 |
0,2 |
0,25 |
0,3 |
0,35 |
0,45 |
|
0,55 |
0,6 |
0,65 |
0,8 |
0,85 |
0,9 |
0,95 |
Cadmium trên thép |
|
|
|
|
|
|
0 |
0,05 |
0,15 |
0,2 |
0,25 |
0,3 |
0,4 |
|
0,5 |
0,55 |
0,6 |
0,75 |
0,8 |
0,85 |
0,9 |
Hợp kim nhôm / magiê |
|
|
|
|
|
|
|
0 |
0,1 |
0,15 |
0,2 |
0,25 |
0,35 |
|
0,45 |
0,5 |
0,55 |
0,7 |
0,75 |
0,8 |
0,85 |
Thép nhẹ |
|
|
|
|
|
|
|
|
0 |
0,05 |
0,1 |
0,15 |
0,25 |
|
0,35 |
0,4 |
0,45 |
0,6 |
0,65 |
0,7 |
0,75 |
Duralumin |
|
|
|
|
|
|
|
|
|
0 |
0,05 |
0,1 |
0,2 |
|
0,3 |
0,35 |
0,4 |
0,55 |
0,6 |
0,66 |
0,7 |
Chì |
|
|
|
|
|
|
|
|
|
|
0 |
0,05 |
0,15 |
|
0,25 |
0,3 |
0,35 |
0,5 |
0,55 |
0,6 |
0,65 |
Crom trên thép, chất hàn mềm |
|
Cr = Chromium Ni = Nickel |
|
|
|
|
|
|
0 |
0,1 |
|
0,2 |
0,25 |
0,3 |
0,45 |
0,5 |
0,55 |
0,6 |
Crôm Niken trên thép, thiếc trên thép, thép không gỉ 12% Crom |
|||
|
|
|
|
|
|
|
|
|
|
|
|
0 |
|
0,1 |
0,15 |
0,2 |
0,35 |
0,4 |
0,45 |
0,5 |
Thép không gỉ, crom cao |
|
|
|
|
|
|
|
|
|
|
|
|
|
|
0 |
0,05 |
0,1 |
0,25 |
0,3 |
0,35 |
0,4 |
Đồng, hợp kim đồng |
|
|
|
|
|
|
|
|
|
|
|
|
|
|
|
0 |
0,05 |
0,2 |
0,25 |
0,3 |
0,35 |
Chất hàn là bạc, thép không gỉ |
|
|
|
|
|
|
|
|
|
|
|
|
|
|
|
|
0 |
0,15 |
0,2 |
0,25 |
0,3 |
Niken trên thép |
|
|
|
|
|
|
|
|
|
|
|
|
|
|
|
|
|
0 |
0,05 |
0,1 |
0,15 |
Bạc |
|
|
|
|
|
|
|
|
|
|
|
|
|
|
|
|
|
|
0 |
0,05 |
0,1 |
Rhodium trên bạc/ đồng, hợp kim vàng bạc |
|
|
|
|
|
|
|
|
|
|
|
|
|
|
|
|
|
|
|
0 |
0,05 |
Carbon |
|
|
|
|
|
|
|
|
|
|
|
|
|
|
|
|
|
|
|
|
0 |
Vàng, Platin |
Ăn mòn do tác dụng điện hóa giữa các kim loại khác nhau tiếp xúc với nhau được giảm thiểu nếu thế điện hóa tổng hợp nhỏ hơn khoảng 0,6 V. Trong bảng liệt kê các thế điện hóa tổng hợp cho một số cặp kim loại thường dùng; nên tránh các kết hợp phía trên đường phân cách.
Phụ lục M
(Quy định)
Phép đo khe hở không khí và chiều dài đường rò
Trong các hình dưới đây, giá trị X được cho trong Bảng M.1. Trong trường hợp chiều dài đường rò nhỏ hơn X thì độ sâu của khe hoặc rãnh được bỏ qua khi đo chiều dài đường rò.
Nếu khe hở không khí nhỏ nhất yêu cầu lớn hơn 3 mm, giá trị bảng M.1 được áp dụng. Nếu khe hở không khí nhỏ hơn 3 mm thì giá trị X là giá trị nhỏ hơn của:
- giá trị liên quan trong Bảng M.1 hoặc
- 1/3 khe hở không khí nhỏ nhất yêu cầu.
Bảng M.1 - Giá trị của X
|
Độ nhiễm bẩn (xem 5.4.1.5) |
X mm |
|
1 |
0,25 |
|
2 |
1,00 |
|
3 |
1,50 |
Trong các hình sau, khe hở không khí và chiều dài đường rò được thể hiện như sau:
|
|
Khe hở không khí |
|
|
Chiều dài đường rò |

Điều kiện: Cần xem xét gồm các rãnh có các cạnh song song hoặc hẹp dần vào có độ sâu và chiều rộng không quá X mm.
Qui tắc: Chiều dài đường rò và khe hở không khí được đo trực tiếp qua rãnh.
Hình M.1 - Rãnh hẹp

Hình M.2 - Rãnh rộng
Điều kiện: Tuyến cần xem xét gồm các rãnh có cạnh song song có độ sâu bất kỳ và có chiều rộng lớn hơn hoặc bằng X mm.
Qui tắc: Khe hở không khí là khoảng giãn cách theo đường thẳng. Chiều dài đường rò theo đường viền của rãnh.

Điều kiện: Tuyến cần xem xét gồm các rãnh dạng chữ V có góc bên trong nhỏ hơn 80° và chiều rộng lớn hơn X mm.
Qui tắc: Khe hở không khí là khoảng giãn cách theo đường thẳng. Chiều dài đường rò theo đường viền của rãnh nhưng đáy rãnh được "nối tắt" bằng tuyến X mm.
Hình M.3 - Rãnh chữ V
Bộ phận dẫn không được nối

Hình M.4 - Bộ phận dẫn chen vào giữa, không nối.
Điều kiện: Chiều dài cách điện có bộ phận dẫn chen giữa, không nối.
Qui tắc: Khe hở không khí là chiều dài d + D, chiều dài đường rò cũng là d + C. Trong trường hợp giá trị của d hoặc D nhỏ hơn X thì các giá trị này được xem là bằng "0”.

Điều kiện: Tuyến cần xem xét gồm các gân.
Qui tắc: Khe hở không khí là đường thẳng ngắn nhất qua đỉnh gân. Chiều dài đường rò theo đường viền của gân.
Hình M.5 - Gân

Điều kiện: Tuyến cần xem xét gồm chỗ nối không được gắn kín có các rãnh có độ rộng nhỏ hơn X mm ở mỗi phía.
Qui tắc: Khe hở không khí và chiều dài đường rò là khoảng giãn cách theo đường thẳng như chỉ ra trên hình.
Hình M.6 - Chỗ nối không gắn kín có rãnh hẹp

Điều kiện: Tuyến cần xem xét gồm chỗ nối không được gắn kín có các rãnh có độ rộng lớn hơn hoặc bằng X mm ở mỗi phía.
Qui tắc: Khe hở không khí là khoảng giãn cách theo đường thẳng. Chiều dài đường rò theo đường viền của các rãnh.
Hình M.7 - Chỗ nối không gắn kín có rãnh rộng

Điều kiện: Tuyến cần xem xét gồm chỗ nối không được gắn kín có rãnh về một phía có rãnh chiều rộng nhỏ hơn X mm và phía còn lại có rãnh chiều rộng lớn hơn hoặc bằng X mm.
Qui tắc: Khe hở không khí và chiều dài đường rò như chỉ ra trên Hình M.8.
Hình M.8 - Chỗ nối không gắn kín có rãnh rộng và hẹp

Khe hở giữa mũ vít và vách của hốc quá hẹp nên không cần tính đến.
Khi khe hở giữa đầu vít và thành của hốc nhỏ hơn X mm, phép đo chiều dài đường rò được thực hiện từ vít đến tường tại nơi có khoảng giãn cách bằng X mm.
Hình M.9 - Hốc hẹp

Khe hở giữa mũ vít và vách của hốc quá hẹp nên không cần tính đến.
Hình M.10 - Hốc rộng

Hình M.11 - Phủ xung quanh thiết bị

Hình M.12- Phủ trên hệ thống dây in

Hình M.13 - Ví dụ về các phép đo trong vỏ bọc bằng vật liệu cách điện

Hình M.14 - Các mối nối bằng xi măng trong bảng mạch in nhiều lớp

Hình M.15 - Thiết bị chứa đầy hợp chất cách điện

Hình M.16 – Lớp cách có phân vùng
Phụ lục N
(Quy định)
Các biện pháp bảo vệ chống lại các vật dẫn điện
N.1. Thông tin chung
Phụ lục này quy định các biện pháp bảo vệ để giảm khả năng xảy ra hỏa hoạn, điện giật và phản ứng hóa học bất lợi do sự xâm nhập của các vật thể qua các lỗ trên cùng hoặc bên cạnh của thiết bị, hoặc do sự cố tràn chất lỏng bên trong, hoặc do hỏng lớp phủ kim loại và chất kết dính đảm bảo dẫn điện các bộ phận bên trong thiết bị.
Biện pháp bảo vệ cơ bản chống lại sự xâm nhập của vật thể lạ là mọi người không được cho vật thể lạ vào thiết bị. Các biện pháp bảo vệ quy định trong phụ lục này là các biện pháp bảo vệ bổ sung.
Phụ lục này không áp dụng cho các lỗ hở là bộ phận của các đầu nối.
Đối với thiết bị được sử dụng theo nhiều hướng, theo hướng dẫn của nhà sản xuất, các biện pháp bảo vệ phải có hiệu quả đối với từng hướng như vậy.
Đối với thiết bị có thể vận chuyển, các biện pháp bảo vệ phải có hiệu lực đối với tất cả các hướng.
CHÚ THÍCH: Các ví dụ của Hình N.1, Hình N.2 và Hình N.3 không nhằm mục đích sử dụng như các bản vẽ kỹ thuật mà chỉ được trình bày để minh họa mục đích của các yêu cầu này.
N.2. Biện pháp bảo vệ chống lại sự xâm nhập hoặc hậu quả của sự xâm nhập của một vật thể lạ
N.2.1. Thông tin chung
Thiết bị phải phù hợp với các yêu cầu của N.2.2 hoặc các yêu cầu của N.2.3.
N.2.2. Các biện pháp bảo vệ chống lại sự xâm nhập của vật thể lạ
Các lỗ ở trên cùng và các mặt của vỏ bọc có thể tiếp cận được phải được bố trí hoặc có kết cấu để giảm khả năng vật thể lạ lọt vào các lỗ này.
Các lỗ mở của thiết bị phải tuân theo các yêu cầu quy định dưới đây khi cửa, tấm và nắp, v.v., được đóng hoặc tại vị trí. Các yêu cầu này không áp dụng cho các lỗ mở phía sau cửa ra vào, tấm panel, nắp đậy, v.v., ngay cả khi người bình thường có thể mở hoặc tháo chúng ra.
Bất kỳ kết cấu nào sau đây đều được xem xét tuân thủ:
- Các khe hở không vượt quá 5 mm ở bất kỳ kích thước nào;
- Các khe hở có chiều rộng không vượt quá 1 mm bất kể chiều dài;
- Các khe hở đáp ứng các yêu cầu của IP3X;
- Các khe hở trên cùng theo đó lỗi vào theo chiều dọc bị ngăn chặn (xem Hình N.1 để biết các ví dụ);
- Các khe hở bên được cung cấp với các tấm chắn có hình dạng để làm lệch hướng ra bên ngoài của một vật thể bên ngoài rơi theo phương thẳng đứng (xem Hình N.2 để làm ví dụ);
- Các khe hở bên không có cửa chắn trong đó độ dày của vỏ bọc tại khe hở không nhỏ hơn kích thước thẳng đứng của khe hở.
Kiểm tra sự phù hợp bằng cách xem xét hoặc đo lường.

Hình N.1 – Ví dụ về mặt cắt ngang của thiết kế các lỗ trên cùng ngăn khe hở thẳng đứng

Hình N.2 - Ví dụ về mặt cắt ngang của thiết kế tấm chắn mở bên cạnh ngăn khe hở thẳng đứng
N.2.3. Biện pháp bảo vệ chống lại sự xâm nhập của một vật thể lạ
N.2.3.1. Yêu cầu biện pháp bảo vệ
Sự xâm nhập của một vật thể lạ sẽ không đánh bại một biện pháp bảo vệ bổ sung cho thiết bị hoặc một biện pháp bảo vệ tăng cường cho thiết bị. Hơn nữa, đối tượng sẽ không tạo PIS.
Các biện pháp bảo vệ chống lại hậu quả của sự xâm nhập của các vật thể lạ bao gồm:
- Rào cản bên trong ngăn cản vật thể lạ xâm nhập loại bỏ biện pháp bảo vệ thiết bị hoặc tạo PIS;
- Trong khối lượng dự kiến như được mô tả trong Hình N.3 có:
● Không có bộ phận dẫn điện trần của một biện pháp bảo vệ, hoặc
● Không PIS, hoặc
● Không có bộ phận dẫn điện trần của mạch ES3 hoặc PS3, hoặc
● Chỉ các bộ phận dẫn điện được phủ bằng lớp bảo vệ hoặc các lớp phủ tương tự khác;
CHÚ THÍCH 1: Các bộ phận dẫn điện được bao phủ bằng lớp phủ bảo vệ hoặc các lớp phủ tương tự khác không được coi là bộ phận dẫn điện trần. Lớp phủ bảo vệ là vật liệu điện môi trên bảng mạch in và các thành phần để bảo vệ chúng khỏi độ ẩm, bụi, ăn mòn và các tác động môi trường khác.
- Trong hình chiếu như được mô tả trong Hình N.3, các bộ phận dẫn điện trần ở ES3 hoặc PS3 phải tuân theo các thử nghiệm của N.2.3.2.
Các cấu trúc khác phải tuân theo thử nghiệm của N.2.3.2.

Chỉ dẫn:
A lỗ mở cổng vỏ
B hình chiếu thẳng đứng của các cạnh bên ngoài của lỗ mở
C các đường nghiêng chiếu một góc 5° từ các cạnh của lỗ mở đến các điểm nằm cách B một khoảng E
D đường thẳng được chiếu thẳng xuống trong cùng một mặt phẳng với tường bên bao vây
E hình chiếu của cạnh ngoài của lỗ (B) và đường nghiêng (C) (không được lớn hơn L)
L kích thước tối đa của việc mở bao vây
V hình chiếu (giữ lại) cho các biện pháp bảo vệ bổ sung hoặc các biện pháp bảo vệ tăng cường
Hình N.3 - Thể tích bên trong cho phép vật thể từ ngoài vào
Đối với thiết bị có thể vận chuyển, nếu thiết kế không ngăn cản sự xâm nhập của vật thể lạ thì vật thể đó được coi là di chuyển đến bất kỳ vị trí nào bên trong thiết bị. Khối lượng dự trữ ES3 và PS3 trong Hình N.3 không áp dụng cho thiết bị có thể vận chuyển.
Đối với thiết bị có thể vận chuyển có các bộ phận bằng nhựa được tráng kim loại và những thứ tương tự, nếu thiết kế không ngăn được sự xâm nhập của vật lạ thì khoảng giãn cách giữa các bộ phận được kim loại hóa và tất cả các bộ phận dẫn điện trần của ES3 hoặc PS3 phải ít nhất là 13 mm. Ngoài ra, các bộ phận được mạ kim loại và các bộ phận dẫn điện trần phải được thử nghiệm bằng cách nối tắt.
CHÚ THÍCH 2: Ví dụ về các rào cản được mạ kim loại hoặc vỏ bọc bằng kim loại bao gồm những vật liệu làm bằng vật liệu composite dẫn điện hoặc vật liệu được mạ điện, lắng chân không, lót giấy bạc hoặc sơn bằng sơn kim loại.
Kiểm tra sự phù hợp bằng cách xem xét, đo lường và khi cần thiết bằng thử nghiệm của N.2.3.2.
N.2.3.2. Kết quả của bài kiểm tra đầu vào
Phải cố gắng làm ngắn mạch tất cả các bộ phận dẫn điện trần của ES3 hoặc PS3 trong thể tích V, Hình N.3, dọc theo một đường thẳng trực tiếp tới tất cả các bộ phận dẫn điện trần khác và đến tất cả các bộ phận được kim loại hóa trong bán kính 13 mm. Việc cố gắng rút ngắn được thực hiện bằng một vật kim loại thẳng, đường kính 1 mm và có chiều dài bất kỳ đến 13 mm, tác dụng mà không có lực đáng kể.
Đối với thiết bị có thể vận chuyển, việc cố gắng thử ngắn mạch phải ở tất cả những nơi mà vật thể lạ.
Trong và sau các thử nghiệm, tất cả các biện pháp bảo vệ bổ sung và các biện pháp bảo vệ tăng cường phải có hiệu lực và không bộ phận nào trở thành PIS.
N.3. Biện pháp bảo vệ chống tràn chất lỏng bên trong
N.3.1. Thông tin chung
Các yêu cầu quy định dưới đây áp dụng cho thiết bị có chất lỏng bên trong mà chất lỏng đó có thể đánh bại bất kỳ biện pháp bảo vệ thiết bị nào.
Các yêu cầu dưới dây không áp dụng cho:
- Chất lỏng không dẫn điện, không cháy, không độc, không ăn mòn và không đựng trong bình chứa có điều áp;
- Tụ hóa;
- Chất lỏng có độ nhớt từ 1 Pa s trở lên; và
- Pin (xem Phụ lục M).
CHÚ THÍCH: Độ nhớt 1 Pa s xấp xỉ tương đương với dầu động cơ 60 trọng lượng.
N.3.2. Xác định hậu quả tràn
Nếu thiết bị không phải là thiết bị vận chuyển, thiết bị phải được cấp điện và chất lỏng phải được phép rò rỉ từ các đầu nối đường ống và các mối nối tương tự trong hệ thống chất lỏng.
Nếu thiết bị là thiết bị có thể vận chuyển, thì sau khi rò rỉ, thiết bị phải được di chuyển đến tất cả các vị trí có thể và sau đó đóng điện.
N.3.3. Biện pháp bảo vệ chống tràn
Nếu sự cố tràn có thể dẫn đến một tình trạng lỗi đơn lẻ không được đề cập trong A.4, thì:
- Bình đóng vai trò là biện pháp bảo vệ cơ bản không được để tràn trong điều kiện hoạt động bình thường và biện pháp bảo vệ bổ sung (ví dụ, một rào chắn hoặc chảo nhỏ giọt hoặc tàu ngăn chặn bổ sung, v.v.) sẽ hạn chế hiệu quả sự lan tràn của sự cố tràn; hoặc là
- Chất lỏng phải được chứa trong một bình có thiết bị bảo vệ tăng cường; hoặc là
- Biện pháp bảo vệ bình chứa phải bao gồm một biện pháp tự vệ kép hoặc một biện pháp tự vệ tăng cường.
Nếu chất lỏng dẫn điện, dễ cháy, độc hại hoặc có tính ăn mòn, thì:
- Chất lỏng phải được chứa trong một biện pháp bảo vệ kép hoặc một biện pháp bảo vệ tăng cường; hoặc là
- Sau sự cố tràn:
● Những người bình thường hoặc những người được hướng dẫn sẽ không thể tiếp cận một chất lỏng độc hại, và
● Chất lỏng dẫn điện không được vượt qua Cách điện chính, Cách điện phụ hoặc cách điện tăng cường, và
● Chất lỏng ăn mòn không được tiếp xúc với bất kỳ đầu nối nào của dòng điện trong dây dẫn bảo vệ.
Bình chứa đáp ứng các yêu cầu thử nghiệm liên quan của D.15 được coi là có biện pháp bảo vệ tăng cường.
CHÚ THÍCH: Các chất lỏng sau đây thường được coi là không cháy:
- Dầu hoặc chất lỏng tương đương dùng để bôi trơn hoặc trong hệ thống thủy lực có điểm chớp cháy từ 149 ° C trở lên; hoặc là
- Các chất lỏng có thể thay thế như mực in có điểm chớp cháy từ 60 ° C trở lên.
N.3.4. Tiêu chuẩn tuân thủ
Kiểm tra sự phù hợp bằng cách xem xét hoặc dữ liệu sẵn có, và nếu cần, bằng các thử nghiệm liên quan.
Trong và sau các thử nghiệm, tất cả các biện pháp bảo vệ bổ sung và các biện pháp bảo vệ tăng cường phải có hiệu lực và không bộ phận nào trở thành PIS.
N.4. Lớp phủ kim loại hóa và chất kết dính bảo vệ các bộ phận
N.4.1. Thông tin chung
Lớp phủ kim loại hóa và chất kết dính phải có các đặc tính liên kết thích hợp trong suốt thời gian sử dụng của thiết bị.
Sự phù hợp được kiểm tra bằng cách xem xét và đánh giá dữ liệu được cung cấp bởi nhà sản xuất hoặc bằng các thử nghiệm trong N.4.2.
Đối với các lớp phủ kim loại hóa, khe hở và khoảng giãn cách rò rỉ đối với mức độ nhiễm bẩn 3 phải được duy trì thay cho các thử nghiệm của N.4.2.
N.4.2. Các thử nghiệm
Một mẫu thiết bị hoặc một phần lắp ráp phụ của thiết bị có chứa các bộ phận có lớp phủ kim loại hóa và các bộ phận được kết nối bằng chất kết dính được đánh giá với mẫu được đặt với bộ phận được giữ chặt bằng chất kết dính ở mặt dưới.
Đặt điều kiện mẫu trong tủ sấy ở nhiệt độ TC trong thời gian quy định (tám tuần, ba tuần hoặc một tuần) như sau:
![]()
Trong trường hợp giá trị TA + 10 - TS là số âm, giá trị này sẽ được thay thế bằng số không.
Trong đó:
TC là nhiệt độ điều hòa;
TR là giá trị nhiệt độ điều hòa danh định là (82 ± 2) ° C trong tám tuần; (90 ± 2) ° C trong ba tuần; hoặc (100 ± 2) ° C (trong một tuần) nếu có;
TA là nhiệt độ của lớp phủ hoặc bộ phận trong điều kiện làm việc bình thường (xem A.2.6.1);
TS =82.
CHÚ THÍCH 1: Ví dụ đối với điều hòa tám tuần, nếu nhiệt độ thực tế là 70 °C, thì TA + 10 - TS = 70 + 10 - 82 = -2, thì -2 này được bỏ qua. Nhiệt độ điều hòa tối thiểu vẫn là 82 °C. Ngoài ra, đối với điều hòa ba tuần, nếu nhiệt độ thực tế là 70 °C, thì TA + 10 - TS = 70 + 10 - 82 = -2, thì -2 này được bỏ qua. Nhiệt độ điều hòa tối thiểu vẫn là 90 ° C. Ngoài ra, đối với điều hòa một tuần, nếu nhiệt độ thực tế là 70 °C, thì TA + 10 - TS = 70 + 10 -82 = -2, thì -2 này được bỏ qua. Nhiệt độ điều hòa tối thiểu vẫn 100 °C
CHÚ THÍCH 2: Ví dụ đối với điều hòa tám tuần, nếu nhiệt độ thực tế là 75 ° C, thì TA + 10 - TS = 75 + 10 - 82 = + 3, nhiệt độ điều hòa tối thiểu trở thành 82 + 3 = 85 °C. Ngoài ra, đối với điều hòa ba tuần, nếu nhiệt độ thực tế là 75 °C thì TA + 10 - TS = 75 + 10 - 82 = +3, thì nhiệt độ điều hòa tối thiểu vẫn là 90 + 3 = 93 ° C. Ngoài ra, đối với điều hòa một tuần, nếu nhiệt độ thực tế là 75 ° C thì TA + 10 - TS = 75 + 10 - 82 = + 3, thì nhiệt độ điều hòa tối thiểu vẫn là 100 + 3 = 103 °C.
CHÚ THÍCH 3: Bảng dưới đây cung cấp tóm tắt các kết quả trong CHÚ THÍCH 1 và CHÚ THÍCH 2:
|
TA |
TR |
TS |
TA + 10 -TS |
TC = TR + TA +10 - TS |
|
70 |
82 (8 tuần) |
82 |
70 + 10 – 82 = -2 |
82 + 0 = 82 |
|
70 |
90 (3 tuần) |
82 |
70 + 10 – 82 = -2 |
90 + 0 = 90 |
|
70 |
100 (1 tuần) |
82 |
70 + 10 – 82 = -2 |
100 + 0 = 100 |
|
75 |
82 (8 tuần) |
82 |
75 + 10 – 82 = +3 |
82 + 3 = 85 |
|
75 |
90 (3 tuần) |
82 |
75 + 10 – 82 = +3 |
90 + 3 = 93 |
|
75 |
100 (1 tuần) |
82 |
75 + 10 – 82 = +3 |
100 + 3 = 103 |
Sau khi hoàn thành điều hòa nhiệt độ, mẫu phải tuân theo các điều kiện sau:
- Lấy mẫu ra khỏi tủ sấy và để ở nhiệt độ thuận tiện từ 20 °C đến 30 °C trong thời gian tối thiểu là 1 h;
- Đặt mẫu vào tủ đông lạnh ở –40 °C ± 2 °C trong thời gian tối thiểu là 4 h;
- Lấy mẫu ra và để mẫu đến nhiệt độ thuận tiện trong khoảng từ 20 °C đến 30 °C trong thời gian tối thiểu 8 h;
- Đặt mẫu vào tủ ở độ ẩm tương đối 91% đến 95% trong 72 h ở nhiệt độ thuận tiện bất kỳ trong khoảng từ 20 °C đến 30 °C;
- Lấy mẫu ra và để ở nhiệt độ thuận tiện từ 20 °C đến 30 °C trong tối thiểu 1 h;
- Đặt mẫu vào tủ sấy ở nhiệt độ được sử dụng để điều hòa nhiệt độ (TC) trong thời gian tối thiểu là 4 h; và
- Lấy mẫu ra và để mẫu đạt đến nhiệt độ thuận tiện trong khoảng 20 °C; và 30 °C trong tối thiểu 8 h.
Mẫu sau đó ngay lập tức được kiểm tra theo các thử nghiệm của Phụ lục Q theo 2.1.4.3.
Với sự nhất trí của nhà sản xuất, khoảng thời gian trên có thể được kéo dài thêm.
Sau các thử nghiệm trên:
- Một lớp phủ kim loại hóa hoặc một phần được bảo vệ bằng chất kết dính không được rơi ra hoặc bong ra một phần;
- Lớp phủ kim loại hóa phải chịu thử nghiệm độ bền mài mòn của E.13.6.2. Sau thử nghiệm độ bền mài mòn, lớp phủ không được lỏng lẻo và không có hạt nào bị lỏng ra khỏi lớp phủ; và
Các bộ phận của phần vỏ đóng vai trò là biện pháp bảo vệ phải tuân theo tất cả các yêu cầu hiện hành đối với phần vỏ.
Phụ lục O
(Quy định)
Mạch dành cho kết nối với hệ thống dây điện trong tòa nhà
O.1. Nguồn điện giới hạn
O.1.1. Yêu cầu
Một nguồn điện giới hạn phải tuân theo một trong những điều sau:
a) Đầu ra đã bị giới hạn theo Bảng O.1; hoặc là
b) Trở kháng tuyến tính hoặc phi tuyến tính giới hạn đầu ra phù hợp với Bảng O.1. Nếu một thiết bị PTC được sử dụng, nó sẽ:
1) Vượt qua các thử nghiệm quy định trong các Điều 15, 17, J.15 và J.17 của IEC 60730-1: 2013; hoặc là
2) Đáp ứng các yêu cầu của IEC 60730-1: 2013 đối với thiết bị cung cấp hành động Kiểu 2. AL;
c) Mạng điều chỉnh giới hạn đầu ra phù hợp với Bảng O.1, cả khi có và không có lỗi đơn mô phỏng (xem A.4), trong mạng điều chỉnh (hở mạch hoặc ngắn mạch); hoặc là
d) Thiết bị bảo vệ quá dòng được sử dụng và đầu ra bị giới hạn phù hợp với Bảng O.2; hoặc là
e) Bộ giới hạn dòng IC tuân theo D.9.
Khi sử dụng thiết bị bảo vệ quá dòng, thiết bị đó phải là cầu chì hoặc thiết bị điện cơ không điều chỉnh, không tự động khởi động lại.
O.1.2. Phương pháp thử nghiệm và tuân thủ tiêu chuẩn
Sự phù hợp được kiểm tra bằng cách xem xét và đo lường và đặc biệt bằng cách kiểm tra dữ liệu của nhà sản xuất đối với pin. Pin phải được sạc đầy khi tiến hành các phép đo Uoc và Isc theo Bảng O.1 và Bảng O.2. Công suất lớn nhất phải được xem xét.
Tải không điện dung được tham chiếu trong chú thích cuối trang b và c của Bảng O.1 và Bảng O.2 được điều chỉnh để lần lượt tạo ra dòng điện cực đại và truyền công suất cực đại. Các điều kiện sự cố đơn lẻ được áp dụng trong mạng điều chỉnh theo O.1.1, mục c) trong điều kiện dòng điện và công suất lớn nhất này.
Bảng O.1 - Giới hạn đối với các nguồn điện đã giới hạn
|
Điện áp đầu ra a |
Dòng điện đầu ra b d |
Công suất biểu kiếnc d |
|
|
V AC |
V DC |
A |
VA |
|
Uoc ≤ 30 |
Uoc ≤ 30 |
≤ 8,0 |
≤ 100 |
|
- |
30 <Uoc ≤ 60 |
≤ 150/Uoc |
≤ 100 |
|
a Uoc: Điện áp đầu ra được đo theo A.2.3 khi ngắt kết nối tất cả các mạch tải. Điện áp dành cho AC về cơ bản là hình sin và DC không có gợn sóng. Đối với AC và DC không hình sin có gợn sóng lớn hơn 10% giá trị đỉnh, điện áp đỉnh không được vượt quá 42,4 V. b Isc: Dòng điện đầu ra lớn nhất với bất kỳ tải không điện dung nào, kể cả ngắn mạch. c S (VA): Đầu ra lớn nhất VA với bất kỳ tải không điện dung nào. d Phép đo Isc và S được thực hiện 5 giây sau khi dùng tải nếu bảo vệ bằng mạch điện tử và 60 giây trong trường hợp thiết bị PTC hoặc trong các trường hợp khác. |
|||
Bảng O.2 - Giới hạn đối với các nguồn điện không bị giới hạn
(yêu cầu thiết bị bảo vệ quá dòng)
|
Điện áp đầu ra a |
Dòng điện đầu ra b d |
Công suất biểu kiến c d |
Đánh giá hiện tại của thiết bị bảo vệ quá dònge |
|
|
V AC |
V DC |
A |
VA |
A |
|
≤ 20 |
≤ 20 |
≤ 1 000/Uoc |
≤ 250 |
≤ 5,0 |
|
20 < Uoc ≤ 30 |
20 < Uoc ≤ 30 |
≤ 100/ Uoc |
||
|
- |
30 < Uoc ≤ 60 |
≤ 100/ Uoc |
||
|
a Uoc: Điện áp đầu ra được đo theo A.2.3 khi ngắt kết nối tất cả các mạch tải. Điện áp dành cho AC về cơ bản là hình sin và DC không có gợn sóng. Đối với AC và DC không hình sin có gợn sóng lớn hơn 10% giá trị đỉnh, điện áp đỉnh không được vượt quá 42,4 V b Isc: Dòng điện đầu ra lớn nhất với bất kỳ tải không điện dung nào, kể cả ngắn mạch, đo được 60 s sau khi dùng tải. c S(VA): Đầu ra lớn nhất VA với bất kỳ tải không điện dung nào được đo trong 60 giây sau khi dùng tải. d Trở kháng giới hạn dòng điện giữ nguyên trong mạch của thiết bị trong quá trình đo, thiết bị bảo vệ quá dòng được bỏ qua. Lý do thực hiện các phép đo với các thiết bị bảo vệ quá dòng bị bỏ qua là để xác định lượng năng lượng có thể gây ra hiện tượng quá nhiệt có thể xảy ra trong thời gian hoạt động của các thiết bị bảo vệ quá dòng. e Hiệu suất hiện tại của thiết bị bảo vệ quá dòng dựa trên cầu chì và cầu dao ngắt mạch trong vòng 120 s với dòng điện bằng 210% định mức dòng điện được chỉ định trong bảng.
|
||||
O.2. Thử nghiệm đối với các mạch bên ngoài - cáp dẫn được ghép nối
Thiết bị cung cấp điện cho cáp dẫn ghép nối mạch bên ngoài (được thiết kế để kết nối với dây dẫn của tòa) nhà phải được kiểm tra như sau.
Nếu giới hạn dòng là do trở kháng vốn có của nguồn điện, thì dòng điện đầu ra vào bất kỳ tải điện trở nào, kể cả ngắn mạch, đều được đo. Giới hạn dòng điện không được vượt quá sau 60 giây thử nghiệm.
Nếu giới hạn dòng điện được cung cấp bởi thiết bị bảo vệ quá dòng có đặc tính thời gian / dòng điện quy định:
- Đặc tính thời gian/dòng điện phải chỉ ra rằng dòng điện bằng 110% giới hạn dòng điện sẽ bị ngắt trong vòng 60 phút; và
- Dòng điện đầu ra vào tải điện trở bất kỳ, kể cả ngắn mạch, có bỏ qua thiết bị bảo vệ quá dòng, được đo sau 60 giây thử nghiệm, không được vượt quá 1 000/U trong đó U là điện áp đầu ra được đo theo A.2.3 với ngắt tất cả các mạch tải.
Nếu giới hạn dòng điện được cung cấp bởi thiết bị bảo vệ quá dòng không có đặc tính thời gian/dòng điện cụ thể:
- Dòng điện đầu ra vào tải điện trở bất kỳ, kể cả dòng ngắn mạch, không được vượt quá giới hạn dòng điện sau 60 giây thử nghiệm; và
- Dòng điện đầu ra vào tải điện trở bất kỳ, kể cả ngắn mạch, có bỏ qua thiết bị bảo vệ quá dòng, được đo sau 60 giây thử nghiệm, không được vượt quá 1 000/U, trong đó U là điện áp đầu ra được đo theo A.2.3 với tất cả các mạch tải bị ngắt kết nối.
Phụ lục P
(Quy định)
Thử nghiệm giới hạn ngắn mạch
P.1. Yêu cầu chung
Phụ lục này lập thành văn bản quy trình thử nghiệm và tuân thủ tiêu chuẩn đối với thử nghiệm giới hạn ngắn mạch. Thử nghiệm này chứng minh rằng dây dẫn liên kết bảo vệ, được sử dụng trong các mạch bảo vệ bởi thiết bị có dòng điện danh định không quá 25 A, phù hợp với dòng điện gây ra sự cố được thiết bị bảo vệ quá dòng cho phép, khi đó, thử nghiệm tính toàn vẹn của thiết bị bảo vệ bổ sung
P.2. Thiết lập thử nghiệm
Nguồn được sử dụng để thực hiện thử nghiệm giới hạn ngắn mạch phải được ngắn mạch tại các đầu ra của nó và đo dòng điện để đảm bảo rằng nó có thể cung cấp ít nhất 1500 A. Đây có thể là ổ cắm điện xoay chiều, máy phát điện, nguồn điện hoặc pin.
Nếu bộ phận bảo vệ quá dòng được cung cấp trong thiết bị thì thiết bị này được sử dụng cho thử nghiệm.
Đối với nguồn xoay chiều mà chỉ có một bộ phận bảo vệ quá dòng được cung cấp trong thiết bị và phích cắm không phân cực, bộ phận bảo vệ lắp đặt trong công trình được sử dụng cho thử nghiệm và bộ phận bảo vệ quá dòng bên trong được bỏ qua. Nhà sản xuất phải ghi rõ thiết bị được sử dụng để thử nghiệm trong hướng dẫn an toàn thiết bị.
Khi không có bộ phận bảo vệ trong thiết bị thì phải chọn bộ phận bảo vệ quá dòng thích hợp. Bộ phận bảo vệ quá dòng này phải sao cho nó không ngắt dòng gây ra sự cố trước khi nửa chu kỳ trôi qua. Bộ phận bảo vệ quá dòng lắp đặt cho nguồn AC trong công trình hoặc bộ phận được chỉ định cung cấp bên ngoài cho thiết bị dùng cho nguồn DC, được sử dụng cho thử nghiệm. Sau đó, nhà sản xuất phải chỉ rõ bộ phận được sử dụng để tiến hành thử nghiệm trong hướng dẫn an toàn của thiết bị.
P.3. Phương pháp thử nghiệm
Nguồn phải được đưa vào EUT qua dây nguồn do nhà sản xuất thiết bị cung cấp hoặc chỉ định. Khi không có dây nguồn được cung cấp hoặc được chỉ định, sẽ sử dụng dây nguồn dài 1 mét, tiết diện 2,5 mm2 hoặc 12 AWG. Đối với nguồn một chiều, dây nguồn phải có kích thước phù hợp với dòng điện danh định lớn nhất của thiết bị.
Để thực hiện thử nghiệm này, phải ngắn mạch trong thiết bị với mối nối đất của thiết bị. Điểm thực hiện việc này tùy thuộc vào từng thiết bị. Sau khi xem xét kết cấu thiết bị và sơ đồ mạch, ngắn mạch phải được đưa vào giữa dây dẫn pha, tại điểm gần đầu vào nhất (điểm có trở kháng thấp nhất) và đường liên kết bảo vệ đang xét. Có thể có nhiều hơn một điểm mà tại đó ngắn mạch này có thể được áp dụng để xác định trường hợp xấu nhất.
Dây dẫn liên kết bảo vệ được nối với nguồn có khả năng cung cấp dòng điện xoay chiều hoặc một chiều, phù hợp với EUT, 1500 A trong điều kiện ngắn mạch và sử dụng điện áp nguồn bằng điện áp danh định hoặc bất kỳ điện áp nào trong phạm vi điện áp danh định của thiết bị. Trong trường hợp đã biết dòng điện ngắn mạch của thiết bị thì nguồn dùng để thử nghiệm phải có khả năng cung cấp dòng điện đó trong điều kiện ngắn mạch. Nhà chế tạo phải nêu dòng điện ngắn mạch đã được sử dụng để đánh giá trong hướng dẫn an toàn. Bộ phận bảo vệ quá dòng điện bảo vệ mạch điện đang xét (phù hợp với điều P.2) được mắc nối tiếp với dây dẫn liên kết bảo vệ. Dây cấp nguồn điện, nếu được cung cấp hoặc được chỉ định, phải vẫn được nối khi tiến hành thử nghiệm.
Thử nghiệm giới hạn ngắn mạch đối với các dây dẫn liên kết bảo vệ trong một cụm được bọc phù hợp được tiến hành trên một mẫu đã được bọc hoặc đã được phủ.
Thử nghiệm được tiến hành thêm hai lần nữa (tổng cộng ba lần, trên một mẫu khác trừ khi nhà sản xuất đồng ý tiến hành thử nghiệm trên cùng một mẫu). Thử nghiệm được tiếp tục cho đến khi thiết bị bảo vệ quá dòng hoạt động.
P.4. Tuân thủ tiêu chuẩn
Khi kết thúc thử nghiệm, sự phù hợp được kiểm tra bằng cách đánh giá các nội dung sau.
Sẽ có:
- Không làm hỏng dây dẫn liên kết bảo vệ;
- Không có hư hỏng đối với bất kỳ Cách điện chính, Cách điện phụ hoặc cách điện tăng cường nào;
- Không giảm khe hở, khoảng giãn cách trượt và khoảng giãn cách xuyên qua lớp cách nhiệt; và
- Không có sự tách lớp của bảng mạch in.
Phụ lục Q
(Quy định)
Kiểm tra độ bền cơ học
Q.1. Yêu cầu chung
Không có thử nghiệm nào được áp dụng cho tay cầm, cần gạt, núm vặn, mặt của CRT hoặc nắp trong suốt hoặc mờ của các thiết bị chỉ thị hoặc đo lường, trừ khi các bộ phận ở ES3 có thể tiếp cận được khi tay cầm, cần, núm hoặc nắp được tháo ra.
Q.2. Kiểm tra lực ổn định, 10 N
Một lực ổn định 10 N ± 1 N được đặt lên thành phần hoặc bộ phận đang xét trong khoảng thời gian ngắn khoảng 5 s.
Q.3. Kiểm tra lực ổn định, 30 N.
Thử nghiệm được tiến hành bằng phiên bản thẳng không rời của đầu dò thử nghiệm áp dụng của Hình R.1 hoặc Hình R.2, tác dụng với lực 30 N ± 3 N trong thời gian ngắn khoảng 5 s.
Q.4. Kiểm tra lực ổn định, 100 N
Thử nghiệm được tiến hành bằng cách đặt vỏ bọc bên ngoài một lực ổn định 100 N ± 10 N lên bề mặt phẳng hình tròn có đường kính 30 mm trong thời gian ngắn khoảng 5 s, tác dụng lần lượt lên trên, dưới và các mặt.
Q.5. Kiểm tra lực ổn định, 250 N
Thử nghiệm được tiến hành bằng cách đặt các vỏ bọc bên ngoài một lực ổn định 250 N 10 N lên bề mặt phẳng hình tròn có đường kính 30 mm trong thời gian ngắn khoảng 5 s, tác dụng lần lượt lên mặt trên, mặt dưới và các mặt bên.
Q.6. Thử nghiệm tác động của vỏ bọc
Một mẫu bao gồm vỏ hoàn chỉnh hoặc một phần của nó, đại diện cho khu vực không gia cố lớn nhất được đặt ở vị trí bình thường của nó. Một quả cầu thép rắn, nhẵn, có đường kính 50 mm± 1 mm và khối lượng 500 g± 25 g, được dùng để thực hiện các phép thử sau:
- Trên các bề mặt nằm ngang, quả cầu được rơi tự do theo phương thẳng đứng với khoảng giãn cách 1300 mm ± 10 mm lên mẫu (xem Hình Q.1); và
- Trên mặt phẳng thẳng đứng, quả cầu được treo bằng dây và lắc lư như một con lắc để tác dụng lực tác động theo phương ngang, thả rơi theo phương thẳng đứng một khoảng giãn cách 1300 mm ± 10 mm lên mẫu (xem Hình Q.1).
Để đánh giá một bộ phận chỉ hoạt động như vỏ chống cháy, thử nghiệm được thực hiện như trên, nhưng khoảng giãn cách thẳng đứng là 410 mm±10 mm.
Các tác động ngang có thể được mô phỏng trên các bề mặt thẳng đứng hoặc nghiêng bằng cách lắp mẫu ở vị trí 90 vào vị trí bình thường của nó và áp dụng thử nghiệm va đập thẳng đứng thay vì thử nghiệm con lắc.

Hình Q.1 - Thử nghiệm va đập sử dụng quả cầu
Q.7. Thử nghiệm thả
Một mẫu của thiết bị hoàn chỉnh phải chịu ba tác động do bị rơi xuống bề mặt nằm ngang ở những vị trí có khả năng gây ra kết quả bất lợi nhấQ.
Chiều cao thả sẽ là:
- 750 mm ± 10 mm đối với thiết bị đặt trên bàn và thiết bị di chuyển
- 1 000 mm ± 10 mm đối với thiết bị cầm tay, thiết bị cắm trực tiếp và thiết bị có thể vận chuyển
- 350 mm ± 10 mm đối với bộ phận chỉ đóng vai trò là vỏ chống cháy của thiết bị đặt trên bàn và thiết bị di động
- 500 mm ± 10 mm đối với bộ phận chỉ đóng vai trò là vỏ chống cháy của thiết bị cầm tay, thiết bị cắm trực tiếp và thiết bị có thể vận chuyển
Bề mặt nằm ngang bao gồm gỗ cứng dày ít nhất 13 mm, được gắn trên hai lớp ván ép, mỗi lớp dày 18 mm ± 2 mm, tất cả được nâng đỡ trên nền bê tông hoặc sàn không đàn hồi tương đương.
Q.8. Thử nghiệm giảm căng thẳng
Giảm ứng suất được kiểm tra bằng thử nghiệm giảm ứng suất của khuôn theo IEC 60695-10-3 hoặc bằng quy trình thử nghiệm được mô tả dưới đây hoặc bằng cách kiểm tra kết cấu và các dữ liệu có sẵn nếu thích hợp.
Một mẫu bao gồm thiết bị hoàn chỉnh hoặc vỏ bọc hoàn chỉnh cùng với bất kỳ khung đỡ nào, được đặt trong tủ sấy không khí tuần hoàn ở nhiệt độ cao hơn 10 K so với nhiệt độ tối đa quan sát được trên mẫu trong quá trình thử nghiệm gia nhiệt của 2.2.4.1.4.2, nhưng không dưới 70 °C, trong thời gian 7 giờ, sau đó làm nguội đến nhiệt độ phòng
Đối với thiết bị lớn, không áp dụng điều kiện về vỏ bọc hoàn chỉnh, có thể sử dụng một phần của vỏ bọc tiêu biểu cho cụm hoàn chỉnh liên quan đến độ dày và hình dạng, bao gồm bất kỳ bộ phận hỗ trợ cơ học nào.
CHÚ THÍCH: Độ ẩm tương đối không cần được duy trì ở một giá trị cụ thể trong quá trình thử nghiệm này.
Q.9. Kiểm tra va đập kính
Mẫu thử nghiệm được nâng đỡ trên toàn bộ diện tích của nó và phải chịu một tác động đơn lẻ, quy định trong Bảng Q.1. Tác động phải được đặt ở vị trí đại diện cho tâm của kính.
Tác động quy định phải được gây ra bằng cách cho một viên bi thép rắn, nhẵn, đường kính 50 mm ± 1 mm và có khối lượng 500 g ± 25 g rơi tự do từ trạng thái nghỉ theo phương thẳng đứng không nhỏ hơn quy định trong Bảng Q. 1, như được chỉ ra trong Hình Q.1, và đập vào mẫu với lực tác động được chỉ định theo hướng vuông góc với bề mặt của mẫu.
Bảng Q.1 - Lực va đập
|
Phần |
Biện pháp bảo vệ |
Va chạm J |
Cao mm |
|
Trừ khi có quy định khác dưới đây, bất kỳ loại kính nào được sử dụng như một biện pháp bảo vệ tránh các nguồn năng lượng loại 3 ngoại trừ PS3 |
Tiếp xúc với các nguồn năng lượng loại 3 |
3,5 |
714 |
|
Kính trên sàn thiết bị đứng |
Vết rách da |
3,5 |
714 |
|
Kính trên tất cả các thiết bị khác |
Vết rách da |
2 |
408 |
|
Kính nhiều lớp được sử dụng như một biện pháp bảo vệ tránh các nguồn năng lượng loại 3 ngoại trừ PS 3 |
Tiếp xúc với các nguồn năng lượng loại 3 |
1 |
204 |
|
Thấu kính thủy tinh được cung cấp để làm suy giảm bức xạ UV |
Tiếp xúc với bức xạ UV |
0,5 |
102 |
|
Để áp dụng va chạm cần thiết, chiều cao được tính bằng H = E / (g x m) trong đó: H là khoảng giãn cách thẳng đứng tính bằng mét với sai số ± 10 mm; E là năng lượng va chạm tính bằng jun; g là gia tốc trọng trường 9,81 m /s2; m là khối lượng của quả cầu thép tính bằng kilôgam. |
|||
Q.10. Thử nghiệm phân mảnh thủy tinh
Mẫu thử nghiệm được nâng đỡ trên toàn bộ diện tích của nó và các biện pháp phòng ngừa phải được thực hiện để đảm bảo rằng các hạt sẽ không bị phân tán khi phân mảnh. Sau đó, mẫu thử được đập vỡ bằng một quả đấm ở giữa được đặt cách điểm giữa của một trong các cạnh dài hơn của mẫu thử khoảng 15 mm. Sau khi mẫu vỡ tối đa là 5 phút và không sử dụng bất kỳ phương tiện hỗ trợ nào cho quan sát, ngoại trừ kính thường, các hạt được đếm trong một hình vuông cạnh 50 mm nằm gần trung tâm của khu vực vỡ thô nhất và không bao gồm bất kỳ khu vực nào bên trong 15 mm của bất kỳ cạnh hoặc lỗ nào.
Mẫu thử nghiệm phải được làm vỡ theo cách sao cho số lượng các hạt đếm được trong một hình vuông có các cạnh là 50 mm không được nhỏ hơn 45.
Q.11. Thử nghiệm đối với ăng ten ống lồng hoặc ăng ten hình que
Phần cuối của ăng ten dạng ống lồng hoặc ăng ten hình que phải chịu một lực 20 N dọc theo trục chính của ăng ten trong thời gian 1 phút. Ngoài ra, nếu phần cuối được gắn bằng ren vít, thì một mô-men xoắn nới lỏng sẽ được sử dụng cho các phần cuối của năm mẫu bổ sung. Mômen xoắn được sử dụng từ từ với thanh cố định. Khi đạt đến mômen xoắn riêng, nó phải được duy trì trong thời gian không quá 15 s. Thời gian giữ cho một mẫu bất kỳ không được ít hơn 5 s và thời gian giữ trung bình của năm mẫu không được ít hơn 8 s.
Giá trị của mômen xoắn được cho trong Bảng Q.2.
Bảng Q.2 - Giá trị mô-men xoắn để thử nghiệm phần cuối
|
Đường kính phần cuối mm |
Mô-men xoắn Nm |
|
< 8,0 |
0,3 |
|
≥ 8,0 |
0,6 |
Phụ lục R
(Quy định)
Xác định các bộ phận có thể tiếp cận
R.1. Các bộ phận có thể tiếp cận của thiết bị
R.1.1. Yêu cầu chung
Bộ phận tiếp cận được của thiết bị là bộ phận của thiết bị có thể tiếp cận đến được bằng cơ thể. Với mục đích xác định bộ phận có thể tiếp cận được, bộ phận cơ thể được thể hiện bằng một hoặc nhiều đầu đo thử nghiệm được chỉ định.
Các bộ phận tiếp cận được của thiết bị có thể bao gồm các bộ phận nằm phía sau thành phần đóng mở, bảng điều khiển, nắp có thể tháo rời, v.v. của thiết bị mà có thể mở được mà không cần sử dụng công cụ.
Các bộ phận tiếp cận được không bao gồm những bộ phận có thể tiếp cận được khi thiết bị đứng trên sàn bị nghiêng có khối lượng vượt quá 40 kg.
Đối với thiết bị được thiết kế để lắp trong nhà hoặc lắp vào giá đỡ, hoặc lắp ráp phụ và những thứ tương tự để kết hợp với thiết bị lớn hơn, các bộ phận có thể tiếp cận được không bao gồm những bộ phận không thể tiếp cận khi thiết bị hoặc cụm lắp ráp phụ được lắp đặt theo phương pháp lắp hoặc lắp đặt cụ thể trong hướng dẫn cài đặt.
Một bộ phận được coi là có thể tiếp cận được được nếu các hướng dẫn hoặc nhãn hiệu dự định tuân theo yêu cầu một người phải tiếp xúc thực tế với bộ phận đó. Điều này áp dụng mà không cần kiểm tra và bất kể công cụ có được yêu cầu để đạt được quyền truy cập hay không.
R.1.2 Phương pháp thử nghiệm 1 - Các bề mặt và lỗ hở được thử nghiệm bằng các đầu dò thử nghiệm có khớp nối
Đối với các bề mặt và lỗ hở, đầu đo thử nghiệm có mối nối sau đây được đặt, không cần lực đáng kể và ở bất kỳ vị trí nào có thể, lên các bề mặt và lỗ hở của thiết bị:
- Đầu đo thử nghiệm của Hình R.1 đối với thiết bị mà trẻ em có thể tiếp cận được;
CHÚ THÍCH 1: Thiết bị được thiết kế để sử dụng trong gia đình, trường học, công cộng và các địa điểm tương tự là thiết bị thường được coi là trẻ em có thể tiếp cận được, xem E.4.
- Đầu đo thử nghiệm của Hình R.2 đối với thiết bị mà trẻ em không thể tiếp cận được.
Nếu có thể đi vào phía sau cửa, bảng điều khiển, nắp có thể tháo rời, v.v. mà không cần sử dụng công cụ hoặc mục nhập được hướng dẫn bởi hướng dẫn hoặc nhãn hiệu của nhà sản xuất, có hoặc không sử dụng công cụ, thì đầu dò thử nghiệm được áp dụng cho các bề mặt và khe hở trong các lĩnh vực đó.
Khi toàn bộ đầu đo đi qua một lỗ lớn (cho phép cánh tay xâm nhập nhưng không phải vai), đầu đo phải được áp dụng cho tất cả các bộ phận trong bán cầu có bán kính 762_mm.
Tay cầm của đầu đo phải hướng dọc theo một đường về phía lỗ lớn để mô phỏng bàn tay ở phần cuối của cánh tay kéo dài qua lỗ lớn. Mặt phẳng của bán cầu phải là mặt phẳng bên ngoài của lỗ mở. Bất kỳ bộ phận nào bên ngoài bán cầu có bán kính 762_mm được coi là không thể tiếp cận.
CHÚ THÍCH 2: Có thể tháo dỡ thiết bị để thực hiện thử nghiệm này.
R.1.3. Phương pháp thử nghiệm 2 - Các lỗ hở được thử nghiệm bằng các đầu đo thử nghiệm thẳng không dính nhau
Các lỗ hở ngăn cản việc tiếp cận một bộ phận bằng đầu đo thử nghiệm có khớp nối thích hợp của Hình R.1 hoặc Hình R.2 được thử nghiệm thêm bằng phương pháp thử nghiệm tương ứng phiên bản không ghép nối thẳng.
Đặt đầu đo với lực 30 N. Nếu đầu đo không dính vào các lỗ, phương pháp thử nghiệm 1 được lặp lại, ngoại trừ việc phiên bản có khớp áp dụng của đầu đo thử nghiệm được đẩy qua lỗ bằng bất kỳ lực cần thiết nào đến 30 N.

Dung sai trên các kích thước không có dung sai cụ thể:
góc: ± 15 ′
trên bán kính: ± 0,1 mm
Dung sai trên các kích thước tuyến tính không có dung sai cụ thể:
≤ 15 mm: 0 mm
-0.1
> 15 mm ≤ 25 mm: ± 0,1 mm
> 25 mm: ± 0,3 mm
Vật liệu của đầu dò thử nghiệm: ví dụ như thép đã qua xử lý nhiệt.
Hình R.1 - Đầu đo thử nghiệm có khớp nối đối với thiết bị mà trẻ em có thể tiếp cận được

Kích thước tuyến tính tính bằng milimét
Dung sai trên các kích thước không có dung sai cụ thể:
Góc 14 ° và 37 °: ± 15 ′
trên bán kính: ± 0,1 mm
trên kích thước tuyến tính:
≤ 15 mm: 0 mm
-0.1
> 15 mm ≤ 25 mm: ± 0,1 mm
> 25 mm: ± 0,3 mm
CHÚ THÍCH: Đầu đo thử nghiệm có khớp nối này được lấy từ Hình 2, đầu đo thử nghiệm B của IEC 61032: 1997.
Hình R.2 - Đầu đo thử nghiệm có khớp nối đối với thiết bị không có khả năng tiếp cận với trẻ em
R.1.4. Phương pháp thử nghiệm 3 - Phích cắm, giắc cắm, đầu nối
Đầu đo được làm cùn của Hình R.3 được sử dụng mà không có lực đáng kể và ở bất kỳ vị trí nào có thể cho các bộ phận được chỉ định.

Hình R.3 - Đầu dò cùn
R.1.5. Phương pháp thử nghiệm 4 - Các khe hở
Sử dụng đầu dò hình nêm như Hình R.4

Dung sai trên các kích thước tuyến tính không có dung sai cụ thể:
≤ 25 mm: ± 0,13 mm
> 25 mm: ± 0,3 mm
CHÚ THÍCH: Độ dày của đầu đo thay đổi theo tuyến tính, với sự thay đổi độ dốc tại các điểm sau dọc theo đầu đo:
|
Khoảng giãn cách từ đỉnh đầu đo mm |
Độ dày đầu đo mm |
|
0 |
2 |
|
12 |
4 |
|
180 |
24 |
Hình R.4 - Đầu dò hình nêm
R.1.6. Phương pháp thử nghiệm 5 - Các thiết bị đầu cuối dành cho người bình thường sử dụng
Dây thử nghiệm cứng của đầu đo thử nghiệm trên Hình R.5 được luồn vào lỗ có thể áp dụng với lực đến 1 N 0,1 N và có chiều dài giới hạn đến 20 mm 0,2 mm. Trong khi được đưa vào, đầu đo được di chuyển theo bất kỳ góc nào với lực tối thiểu.

CHÚ THÍCH: Đầu đo này được lấy từ Hình 4 của IEC 61032: 1997.
Hình R.5 - Đầu dò đầu cuối
R.2. Tiêu chí bộ phận có thể tiếp cận
Nếu một bộ phận có thể được chạm vào bằng đầu đo được chỉ định, thì bộ phận đó có thể tiếp cận được.
Phụ lục S
(Quy định)
Phương pháp thay thế xác định khe hở cách điện trong mạch nối với nguồn điện xoay chiều không vượt quá 420 Vđỉnh (RMS 300 V)
Đối với nguồn điện xoay chiều không vượt quá 420 Vđỉnh (RMS 300 V):
- Nếu giá trị đỉnh của điện áp làm việc không vượt quá giá trị đỉnh của điện áp nguồn điện xoay chiều, khe hở tối thiểu thay thế được xác định trong Bảng S.1;
- Nếu giá trị đỉnh của điện áp làm việc vượt quá giá trị điện áp nguồn điện xoay chiều, khe hở tối thiều thay thế là tổng của hai giá trị:
● Khe hở trong Bảng S.1 và
● Khe hở bổ sung thích hợp trong Bảng S.2.
GHI CHÚ: Một khe hở có được khi sử dụng Bảng S.1 nằm giữa các giá trị cần thiết cho trường đồng nhất và không đồng nhất. Do đó, nó có thể không vượt qua được thử nghiệm độ bền điện thích hợp nếu trường về cơ là không đồng nhất.
Bảng S.1 - Khe hở tối thiểu thay thế cho cách điện trong mạch
nối với nguồn điện xoay chiều không vượt quá 420 Vđỉnh (RMS 300 V)
Khe hở tính bằng mm
|
Điện áp nhỏ hơn hoặc bằng (V) |
Điện áp tạm thời của nguồn |
|||||||
|
1 500 V a |
2 500 V a |
|||||||
|
Độ nhiễm bẩn |
||||||||
|
1 và 2 |
3 |
1 và 2 |
3 |
|||||
|
B/S |
R |
B/S |
R |
B/S |
R |
B/S |
R |
|
|
71 |
1,0 |
2,0 |
1,3 |
2,6 |
2,0 |
4,0 |
2,0 |
4,0 |
|
210 |
1,0 |
2,0 |
1,3 |
2,6 |
2,0 |
4,0 |
2,0 |
4,0 |
|
420 |
B/S 2,0 R 4,0 |
|||||||
|
Nếu đỉnh của điện áp làm việc vượt quá giá trị đỉnh của điện áp nguồn xoay chiều thì theo phép nội suy tuyến tính giữa hai điểm gần nhất được phép, khe hở tối thiểu được tính toán sẽ tăng lên đến gia số 0,1 mm cao hơn tiếp theo. |
||||||||
|
a Mối quan hệ giữa điện áp tạm thời của nguồn và điện áp nguồn điện xoay chiều được đưa ra trong Bảng 12 |
||||||||
Bảng S.2 - Khe hở bổ sung cho cách điện trong các mạch nối nguồn điện xoay chiều không vượt quá 420 Vđỉnh (RMS 300 V)
|
Điện áp tạm thời của nguồn |
||||||
|
1 500 V a |
2 500 V a |
|||||
|
Điện áp nhỏ hơn hoặc bằng (V) |
Vật liệu Cách điện chính hoặc bổ trợ |
Vật liệu cách nhiệt được |
Điện áp nhỏ hơn hoặc bằng (V) |
Vật liệu Cách điện chính hoặc bổ trợ |
Vật liệu cách nhiệt được |
|
|
Độ nhiễm bẩn 1 và 2 |
Độ nhiễm bẩn 3 |
Độ nhiễm bẩn 1, 2 và 3 |
||||
|
210 298 386 474 562 650 738 826 914 1 002 1 090 1 178 1 266 1 354 |
210 298 386 474 562 650 738 826 914 1 002 1 090 1 178 1 266 1 354 |
210 298 386 474 562 650 738 826 914 1 002 1 090 1 178 1 266 1 354 |
210 298 386 474 562 650 738 826 914 1 002 1 090 1 178 1 266 1 354 |
210 298 386 474 562 650 738 826 914 1 002 1 090 1 178 1 266 1 354 |
210 298 386 474 562 650 738 826 914 1 002 1 090 1 178 1 266 1 354 |
210 298 386 474 562 650 738 826 914 1 002 1 090 1 178 1 266 1 354 |
|
Đối với điện áp trên giá trị đỉnh của điện áp làm việc trong bảng, phép ngoại suy tuyến tính được chấp nhận. Đối với điện áp nằm trong giới hạn giá trị đỉnh của điện áp làm việc trong bảng, phép nội suy tuyến tính được chấp nhận giữa hai điểm gần nhất được phép, khe hở tối thiểu được tính toán sẽ tăng lên đến gia số 0,1 mm cao hơn tiếp theo. |
||||||
|
a Mối quan hệ giữa điện áp tạm thời của nguồn và điện áp nguồn điện xoay chiều được đưa ra trong Bảng 12 |
||||||
Phụ lục T
(Quy định)
Mã HS của thiết bị đầu cuối viễn thông và công nghệ thông tin
|
TT |
Tên sản phẩm, hàng hóa theo QCVN |
Mã số HS |
Mô tả sản phẩm, hàng hóa |
|
1 |
Thiết bị điện thoại không dây loại kéo dài thuê bao vô tuyến DECT
|
8517.11.00 |
Bộ điện thoại hữu tuyến bao gồm một máy mẹ (Base Station) đi kèm với một hoặc vài máy điện thoại không dây kéo dài bằng sóng vô tuyến điện (máy con) sử dụng công nghệ DECT. Các máy di động cầm tay (máy con) kết nối đến mạng cố định thông qua máy mẹ (Base Station), là một máy điện thoại cố định kết nối cuộc gọi đến mạng cố định. |
|
2 |
Máy tính cá nhân để bàn (Desktop computer) |
8471.41.10 |
Thiết bị được thiết kế chứa trong cùng một vỏ, có ít nhất một đơn vị xử lý trung tâm, một đơn vị nhập và một đơn vị xuất, kết hợp hoặc không kết hợp với nhau, có hoặc không tích hợp một hoặc nhiều chức năng: - Thu phát vô tuyến sử dụng kỹ thuật điều chế trải phổ trong băng tần 2,4 GHz; - Truy nhập vô tuyến băng tần 5 GHz; - Đầu cuối thông tin di động W-CDMA FDD; - Đầu cuối thông tin di động E-UTRA FDD; - Đầu cuối thông tin di động thế hệ thứ năm (5G); - Phát, thu-phát vô tuyến cự ly ngắn. |
|
3 |
Thiết bị giải mã tín hiệu truyền hình (Set Top Box) trong mạng truyền hình cáp sử dụng kỹ thuật số |
8528.71.11 8528.71.19 8528.71.91 8528.71.99 |
Thiết bị giải mã tín hiệu trong mạng truyền hình cáp sử dụng kỹ thuật số. Thiết bị có thể có hoặc không có chức năng tương tác thông tin với nhà cung cấp dịch vụ. |
|
4 |
Thiết bị giải mã tín hiệu truyền hình (Set Top Box) trong mạng truyền hình IPTV |
8528.71.11 8528.71.19 8528.71.91 8528.71.99 |
Thiết bị giải mã tín hiệu trong mạng truyền hình IPTV (truyền hình qua đường truyền internet). Thiết bị có thể có hoặc không có chức năng tương tác thông tin với nhà cung cấp dịch vụ. |
|
5 |
Thiết bị thu hình có tích hợp chức năng thu tín hiệu truyền hình số mặt đất DVB-T2 (iDTV) |
8528.72.92 8528.72.99
|
Thiết bị thu dùng trong truyền hình có chức năng giải mã tín hiệu truyền hình số mặt đất sử dụng công nghệ DVB-T2. |
|
6 |
Thiết bị khuếch đại trong hệ thống phân phối truyền hình cáp |
8517.62.49 |
Thiết bị có chức năng khuếch đại tín hiệu được sử dụng trong mạng truyền hình cáp (hệ thống hữu tuyến sóng mang hoặc hệ thống hữu tuyến kỹ thuật số). |
|
7 |
Thiết bị điện thoại không dây (loại kéo dài thuê bao) |
8517.11.00 |
Thiết bị điện thoại không dây loại kéo dài thuê bao vô tuyến, có công suất máy phát đến 25 W khai thác trên mạng điện thoại cố định, dùng để truyền dẫn tín hiệu thoại tương tự và được kết nối với mạng điện thoại cố định qua giao diện tương tự hai dây (trừ thiết bị DECT); Chỉ áp dụng cho khối trung tâm (còn gọi là trạm gốc hay máy mẹ): được đặt cố định và đấu nối với đôi dây điện thoại của mạng điện thoại công cộng (PSTN); sử dụng ăng ten tích hợp hoặc ăng ten nối ngoài. |
|
8 |
Máy tính xách tay |
8471.30.20 |
Máy xử lý dữ liệu tự động loại xách tay, có trọng lượng không quá 10 kg, gồm ít nhất một đơn vị xử lý dữ liệu trung tâm, một bàn phím và một màn hình, có hoặc không tích hợp một hoặc nhiều chức năng: - Thu phát vô tuyến sử dụng kỹ thuật điều chế trải phổ trong băng tần 2,4 Ghz; - Truy nhập vô tuyến băng tần 5 GHz; - Đầu cuối thông tin di động W-CDMA FDD; - Đầu cuối thông tin di động E- UTRA FDD; - Đầu cuối thông tin di động thế hệ thứ năm (5G); - Phát, thu – phát vô tuyến cự ly ngắn. |
|
9 |
Máy tính bảng (Tablet) |
8471.30.90 |
Máy xử lỹ dữ liệu tự động loại xách tay, có trọng lượng không quá 10 kg, gồm ít nhất một đơn vị xử lý dữ liệu trung tâm, một bàn phím và một màn hình (trừ máy tính xách tay, notebook, subnotebook), có hoặc không tích hợp một hoặc nhiều chức năng: - Thu phát vô tuyến sử dụng kỹ thuật điều chế trải phổ trong băng tần 2,4 Ghz; - Truy nhập vô tuyến băng tần 5 GHz; - Phát, thu – phát vô tuyến cự ly ngắn. |
Thư mục tài liệu tham khảo
[1] IEC 62368-1:2018 - Audio/video, information and communication technology equipment - Part 1: Safety requirements.
_______________________________
Bạn chưa Đăng nhập thành viên.
Đây là tiện ích dành cho tài khoản thành viên. Vui lòng Đăng nhập để xem chi tiết. Nếu chưa có tài khoản, vui lòng Đăng ký tại đây!
Bạn chưa Đăng nhập thành viên.
Đây là tiện ích dành cho tài khoản thành viên. Vui lòng Đăng nhập để xem chi tiết. Nếu chưa có tài khoản, vui lòng Đăng ký tại đây!















