- Tổng quan
- Nội dung
- VB gốc
- Tiếng Anh
- Hiệu lực
- VB liên quan
- Lược đồ
-
Nội dung hợp nhất
Tính năng này chỉ có tại LuatVietnam.vn. Nội dung hợp nhất tổng hợp lại tất cả các quy định còn hiệu lực của văn bản gốc và các văn bản sửa đổi, bổ sung, đính chính... trên một trang. Việc hợp nhất văn bản gốc và những văn bản, Thông tư, Nghị định hướng dẫn khác không làm thay đổi thứ tự điều khoản, nội dung.
Khách hàng chỉ cần xem Nội dung hợp nhất là có thể nắm bắt toàn bộ quy định hiện hành đang áp dụng, cho dù văn bản gốc đã qua nhiều lần chỉnh sửa, bổ sung.
- Tải về
Thông tư 13/2021/TT-BTTTT Quy chuẩn kỹ thuật yêu cầu an toàn điện cho thiết bị đầu cuối kết nối mạng viễn thông và CNTT
| Cơ quan ban hành: | Bộ Thông tin và Truyền thông |
Số công báo:
Số công báo là mã số ấn phẩm được đăng chính thức trên ấn phẩm thông tin của Nhà nước. Mã số này do Chính phủ thống nhất quản lý.
|
Đã biết
|
| Số hiệu: | 13/2021/TT-BTTTT | Ngày đăng công báo: |
Đã biết
|
| Loại văn bản: | Thông tư | Người ký: | Nguyễn Mạnh Hùng |
|
Ngày ban hành:
Ngày ban hành là ngày, tháng, năm văn bản được thông qua hoặc ký ban hành.
|
29/10/2021 |
Ngày hết hiệu lực:
Ngày hết hiệu lực là ngày, tháng, năm văn bản chính thức không còn hiệu lực (áp dụng).
|
Đang cập nhật |
|
Áp dụng:
Ngày áp dụng là ngày, tháng, năm văn bản chính thức có hiệu lực (áp dụng).
|
Đã biết
|
Tình trạng hiệu lực:
Cho biết trạng thái hiệu lực của văn bản đang tra cứu: Chưa áp dụng, Còn hiệu lực, Hết hiệu lực, Hết hiệu lực 1 phần; Đã sửa đổi, Đính chính hay Không còn phù hợp,...
|
Đã biết
|
| Lĩnh vực: | Thông tin-Truyền thông |
TÓM TẮT THÔNG TƯ 13/2021/TT-BTTTT
Ngày 29/10/2021, Bộ Thông tin và Truyền thông ra Thông tư 13/2021/TT-BTTTT về việc ban hành "Quy chuẩn kỹ thuật quốc gia về yêu cầu an toàn điện cho thiết bị đầu cuối kết nối mạng viễn thông và công nghệ thông tin".
Theo đó, quy chuẩn này áp dụng đối với thiết bị đầu cuối kết nối mạng viễn thông và công nghệ thông tin có giao diện được kết nối tới mạng viễn thông và công nghệ thông tin.
Khi thiết bị được thiết kế để kết nối về điện với thiết bị khác qua mạng ICT, các mạch kết nối phải được lựa chọn để đảm bảo luôn tuân thủ các yêu cầu của tiêu chuẩn IEC 62368-1:2014 đối với các mạch ES1 hoặc ES2 sau khi thực hiện kết nối.
Ngoài ra, các tổ chức, cá nhân có trách nhiệm thực hiện các quy định về chứng nhận hợp quy, công bố hợp quy các thiết bị đầu cuối viễn thông và công nghệ thông tin, chịu sự kiểm tra của cơ quan quản lý Nhà nước theo các quy định hiện hành.
Thông tư có hiệu lực kể từ ngày 01/7/2022.
Xem chi tiết Thông tư 13/2021/TT-BTTTT có hiệu lực kể từ ngày 01/07/2022
Tải Thông tư 13/2021/TT-BTTTT
|
BỘ THÔNG TIN VÀ Số: 13/2021/TT-BTTTT |
CỘNG HÒA XÃ HỘI CHỦ NGHĨA VIỆT NAM Hà Nội, ngày 29 tháng 10 năm 2021 |
THÔNG TƯ
Ban hành “Quy chuẩn kỹ thuật quốc gia về yêu cầu an toàn điện cho thiết bị đầu cuối kết nối mạng viễn thông và công nghệ thông tin”
_________
Căn cứ Luật Tiêu chuẩn và Quy chuẩn kỹ thuật ngày 29 tháng 6 năm 2006;
Căn cứ Luật Viễn thông ngày 23 tháng 11 năm 2009;
Căn cứ Nghị định số 127/2007/NĐ-CP ngày 01 tháng 8 năm 2007 của Chính phủ quy định chi tiết và hướng dẫn thi hành một số điều của Luật Tiêu chuẩn và Quy chuẩn kỹ thuật;
Căn cứ Nghị định số 78/2018/NĐ-CP ngày 16 tháng 5 năm 2018 của Chính phủ sửa đổi, bổ sung một số điều của Nghị định số 127/2007/NĐ-CP ngày 01 tháng 8 năm 2007 của chính phủ quy định chi tiết thi hành một số điều Luật tiêu chuẩn và quy chuẩn kỹ thuật;
Căn cứ Nghị định số 17/2017/NĐ-CP ngày 17 tháng 02 năm 2017 của Chính phủ quy định chức năng, nhiệm vụ, quyền hạn và cơ cấu tổ chức của Bộ Thông tin và Truyền thông;
Theo đề nghị của Vụ trưởng Vụ Khoa học và Công nghệ,
Bộ trưởng Bộ Thông tin và Truyền thông ban hành Thông tư quy định Quy chuẩn kỹ thuật quốc gia về yêu cầu an toàn điện cho thiết bị đầu cuối kết nối mạng viễn thông và công nghệ thông tin.
Điều 1. Ban hành kèm theo Thông tư này Quy chuẩn kỹ thuật quốc gia về yêu cầu an toàn điện cho thiết bị đầu cuối kết nối mạng viễn thông và công nghệ thông tin (QCVN 22:2021/BTTTT).
Điều 2. Bãi bỏ quy định tại 2.1, 2.2 và 2.3 của Quy chuẩn kỹ thuật quốc gia về an toàn điện cho các thiết bị đầu cuối viễn thông, Ký hiệu QCVN 22:2010/BTTTT quy định tại Khoản 21 Điều 1 Thông tư số 18/2010/TT-BTTTT ngày 30 tháng 7 năm 2010 của Bộ trưởng Bộ Thông tin và Truyền thông ban hành Quy chuẩn kỹ thuật quốc gia về viễn thông.
Điều 3. Thông tư này có hiệu lực thi hành kể từ ngày 01 tháng 7 năm 2022.
Điều 4. Chánh Văn phòng, Vụ trưởng Vụ Khoa học và Công nghệ, Thủ trưởng các cơ quan, đơn vị thuộc Bộ Thông tin và Truyền thông, Giám đốc Sở Thông tin và Truyền thông các tỉnh, thành phố trực thuộc Trung ương và các tổ chức, cá nhân có liên quan chịu trách nhiệm thi hành Thông tư này./.
|
Nơi nhận: |
BỘ TRƯỞNG |
QCVN 22:2021/BTTTT
QUY CHUẨN KỸ THUẬT QUỐC GIA VỀ YÊU CẦU AN TOÀN ĐIỆN CHO THIẾT BỊ ĐẦU CUỐI KẾT NỐI MẠNG VIỄN THÔNG VÀ CÔNG NGHỆ THÔNG TIN
National technical regulation on electrical safety requirements for terminal equipment to be connected to information and communication networks
Mục lục
1. QUY ĐỊNH CHUNG
1.1. Phạm vi điều chỉnh
1.2. Đối tượng áp dụng
1.3. Tài liệu viện dẫn
1.4. Giải thích từ ngữ
1.5. Chữ viết tắt
2. QUY ĐỊNH KỸ THUẬT
2.1. Tổng quan
2.2. Kết nối thiết bị
2.2.1. Các yêu cầu chung
2.2.2. Các loại mạch kết nối
2.3. Các mạch ES1
2.3.1. Giới hạn
2.3.2. Bảo vệ chống tiếp xúc với các mạch ES1
2.4. Các mạch ES2
2.4.1. Các giới hạn
2.4.2. Bảo vệ chống tiếp xúc với các mạch ES2
2.5. Các mạch ES3
2.5.1. Giới hạn
2.5.2. Bảo vệ chống tiếp xúc với các mạch ES3
2.6. Bảo vệ khỏi nguy hiểm trong thiết bị đối với người vận hành các mạng ICT và người sử dụng thiết bị khác nối vào mạng
2.6.1. Bảo vệ khỏi mạch ES3
2.6.2. Cách ly mạng ICT với đất
2.6.3. Dòng điện tiếp xúc tới các mạng ICT
2.6.4. Tổng dòng điện tiếp xúc từ các mạng ICT
2.7. Bảo vệ người sử dụng thiết bị khỏi hiện tượng quá áp trên các mạng ICT
2.8. Bảo vệ hệ thống dây của mạng ICT khỏi hiện tượng quá nhiệt
3. QUY ĐỊNH VỀ QUẢN LÝ
4. TRÁCH NHIỆM CỦA TỔ CHỨC, CÁ NHÂN
5. TỔ CHỨC THỰC HIỆN
Phụ lục A (Quy định) Các tiêu chuẩn an toàn sử dụng cùng với quy chuẩn này
Phụ lục B (Tham khảo) Điện áp và tín hiệu mạng ICT
Phụ lục C (Tham khảo) So sánh các khái niệm và thuật ngữ trong quy chuẩn này
Phụ lục D (Tham khảo) Tổng quan về mạng
Phụ lục E (Quy định) Các điều tham chiếu IEC 62368-1:2014
Thư mục tài liệu tham khảo
Lời nói đầu
QCVN 22:2021/BTTTT do Vụ Khoa học và Công nghệ và Viện Khoa học kỹ thuật Bưu điện biên soạn, Vụ Khoa học và Công nghệ trình duyệt, Bộ Khoa học và Công nghệ thẩm định, Bộ Thông tin và Truyền thông ban hành kèm theo Thông tư số .../TT-BTTTT ngày… tháng…. năm 2021.
QUY CHUẨN KỸ THUẬT QUỐC GIA VỀ YÊU CẦU AN TOÀN ĐIỆN CHO THIẾT BỊ ĐẦU CUỐI KẾT NỐI MẠNG VIỄN THÔNG VÀ CÔNG NGHỆ THÔNG TIN
National technical regulation on electrical safety requirements for terminal equipment to be connected to information and communication networks
1. QUY ĐỊNH CHUNG
1.1. Phạm vi điều chỉnh
Quy chuẩn này áp dụng đối với thiết bị đầu cuối kết nối mạng viễn thông và công nghệ thông tin (gọi tắt là thiết bị đầu cuối viễn thông và công nghệ thông tin) có giao diện được kết nối tới mạng viễn thông và công nghệ thông tin (ICT).
Quy chuẩn này không quy định các yêu cầu an toàn điện của chính thiết bị theo tiêu chuẩn IEC 62368-1 và không áp dụng cho các giao diện đến các mạng khác.
CHÚ THÍCH 1: Ví dụ về “các mạng khác” là Mạng tưới HBES/BACS dành riêng cho Hệ thống điện tử trong nhà và tòa nhà/Hệ thống tự động hóa và điều khiển tòa nhà được quy định tại EN 50491-3.
Quy chuẩn này chỉ quy định các yêu cầu an toàn điện của giao diện tới mạng ICT.
CHÚ THÍCH 2: Xem Phụ lục D.
Các bổ sung đối với các yêu cầu quy định trong Quy chuẩn này có thể cần thiết trong các trường hợp:
• thiết bị được thiết kế để hoạt động trong các điều kiện khắc nghiệt như nhiệt độ cao, bụi, độ ẩm hoặc rung động quá mức; với các khí dễ cháy hoặc môi trường ăn mòn, dễ nổ;
* các trường hợp sử dụng điện trong y tế có kết nối vật lý với người bệnh.
Các yêu cầu sau không thuộc phạm vi Quy chuẩn này:
• độ an toàn về chức năng của thiết bị;
• độ tin cậy về chức năng của thiết bị;
• các phương tiện liên lạc có nguồn cung cấp từ xa sử dụng điện áp nguy hiểm;
• việc bảo vệ thiết bị kết nối với mạng ICT khỏi các hư hỏng về chức năng.
1.2. Đối tượng áp dụng
Quy chuẩn này áp dụng đối với các tổ chức, cá nhân Việt Nam và nước ngoài có hoạt động sản xuất, kinh doanh các thiết bị thuộc phạm vi điều chỉnh của quy chuẩn này trên lãnh thổ Việt Nam.
1.3. Tài liệu viện dẫn
IEC 62368-1:2014, Audio/video, information and communication technology equipment - Part 1: Safety requirements.
Trong Quy chuẩn này, số thứ tự của điều, hình vẽ và bảng được viện dẫn của IEC 62368-1:2014 được đặt trong ngoặc vuông [ ] và nội dung được viện dẫn của IEC 62368-1:2014 được in nghiêng.
CHÚ THÍCH: Quy chuẩn này cũng viện dẫn các tài liệu được liệt kê trong danh mục tại Phụ lục A.
1.4. Giải thích từ ngữ
1.4.1. Mạng ICT (ICT network)
Phương tiện truyền dẫn có kết cuối bằng kim loại bao gồm các đôi dây dẫn để kết nối giữa các thiết bị có thể được đặt trong các tòa nhà riêng biệt, nhưng không bao gồm:
• hệ thống nguồn để cung cấp, truyền tải và phân phối năng lượng điện, nếu được sử dụng làm phương tiện truyền tải thông tin;
• mạng HBES/BACS chuyên dụng;
• mạch ngoài hoạt động ở mức ES1 kết nối các trang bị âm thanh/hình ảnh, thiết bị viễn thông và công nghệ thông tin.
CHÚ THÍCH 1. Mạng này có thể bao gồm các đôi dây xoắn, và có thể bao gồm các mạch, phải chịu các điện áp quá độ như chỉ ra trong [Bảng 14] của IEC 62368-1:2014, số 1 (giả định là 1,5 kV).
CHÚ THÍCH 2: Mạng ICT có thể là:
• mạng công cộng hoặc mạng sở hữu tư nhân;
• chịu các điện áp dọc (chế độ chung) cảm ứng từ các đường dây điện gần đó.
CHÚ THÍCH 3: Ví dụ về các mạng ICT bao gồm:
• mạng điện thoại chuyển mạch công cộng (PSTN);
• mạng dữ liệu công cộng (PDN);
• mạng số dịch vụ tích hợp (ISDN);
• mạng riêng với các đặc điểm giao diện điện tương tự như các mạng trên.
CHÚ THÍCH 4: Thông tin về các điện áp và tín hiệu mạch điện có thể xem trong Phụ lục B.
1.4.2. Thiết bị đầu cuối viễn thông và công nghệ thông tin (communication terminal)
Thiết bị được kết nối với mạng ICT để cung cấp truy cập vào một hoặc nhiều dịch vụ truyền thông tin cụ thể.
CHÚ THÍCH 1: Thiết bị đầu cuối viễn thông và công nghệ thông tin có thể được đặc trưng như là thiết bị đầu cuối viễn thông và công nghệ thông tin của người sử dụng, thiết bị đầu cuối viễn thông và công nghệ thông tin cung cấp dịch vụ, thiết bị đầu cuối viễn thông và công nghệ thông tin hoạt động như một giao diện giữa các mạng ICT.
CHÚ THÍCH 2: Thiết bị đầu cuối viễn thông và công nghệ thông tin có thể phải biên dịch các tín hiệu nhận được từ, hoặc gửi đến, mạng tùy theo dịch vụ được xem xét.
1.4.3. Mạch ngoài (external circuit)
Mạch điện phía bên ngoài của thiết bị và không phải là nguồn.
CHÚ THÍCH: Một mạch ngoài được phân loại thành ES1, ES2 hoặc ES3, và PS1, PS2, hoặc PS3.
1.4.4. Nguồn (mains)
Hệ thống phân phối nguồn a.c hoặc d.c (bên ngoài thiết bị) cung cấp nguồn điện hoạt động cho thiết bị và là PS3.
CHÚ THÍCH: Nguồn bao gồm thiết bị công cộng hoặc thiết bị riêng và, trừ khi có quy định khác tại quy chuẩn này, các nguồn tương đương như máy phát vận hành bằng động cơ và các nguồn cung cấp không gián đoạn.
1.4.5. Thiết bị được kết nối vĩnh viễn (permanently connected equipment)
Thiết bị chỉ có thể kết nối bằng điện tới nguồn hoặc ngắt kết nối khỏi nguồn bằng việc sử dụng một công cụ.
1.4.6. Thiết bị có thể cắm được loại A (pluggable equipment type A)
Thiết bị dự kiến kết nối với nguồn thông qua các ổ cắm phi công nghiệp hoặc qua các bộ ghép thiết bị phi công nghiệp, hoặc cả hai.
CHÚ THÍCH :Ví dụ về các ổ cắm được quy định tại các tiêu chuẩn như IEC/TR 60083 và IEC 60320-1.
1.4.7. Thiết bị có thể cắm được loại B (pluggable equipment type B)
Thiết bị dự kiến kết nối với nguồn thông qua các ổ cắm công nghiệp, hoặc qua các bộ ghép thiết bị công nghiệp, hoặc cả hai.
CHÚ THÍCH: Ví dụ về các ổ cắm được quy định tại các tiêu chuẩn như IEC 60309-1.
1.4.8. Có thể tiếp cận được (accessible)
Có thể chạm được bởi bộ phận cơ thể.
1.4.9. Dòng điện tiếp xúc (touch current)
Dòng điện chạy qua cơ thể người khi các bộ phận cơ thể người chạm vào hai hoặc nhiều bộ phận có thể tiếp cận được, hoặc một bộ phận có thể tiếp cận được và đất.
1.4.10. Điện áp tiếp xúc tiềm năng (prospective touch voltage)
Điện áp giữa hai bộ phận dẫn có thể tiếp cận được đồng thời khi những bộ phận dẫn này chưa bị chạm.
1.4.11. Điều kiện hoạt động bất thường (abnormal operating condition)
Điều kiện hoạt động tạm thời, không phải là điều kiện hoạt động bình thường và không phải là điều kiện lỗi đơn của chính thiết bị.
CHÚ THÍCH 1: Các điều kiện hoạt động bất thường được cụ thể trong Điều [B.3] của IEC 62368-1:2014.
CHÚ THÍCH 2: Một điều kiện hoạt động bất thường có thể được gây ra bởi thiết bị đó hoặc bởi con người.
CHÚ THÍCH 3: Một điều kiện hoạt động bất thường có thể gây ra lỗi của một bộ phận, của thiết bị hoặc của bộ phận bảo vệ.
1.4.12. Điều kiện hoạt động bình thường (normal operating condition)
Chế độ hoạt động diễn tả gần nhất với việc sử dụng bình thường, mong đợi của thiết bị.
CHÚ THÍCH 1: Trừ khi có quy định khác, các điều kiện nghiêm ngặt nhất trong việc sử dụng bình thường là các giá trị được quy định trong Điều B.2 của IEC 62368-1:2014.
CHÚ THÍCH 2: Việc sử dụng sai không được bao hàm trong các điều kiện hoạt động bình thường mà được bao hàm trong các điều kiện hoạt động bất thường.
1.4.13. Điều kiện lỗi đơn (single fault condition)
Điều kiện của thiết bị có một lỗi trong điều kiện hoạt động bình thường của một bảo vệ đơn (nhưng không phải là bảo vệ tăng cường) hoặc của một bộ phận đơn hay một thiết bị.
CHÚ THÍCH: Các điều kiện lỗi đơn được quy định trong Điều B.4 của IEC 62368-1:2014.
1.5. Chữ viết tắt
|
ES |
Nguồn năng lượng điện |
Electrical energy source |
|
ES1 |
Nguồn năng lượng điện loại 1 |
Electrical energy source class 1 |
|
ES2 |
Nguồn năng lượng điện loại 2 |
Electrical energy source class 2 |
|
ES3 |
Nguồn năng lượng điện loại 3 |
Electrical energy source class 3 |
|
PS2 |
Nguồn cấp điện loại 2 |
Power source class 2 |
|
PS3 |
Nguồn cấp điện loại 3 |
Power source class 3 |
|
EUT |
Thiết bị được thử nghiệm |
Equipment Under Test |
|
GDT |
Ống phóng điện bằng khí |
Gas Discharge Tube |
|
SPD |
Thiết bị bảo vệ đột biến điện |
Surge Protective Device |
|
HBES |
Hệ thống điện tử trong nhà và tòa nhà |
Home and Building Electronic Systems |
|
BAES |
Hệ thống tự động hóa và điều khiển tòa nhà |
Building Automation and Control Systems |
|
SELV |
Đảm bảo an toàn bằng điện áp cực thấp |
Safety by Extra Low Voltage |
|
TNV |
Điện áp mạng viễn thông |
Telecommunication Network Voltage |
|
a.c |
Dòng xoay chiều |
alternating current |
|
d.c |
Dòng một chiều |
direct current |
|
PSTN |
Mạng điện thoại chuyển mạch công cộng |
Public Switched Telephone Network |
|
PDN |
Mạng dữ liệu công cộng |
Public Data Network |
|
ISDN |
Mạng số dịch vụ tích hợp |
Integrated Services Digital Network |
|
ICT |
Công nghệ thông tin và truyền thông |
Information and Communications Technology |
|
PTC |
Hệ số nhiệt dương |
Positive temperature coefficient |
|
LPS |
Nguồn điện bị giới hạn |
Limited power source |
2. QUY ĐỊNH KỸ THUẬT
2.1. Tổng quan
Giả thiết rằng các biện pháp thích hợp như trong Khuyến nghị ITU-T K.11 đã được thực hiện để làm giảm khả năng quá áp đặt lên thiết bị từ mạng ICT vượt quá 1,5 kV đỉnh. Trong các công trình mà quá áp đặt lên thiết bị có thể vượt quá 1,5 kV đỉnh, có thể cần các biện pháp bổ sung như sử dụng chặn xung.
Áp dụng các điều kiện chung cho các phép thử trong [Phụ lục B] của tiêu chuẩn IEC 62368-1:2014, trừ khi có quy định trong tiêu chuẩn an toàn sản phẩm tương ứng.
Tham chiếu đến các yêu cầu ở các điều [4.4.4.5], [5.4.2.6] và [5.4.3.2] của tiêu chuẩn IEC 62368-1:2014 (xem Phụ lục E) có thể được thay thế bằng các yêu cầu tương ứng trong các tiêu chuẩn an toàn liên quan khác được liệt kê trong Phụ lục A, nếu thiết bị được thiết kế để tuân thủ một trong các tiêu chuẩn này.
2.2. Kết nối thiết bị
2.2.1. Các yêu cầu chung
Khi thiết bị được thiết kế để kết nối về điện với thiết bị khác qua mạng ICT, các mạch kết nối phải được lựa chọn để đảm bảo luôn tuân thủ các yêu cầu tại điều [5.2] của tiêu chuẩn IEC 62368-1:2014 (xem Phụ lục E) đối với các mạch ES1 hoặc ES2, sau khi thực hiện kết nối.
CHÚ THÍCH: Điều này thường đạt được bằng cách kết nối các mạch ES2 với mạch ES2 và các mạch ES1 với mạch ES1.
2.2.2. Các loại mạch kết nối
Các mạch kết nối đến mạng ICT phải là các mạch ES1 hoặc ES2 theo quy định tại điều [5.2] của tiêu chuẩn IEC 62368-1:2014 (xem Phụ lục E).
2.3. Các mạch ES1
2.3.1. Giới hạn
Áp dụng các giới hạn tại điều [5.2.1] của tiêu chuẩn IEC 62368-1:2014 đối với mạch ES1 (xem Phụ lục E).
2.3.2. Bảo vệ chống tiếp xúc với các mạch ES1
Không có yêu cầu bảo vệ đối với các mạch ES1.
2.4. Các mạch ES2
2.4.1. Các giới hạn
Áp dụng các giới hạn tại điều [5.2.2] của tiêu chuẩn IEC 62368-1:2014 đối với mạch ES2 (xem Phụ lục E).
2.4.2. Bảo vệ chống tiếp xúc với các mạch ES2
Đối với các mạch ES2, áp dụng các yêu cầu tại điều [5.3.1] và [5.3.2.1] của tiêu chuẩn IEC 62368-1:2014 đối với người bình thường và người được hướng dẫn (xem Phụ lục E).
Đối với các mạch ES2, áp dụng các yêu cầu tại điều [5.3.1] của tiêu chuẩn IEC 62368-1:2014 đối với người có kỹ năng (xem Phụ lục E).
2.5. Các mạch ES3
2.5.1. Giới hạn
Áp dụng các giới hạn tại điều [5.2.2] của tiêu chuẩn IEC 62368-1:2014 đối với mạch ES3 (xem Phụ lục E).
2.5.2. Bảo vệ chống tiếp xúc với các mạch ES3
Đối với các mạch ES3, áp dụng các yêu cầu tại điều [5.3.2.1] của tiêu chuẩn IEC 62368-1:2014 đối với người bình thường và người được hướng dẫn (xem Phụ lục E).
2.6. Bảo vệ khỏi nguy hiểm trong thiết bị đối với người vận hành các mạng ICT và người sử dụng thiết bị khác nối vào mạng
2.6.1. Bảo vệ khỏi mạch ES3
Áp dụng các yêu cầu tại điều [5.7.6.2] của tiêu chuẩn IEC 62368-1:2014 (xem Phụ lục E).
2.6.2. Cách ly mạng ICT với đất
Áp dụng các yêu cầu tại điều [5.4.11] của tiêu chuẩn IEC 62368-1:2014 (xem Phụ lục E).
2.6.3. Dòng điện tiếp xúc tới các mạng ICT
Áp dụng các yêu cầu tại điều [5.7.6.2] của tiêu chuẩn IEC 62368-1:2014 (xem Phụ lục E).
2.6.4. Tổng dòng điện tiếp xúc từ các mạng ICT
Áp dụng các yêu cầu tại điều [5.7.7] của tiêu chuẩn IEC 62368-1:2014 (xem Phụ lục E).
2.7. Bảo vệ người sử dụng thiết bị khỏi hiện tượng quá áp trên các mạng ICT
Áp dụng các yêu cầu tại điều [5.4.10] của tiêu chuẩn IEC 62368-1:2014 (xem Phụ lục E).
2.8. Bảo vệ hệ thống dây của mạng ICT khỏi hiện tượng quá nhiệt
Áp dụng các yêu cầu tại điều [6.5.3] của tiêu chuẩn IEC 62368-1:2014 (xem Phụ lục E).
3. QUY ĐỊNH VỀ QUẢN LÝ
Thiết bị đầu cuối kết nối mạng viễn thông và công nghệ thông tin thuộc phạm vi điều chỉnh trong 1.1 phải tuân thủ các quy định kỹ thuật trong Quy chuẩn này.
4. TRÁCH NHIỆM CỦA TỔ CHỨC, CÁ NHÂN
Các tổ chức, cá nhân liên quan có trách nhiệm thực hiện các quy định về chứng nhận hợp quy, công bố hợp quy các thiết bị đầu cuối viễn thông và công nghệ thông tin và chịu sự kiểm tra của cơ quan quản lý nhà nước theo các quy định hiện hành.
5. TỔ CHỨC THỰC HIỆN
5.1. Cục Viễn thông và các Sở Thông tin và Truyền thông có trách nhiệm tổ chức triển khai hướng dẫn và quản lý các thiết bị đầu cuối kết nối mạng viễn thông và công nghệ thông tin theo Quy chuẩn này.
5.2. Quy chuẩn này được áp dụng thay thế các quy định kỹ thuật nêu tại 2.1; 2.2; và 2.3 của QCVN 22:2010/BTTTT Quy chuẩn kỹ thuật quốc gia về an toàn điện cho các thiết bị đầu cuối viễn thông.
5.3. Quy định kỹ thuật nêu tại 2.4 của QCVN 22:2010/BTTTT Quy chuẩn kỹ thuật quốc gia về an toàn điện cho các thiết bị đầu cuối viễn thông tiếp tục được áp dụng đến khi có quy định mới.
5.4. Trong trường hợp các quy định nêu tại quy chuẩn này có sự thay đổi, bổ sung hoặc được thay thế thì thực hiện theo quy định tại văn bản mới.
5.5. Trong quá trình triển khai thực hiện quy chuẩn này, nếu có vấn đề phát sinh, vướng mắc, các tổ chức và cá nhân có liên quan phản ánh bằng văn bản về Bộ Thông tin và Truyền thông (Vụ Khoa học và Công nghệ) để được hướng dẫn, giải quyết./.
Phụ lục A
(Quy định)
Các tiêu chuẩn an toàn sử dụng cùng với quy chuẩn này
Phụ lục này liệt kê một số ví dụ về tiêu chuẩn an toàn sản phẩm của IEC mà quy chuẩn này có thể sử dụng.
|
Tiêu chuẩn |
Tên |
|
IEC 60601-1 (tất cả các phần) |
Thiết bị điện trong y tế - Phần 1: Các yêu cầu chung về an toàn cơ bản và hiệu năng thiết yếu |
|
IEC 61010 (tất cả các phần) |
Các yêu cầu an toàn đối với thiết bị điện để đo, kiểm soát và sử dụng phòng thí nghiệm |
|
IEC 62504:2014 |
Chiếu sáng - Các sản phẩm đi-ốt phát sáng (LED) và thiết bị liên quan - Khái niệm và thuật ngữ |
Phụ lục B
(Tham khảo)
Điện áp và tín hiệu mạng ICT
B.1. Tổng quan
Điện áp trong mạng ICT thường vượt quá trạng thái ổn định, an toàn khi chạm vào theo các giới hạn trong các tiêu chuẩn an toàn chung.
CHÚ THÍCH: Nhiều năm kinh nghiệm của các nhà khai thác mạng trên toàn thế giới đã thấy rằng điện áp chuông và các điện áp hoạt động khác là an toàn về điện. Hồ sơ thống kê tai nạn chỉ ra rằng chấn thương điện không phải do điện áp vận hành.
Việc tiếp cận các đầu nối mang các tín hiệu như vậy bằng tay thử tiêu chuẩn là được phép, với điều kiện là không có khả năng tiếp cận vô ý. Khả năng tiếp cận vô ý được hạn chế bằng cách cấm tiếp cận với đầu thử ([Hình V.3] của tiêu chuẩn IEC 62368-1:2014) có bán kính tiếp điểm 6 mm.
Yêu cầu này đảm bảo rằng:
a) Việc tiếp xúc với một phần lớn của cơ thể con người, chẳng hạn như mu bàn tay, là không thể xảy ra;
b) Chỉ có thể tiếp xúc bằng cách cố tình đưa vào một phần nhỏ của cơ thể, có chiều ngang dưới 12 mm, chẳng hạn như đầu ngón tay, nơi có trở kháng cao;
c) Khả năng không thể buông bỏ bộ phận đang tiếp xúc là không phát sinh.
Điều này áp dụng cho cả việc tiếp xúc với các tín hiệu từ mạng và các tín hiệu sinh ra bên trong thiết bị.
Sự rung tâm thất ở tim (người) được coi là nguyên nhân chính gây tử vong do điện giật.
Đường cong c1 trong Hình B.1 (đường cong c1 trong Hình 20 của tiêu chuẩn IEC TS 60479-1:2005) là giới hạn ngưỡng của việc rung tâm thất. Điểm 500 mA/100 ms được xác định tương ứng với xác suất rung của bậc là 0,14%. Đường cong b trong Hình B.1 (đường cong b trong Hình 20 của tiêu chuẩn IEC TS 60479-1:2005) được mô tả là đường giới hạn 'bỏ qua'. Một số chuyên gia xem đường cong c1 là giới hạn thích hợp để thiết kế an toàn, nhưng việc sử dụng đường cong này được coi là giới hạn tuyệt đối.

Hình B.1 - Đường cong giới hạn dòng điện
B.2. Tiếp xúc với điện áp hoạt động trên mạng ICT
Tổng trở kháng của cơ thể bao gồm hai phần, trở kháng trong cơ thể của máu, mô và trở kháng của da. Điện áp hoạt động trên mạng ICT hầu như không đạt đến mức mà trở kháng của da bắt đầu giảm nhanh do đánh thủng. Trở kháng của da cao ở mức điện áp thấp, giá trị của nó thường thay đổi rộng. Ảnh hưởng của điện dung trên da là không đáng kể ở các tần số chuông.
Các chỉ số liệu trở kháng của cơ thể trong tiêu chuẩn IEC TS 60479-1 dựa trên diện tích tiếp xúc tương đối lớn từ 50 cm2 đến 100 cm2, là giá trị thực đối với các thiết bị gia dụng hoạt động bằng nguồn điện. Tiếp xúc viễn thông trong thực tế có thể ít hơn nhiều so với mức này, thường là 10 cm2 đến 15 cm2 đối với dây không cách điện hoặc các dụng cụ tương tự; và dưới 1 cm2 đối với tiếp xúc ngón tay với đầu cực của ổ cắm điện thoại trên tường. Trường hợp tiếp xúc với dây mỏng, đầu nối dây hoặc tiếp xúc với các dụng cụ mà ngón tay di chuyển ra ngoài tay cầm cách điện, diện tích tiếp xúc chỉ từ 1 cm2 trở xuống. Các khu vực tiếp xúc với cơ thể ít hơn nhiều này tạo ra các giá trị trở kháng cơ thể cao hơn đáng kể so với các chỉ số trong tiêu chuẩn IEC TS 60479-1.
Để tiếp xúc với điện áp hoạt động trên mạng ICT, sử dụng mô hình thân có trở kháng là 5 kΩ, để tạo ra ngưỡng an toàn so với các giá trị thực tế cao hơn của trở kháng cơ thể đối với các dạng tiếp xúc điển hình khi thiết bị được kết nối với mạng ICT.
Đường cong b' trong Hình B.1 là một phiên bản của đường cong b được sửa đổi để phù hợp với các tình huống thực tế, trong đó giới hạn dòng điện được duy trì không đổi ở 16 mA trong 1667 ms. Giới hạn 16 mA này vẫn nằm trong giá trị dòng điện tối thiểu của đường cong a.
Các khó khăn trong việc xác định các điều kiện để tránh được các trường hợp ngăn cản sự bỏ qua, dẫn đến việc mở ra một khu vực tiếp xúc rất hạn chế.
Việc tiếp xúc với các khu vực lên đến 10 cm2 có thể được điều chỉnh và các phương tiện để xác định điều này và vẫn đảm bảo sự bỏ qua sẽ dành để nghiên cứu thêm sau.
Phụ lục C
(Tham khảo)
So sánh các khái niệm và thuật ngữ trong quy chuẩn này
C.1. Tổng quan
Tiêu chuẩn IEC 62368-1:2014 giới thiệu các thuật ngữ an toàn mới liên quan đến các khái niệm an toàn mới.
Phụ lục này xác định tương quan của các thuật ngữ liên quan trong quy chuẩn với các thuật ngữ trong tiêu chuẩn IEC 62368-1; và nếu có sự khác nhau thì so sánh chúng với tiêu chuẩn IEC 60950-1:2005, xem Bảng C.1 và tiêu chuẩn an toàn cơ bản IEC 62151:2000, xem Bảng C.2.
Các thuật ngữ không có trong bảng dưới đây sẽ giống hoặc về cơ bản giống như trong các tiêu chuẩn IEC khác.
C.2. So sánh các khái niệm và thuật ngữ
Bảng C.1 - So sánh khái niệm và thuật ngữ trong IEC 60950-1:2005 và IEC 62368-1:2014
|
Thuật ngữ trong tiêu chuẩn IEC 60950-1:2005 |
Thuật ngữ trong tiêu chuẩn IEC 62368-1:2014 |
|
1.2.8.8 Mạch SELV mạch thứ cấp được thiết kế và bảo vệ để ở điều kiện hoạt động bình thường và điều kiện sự cố đơn lẻ, điện áp của nó không vượt quá giá trị an toàn |
[5.2.1.1] ES1 ES1 là nguồn năng lượng điện loại 1 với các mức dòng điện hoặc điện áp - không vượt quá giới hạn ES1 ở • điều kiện hoạt động bình thường, và • điều kiện hoạt động bất thường, và • điều kiện lỗi đơn của một bộ phận, thiết bị hoặc bộ cách ly không đóng vai trò là biện pháp bảo vệ; và - không vượt quá giới hạn ES2 ở các điều kiện lỗi đơn của biện pháp bảo vệ cơ bản. |
|
1.2.8.11 Mạch TNV Mạch điện trong thiết bị và theo đó vùng tiếp xúc có thể bị giới hạn; và nó được thiết kế và bảo vệ để đảm bảo ở điều kiện hoạt động bình thường và điều kiện sự cố đơn lẻ (xem 1.4.14 của tiêu chuẩn IEC 60950-1:2005), điện áp không vượt quá các giá trị giới hạn xác định. Mạch TNV được coi là mạch thứ cấp trong phạm vi tiêu chuẩn này |
Không xác định, nhưng xem TNV-1; TNV-2 và TNV-3 |
|
1.2.8.12 Mạch TNV-1 Mạch TNV - có điện áp hoạt động bình thường không vượt quá giới hạn đối với mạch SELV ở điều kiện hoạt động bình thường và - có thể xảy ra quá áp từ mạng viễn thông và hệ thống phân phối cáp |
[5.2.1.1] ES1 ES1 là nguồn năng lượng điện loại 1 với các mức dòng điện hoặc điện áp - không vượt quá giới hạn ES1 ở • điều kiện hoạt động bình thường, và • điều kiện hoạt động bất thường, và • điều kiện lỗi đơn của một bộ phận, thiết bị hoặc bộ cách ly không đóng vai trò là biện pháp bảo vệ; và không vượt quá giới hạn ES2 ở các điều kiện lỗi đơn của biện pháp bảo vệ cơ bản. ES1 có thể có các đột biến như trong [Bảng 14], số 1, 2 và 3. |
|
1.2.8.13 Mạch TNV-2 Mạch TNV - có điện áp hoạt động bình thường vượt quá giới hạn đối với mạch SELV ở điều kiện hoạt động bình thường và - không bị quá áp từ các mạng viễn thông |
[5.2.1.2] ES2 ES2 là nguồn năng lượng điện loại 2, trong đó - cả điện áp tiếp xúc tiềm năng và dòng điện tiếp xúc đều vượt quá giới hạn đối với ES1; và - ở • điều kiện hoạt động bình thường, và • điều kiện hoạt động bất thường, và • các điều kiện lỗi đơn, hoặc điện áp tiếp xúc tiềm năng hoặc dòng điện tiếp xúc không vượt quá giới hạn đối với ES2. |
|
1.2.8.14 Mạch TNV-3 Mạch TNV - có điện áp hoạt động bình thường vượt quá giới hạn đối với mạch SELV ở điều kiện hoạt động bình thường và - có thể xảy ra quá áp từ mạng viễn thông và hệ thống phân phối cáp |
[5.2.1.2] ES2 ES2 là nguồn năng lượng điện loại 2, trong đó - cả điện áp tiếp xúc tiềm năng và dòng điện tiếp xúc đều vượt quá giới hạn đối với ES1; và - ở • điều kiện hoạt động bình thường, và • điều kiện hoạt động bất thường, và • các điều kiện lỗi đơn, hoặc điện áp tiếp xúc tiềm năng hoặc dòng điện tiếp xúc không vượt quá giới hạn đối với ES2. ES2 có thể có các đột biến như trong [Bảng 14], số 1, 2 và 3. |
|
1.2.13.6 Người sử dụng bất kỳ người nào, ngoài người (nhân viên) dịch vụ Thuật ngữ người sử dụng trong tiêu chuẩn này giống với khái niệm người vận hành và hai thuật ngữ có thể được hoán đổi cho nhau. |
[3.3.8.2] người bình thường người không phải là người có kỹ năng cũng không phải là người được hướng dẫn |
|
1.2.13.7 Người vận hành xem Người sử dụng (1.2.13.6 của tiêu chuẩn IEC 60950-1:2005) |
Xem [3.3.8.2] ở trên. |
|
1.2.13.8 mạng viễn thông phương tiện truyền dẫn kết cuối kim loại dùng để thông tin giữa các thiết bị mà chúng có thể được đặt trong các tòa nhà riêng biệt, ngoại trừ: - hệ thống điện lưới để cung cấp, truyền tải và phân phối điện năng, nếu nó được sử dụng làm phương tiện truyền dẫn thông tin; - hệ thống phân phối cáp; - mạch SELV kết nối các khối thiết bị công nghệ thông tin CHÚ THÍCH 1: Thuật ngữ mạng viễn thông được định nghĩa theo chức năng của nó, chứ không phải các đặc tính điện. Bản thân mạng viễn thông không được định nghĩa là một mạch SELV hay một mạch TNV. Chỉ có các mạch trong thiết bị được phân loại như vậy. CHÚ THÍCH 2: Mạng viễn thông có thể là: - sở hữu công khai hoặc tư nhân; - chịu quá điện áp quá độ do phóng điện không khí và sự cố trong hệ thống phân phối điện; - chịu điện áp dọc (chế độ chung) cảm ứng từ đường dây điện gần đó. CHÚ THÍCH 3: Ví dụ về mạng viễn thông như: - mạng điện thoại chuyển mạch công cộng; - mạng dữ liệu công cộng; - Mạng số dịch vụ tích hợp (ISDN); - Mạng riêng có đặc điểm giao diện điện tương tự như trên. |
[3.3.1.1] mạch ngoài mạch điện bên ngoài thiết bị và không phải là nguồn điện Các mạch ngoài liên quan được xác định trong [Bảng 14]. |
|
Không |
[3.3.8.1] người được hướng dẫn một người được chỉ dẫn hoặc được giám sát bởi một người có kỹ năng về các nguồn năng lượng và có thể sử dụng một cách có trách nhiệm các biện pháp bảo vệ thiết bị và các biện pháp phòng ngừa liên quan đến các nguồn năng lượng đó CHÚ THÍCH 1: Được giám sát, như được sử dụng trong định nghĩa, có nghĩa là có sự chỉ đạo và giám sát hoạt động của những người khác. |
|
1.2.13.5 người (nhân viên) phục vụ người được đào tạo kỹ thuật thích hợp và có kinh nghiệm cần thiết để nhận thức được các nguy cơ mà người đó có thể gặp phải khi thực hiện nhiệm vụ và các biện pháp để giảm thiểu rủi ro cho người đó hoặc những người khác |
[3.3.8.3] người có kỹ năng người có trình độ học vấn hoặc kinh nghiệm liên quan để xác định được các mối nguy hiểm và thực hiện các hành động thích hợp để giảm nguy cơ thương tích cho bản thân hoặc người khác |
Bảng C.2 - So sánh định nghĩa và thuật ngữ trong tiêu chuẩn IEC 62151:2000 và IEC 62368-1:2014
|
Thuật ngữ trong tiêu chuẩn |
Thuật ngữ trong tiêu chuẩn |
|
3.1.3 mạng viễn thông phương tiện truyền dẫn kết cuối kim loại nhằm mục đích thông tin giữa các thiết bị mà chúng có thể được đặt trong các tòa nhà riêng biệt, ngoại trừ: - hệ thống nguồn điện để cung cấp, truyền tải và phân phối năng lượng điện, nếu được sử dụng làm phương tiện truyền dẫn viễn thông; - hệ thống phân phối truyền hình sử dụng cáp. CHÚ THÍCH 1: Thuật ngữ mạng viễn thông được định nghĩa theo chức năng của nó, không phải đặc tính điện của nó. Mạng viễn thông không được định nghĩa là một mạch TNV. Chỉ có các mạch trong thiết bị mới được phân loại như vậy. CHÚ THÍCH 2: Mạng viễn thông có thể là - sở hữu công khai hoặc tư nhân; - chịu quá điện áp quá độ do phóng điện không khí và sự cố trong hệ thống phân phối điện; - chịu điện áp dọc vĩnh viễn (chế độ chung) cảm ứng từ đường dây điện gần đó. CHÚ THÍCH 3: Ví dụ về mạng viễn thông bao gồm - mạng điện thoại chuyển mạch công cộng; - mạng dữ liệu công cộng; - mạng ISDN; - mạng riêng có đặc điểm giao diện điện tương tự như trên. |
[3.3.1.1] mạch ngoài mạch điện bên ngoài thiết bị và không phải là nguồn điện Các mạch ngoài liên quan được xác định trong [Bảng 14]. |
|
3.5.4 Mạch TNV-0 Một mạch TNV: - điện áp làm việc bình thường của nó không vượt quá giá trị an toàn trong điều kiện làm việc bình thường và trong điều kiện sự cố đơn lẻ; - không bị quá áp từ các mạng viễn thông CHÚ THÍCH 1: Các giá trị giới hạn của điện áp ở điều kiện làm việc bình thường và sự cố đơn lẻ được quy định trong 4.1 của tiêu chuẩn IEC 62151: 2000. |
[5.2.1.1] ES1 ES1 là nguồn năng lượng điện loại 1 với các mức dòng điện hoặc điện áp - không vượt quá giới hạn ES1 ở • điều kiện hoạt động bình thường, và • điều kiện hoạt động bất thường, và • điều kiện lỗi đơn của một bộ phận, thiết bị hoặc bộ cách ly không đóng vai trò là biện pháp bảo vệ; và - không vượt quá giới hạn ES2 ở các điều kiện lỗi đơn của biện pháp bảo vệ cơ bản. |
|
3.5.3 Mạch TNV mạch bên trong thiết bị và vùng tiếp xúc có thể bị giới hạn (ngoại trừ mạch TNV-0) và nó được thiết kế và bảo vệ để đảm bảo trong điều kiện hoạt động bình thường và sự cố đơn lẻ, điện áp không vượt quá giới hạn quy định Mạch TNV được coi là mạch thứ cấp trong phạm vi tiêu chuẩn này. CHÚ THÍCH 1: Mối quan hệ điện áp giữa các mạch TNV được thể hiện trong Bảng 1 của tiêu chuẩn IEC 62151: 2000. |
Không xác định, nhưng xem TNV-1; TNV-2 và TNV-3 |
|
3.5.5 Mạch TNV-1 Một mạch TNV: - có điện áp làm việc bình thường không vượt quá giới hạn đối với mạch TNV-0 ở điều kiện làm việc bình thường; và - trên đó có thể xảy ra quá áp từ các mạng viễn thông |
[5.2.1.1] ES1 ES1 là nguồn năng lượng điện loại 1 với các mức dòng điện hoặc điện áp - không vượt quá giới hạn ES1 ở • điều kiện hoạt động bình thường, và • điều kiện hoạt động bất thường, và • điều kiện lỗi đơn của một bộ phận, thiết bị hoặc bộ cách ly không đóng vai trò là biện pháp bảo vệ; và không vượt quá giới hạn ES2 ở các điều kiện lỗi đơn lẻ của biện pháp bảo vệ cơ bản. ES1 có thể có đột biến như trong [Bảng 14] số 1, 2 và 3. |
|
3.5.6 Mạch TNV-2 Một mạch TNV: - có điện áp làm việc bình thường vượt quá giới hạn đối với mạch TNV-0 ở điều kiện làm việc bình thường; và - không xảy ra quá áp từ các mạng viễn thông |
[5.2.1.2] ES2 ES2 là nguồn năng lượng điện loại 2, trong đó - cả điện áp tiếp xúc tiềm năng và dòng điện tiếp xúc đều vượt quá giới hạn đối với ES1; và - ở • điều kiện hoạt động bình thường, và • điều kiện hoạt động bất thường, và • điều kiện lỗi đơn, hoặc điện áp tiếp xúc tiềm năng hoặc dòng điện tiếp xúc không vượt quá giới hạn đối với ES2. |
|
3.5.7 Mạch TNV-3 Một mạch TNV: - có điện áp làm việc bình thường vượt quá giới hạn đối với mạch TNV-0 ở điều kiện làm việc bình thường; và - trên đó có thể xảy ra quá áp từ các mạng viễn thông |
[5.2.1.2] ES2 ES2 là nguồn năng lượng điện loại 2, trong đó - cả điện áp tiếp xúc tiềm năng và dòng điện tiếp xúc đều vượt quá giới hạn đối với ES1; và - Ở • điều kiện hoạt động bình thường, và • điều kiện hoạt động bất thường, và • điều kiện lỗi đơn, hoặc điện áp tiếp xúc tiềm năng hoặc dòng điện tiếp xúc không vượt quá giới hạn đối với ES2. ES1 có thể có các đột biến như trong [Bảng 14] số 1, 2 và 3. |
Phụ lục D
(Tham khảo)
Tổng quan về mạng
Phụ lục này liệt kê một số ví dụ về tiêu chuẩn an toàn sản phẩm của IEC có thể được sử dụng trong tiêu chuẩn này.
Phụ lục này trình bày các loại mạng khác nhau và khả năng kết nối giữa chúng.
Hình D.1 thể hiện phạm vi của Quy chuẩn này, đó là giao diện (và chỉ giao diện) của thiết bị kết nối với mạng ICT.

Các mạng công nghệ thông tin (IT) và mạng viễn thông (CT) là các phần của mạng ICT.
Hình D.1 - Tổng quan về mạng
Quy chuẩn này bao gồm các giao diện mạng ICT; trong hình đó là Mạng IT (ví dụ, mạng Ethernet) và Mạng CT (ví dụ, mạng điện thoại)
Quy chuẩn này không đề cập tới các giao diện đối với mạng cáp; trong hình đó là Mạng cáp (đồng trục)
Quy chuẩn này không bao gồm các giao diện với mạng khác; trong hình đó là Mạng khác
Quy chuẩn này không bao gồm các giao diện đến mạng HBES/BAC; trong hình đó là Mạng HBES/BACS (ví dụ, mạng KNX).
Phụ lục E
(Quy định)
Các điều tham chiếu IEC 62368-1:2014
[Bảng 14] - Các điện áp quá độ mạch ngoài
|
Số |
Loại cáp |
Các điều kiện bổ sung |
Điện áp quá độ |
|
1 |
Dây dẫn ghép cặpa - được che chắn hoặc không được che chắn |
Tòa nhà hoặc cấu trúc có thể có hoặc không có liên kết đẳng thế |
1 500 V 10/700 μs Chỉ vi sai nếu một dây dẫn được nối đất trong thiết bị |
|
2 |
Bất kỳ dây dẫn nào khác |
Mạch ngoài không được nối đất ở cả hai đầu, nhưng có một tham chiếu đất (ví dụ: từ kết nối đến nguồn điện) |
Điện áp quá độ của nguồn hoặc điện áp quá độ của mạch ngoài, chọn giá trị lớn hơn |
|
3 |
Cáp đồng trục trong mạng phân phối cáp |
Thiết bị không phải là bộ lặp đồng trục được cấp nguồn. Tấm chắn cáp được nối đất tại thiết bị |
4 000 V 10/700 μs Dây dẫn trung tâm so với tấm chắn |
|
4 |
Cáp đồng trục trong mạng phân phối cáp mạng lưới |
Bộ lặp đồng trục được cấp nguồn (cáp đồng trục lên đến 4,4 mm). Tấm chắn cáp được nối đất tại thiết bị |
5 000 V 10/700 μs Dây dẫn trung tâm so với tấm chắn |
|
5 |
Cáp đồng trục trong mạng phân phối cáp |
Thiết bị không phải là bộ lặp đồng trục được cấp nguồn. Tấm chắn cáp không được nối đất tại thiết bị. Tấm chắn cáp được nối đất ở lối vào tòa nhà |
4 000 V 10/700 μs Dây dẫn trung tâm tới tấm chắn 1500 V 1,2/50 μs từ tấm chắn tới đất |
|
6 |
Cáp đồng trục |
Cáp kết nối với ăng-ten ngoài trời |
không quá độ, xem c |
|
7 |
Dây dẫn ghép cặp a |
Cáp kết nối với ăng-ten ngoài trời |
không nhất thời, xem c |
|
8 |
Cáp đồng trục trong tòa nhà b |
Kết nối của cáp đến từ bên ngoài tòa nhà được thực hiện thông qua điểm chung chuyển. Tấm chắn của cáp đồng trục từ bên ngoài tòa nhà và tấm chắn của cáp đồng trục của cáp bên trong tòa nhà được nối với nhau và được nối đất. |
Không áp dụng |
|
Nói chung, đối với các mạch ngoài được lắp đặt hoàn toàn trong cùng một cấu trúc tòa nhà, quá độ sẽ không được tính đến. Tuy nhiên, một dây dẫn được coi là rời khỏi tòa nhà nếu nó kết thúc trên thiết bị được nối đất với một mạng tiếp đất khác. Các tác động của điện áp trạng thái ổn định không mong muốn được tạo ra bên ngoài thiết bị (ví dụ, chênh lệch điện thế đất và điện áp gây ra trên mạng viễn thông của hệ thống tàu điện) được kiểm soát bằng thực tiễn lắp đặt. Các thực tiễn như vậy phụ thuộc vào ứng dụng và không được giải quyết với quy chuẩn này. Để cáp được che chắn ảnh hưởng đến việc giảm quá độ, tấm chắn phải liên tục, được nối đất ở cả hai đầu và có trở kháng truyền tối đa là 20 Ω/km (đối với f nhỏ hơn 1 MHz). CHÚ THÍCH 1: Các thiết bị gia dụng như âm thanh, hình ảnh và các sản phẩm đa phương tiện được xác định bằng số 6, 7 và 8. CHÚ THÍCH 2: Để biết điều kiện lắp đặt, xem EN 60728-11. |
|||
|
a Một dây dẫn được ghép cặp bao gồm một cặp xoắn. b Khi xác định các yêu cầu cách ly trong [5.4.10], các quá độ trên mạch ngoài được tính đến. c Các cáp này không chịu bất kỳ quá độ nào nhưng chúng có thể bị ảnh hưởng bởi điện áp phóng tĩnh điện 10 kV (từ tụ điện 1 nF). Ảnh hưởng của điện áp phóng tĩnh điện như vậy không được tính đến khi xác định khe hở. |
|||
[5.2] Phân loại và các giới hạn của các nguồn năng lượng điện
[5.2.1] Phân loại nguồn năng lượng điện
[5.2.1.1] ES1
ES1 là nguồn năng lượng điện loại 1 với các mức dòng điện hoặc điện áp
- không vượt quá giới hạn ES1 trong
• điều kiện hoạt động bình thường, và
• điều kiện hoạt động bất thường, và
• các điều kiện lỗi đơn của một bộ phận, thiết bị hoặc vật liệu cách điện không đóng vai trò là bảo vệ; và
- không vượt quá giới hạn ES2 trong các điều kiện lỗi đơn của biện pháp bảo vệ cơ bản.
[5.2.1.2] ES2
ES2 là nguồn năng lượng điện loại 2, khi
- cả điện áp tiếp xúc tiềm năng và dòng điện tiếp xúc đều vượt quá giới hạn cho ES1; và
- trong
• điều kiện hoạt động bình thường, và
• điều kiện hoạt động bất thường, và
• các điều kiện lỗi đơn,
hoặc điện áp tiếp xúc tiềm năng hoặc dòng điện tiếp xúc không vượt quá giới hạn cho ES2.
[5.2.1.3] ES3
ES3 là nguồn năng lượng điện cấp 3 trong đó cả điện áp tiếp xúc tiềm năng và dòng điện tiếp xúc đều vượt quá giới hạn cho ES2.
[5.2.2] Giới hạn nguồn năng lượng điện của các mạch ES1 và ES2
[5.2.2.1] Tổng quan
Các giới hạn quy định trong [5.2.2] là so với đất hoặc so với một bộ phận có thể tiếp cận được.
CHÚ THÍCH: Trong [5.2.2], thuật ngữ "điện áp" có nghĩa là “điện áp tiếp xúc tiềm năng”. Tương tự, thuật ngữ “dòng điện” có nghĩa là “dòng điện tiếp xúc”.

[Hình 21] - Hình minh họa các giới hạn ES về điện áp và dòng điện
Đối với bất kỳ điện áp nào trong giới hạn điện áp, sẽ không có giới hạn cho dòng điện. Tương tự như vậy đối với bất kỳ dòng điện nào trong giới hạn dòng điện, sẽ không có giới hạn nào đối với điện áp, xem [Hình 21].
[5.2.2.2] Các giới hạn điện áp và dòng điện ở trạng thái ổn định
Cấp nguồn năng lượng điện được xác định từ cả điện áp và dòng điện trong điều kiện hoạt động bình thường, điều kiện hoạt động bất thường và điều kiện sự cố đơn lẻ (xem [Bảng 4]).
Các giá trị là giá trị tối đa mà nguồn có thể phân phối. Trạng thái ổn định được coi là được thiết lập khi các giá trị điện áp hoặc dòng điện duy trì trong 2 s hoặc lâu hơn, nếu không thì áp dụng các giới hạn của [5.2.2 3], [5.2.2 4] hoặc [5.2.2.5], nếu thích hợp.
[Bảng 4] - Giới hạn nguồn năng lượng điện cho ES1 và ES2 ở trạng thái ổn định
|
Nguồn năng lượng |
Các giới hạn cho ES1 |
Các giới hạn cho ES2 |
ES3 |
||
|
Điện áp |
Dòng điện a, c |
Điện áp |
Dòng điện b,c |
||
|
d.c |
60 V |
2 mA |
120 V |
25 mA |
> ES2 |
|
a.c nhỏ hơn hoặc bằng 1 kHz |
30 V r.m.s. 42,4 V đỉnh |
0,5 mA r.m.s 0,707 mA đỉnh |
50 V r.m.s. 70,7 V đỉnh |
5 mA r.m.s. 7,07 mA đỉnh |
|
|
a.c lớn hơn 1 kHz và nhỏ hơn hoặc bằng 100 kHz |
30 V r.m.s. + 0,4 f |
50 V r.m.s. + 0,9 f |
|||
|
a.c lớn hơn 100 kHz |
70 V r.m.s. |
140 V r.m.s. |
|||
|
Kết hợp a.c và d.c |
UdcV/60 + UacVr.m.s/30 ≤ 1 UdcV/60 + UacVđỉnh/42,4 ≤ 1 |
ldcmA/2 + lacmAr.m.s/0,5 ≤ 1 ldcmA/2 + lacmAđỉnh/0,707 ≤ 1 |
Xem [Hình 23] |
Xem [Hình 22] |
|
|
Công thức dưới đây như một hàm của tần số có thể được các nhà thiết kế quan tâm cho các nguồn năng lượng điện hình sin |
|||||
|
Nguồn năng lượng |
Các giới hạn cho ES1 Dòng điệnc r.m.s. |
Các giới hạn cho ES2 Dòng điệnc r.m.s. |
ES3 |
||
|
a.c nhỏ hơn hoặc bằng 1 kHz |
0,5 mA |
5 mA |
> ES2 |
||
|
a.c lớn hơn 1 kHz và nhỏ hơn hoặc bằng 100 kHz |
0.5 mA x fd |
5 mA + 0,95 fe |
|||
|
a.c lớn hơn 100 kHz |
50 mAd |
100 mAe |
|
||
|
f tính bằng kHz. Giá trị đỉnh phải được sử dụng cho điện áp và dòng điện không hình sin. Giá trị RMS chỉ có thể được sử dụng cho điện áp và dòng điện hình sin. Tham khảo [5.7] về phép đo điện áp tiếp xúc tiềm năng và dòng điện tiếp xúc. |
|||||
|
a Dòng điện được đo bằng cách sử dụng mạng đo được quy định trong Hình 4, IEC 60990:1999. b Dòng điện được đo bằng mạng đo quy định trong Hình 5, IEC 60990:1999 c Đối với dạng sóng hình sin và một chiều, dòng điện có thể được đo bằng điện trở 2000 Ω. d Trên 22 kHz, khu vực tiếp cận được giới hạn ở 1 cm2. e Trên 36 kHz, khu vực tiếp cận được giới hạn ở 1 cm2. |
|||||
Trong điều kiện hoạt động bình thường, điều kiện hoạt động bất thường và điều kiện sự cố đơn (ngoại trừ lỗi bảo vệ), điện áp tiếp xúc hoặc dòng điện tiếp xúc phải được đo từ tất cả các bộ phận dẫn điện có thể tiếp cận được không nối đất. Dòng điện cảm ứng (dòng điện a và dòng điện b trong [Bảng 4]) phải được đo theo 5.1.1 và 6.2.1 của IEC 60990:1999.
Trong các điều kiện sự cố đơn lẻ của biện pháp bảo vệ cơ bản hoặc biện pháp bảo vệ bổ sung, bao gồm 6.2.2.1 của IEC 60990:1999, điện áp tiếp xúc hoặc dòng điện tiếp xúc phải được đo từ tất cả các bộ phận dẫn điện có thể tiếp cận được không nối đất. Dòng điện cảm ứng (dòng điện b trong [Bảng 4]) phải được đo bằng mạng được quy định trong Hình 5 của IEC 60990:1999.

[Hình 22] - Các giá trị cực đại cho kết hợp dòng a.c. và dòng d.c

[Hình 23] - Các giá trị cực đại cho kết hợp điện áp a.c và điện áp d.c
[5.2.2.3] Giới hạn điện dung
Khi nguồn năng lượng điện là một tụ điện, nguồn năng lượng này được phân loại theo cả điện áp tích và điện dung.
Điện dung là giá trị danh định của tụ điện cộng với dung sai quy định.
Các giới hạn ES1 và ES2 cho các giá trị điện dung khác nhau được liệt kê trong [Bảng 5].
CHÚ THÍCH 1: Các giá trị điện dung cho ES2 được lấy từ Bảng A.2 của IEC/TS 61201:2007.
CHÚ THÍCH 2: Các giá trị ES1 được tính bằng cách chia các giá trị từ Bảng A.2 của IEC/TS 61201:2007 cho 2.
[Bảng 5] - Giới hạn nguồn năng lượng điện đối với tụ điện tích điện
|
C |
ES1 |
ES2 |
ES3 |
|
nF |
Uđỉnh |
Uđỉnh |
Uđỉnh |
|
|
V |
V |
V |
|
300 hoặc lớn hơn |
60 |
120 |
> ES2 |
|
170 |
75 |
150 |
|
|
91 |
100 |
200 |
|
|
61 |
125 |
250 |
|
|
41 |
150 |
300 |
|
|
28 |
200 |
400 |
|
|
18 |
250 |
500 |
|
|
12 |
350 |
700 |
|
|
8,0 |
500 |
1 000 |
|
|
4,0 |
1 000 |
2 000 |
|
|
1,6 |
2 500 |
5 000 |
|
|
0,8 |
5 000 |
1 0000 |
|
|
0,4 |
10 000 |
20 000 |
|
|
0,2 |
20 000 |
40 000 |
|
|
0,133 hoặc nhỏ hơn |
25 000 |
50 000 |
|
|
Phép nội suy tuyến tính có thể được sử dụng giữa hai điểm gần nhất. |
|||
[5.2.2.4] Giới hạn xung đơn
Trong trường hợp nguồn năng lượng điện là một xung đơn lẻ, nguồn năng lượng được phân loại theo cả điện áp và thời gian hoặc theo cả dòng điện và thời gian. Các giá trị được nêu trong [Bảng 6] và [Bảng 7]. Nếu điện áp vượt quá giới hạn, thì dòng điện không được vượt quá giới hạn. Nếu dòng điện vượt quá giới hạn, điện áp không được vượt quá giới hạn. Dòng điện được đo theo [5.7]. Đối với các xung lặp lại, xem [5.2.2.5].
Đối với xung có thời gian lên đến 10 ms, áp dụng giới hạn điện áp hoặc dòng điện trong 10 ms.
Nếu phát hiện nhiều hơn một xung trong khoảng thời gian 3 s, thì nguồn năng lượng điện được coi là xung lặp lại và áp dụng các giới hạn của [5.2.2.5].
CHÚ THÍCH 1: Các giới hạn xung được tính theo IEC/TS 60479-1:2005. Hình 22 và Bảng 10.
CHÚ THÍCH 2: Cáo xung đơn này không bao gồm quá độ.
CHÚ THÍCH 3: Khoảng thời gian xung được coi là khoảng thời gian khi điện áp hoặc dòng điện vượt quá giới hạn ES1.
[Bảng 6] - Giới hạn điện áp cho các xung đơn
|
Khoảng thời gian xung đến ms |
Mức nguồn năng lượng điện |
||
|
ES1 Uđỉnh V |
ES2 Uđỉnh V |
ES3 Uđỉnh V |
|
|
10 |
60 |
196 |
> ES2 |
|
20 |
178 |
||
|
50 |
150 |
||
|
80 |
135 |
||
|
100 |
129 |
||
|
200 và lớn hơn |
120 |
||
|
Nếu khoảng thời gian nằm giữa các giá trị trong hai hàng bất kỳ, thì giá trị ES2 của Uđỉnh trong hàng dưới sẽ được sử dụng hoặc có thể sử dụng phép nội suy tuyến tính giữa hai hàng liền kề bất kỳ với giá trị điện áp đỉnh được tính toán làm tròn xuống giá trị gần nhất tính theo V. Nếu điện áp đỉnh cho ES2 nằm giữa các giá trị trong hai hàng bất kỳ, giá trị của khoảng thời gian trong hàng trên có thể được sử dụng hoặc có thể sử dụng phép nội suy tuyến tính giữa hai hàng liền kề bết kỳ với khoảng thời gian tính toán được làm tròn xuống giá trị gần nhất tính theo ms. |
|||
[Bảng 7] - Giới hạn dòng điện cho các xung đơn
|
Khoảng thời gian xung đến ms |
Mức nguồn năng lượng điện |
||
|
ES1 Iđỉnh mA |
ES2 Iđỉnh mA |
ES3 Iđỉnh mA |
|
|
10 |
2 |
200 |
> ES2 |
|
20 |
153 |
||
|
50 |
107 |
||
|
100 |
81 |
||
|
200 |
62 |
||
|
500 |
43 |
||
|
1 000 |
33 |
||
|
2 000 và lớn hơn |
25 |
||
|
Nếu khoảng thời gian nằm giữa các giá trị trong hai hàng bất kỳ, giá trị ES2 của Iđỉnh ở hàng bên dưới sẽ được sử dụng hoặc phép nội suy tuyến tính có thể được sử dụng giữa hai hàng liền kề bất kỳ với giá trị tính toán được làm tròn xuống giá trị gần nhất tính theo mA. Nếu dòng điện đỉnh cho ES2 nằm giữa các giá trị trong hai hàng bất kỳ, thì giá trị của khoảng thời gian trong hàng trên có thể được sử dụng hoặc phép nội suy tuyến tính có thể được sử dụng giữa hai hàng liền kề bất kỳ với khoảng thời gian tính toán được làm tròn xuống giá trị gần nhất tính theo ms. |
|||
[5.2.2.5] Giới hạn cho các xung lặp lại
Ngoại trừ các xung được đề cập trong [Phụ lục H], phân cấp nguồn năng lượng điện xung lặp lại được xác định từ điện áp khả dụng hoặc dòng điện khả dụng (xem [Bảng 8]). Nếu điện áp vượt quá giới hạn, thì dòng điện không được vượt quá giới hạn. Nếu dòng điện vượt quá giới hạn, điện áp không được vượt quá giới hạn. Dòng điện được đo theo [5.7].
[Bảng 8] - Giới hạn nguồn năng lượng điện đối với các xung lặp lại
|
Thời gian tắt xung |
|
ES1 |
ES2 |
ES3 |
|
Nhỏ hơn 3 s |
Dòng điện |
0,707 mA đỉnh |
7,07 mA đỉnh |
> ES2 |
|
Điện áp |
42,4 V đỉnh |
70,7 V đỉnh |
||
|
3 s hoặc lớn hơn |
Dòng điện |
Xem [5.2.2.4] |
Xem [5.2 2.4] |
|
|
Điện áp |
[5.2.2.6] Tín hiệu đổ chuông
Trong trường hợp nguồn năng lượng điện là tín hiệu đổ chuông mạng điện thoại tương tự như được định nghĩa trong [Phụ lục H], loại nguồn năng lượng được coi là ES2.
[5.2.2.7] Tín hiệu âm thanh
Đối với nguồn năng lượng điện bao gồm tín hiệu âm thanh, xem Điều [E.1].
[5.3.2] Tiếp xúc với các nguồn năng lượng điện và các biện pháp bảo vệ
[5.3.2.1] Các yêu cầu
Đối với người bình thường, các bộ phận sau phải không thể tiếp cận được:
- các bộ phận trần ở ES2, ngoại trừ chân của các đầu nối. Tuy nhiên, phải không thể tiếp cận được các chân như vậy trong điều kiện làm việc bình thường bằng đầu dò cùn của [Hình V. 3]; và
- các bộ phận trần ở ES3; và
- một biện pháp bảo vệ cơ bản ES3.
Đối với người được hướng dẫn, các bộ phận sau phải không thế tiếp cận được:
- các bộ phận trần ở ES3; và
- một biện pháp bảo vệ cơ bản ES3
Đối với các mạch ES3, áp dụng các yêu cầu tại điều [5.3.1] của tiêu chuẩn IEC 62368-1:2014 đối với người có kỹ năng. Cụ thể:
[5.3.1] Yêu cầu chung
- Các yêu cầu bảo vệ đối với các bộ phận có thể tiếp cận bởi người có kỹ năng được đưa ra trong điều [4 3.4] của tiêu chuẩn IEC 62368-1:2014
- Các bộ phận trần tại ES3 phải được định vị hoặc được bảo vệ sao cho người có kỹ năng khó có thể tiếp xúc không chủ ý với các bộ phận đó trong quá trình vận hành dịch vụ (xem [Hình 19]).
[4.3.4] Các biện pháp bảo vệ cho người có kỹ năng
[4.3.4.1] Các biện pháp bảo vệ giữa nguồn năng lượng cấp 1 và người có kỹ năng
Không có biện pháp bảo vệ nào được yêu cầu giữa nguồn năng tượng cấp 1 và người có kỹ năng.
Do đó, một người có kỹ năng có thể tiếp cận được nguồn năng lượng cấp 1 (xem [Hình 16]).

[Hình 16] - Mô hình cho bảo vệ người có kỹ năng khỏi nguồn năng lượng cấp 1
[4.3.4.2] Các biện pháp bảo vệ giữa nguồn năng lượng cấp 2 và người có kỹ năng
Một người có kỹ năng sử dụng một biện pháp bảo vệ kỹ năng (xem [Hình 17]). Không có biện pháp bảo vệ bổ sung nào được yêu cầu giữa nguồn năng lượng cấp 2 và người có kỹ năng. Do đó, một người có tay nghề cao có thể tiếp cận được nguồn năng lượng loại 2.

[Hình 17] - Mô hình cho bảo vệ người có kỹ năng khỏi nguồn năng lượng cấp 2
[4.3.4.3] Các biện pháp bảo vệ giữa nguồn năng lượng cấp 3 và người có kỹ năng
Một người có kỹ năng sử dụng một biện pháp bảo vệ kỹ năng (xem [Hình 18]). Trừ khi có quy định khác, không có biện pháp bảo vệ bổ sung nào được yêu cầu giữa nguồn năng lượng cấp 3 và người có kỹ năng.
Do đó, một người có kỹ năng có thể tiếp cận được nguồn năng lượng cấp 3.

[Hình 18] - Mô hình cho bảo vệ người có kỹ năng khỏi nguồn năng lượng cấp 3
Trong các điều kiện bảo dưỡng thiết bị trên một nguồn năng lượng cấp 3, cần có biện pháp bảo vệ nhằm giảm khả năng bị thương do phản ứng không tự nguyện giữa:
- một nguồn năng lượng cấp 3 khác, không phải là đang được bảo dưỡng và ở cùng vùng lân cận với nguồn năng lượng cấp 3 đang được bảo dưỡng; và
- một người có kỹ năng (xem [Hình 19]).

[Hình 19] - Mô hình cho bảo vệ người có kỹ năng khỏi nguồn năng lượng cấp 3 đang trong điều kiện bảo dưỡng thiết bị
[5.4.10] Các biện pháp bảo vệ chống lại điện áp quá độ từ các mạch ngoài
[5.4.10.1] Yêu cầu
Phải có sự cách ly thích hợp về điện giữa các mạch ngoài của thiết bị như được chỉ ra trong [Bảng 14], số 1, [Hình 30] và:
a) các bộ phận không dẫn điện và các bộ phận dẫn điện không được tiếp đất của thiết bị dự kiến sẽ được giữ hoặc duy trì tiếp xúc liên tục với cơ thể trong quá trình sử dụng bình thường (ví dụ, tổ hợp cầm tay của máy điện thoại hoặc tai nghe hoặc bề mặt nơi đặt tay của máy tính xách tay);
b) các bộ phận và mạch điện tiếp cận được, ngoại trừ các chân của đầu nối. Tuy nhiên, các chân này phải không thể tiếp cận được trong điều kiện làm việc bình thường bằng đầu dò cùn như [Hình V.3];
c) phần ES1 hoặc ES2 khác được tách ra khỏi mạch ngoài. Yêu cầu về sự cách ly được áp dụng cho dù phần ES1 hoặc ES2 có thể truy cập được hay không.
Các yêu cầu này không áp dụng khi việc phân tích mạch và điều tra thiết bị cho thấy việc bảo vệ thích hợp được đảm bảo bằng các phương tiện khác (ví dụ, giữa hai mạch, mỗi mạch đều có kết nối cố định với đất bảo vệ).
[5.4.10.2] Phương pháp thử nghiệm
[5.4.10.2.1] Yêu cầu chung
Kiểm tra sự cách ly bằng thử nghiệm của [5.4.10.2.2] hoặc [5.4.10.2.3].
Trong quá trình kiểm tra:
- tất cả các dây dẫn được thiết kế để nối với mạch ngoài được nối với nhau, bao gồm mọi dây dẫn có thể được nối đất ở mạch ngoài; và
- tất cả các dây dẫn được thiết kế để nối với các mạch ngoài khác cũng được nối với nhau.
[Bảng 29] - Các giá trị thử nghiệm đối với thử nghiệm độ bền điện
|
Bộ phận |
Thử nghiệm xung |
Thử nghiệm trạng thái ổn định |
|
Các bộ phận được chỉ ra trong [5.4.10.1] a) a |
2.5 kV 10/700 μs |
1,5 kV |
|
Các bộ phận được chỉ ra trong [5.4.10.1] b) và c) b |
1,5 kV 10/700 μs c |
1,0 kV |
|
a Không được tháo các bộ triệt xung. b Có thể tháo các bộ triệt xung, với điều kiện là các thiết bị đó phải vượt qua thử nghiệm xung theo [5.4.10.2.2] khi được thử nghiệm như các bộ phận bên ngoài thiết bị. c Trong thử nghiệm này, cho phép một bộ triệt xung hoạt động và sự phóng tia lửa điện xảy ra trong GDT. |
||
5.4.10.2.2 Thử nghiệm xung
Bộ phân tách điện phải chịu 10 xung có cực tính xoay chiều. Khoảng thời gian giữa các xung liên tiếp là 60 s với hiệu điện thế cho trong [Bảng 29].
5.4.10.2.3 Kiểm tra trạng thái ổn định
Bộ phân tách điện phải chịu thử nghiệm độ bền điện theo [5 4.9.1], với điện áp cho trong [Bảng 29].
5.4.10.3 Tiêu chí tuân thủ
Trong các thử nghiệm theo [5.4.10.2.2] và [5.4.10.2.3]:
- không được đánh thủng cách điện; và
- ngoại trừ được chỉ ra trong [Bảng 29], chú thích b, bộ triệt xung không được hoạt động, hoặc sự phóng điện phải không xảy ra trong GDT.
Đối với thử nghiệm độ bền điện, đánh thủng cách điện được coi là đã xảy ra khi dòng điện chạy qua do đặt điện áp thử nghiệm tăng nhanh theo cách không kiểm soát được.
Đối với các thử nghiệm xung, đánh thủng cách điện được xác nhận theo một trong hai cách sau:
- trong quá trình áp dụng xung, bằng cách quan sát biểu đồ dao động, hoạt động của bộ triệt xung hoặc đánh thủng qua cách điện được đánh giá qua hình dạng của biểu đồ dao động.
- sau khi đặt tất cả các xung, bằng thử nghiệm điện trở cách điện. Cho phép ngắt kết nối của bộ triệt xung khi đang đo điện trở cách điện. Điện áp thử nghiệm là 500 V d.c, hoặc, nếu có đặt các bộ triệt xung, một điện áp thử d.c nhỏ hơn 10% so với điện áp hoạt động của bộ triệt xung hoặc điện áp nổi. Điện trở cách điện không được nhỏ hơn 2 MΩ.
[5.4.11] Cách ly giữa mạch ngoài và đất
[5.4.11.1] Tổng quan
Các yêu cầu này chỉ áp dụng cho thiết bị được thiết kế để kết nối với các mạch ngoài được chỉ ra trong [Bảng 14], số 1 và 2.
Các yêu cầu này không áp dụng cho:
- thiết bị được kết nối vĩnh viễn; hoặc
- thiết bị có thể cắm được loại B; hoặc
- thiết bị có thể cắm được cố định loại A, được thiết kế để sử dụng ở vị trí có liên kết đẳng thế (chẳng hạn như trung tâm viễn thông, phòng máy tính chuyên dụng hoặc khu vực tiếp cận hạn chế) và có hướng dẫn lắp đặt yêu cầu xác minh kết nối tiếp đất bảo vệ của ổ cắm bởi một người có kỹ năng cao, hoặc
- thiết bị có thể cắm được cố định loại A. có cung cấp dây dẫn nối đất bảo vệ được nối cố định, bao gồm hướng dẫn lắp đặt dây dẫn đó vào đất xây dựng bởi người có chuyên môn.
[5.4.11.2] Các yêu cầu
Phải có cách ly giữa mạch điện dự định kết nối với các mạch ngoài được đề cập ở trên và bất kỳ bộ phận hoặc mạch điện nào sẽ được nối đất trong một số ứng dụng, bên trong EUT hoặc qua thiết bị khác.
Các SPD cầu nối giữa mạch ngoài ES1 hoặc ES2 và đất phải có điện áp làm việc danh định tối thiểu Uop (ví dụ, điện áp phóng điện của ống phóng điện khí) là:
Uop = Uđỉnh + ∆Usp + ∆Usa
Trong đó
Uđỉnh là một trong các giá trị sau:
- đối với thiết bị dự kiến lắp đặt trong khu vực có điện áp danh định của nguồn điện xoay chiều vượt quá 130 V: 360 V;
- đối với tất cả các thiết bị khác: 180 V.
∆Usp là mức tăng tối đa của điện áp hoạt động danh định do sự thay đổi trong sản xuất SPD. Nếu điều này không được nhà sản xuất SPD quy định thì ∆Usp phải được lấy bằng 10% điện áp làm việc danh định của SPD.
∆Usa là mức tăng tối đa của điện áp làm việc danh định do SPD bị lão hóa so với tuổi thọ dự kiến của thiết bị. Nếu điều này không được nhà sản xuất SPD quy định thì ∆Usa phải được lấy bằng 10% điện áp làm việc danh định của SPD.
(∆Usp + ∆Usa) có thể là một giá trị duy nhất do nhà sản xuất linh kiện cung cấp.
[5.4.11.3] Phương pháp thử và tiêu chí tuân thủ
Kiểm tra sự phù hợp bằng cách xem xét và bằng thử nghiệm độ bền điện của [5.4.9.1].
Các linh kiện, trừ tụ điện, là cầu nối cách ly, có thể được tháo ra trong quá trình thử nghiệm độ bền điện. Các bộ phận được giữ nguyên trong quá trình thử nghiệm phải không bị hư hỏng.
Nếu các linh kiện bị tháo ra, thử nghiệm bổ sung sau đây với mạch thử nghiệm theo [Hình 31] được thực hiện với tất cả các linh kiện được lắp đúng chỗ.
Đối với thiết bị được cấp nguồn từ nguồn a.c, thử nghiệm được thực hiện với điện áp bằng điện áp danh định của thiết bị hoặc điện áp trên của dải điện áp danh định. Đối với thiết bị được cấp nguồn từ nguồn d.c, thử nghiệm được thực hiện với điện áp bằng điện áp danh định cao nhất của nguồn a.c trong khu vực sử dụng thiết bị.
Dòng điện chạy trong mạch thử nghiệm của [Hình 31] không được vượt quá 10 mA.

[Hình 31] - Thử nghiệm sự cách ly giữa mạch ngoài và đất
[6.5.3] Yêu cầu đối với đấu nối với hệ thống dây điện trong tòa nhà
Thiết bị được thiết kế để cung cấp nguồn qua hệ thống dây dẫn cho thiết bị ở xa phải giới hạn dòng điện đầu ra ở một giá trị không gây ra thiệt hại cho hệ thống dây dẫn do quá nhiệt trong bất kỳ điều kiện tải bên ngoài nào. Dòng điện liên tục tối đa từ thiết bị không được vượt quá giới hạn dòng điện phù hợp với khổ dây tối thiểu được quy định trong hướng dẫn lắp đặt thiết bị.
CHÚ THÍCH: Hệ thống dây điện này thường không được kiểm soát bởi hướng dẫn lắp đặt thiết bị, vì hệ thống dây điện thường được lắp đặt độc lập với việc lắp đặt thiết bị.
Các mạch PS2 hoặc mạch PS3 cung cấp nguồn điện và được thiết kế để tương thích với LPS đến các mạch ngoài (xem [Phụ lục Q]) phải có công suất đầu ra được giới hạn ở các giá trị làm giảm khả năng bắt lửa trong hệ thống dây điện của tòa nhà hoặc các thiết bị bên ngoài đặt trong một phòng khác.
Kiểm tra sự phù hợp được thực hiện theo điều [Q.1].
Các mạch điện cung cấp nguồn cho các thiết bị hoặc các bộ phận bên ngoài được thiết kế để sử dụng trong cùng một phòng với EUT không phải tuân theo yêu cầu này. Xem [6.6] về kết nối với thiết bị thứ cấp.
Các mạch cáp dây dẫn ghép cặp bên ngoài, chẳng hạn như các mạch được mô tả trong [Bảng 14], số 1 và 2 có đường kính dây tối thiểu là 0,4 mm, phải có dòng điện giới hạn ở 1,3 A
VÍ DỤ: Đặc tính thời gian/dòng điện của cầu chì loại gD và gN quy định trong IEC 60269-2 tuân theo giới hạn trên. Loại cầu chì gD hoặc loại gN được xếp hạng 1 A, sẽ đáp ứng giới hạn dòng điện 1,3 A.
Kiểm tra sự phù hợp được thực hiện theo điều [Q.1.2].
[5.7.2] Thiết bị đo và mạng
[5.7.2.1] Đo dòng điện tiếp xúc
Đối với phép đo dòng điện tiếp xúc, dụng cụ được sử dụng để đo U2 và U3 được quy định trong Hình 4 và Hình 5 tương ứng trong IEC 60990:1999 phải chỉ thị điện áp đỉnh. Nếu dạng sóng dòng điện tiếp xúc là hình sin, có thể sử dụng thiết bị đo chỉ thị giá trị hiệu dụng.
[5.7.2.2] Đo điện áp
Thiết bị, hoặc các bộ phận của thiết bị, được thiết kế để nối đất trong ứng dụng dự kiến, nhưng không được nối đất theo quy định, phải được nối đất trong quá trình đo tại điểm mà tại đó điện áp tiếp xúc tiềm năng là lớn nhất.
[5.7.3] Thiết lập thiết bị, kết nối nguồn cung cấp và kết nối đất
Việc bố trí thiết bị, kết nối nguồn cung cấp thiết bị và nối đất thiết bị phải phù hợp với Điều 4, Điều 5.3 và 5.4 của IEC 60990:1999.
Thiết bị được cung cấp có kết nối với đất tách biệt khỏi dây dẫn nối đất bảo vệ phải được thử nghiệm khi đã ngắt kết nối đó.
Hệ thống thiết bị được kết nối với nhau có kết nối riêng biệt với nguồn điện phải có từng thiết bị được thử nghiệm riêng biệt.
Hệ thống thiết bị được kết nối với nhau có một kết nối với nguồn điện lưới phải được thử nghiệm như một thiết bị duy nhất.
CHÚ THÍCH: Hệ thống thiết bị được kết nối với nhau được quy định chi tiết hơn trong Phụ lục A của IEC 60990:1999
Thiết bị được thiết kế cho nhiều kết nối với nguồn điện, nơi chỉ yêu cầu một kết nối tại một thời điểm, phải thử nghiệm từng kết nối trong khi các kết nối khác bị ngắt kết nối.
Thiết bị được thiết kế cho nhiều kết nối với nguồn điện, trong đó yêu cầu nhiều hơn một kết nối, mỗi kết nối phải được thử nghiệm trong khi các kết nối khác được ngắt kết nối, với các dây dẫn nối đất bảo vệ được kết nối với nhau. Nếu dòng điện tiếp xúc vượt quá giới hạn trong [5.2.2 2], thì dòng điện tiếp xúc phải được đo riêng lẻ.
[5.7.6.2] Điện áp tiếp xúc tiềm năng và dòng điện tiếp xúc từ các mạch ngoài
Đối với mạch ngoài số 1 của [Bảng 14]:
- điện áp tiếp xúc tiềm năng phải phù hợp với ES2; hoặc
- dòng điện tiếp xúc không được vượt quá 0,25 mA.
Các yêu cầu trên không áp dụng cho các mạch ngoài được nối với một dây dẫn tiếp đất bảo vệ.
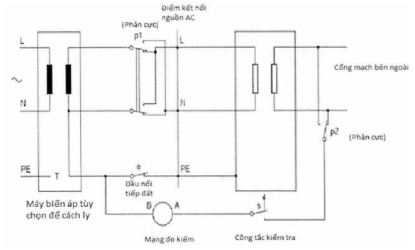
Kiểm tra sự phù hợp bằng phép đo theo [5.7.2] và [5.7.3] bằng cách sử dụng bố trí phép đo trong [Hình 32] đối với thiết bị một pha và [Hình 33] đối với thiết bị ba pha.

[Hình 32] - Mạch kiểm tra dòng điện tiếp xúc của thiết bị một pha

[Hình 33] - Mạch kiểm tra dòng điện tiếp xúc của thiết bị ba pha
[5.7.7] Tổng dòng điện tiếp xúc từ các mạch ngoài
Các yêu cầu dưới đây quy định khi nào cần có dây dẫn tiếp đất bảo vệ vĩnh viễn đối với thiết bị có thể cắm được loại A hoặc thiết bị có thể cắm được loại B, nếu kết nối nguồn được ngắt.
Các yêu cầu chỉ áp dụng cho thiết bị có các mạch ngoài như mô tả trong [Bảng 14], số 1, 2, 3 và 4.
CHÚ THÍCH: Các loại mạch ngoài này thường là mạng viễn thông.
Tổng dòng điện tiếp xúc từ thiết bị cung cấp nhiều mạch ngoài, không được vượt quá giới hạn cho ES2 (xem [Bảng 4]).
Các từ viết tắt sau được sử dụng:
- I1: dòng điện tiếp xúc nhận được từ thiết bị khác qua mạng ở một mạch ngoài của thiết bị;
- S (I1): tổng dòng điện tiếp xúc nhận được từ thiết bị khác tại tất cả các mạch ngoài của thiết bị đó;
- I2: dòng điện tiếp xúc do nguồn điện của thiết bị.
Giả thiết rằng mỗi mạch ngoài nhận 0,25 mA (I1) từ thiết bị khác, trừ khi dòng điện thực tế từ thiết bị khác được biết là thấp hơn
Các yêu cầu sau, a) hoặc b) nếu có, phải được đáp ứng:
a) Thiết bị có mạch ngoài được nối đất
Đối với thiết bị trong đó mỗi mạch ngoài được nối với một đầu nối của dây nối đất bảo vệ của thiết bị, các mục 1) và 2) sau đây phải được xem xét:
1) Nếu S (I1) (không bao gồm I2) vượt quá giới hạn ES2 của [Bảng 4]:
- thiết bị phải cung cấp một kết nối cố định với đất bảo vệ bên cạnh dây nối đất bảo vệ trong dây cấp nguồn của thiết bị có thể cắm được loại A hoặc thiết bị có thể cắm được loại B; và
- hướng dẫn lắp đặt phải quy định việc cung cấp kết nối cố định với đất bảo vệ có diện tích mặt cắt ngang không nhỏ hơn 2,5 mm2, nếu được bảo vệ cơ học, hoặc nếu không là 4,0mm2.
2) Thiết bị như vậy phải phù hợp với [5.7.5] Giá trị của I2 phải được sử dụng để tính toán giới hạn dòng điện đầu vào 5% trên mỗi pha được quy định trong [5.7.5].
Kiểm tra sự phù hợp với mục a) bằng cách xem xét và nếu cần bằng thử nghiệm.
Nếu thiết bị có cung cấp kết nối đất bảo vệ vĩnh viễn theo mục 1) ở trên, thì không cần thực hiện bất kỳ phép đo nào, ngoại trừ I2 phải phù hợp với các yêu cầu liên quan của [5.7].
Các thử nghiệm dòng điện cảm ứng, nếu cần, được thực hiện bằng dụng cụ đo liên quan được mô tả trong IEC 60990:1999, Hình 5, hoặc bất kỳ dụng cụ nào khác cho kết quả tương tự. Một nguồn a.c ghép điện dung có cùng tần số và cùng pha với nguồn a.c được đặt vào mỗi mạch ngoài sao cho sẵn sàng có dòng 0,25 mA, hoặc giá trị dòng điện theo thực tế từ thiết bị khác được biết là thấp hơn, chạy vào mạch đó. Dòng điện chạy vào trong dây dẫn nối đất sau đó sẽ được đo.
b) Thiết bị có mạch ngoài không liên quan đến đất bảo vệ
Nếu mỗi mạch ngoài không có kết nối chung thi dòng điện tiếp xúc cho mỗi mạch ngoài không được vượt quá giới hạn ES2 của [Bảng 4].
Nếu tất cả các mạch ngoài hoặc bất kỳ nhóm các cổng như vậy có kết nối chung thì tổng dòng điện tiếp xúc từ mỗi kết nối chung không được vượt quá giới hạn ES2 của [Bảng 4] của tiêu chuẩn IEC 62368-1:2014 (xem Phụ lục E).
Kiểm tra sự phù hợp với mục b) bằng cách xem xét và nếu có các điểm kết nối chung, bằng thử nghiệm sau.
Một nguồn a.c ghép điện dung cùng tần số và cùng pha với nguồn a.c được đặt vào mỗi mạch ngoài sao cho 0,25 mA, hoặc dòng điện thực tế từ thiết bị khác nếu được biết là thấp hơn, sẵn sàng để chạy vào mạch ngoài đó. Các điểm kết nối chung được thử nghiệm theo [5.7.3], cho dù các điểm đó có thể tiếp cận được hay không.
[PHỤ LỤC Q] Các mạch dự kiến để kết nối với dây dẫn tòa nhà
[Q.1] Nguồn điện có giới hạn
[Q.1.1] Các yêu cầu
Nguồn điện có giới hạn phải tuân theo một trong những điều sau:
a) đầu ra bị giới hạn theo [Bảng Q.1]; hoặc
b) trở kháng tuyến tính hoặc phi tuyến tính giới hạn đầu ra phù hợp với [Bảng Q.1]. Nếu một thiết bị PTC được sử dụng, nó sẽ:
1) vượt qua các thử nghiệm quy định trong các Điều 15, 17, J.15 và J.17 của IEC 60730-1: 2010; hoặc
2) đáp ứng các yêu cầu của IEC 60730-1 đối với thiết bị cung cấp hoạt động Kiểu 2.AL;
3) một mạng điều chỉnh giới hạn đầu ra phù hợp với [Bảng Q.1], cả khi có và không có sự cố đơn mô phỏng (xem Điều [B.4]), trong mạng điều chỉnh (hở mạch hoặc ngắn mạch); hoặc
c) một thiết bị bảo vệ quá dòng được sử dụng và đầu ra bị hạn chế tuân theo [Bảng Q.2]; hoặc
d) một bộ giới hạn dòng điện IC tuân theo Điều [G.9] để giới hạn dòng điện đầu ra phù hợp với [Bảng Q.1].
Khi sử dụng thiết bị bảo vệ quá dòng, thiết bị đó phải là cầu chì hoặc một thiết bị điện cơ không điều chỉnh được, không tự thiết lập lại.
[Q.1.2] Phương pháp đo và tiêu chí tuân thủ
Kiểm tra sự tuân thủ bằng cách kiểm tra và đo lường và, khi thích hợp, bằng cách kiểm tra dữ liệu của nhà sản xuất đối với các ắc quy. Các ắc quy phải được sạc đầy khi tiến hành các phép đo Uoc và Isc theo [Bảng Q.1] và [Bảng Q.2]Ị. Công suất lớn nhất phải được xem xét, chẳng hạn như từ ắc quy và từ mạch nguồn.
Tải phi điện dung được tham chiếu trong chú thích b) và c) của [Bảng Q.1] và [Bảng Q.2] được điều chỉnh để đưa ra dòng điện cực đại và truyền công suất tương ứng. Các điều kiện sự cố đơn được áp dụng trong mạng điều chỉnh theo Điều [Q.1.1], mục b) 3) trong các điều kiện dòng điện và công suất lớn nhất này.
[Bảng Q.1] - Giới hạn đối với các nguồn điện có giới hạn
|
Điện áp ra a Uoc |
Dòng điện ra b d Isc |
Công suất biểu kiến c d S |
|
|
V a.c |
V d.c |
A |
VA |
|
Uoc ≤ 30 |
Uoc ≤ 30 |
≤ 8,0 |
≤ 100 |
|
- |
30 < Uoc ≤ 60 |
≤ 150/Uoc |
≤ 100 |
|
a Uoc: Điện áp đầu ra được đo theo [B.2.3] khi ngắt kết nối tất cả các mạch tải. Điện áp về cơ bản là a.c hình sin và d.c không gợn sóng. Đối với điện áp a.c không hình sin và d.c có độ gợn sóng lớn hơn 10% giá trị đỉnh, điện áp đỉnh không được vượt quá 42,4 V. b Isc: Dòng điện đầu ra lớn nhất với bất kỳ tải phi điện dung nào, kể cả ngắn mạch. c S (VA): VA đầu ra tối đa với bất kỳ tải phi điện dung nào. d Phép đo Isc và S được thực hiện 5 giây sau khi đặt tải nếu bảo vệ bằng mạch điện tử và 60 giây trong trường hợp thiết bị PTC hoặc trong các trường hợp khác. |
|||
[Bảng Q.2] - Giới hạn cho các nguồn điện vốn không bị giới hạn
(yêu cầu thiết bị bảo vệ quá dòng)
|
Điện áp ra a Uoc |
Dòng điện ra b d Isc |
Công suất biểu kiến c d S |
Ngưỡng dòng điện của thiết bị bảo vệ quá dòng e |
|
|
V a.c |
V d.c |
A |
VA |
A |
|
≤ 20 |
≤ 20 |
≤ 1 000/ Uoc |
≤ 250 |
≤ 5,0 |
|
20 < Uoc ≤ 30 |
20 < Uoc ≤ 30 |
≤100/Uoc |
||
|
- |
30 < Uoc ≤ 60 |
≤100/Uoc |
||
|
a Uoc: Điện áp đầu ra được đo theo [B.2.3] khi ngắt tất cả các mạch tải. Điện áp về cơ bản là a.c hình sin và d.c không gợn sóng Đối với điện áp a.c không hình sin và d.c có độ gợn sóng lớn hơn 10% giá trị đỉnh, điện áp đỉnh không được vượt quá 42,4 V. b Isc: Dòng điện đầu ra lớn nhất với bất kỳ tải phi điện dung nào, kể cả ngắn mạch, được đo trong 60 s sau khi đặt tải. c S (VA): VA đầu ra lớn nhất với bất kỳ tải phi điện dung nào được đo trong 60 s sau khi đặt tải. d Trở kháng giới hạn dòng điện trong thiết bị vẫn ở trong mạch trong quá trình đo, nhưng thiết bị bảo vệ quá dòng được bỏ qua. Lý do thực hiện phép đo với các thiết bị bảo vệ quá dòng bị bỏ qua là để xác định lượng năng lượng có thể gây ra hiện tượng quá nhiệt có thể xảy ra trong thời gian hoạt động của các thiết bị bảo vệ quá dòng. e Ngưỡng dòng điện của thiết bị bảo vệ quá dòng dựa trên cầu chì và cầu dao ngắt mạch trong vòng 120 s với dòng điện bằng 210% dòng điện ngưỡng quy định trong bảng. |
||||
[Q.2] Thử nghiệm đối với các mạch ngoài - cáp đôi dây dẫn
Thiết bị cung cấp điện cho mạch ngoài là cáp đôi dây dẫn được thiết kế để nối với dây dẫn của tòa nhà phải được kiểm tra như sau.
Nếu giới hạn dòng là do trở kháng vốn có của nguồn điện, thì dòng điện đầu ra vào bất kỳ tải điện trở nào, kể cả ngắn mạch, được đo Giới hạn dòng điện không được vượt quá sau 60 s thử nghiệm.
Nếu giới hạn dòng điện được cung cấp bởi thiết bị bảo vệ quá dòng có đặc tính thời gian /dòng điện xác định:
- đặc tính thời gian /dòng điện phải chỉ ra rằng dòng điện bằng 110% giới hạn dòng điện sẽ bị ngắt trong vòng 60 min; và
- dòng điện đầu ra vào tài điện trở bất kỳ, kể cả ngắn mạch, với thiết bị bảo vệ quá dòng bị bỏ qua, được đo sau 60 s thử nghiệm, không được vượt quá 1 000 / U trong đó U là điện áp đầu ra được đo theo [B.2.3] với tất cả các mạch tải bị ngắt kết nối.
Nếu giới hạn dòng điện được cung cấp bởi thiết bị bảo vệ quá dòng không có đặc tính thời gian / dòng điện cụ thể:
- dòng điện đầu ra vào tải điện trở bất kỳ, kể cả ngắn mạch, không được vượt quá giới hạn dòng điện sau 60 s thử nghiệm; và
- dòng điện đầu ra vào tải điện trở bất kỳ, kể cả ngắn mạch, với thiết bị bảo vệ quá dòng bị bỏ qua, được đo sau 60 s thử nghiệm, không được vượt quá 1 000 / U, trong đó U là điện áp đầu ra được đo theo [B.2.3] với tất cả các mạch tải bị ngắt kết nối.
Thư mục tài liệu tham khảo
[1] EN 62949:2017, Particular safety requirements for equipment to be connected to information and communication technology networks.
[2] IEC 60065:2014, Audio, video and similar electronic apparatus - Safety requirements.
[3] IEC 60364 (all parts), Low-voltage electrical installations.
[4] IEC TS 60479 (all parts), Effects of current on human beings and livestock.
[5] IEC TS 60479-1:2005, Effects of current on human beings and livestock - Part 1: General aspects
[6] IEC 60529, Degrees of protection provided by enclosures (IP code).
[7] IEC 60536, Classification of electrical and electronic equipment with regard to protection against electric shock.
[8] IEC 60664-1, Insulation coordination for equipment within low-voltage systems - Part 1: Principles, requirements and tests.
[9] IEC 60950-1:2005, Information technology equipment - Safety - Part 1; General requirements.
[10] IEC 62151:2000, Safety of equipment electrically connected to a telecommunication network.
[11] EN 50491-3:2011, General requirements for Home and Building Electronic Systems (HBES) and Building Automation and Control Systems (BAGS) - Part 3 Electrical safety requirements.
[12] ITU-T K.11, Principles of protection against overvoltages and overcurrents.
Bạn chưa Đăng nhập thành viên.
Đây là tiện ích dành cho tài khoản thành viên. Vui lòng Đăng nhập để xem chi tiết. Nếu chưa có tài khoản, vui lòng Đăng ký tại đây!
Bạn chưa Đăng nhập thành viên.
Đây là tiện ích dành cho tài khoản thành viên. Vui lòng Đăng nhập để xem chi tiết. Nếu chưa có tài khoản, vui lòng Đăng ký tại đây!