- Tổng quan
- Nội dung
- VB gốc
- Tiếng Anh
- Hiệu lực
- VB liên quan
- Lược đồ
-
Nội dung hợp nhất
Tính năng này chỉ có tại LuatVietnam.vn. Nội dung hợp nhất tổng hợp lại tất cả các quy định còn hiệu lực của văn bản gốc và các văn bản sửa đổi, bổ sung, đính chính... trên một trang. Việc hợp nhất văn bản gốc và những văn bản, Thông tư, Nghị định hướng dẫn khác không làm thay đổi thứ tự điều khoản, nội dung.
Khách hàng chỉ cần xem Nội dung hợp nhất là có thể nắm bắt toàn bộ quy định hiện hành đang áp dụng, cho dù văn bản gốc đã qua nhiều lần chỉnh sửa, bổ sung.
- Tải về
Thông tư 10/2019/TT-BTTTT Quy chuẩn kỹ thuật quốc gia về tương thích điện tử cho thiết bị đầu cuối
| Cơ quan ban hành: | Bộ Thông tin và Truyền thông |
Số công báo:
Số công báo là mã số ấn phẩm được đăng chính thức trên ấn phẩm thông tin của Nhà nước. Mã số này do Chính phủ thống nhất quản lý.
|
Đang cập nhật |
| Số hiệu: | 10/2019/TT-BTTTT | Ngày đăng công báo: | Đang cập nhật |
| Loại văn bản: | Thông tư | Người ký: | Nguyễn Mạnh Hùng |
|
Ngày ban hành:
Ngày ban hành là ngày, tháng, năm văn bản được thông qua hoặc ký ban hành.
|
04/10/2019 |
Ngày hết hiệu lực:
Ngày hết hiệu lực là ngày, tháng, năm văn bản chính thức không còn hiệu lực (áp dụng).
|
Đã biết
|
|
Áp dụng:
Ngày áp dụng là ngày, tháng, năm văn bản chính thức có hiệu lực (áp dụng).
|
Đã biết
|
Tình trạng hiệu lực:
Cho biết trạng thái hiệu lực của văn bản đang tra cứu: Chưa áp dụng, Còn hiệu lực, Hết hiệu lực, Hết hiệu lực 1 phần; Đã sửa đổi, Đính chính hay Không còn phù hợp,...
|
Đã biết
|
| Lĩnh vực: | Thông tin-Truyền thông |
TÓM TẮT THÔNG TƯ 10/2019/TT-BTTTT
Cụ thể, ban hành Quy chuẩn kỹ thuật quốc gia về tương thích điện từ cho thiết bị đầu cuối và phụ trợ trong hệ thống thông tin di động (QCVN 86:2019/BTTTT). Quy chuẩn này quy định các yêu cầu kỹ thuật về tương thích điện từ (EMC) cho thiết bị đầu cuối (UE) trong hệ thống thông tin di động theo các công nghệ sau: GSM, DCS (IMT-2000, theo công nghệ GSM/EDGE); UTRA, WCDMA (IMT-2000 trải phổ trực tiếp, W-CDMA FDD); E-UTRA, LTE (IMT-2000 và IMT Advanced) và các thiết bị phụ trợ liên quan.
Trong đó, đối với phép đo miễn nhiễm, mức tín hiệu RF mong muốn tại đầu vào EUT sẽ được thiết lập ở mức lớn hơn 40 dB so với mức nhạy tham chiếu như nêu trong ETSI TS 125 101 và ETSI TS 125 102 hoặc ETSI TS 136 101 nhằm cung cấp một liên kết thông tin ổn định.
Đối với phép đo phát xạ, mức tín hiệu RF mong muốn tại đầu ra máy thu đo không lớn hơn 15 dB so với mức nhạy tham chiếu nhằm đảm bảo EUT hoạt động trong dải động của nó...
Thông tư này có hiệu lực từ ngày 01/7/2020.
Văn bản này được thay thế bởi 52/2025/TT-BKHCN
Xem chi tiết Thông tư 10/2019/TT-BTTTT có hiệu lực kể từ ngày 01/07/2020
|
BỘ THÔNG TIN VÀ Số: 10/2019/TT-BTTTT |
CỘNG HÒA XÃ HỘI CHỦ NGHĨA VIỆT NAM Hà Nội, ngày 04 tháng 10 năm 2019 |
THÔNG TƯ
BAN HÀNH “QUY CHUẨN KỸ THUẬT QUỐC GIA VỀ TƯƠNG THÍCH ĐIỆN TỪ CHO THIẾT BỊ ĐẦU CUỐI VÀ PHỤ TRỢ TRONG HỆ THỐNG THÔNG TIN DI ĐỘNG”
Căn cứ Luật Tiêu chuẩn và Quy chuẩn kỹ thuật ngày 29 tháng 6 năm 2006;
Căn cứ Luật Viễn thông ngày 23 tháng 11 năm 2009;
Căn cứ Luật Tần số vô tuyến điện ngày 23 tháng 11 năm 2009;
Căn cứ Nghị định số 127/2007/NĐ-CP ngày 01 tháng 8 năm 2007 của Chính phủ quy định chi tiết và hướng dẫn thi hành một số điều của Luật Tiêu chuẩn và Quy chuẩn kỹ thuật;
Căn cứ Nghị định số 78/2018/NĐ-CP ngày 16 tháng 5 năm 2018 của Chính phủ sửa đổi, bổ sung một số điều của Nghị định số 127/2007/NĐ-CP ngày 01 tháng 8 năm 2007 của Chính phủ quy định chi tiết thi hành một số điều Luật tiêu chuẩn và quy chuẩn kỹ thuật;
Căn cứ Nghị định số 17/2017/NĐ-CP ngày 17 tháng 02 năm 2017 của Chính phủ quy định chức năng, nhiệm vụ, quyền hạn và cơ cấu tổ chức của Bộ Thông tin và Truyền thông;
Theo đề nghị của Vụ trưởng Vụ Khoa học và Công nghệ,
Bộ trưởng Bộ Thông tin và Truyền thông ban hành Thông tư quy định Quy chuẩn kỹ thuật quốc gia về tương thích điện từ cho thiết bị đầu cuối và phụ trợ trong hệ thống thông tin di động.
Điều 1. Ban hành kèm theo Thông tư này Quy chuẩn kỹ thuật quốc gia về tương thích điện từ cho thiết bị đầu cuối và phụ trợ trong hệ thống thông tin di động (QCVN 86:2019/BTTTT).
Điều 2. Hiệu lực thi hành
1. Thông tư này có hiệu lực thi hành kể từ ngày 01 tháng 7 năm 2020.
2. Thông tư số 02/2015/TT-BTTTT ngày 27 tháng 02 năm 2015 của Bộ trưởng Bộ Thông tin và Truyền thông ban hành “Quy chuẩn kỹ thuật quốc gia về tương thích điện từ đối với các thiết bị đầu cuối và phụ trợ trong hệ thống thông tin di động GSM và DCS” hết hiệu lực thi hành kể từ ngày 01 tháng 7 năm 2020.
Điều 3. Chánh Văn phòng, Vụ trưởng Vụ Khoa học và Công nghệ, Thủ trưởng các cơ quan, đơn vị thuộc Bộ Thông tin và Truyền thông, Giám đốc Sở Thông tin và Truyền thông các tỉnh, thành phố trực thuộc Trung ương và các tổ chức, cá nhân có liên quan chịu trách nhiệm thi hành Thông tư này./.
|
|
BỘ TRƯỞNG |
QCVN 86:2019/BTTTT
QUY CHUẨN KỸ THUẬT QUỐC GIA
VỀ TƯƠNG THÍCH ĐIỆN TỪ CHO THIẾT BỊ ĐẦU CUỐI VÀ PHỤ TRỢ TRONG HỆ THỐNG THÔNG TIN DI ĐỘNG
National technical regulation
on electromagnetic compatibility for mobile terminals and ancillary equipment of digital cellular telecommunication systems
Mục lục
1. QUY ĐỊNH CHUNG
1.1. Phạm vi điều chỉnh
1.2. Đối tượng áp dụng
1.3. Tài liệu viện dẫn
1.4. Giải thích từ ngữ
1.5. Ký hiệu
1.6. Chữ viết tắt
2. QUY ĐỊNH KỸ THUẬT
2.1. Phát xạ
2.1.1. Hệ thống GSM và DCS
2.1.2. Hệ thống CDMA trải phổ trực tiếp (UTRA và E-UTRA)
2.2. Miễn nhiễm
2.2.1. Hệ thống GSM và DCS
2.2.2. Hệ thống CDMA trải phổ trực tiếp (UTRA và E-UTRA)
2.3. Điều kiện đo kiểm
2.3.1. Quy định chung
2.3.2. Bố trí tín hiệu đo kiểm
2.3.3. Băng tần loại trừ
2.3.4. Đáp ứng băng hẹp của máy thu và phần thu của máy thu phát song công
2.3.5. Điều chế đo kiểm thông thường
2.4. Đánh giá chỉ tiêu
2.4.1. Quy định chung
2.4.2. Thiết bị có thể cung cấp kết nối thông tin liên tục
2.4.3. Thiết bị không thể cung cấp kết nối thông tin liên tục
2.4.4. Thiết bị phụ trợ
2.4.5. Phân loại thiết bị
2.5. Tiêu chí chất lượng
2.5.1. Tiêu chí chất lượng hệ thống GSM và DCS
2.5.2. Tiêu chí chất lượng hệ thống CDMA trải phổ trực tiếp (UTRA và E-UTRA)
3. QUY ĐỊNH VỀ QUẢN LÝ
4. TRÁCH NHIỆM CỦA TỔ CHỨC, CÁ NHÂN
5. TỔ CHỨC THỰC HIỆN
Phụ lục A (Quy định) Đánh giá chỉ tiêu cuộc gọi thoại, điểm ngắt thoại cho hệ thống CDMA trải phổ trực tiếp
Phụ lục B (Quy định) Đánh giá chỉ tiêu cuộc gọi dữ liệu, tỷ lệ lỗi cho hệ thống CDMA trải phổ trực tiếp
Phụ lục C (Tham khảo) Các loại thiết bị đầu cuối di động và phụ trợ
Thư mục tài liệu tham khảo
Lời nói đầu
QCVN 86:2019/BTTTT thay thế QCVN 86:2015/BTTTT.
QCVN 86:2019/BTTTT có các quy định kỹ thuật phù hợp với tiêu chuẩn ETSI EN 301 489-52 V1.1.0 (2016-11) của Viện Tiêu chuẩn Viễn thông Châu Âu (ETSI).
QCVN 86:2019/BTTTT do Viện Khoa học Kỹ thuật Bưu điện biên soạn, Vụ Khoa học và Công nghệ thẩm định và trình duyệt, Bộ Thông tin và Truyền thông ban hành kèm theo Thông tư số 10/2019/TT-BTTTT ngày 04 tháng 10 năm 2019.
QUY CHUẨN KỸ THUẬT QUỐC GIA
VỀ TƯƠNG THÍCH ĐIỆN TỪ CHO THIẾT BỊ ĐẦU CUỐI VÀ PHỤ TRỢ TRONG HỆ THỐNG THÔNG TIN DI ĐỘNG
National technical regulation
on electromagnetic compatibility for mobile terminals and ancillary equipment of digital cellular telecommunication systems
1. QUY ĐỊNH CHUNG
1.1. Phạm vi điều chỉnh
Quy chuẩn này quy định các yêu cầu kỹ thuật về tương thích điện từ (EMC) cho thiết bị đầu cuối (UE) trong hệ thống thông tin di động theo các công nghệ sau:
- GSM, DCS (IMT-2000, theo công nghệ GSM/EDGE) (xem Phụ lục C);
- UTRA, WCDMA (IMT-2000 trải phổ trực tiếp, W-CDMA FDD);
- E-UTRA, LTE (IMT-2000 và IMT Advanced) (xem Phụ lục C).
và các thiết bị phụ trợ liên quan.
Các chỉ tiêu kỹ thuật liên quan đến cổng ăng ten và phát xạ từ cổng vỏ của thiết bị vô tuyến không thuộc phạm vi quy chuẩn này sẽ được quy định trong các tiêu chuẩn, quy chuẩn sản phẩm tương ứng để sử dụng hiệu quả phổ tần số vô tuyến.
Quy chuẩn này chỉ áp dụng đối với các thiết bị đầu cuối thông tin di động mặt đất công cộng thuộc Danh mục sản phẩm, hàng hóa có khả năng gây mất an toàn thuộc trách nhiệm quản lý của Bộ Thông tin và Truyền thông.
1.2. Đối tượng áp dụng
Quy chuẩn kỹ thuật này áp dụng đối với các cơ quan, tổ chức, cá nhân Việt Nam và nước ngoài có hoạt động sản xuất, kinh doanh các thiết bị thuộc phạm vi điều chỉnh của quy chuẩn này trên lãnh thổ Việt Nam.
1.3. Tài liệu viện dẫn
QCVN 18:2014/BTTTT “Quy chuẩn kỹ thuật quốc gia về tương thích điện từ đối với thiết bị thông tin vô tuyến điện”.
ETSI TS 134 108 (V6.4.0) (10-2006): Universal Mobile Telecommunications System (UMTS); Common test environments for User Equipment (UE); Conformance testing (3GPP TS 34.108 version 6.4.0 Release 6).
ETSI TS 125 101 (V7.5.0) (10-2006): Universal Mobile Telecommunications System (UMTS); User Equipment (UE) radio transmission and reception (FDD) (3GPP TS 25.101 version 7.5.0 Release 7).
ETSI TS 134 109 (V6.2.0) (09-2006): Universal Mobile Telecommunications System (UMTS); Terminal logical test interface; Special conformance testing functions (3GPP TS 34.109 version 6.2.0 Release 6)
ETSI EN 300 296-1 (V1.4.1) (2013): Electromagnetic compatibility and Radio spectrum Matters (ERM); Land Mobile Service; Radio equipment using integral antennas intended primarily for analogue speech; Part 1: Technical characteristics and methods of measurement.
Recommendation ITU-T P.64 (1999): Telephone transmission quality, Telephone installations, Local line networks, Objective electro-acoustical measurements. Determination of sensitivity/frequency characteristics of local telephone systems.
Recommendation ITU-T P.76 (1988): Telephone transmission quality, Measurements related to speech loudness, Determination of loudness ratings; Fundamental principles, Annex A.
ETSI TS 125 102 (V7.4.0) (10-2006): Universal Mobile Telecommunications System (UMTS); User Equipment (UE) radio transmission and reception (TDD) (3GPP TS 25.102 version 7.4.0 Release 7).
ETSI TS 136 101 (V8.4.0) (01-2009): LTE; Evolved Universal Terrestrial Radio Access (E-UTRA); User Equipment (UE) radio transmission and reception (3GPP TS 36.101 version 8.4.0 Release 8).
ETSI TS 136 508 (V8.1.0) (04-2009): LTE; Evolved Universal Terrestrial Radio Access (E-UTRA) and Evolved Packet Core (EPC); Common test environments for User Equipment (UE) conformance testing (3GPP TS 36.508 version 8.1.0 Release 8).
ETSI TS 136 509 (V8.0.1) (01-2009): LTE; Evolved Universal Terrestrial Radio Access (E-UTRA); Special conformance testing function for User Equipment (UE) (3GPP TS 36.509 version 8.0.1 Release 8).
ETSI I-ETS 300 034-1 (Edition 1) (10-1993): European digital cellular telecommunications system (Phase 1); Radio subsystem link control (GSM 05.08).
ETSI I-ETS 300 034-2 (Edition 1) (09-1993): European digital cellular telecommunications system (Phase 1); Radio subsystem link control; Part 2: DCS extension (GSM 05.08-DCS).
ETSI ETS 300 578 (Edition 13) (03-1999): Digital cellular telecommunications system (Phase 2) (GSM); Radio subsystem link control (GSM 05.08 V4.22.0).
ETSI TS 100 911 (V8.23.0) (11-2005): Digital cellular telecommunications system (Phase 2+); Radio subsystem link control (3GPP TS 05.08 version 8.23.0 Release 1999).
1.4. Giải thích từ ngữ
1.4.1. Truyền tải (bearer)
Đường phát thông tin của các đặc tính được quy định cho việc truyền dữ liệu người dùng hoặc dữ liệu đo đã xác định trước.
1.4.2. Bắt vào một tế bào (camped on a cell)
UE đang ở trạng thái rỗi và đã hoàn thành quá trình lựa chọn/lựa chọn lại và chọn một tế bào (cell).
CHÚ THÍCH 1: UE giám sát thông tin hệ thống và (trong hầu hết các trường hợp) thông tin tìm gọi.
CHÚ THÍCH 2: Các dịch vụ có thể bị hạn chế, và PLMN có thể không nhận biết việc tồn tại của UE trong tế bào lựa chọn.
1.4.3. Băng thông kênh (channel bandwidth)
Băng thông RF hỗ trợ sóng mang RF E-UTRA đơn với băng thông phát được cấu hình trên đường lên hoặc đường xuống của một tế bào (cell).
CHÚ THÍCH: Đơn vị đo băng thông kênh là MHz và được coi như một chuẩn cho các yêu cầu RF máy phát và máy thu.
1.4.4. Phụ trợ ứng dụng dữ liệu (data application ancillary)
Thiết bị phụ trợ cung cấp dữ liệu gửi và/hoặc nhận truy nhập vào các dịch vụ UMTS thông qua UE.
1.4.5. Dữ liệu người dùng cuối (end-user data)
Các mẫu dữ liệu quy định trong việc đo truyền tải dữ liệu đối với nhà sản xuất, đại diện cho ứng dụng người dùng đặc trưng của EUT (ví dụ: ảnh, video, tập văn bản, thông báo) theo các đặc tính của nó.
1.4.6. Chế độ rỗi (Idle mode)
Đối với thiết bị UTRA/E-UTRA: trạng thái UE khi thiết bị này bật nguồn nhưng với kết nối RRC không được thiết lập.
Đối với GSM: chế độ hoạt động của máy phát hoặc máy thu, trong đó, EUT sẵn sàng cung cấp dịch vụ và đáp ứng yêu cầu thiết lập một cuộc gọi.
1.4.7. Công suất trung bình lớn nhất (maximum average power)
Công suất ra máy phát trung bình thu được trong một khoảng thời gian quy định bất kỳ, bao gồm khoảng thời gian không phát, khi các khe thời gian phát thiết lập tại công suất lớn nhất.
1.4.8. Thông lượng lớn nhất (maximum throughput)
Thông lượng tối đa có thể đạt được đối với một kênh đo chuẩn.
1.4.9. Băng thông cần thiết (necessary bandwidth)
Độ rộng của băng tần số đủ để đảm bảo sự truyền dẫn thông tin ở tốc độ và chất lượng yêu cầu trong điều kiện xác định.
1.4.10. Chất lượng tín hiệu thu (RXQUAL)
Chỉ tiêu xác định mức chất lượng tín hiệu thu được, được tạo ra bởi thiết bị xách tay hoặc thiết bị di động tạo ra và sử dụng như một tiêu chí trong điều khiển công suất RF và quá trình chuyển giao.
CHÚ THÍCH: Các đặc tính và yêu cầu được chỉ rõ trong:
- Mục 8.2 ETSI ETS 300 034-1 cho thiết bị GSM 900 Pha 1;
- Mục 8.2 ETSI ETS 300 034-2 cho thiết bị DCS 1800 Pha 1; hoặc
- Mục 8.2 ETSI ETS 300 578 cho thiết bị GSM 900 Pha 2 hoặc DCS 1800 Pha 2;
- Mục 8.2 ETSI TS 100 911 cho thiết bị GSM 900 Pha 2+ hoặc DCS 1800 Pha 2+.
1.4.11. Chế độ phát (traffic mode)
Trạng thái UE khi thiết bị này bật nguồn và kết nối RRC được thiết lập.
1.4.12. Thông lượng (throughput)
Số bít có tải nhận được thành công trên giây đối với một kênh đo chuẩn trong một điều kiện chuẩn xác định.
1.4.13. Thiết bị đầu cuối/thiết bị người dùng (UE) (user equipment (UE))
Trạm di động có khả năng truy nhập một tập các dịch vụ di động thông qua một hoặc nhiều giao diện vô tuyến.
CHÚ THÍCH: Thiết bị có thể cố định hoặc di chuyển trong vùng có dịch vụ di động trong khi truy nhập các dịch vụ di động, và có thể phục vụ đồng thời một hoặc nhiều người dùng.
1.5. Ký hiệu
BWChannel Băng thông kênh
m mét
1.6. Chữ viết tắt
|
AC |
Alternating Current |
Dòng xoay chiều |
|
ARFCN |
Absolute Radio Frequency CHannel Number |
Số kênh tần số vô tuyến tuyệt đối |
|
BCCH |
Broadcast Control Channel |
Kênh điều khiển quảng bá |
|
BER |
Bit Error Ratio |
Tỷ lệ lỗi bít |
|
BLER |
BLock Error Ratio |
Tỷ lệ lỗi khối |
|
BPF |
Band Pass Filter |
Bộ lọc thông dải |
|
BTS |
Base Transceiver Station |
Trạm thu phát gốc |
|
CCCH |
Common Control Channel |
Kênh điều khiển chung |
|
CDMA |
Code Division Multiple Access |
Đa truy nhập phân chia theo mã |
|
CW |
Continuous Wave (unmodulated carrier wave) |
Sóng liên tục (sóng mang không điều chế) |
|
DC |
Direct Current |
Dòng một chiều |
|
DCS |
Digital Cellular telecommunications System |
Hệ thống viễn thông vô tuyến tế bào số |
|
DL |
Down Link (From BTS to UE) |
Đường xuống (từ BTS đến UE) |
|
DTX |
Discontinuous Transmission |
Phát gián đoạn |
|
EARFCN |
E-UTRA Absolute Radio Frequency Channel Number |
Số kênh tần số vô tuyến tuyệt đối E-UTRA |
|
EMC |
Electromagnetic Compatibility |
Tương thích điện từ |
|
EPC |
Evolved Packet Core |
Lõi gói phát triển |
|
ESD |
ElectroStatic Discharge |
Phóng tĩnh điện |
|
EUT |
Equipment Under Test (UE or UE with ancillaries) |
Thiết bị cần đo kiểm (UE hoặc UE có phụ trợ) |
|
E-UTRA |
Evolved Universal Terrestrial Radio Access |
Truy nhập vô tuyến mặt đất toàn cầu tiến hóa |
|
FDD |
Frequency Division Duplex |
Song công phân chia theo tần số |
|
FRC |
Fixed Reference Channel |
Kênh chuẩn cố định |
|
GSM |
Global System for Mobile Communications |
Hệ thống thông tin di động toàn cầu |
|
PCCPCH |
Primary Common Control Physical Channel |
Kênh vật lý điều khiển chung sơ cấp |
|
RF |
Radio Frequency |
Tần số vô tuyến |
|
rms |
root mean square |
Giá trị hiệu dụng |
|
RRC |
Radio Resource Control |
Điều khiển tài nguyên vô tuyến |
|
SPL |
Sound Pressure Level |
Mức áp suất âm thanh |
|
TCH |
Traffic channel |
Kênh truyền tải |
|
TDD |
Time Division Duplex |
Song công phân chia theo thời gian |
|
UARFCN |
UTRA Absolute Radio Frequency Channel Number |
Số kênh tần số vô tuyến tuyệt đối UTRA |
|
UE |
User Equipment |
Thiết bị đầu cuối/thiết bị người dùng |
|
UL |
Up Link (From UE to BTS) |
Đường lên (từ UE đến BTS) |
|
UMTS |
Universal Mobile Telecommunication System |
Hệ thống viễn thông di động toàn cầu |
|
UTRA |
Universal Terrestrial Radio Access |
Truy nhập vô tuyến mặt đất toàn cầu |
2. QUY ĐỊNH KỸ THUẬT
2.1. Phát xạ
2.1.1. Hệ thống GSM và DCS
Các phép đo kiểm phát xạ EMC trên các cổng thiết bị thông tin vô tuyến và/hoặc phụ trợ liên quan được quy định tại Bảng 1 trong QCVN 18:2014/BTTTT (xem Bảng 1) và các quy định trong Bảng 2 của quy chuẩn này.
Bảng 1. Các phép đo kiểm phát xạ EMC đối với thiết bị đầu cuối và phụ trợ trong hệ thống GSM và DCS theo Bảng 1, QCVN 18:2014/BTTTT
|
Hiện tượng |
Áp dụng |
Yêu cầu kiểm tra |
Mục tham chiếu trong QCVN 18:2014/BTTTT |
|
|---|---|---|---|---|
|
Thiết bị thông tin vô tuyến và phụ trợ sử dụng cho phương tiện vận tải (ví dụ: thiết bị di động) |
Thiết bị thông tin vô tuyến và phụ trợ sử dụng cho xách tay (thiết xách tay) |
|||
|
Phát xạ bức xạ |
Vỏ của thiết bị phụ trợ |
Áp dụng cho phép đo kiểm độc lập |
Áp dụng cho phép đo kiểm độc lập |
2.1.3 |
|
Phát xạ dẫn |
Cổng vào/ra nguồn DC |
Áp dụng |
Không áp dụng |
2.1.4 |
|
Phát xạ dẫn |
Cổng vào/ra nguồn AC |
Không áp dụng |
Không áp dụng |
2.1.5 |
|
Phát xạ dòng hài |
Cổng đầu vào nguồn AC |
Không áp dụng |
Không áp dụng |
2.1.6 |
|
Dao động biên độ và biến động dạng sóng điện áp |
Cổng đầu vào nguồn AC |
Không áp dụng |
Không áp dụng |
2.1.7 |
|
Phát xạ dẫn |
Cổng viễn thông |
Không áp dụng |
Không áp dụng |
2.1.8 |
Bảng 2. Các điều kiện đo cho các phép đo phát xạ EMC dùng cho thiết bị đầu cuối và phụ trợ trong hệ thống GSM và DCS
|
Mục tham chiếu trong QCVN 18:2014/BTTTT |
Các điều kiện đo bổ sung hoặc sửa đổi cho mục 2.1 trong QCVN 18:2014/BTTTT |
|
2.1.3 “Phát xạ từ cổng vỏ thiết bị phụ trợ độc lập” |
Theo thông báo của nhà sản xuất, thiết bị phụ trợ có thể được đo cùng với thiết bị vô tuyến trong cùng bài đo. Trong trường hợp này, các phát xạ bức xạ từ máy phát/máy thu sẽ được bỏ qua, nhưng phải được ghi lại trong báo cáo đo kiểm. |
2.1.2. Hệ thống CDMA trải phổ trực tiếp (UTRA và E-UTRA)
Các ứng dụng đo kiểm phát xạ EMC trên các cổng thiết bị thông tin vô tuyến và/hoặc phụ trợ liên quan theo Bảng 1 trong QCVN 18:2014/BTTTT (xem Bảng 1).
2.2. Miễn nhiễm
2.2.1. Hệ thống GSM và DCS
Các ứng dụng đo kiểm miễn nhiễm EMC trên các cổng thiết bị thông tin vô tuyến và/hoặc phụ trợ liên quan theo Bảng 2 trong QCVN 18:2014/BTTTT (xem Bảng 3) và các quy định trong Bảng 4 của quy chuẩn này.
Bảng 3. Các phép đo miễn nhiễm đối với thiết bị đầu cuối và phụ trợ trong hệ thống GSM và DSC theo Bảng 2, QCVN 18:2014/BTTTT
|
Hiện tượng |
Áp dụng |
Yêu cầu kiểm tra |
Mục tham chiếu trong QCVN 18:2014/BTTTT |
|
|---|---|---|---|---|
|
Thiết bị thông tin vô tuyến và phụ trợ sử dụng cho phương tiện vận tải (ví dụ: thiết bị di động) |
Thiết bị thông tin vô tuyến và phụ trợ sử dụng cho xách tay (thiết xách tay) |
|||
|
Trường điện từ RF (80 MHz tới 1000 MHz và 1400 MHz tới 2700MHz) |
Cổng vỏ |
Áp dụng |
Áp dụng |
2.2.3 |
|
Phóng tĩnh điện |
Cổng vỏ |
Không áp dụng |
Áp dụng |
2.2.4 |
|
Đột biến nhanh, chế độ chung |
Tín hiệu, các cổng viễn thông, cổng điều khiển, cổng nguồn DC và AC |
Không áp dụng |
Không áp dụng |
2.2.5 |
|
Tần số vô tuyến, chế độ chung từ 0,15 MHz tới 80 MHz |
Tín hiệu, các cổng viễn thông, cổng điều khiển, cổng nguồn DC và AC |
Áp dụng |
Không áp dụng |
2.2.6 |
|
Đột biến và quá áp |
Cổng đầu vào nguồn DC |
Áp dụng |
Không áp dụng |
2.2.7 |
|
Sụt áp và gián đoạn điện áp |
Cổng đầu vào nguồn AC |
Không áp dụng |
Không áp dụng |
2.2.8 |
|
Quá áp dây -dây, dây - đất |
Cổng đầu vào nguồn điện AC, cổng thông tin |
Không áp dụng |
Không áp dụng |
2.2.9 |
Bảng 4. Các điều kiện đo cho các phép đo miễn nhiễm dùng cho thiết bị đầu cuối và phụ trợ trong hệ thống GSM và DCS
|
Mục tham chiếu trong QCVN 18:2014/BTTTT |
Các điều kiện đo bổ sung hoặc sửa đổi cho mục 2.2, QCVN 18:2014/BTTTT |
|---|---|
|
2.2.3 “Miễn nhiễm trong trường điện từ tần số vô tuyến”, phần “Phương pháp thử” |
Khi áp dụng phương pháp sử dụng bộ tách sóng giữ mức cực đại, tại mỗi bước khởi tạo bài đo thì tín hiệu thử phải là tín hiệu chưa điều chế. Sau đó việc điều chế thử mới được áp dụng. Bài đo này sẽ được lặp lại với thiết bị ở chế độ chờ của quá trình vận hành và băng tần loại trừ sẽ không được sử dụng trong bài đo. |
|
2.2.6 “Miễn nhiễm đối với tần số vô tuyến, chế độ chung”, phần “Phương pháp thử” |
Khi áp dụng phương pháp sử dụng bộ tách sóng giữ mức cực đại tại mỗi bước khởi tạo bài đo thì tín hiệu thử phải là tín hiệu chưa điều chế. Sau đó việc điều chế thử mới được áp dụng. |
|
|
Đối với phương pháp thử, việc tăng tần số theo các bước 50 kHz của tần số tức thì trong dải tần 150 kHz tới 5 MHz. Khi áp dụng phương pháp sử dụng bộ tách sóng giữ mức cực đại, tại mỗi bước tần số thử được khởi tạo thì một tín hiệu thử miễn nhiễm chưa điều chế sẽ được áp dụng. Sau đó việc điều chế tín hiệu thử RF miễn nhiễm (1 kHz) được áp dụng như trong QCVN 18:2014/BTTTT. |
|
2.2.7. “Miễn nhiễm đối với đột biến, quá áp trong môi trường phương tiện vận tải”, phần “Tiêu chí chất lượng” |
Trong các quá trình đo kiểm với xung 3a và 3B, phải áp dụng tiêu chí chất lượng (xem 2.5.1.3). |
2.2.2. Hệ thống CDMA trải phổ trực tiếp (UTRA và E-UTRA)
Các ứng dụng đo kiểm miễn nhiễm EMC trên các cổng thiết bị thông tin vô tuyến và/hoặc phụ trợ liên quan theo Bảng 2 trong QCVN 18:2014/BTTTT (xem Bảng 3) và các quy định trong Bảng 5 của quy chuẩn này.
Bảng 5. Các điều kiện đo cho các phép đo miễn nhiễm dùng cho thiết bị đầu cuối và phụ trợ trong hệ thống CDMA trải phổ trực tiếp (UTRA và E-UTRA)
|
Mục tham chiếu trong QCVN 18:2014/BTTTT |
Các điều kiện đo bổ sung hoặc sửa đổi cho mục 2.2 trong QCVN 18:2014/BTTTT |
|---|---|
|
2.2.3 “Miễn nhiễm trong trường điện từ tần số vô tuyến”, phần “Phương pháp thử” |
Khi áp dụng phương pháp sử dụng bộ tách sóng giữ mức cực đại, tại mỗi bước khởi tạo bài đo thì tín hiệu thử phải là tín hiệu chưa điều chế. Sau đó việc điều chế thử mới được áp dụng. |
|
2.2.6 “Miễn nhiễm đối với tần số vô tuyến, chế độ chung”, phần “Phương pháp thử” |
Không áp dụng băng tần loại trừ cho các thiết bị thuộc phạm vi điều chỉnh của quy chuẩn này; Khi áp dụng phương pháp sử dụng bộ tách sóng giữ mức cực đại tại mỗi bài đo khởi tạo bước tần số thì một tín hiệu thử chưa điều chế sẽ được sử dụng. Sau đó việc điều chế thử mới được áp dụng; Thủ tục được sử dụng cho xác định các đáp ứng băng hẹp không áp dụng đối với các bài đo miễn nhiễm dẫn trong dải tần số từ 150 kHz đến 80 MHz (xem 2.3.4). |
|
2.2.7. “Miễn nhiễm đối với đột biến, quá áp trong môi trường phương tiện vận tải”, phần “Tiêu chí chất lượng” |
Trong các quá trình đo kiểm với xung 3a và 3B, phải áp dụng tiêu chí chất lượng (xem 2.5.1.3). |
2.3. Điều kiện đo kiểm
2.3.1. Quy định chung
Các điều kiện đo theo Phụ lục A của QCVN 18:2014/BTTTT và các quy định tại 2.3.2 đến 2.3.5 của quy chuẩn này.
Nếu ăng ten của thiết bị được đo kiểm (EUT) là loại có thể tháo rời, thì phải đo EUT với ăng ten theo cách sử dụng thông thường, trừ khi có quy định khác.
2.3.2. Bố trí tín hiệu đo kiểm
2.3.2.1. Bố trí tín hiệu đo cho hệ thống GSM và DCS
Áp dụng A.2 trong QCVN 18:2014/BTTTT. Ngoài ra có bổ sung thêm một số yêu cầu được quy định trong 2.3.2.1.1 đến 2.3.2.1.3.
2.3.2.1.1. Bố trí thiết lập tuyến truyền dẫn
Tần số danh định của tín hiệu đầu vào RF mong muốn (đối với máy thu) sẽ được lựa chọn bằng việc thiết lập tham số ARFCN tới một con số phù hợp (trong trường hợp GSM 900 từ 60 đến 65, và GSM 1800 từ 690 đến 706).
Một tuyến truyền dẫn sẽ được cài đặt cùng với một bộ mô phỏng trạm gốc thích hợp (được gọi là hệ thống kiểm tra).
Khi EUT được yêu cầu là loại phát/thu, các điều kiện sau đây được yêu cầu:
- EUT được cài đặt để vận hành với khả năng phát tối đa;
- RXQUAL đường xuống phải được giám sát.
2.3.2.1.2. Hiệu chuẩn đường truyền âm thanh
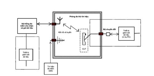
Mức tín hiệu đầu ra thoại chuẩn trên cả hai tuyến đường xuống và đường lên sẽ được ghi lại trên thiết bị đo kiểm. Mô hình đo kiểm được mô tả như trong Hình 1.
Nếu thiết bị không bao gồm bộ chuyển đổi âm thanh (ví dụ microphone hoặc loa ngoài) thì các mức chuẩn về điện do nhà sản xuất quy định.
Bộ xử lý thoại thường áp dụng các thuật toán để khử tạp âm và tiếng vọng để loại bỏ và giảm đi các tín hiệu âm thanh ở trạng thái bão hòa, ví dụ, các tín hiệu hiệu chuẩn 1 kHz.
Việc hiệu chuẩn các tín hiệu này nên được thực hiện cùng với các thuật toán để loại bỏ tạp âm và tiếng vọng.
Nếu các thuật toán triệt tạp âm và tiếng vọng không được tắt đi thì mức chuẩn của tín hiệu đầu ra âm thanh phải được đo bằng cách tách sóng giữ giá trị đỉnh (max-hold detection) trên bộ đo mức âm thanh để xác định mức này trước khi các thuật toán triệt tạp âm và tiếng vọng có tác dụng.
Hiệu chuẩn đường xuống:
- Không được sử dụng EUT để hiệu chuẩn đường xuống. Điều chỉnh đầu ra của nguồn đo âm thanh để đạt mức chuẩn tương đương một SPL của 0 dBPa tại 1 kHz tại đầu vào của bộ ghép âm thanh đối với đường xuống. Ghi lại giá trị trên bộ đo mức âm thanh và giá trị này được lấy làm mức chuẩn.
- Khi sử dụng loa ngoài, SPL từ loa ngoài sẽ cao hơn khi nghe từ loa trong bởi lượng tạp âm xuất hiện xung quanh. Sử dụng phương pháp sau để đạt được mức SPL yêu cầu:
+ Mức chuẩn đường xuống sẽ tăng lên một lượng tương tự để bù lại cho sự chênh lệch SPL; hoặc
+ Khoảng cách giữa loa ngoài và đo bằng tai nghe sẽ được điều chỉnh trong quá trình đo.
Hiệu chuẩn đường lên:
- Đối với việc hiệu chuẩn đường lên khi EUT được sử dụng. Điều chỉnh đầu ra nguồn đo âm thanh để đạt mức chuẩn tương đương SPL của -5 dBPa tại 1 kHz tại MRP theo Khuyến nghị ITU-T P.64. Ghi lại giá trị trên bộ đo mức âm thanh, được kết nối đến đầu ra của hệ thống đo kiểm, giống như mức chuẩn.
- Đối với các ứng dụng loa ngoài, thông thường không thực hiện các hiệu chỉnh đối với mức chuẩn đường lên. Nếu không thực hiện được việc chuẩn hóa thì nhà sản xuất sẽ định rõ khoảng cách giữa MRP và tai nghe.

Hình 1. Phép đo điểm ngắt thoại, thiết lập hiệu chuẩn đối với thiết bị cầm tay
2.3.2.1.3. Đo mức âm thanh đầu ra thoại của EUT
Bộ xử lý tiếng nói có thể sử dụng các thuật toán khử nhiễu và tiếng vọng, các thuật toán này có chức năng loại bỏ hoặc giảm các tín hiệu âm thanh trạng thái tĩnh, ví dụ như tín hiệu chuẩn 1 kHz.
Khi các mức âm được đo trong quá trình kiểm tra, phần mềm EUT sẽ được thiết lập cho các ứng dụng giọng nói. Nếu các thuật toán khử nhiễu và tiếng vọng được kích hoạt, mức âm thanh sẽ được đo bằng một phép dò giữ ở mức cực đại trên đồng hồ mức âm thanh để xác định mức âm thanh trước khi các thuật toán khử nhiễu và tiếng vọng có ảnh hưởng.
Đặt âm lượng EUT tại mức âm thanh danh nghĩa nếu nhà sản xuất có ghi rõ. Nếu mức âm danh nghĩa không được chỉ rõ, khi đó sử dụng nấc âm lượng trung tâm. Các thiết lập âm lượng sẽ được ghi lại trong báo cáo đo kiểm.
Mức tín hiệu đầu ra từ kênh thoại đường xuống của EUT tại trạm di động hoặc tai nghe của thiết bị di động sẽ được đánh giá bằng cách đo SPL như minh họa trên Hình. Khi dùng một loa bên ngoài, bộ nối âm sẽ được cố định với loa tại vị trí dùng trong suốt quá trình hiệu chuẩn.
Mức tín hiệu đầu ra giải mã từ kênh thoại đường lên của EUT tại đầu ra tương tự của hệ thống kiểm tra sẽ được đo. Việc bắt nhiễu nền ngoại sinh bằng microphone của EUT sẽ được tối thiểu hóa bằng cách bít kín cổng vào thoại (microphone) của EUT (xem Hình).
Nếu thiết bị được thiết kế để sử dụng với các bộ chuyển đổi bên ngoài, thì cấu hình thu kiểm tra phải bao gồm các bộ chuyển đổi này. Nếu thiết bị không bao gồm các bộ chuyển đổi âm, điện áp đường dây trên một trở kháng cuối được chỉ rõ sẽ được đo.

Hình 2. Phép đo điểm ngắt thoại, thiết lập kiểm tra cho thiết bị xách tay
2.3.2.2. Bố trí tín hiệu đo cho hệ thống CDMA trải phổ trực tiếp (UTRA và E-UTRA)
Áp dụng A.2 trong QCVN 18:2014/BTTTT. Ngoài ra có bổ sung thêm một số yêu cầu sau:
- Tần số danh định của tín hiệu đầu vào RF mong muốn (đối với máy thu) sẽ được lựa chọn bằng việc thiết lập tham số UARFCN hoặc EARFCN tới một con số phù hợp;
- Một tuyến truyền dẫn sẽ được cài đặt cùng với một bộ mô phỏng trạm gốc thích hợp (được gọi là hệ thống kiểm tra). Hệ thống kiểm tra phải đặt bên ngoài môi trường đo kiểm;
- Các phép đo đối với phần phát và phần thu của EUT có thể thực hiện đồng thời nhằm giảm thời gian đo thử.
Phép đo miễn nhiễm phải tiến hành tại hai chế độ hoạt động:
- Chế độ phát với một tuyến truyền dẫn được thiết lập;
- Chế độ rỗi.
Khi EUT được yêu cầu hoạt động trong chế độ phát, một cuộc gọi được thiết lập thông qua thủ tục thiết lập cuộc gọi chung và các điều kiện sau phải được đáp ứng:
- Thiết lập và gửi liên tục các lệnh điều khiển tăng công suất đến UE;
- DTX không được kích hoạt;
- Lặp vòng hoặc điều khiển công suất đường xuống được kích hoạt;
- Đối với UTRA, tốc độ bít phát và/hoặc thu (UL/DL) cho kênh đo chuẩn là 12,2 kbit/s. Đối với E-UTRA, tốc độ này theo quy định trong Phụ lục C của ETSI TS 136 101 với các thông số quy định trong Bảng 7.3.1-1 và 7.3.1-2 của ETSI TS 136 101;
- Đối với UTRA, thủ tục thiết lập cuộc gọi chung và các kịch bản vòng lặp BER và BLER thủ quy định trong ETSI TS 134 108 và ETSI TS 134 109. Đối với E-UTRA, các thủ tục thiết lập cuộc gọi chung và các kịch bản vòng lặp thông lượng thủ quy định trong ETSI TS 136 508 và ETSI TS 136 509.
Khi EUT được yêu cầu hoạt động trong chế độ rỗi, các điều kiện sau phải được đáp ứng:
- UE phải bắt vào một cell;
- UE phải thực hiện đăng ký vị trí (LR) trước khi đo, nhưng không thực hiện trong quá trình đo thử;
- Tập danh sách cell lân cận của UE là tập rỗng;
- Khoảng thời gian lặp lại tìm gọi và chu kỳ DRX phải thiết lập tại mức nhỏ nhất (khoảng thời gian ngắn nhất có thể).
Thực hiện các biện pháp nhằm tránh ảnh hưởng của tín hiệu đo RF đến thiết bị đo.
2.3.2.3. Bố trí tín hiệu đo kiểm tại đầu vào của máy phát
Áp dụng A.2.1 trong QCVN 18:2014/BTTTT. Ngoài ra có bổ sung thêm một số yêu cầu đối với hệ thống GSM và DCS như sau:
- Hệ thống kiểm tra sẽ yêu cầu EUT tắt Phát gián đoạn (DTX);
- Thiết lập liên kết giữa EUT và hệ thống kiểm tra.
2.3.2.4. Bố trí tín hiệu đo kiểm tại đầu ra của máy phát
Áp dụng A.2.2 trong QCVN 18:2014/BTTTT. Ngoài ra có bổ sung thêm một số yêu cầu sau:
- Nếu thiết bị được đấu nối với cổng ăng ten rời RF 50 Ω bằng một cáp đồng trục thì tín hiệu mong muốn để thiết lập một liên kết thông tin phải được cung cấp từ đầu nối bằng một cáp đồng trục.
- Nếu thiết bị được đấu nối với cổng ăng ten rời RF 50 Ω nhưng không sử dụng cáp đồng trục, hoặc thiết bị có tích hợp ăng ten liền, thì tín hiệu mong muốn cần để thiết lập một liên kết thông tin phải được cung cấp từ một ăng ten đặt trong môi trường kiểm tra.
2.3.2.5. Bố trí tín hiệu đo kiểm tại đầu vào của máy thu
2.3.2.5.1. Quy định chung
Áp dụng A.2.3 trong QCVN 18:2014/BTTTT. Ngoài ra có bổ sung thêm một số yêu cầu sau:
- Nếu thiết bị được đấu nối với cổng ăng ten rời RF 50 Ω bằng một cáp đồng trục thì tín hiệu mong muốn để thiết lập một liên kết thông tin phải được cung cấp từ đầu nối bằng một cáp đồng trục.
- Nếu thiết bị được đấu nối với cổng ăng ten rời RF 50 Ω nhưng không sử dụng cáp đồng trục, hoặc thiết bị có tích hợp ăng ten liền, thì tín hiệu mong muốn cần để thiết lập một liên kết thông tin phải được cung cấp từ một ăng ten đặt trong môi trường kiểm tra.
2.3.2.5.2. Bố trí tín hiệu đo kiểm tại đầu vào của các máy thu GSM và DCS
Mức tín hiệu RF đầu vào mong muốn được thiết lập ở mức hơn 40 dB so với mức nhạy tham chiếu như nêu trong TS 100 911, mục 6.2 nhằm cung cấp một liên kết thông tin ổn định.
2.3.2.5.3. Bố trí tín hiệu đo kiểm tại đầu vào của các máy thu CDMA trải phổ trực tiếp (UTRA và E-UTRA)
Đối với phép đo miễn nhiễm, mức tín hiệu RF mong muốn tại đầu vào EUT sẽ được thiết lập ở mức lớn hơn 40 dB so với mức nhạy tham chiếu như nêu trong ETSI TS 125 101 và ETSI TS 125 102 hoặc ETSI TS 136 101 nhằm cung cấp một liên kết thông tin ổn định.
Đối với phép đo phát xạ, mức tín hiệu RF mong muốn tại đầu ra máy thu đo không lớn hơn 15 dB so với mức nhạy tham chiếu nhằm đảm bảo EUT hoạt động trong dải động của nó.
2.3.2.6. Bố trí tín hiệu đo kiểm tại đầu ra của máy thu
2.3.2.6.1. Bố trí tín hiệu đo kiểm tại đầu ra của các máy thu GSM và DCS
Áp dụng A.2.4 trong QCVN 18:2014/BTTTT.
Khi EUT được yêu cầu ở chế độ rỗi, hệ thống kiểm tra sẽ tái tạo một trạm gốc (BS) với BCCH/CCCH trên một sóng mang. EUT sẽ được đồng bộ với BCCH, theo CCCH và có thể đáp ứng các nhắn tin vô tuyến. Tính năng cập nhật vị trí định kỳ sẽ bị tắt đi.
2.3.2.6.2. Bố trí tín hiệu đo kiểm tại đầu ra của các máy thu CDMA trải phổ trực tiếp (UTRA và E-UTRA)
Áp dụng A.2.4 trong QCVN 18:2014/BTTTT. Bổ sung thêm các yêu cầu bố trí tín hiệu đo tại đầu ra quy định trong Phụ lục A và Phụ lục B.
2.3.3. Băng tần loại trừ
2.3.3.1. Băng tần loại trừ của máy thu và phần thu của các máy thu phát song công GSM và DCS
Áp dụng A.3 trong QCVN 18:2014/BTTTT.
Băng tần loại trừ của máy thu và phần thu của các máy thu phát là băng tần gồm các tần số mà trên đó không có phép kiểm tra miễn nhiễm với bức xạ RF nào được thực hiện.
2.3.3.2. Băng tần loại trừ của máy phát GSM và DCS
Áp dụng A.3 trong QCVN 18:2014/BTTTT.
Băng tần loại trừ của máy phát và phần phát của các máy thu phát là băng tần gồm các tần số mà trên đó không có kiểm tra miễn nhiễm với bức xạ RF nào được thực hiện.
2.3.3.3. Băng tần loại trừ của máy phát CDMA trải phổ trực tiếp (UTRA và E-UTRA)
Áp dụng A.3 trong QCVN 18:2014/BTTTT.
2.3.3.4. Băng tần loại trừ của máy thu CDMA trải phổ trực tiếp (UTRA và E-UTRA)
Áp dụng A.3 trong QCVN 18:2014/BTTTT.
2.3.4. Đáp ứng băng hẹp của máy thu và phần thu của máy thu phát song công
2.3.4.1. Đáp ứng băng hẹp của máy thu và phần thu của máy thu phát song công GSM và DCS
Các đáp ứng trên các máy thu hoặc máy thu phát song công xảy ra trong khi kiểm tra tại các tần số rời rạc là các đáp ứng băng tần hẹp (các đáp ứng giả), được xác định bởi phương pháp sau đây (quy trình dưới đây chỉ được áp dụng nếu khoảng cách giữa các tần số kiểm tra lớn hơn 500 kHz):
- Trong một kiểm tra miễn nhiễm nếu RXQUAL hoặc mức tín hiệu đầu ra thoại được ghi vượt ra ngoài cấu hình đã định, cần thiết lập xem sự tăng RXQUAL hoặc tăng mức tín hiệu đầu ra thoại là do một đáp ứng băng hẹp hay do một hiện tượng băng rộng. Vì thế, kiểm tra sẽ được lặp lại với tần số tín hiệu không mong muốn được tăng lên, và sau đó giảm đi 400 kHz;
- Nếu việc tăng RXQUAL hoặc mức tín hiệu đầu ra thoại không tồn tại trong một hoặc cả hai trường hợp bù 400 kHz ở trên, thì đáp ứng được coi là đáp ứng băng hẹp;
- Nếu việc tăng RXQUAL hoặc mức tín hiệu đầu ra thoại không biến mất, có thể do thực tế là phần bù đã khiến tần số của tín hiệu không mong muốn tương ứng với tần số của một đáp ứng băng hẹp khác. Với các tình huống này, quy trình được lặp lại với sự tăng hoặc giảm tần số của tín hiệu không mong muốn thiết lập ở 500 kHz;
- Nếu việc tăng RXQUAL hoặc mức tín hiệu đầu ra thoại vẫn không biến mất với tần số tăng và/hoặc giảm, hiện tượng này là EMC không đạt và EUT là không đạt yêu cầu khi kiểm tra.
Các đáp ứng băng hẹp không được xét đến.
2.3.4.2. Đáp ứng băng hẹp trên các máy thu CDMA trải phổ trực tiếp (UTRA và E-UTRA)
2.3.4.2.1. UTRA
Các đáp ứng trên máy thu hoặc máy thu phát song công xảy ra trong đo kiểm miễn nhiễm tại tần số rời rạc là các đáp ứng băng hẹp (các đáp ứng giả), được xác định bằng phương pháp sau đây:
- Trong một kiểm tra miễn nhiễm nếu giá trị được ghi vượt ra ngoài cấu hình đã định, cần xác định xem độ lệch này là do ảnh hưởng không mong muốn trên máy thu của UE hay trên hệ thống đo kiểm (đáp ứng băng hẹp) hay do một hiện tượng (EMC) băng rộng. Vì vậy, kiểm tra sẽ được lặp lại với UAFCN tăng hoặc giảm như sau:
+ FDD băng I, VIII.
- Nếu độ lệch trên không biến mất, thủ tục lặp lại với UARFCN tăng hoặc giảm từ giá trị ban đầu như sau:
+ FDD băng I, VIII.
- Nếu việc tăng và/hoặc giảm UARFCN không làm biến mất độ lệch trên, hiện tượng được coi là băng rộng và EMC không đạt và EUT là không đạt yêu cầu khi đo kiểm.
Các đáp ứng băng hẹp không được xét đến.
2.3.4.2.2. E-UTRA
Các đáp ứng trên máy thu hoặc máy thu phát song công xảy ra trong đo kiểm miễn nhiễm tại tần số rời rạc là các đáp ứng băng hẹp (các đáp ứng giả), được xác định bằng phương pháp sau đây:
- Trong một kiểm tra miễn nhiễm nếu giá trị được ghi vượt ra ngoài cấu hình đã định, cần thiết lập xem độ lệch này là do ảnh hưởng không mong muốn trên máy thu của UE hay trên hệ thống đo kiểm (đáp ứng băng hẹp) hay do một hiện tượng (EMC) băng rộng. Vì vậy, kiểm tra sẽ được lặp lại với tần số tín hiệu không mong muốn tăng hoặc giảm bằng BWChannel MHz, trong đó BWChannel là băng thông kênh được quy định trong ETSI TS 136 101;
- Nếu độ lệch này không biến mất, thủ tục lặp lại với tần số tín hiệu mong muốn tăng hoặc giảm bằng 2 x BWChannel MHz,
- Nếu việc tăng và/hoặc giảm tần số không làm biến mất độ lệch này hiện tượng được coi là băng rộng và EMC không đạt và EUT là không đạt yêu cầu khi đo kiểm.
Các đáp ứng băng hẹp không được xét đến.
2.3.5. Điều chế đo kiểm thông thường
2.3.5.1. Điều chế đo kiểm thông thường hệ thống GSM và DCS
Đo kiểm miễn nhiễm trong chế độ gọi thoại sẽ được thực hiện mà không cần xác định các điều kiện tín hiệu điều chế đầu vào.
Với các đo kiểm miễn nhiễm trong chế độ gọi thoại, tổng hiệu suất âm thanh đường lên và đường xuống của thiết bị vô tuyến sẽ được hiệu chuẩn trước khi bắt đầu kiểm tra. Quy trình hiệu chuẩn được giải thích trong 2.3.2.1.2.
Các kiểm tra miễn nhiễm trong chế độ dữ liệu sẽ được thực hiện với tín hiệu đầu vào điều biến bên ngoài thích hợp để chất lượng của dữ liệu cuộc gọi được giám sát.
2.3.5.2. Điều chế đo kiểm thông thường hệ thống CDMA trải phổ tực tiếp (UTRA và E-UTRA)
Đo kiểm miễn nhiễm trong truyền tín hiệu âm thanh hoặc thoại tương tự (chế độ gọi thoại) sẽ được thực hiện mà không cần xác định các điều kiện tín hiệu điều chế đầu vào.
Tổng hiệu suất âm thanh của đường lên (UL) và đường xuống (DL) của thiết bị vô tuyến sẽ được hiệu chuẩn trước khi bắt đầu kiểm tra. Quy trình hiệu chuẩn được giải thích trong mục A.1.
Các đo kiểm miễn nhiễm trong chế độ truyền tải dữ liệu sẽ được thực hiện với tín hiệu đầu vào điều biến bên ngoài thích hợp để chất lượng của dữ liệu cuộc gọi được giám sát. Việc đánh giá chế độ truyền dữ liệu quy định trong Phụ lục B.
2.4. Đánh giá chỉ tiêu
2.4.1. Quy định chung
Áp dụng B.1 trong QCVN 18:2014/BTTTT. Ngoài ra có bổ sung thêm một số yêu cầu sau:
- Độ rộng băng của bộ lọc IF ngay trước bộ điều chế trong Phụ lục B của QCVN 18:2014/BTTTT không áp dụng cho các thiết bị vô tuyến trong phạm vi của quy chuẩn này.
2.4.2. Thiết bị có thể cung cấp kết nối thông tin liên tục
2.4.2.1. Thiết bị GSM và DCS có mạch thoại tương tự
Áp dụng B.2 trong QCVN 18:2014/BTTTT.
Chất lượng thiết bị hỗ trợ các cuộc gọi thoại và dữ liệu được đánh giá dựa trên cuộc gọi thoại.
2.4.2.2. Thiết bị GSM và DCS không có mạch thoại tương tự
Áp dụng B.2 trong QCVN 18:2014/BTTTT.
Việc đánh giá chất lượng thiết bị do nhà sản xuất quy định.
2.4.3. Thiết bị không thể cung cấp kết nối thông tin liên tục
Áp dụng B.3 trong QCVN 18:2014/BTTTT.
2.4.4. Thiết bị phụ trợ
2.4.4.1. Thiết bị phụ trợ GSM và DCS
Áp dụng B.4 trong QCVN 18:2014/BTTTT. Ngoài ra có bổ sung thêm một số yêu cầu sau:
- Đối với các phép đo phát xạ trên máy phát được thực hiện cùng với thiết bị phụ trợ kết hợp, các phát xạ bức xạ từ máy phát sẽ được bỏ qua.
2.4.4.2. Thiết bị phụ trợ CDMA trải phổ trực tiếp (UTRA và E-UTRA)
Áp dụng B.4 trong QCVN 18:2014/BTTTT. Ngoài ra có bổ sung thêm một số yêu cầu sau:
- Thiết bị phụ trợ được kiểm tra đấu nối đến một UE phải tuân thủ các quy định trong quy chuẩn này.
2.4.5. Phân loại thiết bị
Áp dụng B.4 trong QCVN 18:2014/BTTTT. Ngoài ra có bổ sung thêm một số yêu cầu đối với thiết bị GSM và DSC như sau:
- Các thiết bị cầm tay, di động hoặc kết hợp cả hai loại trên khi được sử dụng kết hợp với một nguồn sạc từ nguồn AC sẽ bổ sung vào việc thực hiện các yêu cầu của thiết bị vô tuyến và phụ trợ được sử dụng cho mục đích cố định.
2.5. Tiêu chí chất lượng
2.5.1. Tiêu chí chất lượng hệ thống GSM và DCS
2.5.1.1. Quy định chung
Thiết bị phải đáp ứng các chỉ tiêu chất lượng được quy định từ 2.5.1.2 đến 2.5.1.4.
Nếu thiết bị cầm tay sử dụng nguồn là pin áp dụng 2.1 và 2.2 trong QCVN 18:2014/BTTTT cho các thiết bị di động.
Nếu thiết bị cầm tay hoặc di động sử dụng nguồn AC áp dụng 2.1 và 2.2 trong QCVN 18:2014/BTTTT cho các thiết bị vô tuyến và phụ trợ sử dụng cố định.
Việc thiết lập và duy trì một liên kết, đánh giá RXQUAL, và đánh giá những điểm ngắt quãng âm thanh bằng việc giám sát mức tín hiệu đầu ra thoại, được sử dụng là tiêu chí đánh giá để đảm bảo toàn bộ các chức năng cơ bản của thiết bị được đánh giá trong quá trình đo. Việc đo kiểm cũng sẽ được thực hiện tại chế độ rỗi để đảm bảo máy phát không hoạt động không chủ định.
Việc duy trì một liên kết được đánh giá qua thiết bị đo là một thành phần của hệ thống đo hoặc EUT.
Khi thiết bị có bản chất đặc biệt và các tiêu chí chất lượng được quy định trong các mục dưới đây không phù hợp thì nhà sản xuất thiết bị phải công bố một bản đặc tính kỹ thuật thay thế cho mức chất lượng hoặc sự suy giảm chất lượng có thể chấp nhận được. Phải ghi lại bản đặc tính kỹ thuật này trong báo cáo đo và tài liệu mô tả thiết bị và tài liệu đi kèm thiết bị.
Các tiêu chí chất lượng do nhà sản xuất thiết bị công bố phải đảm bảo mức bảo vệ miễn nhiễm giống với các tiêu chí được quy định trong các mục sau đây.
2.5.1.2. Tiêu chí chất lượng đối với hiện tượng liên tục áp dụng cho máy phát (CT)
Một liên kết thông tin phải được thiết lập từ đầu bài đo, xem 2.3.2.
Trong khi đo kiểm, đầu ra thoại đường lên có giá trị nhỏ nhất là 35 dB, nhỏ hơn các mức chuẩn được ghi lại trước đó, khi được đo bằng bộ lọc băng thông thoại độ rộng 200 Hz, tại điểm giữa 1 kHz (kiểm tra điểm ngắt thoại).
CHÚ THÍCH: Khi mức độ tạp âm cao thì bộ lọc băng thông có thể được giảm đến mức 40 Hz.
Theo kết quả của các bài đo tổng hợp, EUT phải hoạt động có chủ định mà không làm giảm chức năng giám sát người dùng hoặc lưu trữ dữ liệu như quy định của nhà sản xuất và liên kết thông tin phải được duy trì. Ngoài ra để xác định chỉ tiêu kỹ thuật trong suốt cuộc gọi, bài đo phải tiến hành trong chế độ rỗi và máy phát phải không hoạt động ngoài mong muốn.
2.5.1.3. Tiêu chí chất lượng đối với hiện tượng đột biến áp dụng cho máy phát (TT)
Một liên kết thông tin phải được thiết lập từ đầu bài đo, xem 2.3.2.
Đối với mỗi kết luận về sự phơi nhiễm thì EUT sẽ hoạt động không có suy hao của liên kết.
Theo kết quả tổng hợp đo kiểm bao gồm hàng loạt các phơi nhiễm riêng, EUT phải hoạt động không có suy hao đối với các chức năng điều khiển của người sử dụng hoặc dữ liệu được lưu trữ như quy định của nhà sản xuất và liên kết thông tin phải được duy trì.
Ngoài ra để xác định chỉ tiêu kỹ thuật trên trong suốt quá trình cuộc gọi, bài đo phải tiến hành trong chế độ rỗi và máy phát phải không hoạt động ngoài mong muốn.
2.5.1.4. Tiêu chí chất lượng đối với hiện tượng liên tục áp dụng cho máy thu (CR)
Một liên kết thông tin phải được thiết lập từ đầu bài đo, xem 2.3.2.
Trong quá trình đo, RXQUAL của đường xuống không được vượt quá 3 được đo trong suốt quá trình phơi nhiễm của chuỗi các bài đo.
Trong quá trình đo, mức đầu ra thoại của đường xuống là 35 dB, nhỏ hơn mức chuẩn được ghi lại trước đó, khi thực hiện đo dùng bộ lọc băng thông thoại với độ rộng 200 Hz, tại điểm giữa 1 kHz (kiểm tra điểm ngắt thoại).
CHÚ THÍCH: Khi mức độ tạp âm cao thì bộ lọc băng thông có thể được giảm đến mức 40 Hz.
Theo kết quả tổng hợp đo kiểm bao gồm hàng loạt các tiếp xúc riêng, EUT phải hoạt động mà không làm giảm chức năng giám sát người dùng hoặc lưu trữ dữ liệu như quy định của nhà sản xuất và liên kết thông tin phải được duy trì.
2.5.1.5. Tiêu chí chất lượng đối với hiện tượng đột biến áp dụng cho máy thu (TR)
Một liên kết thông tin phải được thiết lập từ đầu bài đo, xem 2.3.2.
Kết quả đo mỗi phơi nhiễm phải trong điều kiện EUT đang hoạt động không bị suy hao hoặc mất kết nối.
Theo kết quả tổng hợp đo kiểm bao gồm hàng loạt các phơi nhiễm riêng lẻ, EUT phải hoạt động bình thường (không làm giảm chức năng giám sát người dùng hoặc dữ liệu được lưu trữ theo như quy định của nhà sản xuất và liên kết phải được duy trì).
2.5.1.6. Tiêu chí chất lượng đối với thiết bị phụ trợ được kiểm tra độc lập
Áp dụng C.4 trong QCVN 18:2014/BTTTT
2.5.2. Tiêu chí chất lượng hệ thống CDMA trải phổ trực tiếp (UTRA và E-UTRA)
2.5.2.1. Quy định chung
Thiết bị phải đáp ứng các chỉ tiêu chất lượng tối thiếu được quy định từ mục 2.5.2.2 đến 2.5.2.3.
Việc duy trì một liên kết được đánh giá qua một thiết bị đo là một phần trong hệ thống kiểm tra hoặc EUT.
Khi thiết bị có bản chất đặc biệt và các tiêu chí chất lượng được quy định trong các mục dưới đây không phù hợp thì nhà sản xuất thiết bị phải công bố một bản đặc tính kỹ thuật thay thế cho mức chất lượng hoặc sự suy giảm chất lượng có thể chấp nhận được. Phải ghi lại bản đặc tính kỹ thuật này trong báo cáo đo và tài liệu mô tả thiết bị và tài liệu đi kèm thiết bị.
Các tiêu chí chất lượng do nhà sản xuất thiết bị quy định phải đảm bảo mức bảo vệ miễn nhiễm giống với các tiêu chí được quy định trong các mục sau đây.
Việc đo kiểm cũng sẽ được thực hiện tại chế độ rỗi để đảm bảo rằng máy phát không hoạt động không có chủ định.
2.5.2.2. Tiêu chí chất lượng đối với hiện tượng liên tục
2.5.2.2.1. Quy định chung
Một kênh liên lạc phải được thiết lập từ đầu bài đo và được duy trì trong quá trình đo.
Trong chế độ thoại, tiêu chí chất lượng cho các mức đầu ra thoại đường lên và đường xuống có giá trị nhỏ nhất là 35 dB, nhỏ hơn mức chuẩn được ghi lại trước đó, khi được đo bằng bộ lọc băng thông thoại độ rộng 200 Hz, tại điểm giữa 1 kHz (quy định trong Phụ lục A).
CHÚ THÍCH: Khi mức độ tạp âm cao thì bộ lọc băng thông có thể được giảm đến mức tối 40 Hz.
Theo kết quả của các bài đo tổng hợp, EUT phải hoạt động như chủ định mà không làm giảm chức năng giám sát người dùng hoặc lưu trữ dữ liệu như tuyên bố của nhà sản xuất và kênh liên lạc phải được duy trì.
Ngoài ra để xác định chỉ tiêu kỹ thuật trong suốt cuộc gọi, bài đo phải tiến hành trong chế độ rỗi và máy phát phải không hoạt động ngoài mong muốn.
2.5.2.2.2. UTRA
Trong chế độ truyền dữ liệu, tiêu chí chất lượng có thể là một trong các tiêu chí sau:
- Nếu BER (quy định trong ETSI TS 134 109) được sử dụng, tiêu chí này không vượt quá 0,001 trong suốt quá trình đo kiểm;
- Nếu BLER (quy định trong ETSI TS 134 109) được sử dụng, tiêu chí này không vượt quá 0,01 trong suốt quá trình đo kiểm.
Việc tính toán giá trị BLER dựa trên đánh giá CRC trên mỗi khối truyền tải.
2.5.2.2.3. E-UTRA
Trong chế độ truyền dữ liệu, chỉ tiêu chất lượng thỏa mãn khi thông lượng lớn hơn hoặc bằng 95% thông lượng lớn nhất trên kênh đo chuẩn quy định trong Phụ lục C của ETSI TS 136 101 với các thông số quy định trong Bảng 7.3.1-1 và 7.3.1-2 của ETSI TS 136 101, trong suốt quá trình đo kiểm.
2.5.2.3. Tiêu chí chất lượng đối với hiện tượng đột biến
Một liên kết thông tin phải được thiết lập từ đầu bài đo, xem mục 2.3.1 và 2.3.2.
Kết quả đo mỗi phơi nhiễm phải trong điều kiện EUT đang hoạt động không bị suy hao hoặc mất kết nối.
Theo kết quả tổng hợp đo kiểm bao gồm hàng loạt các phơi nhiễm riêng lẻ, EUT phải hoạt động bình thường (không làm giảm chức năng giám sát người dùng hoặc dữ liệu được lưu trữ theo như công bố của nhà sản xuất và liên kết phải được duy trì).
Ngoài ra để xác định chỉ tiêu kỹ thuật trong suốt cuộc gọi, bài đo phải tiến hành trong chế độ rỗi và máy phát phải không hoạt động ngoài mong muốn.
3. QUY ĐỊNH VỀ QUẢN LÝ
3.1. Các thiết bị thuộc phạm vi điều chỉnh quy định tại mục 1.1 của quy chuẩn này phải tuân thủ các quy định kỹ thuật của quy chuẩn này và phải thực hiện công bố hợp quy theo quy chuẩn này.
3.2. Đối với thiết bị đầu cuối thông tin di động GSM, quy chuẩn này được áp dụng thay cho QCVN 86:2015/BTTTT để thực hiện các quy định của Bộ Thông tin và Truyền thông về công bố hợp quy.
3.3. Đối với thiết bị đầu cuối thông tin di động W-CDMA FDD và thiết bị đầu cuối thông tin di động E-UTRA FDD, quy chuẩn này được áp dụng thay cho QCVN 18:2014/BTTTT để thực hiện các quy định của Bộ Thông tin và Truyền thông về công bố hợp quy.
4. TRÁCH NHIỆM CỦA TỔ CHỨC, CÁ NHÂN
Các tổ chức, cá nhân liên quan có trách nhiệm thực hiện các quy định về công bố hợp quy các thiết bị thuộc phạm vi điều chỉnh của quy chuẩn này và chịu sự kiểm tra của cơ quan quản lý nhà nước theo các quy định hiện hành.
5. TỔ CHỨC THỰC HIỆN
5.1. Cục Viễn thông, Cục Tần số vô tuyến điện và các Sở Thông tin và Truyền thông có trách nhiệm tổ chức hướng dẫn triển khai quản lý các thiết bị vô tuyến theo quy chuẩn này.
5.2. Trong trường hợp các quy định nêu trong quy chuẩn này có sửa đổi, bổ sung hoặc được thay thế thì việc thực hiện tuân thủ theo các quy định tại văn bản ban hành các sửa đổi, bổ sung, thay thế đó.
5.3. Trong quá trình triển khai thực hiện quy chuẩn này, nếu có vấn đề phát sinh, vướng mắc, các tổ chức và cá nhân có liên quan phản ánh bằng văn bản về Bộ Thông tin và Truyền thông (Vụ Khoa học và Công nghệ) để được hướng dẫn, giải quyết./.
Phụ lục A
(Quy định)
Đánh giá chỉ tiêu cuộc gọi thoại, điểm ngắt thoại cho hệ thống CDMA trải phổ trực tiếp
A.1. Hiệu chuẩn các ngưỡng âm thanh
Đối với thiết bị cầm tay, hiệu chuẩn âm thanh được quy định như sau:
Thiết lập âm lượng của EUT tại ngưỡng âm thanh danh định do nhà sản xuất công bố. Nếu không có quy định cụ thể, âm lượng trung tâm sẽ được thiết lập.
Ngưỡng tín hiệu đầu ra thoại chuẩn trên cả hai tuyến đường xuống và đường lên sẽ được ghi lại trên thiết bị đo. Mô hình đo tín hiệu đầu ra như trong Hình A.1. Ngưỡng chuẩn này tương đương giá trị SPL của 0 dBPa tại tần số 1 kHz tại đầu vào bộ ghép âm như quy định trong ETR 027 đối với đường xuống và -5 dBPa tại tần số 1 kHz tại MRP theo quy định trong ITU-T P.64 đối với đường lên.
CHÚ THÍCH 1: MRP được quy định dùng cho đầu nhân tạo được định nghĩa trong ITU 76. Thiết bị đầu cuối cầm tay phải được gắn tại tai giữa của đầu nhân tạo.
CHÚ THÍCH 2: Nếu thiết bị không bao gồm bộ chuyển đổi âm thanh (ví dụ microphone hoặc loa ngoài) thì các ngưỡng chuẩn về điện tương đương do nhà sản xuất công bố.
Bộ xử lý thoại thường áp dụng các thuật toán để khử tạp âm và tiếng vọng để cố gắng loại bỏ và giảm đi các tín hiệu âm thanh ở trạng thái bão hòa, ví dụ, các tín hiệu hiệu chuẩn 1 Khz. Các thuật toán này có thể không được kích hoạt trong suốt thủ tục hiệu chuẩn. Các yêu cầu đo do một phần mềm đo chuyên dụng thực hiện. Nếu thuật toán này được kích hoạt thì ngưỡng chuẩn của tín hiệu đầu ra âm thanh phải được đo bằng phương pháp tách sóng giữ giá trị cực đại trên dụng cụ đo ngưỡng âm thanh để xác định ngưỡng này trước khi các thuật toán triệt tạp âm và tiếng vọng có tác dụng.
Thông thường việc hiệu chuẩn không tiến hành các hiệu chỉnh đối với mức chuẩn đường lên, nhà sản xuất sẽ định rõ khoảng cách giữa MRP và tai nghe.

Hình A.1. Phép đo điểm ngắt thoại, thiết lập hiệu chuẩn cho thiết bị cầm tay
CHÚ THÍCH: EUT đặt tại một vị trí trong suốt thủ tục hiệu chuẩn đường lên. Nhưng trong thủ tục hiệu chuẩn đường xuống, EUT được thay thế bằng một nguồn âm thanh đo 1 kHz. Trong suốt thủ tục hiệu chuẩn đường lên, vị trí của miệng loa EUT và MRP phải được đặt tùy theo mục đích đo.
A.2. Phép đo các ngưỡng âm thanh
Khi các mức âm được đo trong quá trình kiểm tra, phần mềm EUT sẽ được thiết lập cho các ứng dụng thoại. Nếu các thuật toán khử nhiễu và tiếng vọng được kích hoạt, mức âm thanh phải được đo bằng phương pháp tách sóng giữ cực đại trên dụng cụ đo ngưỡng âm thanh để xác định ngưỡng này trước khi các thuật toán khử nhiễu và tiếng vọng có tác dụng.
Mức tín hiệu đầu ra từ kênh thoại đường xuống của EUT tại thiết bị di động hoặc tai nghe của thiết bị cầm tay sẽ được đánh giá bằng cách đo Mức Áp suất Âm (SPL) như trong Hình A.2. Khi dùng một loa bên ngoài, bộ nối âm sẽ được cố định với loa tại vị trí dùng trong suốt quá trình hiệu chuẩn. Mức tín hiệu đầu ra giải mã từ kênh thoại đường lên của EUT tại đầu ra tương tự của hệ thống đo sẽ được đo. Mức nhiễu nền thu được bằng microphone của EUT phải là giá trị nhỏ nhất.
CHÚ THÍCH: Nếu thiết bị được thiết kế để sử dụng với các bộ chuyển đổi bên ngoài, thì cấu hình đo phải bao gồm các bộ chuyển đổi này. Nếu thiết bị không bao gồm các bộ chuyển đổi âm, điện áp đường dây trên một trở kháng cuối quy định sẽ được đo.

Hình A.2. Phép đo điểm ngắt thoại, thiết lập đo cho thiết bị cầm tay
Phụ lục B
(Quy định)
Đánh giá chỉ tiêu cuộc gọi truyền dữ liệu, tỷ lệ lỗi cho hệ thống CDMA trải phổ trực tiếp
B.1.
Hiệu chuẩn truyền dữ liệu
B.1.1. UTRA
Đối với EUT, hiệu chuẩn truyền dữ liệu có thể tiến hành bằng cách đánh giá tỷ lệ lỗi bít (BER), tỷ lệ lỗi khối (BLER) hoặc tỷ lệ lỗi dữ liệu người sử dụng cuối trước khi áp dụng tín hiệu đo miễn nhiễm RF.
B.1.2. E-UTRA
Đối với EUT, hiệu chuẩn truyền dữ liệu có thể tiến hành bằng cách đánh giá tỷ lệ phần trăm thông lượng trước khi áp dụng tín hiệu đo miễn nhiễm RF.
B.2. Đánh giá truyền dữ liệu
B.2.1. Định nghĩa các tỷ lệ lỗi UTRA
Nhà sản xuất cung cấp các phương pháp tính tỷ lệ lỗi. Các mẫu dữ liệu được truyền hai chiều theo phương pháp end-to-end (tiến hành với toàn bộ dữ liệu UL và DL). Việc đánh giá chỉ tiêu được tiến hành tại mỗi bước tần số. Kết quả của tỷ lệ lỗi là tỷ số giữa dữ liệu nhận được và dữ liệu thu được.
Các mẫu dữ liệu phải có độ dài đủ lớn để cho các kết quả hợp lệ và tương đương tỷ lệ bít kênh được sử dụng.
Các mẫu dữ liệu phải khả thi trong việc đánh giá tỷ lệ lỗi BER, BLER và dữ liệu người dùng và được quy định trong ETSI TS 134 109.
Các mẫu dữ liệu trong các phép đo BER và BLER do nhà sản xuất công bố.
VÍ DỤ: Trong trường hợp, EUT là tổ hợp của UE có ứng dụng dữ liệu và phụ trợ ứng dụng dữ liệu của nó nhưng EUT này không hỗ trợ chức năng vòng lặp ngược, có thể đánh giá BER hoặc BLER theo quy định trong ETSI TS 134 109. Tuy nhiên, phụ trợ ứng dụng dữ liệu không sử dụng thực hiện đo kiểm, vòng lặp truyền dữ liệu không phải là end-to-end.
Đặc tính dữ liệu người dùng cuối sử dụng cho đo kiểm bao gồm định dạng, kích thước, tỷ lệ thông lượng dữ liệu điển hình, sự hiệu chỉnh lỗi,… và thiết bị cần đo kiểm phải đáp ứng đầy đủ cho các đánh giá EUT.
Công thức tính giá trị người dùng cuối được xác định như sau:
|
Tỷ lệ lỗi |
= |
sai số (bit, byte, ký hiệu,....) |
x 100 |
= |
n% |
|
tổng số (bit, byte, ký hiệu,...) |
(Trong trường hợp tỷ lệ lỗi cao, đo kiểm phải đảm bảo lỗi này là một hệ quả của đo kiểm EMC).
B.2.2. Định nghĩa tỷ lệ phần trăm thông lượng E-UTRA
Các mẫu dữ liệu được truyền hai chiều theo phương pháp end-to-end (tiến hành với toàn bộ dữ liệu UL và DL). Việc đánh giá chỉ tiêu được tiến hành tại mỗi bước tần số. Kết quả của tỷ lệ phần trăm thông lượng là tỷ số giữa thông lượng đạt được và thông lượng lớn nhất.
Các mẫu dữ liệu phải có độ dài đủ lớn để cho các kết quả hợp lệ và tương đương tỷ lệ bít kênh được sử dụng.
B.3. EUT không dùng phụ trợ có ứng dụng dữ liệu
Các thiết bị giám sát dữ liệu là một phần của hệ thống đo và do nhà sản xuất bố trí, nếu cần thiết, thiết bị giám sát dữ liệu được ghép bằng cách sử dụng một phương pháp nào đó không gây ảnh hưởng đến trường điện từ bức xạ (ví dụ sóng siêu âm hoặc quang học).

Hình B.1. Đánh giá thông lượng, thiết lập đo cho EUT không dùng phụ trợ có ứng dụng dữ liệu
B.4. EUT dùng phụ trợ có ứng dụng dữ liệu
Các thiết bị giám sát dữ liệu là một phần của hệ thống đo. Các thiết bị phụ trợ ứng dụng dữ liệu phải là một phần của vòng truyền dữ liệu (UL và DL) và được chứa trong cấu hình EUT.

Hình B.2. Đánh giá thông lượng, thiết lập đo cho EUT dùng phụ trợ có ứng dụng dữ liệu
Phụ lục C
(Tham khảo)
Các loại thiết bị đầu cuối di động và phụ trợ
C.1.
Thiết bị đầu cuối di động và phụ trợ trong hệ thống thông tin di động GSM 900 MHz và DCS 1800 MHz Pha 1, Pha 2 và Pha 2+
Các loại thiết bị đầu cuối di động và phụ trợ trong hệ thống thông tin di động GSM 900 MHz và DCS 1800 MHz Pha 1, Pha 2 và Pha 2+ được định nghĩa trong:
- ETSI I-ETS 300 034-1 cho thiết bị GSM 900 Pha 1
- ETSI I-ETS 300 034-2 cho thiết bị DCS 1800 Pha 1; hoặc
- ETSI ETS 300 578 cho thiết bị GSM 900 Pha 2 hoặc DCS 1800 Pha 2;
- ETSI TS 100 911 cho thiết bị GSM 900 Pha 2+ hoặc DCS 1800 Pha 2+.
C.2. Thiết bị đầu cuối di động và phụ trợ trong hệ thống thông tin di động IMT-2000 CDMA trải phổ trực tiếp (UTRA)
Thiết bị đầu cuối di động và phụ trợ trong hệ thống thông tin di động IMT 2000 CDMA trải phổ trực tiếp (UTRA) được định nghĩa trong:
- ETSI TS 125 101 và ETSI TS 125 102.
C.3. Thiết bị đầu cuối di động và phụ trợ E-UTRA
Thiết bị đầu cuối di động và phụ trợ E-UTRA được định nghĩa trong:
- ETSI TS 136 101.
Thư mục tài liệu tham khảo
[1] ETSI EN 301 489-52 V1.1.0 (2016-11) Electromagnetic Compatibility (EMC) standard for radio equipment and services; Part 52: Specific conditions for Cellular Communication Mobile and portable (UE) radio and ancillary equipment; Harmonised Standard covering the essential requirements of article 3.1(b) of Directive 2014/53/EU.
1.4.13. Thiết bị đầu cuối/thiết bị người dùng (UE) (user equipment (UE))
Trạm di động có khả năng truy nhập một tập các dịch vụ di động thông qua một hoặc nhiều giao diện vô tuyến.
CHÚ THÍCH: Thiết bị có thể cố định hoặc di chuyển trong vùng có dịch vụ di động trong khi truy nhập các dịch vụ di động, và có thể phục vụ đồng thời một hoặc nhiều người dùng.
1.4.9. Băng thông cần thiết (necessary bandwidth)
Độ rộng của băng tần số đủ để đảm bảo sự truyền dẫn thông tin ở tốc độ và chất lượng yêu cầu trong điều kiện xác định.
1.4. Giải thích từ ngữ
Bạn chưa Đăng nhập thành viên.
Đây là tiện ích dành cho tài khoản thành viên. Vui lòng Đăng nhập để xem chi tiết. Nếu chưa có tài khoản, vui lòng Đăng ký tại đây!
Bạn chưa Đăng nhập thành viên.
Đây là tiện ích dành cho tài khoản thành viên. Vui lòng Đăng nhập để xem chi tiết. Nếu chưa có tài khoản, vui lòng Đăng ký tại đây!