- Tổng quan
- Nội dung
- VB gốc
- Tiếng Anh
- Hiệu lực
- VB liên quan
- Lược đồ
-
Nội dung hợp nhất
Tính năng này chỉ có tại LuatVietnam.vn. Nội dung hợp nhất tổng hợp lại tất cả các quy định còn hiệu lực của văn bản gốc và các văn bản sửa đổi, bổ sung, đính chính... trên một trang. Việc hợp nhất văn bản gốc và những văn bản, Thông tư, Nghị định hướng dẫn khác không làm thay đổi thứ tự điều khoản, nội dung.
Khách hàng chỉ cần xem Nội dung hợp nhất là có thể nắm bắt toàn bộ quy định hiện hành đang áp dụng, cho dù văn bản gốc đã qua nhiều lần chỉnh sửa, bổ sung.
- Tải về
Thông tư 28/2009/TT-BXD của Bộ Xây dựng ban hành Quy chuẩn kỹ thuật quốc gia về công trình ngầm đô thị (Phần 1. Tầu điện ngầm; Phần 2. Ga ra ô tô)
| Cơ quan ban hành: | Bộ Xây dựng |
Số công báo:
Số công báo là mã số ấn phẩm được đăng chính thức trên ấn phẩm thông tin của Nhà nước. Mã số này do Chính phủ thống nhất quản lý.
|
Đã biết
|
| Số hiệu: | 28/2009/TT-BXD | Ngày đăng công báo: |
Đã biết
|
| Loại văn bản: | Thông tư | Người ký: | Cao Lại Quang |
|
Ngày ban hành:
Ngày ban hành là ngày, tháng, năm văn bản được thông qua hoặc ký ban hành.
|
14/08/2009 |
Ngày hết hiệu lực:
Ngày hết hiệu lực là ngày, tháng, năm văn bản chính thức không còn hiệu lực (áp dụng).
|
Đã biết
|
|
Áp dụng:
Ngày áp dụng là ngày, tháng, năm văn bản chính thức có hiệu lực (áp dụng).
|
Đã biết
|
Tình trạng hiệu lực:
Cho biết trạng thái hiệu lực của văn bản đang tra cứu: Chưa áp dụng, Còn hiệu lực, Hết hiệu lực, Hết hiệu lực 1 phần; Đã sửa đổi, Đính chính hay Không còn phù hợp,...
|
Đã biết
|
| Lĩnh vực: | Khoa học-Công nghệ, Xây dựng |
TÓM TẮT THÔNG TƯ 28/2009/TT-BXD
Nội dung tóm tắt đang được cập nhật, Quý khách vui lòng quay lại sau!
Tải Thông tư 28/2009/TT-BXD
THÔNG TƯ
CỦA BỘ XÂY DỰNG SỐ 28/2009/TT-BXD NGÀY 14 THÁNG 8 NĂM 2009
BAN HÀNH QUY CHUẨN KỸ THUẬT QUỐC GIA VỀ CÔNG TRÌNH NGẦM ĐÔ THỊ (PHẦN 1. TẦU ĐIỆN NGẦM; PHẦN 2. GA RA Ô TÔ)
BỘ TRƯỞNG BỘ XÂY DỰNG
Căn cứ Luật Tiêu chuẩn và Quy chuẩn kỹ thuật số 68/2006/QH11 ngày 29/6/2006;
Căn cứ Nghị định số 41/2007/NĐ-CP ngày 22/3/2007 của Chính phủ Về xây dựng ngầm đô thị;
Căn cứ Nghị định số 127/2007/NĐ-CP ngày 01/8/2007 của Chính phủ quy định chi tiết thi hành một số điều của Luật Tiêu chuẩn và Quy chuẩn kỹ thuật;
Căn cứ Nghị định số 17/2008/NĐ-CP ngày 04/02/2008 của Chính phủ quy định chức năng, nhiệm vụ, quyền hạn và cơ cấu tổ chức của Bộ Xây dựng;
Xét đề nghị của Vụ trưởng Vụ khoa học Công nghệ và Môi trường, Vụ trưởng Vụ Pháp chế,
QUY ĐỊNH:
Điều 1. Ban hành Quy chuẩn kỹ thuật quốc gia về công trình ngầm đô thị mang mã số QCVN 08:2009/BXD:
- Phần 1. Tầu điện ngầm;
- Phần 2. Ga ra ô tô.
Điều 2. Thông tư này có hiệu lực thi hành kể từ ngày 01/10/2009.
Điều 3. Bộ trưởng, Thủ trưởng cơ quan ngang Bộ, cơ quan thuộc Chính phủ, Chủ tịch Uỷ ban nhân dân các tỉnh, thành phố trực thuộc Trung ương và các tổ chức, cá nhân có liên quan chịu trách nhiệm thi hành Thông tư này./.
KT.BỘ TRƯỞNG
THỨ TRƯỞNG
Cao Lại Quang
Phần 1 Quy chuẩn QCVN 08:2009/BXD được thay thế bởi Quy chuẩn QCVN 08:2018/BXD theo quy định tại Điều 2 Thông tư số 11/2018/TT-BXD

CỘNG HÒA XÃ HỘI CHỦ NGHĨA VIỆT NAM
QCVN 08 : 2009/BXD
QUY CHUẨN KỸ THUẬT QUỐC GIA
CÔNG TRÌNH NGẦM ĐÔ THỊ
PHẦN 1. TẦU ĐIỆN NGẦM
Vietnam Building Code for Urban Underground Structures
Part 1. The Underground
HÀ NỘI – 2009
Lời nói đầu
|
QCVN 08 : 2009/BXD do Viện Khoa học Công nghệ Xây dựng biên soạn, Vụ Khoa học Công nghệ trình và Môi trường duyệt và được ban hành theo Thông tư số: ........./2009/TT-BXD ngày ....... tháng ...... năm 2009 của Bộ trưởng Bộ Xây dựng. Quy chuẩn QCVN 08 : 2009/BXD bao gồm các phần: Phần 1. Tầu điện ngầm; Phần 2. Gara ôtô.
|
1. Phạm vi áp dụng
Quy chuẩn này bao gồm các quy định bắt buộc áp dụng trong việc: lập, thẩm định, phê duyệt các dự án đầu tư xây dựng công trình tầu điện ngầm; thiết kế, xây dựng và cải tạo các tuyến đường, các hạng mục công trình riêng lẻ và các trang thiết bị của tầu điện ngầm.
2 Giải thích từ ngữ
Các thuật ngữ sử dụng trong quy chuẩn này được trình bày trong Phụ lục A.
3. Qui định chung
3.1 Công trình tầu điện ngầm phải đảm bảo vận chuyển hành khách an toàn, đáp ứng các yêu cầu của tiêu chuẩn về: vệ sinh dịch tễ; an toàn lao động cho nhân viên vận hành; bảo vệ môi trường xung quanh và phòng chống cháy.
3.2 Các tuyến tầu điện ngầm phải được xây dựng trên cơ sở sơ đồ phát triển tổng thể của tất cả các loại hình giao thông đô thị, sơ đồ phát triển đã được duyệt của tầu điện ngầm về hướng tuyến, độ dài, vị trí các nhà ga, trạm đầu mối, các nhà hành chính, các xưởng sản xuất, các kết nối với các đường của mạng đường sắt chung và phù hợp với quy hoạch xây dựng đô thị.
3.3 Các nhà ga phải được bố trí tại các trung tâm của vùng có nhiều hành khách, gần các nhà ga đường sắt, các bến ôtô buýt, các bến tầu thủy và các địa điểm tập trung đông người khác của thành phố.
Khi giữa các nhà ga liền kề có khoảng cách từ 3000 m trở lên, thì ở giữa đoạn đường này cần có lối thoát bổ sung cho hành khách từ đường hầm lên mặt đất hoặc vào một vùng bảo vệ tập thể hành khách.
3.4 Các tuyến tầu điện ngầm về nguyên tắc cần được đặt ngầm, nông hoặc sâu. Khi cắt ngang sông hồ, qua các khu vực không co dân cư, dọc theo các tuyến đường sắt ..., có thể đặt các đoạn nổi trên mặt đất, trên cao trong các hành lang kín hoặc hở.
3.5 Không cho phép xây dựng các tuyến hầm đặt nông, thi công đào mở trên các khu đất bảo tồn, rừng cấm, vườn thực vật, công viên lâm học, công viên rừng và trong các vùng bảo vệ của các di tích lịch sử, văn hóa.
3.6 Để đảm bảo xây dựng các đoạn tuyến hầm đặt nông, phải bố trí các vùng kỹ thuật chiều rộng không nhỏ hơn 40 m. Không cho phép thi công các nhà trong các vùng kỹ thuật này trước khi hoàn thành xây dựng các công trình của tầu điện ngầm.
3.7 Việc đặt các hệ thống kỹ thuật ngầm (đường điện, nước....), trồng cây và bố trí các thảm cỏ trong các vùng kỹ thuật cũng như xây dựng ở giải đất rộng 30 m liền kề hai bên ranh giới các vùng kỹ thuật cần phải có sự đồng ý của cơ quan thiết kế tàu điện ngầm.
3.8 Các vị trí giao cắt giữa các tuyến tầu điện ngầm với nhau và với các tuyến đường của các loại hình giao thông khác phải được đặt ở các mức khác nhau.
Tại các vị trí giao cắt của các tuyến đường cần có các đường nhánh nối một chiều.
3.9 Mỗi tuyến tầu điện ngầm phải bố trí chạy tầu độc lập. Tại các nút giao thông phức tạp, cho phép liên kết giữa các tuyến và tổ chức chạy tầu theo hành trình.
3.10 Các tuyến đường tàu điện ngầm phải là đường đôi, hướng đi bên phải.
Mỗi tuyến đường phải có trạm đầu mối, đoạn đường cụt và trạm phục vụ kỹ thuật toa xe.
3.11 Tuyến tầu điện ngầm đầu tiên phải được kết nối với các đường trong mạng đường sắt chung. Khi tăng mạng lưới tầu điện ngầm, cứ mỗi 50 km cần có thêm một kết nối bổ sung với các đường trong mạng đường sắt chung.
3.12 Khi thiết kế đường tầu điện ngầm, cần sử dụng tối đa không gian ngầm để bố trí các công trình hạ tầng đô thị.
3.13 Các thông số cơ bản của các công trình và các trang thiết bị của tuyến đường phải đảm bảo năng lực vận chuyển luợng hành khách tính toán lớn nhất ở các giai đoạn khai thác như sau:
Giai đoạn 1: từ năm thứ nhất đến năm thứ 10;
Giai đoạn 2: từ năm thứ 10 đến năm thứ 20;
Giai đoạn 3: theo thời gian khai thác tính toán (hơn 20 năm).
3.14 Kết cấu các lối vào các công trình ngầm phải loại trừ được khả năng tràn nước vào hầm khi lũ, lụt với xác suất vượt mực nước cao nhất 1 lần trong 300 năm.
3.15 Trên các tuyến tầu điện ngầm, phải có các biện pháp bảo vệ các không gian của các nhà ga cũng như của các nhà nằm dọc tuyến khỏi bị ồn, rung khi tàu chạy, khi các thang cuốn và các thiết bị khác của tàu điện ngầm hoạt động.
3.16 Trong công trình tàu điện ngầm cần có các công trình và thiết bị bổ sung để sử dụng cho mục đích phòng thủ.
3.17 Gần các nhà ga phải bố trí các khu vệ sinh công cộng phù hợp với quy hoạch xây dựng đô thị.
3.18 Nhà cho các nhân viên quản lý-điều hành, khai thác, phục vụ điều độ, cho các bộ phận sửa chữa - lắp ráp, y tế và các bộ phận chuyên môn khác cần được bố trí trên mặt đất.
Các bộ phận liên quan trực tiếp đến phục vụ tuyến đường cần được bố trí tại các nhà ga.
3.19 Các khu vực thương mại, gian trưng bày và các hạng mục phục vụ hành khách khác trong công trình tầu điện ngầm không được phép bố trí ở phía dưới của tầng đặt gian bán vé tại tiền sảnh ga.
Các hạng mục công trình này không được cản trở lưu thông, phục vụ hành khách và không được gây tác động bất lợi đối với công nghệ phục vụ của tàu điện ngầm.
3.20 Các giải pháp kỹ thuật và kỹ thuật mới thuộc lĩnh vực xây dựng và khai thác tàu điện ngầm, mà chưa có trong các tài liệu tiêu chuẩn, có thể được áp dụng trước tiên trong khuôn khổ thử nghiệm khoa học được các cơ quan giám định xác nhận, sau đó nếu cần thiết thì điều chỉnh lại tài liệu thiết kế.
3.21 Khi thiết kế, xây dựng và cải tạo các công trình tàu điện ngầm cần đảm bảo các yêu cầu sau:
- Các giải pháp kỹ thuật phải đảm bảo không gây sự cố trong quá trình xây dựng và khai thác công trình;
- Sử dụng các vật liệu, thiết bị, các chế phẩm hiện đại, phù hợp với các tiêu chuẩn, cũng như sử dụng các vật liệu, thiết bị, các chế phẩm được chế tạo theo các tiêu chuẩn nước ngoài có chứng nhận kỹ thuật tương ứng.
- Công nghiệp hoá xây dựng trên cơ sở các phương tiện hiện đại của tổ hợp cơ giới hóa và tự động hóa quá trình thi công, cũng như áp dụng các kết cấu điển hình, chi tiết thiết bị và máy móc đáp ứng các tiêu chuẩn quốc tế;
- Các phương tiện kỹ thuật, giải pháp quy hoạch - không gian công trình ngầm và các điều kiện khai thác phải đảm bảo an toàn cháy, an toàn chạy tàu, an toàn cho hành khách trên tầu, trên thang cuốn, trong thang máy, trên sân ga và trong các đường hầm;
- Các giải pháp kỹ thuật phải đảm bảo tiêu chuẩn vệ sinh, quy định bảo hộ lao động cho công nhân và nhân viên phục vụ trong các giai đoạn xây dựng và khai thác sử dụng;
- Cơ giới hoá và tự động hoá tối đa các quá trình khai thác sử dụng, nâng cao tiên nghi đi lại của hành khách, nâng cao năng suất lao động của nhân viên, tuân thủ các nguyên tắc sinh thái lao động và thẩm mỹ kỹ thuật;
- Có biện pháp thích hợp bảo vệ môi trường xung quanh, di tích lịch sử và văn hoá.
4. Công tác khảo sát xây dựng
4.1 Việc khảo sát xây dựng phải được thực hiện phục vụ cho việc lập dự án đầu tư xây dựng công trình và các bước thiết kế theo quy định.
Nội dung khảo sát phải bao gồm khảo sát địa chất công trình, trắc địa công trình, địa kỹ thuật môi trường và khảo cổ khi cần thiết.
Các kết quả khảo sát phải là cơ sở để xác định các phương pháp thi công hợp lí, loại trừ được các tác động nguy hiểm cho môi trường xung quanh.
Khảo sát xây dựng phải tuân thủ các tiêu chuẩn đồng bộ với hệ thống tiêu chuẩn được lựa chọn áp dụng.
4.2 Trạng thái đất nền phải được điều tra trong phạm vi được xác định có tương tác của thi công và khai thác tuyến tàu điện ngầm và môi trường địa chất. Khi đó, độ sâu khảo sát phải lớn hơn chiều sâu đáy các đường hầm không ít hơn 10 m.
4.3 Các hố khoan thăm dò thực hiện trong quá trình khảo sát phải được lấp đầy toàn trụ.
4.4 Khảo sát địa kỹ thuật môi trường cần phải đảm bảo:
- Đánh giá tổng hợp được các điều kiện tự nhiên và kỹ thuật;
- Dự báo được những biến đổi có thể xảy ra của hệ tự nhiên khi xây dựng và khai thác công trình tàu điện ngầm;
- Đề xuất được giải pháp ngăn ngừa những hậu quả bất lợi đối với môi trường và luận cứ được các giải pháp bảo vệ và khôi phục trạng thái môi trường tự nhiên.
5. Yêu cầu thiết kế
5.1 Khả năng thông tầu và vận chuyển
5.1.1 Khả năng thông tầu của tuyến cần chọn không lớn hơn 40 đoàn tầu trong một giờ.
Để tính toán các thiết bị cấp điện và điểu khiển chạy tầu, khả năng thông tầu cần tăng thêm 20%.
5.1.2 Số lượng tối đa toa tầu trong một đoàn tầu phải được xác định cho từng giai đoạn khai thác.
5.2 Mặt bằng và mặt cắt dọc
5.2.1 Chiều sâu tối thiểu để đặt các công trình ngầm phải đủ để có thể làm 2 trên nó một lớp áo đường.
5.2.2 Các đoạn thẳng của đường tầu khi chuyển làn phải ghép nối với nhau bằng các đường cong tròn và chuyển tiếp.
5.2.3 Trên các đoạn cong của các đường tầu chính và đường tầu nối, ray phía ngoài phải được bố trí cao hơn ray phía trong.
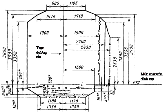
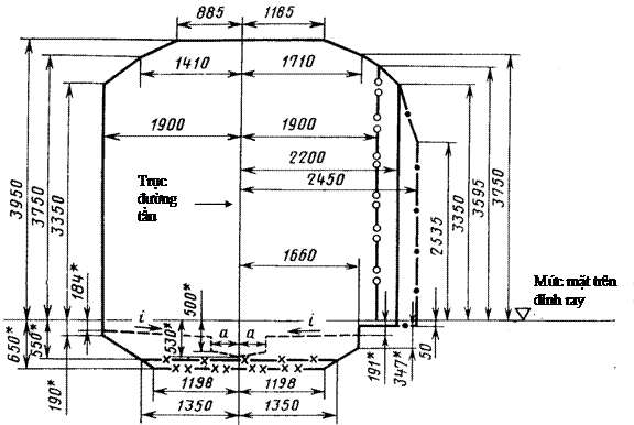
5.2.4 Kích thước bao gần đúng của đường hầm và khoảng cách giữa các trục của các đường ray liền kề lấy theo Phụ lục B.
5.2.5 Độ dốc dọc của các đoạn tuyến ngầm, của các đoạn tuyến kín đặt trên mặt đất và trên cao không được nhỏ hơn 3o/oo và không được lớn hơn 45 o/oo, của các đoạn tuyến hở trên mặt đất và trên cao - không được lớn hơn 35 o/oo.
5.3 Nhà ga
5.3.1 Các nhà ga, trên mặt bằng cần được bố trí ở các đoạn thẳng của tuyến; theo mặt cắt dọc cần được bố trí ở những nơi cao, dốc một chiều với độ dốc bằng 3 o/oo.
Cho phép bố trí các nhà ga tại những đoạn đường cong có bán kính cong không nhỏ hơn 800 m và độ dốc dọc tới 5 o/oo hoặc trên các diện tích bằng phẳng với điều kiện đảm bảo thoát nước.
5.3.2 Nhà ga phải có ít nhất hai tiền sảnh.
5.3.3 Tại các nhà ga và công trình chuyển bến giữa các ga phải có thang cuốn ở các đoạn chênh cao lớn hơn 3,5 m trên đường đi của hành khách.
Số lượng thang cuốn trong nhà ga phải được xác định trên cơ sở đồng thời đảm bảo các điều kiện sau:
- Thông được luồng hành khách tính toán tối đa khi phải giải thoát người từ nhà ga;
- Một thang cuốn phải sửa chữa;
- Dừng một thang cuốn do nguyên nhân không dự kiến trước.
Cùng các điều kiện trên, cần đảm bảo ở một sảnh trong một ga phải có không ít hơn 4 chiếc thang cuốn, ở sảnh khác – theo tính toán, nhưng không ít hơn 3 chiếc.
Ở các công trình chuyển bến không phân luồng hành khách theo các hướng khác nhau, số lượng thang máy phải xác định theo tính toán, nhưng không ít hơn 4 chiếc; khi có phân luồng – theo tính toán, nhưng không ít hơn 2 theo mỗi hướng.
5.3.4 Trong các nhà ga phải có các thang máy, thang nâng, hoặc đường lăn cho người khuyết tật.
Trong các ô thang máy phải bố trí các thang bộ, chiếu sáng thoát hiểm và cấp không khí có áp để khi có hỏa hoạn sử dụng làm lối thoát hiểm cho hành khách và cho các đơn vị chống cháy tiếp cận nhà ga.
5.3.5 Trong các hành lang giữa các nhà ga và trong các đường vượt ngầm dài trên 100m cần phải có băng tải chuyển hành khách.
5.3.6 Trên các ga chuyển tầu, cần phải có sảnh riêng cho mỗi nhà ga. Khi đảm bảo được sự làm việc độc lập của các ga trong thời gian xảy ra hỏa hoạn, tại một trong các ga có thể bố trí một sảnh chung.
5.3.7 Tại các nhà ga cần có các phòng sản xuất, các phòng sinh hoạt cho kỹ thuật viên và các phòng chăm sóc sức khỏe.
5.3.8 Tại các nhà ga đặt sâu và các nhà ga đặt nông khi có thể, cần có các đường hầm cáp đặt các tuyến cáp chính. Các đường hầm cáp này được nối với các công trình gần nhà ga và các đường hầm chạy tầu.
5.3.9 Vật liệu hoàn thiện kiến trúc cho các gian hành khách của nhà ga phải dùng các loại bền lâu, dễ làm sạch.
5.4 Đường hầm chạy tầu, đường hầm nối, các công trình phụ cận đường hầm
5.4.1 Các đường hầm chạy tầu và đường hầm nối phải có kích thước trong đảm bảo thông tàu phù hợp với các yêu cầu trong Phụ lục B, cũng như bố trí được trong nó các thiết bị của đường tầu, các cầu công tác, các thiết bị, đèn chiếu sáng, các cáp thông tin phục vụ và thiết bị khác.
5.4.2 Vị trí và các kích thước trong của các công trình trong đường hầm có chức năng sản xuất, làm các lối ra bổ sung lên mặt đất và vào các vùng bảo vệ tập thể hành khách, cũng như làm đường thông giữa các đường hầm chạy tầu một chiều phải được xác định trên cơ sở công năng của chúng có kể đến các yêu cầu về công nghệ và khai thác, tình trạng xây dựng đô thị và an toàn cháy.
5.4.3 Ở các đoạn hở trên mặt đất của tuyến tầu điện ngầm phải được chiếu sáng và rào kín với chiều cao không dưới 2,5 m.
5.5 Các công trình hạ tầng đô thị
5.5.1 Việc thiết kế tuyến đường tàu điện ngầm phải được thực hiện có kể đến việc khai thác tổng hợp đất đai đô thị, trong sự kết nối các công trình hạ tầng đô thị ngầm và nổi tiếp cận với các nhà ga và đường hầm. Chức năng hoạt động của các công trình này không được gây ảnh hưởng xấu đến việc đảm bảo an toàn của công trình tàu điện ngầm.
5.5.2 Các kết cấu chịu lực của các công trình đô thị ngầm và nổi, kết nối với các công trình của tầu điện ngầm, cần được thiết kế phù hợp với qui chuẩn này.
5.5.3 Hệ thống đảm bảo kỹ thuật và an toàn cháy của các công trình hạ tầng đô thị phải hoàn toàn độc lập với hệ thống tương ứng của tàu điện ngầm.
5.6 Kết cấu xây dựng
5.6.1 Các kết cấu bao che và kết cấu chịu lực bên trong các công trình ngầm cũng như vật liệu hoàn thiện kiến trúc các công trình phải đáp ứng yêu cầu về độ bền, độ bền lâu, an toàn cháy, ổn định dưới các tác động khác nhau của môi trường bên ngoài.
Các kết cấu, vật liệu xây dựng được sử dụng và các phương pháp thi công phải đảm bảo tuổi thọ qui định của vỏ công trình ngầm.
5.6.2 Vỏ hầm phải kín và được làm từ các cấu kiện bê tông cốt thép lắp ghép hoặc các cấu kiện gang, hoặc bê tông hoặc bê tông cốt thép toàn khối.
5.6.3 Tải trọng từ áp lực đất lên vỏ hầm và các hệ số độ tin cậy tương ứng với chúng cần được xác định trên cơ sở kết quả khảo sát địa chất công trình và những số liệu thực nghiệm đã tích lũy về tải trọng được đo trong những điều kiện xây dựng tương tự.
5.6.4 Tải trọng tạm thời tiêu chuẩn theo phương đứng và phương ngang tác dụng lên vỏ hầm từ các phương tiên giao thông trên mặt đất; tải trọng tạm thời lên vỏ hầm phát sinh trong quá trình xây dựng có kể đến đặc điểm tác dụng lên vỏ của các thiết bị nâng-vận chuyển, thiết bị khác lấy theo hệ thống tiêu chuẩn được lựa chọn áp dụng.
5.6.5 Tải trọng tạm thời lên vỏ hầm phát sinh trong quá trình xây dựng được lấy có kể đến đặc điểm tác dụng lên vỏ của các thiết bị nâng-vận chuyển, thiết bị lắp ráp hoặc thiết bị khác. Các hệ số độ tin cậy đối với các tải trọng này và các tải trọng tạm thời khác lấy theo hệ thống tiêu chuẩn được lựa chọn áp dụng.
5.6.6 Tính toán các kết cấu ngầm phải thực hiện theo các trạng thái giới hạn có kể đến các tổ hợp tải trọng và tác động bất lợi có thể xảy ra tác dụng lên các bộ phận riêng biệt hoặc toàn bộ công trình mà có thể tác dụng đồng thời khi thi công hoặc khi khai thác sử dụng.
5.6.7 Các kết cấu chịu lực bên trong nhà ga và các công trình ngầm khác thường được làm từ bê tông cốt thép. Đối với các cột của nhà ga, lanh tô trên các lối đi, các xà, giằng và các bộ phận liên kết chúng, các khớp nối các vỏ hầm có đường kính khác nhau và việc chống thấm các đầu mối quan trọng nhất thì được phép sử dụng kết cấu kim loại.
5.6.8 Các công trình ngầm phải được bảo vệ khỏi sự xâm nhập của nước mặt, nước ngầm cũng như các loại nước và chất lỏng khác.
Không cho phép thoát nước ngầm vào đường hầm.
5.6.9 Việc bảo vệ các kết cấu xây dựng khỏi tác động xâm thực của môi trường bên ngoài lấy theo hệ thống tiêu chuẩn được lựa chọn áp dụng.
5.7 Đường tầu và ray tiếp xúc
5.7.1 Các đường ray điện trên tuyến đường phải được tính với tải trọng tĩnh tính toán và vận tốc chạy tầu như trong Bảng 1.
Bảng 1.
|
Loại đường tầu |
Tải trọng tĩnh từ trục toa hành khách xuống ray, kN (T) |
Vận tốc chạy tầu, km/h, không lớn hơn |
|---|---|---|
|
Đường chính |
147 (15) |
100 |
|
Đường trong ga |
78 (8) |
40 |
|
Đường nối |
78 (8) |
75 |
Tất cả các bộ phận của đường tầu phải đảm bảo:
- Tầu chạy êm và an toàn ở các vận tốc quy định;
- Sự ổn định của khổ đường ray và toàn bộ đường tầu;
- Sự cách điện của mạch đường ray;
- Công nghệ bảo dưỡng định kỳ và sửa chữa đường tầu.
Kết cấu đường tầu phải là một loại và thuận lợi cho việc sửa chữa.
5.7.2 Các ray của đường tầu còn được sử dụng để dẫn điện trong lưới cấp điện của đoàn tầu, trong các thiết bị điều khiển chạy tầu và kiểm tra sự toàn vẹn của các thanh ray.
5.7.3 Bề rộng khổ ray của tuyến đường giữa các mép trong của đỉnh ray được lấy như sau, mm:
- Trên các đoạn thẳng và đoạn cong có bán kính từ 1200 m trở lên: 1435 ;
- Trên các đoạn cong có bán kính từ 600 đến 1200m : 1439;
- Trên các đoạn cong có bán kính từ 400 đến 600m : 1445;
- Trên các đoạn cong có bán kính từ 125 đến 400m : 1450;
- Trên các đoạn cong có bán kính từ 100 đến 125m : 1455.
Sai lệch so với tiêu chuẩn của bề rộng khổ đường ray trên các đoạn thẳng và đoạn cong không được vượt quá 2 mm.
5.7.4 Các ray của các đường tầu chính trên các đoạn ngầm thẳng và cong có bán kính 300 m trở lên cần được hàn vào các chốt ray.
5.7.5 Các ghi và thanh chuyển đường tầu phải phù hợp với loại ray và có các chạc chữ thập tương ứng mác 1: 9 và 2 : 9.
5.7.6 Tại các đoạn tuyến cao trên mặt đất cần có các bộ phận bảo vệ bằng ray hãm kiểu cầu hoặc các góc hãm.
5.7.7 Các đường tầu dẫn điện phải được trang bị ray tiếp xúc với tiếp điện phía dưới.
Ray tiếp xúc phải được che kín bằng hộp bảo vệ cách điện.
5.7.8 Các ray của đường tàu và ray tiếp xúc phải được neo giữ để tránh dịch chuyển.
5.8 Thông gió
5.8.1 Các công trình ngầm phải có hệ thống thông gió đường hầm và thông gió cục bộ bằng thổi khí nhân tạo.
Hệ thống thông gió đường hầm phải được bố trí cho các phòng hành khách trong các nhà ga ngầm hoặc ga kín trên mặt đất, cho các hành lang chuyển bến giữa các ga, cho các đường hầm chạy tàu, đường hầm cụt, đường hầm nhánh nối, kể cả các đoạn tuyến kín trên mặt đất.
Thông gió cục bộ cần được thực hiện cho các phòng sản xuất, sinh hoạt và các phòng khác đặt ngầm hoặc trên mặt đất.
5.8.2 Các hệ thông thông gió phải đảm bảo trao đổi khí và tốc độ chuyển động không khí trong các công trình và các gian phòng theo tiêu chuẩn.
5.8.3 Nhiệt độ tính toán và nhiệt lượng của không khí bên ngoài đối với các gian phòng có luồng khí thổi vào từ mặt đất được lấy theo QCVN 02 : 2009/BXD Số liệu điều kiện tự nhiên dùng trong xây dựng, có kể đến sự thay đổi của các thông số khi nó đi qua các kênh thông khí .
Đối với các gian ngầm có luồng không khí thổi vào từ các đường hầm, nhiệt độ không khí lấy bằng giá trị tính toán trong đoạn hầm tương ứng có kể đến sơ đồ thông gió đường hầm đã được áp dụng.
5.8.4 Khi thiết kế hệ thống thông gió đường hầm phải kể đến:
- Các thông số tiêu chuẩn vi khí hậu và thành phần không khí trong các công trình theo 5.17;
- Các điều kiện khí tượng tiêu chuẩn của thành phố;
- Điều kiện địa chất thủy văn dọc theo tuyến đường;
- Sự có mặt của nước nóng, nước sunfurơ trong đất xung quanh;
- Sự thoát khí radon, metan và các khí khác từ đất xung quanh;
- Sự vượt trội của lượng không khí thổi vào so với đẩy ra 15 ¸ 20 %;
- Bảo đảm không nhỏ hơn 3 lần/giờ trao đổi không khí theo thể tích bên trong của các gian hành khách và các gian khác được thông gió đường hầm;
- Cấp không khí từ bên ngoài không dưới 30m3/giờ, trong giờ cao điểm không dưới 50 m3/giờ cho mỗi hành khách;
- Đảm bảo nồng độ giới hạn cho phép của các chất độc hại trong không khí của đường hầm và các gian hành khách theo 5.17.4;
- Cân bằng nhiệt theo năm đảm bảo các thông số cho phép của nhiệt độ và độ ẩm tương đối của không khí ở mức tăng tối thiểu của nhiệt độ đất xung quanh;
- Thoát khói khi cháy tại nhà ga và trong đường hầm;
- Ảnh hưởng của các yếu tố bất lợi phát sinh ở những tình huống khẩn cấp do đặc trưng công nghệ và đặc trưng khác đã được dự báo trước;
- Việc sử dụng các trang thiết bị giảm ồn, giảm rung phát sinh khi các máy thông gió làm việc;
- Việc sử dụng các giải pháp làm giảm ảnh hưởng của hiệu ứng “thổi gió” khi tầu chạy.
5.8.5 Thông gió đường hầm kết hợp với các giải pháp kỹ thuật công trình khác ở chế độ thoát khói phải đảm bảo bảo vệ chống khói hiệu quả cho các lối thoát nạn trong các nhà ga ngầm và kín trên mặt đất, trong các công trình chuyển bến giữa các nhà ga, trong các đường hầm chạy tầu và đường hầm cụt, trong các hầm của các nhánh nối cũng như trong các đoạn tuyến kín trên mặt đất.
5.8.6 Mức áp lực âm thanh cho phép tại các nhà ga và trong các đường hầm chạy tầu lấy theo 5.17, trên mặt đất - theo quy định hiện hành.
5.8.7 Khoảng cách từ các trạm thiết bị thông gió trên mặt đất của thông gió đường hầm đến các phố và đường chính, các bến xe ô tô kín hoặc hở, các khu vực thương mại, và các cửa sổ của nhà và công trình không được nhỏ hơn 25 m, đến các trạm tiếp nhiên liệu cho ôtô, các kho chứa dầu và các sản phẩm dầu, khí đốt, vật liệu gỗ, đường ống dẫn khí và dầu, các hạng mục công trình chế biến dầu và công nghiệp hóa chất - không nhỏ hơn 100 m.
Trong điều kiện xây dựng đô thị chật hẹp, các trạm thiết bị thông gió làm việc thường xuyên ở chế độ xả được phép đặt cách phần lưu thông của đường nhỏ hơn 25 m.
5.9 Cấp, thoát và tiêu nước
5.9.1 Các công trình tàu điện ngầm phải có hệ thống chung bên trong hoặc các hệ thống riêng đường ống dẫn nước uống-sinh hoạt, nước chữa cháy và nước công nghệ.
5.9.2 Nguồn nước cấp cho hệ thống chung hoặc riêng của nước sinh hoạt được lấy từ mạng đường ống cấp nước của thành phố hoặc các giếng khoan phù hợp quy định hiện hành, còn nguồn nước cấp cho hệ thống chống cháy riêng hoặc nước công nghệ - từ các giếng khoan hoặc hồ chứa nước trên mặt đất.
5.9.3 Tại mỗi nhà ga cần có đầu nhận nước từ các nguồn cấp nước. Ở hệ thống ống dẫn chung phải có 2 đầu nhận nước từ các đoạn khác nhau của nguồn cấp nước, ở hệ thống tách rời – 1 đầu nhận nước cho nhu cầu nước uống - sinh hoạt và không ít hơn 2 đầu nhận nước cho các nhu cầu chữa cháy và công nghệ.
5.9.4 Tại các đoạn ngầm và kín trên mặt đất, phải có hệ thống chung của các tuyến dẫn nước chính để cấp nước tới các nhà ga, vào các đường hầm, vào các công trình trong đường hầm và vào các mạng phân nhánh cục bộ từ các tuyến chính đến các hộ tiêu thụ nước.
5.9.5. Mạng đường ống dẫn nước chung phải đảm bảo lưu lượng nước tính toán có kể đến các nhu cầu nước uống-sinh hoạt và nước chữa cháy.
5.9.6 Các phòng sinh hoạt của các nhà ga và trạm hạ áp chạy tầu phải được trang bị hệ thống cấp nước nóng.
5.9.7 Các công trình ngầm phải có hệ thống thu nước tự chảy và thoát nước cưỡng bức khi khả năng chống thấm của vỏ hầm bị sụt giảm, khi chữa cháy, khi lau rửa công trình, khi các thiết bị công nghệ làm việc.
Để thu nước và thải nước vào mạng thoát nước của thành phố cần phải có các trạm bơm xả nước.
5.9.8 Các công trình tầu điện ngầm phải có hệ thống đường ống nước sinh hoạt để thu và thoát nước thải từ các dụng cụ kỹ thuật-vệ sinh.
5.9.9 Các đầu nhận nước, các thiết bị xả và tiêu thoát nước phải được trang bị đồng hồ đo, đếm lượng nước tiêu thụ và thải các chất lỏng vào mạng thành phố.
5.10 Cấp điện
5.10.1 Việc cấp điện cho các hộ tiêu thụ của tuyến tầu điện ngầm cần được thực hiện từ các trạm hạ áp chạy tầu và các trạm hạ áp.
Trạm hạ áp chạy tầu phải được bố trí tại các nhà ga, trạm hạ áp – tại các nhà ga và tại các đoạn hầm tầu chạy ở những nơi tập trung phụ tải.
5.10.2 Cấp điện cho trạm hạ áp chạy tầu phải được thực hiện bằng lưới cáp điện áp 10 kV từ 3, còn khi không có khả năng về kỹ thuật, từ 2 nguồn cấp độc lập từ hệ thống điện của thành phố. Cần sử dụng trực tiếp trạm điện của hệ thống điện làm nguồn cấp điện thứ nhất, còn nguồn cấp điện thứ 2, thứ 3 – từ các trạm hạ áp chạy tầu lân cận tuyến đường.
5.10.3 Để đảm bảo cấp điện tin cậy, các thiết bị tiêu thụ điện được xếp hạng như sau:
a) Nhóm đặc biệt của các thiết bị tiêu thụ điện hạng I – thiết bị thông tin liên lạc, thiết bị điều khiển chạy tầu, thiết bị điều khiển từ xa và điều khiển vô tuyến các thiết bị điện, mạng chiếu sáng sự cố.
b) Hạng I: mạng chạy tầu, thang cuốn, mạng chiếu sáng làm việc của các đường hầm, các thiết bị tự động phát hiện cháy, báo cháy và chữa cháy, các thiết bị bảo vệ chống khói, các thiết bị thoát nước, các thiết bị tín hiệu bảo vệ và hệ thống trả tiền tự động.
c) Hạng II: mạng điện chiếu sáng làm việc của các nhà ga.
d) Hạng III: các thiết bị thông gió đường hầm không dùng trong hệ thống bảo vệ chống khói và các hộ dùng điện khác.
Các thiết bị đóng tự động nguồn điện dự phòng đối với nhóm đặc biệt của thiết bị nhận điện hạng I và các thiết bị nhận điện hạng I phải được bố trí ở hộ tiêu thụ điện.
Cho phép ngắt điện mạng chạy tầu trong thời gian điều độ viên chuyển nguồn cấp bằng thiết bị điều khiển vô tuyến.
5.10.4 Nguồn điện độc lập thứ ba cấp cho nhóm đặc biệt của các thiết bị tiêu thụ điện hạng I là các nguồn điện đảm bảo cấp liên tục cho các phụ tải tính toán trong 1giờ.
Các nguồn điện cấp liên tục này cần được bố trí riêng biệt với các trạm hạ áp và các trạm hạ áp chạy tầu tại các phòng có các lối vào và các hệ thống thông gió độc lập.
5.10.5 Các lưới điện xoay chiều điện áp đến 1 kV phải tuân thủ theo các quy định hiện hành với dây trung hòa tiếp đất của các biến áp, về nguyên tắc, theo hệ TN-C, trong các trường hợp riêng (ví dụ, đối với các thiết bị tiêu thụ điện cầm tay và di động) – theo hệ TC-C-S.
Việc sử dụng hệ thống TN-C trên các đoạn kéo dài của các tuyến đang hoạt động có sử dụng hệ thống IT, cần phải thể hiện rõ trong nhiệm vụ thiết kế.
Các thông số của lưới điện xoay chiều điện áp đến 1 kV của các thiết bị điều khiển chạy tầu được lấy theo các tài liệu kỹ thuật của hệ thống điều khiển tương ứng.
5.10.6 Để cấp điện cho các thiết bị tiêu thụ điện phải sử dụng các loại điện áp sau, V:
- Trong lưới điện một chiều:
a) 825: cho lưới điện chạy tầu, trên các bánh sắt của trạm hạ áp chạy tầu;
b) 750, 550 và 975: trên các thiết bị tiêu thụ điện của toa tầu, tương ứng cho các chế độ bình thường, nhỏ nhất cho phép và lớn nhất cho phép khi phanh gấp;
c) 220: các mạch điều khiển và báo hiệu trên các ga phụ;
- Trong lưới xoay chiều:
a) 380/220: thang cuốn, các thiết bị thông gió và bơm, các lưới điện chiếu sáng (làm việc và sự cố), các thiết bị liên lạc và hệ thống trả tiền tự động;
b) 220: các dụng cụ chiếu sáng và đun nóng;
c) 12: chiếu sáng di động và cục bộ.
5.10.7 Đối với các công trình và các gian phòng ngầm phải có chiếu sáng làm việc và chiếu sáng sự cố.
Chiếu sáng sự cố phải có trong các phòng hành khách, sản xuất và sinh hoạt -vệ sinh của nhà ga, trong các đường hầm chạy tầu và trong các công trình trong đường hầm.
Chiếu sáng sự cố phải đảm bảo được chức năng chiếu sáng an toàn và thoát hiểm.
5.10.8 Cực dương của nguồn cấp cho lưới điện chạy tầu phải được nối với các ray tiếp xúc, cực âm – nối với các ray tầu chạy.
Lưới tiếp xúc của tuyến phải được chia thành các ô bằng các khoảng không khí để hở của các ray tiếp xúc trên các đường chính trong khu vực bố trí trạm hạ áp chạy tầu, trên các nút giao giữa các đường chính và tại các vị trí phân chia các đường chính và các đường có chức năng khác.
Việc cấp điện cho lưới tiếp xúc của từng đường chính, các đường trong ga và các đường nối từ trạm hạ áp chạy tầu phải được tách riêng.
Trong lưới tiếp xúc của các đường chính, khi cần thiết, cần sử dụng các trạm nối song song.
5.10.9 Các lưới điện phải có bảo vệ tránh đoản mạch và tránh vượt tải quá mức qui định, riêng các bộ phận của lưới điện chạy tầu (thiết bị biến dòng, thiết bị phân phối 825 V, cáp điện, trang thiết bị của lưới tiếp xúc), ngoài ra, - còn phải bảo vệ tránh tiếp đất.
Khi không có khả năng đảm bảo việc bảo vệ trên, phải có các giải pháp kỹ thuật riêng.
5.10.10 Trong mạng lưới tiếp xúc, trang thiết bị (ngoài các thiết bị ngắt nhanh được chế tạo dùng cho điện áp danh định 1050 V) và các cáp cần lấy điện áp danh định là 3 kV.
5.10.11 Trong các lưới điện phải dùng các dây cáp không lan cháy.
5.10.12 Các phương tiện kiểm soát và bảo vệ các công trình ngầm chống các tác động ăn mòn do dòng điện phải tuân theo 5.21.
5.10.13 Trên tuyến phải có cùng hệ thống bảo vệ tiếp đất.
5.11 Điều khiển các thiết bị điện
5.11.1 Các thiết bị điện phải có điều khiển tại chỗ và khi cấn thiết, có điều khiển từ xa, điều khiển vô tuyến, đếm điện tự động, báo hiệu và đo đạc.
5.11.2 Các thiết bị điều khiển phải đảm bảo tự động hóa tối đa quá trình khai thác các thiết bị, kiểm soát các chế độ làm việc đặt trước của chúng và báo hiệu khi có sự sai lệch với các chế độ làm việc này.
5.11.3 Việc điều khiển từ xa các mạng điện chiếu sáng, các thiết bị cơ điện tại các ga và đường hầm tầu chạy liền kề phải được thực hiện từ các trạm điều độ của ga, việc điều khiển các bộ phận ngắt dòng của lưới điện tiếp xúc – từ trạm hạ áp chạy tầu. Các bộ phận ngắt dòng riêng biệt của lưới điện tiếp xúc trong các ga có phát triển đường tầu phải có điều khiển từ các trạm điều độ của ga.
5.11.4 Việc điều khiển vô tuyến các thiết bị điện phải được thực hiện từ trạm điều độ của tuyến phù hợp với cơ cấu tổ chức được áp dụng của các trạm điều độ.
5.12 Điều khiển chạy tầu
5.12.1 Mỗi tuyến tầu điện ngầm phải được trang bị các hệ thống điều khiển, bao gồm:
- Hệ thống điều khiển nhịp độ và an toàn chạy tầu;
- Điều khiển điện trung tâm các ghi và tín hiệu;
- Đóng tự động đường;
- Hệ thống điều khiển tự động đoàn tầu;
- Điều độ trung tâm.
Trong các hệ thống phải có dự trữ các nút chính.
Các hệ thống điều độ trung tâm và điều khiển tự động chạy tầu phải có khả năng phân chia chức năng trong một mạng tự động thống nhất điều khiển các quá trình công nghệ trên tuyến.
GHI CHÚ: Khối lượng trang bị và các bước áp dụng hệ thống điều khiển chạy tầu được xác định riêng biệt.
5.12.2 Các thiết bị của hệ thống điện trung tâm điều khiển phải đảm bảo điều khiển được các ghi và tín hiệu (đèn hiệu nửa tự động) từ trạm điều độ của ga có phát triển đường tầu.
5.12.3 Các thiết bị của hệ thống điều độ trung tâm phải đảm bảo kiểm soát được chuyển động của các đoàn tầu trên tuyến và điều khiển được các ghi và tín hiệu từ trạm điều độ của tuyến (điều khiển điều độ) và từ trạm điều độ tại các ga (điều khiển tại chỗ).
5.12.4 Trên các nhánh nối giữa các tuyến cần có các hệ thống để tầu chạy về hai hướng.
5.12.5 Các thiết bị đóng đường tự động phải được bố trí để điều phối chuyển động của các toa chính và phụ trợ vào ban đêm hoặc phương tiện cứu hộ đưa ra khỏi tuyến đường đoàn tàu có các bộ phận của hệ thống điều khiển nhịp độ và an toàn chạy tầu bị hỏng (hoặc không sửa chữa được).
5.12.6 Các đường tầu của tuyến cần được trang bị các mạng ray dùng điện xoay chiều.
5.12.7 Việc cấp điện cho các thiết bị điều khiển chạy tầu bằng điện một chiều phải được lấy từ các ắc qui riêng hoặc từ nguồn điện liên tục theo 5.10.
5.13 Thông tin liên lạc
5.13.1 Trên tuyến cần có hệ thống thông tin liên lạc vận hành-công nghệ (VCN) của tuyến và của ga cùng với điện thoại tự động sử dụng chung.
5.13.2 Trong thành phần VCN của tuyến phải có thông tin của trạm điều độ và giữa các trạm điều độ, liên lạc radio của tàu, thông tin bảo vệ trật tự, an toàn cháy và các thông tin phục vụ, điện thoại sử dụng chung bảo đảm chỉ huy vận hành và điều khiển sự làm việc của tuyến, các đơn vị và sự phục vụ của tàu điện ngầm.
Tất cả các dạng thông tin điều độ phải có các thiết bị ghi âm.
5.13.3 Trong thành phần VCN của ga phải có các liên lạc bằng điện thoại, đồng hồ điện, các hệ thống loa phóng thanh và quan sát vô tuyến, đảm bảo việc kiểm soát chạy tàu, điều hòa các luồng hành khách, điều khiển từ trạm điều độ quá trình thoát người khi cháy, cũng như các liên lạc của nhân viên trạm điều độ, những người phụ trách cùng với nhân viên trên ga và các đoạn hầm chạy tầu liền kề ga.
5.13.4 Để tổ chức VCN của tuyến và của ga cần có cả các mạng liên lạc và truyền tin trục chính, tại ga, trong tuyến hầm và cục bộ.
5.14 Bố trí nhân viên vận hành
5.14.1 Nhân viên các đơn vị vận hành khai thác phục vụ trực tiếp hành khách trên các ga, tổ chức chạy tầu trên tuyến, bảo dưỡng thường xuyên các thiết bị và bảo trì công trình cần được bố trí trên các ga.
5.14.2 Bộ máy quản lý-hành chính phục vụ và điểu khiển tầu điện ngầm, cũng như nhân viên của các tuyến không liên quan trực tiếp đến các công việc trên các ga và trong các đường hầm, cần được bố trí trong các tòa nhà theo 5.23.
5.15 Trạm đầu mối
5.15.1 Trạm đầu mối (đề-pô) để tập kết, bảo dưỡng kỹ thuật, sửa chữa định kỳ, trung tu (khi có các xưởng sửa chữa) và đột xuất các toa xe điện.
5.15.2 Trong khuôn viên trạm đầu mối cần bố trí các nhà và công trình hành chính và sản xuất, các mạng lưới kỹ thuật trong khuôn viên, các đường đỗ tầu, các đường cứu hoả và đường có áo đường đã được hoàn thiện được kết nối với các đường thành phố, có kể đến sự phát triển tuyến và trạm đầu mối trong tương lai.
Khuôn viên trạm đầu mối phải thuận tiện, có chiếu sáng và tường rào kín chiều cao không nhỏ hơn 2,5 m được chiếu sáng bảo vệ. Ở phía ngoài dọc theo tường rào phải có vùng bảo vệ - vệ sinh, cây xanh và bãi đỗ ô tô.
Bề rộng vùng bảo vệ - vệ sinh tính từ đường đỗ tầu ngoài cùng đến các nhà ở không được nhỏ hơn 300 m.
5.15.3 Các nhà sản xuất để bố trí các trạm điện thứ cấp, các xưởng, các loại kho và nhân viên, nên được xây cao 3 ¸ 4 tầng.
Các nhà này phải được trang bị radio, điện thoại, đồng hồ điện, các hệ thống an toàn cháy và báo hiệu bảo vệ.
5.15.4 Nhà sửa chữa và các đường đỗ tầu phải có ngay từ giai đoạn khai thác đầu tiên tuyến tầu điện ngầm.
Trong thành phần của các đường đỗ tầu phải có 2 đường kéo dài dùng để dồn toa, dự phòng và chạy thử.
Chiều dài hiệu dụng của mỗi đường kéo dài phải không nhỏ hơn chiều dài tính toán lớn nhất của đoàn tầu ở các giai đoạn khai thác theo 3.13, của đường chạy thử – từ 600 m đến 800 m. Một trong các đường kéo dài có thể được sử dụng làm đường chạy thử.
5.15.5 Các đường ray truyền điện và ray không truyền điện phải chịu được tải trọng tính toán và vận tốc chạy tầu theo Bảng 2.
Bảng 2.
|
Đường |
Tải trọng tĩnh từ trục toa hành khách lên các ray, kN (T) |
Vận tốc chuyển động của tầu, km/h, không lớn hơn |
|---|---|---|
|
Đường đỗ tầu |
78 (8) |
15 |
|
Đường trong trạm đầu mối |
78 (8) |
10 |
5.15.6 Các ray truyền điện được sử dụng làm dây dẫn điện vào mạng cấp điện của toa tầu, trong các thiết bị điều khiển chạy tầu và kiểm soát tính toàn vẹn của mạng ray.
5.15.7 Các kích thước bao gần đúng của hầm và khoảng cách giữa các trục của các đường ray liền kề lấy theo Phụ lục B.
15.15.8 Bề rộng khổ đường giữa các mép trong của đỉnh ray phải được lấy:
a) Trên các đoạn thẳng và đoạn cong có bán kính 100 m trở lên: theo 5.7.3;
b) Trên các đoạn cong có bán kính từ 60 m đến 100m: 1459 mm;
Sai lệch so với tiêu chuẩn của bề rộng khổ ray trên các đoạn thẳng và đoạn cong không được vượt quá 2 mm.
5.15.9 Để nối các đường đỗ tầu phải sử dụng các ghi loại P50 có mác chữ thập 1:5.
5.15.10 Các đường đỗ tầu truyền điện và đường của trạm đầu mối tại buồng thổi khí cho đoàn tầu phải được trang bị ray tiếp xúc với dòng điện phía dưới.
Các ray tiếp xúc phải được che kín bằng hộp bảo vệ cách điện.
5.15.11 Việc cấp điện cho các nhà, công trình và các mạng điện cần được lấy từ các trạm hạ áp chạy tầu và trạm hạ áp.
Việc cấp điện cho trạm hạ áp chạy tầu và trạm hạ áp lấy tương tự như 5.10.2.
5.15.12 Việc cấp điện cho mạng điện kéo tầu phải sử dụng điện một chiều điện áp 825V.
Việc cấp điện cho các đầu tàu và các thiết bị chiếu sáng phải dùng điện xoay chiều điện áp 380/220 V lấy từ các biến thế tổng có dây trung hòa tiếp đất theo hệ TN-C, còn trong các trường hợp riêng (ví dụ, đối với các thiết bị tiêu thụ di chuyển và vận chuyển được) theo hệ - TN-C-S, cho các thiết bị điều khiển chạy tầu – từ các biến thế riêng tương tự 5.10.5.
Đối với mỗi nhóm hộ tiêu thụ điện phải có 2 biến thế.
5.15.13 Các đường đỗ tầu phải được trang bị các thiết bị bẻ ghi điện tập trung, các đèn tín hiệu bán tự động (có tín hiệu chỉ đường và các chỉ dẫn tuyến trên các đèn hiệu riêng biệt), thông thường, bằng các mạch ray đơn .
Điều khiển các ghi và đèn hiệu phải được thực hiện từ các trạm điện trung tâm.
5.15.14 Trong trạm đầu mối phải có hệ thống thông tin liên lạc vận hành công nghệ (VCN) theo tuyến và theo trạm.
Trong thành phần VCN theo tuyến phải có các thông tin liên lạc điều độ chạy tầu và cấp điện, thông tin liên lạc trong đường hầm và liên lạc điện thoại sử dụng chung.
Trong thành phần VCN của trạm đầu mối phải có các liên lạc trực ca ở đêpô, liên lạc bẻ ghi, liên lạc trực tuyến, liên lạc radio dồn toa và vận hành-sửa chữa, liên lạc và thông báo bằng loa phóng thanh.
5.15.15 Các đường cáp cần đặt trong các công trình cáp, cũng như đặt hở trên các kết cấu đứng riêng biệt.
5.16 An toàn cháy
5.16.1 Tất cả kết cấu xây dựng của các gian phòng và các công trình ngầm phải phù hợp với nhóm nguy hiểm cháy K0 theo Phụ lục C.
5.16.2 Các tiền sảnh trên mặt đất của các ga, nhà và công trình trạm đầu mối và các nhà trên mặt đất có chức năng khác phải có bậc chịu lửa không được thấp hơn bậc II và có nhóm nguy hiểm cháy kết cấu không thấp hơn nhóm C1 theo Phụ lục C.
5.16.3 Các kết cấu xây dựng của các công trình ngầm phải có giới hạn chịu lửa như Bảng 3.
5.16.4 Các kết cấu xây dựng tunnel kín của các đoạn tuyến trên mặt đất (trên cao), cũng như của các nhà ga kín trên mặt đất phải phù hợp với nhóm nguy hiểm cháy không thấp hơn K0 và có giới hạn chịu lửa không nhỏ hơn R45.
5.16.5 Các kết cấu xây dựng của các kênh dẫn cáp trong các nhà ga và trong các trạm điện thứ cấp, của các kênh dẫn cáp-thông gió dưới các sân ga phải có giới hạn chịu lửa không nhỏ hơn R45, cửa nắp của các kênh mở lên trên sân ga phải có giới hạn chịu lửa không nhỏ hơn EI 15. Trong các kênh dẫn cáp-thông gió cho phép có các lỗ mở để thu và thoát khí từ các gian hành khách.
Các vách ngăn trong các hầm cáp phải là vách ngăn cháy loại 1 với giới hạn chịu lửa không nhỏ hơn EI 45.
Bảng 3.
|
Tên kết cấu |
Giới hạn chịu lửa không nhỏ hơn |
|---|---|
|
Vỏ ngoài của các gian sân ga và gian giữa của nhà ga, của đường hầm, của các công trình gần nhà ga và gần hầm |
R90 |
|
Vỏ ngoài của các đường hầm tầu chạy và đường hầm cụt |
R90 |
|
Trụ và cột của nhà ga |
R90 |
|
Tường bao che của giếng thang máy và cầu thang bộ trong buồng thang |
REI 120 |
|
Tường của lồng cầu thang bộ |
REI 120 |
|
Tường của trạm ga phụ |
R 90/EI 60 |
|
Tường, sàn các kho chứa dầu mỡ, sơn |
REI 120 |
|
Vỏ ngoài của các đường hầm thang cuốn và sảnh ga |
R60 |
|
Tường bao che giữa các đường tầu và kênh dẫn cáp-thông gió |
R45 |
|
Cốn thang, dầm, bậc, các chiếu tới, chiếu nghỉ của lồng thang bộ |
R60 |
|
Kết cấu sàn bên trong: bản dầm |
REI 60, R60 |
|
Tường của các gian phòng hạng C1 - C3, của hành lang, tường bao che, phòng đệm, các hành lang chuyển tầu cho hành khách nằm phía trên các đường tầu |
R 45/EI 30 |
|
Tường (vách ngăn) của các lối thoát hiểm nối giữa các đường hầm |
R 45 (EI 45) |
|
Các cửa chống cháy tự đóng |
EI 30 |
|
Kết cấu chịu lực và bao che của các lối chuyển tầu trên sân ga và trên các đường tầu của nhà ga. |
REI 90 |
|
Tường (vách ngăn) các gian phòng hạng C4, D và E |
REI 15 (EI 15) |
|
Trần treo trong các hành lang |
RE 15 |
5.16.6 Trong các hầm cáp vòng của ga cần có ít nhất một vách ngăn. Các vách ngăn phải là vách ngăn cháy loại 1. Các cửa vào đường hầm và cửa trong các vách ngăn phải là cửa ngăn cháy loại 2 có giới hạn chịu lửa không nhỏ hơn EI 30. Mỗi khoang cháy phải có thiết bị báo cháy tự động, còn khi tải trọng cháy lớn hơn 180 MJ×m-2 thì phải có thêm thiết bị chữa cháy tự động.
5.16.7 Sảnh của nhà ga bố trí trong nhà có chức năng khác hoặc liền kề với nó, phải được tách riêng bằng các tường và sàn ngăn cháy loại 1 (Phụ lục C) và có lối thoát trực tiếp ra ngoài.
5.16.8 Các gian phòng ngầm phải có các cửa ngăn cháy với giới hạn chịu lửa không nhỏ hơn:
a) Cửa trong tường và vách ngăn với giới hạn chịu lửa tiêu chuẩn - EI 30;
b) Cửa trong các vách ngăn chia các hành lang thành các đoạn có chiều dài không lớn hơn 60 m - EI 15;
c) Cửa trong các vách ngăn còn lại - EI 15.
Các cửa ngăn cháy của kho dầu mỡ và sơn phải là loại tự đóng và mở ra phía ngoài. Trong các lỗ cửa phải có ngưỡng hoặc đường dốc với chiều cao không nhỏ hơn 0,15 m.
Không đặt ra yêu cầu chống cháy và không qui định giới hạn chịu lửa cho các vật liệu làm cửa vào các sảnh trên mặt đất, vào các gian trưng bày phía trên các thang bộ đi vào các lối ngầm, các gian bán vé của các sảnh ngầm, vào các phòng không có người làm việc thường xuyên, vào phòng tắm và các phòng tương tự khác.
Các song cửa sổ của các sảnh hướng ra đường phố phải dịch chuyển ra được.
5.16.9 Để làm các ô thoát nước trong các gian hành khách của nhà ga, không cho phép sử dụng các vật liệu có nhóm nguy hiểm cháy cao hơn G1, V1, D1, Т1.
5.16.10 Hộp bảo vệ ray tiếp xúc cần được làm từ các vật liệu thuộc nhóm cháy G1.
5.16.11 Để ốp mặt các kết cấu và phủ mặt các sàn của các công trình ga phải sử dụng các vật liệu không cháy.
Việc hoàn thiện và ốp mặt tường và trần trên các đường thoát hiểm phải sử dụng các vật liệu không cháy, để sơn phải sử dụng sơn không cháy.
Để hoàn thiện và ốp mặt các bộ phận riêng biệt của tường và trần của nhà ga, khi có luận chứng, cho phép sử dụng các vật liệu với các đặc trưng nguy hiểm cháy không thấp hơn các nhóm G1, V1, D2, Т2.
5.16.12 Trong các phòng của nhà ga thường xuyên có nhân viên, việc phủ sàn trên lớp bê tông keramzit cần sử dụng linoleum với các đặc trưng nguy hiểm cháy không lớn hơn các nhóm G2, V2, RP2, D2, Т2.
Trong các gian phòng sinh hoạt, sản xuất và các gian phòng khác không thường xuyên có nhân viên cần sử dụng lớp phủ sàn làm từ các vật liệu không cháy.
Lớp hoàn thiện tiêu âm của các gian phòng và các kết cấu trần treo cần được làm bằng các vật liệu không cháy. Trong các gian phòng sinh hoạt không cho phép sử dụng vật liệu với các đặc trưng nguy hiểm cháy lớn hơn các nhóm G2, V3, D3, Т3 để hoàn thiện và ốp mặt.
5.16.13 Các kết cấu ghế ngồi trên sân ga phải được làm từ các vật liệu không cháy, mặt ghế - từ các vật liệu có đặc trưng nguy hiểm cháy G2, D2, Т2.
5.16.14. Chỗ giao nhau của các kết cấu ngăn cháy với các ống dẫn không khí phải đảm bảo không làm giảm khả năng chịu lửa của kết cấu ngăn cháy. Giới hạn chịu lửa của các ống dẫn không khí và của các van chặn lửa được xác định theo hệ thống tiêu chuẩn được lựa chọn áp dụng.
5.16.15 Sàn của khoang cáp-thông gió trong hầm thang cuốn phải kín và có giới hạn chịu lửa không nhỏ hơn REI 45. Cửa thoát của kênh thông gió lên bề mặt phải được bố trí cách lối vào sảnh không nhỏ hơn 15m.
5.16.16 Các gian phòng và các bộ phận qui hoạch-không gian khác (các tiền sảnh, gian bán vé, hầm thang cuốn, các gian sân ga và gian giữa của nhà ga, các đường hầm) của các công trình ngầm phải tuân theo phân hạng về nhóm nguy hiểm cháy và cháy nổ.
5.16.17 Phải đảm bảo việc thoát người ra khỏi các công trình ngầm khi có cháy. Trên các đường thoát nạn cần bảo vệ người khỏi tác động của các yếu tố nguy hiểm do cháy.
Thời gian tính toán cho thoát hiểm của người ra khỏi nhà ga phải được xác định theo hệ thống tiêu chuẩn được lựa chọn áp dụng có kể đến đặc thù của nhà ga và lượng người lớn nhất ở trong các công trình của nhà ga.
5.16.18 Để thoát nạn từ các gian sân ga cần có các đường sau:
a) Theo các thang cuốn và (hoặc) thang bộ loại 2, theo các hành lang, qua các gian bán vé của các sảnh, các lối qua ngầm – đến cửa ra ngoài;
b) Qua các công trình chuyển bến – đến nhà ga của tuyến khác và tiếp theo như mục a)
5.16.19 Chiều dài các đoạn cụt của các gian phòng và công trình (các hành lang, đường hầm cáp, kênh thông gió,...) không được lớn hơn 25 m.
5.16.20 Số lượng và tổng chiều dài của các lối ra từ các gian phòng, từ các tầng nhà và công trình phải được xác định theo số lượng người lớn nhất có thể cần thoát qua chúng và khoảng cách giới hạn cho phép từ chỗ xa nhất có thể có nhân viên phục vụ tới cửa ra thoát nạn gần nhất.
5.16.21 Từ các gian của sân ga phải có không ít hơn hai cửa ra tách biệt nhau để thoát người.
5.16.22 Trên các ga có bến chuyển đặt sâu với sảnh chung, phải đảm bảo khả năng khai thác riêng biệt của các ga và bảo vệ chúng không bị các yếu tố nguy hiểm xâm nhập khi xảy ra cháy tại một trong các ga (bố trí các khu vực ngăn cháy được thổi không khí, các khoang đệm được thổi không khí, các cửa ra đi qua vùng không khí).
5.16.23 Trong các gian phòng sinh hoạt và sản xuất, chiều rộng của hành lang và thang bộ phải lấy không nhỏ hơn:
a) Của hành lang: 1,2 m;
b) Của các bản bậc lồng thang bộ: 1,0 m;
c) Của các thang bộ hở giữa 2 tầng bên trong ga phụ: 0,8 m.
Chiều rộng của các chiếu thang không được nhỏ hơn chiều rộng bản bậc thang.
Chiều cao thông thủy các đoạn nằm ngang của đường thoát nạn không được nhỏ hơn 2 m.
Tại những nơi thoát nạn của nhân viên, cho phép hạ thấp độ cao đến 1,8 m trên đoạn dài không quá 0,6 m.
5.16.24 Để giải thoát hành khách ra khỏi tàu dừng trong đường hầm chạy tầu, phải có các đường thoát nạn: trong các hầm một đường - về một phía và trong các đường hầm hai đường - về 2 phía.
Chiều rộng của đường thoát nạn trong các đường hầm ở độ cao 1,5m từ bề mặt của đường đi bộ không được nhỏ hơn 0,7 m. Trên đường đi bộ không được có bất kỳ chướng ngại vật nào cản trở việc đi lại tự do của người.
5.16.25 Để giải thoát hành khách phải có cả các đường nối chuyển từ đường hầm này sang đường hầm khác, gồm: các đường nối dùng cho người, các đường nối thông gió.
Khoảng cách giữa các đường nối này không được quá 160 m khi sử dụng đoàn tàu không có khả năng đi lại giữa các toa và không được quá 200 m khi có khả năng này.
Chiều rộng đường nối dùng cho người không được nhỏ hơn 1,5 m, chiều cao không nhỏ hơn 2 m; chiều rộng lỗ cửa đi không nhỏ hơn 1,0 m. Cánh cửa đi phải mở được về cả hai phía.
Các đường nối phải có đèn chỉ dẫn.
5.16.26 Các cửa ra bổ sung ở phần giữa của các hầm chạy tầu giữa các ga hoặc các vùng bảo vệ tập thể hành khách phải có các khoang đệm được cấp không khí khi cháy không nhỏ hơn 20 Pa, có các hệ thống an toàn cháy riêng và các hệ thống cứu nạn riêng.
Khối tích của một vùng bảo vệ tập thể hành khách được xác định từ năng lực chở khách tối đa có thể của một đoàn tầu ở bất kỳ giai đoạn khai thác tính toán nào của tuyến đường với định mức diện tích là 1 m2 cho 1 người.
Thời gian tính toán cho hành khách lưu lại ở vùng bảo vệ tập thể không ít hơn 7 giờ. Một vùng bảo vệ tập thể được chia thành một khoang cháy riêng..
5.16.27 Cấp nước chữa cháy cho các công trình trên mặt đất phải tuân theo các quy định hiện hành, còn cho các công trình ngầm – theo quy chuẩn này.
5.16.28 Trên mạng ống dẫn nước của thành phố phải có không ít hơn 2 họng nước chữa cháy trên khoảng cách không quá 100m cách lối vào ga đặt nông và không quá 20m cách sảnh trên mặt đất hoặc cách cửa qua đường chuyển ngầm vào sảnh ga đặt sâu.
Trong trạm đầu mối, các họng nước chữa cháy phải bố trí trên khu vực đường đỗ tầu cách nhau không quá 100 m, cũng như ở các tòa nhà. Các họng này phải có các chỉ dẫn bằng ánh sáng.
Trong khuôn viên của trạm đầu mối, để lấy nước chữa cháy, cho phép có các nguồn nước bên ngoài (các bể chứa) với điều kiện đảm bảo sử dụng chúng vào bất kỳ thời gian nào trong năm.
5.16.29 Các nhà, công trình và các gian phòng trên mặt đất phải được trang bị các thiết bị tự động chữa cháy và tín hiệu báo cháy theo các quy định hiện hành, còn dưới mặt đất – theo Bảng 4.
Các khu vực ở các đường trong ga (các đường cụt), nơi bố trí dừng tầu ban đêm, phải được trang bị các thiết bị chữa cháy tại chỗ.
5.16.30 Cấp điện cho các thiết bị chống cháy theo 5.10.
5.16.31 Trên mỗi ga, trong các công trình thuộc nhà ga và các đường hầm chạy tầu phải có hệ thống thông báo và điều khiển thoát người khi cháy và khi có tình huống khẩn cấp.
5.16.32 Bảo vệ chống khói (BCK) cho các đường thoát nạn tại các nhà ga và tại các công trình chuyển bến giữa các ga phải đảm bảo việc giải thoát hành khách, nhân viên phục vụ và không nhiễm khói các đường hầm tiếp cận ga, cũng như ga liền kề.
BCK cũng phải có trên các đường thoát nạn cho nhân viên phục vụ tại các sảnh của các ga ngầm có các gian sản xuất, hành chính, vệ sinh - sinh hoạt và các gian phục vụ khác được bố trí ở 3 độ cao trở lên.
5.16.33 BCK cho các đường thoát nạn trong các hầm chạy tầu phải đảm bảo:
- Luồng khí phải có hướng ngược với hướng thoát người và ổn định trên các đoạn làm thay đổi hướng luồng khí (khi giải thoát người theo một hướng từ nguồn cháy).
- Giảm được vận tốc không khí trong đường hầm đến 0,5 m/s khi giải thoát người theo hai hướng từ đám cháy.
5.16.34 Để BCK cho nhà ga và các đường hầm cần sử dụng các thiết bị thông gió đường hầm và thông gió tại chỗ, còn khi cần thiết, phải có các phương tiện kỹ thuật bổ sung – các thiết bị thông gió tạo áp chuyên dùng và các vách ở phần trên của gian sân ga (gian giữa) để tạo thành các vùng khói.
5.16.35 Sơ đồ điều khiển các thiết bị thông gió tại chỗ phải có khả năng tự động tắt khi cháy.
5.16.36 Việc tính toán hệ thống BCK phải tiến hành:
a) Đối với nhà ga:
- Khi cháy ở các toa đầu, cuối và giữa của đoàn tầu đối với tất các các đường tầu của ga;
- Khi cháy trong hầm thang cuốn, trong gian máy của các thang cuố
|
Gian phòng, công trình, thiết bị |
Thiết bị chữa cháy tự động |
Thiết bị báo cháy tự động |
|---|---|---|
|
Chỉ tiêu định mức ứng với tải trọng cháy |
||
|
Kênh dẫn cáp, đường hầm dọc ga, các tầng chứa cáp |
Lớn hơn 180 MJm-2 |
180 MJm-2 và nhỏ hơn |
|
Kênh dẫn cáp-thông khí |
- |
Không phụ thuộc diện tích |
|
Các phòng đặt các thiết bị phân phối 10 kV; 825 V; 380 V |
- |
Như trên |
|
Phòng bảng điện |
- |
Như trên |
|
Kho chứa dầu mỡ và sơn |
Không phụ thuộc diện tích |
- |
|
Các gian phòng hạng C1 theo mức nguy hiểm cháy |
Như trên |
- |
|
Các gian phòng C2 và C3 theo mức nguy hiểm cháy |
300 m2 và lớn hơn |
Nhỏ hơn 300 m2 |
|
Tủ nguồn điện vào và điều khiển thang cuốn trong các phòng máy |
Khối tích bên trong tủ |
- |
|
Khu vực các nhịp để dừng và sửa chữa trong các nhà của trạm đầu mối khi diện tích khoang ngăn cháy bằng |
4500 m2 và lớn hơn |
Nhỏ hơn 4500 m2 |
n và trong sảnh;
- Khi cháy thang cuốn chuyển bến;
- Khi cháy trong đoàn tầu đang ở trong đường hầm chạy tầu.
b) Đối với đường hầm chạy tầu – khi cháy trong đoàn tầu.
Bảng 4.
5.16.37 Thông gió chống khói cho các phòng hành chính, y tế, sản xuất và các phòng khác, kể cả cho các công trình thương mại phải đảm bảo không nhiễm khói các đường thoát nạn từ các phòng này trong suốt thời gian giải thoát người từ nhà ga ra bên ngoài.
5.16.38 Việc trang bị điện phải phù hợp với cấp của vùng nguy hiểm cháy theo quy định hiện hành.
Các dây điện và đường cáp không được lan cháy.
5.16.39 Các gian phòng ngầm của nhà ga và các công trình bên trong đường hầm cần phải có các phương tiện chữa cháy ban đầu.
5.16.40 Các gian kho chính dùng để chứa các nhiên liệu phải được đặt ở phần trên mặt đất của các công trình tầu điện ngầm.
Các kho dầu mỡ và sơn dự trữ phải được đặt tại độ cao của các đường chuyển của người đi bộ và gian máy của các thang cuốn.
5.17 Đảm bảo vệ sinh dịch tễ
5.17.1 Trong các công trình tầu điện ngầm, các yêu cầu vệ sinh dịch tễ cần phải được tuân thủ nhằm đảm bảo các điều kiện thuận lợi và an toàn cho việc vận chuyển hành khách và làm việc của nhân viên tầu điện ngầm và các tổ chức xây dựng.
5.17.2 Trong các phòng hành khách, phải đảm bảo các thông số vi khí hậu sau:
a) trong khoảng thời gian ấm của năm (nhiệt độ trung bình ngày đêm của không khí ngoài trời cao hơn 10°С) – nhiệt độ không khí từ 18°С đến 28°С, vận tốc trung bình của không khí từ 0,5 m/s đến 2 m/s.
b) trong khoảng thời gian lạnh của năm (nhiệt độ trung bình ngày đêm của không khí ngoài trời bằng hoặc thấp hơn 10°С) - nhiệt độ không khí từ 10°С đến 16°С, vận tốc trung bình của không khí từ 0,5 m/s đến 2 m/s.
Vận tốc trung bình của không khí trên sân ga tầu điện ngầm khi tầu đến và đi không cho phép vượt quá 2 lần.
5.17.3 Trong các phòng sản xuất thường xuyên có nhân viên và trong các phòng bảo vệ sức khỏe phải đảm bảo các điều kiện vi khí hậu tối ưu, trong các phòng sinh hoạt và sản xuất còn lại không thường xuyên có nhân viên - không thấp hớn mức cho phép theo quy định hiện hành.
5.17.4 Trong không khí ở các đường hầm và gian hành khách, hàm lượng các chất bẩn không được vượt quá nồng độ giới hạn cho phép (NGC) một lần lớn nhất đối với không khí khí quyển của vùng dân cư theo tiêu chuẩn hiện hành.
5.17.5 Trong không khí của các phòng sản xuất, hàm lượng các chất có hại phải phù hợp với tiêu chuẩn của môi trường sản xuất công nghiệp.
5.17.6 Hàm lượng khí CO2 trong không khí của các gian hành khách không được vượt quá 0.1% theo thể tích vào thời gian ấm của năm và 0,12% vào thời gian lạnh của năm.
5.17.7 Các mức áp lực âm thanh, các mức âm thanh và mức âm thanh tương đương, cũng như các mức âm thanh lớn nhất không được vượt quá giá trị cho trong Bảng 5.
5.17.8 Thời gian âm vang trong khoảng tần số trung bình (500 ¸ 2000 Hz) phải nằm trong khoảng 1,2 ¸ 1,4 s đối với sân ga có hai đường tầu và 1,4 ¸ 1,6 s đối với sân ga có 3 đường tầu.
5.17.9 Các mức áp lực âm thanh và tổng mức áp lực âm thanh hạ âm không được vượt quá giá trị giới hạn cho phép và giá trị cho phép theo quy định hiện hành.
Đối với hạ âm ngắt quãng và hạ âm dao động theo thời gian, mức áp lực âm thanh không được vượt quá 120 dB.
5.17.10 Các mức áp lực âm thanh của siêu âm không khí tại các chỗ làm việc, các giá trị đỉnh của vận tốc rung, và các mức vận tốc rung của siêu âm tiếp xúc đối với những người làm việc không được vượt quá các giá trị giới hạn cho phép theo quy định hiện hành.
5.17.11 Các giá trị gia tốc rung và vận tốc rung của rung động; Các giá trị gia tốc rung và vận tốc rung của các rung động cục bộ không được vượt quá giá trị giới hạn cho phép (Phụ lục D).
5.17.12 Các giá trị gia tốc rung và vận tốc rung của các rung động cục bộ không được vượt quá các giá trị giới hạn cho phép (Phụ lục D).
5.17.13 Các mức tác động bức xạ điện từ của sóng radio (30 kHz đến 300 kHz) đến những người làm việc trong những khu vực có ảnh hưởng của các nguồn đó; đối với nhóm người còn lại, kể cả hành khách không được vượt quá các giá trị cho phép theo quy định hiện hành.
5.17.14 Các mức phát xạ ion đối với nhân viên và hành khách phải không vượt mức quy định tại QCVN 05 : 2008/BXD Nhà ở và công trình công cộng - An toàn sinh mạng và sức khoẻ.
5.17.15 Các mức điện áp cho phép của trường điện tần số 50 Hz tùy thuộc vào thời gian có mặt của nhân viên trong trường điện không được vượt quá các yêu cầu của quy định hiện hành.
Bảng 5.
|
Loại gian phòng |
Các mức áp lực âm thanh, dB, trong các giải octa với tần số hình học trung bình, Hz |
Các mức âm thanh và các mức âm thanh tương đương, dBа |
Các mức âm thanh lớn nhất LАмакс, dBа |
||||||||
|---|---|---|---|---|---|---|---|---|---|---|---|
|
31,5 |
63 |
125 |
250 |
500 |
1000 |
2000 |
4000 |
8000 |
|||
|
1 Các phòng sản xuất và chỗ làm việc của nhân viên trong các phòng hành khách |
Các mức giới hạn cho phép của áp lực âm thanh, của âm thanh và của âm thanh tương đương đối với các loại hình lao động thông dụng cơ bản nhất và của các nơi làm việc không được vượt quá các yêu cầu theo quy định hiện hành |
||||||||||
|
2 Các phòng hành khách: trong các ga ngầm |
- |
85 80 |
100 95 |
||||||||
|
Trong các ga hở trên mặt đất. |
- |
80 75 |
95 90 |
||||||||
|
3 Các phòng chăm sóc sức khỏe |
76 |
59 |
48 |
40 |
34 |
30 |
27 |
25 |
23 |
35 |
50 |
|
4 Các phòng nghỉ của tổ lái tầu |
76 |
59 |
48 |
40 |
34 |
30 |
27 |
25 |
23 |
35 |
50 |
|
5 Các phòng sinh hoạt (ngoại trừ mục 3 và 4) |
90 |
75 |
66 |
59 |
54 |
50 |
47 |
45 |
44 |
55 |
70 |
|
Ghi chú - Trong mục 2, tử số là các giá trị cho phép của âm thanh, mẫu số - các giá trị tối ưu. |
|||||||||||
5.17.16 Khi sử dụng các gian ghi hình và phòng máy tính, các chỗ làm việc, vi khí hậu, thành phần ion và hóa học của môi trường không khí, độ ồn, độ rung, độ chiếu sáng và các điều kiện nghỉ ngơi của nhân viên phải phù hợp với QCVN 05 : 2008/BXD Nhà ở và công trình công cộng - An toàn sinh mạng và sức khoẻ và các quy định hiện hành.
5.17.17 Trạm đầu mối và tuyến tầu điện ngầm phải có các công trình và thiết bị đặc biệt để làm sạch nước thải công nghệ, trong đó có nước từ các máy dọn vệ sinh trong các phòng hành khách và các phòng khác.
5.17.18 Kích thước các vùng bảo vệ - vệ sinh ở giai đoạn xây dựng và khai thác tầu điện ngầm phải không nhỏ hơn 300 m.
5.18 Bảo vệ môi trường xung quanh
5.18.1 Việc bố trí các công trình ngầm không được làm phá vỡ chế độ thủy văn của các công trình nước hiện hữu và các điều kiện địa chất thủy văn của các khu vực liền kề.
5.18.2 Các công trình trên mặt đất là nguồn gây bẩn lớp không khí gần mặt đất không được bố trí ở những nơi tụ đọng khí, nơi có các chỉ số gây bẩn khí quyển cao, từ phía đón gió của các công trình đòi hỏi không khí đặc biệt trong sạch.
5.18.3 Thoát nước thải từ các công trình ngầm vào các hệ thống thoát nước mưa đô thị chỉ được phép sau khi làm sạch. Thành phần các công trình làm sạch nước và mức độ làm sạch phải theo các quy định hiện hành.
5.18.4.Với mục đích bảo vệ và sự dụng hợp lý các khu vực cây xanh, tượng đài lịch sử và văn hóa, việc tuân thủ các yêu cầu đối với các khu vực thiên nhiên cần bảo vệ đặc biệt, phải thực hiện theo các biện pháp cân bằng và bảo vệ thiên nhiên.
5.19 Bảo vệ chống ồn, rung và dòng điện ăn mòn cho các công trình đô thị
5.19.1 Nhà và các công trình đô thị phải được bảo vệ chống ồn và rung xuất hiện khi xây dựng và khi tầu chạy trong quá trình khai thác sử dụng tầu điện ngầm.
5.19.2 Trong các phòng của nhà ở và nhà công cộng, các mức ồn và các mức hạ âm không được vượt quá các giá trị nêu trong QCVN 05 : 2008/BXD Nhà ở và công trình công cộng - An toàn sinh mạng và sức khoẻ và các quy định hiện hành.
Giá trị bình phương trung bình lớn nhất của vận tốc rung trong các dải octa có tần số hình học trung bình 16; 31,5 và 63 Hz không được vượt quá các giá trị cho phép qui đinh tại Bảng 6.
Bảng 6.
Việc kiểm tra hiệu quả bảo vệ chống ồn và rung cho các phòng ở và nh
|
Các phòng, nhà |
Giá trị cho phép |
|
|---|---|---|
|
m/s |
dB |
|
|
Nhà ở |
0,00011 |
67 |
|
Bệnh viện, nhà điều dưỡng |
0,00008 |
64 |
|
Nhà hành chín -điều hành, nhà công cộng |
0,00028 |
75 |
|
Trường học, các phòng đọc của thư viện |
0,0002 |
72 |
|
GHI CHÚ: 1. Đối với các giá trị đã hiệu chỉnh của vận tốc rung, thì các giá trị giới hạn tính bằng m/s được tăng lên 2,1 lần (+6 dB), đối với các giá trị tương đương – giảm xuống 0,32 lần (- 10 dB). 2. Vào ban ngày, trong các phòng ở, bệnh viện và nhà điều dưỡng cho phép vượt giá trị tiêu chuẩn 1,8 lần (+5 dB). |
||
à công cộng theo các quy định cần được thực hiện khi tầu chạy ở chế độ khai thác.
5.19.3 Các công trình ngầm đô thị cần được bảo vệ khỏi ảnh hưởng ăn mòn của dòng điện (ăn mòn điện hóa).
Việc kiểm tra tính hiệu quả của việc bảo vệ các công trình này phải được thực hiện trong 2 năm đầu tiên khác thác tuyến tầu điện ngầm.
5.19.4 Khi kết hợp các công trình của tuyến tầu điện ngầm với các công trình có chức năng khác, thì các công trình này phải thỏa mãn các yêu cầu trong 5.21.
5.20 Bảo vệ kết cấu chống tác động của môi trường xâm thực
5.20.1 Các kết cấu nhà, công trình và các bộ phận thiết bị kim loại (tủ thiết bị, kết cấu kim loại và v.v….) phải được bảo vệ chống ăn mòn dưới tác động của môi trường xâm thực sinh ra từ tự nhiên và công nghệ.
5.20.2 Việc bảo vệ chống ăn mòn các thang cuốn, quạt gió, máy bơm, thiết bị điện, cáp, … phải thực hiện theo các tài liều kỹ thuật tương ứng với chúng.
5.20.3 Việc bảo vệ ăn mòn các kết cấu xây dựng của tầu điện ngầm phải theo các quy định hiện hành có đến đặc điểm của kết cấu và điều kiện khai thác chúng.
5.21 Bảo vệ các công trình và các thiết bị của tuyến tầu điện ngầm chống ăn mòn do dòng điện
5.21.1 Việc bảo vệ các công trình và thiết bị của tuyến tầu điện ngầm chống ăn mòn do dòng điện (ăn mòn điện hoá) phải tuân theo các quy định hiện hành và các yêu cầu của quy chuẩn này.
5.21.2 Cốt thép của các cấu kiện BTCT và kết cấu thép của các cầu và cầu dẫn không được tạo thành liên kết pin với các đường ray tầu chạy và với vỏ hoàn thiện của đường hầm.
5.21.3 Trên các đoạn ngầm của tuyến, trên các cầu và cầu dẫn phải có các điểm đo kiểm dòng điện gây ăn mòn.
5.21.4 Việc kiểm tra tính hiệu quả bảo vệ ăn mòn điện phải được thực hiện sau 2 năm đầu tiên khác thác tuyến tầu điện ngầm.
5.22 Tín hiệu bảo vệ
5.22.1 Tín hiệu bảo vệ tự động phải có:
- ở các lối vào các phòng hành khách;
- ở các lối vào các phòng sản xuất có các thiết bị đảm bảo hoạt động của tuyến, an toàn cho hành khách và tổ chức chạy tầu;
- theo chu vi của hàng rào các công trình trên mặt đất (trạm đầu mối, các đoạn hở của tuyến, v.v…).
5.23 Nhà hành chính – sản xuất
5.23.1 Để đảm bảo phân chia chức năng của tuyến tầu điện ngầm phải có:
- Nhà hành chính của tuyến để bố trí các bộ máy điều hành, nhân viên kỹ thuật-hành chính và các bộ phận khác.
- Nhà để bố trí các trạm điều độ của tuyến tầu điện ngầm, hệ thống kỹ thuật quản lý điều độ, hệ thông thông tin, trung tâm máy tính và các phương tiện kỹ thuật khác có liên quan tới điều khiển tầu điện ngầm;
- Nhà để bố trí cán bộ kỹ thuật chỉ đạo từ xa các bộ phận khai thác tuyến.
5.23.2 Nhà để bố trí các trạm điều độ của các tuyến tầu điện ngầm phải đặt tại vùng giao nhau giữa các tuyến tầu điện ngầm, ngay gần ga hoặc kết hợp với sảnh ga. Nhà phải có kết nối với các đường hầm của các tuyến, dùng cho việc đi lại của nhân viên và đặt cáp.
5.23.3 Nhà để bố trí cán bộ kỹ thuật phải có cho từng tuyến và đặt ngay gần ga hoặc kết hợp với sảnh ga.
5.23.4 Các nhà để bố trí các trạm điều độ và nhân viên kỹ thuật phải có trong thành phần của đoạn đường tầu khởi động đầu tiên của tuyến thứ nhất.
Đối với giai đoạn khai thác đầu tiên, được phép chỉ xây dựng nhà để bố trí các trạm điều độ của tuyến kết hợp trong đó chức năng của nhà hành chính và nhà cho nhân viên kỹ thuật.
5.24 An toàn công nghiệp
5.24.1 Trong dự án đầu tư xây dựng tuyến tầu điện ngầm phải có tổ hợp các giải pháp đặc trưng về tổ chức, kỹ thuật và kinh tế để đảm bảo sự làm việc an toàn khi thi công và tránh được các ảnh hưởng tiêu cực đến môi trường xung quanh.
5.24.2 Các đặc trưng kỹ thuật của các thiết bị đào hầm, vận chuyển, nâng chuyển và các bình áp lực (kể cả loại nhập ngoại) dùng cho xây dựng, các quá trình công nghệ, vật liệu và kết cấu xây dựng phải tuân thủ các yêu cầu về an toàn công nghiệp.
5.25 Các khu vực kỹ thuật và bảo vệ
5.25.1 Các công trình của tuyến tầu điện ngầm phải được đánh dấu trên bản độ địa hình thành phố tỉ lệ 1 : 500 có ký hiệu gianh giới các khu vực khai thác kỹ thuật và bảo vệ.
5.25.2 Việc tiến hành công việc nào đó trong phạm vi các khu vực kỹ thuật và bảo vệ chỉ được phép khi có sự thỏa thuận của các tổ chức thiết kế và khai thác tuyến tầu điện ngầm.
5.25.3 Ở các nhà ga trên mặt đất phải có các khu vực kỹ thuật xây dựng rộng 20 m và chiều dài không nhỏ hơn 60 m về mỗi phía để đảm bảo cho việc cải tạo mở rộng kích thước nhà ga.
6. Thi công
6.1 Việc chuẩn bị thi công xây dựng phải được thực hiện theo quy định hiện hành về tổ chức thi công xây dựng công trình.
Các công trình của tầu điện ngầm liên quan đến việc đào hầm, xây lắp trong điều kiện ngầm được xếp vào hạng công trình sản xuất nguy hiểm.
6.2 Khi chuẩn bị và tiến hành công tác xây lắp cần tổ chức và thực hiện việc kiểm tra sự tuân thủ các yêu cầu về an toàn công nghiệp, trong đó:
- Phải có tài liệu kỹ thuật tiêu chuẩn qui định các qui tắc tiến hành công việc và khoanh vùng các sự cố có thể xảy ra.
- Tiến hành quan trắc trạng thái các nhà và công trình trong vùng có thể bị biến dạng khi đào hầm qua;
- Đảm bảo kiểm tra thường xuyên trạng thái của hệ thống chống đỡ tạm đối với các phần đào ngầm và trạng thái của vỏ hầm cố định được đưa vào;
- Tiến hành dự báo, thử nghiệm và chứng nhận các kết cấu và thiết bị kỹ thuật;
- Thực hiện các yêu cầu an toàn công nghiệp về bảo quản các chất nguy hiểm và độc hại;
- Thiết lập và duy trì trạng thái làm việc của hệ thống đảm bảo an toàn sinh mạng, quan sát, thông báo, thông tin và hỗ trợ các hoạt động trong trường hợp sự cố.
6.3 Trắc đạc ngầm trong xây dựng phải được tiến hành, đảm bảo việc chuyển chính xác ra ngoài các mốc, các trục của công trình và các bộ phận của nó với độ chính xác cho phép nhằm đạt được mức chất lượng cần thiết của sản phẩm xây dựng và theo dõi được biến dạng của nhà và công trình hiện hữu trong khu vực đang xây dựng.
6.4 Trước khi thi công cần thiết lập trên mặt đất hệ mốc trắc đạc cơ sở phục vụ thi công.
Sai số bình phương trung bình vị trí tương hỗ các điểm của lưới mặt bằng của hệ mốc trắc đạc cơ sở phải không được quá 15 mm, trên 1 km của bước thủy chuẩn – không quá 5 mm.
Khi đào xuyên ngầm phải lập hệ mốc cơ sở trắc đạc ngầm mặt bằng - độ cao.
Sai số tương đối của lưới mặt bằng ngầm không được vượt quá 1: 20.000, sai số bình phương trung bình trên 1 km bước thủy chuẩn - 10 mm; định hướng hố đào bằng kinh vĩ con quay – 15’’.
Việc định hướng phải được lặp lại sau mỗi khi đào xuyên được 200 m.
6.5 Theo dõi trắc ngầm khi thi công xây lắp cần phải đảm bảo kiểm soát được kích thước hầm theo phụ lục B và các sai số cho phép của các kích thước thực tế của vỏ đường hầm lắp ghép và toàn khối so với vị trí thiết kế.
6.6 Các công việc thuộc địa chất công trình trong quá trình xây dựng phải đảm bảo:
- Có tài liệu thực tế về địa chất công trình của các công trình đang xây dựng;
- Xác định sự phù hợp giữa các số liệu địa chất công trình trong hồ sơ thiết kế so với các số liệu thực tế, được thiết lập tại hiện trường;
- Dự báo trước các điều kiện địa chất công trình trong khu vực đào hầm;
- Quan trắc tại chỗ các thông số môi trường xung quanh và hệ kỹ thuật - tự nhiên;
- Đảm bảo an toàn cho các công tác đào hầm bằng việc đánh giá sự ổn định của đất nền trong hố đào;
- Can thiệp kip thời vào quá trình xây dựng trong trường hợp có nguy hiểm do điều kiện địa chất bất lợi gây ra;
- Tham gia nghiên cứu đất nền công trình;
- Lập báo cáo kết quả các công tác địa chất công trình phục vụ xây dựng.
6.7 Công nghệ xây dựng phải đảm bảo sự dịch chuyển của khối đất và độ lún ở mặt đất là ít nhất, không gây nguy hiểm cho sự toàn vẹn của nhà, công trình và hệ thống kỹ thuật ngầm đô thị.
Không cho phép để lại các khoảng trống giữa bề mặt của vỏ ngoài công trình và đất.
6.8 Công trường xây dựng phải được rào kín theo quy định.
6.9 Chỉ cho phép bắt đầu các công việc xây dựng chính sau khi nghiệm thu đưa vào sử dụng các phòng hành chính-sinh hoạt tạm thời và hệ thống đảm bảo kỹ thuật.
6.10 Trước khi thực hiện các công việc xây lắp ở những nơi đất, nước ngầm bị nhiễm bẩn hoặc không khí bị nhiễm các chất hoá học và sinh học có hại, ở những nơi có độ ồn quá mức, những nơi có độ rung, bức xạ hoặc các yếu tố có hại khác đã được chỉ ra trong đổ án tổ chức thi công xây dựng, phải tiến hành kiểm tra độ nhiễm của chúng phù hợp với các khuyến cáo của các cơ quan giám định y tế.
Tại những nơi đất và nước bị nhiễm phóng xạ, thì việc bảo vệ nhân viên xây dựng phải đảm bảo tuân theo các quy định về an toàn phóng xạ.
6.11 Các thông số vi khí hậu, các yếu tố hóa - lý trong các phòng sản xuất và hành chính -sinh hoạt trên công trường xây dựng phải tuân thủ các quy định về vệ sinh-an toàn lao động hiện hành.
6.12 Việc chiếu sáng nhân tạo trong các phòng và trên khuôn viên của công trường xây dựng phải tuân theo các quy định hiện hành về chiếu sáng.
6.13 Trong khu vực mặt bằng thi công ngầm cần phải đảm bảo các thông số vi khí hậu theo Bảng 7. Khi không có khả năng đạt được các thông số này, thì phải có các giải pháp bảo vệ cần thiết.
6.14 Thành phần hóa học của không khí trong ở nơi làm việc, lượng bụi và son khí trong không khí phải theo các quy định về vệ sinh an toàn lao động hiện hành.
6.15 Mức độ tác động của các yếu tố vật lý (độ ồn, rung, trường điện từ, v.v…) tại các nơi làm việc phải thỏa mãn các yêu cầu về vệ sinh môi trường lao động hiện hành.
6.16 Việc xây dựng các cấu trúc phía trên của tuyến đường phải được thực hiện:
a) Khi thi công bằng phương pháp đào kín - sau khi hoàn thành và nghiệm thu bằng văn bản phần công trình, chống thấm vỏ hầm, đổ nền bê tông phía dưới đường tầu.
b) Khi thi công bằng phương pháp đào mở - sau khi lấp lại hố đào và ổn định lún của vỏ hầm.
c) Khi thi công trên mặt đất - sau khi kết thúc việc lắp đặt các hệ thống kỹ thuật ngầm và chuẩn bị nền đường.
Bảng 7.
|
Các thông số vi khí hậu |
Các giá trị cho phép |
||
|
Nhiệt độ không khí, oC |
16 ¸ 19 |
20 ¸ 23 |
24 ¸ 26 |
|
Độ ẩm tương đối, % |
80 ¸ 30 |
75 ¸ 30 |
70 ¸ 30 |
|
Vận tốc chuyển động của không khí, m/s |
0,1 ¸ 0,5 |
0,6 ¸ 1,0 |
1,1 ¸ 1,5 |
|
CHÚ THÍCH: 1) Ở đất ngập nước cho phép độ ẩm tương đối của không khí tăng thêm 10%; 2) Vận tốc chuyển động của không khí lớn ứng với nhiệt độ cao nhất. |
|||
6.17 Công tác lắp đặt ray tiếp xúc được thực hiện sau khi hoàn thiện thô các đường tầu, bộ phận chuyển ghi và các các nút giao cắt.
7. Nghiệm thu đưa vào khai thác
7.1 Việc tổ chức nghiệm thu đưa vào khai thác phải tuân thủ các nguyên tắc cơ bản về nghiệm thu các công trình xây dựng đã hoàn thành.
Việc nghiệm thu phải bao trùm tất cả các dạng công trình, thiết bị, kết cấu và các công việc kể cả phần bị che khuất.
7.2 Các công trình xây dựng được đưa vào nghiệm thu chỉ sau khi khắc phục xong các tồn tại và lưu ý đã được phát hiện, thực hiện xong các việc thử nghiệm hiệu chỉnh, thử nghiệm các thiết bị đã được lắp đặt và đảm bảo các thông số kỹ thuật và chế độ làm việc cho trước của thiết bị.
7.3 Các công trình xây dựng có thể được chấp nhận và đưa vào khai thác toàn bộ hoặc từng phần, hoặc theo các tổ hợp khởi động, nếu được qui định trong hồ sơ thiết kế.
Không được loại trừ các hạng mục sau trong thành phần tổ hợp khởi động:
- Nhà và công trình phục vụ những người làm việc của tàu điện ngầm;
- Công trình và thiết bị đảm bảo điều kiện sức khoẻ và an toàn lao động cho những người làm việc của tàu điện ngầm;
- Công trình và thiết bị bảo đảm an toàn cháy;
- Các giải pháp bảo vệ môi trường xung quanh;
- Các đường nhánh nối giữa các tuyến đường tàu điện ngầm và các đường tầu trong mạng đường sắt chung;
- Các tuyến thông tin;
- Các giải pháp hoàn thiện mặt bằng sau khi kết thúc thi công;
- Các xưởng liên hợp để sửa chữa thiết bị (thang cuốn, biến thế, động cơ điện, bơm, quạt gió, ...), cũng như các cơ sở của các phương tiện khắc phục sự cố.
Phụ lục A
Giải thích từ ngữ
Trong quy chuẩn này sử dụng các thuật ngữ và định nghĩa sau:
A.1 Trạm thông gió – công trình riêng biệt hoặc đặt trong công trình khác ở trên mặt đất, được sử dụng trong các hệ thống thông gió để thu và thoát không khí.
A.2 Thiết bị thông gió – tổ hợp thiết bị thông gió, kỹ thuật điện, thiết bị phụ trợ cùng các gian phòng chứa thiết bị, các kênh thông gió ngang, nghiêng hoặc đứng và các bộ phận thu (thoát) không khí.
A.3 Độ sâu đặt tuyến
A.3.1 Đặt sâu – tuyến được đặt ở độ sâu mà ở đó các nhà ga và đường hầm chạy tầu được thi công bằng phương pháp kín, không đào lộ bề mặt đất tự nhiên.
A.3.2 Đặt nông – tuyến ở độ sâu mà ở đó các nhà ga được thi công bằng phương pháp hở, các đường hầm tầu chạy – bằng phương pháp hở hoặc kín ở độ sâu cho phép tối thiểu.
A.4 Vùng bảo vệ tập trung cho hành khách – không gian ngầm riêng biệt để bố trí hành khách khi trong các đường hầm tầu chạy xảy ra tình huống nguy hiểm cho tính mạng hoặc sức khỏe của người; Vùng này được trang bị các hệ thống riêng về an toàn cháy, chiếu sáng, thông tin liên lạc, thông gió và thoát nước.
A.5 Nguồn điện liên tục – thiết bị điện, cấu tạo từ ắc quy, bộ phận biến đổi năng lượng điện và bộ phận phân phối.
A.6 Tuyến tầu điện ngầm (tuyến) – phần độc lập của hệ thống tầu điện ngầm có các nhà ga, đường chạy tầu và đường cụt, được sử dụng để chạy tầu theo một tuyến.
A.7 Tầu điện ngầm – một loại giao thông điện chở hành khách trong thành phố (ngầm, trên mặt đất, trên cao) không thực hiện trên đường phố
A.8 Vùng bảo vệ - khu đất nằm phía trên công trình tầu điện ngầm hiện hữu và liền kề nó mà việc sử dụng để xây dựng mới, làm đường, đặt các hệ thống kỹ thuật, khoan giếng … phải được sự đồng ý của cơ quan quản lý tầu điện ngầm.
A.9 Băng tải hành khách – thiết bị vận chuyển: bề mặt cấu tạo từ các bản hoặc một băng liền chuyển động liên tục dùng để vận chuyển hành khách đi ngang hoặc từ một độ cao này sang một độ cao khác.
A.10 Gian hành khách – các bộ phận của nhà ga (phòng bán vé, hành lang, các cầu thang bộ, các gian sân ga …), được sử dụng để chứa và phục vụ sự đi lại của hành khách.
A.11 Công trình chuyển bến – công trình nằm giữa các ga, được dùng để di chuyển hành khách từ ga này sang ga khác, bao gồm các gian hành khách (các hành lang), các thang cuốn và thang bộ, các gian phòng sản xuất và sinh hoạt.
A.12 Khả năng vận chuyển – lượng hành khách vận chuyển được (nghìn hành khách/giờ) ở quy mô chạy tầu lớn nhất có thể (số toa tầu trong đoàn tầu và số đoàn tầu trong một giờ) theo một hoặc hai hướng.
A.13 Khả năng thông tàu – quy mô chạy tầu (cặp các đoàn tầu) có thể thực hiện được trong một đơn vị thời gian (giờ, ngày) tùy thuộc vào mức độ trang bị kỹ thuật và phương pháp tổ chức chạy tàu; số lượng hành khách tính toán đối với các đoạn đường khác nhau.
A.14 Tổ hợp khởi động - một đoạn tuyến, một phần của ga, trạm đầu mối hoặc hạng mục khác của công trình tầu điện ngầm cùng với các hệ thống kỹ thuật của chúng, được tách ra từ thành phần của công trình xây dựng, đảm bảo công năng tạm thời của công trình trong giai đoạn khai thác đầu tiên.
A.15 Các đường của tuyến
A.15.1 Đường chính – đường để chạy tầu chở hành khách trên tuyến.
A.15.2 Đường trạm – đường để quay tầu, đứng tầu và phục vụ kỹ thuật toa tầu;
A.15.3 Đường nối – đường để nối các đường của tuyến với các đường của trạm đầu mối hoặc các đường của tuyến khác;
A.16 Các đường của trạm đầu mối
A.16.1 Đường chứa tầu – đường để tập kết, chạy thử toa tầu, chất tải và dỡ tải nằm ngoài các tòa nhà.
A.16.2 Đường trong trạm đầu mối – đường để đỗ, phục vụ kỹ thuật và sửa chữa toa tầu, nằm trong các tòa nhà.
A.17 Ga – Trạm dừng tầu ở dưới ngầm hoặc trên mặt đất, dùng để đưa đón hành khách, bao gồm các sảnh, các thang cuốn hoặc các cầu thang bộ, các sân ga và gian giữa, không gian để phục vụ hành khách, bố trí nhân viên vận hành và thiết bị sản xuất.
A.18 Các vùng kỹ thuật
A.18.1 Vùng kỹ thuật để xây dựng - khu đất đô thị dành để xây dựng các đoạn tuyến khác của tầu điện ngầm bằng phương pháp đào hở, để bố trí trạm đầu mối và các công trình khác trên mặt đất, cũng như các công trường xây dựng phục vụ thi công các hạng mục của công trình tầu điện ngầm bằng phương pháp đào kín.
A.18.2 Vùng kỹ thuật để khai thác – khoảng đất trống, liền kề công trình tầu điện ngầm được sử dụng để đảm bảo hoạt động bình thường cho công trình (cửa vào, cửa ra cho hành khách, bố trí các máy móc sửa chữa, thiết bị và vật liệu trong giai đoạn sửa chữa)
A.19 Đường cụt – đoạn hầm có một hoặc hai đường ray điện, dùng để quay, dừng và phục vụ kỹ thuật toa tầu trên tuyến.
A.20 Mạng điện chạy tầu – mạng điện, đảm bảo việc truyền năng lượng điện từ trạm điện tới đoàn tầu. Trong thành phần của mạng điện chạy tầu có các mạng tiếp xúc và mạng tiêu thụ.
A.21 Thiết bị thông gió cục bộ - thiết bị dùng để thông gió các gian phòng sản xuất, sinh hoạt, hành chính và các gian phòng khác của các ga ngầm và các công trình trong đường hầm.
A.22 Thiết bị thông gió đường hầm – thiết bị dùng để thông gió các gian hành khách của các ga ngầm, đường hầm tầu chạy, đường cụt và các đường hầm nối.
A.23 Lối thoát hiểm – lối ra ngoài trời hoặc vào khoang ngăn cháy bên cạnh.
A.24 Nhân viên vận hành (nhân viên) – những người được đào tạo chuyên môn, đã qua kiểm tra kiến thức cho loại công việc hoặc chức vụ đảm nhận.
PHỤ LỤC B
Một số quy định về kích thước của đường tầu điện ngầm
B.1 Các kích thước bao của vỏ hầm là các đường bao giới hạn của tiết diện ngang (vuông góc với trục đường tầu), trong đó, ngoài toa tầu và thiết bị không được có bất kỳ bộ phận công trình cố định hoặc các kết cấu xây dựng nào, ngoại trừ các gối tựa của hầm, có kể đến các sai số cho phép về chế tạo và lắp ráp chúng.
B.2 Không gian giữa kích thước bao của vỏ hầm và thiết bị được quy định để bố tri các trang thiết bị của đường tầu, các automat điện, hệ thống điều khiển cơ để chạy tầu, thông tin liên lạc, cấp điện, chiếu sáng, kỹ thuật vệ sinh, cũng như các đường nhỏ để nhân viên phục vụ đi lại, các cầu nhỏ và các sân ga trong các đường hầm giữa các ga.
KÍCH THƯỚC BAO VỎ HẦM
B.3 Các kích thước bao vỏ hầm phải thỏa mãn các chỉ dẫn trên hình B.1-3 (1-3) khi bố trí ray tiếp xúc bên trái trục đường tầu.
B.4 Kích thước bao Cmk (hình B.1) được quy định đối với các đoạn đường tầu thẳng và cong với bán kính 200m trở lên, nằm trong đường hầm chạy tầu tiết diện tròn đường kính 5100 ¸ 5200 mm.
B.5 Trên các đoạn đường cong, trục của đường hầm phải dịch vào phía trong của đường cong so với trục của đường tầu một đại lượng q (mm) xác định theo công thức:

![]()
Trong đó:
- 1700 (1670) - tương ứng là khoảng cách từ tâm của đường bao đến điểm nằm trong mặt phẳng tiếp tuyến với các đỉnh ray tại giữa đường tầu, khi sử dụng loại ray Р50 và Р65, mm;
- tga - góc nghiêng của đường so với phuơng ngang.
B.6 Đối với các nhánh phục vụ tại các đoạn đường cong có bán kính nhỏ hơn 200 m, thì các kích thước Cmk nên tăng lên để đảm bảo cho việc bố trí các thiết bị và cáp trong khoảng giữa chúng và đường bao Om.
B.7 Dạng của đường bao Cmn (Hình B. 2) nằm trên mức của các đỉnh ray được quy định cho các đoạn đường thẳng. Đối với các đoạn đường cong, thì các kích thước ngang của đường bao này phải được tăng lên.
B.8 Dạng của các đường bao Cmn (Hình B.3) nằm trên mức của các đỉnh ray (trừ đường bao của các cột) được thiết lập cho các đoạn đường thẳng. Các kích thước ngang của phần bên phải của đường bao này và khoảng cách đến rào chắn trên các sân ga nằm ở các đoạn đường cong phải tăng thêm.

Hình B.1 - Kích thước bao Cmk (đối với đường hầm tiết diện tròn )
Đường bao của đường dành cho nhân viên phục vụ
Đường bao của rãnh thoát nước;
Đường bao của nền đường tầu
GHI CHÚ:
1. * Kích thước được tăng thêm 30 mm khi đặt ray loại P65 cho đường tầu;
2. a – tùy thuộc vào cấu tạo đường tầu lấy trong khoảng 450 ¸ 550mm;
3. Trục của đường bao lấy theo đường đi qua tâm của đường tầu vuông góc với mặt phẳng tiếp tuyến với các đỉnh ray;
4. Độ dốc i với các đoạn thẳng lấy bằng 0.03, với các đoạn cong lấy tùy thuộc vào độ chênh của ray phía ngoài.

Hình B.2 - Đường bao Cmn (đối với các đường hầm tiết diện chữ nhật)
Đường bao các cột;
Đường bao tay vịn trên các cầu, thang cuốn và các tường chắn trên các đoạn mặt đất của tuyến;
Đường bao rãnh thoát nước phía trên của đường tầu trên lớp bê tông;
Đường bao nền đường tầu trên lớp bê tông;
Đường bao nền đường trên lớp đá.
GHI CHÚ:
1. * Kích thước được tăng lên 30 mm khi đặt ray loại P65 cho đường tầu;
2. Kích thước a tùy thuộc vào cấu tạo đường tầu lấy trong khoảng 450 ¸ 550 mm;
3. Độ dốc i đối với các đoạn đường thẳng lấy bằng 0,03, đối với các đoạn đường cong, được lấy tùy thuộc vào độ chênh của ray phía ngoài;
Dạng của đường bao Cmn ở phía dưới mức của đỉnh các ray được quy định cho cả các đoạn đường thẳng và cong.

Hình B.3 - Đường bao Cmc (đối với các ga)
Đường bao ray vịn trên các cầu, thang cuốn và các tường chắn trên những đoạn mặt đất của tuyến;
Đường bao nền của đường tầu trên lớp bê tông;
Đường bao nền đường tầu trên lớp đá;
Đường bao tay vịn trên các sân ga;
Đường bao rãnh thoát nước khi đặt lớp trên của đường tầu trên nền bê tông;
Đường bao cho cột.
GHI CHÚ:
1. * Kích thước được tăng lên 30 mm khi đặt ray loại P65 vào đường tầu
2. Kích thước a tùy thuộc vào cấu tạo của đường tầu lấy trong khoảng 450 ¸ 450 mm;
3. Độ dốc i đối với các đoạn thẳng của đường tầu được lấy bằng 0,03. Đối với các đoạn đường cong, độ dốc i được lấy tuỳ thuộc vào độ chênh của ray ngoài.
4. Kích thước 3150 mm cho phép sử dụng đối với tường của các gian làm việc tại trên sân ga hành khách, trên đoạn có chiều dài đến 10m tính từ mép của chúng.
Dạng của đường bao Cmc nằm dưới mức của các đỉnh ray, cũng như khoảng cách theo phương ngang đến đường bao cột được quy định cho cả các đoạn đường thẳng và cong.
B.9 Khoảng cách giữa các trục của các đường tầu liền kề trên các đoạn đường thẳng, cũng như trên các đoạn đường cong có bán kính 500 m trở lên không được nhỏ hơn, mm:
Trên các đường tầu chính trong các đường hầm đôi:
- không có các gối tựa trung gian 3400
- trên các cầu và thang cuốn 3700
Trên các đường tầu chính ở các đoạn trên mặt đất và tại những chỗ giao nhau khác mức, cũng như tại các đường để quay các toa tầu 4000
Trên các đường đỗ 4200
Trên các đường đỗ dành để thông toa tầu đường sắt khổ rộng 1435 mm 4800
Trên các đường tầu trong trạm đầu mối (trong nhà) 4500
Đối với các đoạn đường cong có bán kính nhỏ hơn 500 m, thì các khoảng cách trên, trừ các khoảng cách trên các đường đỗ, phải tăng lên.
PHỤ LỤC C
Phân loại kỹ thuật về cháy
C.1 Phân loại vật liệu xây dựng theo các tính chất cháy
C.1.1 Vật liệu xây dựng được phân thành vật liệu cháy và vật liệu không cháy theo các trị số của các thông số cháy thí nghiệm như sau:
a) Vật liệu không cháy, khi đồng thời:
- nhiệt độ của lò đốt tăng không quá 50oC;
- khối lượng mẫu bị giảm không quá 50%;
- thời gian kéo dài của ngọn lửa không quá 10 giây.
b) Vật liệu cháy là vật liệu khi thí nghiệm, không thỏa mãn một trong 3 yếu tố trên
CHÚ THÍCH: Các thông số thí nghiệm được xác định theo tiêu chuẩn TCXDVN 331:2004 (EN ISO 1182) “Thí nghiệm tính không cháy của vật liệu xây dựng” hoặc tương đương.
C.1.2 Vật liệu cháy được phân thành 4 nhóm theo các trị số của các thông số cháy thí nghiệm như sau:
Bảng C. 1 - Phân nhóm vật liệu cháy theo tính cháy
|
Nhóm cháy của vật liệu |
Các thông số cháy |
|||
|
Nhiệt độ khí trong ống thoát khói (T) [oC] |
Mức độ hư hỏng theo chiều dài mẫu (L) [%] |
Mức độ hư hỏng theo khối lượng mẫu (m) [%] |
Khoảng thời gian cháy của mẫu [giây] |
|
|
G1 - Cháy yếu |
£ 135 |
£ 65 |
£ 20 |
0 |
|
G2 - Cháy vừa |
£ 235 |
£ 85 |
£ 50 |
£ 30 |
|
G3 - Cháy bình thường |
£ 450 |
> 85 |
£ 50 |
£ 300 |
|
G4 - Cháy mạnh |
> 450 |
> 85 |
> 50 |
> 300 |
|
CHÚ THÍCH: Các thông số thí nghiệm được xác định theo tiêu chuẩn GOCT 30244-94 - Phương pháp II “Vật liệu xây dựng. Phương pháp thử tính cháy”. |
||||
C.1.3 Vật liệu cháy, được phân thành 3 nhóm theo tính bắt cháy, với các thông số cháy thí nghiệm như sau:
Bảng C. 2 - Phân nhóm vật liệu cháy theo tính bắt cháy
|
Nhóm bắt cháy của vật liệu |
Cường độ thông lượng nhiệt bề mặt tới hạn [kW/m2] |
|
1 |
2 |
|
V1 - khó bắt cháy |
³ 35,0 |
|
V2 - bắt cháy vừa phải |
lớn hơn hoặc bằng 20,0 và nhỏ hơn 35,0 |
|
V1 - dễ bắt cháy |
< 20,0 |
|
CHÚ THÍCH: Các thông số thí nghiệm được xác định theo tiêu chuẩn GOST 30402-96 (ISO 5657-86) “Vật liệu xây dựng. Phương pháp thử tính bắt cháy” hoặc tương đương. |
|
C.1.4 Vật liệu cháy, được phân thành 4 nhóm theo tính lan truyền lửa trên bề mặt, với các thông số cháy thí nghiệm như sau:
Bảng C. 3 - Phân nhóm vật liệu cháy theo tính lan truyền lửa trên bề mặt
|
Nhóm lan truyền lửa trên bề mặt của vật liệu |
Cường độ thông lượng nhiệt bề mặt tới hạn [kW/m2] |
|
RP1 - không lan truyền |
³ 11,0 |
|
RP2 - lan truyền yếu |
Lớn hơn hoặc bằng 8,0 và nhỏ hơn 11,0 |
|
RP3 - lan truyền vừa phải |
Lớn hơn hoặc bằng 5,0 và nhỏ hơn 8,0 |
|
RP4 - lan truyền mạnh |
< 5,0 |
|
CHÚ THÍCH: Các thông số thí nghiệm được xác định theo tiêu chuẩn GOST 30444-97 (ISO 9239-2) “Vật liệu xây dựng. Phương pháp thử tính lan truyền lửa” hoặc tương đương. |
|
C.1.5 Vật liệu cháy, được phân thành 3 nhóm theo khả năng sinh khói, với các thông số thí nghiệm như sau:
Bảng C. 4 - Phân nhóm vật liệu cháy theo khả năng sinh khói
|
Nhóm theo khả năng sinh khói của vật liệu |
Trị số hệ số sinh khói của vật liệu [m2/kG] |
|
D1 - khả năng sinh khói thấp |
£ 50 |
|
D2 - khả năng sinh khói vừa phải |
Lớn hơn 50 và nhỏ hơn hoặc bằng 500 |
|
D3 - khả năng sinh khói cao |
> 500 |
|
CHÚ THÍCH: Các thông số thí nghiệm được xác định theo tiêu chuẩn GOST 12.1.044 “Tính nguy hiểm cháy nổ của các chất và vật liệu. Danh mục chỉ tiêu và phương pháp xác định” hoặc tương đương. |
|
C.1.6 Vật liệu cháy, được phân thành 4 nhóm theo độc tính, với chỉ số độc tính HCL50 của sản phẩm cháy như sau:
Bảng C. 5 - Phân nhóm vật liệu cháy theo độc tính
|
Nhóm theo độc tính của vật liệu |
Chỉ số HCL50 [g/m3], tương ứng với thời gian để lộ |
|||
|
5 phút |
15 phút |
30 phút |
60 phút |
|
|
1 |
2 |
3 |
4 |
5 |
|
T4 - Độc tính đặc biệt cao |
£ 25 |
£ 47 |
£ 13 |
£ 10 |
|
T3 - Độc tính cao |
25 đến 70 |
47 đến 50 |
13 đến 40 |
10 đến 30 |
|
T2 - Độc tính vừa phải |
70 đến 210 |
50 đến 150 |
40 đến 120 |
30 đến 90 |
|
T1 - Độc tính thấp |
> 210 |
> 150 |
> 120 |
> 90 |
|
CHÚ THÍCH: Các thông số thí nghiệm và tính toán chỉ tiêu HCL50 được thực hiện theo tiêu chuẩn GOST 12.1.044 “Tính nguy hiểm cháy nổ của các chất và vật liệu. Danh mục chỉ tiêu và phương pháp xác định” hoặc tương đương. |
||||
C.2 G iới hạn chịu lửa của cấu kiện xây dựng
C.2.1 Giới hạn chịu lửa của cấu kiện xây dựng được xác định bằng khoảng thời gian chịu lửa (tính theo phút), xuất hiện một hoặc một số các dấu hiệu biểu hiện trạng thái giới hạn quy định cho cấu kiện đó:
- R: Mất khả năng chịu lực;
- E: Mất tính toàn vẹn;
- I: Mất tính cách nhiệt.
C.2.2 Giới hạn chịu lửa của cấu kiện xây dựng được xác định thông qua thử nghiệm theo các tiêu chuẩn quy định và được ký hiệu bằng REI, EI, RE hoặc R.
Ví dụ: cấu kiện được yêu cầu chịu lửa REI 120 nghĩa là cấu kiện phải duy trì được đồng thời cả ba khả năng: chịu lực, toàn vẹn và cách nhiệt trong khoảng thời gian 120 phút; Cấu kiện được yêu cầu có giới hạn chịu lửa R 120, thì cấu kiện chỉ phải duy trì khả năng chịu lực trong thời gian 120 phút, không yêu cầu cách nhiệt và toàn vẹn.
C.3 Phân nhóm cấu kiện xây dựng theo tính nguy hiểm cháy: Theo Bảng C.6.
C.4 Phân loại các bộ phận ngăn cháy
C.4.1 Các bộ phận ngăn cháy dùng để ngăn cản lửa và các sản phẩm cháy (nhiệt, khói, khí độc) lan truyền từ một không gian có đám cháy sang một không gian khác.
Các bộ phận ngăn cháy bao gồm tường ngăn cháy, sàn ngăn cháy, và vách ngăn cháy.
C.4.2 Các bộ phận ngăn cháy được đặc trưng bằng khả năng chịu lửa và tính nguy hiểm cháy.
Bảng C. 6 - Phân nhóm nguy hiểm cháy của cấu kiện xây dựng
|
Nhóm nguy hiểm cháy của cấu kiện xây dựng |
Kích thước hư hỏng cho phép của kết cấu (cm) |
Xuất hiện |
Các đặc trưng nguy hiểm cháy của vật liệu bề mặt |
||||
|
Nhóm theo đặc tính |
|||||||
|
Kết cấu đứng |
Kết cấu ngang |
Hiệu ứng nhiệt |
Cháy |
Cháy |
Bắt cháy |
Sinh khói |
|
|
1 |
2 |
3 |
4 |
5 |
6 |
7 |
8 |
|
K0 |
0 |
0 |
KCP |
KCP |
--- |
--- |
--- |
|
K1 |
£ 40 |
£ 25 |
KCP |
KCP |
KQĐ |
KQĐ |
KQĐ |
|
£ 40 |
£ 25 |
KQĐ |
KCP |
G2 |
V2 |
D2 |
|
|
K2 |
Lớn hơn 40 và nhỏ hơn hoặc bằng 80 |
Lớn hơn 25 và nhỏ hơn hoặc bằng 50 |
KCP |
KCP |
KQĐ |
KQĐ |
KQĐ |
|
Lớn hơn 40 và nhỏ hơn hoặc bằng 80 |
Lớn hơn 35 và nhỏ hơn hoặc bằng 50 |
KQĐ |
KCP |
G3 |
V3 |
D2 |
|
|
K3 |
Không quy định |
||||||
|
CHÚ THÍCH: Xác định kích thước hư hỏng và sự xuất hiện cháy theo tiêu chuẩn GOST 30403-96 “Kết cấu xây dựng. Phương pháp xác định độ nguy hiểm cháy” hoặc tương đương. - KCP: Không cho phép - KQĐ: Không quy định - Cho phép không cần thử nghiệm xác định nhóm nguy hiểm cháy của kết cấu như sau: + được xếp vào nhóm K0, nếu kết cấu được chế tạo chỉ từ vật liệu không cháy; + được xếp vào nhóm K3, nếu kết cấu được chế tạo chỉ từ vật liệu nhóm cháy G4; |
|||||||
C.4.3 Tùy thuộc vào giới hạn chịu lửa của phần bao bọc của bộ phận ngăn cháy, bộ phận ngăn cháy được phân thành các loại theo Bảng C.7. Các tấm cửa đi, cửa sập, cửa nắp, cửa sổ, van chặn, màn chắn bịt các lỗ thông trên bộ phận ngăn cháy được phân thành các loại như trong Bảng C.8.
Bảng C.7 Phân loại bộ phận ngăn cháy
|
Tên bộ phận ngăn cháy |
Loại |
Giới hạn chịu lửa của bộ phận ngăn cháy, không thấp hơn |
Loại tấm ngăn bịt các lỗ thông trên bộ phận ngăn cháy, không thấp hơn |
|
Tường ngăn cháy |
1 |
REI 150 |
1 |
|
2 |
REI 45 |
2 |
|
|
Vách ngăn cháy |
1 |
EI 45 |
2 |
|
2 |
EI 15 |
3 |
|
|
Sàn ngăn cháy |
1 |
REI 150 |
1 |
|
2 |
REI 60 |
2 |
|
|
3 |
REI 45 |
2 |
|
|
4 |
REI 15 |
3 |
GHI CHÚ:
Khả năng chịu lửa của bộ phận ngăn cháy được xác định bằng khả năng chịu lửa của các bộ phận cấu thành của nó; đó là:
- Phần bao bọc của bộ phận ngăn cháy;
- Các cấu kiện giữ ổn định cho bộ phận ngăn cháy;
- Các cấu kiện mà bộ phận ngăn cháy tựa lên;
- Các liên kết giữa các bộ phận cấu thành của bộ phận ngăn cháy.
Bảng C.8 Phân loại bộ phận bịt kín các lỗ thông trên bộ phận ngăn cháy
|
Các bộ phận bịt kín các lỗ thông trên bộ phận ngăn cháy |
Loại |
Giới hạn chịu lửa, không thấp hơn |
|
Cửa đi, cửa sập, cửa nắp, van chặn |
1 |
EI 60 |
|
2 |
EI 30 |
|
|
3 |
EI 15 |
|
|
Cửa sổ |
1 |
E 60 |
|
2 |
E 30 |
|
|
3 |
E 15 |
|
|
Màn chắn |
1 |
EI 60 |
C.4.4 Các khoang đệm được phân thành các loại như trong Bảng C.9.
Bảng C.9 Phân loại phòng đệm
|
Loại phòng đệm |
Loại các bộ phận cấu thành của phòng đệm, không thấp hơn |
||
|
Vách ngăn |
Sàn |
Tấm bịt lỗ thông |
|
|
1 |
1 |
3 |
2 |
|
2 |
2 |
4 |
3 |
C.5 Phân loại nhà (công trình) theo bậc chịu lửa
C.5.1 Khoang cháy: Nhà (công trình) hoặc một phần của chúng được ngăn cách với nhà (công trình) hoặc bộ phận khác bằng các tường ngăn cháy loại 1 – gọi là khoang cháy.
C.5.2 Nhà (công trình) hoặc một khoang cháy được phân loại thành các bậc chịu lửa như trong Bảng C.10.
Bảng C.10
|
Bậc chịu lửa của nhà (công trình) |
Giới hạn chịu lửa của các cấu kiện xây dựng của nhà (công trình), không thấp hơn |
||||||
|
Các cấu kiện chịu lực |
Tường ngoài không chịu lực |
Sàn phân chia các tầng nhà (kể cả ở tầng áp mái và tầng hầm) |
Các bộ phận của mái không có tầng áp mái |
Buồng cầu thang bộ |
|||
|
Các tấm lát |
Dàn, dầm xà gỗ |
Tường trong |
Bản thang chiếu nghỉ |
||||
|
I |
R120 |
E30 |
REI 60 |
RE 30 |
R30 |
REI 120 |
R60 |
|
II |
R90 |
E15 |
REI 45 |
RE 15 |
R15 |
REI 90 |
R60 |
|
III |
R45 |
E15 |
REI 45 |
RE 15 |
R15 |
REI 60 |
R45 |
|
IV |
R15 |
E15 |
REI 15 |
RE 15 |
R15 |
REI 45 |
R15 |
|
V |
Không quy định |
||||||
C.6 Phân loại nhà theo tính nguy hiểm cháy kết cấu: Theo Bảng C.11.
Bảng C.11
|
Nhóm nguy hiểm cháy về kết cấu của nhà |
Nhóm nguy hiểm cháy của cấu kiện xây dựng, không nhỏ hơn |
||||
|
Các thanh chịu lực (cột, xàn dầm ...) |
Tường ngoài từ phía ngoài |
Tường, vách ngăn, sàn và mái không có tầng áp mái |
Tường của buồng thang bộ và bộ phận ngăn cháy |
Bản thang và chieus thang trong buồng thang bộ |
|
|
S0 |
K0 |
K0 |
K0 |
K0 |
K0 |
|
S1 |
K1 |
K2 |
K1 |
K0 |
K0 |
|
S2 |
K3 |
K3 |
K2 |
K1 |
K1 |
|
S3 |
Không quy định |
K1 |
K3 |
||
C.7 Phân hạng sản xuất theo tính nguy hiểm cháy và cháy nổ
Nhà và các không gian dùng cho sản xuất và kho chứa được phân hạng sản xuất theo tính nguy hiểm cháy và cháy nổ của các chất và vật liệu chứa trong chúng như trong Bảng C.12.
Bảng C.12 Phân hạng nguy hiểm cháy và cháy nổ đối với nhà và gian phòng
|
Hạng nguy hiểm cháy của nhà |
Đặc tính của các chất và vật liệu có (hình thành) trong nhà, gian phòng |
|
A Nguy hiểm cháy nổ |
- Có các chất khí cháy, chất lỏng dễ bốc cháy có nhiệt độ bùng cháy không lớn hơn 28oC, với khối lượng có thể tạo thành hỗn hợp khí - hơi nguy hiểm nổ, khi bốc cháy tạo ra áp suất nổ dư tính toán trong gian phòng vượt quá 5 kPa. - Có các chất và vật liệu có khả năng nổ và cháy khi tác dụng với nước, với ôxy trong không khí hoặc tác dụng với nhau, với khối lượng để áp suất nổ dư tính toán trong gian phòng vượt quá 5 kPa. |
|
B Nguy hiểm cháy nổ |
- Có các chất bụi hoặc sợi cháy, chất lỏng dễ bốc cháy, có nhiệt độ bùng cháy lớn hơn 28oC, các chất lỏng cháy, có khối lượng có thể tạo thành hỗn hợp khí - bụi hoặc khí - hơi nguy hiểm nổ, khi bốc cháy tạo ra áp suất nổ dư tính toán trong gian phòng vượt quá 5 kPa. |
Bảng C.12 (Tiếp theo)
|
Hạng nguy hiểm cháy của nhà |
Đặc tính của các chất và vật liệu có (hình thành) trong nhà, gian phòng |
|
C1 đến C4 Nguy hiểm cháy |
- Có các chất lỏng cháy hoặc khó cháy, các chất và vật liệu cháy và khó cháy ở thể rắn (kể cả bụi và sợi). Các chất và vật liệu khi tác dụng với nước, với ôxy trong không khí hoặc tác dụng với nhau có khả năng cháy, nhưng với điều kiện gian phòng có các chất và vật liệu này không thuộc các hạng A hoặc B - Việc chia gian phòng thành các hạng C1 đến C4 theo trị số tải trọng cháy riêng của các chất chứa trong đó như sau: C1 - Có tải trọng cháy riêng lớn hơn 2200 MJ/m2 C2 - Có tải trọng cháy riêng từ 1401 MJ/m2 đến 2200 MJ/m2 C3 - Có tải trọng cháy riêng từ 181 MJ/m2 đến 1400 MJ/m2 C2 - Có tải trọng cháy riêng từ 1 MJ/m2 đến 180 MJ/m2 |
|
D |
Có các chất và vật liệu không cháy ở trạng thái nóng, nóng đỏ hoặc nóng chảy, mà quá trình gia công có kèm theo sự phát sinh bức xạ nhiệt, tia lửa và ngọn lửa; Các chất rắn, lỏng, khí cháy được sử dụng để làm nhiên liệu. |
|
E |
Các chất và vật liệu không cháy ở trạng thái nguội |
Phụ lục D
Các mức giới hạn cho phép về siêu âm và rung động
D.1 Các mức giới hạn cho phép của siêu âm trong không khí tại những nơi làm việc.
Bảng D.1
|
Các tần số hình học trung bình của dải okta thứ ba, KHz |
Các mức áp lực âm thanh, dB |
|
12,5 16,0 20,0 25,0 31,5 ÷100,0 |
80 90 100 105 110 |
D.2 Các mức giới hạn cho phép của siêu âm tiếp xúc đối với người làm việc.
Bảng D. 2
|
Các tần số hình học trung bình của các dải okta, KHz |
Các giá trị lớn nhất của vận tốc rung, m/s |
Các vận tốc rung, dB |
|
16 ¸ 63 125 ¸ 500 1000 ¸ 31500 |
5.10-3 8,9.10-3 1,6.10-2 |
100 105 110 |
D.3 Các giá trị cho phép của rung động trong các phòng hành khách.
Bảng D.3
|
Các tần số hình học trung bình của dải, Hz |
Các giá trị cho phép theo các trục X0, Y0, Z0, |
|||
|
Gia tốc rung |
Vận tốc rung |
|||
|
m/s2.10-3 |
dB |
m/s.10-3 |
dB |
|
|
2 4 6 8 16 31,5 63
|
10,0 11,0 14,0 28,0 56,0 110,0 |
80 81 83 89 95 101 |
0,79 0,45 0,28 0,28 0,28 0,28
|
84 79 75 75 75 75
|
|
Các giá trị được chọn, các giá trị tương đương được chọn và các mức của chúng |
10 |
80 |
0,28 |
75 |
|
GHI CHÚ: |
Đối với các rung động không cố định các giá trị cho phép của các mức trong Bảng (3) cho phép thêm vao 10 dB, còn với các giá trị tuyệt đối thì nhân với 0,32 |
|||
D.4 Giá trị giới hạn cho phép của rung động tại nơi làm việc trong các phòng sản xuất có nguồn gây rung động.
Bảng D.4
|
Các tần số hình học trung bình của dải, Hz |
Các giá trị cho phép theo các trục X0, Y0, Z0, |
|||||||
|
Gia tốc rung |
Vận tốc rung |
|||||||
|
m/s2 |
dB |
m/s.10-2 |
dB |
|||||
|
1/3 Okta |
1/1 Okta |
1/3 Okta |
1/1 Okta |
1/3 Okia |
1/1 Okta |
1/3 Okta |
1/1 Okta |
|
|
1,6 2,0 2,5 3,15 4,0 5,0 6,3 8,0 10,0 12,5 16,0 20,0 25 31,5 40,0 50,0 63,0 80,0 |
0,089 0,079 0,070 0,063 0,056 0,056 0,056 0,056 0,070 0,089 0,110 0,140 0,180 0,220 0,280 0,350 0,450 0,560
|
0,14
0,10
0,10
0,20
0,40
0,79 |
99 98 97 96 95 95 95 95 97 99 101 103 105 107 109 111 113 115
|
103
100
100
106
112
118
|
0,89 0,63 0,45 0,32 0,22 0,18 0,14 0,11 0,11 0,11 0,11 0,11 0,11 0,11 0,11 0,11 0,11 0,11 |
1,30
0,45
0,22
0,20
0,20
0,20 |
105 102 99 96 93 91 89 87 87 87 87 87 87 87 87 87 87 87 |
108
99
93
92
92
92
|
|
Các giá trị được chọn và tương đương được chọn và các mức của chúng |
|
0,10 |
|
100 |
|
0,20 |
|
92
|
D.5 Giá trị giới hạn cho phép của rung động tại nơi làm việc trong các phòng sản xuất không có nguồn gây rung động và trong các phòng sinh hoạt.
Bảng D.5
|
Các tần số hình học trung bình của dải, Hz |
Các giá trị cho phép theo các trục X0, Y0, Z0, |
|||||||
|
Gia tốc rung |
Vận tốc rung |
|||||||
|
m/s2 |
dB |
m/s.10-2 |
dB |
|||||
|
1/3 Okta |
1/1 Okta |
1/3 Okta |
1/1 Okta |
1/3 Okta |
1/1 Okta |
1/3 Okta |
1/1 Okta |
|
|
1,6 2,0 2,5 3,15 4,0 5,0 6,3 8,0 10,0 12,5 16,0 20,0 25,0 31,5 40,0 50,0 63,0 80,0 |
0,035 0,032 0,028 0,025 0,022 0,022 0,022 0,022 0,028 0,035 0,045 0,056 0,070 0,089 0,110 0,140 0,180 0,220
|
0,056
0,040
0,040
0,079
0,160
0,320 |
91 90 89 88 87 87 87 87 89 91 93 95 97 99 101 103 105 107
|
95
92
92
98
104
110
|
0,350 0,250 0,180 0,130 0,089 0,070 0,056 0,045 0,045 0,045 0,045 0,045 0,045 0,045 0,045 0,045 0,045 0,045 |
0,500
0,180
0,089
0,079
0,079
0,079 |
97 94 91 88 85 83 81 79 79 79 79 79 79 79 79 79 79 79
|
100
91
85
84
84
84
|
|
Các giá trị được chọn và tương đương được chọn và các mức của chúng |
|
0,040 |
|
92 |
|
0,079 |
|
84
|
D.6 Các giá trị cho phép của rung động tại nơi làm việc trong các phòng bảo vệ sức khỏe.
Bảng D.6
|
Các tần số hình học trung bình của dải, Hz |
Các giá trị cho phép theo các trục X0, Y0, Z0, |
|||
|
Gia tốc rung |
Vận tốc rung |
|||
|
m/s2.10-3 |
dB |
m/s.10-4 |
dB |
|
|
2 4 8 16 31,5 63 |
4,0 4,5 5,6 11,0 22,0 45,0 |
72 73 75 81 87 93 |
3,2 1,8 1,1 1,1 1,1 1,1 |
76 71 67 67 67 67 |
|
Các giá trị được chọn, các giá trị tương đương được chọn và các mức của chúng |
4,0 |
72 |
1,1 |
67 |
|
GHI CHÚ: |
1. Thời gian ban ngày cho phép trong các phòng tăng hơn các mức tiêu chuẩn 5 dB; 2. Đối với các rung động không cố định các giá trị cho phép của các mức trong Bảng 6 cho phép thêm vào 10 dB, còn với các giá trị tuyệt đối thì nhân với 0,32 |
|||
D.7 Các giá trị giới hạn cho phép của rung động cục bộ (Xl, Yl, Zl) trong sản xuất.
Bảng D.7
|
Các tần số hình học trung bình của dải, Hz |
Các giá trị cho phép theo các trục Xl, Yl, Zl |
|||
|
Gia tốc rung |
Vận tốc rung |
|||
|
m/s2 |
dB |
m/s.10-2 |
dB |
|
|
8 16 31,5 63 125 250 500 1000 |
1,4 1,4 2,8 5,6 11,0 22,0 45,0 89,0 |
123 123 129 135 141 147 153 159 |
2,8 1,4 1,4 1,4 1,4 1,4 1,4 1,4 |
115 109 109 109 109 109 109 109 |
|
Các giá trị được chọn, các giá trị tương đương được chọn và các mức của chúng |
2,0 |
126 |
2,0 |
112 |
Mục lục
|
1 Phạm vi áp dụng |
3 |
|
2 Tiêu chuẩn viện dẫn |
3 |
|
3 Qui định chung |
3 |
|
4 Công tác khảo sát, xây dựng |
5 |
|
5 Yêu cầu thiết kế |
6 |
|
5.1 Khả năng chạy tầu và vận chuyển |
6 |
|
5.2 Mặt bằng và mặt cắt dọc |
6 |
|
5.3 Nhà ga |
6 |
|
5.4 Đường hầm tầu chạy, đường hầm nối, các công trình tuynen phụ cận |
7 |
|
5.5 Các công trình hạ tầng đô thị |
8 |
|
5.6 Kết cấu xây dựng |
8 |
|
5.7 Đường tầu và ray tiếp xúc |
9 |
|
5.8 Thông khí |
10 |
|
5.9 Cấp, thoát nước |
11 |
|
5.10 Cấp điện |
12 |
|
5.11 Điều khiển các thiết bị điện |
14 |
|
5.12 Điều khiển tầu chạy |
15 |
|
5.13 Thông tin, liên lạc |
16 |
|
5.14 Bố trí nhân viên vận hành |
16 |
|
5.15 Trạm đầu mối |
16 |
|
5.16 An toàn cháy |
18 |
|
5.17 Đảm bảo vệ sinh dịch tễ |
25 |
|
5.18 Bảo vệ môi trường |
27 |
|
5.19 Bảo vệ cho các công trình đô thị chống ồn, rung động và dòng điện |
27 |
|
5.20 Bảo vệ kết cấu tránh các tác động do môi trường xâm thực |
28 |
|
5.21 Bảo vệ công trình và các thiết bị tuyến tầu điện ngầm do ăn mòn gây bởi dòng điện |
28 |
|
5.22 Báo hiệu bảo vệ |
28 |
|
5.23 Nhà chính – sản xuất |
29 |
|
5.24 An toàn công nghiệp |
29 |
|
5.25 Các khu vực kỹ thuật và bảo vệ |
29 |
|
6 Thi công |
30 |
|
7 Nghiệm thu đưa vào khai thác |
32 |
|
Phụ lục A Giải thích từ ngữ |
34 |
|
Phụ lục B Một số quy định về kích thước của đường tầu điện ngầm |
37 |
|
Phụ lục C Phân loại kỹ thuật về an toàn cháy |
42 |
|
Phụ lục D Các mức giới hạn cho phép về siêu âm và rung động |
50 |
|
Mục lục |
54 |
|
|
|
Phần 2 Quy chuẩn QCVN 08:2009/BXD được thay thế bởi Quy chuẩn QCVN 13:2018/BXD theo quy định tại Điều 2 Thông tư số 12/2018/TT-BXD

CỘNG HÒA XÃ HỘI CHỦ NGHĨA VIỆT NAM
QCVN 08 : 2009/BXD
QUY CHUẨN KỸ THUẬT QUỐC GIA
CÔNG TRÌNH NGẦM ĐÔ THỊ
PHẦN 2. GARA Ô TÔ
Vietnam Building Code for Urban Underground Structures
Part 2. The Parkings
HÀ NỘI – 2009
Lời nói đầu
|
QCVN 08 : 2009/BXD do Viện Khoa học Công nghệ Xây dựng biên soạn, Vụ Khoa học Công nghệ và Môi trường trình duyệt và được ban hành theo Thông tư số: ........./2009/TT-BXD ngày ....... tháng ...... năm 2009 của Bộ trưởng Bộ Xây dựng. Quy chuẩn QCVN 08 : 2009/BXD bao gồm các phần: Phần 1. Tầu điện ngầm; Phần 2. Gara ô tô.
|
1. Phạm vi áp dụng
Quy chuẩn này bao gồm các quy định bắt buộc áp dụng trong việc lập, thẩm định, phê duyệt các dự án đầu tư xây dựng nhà, công trình và các gian phòng lưu giữ ô tô (sau đây gọi chung là ga ra ô tô) mà không phụ thuộc vào dạng sở hữu.
Quy chuẩn này quy định các nội dung và các yêu cầu chủ yếu về giải pháp quy hoạch không gian, kết cấu, trang bị kỹ thuật của các ga ra ôtô và sự bố trí chúng trong khu dân cư.
Quy chuẩn này không áp dụng cho nhà, công trình và các gian phòng để lưu giữ ô tô dùng để chuyển chở các chất nổ, chất độc, chất lây nhiễm và chất phóng xạ.
2. Giải thích từ ngữ
Các thuật ngữ sử dụng trong quy chuẩn này được hiểu như sau:
2.1 Ga ra ô tô – nhà, công trình (hoặc phần của nhà và công trình) hoặc bãi hở chuyên dùng để lưu giữ ôtô.
2.2 Ga ra ô tô trên mặt đất dạng kín – gara ô tô có tường bao che ngoài.
2.3 Gara ô tô dạng hở - gara ô tô không có tường bao che ngoài. Ga ra ô tô cũng được coi là hở nếu công trình có hai cạnh đối diện dài nhất được để hở. Cạnh được coi là được để hở nếu như tổng diện tích phần để hở dọc theo cạnh này chiếm không ít hơn 50% diện tích mặt ngoài của nó ở trên từng tầng.
2.4 Ga ra ô tô có đường dốc – ga ra ô tô sử dụng dãy các sàn nâng cao đều (hoặc hạ thấp đều) hoặc dãy các đường dốc nối giữa các sàn cho phép ô tô lên xuống được mặt đất.
2.5 Ga ra ô tô cơ khí – ga ra ô tô mà việc vận chuyển ô tô đến các vị trí lưu giữ được thực hiện bằng các thiết bị cơ khí chuyên dùng (không có sự tham gia của người lái).
3. Bố trí ga ra ôtô
3.1 Việc bố trí các ga ra ô tô trong khu dân cư đô thị, kích thước khu đất dành cho chúng và khoảng cách từ chúng tới các nhà và công trình khác được qui định trong Phụ lục A.
3.2 Ga ra ô tô phù hợp với các yêu cầu của quy chuẩn này được phép xây dựng: dưới mặt đất hoặc trên mặt đất; một phần dưới mặt đất, một phần trên mặt đất; liền kề hoặc nằm trong các nhà có chức năng khác, trong đó ga ra có thể được bố trí dưới các nhà này ở các tầng dưới mặt đất, tầng hầm, tầng nửa hầm hoặc các tầng dưới của các tầng nổi trên mặt đất, cũng như trên các khu đất hở có trang thiết bị chuyên dùng.
Tầng được coi là dưới mặt đất khi các phòng của tầng này có cao độ sàn thấp hơn cao độ mặt đất (theo quy hoạch) quá nửa chiều cao của các phòng đó.
Các ga ra ô tô ngầm được phép xây dựng kể cả dưới các lối đi, các đường phố, các quảng trường, vườn hoa, bãi cỏ, v.v…
3.3 Cho phép bố trí ga ra ô tô liền kề với các nhà có chức năng khác, trừ các nhà thuộc nhóm nguy hiểm cháy sau đây: F1.1, F 4.1 và các nhà sản xuất nhóm F 5 hạng A và B quy định tại Phụ lục B.
3.4 Ga ra ô tô được phép bố trí trong các nhà chức năng khác có bậc chịu lửa I, II có các cấu kiện được làm từ các vật liệu không cháy và khó cháy trừ các ngôi nhà nhóm F 1.1, F 4.1 và các nhà sản xuất nhóm F 5 hạng A và B (Phụ lục B). Trong các nhà nhóm F 1.4 được phép bố trí các ga ra ô tô không phụ thuộc vào bậc chịu lửa của chúng. Trong các nhà nhóm F 1.3 chỉ được phép bố trí các ga ra cho các xe con với các chỗ cố định (không có vách ngăn riêng) cho các chủ xe.
Dưới các nhà thuộc nhóm F 1.1, F 4.1 không được phép bố trí ga ra ô tô.
3.5 Không được phép bố trí ga ra ô tô dạng kín dành cho các ô tô có động cơ chạy bằng khí nén tự nhiên và khí hóa lỏng vào trong các tòa nhà có chức năng khác hoặc liền kề với chúng, hoặc ở dưới mặt đất.
3.6 Khoảng cách chống cháy tính từ các khu đất hở (kể cả khi có mái che) để giữ ô tô đến các nhà và công trình của các xí nghiệp (dịch vụ bảo dưỡng và sửa chữa ô tô, công nghiệp, nông nghiệp, v.v…) được lấy như sau:
а) Tới các nhà và công trình sản xuất:
- Có bậc chịu lửa bậc I, II, và III thuộc nhóm S0:
+ từ phía các tường không có lỗ cửa – không qui định;
+ từ phía các tường có lỗ cửa – không nhỏ hơn 9 m.
- Có bậc chịu lửa bậc IV thuộc nhóm S0 và S1:
+ từ phía các tường không có lỗ cửa – không nhỏ hơn 6m;
+ từ phía các tường có lỗ cửa - không nhỏ hơn 12m.
- Có bậc chịu lửa và nhóm nguy hiểm cháy khác (Phụ lục B) – không nhỏ hơn 15 m.
b) Tới các nhà hành chính và dịch vụ của các xí nghiệp:
- Có bậc chịu lửa bậc I, II và III thuộc nhóm S0 – không nhỏ hơn 9 m;
- Có bậc chịu lửa và nhóm nguy hiểm cháy khác – không nhỏ hơn 15 m;
- Khoảng cách từ các bãi giữ ô tô đến các nhà và công trình có bậc chịu lửa I, II thuộc nhóm S0 trong khu vực của các trạm dịch vụ kỹ thuật cho xe con dưới 15 chỗ từ phía các tường không có lỗ cửa – không qui định.
3.7 Ô tô vận chuyển các nhiên liệu và chất bôi trơn chỉ được phép lưu giữ trên các bãi hở hoặc trong các nhà một tầng đứng riêng biệt có bậc chịu lửa không nhỏ hơn bậc II thuộc nhóm S0. Cho phép các ga ra trên được bố trí liền kề với các tường đặc ngăn cháy loại 1 hoặc 2 của các nhà sản xuất có bậc chịu lửa I, II thuộc nhóm S0 (ngoại trừ các nhà hạng A và B) khi lưu giữ ô tô có tổng dung tích chứa nhiên liệu và chất bôi trơn không quá 30 m3.
Trên các bãi hở, việc lưu giữ ô tô chở nhiên liệu và chất bôi trơn phải chia theo nhóm với số lượng không quá 50 xe và tổng dung tích chứa các chất nêu trên không quá 600 m3. Khoảng cách giữa các nhóm xe này, cũng như khoảng cách tới các khu đất lưu giữ các loại xe khác không được nhỏ hơn 12 m.
Khoảng cách từ các khu đất lưu giữ ô tô vận chuyển nhiên liêu và chất bôi trơn tới các nhà, công trình, xí nghiệp được lấy theo Bảng 1, còn khoảng cách tới các nhà hành chính và dịch vụ của các xí nghiệp này – không nhỏ hơn 50 m.
Bảng 1.
|
Kho chứa các chất lỏng dễ cháy, m3 |
Khoảng cách từ ga ra tới nhà và công trình và khoảng cách giữa các ga ra, m |
||
|
Nhà và bậc chịu lửa |
|||
|
І, ІІ |
ІІІ |
ІV, V |
|
|
1 |
2 |
3 |
4 |
|
Trên 1000 đến 2000 |
30 |
30 |
36 |
|
Từ 600 đến 1000 |
24 |
24 |
30 |
|
Nhỏ hơn 600 |
18 |
18 |
24 |
|
Đến 300 |
18 |
18 |
24 |
|
Nhỏ hơn 300 |
12 |
12 |
18 |
4. Các giải pháp qui hoạch không gian và kết cấu
Yêu cầu chung
4.1 Các ga ra ô tô trên mặt đất được phép xây dựng với chiều cao không quá 9 tầng, các ga ra ô tô ngầm – không quá 5 tầng ngầm.
4.2 Việc xếp ô tô được thực hiện:
- Khi có sự tham gia của lái xe – theo các đường dốc hoặc sử dụng các thang tải;
- Khi không có sự tham gia của lái xe – bằng các thiết bị cơ khí.
4.3 Trong các nhà ga ra cho phép bố trí: các phòng làm việc dành cho nhân viên phục vụ và trực ban (các trạm kiểm tra và bán vé, điều độ, bảo vệ), các phòng chức năng kỹ thuật (để bố trí các thiết bị kỹ thuật), các khu vệ sinh, kho hành lý của khách hàng, các phòng dành cho người khuyết tật, cũng như các trạm điện thoại công cộng và các thang máy chở người. Sự cần thiết, thành phần và diện tích của chúng được thiết kế qui định tùy thuộc vào kích thước và các đặc điểm khai thác của ga ra.
Kích thước cabin của một trong các thang máy chở khách phải đảm bảo chuyển được người khuyết tật dùng xe lăn.
4.4 Xếp hạng mức nguy hiểm cháy nổ và cháy của các phòng và nhà để lưu giữ ô tô được xác định theo Phụ lục B.
Các gian phòng để lưu giữ các xe con được phép lấy tương đương hạng C1 ¸ C4, các nhà ga ra xe con – tương đương hạng C (ngoại trừ các loại ô tô có động cơ chạy bằng khí nén hoặc khí hóa lỏng).
4.5 Các ga ra ô tô xây dựng liền kề với các nhà có chức năng khác phải được cách ly với các nhà này bằng các tường ngăn cháy loại 1.
Các ga ra ô tô xây dựng trong nhà có chức năng khác phải có bậc chịu lửa không thấp hơn bậc chịu lửa của chính nhà đó và phải được cách ly với các gian phòng (tầng) của các nhà này bằng các tường và sàn ngăn cháy loại 1.
Cho phép cách ly ga ra xây dựng trong các nhà nhóm F 1.3 bằng sàn ngăn cháy loại 2. Khi đó, các tầng ở phải được cách ly với ga ra bằng một tầng không có người ở (ví dụ, tầng kỹ thuật).
Không qui định việc ngăn ga ra để chứa một xe con của chủ nhà trong các nhà nhóm 1a bằng các vách ngăn cháy.
Phía trên các lỗ cửa của các ga ra được xây bên trong hoặc liền kề các nhà có chức năng khác (trừ các nhà nhóm F 1.4) phải bố trí các mái đua làm từ các vật liệu không cháy. Mái đua này phải có chiều rộng không ít hơn 1m và có khoảng cách từ mép mái đua tới mép dưới của các lỗ cửa sổ của các nhà trên không nhỏ hơn 4m hoặc phải làm cửa bằng vật liệu không cháy.
4.6 Khi trong thành phần của ga ra (theo nhiệm vụ thiết kế) cần có các gian phòng dịch vụ (các trạm dịch vụ kỹ thuật và sửa chữa, khám xe và các công việc hiệu chỉnh, rửa xe, v.v…) thì chúng phải được bố trí thành một nhà riêng, một phòng hoặc một nhóm phòng cho các mục đích trên. Các phòng này có thể bố trí ngay trong các ga ra (trừ ga ra dạng hở và ga ra đặt trong các nhà ở) nhưng phải được cách ly với ga ra bằng các tường ngăn cháy loại 2 và các sàn ngăn cháy loại 3. Các lối vào và lối ra của các phòng này phải được cách ly với các lối vào và lối ra của ga ra.
Thành phần và diện tích của các gian phòng dùng để thực hiện một hoặc các dịch vụ kỹ thuật và sửa chữa ô tô thường xuyên được xác định phù hợp các yêu cầu công nghệ.
4.7 Mức ồn trong các gian phòng của nhà có ga ra ô tô phải phù hợp với quy định hiện hành về vệ sinh dịch tễ.
4.8 Đối với các ga ra xây trong các nhà có chức năng khác, không được phép bố trí bên trong các lồng cầu thang chung và các hố thang máy chung. Để đảm bảo mối liên hệ chức năng của ga ra và nhà có chức năng khác thì các lối ra từ các lồng cầu thang bộ và hố thang máy của ga ra phải được bố trí đi vào sảnh có lối ra chính của tòa nhà trên, đồng thời trên các tầng của ga ra phải lắp đặt các khoang đệm loại 1 (Phụ lục B) được thổi khí khi cháy. Khi cần có liên hệ giữa ga ra với tất cả các tâng của nhà có chức năng khác thì phải bảo vệ chống khói cho các hố thang máy và lồng thang bộ phù hợp với 5.15.
Việc liên hệ các phòng lưu giữ ô tô trên tầng có các gian phòng chức năng khác (trừ các phòng nêu trong 4.3) hoặc khoang cháy liền kề được phép thông qua khoang đệm được thổi khí khi cháy hoặc màn nước phía trên lỗ cửa từ phía ga ra.
4.9 Không cho phép bố trí các gian phòng thương mại, quầy hàng, kiốt, xạp hàng … ngay trong các gian phòng lưu giữ ô tô.
4.10 Để di chuyển ô tô trong các nhà ga ra ô tô nhiều tầng phải có các đường dốc, sàn dốc giữa các tầng hoặc các thang máy chuyên dụng (các thiết bị cơ khí).
Khi sử dụng kết cấu có sàn xoắn liên tục, mỗi vòng xoắn hoàn chỉnh được xem như một tầng.
Đối với các ga ra nhiều tầng có các tầng lửng, thì tổng số tầng được xác định bằng số tầng lửng chia đôi, diện tích một tầng được xác định bằng tổng hai tầng lửng liền kề.
4.11 Số đường dốc và số lối ra vào cần thiết trong mỗi ga ra được xác định phụ thuộc vào số lượng ô tô bố trí trên tất cả các tầng, trừ tầng một (đối với ga ra ngầm – trên tất cả các tầng) có kể đến chế độ sử dụng ga ra, lưu lượng tính toán và giải các giải pháp tổ chức mặt bằng.
Thông thường, loại và số lượng đường dốc được lấy theo số lượng ô tô như sau:
- Đến 100 xe: một đường dốc đơn có sử dụng tín hiệu tương ứng.
- Đến 1000 xe: một đường dốc đôi hoặc hai đường dốc đơn;
- Trên 1000 xe: hai đường dốc đôi. Không cho phép bố trí lối vào (lối ra) từ các tầng dưới và trên mặt đất qua khu vực lưu giữ xe ở tầng một hoặc tầng nửa hầm.
4.12 Trong các ga ra dạng kín, các đường dốc chung cho tất cả các tầng phải được ngăn cách (cách ly) trên mỗi tầng với các phòng lưu giữ xe bằng các vách, cửa và các khoang đệm ngăn cháy được thổi khí khi cháy theo Bảng 2.
Bảng 2.
|
Loại ga ra |
Giới hạn chịu lửa của các kết cấu bao che (các vách ngăn cháy), phút, không nhỏ hơn |
Yêu cầu bố trí khoang đệm |
|
|
|
Tường |
Cổng |
|
|
Ngầm |
EI 90 |
El 60 |
Khoang đệm có độ sâu đảm bảo mở được cổng, nhưng không nhỏ hơn 1,5 m |
|
Trên mặt đất |
El 45 |
El 30 |
Không cần thiết |
Các cánh cửa và cổng trong các vách ngăn cháy và các khoang đệm phải được trang bị các thiết bị tự động đóng khi cháy.
Trong các ga ra một tầng dưới mặt đất, trước các đường dốc không sử dụng làm đường thoát nạn thì không cần bố trí khoang đệm.
4.13 Trong các ga ra trên mặt đất các đường dốc không cách ly được phép bố trí:
Trong các nhà chiều cao không quá 3 tầng có bậc chịu lửa bậc I và II thuộc nhóm S0 và S1 và tổng diện tích các tầng (các tầng lửng), được nối với nhau bằng các đường dốc không cách ly, không vượt quá 10400 m2;
4.14 Từ mỗi tầng của một khoang cháy của ga ra (trừ ga ra cơ khí) phải có không ít hơn hai lối thoát hiểm phân tán dẫn trực tiếp ra bên ngoài hoặc vào lồng cầu thang bộ.
Cho phép một trong các lối thoát hiểm bố trí trên đường dốc cách ly. Lối đi theo các thềm của đường dốc trên tầng lửng vào lồng thang bộ được phép xem như là lối thoát hiểm.
Các lối thoát hiểm từ các gian phòng nêu trong mục 4.3, cho phép đi qua các gian phòng lưu giữ ô tô. Chỉ cho phép bố trí kho hành lý của khách trên tầng một (tầng đến) của ga ra.
Khoảng cách cho phép từ vị trí đỗ xe xa nhất đến lối thoát hiểm gần nhất được lấy theo Bảng 3.
Các đường dốc trong các nhà ga ra, đồng thời sử dụng làm đường thoát hiểm, phải có vỉa hè rộng không nhỏ hơn 0,8 m ở một phía của đường dốc.
Các cầu thang bộ dùng để làm đường thoát hiểm phải có chiều rộng không nhỏ hơn 1m.
Bảng 3.
|
|
Khoảng cách đến lối thoát hiểm gần nhất, khi bố trí chỗ lưu giữ xe |
|
|
Loại ga ra |
Giữa các lối thoát hiểm |
Tại phần cụt của gian phòng |
|
Ngầm |
40 |
20 |
|
Trên mặt đất |
60 |
25 |
|
GHI CHÚ – Chiều dài của đường thoát hiểm được đo từ trục của các đường đi bộ và đường xe chạy có kể đến sự phân bố xe. |
||
4.15 Để ra được đường dốc hoặc vào khoang cháy liền kề, phải bố trí cửa ngăn cháy gần cổng hoặc trong các cổng có chiều cao ngưỡng không nhỏ hơn 15 cm.
Để có thể đặt cần cứu hỏa, ở phần dưới của các cổng phải có cửa nắp với cánh tự đóng kích thước 20 x 20 cm.
4.16 Khi sử dụng sàn mái nhà làm chỗ đỗ ô tô, thì các yêu cầu đối với sàn mái này được lấy như đối với các sàn thông thường của ga ra ô tô. Lớp trên của sàn mái này phải được làm từ các vật liệu không lan cháy không nhỏ hơn RP1 (Phụ lục B).
4.17 Trong các phòng lưu giữ ô tô tại các lối ra (lối vào) đường dốc hoặc vào các khoang cháy liền kề, kể cả ra sàn mái (khi bố trí ga ra trên mái) phải có các giải pháp ngăn ngừa khả năng chảy nhiên liệu khi cháy.
4.18 Các ga ra ô tô nhiều tầng phải có các lối ra mái nhà phù hợp với Quy chuẩn phòng cháy chữa cháy.
4.19 Các kết cấu bao che của hố thang máy phải phù hợp Quy chuẩn phòng cháy chữa cháy.
4.20 Trong các ga ra ngầm có trên hai tầng hầm, trong mỗi khoang cháy phải bố trí ít nhất một thang máy làm việc ở chế độ “chuyên chở lực lượng chữa cháy” phù hợp với yêu cầu của Quy chuẩn Phòng cháy chữa cháy.
4.21 Lớp phủ của sàn ga ra phải bền dưới tác động của các sản phẩm dầu và làm sạch khô (kể cả làm sạch cơ khí) các gian phòng.
Lớp phủ của các đường dốc và đường đi bộ trên chúng phải không trơn trượt.
Lớp phủ sàn phải được làm từ nhóm vật liệu có độ lan cháy không thấp hơn nhóm RP1 (Phụ lục B).
4.22 Tại các vị trí lối đi và lưu giữ xe, chiều cao của các gian phòng và cổng tính từ mặt sàn đến mép dưới của phần kết cấu nhô ra và thiết bị treo phải vượt quá ít nhất 0,2 m so với chiều cao ô tô lớn nhất và không được nhỏ hơn 2 m.
4.23 Các đường đi của ô tô trong ga ra phải có được chỉ dẫn chiếu sáng định hướng cho lái xe.
4.24 Các thông số của các chỗ lưu giữ xe, đường dốc, đường đi trong ga ra, khoảng cách giữa các ô tô tại nơi lưu giữ, kể cả khoảng cách giữa các ô tô và kết cấu nhà được thiết kế quy định phụ thuộc vào loại ô tô, phương pháp lưu giữ, kích thước xe, khả năng xoay sở và phân bố của các xe theo yêu cầu của tiêu chuẩn lựa chọn áp dụng.
4.25 Kích thước tối thiểu của nơi lưu giữ lấy như sau:
- Chiều dài một chỗ đỗ xe: 5 m;
- Chiều rộng: 2,3 m (đối với người khuyết tật sử dụng xe lăn: 3,5 m).
4.26 Các gian phòng để lưu giữ ô tô được phép sử dụng một phần chiếu sáng tự nhiên hoặc không sử dụng chiếu sáng tự nhiên.
4.27 Trong các nhà ga ra ô tô nhiều tầng độ dốc của các sàn mỗi tầng, cũng như các rãnh, máng phải đảm bảo không để các chất lỏng chảy ra đường dốc và xuống các tầng bên dưới.
4.28 Các đường dốc trong ga ra ô tô phải thỏa mãn các yêu cầu sau:
a, Độ dốc dọc của các đường dốc thẳng, có mái che theo trục của dải xe chạy phải không lớn hơn 18%, độ dốc dọc của các đường dốc cong – không lớn hơn 13%, độ dốc dọc của các đường dốc hở (không có mái che) – không lớn hơn 10%.
b, Độ dốc ngang của các đường dốc phải không lớn hơn 6%;
c, Trong các đường dốc có người đi bộ phải có vỉa hè rộng không nhỏ hơn 0,8 m.
4.29 Các sàn nghiêng giữa các tầng phải có độ dốc không lớn hơn 6%.
4.30 Ga ra để lưu giữ ô tô có động cơ chạy bằng khí hóa lỏng hoặc khí nén tự nhiên phải bổ sung các yêu cầu cho các gian phòng, nhà và công trình theo quy định riêng.
4.31 Các gian phòng lưu giữ ô tô có động cơ chạy bằng khí hóa lỏng hoặc khí nén tự nhiên phải bố trí trong nhà, công trình riêng biệt chịu lửa bậc I, II, III, IV thuộc nhóm S0.
Các gian phòng lưu giữ xe con chạy bằng khí hóa lỏng hoặc khí nén tự nhiên được phép đặt trên các tầng trên của các ga ra đứng riêng biệt chứa các ô tô chạy bằng xăng hoặc dầu diezen.
Không qui định việc bố trí các gian phòng lưu giữ ô tô chạy bằng khí hóa lỏng hoặc khí nén tự nhiên trên các tầng của ga ra dạng hở, cũng như các ga ra cơ khí (với điều kiện đảm bảo thông gió cho các tầng lưu giữ xe).
4.32 Các gian phòng lưu giữ ô tô chạy bằng khí hóa lỏng hoặc khí nén tự nhiên không được phép bố trí:
a) Trong các tầng hầm và nửa hầm của ga ra;
b) Trong các ga dạng kín ra trên mặt đất đặt trong các nhà có chức năng khác;
c) Trong các ga ra dạng kín trên mặt đất có các đường dốc không cách ly;
d) Khi lưu giữ xe trong các ngăn không có lối trực tiếp từ từng ngăn ra ngoài trời.
Ga ra ngầm chứa xe con
4.33 Bậc chịu lửa yêu cầu, số tầng và diện tích một tầng cho phép trong phạm vi của một khoang cháy được lấy theo Bảng 4.
Bảng 4.
|
Bậc chịu lửa của nhà (công trình) |
Nhóm nguy hiểm cháy kết cấu của nhà (công trình) |
Số tầng của một khoang cháy |
Diện tích một tầng cho phép trong phạm vi của một khoang cháy, m2 |
|
I |
S0 |
5 |
3000 |
|
II |
S0 |
3 |
3000 |
4.34 Các gian phòng làm việc của nhân viên trực ban và nhân viên phục vụ, cấp nước và chữa cháy bằng bơm, các trạm biến thế (chỉ với biến thế khô), kho hành lý của khách, phòng cho người khuyết tật được phép bố trí không dưới tầng thứ nhất (tầng trên cùng) của tầng hầm công trình. Không qui định việc bố trí các phòng kỹ thuật khác trên các tầng.
Các phòng nêu trên phải được cách ly với các phòng lưu giữ ô tô bằng các vách ngăn cháy loại 1.
4.35 Trong các ga ra ngầm không cho phép phân chia các chỗ đỗ xe thành các khoang riêng biệt bằng các vách ngăn.
4.36 Trong các ga ra ngầm có hai tầng hầm trở lên, các lối ra từ các tầng hầm vào các buồng thang bộ và các lối ra từ các lồng thang máy phải bố trí qua các khoang đệm được thổi khí khi cháy ở từng tầng.
4.37 Các lối ra vào của các ga ra ngầm phải cách các nhà như sau, m:
- Đến các lối vào các nhà ở: 100
- Đến các gian phòng hành khách của các bến xe, các lối vào của các tổ chức thương mại và thực phẩm công cộng: 150
- Đến các cơ quan và xí nghiệp về phục vụ dân sinh và các nhà hành chính: 250
- Đến các lối vào công viên, triển lãm và sân vận động: 400
4.38 Trên các sàn tầng của ga ra ngầm phải có các thiết bị thoát nước chữa cháy. Các đường ống dẫn nước thoát nêu trên phải riêng biệt cho từng tầng hầm. Nước thoát được phép dẫn vào mạng thoát nước mưa hoặc hồ chứa mà không cần làm sạch cục bộ.
Ga ra dạng kín trên mặt đất chứa xe con
4.39 Bậc chịu lửa yêu cầu, số tầng và diện tích một tầng cho phép trong phạm vi của một khoang cháy lấy theo Bảng 5.
Bảng 5.
|
|
|
|
Diện tích một tầng cho phép trong phạm vi của một khoang cháy, m2 |
|
|
Bậc chịu lửa của nhà (công trình) |
Nhóm nguy hiểm cháy kết cấu của nhà (công trình) |
Số tầng của một khoang cháy |
Nhà một tầng |
Nhà nhiều tầng |
|
I, II |
S0 |
9 |
10400 |
5200 |
|
|
S1 |
2 |
5200 |
2000 |
|
III |
S0 |
5 |
7800 |
3600 |
|
|
S1 |
2 |
3600 |
1200 |
|
IV |
S0 |
1 |
5200 |
— |
|
|
S1 |
1 |
3600 |
— |
|
|
S2 |
1 |
1200 |
— |
|
V |
Không qui định |
1 |
1200 |
— |
4.40 Trong các nhà ga ra có bậc chịu lửa bậc I và II, cho phép phân chia các chỗ đỗ xe con thành các ngăn riêng. Các vách giữa các ngăn phải có giới hạn chịu lửa R45 nhóm K0; cổng vào từng ngăn phải có dạng lưới hoặc có lỗ kích thước không nhỏ hơn 300 x 300 mm ở độ cao 1,4 ¸1,6 m để luồn các thiết bị chữa cháy và thực hiện việc kiểm tra tình trạng chống cháy của ngăn.
Khi từ từng ngăn có lối trực tiếp ra ngoài trời, được phép bố trí các vách ngăn làm từ vật liệu không cháy không quy định giới hạn chịu lửa trong các nhà 2 tầng có bậc chịu lửa bậc I, II và III và trong nhà một tầng thuộc nhóm S0. Đối với các các nhà hai tầng, các sàn phải là sàn ngăn cháy loại 3. Cổng vào trong các ngăn cũng phải có lỗ kích thước không nhỏ hơn 300 x 300 mm để luồn các thiết bị chữa cháy và thực hiện việc kiểm tra tình trạng chống cháy của ngăn.
Ga ra trên mặt đất dạng hở chứa xe con
4.41 Bậc chịu lửa yêu cầu, số tầng và diện tích một tầng cho phép trong phạm vi của một khoang cháy lấy theo Bảng 6.
Bảng 6.
|
Bậc chịu lửa của nhà (công trình) |
Nhóm nguy hiểm cháy kết cấu của nhà (công trình) |
Số tầng của một khoang cháy |
Diện tích một tầng cho phép trong phạm vi của một khoang cháy, m2 |
|
|
Nhà một tầng |
Nhà nhiều tầng |
|||
|
I, II |
S0 |
9 |
10400 |
5200 |
|
|
S1 |
2 |
3500 |
2000 |
|
III |
S0 |
6 |
7800 |
3600 |
|
|
S1 |
2 |
2000 |
1200 |
|
IV |
S0 |
6 |
7300 |
2000 |
|
|
S1 |
2 |
2600 |
800 |
4.42 Chiều rộng của một khung nhà trong ga ra không được vượt quá 36 m.
4.43 Không được phép lắp các ngăn, xây các bức tường (trừ các tường của lồng thang bộ) và các vách ngăn cản trở việc thông gió. Khi cần phân chia chỗ để xe con được phép sử dụng các vách dạng lưới làm từ vật liệu không cháy.
4.44 Chiều cao tường phân cách ở các tầng không được quá 1 m.
Cho phép sử dụng lưới làm từ vật liệu không cháy để làm cửa ở kết cấu bao che ngoài. Khi đó, phải đảm bảo điều kiện thông gió xuyên suốt tầng.
Để giảm ảnh hưởng của mưa phải có mái đua phía trên các lỗ cửa làm từ vật liệu không cháy. Khi đó, phải đảm bảo điều kiện thông gió xuyên suốt tầng.
4.45 Trong các nhà có bậc chịu lửa bậc IV, các kết cấu bao che của các lồng thang bộ thoát hiểm và các bộ phận của chúng phải thỏa mãn yêu cầu cho các lồng thang bộ của nhà có bậc chịu lửa bậc III.
4.46 Không yêu cầu các hệ thống thoát khói và thông gió.
4.47 Trong các ga ra dạng hở phải có nơi chứa các bình cứu hóa (trên tầng một)
Ga ra cơ khí chứa xe con
4.48 Thành phần và diện tích các phòng, chỗ đỗ xe, các thông số của ga ra phải phù hợp các đặc điểm kỹ thuật của hệ thống lưu giữ xe được sử dụng.
Việc điều khiển thiết bị cơ khi, kiểm tra sự làm việc của nó và an toàn cháy của ga ra phải được thực hiện từ phòng điều độ nằm ở tầng xe đến.
4.49 Nhà (công trình) của các ga ra cơ khí làm từ vật liệu không cháy được phép bố trí trên mặt đất.
Các ga ra được phép dùng khung kim loại không bọc chống cháy với các kết cấu bao che từ vật liệu không cháy.
Các ga ra cơ khí chỉ được phép đặt liền kề với các nhà chức năng khác tại vị trí các tường đặc có giới hạn chịu lửa không nhỏ hơn REI 150.
4.50 Một khối của ga ra cơ khí được phép có sức chứa không quá 50 xe và chiều cao nhà không quá 28 m.
Khi cần tổ hợp ga ra từ các khối, thì giữa các khối này phải được phân chia bằng các vách ngăn cháy loại 1.
4.51 Mỗi một khối của ga ra cơ khí phải đảm bảo cho các xe cứu hỏa và lực lượng chữa cháy tiếp cận được từ hai phía đối diện nhau (qua các cửa sổ kính hoặc các lỗ hở).
4.52 Trong một khối của ga ra cơ khí cho phép lắp đặt các cầu thang bộ hở làm từ vật liệu không cháy dành cho hệ thống dịch vụ kỹ thuật cơ khí theo tầng.
5. Các hệ thống kỹ thuật
Các yêu cầu chung
5.1 Các hệ thống kỹ thuật của ga ra và trang bị kỹ thuật của chúng phải phù hợp với hệ thống tiêu chuẩn lựa chọn áp dụng, ngoại trừ các trường hợp được nói trong qui chuẩn này.
Trong các ga ra, yêu cầu về lượng nước cứu hoả, hệ thống thông gió được lấy như đối với các nhà kho có hạng nguy hiểm cháy hạng C (Phụ lục B).
5.2 Trong các nhà ga ra nhiều tầng, các đoạn ống kỹ thuật phục vụ (cấp nước, thoát nước, cấp nhiệt) đi qua các sàn phải được làm bằng kim loại.
Các mạng cáp cắt qua sàn cũng phải được đặt trong các ống kim loại hoặc trong các hộp kỹ thuật có giới hạn chịu lửa không nhỏ hơn EI 45.
Trong các ga ra ngầm cần sử dụng các loại cáp điện có vỏ bọc không lan cháy.
5.3 Các hệ thống kỹ thuật của ga ra được đặt trong nhà có chức năng khác hoặc liền kề với chúng phải độc lập với các hệ thống kỹ thuật của các toà nhà đó.
Trong trường hợp đặt chuyển tiếp hệ thống kỹ thuật chung đi qua các phòng của ga ra trong nhà chứa ga ra, thì các hệ thống kỹ thuật nêu trên (ngoại trừ các đường ống cấp nước, thoát nước, cấp nhiệt được làm bằng ống kim loại) phải được cách ly bằng các kết cấu xây dựng có giới hạn chịu lửa không nhỏ hơn EI 45.
Đường ống cấp nước
5.4 Số lượng vòi và lượng nước tối thiểu cho một vòi chữa cháy bên trong các ga ra dạng kín cần lấy như sau:
- Khi thể tích khoang cháy từ 500 ¸ 5000 m3: 2 vòi và 2,5 l/s cho một vòi;
- Khi thể tích khoang cháy lớn hơn 5000 m3 : 2 vòi và 5 l/s cho một vòi.
Cho phép không đặt đường ống cấp nước cứu hoả bên trong ở các nhà ga ra một và hai tầng dạng ngăn có lối ra ngoài trời trực tiếp từ từng ngăn.
5.5 Trong các ga ra dạng hở, kể cả ga ra cơ khí và ga ra hở trên mái nhà thì hệ thống cấp nước cứu hoả bên trong cần được làm bằng các ống khô với các đoạn ống chờ nhô ra ngoài đường kính 89 (77) mm, được lắp van và đầu nối để khi cần nối với các thiết bị cứu hoả cơ động.
5.6 Trong các ga ra ngầm có 2 tầng hầm trở lên, đường ống nước cứu hỏa bên trong cần đặt riêng biệt với các hệ thống cấp nước bên trong khác.
5.7 Trong các ga ra ngầm có 2 tầng hầm trở lên, đường ống nước cứu hoả bên trong và các thiết bị chữa cháy tự động phải có các đoạn ống nhô ra ngoài với các đầu nối được lắp các van và van ngược chiều để khi cần nối với các thiết bị cứu hoả cơ động.
5.8 Lượng nước tiêu thụ tính toán cho việc chữa cháy bên ngoài của các tòa nhà ga ra trên mặt đất dạng kín và dạng hở lấy theo Bảng 7.
Lượng nước tiêu thụ tính toán cho việc chữa cháy bên ngoài của các dạng ga ra khác lấy như sau:
- Ga ra ngầm 2 tầng trở lên: 20 l/s.
- Các ga ra dạng ngăn có lối ra ngoài trời trực tiếp từ từng ngăn với số lượng các ngăn từ 50 đến 200: 5 l/s, lớn hơn 200: 10 l/s.
- Ga ra cơ khí: 10 l/s.
- Bãi giữ xe hở với số lượng xe đến 200: 5 l/s, lớn hơn 200: 10 l/s.
Bảng 7.
|
Bậc chịu lửa của nhà |
Nhóm nguy hiểm cháy kết cấu của nhà |
Lượng nước tiêu thụ cho việc chữa cháy bên ngoài nhà ga ra cho một đám cháy, l/s, với khối tích của nhà (khoang cháy), nghìn m3 |
|||
|
Tới |
Cao hơn |
Cao hơn |
Cao hơn |
||
|
|
|
5 |
5 đến 20 |
20 đến 50 |
50 |
|
I, II, III |
S0, S1 |
10 |
15 |
20 |
30 |
|
IV |
S0, S1 |
10 |
15 |
20 |
— |
|
|
S2, S3 |
20 |
25 |
— |
— |
|
V |
Không quy định |
20 |
— |
— |
— |
5.9 Trên mạng cấp giữa các bơm cứu hoả và mạng lưới đường ống nước cứu hoả phải lắp các van ngược chiều.
Thông gió và bảo vệ chống khói
5.10 Trong các ga ra dạng hở tại các gian phòng lưu giữ xe phải có thông gió cấp - hút để làm loãng và đẩy ra ngoài các khí thải độc hại theo tính toán của tiêu chuẩn lựa chọn áp dụng.
Trong các ga ra trên mặt đất dạng kín, việc cấp gió bằng cơ khí chỉ cần thực hiện cho các vùng xa lỗ cửa tường ngoài trên 18 m.
Trong các ga ra ngầm các hệ thống thông gió cần được tách riêng cho từng tầng.
5.11 Trong các ga ra dạng kín cần lắp đặt các thiết bị để đo nồng độ khí CO và các đầu báo tín hiệu kiểm tra khí CO tương ứng đặt trong phòng có nhân viên trực suốt ngày đêm.
5.12 Trong các đường ống dẫn khí ra ngoài, tại các nơi chúng cắt qua các vách ngăn cháy, cần lắp các van chặn lửa mở ở trạng thái bình thường.
Các đường ống dẫn khí chuyển tiếp, nằm ngoài phạm vi của tầng cần phục vụ hoặc của phòng được ngăn bằng các vách ngăn cháy, phải có giới hạn chịu lửa không nhỏ hơn EI 30.
5.13 Cần đặt hệ thống thông gió chống khói để đẩy sản phẩm cháy ra khỏi tầng bị cháy:
a) Từ các gian phòng lưu giữ xe;
b) Từ các đường dốc cách ly.
5.14 Việc đẩy khói cần được tiến hành qua các giếng hút với các đầu hút khí nhân tạo.
Cho phép thoát khói tự nhiên qua cửa sổ và cửa trời được trang bị cơ cấu cơ khí để mở ô thoáng ở phần trên của cửa sổ từ mức 2,2 m trở lên (kể từ mặt sàn đến mép dưới của ô thoáng) và để mở các lỗ cửa trời. Trong trường hợp này, tổng diện tích của các lỗ cửa mở được xác định theo tính toán nhưng không được nhỏ hơn 0,2 % diện tích phòng, còn khoảng cách từ các cửa sổ đến điểm xa nhất trong phòng không được vượt quá 18 m.
Các ga ra ô tô, xây trong nhà có chức năng khác, không được đẩy khói qua các lỗ cửa mở.
Trong các ga ra 2 tầng trở xuống trên mặt đất và trong các ga ra 1 tầng ngầm cho phép đặt các giếng hút tự nhiên.
Trong các ga ra với các đường dốc cách ly, tại các giếng hút trên mỗi tầng, phải có các van khói.
Lượng khói thoát yêu cầu, số lượng giếng và số các van khói được xác định theo tính toán.
Trong các ga ra ngầm cho phép nối các vùng khói có diện tích không quá 900 m2 ở từng tầng hầm tới một giếng khói.
Việc thoát khói từ các đường dốc trong các ga ra trên mặt đất được phép thực hiện thông qua các lỗ ở trong các tường bao ngoài và trên mái.
5.15 Các lồng cầu thang bộ và các giếng thang máy của các ga ra phải được cấp không khí có áp khi cháy hoặc có khoang đệm loại 1 được cấp không khí có áp khi cháy trên tất cả các tầng:
a) Ở gara hai tầng hầm trở lên;
b) Khi các lồng cầu thang và thang máy được nối với các phần ngầm và phần trên mặt đất của ga ra;
c) Khi các lồng cầu thang bộ và thang máy được nối ga ra với các tầng trên mặt đất của nhà có chức năng khác.
5.16 Khi cháy, thông gió trao đổi chung cần đảm bảo được ngắt.
Trình tự (thứ tự) mở hệ thống bảo vệ chống khói cần được thực hiện trước khi mở hệ thống thông gió hút (trước khi cấp).
5.17 Việc điều khiển các hệ thống bảo vệ chống khói cần được thực hiện tự động - từ các tín hiệu báo cháy, còn đối với điều khiển từ xa - từ bảng điều khiển tự động, từ các nút bấm hoặc thiết bị cơ khí dùng tay được đặt ở lối vào tầng của ga ra hoặc tại các chiếu tới của thang bộ trên các tầng (trong các tủ phòng hoả).
5.18 Các bộ phận của các hệ thống bảo vệ chống khói (quạt thông gió, các giếng, đường ống gió, các van, các thiết bị hút khói v.v…) phải phù hợp tiêu chuẩn lựa chọn áp dụng.
Trong các hệ thống thông gió chống khói hút các van chống cháy (kể cả van khói) phải có sức cản thẩm thấu khí khói không nhỏ hơn 8000 KG-1.m-1 cho 1 m2 diện tích tiết diện đi qua.
5.19 Khi xác định các thông số cơ bản của thông gió chống khói cấp - hút cần phải tính toán đến các dữ liệu đầu vào sau đây:
- Sự xuất hiện đám cháy (sự bùng cháy của 1 ô tô hoặc cháy tại một trong những gian phụ trợ theo 4.3) ở các ga ra trên mặt đất tại tầng điển hình phía dưới, còn ở ga ra ngầm – tại các tầng điển hình trên và dưới;
- Các đặc trưng hình học của tầng điển hình – diện tích sử dụng, năng lực tiếp nhận, diện tích các kết cấu bao che;
- Tải trọng cháy riêng;
- Vị trí các lỗ cửa của các lối thoát hiểm (được mở từ tầng cháy đến lối ra bên ngoài);
- Các thông số không khí bên ngoài.
Các thiết bị điện
5.20 Các trang thiết bị kỹ thuật điện của các ga ra phải tuân theo các yêu cầu qui định về lắp đặt thiết bị điện.
5.21 Độ tin cậy cấp điện cho các hộ tiêu thụ điện của các ga ra được lấy theo các hạng sau:
Đối với hạng 1: các trang thiết bị điện dùng để bảo vệ chống cháy, kể cả để phát hiện và chữa cháy tự động, bảo vệ chống khói, thang máy để vận chuyển lực lượng chữa cháy, các hệ thống báo cháy, cũng như các hệ thống kiểm soát tự động môi trường không khí trong các gian phòng lưu giữ ô tô chạy bằng khí nén và khí hóa lỏng;
Đối với hạng 2: các đường cấp điện cho các thang máy và các thiết bị cơ khí khác để vận chuyển ô tô;
Các đường cấp điện cho các cơ cấu mở cổng không dùng tay và chiếu sáng thoát hiểm cho chỗ đỗ ô tô, luôn sẵn sàng thoát ra ngoài;
Đối với hạng 3: các hộ tiêu thụ điện khác thuộc trang thiết bị công nghệ của ga ra.
Các cáp điện cấp cho các thiết bị chống cháy phải được nối trực tiếp với các tủ điện đầu vào của nhà (công trình) và không được sử dụng đồng thời để cấp điện tới các thiết bị dùng điện khác.
5.22 Chiếu sáng các gian phòng lưu giữ ô tô phải tuân theo các yêu cầu của hệ thống tiêu chuẩn lựa chọn áp dụng.
5.23 Các chỉ dẫn chiếu sáng sau đây phải được nối với mạng chiếu sáng thoát hiểm:
- Của các lối ra thoát hiểm trên từng tầng;
- Của các đường đi của ô tô;
- Của các vị trí đặt các đầu nối để nối với các thiết bị phòng cháy, chữa cháy;
- Của các vị trí đặt các van chữa cháy bên trong và các bình chữa cháy;
- Của các vị trí lắp đặt các họng nước bên ngoài (ở mặt ngoài công trình).
5.24 Các đèn dẫn hướng chuyển động phải được đặt tại các chỗ vòng xe, các vị trí thay đổi độ dốc, trên các đường dốc, trên các lối vào các tầng, ở các cửa ra vào trên các tầng và vào các lồng cầu thang bộ.
Các chỉ dẫn hướng chuyển động được đặt ở độ cao 2 m và 0,5 m cách mặt sàn trong phạm vi nhìn thẳng từ điểm bất kỳ trên các đường thoát hiểm và đường xe chạy.
5.25 Trong các ga ra dạng kín, tại các lối vào từng tầng phải lắp các ổ cắm được nối với mạng cấp điện hạng 1 để sử dụng cho các thiết bị phòng cháy, chữa cháy.
Chữa cháy và phát hiện cháy tự động
5.26 Các hệ thống phát hiện và chữa cháy tự động được sử dụng trong các ga ra ô tô phải thỏa mãn các yêu cầu của hệ thống tiêu chuẩn lựa chọn áp dụng.
5.27 Chữa cháy tự động trong các gian phòng chứa ô tô phải có trong các ga ra dạng kín sau đây:
a) Ga ra ngầm không phụ thuộc số tầng;
b) Ga ra trên mặt đất có hai tầng trở lên;
c) Ga ra trên mặt đất một tầng có bậc chịu lửa bậc I, II và III với diện tích 7000 m2 trở lên, bậc chịu lửa bậc IV, nhóm S0 có diện tích 3600 m2 trở lên, bậc chịu lửa bậc IV, nhóm S1 – 2000 m2 trở lên, bậc chịu lửa bậc IV làm từ vật liệu không thuộc hai nhóm S2, S3 – 1000 m2 trở lên; khi lưu giữ ô tô trong các ngăn chứa riêng (theo 4.40) trong các nhà này – với số lượng ngăn lớn hơn 5;
d) ga ra trong nhà có chức năng khác;
e) trong các gian phòng lưu giữ ô tô được dùng để vận chuyển nhiên liệu và chất bôi trơn;
f) ga ra nằm dưới các cầu;
g) ga ra cơ khí. Cho phép không bố trí chữa cháy tự động trong các ga ra ngầm một tầng có sức chứa tới 25 chỗ được xây dựng trên khu đất trống.
5.28 Phát hiện cháy tự động phải được trang bị cho:
a) các ga ra trên mặt đất một tầng dạng kín có diện tích nhỏ hơn diện tích nêu trong mục 5.27 c, hoặc khi có số lượng ngăn không quá 5;
b) Các gian phòng nêu trong 4.3, trừ các khu vệ sinh và các buồng thông gió.
Trong các gian phòng có nhân viên trực ban ngày đêm cho phép không trang bị phát hiện cháy tự động.
5.29 Trong các ga ra một, hai tầng dạng ngăn có lối ra ngoài trời trực tiếp từ từng ngăn chứa, cho phép không trang bị chữa cháy và phát hiện cháy tự động.
5.30 Các ga ra trên mặt đất dạng kín có hai tầng trở lên (trừ các ga ra có lối ra ngoài trời trực tiếp từ từng ngăn chứa và các ga ra cơ khí) có sức chứa tới 100 chỗ-xe phải được trang bị các hệ thống báo cháy loại 1, lớn hơn 100 chỗ-xe – loại 2 theo Bảng 8.
Các ga ra ngầm có hai tầng trở lên phải được trang bị các hệ thống báo cháy:
- Khi sức chứa tới 50 chỗ-xe: loại 2;
- Lớn hơn 50 chỗ-xe tới 200 chỗ-xe: loại 3;
- Lớn hơn 200 chỗ-xe: loại 4 và 5.
6. Các yêu cầu về khai thác
6.1 Các lối ra trên mỗi tầng của ga ra phải có các ký hiệu chỉ dẫn rõ ràng và dễ thấy.
Để ký hiệu các đường xe chạy và các điểm tiêu chính (các lối ra trên các tầng, các vị trí đặt các van chữa cháy, các bình chữa cháy …) cần sử dụng các loại sơn phát sáng và lớp phủ phản quang.
6.2 Các gian phòng lưu giữ ô tô và các đường dốc phải có các chỉ dẫn cấm hút thuốc trong ga ra.
6.3 Các ga ra phải được trang bị các dụng cụ chữa cháy ban đầu thỏa mãn các yêu cầu của các tiêu chuẩn được lựa chọn áp dụng
6.4 Các lớp phủ chống cháy chuyên dùng và các loại sơn thẩm thấu trên bề mặt hở của kết cấu phải được phục hồi định kỳ hoặc thay thế khi bị hỏng (không sử dụng được toàn bộ hoặc một phần) hoặc phù hợp với thời hạn sử dụng qui định trong tài liệu kỹ thuật của các loại sơn và lớp phủ này.
Bảng 8.
|
TT |
Đặc trưng của các hệ thống báo cháy |
Hệ thống báo cháy loại |
|
||||
|
|
|
1 |
2 |
3 |
4 |
5 |
|
|
1 |
Các biện pháp báo cháy: |
|
|
|
|
|
|
|
Tín hiệu âm thanh (chuông, còi hú....) |
+ |
+ |
* |
* |
* |
||
|
Giọng nói (băng ghi âm và truyền thanh) |
– |
– |
+ |
+ |
+ |
||
|
Đèn hiệu |
|
|
|
|
|
||
|
nhấp nháy |
* |
* |
– |
– |
– |
||
|
đèn hiệu “lối ra” |
* |
+ |
+ |
+ |
+ |
||
|
Đèn hiệu dẫn hướng chuyển động |
– |
* |
* |
+ |
+ |
||
|
Đèn hiệu dẫn hướng chuyển động cho từng vùng |
– |
* |
* |
* |
+ |
||
|
|
|
|
|
|
|
||
|
2 |
Liên lạc vùng báo cháy với bộ phận điều độ |
– |
– |
* |
+ |
+ |
|
|
3 |
Trình tự báo cháy: |
|
|
|
|
|
|
|
|
Tất cả đồng thời |
* |
+ |
– |
– |
– |
|
|
|
Chỉ trong một gian phòng (trong một phần của nhà) |
* |
* |
* |
– |
– |
|
|
|
trước tiên của nhân viên phục vụ, sau đó của tất cả theo trình tự được thiết lập riêng |
– |
* |
+ |
+ |
+ |
|
|
|
|
|
|
|
|
|
|
|
4 |
Tự động hóa hoàn toàn việc điều khiển hệ thống báo cháy và khả năng thực hiện tập hợp các phương án tổ chức thoát hiểm từ từng vùng báo cháy |
– |
– |
– |
– |
+ |
|
|
GHI CHÚ: '+' - cần thiết; '*' - khuyến cáo; '-' - không yêu cầu. |
|
||||||
6.5 Không cho phép cải tạo hoặc sử dụng các ngăn chứa ô tô riêng để làm các gian phục vụ công tác sửa chữa.
6.6 Khả năng làm việc của các hệ thống kỹ thuật bảo vệ chống cháy (các van và họng nước chữa cháy, các trạm bơm chữa cháy, thiết bị phát hiện cháy, các hệ thống bảo vệ chống khói, báo cháy, các thiết bị đóng lối ra thoát hiểm) phải được kiểm tra không ít hơn một lần trong một năm và lập các biên bản tương ứng có sự tham gia của đại diện cơ quan quản lý phòng cháy, chữa cháy.
Phụ lục A
Quy định về kích thước bố trí ga ra
A.1 Kích thước khu đất của các ga ra xe con tùy thuộc vào số tầng được lấy như sau, m2 cho một một chỗ-xe:
Đối với các ga ra:
- Một tầng: 30 m2/chỗ xe
- Hai tầng: 20 m2/chỗ xe
- Ba tầng: 14 m2/chỗ xe
- Bốn tầng: 12 m2/chỗ xe
- Năm tầng: 10 m2/chỗ xe
- Ga ra trên mặt đất: 25 m2/chỗ xe
A.2 Khoảng cách tối thiểu từ các lối ra vào của các ga ra tới nút giao cắt của đường trục chính – 50 m; tới đường nội bộ - 20 m; tới các điểm dừng xe của các phương tiện giao thông chở khách - 30 m.
Các lối xe ra vào của ga ra ngầm chứa xe con phải cách các cửa sổ của các nhà ở, các gian phòng làm việc của các nhà công cộng và các khu đất của các trường học, nhà trẻ và các cơ quan y tế được làm theo Bảng A.1.
Bảng A.1.
|
Nhà (công trình) |
Khoảng cách, m |
|||||
|
từ các ga ra và bãi xe hở có sức chứa |
từ các trạm phục vụ kỹ thuật có sức chứa |
|||||
|
|
Từ 10 chỗ trở xuống |
11¸50 chỗ |
51¸100 chỗ |
101¸300 chỗ |
Từ 10 chỗ trở xuống
|
11¸30 chỗ |
|
Nhà ở - Cửa sổ |
10** |
15 |
25 |
35 |
15 |
25 |
|
Nhà ở - mép nhà không có cửa sổ |
10** |
10** |
15 |
25 |
15 |
25 |
|
Nhà công cộng – phòng làm việc |
10** |
10** |
15 |
25 |
15 |
20 |
|
Các trường học, nhà trẻ |
15 |
25 |
25 |
50 |
50 |
* |
|
Các cơ quan y tế có phòng điều dưỡng |
25 |
50 |
* |
* |
50 |
* |
|
* Được xác định theo thỏa thuận với các cơ quan quản lý nhà nước về vệ sinh dịch tễ; ** Đối với các nhà ga ra có bậc chịu lửa bậc III – V, thì các khoảng cách lấy không nhỏ hơn 12 m. GHI CHÚ: 1. Khoảng cách được tính từ các cửa sổ của nhà ở, nhà công cộng và từ các đương gianh giới khu đất của các trường học, nhà trẻ và cơ quan y tế đến tường của các ga ra hoặc đường gianh giới của bãi xe hở. 2. Khoảng cách từ các blốc nhà ở tới các bãi xe hở có sức chứa từ 101 đến 300 xe đặt theo chiều dọc nhà lấy không nhỏ hơn 50 m. 3. Đối với các ga ra có bậc chịu lửa bậc I – II thì các khoảng cách nêu trong Bảng A.1, được phép giảm xuống 25% khi trong các ga ra không có các của sổ mở được hoặc khi các lối vào của ga ra ở phía các nhà ở, nhà công cộng. 4. Các ga ra và các bãi xe hở để lưu giữ xe con có sức chứa hơn 300 xe và các trạm phục vụ kỹ thuật có sức chứa hơn 30 chỗ phải bố trí ngoài các vùng dân cư trên khoảng cách không nhỏ hơn 50 m cách các nhà ở. 5. Đối với các ga ra có sức chứa lớn hơn 10 xe nêu trong Bảng A.1, thì các khoảng cách cho phép lấy theo nội suy. 6. Trong các ga ra một tầng dạng ngăn thuộc sở hữu của công dân, cho phép có các đường chạy đà. |
||||||
PHỤ LỤC B
Phân loại kỹ thuật về cháy
B.1 Phân loại vật liệu xây dựng theo các tính chất cháy
B.1.1 Vật liệu xây dựng được phân thành vật liệu cháy và vật liệu không cháy theo các trị số của các thông số cháy thí nghiệm như sau:
a) Vật liệu không cháy, khi đồng thời:
- độ tăng nhiệt độ của lò đốt không quá 50oC;
- khối lượng mẫu bị giảm không quá 50%;
- thời gian kéo dài của ngọn lửa không quá 10 giây.
b) Vật liệu cháy là vật liệu khi thí nghiệm, không thỏa mãn một trong 3 yếu tố trên
CHÚ THÍCH: Các thông số thí nghiệm được xác định theo tiêu chuẩn TCXDVN 331:2004 (EN ISO 1182) GOCT 30244-94 “Thí nghiệm tính không cháy của vật liệu xây dựng” hoặc tương đương.
B.1.2 Vật liệu cháy, được phân thành 4 nhóm theo các trị số của các thông số cháy thí nghiệm như sau:
Bảng B. 1 - Phân nhóm vật liệu cháy theo tính cháy
|
Nhóm cháy của vật liệu |
Các thông số cháy |
|||
|
Nhiệt độ khí trong ống thoát khói (T) [oC] |
Mức độ hư hỏng theo chiều dài mẫu (L) [%] |
Mức độ hư hỏng theo khối lượng mẫu (m) [%] |
Khoảng thời gian cháy của mẫu [giây] |
|
|
G1 - Cháy yếu |
£ 135 |
£ 65 |
£ 20 |
0 |
|
G2 - Cháy vừa |
£ 235 |
£ 85 |
£ 50 |
£ 30 |
|
G3 - Cháy bình thường |
£ 450 |
> 85 |
£ 50 |
£ 300 |
|
G4 - Cháy mạnh |
> 450 |
> 85 |
> 50 |
> 300 |
|
CHÚ THÍCH: Các thông số thí nghiệm được xác định theo tiêu chuẩn GOST 30244-94 - Phương pháp II “Vật liệu xây dựng. Phương pháp thử tính cháy” hoặc tương đương. |
||||
B.1.3 Vật liệu cháy, được phân thành 3 nhóm theo tính bắt cháy, với các thông số cháy thí nghiệm như sau:
Bảng B. 2 - Phân nhóm vật liệu cháy theo tính bắt cháy
|
Nhóm bắt cháy của vật liệu |
Cường độ thông lượng nhiệt bề mặt tới hạn [kW/m2] |
|
1 |
2 |
|
V1 - khó bắt cháy |
³ 35,0 |
|
V2 - bắt cháy vừa phải |
lớn hơn hoặc bằng 20,0 và nhỏ hơn 35,0 |
|
V1 - dễ bắt cháy |
< 20,0 |
|
CHÚ THÍCH: Các thông số thí nghiệm được xác định theo tiêu chuẩn GOST 30402-96 (ISO 5657-86) “Vật liệu xây dựng. Phương pháp thử tính bắt cháy” hoặc tương đương. |
|
B.1.4 Vật liệu cháy, được phân thành 4 nhóm theo tính lan truyền lửa trên bề mặt, với các thông số cháy thí nghiệm như sau:
Bảng B. 3 - Phân nhóm vật liệu cháy theo tính lan truyền lửa trên bề mặt
|
Nhóm lan truyền lửa trên bề mặt của vật liệu |
Cường độ thông lượng nhiệt bề mặt tới hạn [kW/m2] |
|
RP1 - không lan truyền |
³ 11,0 |
|
RP2 - lan truyền yếu |
Lớn hơn hoặc bằng 8,0 và nhỏ hơn 11,0 |
|
RP3 - lan truyền vừa phải |
Lớn hơn hoặc bằng 5,0 và nhỏ hơn 8,0 |
|
RP4 - lan truyền mạnh |
< 5,0 |
|
CHÚ THÍCH: Các thông số thí nghiệm được xác định theo tiêu chuẩn GOST 30444-97 (ISO 9239-2) “Vật liệu xây dựng. Phương pháp thử tính lan truyền lửa” hoặc tương đương. |
|
B.1.5 Vật liệu cháy, được phân thành 3 nhóm theo khả năng sinh khói, với các thông số thí nghiệm như sau:
Bảng B. 4 - Phân nhóm vật liệu cháy theo khả năng sinh khói
|
Nhóm theo khả năng sinh khói của vật liệu |
Trị số hệ số sinh khói của vật liệu [m2/kG] |
|
D1 - khả năng sinh khói thấp |
£ 50 |
|
D2 - khả năng sinh khói vừa phải |
Lớn hơn 50 và nhỏ hơn hoặc bằng 500 |
|
D3 - khả năng sinh khói cao |
> 500 |
|
CHÚ THÍCH: Các thông số thí nghiệm được xác định theo tiêu chuẩn GOST 12.1.044 “Tính nguy hiểm cháy nổ của các chất và vật liệu. Danh mục chỉ tiêu và phương pháp xác định” hoặc tương đương. |
|
B.1.6 Vật liệu cháy, được phân thành 4 nhóm theo độc tính, với chỉ số độc tính HCL50 của sản phẩm cháy như sau:
Bảng B. 5 - Phân nhóm vật liệu cháy theo độc tính
|
Nhóm theo độc tính của vật liệu |
Chỉ số HCL50 [g/m3], tương ứng với thời gian để lộ |
|||
|
5 phút |
15 phút |
30 phút |
60 phút |
|
|
1 |
2 |
3 |
4 |
5 |
|
T4 - Độc tính đặc biệt cao |
£ 25 |
£ 47 |
£ 13 |
£ 10 |
|
T3 - Độc tính cao |
25 đến 70 |
47 đến 50 |
13 đến 40 |
10 đến 30 |
|
T2 - Độc tính vừa phải |
70 đến 210 |
50 đến 150 |
40 đến 120 |
30 đến 90 |
|
T1 - Độc tính thấp |
> 210 |
> 150 |
> 120 |
> 90 |
|
CHÚ THÍCH: Các thông số thí nghiệm và tính toán chỉ tiêu HCL50 được thực hiện theo tiêu chuẩn GOST 12.1.044 |
||||
B.2 G iới hạn chịu lửa của cấu kiện xây dựng
B.2.1 Giới hạn chịu lửa của cấu kiện xây dựng được xác định bằng khoảng thời gian chịu lửa (tính theo phút), để xuất hiện một hoặc một số các dấu hiệu biểu hiện trạng thái giới hạn quy định cho cấu kiện đó:
- R: Mất khả năng chịu lực;
- E: Mất tính toàn vẹn;
- I: Mất tính cách nhiệt.
B.2.2 Giới hạn chịu lửa của cấu kiện xây dựng được xác định thông qua thử nghiệm theo các tiêu chuẩn quy định và được ký hiệu bằng REI, EI, RE hoặc R.
Ví dụ: cấu kiện được yêu cầu chịu lửa REI 120 nghĩa là cấu kiện phải duy trì được đồng thời cả ba khả năng: chịu lực, toàn vẹn và cách nhiệt trong khoảng thời gian 120 phút; Cấu kiện được yêu cầu có giới hạn chịu lửa R 120, thì cấu kiện chỉ phải duy trì khả năng chịu lực trong thời gian 120 phút, không yêu cầu cách nhiệt và toàn vẹn.
B.3 Phân nhóm cấu kiện xây dựng theo tính nguy hiểm cháy: Theo Bảng B.6
B.4 Phân loại các bộ phận ngăn cháy
B.4.1 Các bộ phận ngăn cháy dùng để ngăn cản lửa và các sản phẩm cháy (nhiệt, khói, khí độc) lan truyền từ một không gian có đám cháy sang một không gian khác.
Các bộ phận ngăn cháy bao gồm tường ngăn cháy, sàn ngăn cháy, và vách ngăn cháy.
B.4.2 Các bộ phận ngăn cháy được đặc trưng bằng khả năng chịu lửa và tính nguy hiểm cháy.
B.4.3 Tùy thuộc vào giới hạn chịu lửa của phần bao bọc của bộ phận ngăn cháy, bộ phận ngăn cháy được phân thành các loại theo Bảng B.7. Các tấm cửa đi, cửa sập, cửa nắp, cửa sổ, van chặn, màn chắn bịt các lỗ thông trên bộ phận ngăn cháy được phân thành các loại như trong Bảng B.8.
Bảng B. 6 - Phân nhóm nguy hiểm cháy của cấu kiện xây dựng
|
Nhóm nguy hiểm cháy của cấu kiện xây dựng |
Kích thước hư hỏng cho phép của kết cấu (cm) |
Xuất hiện |
Các đặc trưng nguy hiểm cháy của vật liệu bề mặt |
||||
|
Nhóm theo đặc tính |
|||||||
|
Kết cấu đứng |
Kết cấu ngang |
Hiệu ứng nhiệt |
Cháy |
Cháy |
Bắt cháy |
Sinh khói |
|
|
1 |
2 |
3 |
4 |
5 |
6 |
7 |
8 |
|
K0 |
0 |
0 |
KCP |
KCP |
--- |
--- |
--- |
|
K1 |
£ 40 |
£ 25 |
KCP |
KCP |
KQĐ |
KQĐ |
KQĐ |
|
£ 40 |
£ 25 |
KQĐ |
KCP |
G2 |
V2 |
D2 |
|
|
K2 |
Lớn hơn 40 và nhỏ hơn hoặc bằng 80 |
Lớn hơn 25 và nhỏ hơn hoặc bằng 50 |
KCP |
KCP |
KQĐ |
KQĐ |
KQĐ |
|
Lớn hơn 40 và nhỏ hơn hoặc bằng 80 |
Lớn hơn 35 và nhỏ hơn hoặc bằng 50 |
KQĐ |
KCP |
G3 |
V3 |
D2 |
|
|
K3 |
Không quy định |
||||||
|
CHÚ THÍCH: Xác định kích thước hư hỏng và sự xuất hiện cháy theo tiêu chuẩn GOST 30403-96 “Kết cấu xây dựng. Phương pháp xác định độ nguy hiểm cháy” hoặc tương đương. - KCP: Không cho phép - KQĐ: Không quy định - Cho phép không cần thử nghiệm xác định cấp nguy hiểm cháy của kết cấu như sau: + được xếp vào cấp K0, nếu kết cấu được chế tạo chỉ từ vật liệu không cháy; + được xếp vào cấp K3, nếu kết cấu được chế tạo chỉ từ vật liệu nhóm cháy G4; |
|||||||
Bảng B.7 Phân loại bộ phận ngăn cháy
|
Tên bộ phận ngăn cháy |
Loại |
Giới hạn chịu lửa của bộ phận ngăn cháy, không thấp hơn |
Loại tấm ngăn bịt các lỗ thông trên bộ phận ngăn cháy, không thấp hơn |
|
Tường ngăn cháy |
1 |
REI 150 |
1 |
|
2 |
REI 45 |
2 |
|
|
Vách ngăn cháy |
1 |
EI 45 |
2 |
|
2 |
EI 15 |
3 |
|
|
Sàn ngăn cháy |
1 |
REI 150 |
1 |
|
2 |
REI 60 |
2 |
|
|
3 |
REI 45 |
2 |
|
|
4 |
REI 15 |
3 |
GHI CHÚ:
Khả năng chịu lửa của bộ phận ngăn cháy được xác định bằng khả năng chịu lửa của các bộ phận cấu thành của nó; đó là:
- Phần bao bọc của bộ phận ngăn cháy;
- Các cấu kiện giữ ổn định cho bộ phận ngăn cháy;
- Các cấu kiện mà bộ phận ngăn cháy tựa lên;
- Các liên kết giữa các bộ phận cấu thành của bộ phận ngăn cháy.
Bảng B.8 - Phân loại bộ phận bịt kín các lỗ thông trên bộ phận ngăn cháy
|
Các bộ phận bịt kín các lỗ thông trên bộ phận ngăn cháy |
Loại |
Giới hạn chịu lửa, không thấp hơn |
|
Cửa đi, cửa sập, cửa nắp, van chặn |
1 |
EI 60 |
|
2 |
EI 30 |
|
|
3 |
EI 15 |
|
|
Cửa sổ |
1 |
E 60 |
|
2 |
E 30 |
|
|
3 |
E 15 |
|
|
Màn chắn |
1 |
EI 60 |
B.4.4. Các khoang đệm được phân thành các loại như Bảng B.9.
Bảng B.9 - Phân loại phòng đệm
|
Loại phòng đệm |
Loại các bộ phận cấu thành của phòng đệm, không thấp hơn |
||
|
Vách ngăn |
Sàn |
Tấm bịt lỗ thông |
|
|
1 |
1 |
3 |
2 |
|
2 |
2 |
4 |
3 |
B.5 Phân loại nhà (công trình) theo bậc chịu lửa
B.5.1 Khoang cháy: Nhà (công trình) hoặc một phần của chúng được ngăn cách với nhà (công trình) hoặc bộ phận khác bằng các tường ngăn cháy loại 1 – gọi là khoang cháy.
B.5.2 Nhà (công trình) hoặc một khoang cháy được phân loại thành các bậc chịu lửa: Theo Bảng B.10.
Bảng B.10
|
Bậc chịu lửa của nhà (công trình) |
Giới hạn chịu lửa của các cấu kiện xây dựng của nhà (công trình), không thấp hơn |
||||||
|
Các cấu kiện chịu lực |
Tường ngoài không chịu lực |
Sàn phân chia các tầng nhà (kể cả ở tầng áp mái và tầng hầm) |
Các bộ phận của mái không có tầng áp mái |
Buồng cầu thang bộ |
|||
|
Các tấm lát |
Dàn, dầm xà gỗ |
Tường trong |
Bản thang chiếu nghỉ |
||||
|
I |
R120 |
E30 |
REI 60 |
RE 30 |
R30 |
REI 120 |
R60 |
|
II |
R90 |
E15 |
REI 45 |
RE 15 |
R15 |
REI 90 |
R60 |
|
III |
R45 |
E15 |
REI 45 |
RE 15 |
R15 |
REI 60 |
R45 |
|
IV |
R15 |
E15 |
REI 15 |
RE 15 |
R15 |
REI 45 |
R15 |
|
V |
Không quy định |
||||||
B.6 Phân loại nhà theo tính nguy hiểm cháy kết cấu: Theo Bảng B.11
Bảng B.11
|
Nhóm nguy hiểm cháy về kết cấu của nhà |
Nhóm nguy hiểm cháy của cấu kiện xây dựng, không nhỏ hơn |
||||
|
Các thanh chịu lực (cột, xàn dầm ...) |
Tường ngoài từ phía ngoài |
Tường, vách ngăn, sàn và mái không có tầng áp mái |
Tường của buồng thang bộ và bộ phận ngăn cháy |
Bản thang và chiếu thang trong buồng thang bộ |
|
|
S0 |
K0 |
K0 |
K0 |
K0 |
K0 |
|
S1 |
K1 |
K2 |
K1 |
K0 |
K0 |
|
S2 |
K3 |
K3 |
K2 |
K1 |
K1 |
|
S3 |
Không quy định |
K1 |
K3 |
||
B.7 Phân hạng sản xuất theo tính nguy hiểm cháy và cháy nổ
Nhà và các không gian dùng cho sản xuất và kho chứa được phân hạng sản xuất theo tính nguy hiểm cháy và cháy nổ của các chất và vật liệu chứa trong chúng như Bảng B.12.
Bảng B.12 - Phân hạng nguy hiểm cháy và cháy nổ đối với nhà và gian phòng
|
Hạng nguy hiểm cháy của nhà |
Đặc tính của các chất và vật liệu có (hình thành) trong nhà, gian phòng |
|
A Nguy hiểm cháy nổ |
- Có các chất khí cháy, chất lỏng dễ bốc cháy có nhiệt độ bùng cháy không lớn hơn 28oC, với khối lượng có thể tạo thành hỗn hợp khí - hơi nguy hiểm nổ, khi bốc cháy tạo ra áp suất nổ dư tính toán trong gian phòng vượt quá 5 kPa. - Có các chất và vật liệu có khả năng nổ và cháy khi tác dụng với nước, với ôxy trong không khí hoặc tác dụng với nhau, với khối lượng để áp suất nổ dư tính toán trong gian phòng vượt quá 5 kPa.
|
|
B Nguy hiểm cháy nổ |
- Có các chất bụi hoặc sợi cháy, chất lỏng dễ bốc cháy, có nhiệt độ bùng cháy lớn hơn 28oC, các chất lỏng cháy, có khối lượng có thể tạo thành hỗn hợp khí - bụi hoặc khí - hơi nguy hiểm nổ, khi bốc cháy tạo ra áp suất nổ dư tính toán trong gian phòng vượt quá 5 kPa. |
Bảng B.12 (Tiếp theo)
|
Hạng nguy hiểm cháy của nhà |
Đặc tính của các chất và vật liệu có (hình thành) trong nhà, gian phòng |
|
C1 đến C4 Nguy hiểm cháy |
- Có các chất lỏng cháy hoặc khó cháy, các chất và vật liệu cháy và khó cháy ở thể rắn (kể cả bụi và sợi). Các chất và vật liệu khi tác dụng với nước, với ôxy trong không khí hoặc tác dụng với nhau có khả năng cháy, nhưng với điều kiện gian phòng có các chất và vật liệu này không thuộc các hạng A hoặc B - Việc chia gian phòng thành các hạng C1 đến C4 theo trị số tải trọng cháy riêng của các chất chứa trong đó như sau: C1 - Có tải trọng cháy riêng lớn hơn 2200 MJ/m2 C2 - Có tải trọng cháy riêng từ 1401 MJ/m2 đến 2200 MJ/m2 C3 - Có tải trọng cháy riêng từ 181 MJ/m2 đến 1400 MJ/m2 C2 - Có tải trọng cháy riêng từ 1 MJ/m2 đến 180 MJ/m2 |
|
D |
Có các chất và vật liệu không cháy ở trạng thái nóng, nóng đỏ hoặc nóng chảy, mà quá trình gia công có kèm theo sự phát sinh bức xạ nhiệt, tia lửa và ngọn lửa; Các chất rắn, lỏng, khí cháy được sử dụng để làm nhiên liệu. |
|
E |
Các chất và vật liệu không cháy ở trạng thái nguội |
B.8 Phân nhóm nhà theo tính nguy hiểm cháy về chức năng sử dụng như Bảng B.13.
Bảng B.13 - Phân loại nhà theo tính nguy hiểm cháy về chức năng sử dụng
|
Nhóm |
Chức năng sử dụng của công trình |
|
F 1 |
Nhà có người ở thường xuyên hoặc tạm thời (trong đó có cả để ở suốt ngày đêm) |
|
F 1.1 |
Nhà trẻ, mẫu giáo, nhà chuyên dùng cho người cao tuổi và người khuyết tật (không phải nhà căn hộ), bệnh viện, khối nhà ngủ của các trường nội trú và của các cơ sở cho trẻ em |
|
F 1.2 |
Khách sạn, ký túc xá, khối nhà ngủ của các cơ sở điều dưỡng và nhà nghỉ dạng chung, khu cắm trại, nhà trọ và nhà an dưỡng |
|
F 1.3 |
Nhà ở chung cư nhiều căn hộ |
|
F 1.4 |
Nhà ở riêng lẻ, trong đó gồm cả các nhà ở theo dãy |
Bảng B.13 - (Tiếp theo)
|
Nhóm |
Chức năng sử dụng của công trình |
|
F 1 |
Nhà có người ở thường xuyên hoặc tạm thời (trong đó có cả để ở suốt ngày đêm) |
|
F 1.1 |
Nhà trẻ, mẫu giáo, nhà chuyên dùng cho người cao tuổi và người khuyết tật (không phải nhà căn hộ), bệnh viện, khối nhà ngủ của các trường nội trú và của các cơ sở cho trẻ em |
|
F 1.2 |
Khách sạn, ký túc xá, khối nhà ngủ của các cơ sở điều dưỡng và nhà nghỉ dạng chung, khu cắm trại, nhà trọ và nhà an dưỡng |
|
F 1.3 |
Nhà ở chung cư nhiều căn hộ |
|
F 1.4 |
Nhà ở riêng lẻ, trong đó gồm cả các nhà ở theo dãy |
|
F 2 |
Các công trình văn hoá thể thao đại chúng |
|
F2.1 |
Nhà hát, rạp chiếu phim, phòng hoà nhạc, câu lạc bộ, rạp xiếc, các công trình thể thao có khán đài, thư viện và các công trình khác có số lượng chỗ ngồi tính toán cho khách trong các gian phòng kín; |
|
F 2.2 |
Bảo tàng, triển lãm, phòng nhảy và các cơ sở tương tự khác trong các gian phòng kín |
|
F 2.3 |
Các cơ sở được đề cập ở mục F2.1 hở ra ngoài trời |
|
F 2.4 |
Các cơ sở được đề cập ở mục F2.2 hở ra ngoài trời |
|
F 3 |
Các cơ sở dịch vụ dân cư |
|
F 3.1 |
Cơ sở bán hàng |
|
F 3.2 |
Cơ sở ăn uống công cộng |
|
F 3.3 |
Nhà ga |
|
F 3.4 |
Phòng khám chữa bệnh đa khoa và cấp cứu |
|
F 3.5 |
Các gian phòng cho khách của các cơ sở dịch vụ đời sống và công cộng có số lượng chỗ ngồi cho khách không được tính toán (bưu điện, quỹ tiết kiệm, phòng vé, văn phòng tư vấn luật, văn phòng công chứng, cửa hàng giặt là, nhà may, sửa chữa giày và quần áo, cửa hàng cắt tóc, cơ sở phục vụ lễ tang, cơ sở tôn giáo và các cơ sở tương tự) |
Bảng B.13 - (Tiếp theo)
|
F 3.6 |
Các khu liên hợp rèn luyện thể chất và các khu tập luyện thể thao không có khán đài, các không gian dịch vụ, nhà tắm hơi |
|
F 4 |
Các trường học, tổ chức khoa học và thiết kế, cơ quan quản lý |
|
F 4.1 |
Các trường phổ thông, cơ sở đào tạo ngoài trường phổ thông, trường trung học chuyên nghiệp, trường kỹ thuật dạy nghề |
|
F 4.2 |
Các trường đại học, trường bồi dưỡng nâng cao nghiệp vụ |
|
F 4.3 |
Các cơ sở của các cơ quan quản lý, tổ chức thiết kế, tổ chức thông tin và nhà xuất bản, tổ chức nghiên cứu khoa học, ngân hàng, cơ quan, văn phòng |
|
F 4.4 |
Các trạm chữa cháy |
|
F 5 |
Các nhà sản xuất và nhà kho, các công trình và các gian phòng với công năng tương tự |
|
F 5.1 |
Các nhà và công trình sản xuất, gian phòng sản xuất và thí nghiệm, nhà xưởng |
|
F 5.2 |
Các nhà và công trình kho, bãi đỗ xe ô tô không có dịch vụ kỹ thuật và sửa chữa, kho chứa sách, kho lưu trữ, các gian phòng kho |
|
F 5.3 |
Các nhà phục vụ nông nghiệp |
Mục lục
|
1. Phạm vi áp dụng |
3 |
|
2. Giải thích từ ngữ |
3 |
|
3. Bố trí ga ra ô tô |
3 |
|
4. Các giải pháp qui hoạch không gian và kết cấu |
5 |
|
Yêu cầu chung |
5 |
|
Ga ra ngầm chứa xe con |
10 |
|
Ga ra trên mặt đất dạng hở chứa xe con |
12 |
|
Ga ra cơ khí chứa xe con |
13 |
|
5. Các hệ thống kỹ thuật |
13 |
|
Các yêu cầu chung |
13 |
|
Đường ống cấp nước |
13 |
|
Thông gió và bảo vệ chống khói |
15 |
|
Các thiết bị điện |
16 |
|
Chữa cháy và phát hiện cháy tự động |
17 |
|
6. Các yêu cầu về khai thác |
18 |
|
Phụ lục A. Quy định về kích thước bố trí ga ra |
20 |
|
Phụ lục B. Phân loại kỹ thuật về an toàn cháy |
22 |
|
Mục lục |
32 |
Bạn chưa Đăng nhập thành viên.
Đây là tiện ích dành cho tài khoản thành viên. Vui lòng Đăng nhập để xem chi tiết. Nếu chưa có tài khoản, vui lòng Đăng ký tại đây!
Bạn chưa Đăng nhập thành viên.
Đây là tiện ích dành cho tài khoản thành viên. Vui lòng Đăng nhập để xem chi tiết. Nếu chưa có tài khoản, vui lòng Đăng ký tại đây!