- Tổng quan
- Nội dung
- VB gốc
- Tiếng Anh
- Hiệu lực
- VB liên quan
- Lược đồ
-
Nội dung hợp nhất
Tính năng này chỉ có tại LuatVietnam.vn. Nội dung hợp nhất tổng hợp lại tất cả các quy định còn hiệu lực của văn bản gốc và các văn bản sửa đổi, bổ sung, đính chính... trên một trang. Việc hợp nhất văn bản gốc và những văn bản, Thông tư, Nghị định hướng dẫn khác không làm thay đổi thứ tự điều khoản, nội dung.
Khách hàng chỉ cần xem Nội dung hợp nhất là có thể nắm bắt toàn bộ quy định hiện hành đang áp dụng, cho dù văn bản gốc đã qua nhiều lần chỉnh sửa, bổ sung.
- Tải về
Thông tư 09/2019/TT-BGTVT Quy chuẩn kỹ thuật hệ thống ngăn ngừa ô nhiểm biển của tàu
| Cơ quan ban hành: | Bộ Giao thông Vận tải |
Số công báo:
Số công báo là mã số ấn phẩm được đăng chính thức trên ấn phẩm thông tin của Nhà nước. Mã số này do Chính phủ thống nhất quản lý.
|
Đã biết
|
| Số hiệu: | 09/2019/TT-BGTVT | Ngày đăng công báo: |
Đã biết
|
| Loại văn bản: | Thông tư | Người ký: | Nguyễn Văn Công |
|
Ngày ban hành:
Ngày ban hành là ngày, tháng, năm văn bản được thông qua hoặc ký ban hành.
|
01/03/2019 |
Ngày hết hiệu lực:
Ngày hết hiệu lực là ngày, tháng, năm văn bản chính thức không còn hiệu lực (áp dụng).
|
Đã biết
|
|
Áp dụng:
Ngày áp dụng là ngày, tháng, năm văn bản chính thức có hiệu lực (áp dụng).
|
Đã biết
|
Tình trạng hiệu lực:
Cho biết trạng thái hiệu lực của văn bản đang tra cứu: Chưa áp dụng, Còn hiệu lực, Hết hiệu lực, Hết hiệu lực 1 phần; Đã sửa đổi, Đính chính hay Không còn phù hợp,...
|
Đã biết
|
| Lĩnh vực: | Giao thông, Tài nguyên-Môi trường |
TÓM TẮT THÔNG TƯ 09/2019/TT-BGTVT
Ngày 01/03/2019, Bộ Giao thông Vận tải ra Thông tư 09/2019/TT-BGTVT ban hành Quy chuẩn kỹ thuật quốc gia về các hệ thống ngăn ngừa ô nhiễm biển của tàu.
Ở ngoài vùng đặc biệt, việc thải các loại rác sau đây xuống biển chỉ được phép thực hiện khi tàu đang trong hành trình và càng xa bờ càng tốt, tuy nhiên phải đảm bảo:
Thải rác cách ít nhất 03 hải lý tính từ bờ gần nhất trong trường hợp chất thải thực phẩm đã được qua máy tán hoặc máy nghiền. Chất thải thực vật đã được nghiền hoặc xay phải đi qua được lưới lọc với các lỗ có kích thước không quá 25 mm. Thải rác cách ít nhất là 12 hải lý tính từ bờ gần nhất trong trường hợp chất thải thực phẩm không được xử lý theo trường hợp trên; Thải cách ít nhất 12 hải lý tính từ bờ gần nhất trong nếu cặn hàng thuộc loại không thể thu lại bằng các phương pháp bốc dỡ thông thường sẵn có.
Xác động vật phải được thải ở càng xa bờ càng tốt, tối thiểu cách bờ gần nhất hơn 100 hải lý với độ sâu của nước lớn nhất và tàu đang trong hành trình. Xác động vật phải được phân nhỏ ra hoặc xử lý bằng cách khác để bảo đảm xác chìm ngay.
Ngoài ra, Thông tư còn quy định về việc thải rác trong vùng đặc biệt, thông báo kế hoạch quản lý rác, nhật ký rác…
Thông tư có hiệu lực từ ngày 01/09/2019.
Xem chi tiết Thông tư 09/2019/TT-BGTVT có hiệu lực kể từ ngày 01/09/2019
Tải Thông tư 09/2019/TT-BGTVT
|
BỘ GIAO THÔNG VẬN TẢI Số: 09/2019/TT-BGTVT |
CỘNG HÒA XÃ HỘI CHỦ NGHĨA VIỆT NAM Hà Nội, ngày 01 tháng 03 năm 2019 |
THÔNG TƯ
BAN HÀNH QUY CHUẨN KỸ THUẬT QUỐC GIA VỀ CÁC HỆ THỐNG NGĂN NGỪA Ô NHIỄM BIỂN CỦA TÀU
Căn cứ Luật Tiêu chuẩn và Quy chuẩn kỹ thuật số 68/2006/QH11 ngày 29 tháng 6 năm 2006;
Căn cứ Nghị định số 127/2007/NĐ-CP ngày 01 tháng 8 năm 2007 của Chính phủ quy định chi tiết thi hành một số điều của Luật Tiêu chuẩn và Quy chuẩn kỹ thuật;
Căn cứ Nghị định số 12/2017/NĐ-CP ngày 10 tháng 02 năm 2017 của Chính phủ quy định chức năng, nhiệm vụ, quyền hạn và cơ cấu tổ chức của Bộ Giao thông vận tải;
Theo đề nghị của Vụ trưởng Vụ Môi trường và Cục trưởng Cục Đăng kiểm Việt Nam;
Bộ trưởng Bộ Giao thông vận tải ban hành Thông tư ban hành Quy chuẩn kỹ thuật quốc gia về các hệ thống ngăn ngừa ô nhiễm biển của tàu.
Điều 1. Ban hành kèm theo Thông tư này Quy chuẩn kỹ thuật quốc gia về các hệ thống ngăn ngừa ô nhiễm biển của tàu.
Mã số đăng ký: QCVN 26: 2018/BGTVT.
Điều 2. Thông tư này có hiệu lực thi hành kể từ ngày 01 tháng 9 năm 2019.
Điều 3. Chánh Văn phòng Bộ, Chánh Thanh tra Bộ, các Vụ trưởng, Cục trưởng Cục Đăng kiểm Việt Nam, Thủ trưởng các cơ quan, tổ chức và cá nhân có liên quan chịu trách nhiệm thi hành Thông tư này./.
|
Nơi nhận: |
KT.BỘ TRƯỞNG |
QCVN 26: 2018/BGTVT
QUY CHUẨN KỸ THUẬT QUỐC GIA VỀ CÁC HỆ THỐNG NGĂN NGỪA Ô NHIỄM BIỂN CỦA TÀU
National Technical Regulation on Marine Pollution Prevention Systems of Ships
Lời nói đầu
Quy chuẩn kỹ thuật quốc gia về các hệ thống ngăn ngừa ô nhiễm biển của tàu (số hiệu: QCVN 26:2018/BGTVT) do Cục Đăng kiểm Việt Nam biên soạn, Bộ Khoa học và Công nghệ thẩm định, Bộ trưởng Bộ Giao thông vận tải ban hành theo Thông tư số 09/2019/TT-BGTVT ngày 01 tháng 3 năm 2019.
QCVN 26: 2018/BGTVT thay thế QCVN 26: 2016/BGTVT (Quy chuẩn kỹ thuật quốc gia về các hệ thống ngăn ngừa ô nhiễm biển của tàu).
QUY CHUẨN KỸ THUẬT QUỐC GIA VỀ CÁC HỆ THỐNG NGĂN NGỪA Ô NHIỄM BIỂN CỦA TÀU
National Technical Regulation on Marine Pollution Prevention Systems of Ships
MỤC LỤC
I QUY ĐỊNH CHUNG
1.1 Phạm vi điều chỉnh và đối tượng áp dụng
1.2 Tài liệu viện dẫn và giải thích từ ngữ
II QUY ĐỊNH KỸ THUẬT
PHẦN 1 QUY ĐỊNH CHUNG
Chương 1 Quy định chung
1.1 Quy định chung
PHẦN 2 KIỂM TRA
Chương 1 Quy định chung
1.1 Quy định chung
1.2 Chuẩn bị kiểm tra và các vấn đề khác
1.3 Kiểm tra xác nhận các Giấy chứng nhận
Chương 2 Kiểm tra lần đầu
2.1 Kiểm tra lần đầu trong quá trình đóng mới
2.2 Kiểm tra lần đầu không có sự giám sát của Đăng kiểm trong đóng mới
Chương 3 Kiểm tra chu kỳ
3.1 Kiểm tra hàng năm
3.2 Kiểm tra trung gian
3.3 Kiểm tra định kỳ
Chương 4 Kiểm tra bất thường
4.1 Quy định chung
PHẦN 3 KẾT CẤU VÀ TRANG THIẾT BỊ NGĂN NGỪA Ô NHIỄM DO DẦU
Chương 1 Quy định chung
1.1 Phạm vi áp dụng và giải thích từ ngữ
1.2 Yêu cầu chung
Chương 2 Trang thiết bị ngăn ngừa ô nhiễm do dầu từ buồng máy
2.1 Quy định chung
2.2 Chứa và xả cặn dầu
2.3 Thiết bị phân ly dầu nước, thiết bị lọc dầu, hệ thống điều khiển và kiểm soát xả dầu cho nước đáy tàu nhiễm dầu và két giữ nước đáy tàu nhiễm dầu
2.4 Yêu cầu về lắp đặt
Chương 3 Kết cấu và thiết bị ngăn ngừa ô nhiễm do dầu chở xô gây ra
3.1 Quy định chung
3.2 Kết cấu thân tàu
3.3 Bố trí thiết bị và hệ thống đường ống
3.4 Hệ thống rửa bằng dầu thô
Chương 4 Những quy định cho giai đoạn quá độ
4.1 Quy định chung
4.2 Các yêu cầu chung
4.3 Thiết bị ngăn ngừa ô nhiễm do dầu chở xô trên các tàu dầu
PHẦN 4 KẾT CẤU VÀ THIẾT BỊ NGĂN NGỪA Ô NHIỄM DO THẢI CÁC CHẤT LỎNG ĐỘC CHỞ XÔ GÂY RA
Chương 1 Quy định chung
1.1 Quy định chung
1.2 Thuật ngữ
Chương 2 Kết cấu và trang thiết bị
2.1 Quy định chung
2.2 Yêu cầu về lắp đặt kết cấu và thiết bị
Chương 3 Thiết bị ngăn ngừa thải chất lỏng độc hại
3.1 Quy định chung
3.2 Hệ thống rửa sơ bộ
3.3 Hệ thống hút vét
3.4 Hệ thống thải dưới đường nước
3.5 Hệ thống xả vào phương tiện tiếp nhận
3.6 Hệ thống làm sạch bằng thông gió
3.7 Két dằn cách ly
PHẦN 5 KẾ HOẠCH ỨNG CỨU Ô NHIỄM DẦU CỦA TÀU
Chương 1 Quy định chung
1.1 Quy định chung
Chương 2 Yêu cầu kỹ thuật
2.1 Quy định chung
2.2 Hạng mục trong Kế hoạch ứng cứu ô nhiễm dầu của tàu
2.3 Phụ lục bổ sung cho kế hoạch ứng cứu ô nhiễm dầu của tàu
2.4 Yêu cầu bổ sung đối với tàu dầu có trọng tải từ 5.000 tấn trở lên
PHẦN 6 KẾ HOẠCH ỨNG CỨU Ô NHIỄM BIỂN CỦA TÀU DO CÁC CHẤT LỎNG ĐỘC
Chương 1 Quy định chung
1.1 Quy định chung
Chương 2 Yêu cầu kỹ thuật
2.1 Quy định chung
2.2 Hạng mục trong Kế hoạch ứng cứu ô nhiễm biển của tàu do chất lỏng độc
2.3 Các Phụ lục của Kế hoạch ứng cứu ô nhiễm biển của tàu do chất lỏng độc
PHẦN 7 NGĂN NGỪA Ô NHIỄM DO NƯỚC THẢI CỦA TÀU
Chương 1 Quy định chung
1.1 Quy định chung
Chương 2 Thiết bị ngăn ngừa ô nhiễm do nước thải của tàu gây ra
2.1 Quy định chung
2.2 Quy định về trang thiết bị
PHẦN 8 THIẾT BỊ NGĂN NGỪA Ô NHIỄM KHÔNG KHÍ TỪ TÀU
Chương 1 Quy định chung
1.1 Quy định chung
1.2 Điều khoản chung
Chương 2 Trang thiết bị ngăn ngừa ô nhiễm không khí từ tàu
2.1 Oxit nitơ (NOx)
2.2 Oxit lưu huỳnh (SOx) và hạt rắn
2.3 Hệ thống thu gom hơi
2.4 Thiết bị đốt chất thải
Chương 3 Hiệu quả năng lượng đối với các tàu
3.1 Quy định chung
3.2 Chỉ số thiết kế hiệu quả năng lượng đạt được (EEDI đạt được)
3.3 Chỉ số thiết kế hiệu quả năng lượng yêu cầu (EEDI yêu cầu)
3.4 Kế hoạch quản lý hiệu quả năng lượng của tàu (SEEMP)
3.5 Công bố phù hợp liên quan đến báo cáo tiêu thụ nhiên liệu và các vấn đề khác
PHẦN 9 NGĂN NGỪA Ô NHIỄM DO RÁC THẢI
Chương 1 Quy định chung
1.1 Quy định chung
1.2 Quy định chung về cấm thải rác ra biển
Chương 2 Biển thông báo, kế hoạch quản lý rác và nhật ký rác thải
2.1 Biển thông báo, kế hoạch quản lý rác và nhật ký rác thải
2.2 Yêu cầu đối với biển thông báo
Chương 3 Trạm chứa rác và thiết bị thu gom rác
3.1 Trạm chứa rác
3.2 Thùng rác
III QUY ĐỊNH VỀ QUẢN LÝ
Chương 1 Quy định về chứng nhận
1.1 Quy định chung
1.2 Các giấy chứng nhận cấp cho tàu
1.3 Thời hạn hiệu lực của các giấy chứng nhận
1.4 Lưu giữ, cấp lại và trả lại giấy chứng nhận
1.5 Dấu hiệu cấp tàu
Chương 2 Quản lý hồ sơ
2.1 Quy định chung
2.2 Cấp các hồ sơ kiểm tra
2.3 Quản lý hồ sơ
IV TRÁCH NHIỆM CỦA CÁC TỔ CHỨC, CÁ NHÂN
1.1 Trách nhiệm của chủ tàu, các cơ sở thiết kế, đóng mới, hoán cải và sửa chữa tàu, các cơ sở chế tạo động cơ, trang thiết bị ngăn ngừa ô nhiễm lắp trên tàu
1.2 Trách nhiệm của Cục Đăng kiểm Việt Nam
V TỔ CHỨC THỰC HIỆN
Phụ lục Hướng dẫn thải các chất lỏng độc hại
1.1 Quy định chung
1.2 Thải chất lỏng độc hại
1.3 Thải chất lỏng độc hại trong vùng Nam Cực
1.4 Chất lỏng không phải là chất lỏng độc hại
QUY CHUẨN KỸ THUẬT QUỐC GIA VỀ CÁC HỆ THỐNG NGĂN NGỪA Ô NHIỄM BIỂN CỦA TÀU
I QUY ĐỊNH CHUNG
1.1 Phạm vi điều chỉnh và đối tượng áp dụng
1.1.1 Phạm vi điều chỉnh
Quy chuẩn kỹ thuật quốc gia này (sau đây viết tắt là “Quy chuẩn”) quy định về việc kiểm tra, kết cấu và trang thiết bị ngăn ngừa ô nhiễm lắp đặt trên các tàu biển Việt Nam, các giàn cố định, di động trên biển, các kho chứa nổi sử dụng cho mục đích thăm dò và khai thác dầu khí trên biển (sau đây gọi tắt là “tàu").
1.1.2 Đối tượng áp dụng
Quy chuẩn này áp dụng đối với các tổ chức và cá nhân có hoạt động liên quan đến các hệ thống ngăn ngừa ô nhiễm từ tàu thuộc phạm vi điều chỉnh nêu tại 1.1.1 là Cục Đăng kiểm Việt Nam (sau đây trong viết tắt là "Đăng kiểm"), các chủ tàu, các cơ sở thiết kế, đóng mới, hoán cải và sửa chữa tàu, các cơ sở chế tạo động cơ, trang thiết bị ngăn ngừa ô nhiễm lắp đặt trên tàu.
1.2 Tài liệu viện dẫn và giải thích từ ngữ
1.2.1 Các tài liệu viện dẫn sử dụng trong quy chuẩn
1 Quy chuẩn kỹ thuật quốc gia về phân cấp và đóng tàu biển vỏ thép.
2 Quy chuẩn kỹ thuật quốc gia về phân cấp và đóng tàu biển cao tốc.
3 Quy chuẩn kỹ thuật quốc gia về phân cấp và giám sát kỹ thuật giàn di động trên biển.
4 Quy chuẩn kỹ thuật quốc gia về phân cấp và giám sát kỹ thuật giàn cố định trên biển.
5 Quy chuẩn kỹ thuật quốc gia về phân cấp và giám sát kỹ thuật kho chứa nổi.
6 Thông tư số 25/2017/TT-BGTVT ngày 28 tháng 7 năm 2017 của Bộ trưởng Bộ Giao thông vận tải quy định về các biểu mẫu giấy chứng nhận, sổ an toàn kỹ thuật và bảo vệ môi trường cấp cho tàu biển, phương tiện thủy nội địa và sản phẩm công nghiệp sử dụng cho phương tiện thủy nội địa.
7 Thông tư số 40/2016/TT-BGTVT ngày 07 tháng 12 năm 2016 của Bộ trưởng Bộ Giao thông vận tải quy định về đăng kiểm tàu biển Việt Nam.
8 Thông tư số 41/2016/TT-BGTVT ngày 16 tháng 12 năm 2016 của Bộ trưởng Bộ Giao thông vận tải quy định về danh mục giấy chứng nhận và tài liệu của tàu biển, tàu biển công vụ, tàu ngầm, tàu lặn, giàn di động Việt Nam.
9 Thông tư số 40/2018/TT-BGTVT ngày 29 tháng 6 năm 2018 của Bộ trưởng Bộ Giao thông vận tải quy định về thu thập và báo cáo tiêu thụ nhiên liệu của tàu biển Việt Nam.
10 Công ước quốc tế về ngăn ngừa ô nhiễm do tàu gây ra, 1973, được sửa đổi bởi Nghị định thư liên quan năm 1978 về năm 1997.
11 Công ước quốc tế về an toàn sinh mạng con người trên biển, 1974, được sửa đổi, bổ sung.
12 Các Nghị quyết, Thông tư có liên quan của Tổ chức Hàng hải quốc tế.
1.2.2 Giải thích từ ngữ
1 Trong Quy chuẩn này, các thuật ngữ dưới đây được hiểu như sau, trừ khi có những quy định khác trong từng Phần của Quy chuẩn:
(1) "Dầu" là dầu mỏ bao gồm dầu thô, dầu đốt nặng, dầu bôi trơn, dầu nhẹ, dầu hỏa, xăng và các loại dầu khác được nêu trong các tiêu chuẩn và quy định có liên quan.
(2) "Hỗn hợp dầu" là hỗn hợp có chứa hàm lượng dầu bất kỳ (trừ phụ gia bôi trơn).
(3) "Chất lỏng" là chất bất kỳ có áp suất hơi (áp suất tuyệt đối) ở 37,8 oC không vượt quá 0,28 MPa.
(4) "Chất lỏng độc" là chất bất kỳ được xếp vào chất loại X, Y hoặc Z nêu ở Bảng 8E/17.1 và Bảng 8E/18.1 Phần 8E Mục II của Quy chuẩn kỹ thuật quốc gia về Phân cấp và đóng tàu biển vỏ thép hoặc các chất lỏng khác được tạm thời đánh giá theo quy định 6.3 Phụ lục II, MARPOL là các chất thuộc loại X, Y hoặc Z.
(5) "Dầu đốt" là dầu bất kỳ được chứa trên tàu dùng làm nhiên liệu cho máy chính và máy phụ của tàu.
(6) "Tàu dầu" là tàu được đóng để chở xô hàng lỏng ở phần lớn của các khoang hàng và tàu được đóng để chở xô hàng lỏng trong một phần của các khoang hàng có thể tích từ 200 m3 trở lên (trừ các tàu có khoang hàng được chuyển đổi để dành riêng chở xô hàng không phải là dầu).
(7) "Tàu chở xô chất lỏng độc" là tàu được đóng để chở xô các chất lỏng độc trong phần lớn của các khoang hàng và tàu được đóng để chở xô chất lỏng độc trong một phần các khoang hàng (trừ các tàu có khoang hàng được chuyển đổi để dành riêng chở xô các hàng không phải là chất lỏng độc chở xô).
(8) "Tàu chở hàng hỗn hợp" là tàu được thiết kế để chở xô hoặc dầu hoặc các hàng rắn.
(9) "Dằn cách ly" là nước dằn đưa vào một két được bố trí cố định để chứa nước dằn hoặc để chứa các hàng không phải là dầu hoặc chất lỏng độc như đã được định nghĩa trong Quy chuẩn này và két đó hoàn toàn tách biệt với hệ thống hàng.
(10) "Chiều dài" (Lf) là 96% tổng chiều dài trên đường nước tại 85% chiều cao mạn thiết kế nhỏ nhất tính từ mặt trên của dải tôn giữa đáy, hoặc là chiều dài từ mép trước sống mũi đến tâm trục bánh lái trên cùng đường nước này, lấy giá trị nào lớn hơn. Ở các tàu được thiết kế có dải tôn giữa đáy nghiêng so với đường ngang cơ sở, đường nước để đo chiều dài phải song song với đường nước thiết kế. Chiều dài (Lf) tính bằng mét.
(11) "Đường vuông góc mũi và đuôi" phải được lấy ở mút trước và mút sau của chiều dài (Lf). Đường vuông góc mũi đi qua giao điểm của mép trước sống mũi với đường nước dùng để đo chiều dài.
(12) "Giữa tàu" là ở giữa chiều dài (Lf).
(13) "Chiều rộng" (B) là chiều rộng lớn nhất của tàu đo ở giữa tàu tới đường bao thiết kế của sườn đối với tàu có vỏ bằng kim loại và tới mép ngoài của vỏ tàu đối với tàu có vỏ bao bằng các vật liệu khác. Chiều rộng (B) tính bằng mét.
(14) "Trọng tải toàn phần" (DW) là hiệu số giữa lượng chiếm nước của tàu trong nước có tỷ trọng 1,025 tại đường nước chở hàng ứng với mạn khô mùa hè được ấn định và khối lượng tàu không, tính bằng tấn.
(15) "Khối lượng tàu không" là lượng chiếm nước tính bằng tấn của tàu không có hàng, dầu đốt, dầu nhờn, nước dằn, nước ngọt và nước cấp trong các két, đồ dự trữ tiêu dùng, thuyền viên, hành khách và hành lý của họ. Khối lượng của các công chất ở trên tàu sử dụng cho các hệ thống chữa cháy cố định (ví dụ nước ngọt, CO2, bột hóa chất khô, chất tạo bọt...) phải được bao gồm vào khối lượng tàu không của tàu.
(16) "Hệ số ngập nước" của một không gian là tỷ số giữa thể tích giả định có thể choán nước của không gian và tổng thể tích của không gian đó.
(17) "Dầu thô" là hỗn hợp hydrocarbon lỏng bất kỳ hình thành tự nhiên trong trái đất, có thể được xử lý hay không xử lý để phù hợp cho vận chuyển, gồm có:
(a) Dầu thô có thể đã được lấy đi một số thành phần chưng cất;
(b) Dầu thô có thể đã được thêm vào một số thành phần chưng cất.
(18) "Thể tích" và "Diện tích" trong tàu được tính theo tuyến hình thiết kế cho mọi trường hợp.
(19) "Tàu chở dầu thô" là tàu dầu được dùng để chở dầu thô.
(20) "Tàu chở dầu thành phẩm" là tàu dầu được dùng để chở dầu không phải là dầu thô.
(21) "Trang thiết bị ngăn ngừa xả chất lỏng độc" bao gồm hệ thống rửa sơ bộ, hệ thống hút vét, hệ thống xả dưới đường nước, hệ thống xả vào phương tiện tiếp nhận, hệ thống rửa bằng thông gió và các két dằn cách ly.
(22) "Tàu hoạt động tuyến quốc tế" là tàu thực hiện chuyến đi từ một cảng của nước này đến cảng của nước khác.
(23) "Cặn" là chất lỏng độc bất kỳ còn lại trong các két hàng và trong đường ống phục vụ sau khi trả hàng.
(24) "Ngày ấn định kiểm tra hàng năm" là ngày tương ứng với ngày hết hạn của Giấy chứng nhận quốc tế về ngăn ngừa ô nhiễm dầu (hoặc Giấy chứng nhận ngăn ngừa ô nhiễm dầu) nhưng không bao gồm ngày hết hạn của Giấy chứng nhận này.
(25) "Tàu có giai đoạn bắt đầu đóng mới" là tàu có sống chính đã được đặt hoặc tàu đang trong giai đoạn đóng tương tự. Thuật ngữ “giai đoạn đóng tương tự” là giai đoạn mà:
(a) Kết cấu được hình thành đã có thể bắt đầu nhận dạng được con tàu; hoặc
(b) Công việc lắp ráp tàu đã được thực hiện ít nhất 50 tấn hoặc 1% khối lượng dự tính của toàn bộ vật liệu kết cấu, lấy giá trị nào nhỏ hơn.
(26) "Cặn dầu" là các sản phẩm dầu thải lắng đọng sinh ra trong quá trình hoạt động thông thường của tàu như các sản phẩm sinh ra từ việc lọc dầu đốt, dầu bôi trơn cho máy chính và máy phụ, dầu thải phân tách từ thiết bị lọc dầu, dầu thải gom từ các khay hứng, dầu thủy lực và dầu bôi trơn thải ra.
(27) "Két dầu cặn” là két chứa cặn dầu mà từ đó cặn dầu có thể được xả trực tiếp qua bích xả tiêu chuẩn hoặc phương tiện xả được chấp nhận khác.
(28) "Nước đáy tàu nhiễm dầu" là nước có thể bị lẫn dầu do các điều kiện như rò rỉ hoặc khi thực hiện các công việc bảo dưỡng trong buồng máy. Chất lỏng bất kỳ đi vào hệ thống hút khô, bao gồm cả các giếng hút khô, ống hút khô, đỉnh két hoặc két giữ nước đáy tàu đều được coi là nước đáy tàu nhiễm dầu.
(29) "Két giữ nước đáy tàu nhiễm dầu" là két gom nước đáy tàu nhiễm dầu trước khi xả, trao đổi hoặc thải.
(30) "Trang thiết bị ngăn ngừa ô nhiễm biển" bao gồm kết cấu và trang thiết bị được nêu ở Phần 3, 4, 7, 8 và 9, bao gồm cả các kế hoạch ứng cứu nêu ở Phần 5 và 6 Mục II của Quy chuẩn.
(31) "Giàn di động trên biển" là công trình ngoài khơi phục vụ công nghiệp dầu khí, được định nghĩa ở Quy chuẩn kỹ thuật quốc gia về phân cấp và giám sát kỹ thuật giàn di động trên biển.
(32) "Giàn cố định trên biển" là công trình ngoài khơi phục vụ công nghiệp dầu khí, được định nghĩa ở Quy chuẩn kỹ thuật quốc gia về phân cấp và giám sát kỹ thuật giàn cố định trên biển.
(33) "Kho chứa nổi" là phương tiện phục vụ công công nghiệp dầu khí, được định nghĩa ở Quy chuẩn kỹ thuật quốc gia về phân cấp và giám sát kỹ thuật kho chứa nổi.
(34) "Cấp hạn chế" là dấu hiệu bổ sung ký hiệu phân cấp tàu đối với các tàu có vùng hoạt động hạn chế nêu ở 2.1.4-1(1) và (2) Phần 1A Mục II của Quy chuẩn kỹ thuật quốc gia về Phân cấp và đóng tàu biển vỏ thép.
(35) "Bờ gần nhất" hoặc "cách bờ gần nhất" là cách đường cơ sở mà từ đó lãnh hải của lãnh thổ liên quan được thiết lập phù hợp với luật quốc tế, nhưng thuật ngữ "cách bờ gần nhất" trong Quy chuẩn này khi áp dụng ở vùng bờ biển Đông-Bắc Ôxtrâylia có nghĩa là từ một đường kẻ từ điểm trên bờ biển Ôxtrâylia:
có tọa độ 11°00’ vĩ Nam và 142°08’ kinh Đông tới điểm
có tọa độ 10°35’ vĩ Nam và 141°55’ kinh Đông,
sau đó tới điểm 10°00’ vĩ Nam và 142°00’ kinh Đông,
sau đó tới điểm 09°10’ vĩ Nam và 143°52’ kinh Đông,
sau đó tới điểm 09°00’ vĩ Nam và 144°30’ kinh Đông,
sau đó tới điểm 10°41’ vĩ Nam và 145°00’ kinh Đông,
sau đó tới điểm 13°00' vĩ Nam và 145°00’ kinh Đông,
sau đó tới điểm 15°00’ vĩ Nam và 146°00’ kinh Đông,
sau đó tới điểm 17°30’ vĩ Nam và 147°00’ kinh Đông,
sau đó tới điểm 21°00’ vĩ Nam và 152°55’ kinh Đông,
sau đó tới điểm 24°30’ vĩ Nam và 154°00’ kinh Đông,
sau đó tới điểm trên bờ biển Ôxtrâylia có tọa độ 24°42’ vĩ Nam và 153°15’ kinh Đông.
1.2.3 Các từ viết tắt
1 Trong Quy chuẩn này sử dụng các từ viết tắt sau đây:
(1) IMO: Tổ chức Hàng hải quốc tế.
(2) MEPC: Ủy ban Bảo vệ môi trường biển của IMO.
(3) ICS: Viết tắt của Văn phòng Vận tải biển quốc tế (International Chamber of Shipping).
(4) OCIMF: Viết tắt của Diễn đàn đường biển quốc tế của các công ty dầu khí (Oil Companies International Marine Forum).
(5) SOLAS, 1974: Công ước quốc tế về an toàn sinh mạng con người trên biển, 1974, được sửa đổi, bổ sung.
(6) MARPOL (hoặc Công ước): Công ước quốc tế về ngăn ngừa ô nhiễm do tàu gây ra, 1973, được sửa đổi bởi Nghị định thư liên quan năm 1978 và năm 1997.
(7) Phụ lục l: Phụ lục I - Các quy định về ngăn ngừa ô nhiễm do dầu của MARPOL.
(8) Phụ lục II: Phụ lục II - Các quy định về kiểm soát ô nhiễm do chở xô chất lỏng độc của MARPOL.
(9) Phụ lục III: Phụ lục III - Các quy định về ngăn ngừa ô nhiễm do chở các chất độc hại dạng bao gói của MARPOL.
(10) Phụ lục IV: Phụ lục IV - Các quy định về việc ngăn ngừa ô nhiễm do nước thải từ tàu của MARPOL
(11) Phụ lục V: Phụ lục V - Các quy định về ngăn ngừa ô nhiễm do rác thải từ tàu của MARPOL
(12) Phụ lục VI: Phụ lục VI - Các quy định về ngăn ngừa ô nhiễm không khí từ tàu của MARPOL
(13) SBT: Két dằn cách ly.
(14) CBT: Két dằn sạch.
(15) COW: Hệ thống rửa bằng dầu thô.
(16) IGS: Hệ thống khí trơ.
(17) PL: Vị trí bảo vệ của các két dằn cách ly.
(18) ppm: phần triệu của dầu so với nước theo thể tích.
(19) Các từ viết tắt của Nghị quyết Đại hội đồng của IMO:
(a) A.393(X): Nghị quyết số 393(X) ngày 14 tháng 11 năm 1977 - Khuyến nghị về các đặc tính thử và tính năng quốc tế của thiết bị phân ly dầu nước và thiết bị đo hàm lượng dầu.
(b) A.586(14): Nghị quyết số 586(14) ngày 20 tháng 11 năm 1985 - Đặc tính kỹ thuật và hướng dẫn sửa đổi đối với hệ thống điều khiển và kiểm soát xả dầu của các tàu dầu.
(c) A.496(XII): Nghị quyết số 496(XII) - Đặc tính kỹ thuật và hướng dẫn đối với hệ thống điều khiển và kiểm soát xả dầu của các tàu dầu.
(20) Các từ viết tắt của Nghị quyết Ủy ban Bảo vệ môi trường biển của IMO:
(a) MEPC.5(XIII): Nghị quyết số 5(XIII) ngày 13 tháng 6 năm 1980 - Đặc tính kỹ thuật của thiết bị phát hiện ranh giới dầu/nước.
(b) MEPC.13(19): Nghị quyết số 13(19) ngày 9 tháng 12 năm 1983 - Hướng dẫn duyệt bản vẽ và kiểm tra lắp đặt hệ thống điều khiển và kiểm soát xả dầu của các tàu dầu và thử môi trường các thiết bị điều khiển của chúng.
(c) MEPC.20(22): Nghị quyết số 20(22) ngày 5 tháng 12 năm 1985 - Thông qua bộ luật về kết cấu và thiết bị của các tàu chở xô hóa chất nguy hiểm.
(d) MEPC.60(33): Nghị quyết số 60(33) ngày 30 tháng 10 năm 1992 - Đặc tính kỹ thuật và hướng dẫn đối với thiết bị ngăn ngừa ô nhiễm nước đáy buồng máy của tàu.
(e) MEPC.76(40): Nghị quyết số 76(40) ngày 25 tháng 9 năm 1997 - Đặc tính tiêu chuẩn đối với thiết bị đốt chất thải trên tàu.
(f) MEPC.94(46): Nghị quyết số 94(46) ngày 27 tháng 4 năm 2001 - Kế hoạch đánh giá trạng thái.
(g) MEPC.107(49): Nghị quyết số 107(49) ngày 18 tháng 7 năm 2003 - Đặc tính kỹ thuật và hướng dẫn sửa đổi đối với thiết bị ngăn ngừa ô nhiễm nước đáy buồng máy của tàu.
(h) MEPC.108(49): Nghị quyết số 108(49) ngày 18 tháng 7 năm 2003 - Đặc tính kỹ thuật và hướng dẫn sửa đổi đối với hệ thống điều khiển và kiểm soát xả dầu của các tàu dầu.
(i) MEPC.139(53): Nghị quyết số 139(53) ngày 22 tháng 7 năm 2005 - Hướng dẫn áp dụng các yêu cầu của Phụ lục I MARPOL được sửa đổi đối với các kho chứa nổi, giàn di động, giàn cố định.
(j) MEPC.142(54): Nghị quyết số 142(54) ngày 24 tháng 3 năm 2006 - Sửa đổi, bổ sung đối với Hướng dẫn áp dụng các yêu cầu của Phụ lục I MARPOL được sửa đổi đối với các kho chứa nổi, giàn di động, giàn cố định (MEPC.139(53)).
(k) MEPC.182(59): Nghị quyết số 182(59) ngày 17 tháng 7 năm 2009 - Hướng dẫn lấy mẫu dầu đốt để xác định sự phù hợp với Phụ lục VI sửa đổi của MARPOL, 2009.
(l) MEPC.185(59): Nghị quyết số 185(59) ngày 17 tháng 7 năm 2009 - Hướng dẫn xây dựng Kế hoạch quản lý hợp chất hữu cơ dễ bay hơi.
(m) MEPC.198(62): Nghị quyết số 198(62) ngày 15 tháng 7 năm 2011 - Hướng dẫn về các vấn đề bổ sung của bộ luật kỹ thuật NOx 2008 về các yêu cầu riêng đối với các động cơ điêzen hàng hải lắp đặt hệ thống giảm phát thải bằng chất xúc tác lựa chọn, 2011.
(n) MEPC.215(63): Nghị quyết số 215(63) ngày 02 tháng 3 năm 2012 - Hướng dẫn tính đường tham khảo sử dụng cho chỉ số thiết kế hiệu quả năng lượng (EEDI).
(o) MEPC.220(63): Nghị quyết số 220(63) ngày 02 tháng 3 năm 2012 - Hướng dẫn xây dựng kế hoạch quản lý rác thải, 2012.
(p) MEPC.227(64): Nghị quyết số 227(64) ngày 5 tháng 10 năm 2012 - Hướng dẫn thực hiện về thử tính năng và các tiêu chuẩn thải của thiết bị xử lý nước thải, 2012.
(q) MEPC.230(65): Nghị quyết số 230(65) ngày 17 tháng 5 năm 2013 - Hướng dẫn, theo yêu cầu của quy định 13.2.2 của Phụ lục VI MARPOL về các động cơ thay thế không giống nhau không yêu cầu phải thỏa mãn giới hạn của giai đoạn III, 2013.
(r) MEPC.232(65); Nghị quyết số 232(65) ngày 17 tháng 5 năm 2013 - Hướng dẫn tạm thời đề xác định công suất đẩy tối thiểu nhằm duy trì khả năng điều động của tàu trong các điều kiện thời tiết khắc nghiệt, 2013.
(s) MEPC.233(65): Nghị quyết số 233(65) ngày 17 tháng 5 năm 2013 - Hướng dẫn tính đường tham khảo sử dụng cho chỉ số thiết kế hiệu quả năng lượng (EEDI) đối với các tàu khách giải trí có hệ thống đẩy tàu không thông thường, 2013.
(t) MEPC.240(65): Nghị quyết số 240(65) ngày 17 tháng 5 năm 2013 - Sửa đổi, bổ sung đối với Đặc tính kỹ thuật và hướng dẫn sửa đổi đối với hệ thống điều khiển và kiểm soát xả dầu của các tàu dầu, 2013.
(u) MEPC.244(66): Nghị quyết số 244(66) ngày 4 tháng 4 năm 2014 - Đặc tính kỹ thuật tiêu chuẩn đối với thiết bị đốt chất thải trên tàu, 2014.
(v) MEPC.245(66): Nghị quyết số 245(66) ngày 4 tháng 4 năm 2014 - Hướng dẫn về phương pháp tính chỉ số thiết kế hiệu quả năng lượng (EEDI) đạt được đối với các tàu mới, 2014.
(w) MEPC.254(67): Nghị quyết số 254(67) ngày 17 tháng 10 năm 2014 - Hướng dẫn kiểm tra và chứng nhận chỉ số thiết kế hiệu quả năng lượng (EEDI), 2014.
(x) MEPC.282(70): Nghị quyết số 282(70) ngày 28 tháng 10 năm 2016 - Hướng dẫn xây dựng Kế hoạch quản lý hiệu quả năng lượng của tàu (SEEMP), 2016.
(y) MEPC.291(71): Nghị quyết số 291(71) ngày 7 tháng 7 năm 2017 - Hướng dẫn với tàu chở khí hóa lỏng chỉ dùng để chở chất lỏng độc được nêu trong Bảng 8D/19.1 Phần 8D Mục II của Quy chuẩn kỹ thuật quốc gia về Phân cấp và đóng tàu biển vỏ thép;
(3) Phải có hệ thống dằn cách ly;
(4) Phải có hệ thống bơm và đường ống để đảm bảo sản lượng của hệ thống hút vét nêu trong Bảng 4.3 Phần 4;
(5) Phải có Sổ tay các quy trình và hệ thống dùng để thải các chất lỏng độc, đảm bảo rằng không có sự trộn lẫn trong quá trình khai thác cặn hàng và nước và không còn cặn hàng trong két sau khi thực hiện các quy trình thông gió.
3 Đăng kiểm có thể xem xét miễn giảm một số yêu cầu cụ thể cho một tàu chỉ thực hiện một chuyến đi đơn lẻ ra ngoài vùng hoạt động được chứng nhận với điều kiện phải có các biện pháp tương đương để đảm bảo duy trì việc kiểm soát xả thải đáp ứng quy định của vùng đó.
1.1.3 Các quy định quốc gia
Đăng kiểm có thể thực hiện các quy định riêng theo chỉ dẫn của Chính phủ quốc gia có chủ quyền mà tàu hàng hải tại đó.
PHẦN 2 KIỂM TRA
CHƯƠNG 1 QUY ĐỊNH CHUNG
1.1 Quy định chung
1.1.1 Yêu cầu áp dụng
Các quy định trong Chương này áp dụng cho việc kiểm tra và thử nghiệm các hệ thống ngăn ngừa ô nhiễm biển của tàu.
1.1.2 Các dạng kiểm tra
1 Kết cấu và trang thiết bị ngăn ngừa ô nhiễm biển của các tàu thuộc phạm vi điều chỉnh của Quy chuẩn này phải chịu các dạng kiểm tra sau đây:
(1) Kiểm tra lần đầu;
(2) Kiểm tra chu kỳ;
(3) Kiểm tra bất thường;
2 Kiểm tra lần đầu bao gồm các kiểm tra sau đây:
(1) Kiểm tra lần đầu trong quá trình đóng mới;
(2) Kiểm tra lần đầu không có giám sát của Đăng kiểm trong đóng mới.
3 Kiểm tra chu kỳ bao gồm các kiểm tra sau đây:
(1) Đối với kết cấu, thiết bị và các Kế hoạch quy định ở Phần 3 đến Phần 6 và 8 của Quy chuẩn này:
(a) Kiểm tra hàng năm;
(b) Kiểm tra trung gian;
(c) Kiểm tra định kỳ.
(2) Đối với thiết bị quy định ở Phần 7 của Quy chuẩn này:
Kiểm tra định kỳ.
(3) Đối với biển thông báo, thiết bị và kế hoạch quy định ở phần 9 của Quy chuẩn này:
Kiểm tra hàng năm;
1.1.3 Thời hạn kiểm tra
1 Kiểm tra lần đầu
(1) Kiểm tra lần đầu trong quá trình đóng mới
Các hệ thống ngăn ngừa ô nhiễm biển của các tàu dự định được đóng và được Đăng kiểm kiểm tra trong đóng mới, phù hợp với thiết kế đã được Đăng kiểm duyệt, phải được kiểm tra lần đầu trong quá trình đóng mới. Đăng kiểm viên phải có mặt ở các giai đoạn công việc dưới đây. Tuy nhiên, công việc kiểm tra của đăng kiểm viên có thể được tăng lên hay giảm đi tùy theo điều kiện trang bị, trình độ, tay nghề và hệ thống kiểm soát chất lượng được sử dụng của cơ sở chế tạo hoặc xưởng đóng tàu.
(a) Khi sử dụng vật liệu làm các bộ phận và khi các bộ phận này được lắp đặt vào trang thiết bị ngăn ngừa ô nhiễm biển.
(b) Khi kết thúc gia công các bộ phận chính và tại các thời điểm thích hợp trong quá trình gia công, nếu cần thiết.
(c) Khi lắp đặt các trang thiết bị ngăn ngừa ô nhiễm quan trọng xuống tàu.
(d) Khi tiến hành thử tính năng.
(2) Kiểm tra lần đầu không có sự giám sát của Đăng kiểm trong đóng mới
Trang thiết bị ngăn ngừa ô nhiễm biển dự định được lắp đặt xuống tàu theo cách khác với cách nêu ở (1) trên phải chịu sự kiểm tra lần đầu không có sự giám sát của Đăng kiểm trong đóng mới khi có yêu cầu kiểm tra.
2 Kiểm tra hàng năm
Các đợt kiểm tra hàng năm phải được tiến hành vào các khoảng thời gian như nêu ở 1.1.3-1 (1) Phần 1B Mục II của Quy chuẩn kỹ thuật quốc gia về Phân cấp và đóng tàu biển vỏ thép.
3 Kiểm tra trung gian
Kiểm tra trung gian phải được tiến hành vào các khoảng thời gian như nêu ở 1.1.3-1 (2) Phần 1B Mục II của Quy chuẩn kỹ thuật quốc gia về Phân cấp và đóng tàu biển vỏ thép.
4 Kiểm tra định kỳ
Kiểm tra định kỳ phải được tiến hành vào các khoảng thời gian như nêu ở 1.1.3-1(3)(a) Phần 1B Mục II của Quy chuẩn kỹ thuật quốc gia về Phân cấp và đóng tàu biển vỏ thép.
5 Kiểm tra bất thường
Các tàu phải được kiểm tra bất thường khi thuộc vào một trong các trường hợp ở (1) đến (4) dưới đây. Kiểm tra chu kỳ có thể thay thế cho kiểm tra bất thường trong trường hợp nội dung kiểm tra bất thường là một phần của kiểm tra chu kỳ.
(1) Khi xảy ra hư hỏng các bộ phận quan trọng của kết cấu và trang thiết bị chịu sự kiểm tra lần đầu, hoặc khi tiến hành sửa chữa hoặc thay đổi các bộ phận bị hư hỏng đó.
(2) Khi có thay đổi đối với Kế hoạch ứng cứu ô nhiễm dầu của tàu, Kế hoạch ứng cứu ô nhiễm biển của tàu đối với các chất lỏng độc, Kế hoạch chuyển tải dầu trên biển và/hoặc Kế hoạch quản lý hợp chất hữu cơ dễ bay hơi được trang bị trên tàu phải kiểm tra lần đầu.
(3) Khi kiểm tra xác nhận sự phù hợp với các quy định của Quy chuẩn áp dụng cho các tàu đã đóng.
(4) Các trường hợp khác khi thấy cần thiết.
1.1.4 Kiểm tra chu kỳ trước thời hạn
Các yêu cầu để kiểm tra chu kỳ trước thời hạn phải thỏa mãn những quy định nêu ở 1.1.4 Phần 1B Mục II của Quy chuẩn kỹ thuật quốc gia về Phân cấp và đóng tàu biển vỏ thép.
1.1.5 Hoãn kiểm tra định kỳ
Các yêu cầu để hoãn kiểm tra định kỳ phải thỏa mãn những quy định nêu ở 1.1.5-1(1) hoặc 1.1.5-1(2) Phần 1B Mục II của Quy chuẩn kỹ thuật quốc gia về Phân cấp và đóng tàu biển vỏ thép.
1.1.6 Thay đổi các yêu cầu
1 Đối với đợt kiểm tra chu kỳ, trong các trường hợp Đăng kiểm thấy phù hợp, đăng kiểm viên có thể thay đổi các yêu cầu dựa trên kích cỡ, vùng hoạt động, kết cấu, tuổi tàu, mục đích sử dụng, kết quả của các đợt kiểm tra trước và trạng thái thực tế của tàu.
2 Trong lần kiểm tra trung gian, nếu các hạng mục kiểm tra đã được thực hiện trong khoảng thời gian giữa lần kiểm tra hàng năm lần thứ 2 và thứ 3 mà phù hợp với những yêu cầu của lần kiểm tra trung gian, thì các hạng mục này có thể được miễn nếu được Đăng kiểm chấp nhận.
3 Trong lần kiểm tra trung gian, nếu Đăng kiểm xét thấy cần thiết hoặc theo yêu cầu của chủ tàu thì một số các hạng mục kiểm tra có thể được thực hiện theo những yêu cầu của kiểm tra định kỳ.
4 Trong lần kiểm tra định kỳ, nếu các nội dung kiểm tra đã được thực hiện trong thời gian giữa lần kiểm tra hàng năm lần thứ 4 và kiểm tra định kỳ quy định ở 1.1.3-4 phù hợp với yêu cầu của kiểm tra định kỳ, thì các nội dung kiểm tra này có thể được miễn giảm nếu Đăng kiểm thấy phù hợp. Tuy nhiên, trong trường hợp kiểm tra hàng năm hoặc kiểm tra trung gian được thực hiện trước thời hạn phù hợp với 114-2 Phần 1B Mục II của Quy chuẩn kỹ thuật quốc gia về Phân cấp và đóng tàu biển vỏ thép, thì kiểm tra định kỳ phải được thực hiện thỏa mãn các yêu cầu khác của Đăng kiểm.
1.1.7 Tàu đã ngừng hoạt động
1 Tàu đã ngừng hoạt động không phải chịu kiểm tra chu kỳ quy định ở 1.1.2. Tuy nhiên, kiểm tra bất thường có thể được thực hiện nếu chủ tàu có yêu cầu.
2 Khi tàu đã ngừng hoạt động muốn đưa vào hoạt động trở lại, thì phải tiến hành kiểm tra các hạng mục cụ thể mà trước đây đã bị hoãn lại do tàu ngừng hoạt động (nếu có) và các nội dung kiểm tra sau đây:
(1) Nếu một dạng kiểm tra chu kỳ nào đó được dự kiến từ trước khi cho tàu ngừng hoạt động mà chưa đến hạn, phải thực hiện nội dung kiểm tra tương đương với kiểm tra hàng năm nêu ở 3.1.
(2) Nếu kiểm tra chu kỳ được dự kiến từ trước khi cho tàu ngừng hoạt động đã đến hạn, thì về nguyên tắc, vẫn phải được tiến hành các đợt kiểm tra chu kỳ này. Tuy nhiên, trong trường hợp này, nếu hai đợt kiểm tra chu kỳ trở lên đã đến hạn thì phải tiến hành đợt kiểm tra nào có phạm vi rộng hơn.
1.2 Chuẩn bị kiểm tra và các vấn đề khác
1.2.1 Thông báo kiểm tra
Khi tàu phải được kiểm tra phù hợp với Quy chuẩn này, chủ tàu phải có trách nhiệm thông báo cho Đăng kiểm địa điểm kiểm tra và thời gian kiểm tra một cách phù hợp trước khi công việc kiểm tra được thực hiện để có thể bố trí việc kiểm tra thích hợp.
1.2.2 Chuẩn bị kiểm tra
1 Chủ tàu (hoặc đại diện của chủ tàu) phải chịu trách nhiệm thực hiện tất cả công việc chuẩn bị cho đợt kiểm tra lần đầu, kiểm tra chu kỳ và các kiểm tra khác có thể được Đăng kiểm yêu cầu phù hợp với các quy định trong Phần này. Công việc chuẩn bị phải bao gồm việc bố trí lối tiếp cận thuận tiện và an toàn, phương tiện và các hồ sơ cần thiết phục vụ cho công việc kiểm tra. Thiết bị kiểm tra, đo và thử mà đăng kiểm viên dựa vào đó để ra các quyết định ảnh hưởng đến cấp tàu phải được nhận dạng riêng biệt và hiệu chuẩn theo tiêu chuẩn được Đăng kiểm công nhận. Tuy nhiên, đăng kiểm viên có thể chấp nhận các dụng cụ đo đơn giản (ví dụ như thước lá, thước dây, dưỡng đo kích thước mối hàn, vi kế) mà không cần nhận dạng hoặc hiệu chuẩn với điều kiện chúng được thiết kế phù hợp với hàng thương mại tiêu chuẩn, bảo dưỡng tốt và định kỳ được so sánh với các mẫu thử hoặc dụng cụ tương tự. Đăng kiểm viên cũng có thể chấp nhận thiết bị được lắp trên tàu và sử dụng chúng để kiểm tra các trang thiết bị trên tàu (ví dụ như áp kế, nhiệt kế hoặc đồng hồ đo vòng quay) được dựa vào hồ sơ hiệu chuẩn hoặc so với các số đo của các dụng cụ đa năng.
2 Chủ tàu phải bố trí một giám sát viên (sau đây gọi là đại diện của chủ tàu) nắm vững các hạng mục kiểm tra để chuẩn bị tốt công việc phục vụ kiểm tra và giúp đỡ đăng kiểm viên khi có yêu cầu trong suốt quá trình kiểm tra.
1.2.3 Hoãn kiểm tra
Công việc kiểm tra có thể hoãn lại nếu công tác chuẩn bị cần thiết quy định ở 1.2.2-1 không được thực hiện hoặc vắng mặt những người có trách nhiệm tham gia vào đợt kiểm tra theo quy định ở 1.2.2-2 hoặc khi đăng kiểm viên thấy rằng không đảm bảo an toàn để thực hiện kiểm tra.
1.2.4 Khuyến nghị
Sau khi kiểm tra, nếu thấy cần thiết phải sửa chữa, đăng kiểm viên phải gửi các khuyến nghị của mình cho Chủ tàu hoặc Đại diện của Chủ tàu. Sau khi nhận được khuyến nghị, việc sửa chữa phải được thực hiện thỏa mãn và được đăng kiểm viên xác nhận.
1.2.5 Thay thế phụ tùng, chi tiết và thiết bị
Trong các trường hợp cần phải thay thế các chi tiết, phụ tùng, thiết bị v.v... sử dụng trên tàu, việc thay thế này phải tuân theo các quy định phải áp dụng khi tàu đóng mới. Tuy nhiên, trong trường hợp có yêu cầu mới hoặc nếu Đăng kiểm thấy cần thiết, Đăng kiểm có thể yêu cầu việc thay thế đó tuân thủ theo mọi yêu cầu mới có hiệu lực vào thời điểm công việc thay thế liên quan đó được tiến hành. Ngoài ra, không được sử dụng vật liệu chứa a-mi-ăng khi thay thế.
1.3 Kiểm tra xác nhận các Giấy chứng nhận
1.3.1 Giấy chứng nhận quốc tế về ngăn ngừa ô nhiễm do dầu gây ra (Giấy chứng nhận IOPP) hoặc Giấy chứng nhận ngăn ngừa ô nhiễm dầu (Giấy chứng nhận OPP) và các Giấy chứng nhận khác
Khi tiến hành kiểm tra hàng năm và trung gian, phải trình Giấy chứng nhận IOPP hoặc Giấy chứng nhận OPP và các giấy chứng nhận sau, nếu có: Giấy chứng nhận quốc tế về ngăn ngừa ô nhiễm do chất lỏng độc chở xô gây ra (NLS), Giấy chứng nhận phù hợp quốc tế cho việc chở xô hóa chất nguy hiểm (CHM) hoặc Giấy chứng nhận phù hợp cho việc chở xô hóa chất nguy hiểm (E.CHM), Giấy chứng nhận quốc tế về ngăn ngừa ô nhiễm do nước thải (ISPP), Giấy chứng nhận quốc tế về ngăn ngừa ô nhiễm không khí (IAPP) và Giấy chứng nhận quốc tế sử dụng hiệu quả năng lượng (IEE) cho đăng kiểm viên để kiểm tra hiệu lực của Giấy chứng nhận và ghi xác nhận kiểm tra cần thiết vào các Giấy chứng nhận đó.
1.3.2 Các Giấy chứng nhận và hồ sơ khác không nêu ở 1.3.1
1 Vào các đợt kiểm tra, các giấy chứng nhận và hồ sơ sau đây phải được trình cho đăng kiểm viên để xác nhận rằng, các giấy chứng nhận và hồ sơ này là phù hợp và được lưu giữ ở trên tàu (trừ các tàu được lai dắt không có người trực). Tuy nhiên, khi kiểm tra bất thường thì việc trình các giấy chứng nhận và hồ sơ cho đăng kiểm viên có thể được giảm đi chỉ là các giấy chứng nhận và hồ sơ có liên quan.
(1) Đối với thiết bị ngăn ngừa ô nhiễm do dầu
(a) Giấy chứng nhận của thiết bị phân ly dầu nước, thiết bị lọc dầu, thiết bị xử lý, thiết bị đo hàm lượng dầu và thiết bị xác định ranh giới dầu/nước, hệ thống điều khiển và kiểm soát xả dầu, thiết bị đốt chất thải, các ống mềm sử dụng cho hệ thống rửa bằng dầu thô và máy rửa bằng dầu thô v.v... khi Đăng kiểm thấy cần thiết;
(b) Sổ tay các quy trình và hệ thống của hệ thống rửa bằng dầu thô đã được duyệt;
(c) Sổ tay vận hành của hệ thống điều khiển và kiểm soát xả dầu đã được duyệt;
(d) Sổ tay xếp hàng và số liệu về ổn định tai nạn đã được duyệt;
(e) Sổ tay vận hành và bảo dưỡng thiết bị lọc dầu (trừ các tàu có giai đoạn bắt đầu đóng mới trước ngày 01 tháng 01 năm 2005);
(f) Sổ tay vận hành két nước dằn sạch (CBT);
(g) Sổ tay vận hành hệ thống phân dòng chảy;
(h) Sổ tay vận hành việc dằn đặc biệt;
(i) Các bản ghi của thiết bị lọc dầu (trừ khi kiểm tra lần đầu đối với các tàu có giai đoạn bắt đầu đóng mới trước ngày 01 tháng 01 năm 2005);
(j) Các bản ghi của hệ thống điều khiển và kiểm soát xả dầu (trừ khi kiểm tra lần đầu);
(k) Sổ nhật ký dầu;
(l) Kế hoạch ứng cứu ô nhiễm dầu của tàu;
(m) Kế hoạch chuyển tải dầu trên biển.
(2) Đối với thiết bị ngăn ngừa ô nhiễm do các chất lỏng độc
(a) Sổ tay các quy trình và hệ thống được duyệt để xả các chất lỏng độc;
(b) Sổ nhật ký làm hàng;
(c) Kế hoạch ứng cứu ô nhiễm biển của tàu do các chất lỏng độc.
(3) Đối với thiết bị ngăn ngừa ô nhiễm không khí từ tàu
(a) Phiếu cung ứng dầu đốt;
(b) Hồ sơ kỹ thuật (khi áp dụng những yêu cầu ở 2.1 Phần 8);
(c) Sổ ghi các thông số động cơ (khi áp dụng những yêu cầu ở 2.1 Phần 8);
(d) Sổ tay giám sát trên tàu dùng cho phương pháp đo và giám sát trực tiếp trên tàu (khi sử dụng phương pháp nêu ở 2.1.2-1(2)(c) Phần 8 (tham khảo 6.4 và Phụ lục VIII của Bộ luật kỹ thuật NOx));
(e) Danh mục thiết bị chứa các chất làm suy giảm ôzôn và Sổ ghi các chất làm suy giảm ôzôn (khi áp dụng các yêu cầu ở 1.2.1 Phần 8);
(f) Nhật ký (nếu áp dụng các yêu cầu ở 2.1.4 hoặc 2.2-2 Phần 8);
(g) Sổ tay quy trình chuyển đổi dầu đốt và Sổ nhật ký hàng hải (khi áp dụng những yêu cầu ở 2.2-2 Phần 8);
(h) Sổ tay vận hành hệ thống thu gom hơi và Kế hoạch quản lý các chất hữu cơ dễ bay hơi (khi áp dụng những yêu cầu ở 2.3 Phần 8);
(i) Sổ tay vận hành thiết bị đốt chất thải (khi áp dụng những yêu cầu ở 2 4-2 Phần 8);
(j) Công bố báo cáo dữ liệu tiêu thụ nhiên liệu của tàu phù hợp (khi áp dụng các yêu cầu ở 3.5.1 Phần 8).
(4) Đối với thiết bị ngăn ngừa ô nhiễm do nước thải
(a) Bản tính lưu lượng xả nước thải được duyệt (nếu áp dụng).
(5) Đối với thiết bị ngăn ngừa ô nhiễm do rác thải
(a) Kế hoạch quản lý rác được duyệt;
(b) Nhật ký rác.
2 Đối với các tàu có bổ sung dấu hiệu phân cấp tàu nêu ở 1.5 Mục III, Giấy chứng nhận quốc tế sử dụng hiệu quả năng lượng (IEE), Hồ sơ kỹ thuật về chỉ số thiết kế hiệu quả năng lượng (EEDI) và Kế hoạch quản lý hiệu quả năng lượng của tàu (SEEMP) phải được trình cho đăng kiểm viên trong các đợt kiểm tra chu kỳ để xác nhận rằng chúng được duy trì tốt ở trên tàu và có đầy đủ thông tin theo yêu cầu.
1.3.3 Kiểm tra xác nhận các thiết bị có liên quan
Khi kiểm tra, các hạng mục thiết bị sau đây phải được kiểm tra để đảm bảo rằng chúng phù hợp với các yêu cầu của Phần 1B Mục II của Quy chuẩn kỹ thuật quốc gia về Phân cấp và đóng tàu biển vỏ thép.
(1) Hệ thống khí trơ;
(2) Thiết bị đốt chất thải.
CHƯƠNG 2 KIỂM TRA LẦN ĐẦU
2.1 Kiểm tra lần đầu trong quá trình đóng mới
2.1.1 Quy định chung
Khi kiểm tra lần đầu trong quá trình đóng mới, trang thiết bị ngăn ngừa ô nhiễm biển và tay nghề thợ thi công phải được kiểm tra chi tiết để xác định rằng chúng thỏa mãn các yêu cầu tương ứng trong từng Phần của Quy chuẩn này.
2.1.2 Các bản vẽ và hồ sơ trình duyệt
1 Khi tàu được dự định kiểm tra lần đầu, phải trình Đăng kiểm duyệt hồ sơ kỹ thuật sau:
(1) Đối với tàu có tổng thể tích két dầu đốt “C” như nêu ở 1.2.3-10(10) Phần 3 từ 600 m3 trở lên, bản tính các yêu cầu bảo vệ két dầu đốt.
(2) Trang thiết bị ngăn ngừa ô nhiễm do dầu từ buồng máy của tất cả các tàu
(a) Sơ đồ đường ống hút khô;
(b) Sơ đồ đường ống nước dằn;
(c) Các bản vẽ và tài liệu liên quan tới hệ thống điều khiển và kiểm soát xả dầu;
(d) Các bản vẽ và tài liệu liên quan tới thiết bị lọc dầu;
(e) Các bản vẽ bố trí két dầu cặn (nếu đã được thể hiện ở bản vẽ sơ đồ đường ống hút khô, thì không yêu cầu phải trình bản vẽ này);
(3) Trang thiết bị ngăn ngừa ô nhiễm do dầu được chở xô trên các tàu dầu
(a) Bản tính chiều chìm và độ chúi cho tàu chạy ở trạng thái dằn liên quan đến vấn đề ô nhiễm biển;
(b) Bản tính cho các quy định về bố trí vách trong các két dầu hàng;
(c) Bản tính vị trí bảo vệ của két nước dằn cách ly;
(d) Ổn định tai nạn:
(i) Bản tính ổn định tai nạn;
(ii) Hướng dẫn làm hàng và thông báo ổn định tai nạn;
(iii) Sơ đồ bố trí hàng, bản tính chiều chìm hoặc độ chúi;
(iv) Sơ đồ bố trí đường ống, van và hộp thông biển.
(e) Sơ đồ đường ống đối với từng hệ thống;
(f) Lưu giữ dầu trên tàu:
(i) Bản vẽ và tài liệu liên quan tới hệ thống điều khiển và kiểm soát xả dầu;
(ii) Bản vẽ và tài liệu liên quan tới thiết bị xác định ranh giới dầu/nước;
(iii) Hướng dẫn sử dụng hệ thống điều khiển và kiểm soát xả dầu.
(g) Hệ thống rửa bằng dầu thô:
(i) Bản vẽ và tài liệu liên quan tới thiết bị rửa két (đặc tính kỹ thuật);
(ii) Sơ đồ vùng bị che khuất;
(iii) Bản vẽ bố trí các thành phần kết cấu thân tàu trong két;
(iv) Bản vẽ bố trí các lỗ xả đáy (có thể được chấp nhận khi được thể hiện vào bản vẽ mặt cắt phần giữa tàu);
(v) Bản vẽ bố trí các dụng cụ đo mức chất lỏng và các lỗ khoét dùng để đo bằng tay;
(vi) Sổ tay thiết bị và vận hành hệ thống rửa bằng dầu thô.
(h) Két nước dằn sạch:
(i) Bản vẽ bố trí két nước dằn sạch;
(ii) Sổ tay vận hành két nước dằn sạch.
(i) Hệ thống dằn đặc biệt:
Hướng dẫn sử dụng hệ thống dằn đặc biệt.
(j) hệ thống phân dòng chảy:
Hướng dẫn sử dụng hệ thống phân dòng chảy.
(4) Trang thiết bị ngăn ngừa ô nhiễm do chất lỏng độc của tàu chở xô chất lỏng độc:
(a) Bản vẽ và tài liệu liên quan đến hệ thống bơm
(b) Bản vẽ và tài liệu liên quan đến hệ thống rửa sơ bộ như sau:
(i) Sơ đồ các đường ống rửa két hàng;
(ii) Thông số kỹ thuật của thiết bị rửa két, có bao gồm sản lượng định mức của một chu trình, áp suất làm việc, tầm với hiệu dụng của tia;
(iii) Số lượng các thiết bị rửa két tối đa có thể sử dụng đồng thời;
(iv) Vị trí các lỗ khoét trên boong để rửa két;
(v) Số lượng thiết bị rửa và vị trí rửa két trên thiết bị rửa cần thiết để kiểm tra việc hoàn thiện rửa bề mặt két;
(vi) Lượng nước rửa lớn nhất có thể hâm đến 60°C bằng thiết bị hâm được trang bị;
(vii) Số lượng thiết bị rửa tối đa có thể sử dụng đồng thời với nhiệt độ nước 60°C;
(viii) Sơ đồ vùng bị che khuất (được giới hạn chỉ cho trường hợp két chứa các chất loại X hoặc các chất hóa rắn, có sườn khỏe và thanh chống);
(ix) Bản tính lượng nước rửa yêu cầu cho các thiết bị rửa két;
(x) Bản sao các giấy chứng nhận của thiết bị rửa két.
(c) Bản vẽ và tài liệu liên quan đến hệ thống hút vét (bao gồm cả hệ thống bơm) như sau:
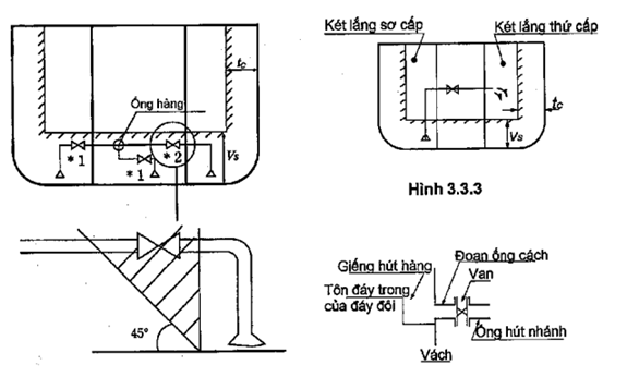
(i) Sơ đồ ống hàng;
(ii) Hệ thống bơm hàng (bao gồm cả sản lượng của bơm);
(iii) Sơ đồ hệ thống ống hút vét;
(iv) Hệ thống bơm của hệ thống hút vét (bao gồm cả sản lượng của bơm);
(v) Vị trí các điểm hút của ống hàng và ống hút vét trong từng két hàng;
(vi) Vị trí và kích thước của các giếng hút, nếu có;
(vii) Hệ thống hút vét, xả khô hoặc thổi cho các đường ống;
(viii) Thể tích và áp suất của khí nitơ hoặc không khí yêu cầu, các bình chứa áp lực và bố trí ống cấp của hệ thống thổi, nếu có;
(ix) Quy trình thử để đánh giá lượng cặn hút vét;
(x) Thiết bị an toàn của hệ thống hút vét (bao gồm cả các báo động).
(d) Bản vẽ và tài liệu liên quan đến hệ thống xả dưới đường nước như sau:
Lỗ xả dưới đường nước:
(i) Sơ đồ ống xả dưới đường nước;
(ii) Vị trí, kết cấu, số lượng và kích thước, bản tính bố xả dưới đường nước (bao gồm cả tấm đổi hướng, nếu có).
(iii) Vị trí của các hộp thông biển so với vị trí các lỗ xả dưới đường nước
Bơm xả:
(i) Thông số kỹ thuật của bơm (bao gồm cả các vật liệu sử dụng).
(e) Bản vẽ và tài liệu liên quan đến hệ thống xả vào phương tiện tiếp nhận như sau:
(i) Thông số kỹ thuật của bơm (bao gồm cả các vật liệu sử dụng);
(ii) Sơ đồ đường ống xả.
(f) Bản vẽ và tài liệu liên quan đến hệ thống rửa bằng thông gió như sau:
(i) Tên các chất lỏng độc có áp suất hơi từ 5 kPa trở lên ở nhiệt độ 20°C, dự định được rửa bằng quy trình thông gió và tên các két chứa các loại chất này;
(ii) Các ống thông gió và quạt của chúng;
(iii) Vị trí các lỗ khoét thông gió;
(iv) Sản lượng cấp gió tối thiểu của hệ thống thông gió để có đủ lưu lượng thông gió đến đáy và tất cả các phần khác của két hàng;
(v) Vị trí các thành phần kết cấu bên trong két hàng có ảnh hưởng đến việc thông gió;
(vi) Phương tiện thông gió của các ống hàng, bơm, bầu lọc...;
(vii) Phương tiện để đảm bảo két được khô;
(viii) Bản sao các giấy chứng nhận của quạt.
(g) Sổ tay các quy trình và hệ thống để xả các chất lỏng độc;
(h) Danh mục hàng dự định được chở trên tàu;
(5) Thiết bị ngăn ngừa ô nhiễm do nước thải của tàu
(a) Các bản vẽ, hồ sơ và đặc tính kỹ thuật liên quan tới thiết bị ngăn ngừa ô nhiễm do nước thải của tàu (bao gồm tổng thể tích của két chứa, sản lượng, kiểu/nhà chế tạo và bản sao giấy chứng nhận công nhận kiểu của thiết bị xử lý nước thải và của hệ thống nghiền và khử trùng nước thải);
(b) Sơ đồ đường ống nước thải (bao gồm bích nối xả tiêu chuẩn, bố trí đường ống, van và vật liệu chế tạo);
(c) Bản tính lưu lượng xả nước thải, nếu áp dụng;
(6) Thiết bị ngăn ngừa ô nhiễm không khí từ tàu
(a) Chất làm suy giảm tầng ôzôn
Các bản vẽ và tài liệu chỉ rõ khu vực trên tàu và các chi tiết của các hệ thống, thiết bị, bao gồm các bình chữa cháy xách tay, cách nhiệt, hoặc các vật liệu khác có chứa chất làm suy giảm tầng ôzôn, nếu có, được phép sử dụng một cách ngoại lệ như nêu ở 1.2.1 Phần 8.
(b) Oxitnitơ
Các bản vẽ và tài liệu liên quan tới hệ thống làm sạch khí xả hoặc tài liệu liên quan tới phương pháp công nghệ làm giảm lượng phát thải NOx, nếu có.
(c) Hệ thống thu gom hơi
(i) Các bản vẽ và tài liệu (gồm cả hướng dẫn khai thác) liên quan tới hệ thống thu gom hơi;
(ii) Kế hoạch quản lý các hợp chất hữu cơ dễ bay hơi (VOC) đối với các tàu chở dầu thô;
(d) Thiết bị đốt chất thải
Bản vẽ và tài liệu liên quan đến thiết bị đốt chất thải (trừ những bản vẽ và tài liệu được trình duyệt theo yêu cầu của Phần 3 Mục II của Quy chuẩn kỹ thuật quốc gia về Phân cấp và đóng tàu biển vỏ thép, nếu có.
(7) Các tài liệu khác
(a) Kế hoạch ứng cứu ô nhiễm dầu của tàu;
(b) Kế hoạch ứng cứu ô nhiễm biển của tàu do các chất lỏng độc;
(c) Kế hoạch quản lý rác.
2 Ngoài các hồ sơ kỹ thuật trình duyệt quy định ở -1 trên, phải trình Đăng kiểm các hồ sơ kỹ thuật sau để tham khảo:
(1) Trang thiết bị ngăn ngừa ô nhiễm do dầu từ buồng máy của tất cả các tàu
(a) Các thông số chính của hệ thống máy (ghi rõ dung tích các két dầu cặn);
(b) Các hồ sơ và tài liệu khác có liên quan.
(2) Trang thiết bị ngăn ngừa ô nhiễm do dầu được chở xô trên các tàu dầu
(a) Các thông số chính của thân tàu (ghi rõ tỷ số ngập chân vịt);
(b) Bản vẽ bố trí chung;
(c) Bản vẽ hoặc bảng dung tích khoang két;
(d) Bản vẽ phân bố trọng lượng tàu không;
(e) Các hồ sơ và tài liệu khác có liên quan.
(3) Trang thiết bị ngăn ngừa ô nhiễm do các chất lỏng độc của tàu chở xô các chất lỏng độc
(a) Các thông số chính của thân tàu;
(b) Bản vẽ bố trí chung;
(c) Bản vẽ mặt cắt phần giữa tàu;
(d) Bản vẽ kết cấu vách ngăn;
(e) Các hồ sơ và tài liệu khác có liên quan.
(4) Thiết bị ngăn ngừa ô nhiễm không khí từ tàu
(a) Tài liệu hướng dẫn sử dụng thiết bị đốt chất thải;
(b) Các hồ sơ và tài liệu khác có liên quan.
3 Đối với các tàu áp dụng Chương 3 Phần 8, Hồ sơ kỹ thuật về chỉ số thiết kế hiệu quả năng lượng (EEDI) và tất cả các thông tin bổ sung thích hợp như nêu dưới đây phải được trình cho Đăng kiểm soát xét trước khi thử nêu ở 2.1.3-6(2). Ngoài ra, bản sửa đổi của Hồ sơ kỹ thuật về chỉ số thiết kế hiệu quả năng lượng dựa trên các kết quả thử nêu trên phải được trình cho Đăng kiểm thẩm định sau khi hoàn thành cuộc thử.
(1) Hồ sơ kỹ thuật về chỉ số thiết kế hiệu quả năng lượng là tài liệu có chứa các thông tin cơ bản liên quan đến các điều kiện tính EEDI, bao gồm:
(a) Các thông số cơ bản bao gồm một trong các thông tin nêu ở (i) đến (iii) sau, công suất liên tục lớn nhất (MCR) của động cơ chính và các động cơ phụ, tốc độ dự kiến của tàu và suất tiêu hao nhiên liệu của động cơ chính và các động cơ phụ (phải có số liệu cho từng máy. Các bản sao có số liệu suất tiêu hao nhiên liệu của máy chính và các động cơ phụ phải được đính kèm).
(i) Tổng dung tích (GT) và trọng tải toàn phần (DW) đối với tàu hàng ro-ro (tàu chở ô tô);
(ii) Tổng dung tích (GT) đối với tàu khách và tàu khách giải trí có hệ thống đẩy tàu không thông thường;
(iii) Trọng tải toàn phần (DW) đối với các tàu không phải là các tàu nêu ở (i) và (ii) trên.
(b) Đường đặc tính công suất (kW-hải lý/h) dự kiến ở giai đoạn thiết kế trong các điều kiện để tính toán EEDI và các đường đặc tính công suất dự kiến trong các điều kiện thử đường dài (mỗi đường cong công suất phải được biểu thị dạng đồ thị).
(c) Các thông số chính và sơ lược về các hệ thống đẩy tàu, hệ thống cấp điện (trình bày dưới dạng sơ đồ).
(d) Quá trình ước tính đường cong công suất (giải thích sử dụng sơ đồ quá trình, v.v... của phương pháp được lấy từ việc thử mô hình đến ước tính đường cong công suất ở giai đoạn thiết kế).
(e) Tổng quan về thiết bị tiết kiệm năng lượng.
(f) Giá trị tính toán EEDI đạt được (bao gồm cả sơ lược về tính toán thích hợp).
(g) Nếu EEDI đạt được về thời tiết (giá trị tính đến tác động của giảm tốc độ gây ra bởi gió và sóng) được tính thì phải có giá trị đó và giá trị fw (hệ số giảm tốc độ) sử dụng trong tính toán.
(h) Đối với các tàu chở LNG, các thông tin nêu ở (i) đến (v) dưới đây:
(i) Kiểu và sơ lược về hệ thống đẩy (ví dụ: điêzen truyền động trực tiếp, điêzen điện, tua bin hơi nước);
(ii) Dung tích két hàng LNG (m3) và tỉ lệ thiết kế khí bốc hơi (boil-off gas) của toàn tàu một ngày được nêu trong đặc tính kỹ thuật của hợp đồng đóng tàu.
(iii) Công suất trục của trục chân vịt sau hộp số truyền động ở 100% công suất định mức của động cơ và hiệu suất điện đối với điêzen điện;
(iv) Đối với tua bin hơi nước, công suất định mức liên tục lớn nhất; và
(v) Đối với tua bin hơi nước, suất tiêu hao nhiên liệu được chứng nhận của tua bin hơi nước được đo bằng g/kWh.
(i) Các hồ sơ và tài liệu khác có liên quan.
(2) Các thông tin khác (tài liệu khác với nêu ở (1) trên để Đăng kiểm kiểm tra lại EEDI đạt được), về nguyên tắc phải bao gồm:
(a) Thuyết minh về phương tiện thử mô hình thích hợp (các tài liệu trợ giúp để khẳng định độ tin cậy của thử mô hình). Thuyết minh phải bao gồm tên của phương tiện, các thông số của bể thử và thiết bị kéo, các bản ghi hiệu chuẩn của từng thiết bị giám sát được sử dụng;
(b) Các đường hình dáng của tàu mô hình và tàu thực để xác nhận mức độ phù hợp của việc thử mô hình (hồ sơ tài liệu để khẳng định rằng các đường hình dáng liên quan được thể hiện đầy đủ chi tiết để chứng minh sự tương đồng giữa tàu mô hình và tàu thực);
(c) Bảng lượng chiếm nước và khối lượng tàu không (hồ sơ xác định khối lượng tàu không);
(d) Các báo cáo chi tiết về cả kết quả thử mô hình tàu và các tính toán dự tính về đường đặc tính công suất (hồ sơ tài liệu để khẳng định rằng tốc độ tàu được dự tính trong các điều kiện tính toán EEDl và tốc độ tàu dự tính trong các điều kiện thử đường dài thu được sử dụng cùng quá trình tính);
(e) Các lý do để miễn giảm thử mô hình, nếu áp dụng việc này (hồ sơ tài liệu đưa ra các lý giải về mặt kỹ thuật để miễn giảm thử mô hình. Hồ sơ tài liệu này phải bao gồm các tuyến hình và kết quả thử mô hình của các tàu thích hợp cùng loại).
(f) Đối với tàu chở LNG, quá trình tính toán chi tiết của (i) và (ii) dưới đây:
(i) Công suất động cơ phụ yêu cầu để cung cấp cho tải lớn nhất thông thường trên biển trong điều kiện tàu hành trình ở tốc độ đã định; và
(ii) Đối với tua bin hơi nước, suất tiêu hao nhiên liệu của tua bin hơi nước.
(g) Các hồ sơ và tài liệu khác có liên quan.
4 Bất kể các yêu cầu đã nêu ở -1 và -2 trên, nếu một tàu đã được đóng hoặc hệ thống ngăn ngừa ô nhiễm đã được chế tạo hay lắp đặt sử dụng các bản vẽ và tài liệu đã duyệt, thì Đăng kiểm có thể xem xét miễn giảm việc trình duyệt một phần hoặc toàn bộ các bản vẽ và tài liệu đã nêu ở -1 và -2.
2.1.3 Kiểm tra kết cấu và thiết bị
1 Phải tiến hành kiểm tra các hạng mục sau đây của trang thiết bị ngăn ngừa ô nhiễm do dầu từ buồng máy của tất cả các tàu:
(1) Thiết bị kiểm soát việc xả nước đáy tàu nhiễm dầu từ buồng máy
(a) Phải đảm bảo thỏa mãn về lắp đặt và hoạt động của hệ thống phân ly/lọc dầu và thiết bị đo hàm lượng dầu. Tuy nhiên, việc xác nhận hoạt động có thể được thực hiện qua việc thử giả định hoặc các phương pháp thử nghiệm khác tương đương.
(b) Phải đảm bảo thỏa mãn về lắp đặt và hoạt động của hệ thống điều khiển và kiểm soát xả dầu bao gồm điều khiển tự động và điều khiển bằng tay của thiết bị dừng xả. Tuy nhiên, việc xác nhận hoạt động có thể được thực hiện qua việc thử giả định hoặc các phương pháp thử nghiệm khác tương đương.
(c) Phải đảm bảo thỏa mãn về hoạt động của các thiết bị ghi và chỉ báo của hệ thống điều khiển và kiểm soát xả dầu hoặc của thiết bị lọc dầu.
(d) Phải đảm bảo trang bị đủ các vật tư tiêu hao như cuộn giấy ghi dùng cho thiết bị ghi.
(e) Phải đảm bảo chức năng báo động thỏa mãn của thiết bị lọc dầu.
(f) Phải thử thiết bị dừng tự động của thiết bị lọc dầu.
(2) Két dầu đốt
Phải đảm bảo sự tách biệt giữa hệ thống dầu đốt và hệ thống nước dằn.
(3) Két dầu cặn
(a) Két dầu cặn hoặc két giữ nước đáy tàu và trang thiết bị xả liên quan phải được kiểm tra để xem xét mức độ phù hợp của chúng.
(b) Thiết bị làm đồng nhất hoặc thiết bị xử lý cặn bẩn được duyệt khác phải được kiểm tra để xem chúng hoạt động có thỏa mãn không. Tuy nhiên, việc áp dụng yêu cầu này phải được giới hạn cho các trường hợp kích thước của các két đó đã được chấp nhận phù hợp với các quy định ở 2.2.1-1 (2) Phần 3 Quy chuẩn này.
(4) Bích nối xả tiêu chuẩn
Phải xác nhận sự thỏa mãn của bích nối xả tiêu chuẩn.
2 Phải tiến hành kiểm tra các hạng mục của các thiết bị sau đây dùng để ngăn ngừa ô nhiễm do dầu chở xô trên các tàu dầu:
(1) Két dằn cách ly
(a) Phải đảm bảo sự lắp đặt thỏa mãn các bơm, ống và van của hệ thống két dằn cách ly.
(b) Phải đảm bảo rằng không có điểm nối giữa hệ thống dầu hàng và hệ thống dằn cách ly.
(c) Khi trang bị đoạn ống nối di động dùng để xả dằn cho các két dằn cách ly trong trường hợp sự cố bằng cách nối két đó đến bơm dầu hàng, thì phải đảm bảo rằng van một chiều đã được lắp cho đường ống dẫn nước dằn cách ly và đoạn ống nối đó được đặt tại một nơi dễ thấy trong buồng bơm có gắn cố định biển hạn chế sử dụng đoạn ống nối đó.
(d) Phải đảm bảo rằng đường ống dẫn nước dằn đi qua các két dầu hàng và đường ống dầu hàng đi qua các két nước dằn không có rò rỉ.
(2) Hệ thống rửa bằng dầu thô
(a) Phải đảm bảo rằng hệ thống rửa bằng dầu thô đã được lắp đặt thỏa mãn các yêu cầu ở 3.4 Phần 3, đặc biệt các hạng mục từ (i) đến (ix) dưới đây:
(i) Kiểm tra để xác định rằng các ống, bơm, van và thiết bị rửa đặt trên boong không có các dấu hiệu rò rỉ và các giá đỡ ống, các chi tiết khóa, kẹp v.v... của đường ống rửa bằng dầu thô là chắc chắn và nguyên vẹn;
(ii) Các bộ phận của hệ thống rửa bằng dầu thô phải được thử bằng áp lực đến 1,5 lần áp suất làm việc;
(iii) Khi các thiết bị dẫn động không được gắn liền thiết bị rửa két, thì phải bảo đảm rằng trên tàu có đủ số lượng các thiết bị dẫn động có thể hoạt động được như đã quy định trong tài liệu hướng dẫn;
(iv) Khi trang bị bầu hâm dùng hơi nước cho nước rửa két hàng, thì phải đảm bảo rằng chúng có thể ngắt được hoàn toàn trong lúc rửa bằng dầu thô bằng van chặn kép hoặc bằng một bích chặn được đánh dấu rõ ràng;
(v) Phải đảm bảo rằng các phương tiện liên lạc đã quy định giữa vị trí quan sát đặt ở trên boong và buồng điều khiển hàng làm việc tốt;
(vi) Phải bảo đảm rằng các bơm cấp của hệ thống rửa bằng dầu thô đã được trang bị một thiết bị an toàn để phòng sự quá áp hoặc các thiết bị được chấp nhận khác;
(vii) Phải bảo đảm rằng các ống mềm cung cấp dầu cho thiết bị rửa của tàu chở hàng hỗn hợp là kiểu đã được chứng nhận và chúng được bảo quản thích hợp và sẵn sàng để sử dụng;
(viii) Thử hoạt động của bơm và thiết bị rửa bằng dầu thô
Bơm và thiết bị của hệ thống rửa bằng dầu thô phải được thử hoạt động bằng nước biển.
(ix) Thử tính năng của hệ thống hút vét:
Thử các đặc tính của hệ thống hút vét phải được tiến hành trong quá trình thử hoạt động nêu ở (viii) trên.
(b) Các thao tác hoạt động rửa bằng dầu thô phải được thực hiện bằng việc sử dụng các thiết bị rửa bằng dầu thô đã được duyệt và như được nêu trong sổ tay thiết bị và vận hành được duyệt. Phải kiểm tra xác nhận hiệu quả của hệ thống rửa bằng dầu thô thỏa mãn yêu cầu ở 3.4 Phần 3 và đặc biệt các hạng mục nêu trong Bảng 2.1 tùy thuộc vào kiểu tàu và loại két cần kiểm tra. Tuy nhiên, việc kiểm tra này có tiến hành trong thời hạn một năm tính từ lúc tàu bắt đầu chở dầu thô lần đầu hoặc tính từ lúc hoàn thành chuyến chở dầu thô phù hợp để rửa bằng dầu thô lần thứ 3, tính theo trường hợp nào muộn hơn. Khi được Đăng kiểm xác nhận rằng đối với các tàu dầu giống nhau về mọi phương diện thích hợp, thì yêu cầu này chỉ cần áp dụng cho một trong các tàu đó.
(3) Lưu giữ dầu trên tàu
(a) Phải đảm bảo rằng các két lắng hoặc két dầu hàng được sử dụng làm két lắng và hệ thống ống có liên quan ở trạng thái làm việc tốt.
(b) Kiểm tra hệ thống điều khiển và kiểm soát xả dầu và hệ thống đường ống phục vụ liên quan. Cụ thể, kiểm tra các hạng mục sau:
(i) Đảm bảo rằng hệ thống điều khiển và kiểm soát xả dầu bao gồm cả các thiết bị tự động được trang bị để ngừng xả, hệ thống lấy mẫu, hệ thống khóa liên động khởi động, độ nhạy thời gian của dụng cụ đo hàm lượng dầu (phải không quá 20 giây) và độ chính xác của lưu lượng kế (không quá ±10% lưu lượng thực tế) ở trong trạng thái làm việc tốt. Tuy nhiên, việc xác nhận hoạt động có thể được thực hiện bằng việc thử giả định theo trạng thái làm việc hoặc các phương pháp tương đương khác;
(ii) Đảm bảo rằng các thiết bị chỉ báo và ghi được lắp cho hệ thống điều khiển và kiểm soát xả dầu ở trong trạng thái làm việc tốt;
(iii) Thử chức năng của các thiết bị báo động bằng ánh sáng và âm thanh lắp cho hệ thống điều khiển và kiểm soát xả dầu;
(iv) Đảm bảo rằng các vật tư dự trữ cho thiết bị ghi đã được trang bị đủ trên tàu.
(c) Đảm bảo rằng thiết bị xác định ranh giới dầu/nước có kiểu được công nhận đã được trang bị trên tàu và ở trong trạng thái làm việc tốt.
Bảng 2.1 Xác nhận tính hiệu quả của hệ thống rửa bằng dầu thô
|
Kiểu tàu |
Két |
Kiểm tra và thử nghiệm |
|
1. Đối với các tàu dầu thỏa mãn 3.2.4(1)(a) Phần 3 |
(1) Két dầu hàng |
(i) Xác nhận tính hiệu quả của hệ thống hút vét Hoạt động của hệ thống hút vét phải được xác nhận bằng việc quan sát các thiết bị giám sát và giám sát mức dầu (bằng cách nhúng ngập hoặc cách khác) quy định ở 3.4.5-1 (6) Phần 3 trong quá trình rửa đáy két. (ii) Xác nhận sự hoạt động phù hợp của các bơm và thiết bị rửa bằng dầu thô Hoạt động thích hợp của thiết bị rửa phải được giám sát theo các thông số về áp suất cấp, thời gian của chu kỳ, chức năng máy (các thiết bị chỉ báo hoạt động và kiểu âm thanh) hoặc bằng các phương pháp được chấp thuận khác. (iii) Xác nhận trạng thái của đáy khoang hàng sau khi rửa Khi đã hoàn thành công việc rửa và hút khô lần cuối, mỗi khoang hàng phải được kiểm tra bằng thước thăm, càng gần càng tốt, các phần đầu, giữa và cuối để xác nhận rằng đáy của từng khoang hàng đã được làm khô(1). Các lần kiểm tra này phải được ghi vào Sổ tay thiết bị và vận hành. (iv) Việc thử và kiểm tra nêu từ (i) đến (iii) trên có thể chỉ cần áp dụng cho một trong nhóm các khoang hàng có cấu hình giống nhau. (v) Kiểm tra bên trong các khoang hàng có thể phải được tiến hành nếu đăng kiểm viên xét thấy cần thiết. |
|
2. Đối với các tàu dầu khác với nêu ở 1 trên |
(1) Két dầu hàng |
(i) Các quy định tương tự như nêu ở 1(1) trên |
|
(2) Két dầu hàng/ dằn |
(i) Các quy định tương tự như nêu ở 1(1) trên (ii) Xác định dầu nổi trên bề mặt nước dằn Tiến hành đo xác định lượng dầu nổi trên bề mặt nước dằn/dầu hàng để xác nhận rằng tỷ số thể tích giữa lượng dầu nổi trên bề mặt toàn bộ nước dằn/dầu hàng và tổng thể tích các két chứa lượng nước này không vượt quá 0,00085. |
Chú thích:
(1) Khái niệm “khô”: Tham khảo 3.4.5-1(4) Phần 3 của Quy chuẩn này.
(4) Bơm, đường ống và thiết bị xả
(a) Phải đảm bảo rằng việc bố trí đường ống xả để thải nước dằn bẩn hoặc nước nhiễm dầu là thỏa mãn.
(b) Phải đảm bảo rằng vị trí điều khiển xả và vị trí quan sát để quan sát bằng mắt việc xả nước nhiễm dầu bao gồm cả việc thử để xác nhận chức năng liên động giữa chúng là thỏa mãn.
(c) Phải đảm bảo rằng hệ thống hút vét, két lắng, két hàng hoặc các hệ thống để hút vét tất cả các bơm hàng và tất cả các ống dẫn dầu kể cả hệ thống nối ghép để nối với phương tiện tiếp nhận để xả nước dằn bẩn hoặc nước bị nhiễm dầu là thỏa mãn.
(5) Bố trí
Phải đảm bảo rằng hệ thống chuyển hàng và các thiết bị đóng kín được trang bị trên các đường ống dẫn dầu hàng để đảm bảo cách ly các két với nhau là phù hợp.
(6) Phân khoang và ổn định
(a) Ngoài các trang bị được nêu ở (5) trên, phải đảm bảo rằng việc bố trí để ngăn ngừa ngập nước lan truyền vào các khoang là phù hợp.
(b) Nếu máy tính ổn định được lắp đặt trên tàu phù hợp với các yêu cầu ở 3.2.2 Phần 3, phải xác nhận rằng hướng dẫn vận hành cho máy tính ổn định được trang bị trên tàu. Ngoài ra, phải xác nhận rằng máy tính ổn định đang hoạt động một cách chính xác bằng cách tiến hành thử chức năng sau khi lắp đặt lên tàu. Hướng dẫn vận hành và việc thử chức năng của máy tính ổn định phải tuân thủ các yêu cầu tương ứng nêu ở "Bộ luật quốc tế về ổn định nguyên vẹn" của IMO (2008 IS Code).
(7) Kiểm tra việc bố trí các két nước dằn sạch
(a) Phải đảm bảo rằng việc bố trí bơm, đường ống và van phù hợp với các bản vẽ đã được duyệt và thực sự chúng đã được trang bị và ở trong trạng thái làm việc tốt.
(b) Kiểm tra bằng mắt két nước dằn sạch để xác nhận không có sự nhiễm dầu.
(c) Các hạng mục được nêu ở (1)(d) trên.
(8) Hệ thống dằn đặc biệt
Phải đảm bảo rằng hệ thống dằn đặc biệt đã được bố trí phù hợp với bản vẽ đã duyệt và ở trong trạng thái làm việc tốt.
(9) Hệ thống phân dòng chảy
Phải đảm bảo rằng hệ thống phân dòng chảy làm việc tốt.
3 Việc kiểm tra các hạng mục sau đây phải được tiến hành đối với thiết bị ngăn ngừa xả chất lỏng độc từ các tàu chở xô các chất lỏng độc:
(1) Hệ thống rửa sơ bộ
(a) Phải đảm bảo rằng hệ thống được lắp đặt phù hợp với các bản vẽ và Sổ tay các quy trình và hệ thống đã được duyệt và hệ thống ở trong trạng thái làm việc tốt.
(b) Khi được trang bị hệ thống hâm nước rửa phải đảm bảo rằng hệ thống này được lắp đặt phù hợp với các bản vẽ đã được duyệt và hệ thống ở trong trạng thái làm việc tốt.
(c) Khi dùng thiết bị rửa di động, phải đảm bảo rằng số lượng và vị trí của các lỗ khoét để rửa két được bố trí phù hợp với các bản vẽ đã được duyệt.
(2) Hệ thống hút vét
(a) Phải đảm bảo rằng hệ thống hút vét đã được lắp đặt phù hợp với các bản vẽ đã được duyệt và ở trong trạng thái làm việc tốt.
(b) Phải đảm bảo rằng lượng hút vét được xác định bằng việc thử nước theo quy trình và phương pháp tính, phù hợp với Phụ chương 5 của Phụ lục II đã duyệt nằm trong phạm vi giá trị nêu ở Bảng 4.3 ở 3.3.2 Phần 4.
(c) Khi trang bị các ống di động về các cút nối, phải đảm bảo rằng chúng được cất giữ trên tàu.
(3) Lỗ xả dưới đường nước
(a) Phải đảm bảo rằng lỗ xả phía dưới đường nước đã được bố trí phù hợp với các bản vẽ đã duyệt.
(b) Phải đảm bảo có các phương tiện để phân cách lỗ xả dưới đường nước với các lỗ xả ở phía trên đường nước.
(4) Hệ thống xả vào phương tiện tiếp nhận
Phải đảm bảo rằng hệ thống để xả vào phương tiện tiếp nhận đã được lắp đặt phù hợp với các bản vẽ đã được duyệt và ở trong trạng thái làm việc tốt.
(5) Hệ thống làm sạch bằng thông gió
(a) Phải đảm bảo rằng hệ thống làm sạch bằng thông gió được lắp đặt phù hợp với các bản vẽ đã duyệt và ở trong trạng thái làm việc tốt.
(b) Khi dùng thiết bị làm sạch di động, phải đảm bảo đạt được lưu lượng quạt thổi cần thiết.
4 Phải tiến hành kiểm tra các hạng mục dưới đây đối với thiết bị ngăn ngừa ô nhiễm do nước thải của tàu:
(1) Phải đảm bảo rằng thiết bị đã được lắp đặt phù hợp với bản vẽ đã được duyệt.
(2) Phải đảm bảo rằng đường ống thải và bích nối xả tiêu chuẩn nêu ở 2.2.1 Phần 7 của Quy chuẩn này đã được trang bị phù hợp với bản vẽ đã được duyệt.
(3) Phải đảm bảo rằng thiết bị nêu ở (1) và các bơm liên quan nêu ở (2) trong trạng thái làm việc tốt.
5 Phải tiến hành kiểm tra các hạng mục dưới đây đối với thiết bị ngăn ngừa ô nhiễm không khí từ tàu có tổng dung tích từ 400 trở lên, giàn khoan di động và các giàn khác. Tuy nhiên, việc kiểm tra quy định ở (3), trừ (3)(a) phải được thực hiện bất kể tổng dung tích của tàu.
(1) Chất làm suy giảm tầng ôzôn
(a) Phải kiểm tra xác nhận xem hệ thống hay thiết bị nào trên tàu, kể cả thiết bị chữa cháy xách tay, có chứa chất hydro chlorofluorocacbon (HCFCs) không.
(b) Phải đảm bảo rằng hệ thống hay thiết bị nêu ở (a) trong trạng thái làm việc tốt và không phát thải hydro chlorofluorocacbon (HCFCs).
(2) Oxit lưu huỳnh (SOx) và hạt rắn
Phải đảm bảo rằng hệ thống chuyển đổi dầu trong trạng thái làm việc tốt.
(3) Oxit nitơ (NOx)
Các nội dung thử phát thải, kiểm tra và soát xét sau đây phải được thực hiện phù hợp với Bộ luật kỹ thuật NOx đối với từng động cơ điêzen đơn lẻ áp dụng các yêu cầu ở 2.1 Phần 8 của Quy chuẩn này.
(a) Đối với các động cơ điêzen khác các động cơ mà lượng phát thải NOx được thẩm tra trên tàu sử dụng cùng phương pháp như quy trình đo để thẩm tra phát thải trên bệ thử phù hợp với 2.2.4.1 của Bộ luật kỹ thuật NOx hoặc được thẩm tra sử dụng phương pháp đo đơn giản trên tàu phù hợp với 2.2.5.2 của Bộ luật kỹ thuật NOx, phải thẩm tra rằng lượng phát thải NOx nằm trong các giới hạn nêu ở 2.1.2-1 Phần 8 phù hợp với quy trình thẩm tra NOx trên tàu được nêu trong hồ sơ kỹ thuật được duyệt. Các quy trình phải là phương pháp đo đơn giản trên tàu nêu ở 2.1.2-2(2)(b) Phần 8 hoặc phương pháp kiểm tra thông số nêu ở 2.1.3-1 (4) Phần 8. Một phần các thử nghiệm này có thể được bỏ qua nếu Đăng kiểm thấy phù hợp, dựa trên việc kiểm tra thực tế rằng tất cả các động cơ và xy lanh khác có cùng đặc tính với các động cơ và xy lanh được thử, hoặc có từ hai động cơ điêzen trở lên trong họ động cơ hoặc nhóm động cơ hoặc từ hai xy lanh có các đặc trưng giống nhau trên tàu. Tuy nhiên, các thử nghiệm này phải được hoàn thành cho tối thiểu một trong số các động cơ điêzen và/ hoặc một trong số các xy lanh. Đăng kiểm có thể chấp nhận, như là phương pháp kiểm tra thay thế cho các bộ phận hợp thành được lắp đặt, việc thực hiện phần kiểm tra đó đối với các bộ phận dự trữ được trang bị trên tàu nếu chúng đại diện cho các bộ phận hợp thành được lắp cho động cơ điêzen.
(b) Đối với các động cơ điêzen mà phát thải NOx đã được thẩm tra không có thiết bị giảm NOx phù hợp với 2.2.5.1 của Bộ luật kỹ thuật NOx, khi quy trình đo để thẩm tra phát thải trên bệ thử nêu ở 2.1.2-2(2)(a) Phần 8 trên được áp dụng, việc kiểm tra trên tàu phải được thực hiện phù hợp với Phần 7 của MEPC.291(71).
(4) Hệ thống thu gom hơi
(a) Phải đảm bảo rằng hệ thống thu gom hơi đã được lắp đặt phù hợp với các bản vẽ và hồ sơ được duyệt.
(b) Phải đảm bảo rằng hệ thống thu gom hơi, bao gồm cả thiết bị đo mức chất lỏng, thiết bị báo động mức chất lỏng cao và thiết bị báo động của các áp kế trong trạng thái làm việc tốt.
(5) Thiết bị đốt chất thải
(a) Phải đảm bảo tại xưởng chế tạo rằng tất cả các bộ phận của thiết bị đốt chất thải, bao gồm cả thiết bị điều khiển và an toàn ở trong trạng thái làm việc tốt, bằng các thử nghiệm tại xưởng chế tạo, phù hợp với yêu cầu ở 7.2 của MEPC.76(40) hoặc được bổ sung sửa đổi bởi MEPC.244(66). Các thử nghiệm này có thể được thay bằng việc soát xét báo cáo của các thử nghiệm tương tự được thực hiện bởi cơ sở chế tạo thiết bị đốt chất thải.
(b) Phải đảm bảo rằng thiết bị đốt chất thải được lắp đặt phù hợp với các bản vẽ và hồ sơ được duyệt.
(c) Phải đảm bảo trên tàu rằng tất cả các bộ phận của thiết bị đốt chất thải, bao gồm cả thiết bị điều khiển và an toàn ở trong trạng thái làm việc tốt, bằng các thử nghiệm phù hợp với yêu cầu ở 7.3 của MEPC.76(40) hoặc được bổ sung sửa đổi bởi MEPC.244(66).
6 Đối với các tàu áp dụng Chương 3 Phần 3, các nội dung kiểm tra liên quan đến chỉ số thiết kế hiệu quả năng lượng (EEDI) phải được thực hiện như sau:
(1) Xác định ở giai đoạn thiết kế
Thử mô hình phải được thực hiện và EEDI được tính từ đường đặc tính công suất (quan hệ giữa tốc độ và công suất máy) thu được từ các kết quả thử mô hình và các thông số chính của tàu phải được kiểm tra lại. Tuy nhiên, có thể miễn thử mô hình này trong các trường hợp sau đây. Trong các trường hợp này, EEDI được tính từ đường đặc tính công suất thu được từ các số liệu sẵn có và các thông số chính của tàu phải được kiểm tra lại.
(a) Các tàu mà 3.3 Phần 8 không áp dụng.
(b) Các trường hợp mà qua xem xét thấy rằng các kết quả thử mô hình của các tàu khác cùng loại là tương tự.
(c) Các trường hợp mà thử tốc độ khi thử đường dài được thực hiện trong các điều kiện chiều chìm tương ứng với các điều kiện tính toán EEDl.
(d) Các trường hợp khác mà được đánh giá là có đầy đủ lý do kỹ thuật để miễn thử mô hình.
(2) Xác định ở giai đoạn thử đường dài
Phải thực hiện các đo đạc khẳng định tốc độ tàu khi thử tốc độ tàu và xác định giá trị tính được cuối cùng của EEDI đạt được.
7 Đối với các thử nghiệm nêu ở -1, -2 và -6, đơn vị đề nghị phải chuẩn bị kế hoạch thử để Đăng kiểm soát xét trước khi thử. Ngoài ra, các biên bản thử hoặc biên bản đo phải được trình cho Đăng kiểm nếu có yêu cầu.
8 Đối với các tàu áp dụng Chương 2 Phần 9 của Quy chuẩn, phải tiến hành kiểm tra các hạng mục sau:
(1) Kiểm tra đảm bảo các thiết bị xử lý rác (nếu có) hoạt động tốt.
(2) Kiểm tra đảm bảo các thiết bị chứa rác, thùng rác được trang bị, bố trí, đánh dấu phân loại phù hợp với các yêu cầu ở Chương 3 Phần 9.
(3) Kiểm tra đảm bảo các biển thông báo thỏa mãn các yêu cầu nêu ở 2.1.1 và 2.2 Phần 9.
2.1.4 Kiểm tra Kế hoạch quản lý hiệu quả năng lượng của tàu (SEEMP)
Phải đảm bảo rằng Kế hoạch quản lý hiệu quả năng lượng của tàu phù hợp với các yêu cầu ở 3.4 Phần 8.
2.1.5 Hồ sơ lưu giữ trên tàu
1 Sau khi hoàn thành kiểm tra lần đầu, đăng kiểm viên phải xác nhận rằng các giấy chứng nhận và hồ sơ thích hợp sau đây được duy trì trên tàu.
(1) Các giấy chứng nhận và hồ sơ nêu ở 1.3.2;
(2) Hồ sơ kỹ thuật về chỉ số thiết kế hiệu quả năng lượng nêu ở 2.1.2-3;
(3) Kế hoạch quản lý hiệu quả năng tượng của tàu nêu ở 2.1.4.
2.2 Kiểm tra lần đầu không có sự giám sát của Đăng kiểm trong đóng mới
2.2.1 Quy định chung
Khi kiểm tra lần đầu không có sự giám sát của Đăng kiểm trong đóng mới phải tiến hành kiểm tra trang thiết bị ngăn ngừa ô nhiễm biển và phải bảo đảm rằng chúng thỏa mãn các quy định được nêu trong Quy chuẩn này.
2.2.2 Các bản vẽ và hồ sơ trình duyệt
Bất kỳ tàu nào muốn được kiểm tra lần đầu không có sự giám sát của Đăng kiểm trong đóng mới, phải trình cho Đăng kiểm các bản vẽ và hồ sơ nêu ở 2.1.2 Phần 2 tới mức độ cần thiết.
2.2.3 Kiểm tra kết cấu và trang thiết bị
Khi kiểm tra lần đầu không có sự giám sát của Đăng kiểm trong đóng mới thì phải tiến hành các kiểm tra ở mức độ thích hợp với các yêu cầu ở 2.1.3 của Phần 2. Tuy nhiên, đối với tàu có các Giấy chứng nhận quốc tế về ngăn ngừa ô nhiễm dầu, Giấy chứng nhận quốc tế về ngăn ngừa ô nhiễm do chất lỏng độc chở xô (nếu có), Giấy chứng nhận quốc tế về ngăn ngừa ô nhiễm nước thải, Giấy chứng nhận quốc tế về ngăn ngừa ô nhiễm không khí và Giấy chứng nhận quốc tế sử dụng hiệu quả năng lượng hoặc các Giấy chứng nhận tương đương, thì phải tiến hành kiểm tra với nội dung tương ứng như được nêu ở 3.3 Phần 2 của Quy chuẩn này.
2.2.4 Kiểm tra Kế hoạch quản lý hiệu quả năng lượng của tàu (SEEMP)
Phải đảm bảo rằng Kế hoạch quản lý hiệu quả năng lượng của tàu phù hợp với các yêu cầu ở 3.4 Phần 8.
2.2.5 Hồ sơ lưu giữ trên tàu
Sau khi hoàn thành kiểm tra lần đầu, đăng kiểm viên phải xác nhận rằng các giấy chứng nhận và hồ sơ quy định ở 2.1.5 được lưu giữ trên tàu.
CHƯƠNG 3 KIỂM TRA CHU KỲ
3.1 Kiểm tra hàng năm
3.1.1 Quy định chung
Tại mỗi lần kiểm tra hàng năm, phải tiến hành kiểm tra theo các hạng mục tương ứng của các quy định được nêu ở 3.1.2 Phần này và cần thiết phải kiểm tra thêm trạng thái chung của kết cấu và thiết bị liên quan.
3.1.2 Kiểm tra kết cấu và thiết bị
1 Công việc kiểm tra sau đây phải được tiến hành đối với thiết bị ngăn ngừa ô nhiễm do dầu từ buồng máy của tất cả các tàu:
(1) Hệ thống kiểm soát xả nước đáy tàu nhiễm dầu từ buồng máy
(a) Kiểm tra bằng mắt thiết bị phân ly dầu nước, thiết bị lọc dầu, hệ thống xử lý và thiết bị đo hàm lượng dầu;
(b) Kiểm tra bằng mắt hệ thống điều khiển và kiểm soát xả dầu;
(c) Kiểm tra để đảm bảo sự hoạt động thỏa mãn của các phương tiện ngừng xả tự động hoặc bằng tay được lắp cho hệ thống điều khiển và kiểm soát xả dầu;
(d) Kiểm tra để đảm bảo sự hoạt động thỏa mãn của các thiết bị chỉ báo và ghi của hệ thống kiểm soát và điều khiển xả dầu hoặc thiết bị lọc dầu và các vật tư cần thiết với số lượng đủ dùng cho thiết bị ghi ở trên tàu;
(e) Thử báo động của thiết bị lọc dầu;
(f) Thử thiết bị ngừng xả tự động của thiết bị lọc dầu.
(g) Kiểm tra giấy chứng nhận hiệu chuẩn của thiết bị lọc dầu (nếu có trang bị thiết bị báo động 15 ppm) đối với thiết bị lọc dầu áp dụng MEPC.107(49) như từ (i) đến (iii) sau:
(i) Kiểm tra hiệu lực của giấy chứng nhận hiệu chuẩn.
(ii) Kiểm tra xác rằng nhận độ chính xác của thiết bị báo động 15 ppm được cơ sở chế tạo hoặc người được cơ sở chế tạo ủy quyền kiểm tra bằng việc thử và hiệu chuẩn thiết bị. Đối với các tàu không hoạt động tuyến quốc tế, việc thử và hiệu chuẩn thiết bị nêu trên có thể được thực hiện bởi cơ sở thử nghiệm thỏa mãn các tiêu chuẩn thử nghiệm, hiệu chuẩn thiết bị được Đăng kiểm chấp nhận.
(iii) Kiểm tra xác nhận rằng việc thử và hiệu chuẩn nêu ở (ii) trên được thực hiện trong các khoảng thời gian không quá 5 năm hoặc trong thời hạn được quy định trong hướng dẫn của cơ sở chế tạo, lấy giá trị nào ngắn hơn.
(2) Két dầu đốt
Kiểm tra để đảm bảo sự tách biệt của hệ thống dầu đốt và hệ thống nước dằn.
(3) Két dầu cặn
(a) Kiểm tra để đảm bảo rằng két để chứa dầu cặn, két lắng và thiết bị xả của chúng là thỏa mãn;
(b) Kiểm tra để đảm bảo rằng thiết bị đồng thể hóa hoặc thiết bị được chấp nhận khác để kiểm soát cặn dầu ở trong trạng thái làm việc tốt. Tuy nhiên, quy định này chỉ áp dụng khi quy cách két để chứa cặn dầu đã dược duyệt phù hợp với các quy định 2.2.1-1(2) Phần 3 của Quy chuẩn này.
(4) Bích nối xả tiêu chuẩn
Kiểm tra để đảm bảo đã trang bị bích nối xả tiêu chuẩn.
2 Phải tiến hành kiểm tra theo các hạng mục sau đây đối với kết cấu và thiết bị để ngăn ngừa ô nhiễm do dầu chở xô trên các tàu dầu:
(1) Két dằn cách ly
(a) Kiểm tra để đảm bảo rằng không có điểm nối giữa các đường ống dầu hàng và các đường ống nước dằn.
(b) Khi trang bị đoạn ống nối di động dùng để xả dằn cho các két dằn cách ly trong trường hợp sự cố bằng cách nối các két đó với với bơm dầu hàng, thì phải đảm bảo có một van một chiều được lắp trên đường ống nước dằn cách ly và có một biển cảnh báo nêu rõ việc việc hạn chế sử dụng đoạn ống nối đó gắn cố định ở một chỗ dễ nhìn thấy trong buồng bơm.
(c) Kiểm tra để đảm bảo không có dấu hiệu nhiễm bẩn dầu trong các két dằn cách ly.
(2) Hệ thống rửa bằng dầu thô
Đảm bảo rằng các yêu cầu của hệ thống rửa bằng dầu thô phải được thỏa mãn và cụ thể là việc kiểm tra phải được tiến hành theo các hạng mục từ (a) đến (f) sau đây:
(a) Kiểm tra bằng mắt để đảm bảo không có dấu hiệu rò rỉ trên các đường ống, bơm, van và thiết bị rửa đặt trên boong của hệ thống rửa bằng dầu thô và tất cả các giá đỡ đường ống dầu rửa là nguyên vẹn.
(b) Nếu thiết bị dẫn động không được gắn cố định với thiết bị rửa két thì phải đảm bảo rằng số lượng đủ, như nêu trong hướng dẫn sử dụng, các thiết bị dẫn động hoạt động tốt được trang bị trên tàu.
(c) Khi trang bị bầu hâm dùng hơi nước cho nước rửa két hàng, thì phải đảm bảo rằng chúng có thể ngắt được hoàn toàn trong lúc rửa bằng dầu thô bằng van chặn kép hoặc bằng một bích chặn được đánh dấu rõ ràng.
(d) Phải đảm bảo rằng thiết bị thông tin liên lạc theo quy định giữa buồng kiểm soát hàng và vị trí quan sát trên boong trong trạng thái làm việc tốt.
(e) Phải đảm bảo rằng bơm cấp của hệ thống rửa bằng dầu thô đã được lắp đặt thiết bị an toàn cho việc quá áp hoặc các thiết bị khác đã được chấp nhận.
(f) Đảm bảo rằng ống mềm cấp dầu cho thiết bị rửa của tàu hỗn hợp có kiểu đã được công nhận và chúng được bảo quản phù hợp và sẵn sàng để sử dụng.
(3) Lưu giữ dầu trên tàu
(a) Kiểm tra hệ thống điều khiển và kiểm soát xả dầu và bố trí đường ống dẫn liên quan, cụ thể là kiểm tra các hạng mục sau:
(i) Kiểm tra trực tiếp hệ thống điều khiển và kiểm soát xả dầu và các trang thiết bị liên quan.
(ii) Kiểm tra để đảm bảo rằng thiết bị tự động và bằng tay được trang bị để ngắt xả ở trong trạng thái làm việc tốt.
(iii) Kiểm tra để đảm bảo rằng các thiết bị chỉ báo và ghi ở trong trạng thái làm việc tốt và các vật tư sử dụng cho thiết bị ghi đã được trang bị đủ trên tàu.
(iv) Thử chức năng báo động ánh sáng hoặc âm thanh được lắp cho hệ thống điều khiển và kiểm soát xả dầu.
(b) Kiểm tra để đảm bảo rằng thiết bị xác định ranh giới dầu/nước có kiểu được công nhận đã được cất giữ ở trên tàu.
(4) Hệ thống bơm, đường ống và thiết bị xả
(a) Kiểm tra để đảm bảo rằng hệ thống đường ống xả để thải nước dằn bẩn hoặc nước bị nhiễm dầu là thỏa mãn.
(b) Thử các phương tiện liên lạc giữa vị trí quan sát và vị trí điều khiển xả.
(c) Kiểm tra hệ thống hút vét, các két lắng, két hàng hoặc các hệ thống để tháo khô tất cả các bơm hàng và tất cả các đường ống dầu bao gồm cả đường ống nối chung với phương tiện tiếp nhận để xả nước dằn bẩn hoặc nước nhiễm dầu.
(5) Hệ thống két dằn sạch
(a) Kiểm tra để đảm bảo rằng hệ thống két dằn sạch ở trạng thái làm việc tốt.
(b) Kiểm tra bằng mắt để xác nhận rằng các két dằn sạch không có dấu hiệu bị nhiễm bẩn dầu.
(6) Hệ thống dằn đặc biệt
Kiểm tra để đảm bảo rằng hệ thống dằn đặc biệt ở trạng thái làm việc tốt.
(7) Hệ thống phân dòng chảy
Kiểm tra để đảm bảo rằng hệ thống phân dòng chảy ở trạng thái làm việc tốt.
(8) Kế hoạch chuyển tải dầu trên biển
Đối với các tàu dầu có tổng dung tích từ 150 trở lên tham gia chuyển tải dầu hàng trên biển giữa các tàu dầu, phải đảm bảo rằng Kế hoạch chuyển tải dầu trên biển được Đăng kiểm duyệt có ở trên tàu.
(9) Máy tính ổn định
Nếu máy tính ổn định được lắp đặt trên tàu phù hợp với các yêu cầu ở 3.2.2 Phần 3, phải tiến hành thử chức năng hoạt động để xác nhận rằng máy tính ổn định đang ở trạng thái hoạt động tốt.
3 Phải tiến hành kiểm tra các hạng mục sau đối với các thiết bị của tàu để ngăn ngừa ô nhiễm do các chất lỏng độc chở xô gây ra:
(1) Hệ thống rửa sơ bộ
(a) Kiểm tra bằng mắt để xác nhận rằng kiểu, sản lượng, số lượng và vị trí của thiết bị rửa như đã được duyệt;
(b) Kiểm tra bằng mắt các đường ống rửa két và thiết bị hâm nước rửa.
(2) Hệ thống hút vét
Kiểm tra bằng mắt để xác nhận rằng không có bất kỳ sự thay đổi nào đối với hệ thống hút vét.
(3) Lỗ xả dưới đường nước
Kiểm tra bằng mắt các vị trí của lỗ xả dưới đường nước đến mức có thể thực hiện được.
(4) Thiết bị để xả vào phương tiện tiếp nhận
Kiểm tra bằng mắt.
(5) Hệ thống làm sạch bằng thông gió
Phải xác nhận rằng thiết bị thông gió có kiểu được duyệt.
4 Phải tiến hành kiểm tra các hạng mục sau đối với thiết bị ngăn ngừa ô nhiễm không khí từ tàu có tổng dung tích từ 400 trở lên, các giàn khoan di động và các giàn khác.
(1) Chất làm suy giảm tầng ôzôn
Kiểm tra xác nhận các hệ thống hoặc thiết bị, kể cả thiết bị chữa cháy xách tay ở trên tàu có chứa chất làm suy giảm tầng ôzôn, ngoài ra chúng còn phải được kiểm tra tình trạng bên ngoài.
(2) Dầu đốt
Đảm bảo rằng các phiếu giao nhận dầu đốt cùng với mẫu của dầu đốt được lưu giữ thích hợp.
(3) Oxit lưu huỳnh (SOx) và hạt rắn
Phải đảm bảo rằng hệ thống chuyển đổi dầu trong trạng thái làm việc tốt.
(4) Oxit nitơ (NOx)
(a) Đối với mãi động cơ điêzen áp dụng các yêu cầu ở 2.1 Phần 8, phải đảm bảo rằng hệ thống làm sạch khí xả nhằm làm giảm phát thải NOx đã được lắp đặt hoặc phương pháp giảm phát thải NOx đã được thực hiện phù hợp với các bản vẽ và/hoặc tài liệu đã được duyệt.
(b) Đối với mỗi động cơ điêzen áp dụng các yêu cầu ở 2.1 Phần 8, phải đảm bảo rằng lượng phát thải NOx nằm trong giới hạn quy định ở 2.1.2-1 Phần 8, phù hợp với quy trình thẩm tra NOx trên tàu nêu trong hồ sơ kỹ thuật đã duyệt. Các quy trình tiếp theo phải tương tự phương pháp đo đơn giản trên tàu nêu ở 2.1.2-2(2)(b) Phần 8, hoặc phương pháp đo và giám sát trực tiếp trên tàu nêu ở 2.1.2-2(2)(c) Phần 8, hoặc phương pháp kiểm tra thông số nêu ở 2.1.3-1(4) Phần 8.
(5) Hệ thống thu gom hơi
(a) Đảm bảo rằng hệ thống thu gom hơi đã được lắp đặt phù hợp với các bản vẽ và hồ sơ được duyệt và trong trạng thái làm việc tốt.
(b) Đảm bảo rằng hệ thống thu gom hơi, bao gồm cả thiết bị đo mức chất lỏng, chuông báo động mức chất lỏng cao và chuông báo động của các thiết bị đo áp lực của hệ thống trong trạng thái làm việc tốt.
(6) Thiết bị đốt chất thải
(a) Đảm bảo rằng thiết bị đốt chất thải được lắp đặt phù hợp với các bản vẽ và hồ sơ được duyệt và trong trạng thái làm việc tốt.
(b) Phải tiến hành thử nghiệm các tính năng kỹ thuật của thiết bị đốt chất thải.
5 Phải tiến hành kiểm tra các hạng mục sau đối với thiết bị ngăn ngừa ô nhiễm do rác thải từ tàu để đảm bảo:
(1) Các thiết bị chứa rác, thùng rác được trang bị, bố trí, đánh dấu phân loại phù hợp với các yêu cầu ở Chương 3 Phần 9 của Quy chuẩn;
(2) Các biển thông báo thỏa mãn các yêu cầu nêu ở 2.11 và 2.2 Phần 9;
(3) Các thiết bị xử lý rác (nếu có) hoạt động tốt;
(4) Kế hoạch quản lý rác đã được duyệt, nhật ký rác còn sử dụng được có ở trên tàu.
6 Phải xác nhận rằng Kế hoạch ứng cứu ô nhiễm dầu của tàu và/hoặc Kế hoạch ứng cứu ô nhiễm biển do các chất lỏng độc của tàu đã được trang bị trên tàu và các Kế hoạch này thỏa mãn các yêu cầu của Phần 5 và 6.
3.2 Kiểm tra trung gian
3.2.1 Quy định chung
Khi kiểm tra trung gian, phải tiến hành kiểm tra các hạng mục tương ứng theo điều 3.2.2 của Phần này và cần thiết phải kiểm tra trạng thái chung của kết cấu và thiết bị liên quan.
3.2.2 Kiểm tra kết cấu và thiết bị
1 Ngoài các hạng mục kiểm tra quy định ở 3.1.2-1 Phần này, đối với thiết bị ngăn ngừa ô nhiễm do dầu từ buồng máy của tất cả các tàu, phải tiến hành kiểm tra theo các hạng mục sau đây:
(1) Kiểm tra để đảm bảo rằng thiết bị phân ly dầu nước, thiết bị lọc dầu, thiết bị xử lý và dụng cụ đo hàm lượng dầu ở trong trạng thái làm việc tốt. Tuy nhiên, việc xác nhận chức năng có thể thực hiện bằng thử giả định theo trạng thái làm việc hoặc bằng phương pháp tương đương khác.
(2) Khi có trang bị thiết bị phân ly dầu nước, thiết bị lọc dầu hoặc thiết bị xử lý dầu, thì phải tiến hành kiểm tra các trang thiết bị đó bao gồm cả sự mài mòn của các bơm, ống dẫn và phụ tùng có liên quan.
(3) Kiểm tra để đảm bảo rằng hệ thống điều khiển và kiểm soát xả dầu bao gồm cả chức năng của thiết bị ngừng xả tự động hoặc bằng tay ở trong trạng thái làm việc tốt. Tuy nhiên, việc xác nhận chức năng có thể thực hiện bằng thử giả định theo trạng thái làm việc hoặc bằng các phương pháp tương đương khác.
(4) Kiểm tra về các khuyết tật, hư hỏng hoặc sự cố của thiết bị đo hàm lượng dầu (báo động 15 ppm và thiết bị kiểm soát và điều khiển xả dầu đối với nước đáy tàu) và xác nhận việc hiệu chuẩn của thiết bị đo hàm lượng dầu (trừ thiết bị báo động của thiết bị lọc dầu thuộc phạm vi áp dụng MEPC.107(49)) với sự có mặt của đăng kiểm viên hoặc kiểm tra biên bản hiệu chuẩn của thiết bị đo đó khi đã được thực hiện theo hướng dẫn của cơ sở chế tạo.
2 Ngoài các hạng mục kiểm tra quy định ở 3.1.2-2 của Phần này, phải tiến hành kiểm tra theo các hạng mục dưới đây đối với các thiết bị ngăn ngừa ô nhiễm do dầu chở xô trên các tàu dầu:
(1) Hệ thống rửa bằng dầu thô
(a) Kiểm tra các đường ống rửa bằng dầu thô lắp đặt bên ngoài các két dầu hàng, khi kết quả kiểm tra có nghi ngờ về trạng thái của chúng, phải tiến hành thử áp lực hoặc đo chiều dày ống hoặc cả hai. Phải chú ý đặc biệt đến các khu vực có miếng hàn ốp.
(b) Kiểm tra để đảm bảo rằng các van đóng của bầu hâm nước rửa dùng hơi của hệ thống rửa bằng nước ở trong trạng thái làm việc tốt.
(c) Phải đảm bảo rằng hiệu quả của hệ thống rửa bằng dầu thô thỏa mãn các yêu cầu ở 3.4 trong Phần 3 của Quy chuẩn này. Đặc biệt, phải tiến hành thử và kiểm tra theo các hạng mục quy định trong Bảng 2.2 tùy thuộc vào kiểu tàu và công dụng của két.
(2) Kiểm tra thiết bị kiểm soát và điều khiển xả dầu và hệ thống đường ống có liên quan:
(a) Phải xác nhận rằng việc lắp đặt hệ thống điều khiển và kiểm soát xả dầu là thỏa mãn và đang làm việc tốt, kể cả việc xác nhận thiết bị ngắt xả tự động hoặc bằng tay, hệ thống lấy mẫu, khóa liên động khởi động, thời gian trễ của thiết bị đo hàm lượng dầu (trong vòng 20 giây). Tuy nhiên, việc xác nhận chức năng có thể được thực hiện bằng thử giả định theo trạng thái làm việc hoặc bằng các phương pháp tương đương khác.
(b) Kiểm tra để phát hiện các khuyết tật hoặc suy giảm chức năng hoặc sự hư hỏng của hệ thống điều khiển và kiểm soát xả dầu và thiết bị đo hàm lượng dầu và nếu có tiến hành hiệu chỉnh dụng cụ đo hàm lượng dầu có sự chứng kiến của đăng kiểm viên, được tiến hành phù hợp với tài liệu hướng dẫn sử dụng và vận hành của nhà chế tạo, thì các biên bản hiệu chỉnh phải được xác nhận.
(3) Kiểm tra để xác nhận chức năng các van của từng két dầu hàng riêng biệt mà chúng được đóng kín khi tàu ở trên biển, hoặc các phương tiện đóng kín tương tự khác khi chúng được thao tác bằng tay hoặc được điều khiển từ xa.
(4) Kiểm tra để xác nhận hoạt động thỏa mãn của thiết bị xác định ranh giới dầu/nước.
3 Ngoài các hạng mục kiểm tra quy định ở 3.1.2-3 Phần này, phải tiến hành kiểm tra theo các hạng mục dưới đây đối với thiết bị ngăn ngừa ô nhiễm do các chất lỏng độc từ các tàu chở xô các chất lỏng độc gây ra.
(1) Hệ thống rửa sơ bộ
Kiểm tra để đảm bảo rằng hệ thống rửa sơ bộ có khả năng hoạt động tốt. Tuy nhiên, nếu điều này không thể thực hiện được, thì có thể xác nhận qua việc xem xét sổ nhật ký hàng.
(2) Hệ thống hút vét
Kiểm tra để đảm bảo rằng hệ thống hút vét ở trong trạng thái làm việc tốt và hệ thống làm việc có hiệu quả cùng với số nhật ký hàng.
(3) Kiểm tra để đảm bảo rằng các lỗ xả dưới đường nước là phù hợp
(4) Thiết bị để xả vào phương tiện tiếp nhận
Kiểm tra để đảm bảo rằng các thiết bị để xả vào phương tiện tiếp nhận hoạt động tốt.
(5) Hệ thống làm sạch bằng thông gió
Kiểm tra để đảm bảo rằng hệ thống làm sạch bằng thông gió hoạt động tốt.
Bảng 2.2 Thử hiệu quả của hệ thống rửa bằng dầu thô
|
Kiểu tàu |
Két |
Thử và kiểm tra |
|
1. Đối với tàu dầu thỏa mãn 3.2.4(1)(a) Phần 3 |
(1) Két dầu hàng |
Việc thử và kiểm tra yêu cầu đối với các két quy định ở 1(1) trong Bảng 2.1 phải được tiến hành ít nhất cho hai két dầu hàng. Hoạt động thử nghiệm này có thể được tiến hành trong quá trình rửa bằng dầu thô, rửa bằng nước hoặc trên đà. |
|
2. Đối với các tàu dầu không phải là tàu nêu ở 1. trên |
(1) Két dầu hàng |
i) Các yêu cầu tương tự như quy định ở 1(1) trên |
|
(2) Két dầu hàng/dằn xuất bến |
i) Các yêu cầu tương tự như quy định ở 1(1) trên ii) Xác nhận váng dầu nổi trên bề mặt của nước dằn Phải tiến hành đo tổng lượng dầu nổi trên bề mặt nước dằn xuất bến/dằn trong két dầu hàng để xác nhận rằng tỷ số về thể tích giữa lượng dầu trên toàn bộ bề mặt nước dằn xuất bến/dằn trong két dầu hàng và thể tích của két có chứa các loại nước này không vượt quá 0,00085. Biện pháp đo này có thể chỉ phải tiến hành đối với một két trong nhóm các két có kết cấu tương tự. |
|
|
(3) Két dầu hàng/dằn trong két dầu hàng |
||
|
(4) Két dầu hàng/dằn cập bến |
i) Các yêu cầu tương tự như quy định ở 1(1) trên ii) Xác định hàm lượng dầu trong nước dằn Nước dằn cập bến phải được thải toàn bộ thông qua hệ thống ghi và kiểm soát dầu thải để khẳng định rằng hàm lượng dầu của nước thải ra trong thử kiểm tra này không vượt quá 15 ppm. Biện pháp đo này có thể chỉ phải tiến hành đối với một két trong nhóm các két có két cấu tương tự. |
4 Phải tiến hành kiểm tra các hạng mục nêu ở 3.1.2-4 đối với thiết bị ngăn ngừa ô nhiễm không khí của các tàu có tổng dung tích từ 400 trở lên, các giàn khoan di động và các giàn khác.
5 Phải xác nhận rằng Kế hoạch ứng cứu ô nhiễm dầu của tàu và/hoặc Kế hoạch ứng cứu ô nhiễm biển của tàu do các chất lỏng độc đã được trang bị trên tàu và các Kế hoạch này thỏa mãn các yêu cầu của Phần 5 và Phần 6.
3.3 Kiểm tra định kỳ
3.3.1 Quy định chung
Tại mỗi đợt kiểm tra định kỳ, trạng thái chung của kết cấu và trang thiết bị liên quan phải được kiểm tra cùng với các hạng mục tương ứng được nêu ở 3.3.2 của Phần này.
3.3.2 Kiểm tra kết cấu và thiết bị
1 Công việc kiểm tra được nêu ở 3.2.2-1 Phần này phải được tiến hành đối với các trang thiết bị để ngăn ngừa ô nhiễm do dầu từ buồng máy của tất cả các tàu.
2 Công việc kiểm tra sau đây phải được tiến hành cùng với các hạng mục kiểm tra được nêu ở 3.2.2-2 Phần này đối với các thiết bị để ngăn ngừa ô nhiễm do dầu chở xô trên các tàu dầu.
(1) Két dằn cách ly
(a) Kiểm tra để đảm bảo rằng hệ thống các bơm, đường ống và van thỏa mãn với các quy định đối với hệ thống các két dằn cách ly.
(b) Kiểm tra về sự hao mòn của bơm, các ống và van.
(c) Kiểm tra để đảm bảo không có sự rò rỉ ở các đường ống dằn đi qua các két dầu hàng và ở các đường ống dầu hàng đi qua các két dằn.
(2) Hệ thống rửa bằng dầu thô
(a) Kiểm tra để đảm bảo rằng hệ thống rửa bằng dầu thô là phù hợp với các bản vẽ đã duyệt và các quy định ở 3.4 Phần 3 Quy chuẩn này. Đặc biệt, phải xác nhận các hạng mục từ (i) đến (iv) dưới đây:
(i) Mở kiểm tra các bơm.
(ii) Thử áp lực hệ thống rửa bằng dầu thô ở áp suất làm việc.
(iii) Phải đảm bảo thông qua kiểm tra bên trong các két dầu hàng để xác nhận rằng thiết bị và các dụng cụ trong các két dầu hàng làm việc tốt.
(iv) Khi được trang bị, van chặn kép để đóng hoàn toàn các đường ống nối với bầu hâm hơi nước dùng cho việc rửa bằng nước phải được mở ra để kiểm tra.
(b) Các hạng mục được nêu ở (1)(c).
(3) Lưu giữ dầu trên tàu
Kiểm tra để đảm bảo rằng các két lắng, các két dầu hàng được sử dụng làm két lắng và hệ thống đường ống phục vụ làm việc tốt và độ chính xác của thiết bị đo lưu lượng nằm trong phạm vi quy định.
(4) Hệ thống bơm, đường ống và thiết bị xả
Kiểm tra để đảm bảo rằng hệ thống bơm, đường ống và thiết bị xả để xả nước dằn bẩn hoặc nước bị lẫn dầu là thỏa mãn.
(5) Hệ thống két nước dằn sạch
Các hạng mục được nêu ở (1)(c).
3 Cùng với các hạng mục kiểm tra được nêu ở 3.2.2-3 của Phần này phải tiến hành kiểm tra các hạng mục sau đây đối với các thiết bị để ngăn ngừa việc xả các chất lỏng độc từ các tàu chở xô các chất lỏng độc.
(1) Hệ thống rửa sơ bộ
Kiểm tra sự hao mòn của bơm phục vụ hệ thống rửa, thiết bị rửa và hệ thống hâm nước rửa.
(2) Hệ thống hút vét
(a) Thử bằng nước để xác nhận lượng cặn còn lại sau khi hút vét phải được tiến hành đối với hệ thống hút vét và các bơm có liên quan bằng việc lựa chọn ít nhất hai két dầu hàng, các phép thử tương tự có thể tiến hành ở các két dầu hàng khác khi thấy cần thiết.
(b) Kiểm tra sự hao mòn của các bơm và thiết bị đường ống có liên quan.
(3) Lỗ xả dưới đường nước
Kiểm tra sự hao mòn của lỗ xả ở dưới đường nước (bao gồm các bơm, thiết bị đường ống và các van xả có liên quan).
(4) Hệ thống xả vào phương tiện tiếp nhận
Kiểm tra về sự hao mòn của các hệ thống bơm và đường ống.
(5) Hệ thống làm sạch bằng thông gió
Kiểm tra để xác nhận sự hao mòn của thiết bị thông gió và hệ thống đường ống.
4 Thiết bị ngăn ngừa ô nhiễm do nước thải của tàu phải được tiến hành kiểm tra theo các hạng mục sau đây:
(1) Đảm bảo rằng thiết bị đã được trang bị phù hợp với bản vẽ đã được duyệt.
(2) Đảm bảo rằng đường ống thải và bích nối xả tiêu chuẩn quy định ở 2.2.1 Phần 7 của Quy chuẩn này đã được trang bị phù hợp với bản vẽ đã được duyệt.
(3) Đảm bảo rằng thiết bị nêu ở (1) và các bơm liên quan nêu tới (2) ở trong trạng thái làm việc tốt.
(4) Kiểm tra độ hao mòn của các bơm và hệ thống đường ống liên quan.
5 Phải tiến hành kiểm tra các hạng mục nêu ở 3.1.2-4 đối với thiết bị ngăn ngừa ô nhiễm không khí của các tàu có tổng dung tích từ 400 trở lên, các giàn khoan di động và các giàn khác.
6 Phải xác nhận rằng Kế hoạch ứng cứu ô nhiễm dầu của tàu và/hoặc Kế hoạch ứng cứu ô nhiễm biển của tàu do các chất lỏng độc đã được trang bị ở trên tàu và thỏa mãn các quy định của Phần 5 và Phần 6.
CHƯƠNG 4 KIỂM TRA BẤT THƯỜNG
4.1 Quy định chung
4.1.1 Yêu cầu áp dụng
Các quy định trong Chương này áp dụng khi các thiết bị để ngăn ngừa ô nhiễm trên tàu được hoán cải, sửa chữa hoặc thay đổi, hoặc khi Kế hoạch ứng cứu ô nhiễm dầu của tàu và/hoặc Kế hoạch ứng cứu ô nhiễm biển của tàu do chất lỏng độc gây ra được sửa đổi.
4.1.2 Kiểm tra
Kiểm tra bất thường nêu ở 1.1.3-5(1) và (2) được tiến hành ở một mức độ hợp lý so với các yêu cầu của đợt kiểm tra định kỳ hệ thống ngăn ngừa ô nhiễm, phù hợp với công việc sửa chữa hoặc thay đổi.
PHẦN 3 KẾT CẤU VÀ TRANG THIẾT BỊ NGĂN NGỪA Ô NHIỄM DO DẦU
CHƯƠNG 1 QUY ĐỊNH CHUNG
1.1 Phạm vi áp dụng và giải thích từ ngữ
1.1.1 Yêu cầu áp dụng
1 Các quy định trong Phần này áp dụng đối với kết cấu và thiết bị ngăn ngừa ô nhiễm do dầu từ tàu gây ra.
2 Các yêu cầu ở 1.2.3 được áp dụng đối với tàu có tổng thể tích các két dầu đốt “C” như định nghĩa ở 1.2.3-3(10) từ 600 m3 trở lên như sau:
(1) Có hợp đồng đóng mới vào hoặc sau ngày 01 tháng 8 năm 2007, hoặc
(2) Trong trường hợp không có hợp đồng đóng mới, tàu có giai đoạn bắt đầu đóng mới vào hoặc sau ngày 01 tháng 02 năm 2008, hoặc
(3) Tàu được bàn giao vào hoặc sau ngày 01 tháng 8 năm 2010, hoặc
(4) Tàu hoán cải lớn:
(a) Có hợp đồng sau ngày 01 tháng 8 năm 2007, hoặc
(b) Trong trường hợp không có hợp đồng hoán cải, công việc hoán cải được bắt đầu sau ngày 01 tháng 02 năm 2008, hoặc
(c) Công việc hoán cải hoàn thành sau ngày 01 tháng 8 năm 2010.
3 Đối với các tàu dầu, được thiết kế có kết cấu để chở xô hàng lỏng trong một phần các két dầu hàng, thì các yêu cầu thích hợp áp dụng cho tàu dầu nêu ở 1.2.1, 2.3.2, 3.2.1-2(4)(b), 3.3.1-1, từ 3.3.1-3 đến 3.3.1-8 và từ 3.3.2-1 đến 3.3.2-4 của Phần này được áp dụng cho kết cấu của các khoang hàng như vậy. Tuy nhiên, khi tổng thể tích của các khoang hàng nhỏ hơn 1.000 m3, thì yêu cầu ở 3.3.1-2 có thể được áp dụng thay cho các yêu cầu ở 3.3.1-1 và từ 3.3.1-3 đến 3.3.1-8.
4 Các giàn khoan, các giàn khác dùng để thăm dò, khai thác tài nguyên khoáng sản dưới biển phải thỏa mãn các quy định áp dụng cho tàu có tổng dung tích từ 400 trở lên không phải là tàu dầu, ngoại trừ các trường hợp nêu ở (1) đến (3) sau đây. Với các kho chứa nổi, việc áp dụng các quy định cụ thể phải phù hợp với hướng dẫn và khuyến nghị nêu ở MEPC.139(53) và MEPC.142(54).
(1) Các giàn cố định trên biển, giàn di động trên biển, kho chứa nổi được trang bị, đến mức có thể được, các hệ thống thiết bị theo yêu cầu của quy định 2.2, 2.3 và 2.4 Chương 2 của Phần này;
(2) Các công trình biển này có lưu giữ các hồ sơ ghi lại tất cả các hoạt động liên quan đến việc thải dầu hoặc hỗn hợp dầu theo mẫu được Chính quyền hành chính duyệt; và
(3) Không cho phép thải ra biển dầu hoặc hỗn hợp lẫn dầu trừ khi hàm lượng dầu trong nước thải không pha loãng không vượt quá 15 phần triệu.
5 Đối với tất cả các tàu cánh ngầm, tàu đệm không khí và các tàu kiểu mới khác (các tàu lướt trên mặt biển và các tàu chạy dưới mặt biển v.v...), việc áp dụng các yêu cầu ở Chương 2 và Chương 3 liên quan tới kết cấu và thiết bị mà xét thấy không hợp lý hoặc không khả thi về kết cấu thì không phải áp dụng. Tuy nhiên, sự miễn giảm này chỉ áp dụng với điều kiện có sụ bố trí tương đương về kết cấu và thiết bị ngăn ngừa ô nhiễm của các tàu đó khi xem xét mục đích khai thác.
6 Đối với kết cấu và thiết bị ngăn ngừa ô nhiễm do dầu của các tàu không thực hiện các chuyến đi quốc tế, các yêu cầu trong Phần 3 này được áp dụng với các miễn giảm như sau:
(1) Các yêu cầu nêu ở 2.2 Phần 3 không cần áp dụng đối với các tàu không tự hành.
(2) Không cần áp dụng các yêu cầu ở 2.2.3 Phần 3.
(3) Thiết bị phải trang bị cho các tàu dầu không tự hành có tổng dung tích từ 150 trở lên và các tàu không tự hành khác không phải tàu dầu có tổng dung tích từ 400 trở lên liên quan đến các yêu cầu ở 2.4 Phần 3 có thể chỉ cần thực hiện theo 2.3.2-1(1) Phần 3.
Tuy nhiên, các yêu cầu ở 2.3 và 2.4 Phần 3 không áp dụng cho các tàu không tự hành mà về mặt kết cấu không phát sinh nước đáy tàu nhiễm dầu.
(4) Các yêu cầu ở 3.3.1-1 và 3.3.1-3 đến 3.3.1-9 Phần 3 không cần áp dụng cho tàu dầu chỉ thực hiện các chuyến đi có thời gian từ 72 giờ trở xuống và đồng thời trong phạm vi cách bờ gần nhất 50 hải lý. Tuy nhiên, tất cả các hỗn hợp có dầu phải được lưu giữ trên tàu để xả lên phương tiện tiếp nhận trên bờ và các phương tiện tiếp nhận trên bờ phải đủ để tiếp nhận các hỗn hợp có dầu này.
(5) Đối với các tàu được đóng hoặc có sống chính được đặt trước ngày 02 tháng 10 năm 1983 và các tàu có chiều dài Lf < 24 m, các yêu cầu ở 3.2.2 Phần 3 không cần áp dụng.
7 Đối với việc hoán cải từ tàu dầu một lớp vỏ sang tàu chở hàng rời, các yêu cầu có hiệu lực áp dụng vào ngày thực hiện hoán cải phải được áp dụng.
1.1.2 Thuật ngữ
1 Trong Phần này, các thuật ngữ dưới đây được hiểu như sau:
(1) "Nước dằn sạch" là nước dằn trong két mà trước đó đã chứa dầu, két này đã được làm sạch đến mức trong điều kiện tàu đứng yên, thời tiết sáng rõ, nước ngoài mạn yên lặng mà việc thải nước dằn này không tạo nên các vệt dầu có thể nhìn thấy được trên bề mặt nước biển hoặc ở sát bờ, hoặc tạo nên cặn dầu hoặc nhũ tương lắng xuống dưới mặt nước hoặc sát bờ. Nếu nước dằn được thải qua hệ thống ghi và kiểm soát dầu thải được Chính quyền mà tàu treo cờ duyệt, mà hàm lượng dầu của nước thải ra không quá 15 phần triệu thì coi đó là nước dằn sạch, mặc dù khi thải có khả năng tạo nên vết dầu nhìn thấy được.
(2) "Vùng đặc biệt" là vùng biển mà ở đó vì những lý do kỹ thuật đã được công nhận về điều kiện hải dương học và sinh thái và đặc điểm riêng về giao thông của nó mà cần quy định các phương pháp đặc biệt để ngăn ngừa ô nhiễm biển do dầu. Vùng đặc biệt được nêu trong Quy định 1.11 của Phụ lục I.
(3) "Sản lượng thải dầu tức thời" là sản lượng thải dầu tính bằng lít trong một giờ ở bất kỳ thời điểm nào chia cho tốc độ tàu tính bằng hải lý/giờ tại thời điểm đó.
(4) "Két" là một không gian kín được tạo nên bởi các kết cấu cố định của tàu và được thiết kế để chở xô hàng lỏng.
(5) "Két mạn" là két bất kỳ tiếp giáp với tôn mạn của tàu.
(6) "Két trung tâm" là két bất kỳ nằm giữa các vách dọc.
(7) "Két lắng" là một két riêng biệt được thiết kế để gom nước thải từ két dầu hàng, nước rửa két và các hỗn hợp có lẫn dầu khác.
1.2 Yêu cầu chung
1.2.1 Quy định hạn chế đối với các két dầu
1 Đối với các tàu có tổng dung tích từ 400 trở lên, không được bố trí két dầu trong khoang phía trước khoang mút mũi hoặc trước vách chống va.
2 Đối với các tàu có tổng dung tích từ 4.000 trở lên không phải là tàu dầu và các tàu dầu có tổng dung tích từ 150 trở lên, đường ống dầu đốt bao gồm cả các két dầu đốt phải được tách biệt khỏi đường ống nước dằn. Tuy nhiên, tàu phải chứa nước dằn trong các két dầu đốt trống để duy trì ổn định và an toàn có thể được miễn giảm yêu cầu này.
3 Các tàu không phải là tàu được nêu ở -1 và -2 trên phải thỏa mãn các yêu cầu ở -1 và -2 trên đến mức hợp lý và có thể thực hiện được.
1.2.2 Sổ nhật ký dầu
1 Tàu dầu có tổng dung tích từ 150 trở lên và tàu không phải là tàu dầu có tổng dung tích từ 400 trở lên phải được trang bị một sổ nhật ký dầu để ghi lại các công việc liên quan đến các hoạt động sau:
(1) Các hoạt động trong buồng máy
(a) Chứa dằn vào két dầu đốt hoặc làm sạch các két dầu đốt;
(b) Xả nước dằn bẩn hoặc nước vệ sinh các két dầu đốt;
(c) Thu gom và xả bỏ cặn dầu (cặn bẩn);
(d) Xả qua mạn hay các loại xả bỏ khác nước đáy tàu lẫn dầu được tích tụ trong buồng máy;
(e) Bơm nạp dầu đốt hoặc dầu bôi trơn.
(2) Các hoạt động làm hàng/dằn đối với tàu dầu
(a) Bơm dầu hàng xuống tàu;
(b) Bơm chuyển nội bộ dầu hàng trên đường hành trình;
(c) Bơm dầu hàng ra khỏi tàu;
(d) Dằn các két dầu hàng và các két nước dằn sạch;
(e) Làm sạch két dầu hàng bao gồm cả việc rửa bằng dầu thô;
(f) Xả nước dằn trừ việc xả nước dằn từ két cách ly;
(g) Xả nước từ các két lắng;
(h) Đóng tất cả các van hoặc các thiết bị tương tự khác sau các hoạt động xả két lắng;
(i) Đóng tất cả các van cần thiết để cách ly két dằn sạch khỏi các két hàng và các đường tẩy rửa sau các hoạt động xả két lắng;
(j) Thải bỏ cặn dầu.
1.2.3 Bảo vệ két dầu đốt
1 Đối với các tàu có tổng thể tích các két dầu đốt loại “C” như định nghĩa ở 1.2.3-3(10) từ 600 m3 trở lên, vị trí của các két dầu đốt phải thỏa mãn các quy định -4 đến -10 dưới đây. Bất kể các quy định nêu trên, các két dầu đốt nhỏ như định nghĩa -3(9) không cần thiết phải áp dụng các quy định -4 đến -10 với điều kiện tổng thể tích của các két nhỏ này không vượt quá 600 m3.
2 Việc áp dụng những quy định của điều này khi xác định vị trí của các két chở dầu đốt không ảnh hưởng đến các quy định của 3.2.4 Phần 3.
3 Trong quy định này, các thuật ngữ dưới đây được hiểu như sau:
(1) “Chiều chìm thiết kế (ds)” là khoảng cách thẳng đứng, tính bằng mét, từ đường cơ sở lý thuyết tại giữa chiều dài tàu đến đường nước tương ứng với mạn khô mùa hè được ấn định của tàu.
(2) "Chiều chìm không tải" là chiều chìm lý thuyết tại giữa tàu tương ứng với khối lượng tàu không.
(3) “Chiều chìm trọng tải một phần (dp)” là chiều chìm không tải cộng với 60% chênh lệch giữa chiều chìm không tải và chiều chìm thiết kế ds. Chiều chìm trọng tải một phần dp được tính bằng mét.
(4) “Đường nước (dB)” là khoảng cách thằng đứng, tính bằng mét, từ đường cơ sở lý thuyết tại giữa chiều dài tàu đến đường nước tương ứng với 30% chiều cao (Ds).
(5) “Chiều rộng (BS)” là chiều rộng lý thuyết lớn nhất của tàu, tính bằng mét, tại hoặc thấp hơn chiều chìm thiết kế lớn nhất (ds).
(6) “Chiều rộng (BB)” là chiều rộng lý thuyết lớn nhất của tàu, tính bằng mét, tại hoặc thấp hơn đường nước (dB).
(7) “Chiều cao (Ds)” là chiều cao lý thuyết, tính bằng mét, được đo tại giữa chiều dài tàu tới boong cao nhất tại mạn. Boong cao nhất trong nội dung này là boong cao nhất mà các vách ngang kín nước kéo tới, trừ vách mút đuôi.
(8) “Két dầu đốt” là két mà trong đó dầu đốt được chở nhưng trừ các két có chứa dầu đốt không dùng cho các hoạt động bình thường, ví dụ như két dầu tràn.
(9) “Két dầu đốt nhỏ” là một két dầu đốt có thể tích lớn nhất không lớn hơn 30 m3.
(10) “C” là tổng thể tích các két dầu đốt của tàu, bao gồm cả các két dầu đốt nhỏ, tính bằng m3, ở trạng thái chứa đầy 98%.
(11) “Dung tích két dầu đốt” là thể tích của một két, tính bằng m3, ở trạng thái chứa đầy 98%.
4 Dung tích của mỗi két dầu đốt không được vượt quá 2.500 m3.
5 Đối với các tàu không phải là giàn khoan tự nâng, các két dầu đốt phải được bố trí ở phía trên đường lý thuyết của tấm tôn đáy ít nhất một khoảng h như sau đây. Trong vùng lượn hông và tại các vị trí có vùng lượn không được xác định rõ ràng, đường bao của két dầu đốt phải được chạy song song với đường đáy phẳng giữa tàu như Hình 3.1.
h = B/20 (m) hoặc
h = 2,0 (m), lấy giá trị nào nhỏ hơn.
Giá trị tối thiểu h = 0,76 (m)

Hình 3.1 Đường bao két dầu đốt (đáy)
6 Đối với các tàu có tổng thể tích két dầu đốt bằng 600 m3 hoặc lớn hơn nhưng không quá 5.000 m3, các két dầu đốt phải được bố trí phía bên trong đường lý thuyết của tôn mạn một đoạn không nhỏ hơn w, xem Hình 3.2, được đo tại mặt cắt bất kỳ theo phương vuông góc với tôn mạn như sau:
w = 0,4 + 2,4C/20.000 (m)
Giá trị nhỏ nhất của w = 1,0 (m), tuy nhiên đối với các két dầu đốt riêng lẻ có tổng thể tích các két dầu đốt nhỏ hơn 500 m3, giá trị nhỏ nhất là 0,76 (m).

Hình 3.2 Đường bao két dầu đốt (khu vực lượn hông)
7 Đối với các tàu có tổng thể tích két dầu đốt từ 5.000 m3 trở lên, các két dầu đốt phải được bố trí phía trong đường lý thuyết của tôn vỏ mạn một đoạn không nhỏ hơn w, xem Hình 3.2, được đo tại mặt cắt bất kỳ theo phương vuông góc với tôn mạn như sau:
w = 0,5 + C/20.000 (m) hoặc
w = 2,0 (m), lấy giá trị nào nhỏ hơn
Giá trị nhỏ nhất của w= 1,0 (m)
8 Các đường ống dầu đốt được bố trí ở khoảng cách cách đáy tàu một đoạn nhỏ hơn h, như định nghĩa ở -5, hoặc cách mạn tàu một đoạn nhỏ hơn w, như định nghĩa ở -6 và -7, phải được lắp đặt các van hoặc thiết bị đóng tương tự khác trong hoặc ngay cạnh két dầu đốt phù hợp với các yêu cầu từ (1) đến (3) dưới đây. Các van này phải có khả năng điều khiển hoạt động được từ buồng khép kín luôn tiếp cận được, có vị trí mà từ buồng lái hoặc vị trí điều khiển máy có thể đến được không cần đi qua boong mạn khô hở hay các boong thượng tầng hở. Các van này phải tự đóng khi hệ thống điều khiển từ xa bị hỏng (đóng khi bị sự cố) và luôn giữ ở vị trí thường đóng khi két có chứa dầu khi tàu trên biển, trừ những lúc chúng có thể mở trong quá trình chuyển dầu.
(1) Các van của các két dầu đốt được bố trí phù hợp với quy định ở 1.2.3-5, -6 hoặc -7 có thể được thực hiện tương tự như các thực hiện đối với các giếng hút nêu ở 1.2.3-9 (xem Hình 3.2.1).
(2) Các van của các két dầu đốt mà vị trí của chúng tuân thủ theo 1.2.3-10 có thể được đặt ở khoảng cách nhỏ hơn khoảng cách h (như nêu ở 1.2.3-5) hoặc khoảng cách w (như nêu ở 1.2.3-6 hoặc -7) tính tương ứng từ đáy tàu hoặc mạn tàu.
(3) Trong mọi trường hợp, các van này phải được lắp đặt ngay sát các két dầu đốt.

Hình 3.2.1
9 Các giếng hút khô trong két dầu đốt có thể được làm nhô vào khu vực đáy đôi dưới đường bao được xác định bởi khoảng cách h với điều kiện các giếng này càng nhỏ càng tốt và khoảng cách giữa đáy giếng và tôn đáy không nhỏ hơn 0,5h.
10 Bất kể các quy định nêu từ -5 đến -7, các két dầu đốt có thể được bố trí tới tận vùng biên của tôn vỏ ngoài của tàu, với điều kiện tàu thỏa mãn tiêu chuẩn tính năng lượng dầu tràn ngẫu nhiên như quy định sau đây:
(1) Mức độ bảo vệ chống ô nhiễm dầu đốt trong trường hợp đâm va hoặc mắc cạn được đánh giá trên cơ sở tham số lượng dầu tràn trung bình (OM) như sau:
OM ≤ 0,0157 -1,14.10-8.C với 600 ≤ C < 5.000 (m3)
OM ≤ 0,010 với C ≥ 5.000 (m3)
Trong đó:
OM: Tham số lượng dầu trung bình;
C: Tổng thể tích két dầu đốt, tính bằng m3, chứa đầy 98%.
(2) Các giả định chung sau đây được áp dụng khi tính toán tham số lượng dầu tràn trung bình quy định ở (1) trên.
(a) Tàu được giả định chất tải đến chiều chìm trọng tài một phần (dP) không bị chúi hoặc nghiêng.
(b) Tất cả các két dầu đốt phải được giả định chứa đến 98% tổng dung tích của két.
(c) Khối lượng riêng danh nghĩa của dầu đốt (ρn) thông thường được lấy bằng 1.000 kg/m3. Nếu khối lượng riêng của dầu đốt được khống chế với giá trị thấp hơn, thì lấy giá trị đó.
(d) Nhằm mục đích tính toán lượng dầu tràn, hệ số ngập nước của mỗi két dầu đốt được lấy bằng 0,99, trừ khi được chứng minh khác đi.
(3) Các giả định sau đây phải được sử dụng khi kết hợp các tham số dầu tràn.
(a) Tham số lượng dầu tràn trung bình phải được tính toán độc lập đối với hư hỏng mạn và hư hỏng đáy và sau đó kết hợp vào trong tham số lượng dầu tràn không thứ nguyên "OM" như sau:
OM = (0,4.OMS + 0,6.OMB)/C
Trong đó:
OMS: Lượng dầu tràn trung bình khi hư hỏng mạn (m3);
OMB: Lượng dầu tràn trung bình khi hư hỏng đáy (m3).
(b) Đối với hư hỏng đáy, các tính toán độc lập cho lượng dầu tràn trung bình phải được thực hiện ở các trạng thái thủy triều 0 m và âm 2,5 m và sau đó được kết hợp như sau:
OMB = 0,7.OMB(0) + 0,3.OMB(2.5)
Trong đó:
OMB(0): Lượng dầu tràn trung bình ở trạng thái thủy triều 0 m (m3);
OMB(2,5) : Lượng dầu tràn trung bình ở trạng thái thủy triều âm 2,5 m (m3).
(4) Lượng dầu tràn trung bình OMS đối với hư hỏng mạn được tính toán như sau:
(m3)
Trong đó:
i: Số thứ tự của mỗi két dầu đốt đang xét;
n: Tổng số các két dầu đốt;
PS(i): Xác suất thùng két dầu đốt thứ i do hư hỏng mạn, được tính toán phù hợp với (6);
OS(i): Lượng dầu tràn, tính bằng (m3), do hư hỏng mạn két dầu đốt thứ i, được giả định bằng tổng thể tích két dầu đốt thứ i chứa đầy 98%.
(5) Lượng dầu tràn trung bình đối với hư hỏng đáy được tính toán cho mỗi trạng thái thủy triều như sau:
(a)
(m3)
Trong đó:
i: Số thứ tự của mỗi két dầu đốt đang xét;
n: Tổng số các két dầu đốt;
PB(l): Xác suất thủng két dầu đốt thứ i do hư hỏng đáy, được tính toán phù hợp với (7);
OB(i): Lượng dầu tràn, tính bằng (m3), do hư hỏng mạn két dầu đốt i, được tính toán phù hợp với (c) và (d);
CDB(i): Hệ số để tính lượng dầu được giữ lại như định nghĩa ở (e).
b)
(m3)
Trong đó:
i, n, PB(i) và CDB(i): Như định nghĩa ở (a);
OB(i): Lượng dầu tràn từ két dầu đốt thứ i, tính bằng m3 sau khi thủy triều thay đổi.
(c) Lượng dầu tràn OB(i) đối với mỗi két dầu đốt được tính dựa trên nguyên tắc cân bằng áp suất, phù hợp với các giả định sau đây:
(i) Tàu được giả định mắc cạn với độ nghiêng và chúi bằng 0, với chiều chìm mắc cạn trước khi thủy triều thay đổi bằng chiều chìm trọng tải một phần dp.
(ii) Mức dầu đốt sau khi hư hỏng phải được tính như sau:
hF = {(ds + tc - Zl)ρs}/ ρn
Trong đó:
hF: Chiều cao của bề mặt dầu đốt trên zl(m);
tc: Mức thủy triều thay đổi, tính bằng m. Mức giảm thủy triều được biểu thị bằng giá trị âm;
Zl: Chiều cao của điểm thấp nhất trong két dầu đốt trên đường cơ sở, (m);
ρs: Khối lượng riêng của nước biển, lấy bằng 1.025 kg/m3;
ρn: Khối lượng riêng của dầu đốt, như định nghĩa ở (2)(c).
(d) Lượng dầu tràn OB(l) đối với két bất kỳ bao bởi tôn đáy tàu phải được lấy không nhỏ hơn theo công thức sau đây, nhưng không được lớn hơn dung tích két.
OB(i) = Hw.A
Hw được lấy như sau:
(i) Hw = 1,0 (m) với YB = 0.
(ii) Hw = BB/50 nhưng không lớn hơn 0,4 m, khi YB lớn hơn BB/5 hoặc 11,5 m, lấy giá trị nào nhỏ hơn. Khi giá trị YB nằm ngoài BB/5 hoặc 11,5 m, lấy giá trị nào nhỏ hơn, Hw được tính theo phương pháp nội suy tuyến tính (xem Hình 3.3).
(iii) "Hw" được đo thẳng đứng lên trên từ mặt phẳng tôn đáy giữa tàu. Trong vùng lượn hông và tại các vị trí không có độ lượn rõ ràng, Hw được đo từ đường song song tới tấm tôn đáy giữa tàu, như khoảng cách “h” trong Hình 3.1.
YB: Giá trị nhỏ nhất YB trên toàn bộ chiều dài két dầu đốt, khi tại vị trí đã định bất kỳ, YB là khoảng cách ngang giữa tôn mạn tại đường nước dB và két tại hoặc dưới đường nước dB.
A: Diện tích mặt cắt ngang lớn nhất của két dầu đốt ở độ cao Hw tính từ đáy két.
(e) Trong trường hợp hư hỏng đáy, một phần lượng dầu tràn từ két dầu đốt có thể được giữ lại bởi các khoang không chứa dầu. Ảnh hưởng này được tính gần đúng bằng việc sử dụng hệ số CDB(i) cho mỗi két hàng như sau:
CDB(i) = 0,6 đối với két dầu dầu đốt được bao phía dưới bởi các khoang không chứa dầu;
CDB(i) = 1,0 đối với các két dầu đốt khác.

Hình 3.3 Giá trị liên quan đến lượng dầu tràn tối thiểu
(6) Xác suất PS thủng một khoang do hư hỏng mạn được tính như sau:
PS = PSL.PSV.PST
Trong đó:
PSL = 1 - PSf - PSa: Xác suất hư hỏng mở rộng theo vùng dọc được bao bởi Xa và Xf;
PSV = 1 - PSu - PSl: Xác suất hư hỏng mở rộng theo vùng thẳng đứng được bao bởi Zf và ZU;
PST = 1 - PSy: Xác suất hư hỏng mở rộng theo phương ngang về phía bên kia của đường biên được xác định bởi y;
PSa, PSf, PSl, và PSu: Những xác suất được định nghĩa dưới đây và được xác định bằng nội suy tuyến tính từ bảng xác suất do hư hỏng mạn nêu trong Bảng 3.1;
PSa: Xác suất hư hỏng nằm toàn bộ phía sau vị trí Xa / Lf;
PSf: Xác suất hư hỏng nằm toàn bộ phía trước vị trí Xf / Lf;
PSI: Xác suất hư hỏng nằm toàn bộ phía dưới két;
PSu: Xác suất hư hỏng nằm toàn bộ phía trên két;
PSy: Xác suất hư hỏng nằm toàn bộ phía ngoài mạn két. PSy được tính toán như sau đây. Tuy nhiên, không PSy được lấy giá trị lớn hơn 1.
PSy = (24,96 - 199,6y/BS)(y/BS) với y/BS ≤ 0,05
PSy = 0,749 + {5 - 44,4(y/BS - 0,05)}(y / Bs - 0,05) với 0,05 < y / BS < 0,1
PSy = 0,888 + 0,56(y/Bs -0,1) với y/BS ≥ 0,1
Xa: Khoảng cách dọc tính từ mút đuôi Lf đến điểm sau cùng của khoang đang xét (m);
Xf: Khoảng cách dọc tính từ mút đuôi Lf đến điểm xa nhất về phía mũi của khoang đang xét (m);
zl: Khoảng cách thẳng đứng tính từ đường cơ sở lý thuyết đến điểm thấp nhất của khoang đang xét (m). Nếu zl lớn hơn Ds thì lấy Zl bằng DS;
Zu: Khoảng cách thẳng đứng tính từ đường cơ sở lý thuyết đến điểm cao nhất của khoang đang xét (m). Nếu Zu lớn hơn Ds thì lấy Zu bằng Ds;
y: Khoảng cách nằm ngang tối thiểu được đo vuông góc với đường tâm tàu giữa khoang đang xét và tôn mạn tàu (m). Trong vùng lượn hông, y không cần xét đến dưới đoạn h nằm trên đường cơ bản, khi h nhỏ hơn B/10, 3 m hoặc đỉnh của két.
(7) Xác suất PB thủng một khoang do hư hỏng đáy được tính như sau:
PB = PBL.PBT.PBV
Trong đó:
PBL = 1-PBf - PBa: Xác suất hư hỏng mở rộng theo vùng dọc được bao bởi Xa và Xf;
PBL = 1 - PBp - PBs: Xác suất hư hỏng mở rộng theo vùng ngang được bao bởi YP và YS;
PBV = 1 - PBz: Xác suất hư hỏng mở rộng theo phương thẳng đứng phía trên đường biên được xác định bởi z.
PBa, PBf, PBp và PBs: Những xác suất được định nghĩa dưới đây và được xác định bằng nội suy tuyến tính từ bảng xác suất do hư hỏng mạn nêu trong Bảng 3.2.
PBa: Xác suất hư hỏng nằm toàn bộ phía sau vị trí Xa / Lf;
PBf: Xác suất hư hỏng nằm toàn bộ phía trước vị trí Xf / Lf;
PBp: Xác suất hư hỏng nằm toàn bộ phía mạn trái của két;
PBS: Xác suất hư hỏng nằm toàn bộ phía mạn phải của két.
PBz: Xác suất hư hỏng nằm toàn bộ phía dưới két. PBz được tính toán như sau đây. Tuy nhiên, PBs không được lấy giá trị lớn hơn 1.
PBz = (14,5 - 67z/Ds)(z/Ds) với z/Ds ≤ 0,1
PBz = 0,78 + 1,1(z/Ds - 0,1) với z/Ds > 0,1
Yp: Khoảng cách ngang tính từ điểm xa nhất về phía mạn trái của khoang có vị trí nằm tại hoặc dưới đường nước dB, đến mặt phẳng thẳng đứng cách đường tâm tàu một khoảng BB/2 về phía mạn phải, (m).
Ys: Khoảng cách ngang từ điểm xa nhất phía mạn phải của khoang có vị trí nằm tại hoặc dưới đường nước dB, đến mặt phẳng thẳng đứng cách đường tâm tàu một khoảng BB/2 về phía mạn phải, (m).
z: Giá trị nhỏ nhất của z trên chiều dài của khoang, trong đó tại vị trí dọc bất kỳ được nêu, z là khoảng cách thẳng đứng tính từ điểm thấp hơn của tôn đáy tại vị trí dọc đến điểm thấp hơn của khoang tại vị trí dọc đó (m).
Xa và Xf được xác định ở (6).
(8) Nhằm mục đích cho bảo dưỡng và kiểm tra, két dầu đốt bất kỳ không tiếp giáp với tôn vỏ ngoài phải được bố trí cách tôn đáy một khoảng tối thiểu h như ở -5 và cách tôn mạn khoảng tối thiểu w như ở -6 và -7.
Bảng 3.1 Xác suất đối với hư hỏng mạn
|
Xa/Lf |
PSa |
|
Xf / Lf |
PSf |
|
Zl / DS |
PSl |
|
Zu / DS |
PSu |
|
0,00 |
0,000 |
|
0,00 |
0,967 |
|
0,00 |
0,000 |
|
0,00 |
0,968 |
|
0,05 |
0,023 |
|
0,05 |
0,917 |
|
0,05 |
0,000 |
|
0,05 |
0,952 |
|
0,10 |
0,068 |
|
0,10 |
0,867 |
|
0,10 |
0,001 |
|
0,10 |
0,931 |
|
0,15 |
0,117 |
|
0,15 |
0,817 |
|
0,15 |
0,003 |
|
0,15 |
0,905 |
|
0,20 |
0,167 |
|
0,20 |
0,767 |
|
0,20 |
0,007 |
|
0,20 |
0,873 |
|
0,25 |
0,217 |
|
0,25 |
0,717 |
|
0,25 |
0,013 |
|
0,25 |
0,836 |
|
0,30 |
0,267 |
|
0,30 |
0,667 |
|
0,30 |
0,021 |
|
0,30 |
0,789 |
|
0,35 |
0,317 |
|
0,35 |
0,617 |
|
0,35 |
0,034 |
|
0,35 |
0,733 |
|
0,40 |
0,367 |
|
0,40 |
0,567 |
|
0,40 |
0,055 |
|
0,40 |
0,670 |
|
0,45 |
0,417 |
|
0,45 |
0,517 |
|
0,45 |
0,085 |
|
0,45 |
0,599 |
|
0,50 |
0,467 |
|
0,50 |
0,467 |
|
0,50 |
0,123 |
|
0,50 |
0,525 |
|
0,55 |
0,517 |
|
0,55 |
0,417 |
|
0,55 |
0,172 |
|
0,55 |
0,452 |
|
0,60 |
0,567 |
|
0,60 |
0,367 |
|
0,60 |
0,226 |
|
0,60 |
0,383 |
|
0,65 |
0,617 |
|
0,65 |
0,317 |
|
0,65 |
0,285 |
|
0,65 |
0,317 |
|
0,70 |
0,667 |
|
0,70 |
0,267 |
|
0,70 |
0,347 |
|
0,70 |
0,255 |
|
0,75 |
0,717 |
|
0,75 |
0,217 |
|
0,75 |
0,413 |
|
0,75 |
0,197 |
|
0,80 |
0,767 |
|
0,80 |
0,167 |
|
0,80 |
0,482 |
|
0,80 |
0,143 |
|
0,85 |
0,817 |
|
0,85 |
0,117 |
|
0,85 |
0,553 |
|
0,85 |
0,092 |
|
0,90 |
0,867 |
|
0,90 |
0,068 |
|
0,90 |
0,626 |
|
0,90 |
0,046 |
|
0,95 |
0,917 |
|
0,95 |
0,023 |
|
0,95 |
0,700 |
|
0,95 |
0,013 |
|
1,00 |
0,967 |
|
1,00 |
0,000 |
|
1,00 |
0,775 |
|
1,00 |
0,000 |
Bảng 3.2 Xác suất đối với hư hỏng đáy
|
Xa / Lf |
PBa |
|
Xf / Lf |
PBf |
|
Yp / BB |
PBp |
|
Ys / BB |
PBs |
|
0,00 |
0,000 |
|
0,00 |
0,968 |
|
0,00 |
0,844 |
|
0,00 |
0,000 |
|
0,05 |
0,002 |
|
0,05 |
0,953 |
|
0,05 |
0,794 |
|
0,05 |
0,009 |
|
0,10 |
0,008 |
|
0,10 |
0,936 |
|
0,10 |
0,744 |
|
0,10 |
0,032 |
|
0,15 |
0,017 |
|
0,15 |
0,916 |
|
0,15 |
0,694 |
|
0,15 |
0,063 |
|
0,20 |
0,029 |
|
0,20 |
0,894 |
|
0,20 |
0,644 |
|
0,20 |
0,097 |
|
0,25 |
0,042 |
|
0,25 |
0,870 |
|
0,25 |
0,594 |
|
0,25 |
0,133 |
|
0,30 |
0,058 |
|
0,30 |
0,842 |
|
0,30 |
0,544 |
|
0,30 |
0,171 |
|
0,35 |
0,076 |
|
0,35 |
0,810 |
|
0,35 |
0,494 |
|
0,35 |
0,211 |
|
0,40 |
0,096 |
|
0,40 |
0,775 |
|
0,40 |
0,444 |
|
0,40 |
0,253 |
|
0,45 |
0,119 |
|
0,45 |
0,734 |
|
0,45 |
0,394 |
|
0,45 |
0,297 |
|
0,50 |
0,143 |
|
0,50 |
0,687 |
|
0,50 |
0,344 |
|
0,50 |
0,344 |
|
0,55 |
0,171 |
|
0,55 |
0,630 |
|
0,55 |
0,297 |
|
0,55 |
0,394 |
|
0,60 |
0,203 |
|
0,60 |
0,563 |
|
0,60 |
0,253 |
|
0,60 |
0,444 |
|
0,65 |
0,242 |
|
0,65 |
0,489 |
|
0,65 |
0,211 |
|
0,65 |
0,494 |
|
0,70 |
0,289 |
|
0,70 |
0,413 |
|
0,70 |
0,171 |
|
0,70 |
0,544 |
|
0,75 |
0,344 |
|
0,75 |
0,333 |
|
0,75 |
0,133 |
|
0,75 |
0,594 |
|
0,80 |
0,409 |
|
0,80 |
0,252 |
|
0,80 |
0,097 |
|
0,80 |
0,644 |
|
0,85 |
0,482 |
|
0,85 |
0,170 |
|
0,85 |
0,063 |
|
0,85 |
0,694 |
|
0,90 |
0,565 |
|
0,90 |
0,089 |
|
0,90 |
0,032 |
|
0,90 |
0,744 |
|
0,95 |
0,658 |
|
0,95 |
0,026 |
|
0,95 |
0,009 |
|
0,95 |
0,794 |
|
1,00 |
0,761 |
|
1,00 |
0,000 |
|
1,00 |
0,000 |
|
1,00 |
0,844 |
1.2.4 Kế hoạch chuyển tải dầu trên biển
1 Đối với các tàu dầu có tổng dung tích từ 150 trở lên tham gia chuyển tải dầu hàng giữa các tàu dầu trên biển, Kế hoạch chuyển tải dầu trên biển phải được trang bị ở trên tàu. Bản kế hoạch này phải được viết bằng ngôn ngữ làm việc của thuyền trưởng và các sỹ quan của tàu. Đối với tàu hoạt động tuyến quốc tế, nếu ngôn ngữ sử dụng trong bản kế hoạch này không phải là tiếng Anh thì phải có bản dịch sang tiếng Anh đính kèm.
2 Hoạt động chuyển tải dầu hàng phải được ghi vào Sổ nhật ký dầu hoặc sổ nhật ký khác mà Đăng kiểm thấy phù hợp. Bản ghi này phải được lưu giữ trên tàu tối thiểu 3 năm.
3 Kế hoạch chuyển tải dầu trên biển nêu ở -1 trên phải được Đăng kiểm duyệt và được lập dựa trên các hướng dẫn sau:
(1) Phần I - Phòng ngừa, Sổ tay về ô nhiễm dầu (Manual on Oil Pollution) của IMO;
(2) Hướng dẫn chuyển tải giữa các tàu xăng dầu, phiên bản thứ 4 của ICS và OCIMF1.2.5 Các yêu cầu đặc biệt đối với việc sử dụng hoặc vận chuyển dầu trong vùng Nam Cực
1 Trừ trường hợp ngoại lệ đối với các tàu làm nhiệm vụ đảm bảo an toàn cho các tàu hoặc tham gia hoạt động tìm kiếm cứu nạn, không được vận chuyển dạng xô dầu hàng, sử dụng như là nước dằn hay vận chuyển và sử dụng làm dầu đốt đối với các dầu dưới đây.
(1) Dầu thô có khối lượng riêng ở 15oC cao hơn 900 kg/m3;
(2) Các dầu không phải dầu thô có khối lượng riêng ở 15°C cao hơn 900 kg/m3 hoặc độ nhớt động học ở 50°C cao hơn 180 mm2/s; hoặc
(3) Bitum, nhựa đường và nhũ tương của chúng không được phép chở trong khu vực Nam Cực (được định nghĩa ở Quy định 1.11.7 của Phụ lục I). Tuy nhiên, khi các hoạt động trước đây đã bao gồm vận chuyển hoặc sử dụng bất kỳ loại dầu nào được nêu ở trên thì không yêu cầu làm sạch và tẩy rửa các két hoặc đường ống.
CHƯƠNG 2 TRANG THIẾT BỊ NGĂN NGỪA Ô NHIỄM DO DẦU TỪ BUỒNG MÁY
2.1 Quy định chung
2.1.1 Yêu cầu áp dụng
Các quy định trong Chương này áp dụng cho kết cấu và thiết bị ngăn ngừa ô nhiễm do dầu hoặc hỗn hợp dầu từ buồng máy của tất cả các tàu.
2.2 Chứa và xả cặn dầu
2.2.1 Thể tích két dầu cặn
1 Tàu có tổng dung tích từ 400 trở lên phải được trang bị một hoặc nhiều két có dung tích thích hợp để chứa cặn dầu. Thể tích của một hoặc các két đó phải lớn hơn thể tích nhỏ nhất được nêu ở (1) hoặc (2) dưới đây.
(1) Thể tích nhỏ nhất V1 của két của các tàu không chứa nước dằn trong các két dầu đốt:
V1 = K1 C D (m3)
Trong đó:
K1 = 0,015: Đối với dầu đốt nặng cần phải được làm sạch trước khi cấp vào máy chính để sử dụng.
K1 = 0,005: Đối với dầu điêzen hoặc dầu nặng không cần phải làm sạch.
C: Lượng dầu đốt tiêu thụ trong một ngày (tấn/ngày). Trong đó, động cơ được tính là máy chính (lượng dầu đốt tiêu thụ tại công suất liên tục lớn nhất) và các động cơ phụ (lượng dầu đốt tiêu thụ của một nửa trong số các máy phụ hoạt động ở công suất liên tục lớn nhất). Số giờ hoạt động trong một ngày của các động cơ được tính như sau:
- Đối với tàu hoạt động tuyến quốc tế và các tàu cấp không hạn chế hoặc hạn chế II: 24 giờ.
- Đối với tàu không hoạt động tuyến quốc tế cấp hạn chế III: 16 giờ.
D: Số ngày hành trình lâu nhất giữa các cảng mà ở đó cặn dầu có thể được xả lên bờ (khi không có số liệu chi tiết, lấy bằng 30 ngày đối với tàu hoạt động tuyến quốc tế, 6 ngày đối với tàu không hoạt động tuyến quốc tế cấp hạn chế II và 4 ngày đối với tàu không hoạt động tuyến quốc tế cấp hạn chế III).
(2) Thể tích nhỏ nhất V2 của két ở tàu có chứa nước dằn trong các két dầu đốt:
V2 = V1 + K2B (m3)
Trong đó:
V1: Thể tích két được xác định hoặc theo (1) nêu trên;
K2 = 0,01: Khi nước dằn được chứa trong các két dầu nặng;
K2 = 0,005: Khi nước dằn được chứa trong các két dầu điêzen.
B: Dung lượng của các két dầu đốt (tấn) được dùng làm két nước dằn.
2 Bất kể các yêu cầu nêu ở -1 trên, các tàu mà dự định chỉ xả toàn bộ nước đáy tàu lẫn dầu vào phương tiện tiếp nhận nêu ở 2.4.2-2, thì các két dầu cặn có thể được thay bằng két giữ nước đáy tàu nhiễm dầu.
3 Bất kể các quy định ở -1 trên, đối với tàu có hợp đồng đóng mới được ký (hoặc trong trường hợp không có hợp đồng đóng mới, tàu có giai đoạn bắt đầu đóng mới) vào trước ngày 01 tháng 7 năm 2010, thể tích của một hoặc các két dầu cặn phải lớn hơn tổng thể tích nhỏ nhất của từng két được nêu ở (1) và (2) dưới đây.
(1) Thể tích nhỏ nhất của một két để chứa cặn dầu do làm sạch dầu đốt và dầu bôi trơn phải là V1 hoặc V2 nêu ở (a) đến (c) sau đây:
(a) Thể tích nhỏ nhất V1 của két của các tàu không chứa nước dằn trong các kết dầu đốt và có giai đoạn bắt đầu đóng mới trước ngày 31 tháng 12 năm 1990:
V1 = K1 C D (m3)
Trong đó:
K1 = 0,01: Đối với dầu đốt nặng cần phải được làm sạch trước khi cấp vào máy chính để sử dụng.
K1 = 0,005: Đối với dầu điêzen hoặc dầu nặng không cần phải làm sạch.
C: Lượng dầu đốt tiêu thụ trong một ngày (tấn/ngày).
D: Số ngày hành trình lâu nhất giữa các cảng mà ở đó cặn dầu có thể được xả lên bờ (khi không có số liệu chi tiết, lấy bằng 30 hoặc lớn hơn).
Tuy nhiên, khi tàu được trang bị thiết bị đồng thể hóa, thiết bị đốt cặn dầu hoặc thiết bị loại bỏ cặn được Đăng kiểm chấp nhận, có thể sử dụng các giá trị sau đây:
V1 = 1 (m3): Đối với tàu có tổng dung tích từ 400 trở lên nhưng nhỏ hơn 4.000.
V1 = 2 (m3): Đối với những tàu có tổng dung tích từ 4.000 trở lên.
(b) Thể tích nhỏ nhất V1 của két ở các tàu không chứa nước dằn trong các két dầu đốt và có giai đoạn bắt đầu đóng mới vào hoặc sau ngày 31 tháng 12 năm 1990:
V1 = K1 C D (m3)
Trong đó:
K1 = 0,015: Đối với dầu nặng cần phải làm sạch trước khi cấp vào máy chính để sử dụng;
K1 = 0,005: Đối với dầu điêzen hoặc dầu nặng không cần làm sạch;
C: Lượng dầu đốt tiêu thụ trong một ngày đêm (tấn/ngày);
D: Số ngày hành trình lâu nhất giữa các cảng mà ở đó cặn dầu có thể được xả lên bờ (khi không có số liệu chi tiết, lấy bằng 30 hoặc lớn hơn).
Tuy nhiên, khi tàu được trang bị thiết bị làm đồng thể hóa, thiết bị đốt cặn hoặc thiết bị loại bỏ cặn được Đăng kiểm chấp nhận, có thể sử dụng giá trị lớn nhất trong các giá trị sau đây:
V1 = 0,5 K1 C D (m3)
Hoặc:
V1 = 1 (m3): Đối với tàu có tổng dung tích từ 400 trở lên nhưng nhỏ hơn 4.000.
V1 = 2 (m3): Đối với những tàu có tổng dung tích từ 4.000 trở lên.
(c) Thể tích nhỏ nhất V2 của két ở tàu có chứa nước dằn trong các két dầu đốt:
V2 = V1 + K2B (m3)
Trong đó:
V1: Thể tích két được xác định hoặc theo điều (a) hoặc theo điều (b) nêu trên.
K2 = 0,01: Khi nước dằn được chứa trong các két dầu đốt nặng.
K2 = 0,005: Khi nước dằn được chứa trong các két dầu điêzen.
B: Dung lượng của két dầu đốt (tấn) được dùng là két nước dằn.
(2) Thể tích nhỏ nhất của két chứa dầu cặn do dầu bị rò rỉ trong buồng máy phải là V3 như được nêu dưới đây:
V3 = VE + VL
Trong đó:
VE: Thể tích két chứa dầu thải (m3);
VL: Thể tích két chứa dầu rò rỉ (m3);
VE, VL được xác định theo tính toán sau đây:
(a) VE = 1,5 n1 (m3)
Trong đó:
n1: Giá trị có được như sau:
n1 = 1, khi tổng công suất liên tục lớn nhất của máy chính và các máy phụ bằng hoặc nhỏ hơn 1.000 kW.
n1 = giá trị được cộng thêm 1 cho mỗi số gia thêm 1.000 kW của tổng công suất liên tục lớn nhất của máy chính và các máy phụ hoặc phân số của nó trên 1.000 kW, khi tổng công suất liên tục của máy chính và các máy phụ lớn hơn 1.000 kW.
Tuy nhiên, có thể chấp nhận VE = 0 khi được trang bị máy lọc dầu bôi trơn và không thay dầu bôi trơn trong khi tàu đang ở trên biển.
(b) VL = D x 20 x P/106 (m3), khi P ≤ 10.000 (kW)
VL = D x (0,2 + 7 x (P - 10.000)/106) (m3), khi P > 10.000 (kW)
Trong đó:
P: Công suất liên tục lớn nhất của máy chính (kW);
D: Thời gian hành trình lâu nhất giữa các cảng cho đến khi có thể xả được cặn dầu lên bờ (khi không có các số liệu chi tiết, lấy bằng 30 hoặc lớn hơn).
(c) Đối với các tàu có giai đoạn bắt đầu đóng mới vào trước ngày 31 tháng 12 năm 1991, V3 = 0.
(d) Đối với các tàu có giai đoạn bắt đầu đóng mới vào hoặc sau ngày 31 tháng 12 năm 1991, có thể sử dụng giá trị VL sau nêu trong công thức V3 = VE + VL.
VL = D x l (m3),
Trong đó:
l = 0,02n2 khi P ≤ 10.000 (kW)
l = 0,01 (n2-10)+0,2 khi P > 10.000 (kW)
Trong đó:
P: Công suất liên tục lớn nhất của máy chính (kW)
n2: Giá trị có được như sau:
n2 = 1 khi P ≤ 1.000kW.
khi P > 1.000 kW, cộng thêm 1 cho mỗi số gia thêm 1.000 kW.
D: Thời gian hành trình lâu nhất giữa các cảng cho đến khi có thể xả được cặn dầu lên bờ (khi không có các số liệu chi tiết, lấy bằng 30 hoặc lớn hơn).
4 Bất kể các quy định ở trên, đối với các tàu hoạt động ở vùng biển hạn chế, các giá trị C và D trong công thức tính ở thể tích két dầu cặn nêu trên có thể được xác định như sau:
(1) Lượng dầu đốt tiêu thụ C
Số giờ hoạt động được tính như sau:
- Đối với tàu hoạt động tuyến quốc tế và các tàu cấp không hạn chế hoặc hạn chế II: 24 giờ.
- Đối với tàu không hoạt động tuyển quốc tế, cấp hạn chế III: 16 giờ.
(2) Số ngày hoạt động lớn nhất D
- Đối với tàu không hoạt động tuyến quốc tế, cấp hạn chế III: 4 ngày.
- Đối với tàu không hoạt động tuyến quốc tế, cấp hạn chế II: 6 ngày.
2.2.2 Kết cấu két dầu cặn và hệ thống đường ống
1 Kết cấu và hệ thống đường ống của các két dầu cặn theo quy định nêu ở 2.2.1 nói trên phải thỏa mãn các yêu cầu (1) đến (6) sau đây:
(1) Các lỗ người chui hoặc các lỗ tiếp cận để làm vệ sinh có kích thước thích hợp phải được bố trí tại các vị trí sao cho mỗi phần của két có thể được làm sạch dễ dàng;
(2) Phải trang bị các phương tiện thích hợp để dễ dàng hút và xả cặn dầu;
(3) Trừ bích nối xả tiêu chuẩn được nêu ở 2.2.3 của Phần này, không được lắp đặt các ống nối để xả trực tiếp qua mạn tàu.
(4) Có thể bố trí đường ống sao cho cặn dầu có thể xả trực tiếp từ các két cặn dầu lên phương tiện tiếp nhận qua bích nối xả tiêu chuẩn nêu ở 2.2.3 hoặc phương tiện tiếp nhận cặn dầu để loại bỏ được chấp nhận khác, như thiết bị đốt chất thải, nồi hơi phụ phù hợp để đốt cặn dầu hoặc thiết bị được chấp nhận khác.
(5) Két phải được trang bị bơm riêng, phù hợp để hút từ két cặn dầu để thải dầu cặn bằng phương tiện nêu ở (4) trên.
(6) Két không được có đầu nối xả vào hệ thống nước đáy tàu, két giữ nước đáy tàu nhiễm dầu, đỉnh két hoặc thiết bị phân ly dầu nước, trừ trường hợp nêu ở (a) và (b) dưới đây. Tuy nhiên, tàu có giai đoạn bắt đầu đóng mới trước ngày 01 tháng 01 năm 2017 phải được bố trí phù hợp với quy định này không muộn hơn đợt kiểm tra định kỳ đầu tiên vào hoặc sau ngày này.
(a) Két có thể được lắp thiết bị xả, có van tự đóng điều khiển bằng tay và trang bị để giám sát bằng mắt nước lắng sau đó, dẫn đến két giữ nước đáy tàu nhiễm dầu hoặc giếng hút khô hoặc bố trí tương tự khác, với điều kiện bố trí này không nối trực tiếp vào hệ thống ống xả nước đáy tàu;
(b) Đường ống xã két dầu cặn và ống nước đáy tàu có thể được nối vào ống chung dẫn đến bích nối xả tiêu chuẩn nêu ở 2.2.3; việc nối hai hệ thống này vào ống chung dẫn đến bích nối xả tiêu chuẩn nêu ở 2.2.3 phải không chuyển được cặn dầu vào hệ thống nước đáy tàu.
2 Đối với các tàu có giai đoạn bắt đầu đóng mới vào hoặc sau ngày 31 tháng 12 năm 1990, ngoài việc thỏa mãn các yêu cầu ở -1, các bơm nêu ở -1(5) phải thỏa mãn các yêu cầu từ (1) đến (4) sau:
(1) Các bơm không dùng chung với bơm nước đáy tàu lẫn dầu;
(2) Các bơm phải là kiểu phù hợp để xả cặn dầu lên bờ;
(3) Sản lượng của bơm phải là Q sau đây hoặc lớn hơn. Đối với các tàu không hoạt động tuyến quốc tế, sản lượng bơm có thể lấy bằng 0,5 (m3/h):
(m3/h)
Trong đó:
V: V1 hoặc V2 được nêu ở 2.2.1-1.
t = 8 giờ
(4) Đối với các tàu có hợp đồng đóng mới được ký trước ngày 01 tháng 7 năm 2010 sản lượng của bơm phải là Q1 hoặc Q2 dưới đây, lấy giá trị nào lớn hơn:
(m3/h)
Trong đó:
V: V1 hoặc V2 được nêu ở 2.2.1-1 của Phần này.
t = 4 giờ
Q2 = 2 (m3/h).
2.2.3 Bích nối xả tiêu chuẩn
Để đường ống của phương tiện tiếp nhận nối được với đường ống xả từ két dầu cặn của tàu được lắp đặt theo các yêu cầu ở 2.2.2 trên, phải trang bị một bích nối xả tiêu chuẩn phù hợp với Bảng 3.3.
Bảng 3.3 Kích thước tiêu chuẩn của bích nối xả tiêu chuẩn
|
Các chi tiết |
Yêu cầu |
|
Đường kính ngoài |
215 mm |
|
Đường kính trong |
Đường kính tương ứng một cách hợp lý với đường kính ngoài |
|
Đường kính vòng tròn lăn |
183 mm |
|
Rãnh khía (lỗ bắt bu lông) trên mặt bích nối |
Phải khoan 6 lỗ đường kính 22 mm ở trên đường kính vòng tròn lăn tại các khoảng cách góc bằng nhau và phải gia công các rãnh rộng 22 mm từ các lỗ này thấu tới vành ngoài của bích nối |
|
Chiều dày của bích nối |
20 mm |
|
Số lượng và đường kính của các bu lông và đai ốc với chiều dày thích hợp |
6 bộ đường kính 20 mm |
|
Bích nối phải làm bằng thép hoặc vật liệu tương đương với các bề mặt nhẵn. Bích nối phải chịu được áp suất làm việc 0,6 MPa khi một miếng đệm kín đều được lồng vào. |
|
2.3 Thiết bị phân ly dầu nước, thiết bị lọc dầu, hệ thống điều khiển và kiểm soát xả dầu cho nước đáy tàu nhiễm dầu và két giữ nước đáy tàu nhiễm dầu
2.3.1 Thiết bị phân ly dầu nước
Thiết bị phân ly dầu nước phải được Đăng kiểm công nhận kiểu phù hợp với A.393(X) của IMO, đảm bảo hỗn hợp lần đầu xả ra biển sau khi qua thiết bị phân ly dầu nước có hàm lượng dầu không lớn hơn 100 ppm.
2.3.2 Thiết bị lọc dầu
1 Thiết bị lọc dầu phải thỏa mãn các yêu cầu ở (1), (2) hoặc (3) sau đây và có sản lượng như yêu cầu ở -4, tùy theo kiểu và kích thước của tàu và vùng khai thác:
(1) Phải được Đăng kiểm công nhận kiểu như nêu ở -3 dưới đây và phải bảo đảm sao cho bất kỳ hỗn hợp dầu nước nào sau khi qua hệ thống lọc phải có hàm lượng dầu không quá 15 ppm.
(2) Thiết bị lọc dầu phải thỏa mãn các yêu cầu ở (1) và được lắp đặt một thiết bị báo động bằng ánh sáng và âm thanh có kiểu đã được duyệt, tự động hoạt động khi hàm lượng dầu trong nước thải ra vượt quá 15 ppm và cũng tự động hoạt động khi chức năng đo đạc bị sai sót hoặc hư hỏng.
(3) Thiết bị lọc dầu phải thỏa mãn các yêu cầu ở (2) và được trang bị một thiết bị ngừng xả tự động sao cho tự động dừng hệ thống được khi hàm lượng dầu trong nước thải vượt quá 15ppm.
2 Hệ thống đường ống của thiết bị lọc dầu phải phù hợp với các hệ thống đường ống của tàu như sau:
(1) Thiết bị lọc dầu phải phù hợp cho việc sử dụng trên tàu và phải thuận tiện cho việc bảo dưỡng.
(2) Phải có một điểm lấy mẫu ở trên phần ống thẳng đứng của ống xả nước ra từ thiết bị lọc dầu, càng gần cửa ra càng tốt (xem Hình 3.3.1).
(3) Việc bố trí trên tàu để lấy được các mẫu từ đường ống xả của thiết bị lọc dầu 15 ppm đến thiết bị báo động 15 ppm phải sao cho mẫu nước thể hiện trung thực nhất về nước xả ra từ thiết bị lọc dầu, với đầy đủ áp suất và lưu lượng.
(4) Sản lượng của bơm cấp (bơm cho thiết bị lọc dầu) không được vượt quá 110% sản lượng định mức của thiết bị lọc dầu, về kích cỡ của bơm và mô tơ lai.
(5) Sơ đồ bố trí hệ thống phải sao cho toàn bộ thời gian tác động (kể cả thời gian tác động của thiết bị báo động 15 ppm) giữa đường xả nước ra từ thiết bị lọc dầu khí hàm lượng dầu vượt quá 15 ppm và hoạt động của thiết bị ngừng xả tự động ra mạn tàu phải càng ngắn càng tốt và trong mọi trường hợp phải không được quá 20 giây (áp dụng đối với tàu có tổng dung tích ≥ 10.000).
(6) Thiết bị lọc dầu phải có biển gắn cố định có ghi về mọi giới hạn về hoạt động hoặc lắp đặt.
(7) Thiết bị ngừng xả tự động nêu ở -1(3) trên phải bao gồm một van bố trí trên đường ống xả nước ra từ thiết bị lọc dầu 15 ppm tự động chuyển hướng hỗn hợp nước xả từ hướng đang xả ra mạn tàu sang xả vào trong đáy tàu hoặc két nước đáy tàu, khi hàm lượng dầu trong nước xả vượt quá 15 ppm (áp dụng đối với tàu có tổng dung tích ≥ 10.000).
(8) Phải trang bị phương tiện tái tuần hoàn, ở phía sau của thiết bị ngắt tự động và gần sát đầu xả ra mạn để đảm bảo thiết bị lọc dầu, kể cả thiết bị báo động 15 ppm và thiết bị ngắt tự động, có thể thử hoạt động được khi van xả mạn bị đóng (áp dụng đối với tàu có tổng dung tích ≥ 10.000) (xem Hình 3.3.1).
(9) Phải bố trí hệ thống kiểu an toàn sau sự cố (fail-safe) để tránh trường hợp xả ra ngoài mạn khi máy phân ly bị hỏng.

Hình 3.3.1 Bố trí phương tiện tái tuần hoàn
3 Thiết bị lọc dầu nêu ở -1(1) trên và thiết bị báo động bằng ánh sáng và âm thanh nêu ở -1(2) trên phải được công nhận kiểu phù hợp với các yêu cầu sau:
(1) Đối với các tàu có giai đoạn bắt đầu đóng mới hoặc các tàu được hoán cải lớn vào hoặc sau ngày 01 tháng 01 năm 2005: MEPC.107(49).
(2) Đối với các tàu khác (1) trên, có giai đoạn bắt đầu đóng mới vào hoặc sau ngày 30 tháng 4 năm 1994: MEPC.60(33).
(3) Đối với các tàu không phải các tàu nêu ở (1) và (2) trên: A. 393(X).
4 Sản lượng xử lý của thiết bị lọc dầu (Q, m3/h) không được nhỏ hơn giá trị sau:
(1) Q = 0,00044 x tổng dung tích, đối với tàu có tổng dung tích dưới 1.000;
(2) Q = 0.4+0,00004 x tổng dung tích, đối với tàu có tổng dung tích từ 1.000 đến dưới 40.000.
(3) Q = 2 đối với tàu có tổng dung tích từ 40.000 trở lên.
2.3.3 Hệ thống điều khiển và kiểm soát xả dầu cho nước đáy tàu nhiễm dầu
1 Hệ thống điều khiển và kiểm soát xả dầu phải có các chức năng sau và được Đăng kiểm công nhận kiểu phù hợp với A.393(X) của IMO:
(1) Được lắp đặt với thiết bị có khả năng ghi liên tục hàm lượng dầu theo ppm;
(2) Chức năng ghi nêu ở (1) trên phải bao gồm ngày và thời gian;
(3) Phải hoạt động đồng thời ngay từ khi xả nước thải ra biển;
(4) Khi hàm lượng dầu trong dòng thải vượt quá 100 ppm hoặc khi xảy ra sự cố của thiết bị đo, phải có báo động bằng ánh sáng và âm thanh đồng thời ngừng việc xả hỗn hợp lần đầu.
2.3.4 Két giữ nước đáy tàu nhiễm dầu
1 Két giữ nước đáy tàu nhiễm dầu lắp đặt trên các tàu phù hợp với các yêu cầu ở 2.4.2-2 phải thỏa mãn các yêu cầu sau:
(1) Thể tích két giữ nước đáy tàu nhiễm dầu (C (m3)) phải là giá trị thu được từ công thức dưới đây hoặc lớn hơn. Ngoài ra, đối với các tàu sử dụng hệ thống để có thể được xem xét đặc biệt về việc xử lý nước đáy tàu nhiễm dầu thì thể tích két giữ nước đáy tàu nhiễm dầu có thể được giảm đi.
(a) Các tàu có công suất liên tục lớn nhất của máy chính dưới 1.000 kW
C = 4 (m3)
(b) Các tàu có công suất liên tục lớn nhất của máy chính từ 1.000 kW đến 20.000 kW
C = P/250 (m3)
Trong đó:
P: Công suất liên tục lớn nhất của máy chính (kW).
(c) Các tàu có công suất liên tục lớn nhất của máy chính từ 20.000 kW trở lên
C = 40 + P/250 (m3)
Trong đó:
P: Công suất liên tục lớn nhất của máy chính (kW).
(2) Bất kể được quy định ở (1) trên, các tàu có hợp đồng đóng mới được ký trước ngày 01 tháng 7 năm 2010 và các tàu dầu có tổng dung tích nhỏ hơn 150, tàu không phải tàu dầu có tổng dung tích nhỏ hơn 400 có thể áp dụng công thức dưới đây:
(a) Các tàu có công suất liên tục lớn nhất của máy chính nhỏ hơn 1.000 kW
C = 1,5 (m3)
(b) Các tàu có công suất liên tục lớn nhất của máy chính từ 1.000 kW đến dưới 20.000 kW
C = 1,5 + (P - 1000)/1500 (m3)
(c) Các tàu có công suất liên tục lớn nhất của máy chính lớn hơn 20.000 kW
C = 14,2+0,2(P-20.000)/1500 (m3)
Trong đó:
P: Công suất liên tục lớn nhất của máy chính (kW).
(3) Các két giữ nước đáy tàu nhiễm dầu phải được trang bị thiết bị có khả năng đo được lượng nước đáy tàu nhiễm dầu.
(4) Két phải đảm bảo không bị rò nước đáy tàu nhiễm dầu ngay cả khi tàu chúi 10° và lắc 22,5° mỗi bên.
(5) Việc bố trí phải sao cho có khả năng chuyển nước đáy tàu vào cả két giữ nước đáy tàu nhiễm dầu và cả phương tiện tiếp nhận trên bờ. Trong trường hợp này, két phải được trang bị một bích nối xả tiêu chuẩn được nêu ở Bảng 3.3 điều 2.2.3.
2.4 Yêu cầu về lắp đặt
2.4.1 Quy định chung
1 Đối với tất cả các tàu dầu có tổng dung tích từ 150 trở lên và các tàu khác không phải là tàu dầu có tổng dung tích từ 400 trở lên phải trang bị thiết bị lọc dầu để xử lý nước đáy tàu lẫn dầu hoặc các dầu khác theo Bảng 3.4.
2 Đối với các tàu dầu có tổng dung tích nhỏ hơn 150 và các tàu không phải là tàu dầu có tổng dung tích nhỏ hơn 400, khi bất kỳ nước đáy tàu lẫn dầu nào được xả ra biển thì phải trang bị thiết bị lọc dầu nêu ở 2.3.2-1(1).
2.4.2 Sửa đổi
1 Trừ các tàu chỉ hoạt động trong vùng đặc biệt, đối với các tàu không phải là tàu dầu có tổng dung tích từ 4.000 trở lên và các tàu dầu có tổng dung tích từ 150 trở lên, phải trang bị thiết bị theo yêu cầu ở cột tàu có tổng dung tích từ 10.000 trở lên để xả nước dằn bẩn chứa trong các két dầu đốt phù hợp với 1.2.1-2 ra biển.
2 Bất kể các quy định nêu ở 2.4.1 nói trên, đối với các tàu liệt kê dưới đây có dự định xả toàn bộ nước đáy tàu nhiễm dầu vào phương tiện tiếp nhận, thì thiết bị lọc dầu có thể được thay thế bằng các két giữ nước đáy tàu nhiễm dầu.
(1) Các tàu chỉ hoạt động trong các vùng đặc biệt hoặc ở vùng nước Bắc cực;
(2) Các tàu áp dụng Quy chuẩn kỹ thuật quốc gia về phân cấp và đóng tàu biển cao tốc thực hiện chuyến đi quay vòng khép kín theo lịch trình đã định không vượt quá 24 giờ và bao gồm cả các hành trình di chuyển vị trí không chở khách/hàng của các tàu này;
(3) Các tàu, như tàu khách sạn nổi, tàu chứa v.v... thường neo đậu cố định, trừ các chuyến đi chuyển vị trí không hàng;
(4) Các tàu không có máy chính và được Đăng kiểm cho là phù hợp.
Bảng 3.4 Quy định lắp đặt thiết bị lọc dầu
|
Vùng khai thác và kiểu tàu |
Tổng dung tích |
|||||
|
Dưới 150 |
Từ 150 đến dưới 400 |
Từ 400 đến dưới 10.000 |
10.000 trở lên |
|||
|
Tàu chỉ hoạt động trong vùng đặc biệt |
Tàu dầu |
(I)* |
(II) |
|||
|
Tàu không phải là tàu dầu |
(I)* |
(I)* |
(II) |
|||
|
Các tàu không phải là tàu được nêu ở trên |
Tàu dầu |
(I)* |
(I) |
(II) |
||
|
Tàu không phải là tàu dầu |
(I)* |
(I) |
||||
Chú thích: Các ký hiệu trong bảng biểu thị các thiết bị sau đây:
(I) : Thiết bị lọc dầu được nêu ở 2.3.2-1(1)
(II): Thiết bị lọc dầu được nêu ở 2.3.2-1(3)
*: Chỉ đối với các tàu áp dụng 2.4.1-2
CHƯƠNG 3 KẾT CẤU VÀ THIẾT BỊ NGĂN NGỪA Ô NHIỄM DO DẦU CHỞ XÔ GÂY RA
3.1 Quy định chung
3.1.1 Yêu cầu áp dụng
1 Các quy định trong Chương này áp dụng cho kết cấu và thiết bị ngăn ngừa ô nhiễm do dầu được chở xô trên tàu dầu gây ra.
2 Các quy định của 3.2.4 được áp dụng cho các tàu dầu có trọng tải toàn phần từ 600 tấn trở lên như sau:
(1) Tàu có hợp đồng đóng mới vào hoặc sau ngày 6 tháng 7 năm 1993, hoặc
(2) Nếu không có hợp đồng đóng, tàu có giai đoạn bắt đầu đóng mới vào hoặc sau ngày 6 tháng 01 năm 1994, hoặc
(3) Tàu được bàn giao vào hoặc sau ngày 6 tháng 7 năm 1996, hoặc
(4) Tàu có hoán cải lớn như sau:
(a) Có hợp đồng hoán cải sau ngày 6 tháng 7 năm 1993, hoặc
(b) Nếu không có hợp đồng hoán cải, công việc hoán cải được bắt đầu sau ngày 6 tháng 01 năm 1994, hoặc
(c) Công việc hoán cải được hoàn thành sau ngày 6 tháng 7 năm 1996.
3 Các quy định 3.2.2-6 và -7 được áp dụng cho các tàu dầu có trọng tải toàn phần từ 5.000 tấn trở lên như sau:
(1) Tàu có hợp đồng đóng mới vào hoặc sau ngày 01 tháng 02 năm 1999, hoặc
(2) Nếu không có hợp đồng đóng mới, tàu có giai đoạn bắt đầu đóng mới vào hoặc sau ngày 01 tháng 8 năm 1999, hoặc
(3) Tàu được bàn giao vào hoặc sau ngày 01 tháng 02 năm 2002, hoặc
(4) Tàu có hoán cải lớn như sau:
(a) Có hợp đồng hoán cải sau 01 tháng 02 ngày 1999, hoặc
(b) Nếu không có hợp đồng hoán cải, công việc hoán cải được bắt đầu sau ngày 01 tháng 8 năm 1999, hoặc
(c) Công việc hoán cải được hoàn thành sau ngày 01 tháng 02 năm 2002.
4 Các quy định 3.2.5 được áp dụng đối với tàu dầu có trọng tải toàn phần từ 5.000 tấn trở lên có giai đoạn bắt đầu đóng mới vào hoặc sau ngày 01 tháng 01 năm 2007.
5 Các quy định 3.2.1-1 và 3.3.2-5 được áp dụng cho các tàu dầu như sau:
(1) Tàu có hợp đồng đóng mới vào hoặc sau ngày 01 tháng 01 năm 2007, hoặc
(2) Nếu không có hợp đồng đóng, tàu có giai đoạn bắt đầu đóng mới vào hoặc sau ngày 01 tháng 7 năm 2007, hoặc
(3) Tàu được bàn giao vào hoặc sau ngày 01 tháng 01 năm 2010, hoặc
(4) Tàu có hoán cải lớn như sau:
(a) Có hợp đồng hoán cải vào hoặc sau 01 tháng 01 năm 2007, hoặc
(b) Nếu không có hợp đồng hoán cải, công việc hoán cải được bắt đầu sau ngày 01 tháng 7 năm 2007, hoặc
(c) Công việc hoán cải được hoàn thành vào hoặc sau ngày 01 tháng 01 năm 2010.
3.2 Kết cấu thân tàu
3.2.1 Bố trí các vách ngăn trong két dầu hàng
1 Phải có biện pháp thích hợp để chống ô nhiễm trong trường hợp đâm va hoặc mắc cạn thỏa mãn các điều kiện sau:
(1) Đối với tàu dầu có trọng tải toàn phần (DW) từ 5.000 tấn trở lên, tham số lượng dầu tràn trung bình (OM) phải như sau:
OM ≤ 0,015 khi C ≤ 200.000 (m3)
khi 200.000 < C < 400.000 (m3)
OM ≤ 0,012 khi C ≥ 400.000 (m3)
Trong đó:
OM: Tham số lượng dầu tràn trung bình;
C: Tổng thể tích các két dầu hàng, tính bằng m3, ở trạng thái 98% dung tích két đầy.
(2) Bất kể quy định nêu ở (1) trên, đối với tàu chở hàng hỗn hợp nằm trong khoảng có trọng tải toàn phần (DW) từ 5.000 tấn và thể tích chứa hàng đến 200.000 m3, có thể áp dụng tham số lượng dầu tràn trung bình với điều kiện Đăng kiểm xem xét thấy các bản tính thỏa mãn và chứng minh được rằng sau khi tính toán sức bền tăng cường, tàu chở hàng hỗn hợp ít nhất có tham số lượng dầu tràn tương đương với tàu dầu hai lớp vỏ tiêu chuẩn cùng kích thước có OM ≤ 0,015.
OM ≤ 0,021 khi C ≤ 100.000 (m3)
khi 100.000 < C < 200.000 (m3)
(3) Đối với tàu dầu có trọng tải toàn phần (DW) nhỏ hơn 5.000 tấn, chiều dài của mỗi két hàng không được lớn hơn 10 m hoặc một trong các giá trị dưới đây, lấy giá trị nào lớn hơn:
(a) Khi không bố trí vách dọc trong các két hàng:
, nhưng không vượt quá 0,2Lf
(b) Khi có bố trí vách dọc tâm trong các két hàng:

(c) Khi có bố trí từ hai vách dọc trở lên trong các két hàng:
i) Đối với các két hàng mạn: 0,2Lf
ii) Đối với các két trung tâm:
1) Nếu
≥ 0,2: 0,2Lf
2) Nếu
< 0,2:
- Khi không bố trí vách dọc tâm:

- Khi có bố trí vách dọc tâm:

“bi” là khoảng cách nhỏ nhất, tính bằng mét, từ mạn tàu tới vách dọc phía ngoài của két đang xét, được đo vào phía trong tàu theo phương vuông góc với đường tâm tàu tại cao độ tương ứng với mạn khô mùa hè được ấn định.
(4) Các giả định chung sau đây phải được áp dụng khi tính tham số lượng dầu tràn trung bình quy định ở (1) và (2) nêu trên.
(a) Chiều dài khu vực chứa hàng được kéo dài từ mút mũi về mút lái của toàn bộ các két dùng để chở dầu hàng, bao gồm cả két lắng.
(b) Khi quy định này đề cập đến các két hàng, phải được hiểu là bao gồm tất cả các két hàng, két lắng và két dầu đốt được bố trí trong chiều dài khu vực chứa hàng.
(c) Tàu được giả định chất tải tới chiều chìm đường nước ds không bị chúi hoặc nghiêng. Việc tính toán đề cập tới trong quy định này phải được căn cứ trên chiều chìm ds, bất kể chiều chìm ấn định có thể lớn hơn ds, ví dụ như mạn khô nhiệt đới.
(d) Tất cả các két dầu hàng phải được giả định chứa tới 98% dung tích két. Khối lượng riêng danh định của dầu hàng (ρn) được tính như sau:
(kg/m3)
Trong đó:
DW: Trọng tải toàn phần của tàu (tấn).
(e) Nhằm mục đích tính toán lượng dầu tràn, mức độ ngập nước của mỗi không gian trong khu vực chứa hàng, bao gồm các két hàng, dằn và các không gian không chứa dầu khác phải được lấy bằng 0,99 trừ khi có quy định khác.
(f) Các giếng hút có thể được bỏ qua trong việc xác định vị trí két với điều kiện các giếng hút đó càng nhỏ càng tốt và khoảng cách từ đáy giếng xuống tấm tôn đáy không nhỏ hơn 0,5h, trong đó h là chiều cao được xác định ở 3.2.4(1)(a)(ii).
(5) Những giả định sau đây phải được sử dụng khi kết hợp các tham số lượng dầu tràn.
(a) Tham số lượng dầu tràn trung bình phải được tính toán độc lập với hư hỏng mạn và hư hỏng đáy và sau đó kết hợp vào trong tham số lượng dầu tràn “không thứ nguyên” OM như sau:
OM = (0,4.OMS + 0,6.OMB)/C
Trong đó:
OMS: Lượng dầu tràn trung bình khi hư hỏng mạn (m3);
OMB: Lượng dầu tràn trung bình khi hư hỏng đáy (m3).
(b) Đối với hư hỏng đáy, các tính toán độc lập cho lượng dầu tràn trung bình phải được thực hiện ở các trạng thái thủy triều 0 m và -2,5 m và sau đó được kết hợp như sau:
OMB = 0,7.OMB(0) + 0,3.OMB(2,5)
Trong đó:
OMB(0): Lượng dầu tràn trung bình ở trạng thái thủy triều 0 m (m3);
OMB(2,5): Lượng dầu tràn trung bình ở trạng thái thủy triều âm 2,5 m (m3).
(6) Lượng dầu tràn trung bình đối với hư hỏng mạn được tính toán như sau:
(m3)
Trong đó:
i: Số thứ tự của mỗi két hàng đang xét;
n: Tổng số các két hàng;
Ps(i): Xác suất thủng két hàng thứ i do hư hỏng mạn, được tính toán phù hợp với (8);
OS(i): Lượng dầu tràn, tính bằng (m3), do hư hỏng mạn đến két hàng thứ i, được giả định bằng tổng thể tích trong két hàng thứ i ở 98% chứa hàng, trừ khi bằng phương pháp đã được Đăng kiểm chấp nhận chứng minh được rằng có một thể tích hàng đáng kể được giữ lại;
C3: C3 bằng 0,77 đối với tàu có hai vách dọc trong két hàng, với điều kiện các vách này liên tục trong khu vực chứa hàng và PS(i) được xác định phù hợp với quy định này; C3 bằng 1,0 đối với các tàu khác khi PS(i) được xác định phù hợp với (10).
(7) Lượng dầu tràn trung bình đối với hư hỏng đáy được tính toán cho mỗi trạng thái thủy triều như sau:
(a)
(m3)
Trong đó:
i: Số thứ tự của mỗi két hàng đang xét;
n: Tổng số các két hàng;
PB(i): Xác suất thủng két hàng thứ i do hư hỏng đáy, được tính toán phù hợp với (9);
OB(i): Lượng dầu tràn, tính bằng (m3), do hư hỏng mạn két hàng thứ i, được tính toán phù hợp với (c) và (d);
CDB(i): Hệ số để tính lượng dầu được giữ lại như định nghĩa ở (e).
(b)
(m3)
Trong đó:
i, n, PB(i) và CDB(i): Như định nghĩa ở (a);
OB(i): Lượng dầu tràn từ két thứ i, sau khi thủy triều thay đổi.
(c) Lượng dầu tràn OB(i) đối với mỗi két dầu hàng phải được tính dựa trên nguyên tắc cân bằng áp suất, phù hợp với các giả định sau đây:
(i) Tàu được giả định mắc cạn với độ nghiêng và chúi bằng 0, với chiều chìm mắc cạn trước khi thủy triều thay đổi bằng chiều chìm ds;
(ii) Mức hàng sau khi hư hỏng phải được tính như sau:
hC = {(ds + tC - Zl)ρs - (1000p)/g}/ρn
Trong đó:
hC: Chiều cao của dầu hàng bên trên Zl, m;
tC: Mức thủy triều thay đổi, m. Mức giảm thủy triều được biểu diễn bằng giá trị âm;
Zl: Chiều cao của điểm thấp nhất trong két hàng trên đường cơ sở, m;
ρs: Khối lượng riêng của nước biển, lấy bằng 1,025 kg/m3;
p: Nếu trang bị một hệ thống khí trơ, quá áp thông thường, tính bằng kPa, được lấy không nhỏ hơn 5 kPa; nếu không trang bị, quá áp có thể lấy bằng 0;
g: Gia tốc trọng trường, lấy bằng 9,81 m/s2;
ρn: Khối lượng riêng của dầu hàng, được tính theo (4)(d).
(d) Đối với các két dầu hàng được bao bằng tôn đáy tàu, trừ khi được chứng minh khác đi, lượng dầu tràn OB(i) phải được lấy không nhỏ hơn 1% tổng thể tích dầu hàng chứa trong két thứ i, để tính cho tổn thất trao đổi ban đầu và những ảnh hưởng động học do sóng và dòng chảy.
(e) Trong trường hợp hư hỏng đáy, một phần lượng dầu tràn từ két hàng có thể được giữ lại bởi các khoang không chứa dầu. Ảnh hưởng này được tính gần đúng bằng việc sử dụng hệ số CDB(i) cho mỗi két hàng như sau:
CDB(i) = 0,6 đối với két dầu hàng được bao phía dưới bởi các khoang không chứa dầu;
CDB(i) = 1,0 đối với các két dầu hàng được bao bởi tôn đáy.
(8) Xác suất Ps thủng một khoang do hư hỏng mạn được tính như sau:
Ps = PSL.PSV.PST
PSL = 1 - PSf - PSa: Xác suất hư hỏng mở rộng theo vùng dọc được bao bởi Xa và Xf.
PSV = 1- PSu - PSI: Xác suất hư hỏng mở rộng theo vùng thẳng đứng được bao bởi ZI và Zu.
PST = 1 - PSy: Xác suất hư hỏng mở rộng theo phương ngang về phía bên kia của đường biên được xác định bởi y.
PSa, PSf, PSI và PSu: Những xác suất được định nghĩa dưới đây và được xác định bằng nội suy tuyến tính từ bảng xác suất do hư hỏng mạn nêu trong Bảng 3.5.
PSa: Xác suất hư hỏng nằm toàn bộ phía sau vị trí Xa /Lf;
PSf: Xác suất hư hỏng nằm toàn bộ phía trước vị trí Xf / Lf;
PSI: Xác suất hư hỏng nằm toàn bộ phía dưới két;
PSu: Xác suất hư hỏng nằm toàn bộ phía trên két.
PSy: Xác suất hư hỏng nằm toàn bộ phía ngoài mạn két. PSy được tính toán như sau đây. Tuy nhiên, PSy không được lấy giá trị lớn hơn 1.
PSy = (24,96 - 199,6y/Bs)(y/Bs) đối với y/Bs ≤ 0,05
PSy = 0,749 + {5 + 44,4(y/Bs - 0,05)}(y/Bs - 0,05) đối với 0,05 < y/Bs < 0,1
PSy = 0,888 + 0,56(y / Bs - 0,1) đối với y / Bs ≥ 0,1
Bs: Chiều rộng lý thuyết lớn nhất của tàu, tính bằng mét, tại hoặc phía dưới đường sâu nhất ds.
Xa: Khoảng cách dọc tính từ mút đuôi Lf đến điểm sau cùng của khoang đang xét (m).
Xf: Khoảng cách dọc tính từ mút đuôi Lf đến điểm xa nhất về phía mũi của khoang đang xét (m).
ZI: Khoảng cách thẳng đứng tính từ đường cơ sở lý thuyết đến điểm thấp nhất của khoang đang xét (m).
Zu: Khoảng cách thẳng đứng tính từ đường cơ sở lý thuyết đến điểm cao nhất của khoang đang xét (m). Zu không được lấy lớn hơn Ds.
y: Khoảng cách nằm ngang tối thiểu được đo vuông góc với đường tâm tàu giữa khoang đang xét và tôn mạn tàu (m).
(9) Xác suất PB thủng một khoang do hư hỏng đáy được tính như sau:
PB = PBL.PBT.PBV
PBL = 1 - PBf - PBa: Xác suất hư hỏng mở rộng theo vùng dọc được bao bởi Xa và Xf;
PBT = 1 - PBp - PBs: Xác suất hư hỏng mở rộng theo vùng ngang được bao bởi Yp và Ys;
PBV = 1 - PBz: Xác suất hư hỏng mở rộng theo phương thẳng đứng phía trên đường biên được xác định bởi z;
PBa, PBf, PBp và PBs: Những xác suất được định nghĩa dưới đây và được xác định bằng nội suy tuyến tính từ bảng xác suất do hư hỏng mạn nêu trong Bảng 3.6
PBa: Xác suất hư hỏng nằm toàn bộ phía sau vị trí Xa/Lf
PBf: Xác suất hư hỏng nằm toàn bộ phía trước vị trí Xf /Lf
PBp: Xác suất hư hỏng nằm toàn bộ phía mạn trái của két
PBs: Xác suất hư hỏng nằm toàn bộ phía mạn phải của két
PBz: Xác suất hư hỏng nằm toàn bộ phía dưới két PBz được tính toán như sau đây. Tuy nhiên, PBz không được lấy giá trị lớn hơn 1.
PBz = (14,5 - 67z/Ds)(z/Ds) đối với z/Dz ≤ 0,1
PBz = 0,78 + 1,1(z / Ds - 0,1) đối với z / Ds > 0,1
Ds: Chiều cao lý thuyết, tính bằng mét, được đo tại giữa chiều dài tàu đến boong cao nhất tại mạn.
Xa và Xf được xác định ở (8).
Yp: Khoảng cách ngang tính từ điểm xa nhất về phía mạn trái của khoang có vị trí nằm tại hoặc dưới đường dB, đến mặt phẳng thẳng đứng cách đường tâm tàu BB/2 về phía mạn phải.
Ys: Khoảng cách ngang từ điểm xa nhất phía mạn phải của khoang có vị trí nằm tại hoặc dưới đường nước dB, đến mặt phẳng thẳng đứng cách đường tâm tàu một khoảng BB/2 về phía mạn phải, m.
z: Giá trị nhỏ nhất của z trên chiều dài của khoang, trong đó tại vị trí dọc bất kỳ được nêu, z là khoảng cách thẳng đứng tính từ điểm thấp hơn của tôn đáy tại vị trí dọc đến điểm thấp hơn của khoang tại vị trí dọc đó (m).
(10) Việc tính toán quy định ở (4) đến (9) nêu trên sử dụng cách tiếp cận xác suất đơn giản hóa khi việc tổng hợp được tiến hành thông qua lượng dầu tràn trung bình từ mỗi két dầu hàng. Đối với các thiết kế có những đặc trưng riêng như có bậc/lõm trên vách/boong và có vách nghiêng và/hoặc có thân tàu lượn cong, khi Đăng kiểm xem xét chấp nhận, có thể áp dụng những phương pháp tính toán chính xác hơn.
(11) Các quy định dưới đây phải được áp dụng đối với hệ thống đường ống liên quan:
(a) Các đường ống chạy qua két hàng ở vị trí nhỏ hơn 0,30Bs tính từ mạn tàu hoặc nhỏ hơn 0,3Ds tính từ đáy tàu phải được lắp đặt các van hoặc thiết bị đóng tương tự tại điểm mà chúng thông với bất cứ két hàng nào. Các van này luôn giữ ở trạng thái đóng khi tàu hành trình trên biển khi két có chứa dầu hàng, trừ trường hợp chúng có thể mở chỉ khi phục vụ cho các hoạt động phải chuyển hàng thiết yếu.
(b) Lợi ích cho việc giảm lượng dầu tràn thông qua việc sử dụng hệ thống chuyển hàng nhanh khẩn cấp hoặc các hệ thống khác được bố trí để giảm lượng dầu tràn trong trường hợp sự cố có thể được Đăng kiểm xem xét chấp nhận.
Bảng 3.5 Xác suất đối với hư hỏng mạn
|
Xa / Lf |
PSa |
|
Xf / Lf |
PSf |
|
ZI / DS |
PSI |
|
Zu / Ds |
PSu |
|
0,00 |
0,000 |
|
0,00 |
0,967 |
|
0,00 |
0,000 |
|
0,00 |
0,968 |
|
0,05 |
0,023 |
|
0,05 |
0,917 |
|
0,05 |
0,000 |
|
0,05 |
0,952 |
|
0,10 |
0,068 |
|
0,10 |
0,867 |
|
0,10 |
0,001 |
|
0,10 |
0,931 |
|
0,15 |
0,117 |
|
0,15 |
0,817 |
|
0,15 |
0,003 |
|
0,15 |
0,905 |
|
0,20 |
0,167 |
|
0,20 |
0,767 |
|
0,20 |
0,007 |
|
0,20 |
0,873 |
|
0,25 |
0,217 |
|
0,25 |
0,717 |
|
0,25 |
0,013 |
|
0,25 |
0,836 |
|
0,30 |
0,267 |
|
0,30 |
0,667 |
|
0,30 |
0,021 |
|
0,30 |
0,789 |
|
0,35 |
0,317 |
|
0,35 |
0,617 |
|
0,35 |
0,034 |
|
0,35 |
0,733 |
|
0,40 |
0,367 |
|
0,40 |
0,567 |
|
0,40 |
0,055 |
|
0,40 |
0,670 |
|
0,45 |
0,417 |
|
0,45 |
0,517 |
|
0,45 |
0,085 |
|
0,45 |
0,599 |
|
0,50 |
0,467 |
|
0,50 |
0,467 |
|
0,50 |
0,123 |
|
0,50 |
0,525 |
|
0,55 |
0,517 |
|
0,55 |
0,417 |
|
0,55 |
0,172 |
|
0,55 |
0,452 |
|
0,60 |
0,567 |
|
0,60 |
0,367 |
|
0,60 |
0,226 |
|
0,60 |
0,383 |
|
0,65 |
0,617 |
|
0,65 |
0,317 |
|
0,65 |
0,285 |
|
0,65 |
0,317 |
|
0,70 |
0,667 |
|
0,70 |
0,267 |
|
0,70 |
0,347 |
|
0,70 |
0,255 |
|
0,75 |
0,717 |
|
0,75 |
0,217 |
|
0,75 |
0,413 |
|
0,75 |
0,197 |
|
0,80 |
0,767 |
|
0,80 |
0,167 |
|
0,80 |
0,482 |
|
0,80 |
0,143 |
|
0,85 |
0,817 |
|
0,85 |
0,117 |
|
0,85 |
0,553 |
|
0,85 |
0,092 |
|
0,90 |
0,867 |
|
0,90 |
0,068 |
|
0,90 |
0,626 |
|
0,90 |
0,046 |
|
0,95 |
0,917 |
|
0,95 |
0,023 |
|
0,95 |
0,700 |
|
0,95 |
0,013 |
|
1,00 |
0,967 |
|
1,00 |
0,000 |
|
1,00 |
0,775 |
|
1,00 |
0,000 |
Bảng 3.6 Xác suất đối với hư hỏng đáy
|
Xa /Lf |
PBa |
|
Xf / Lf |
PBf |
|
Yp / BB |
PBp |
|
Ys / BB |
PBs |
|
0,00 |
0,000 |
|
0,00 |
0,969 |
|
0,00 |
0,844 |
|
0,00 |
0,000 |
|
0,05 |
0,002 |
|
0,05 |
0,953 |
|
0,05 |
0,794 |
|
0,05 |
0,009 |
|
0,10 |
0,008 |
|
0,10 |
0,936 |
|
0,10 |
0,744 |
|
0,10 |
0,032 |
|
0,15 |
0,017 |
|
0,15 |
0,916 |
|
0,15 |
0,694 |
|
0,15 |
0,063 |
|
0,20 |
0,029 |
|
0,20 |
0,894 |
|
0,20 |
0,644 |
|
0,20 |
0,097 |
|
0,25 |
0,042 |
|
0,25 |
0,870 |
|
0,25 |
0,594 |
|
0,25 |
0,133 |
|
0,30 |
0,058 |
|
0,30 |
0,842 |
|
0,30 |
0,544 |
|
0,30 |
0,171 |
|
0,35 |
0,076 |
|
0,35 |
0,810 |
|
0,35 |
0,494 |
|
0,35 |
0,211 |
|
0,40 |
0,096 |
|
0,40 |
0,775 |
|
0,40 |
0,444 |
|
0,40 |
0,253 |
|
0,45 |
0,119 |
|
0,45 |
0,734 |
|
0,45 |
0,394 |
|
0,45 |
0,297 |
|
0,50 |
0,143 |
|
0,50 |
0,687 |
|
0,50 |
0,344 |
|
0,50 |
0,344 |
|
0,55 |
0,171 |
|
0,55 |
0,630 |
|
0,55 |
0,297 |
|
0,55 |
0,394 |
|
0,60 |
0,203 |
|
0,60 |
0,563 |
|
0,60 |
0,253 |
|
0,60 |
0,444 |
|
0,65 |
0,242 |
|
0,65 |
0,489 |
|
0,65 |
0,211 |
|
0,65 |
0,494 |
|
0,70 |
0,289 |
|
0,70 |
0,413 |
|
0,70 |
0,171 |
|
0,70 |
0,544 |
|
0,75 |
0,344 |
|
0,75 |
0,333 |
|
0,75 |
0,133 |
|
0,75 |
0,594 |
|
0,80 |
0,409 |
|
0,80 |
0,252 |
|
0,80 |
0,097 |
|
0,80 |
0,644 |
|
0,85 |
0,482 |
|
0,85 |
0,170 |
|
0,85 |
0,063 |
|
0,85 |
0,694 |
|
0,90 |
0,565 |
|
0,90 |
0,089 |
|
0,90 |
0,032 |
|
0,90 |
0,744 |
|
0,95 |
0,658 |
|
0,95 |
0,026 |
|
0,95 |
0,009 |
|
0,95 |
0,794 |
|
1,00 |
0,761 |
|
1,00 |
0,000 |
|
1,00 |
0,000 |
|
1,00 |
0,844 |
2 Đối với các két dầu hàng của tàu dầu không phải là đối tượng nêu ở -1, các vách ngăn kín dầu phải được bố trí sao cho lượng dầu giả định chảy ra và kích thước giới hạn của từng két dầu hàng riêng biệt không được vượt quá các giá trị hư hỏng giả định được xác định như dưới đây:
(1) Nhằm mục đích tính toán lượng dầu giả định chảy ra từ tàu dầu, lấy 3 kích thước của lỗ thủng của một hình hộp ở trên mạn và đáy tàu phù hợp với Bảng 3.7 và Bảng 3.8.
Bảng 3.7 Mức độ hư hỏng mạn
|
Chiều |
Mức độ hư hỏng |
|
Chiều dọc (lc) |
1/3 |
|
Chiều ngang (tc) |
3/5 hoặc 11,5 m, lấy giá trị nào nhỏ hơn (đo ở phía trong tính từ tôn mạn theo phương vuông góc với đường tâm ở mức tương ứng với mạn khô mùa hè được ấn định) |
|
Chiều thẳng đứng (vc) |
Từ đường lý thuyết của tôn đáy tại đường tâm tàu, hướng lên không giới hạn. |
Bảng 3.8 Mức độ hư hỏng đáy
|
Chiều |
Mức độ hư hỏng |
|
|
0,3Lf từ đường vuông góc mũi của tàu |
Bất kỳ phần nào khác của tàu |
|
|
Chiều dọc (ls) |
Lf/10 |
Lf/10 hoặc 5 m, lấy giá trị nào nhỏ hơn |
|
Chiều ngang (ts) |
B/6 hoặc 10 m, lấy giá trị nào nhỏ hơn nhưng không nhỏ hơn 5 mét |
5 m |
|
Chiều thẳng đứng (Vs) |
B/15 hoặc 6 m, lấy giá trị nào nhỏ hơn, được đo từ đường lý thuyết của tấm tôn đáy tại đường tâm tàu. |
|
(2) Lượng dầu giả định chảy ra khi hỏng mạn (Oc) và hỏng đáy (Os) phải được tính theo các công thức dưới đây cho những khoang bị hư hỏng ở bất kỳ chỗ nào theo chiều dài tàu với kích thước chỗ hư hỏng lấy như đã nêu ở (1).
(a)
(i) Đối với hư hỏng mạn:
|
OC = ΣWi + ΣKiCi |
(I) |
(ii) Đối với hư hỏng đáy:
|
|
(II) |
Trong trường hợp khi hư hỏng đáy bao gồm đồng thời cả 4 két trung tâm, trị số OS có thể được tính theo công thức:
|
|
(III) |
Trong đó:
Wi: Thể tích của két mạn tính bằng m3 được giả thiết là bị thủng do hư hỏng như được nêu ở (1); Wi đối với két nước dằn cách ly có thể được lấy bằng 0.
Ci: Thể tích két trung tâm tính bằng m3 được giả thiết là bị thủng do hư hỏng như được nêu ở (1); Ci đối với két nước dằn cách ly có thể được lấy bằng 0.
Ki = 1 - bi / tc
Khi bi bằng hoặc lớn hơn tc, lấy Ki bằng 0.
Zi = 1 - hi / vs
Khi bi, bằng hoặc lớn hơn vs, lấy Zi bằng 0.
bi: Chiều rộng nhỏ nhất của két mạn tính bằng mét đo từ mép trong của tôn mạn theo phương vuông góc với mặt phẳng dọc tâm ở cao độ tương ứng với mạn khô mùa hè được ấn định.
hi: Chiều cao nhỏ nhất của đáy đôi được tính bằng mét, khi không có đáy đôi hi được lấy bằng 0.
(b) Nếu một khoang trống hoặc két dằn cách ly có chiều dài nhỏ hơn lc như được nêu ở (1) được bố trí ở giữa các két dầu mạn, thì Oc trong công thức (I) ở (a)(i) có thể được tính trên cơ sở thể tích Wi là thể tích thực của một két như vậy hoặc của két nhỏ hơn trong 2 két liền kề khoang đó, được nhân với Si được xác định như dưới đây và lấy giá trị của thể tích thực cho tất cả các két mạn khác liên quan đến một tai nạn đâm va như vậy:
SI = 1 - lI / lc
Trong đó:
lI: Chiều dài khoang trống hoặc két dằn cách ly đang xét.
(c) Việc tính toán ở (a) trên phải được thực hiện phù hợp với các quy định từ (i) đến (iii) sau đây:
(i) Chỉ công nhận đối với các két đáy đôi hoặc để trống hoặc đang chứa nước dằn sạch khi dầu hàng được chở trong các két phía trên.
(ii) Khi đáy đôi không chạy hết chiều dài và chiều rộng của két đang xét thì xem là không có đáy đôi và thể tích của két bên trên vùng hư hỏng đáy phải được đưa vào trong công thức (II) hoặc (III) ở (a)(ii) ngay cả khi két này không được coi là hư hỏng do có đáy đôi cục bộ như vậy.
(iii) Khi xác định trị số hi có thể không tính các giếng hút với điều kiện các giếng đó có diện tích không lớn quá và ăn sâu xuống dưới két một khoảng ngắn nhất và trong bất cứ trường hợp nào độ sâu của các giếng không lớn hơn nửa chiều cao đáy đôi. Nếu độ sâu của giếng quá nửa chiều cao đáy đôi thì hi được lấy bằng chiều cao đáy đôi trừ đi chiều sâu của giếng. Đường ống phục vụ các giếng này nằm trong khu vực đáy đôi phải có các van hoặc thiết bị đóng kín khác lắp đặt tại chỗ đường ống nối vào két để đề phòng chảy dầu khi xảy ra hư hỏng đường ống. Đường ống này đặt càng cao so với tôn đáy tàu càng tốt.
(3) Két hàng của tàu dầu phải có kích thước và được bố trí sao cho lượng dầu giả định chảy ra Oc hoặc Os được tính thỏa mãn quy định (2) ở bất kỳ vị trí nào theo chiều dài tàu không được vượt quá 30.000 m3 hoặc
lấy giá trị nào lớn hơn, nhưng không quá 40.000 m3. Tuy nhiên, đối với thiết bị có khả năng chuyển dầu từ két hoặc các két dầu hàng bị hỏng vào một két nước dằn cách ly hoặc một két dầu hàng khác còn khoảng vơi (ullage) đáng kể và két dầu hàng này được lắp với một phương tiện hút dầu ở trên cao dùng cho trường hợp sự cố, thì có thể dùng công thức (III) ở (2).
Điều kiện ở đây là thiết bị phải có khả năng vận chuyển khối lượng dầu tương đương với một nửa dung tích của két lớn nhất trong số các két bị hỏng trong vòng 2 giờ hoạt động và két nước dằn hoặc két dầu hàng có thể tiếp nhận toàn bộ số lượng dầu đó. Đường ống dùng cho thiết bị hút dầu ở trên cao phải được lắp đặt ở cao độ lớn hơn chiều thẳng đứng của vị trí hư hỏng đáy.
(4) Các két dầu hàng riêng biệt phải không được vượt quá kích thước sau đây:
(a) Thể tích một két dầu hàng mạn bất kỳ của tàu dầu phải không được quá 75% giới hạn của lượng dầu giả định chảy ra được nêu ở (3). Thể tích két dầu hàng trung tâm bất kỳ phải không được quá 50.000 m3. Tuy nhiên, ở các tàu dầu có két dằn cách ly như được nêu ở 3.2.3, thể tích cho phép của két dầu hàng mạn được bố trí giữa 2 két dằn cách ly, mỗi két có chiều dài vượt quá lc, có thể được tăng đến giới hạn lớn nhất của lượng dầu giả định chảy ra với điều kiện chiều rộng của các két mạn vượt quá tc.
(b) Chiều dài của mỗi két hàng không được vượt quá 10 m hoặc một trong các giá trị sau đây, lấy giá trị nào lớn hơn:
(i) Khi không có vách dọc bên trong các két hàng:

nhưng không quá 0,2 Lf
(ii) Khi có vách dọc tâm tàu bên trong các két hàng:

(iii) Khi có từ 2 vách dọc trở lên ở trong các két hàng:
1) Đối với các két mạn: 0,2 Lf
2) Đối với các kết hàng trung tâm:
+ Nếu
≥ 1/5 : 0,2 Lf
+ Nếu
< 1/5:
Khi không có vách dọc tâm tàu:

Khi có vách dọc tâm tàu:

"bn" là khoảng cách nhỏ nhất tính bằng mét từ mạn tàu đến vách dọc phía ngoài của két đang xét đến được đo vào bên trong theo phương vuông góc với đường tâm ở cao độ tương ứng với mạn khô mùa hè được ấn định.
(5) Để không vượt quá giới hạn thể tích được xác định theo quy định (3) và (4) và không phụ thuộc vào kiểu hệ thống chuyển hàng được chấp nhận được lắp đặt, khi hệ thống được xác định ở (3) nối liền 2 hoặc nhiều hơn két hàng với nhau, thì phải trang bị các van (bao gồm cả các thiết bị đóng kín tương tự khác) để ngăn cách các két với nhau.
(6) Các đường ống được nối vào các két hàng tại vị trí nhỏ hơn tc tính từ mạn tàu hoặc nhỏ hơn vs tính từ đáy tàu phải được lắp các van hoặc các thiết bị đóng tương tự ở vị trí đường ống thông vào két dầu hàng. Van hoặc thiết bị đóng này phải tuân theo các yêu cầu ở (i) và (ii) dưới đây. Mỗi van hút trong ống hút nhánh (van được đánh dấu “*1” trong Hình 3.3.2), nói chung phải được trang bị trong mỗi khoang hở (trong từng két) (trừ trường hợp như được chỉ ra ở Hình 3.3.3). Tuy nhiên, nếu bố trí và lắp đặt các van được coi là tương đương với yêu cầu nêu trên được thực hiện để ngăn việc lan rộng thêm dầu tràn do hư hỏng các két hàng thì van được đánh dấu “*2” trong Hình 3.3.2 có thể được trang bị bên trong két liền kề. Nếu lắp đặt một van ở két liền kề, thì phải bố trí ở phía vách dọc của đường thẳng được vẽ từ giao điểm của đường vách dọc và đường đáy để tạo thành góc 45o với đường đáy.
(i) Nhằm mục đích khống chế giá trị lượng dầu tràn giả định và kiểm soát ổn định tai nạn, yêu cầu về lắp đặt này được áp dụng cho cả trường hợp không yêu cầu van, để ngăn ngừa sự gia tăng lượng dầu tràn.
(ii) Trong các trường hợp ví dụ 1 và 2 dưới đây, không cần trang bị van trong các két tương ứng:
Ví dụ 1: Khi đường ống đi qua két hàng nằm ngoài phạm vi hư hỏng (Hình 3.3.3)
Ví dụ 2: Trong trường hợp bố trí như Hình 3.3.4 được sử dụng trong các tàu hỗn hợp dầu/quặng, nếu độ bền của ống và chiều dày của đoạn ống cách bằng độ bền và chiều dày của vách và chiều dài là ngắn nhất theo yêu cầu lắp đặt van (Hình 3.3.4).
|
|
|
|
Hình 3.3.2 Thiết bị đóng cho các đường ống có đầu hở trong két dầu hàng |
Hình 3.3.4 |
3.2.2 Phân khoang và ổn định
1 Mọi tàu dầu phải thỏa mãn các tiêu chuẩn phân khoang và ổn định tai nạn quy định ở 3.2.2-3 sau khi xảy ra sự hư hỏng giả định ở mạn hoặc đáy như được nêu ở 3.2.2-2 cho bất kỳ chiều chim khai thác nào ứng với các trạng thái tải trọng thực một phần hoặc toàn phần có tính đến độ chúi và sức bền của tàu cũng như khối lượng riêng của hàng. Sự hư hỏng như vậy phải được xét cho các vị trí có thể xảy ra dọc theo chiều dài tàu như được nêu ở (1) đến (3) dưới đây:
(1) Ở các tàu dầu dài trên 225 m: bất kỳ vị trí nào theo chiều dài tàu.
(2) Ở các tàu dầu dài hơn 150 m nhưng không quá 225 m: bất kỳ vị trí nào theo chiều dài tàu, trừ hư hỏng có ảnh hưởng đến vách phía trước hoặc phía sau của buồng máy nằm ở phía đuôi tàu. Buồng máy được xét như một khoang ngập nước đơn.
(3) Ở các tàu dầu dài không quá 150 m: bất kỳ vị trí nào theo chiều dài tàu giữa các vách ngang kế tiếp nhau, trừ khu vực buồng máy. Đối với tàu dầu dải từ 100 m trở xuống khi tất cả các quy định ở 3.2.2-3 không thể thỏa mãn được mà không làm ảnh hưởng đáng kể khả năng hoạt động của tàu thì Đăng kiểm có thể cho phép giảm nhẹ các quy định này. Trạng thái dằn khi tàu không chở dầu (trừ cặn dầu) trong các két hàng không phải tính đến.
2 Các quy định sau đây về kích thước và đặc điểm của hư hỏng giả định phải được áp dụng:
(1) Kích thước hư hỏng mạn nêu ở Bảng 3.9.
(2) Kích thước hư hỏng đáy nêu ở Bảng 3.10. Tuy nhiên, đối với tàu dầu có trọng tải toàn phần từ 20.000 tấn trở lên, những hư hỏng giả định quy định trong Bảng 3.10 phải được bổ sung bằng hư hỏng rách tôn đáy giả định phù hợp với Bảng 3.11.
(3) Nếu hư hỏng bất kỳ có kích thước nhỏ hơn kích thước lớn nhất được nêu ở (1) và (2) nhưng đưa đến trạng thái nguy hiểm hơn thì hư hỏng đó phải được xét đến.
(4) Khi hư hỏng ảnh hưởng đến các vách ngang đã dự tính như ở 3.2.2-1(1) và (2), thì các vách ngang kín nước phải được đặt ít nhất ở khoảng cách bằng kích thước dọc của hư hỏng giả định được nêu ở (1) để được xem là hiệu quả. Nếu các vách ngang được đặt ở khoảng cách ngắn hơn thì các vách nằm trong vùng hư hỏng như vậy phải được giả định là không có khi xác định các khoang bị ngập.
(5) Khi hư hỏng nằm giữa các vách kín nước kế tiếp nhau được dự tính như đã nêu ở 3.2.2-1(3), thì không một vách ngang chính hoặc một vách ngang ngăn cách các két mạn hoặc các két đáy đôi được giả định bị hỏng, trừ các trường hợp sau:
(a) Khoảng cách giữa 2 vách ngang kế tiếp nhau nhỏ hơn kích thước dọc của hư hỏng giả định được nêu ở (1); hoặc
(b) Có một bậc hoặc hõm ở một vách ngang dài hơn 3,05 m nằm trong phạm vi kích thước lỗ thủng của hư hỏng giả định. Trong quy định này, nếu bậc được tạo thành bởi vách két đuôi và đỉnh két đuôi thì không được coi là bậc đối với mục đích các yêu cầu ở 3.3.2.
(6) Nếu trong phạm vi của hư hỏng giả định có đặt các ống, hoặc đường hầm thì việc bố trí phải sao cho nước ngập không thể theo các đường đó lan sang các khoang không phải là khoang được giả định ngập nước trong từng trường hợp hư hỏng.
3 Các tàu dầu được coi là phù hợp với các tiêu chuẩn ổn định tai nạn nếu thỏa mãn các quy định nêu ở (1) đến (5) sau đây:
(1) Đường nước cuối cùng, có tính đến ngập nước, độ nghiêng và độ chúi, phải nằm thấp hơn mép dưới của bất cứ lỗ khoét nào mà qua đó nước có thể tràn vào khoang. Các lỗ khoét như vậy phải bao gồm cả các ống thông hơi và các lỗ khoét được đóng kín bằng cửa kín thời tiết hoặc nắp hầm hàng, có thể trừ các lỗ người chui được đóng bằng nắp kín nước và các lỗ thông tràn, nắp miệng két hàng nhỏ kín nước mà chúng bảo đảm tính kín nước nguyên vẹn của boong, các cửa trượt kín nước điều khiển từ xa và các cửa mạn kiểu không mở được.
(2) Ở giai đoạn ngập nước cuối cùng, góc nghiêng sinh ra do ngập không đối xứng không được vượt quá 25°, góc này có thể tăng lên tới 30° với điều kiện không một mép boong nào được ngập nước.
(3) Ổn định ở giai đoạn ngập nước cuối cùng có thể được coi là đủ nếu đường cong cánh tay đòn ổn định có ít nhất phạm vi 20o phía trên điểm cân bằng ứng với trị số lớn nhất của cánh tay đòn ổn định tĩnh ở mức tối thiểu 0,1 m. Diện tích trong phạm vi dưới đường cong này phải là 0,0175 m.radian hoặc lớn hơn. Trừ trường hợp mà các khoang liên quan được giả định bị ngập, các lỗ khoét không được bảo vệ phải được giả định không bị ngập. Trong vùng này, tất cả các lỗ khoét được nêu ở (1) và các lỗ khoét khác mà chúng có thể được đóng bằng nắp kín nước có thể được Đăng kiểm chấp nhận.
(4) Phải bảo đảm rằng tàu đủ ổn định trong các giai đoạn ngập nước trung gian.
(5) Ngay cả trong trường hợp khi một hệ thống làm cân bằng tàu cần sự trợ giúp cơ khí như các van hoặc các ống nối trung gian nhằm mục đích giảm góc nghiêng hoặc đạt được độ ổn định dư tối thiểu được trang bị để thỏa mãn các quy định ở (1) đến (3), thì các trang bị đó không được đưa vào tính toán và phải duy trì đủ độ ổn định dư ở tất cả các giai đoạn phục vụ của hệ thống làm cân bằng. Các không gian được nối thông qua các ống có tiết diện lớn có thể được xem như là không gian chung.
Bảng 3.9 Mức độ hư hỏng mạn
|
Chiều |
Mức độ hư hỏng |
|
Chiều dọc |
1/3 Lf2/3 hoặc 14,5 m, lấy trị số nào nhỏ hơn |
|
Chiều ngang |
B/5 hoặc 11,5 m, lấy trị số nào nhỏ hơn (đo phía trong từ mạn tàu theo đường vuông góc tới đường tâm tàu ở mức tương ứng với mạn khô mùa hè được ấn định) |
|
Chiều thẳng đứng |
Từ đường lý thuyết của tôn đáy tại đường tâm tàu, hướng lên không giới hạn |
Bảng 3.10 Mức độ hư hỏng đáy
|
Chiều |
Mức độ hư hỏng |
|
|
Đối với 0,3 Lf từ đường thẳng góc phía mũi tàu |
Bất kỳ phần nào khác của tàu |
|
|
Chiều dọc |
1/3Lf2/3 hoặc 14,5 m, lấy trị số nào nhỏ hơn |
1/3Lf2/3 hoặc 5 m, lấy giá trị nào nhỏ hơn |
|
Chiều ngang |
B/6 hoặc 10 m, lấy giá trị nào nhỏ hơn |
B/6 hoặc 5 m, lấy giá trị nào nhỏ hơn |
|
Chiều thẳng đứng |
B/15 hoặc 6 m, lấy giá trị nào nhỏ hơn, được đo từ đường lý thuyết của tôn đáy tại đường tâm tàu |
|
4 Các quy định ở -1 trên phải được xác nhận bằng tính toán có xét đến các đặc tính thiết kế của tàu, cách bố trí, tuyến hình và hàng chứa bên trong các khoang bị hỏng và sự phân bố, khối lượng riêng và ảnh hưởng mặt thoáng của chất lỏng. Các tính toán phải dựa trên các quy định ở (1) đến (5) sau đây:
(1) Phải tính đến bất kỳ két rỗng hoặc chỉ được điền đầy một phần, khối lượng riêng của hàng được chở cũng như bất kỳ lượng chất lỏng nào chảy ra khỏi các khoang bị hỏng.
(2) Các hệ số ngập nước phải được giả định như được nêu ở Bảng 3.12.
Bảng 3.11 Mức độ hư hỏng rách đáy
|
Chiều |
Mức độ hư hỏng |
|
Chiều dọc |
Các tàu có trọng tải toàn phần từ 75.000 tấn trở lên: 0;6Lf đo từ đường vuông góc mũi |
|
Các tàu có trọng tải toàn phần nhỏ hơn 75.000 tấn: 0,4Lf đo từ đường vuông góc mũi |
|
|
Chiều ngang |
B/3 tại vị trí bất kỳ ở đáy |
|
Chiều thẳng đứng |
Thủng thân vỏ ngoài |
Bảng 3.12 Hệ số ngập nước
|
Không gian |
Hệ số ngập nước |
|
Dùng để làm kho |
0,60 |
|
Dùng làm buồng ở |
0,95 |
|
Để đặt máy móc |
0,85 |
|
Để trống |
0,95 |
|
Dùng để chứa chất lỏng dùng hàng ngày |
0 - 0,95* |
|
Dùng để chứa các chất lỏng khác |
0 - 0,95* |
Chú thích:
*: Hệ số ngập nước của khoang chứa chất lỏng một phần phải phù hợp với lượng chất lỏng được chứa của khoang. Khi sự hư hỏng xảy ra đối với bất kỳ két chứa chất lỏng nào, thì phải giả định rằng toàn bộ lượng chất lỏng chứa trong két đó chảy ra ngoài khoang được thay bằng nước mặn ngập đến mức mặt phẳng cân bằng cuối cùng.
(3) Không tính đến tính nổi của thượng tầng bất kỳ nằm ngay phía trên chỗ hỏng mạn. Tuy nhiên, các phần không bị ngập của thượng tầng nằm ngoài phạm vi hư hỏng có thể được xét đến với điều kiện là chúng tách biệt khỏi khoang bị hỏng bằng các vách ngăn kín nước và thỏa mãn các quy định ở 3.2.2-3(1) về các không gian nguyên vẹn. Các cửa kín nước có bản lề có thể chấp nhận là các vách ngăn kín nước trong thượng tầng.
(4) Ảnh hưởng của mặt thoáng phải được tính đến tại góc nghiêng 5o đối với từng khoang riêng biệt. Đăng kiểm có thể yêu cầu hoặc cho phép hiệu chỉnh mặt thoáng được tính toán tại góc nghiêng lớn hơn 5o đối với các két bị ngập từng phần.
(5) Khi tính toán ảnh hưởng mặt thoáng của chất lỏng tiêu hao, phải giả thiết rằng, mỗi loại chất lỏng ở trong ít nhất một cặp két ngang hoặc một két trung tâm đều có mặt thoáng và két hoặc cặp két này được xét đến với ảnh hưởng của mặt thoáng là lớn nhất.
5 Mọi tàu dầu áp dụng các quy định trong Phần này phải được trang bị theo các yêu cầu ở (1) và (2) sau đây:
(1) Thông tin liên quan đến việc làm hàng và phân bố hàng để đảm bảo thỏa mãn quy định 3.2.2, và
(2) Các số liệu về khả năng của tàu thỏa mãn tiêu chuẩn ổn định tai nạn như được xác định theo 3.2.2, bao gồm cả kết quả của các miễn giảm đã được cho phép theo 3.2.2-1 (3) trên.
6 Tàu dầu có trọng tải toàn phần từ 5.000 tấn trở lên phải thỏa mãn tiêu chuẩn ổn định nguyên vẹn dưới đây theo điều kiện xấu nhất có thể xảy ra của các trạng thái hàng và dằn trong các hoạt động chuyển hàng lỏng. Các hoạt động chuyển hàng lỏng nêu ở -6 và -7 nghĩa là các thao tác chuyển hàng lỏng được thực hiện trên tàu như bơm/dỡ hàng, chuyển tải hàng, dằn/ tháo dằn, chuyển nước dằn và làm sạch két. Tuy nhiên, điều này không bao gồm việc dằn/ nhận hàng bất đối xứng nếu, đối với tàu có các vách dọc, tất cả các két ở một bên mạn là rỗng và tất cả các két ở bên mạn kia là vơi/đầy.
(1) Trên biển, các yêu cầu ở 2.2.1 của Phần 10 Mục II của Quy chuẩn kỹ thuật quốc gia về Phân cấp và đóng tàu biển vỏ thép phải được thỏa mãn.
(2) Tại cảng, chiều cao tâm nghiêng G0M phải không nhỏ hơn 0,15 m.
7 Đối với các tàu chở hàng hỗn hợp có trọng tải toàn phần từ 5.000 tấn trở lên, thay cho việc phải thỏa mãn các yêu cầu nêu ở -6, thông tin về ổn định nguyên vẹn trong quá trình thao tác làm hàng lỏng phải được đưa vào thông báo ổn định được Đăng kiểm duyệt, và niêm yết tại buồng điều khiển bơm hàng và đưa vào máy tính tính toán ổn định nếu có trang bị.
8 Tất cả các tàu dầu phải được trang bị máy tính ổn định, có khả năng kiểm tra được sự phù hợp với các tiêu chuẩn ổn định nguyên vẹn và tai nạn, được Đăng kiểm duyệt phù hợp với các tiêu chuẩn chức năng do IMO ban hành trong các tài liệu sau đây:
(1) Chương 4, Phần B của MSC.267(85): "Bộ luật quốc tế về ổn định nguyên vẹn, 2008" (IS Code, 2008).
(2) Phần 4, Phụ lục của Thông tư MSC.1/Circ.1229: "Hướng dẫn duyệt máy tính ổn định".
(3) Các tiêu chuẩn kỹ thuật nêu trong Phần 1 của Thông tư MSC.1/Circ.1461: "Hướng dẫn kiểm tra các yêu cầu về ổn định tai nạn của tàu hàng lỏng".
9 Bất kể yêu cầu nêu ở -8 trên, không cần phải thay thế máy tính ổn định lắp đặt trên tàu có giai đoạn bắt đầu đóng mới trước ngày 01 tháng 01 năm 2016 với điều kiện nó có khả năng kiểm tra được sự phù hợp với các tiêu chuẩn ổn định nguyên vẹn và tai nạn thỏa mãn yêu cầu của Đăng kiểm. Đối với các tàu có giai đoạn bắt đầu đóng mới trước ngày 01 tháng 01 năm 2016, phải tuân thủ quy định nêu ở -8 vào đợt kiểm tra cấp mới giấy chứng nhận đầu tiên vào hoặc sau ngày 01 tháng 01 năm 2016 nhưng không muộn hơn ngày 01 tháng 01 năm 2021.
10 Trong các trường hợp máy tính ổn định được lắp đặt lên tàu phù hợp với các yêu cầu ở -8 và -9 nói trên, tài liệu duyệt của Đăng kiểm cho máy tính ổn định phải được cất giữ trên tàu.
11 Đăng kiểm có thể miễn giảm các yêu cầu từ -8 đến -10 nói trên cho các tàu sau đây, miễn là quy trình áp dụng cho việc xác nhận tính ổn định nguyên vẹn và tai nạn vẫn duy trì được mức độ an toàn tương đương, khi được xếp tải phù hợp với các trạng thái đã được duyệt.
(1) Các tàu hoạt động chuyên dụng, với số lượng hạn chế sự thay đổi tải trọng sao cho tất cả các trạng thái tải trọng dự kiến đều đã được duyệt trong thông báo ổn định cho thuyền trưởng được trang bị phù hợp với các yêu cầu ở -5 trên.
(2) Các tàu mà việc xác định tính ổn định được thực hiện từ xa bởi phương tiện được Đăng kiểm duyệt.
(3) Các tàu được xếp tải trong phạm vi dải các trạng thái tải được duyệt, hoặc
(4) Các tàu có giai đoạn bắt đầu đóng mới trước ngày 01 tháng 01 năm 2016 có các đường đặc tính giới hạn KG/KM được duyệt bao gồm tất cả các yêu cầu phải áp dụng về ổn định nguyên vẹn và ổn định tai nạn.
3.2.3 Két dằn cách ly
1 Mọi tàu chở dầu thô có trọng tải toàn phần từ 20.000 tấn trở lên và chở sản phẩm dầu có trọng tải toàn phần từ 30.000 tấn trở lên phải trang bị các két dằn cách ly có thể tích và bố trí như sau đây. Tuy nhiên, không đòi hỏi tuân thủ các điều khoản của các quy định ở (2) dưới đây khi áp dụng 3.2.4:
(1) Thể tích các két dằn cách ly trong tất cả các trạng thái dằn kể cả khi không hàng và chỉ dằn cách ly phải sao cho chiều chìm và độ chúi có thể thỏa mãn từng quy định (a) đến (c) sau đây. Tuy nhiên, các điều kiện dằn cách ly đối với tàu dầu có chiều dài Lf dưới 150 m phải thỏa mãn các yêu cầu ở (d).
(a) Chiều chìm lý thuyết ở giữa tàu (dm) tính bằng mét (không tính đến sự biến dạng của tàu) phải không nhỏ hơn:
2,0 + 0,02 Lf
(b) Chiều chìm tại đường vuông góc mũi và đuôi phải tương ứng với các giá trị được xác định theo chiều chìm giữa tàu (dm) như được nêu ở (a) của mục này, khi chúi đuôi không lớn hơn 0,015L, và
(c) Trong bất cứ trường hợp nào chiều chìm tại đường vuông góc đuôi không nhỏ hơn chiều chìm cần thiết để ngập hoàn toàn chân vịt.
(d) Chiều chìm trung bình tối thiểu (m) ≥ 1,550 + 0,023Lf và chúi dọc lớn nhất (m) ≤ 1,600+0,013Lf.
(2) Các két dằn cách ly được đặt trong phạm vi các két dầu hàng phải thỏa mãn các quy định từ (a) đến (c) sau đây để đảm bảo biện pháp ngăn ngừa sự chảy dầu trong trường hợp đâm va hoặc mắc cạn:
(a) Các két dằn cách ly và các khoang kín khác không phải là két dầu hàng nằm trong phạm vi chiều dài két dầu hàng (Lt) phải được bố trí sao cho thỏa mãn các quy định sau đây:
ΣPAC + ΣPAS ≥ J[Lt (B+2D)]
Trong đó:
PAC: Vùng tôn mạn tính bằng m2 với từng két dằn cách ly hoặc khoang không phải là két chứa dầu, lấy theo các kích thước tính toán lý thuyết;
PAS: Vùng tôn đáy tính bằng m2 đối với từng két hoặc khoang đó lấy theo các kích thước tính toán lý thuyết;
Lt: Chiều dài giữa mép đầu và cuối của các két hàng, (m);
D: Chiều cao lý thuyết được đo thẳng đứng từ mép trên của sống đáy đến mép trên của xà ngang boong mạn khô tại mạn ở giữa tàu, tính bằng mét. Ở các tàu có mép mạn vê tròn, chiều cao lý thuyết phải được đo đến giao điểm của các đường boong lý thuyết và đường tôn mạn lý thuyết, các đường kéo dài khi đi qua mép mạn thuộc kết cấu góc;
J: J = 0,45 đối với tàu dầu có trọng tải toàn phần 20.000 tấn;
J = 0,30 đối với tàu dầu có trọng tải toàn phần từ 200.000 tấn trở lên, có tính đến các yêu cầu của điểm (b) của quy định này.
Đối với các tàu có giá trị trung gian của trọng tải, đại lượng J được xác định bằng nội suy tuyến tính.
(b) Đối với các tàu dầu có trọng tải toàn phần từ 200.000 tấn trở lên, đại lượng J có thể được giảm như sau:
J được giảm
hoặc bằng 0,2, lấy giá trị nào lớn hơn
Trong đó:
a = 0,25 đối với tàu dầu có trọng tải toàn phần 200.000 tấn;
a = 0,40 đối với tàu dầu có trọng tải toàn phần 300.000 tấn;
a = 0,50 đối với tàu dầu có trọng tải toàn phần 420.000 tấn trở lên.
Đối với các giá trị trung gian của trọng tải, đại lượng a được xác định bằng nội suy tuyến tính.
OC và OS: Các đại lượng được nêu ở 3.2.1 (2);
OA: Lượng dầu cho phép chảy ra được nêu ở 3.2.1(3).
(c) Khi xác định PAc và PAs của các khoang kín không phải là két dằn cách ly và két dầu hàng, phải tuân theo các quy định ở (i) và (ii) sau đây:
(i) Chiều rộng của một két mạn sâu toàn phần, két mạn có chiều cao kéo dài từ khoang kín khác hoặc boong đến đỉnh đáy đôi hoặc đến khoang kín khác không được nhỏ hơn 2 m. Chiều rộng của két mạn hoặc khoang kín khác được đo ở phía trong tính từ mạn tàu theo phương vuông góc với đường tâm tàu. Két mạn hoặc khoang kín khác bất kỳ có chiều rộng nhỏ nhất nhỏ hơn 2 m không được tính đến khi xác định PAC.
(ii) Chiều cao thẳng đứng nhỏ nhất của từng két đáy đôi hoặc khoang kín khác phải không nhỏ hơn B/15 hoặc 2 m, lấy giá trị nào nhỏ hơn. Các két đáy đôi hoặc các khoang kín khác có chiều cao nhỏ nhất nhỏ hơn giá trị trên không được tính đến khi xác định PAS. Chiều rộng nhỏ nhất và chiều cao nhỏ nhất của các két mạn hoặc các két đáy đôi phải được đo ở ngoài khu vực đáy tàu và đối với chiều rộng nhỏ nhất phải được đo ở ngoài vùng mép được lượn tròn.
3.2.4 Ngăn ngừa ô nhiễm dầu trong trường hợp đâm va hoặc mắc cạn
(1) Mọi tàu dầu có trọng tải toàn phần 5.000 tấn trở lên phải thỏa mãn một trong các quy định bất kỳ nêu từ (a) đến (c) dưới đây:
(a) Toàn bộ chiều dài két hàng phải được bảo vệ bằng các két dằn hoặc các không gian không phải là két dầu hàng và két dầu đốt như sau:
(i) Các két hoặc khoang mạn phải hoặc là liên tục trên suốt chiều cao của mạn tàu hoặc đi từ mặt trên của đáy đôi đến boong trên, không kể mép mạn lượn tròn, nếu có. Các két hoặc khoang này, ở mọi chỗ phải được bố trí sao cho các két hàng nằm vào phía trong của đường lý thuyết của tôn mạn một khoảng w, như ở Hình 3.4, đo tại tiết diện ngang bất kỳ theo phương vuông góc với tôn mạn, như được cho ở dưới đây:
(m) hoặc bằng 2,0 m, lấy giá trị nào nhỏ hơn.
Tuy nhiên, giá trị nhỏ nhất của w = 1,0 m.
(ii) Tại bất kỳ mặt cắt ngang nào chiều cao của mỗi két hoặc khoang đáy đôi phải sao cho khoảng cách h giữa đáy của các két hàng và đường lý thuyết của tôn đáy được đo theo phương vuông góc với tôn đáy như được chỉ ở Hình 3.4 không nhỏ hơn giá trị xác định dưới đây:
h = B/15, hoặc bằng 2,0 m, lấy giá trị nào nhỏ hơn.
Tuy nhiên, giá trị nhỏ nhất của h = 1,0 m.
(iii) Khi các khoảng cách h và w khác nhau tại chỗ lượn của vùng đáy tàu hoặc tại các vị trí không có lượn tròn được định rõ của đáy tàu, thì khoảng cách w phải được ưu tiên hơn tại mức vượt quá 1,5 h phía trên đường cơ sở như được chỉ ra ở Hình 3.4.

Hình 3.4 Chiều rộng yêu cầu đáy đôi và mạn kép
(iv) Trên các tàu chở dầu thô có trọng tải toàn phần từ 20.000 tấn trở lên và các tàu chở dầu thành phẩm có trọng tải toàn phần từ 30.000 tấn trở lên, tổng dung tích các két mạn, các két đáy đôi, các két mũi và các két đuôi phải không nhỏ hơn dung tích các két dằn cách ly cần thiết thỏa mãn các quy định 3.2.3-1(1). Các két mạn hoặc không gian mạn và các két đáy đôi được sử dụng thỏa mãn các quy định 3.2.3-1(1) phải được bố trí theo thực tế càng giống nhau càng tốt dọc theo chiều dài két hàng. Thể tích két dằn cách ly bổ sung thêm được trang bị để giảm ứng suất uốn sống dọc thân tàu, độ chúi v.v... có thể được bố trí ở bất kỳ chỗ nào bên trong tàu.
(v) Các giếng hút trong các két hàng có thể làm nhô vào trong đáy đôi bên dưới đường giới hạn được xác định bằng khoảng cách h với điều kiện các giếng đó nhỏ đến mức có thể thực hiện được và khoảng cách giữa đáy giếng và tôn đáy không nhỏ hơn 0,5h.
(vi) Đường ống dằn và các đường ống khác như ống đo và ống thông hơi cho các két dằn phải không xuyên qua các két hàng. Đường ống hàng và các đường ống tương tự cho các két hàng phải không xuyên qua các két dằn. Việc miễn các quy định này có thể được chấp nhận cho các ống dẫn có chiều dài ngắn, với điều kiện chúng được hàn kín hoàn toàn hoặc bằng biện pháp tương đương.
(b) Trên toàn bộ chiều dài két hàng phải được bảo vệ bởi tôn boong, các két dằn hoặc các khoang không phải là khoang chứa dầu hàng và các két dầu đốt như sau:
(i) Hàng và áp suất hơi tác dụng lên tôn đáy tạo thành một ranh giới đơn giữa hàng và nước biển phải không vượt quá áp lực thủy tĩnh của nước bên ngoài như được thể hiện bằng công thức sau đây:
f.hc.ρc.g + 100Δp ≤ dn.ρs.g
Trong đó:
hc: Chiều cao của hàng tiếp xúc với tôn đáy (m);
ρc: Khối lượng riêng lớn nhất của hàng (tấn/m3);
dn: Chiều chìm khai thác nhỏ nhất trong mọi trạng thái nhận hàng (m);
ρs: Khối lượng riêng của nước biển (tấn/m3);
Δp: Áp suất đặt cực đại của van áp suất/ van chân không trang bị cho két hàng (bar);
f: Hệ số an toàn = 1,1;
g: Gia tốc trọng trường (9,81 m/s2).
(ii) Bất kỳ vách ngang nào cần thiết để đáp ứng các quy định trên phải được bố trí ở một độ cao không nhỏ hơn B/6 hoặc 6 m, lấy giá trị nào nhỏ hơn, nhưng không lớn hơn 0,6D, bên trên đường cơ sở khi D là chiều cao lý thuyết ở giữa tàu.
(iii) Vị trí của các két mạn hoặc khoang mạn phải được xác định như ở 3.2.4(1)(a)(i), trừ phần bên dưới đoạn 1,5h trên đường cơ sở khi h được xác định ở 3.2.4(1)(a)(ii), thì đường bao két dầu hàng có thể được kéo thẳng đứng xuống tới tôn đáy, như được chỉ ra ở Hình 3.5.

Hình 3.5 Chiều rộng yêu cầu của mạn kép
(iv) Trên các tàu chở dầu thô có trọng tải toàn phần từ 20.000 tấn trở lên và các tàu chở dầu thành phẩm có trọng tải toàn phần từ 30.000 tấn trở lên, tổng thể tích các két mạn, các két mũi và các két đuôi phải thỏa mãn các quy định ở 3.2.4(1)(a)(iv).
(v) Đường ống dẫn nước dằn và đường ống dẫn hàng phải thỏa mãn các quy định ở 3.2.4(1)(a)(vi).
(c) Các phương pháp thiết kế và kết cấu tàu dầu khác có thể được Đăng kiểm chấp nhận là thay thế tương đương với các quy định được nêu ở 3.2.4(1)(a), với điều kiện các phương pháp đó bảo đảm ít nhất có cùng mức độ ngăn ngừa ô nhiễm dầu trong trường hợp đâm va hoặc mắc cạn.
(2) Các tàu dầu trọng tải toàn phần dưới 5.000 tấn phải thỏa mãn các quy định (a) và (b) sau đây:
(a) Các két đáy đôi hoặc khoang đáy đôi thỏa mãn 3.2.4(1)(a)(ii) phải được bố trí dọc toàn bộ chiều dài két hàng. Trong trường hợp này, khoảng cách h được xác định ở 3.2.4 (1)(a)(ii) có thể được lấy theo công thức sau:
h = B/15 (m)
Tuy nhiên, giá trị nhỏ nhất của h = 0,76 m tại vùng lượn của hông tàu và tại các khu vực không xác định được rõ vùng lượn của hông, thì đường bao két hàng phải chạy song song với mặt phẳng đáy giữa tàu như được chỉ ra ở Hình 3.6.

Hình 3.6 Chiều cao yêu cầu của đáy đôi
(b) Thể tích của mỗi két hàng phải không được vượt quá 700 m3 trừ khi các két mạn hoặc không gian mạn thỏa mãn 3.2.4 (1)(a)(i) được bố trí dọc toàn bộ chiều dài két hàng. Trong trường hợp này, khoảng cách w được xác định ở 3.2.4 (1)(a)(i) có thể được lấy theo công thức sau:
(m)
với giá trị nhỏ nhất của w = 0,76 m
(3) Bất kể các quy định ở 3.1.1-2, đối với tàu dầu có tổng dung tích từ 500 trở lên, hoạt động tuyến quốc tế và có giai đoạn bắt đầu đóng mới vào hoặc sau ngày 01 tháng 9 năm 1984, thì dầu không được chở trong bất kỳ khoang nào ở phía trước vách chống va được bố trí theo 11.1.1-1 Phần 2A Mục II của Quy chuẩn kỹ thuật quốc gia về Phân cấp và đóng tàu biển vỏ thép. Các tàu dầu khác không phải tàu nêu trên không được chứa dầu trong bất kỳ khoang nào nằm ở phía trước mặt cắt ngang vuông góc với đường tâm tàu được bố trí giả định như là vách chống va đã được bố trí phù hợp với quy định trên.
3.2.5 Bảo vệ buồng bơm hàng
1 Buồng bơm hàng của tàu dầu có trọng tải toàn phần từ 5.000 tấn trở lên phải được trang bị đáy đôi sao cho tại bất kỳ mặt cắt nào chiều cao của két hoặc không gian đáy đôi phải là khoảng cách h giữa đáy của buồng bơm và đường cơ sở của tàu được đo vuông góc với đường cơ sở không được nhỏ hơn giá trị quy định sau đây:
h = B/15 (m) hoặc
h = 2,0 (m), lấy giá trị nào nhỏ hơn.
Tuy nhiên, giá trị nhỏ nhất của h = 1,0 (m)
2 Trong trường hợp buồng bơm hàng mà tôn đáy đặt phía trên đường cơ sở một chiều cao tối thiểu quy định ở -1 trên (ví dụ các tàu có thiết kế đuôi hẹp), thì không cần thiết trang bị đáy đôi cho buồng bơm.
3 Bơm nước dằn, nếu được trang bị trong buồng bơm, thì phải được trang bị thích hợp để đảm bảo khả năng hút từ các két đáy đôi.
4 Bất kể các quy định từ -1 và -2 nêu trên, khi việc ngập buồng bơm hàng không làm mất tác dụng của hệ thống bơm hàng và dằn, thì không cần thiết trang bị đáy đôi.
5 Các hố tụ có thể nằm sâu xuống đáy đôi nếu hố tụ này nhỏ đến mức thực tế thực hiện được và chiều cao từ đáy hố tụ đến đáy đôi tàu đo theo phương thẳng đứng không nhỏ hơn 0,5h.
3.3 Bố trí thiết bị và hệ thống đường ống
3.3.1 Hệ thống lưu giữ dầu trên tàu
1 Tàu dầu có tổng dung tích từ 150 trở lên phải được trang bị hệ thống rửa két hàng thích hợp.
2 Tàu dầu có tổng dung tích nhỏ hơn 150 phải có hệ thống lưu giữ hỗn hợp dầu trên tàu để xả vào các phương tiện tiếp nhận. Tuy nhiên, nếu các phương tiện thải dầu đã được lắp đặt trên tàu thỏa mãn yêu cầu 3.3, thì quy định này có thể được bỏ qua.
3 Tàu dầu có tổng dung tích từ 150 trở lên phải bố trí ít nhất một két lắng có dung tích đủ để giữ lại cặn lắng, cặn dầu và cặn nước dằn bẩn do rửa két, thỏa mãn các quy định ở 3.3,1-4 đến 3.3.1-9 sau đây và các tàu dầu trọng tải toàn phần trên 70.000 tấn phải được bố trí ít nhất 2 két lắng. Tổng dung tích các két lắng, trừ các trường hợp được nêu ở (1) đến (3), phải không dưới 3% dung tích chở dầu của tàu:
(1) Tổng thể tích két lắng của tàu dầu bất kỳ có lượng nước rửa két được thu gom trong một hoặc các két lắng đủ để thực hiện rửa két thêm nữa mà không phải bổ sung thêm nước, được trang bị bơm phụt (eductor) và hệ thống rửa két có khả năng cung cấp đủ nước cho bơm phụt hoạt động, thì không được nhỏ hơn 2%.
(2) Tổng thể tích két lắng của tàu dầu bất kỳ được trang bị két dằn cách ly thỏa mãn quy định 3.2.3 hoặc bất kỳ tàu dầu nào được trang bị hệ thống rửa bằng dầu thô thỏa mãn quy định 3.4 phải không dưới 2%.
Tuy nhiên, tổng thể tích két lắng, nếu có lượng nước rửa két được thu gom trong một hoặc các két lắng đủ để thực hiện rửa két thêm nữa mà không phải bổ sung thêm nước, được trang bị bơm phụt (eductor) và hệ thống rửa két có khả năng cung cấp đủ nước cho bơm phụt hoạt động, thì có thể được giảm đi thành không được nhỏ hơn 1,5%.
(3) Tổng thể tích két lắng của tàu chở hàng hỗn hợp bất kỳ mà dầu hàng chỉ được chứa trong các két có bề mặt vách nhẵn phải không dưới 1 %.
Tuy nhiên, tổng thể tích két lắng, nếu có lượng nước rửa két được thu gom trong một hoặc các két lắng đủ để thực hiện rửa két thêm nữa mà không phải bổ sung thêm nước, được trang bị bơm phụt (eductor) và hệ thống rửa két có khả năng cung cấp đủ nước cho bơm phụt hoạt động, thì có thể được giảm đi thành không được nhỏ hơn 0,8%.
4 Các két lắng phải được thiết kế sao cho việc bố trí các đầu vào, đầu ra, các vách ngăn, lưới không tạo dòng xoáy quá mức của dầu hoặc nhũ tương với nước.
5 Phải trang bị đủ phương tiện để làm vệ sinh các két hàng và vận chuyển cặn nước dằn bẩn và nước rửa két từ các két hàng vào két lắng.
6 Két lắng phải được trang bị hệ thống điều khiển và kiểm soát xả dầu đối với cặn nước dằn và nước rửa két, có đặc tính như nêu ở từ (1) đến (6) sau đây và phải được Đăng kiểm công nhận kiểu phù hợp với (7) dưới đây.
(1) Có một thiết bị ghi được hợp thành trong hệ thống để ghi liên tục việc xả tính bằng lít trên 1 hải lý và tổng số lượng đã xả, hoặc ghi hàm lượng dầu và cường độ xả.
(2) Việc ghi được nói đến ở (1) phải có thể nhận biết được giờ và ngày.
(3) Hệ thống điều khiển và kiểm soát xả dầu phải hoạt động ngay khi có bất kỳ việc xả nào ra biển.
(4) Hệ thống điều khiển và kiểm soát xả dầu phải có thiết bị báo động để báo động bằng tín hiệu ánh sáng và âm thanh khi cường độ xả dầu tức thời vượt quá 30 lít trên 1 hải lý, khi tổng số lượng được xả ra biển vượt quá 1/30.000 tổng số lượng hàng đã tạo thành một phần hỗn hợp dầu đang nói đến hoặc khi xảy ra hư hỏng hệ thống điều khiển và kiểm soát xả dầu.
(5) Việc xả bất kỳ hỗn hợp dầu nào phải tự động ngừng khi thiết bị báo động phát tín hiệu báo động. Tuy nhiên, đối với tàu có trọng tải toàn phần dưới 4.000 tấn và có giai đoạn bắt đầu đóng mới trước ngày 01 tháng 01 năm 2005 thì có thể được miễn yêu cầu này.
(6) Phải có biện pháp vận hành khác bằng tay và có thể sử dụng được trong trường hợp hư hỏng hệ thống điều khiển và kiểm soát xả dầu.
(7) Hệ thống điều khiển và kiểm soát xả dầu đối với cặn nước dằn và nước rửa két phải thỏa mãn các tiêu chuẩn sau:
(a) Đối với các tàu có giai đoạn bắt đầu đóng mới vào hoặc sau ngày 01 tháng 01 năm 2005: MEPC.108(49);
(b) Đối với các tàu dự định để chở hỗn hợp nhiên liệu sinh học có chứa từ 75% nhiên liệu dầu mỏ trở lên có giai đoạn bắt đầu đóng mới vào hoặc sau ngày 01 tháng 01 năm 2005: MEPC.240(65), trừ khi được Đăng kiểm hướng dẫn khác đi.
(c) Đối với các tàu khác với nêu ở (a) và (b) trên, có giai đoạn bắt đầu đóng mới vào hoặc sau ngày 02 tháng 10 năm 1986: A. 586(14);
(d) Đối với các tàu khác với nêu ở (a) đến (c) trên: A. 496(XII) và MEPC.13(19).
7 Bố trí đường ống cho hệ thống điều khiển và kiểm soát xả dầu phải tuân thủ các yêu cầu từ (1) đến (5) sau:
(1) Đường ống xả nước dằn lẫn dầu phải được lắp hệ thống lấy mẫu thỏa mãn các yêu cầu sau:
(a) Hệ thống phải có một van chặn được lắp kề mỗi đầu cảm biến lấy mẫu. Nếu đầu cảm biến được lắp trong ống hàng, phải lắp 2 van chặn liên tiếp trong ống lấy mẫu. Một trong các van này có thể là van lựa chọn mẫu được điều khiển từ xa.
(b) Các cảm biến lấy mẫu phải được bố trí sao cho dễ dàng tháo ra được và phải cố gắng được lắp ở vị trí dễ tiếp cận trên đoạn ống xả thẳng đứng. Trong trường hợp các cảm biến lấy mẫu được lắp ở đoạn ống xả nằm ngang, các cảm biến này phải được lắp vào ống luôn có đầy chất lỏng chảy qua trong mọi thời điểm của quá trình xả thải. Các cảm biến lấy mẫu thông thường phải xuyên vào trong ống xả một đoạn bằng 1/4 đường ống đó.
(c) Phải có phương tiện để làm sạch các cảm biến và hệ thống ống bằng cách trang bị hệ thống xả nước làm sạch cố định hoặc phương pháp tương đương.
(d) Thời gian phản ứng toàn bộ phải càng ngắn càng tốt giữa một biến đổi trong hỗn hợp được bơm và biến đổi trong chỉ số đo và trong mọi trường hợp không được quá 40 giây, bao gồm cả thời gian phản ứng của thiết bị đo.
(e) Bố trí xả vệ sinh phải sao cho nếu cần, có thể sử dụng nó để chạy thử và cân bằng thiết bị đo hàm lượng dầu và để hiệu chỉnh chế độ đặt về “0”.
(f) Phải trang bị van để lấy mẫu bằng tay từ đường ống vào thiết bị đo ở điểm phía dưới theo dòng chảy của bơm lấy mẫu hoặc ở vị trí tương tự.
(2) Nước lấy mẫu quay lại két lắng không được phép chảy tự do vào két. Trong các tàu chở hàng lỏng có trang bị hệ thống khí trơ, phải bố trí đoạn làm kín chữ U có đủ chiều cao trong đường ống dẫn đến két lắng.
(3) Lưu lượng kế để đo tốc độ xả phải được lắp đặt ở đoạn ống xả thẳng đứng hoặc trong đoạn ống xả phù hợp khác, sao cho luôn ngập đầy chất lỏng trong quá trình xả.
(4) Lưu lượng kế phải phù hợp cho toàn bộ dải tốc độ dòng chảy có thể gặp phải trong điều kiện hoạt động binh thường. Có thể sử dụng việc bố trí thiết bị khác, như trang bị 2 lưu lượng kế có phạm vi đo khác nhau.
(5) Các thiết bị báo động bằng ánh sáng và âm thanh nêu ở -6(4) trên phải được lắp đặt trong buồng điều khiển hàng. Nếu không có buồng điều khiển hàng thì chúng phải được trang bị ở vị trí thường xuyên có người trực.
8 Phải trang bị các thiết bị phát hiện ranh giới dầu/nước có hiệu quả, được Đăng kiểm công nhận kiểu phù hợp với MEPC.5(XIII), để xác định hữu hiệu bề mặt phân cách dầu/nước trong các két lắng hoặc trong các két khác mà từ đó chất lắng, cặn được xả trực tiếp ra biển.
9 Tàu phải trang bị hướng dẫn vận hành cho hệ thống điều khiển và kiểm soát xả dầu cho cặn nước dằn và nước rửa két. Hướng dẫn này phải được Đăng kiểm duyệt, bao gồm tất cả các chi tiết cần thiết để vận hành và bảo dưỡng hệ thống và tối thiểu phải bao gồm các nội dung sau. Các nội dung này có thể nhóm lại như dưới đây hoặc theo cách tương đương:
(1) Phần giới thiệu: Các thông số chính của tàu, ngày hệ thống được lắp đặt và danh mục các nội dung còn lại của hướng dẫn. Các nội dung đầy đủ của Quy định 31, 34 của Phụ lục I MARPOL.
(2) Phần 1: Các hướng dẫn về thiết bị của nhà sản xuất đối với các bộ phận chính của hệ thống. Các hướng dẫn này bao gồm lắp đặt, thử vận hành, các quy trình vận hành và khắc phục sự cố đối với thiết bị giám sát hàm lượng dầu.
(3) Phần 2: Hướng dẫn vận hành bao gồm mô tả về hệ thống dằn hàng của tàu, ống xả mạn đã định với các điểm lấy mẫu, các quy trình vận hành thông thường, các đầu vào tự động, các đầu vào vận hành bằng tay (nếu có) khởi động khóa liên động và điều khiển van xả (nếu áp dụng), hệ thống bỏ qua chế độ đã đặt (override system), các báo động ánh sáng và âm thanh, các thông số ra được ghi lại, nếu có yêu cầu đặt chế độ đầu vào bằng tay, lưu lượng khi xả bằng trọng lực và khi bơm dằn ra ngoài tàu. Phải có hướng dẫn xả nước lẫn dầu trong trường hợp thiết bị hư hỏng. Các thông tin trên phải được hỗ trợ bởi bản sao các sơ đồ thích hợp đã được duyệt. Có thể có tham chiếu đến phần 1 trên nếu cần.
(4) Phần 3: Hướng dẫn kỹ thuật bao gồm chương trình phát hiện sự cố, bản ghi bảo dưỡng, sơ đồ biểu đồ thủy lực, khí nén, điện và thuyết minh toàn bộ hệ thống. Có thể có tham chiếu đến phần 1 trên nếu cần.
(5) Phần 4: Các quy trình thử và kiểm tra bao gồm thử chức năng khi lắp đặt và lưu ý hướng dẫn để đăng kiểm viên thực hiện kiểm tra lần đầu và trong quá trình khai thác. Có thể có tham chiếu đến phần 1 trên nếu cần.
(6) Phụ lục 1: Các đặc tính kỹ thuật của hệ thống, bao gồm vị trí và lắp đặt các bộ phận, trang bị để duy trì sự nguyên vẹn của các khu vực “an toàn", các yêu cầu về an toàn của thiết bị điện được lắp đặt trong các khu vực nguy hiểm kèm theo bản sao các bản vẽ được duyệt, bố trí ống lấy mẫu, tính toán độ trễ lấy mẫu, thiết kế và bố trí các đầu cảm biến lấy mẫu, hệ thống xả rửa và cài đặt về “0”. Có thể có tham chiếu đến phần 1 trên nếu cần.
(7) Phụ lục 2: Bản sao giấy chứng nhận công nhận kiểu và giấy chứng nhận công nhận quy trình chế tạo của các bộ phận chính.
10 Các quy định ở 3.3.1-3 đến 3.3.1-9 trên không áp dụng cho các tàu dầu chở nhựa đường hoặc các sản phẩm hóa dầu khác phải áp dụng các quy định của Phần này nhưng khó tách nước khỏi các sản phẩm dầu mỏ đó bởi các tính chất vật lý của chúng. Trong trường hợp này, các tàu dầu phải được trang bị hệ thống lưu giữ hỗn hợp dầu trên tàu để sau đó xả vào phương tiện tiếp nhận.
11 Đối với các tàu dầu chỉ hoạt động tuyến nội địa và trong phạm vi cách bờ gần nhất không quá 50 hải lý, không phải áp dụng các quy định ở 3.3.1-6 đến 3.3.1-9 nếu Đăng kiểm thấy việc miễn giảm này là phù hợp và tàu chỉ xả lên phương tiện tiếp nhận. Trong trường hợp này việc xả của chúng phải được ghi trong sổ nhật ký dầu.
3.3.2 Hệ thống thải dầu
1 Trên mỗi tàu dầu, phải lắp đặt trên boong hở ở cả hai bên mạn tàu các cụm ống xả để nối vào phương tiện tiếp nhận nhằm xả nước dằn bẩn hoặc nước lẫn dầu.
2 Trên mỗi tàu dầu, các đường ống để xả ra biển nước dằn hoặc nước lẫn dầu trong các khoang hàng phải được dẫn đến boong hở hoặc đến mạn tàu phía trên đường nước ở trạng thái dằn sâu nhất. Trừ khi nước như vậy có thể xả bằng đường ống khác trong trường hợp (1) hoặc (2) dưới đây. Tuy nhiên, các tàu dầu có hợp đồng đóng mới vào hoặc sau ngày 01 tháng 10 năm 2007 phải bố trí lỗ xả phía trên đường nước ở trạng thái dằn sâu nhất:
(1) Các đường ống để xả nước dằn cách ly và nước dằn sạch nếu có trang bị các phương tiện để kiểm tra bề mặt của nước dằn ngay trước khi xả và việc xả được thực hiện trong phạm vi vùng cảng hoặc khu vực neo giữ tàu ngoài biển, hoặc được xả ngoài biển chỉ bằng phương pháp trọng lực hoặc được xả ngoài biển bằng bơm nếu việc trao đổi nước dằn được thực hiện bằng phương pháp được Đăng kiểm chấp nhận.
(2) Các đường ống xả nước dằn cách ly và nước dằn sạch nếu có trang bị thiết bị xác định ranh giới dầu/nước có khả năng kiểm tra nước dằn ngay trước khi xả như được nêu ở 3.3.1-8 và được xả ra biển chỉ bằng phương pháp trọng lực. Tuy nhiên, ngay cả trong trường hợp này, các đường ống để xả từ các két lắng phải được dẫn đến boong hở hoặc mạn tàu phía trên đường nước ở trạng thái dằn sâu nhất.
3 Phải trang bị phương tiện để ngừng việc xả nước thải ra biển từ một vị trí quan sát ở boong trên cùng hoặc cao hơn và bố trí sao cho có thể quan sát được bằng mắt cụm ống xả nêu ở 3.3.2-1 và nước thải xả ra từ đường ống được nêu ở 3.3.2-2. Không cần trang bị phương tiện để ngừng xả ở vị trí quan sát nếu có một hệ thống liên lạc chủ động như hệ thống điện thoại hoặc vô tuyến điện giữa vị trí quan sát và vị trí kiểm soát xả.
4 Bổ sung vào các quy định được nêu ở 3.3.2-1 đến 3.3.2-3 trên, tàu chở dầu thô có trọng tải toàn phần từ 20.000 tấn trở lên và các tàu chở dầu thành phẩm có trọng tải toàn phần từ 30.000 tấn trở lên phải được trang bị các hệ thống xả như được nêu ở (1) và (2) sau đây:
(1) Các đường ống dầu hàng phải được bố trí sao cho lượng cặn dầu cồn lại trong đường ống là nhỏ nhất.
(2) Phải trang bị các phương tiện để cặn dầu còn lại trong bơm hàng và các đường ống dầu hàng sau khi xả hàng có thể được rút hết hoặc được rút ra nhờ nối chúng với đường hút vét hoặc phương tiện có hiệu quả khác. Đối với cặn dầu, phải trang bị các đường ống với đường kính nhỏ riêng biệt ở bên ngoài tàu nối với cụm ống vận chuyển lên bờ để chuyển chúng đến các két dầu hoặc các két lắng, cũng như lên phương tiện tiếp nhận trên bờ. Tiết diện của các ống đường kính nhỏ phải không được quá 10% tiết diện của rác đường ống xả hàng chính.
5 Nếu các tàu dầu có tổng dung tích từ 150 trở lên được trang bị hộp thông biển nối cố định với hệ thống đường ống dầu hàng, phải trang bị cả van thông biển và van cách ly phía trong tàu. Ngoài các van này, hộp thông biển phải có khả năng cách ly với hệ thống đường ống dầu hàng khi tàu nhận hàng, chuyển hàng, hoặc xả hàng bằng các phương tiện chủ động thích hợp. Phương tiện chủ động này phải là một thiết bị được lắp vào hệ thống đường ống nhằm mục đích ngăn ngừa đoạn ống giữa van thông biển và van cách ly bị lọt dầu vào trong mọi tình huống.
3.4 Hệ thống rửa bằng dầu thô
3.4.1 Các quy định về lắp đặt
1 Các tàu chở dầu thô có trọng tải toàn phần từ 20.000 tấn trở lên phải được trang bị như sau:
(1) Hệ thống rửa bằng dầu thô thỏa mãn các quy định ở 3.4.
(2) Hệ thống khí trơ thỏa mãn các quy định của Quy chuẩn kỹ thuật quốc gia về Phân cấp và đóng tàu biển vỏ thép cho tất cả các két dầu hàng và két lắng.
(3) Sổ tay các quy trình và hệ thống mô tả chi tiết hệ thống rửa bằng dầu thô và chỉ rõ quy trình vận hành, được Đăng kiểm duyệt.
2 Các tàu dầu không phải là các tàu nêu ở -1 trên được trang bị hệ thống rửa bằng dầu thô phải thỏa mãn các quy định 3.4, trừ 3.4.3-1(2), 3.4.4-1(2) đến (5) và 3.4.5-1(2), (4), (6) và (7).
3.4.2 Bố trí đường ống cho hệ thống rửa bằng dầu thô
1 Bố trí đường ống dẫn cho hệ thống rửa bằng dầu thô phải thỏa mãn các quy định (1) đến (9) sau đây:
(1) Các ống và van rửa bằng dầu thô nằm trong hệ thống đường ống cấp phải được làm bằng thép hoặc vật liệu tương đương có đủ độ bền chịu áp suất làm việc lớn nhất và được nối ghép và gá đỡ một cách thích hợp.
(2) Các đường ống dùng cho hệ thống rửa bằng dầu thô phải cố định và độc lập với ống cứu hỏa hoặc các hệ thống ống dẫn không phải đường ống rửa bằng dầu thô. Tuy nhiên, một bộ phận đường ống dầu hàng của tàu có thể được dùng chung với đường ống rửa bằng dầu thô khi được Đăng kiểm chấp nhận.
Đối với các tàu chở hàng hỗn hợp đang chở hàng không phải là chất lỏng, các đường ống rửa bằng dầu thô có thể là loại tháo ra được khi cần thiết, nhưng khi được dùng lại, chúng phải được lắp đặt đúng để bảo đảm kín dầu.
Khi cần thiết phải trang bị thiết bị rửa két gắn ở nắp miệng hầm hàng, thì phải sử dụng ống mềm để nối hệ thống rửa bằng dầu thô với thiết bị rửa két, ống mềm phải là kiểu nổi bằng bích được Đăng kiểm chấp nhận. Chiều dài của ống không được vượt quá chiều dài cần thiết để nối thẳng thiết bị rửa két với một vị trí khép kín phía ngoài thành miệng két. Phải bố trí một khu vực để cất giữ cho các ống mềm này khi chúng không được sử dụng.
(3) Các đường ống cung cấp để rửa két phải được trang bị các thiết bị để bảo vệ sự quá áp. Lượng dầu tràn qua thiết bị an toàn được trang bị để bảo vệ quá áp phải được dẫn đến đầu hút của bơm cấp.
(4) Khi hệ thống rửa két được lắp một van cấp nước để rửa bằng nước, thì van này phải đủ bền và nếu dầu thô có thể lọt vào hệ thống rửa, thì phải trang bị các phương tiện để đóng ngắt bộ phận được nối vào bằng cách sử dụng bích đặc.
(5) Khi hệ thống đường ống được lắp các áp kế hoặc các dụng cụ khác, phải trang bị một van chặn gần các dụng cụ đó hoặc các dụng cụ đó phải là loại được thiết kế kín.
(6) Không bộ phận nào của hệ thống rửa bằng dầu thô được bố trí trong buồng máy. Nếu trang bị bầu hâm sử dụng hơi nước cho hệ thống rửa két, thì bầu hâm này phải được ngắt có hiệu quả bằng van chặn kép hoặc một bích chặn có thể nhận biết dễ dàng.
(7) Khi trang bị đường ống cấp dùng chung cho dầu thô và nước rửa thì đường ống đó phải được thiết kế sao cho chúng có thể xả dầu vào két lắng hoặc các khoang hàng khác đến mức có thể thực hiện được trước khi bắt đầu rửa bằng nước.
(8) Các đường ống phải có đường kính đủ để vận hành cùng lúc số lượng lớn nhất các thiết bị rửa két ở áp suất thiết kế và cường độ xả đã nêu ở tài liệu hướng dẫn vận hành của thiết bị. Các đường ống phải được bố trí sao cho số lượng thiết bị rửa két cần thiết đối với từng khoang hàng có thể hoạt động cùng lúc.
(9) Các đường ống cung cấp rửa bằng dầu thô phải được cố định với vỏ tàu ở các vị trí thích hợp và phải có các biện pháp để cho phép giãn nở nhiệt và dịch chuyển tự do theo sự biến dạng của kết cấu thân tàu. Phương pháp cố định các đường ống cấp phải sao cho sự va đập thủy động có thể được triệt tiêu mà không làm dịch chuyển đường ống đến mức độ đáng kể. Các vị trí cố định đường ống phải cách xa nhất các vị trí cấp dầu thô cho các đường ống. Khi một thiết bị rửa két được dùng để cố định đầu ống nhánh, phải trang bị các phương tiện đặc biệt để cố định phần ống đó khi thiết bị rửa két được tháo ra.
3.4.3 Thiết bị rửa bằng dầu thô
1 Thiết bị rửa bằng dầu thô phải thỏa mãn các quy định (1) đến (7) dưới đây:
(1) Các thiết bị rửa két bằng dầu thô phải được đặt cố định và có thiết kế được Đăng kiểm chấp nhận.
(2) Các đặc tính kỹ thuật của thiết bị rửa két phải được xác định bằng đường kính vòi phun, áp suất làm việc, phương thức và chu kỳ hoạt động. Các thiết bị rửa két riêng lẻ phải có các đặc tính sao cho đủ khả năng để rửa có hiệu quả các két hàng được thiết bị rửa này phục vụ trong thời gian được định rõ trong tài liệu hướng dẫn vận hành và trang thiết bị.
(3) Các thiết bị rửa két phải được đặt trong từng két hàng và phương pháp gá lắp phải thỏa mãn các yêu cầu của Đăng kiểm. Khi thiết bị rửa két được lắp đặt ở các vị trí thấp đáng kể bên dưới mặt boong vì lý do các phần nhô kết cấu trong két, thì phải xem xét việc trang bị các giá đỡ đặc biệt cho các thiết bị rửa két và các đường ống cung cấp.
(4) Các thiết bị rửa két riêng biệt phải có khả năng ngắt bằng van chặn được đặt trên đường ống cấp. Khi thiết bị rửa két lắp trên boong được tháo ra vì lý do nào đó, phải có các biện pháp để ngắt đường ống cấp dầu dẫn đến thiết bị đó khi thiết bị được tháo ra. Cũng tương tự, phải trang bị một phương tiện thích hợp để đóng miệng khoét két hàng bằng một tấm kim loại hoặc bằng các phương tiện phù hợp khác được Đăng kiểm chấp nhận.
(5) Khi bộ phận dẫn động không hợp thành trong thiết bị rửa két, thì phải trang bị đủ số lượng thiết bị rửa két để bất kỳ thiết bị rửa két nào cũng không cần phải di chuyển khỏi vị trí lắp đặt ban đầu 3 lần trở lên trong khi rửa két để đạt được chương trình rửa két đã nêu trong các tài liệu hướng dẫn vận hành và trang thiết bị.
(6) Số lượng và vị trí của các thiết bị rửa két phải sao cho đảm bảo rằng tất cả các bề mặt thẳng đứng và tất cả các bề mặt nằm ngang có thể được rửa bằng cách phun trực tiếp, hoặc việc rửa két đạt hiệu quả bằng tỉa phun phân xạ. Để đánh giá hiệu quả của tia phun phản xạ, phải chú ý đặc biệt đến việc rửa các bề mặt nằm ngang phía trên và các thông số sau đây:
(a) Đối với các mặt nằm ngang của đáy két và mặt trên của các thành phần kết cấu thân tàu chính lớn như các dầm dọc trong két, tổng các diện tích mà việc phun trực tiếp bị cản trở bởi các boong, sống dọc đáy, các dầm chính và dầm dọc hoặc các thành phần kết cấu thân tàu lớn khác tương tự, phải không vượt quá 10% tổng các diện tích bề mặt nằm ngang của đáy két và các bề mặt trên của dầm dọc và các thành phần kết cấu thân tàu chính lớn khác.
(b) Đối với các bề mặt thẳng đứng của các vách mạn của két, tổng các diện tích do việc phun trực tiếp bị cản trở bởi các boong, các sống đáy, các dầm chỉnh và các dầm dọc hoặc các thành phần kết cấu thân tàu chỉnh lớn khác không vượt quá 15% tổng diện tích các vách mạn của két. Cần phải lưu ý đến trang bị từ 2 loại thiết bị rửa két trở lên để đạt được kết quả rửa két đầy đủ tùy thuộc vào sự bố trí các thành phần kết cấu trong két.
(7) Kết cấu của các thiết bị rửa két được lắp vào boong phải sao cho được trang bị phương tiện để chỉ bảo tốc độ quay và chuyển động cong của thiết bị ở bên ngoài két hàng.
3.4.4 Bơm phục vụ hệ thống rửa bằng dầu thô
1 Các bơm cung cấp dầu thô cho thiết bị rửa két phải thỏa mãn các quy định ở (1) đến (5) dưới đây:
(1) Các bơm cung cấp dầu thô cho thiết bị rửa két phải hoặc là bơm dầu hàng hoặc là các bơm được trang bị dành riêng cho mục đích này.
(2) Sản lượng bơm phải sao cho số lượng nhiều nhất của các thiết bị rửa két được nêu trong bản hướng dẫn vận hành và trang thiết bị có thể hoạt động ở áp suất đã định cùng với cường độ xả. Khi có trang bị bơm phụt để hút vét, thì bơm phải có khả năng cung cấp chất lỏng dẫn động bơm phụt đủ thỏa mãn yêu cầu ở 3.4.5-1(2).
(3) Sản lượng của bơm phải sao cho quy định được nêu ở (2) có thể được thỏa mãn ngay cả khi một bơm bị hỏng. Sự bố trí bơm và đường ống phải sao cho hệ thống rửa bằng dầu thô thực hiện đầy đủ chức năng ngay cả trong trường hợp một bơm bị hỏng.
(4) Hệ thống phải có khả năng thực hiện rửa các két bằng dầu thô ngay cả khi có hai loại hàng khác nhau hoặc nhiều hơn được chở trên tàu.
(5) Phải có các biện pháp sao cho thiết bị rửa có thể duy trì đủ áp suất theo (2) để tiến hành có hiệu quả việc rửa bằng dầu thô ngay cả trong trường hợp áp lực cản phát sinh tại thiết bị tiếp nhận trên bờ thấp hơn áp lực cản cần có cho việc rửa bằng dầu thô. Yêu cầu này phải được đáp ứng ngay cả khi một bơm bị hỏng. Áp suất cấp nhỏ nhất cần cho rửa bằng dầu thô phải được định rõ trong bản hướng dẫn vận hành và trang thiết bị.
3.4.5 Hệ thống hút vét
1 Hệ thống hút vét phải thỏa mãn các quy định (1) đến (7) sau đây:
(1) Thiết kế của tất cả các hệ thống để hút vét dầu thô khỏi đáy két dầu hàng phải thỏa mãn các yêu cầu của Đăng kiểm.
(2) Thiết kế và công suất của hệ thống hút vét phải sao cho không có dầu và cặn còn đọng lại trên đáy két khi hoàn thành rửa két.
(3) Công suất của hệ thống hút vét phải sao cho 1,25 lần tổng lượng xả bởi tất cả các thiết bị rửa két hoạt động cùng lúc có thể đáp ứng được khi công việc rửa két được tiến hành trên đáy các két hàng đã định rõ trong bản hướng dẫn vận hành và trang thiết bị.
(4) Để kiểm tra xem đáy két hàng đã khô chưa sau khi rửa bằng dầu thô, phải trang bị các phương tiện như dụng cụ đo mức chất lỏng, thiết bị đo bằng tay, thiết bị đo xác định việc vận hành của hệ thống hút vét nêu ở (6). Trừ khi được lắp đặt phương tiện được chấp nhận để xác định được một cách hữu hiệu rằng đáy của mọi két hàng là khô, phải trang bị thích hợp để dò bằng tay được tại phần sau cùng của két hàng và 3 vị trí phù hợp khác. Thuật ngữ "khô" ở đây có nghĩa là ngay cả vùng lân cận miệng hút khô cũng chỉ có một lượng nhỏ dầu, còn các vùng khác nói chung ở trạng thái khô.
(5) Để hút vét dầu khỏi các két dầu hàng, phải sử dụng các bơm loại thể tích, bơm ly tâm kiểu tự mồi, bơm phụt hoặc các bơm khác thỏa mãn yêu cầu của Đăng kiểm. Khi các đường ống hút vét được nối với nhiều két, phải trang bị các phương tiện để ngắt riêng các két không được hút vét.
(6) Phải trang bị một hệ thống giám sát để kiểm soát hiệu quả của hệ thống hút vét. Thiết bị giám sát phải được bố trí trong buồng điều khiển hàng, tại các vị trí an toàn, có thể tiếp cận được và thuận tiện cho sỹ quan trực canh và có thể biểu thị bằng dụng cụ chỉ báo từ xa. Khi trang bị các bơm hút vét, thì phải trang bị hoặc một lưu lượng kế, hành trình kế hoặc tốc độ kế làm thiết bị kiểm tra và một áp kế hoặc thiết bị tương đương khác phải được lắp tại đầu nối ống xả của bơm. Khi trang bị các bơm phụt, thì phải đặt các áp kế tại đầu hút và đầu xả chất lỏng dẫn động bơm phụt và phải lắp dụng cụ đo hỗn hợp tại đầu hút của bơm phụt làm dụng cụ kiểm tra.
(7) Kết cấu bên trong két phải sao cho rãnh dầu của hệ thống hút vét đến giếng hút của két thỏa mãn các quy định ở (2) và (4).
3.4.6 Bố trí két dằn
Nếu không có các két dằn độc lập mà phải sử dụng két hàng để dằn thì phải trang bị các phương tiện để hút khô dầu một cách an toàn và hiệu quả khỏi ống góp của bơm và đường ống dằn, trước khi bắt đầu dằn.
CHƯƠNG 4 NHỮNG QUY ĐỊNH CHO GIAI ĐOẠN QUÁ ĐỘ
4.1 Quy định chung
4.1.1 Yêu cầu áp dụng
1 Những quy định trong Chương này áp dụng cho kết cấu và thiết bị ngăn ngừa ô nhiễm do dầu của các tàu có giai đoạn bắt đầu đóng mới trước ngày 25 tháng 8 năm 1983, trừ khi được quy định khác đi nêu ở -3 và -4 sau đây.
2 Các tàu thuộc phạm vi áp dụng của Chương này phải thỏa mãn yêu cầu của Chương 1, Chương 2 và Chương 3 phù hợp với Bảng 3.13.
3 Các tàu dầu có trọng tải toàn phần từ 5.000 tấn trở lên, mà tàu này đã được đóng, hoặc sống chính của tàu đã được đặt, hoặc tàu đã được bàn giao trước thời điểm nêu ở 3.1.1-2, phải thỏa mãn theo các quy định của 4.3.10. Tuy nhiên, các quy định này không cần thiết phải áp dụng đối với các tàu dầu sau đây:
(1) Tàu dầu thỏa mãn các quy định nêu ở 3.2.4.
(2) Tàu dầu thỏa mãn các quy định nêu ở 3.2.4(1)(a)(i) và (ii) hoặc 3.2.4(1)(b)(i), (ii) và (iii) hoặc 3.2.4(1)(c). Trong trường hợp này, khoảng cách bảo vệ mạn và đáy phải thỏa mãn quy định tương ứng nêu ở 2.6.1(2) của Phần 8E Mục II của Quy chuẩn kỹ thuật quốc gia về Phân cấp và đóng tàu biển vỏ thép và 3.2.3-1(2)(c)(ii) tương ứng.
4 Các tàu dầu, trừ các tàu nêu ở -3(2) trên, có trọng tải toàn phần từ 600 tấn trở lên chở dầu loại nặng, ngoài việc phải thỏa mãn quy định ở 4.3.10 còn phải thỏa mãn quy định ở 4.3.11 mà không phụ thuộc vào ngày bàn giao tàu. Tuy nhiên, quy định này có thể không cần áp dụng đối với tàu dầu chỉ hoạt động tuyến nội địa hoặc được sử dụng làm phương tiện chứa nổi chứa dầu loại nặng trong khu vực biển thuộc phạm vi pháp lý của Việt Nam.
4.1.2 Thuật ngữ
1 Trong Chương này, các thuật ngữ dưới đây được hiểu như sau:
(1) Tàu không phải là tàu dầu
(a) "Tàu N" là tàu nằm trong một trong các trường hợp từ (i) đến (iii) sau đây:
(i) Có hợp đồng đóng mới ký sau ngày 31 tháng 12 năm 1975, hoặc không có hợp đồng đóng mới nhưng sống chính được đặt sau ngày 30 tháng 6 năm 1976; hoặc
(ii) Được bàn giao sau ngày 31 tháng 12 năm 1979; hoặc
(iii) Được hoán cải lớn theo một trong các trường hợp sau:
1) Hợp đồng hoán cải được ký sau ngày 31 tháng 12 năm 1975; hoặc
2) Không có hợp đồng hoán cải nhưng công việc hoán cải được bắt đầu sau ngày 30 tháng 6 năm 1976; hoặc
3) Hoàn thành hoán cải sau ngày 31 tháng 12 năm 1979.
(b) "Tàu E" là tàu không phải là "tàu N",
(2) Tàu dầu
(a) "Tàu NN" là tàu thuộc một trong các trường hợp trường hợp (i) đến (iii) sau đây:
(i) Có hợp đồng đóng mới được ký sau ngày 01 tháng 6 năm 1979, hoặc không có hợp đồng đóng mới nhưng sống chính được đặt sau ngày 01/01/1980; hoặc
(ii) Được bàn giao sau ngày 01 tháng 6 năm 1982; hoặc
(iii) Được hoán cải lớn theo một trong các trường hợp sau đây:
1) Hợp đồng hoán cải được ký sau ngày 01 tháng 6 năm 1982; hoặc
2) Không có hợp đồng hoán cải nhưng công việc hoán cải được bắt đầu sau ngày 01 tháng 01 tháng 1980; hoặc
3) Hoàn thành hoán cải sau ngày 01 tháng 6 năm 1982.
(b) "Tàu EN" là tàu thuộc một trong các trường hợp từ (i) đến (iv) sau:
(i) Có hợp đồng đóng mới được ký trong khoảng thời gian giữa ngày 31 tháng 12 năm 1975 và ngày 01 tháng 6 năm 1979; hoặc
(ii) Nếu không có hợp đồng đóng thì sống chính được đặt vào giữa ngày 30 tháng 6 năm 1976 và ngày 01 tháng 01 năm 1980; hoặc
(iii) Được bàn giao trong khoảng thời gian giữa ngày 31 tháng 12 năm 1979 và ngày 01 tháng 6 năm 1982; hoặc
(iv) Được hoán cải lớn theo một trong các trường hợp sau đây:
1) Hợp đồng hoán cải được ký trong khoảng thời gian giữa ngày 31 tháng 12 năm 1975 và ngày 01 tháng 6 năm 1979; hoặc
2) Nếu không có hợp đồng hoán cải, công việc hoán cải được bắt đầu trong khoảng thời gian giữa ngày 30 tháng 6 năm 1976 đến ngày 01 tháng 01 năm 1980; hoặc
3) Hoàn thành hoán cải trong thời gian từ ngày 31 tháng 12 năm 1979 đến ngày 01 tháng 6 năm 1982.
(c) "Tàu EE" là tàu không phải là "tàu NN" hoặc "tàu EN".
Bảng 3.13 Sự áp dụng các quy định trong Chương 1, 2 và 3 đối với các tàu được xác định theo 4.1.1-1
x: Áp dụng; O: Không áp dụng; - Ngoài phạm vi áp dụng
|
|
Tàu không phải tàu dầu |
Tàu dầu |
||||
|
Tàu N |
Tàu E |
Tàu NN |
Tàu EN |
Tàu EE |
||
|
Chương 1 Quy định chung |
1.1.1 |
x |
x |
x |
x |
x |
|
1.1.2 |
x |
O |
x |
O |
O |
|
|
1.2.1-1 |
x |
O |
x |
O |
O |
|
|
1.2.1-2 |
x |
O |
x |
x |
O |
|
|
1.2.1-3 |
x |
x |
x |
x |
x |
|
|
Chương 2 Trang thiết bị ngăn ngừa ô nhiễm do dầu từ buồng máy của tàu |
2.2.1-1 |
x |
x |
x |
x |
x |
|
(1) và (2) của 2.2.1-1 |
x |
o |
x |
x |
O |
|
|
2.2.2 trừ trường hợp (1) và (2) của 2.2.2-1 |
x |
x |
x |
x |
x |
|
|
2.3.1 |
x |
x |
x |
x |
x |
|
|
2.3.2 |
x |
O |
x |
x |
O |
|
|
2.3.3 |
x |
O |
x |
x |
o |
|
|
2.4.1 |
x |
x |
x |
x |
x |
|
|
2.4.2 |
x |
x |
x |
x |
x |
|
|
Chương 3 Kết cấu và trang thiết bị để ngăn ngừa ô nhiễm do chở xô dầu |
3.2.1-2 |
- |
- |
x |
x |
x |
|
3.2.2-1 |
- |
- |
x |
x |
O |
|
|
3.2.2-2 |
- |
- |
x |
x |
O |
|
|
3.2.2-3 |
- |
- |
x (1) |
x(1) |
O |
|
|
3.2.2-4 |
- |
- |
x |
x |
O |
|
|
3.2.2-5 |
- |
- |
x |
x |
O |
|
|
3.2.3 |
- |
- |
x |
x(3) |
O |
|
|
3.3.1 |
- |
- |
x |
x |
x |
|
|
3.3.2-1 |
- |
- |
x |
x |
x |
|
|
3.3.2-2 |
- |
- |
x |
x |
x |
|
|
3.3.2- 3 |
- |
- |
x |
x |
O |
|
|
3.3.2-4(1) |
- |
- |
x |
O |
O |
|
|
3.3.2-4(2) |
- |
- |
x |
x(4) |
x(4) |
|
|
3.4.1 |
- |
- |
x |
O(2) |
O(2) |
|
|
3.4.2 |
- |
- |
x |
x |
x |
|
|
3.4.3 |
- |
- |
x |
x |
x |
|
|
3.4.4 |
- |
- |
x |
x |
x |
|
|
3.4.5 |
- |
- |
x |
x |
x |
|
|
3.4.6 |
- |
- |
x |
x |
x |
|
Chú thích:
(1) Điều này không áp dụng cho 3.2.2-3(3);
(2) Điều này áp dụng cho 3.4.1(3);
(3) Điều này không áp dụng cho các tàu dầu có trọng tải toàn phần dưới 70.000 tấn;
(4) Điều này áp dụng cho các tàu chở dầu thô có trọng tải toàn phần từ 40.000 tấn trở lên.
(3) "Tàu mới" là "tàu N", "tàu NN" và "tàu EN".
(4) "Tàu hiện có" là "tàu E" và "tàu EE".
(5) "Hoán cải lớn" là hoán cải thuộc vào một trong các trường hợp từ (a) đến (d) sau đây. Tuy nhiên, việc hoán cải các tàu EE có trọng tải toàn phần từ 20.000 tấn trở lên để chúng thỏa mãn các quy định 3.2.3 và 3.4.1 sẽ không được coi là hoán cải lớn.
(a) Làm thay đổi đáng kể kích thước hoặc trọng tải của tàu; hoặc
(b) Làm thay đổi kiểu tàu; hoặc
(c) Nhằm mục đích, theo ý kiến của Đăng kiểm, để kéo dài đáng kể tuổi thọ của tàu; hoặc
(d) Làm thay đổi với hình thức khác mà nếu tàu đó là một tàu mới thì nó đã phải áp dụng các quy định thích hợp của Phần 1, không áp dụng cho nó khi là tàu hiện có.
(6) “Dầu điêzen nặng” là dầu điêzen dùng cho hàng hải, mà thành phần của nó khác với những thành phần chưng cất mà trong đó hơn 50% theo thể tích khi chưng cất ở nhiệt độ không vượt quá 340 oC khi được thử nghiệm theo phương pháp được Đăng kiểm chấp nhận.
(7) “Dầu FO” là các thành phần chưng cất nặng thu được hoặc cặn còn lại của dầu thô hoặc hỗn hợp của các nguyên liệu này dự định sử dụng làm nhiên liệu đốt tạo nhiệt hoặc năng lượng có đặc trưng tương đương với các đặc tính kỹ thuật được Đăng kiểm chấp nhận.
(8) “Dầu loại nặng” là dầu thuộc loại bất kỳ sau đây:
(a) Dầu thô có khối lượng riêng ở 15 oC lớn hơn 900 kg/m3;
(b) Các dầu không phải là dầu thô có khối lượng riêng ở 15 oC lớn hơn 900 kg/m3 hoặc độ nhớt động học ở 50 oC lớn hơn 180 mm3/s;
(c) Nhựa đường, hắc ín và các loại nhũ tương của chúng.
(9) “Tàu dầu loại 1" là tàu dầu có trọng tải toàn phần từ 20.000 tấn trở lên dùng để chở hàng là dầu thô, dầu FO, dầu điêzen nặng hoặc dầu bôi trơn và tàu có trọng tải từ 30.000 tấn trở lên dùng để chở dầu không phải là các loại dầu nêu trên, các tàu này không thỏa mãn các quy định đối với tàu NN.
(10) “Tàu dầu loại 2” là tàu dầu có trọng tải toàn phần từ 20.000 tấn trở lên dùng để chở dầu thô, dầu FO, dầu điêzen nặng hoặc dầu bôi trơn làm hàng hóa và tàu có trọng tải từ 30.000 tấn trở lên dùng để chở dầu không phải là các loại dầu nêu trên, thỏa mãn các quy định đối với tàu NN. Tuy nhiên, tàu dầu có trọng tải toàn phần từ 20.000 tấn trở lên nhưng nhỏ hơn 30.000 tấn mà thỏa mãn các yêu cầu ở 3.2.3-1(1) và 3.2.3-1(2) thì được xem là “tàu dầu loại 2", còn trường hợp không thỏa mãn các yêu cầu này thì được xem là "tàu dầu loại 1
(11) “Tàu dầu loại 3” là tàu dầu có trọng tải toàn phần từ 5.000 tấn trở lên nhưng nhỏ hơn các tàu có trọng tải toàn phần nêu ở (9) và (10).
4.2 Các yêu cầu chung
4.2.1 Bố trí két phía mũi tàu
Quy định 1.2.1-1 áp dụng đối với các tàu có hợp đồng đóng mới sau ngày 01 tháng 01 năm 1982, hoặc nếu không có hợp đồng đóng nhưng có giai đoạn bắt đầu đóng mới sau ngày 01 tháng 7 năm 1982 trong số các tàu có tổng dung tích từ 400 trở lên, tàu N, tàu EN và tàu NN.
4.2.2 Chứa và xả cặn dầu (dầu bẩn)
Các yêu cầu ở 2.2.2 áp dụng cho tàu N, tàu NN và tàu EN.
4.2.3 Hệ thống điều khiển và kiểm soát việc xả dầu và phân ly dầu nước
Các yêu cầu ở 2.3.3 cũng áp dụng cho các tàu E và EE. Tuy nhiên, việc ngừng xả có thể thực hiện bằng tay.
4.3 Thiết bị ngăn ngừa ô nhiễm do dầu chở xô trên các tàu dầu
4.3.1 Bố trí các vách ngăn trong các khoang chứa dầu hàng
1 Các quy định 3.2.1-2(3) đến (6) áp dụng đối với tàu EE thuộc vào một trong các trường hợp nêu ở (1) hoặc (2) sau đây và các tàu này phải thỏa mãn các quy định này trước ngày 02 tháng 10 năm 1985 như sau:
(1) Tàu dầu được bàn giao không muộn hơn ngày 01 tháng 01 năm 1977;
(2) Tàu dầu thỏa mãn cả 2 điều kiện sau đây:
(a) Được bàn giao không muộn hơn ngày 01 tháng 01 năm 1977;
(b) Có hợp đồng đóng sau ngày 01 tháng 01 năm 1974. Trong trường hợp không có hợp đồng đóng tàu trong giai đoạn bắt đầu đóng mới sau ngày 30 tháng 6 năm 1974.
4.3.2 Phân khoang và ổn định
Các quy định sau đây phải áp dụng đối với tàu NN và tàu EN để thay cho các quy định ở 3.2.2-3(3). Sự ổn định ở giai đoạn ngập cuối cùng phải được Đăng kiểm kiểm tra và có thể coi như là đủ nếu đường cong cánh tay đòn ổn định dư có ít nhất phạm vi 20o phía trên điểm cân bằng, cùng với trị số lớn nhất của cách tay đòn ổn định dư tối thiểu bằng 0,1 m. Đăng kiểm phải xem xét đối với nguy cơ tiềm ẩn xuất hiện do các lỗ khoét được bảo vệ hay không được bảo vệ mà chúng có thể sẽ bị chìm nhất thời trong giới hạn ổn định còn lại.
4.3.3 Két dằn cách ly
1 Trong điều kiện tuân thủ các quy định 4.3.3-2, tất cả các tàu EN và các tàu EE chở dầu thô trọng tải toàn phần từ 40.000 tấn trở lên phải trang bị các két dằn cách ly thỏa mãn các quy định 3.2.3-1(1). Tuy nhiên, các quy định 3.2.3 áp dụng cho các tàu EN chở dầu thô có trọng tải toàn phần từ 70.000 tấn trở lên.
2 Trừ các tàu được dự định chở dầu thô không thích hợp để rửa bằng dầu thô, có thể trang bị hệ thống rửa bằng dầu thô thỏa mãn các quy định ở 3.4 thay cho các két dằn cách ly.
3 Các tàu chở dầu thành phẩm EN và các tàu EE chở dầu thành phẩm có trọng tải toàn phần từ 40.000 tấn trở lên phải được trang bị các két dằn cách ly thỏa mãn các quy định ở 3.2.3-1(1), hoặc két chứa nước dằn sạch thỏa mãn các quy định ở 4.3.4. Tuy nhiên, các quy định ở 3.2.3 áp dụng cho các tàu EN chở dầu thành phẩm có trọng tải toàn phần từ 70.000 tấn trở lên.
4.3.4 Các quy định đối với tàu dầu được trang bị các két nước dằn sạch
1 Các két nước dằn sạch theo các quy định 4.3.3-3 phải có đủ thể tích tương ứng với các két dằn cách ly được nêu ở 3.2.3 và vì thế chúng phải được sử dụng dành riêng để chứa nước dằn sạch.
2 Các phương pháp bố trí và sử dụng các két nước dằn sạch phải thỏa mãn các điều kiện mà Đăng kiểm cho là thích hợp.
3 Các tàu chở dầu thành phẩm đã hoạt động với các điều khoản về két nước dằn sạch phải được trang bị thiết bị đo hàm lượng dầu được Đăng kiểm chấp nhận sao cho hàm lượng dầu của nước dằn được xả có thể kiểm tra được.
4 Tất cả các tàu chở dầu thành phẩm đã hoạt động với các điều khoản về két nước dằn sạch phải trang bị sổ tay vận hành két nước dằn sạch có các giải thích chi tiết về phương pháp và sự bố trí. Bản hướng dẫn này phải được Đăng kiểm duyệt và chứa đựng tất cả các thông tin về các đặc tính kỹ thuật như được nêu ở 4.3.3-2 trên.
4.3.5 Tàu dầu chạy tuyến riêng biệt
Các quy định ở 4.3.3 không áp dụng ngay cả ở các tàu EN hoặc các tàu EE có trọng tải toàn phần từ 40.000 tấn trở lên, khi chúng được hoạt động trên các tuyến hạn chế được Đăng kiểm chấp nhận và được trang bị các két để giữ tất cả nước dằn và nước rửa két kể cả nước dằn sạch.
4.3.6 Tàu dầu có dằn đặc biệt
Khi được Đăng kiểm cho là thích hợp, các tàu EN và các tàu EE được đóng thỏa mãn các điều kiện về chiều chìm và độ chúi nhỏ nhất quy định 3.2.3-1(1) mà không sử dụng nước dằn có thể được xem như chúng thỏa mãn các quy định về két dằn cách ly nêu ở 4.3.3.
4.3.7 Hệ thống lưu giữ dầu lại trên tàu
1 Đối với các tàu EE thuật ngữ "1/30.000" trong áp dụng các quy định của 3.3.1-6(4) có thể được hiểu là "1/15.000".
2 Đối với các tàu EE và các tàu EN có trọng tải toàn phần từ 40.000 tấn trở lên, không áp dụng các quy định ở 3.3.1-6 đến 3.3.1-8, với điều kiện được Đăng kiểm chấp nhận qua việc xét đến vùng hoạt động của tàu.
4.3.8 Hệ thống xả
1 Mặc dù các quy định 3.3.2-2 áp dụng cho tàu EN và tàu EE, các đường ống để xả ra biển có thể được dẫn đến bên dưới đường mớn nước trong các trường hợp ở (1) hoặc (2) sau đây:
(1) Các tàu dầu hoạt động với các điều khoản về két nước dằn sạch, không thể xả nước dằn từ các két nước dằn sạch tại vị trí phía trên đường mớn nước nếu chưa hoán cải và được trang bị dụng cụ đo hàm lượng dầu được nêu ở 4.3.4-3; hoặc
(2) Khi nước dằn bẩn hoặc nước lẫn dầu từ các khu vực két hàng được dẫn qua đường ống cố định đến một vị trí sao cho một phần dòng chảy có thể quan sát được bằng mắt từ trên boong thượng tầng hoặc vị trí dễ tiếp cận khác cao hơn ở phía trên. Tuy nhiên, thiết bị phân dòng chảy đó phải được Đăng kiểm duyệt về đặc tính kỹ thuật bao gồm kết cấu, lắp đặt và hoạt động như một phần của hệ thống phân dòng chảy để kiểm tra việc xả trên tàu.
4.3.9 Hệ thống đường ống dầu hàng
Các tàu EN hoặc tàu EE được yêu cầu phải trang bị két dằn cách ly, hệ thống rửa bằng dầu thô, hoặc được khai thác với điều khoản về két nước dằn sạch, phải thỏa mãn các quy định ở 3.3.2-4(2). Tuy nhiên, đối với các tàu đã được lắp đặt các đường ống có đường kính nhỏ hơn, thì đường kính đường ống yêu cầu có thể được giảm đến đường kính nhỏ không quá 25% tiết diện của đường ống xả dầu hàng.
4.3.10 Ngăn ngừa sự cố ô nhiễm dầu
1 Tàu chở dầu loại 2 hoặc loại 3 có 15 năm tuổi trở lên, tính từ ngày bàn giao tàu, nếu được Đăng kiểm chấp nhận phù hợp với kế hoạch đánh giá trạng thái (CAS - Condition Assessment Scheme) được thông qua bởi MEPC.94(46) thì có thể vẫn hoạt động.
2 Tàu dầu, trừ các tàu dầu đã thỏa mãn các điều kiện được Đăng kiểm chấp nhận, phải thỏa mãn các quy định nêu ở 3.2.4 không muộn hơn thời hạn trong Bảng 3.13.
3 Bất kể các quy định nêu ở -2, Đăng kiểm có thể cho phép kéo dài hoạt động của tàu dầu loại 2 hoặc loại 3 muộn hơn thời hạn quy định trong Bảng 3.13 với điều kiện được Đăng kiểm chấp nhận và hoạt động này của tàu không muộn quá ngày ấn định hàng năm của ngày bàn giao tàu trong năm 2015 hoặc thời hạn mà tàu đạt 25 năm tỉnh từ ngày bàn giao, lấy thời hạn nào sớm hơn.
4.3.11 Ngăn ngừa ô nhiễm dầu từ tàu dầu chở dầu loại nặng
1 Tàu dầu, trừ các tàu dầu đã thỏa mãn các điều kiện của Đăng kiểm, có trọng tải toàn phần từ 600 tấn trở lên chở hàng là dầu loại nặng phải thỏa mãn các quy định sau:
(1) Các quy định của 3.2.4 không muộn quá ngày 5 tháng 4 năm 2005 nếu tàu có trọng tải toàn phần từ 5.000 tấn trở lên; hoặc
(2) Các quy định 3.2.4(2)(a) và 3.2.4(1)(a)(i) không muộn hơn thời hạn bàn giao tàu vào năm 2008 nếu tàu có trọng tải toàn phần từ 600 tấn trở lên nhưng nhỏ hơn 5.000 tấn. Tuy nhiên, khoảng cách w nêu trong 3.2.4(2)(b) có thể được sử dụng để thỏa mãn quy định 3.2.4(1 )(a)(i).
2 Bất kể quy định ở -1 trên, Đăng kiểm có thể chấp nhận kéo dài hoạt động của tàu quá thời hạn quy định ở -1 sau khi xem xét kích thước, tuổi tàu, vùng hoạt động và tình trạng kết cấu của tàu, nhưng trong mọi trường hợp tàu hoạt động không muộn hơn thời hạn mà tàu đạt tới 25 năm sau ngày bàn giao tàu.
Bảng 3.14 Thời hạn áp dụng đối với tàu dầu
|
Loại tàu dầu |
Năm |
|
Tàu dầu loại 1 |
Ngày 5 tháng 4 năm 2005 đối với tàu được bàn giao vào 5 tháng 4 năm 1982 hoặc sớm hơn. 2005 đối với tàu được bàn giao sau ngày 5 tháng 4 năm 1982. |
|
Tàu dầu loại 2 Tàu dầu loại 3 |
Ngày 5 tháng 4 năm 2005 đối với tàu được bàn giao vào ngày ngày 5 tháng 5 năm 1977 hoặc sớm hơn. 2005 đối với tàu được bàn giao sau ngày 5 tháng 4 năm 1977 nhưng trước ngày 01 tháng 01 năm 1978. 2006 đối với tàu bàn giao vào 1978 và 1979 2007 đối với tàu bàn giao vào 1980 và 1981 2008 đối với tàu bàn giao vào 1982 2009 đối với tàu bàn giao vào 1983 2010 đối với tàu bàn giao vào 1984 hoặc muộn hơn. |
Chú thích:
Năm nêu ở trong bảng, ví dụ năm 2005, có nghĩa là ngày bàn giao tàu trong năm.
PHẦN 4 KẾT CẤU VÀ THIẾT BỊ NGĂN NGỪA Ô NHIỄM DO THẢI CÁC CHẤT LỎNG ĐỘC CHỞ XÔ GÂY RA
CHƯƠNG 1 QUY ĐỊNH CHUNG
1.1 Quy định chung
1.1.1 Yêu cầu áp dụng
Những quy định của Chương này áp dụng đối với kết cấu và thiết bị dùng để ngăn ngừa ô nhiễm do các chất lỏng độc được chở xô gây ra. Tuy nhiên, việc áp dụng những quy định của Phần này có thể được khác đi hoặc sửa đổi nếu được Đăng kiểm cho là phù hợp, có tính đến từng loại hóa chất độc hại.
1.2 Thuật ngữ
1.2.1 Thuật ngữ
1 Trong Phần này, các thuật ngữ dưới đây được hiểu như sau:
(1) “Nước dằn sạch” là nước dằn được lấy vào trong két mà két này, do được sử dụng lần gần đây nhất để chở chất lỏng độc, đã được xử lý theo một trong những quy định từ (a) đến (d) dưới đây tùy theo loại chất lỏng độc được chuyên chở và két đã được dỡ hết hàng.
(a) Khi chuyên chở chất loại X: phải rửa sơ bộ hoặc làm sạch lượng hàng còn sót lại và thải nước rửa két vào các phương tiện tiếp nhận trên bờ; tiến hành rửa lại và xả hỗn hợp cặn/nước thu được từ lần rửa này.
(b) Khi vận chuyển các chất có độ nhớt cao hoặc chất hóa rắn thuộc chất loại Y: phải rửa sơ bộ và xả nước rửa két vào các phương tiện tiếp nhận trên bờ; tiến hành rửa lại và thải hỗn hợp cặn/nước thu được từ lần rửa này.
(c) Khi vận chuyển các chất có độ nhớt thấp hoặc chất không hóa rắn thuộc chất loại Y hoặc Z: phải rửa sơ bộ sau khi xác nhận rằng tổng lượng cặn thu được từ tẩy rửa phù hợp với giá trị đã định hoặc nhỏ hơn và xả hỗn hợp cặn/nước thu được từ lần rửa này.
(d) Khử bỏ cặn còn lại trong két bằng quy trình làm sạch bằng thông gió.
(2) “Bộ luật chở xô hóa chất" là Bộ luật về kết cấu và trang thiết bị của tàu chở xô hóa chất nguy hiểm được Ủy ban Bảo vệ môi trường biển của IMO thông qua bằng MEPC.20(22) và được thông qua theo quy trình nêu ở Điều 16 - Sửa đổi, bổ sung của Công ước (sửa đổi, bổ sung của Phụ chương của Phụ lục của Công ước) kể cả những bổ sung, sửa đổi có hiệu lực của Bộ luật.
(3) “Hỗn hợp cặn/nước” là cặn được bổ sung thêm nước nhằm mục đích nào đó (ví dụ như nước rửa két, nước dằn, nước lắng).
(4) “Đường ống liên kết” là đường ống xả hàng giữa đầu hút trong các két hàng và cụm ống có bích nối bờ được sử dụng để xả hàng (bao gồm cả bơm và bộ lọc) và các đường ống khác (bao gồm cả bơm và bộ lọc) được nối và mở vào đường ống xả hàng khi xả hàng.
(5) “Chất hóa rắn” đối với chất lỏng độc có nhiệt độ nóng chảy thấp hơn 15 oC là chất có nhiệt độ tại thời điểm dỡ hàng cao hơn so với nhiệt độ nóng chảy của nó ít hơn 5 oC; đối với chất lỏng độc có nhiệt độ nóng chảy từ 15 oC trở lên, là chất có nhiệt độ tại thời điểm dỡ hàng cao hơn so với nhiệt độ nóng chảy của nó ít hơn 10 oC.
(6) “Chất không hóa rắn” là chất lỏng độc không phải là chất hóa rắn.
(7) “Chất có độ nhớt cao” là chất lỏng độc thuộc loại X hoặc Y có độ nhớt tại nhiệt độ dỡ hàng từ 50 mPa.s trở lên.
(8) “Chất có độ nhớt thấp” là chất lỏng độc không phải là chất có độ nhớt cao.
(9) “Chất lỏng độc loại X” (gọi tắt là “chất loại X”) là chất được tích tụ sinh học và có khả năng gây nguy hiểm tới đời sống thủy sinh và sức khỏe con người, được nêu trong Bảng 8E/17.1 Phần 8E Mục II của Quy chuẩn kỹ thuật quốc gia về Phân cấp và đóng tàu biển vỏ thép với đánh dấu “X” trong cột “c” của Bảng đó hoặc các chất tạm thời được đánh giá theo quy định 6.3 Phụ lục II MARPOL là chất loại X.
(10) “Chất lỏng độc loại Y” (gọi tắt là “chất loại Y”) là chất được tích tụ sinh học với thời gian lưu giữ một tuần hoặc ít hơn, được nêu ở Bảng 8E/17.1 Phần 8E Mục II của Quy chuẩn kỹ thuật quốc gia về Phân cấp và đóng tàu biển vỏ thép với đánh dấu “Y” trong cột “c” của Bảng đó hoặc các chất tạm thời được đánh giá theo quy định 6.3 Phụ lục II là chất loại Y.
(11) “Chất lỏng độc loại Z” (gọi tắt là “chất loại Z”) là chất có độc tố nhẹ đối với đời sống thủy sinh, được nêu trong Bảng 8E/17.1 Phần 8E Mục II của Quy chuẩn kỹ thuật quốc gia về Phân cấp và đóng tàu biển vỏ thép với đánh dấu “Z” trong cột “c” của Bảng đó hoặc các chất tạm thời được đánh giá theo các quy định 6.3 Phụ lục II là chất loại Z.
(12) “Độ sâu của nước” là độ sâu theo hải đồ.
(13) “Dầu thực vật” là các chất nêu trong Bảng 8E/17.1 Phần 8E Mục II của Quy chuẩn kỹ thuật quốc gia về Phân cấp và đóng tàu biển vỏ thép, với ký hiệu “(k)” ở cột “e” trong Bảng đó.
CHƯƠNG 2 KẾT CẤU VÀ TRANG THIẾT BỊ
2.1 Quy định chung
2.1.1 Yêu cầu áp dụng
Những yêu cầu của Chương này áp dụng đối với các chất lỏng độc chở xô.
2.2 Yêu cầu về lắp đặt kết cấu và thiết bị
2.2.1 Thiết bị ngăn ngừa thải chất lỏng độc
1 Đối với các chất lỏng độc chở xô, thiết bị ngăn ngừa thải chất lỏng độc quy định ở Bảng 4.1 phải được trang bị phù hợp với loại và lý tính của chất lỏng độc được chuyên chở và vùng biển thải.
2 Phải trang bị bổ sung vào các thiết bị nêu ở 2.2.1-1 hệ thống rửa két bằng thông gió cho các tàu dự định khử cặn chất lỏng độc có áp suất hơi vượt quá 5 kPa ở 20 oC bằng thông gió.
Bảng 4.1 Thiết bị ngăn ngừa thải chất lỏng độc
|
Phân loại chất |
Loại X |
Loại Y |
Loại Z |
||
|
Thiết bị |
Vùng biển thải |
Bên ngoài khu vực Nam Cực |
|||
|
|
Lý tính |
Tất cả các chất |
Chất có độ nhớt cao hoặc hoá rắn |
Chất có độ nhớt thấp hoặc không hóa rắn |
Tất cả các chất |
|
Hệ thống rửa sơ bộ |
x |
x |
-(1) |
-(1) |
|
|
Hệ thống hút vét |
x |
x |
x |
x |
|
|
Lỗ thải dưới đường nước |
x (2) |
x (2) |
x (2) |
x (2) |
|
|
Hệ thống thải vào phương tiện tiếp nhận |
x |
x |
x (3) |
x (3) |
|
Ký hiệu:
"x": Phải trang bị; "-": Không yêu cầu trang bị
Chú thích:
(1) Nếu việc trả hàng không được thực hiện phù hợp với Sổ tay các quy trình và hệ thống để thải chất lỏng độc thì phải tiến hành rửa sơ bộ.
(2) Có thể miễn quy định này cho tàu bất kỳ chỉ thải nước dằn sạch.
(3) Có thể miễn quy định này cho tàu bất kỳ không thải chất lỏng độc thừa thu gom trên tàu.
3 Bất kể những yêu cầu đã nêu ở 2.2.1-1 và 2.2.1-2, hệ thống ngăn ngừa thải chất lỏng độc yêu cầu phải lắp đặt trên tàu thỏa mãn những yêu cầu (1) và (2) dưới đây là két dằn cách ly và hệ thống để thải vào các phương tiện tiếp nhận.
(1) Khi tàu dự định chở thường xuyên trong mỗi két chỉ một chất lỏng độc hoặc chất tương thích (nghĩa là một trong các chất lỏng độc không yêu cầu phải làm sạch két hàng để nạp hàng khác với chất đang xét sau khi dỡ hàng này).
(2) Khi tàu chỉ tiến hành thải vào các phương tiện tiếp nhận thích hợp nước rửa sinh ra từ việc làm sạch két ngay trước khi tàu sửa chữa hoặc lên đà.
4 Bất kể những yêu cầu đã nêu ở -1 đến -3 trên, hệ thống ngăn ngừa thải chất lỏng độc được trang bị trên tàu chở chất lỏng độc có áp suất hơi vượt quá 5 kPa ở 20 oC dự định khử cặn bằng thông gió phải là hệ thống rửa bằng thông gió.
5 Tàu phải được trang bị Sổ tay các quy trình và hệ thống để thải chất lỏng độc được Đăng kiểm duyệt phù hợp với Phụ chương 4 của Phụ lục II. Đối với các tàu hoạt động tuyến quốc tế, nếu ngôn ngữ sử dụng không phải là tiếng Anh, Pháp hoặc Tây Ban Nha thì phải có bản dịch sang một trong các tiếng này kèm theo.
6 Tàu phải được trang bị Sổ nhật ký hàng để ghi tất cả các công việc làm hàng, chuyển hàng nội bộ trên tàu, dỡ hàng, rửa và làm sạch két hàng, thải xuống biển nước rửa két, dằn két hàng và thải nước dằn từ các két hàng v.v...
2.2.2 Những yêu cầu cho tàu chở chất loại X, loại Y hoặc loại Z
Tàu chở chất loại X, loại Y hoặc loại Z có giai đoạn bắt đầu đóng mới sau ngày 01 tháng 7 năm 1986 phải thỏa mãn những yêu cầu ở Phần 8E Mục II của Quy chuẩn kỹ thuật quốc gia về Phân cấp và đóng tàu biển vỏ thép. Tàu chở chất loại X, loại Y hoặc loại Z có giai đoạn bắt đầu đóng mới trước ngày 01 tháng 7 năm 1986 phải thỏa mãn các quy định của Bộ luật chở xô hóa chất áp dụng đối với tàu nêu trong các quy định của Bộ luật chỉ ra trong Bảng 4.2 phù hợp với tuyến phục vụ và ngày đóng.
Bảng 4.2 Những quy định đối với tàu hiện có chở các chất loại X, Y hoặc Z
|
Tuyến hàng hải |
Ngày đặt sống chính hoặc ký hợp đồng đóng |
Điều khoản áp dụng theo Bộ luật chở xô hóa chất |
|
Tàu hoạt động tuyến quốc tế |
Tàu có hợp đồng đóng mới ký trước ngày 02 tháng 11 năm 1973 |
1.7.3 |
|
Tàu có hợp đồng đóng mới ký sau ngày 02 tháng 11 năm 1973 và tàu có giai đoạn bắt đầu đóng mới trước 01/7/1983 |
1.7.2 |
|
|
Các tàu không phải là tàu nêu trên |
Tàu có giai đoạn bắt đầu đóng mới trước ngày 01 tháng 7 năm 1983 |
1.7.3 |
|
Tàu có giai đoạn bắt đầu đóng mới vào và sau ngày 01 tháng 7 năm 1983 và trước ngày 01 tháng 7 năm 1986 |
1.7.2 |
2.2.3 Những yêu cầu cho tàu chở dầu thực vật
1 Bất kể các quy định nêu ở 2.2.2, Đăng kiểm có thể miễn giảm các yêu cầu về chở hàng theo Phần 8E Mục II của Quy chuẩn kỹ thuật quốc gia về Phân cấp và đóng tàu biển vỏ thép hoặc Bộ luật chở xô hóa chất đối với các tàu được chứng nhận chở từng loại dầu thực vật đã được xác định cụ thể nêu trong Bảng 17.1 Phần 8E Mục II của Quy chuẩn kỹ thuật quốc gia về Phân cấp và đóng tàu biển vỏ thép với điều kiện tàu thỏa mãn các điều kiện sau:
(1) Tàu thỏa mãn tất cả các yêu cầu đối với tàu loại 3 được xác định tại điều 2.1.2-1(3) Phần 8E Mục II của Quy chuẩn kỹ thuật quốc gia về Phân cấp và đóng tàu biển vỏ thép, ngoại trừ vị trí két hàng.
(2) Theo quy định này, két hàng phải được bố trí vào bên trong tàu ở những khoảng cách dưới đây. Chiều dài toàn bộ két hàng phải được bảo vệ bằng két dằn hoặc không gian không phải là các két chở dầu như sau:
(a) Các không gian hoặc két mạn phải được bố trí sao cho các két hàng được đặt phía trong của đường lý thuyết của tôn mạn tàu ở bất kỳ vị trí nào không nhỏ hơn 760 mm.
(b) Két hoặc không gian đáy đôi phải được bố trí sao cho khoảng cách giữa đáy của két hàng và đường lý thuyết của tôn đáy tàu không nhỏ hơn B/15 (m) hoặc 2,0 m, lấy giá trị nào nhỏ hơn. Giá trị nhỏ nhất phải là 1,0 m.
CHƯƠNG 3 THIẾT BỊ NGĂN NGỪA THẢI CHẤT LỎNG ĐỘC
3.1 Quy định chung
3.1.1 Yêu cầu áp dụng
1 Những quy định của Chương này áp dụng đối với thiết bị ngăn ngừa thải chất lỏng độc lắp đặt trên tàu chở xô chất lỏng độc phù hợp những quy định của Chương 2.
2 Thiết bị ngăn ngừa thải chất lỏng độc phải thỏa mãn những yêu cầu 1.3.1-5 đến 1.3.1-8 Phần 3 Mục II của Quy chuẩn kỹ thuật quốc gia về Phân cấp và đóng tàu biển vỏ thép.
3.2 Hệ thống rửa sơ bộ
3.2.1 Quy định chung
Hệ thống rửa sơ bộ phải thỏa mãn những yêu cầu ở 3.2.2 đến 3.2.4 phù hợp với lý tính của chất lỏng độc được chuyên chở.
3.2.2 Thiết bị rửa
1 Khi chuyên chở chất loại X, chất có độ nhớt cao hoặc chất hóa rắn, thiết bị rửa phải được đặt tại vị trí sao cho tất cả bề mặt két có thể được rửa trực tiếp bởi áp lực của dòng nước rửa, sản lượng và tầm với của vòi phun.
Khi chuyên chở chất loại Y, thiết bị rửa phải được đặt tại vị trí thích hợp, sao cho công việc rửa két được thực hiện bởi các đầu quay được hoạt động bằng áp suất thủy lực đủ mạnh.
2 Thiết bị rửa phải chịu được ăn mòn đối với chất lỏng độc.
3.2.3 Bơm phục vụ thiết bị rửa
1 Bơm phục vụ thiết bị rửa phải có khả năng cung cấp đủ nước rửa để thiết bị rửa thỏa mãn quy định mà 3.2.2-1 yêu cầu.
2 Để hạn chế lượng nước trong két trong quá trình rửa két, phải có các biện pháp nhằm xả liên tục cặn lọc qua bơm độc lập với bơm nước rửa quy định ở 3.2.2-1 và khuyến khích sử dụng nước tuần hoàn.
3.2.4 Hệ thống hâm nóng nước rửa
Đối với các tàu dự định chuyên chở các chất hóa rắn hoặc các chất có độ nhớt từ 50 mPa.s trở lên ở nhiệt độ 20 oC thì hệ thống hâm phải được lắp đặt sao cho công việc rửa có thể tiến hành với nước nóng từ 60 oC trở lên, trừ khi tính chất của tất cả các chất như vậy không thích hợp để rửa bằng nước.
3.3 Hệ thống hút vét
3.3.1 Quy định chung
Hệ thống hút vét phải có khả năng hút các chất lỏng độc ở đáy két bằng bơm hoặc bằng bơm phụt (eductor) khi két hàng được rửa.
3.3.2 Năng lực của hệ thống hút vét
Hệ thống hút vét phải có khả năng giảm chất lỏng độc đến thể tích nêu ở Bảng 4.3 phù hợp với ngày đặt sống chính của tàu và phân loại chất của chất lỏng độc.
3.3.3 Hệ thống thổi
Để tăng năng lực của hệ thống hút vét quy định ở 3.3.2 có thể trang bị một hệ thống thổi.
Bảng 4.3 Năng lực của hệ thống hút vét
|
Phân loại tàu |
Lượng cặn tẩy còn lại |
||
|
Chất loại X |
Chất loại Y |
Chất loại Z |
|
|
Tàu có giai đoạn bắt đầu đóng mới trước ngày 01/7/1983 |
Nhỏ hơn hoặc bằng 0,3 m3 |
Nhỏ hơn hoặc bằng 0,3 m3 |
Nhỏ hơn hoặc bằng 0,9 m3 |
|
Tàu có giai đoạn bắt đầu đóng mới vào hoặc sau ngày 01/7/1983 nhưng trước ngày 01/01/2007 |
Nhỏ hơn hoặc bằng 0,1 m3 |
Nhỏ hơn hoặc bằng 0,1 m3 |
Nhỏ hơn hoặc bằng 0,3 m3 |
|
Tàu có giai đoạn bắt đầu đóng mới vào hoặc sau ngày 01/01/2007 |
Nhỏ hơn hoặc bằng 0,075 m3 |
Nhỏ hơn hoặc bằng 0,075 m3 |
Nhỏ hơn hoặc bằng 0,075 m3 |
Lưu ý:
Đối với các tàu không phải là tàu chở hóa chất được đóng trước ngày 01/01/2007 mà không thể thỏa mãn các yêu cầu về hệ thống bơm và đường ống đối với các chất thuộc loại Z nêu trong Bảng 18.1 Phần 8E Mục II của Quy chuẩn kỹ thuật quốc gia về Phân cấp và đóng tàu biển vỏ thép, không áp dụng yêu cầu về khối lượng. Việc tuân thủ được xem là thỏa mãn nếu két được vét sạch đến mức tốt nhất có thể.
3.4 Hệ thống thải dưới đường nước
3.4.1 Quy định chung
Hệ thống thải dưới đường nước bao gồm các lỗ xả ngoài mạn dưới đường nước, bơm xả và đường ống xả.
3.4.2 Bố trí lỗ xả
1 Tàu được chứng nhận chở các chất loại X, Y hoặc Z phải có lỗ xả dưới đường nước. Đối với tàu được đóng trước ngày 01 tháng 01 năm 2007 và được chứng nhận chở chất loại Z không yêu cầu có lỗ xả dưới đường nước.
2 Hệ thống thải dưới đường nước phải được đặt trong khu vực hàng ở phạm vi lân cận vùng lượn hông nhằm đề phòng chất lỏng độc quay trở lại tàu do lấy nước biển vào tàu.
3.4.3 Kích thước lỗ xả
1 Bố trí thải dưới đường nước phải đảm bảo sao cho cặn hoặc hỗn hợp cặn/nước được thải xuống biển không đi qua lớp biên bao quanh tàu. Trong trường hợp này, khi thải được tiến hành vuông góc với tôn mạn, thì đường kính lỗ xả không được nhỏ hơn giá trị tính theo công thức sau:
D = QD /5L
Trong đó:
D: Đường kính nhỏ nhất của lỗ xả (m);
L: Khoảng cách từ đường vuông góc mũi đến lỗ xả (m);
QD: Cường độ xả lớn nhất được chọn mà tàu có thể thải chất lỏng độc thông qua lỗ xả (m3/h).
2 Khi lỗ thải được hướng theo một góc so với tôn mạn, đường kính lỗ xả nêu ở -1 trên có thể giảm đến giá trị:
Do = D.sinθ
Trong đó:
θ: Góc giữa tôn mạn và đường tâm ống xả.
3.4.4 Bơm thải
Bơm thải phải có sản lượng đủ để xả hỗn hợp cặn/nước.
3.5 Hệ thống xả vào phương tiện tiếp nhận
3.5.1 Quy định chung
1 Hệ thống xả vào phương tiện tiếp nhận phải có đường ống góp xả để nối vào phương tiện tiếp nhận khi xả chất lỏng độc và phải đặt trên boong hở ở cả hai bên mạn tàu.
2 Đối với tàu dự định xả hỗn hợp cặn hàng/nước thu gom được từ rửa két vào phương tiện tiếp nhận không thông qua các thiết bị thải của tàu thì Đăng kiểm có thể xem xét riêng để giảm nhẹ những yêu cầu nêu ở 3.5.1-1.
3.6 Hệ thống làm sạch bằng thông gió
3.6.1 Quy định chung
Hệ thống làm sạch bằng thông gió bao gồm thiết bị thông gió và thiết bị kiểm tra.
3.6.2 Thiết bị thông gió
1 Thiết bị thông gió phải thỏa mãn những yêu cầu từ (1) đến (5) sau đây:
(1) Sản lượng phải đảm bảo sao cho luồng không khí đạt tới đáy của két cần làm sạch và sản lượng này được tính theo Hình 4.1, tầm xuyên của luồng phun phải được chọn so với chiều cao két.
(2) Thiết bị thông gió phải đặt ở lỗ khoét của két gần các đầu hút khô hoặc hố tụ của két.

Tầm xuyên của luồng không khí (m)
Hình 4.1 Lưu lượng nhỏ nhất là một hàm số của tầm xuyên tới của luồng không khí
Tầm xuyên tới của luồng không khí được chọn so với chiều cao két
(3) Phải được bố trí, lắp đặt sao cho luồng không khí được định hướng tới các hố tụ hoặc đầu hút khô của két càng sát càng tốt và tránh các tác động trực tiếp của luồng khí vào các thành phần kết cấu của két.
(4) Phải có các biện pháp để đảm bảo cặn được lấy ra từ các đường ống thích hợp được xả khô.
(5) Thiết bị thông gió phải chịu được ăn mòn của các chất lỏng độc hoặc khí trơ.
3.6.3 Thiết bị kiểm tra
Thiết bị kiểm tra phải có khả năng xác định được lượng cặn nhìn thấy được còn lại trong két và hiệu quả của công việc làm sạch bằng thông gió nhờ kiểm tra trực tiếp hoặc bằng các biện pháp khác tương đương.
3.6.4 Áp dụng Quy chuẩn kỹ thuật quốc gia về Phân cấp và đóng tàu biển vỏ thép
Khi cặn được hút vét ra khỏi két bằng các biện pháp của hệ thống làm sạch bằng thông gió, các biện pháp an toàn liên quan đến cháy nổ và độc hại phải được kiểm tra và phải thỏa mãn yêu cầu 3.6 của Phần này cũng như những yêu cầu tương ứng của Quy chuẩn kỹ thuật quốc gia về Phân cấp và đóng tàu biển vỏ thép.
3.7 Két dằn cách ly
3.7.1 Quy định chung
1 Thể tích của két dằn cách ly phải đảm bảo sao cho chiều chìm và độ chúi của tàu thỏa mãn những yêu cầu từ (1) đến (3) sau đây khi chỉ có những két dằn cách ly đang xét được bơm đầy nước dằn:
(1) Chiều chìm lý thuyết tại giữa tàu lấy giá trị được xác định theo công thức dưới đây hoặc lớn hơn:
1,550 + 0,023 Lf (m)
(2) Độ chúi đuôi lấy giá trị xác định theo công thức dưới đây hoặc nhỏ hơn:
1,600 + 0,013 Lf (m)
(3) Chân vịt của tàu phải ngập hoàn toàn trong nước.
PHẦN 5 KẾ HOẠCH ỨNG CỨU Ô NHIỄM DẦU CỦA TÀU
CHƯƠNG 1 QUY ĐỊNH CHUNG
1.1 Quy định chung
1.1.1 Yêu cầu áp dụng
Những quy định trong Phần này áp dụng cho Kế hoạch ứng cứu ô nhiễm dầu của tàu được trang bị trên tàu và giàn khoan biển và các giàn khác sử dụng để khai thác khoáng sản đáy biển.
1.1.2 Yêu cầu về trang bị
Tàu dầu có tổng dung tích từ 150 trở lên, các tàu khác không phải là tàu dầu có tổng dung tích từ 400 trở lên, các giàn cố định trên biển, giàn di động trên biển, kho chứa nổi và các giàn khác sử dụng để khai thác khoáng sản đáy biển phải có Kế hoạch ứng cứu ô nhiễm dầu của tàu được Đăng kiểm duyệt và được đặt ở vị trí sẵn sàng sử dụng.
CHƯƠNG 2 YÊU CẦU KỸ THUẬT
2.1 Quy định chung
2.1.1 Lưu ý khi lập Kế hoạch ứng cứu
Kế hoạch ứng cứu ô nhiễm dầu của tàu phải được lập có xét đến thông tin cơ bản về tàu bao gồm kiểu và kích thước của tàu, hàng hóa và tuyến hoạt động sao cho Kế hoạch khả thi và dễ sử dụng.
2.1.2 Ngôn ngữ
Kế hoạch ứng cứu ô nhiễm dầu của tàu phải được soạn thảo bằng ngôn ngữ làm việc của thuyền trưởng và sỹ quan của tàu. Đối với tàu hoạt động tuyến quốc tế, nếu ngôn ngữ sử dụng trong bản Kế hoạch không phải là tiếng Anh thì phải có bản dịch tiếng Anh kèm theo.
2.2 Hạng mục trong Kế hoạch ứng cứu ô nhiễm dầu của tàu
2.2.1 Thủ tục báo cáo sự cố ô nhiễm dầu
1 Trong Kế hoạch phải quy định rằng thuyền trưởng hoặc sỹ quan trực ca phải thông báo ngay lập tức sự thải thực tế hoặc dự kiến tới quốc gia ven biển gần nhất.
2 Các mục từ (1) đến (7) dưới đây phải đưa vào hạng mục báo cáo:
(1) Tên tàu, hô hiệu, cờ, kích cỡ và kiểu tàu.
(2) Ngày tháng năm và thời gian xảy ra sự cố, vị trí, hành trình, tốc độ.
(3) Tên trạm vô tuyến, ngày tháng và thời gian báo cáo tiếp theo, loại và số lượng hàng/ két chứa trên tàu, chủ hàng.
(4) Chi tiết tóm tắt về khuyết tật/lượng thiếu hụt/tổn thất.
(5) Chi tiết tóm tắt về ô nhiễm bao gồm loại dầu, lượng tổn thất ước tính, nguyên nhân tràn dầu, khả năng tràn dầu tiếp theo, điều kiện thời tiết và biển.
(6) Chi tiết liên hệ với chủ tàu/nhà quản lý/đại lý bao gồm địa chỉ bưu điện, số điện thoại và số fax.
(7) Các biện pháp sau khi xảy ra tràn dầu và hướng dịch chuyển của tàu.
2.2.2 Danh sách các tổ chức hoặc cá nhân cần liên hệ trong trường hợp xảy ra sự cố ô nhiễm dầu
Các địa chỉ liên hệ với quốc gia ven biển, càng và tàu mà tàu có quan hệ, ví dụ như chủ tàu/người điều hành, đại lý, chủ hàng, người bảo hiểm, là những người cần thiết phải liên hệ nếu tàu liên quan đến tai nạn ô nhiễm dầu phải được lập thành danh sách và đưa vào Phụ lục.
2.2.3 Các hoạt động được thực hiện ngay bởi người trên tàu nhằm loại bỏ hoặc kiểm soát sự thải dầu sau tai nạn
1 Ít nhất các hạng mục từ (1) đến (3) sau đây phải được đưa vào hạng mục các hoạt động chống dầu tràn:
(1) Bản mô tả chi tiết các hành động nhằm khử bỏ hoặc kiểm soát sự thải dầu và người trực ca.
(2) Quy trình khử bỏ dầu loang và chứa thích hợp cho dầu được khử và vật liệu làm sạch.
(3) Quy trình chuyển dầu từ tàu sang tàu khác.
2 Ít nhất các mục từ (1) đến (3) dưới đây phải được đưa vào để chống dầu tràn do tai nạn:
(1) Ưu tiên hàng đầu là đảm bảo an toàn cho người và tàu.
(2) Bản thông báo chi tiết về mức độ tổn thất cho tàu và do tai nạn dầu tràn gây ra phải được tập hợp và ước lượng sao cho có thể tiến hành các hoạt động nhằm ngăn chặn sự cố tiếp theo của tai nạn.
(3) Bản hướng dẫn chi tiết về ổn định và những lưu ý về ứng suất hoặc danh mục thông báo cần thiết để đánh giá đặt tại văn phòng Chủ tàu hoặc bên liên quan khác.
2.2.4 Các quy trình và điểm liên lạc trên tàu nhằm phối hợp hoạt động của tàu với quốc gia và địa phương để chống ô nhiễm
1 Phải quy định trong Kế hoạch rằng thuyền trưởng và sỹ quan trực ca khác của tàu phải liên lạc với quốc gia ven bờ có chủ quyền trước khi tiến hành các hoạt động nhằm hạn chế sự thải.
2 Phải có bản hướng dẫn đầy đủ cho thuyền trưởng của tàu về các hoạt động hạn chế ô nhiễm được xây dựng theo ý của chủ tàu.
3 Phải đưa vào trong phụ lục thông tin về các hệ thống và các tổ chức phòng chống sự cố ô nhiễm của các quốc gia ven bờ dọc theo tuyến thương mại của tàu.
2.2.5 Thông tin khác
Đăng kiểm có thể yêu cầu bổ sung vào các hạng mục quy định ở 2.2.1 đến 2.2.4 những thông tin khác nhằm tiện lợi cho thuyền trưởng khi phải quyết định trong tình huống khẩn cấp.
2.3 Các phụ lục của Kế hoạch ứng cứu ô nhiễm dầu của tàu
Ngoài danh mục nêu ở 2.2.2 và các thông tin nêu ở 2.2.4-3, phải bổ sung các bản vẽ và số liệu được quy định từ (1) đến (3) dưới đây vào Kế hoạch cứu ứng ô nhiễm dầu của tàu:
(1) Bản vẽ bố trí chung, mặt cắt ngang, sơ đồ các đường ống như đường ống dầu hàng được coi là cần thiết để sử dụng khi có sự cố trên tàu.
(2) Biểu đồ dòng chảy để hướng dẫn cho thuyền trưởng thông qua những hành động và quyết định cần thiết trong quá trình xảy ra sự cố.
(3) Các hạng mục khác Đăng kiểm xét thấy cần thiết.
2.4 Yêu cầu bổ sung đối với tàu dầu có trọng tải toàn phần từ 5.000 tấn trở lên
2.4.1 Hỗ trợ từ bờ
Tất cả các tàu dầu có trọng tải toàn phần từ 5.000 tấn trở lên phải có khả năng tiếp cận nhanh đến các chương trình máy tính trên bờ để tính toán ổn định tai nạn và độ bền kết cấu còn lại của tàu.
PHẦN 6 KẾ HOẠCH ỨNG CỨU Ô NHIỄM BIỂN CỦA TÀU DO CÁC CHẤT LỎNG ĐỘC
CHƯƠNG 1 QUY ĐỊNH CHUNG
1.1 Quy định chung
1.1.1 Yêu cầu áp dụng
Những quy định trong Phần này áp dụng cho Kế hoạch ứng cứu ô nhiễm biển của tàu do các chất lỏng độc.
1.1.2 Yêu cầu về trang bị
Các tàu có tổng dung tích từ 150 trở lên được chứng nhận chở xô chất lỏng độc phải có Kế hoạch ứng cứu ô nhiễm biển của tàu do các chất lỏng độc được Đăng kiểm duyệt và được đặt ở vị trí sẵn sàng sử dụng.
CHƯƠNG 2 YÊU CẦU KỸ THUẬT
2.1 Quy định chung
2.1.1 Lưu ý khi soạn thảo Kế hoạch ứng cứu
Kế hoạch ứng cứu ô nhiễm biển của tàu do các chất lỏng độc phải được soạn thảo có xét đến thông tin cơ bản về tàu gồm kiểu và kích thước của tàu, hàng hóa và tuyến hoạt động sao cho Kế hoạch khả thi và dễ sử dụng.
2.1.2 Ngôn ngữ
Kế hoạch ứng cứu ô nhiễm biển của tàu do các chất lỏng độc phải được soạn thảo bằng ngôn ngữ làm việc của thuyền trưởng và sỹ quan của tàu. Đối với tàu hoạt động tuyến quốc tế, nếu ngôn ngữ sử dụng trong bản Kế hoạch không phải là tiếng Anh thì phải có bản dịch tiếng Anh kèm theo.
2.1.3 Kế hoạch ứng cứu ô nhiễm biển của tàu
Trong trường hợp tàu cũng phải áp dụng các quy định nêu trong Phần 5 Quy chuẩn này, thì bản Kế hoạch này có thể được kết hợp chung với Kế hoạch ứng cứu ô nhiễm dầu của tàu. Trong trường hợp này tiêu đề của bản Kế hoạch chung sẽ là “Kế hoạch ứng cứu ô nhiễm biển của tàu”.
2.2 Hạng mục trong Kế hoạch ứng cứu ô nhiễm biển của tàu do chất lỏng độc
2.2.1 Quy trình báo cáo khi xảy ra sự cố ô nhiễm chất lỏng độc
1 Trong Kế hoạch phải quy định rằng thuyền trưởng hoặc sỹ quan trực ca phải thông báo ngay lập tức sự thải thực tế hoặc dự kiến tới Quốc gia ven biển gần nhất.
2 Các mục từ (1) đến (7) dưới đây phải đưa vào hạng mục báo cáo:
(1) Tên tàu, hô hiệu, cờ, kích cỡ và kiểu tàu.
(2) Ngày tháng và thời gian xảy ra sự cố, vị trí, hành trình, tốc độ.
(3) Ngày tháng và thời gian báo cáo tiếp theo, loại và số lượng hàng/ két chứa trên tàu, chủ hàng.
(4) Chi tiết tóm tắt về khuyết tật/khiếm khuyết/hư hỏng.
(5) Chi tiết tóm tắt về ô nhiễm bao gồm loại chất lỏng độc, lượng tổn thất ước tính, nguyên nhân tràn, khả năng tràn tiếp theo, điều kiện thời tiết và biển.
(6) Chi tiết liên hệ với chủ tàu/ nhà quản lý/đại lý bao gồm địa chỉ bưu điện, số điện thoại và số fax.
(7) Các hoạt động chống tràn và hướng dịch chuyển của tàu.
2.2.2 Danh sách các tổ chức hoặc cá nhân cần liên hệ trong trường hợp xảy ra sự cố ô nhiễm chất lỏng độc
Các mối liên hệ với quốc gia ven biển, cảng và các mối liên hệ khác mà tàu quan tâm khi tàu xảy ra sự cố tràn chất lỏng độc, ví dụ như chủ/người điều hành, đại lý, chủ hàng, người bảo hiểm, phải được lập thành danh sách và đưa vào phụ lục.
2.2.3 Các hoạt động được thực hiện ngay bởi người trên tàu nhằm loại bỏ hoặc hạn chế sự thải chất lỏng độc sau tai nạn
1 Ít nhất các hạng mục từ (1) đến (3) sau đây phải được đưa vào hạng mục các hoạt động chống tràn:
(1) Bản mô tả chi tiết các hành động nhằm loại bỏ hoặc hạn chế sự thải chất lỏng độc và người trực ca.
(2) Quy trình loại bỏ chất lỏng độc hại đã tràn và biện pháp xử lý thích hợp cho chất lỏng độc đã được loại bỏ và vật liệu làm sạch.
(3) Quy trình chuyển chất lỏng độc từ tàu sang tàu khác.
2 Ít nhất các mục từ (1) đến (3) dưới đây phải được đưa vào để chống tràn do hậu quả của tai nạn:
(1) Ưu tiên hàng đầu là đảm bảo an toàn cho người và tàu.
(2) Thông tin chi tiết về mức độ duy trì sau hư hỏng của tàu và về sự cố tràn chất lỏng độc phải được tập hợp và ước lượng sao cho có thể tiến hành các hoạt động nhằm ngăn chặn sự cố tiếp theo của tai nạn.
(3) Bản hướng dẫn chi tiết để đánh giá ổn định và sức bền và bản danh mục những thông tin cần thiết về ổn định tai nạn và đánh giá sức bền tại văn phòng Chủ tàu hoặc văn phòng tương tự khác.
2.2.4 Các quy trình và điểm liên lạc trên tàu nhằm phối hợp hoạt động của tàu với quốc gia và địa phương để chống ô nhiễm
1 Phải quy định trong Kế hoạch rằng thuyền trưởng và sỹ quan trực ca khác của tàu phải liên lạc với quốc gia ven bờ có chủ quyền trước khi tiến hành các hoạt động nhằm hạn chế sự thải.
2 Phải có bản hướng dẫn đầy đủ cho thuyền trưởng của tàu về các hoạt động hạn chế ô nhiễm được xây dựng theo ý của chủ tàu.
3 Phải đưa vào trong phụ lục thông tin về các hệ thống và các tổ chức phòng chống sự cố ô nhiễm của các quốc gia ven bờ dọc theo tuyến thương mại của tàu.
2.2.5 Thông tin khác
Đăng kiểm có thể yêu cầu bổ sung vào các hạng mục quy định ở 2.2.1 đến 2.2.4 những thông tin khác nhằm tiện lợi cho thuyền trưởng khi phải quyết định trong tình huống khẩn cấp.
2.3 Các phụ lục của Kế hoạch ứng cứu ô nhiễm biển của tàu do chất lỏng độc
Bổ sung vào danh mục quy định ở 2.2.2 và thông tin nêu ở 2.2.4-3, các bản vẽ và hạng mục được quy định từ (1) đến (3) dưới đây phải được đưa vào Kế hoạch ứng cứu ô nhiễm biển của tàu do các chất lỏng độc:
(1) Bản vẽ bố trí chung, mặt cắt ngang, sơ đồ các đường ống như đường ống dầu hàng được coi là cần thiết để sử dụng khi có sự cố trên tàu.
(2) Biểu đồ dòng chảy để hướng dẫn cho thuyền trưởng thông qua những hành động và quyết định cần thiết trong quá trình xảy ra sự cố.
(3) Các hạng mục khác Đăng kiểm xét thấy cần thiết.
PHẦN 7 THIẾT BỊ NGĂN NGỪA Ô NHIỄM DO NƯỚC THẢI CỦA TÀU
CHƯƠNG 1 QUY ĐỊNH CHUNG
1.1 Quy định chung
1.1.1 Yêu cầu áp dụng
Những quy định trong Phần này áp dụng cho thiết bị ngăn ngừa ô nhiễm do nước thải của tàu gây ra.
1.1.2 Thuật ngữ
1 Trong Phần này, các thuật ngữ dưới đây được hiểu như sau:
(1) “Tàu mới” là tàu:
(a) Có hợp đồng đóng mới đã được ký, hoặc trong trường hợp không có hợp đồng đóng mới, tàu có giai đoạn dầu của quá trình đóng mới vào hoặc sau ngày 27 tháng 9 năm 2003;
(b) Tàu được bàn giao vào hoặc sau ngày 27 tháng 9 năm 2006.
(2) “Tàu hiện có” là tàu không phải là tàu mới.
(3) “Nước thải” nghĩa là:
(a) Nước thoát ra và các chất thải khác ở dạng bất kỳ từ nhà vệ sinh, bồn tiểu;
(b) Nước thoát từ các buồng y tế (phòng khám, phòng điều trị v.v...) thông qua các bồn, chậu rửa và các ống thoát đặt trong các buồng đó;
(c) Nước thoát từ các nơi chứa súc vật sống; hoặc
(d) Các loại nước thải khác khi hòa trộn lẫn với các loại nước nêu trên.
(4) “Két chứa" là két dùng để thu gom và chứa các loại nước thải.
CHƯƠNG 2 THIẾT BỊ NGĂN NGỪA Ô NHIỄM DO NƯỚC THẢI CỦA TÀU GÂY RA
2.1 Quy định chung
2.1.1 Yêu cầu áp dụng
1 Những yêu cầu của Chương này áp dụng cho các tàu hoạt động tuyến quốc tế như sau:
(1) Tàu mới có tổng dung tích từ 400 trở lên;
(2) Tàu mới có tổng dung tích nhỏ hơn 400 và được xác nhận chở trên 15 người; và
(3) Tàu hiện có tổng dung tích từ 400 trở lên, kể từ ngày 27 tháng 9 năm 2008; và
(4) Tàu hiện có tổng dung tích nhỏ hơn 400 và được xác nhận chở trên 15 người, kể từ ngày 27 tháng 9 năm 2008.
2 Tàu hiện có, phù hợp với -1(3) và (4) nêu trên, có sống chính đã được đặt hoặc trong giai đoạn đóng mới tương tự trước ngày 2 tháng 10 năm 1983 phải được trang bị để xả nước thải thỏa mãn các yêu cầu 2.2.1, đến mức có thể được.
2.2 Quy định về trang thiết bị
2.2.1 Thiết bị ngăn ngừa ô nhiễm do nước thải
1 Thiết bị ngăn ngừa ô nhiễm do nước thải sau đây phải được lắp đặt cho các tàu nêu ở 2.1.1-1:
(1) Một trong các hệ thống nước thải
(a) Thiết bị xử lý nước thải phù hợp với -2 dưới đây;
(b) Hệ thống nghiền và khử trùng nước thải phù hợp với - 3 dưới đây, kết hợp với phương tiện chứa tạm thời khi tàu cách bờ gần nhất dưới 3 hải lý;
(c) Một két chứa có dung tích đủ để thu gom tất cả nước thải có tính đến hoạt động của tàu, số lượng người có ở trên tàu và các yếu tố liên quan khác. Két chứa này được kết cấu thỏa mãn yêu cầu của Đăng kiểm và được trang bị phương tiện xác định bằng mắt lượng nước thải chứa trong két. Dung tích của két phải thỏa mãn công thức sau:
CT ≥ ANpDa+R
Trong đó:
CT: Dung tích của két chứa (m3);
A: 0,060 (m3/người/ngày). Đăng kiểm có thể chấp nhận giảm giá trị A nếu thấy rằng hệ thống xả vệ sinh thỏa mãn yêu cầu sử dụng nước ít hơn;
Np: Tổng số người trên tàu;
Da: Số ngày tối đa hoạt động trên khu vực có quy định không được xả chất thải không được nghiền hoặc khử trùng (tối thiểu là 1 ngày);
R: Thể tích nước xả ban đầu cần thiết tùy theo phương pháp rửa xả.
(2) Đường ống để thải nước thải vào phương tiện tiếp nhận.
(3) Bích nối xả tiêu chuẩn trang bị cho đường ống nêu ở (2) phù hợp với Bảng 7.1. Đối với các tàu chạy chuyên tuyến cố định, đường ống xả của tàu có thể được trang bị bích nối khác được Chính quyền hành chính chấp nhận, nhưng phải đảm bảo nối ghép nhanh chóng.
2 Thiết bị xử lý nước thải nêu ở -1(1)(a) trên phải được Đăng kiểm công nhận kiểu phù hợp với MEPC.227(64), ngoại trừ điều 4.2 ở Phụ lục của Nghị quyết vừa nêu và có đủ sản lượng xử lý nước thải được tính bằng A và Np nêu ở -1(1)(c) trên.
3 Hệ thống nghiền và khử trùng nước thải nêu ở -1(1)(b) trên phải được Đăng kiểm công nhận kiểu phù hợp với MEPC.227(64) và có đủ sản lượng xử lý nước thải được tính bằng A và Np nêu ở -1(1)(c) trên.
Bảng 7.1 Kích thước tiêu chuẩn của bích nối xả
|
Tên gọi |
Kích thước |
|
Đường kính ngoài |
210 mm |
|
Đường kính trong |
Tương ứng với đường kính ngoài của ống(*) |
|
Đường kính đường vòng tròn đi qua tâm các bu lông |
170 mm |
|
Rãnh khoét ở bích nối |
4 lỗ có đường kính 18 mm được bố trí cách đều nhau theo đường tròn đi qua tâm các lỗ bắt bu lông, với đường kính nêu ở trên và các rãnh này được khoét tới mép ngoài của bích. Chiều rộng của rãnh là 18 mm |
|
Chiều dày bích nối |
16 mm |
|
Bu lông, đai ốc: Số lượng và đường kính |
4 chiếc, mỗi chiếc có đường kính 16 mm và chiều dài thích hợp |
|
Bích được thiết kế dùng cho đường ống có đường kính trong lên tới 100 mm và được chế tạo bằng thép hoặc vật liệu tương đương khác có mặt ngoài phẳng. Bích này cùng với gioăng thích hợp để phù hợp với áp suất làm việc 0,6 MPa. |
|
Chú thích:
(*) Đối với tàu có chiều cao mạn lý thuyết từ 5 m trở xuống, đường kính trong của bích nối có thể bằng 38 mm.
2.2.2 Quy định về bản tính lưu lượng xả nước thải chưa được xử lý trong các két chứa
1 Các tàu nêu ở 2.1.1-1, nếu trang bị két chứa nước thải chưa được xử lý như nêu ở 2.2.1-1(1)(c) trên, thì phải có bản tính lưu lượng xả cho phép lớn nhất được Đăng kiểm duyệt để sử dụng ở trên tàu, phù hợp với các yêu cầu sau:
(a) Lưu lượng xả cho phép lớn nhất được tính theo công thức sau:
DRmax = 0,00926VdB
Trong đó:
DRmax: Lưu lượng xả cho phép lớn nhất (m3/h);
V: Tốc độ trung bình của tàu trong một hành trình (hải lý/h);
d: Chiều chìm của tàu (m);
B: Chiều rộng của tàu (m).
(b) Yêu cầu đối với bản tính lưu Iượng xả cho phép lớn nhất
Bản tính lưu lượng xả cho phép lớn nhất phải được lập (dưới dạng bảng) dựa trên công thức nêu ở (a) trên, phù hợp với các yêu cầu từ (i) đến (iv) sau:
(i) Tốc độ trung bình của tàu (V) được tính cho mức tăng tốc độ bằng 2 hải lý/h, từ tốc độ 4 hải lý/h cho đến tốc độ khai thác lớn nhất.
(ii) Chiều chìm (d) được lấy với độ tăng bằng 1 mét tính từ chiều chìm khai thác thấp nhất đến chiều chìm mùa hè lớn nhất được ấn định của tàu.
(iii) Lưu lượng xả tính toán là lưu lượng trung bình được tính trong khoảng thời gian 24 giờ hoặc trong thời gian xả, lấy giá trị nào nhỏ hơn, nhưng không được vượt quá 20% khi đo hàng giờ.
(iv) Bản tính lưu lượng xả cho phép lớn nhất phải có các thông tin của tàu như tên tàu, số nhận dạng (số IMO), chiều rộng của tàu (B), chiều chìm khai thác nhỏ nhất, chiều chìm mùa hè lớn nhất; tốc độ khai thác lớn nhất của tàu, tốc độ xả thải lý thuyết lớn nhất.
PHẦN 8 THIẾT BỊ NGĂN NGỪA Ô NHIỄM KHÔNG KHÍ TỪ TÀU
CHƯƠNG 1 QUY ĐỊNH CHUNG
1.1 Quy định chung
1.1.1 Yêu cầu áp dụng
1 Những quy định trong Phần này áp dụng đối với trang thiết bị ngăn ngừa ô nhiễm không khí lắp đặt trên tàu và các giàn cố định trên biển, các giàn di động trên biển và các kho chứa nổi sử dụng cho mục đích thăm dò và khai thác dầu khí. Tuy nhiên, chỉ yêu cầu áp dụng các quy định ở Phần này cho các giàn cố định trên biển có ngày ký hợp đồng đóng mới vào sau ngày 01 tháng 7 năm 2017.
2 Bất kể các quy định nêu ở -1 nêu trên, việc phát thải dưới đây từ các giàn khoan biển, ví dụ, phát thải phát sinh trực tiếp từ quá trình thăm dò, khai thác và xử lý ngoài khơi các nguồn khoáng sản dưới đáy biển có thể được miễn giảm các quy định của Phần này. Các loại phát thải đỏ bao gồm:
(1) Phát thải phát sinh từ việc đốt các chất sinh ra trực tiếp và tất yếu của quá trình thăm dò, khai thác và xử lý khoáng chất đáy biển, bao gồm, nhưng không hạn chế sự bùng cháy của hydrocarbon và đốt các loại bùn khoáng, đồ thải, và/hoặc dung dịch kích hoạt trong quá trình thử nghiệm, hoàn thiện hoạt động giếng khoan và bùng cháy phát sinh của các trạng thái không kiểm soát được.
(2) Sự thoát khí và các thành phần dễ bay hơi đồng hành trong dung dịch khoan và chất xả bỏ.
(3) Các khí xả đồng hành và trực tiếp trong quá trình xử lý, vận chuyển và bảo quản khoáng chất đáy biển.
(4) Khí xả phát sinh từ các động cơ điêzen chuyên dụng dùng cho thăm dò, khai thác và xử lý khoáng chất đáy biển.
1.1.2 Thuật ngữ
1 Trong Phần này, các thuật ngữ dưới đây được hiểu như sau, trừ khi được quy định khác ở Chương 2 hoặc Chương 3:
(1) “Bộ luật kỹ thuật NOx” là Bộ luật kỹ thuật về kiểm soát việc xả các oxit nitơ từ động cơ điêzen hàng hải được thông qua bởi Hội nghị quốc tế các thành viên MARPOL năm 1997 bằng Nghị quyết 2 và được sửa đổi bởi IMO, với điều kiện các bổ sung sửa đổi được thông qua và có hiệu lực phù hợp với các quy định ở Điều 16 của Công ước.
(2) “Chất làm suy giảm tầng ôzôn" là các chất bị kiểm soát được định nghĩa trong mục 4, Điều 1 của Nghị định thư Montreal về các chất làm suy giảm tầng ôzôn, 1987, nêu trong Phụ lục A, B, C hoặc E của Nghị định thư nói trên.
(3) “Chất gây ô nhiễm biển” là những chất thuộc phạm vi áp dụng Phụ lục III.
(4) "Cơ sở chế tạo động cơ điêzen" là cơ sở chế tạo động cơ điêzen hoặc các bên có trách nhiệm khác đề nghị kiểm tra phát thải, khẳng định bộ phận hợp thành, thử phát thải, kiểm tra hồ sơ v.v... nêu ở 2.1.3-5(3) (trừ (d)iii) Phần 2.
(5) “Họ động cơ” là loạt động cơ điêzen áp dụng theo hướng dẫn nêu ở 4.3.8 của Bộ luật kỹ thuật NOx. Các động cơ điêzen được chế tạo theo loạt, được chứng minh có các đặc tính phát thải NOx giống nhau thông qua thiết kế của chúng, được sử dụng như đã được chế tạo, cả trong quá trình lắp đặt trên tàu và không yêu cầu phải điều chỉnh hoặc thay đổi mà có thể ảnh hưởng xấu đến việc phát thải NOx.
(6) “Nhóm động cơ” là loạt động cơ điêzen áp dụng theo hướng dẫn nêu ở 4.4.6 của Bộ luật kỹ thuật NOx. Các động cơ này hình thành một loạt có số lượng nhỏ hơn, được chế tạo để sử dụng động cơ giống nhau và có thể yêu cầu điều chỉnh hoặc thay đổi nhỏ trong quá trình lắp đặt hoặc sử dụng trên tàu.
(7) “Động cơ mẫu” là động cơ điêzen được lựa chọn là động cơ có mức phát xả NOx cao nhất trong tất cả các động cơ của một họ động cơ, phù hợp với các quy định ở 4.3.9 của Bộ luật kỹ thuật NOx và được lựa chọn cho nhóm động cơ phù hợp với các quy định ở 4.4.8 của Bộ luật kỹ thuật NOx.
(8) “Bộ phận hợp thành” của động cơ điêzen là các bộ phận có thể thay thế được mà các bộ phận này có làm ảnh hưởng tới việc phát thải NOx, được xác định bằng số hiệu thiết kế/bộ phận của chúng.
(9) "Giá trị khai thác" của động cơ điêzen là các số liệu liên quan của động cơ, như áp suất cháy lớn nhất trong xi lanh, nhiệt độ khí xả v.v... từ nhật ký động cơ liên quan tới việc phát thải NOx. Các số liệu này phụ thuộc vào tải.
(10) “Hồ sơ kỹ thuật” là hồ sơ ghi tất cả các chi tiết về thông số, bao gồm cả các bộ phần hợp thành và chế độ đặt của động cơ điêzen mà chúng có thể ảnh hưởng đến việc phát thải NOx của động cơ.
(11) “Chế độ đặt” của động cơ điêzen là sự điều chỉnh một đặc tính có thể điều chỉnh được làm ảnh hưởng đến tính năng phát thải của động cơ điêzen.
(12) “Thay đổi lớn” của động cơ điêzen là:
(a) Đối với động cơ điêzen được lắp đặt trên các tàu hoạt động tuyến quốc tế có giai đoạn bắt đầu đóng mới vào hoặc sau ngày 01 tháng 01 năm 2000 (động cơ điêzen được lắp đặt trên các tàu không hoạt động tuyến quốc tế có giai đoạn bắt đầu đóng mới vào hoặc sau ngày 01 tháng 01 năm 2021) thì thay đổi lớn là bất kỳ thay đổi nào đối với động cơ mà có khả năng làm động cơ vượt quá tiêu chuẩn phát thải NOx nêu ở 2.1.2-1. Các thay thế theo thường kỳ của các bộ phận hợp thành bằng các bộ phận quy định trong hồ sơ kỹ thuật mà không làm thay đổi đặc tính phát thải NOx thì không được coi là thay đổi lớn.
(b) Đối với động cơ điêzen lắp đặt trên tàu hoạt động tuyến quốc tế có giai đoạn bắt đầu đóng mới trước ngày 01 tháng 01 năm 2000 (động cơ điêzen được lắp đặt trên các tàu không hoạt động tuyến quốc tế có giai đoạn bắt đầu đóng mới trước ngày 01 tháng 01 năm 2021) thì thay đổi lớn là bất kỳ thay đổi nào đối với động cơ mà làm tăng đặc tính phát thải NOx hiện có vượt quá các giới hạn được thiết lập bởi phương pháp đo đơn giản trên tàu quy định ở 2.1.2-2(2)(b). Những thay đổi này, bao gồm, nhưng không chỉ hạn chế, các thay đổi trong việc khai thác hoặc trong các thông số kỹ thuật của nó (ví dụ như thay đổi trục cam, hệ thống phun nhiên liệu, hệ thống khí nạp, cấu hình buồng đốt, hoặc hiệu chỉnh thời gian của động cơ).
(13) “Hoán cải lớn” của động cơ điêzen là thay đổi đối với động cơ điêzen vào hoặc sau ngày 01 tháng 01 năm 2000 (đối với tàu hoạt động tuyến quốc tế), vào hoặc sau ngày 01 tháng 01 năm 2021 (đối với tàu không hoạt động tuyến quốc tế) mà tương ứng với một trong các trường hợp từ (a) tới (c) sau:
(a) Động cơ được thay thế bằng hoặc được bổ sung thêm một động cơ khác được chế tạo không giống động cơ trước của tàu. Trường hợp được coi là giống động cơ trước của tàu là cả động cơ thay thế và động cơ được thay thế có các hạng mục sau giống nhau:
(i) Thiết kế và kiểu loại;
(ii) Công suất định mức;
(iii) Vòng quay định mức;
(iv) mục đích sử dụng;
(v) Số lượng xy lanh;
(vi) Kiểu hệ thống nhiên liệu (bao gồm cả phần mềm điều khiển phun, nếu áp dụng);
(vii) Đối với động cơ không được chứng nhận theo tiêu chuẩn nêu ở 2.1.2-1 Phần này, bộ phận hợp thành và chế độ đặt ảnh hưởng đến NOx (kiểu bơm nhiên liệu và thời gian phun, kiểu vùi phun, cấu hình, kiểu tua bin tăng áp, đặc tính kỹ thuật của quạt tăng áp, công chất làm mát (nước biển/nước ngọt) v.v...); và
(viii) Đối với động cơ được chứng nhận theo tiêu chuẩn nêu ở 2.1.2-1 Phần này, họ động cơ hoặc nhóm động cơ của các động cơ này.
(b) Bất kỳ sự thay đổi lớn nào của động cơ điêzen được thực hiện đối với động cơ.
(c) Công suất liên tục lớn nhất của động cơ (được định nghĩa tại 1.2.41 Phần 1A Mục II của Quy chuẩn kỹ thuật quốc gia về Phân cấp và đóng tàu biển vỏ thép, sau đây được áp dụng tương tự) được tăng lên quá 10%.
(14) “Các khu vực kiểm soát phát thải” là khu vực mà yêu cầu bắt buộc phải áp dụng các biện pháp đặc biệt đối với phát thải của tàu để ngăn ngừa, giảm bớt và hạn chế ô nhiễm không khí do NOx hoặc SOx và hạt rắn hoặc tất cả ba loại phát thải và các tác hại kèm theo đối với sức khỏe và môi trường. Các khu vực kiểm soát phát thải bao gồm các khu vực được liệt kê ở hoặc chỉ định ở (15) và (16) dưới đây.
(15) “Các khu vực kiểm soát phát thải NOx” là các khu vực sau:
(a) Khu vực Bắc Mỹ
(i) Khu vực biển nằm ngoài các bờ biển Thái Bình Dương của Mỹ và Ca-na-đa, được bao bởi các đường trắc địa nối các tọa độ nêu ở Phụ chương VII.1 của Phụ lục VI.
(ii) Các khu vực biển nằm ngoài bờ biển Đại Tây Dương của Mỹ, Ca-na-đa và Pháp (Saint-Pierre-et-Miquelon) và Vịnh Mê-hi-cô của Mỹ được bao bởi các đường trắc địa nối các tọa độ nêu ở Phụ chương VII.2 của Phụ lục VI.
(iii) Khu vực biển nằm ngoài các bờ biển của các đảo Ha-oai của Ha-oai, Maui, Oahu, Moloka, Niihau, Kauai, Lanai và Kahoolawe, được bao bởi các đường trắc địa nối các tọa độ nêu ở Phụ chương Vll.3 của Phụ lục VI.
(b) Khu vực biển Ca-ri-bê của Mỹ
Khu vực biển nằm ngoài các bờ biển Đại Tây Dương và Ca-ri-bê của Khối thịnh vượng chung Puerto Rico và các đảo Virgin của Mỹ, được bao bởi các đường trắc địa nối các tọa độ nêu ở Phụ chương VII.3 của Phụ lục VI.
(c) Khu vực biển bất kỳ khác, bao gồm các khu vực cảng được quy định bởi IMO phù hợp với các tiêu chuẩn và quy trình nêu trong Phụ chương III của Phụ lục VI.
(16) “Khu vực kiểm soát phát thải SOx" là các khu vực bao gồm từ (a) đến (c) sau:
(a) Khu vực biển Ban Tích
Khu vực biển Ban Tích cùng với Vịnh Bothnia, Vịnh Phần Lan và lối vào biển Ban Tích được giới hạn bởi đường vĩ tuyến 57o 44,8’ bắc của mũi cực bắc Đan Mạch ở khu vực dải Skagerrak.
(b) Khu vực nêu ở (15)(a) và (b) trên.
(c) Khu vực biển bất kỳ khác, bao gồm các khu vực cảng được IMO ấn định phù hợp với tiêu chuẩn và quy trình nêu trong Phụ chương III của Phụ lục VI.
(17) “Tàu hàng lỏng” là tàu chở hàng lỏng được định nghĩa ở Quy định 1 của Phụ lục I hoặc tàu chở hóa chất lỏng được định nghĩa ở Quy định 1 của Phụ lục II và bao gồm một trong những tàu liệt kê sau đây:
(a) Tàu dầu
Là tàu được đóng dùng để chở xô dầu trang những khoang hàng (trừ những tàu có các khoang hàng được chế tạo thích hợp chỉ để chở hàng không phải là dầu chở xô).
(b) Tàu chở xô chất lỏng độc
Là tàu chở xô chất lỏng độc nêu ở 1.2.2- (7) Mục I.
(c) Tàu chở hàng hỗn hợp
Là tàu chở hàng hỗn hợp nêu ở 1.2.2-1(8) Mục I.
(18) "Nhiên liệu" là nhiên liệu được cấp cho, hoặc dự định sử dụng cho mục đích đốt phục vụ việc đẩy tàu hoặc hoạt động trên tàu, bao gồm cả khí ga, nhiên liệu chưng cất hoặc lắng cặn.
(19) “Năm” là thời gian từ ngày 01 tháng 01 đến và bao gồm ngày 31 tháng 12.
(20) “Công ty” là chủ tàu hoặc mọi tổ chức, cá nhân như người quản lý, người thuê tàu trần, người nhận trách nhiệm khai thác tàu từ chủ tàu và người nhận trách nhiệm như vậy đã đồng ý đảm nhiệm mọi trách nhiệm, nghĩa vụ được quy định bởi Bộ luật quản lý quốc tế về khai thác an toàn tàu và ngăn ngừa ô nhiễm (International Management Code for the Safe Operation of Ships and for Pollution Prevention).
1.1.3 Điều khoản tương đương
Đăng kiểm có thể chấp nhận các thiết bị phụ, vật liệu, trang thiết bị lắp đặt lên tàu, cùng với các quy trình khác, dầu đốt thay thế, hoặc các phương pháp tuân thủ sử dụng để thay thế cho những hạng mục đó được yêu cầu trong Quy chuẩn này trong các trường hợp mà chúng có hiệu quả về giảm phát thải tối thiểu bằng với được yêu cầu trong Quy chuẩn này.
1.2 Điều khoản chung
1.2.1 Chất làm suy giảm tầng ôzôn
Các hệ thống, thiết bị, bao gồm cả thiết bị chữa cháy xách tay và các vật liệu khác có chứa chất làm suy giảm tầng ôzôn không được trang bị mới lên tàu trừ được Đăng kiểm cho là phù hợp.
1.2.2 Dầu đốt
1 Dầu đốt sử dụng cho mục đích đốt được cung cấp và sử dụng trên tàu phải thỏa mãn các yêu cầu sau:
(1) Hàm lượng lưu huỳnh của dầu không vượt quá các giới hạn sau đây:
(a) 4,5% theo khối lượng trước ngày 01 tháng 01 năm 2012.
(b) 3,5% theo khối lượng vào hoặc sau ngày 01 tháng 01 năm 2012.
(c) 0,5% theo khối lượng vào hoặc sau ngày 01 tháng 01 năm 2020.
(2) Dầu phải được làm sạch các axit vô cơ.
(3) Dầu phải không có bất kỳ chất phụ gia và chất thải hóa chất nào mà ảnh hưởng tới một trong các điều từ (a) đến (c) sau:
(a) Làm nguy hại tới sự an toàn của tàu hoặc ảnh hưởng xấu đến đặc tính hoạt động của động cơ;
(b) Có hại đối với con người;
(c) Góp phần trong tổng thể làm tăng ô nhiễm không khí.
(4) Dầu đốt thu được từ hóa dầu phải là hỗn hợp các hydrocarbon. Tuy nhiên, một lượng nhỏ các chất phụ gia có thể được đưa vào với mục đích làm tăng một số đặc tính công tác của dầu đốt.
(5) Dầu đốt thu được bằng các phương pháp khác không phải là hóa dầu phải không là nguyên nhân gây phát thải NOx của động cơ vượt quá giới hạn cho phép nêu ở 2.1.2-1.
2 Đối với tàu có tổng dung tích từ 400 trở lên hoạt động tuyến quốc tế, những chi tiết về dầu đốt dùng cho mục đích đốt được cung cấp và sử dụng trên tàu phải được ghi lại bằng phiếu cung ứng dầu đốt viết bằng tiếng Anh, Pháp hoặc Tây Ban Nha. Phiếu cung ứng bao gồm các thông tin được nêu từ (1) đến (9) sau đây và phải được lưu giữ trên tàu trong thời hạn 3 năm, kể từ ngày cung ứng dầu đốt lên tàu.
(1) Tên và số IMO của tàu nhận dầu đốt;
(2) Cảng nhận;
(3) Ngày cung ứng;
(4) Tên, địa chỉ, số điện thoại của nhà cung cấp;
(5) Tên sản phẩm;
(6) Số lượng tính theo mét khối;
(7) Khối lượng riêng ở nhiệt độ 15 oC (kg/m3) nhận được từ kết quả thử phù hợp với ISO 3675;
(8) Hàm lượng lưu huỳnh (% theo trọng lượng) nhận được từ kết quả thử phù hợp với ISO 8754;
(9) Tờ khai có chữ ký và chứng nhận của người đại diện nhà cung cấp đảm bảo rằng dầu đốt được cung cấp thỏa mãn -1(2) đến -1(5) trên và -1(1) hoặc 2.2-1.
3 Phiếu cung ứng dầu đốt nêu ở -2 phải được lưu giữ kèm theo mẫu đại diện của dầu đốt được cấp, được lấy phù hợp với MEPC.182(59). Mẫu phải được niêm phong và ký tên của người đại diện nhà cung cấp và thuyền trưởng hoặc sỹ quan chịu trách nhiệm về hoạt động dầu đốt sau khi hoàn thành việc cấp dầu đốt và được lưu giữ trên tàu phù hợp với Nghị quyết nêu trên, cùng với tên nhãn của mẫu, viết bằng tiếng Anh, Pháp hoặc Tây Ban Nha, tới khi dầu đốt đã được tiêu thụ một lượng đáng kể, nhưng trong bất kỳ trường hợp nào thời hạn lưu giữ cũng không ít hơn 12 tháng.
4 Các yêu cầu nêu ở -1 đến -3 không áp dụng đối với việc sử dụng hydrocarbon được sản xuất và sau đó sử dụng trên các giàn khoan làm dầu đốt.
1.2.3 Các chất cấm đốt trên tàu
1 Các chất cấm đốt trên tàu được liệt kê dưới đây:
(1) Các cặn hàng nêu từ (a) đến (c) sau đây và các vật liệu bao gói liên quan:
(a) Dầu;
(b) Chất lỏng độc;
(c) Chất gây ô nhiễm biển.
(2) Polychlorinated biphenyls (PCBs);
(3) Rác thải có chứa các kim loại nặng;
(4) Các sản phẩm hóa dầu có chứa các thành phần halogen;
(5) Polyvinyl chlorides (PVCs) (trừ khi chúng được đốt trong các thiết bị đốt chất thải thỏa mãn các yêu cầu 2.4-1(2) hoặc các thiết bị tương đương);
(6) Cặn rác và dầu cặn không phải phát sinh từ tàu;
(7) Các cặn của hệ thống làm sạch khí xả.
CHƯƠNG 2 TRANG THIẾT BỊ NGĂN NGỪA Ô NHIỄM KHÔNG KHÍ TỪ TÀU
2.1 Oxit nitơ (NOx)
2.1.1 Quy định chung
1 Các quy định nêu trong 2.1 áp dụng đối với mỗi động cơ điêzen chạy bằng nhiên liệu lỏng hoặc hai nhiên liệu và mỗi động cơ chạy bằng nhiên liệu khí được lắp đặt trên tàu, có công suất lớn hơn 130 kW trong bất kỳ trường hợp nào từ (1) tới (4) sau đây:
(1) Động cơ, không kể các động cơ chạy bằng nhiên liệu khí, được lắp đặt trên tàu có giai đoạn bắt đầu đóng mới vào hoặc sau ngày 01 tháng 01 năm 2000;
(2) Động cơ, không kể các động cơ chạy bằng nhiên liệu khí, được hoán cải lớn vào hoặc sau ngày 01 tháng 01 năm 2000.
(3) Các động cơ chạy bằng nhiên liệu khí, được lắp đặt lên tàu có giai đoạn bắt đầu đóng mới vào hoặc sau ngày 01 tháng 3 năm 2016; hoặc
(4) Các động cơ chạy bằng nhiên liệu khí được lắp thêm hoặc thay mới mà không giống động cơ cũ và được lắp đặt lên tàu vào hoặc sau ngày 01 tháng 3 năm 2016.
2 Bất kể quy định ở -1, yêu cầu này không áp dụng đối với động cơ điêzen liệt kê dưới đây:
(1) Động cơ dự định sử dụng cho các mục đích sự cố, các động cơ lắp trên xuồng cứu sinh và trong máy hoặc thiết bị bất kỳ chỉ sử dụng trong trường hợp sự cố;
(2) Động cơ lắp đặt trên các tàu không hoạt động tuyến quốc tế với điều kiện các động cơ này áp dụng biện pháp kiểm soát NOx tương đương khác được Đăng kiểm chấp nhận.
(3) Động cơ, trừ các động cơ được hoán cải lớn vào hoặc sau ngày 01 tháng 01 năm 2021, được lắp đặt trên các tàu có giai đoạn bắt đầu đóng mới trước ngày 01 tháng 01 năm 2021 và không hoạt động tuyến quốc tế.
3 Bất kể các yêu cầu ở -1(1) trên, động cơ điêzen có công suất trên 5.000 kW và thể tích hiệu dụng của một xi lanh từ 90 lít trở lên lắp đặt trên tàu có giai đoạn bắt đầu đóng mới vào hoặc sau ngày 01 tháng 01 năm 1990 nhưng trước ngày 01 tháng 01 năm 2000 phải tuân theo Các giới hạn phát thải NOx cho phép lớn nhất nêu ở Bảng 8.1(a), với điều kiện phương pháp được chấp nhận đối với động cơ đã được trình lên IMO bởi Chính phủ quốc gia chứng nhận động cơ.
2.1.2 Các yêu cầu về lắp đặt
1 Trong mỗi động cơ điêzen, hệ thống làm sạch khí xả dùng để giảm phát thải NOx đã nêu trong hồ sơ kỹ thuật được duyệt phải được lắp đặt, nếu không, phải có biện pháp tương đương khác làm giảm NOx được Đăng kiểm chấp nhận nhằm đảm bảo lượng phát thải NOx được đo và tính toán phù hợp với -2 dưới đây nằm trong các giới hạn cho phép quy định ở Bảng 8.1(a) đến (c) ứng với số vòng quay liên tục lớn nhất của động cơ (xem 1.2.42 Phần 1A Mục II của Quy chuẩn kỹ thuật quốc gia về Phân cấp và đóng tàu biển vỏ thép, sau đây áp dụng tương tự).
(1) Động cơ điêzen được lắp đặt lên tàu được đóng vào hoặc sau ngày 01 tháng 01 năm 2000.
(a) Giai đoạn I
Đối với các tàu có giai đoạn bắt đầu đóng mới vào hoặc sau ngày 01 tháng 01 năm 2000 và trước ngày 01 tháng 01 năm 2011 có lắp đặt động cơ điêzen.
Bảng 8.1(a) Các giới hạn phát thải NOx cho phép lớn nhất (giai đoạn 1)
|
Số vòng quay liên tục lớn nhất N0 (vòng/phút) |
Giới hạn phát thải NOx cho phép lớn nhất (g/kWh) |
|
N0 < 130 |
17,0 |
|
130 ≤ N0 < 2.000 |
45,0 x N0(-0,2) |
|
2.000 ≤ No |
9.8 |
(b) Giai đoạn II
Đối với các tàu có giai đoạn bắt đầu đóng mới vào hoặc sau ngày 01 tháng 01 năm 2011 có lắp đặt động cơ điêzen.
Bảng 8.1(b) Các giới hạn phát thải NOx cho phép lớn nhất (giai đoạn 2)
|
Số vòng quay liên tục lớn nhất N0 (vòng/phút) |
Giới hạn phát thải NOx cho phép lớn nhất (g/kWh) |
|
N0 < 130 |
14,4 |
|
130 ≤ N0 < 2.000 |
44,0 x N0(-0,23) |
|
2.000 ≤ N0 |
7,7 |
(c) Giai đoạn III
Đối với các tàu sau đây hoạt động trong vùng kiểm soát phát thải NOx có lắp đặt các động cơ điêzen:
(i) Các tàu hoạt động trong các vùng kiểm soát phát thải NOx được nêu ở 1.1.2(15)(a) và (b) và có giai đoạn bắt đầu đóng mới vào hoặc sau ngày 01 tháng 01 năm 2016; hoặc
(ii) Các tàu hoạt động trong vùng kiểm soát phát thải khác với các vùng nêu ở 1.1.2(15)(a) và (b) và có giai đoạn bắt đầu đóng mới vào hoặc sau ngày IMO thông qua vùng kiểm soát phát thải NOx đó hoặc ngày sau đó được quy định bởi IMO phù hợp với quy định 13.5.1.2 của Phụ lục VI, lấy ngày nào muộn hơn:
Bảng 8.1 (c) Các giới hạn phát thải NOx cho phép lớn nhất (giai đoạn III)
|
Số vòng quay liên tục lớn nhất N0 (vòng/phút) |
Giới hạn phát thải NOx cho phép lớn nhất (g/kWh) |
|
N0 < 130 |
3,4 |
|
130 ≤ N0 < 2.000 |
9,0 x N0(-0,2) |
|
2.000 ≤ N0 |
2,0 |
(d) Các yêu cầu nêu ở (c) trên không áp dụng cho các tàu sau đây:
(i) Các tàu có chiều dài tàu dưới 24 m, được thiết kế riêng và chỉ sử dụng cho mục đích vui chơi giải trí; hoặc
(ii) Các tàu có tổng công suất động cơ điêzen đẩy tàu nhỏ hơn 750 kW mà có thể chứng minh thỏa mãn cho Đăng kiểm rằng tàu không có khả năng đáp ứng được các tiêu chuẩn nêu ở Bảng 8.1(c) do các hạn chế vè thiết kế hoặc kết cấu của tàu; hoặc
(iii) Các tàu có tổng dung tích nhỏ hơn 500, có chiều dài từ 24 m trở lên có giai đoạn bắt đầu đóng mới vào hoặc sau ngày 01 tháng 01 năm 2021, được thiết kế riêng và chỉ cho mục đích vui chơi giải trí.
(2) Hoán cải lớn các động cơ điêzen được thực hiện vào hoặc sau ngày 01 tháng 01 năm 2000
Khi thay thế một động cơ điêzen bằng một động cơ không giống hệt động cơ trước đó hoặc khi lắp đặt thêm một động cơ điêzen, các tiêu chuẩn có hiệu lực tại thời điểm thay thế hoặc lắp đặt thêm động cơ điêzen phải được áp dụng. Tuy nhiên đối với việc thay thế động cơ, nếu Đăng kiểm cho rằng không thể thay thế động cơ đáp ứng các tiêu chuẩn nêu ở Bảng 8.1(c), thì động cơ thay thế đó phải thỏa mãn các yêu cầu nêu ở Bảng 8.1(b). Các tiêu chí để xác định khi nào việc thay thế các động cơ đáp ứng các tiêu chuẩn ở Bảng 8.1(c) là không thể thực hiện được phải phù hợp với hướng dẫn của IMO được nêu tại MEPC.230(65).
2 Việc đo và tính phải phù hợp với các yêu cầu sau:
(1) Lượng phát thải NOx phải được đo và tính toán áp dụng một chu trình kiểm tra phù hợp với từ (a) đến (d) sau đây. Không được sử dụng các số liệu thu được từ thử nghiệm khác để tính toán các giá trị phát thải:
(a) Đốt với động cơ điêzen có tốc độ không đổi, bao gồm động cơ được sử dụng làm máy chính của các tàu chân vịt chạy điện và động cơ lai chân vịt biến bước, áp dụng chu trình thử E2 nêu trong Bảng 8.2;
(b) Đối với động cơ điêzen lai chân vịt bước cố định, áp dụng chu trình thử E3 nêu trong Bảng 8.3;
(c) Đối với các động cơ phụ có vòng quay không đổi, áp dụng chu trình thử D2 nêu trong Bảng 8.4;
(d) Đối với các động cơ phụ có vòng quay, tải thay đổi, không kể các động cơ nêu ở (a) đến (c), áp dụng chu trình thử C1 trong Bảng 8.5;
(2) Lượng phát thải NOx phải được thẩm tra bằng cách sử dụng một trong các phương pháp đo dưới đây và phù hợp với các quy trình nêu ở -5 dưới đây:
(a) Quy trình đo để thẩm tra lượng phát thải NOx tại bệ thử;
(b) Phương pháp đo đơn giản trên tàu;
(c) Phương pháp đo và giám sát trực tiếp trên tàu.
(3) Cách đo phải được tiến hành sử dụng nhiên liệu là loại dầu hàng hải cấp DM hoặc dầu đốt cấp RM (đối với các quy trình đo để thẩm tra lượng phát thải trên bệ thử chỉ trong trường hợp không có dầu đốt loại DM) như quy định tại ISO 8217: 2005 hoặc nhiên liệu khí được lựa chọn phù hợp với Bộ luật kỹ thuật NOx, với các đặc tính phù hợp với kiểu máy. Tuy nhiên, nếu không có dầu đốt sử dụng phù hợp thì có thể sử dụng dầu đốt khác được Đăng kiểm chấp nhận.
(4) Giá trị và giới hạn phát thải NOx, được làm tròn đến một chữ số thập phân, phải có được.
3 Nếu bổ sung thêm một chất phụ khác, như amôniăc, urê, hơi nước, nước, phụ gia dầu đốt v.v... thì phải có phương tiện kiểm soát lượng tiêu thụ của chất đó.
4 Nếu áp dụng một chu trình thử mới cho động cơ điêzen đã được chứng nhận theo một chu trình thử khác nêu ở -2(1)(a) đến (d), thì việc xác nhận có thể được thực hiện bằng việc tính toán lại, áp dụng các kết quả đo ở các chế độ đặc trưng của lần chứng nhận đầu tiên để tính tổng lượng phát thải theo chu trình mới áp dụng, sử dụng các hệ số tải tương ứng của chu trình thử mới.
5 Các quy trình đo phát thải NOx
(1) Quy trình đo để thẩm tra phát thải trên bệ thử
Quy trình phải phù hợp với Chương 5 của Bộ luật kỹ thuật NOx. Ngoài ra, các quy trình đối với động cơ điêzen lắp đặt hệ thống giảm phát thải bằng chất xúc tác lựa chọn phải phù hợp với MEPC.198(62).
(2) Phương pháp đo đơn giản trên tàu
Phải phù hợp với 6.3 của Bộ luật kỹ thuật NOx. Tuy nhiên, khi thẩm tra theo yêu cầu ở 2.1.3-5(3)(a)(iv)2) Phần 2 được thực hiện phù hợp với phương pháp đo đơn giản trên tàu thì các sai khác cho phép cho ở 6.3.11 của Bộ luật kỹ thuật NOx sẽ không được áp dụng. Ngoài ra, nếu các quy trình nêu ở Chương 5 của Bộ luật kỹ thuật NOx được thực hiện thì phải phù hợp với (1) trên.
(3) Phương pháp đo và giám sát trực tiếp trên tàu
Phải phù hợp với 6.4 và Phụ chương VIII của Bộ luật kỹ thuật NOx. Ngoài ra, phải thỏa mãn từ (a) đến (g) sau:
(a) Số liệu được lấy trong phạm vi 30 ngày trước đây phù hợp với (i) hoặc (ii) sau:
(i) Kiểm tra bất chợt được ghi lại cùng với các số liệu khai thác của động cơ điêzen trên cơ sở hoạt động thông thường và trong toàn bộ dài khai thác của động cơ; hoặc
(ii) Kết quả của việc giám sát liên tục và lưu trữ số liệu.
(b) Các bản ghi giám sát phải được lưu giữ trên tàu trong thời gian 3 tháng;
(c) Các số liệu phải được hiệu chỉnh cho các điều kiện môi trường và đặc tính dầu đốt;
(d) Thiết bị đo phải được kiểm tra bởi cơ sở chế tạo thiết bị đo, đảm bảo hoạt động và được hiệu chỉnh đúng, phù hợp với các quy trình nêu ở hồ sơ kỹ thuật của động cơ;
(e) Nếu lắp đặt thiết bị xử lý khí xả để tác động đến lượng phát thải NOx, các điểm đo phải được bố trí ở dòng khí xả phía sau của thiết bị đó;
(f) Phải thu thập được số liệu đầy đủ để tính lượng phát thải NOx thực tế trung bình;
(g) Trong trường hợp lắp đặt hệ thống làm sạch khí xả cho động cơ điêzen để giảm lượng phát thải NOx, các thông số thích hợp có thể được giám sát phải được Đăng kiểm chấp nhận.
Bảng 8.2 Chu trình thử kiểu E2
|
Vòng quay |
100% |
100% |
100% |
100%(2) |
|
Công suất |
100% |
75% |
50% |
25% |
|
Hệ số tải(1) |
0,2 |
0,5 |
0,15 |
0,15 |
Bảng 8.3 Chu trình thử kiểu E3
|
Vòng quay |
100% |
91% |
80% |
63% |
|
Cõng suất |
100% |
75% |
50% |
25% |
|
Hệ số tải(1) |
0,2 |
0,5 |
0,15 |
0,15 |
Bảng 8.4 Chu trình thử kiểu D2
|
Vòng quay |
100% |
100% |
100% |
100% |
|
Công suất |
100% |
75% |
25% |
10% |
|
Hệ số tải(1) |
0,05 |
0,25 |
0,3 |
0,1 |
Bảng 8.5 Chu trình thử kiểu C1
|
Vòng quay |
Số vòng quay liên tục lớn nhất |
Trung gian(4) |
Không tải |
|||||
|
Mô men quay(3) |
100% |
75% |
50% |
10% |
100% |
75% |
50% |
0% |
|
Hệ số tải(1) |
0,15 |
0,15 |
0,15 |
0,1 |
0,1 |
0,1 |
0,1 |
0,15 |
Chú thích:
(1) Giá trị được nêu ở 5.12.6 của Bộ luật kỹ thuật NOX;
(2) Có các trường hợp ngoại lệ, bao gồm các động cơ điêzen có đường kính xy lanh lớn dự định áp dụng chu trình thử E2, theo đó do các khối lượng dao động và kết cấu của chúng, các động cơ điêzen không thể chạy ở tải thấp ở vòng quay thông thường mà không bị nguy cơ hư hỏng các bộ phận hợp thành chính. Trong các trường hợp này, cơ sở chế tạo động cơ điêzen phải đề nghị Đăng kiểm để chấp nhận thay đổi chu trình thử quy định ở Bảng 8.2 cho trạng thái 25% công suất tương ứng với vòng quay. Tuy nhiên, vòng quay động cơ điêzen được điều chỉnh ở 25% công suất phải sao cho càng gần với vòng quay định mức của động cơ điêzen càng tốt, phù hợp với khuyến nghị của cơ sở chế tạo động cơ điêzen và được Đăng kiểm chấp nhận. Các hệ số tải có thể áp dụng cho chu kỳ thử vẫn được giữ nguyên.
(3) Tỷ số giữa mô men xoắn yêu cầu và mô men xoắn lớn nhất có thể tại tốc độ đã chọn;
(4) Do cơ sở chế tạo động cơ điêzen đưa ra, có tính đến các yêu cầu sau đây;
(a) Đối với động cơ điêzen được thiết kế hoạt động ngoài dải vòng quay trên đường cong mô men đủ tải:
(i) Nếu mô men lớn nhất xảy ra trong dải vòng quay nhỏ hơn 60% của vòng quay liên tục lớn nhất, là 60% của vòng quay liên tục lớn nhất
(ii) Nếu mô men lớn nhất xảy ra trong dải vòng quay từ 60% đến 75% của vòng quay liên tục, là vòng quay đó.
(iii) Nếu mô men lớn nhất xảy ra trong dải vòng quay lớn hơn 75% của vòng quay liên tục lớn nhất, là 75% của vòng quay liên tục lớn nhất.
(b) Đối với các động cơ điêzen khác với động cơ nêu ở (a) trên, thường phải là vòng quay nằm trong khoảng 60% đến 75% vòng quay liên tục lớn nhất.
2.1.3 Hồ sơ kỹ thuật và sổ ghi thông số động cơ
1 Hồ sơ kỹ thuật
Mỗi động cơ điêzen phải kèm theo một hồ sơ kỹ thuật của cơ sở chế tạo động cơ có các thông tin sau:
(1) Cách nhận biết các bộ phận, kể cả các thông tin chi tiết giúp nhận biết bất kỳ sự thay đổi nào, các cài đặt và giá trị khai thác của động cơ mà có thể ảnh hưởng tới phát thải NOX của chúng, bao gồm mọi thiết bị hay hệ thống giảm NOX.
(2) Cách nhận biết toàn bộ phạm vi điều chỉnh cho phép hoặc các thay đổi đối với các bộ phận của động cơ.
(3) Toàn bộ các số liệu ghi chép liên quan tới tính năng kỹ thuật của động cơ điêzen, kể cả vòng quay và công suất ra liên tục lớn nhất của động cơ, phù hợp với các thông số trên biển tên.
(4) Ít nhất một trong các phương pháp thẩm tra lượng phát thải NOX nêu ở 2.1.2-2(2) và khả năng áp dụng trong việc kiểm tra quy định ở 3.2.2-4(2) Phần 2, hoặc phương pháp kiểm tra các thông số động cơ điêzen trên tàu, phù hợp với 6.2 của Bộ luật kỹ thuật NOX. Khi áp dụng phương pháp đo và giám sát trực tiếp trên tàu, phải có quy trình hiệu chỉnh và sử dụng các thiết bị đo của cơ sở chế tạo động cơ điêzen. Ngoài ra, khi lắp đặt hệ thống làm sạch khí xả để giảm thiểu phát thải NOx, thì phải có quy trình xác định NOX trên tàu cho hệ thống để đảm bảo chúng được hoạt động chính xác.
(5) Bản sao biên bản thử của các thử nghiệm phù hợp với Phần 2 Phụ lục V của Bộ luật kỹ thuật NOX (trong trường hợp phương pháp đo đơn giản trên tàu được áp dụng phù hợp với 2.2.5.2 của Bộ luật kỹ thuật NOx được thực hiện để thẩm tra lượng phát thải, phải bao gồm cả hai biên bản thử). Đối với động cơ thành phần của một họ hoặc một nhóm động cơ, chúng có thể được thay thế bằng các biên bản thử của động cơ mẫu.
(6) Nếu có thể, đặc tính thiết kế và hạn chế đối với động cơ thành phần của một họ hoặc một nhóm động cơ được kèm theo với yêu cầu ở trong Chương 4 của Bộ luật kỹ thuật NOX.
(7) Các đặc tính của các thành phần, bộ phận dự trữ của động cơ điêzen mà khi thay thế vào động cơ điêzen phù hợp với những đặc tính nêu trên, luôn cho kết quả phát thải NOX thỏa mãn giới hạn quy định ở 2.1.2-1.
(8) Giấy chứng nhận EIAPP, nếu đã được cấp.
(9) Trong trường hợp hệ thống làm sạch khí xả nhằm giảm thiểu phát thải NOX được lắp đặt, sổ ghi chép phải ghi sự có mặt của hệ thống như là bộ phận hợp thành của động cơ điêzen.
(10) Nếu có chất phụ gia khác được sử dụng, như amôniăc, urê, hơi nước, nước, các chất phụ gia dầu đốt v.v... phương tiện sẵn có để chứng minh rằng lượng tiêu thụ các chất phụ gia đó là thỏa mãn yêu cầu để tuân thủ các giới hạn của NOX áp dụng.
(11) Các thông tin liên quan khác.
2 Sổ ghi thông số kỹ thuật của động cơ
Mỗi động cơ phải có số ghi các thông số động cơ trong đó có toàn bộ bản ghi các điều chỉnh, sửa đổi và tất cả các thay đổi thông số, kể cả của các bộ phận hợp thành và cài đặt của động cơ có thể làm ảnh hưởng đến lượng phát thải NOX được thực hiện sau khi hồ sơ kỹ thuật được duyệt.
2.1.4 Ghi thông tin liên quan đến kiểm soát lượng phát thải NOX
Giai đoạn (giai đoạn II hoặc giai đoạn III) và trạng thái áp dụng/không áp dụng của các động cơ điêzen lắp đặt trên tàu mà 2.12-1(1)(c) áp dụng mà được chứng nhận cả giai đoạn II và giai đoạn III hoặc chỉ được chứng nhận giai đoạn II, phải được ghi lại trong nhật ký như được quy định bởi Đăng kiểm cùng với ngày, thời gian và vị trí của tàu trong các trường hợp sau:
(1) Khi đi vào một khu vực kiểm soát phát thải NOx quy định ở 1.1.2(15);
(2) Khi ra khỏi một khu vực kiểm soát phát thải NOx quy định ở 1.1.2(15); hoặc
(3) Khi thay đổi trạng thái áp dụng/không áp dụng trong khu vực kiểm soát phát thải NOx quy định ở 1.1.2(15).
2.2 Oxit lưu huỳnh (SOx) và hạt rắn
1 Dầu đốt sử dụng cho tàu hoạt động ở khu vực kiểm soát phát thải SOx phải được xác nhận bởi phiếu cung ứng dầu đốt nêu ở 1.2.2-2 rằng hàm lượng lưu huỳnh không vượt quá các giới hạn nêu dưới đây. Tuy nhiên, quy định này không áp dụng trước ngày 01 tháng 01 năm 2020 đối với các tàu hoạt động trong các khu vực nêu ở 1.1.2-1(16)(b) được đóng vào hoặc trước ngày 01 tháng 8 năm 2011 và được chạy bằng các nồi hơi chính đẩy tàu mà ban đầu không thiết kế để hoạt động liên tục bằng dầu chưng cất hàng hải hoặc khí tự nhiên:
(1) 1,5% theo khối lượng trước ngày 01 tháng 7 năm 2010;
(2) 1,0% theo khối lượng vào và sau ngày 01 tháng 7 năm 2010;
(3) 0,1% theo khối lượng vào và sau ngày 01 tháng 01 năm 2015.
2 Tất cả các tàu sử dụng dầu đốt thỏa mãn -1 trong khu vực kiểm soát phát thải SOx và các loại dầu đốt khác trong các khu vực khác, phải có quy trình được viết chỉ dẫn việc chuyển đổi dầu đốt được thực hiện thế nào, có thời gian đủ để hệ thống dầu trực nhật được tẩy sạch các dầu đốt có hàm lượng lưu huỳnh vượt quá giới hạn cho phép nêu ở -1 trước khi đi vào khu vực kiểm soát phát thải SOx. Ngày, thời gian, vị trí của tàu và thể tích dầu đốt phù hợp với -1 trong từng két trong các trường hợp nêu ở (1) và (2) dưới đây phải được ghi lại trong sổ nhật ký đã được Đăng kiểm quy định.
(1) Khi hoàn thành việc chuyển đổi dầu đốt trước khi đi vào khu vực kiểm soát phát thải SOx, để tẩy sạch tất cả dầu đốt đã sử dụng ở ngoài vùng và bắt đầu sử dụng dầu đốt thỏa mãn-1.
(2) Khi bắt đầu thực hiện chuyển đổi dầu đốt sau khi ra khỏi khu vực kiểm soát phát thải SOX và bắt đầu sử dụng dầu đốt thường sử dụng ở ngoài vùng.
3 Trong thời hạn 12 tháng đầu ngay sau khi quy định một vùng kiểm soát phát thải SOx, các yêu cầu ở 2.2 này không áp dụng đối với việc sử dụng dầu đốt trong khu vực đó.
2.3 Hệ thống thu gom hơi
1 Đối với các tàu nêu ở (1) và (2) dưới đây khi nhận hàng trong cảng hoặc bến đỗ mà có quy định của chính quyền hành chính về các hợp chất hữu cơ dễ bay hơi, thì phải lắp đặt hệ thống thu gom hơi phù hợp -4.
(1) Tàu chở hàng lỏng;
(2) Tàu chở xô khí hóa lỏng (khi kiểu của các hệ thống làm và chứa hàng cho phép lưu giữ an toàn các chất hữu cơ dễ bay hơi không chứa mê tan, hoặc xả lên bờ an toàn).
2 Đối với các tàu có hệ thống thu gom hơi nêu ở -1, phải có sổ tay hướng dẫn liên quan tới vận hành hệ thống, bao gồm các thông tin sau đây:
(1) Sơ đồ đường ống của hệ thống;
(2) Tốc độ chuyển tải cho phép lớn nhất;
(3) Sụt áp lớn nhất trong hệ thống ở tốc độ chuyển tải khác;
(4) Đặt giá trị xả cho từng van xả áp và chân không;
(5) Quy trình khai thác của hệ thống;
(6) Các quy trình phải thực hiện khác không nêu ở từ (1) đến (5) trên.
3 Các tàu chở dầu thô phải có ở trên tàu và thực hiện theo bản Kế hoạch quản lý hợp chất hữu cơ dễ bay hơi được Đăng kiểm duyệt, phù hợp với MEPC.185(59). Bản kế hoạch này phải phù hợp cho từng tàu và tuân thủ các yêu cầu sau:
(1) Có các quy trình được viết để giảm thiểu lượng phát thải hợp chất hữu cơ dễ bay hơi trong quá trình nhận hàng, hành trình và khi xả hàng;
(2) Có xem xét đến cả hợp chất hữu cơ dễ bay hơi phát sinh bổ sung bởi việc rửa bằng dầu thô;
(3) Phân biệt rõ người chịu trách nhiệm thực hiện bản kế hoạch;
(4) Đối với các tàu hoạt động tuyến quốc tế, phải được viết bằng ngôn ngữ làm việc của thuyền trưởng và các sỹ quan. Nếu ngôn ngữ làm việc của thuyền trưởng và các sỹ quan không phải bằng tiếng Anh, tiếng Pháp hoặc Tây Ban Nha thì phải có bản dịch sang một trong các tiếng này.
4 Hệ thống thu gom hơi phải thỏa mãn các yêu cầu sau:
(1) Được Đăng kiểm thẩm định phù hợp với MSC/Circ. 585 của IMO;
(2) Phải bao gồm:
(a) Các ống thu gom hơi;
(b) Thiết bị đo mức chất lỏng;
(c) Báo động mức chất lỏng cao;
(d) Thiết bị đo áp suất.
2.4 Thiết bị đốt chất thải
1 Đối với mỗi tàu có các chất phế thải hoặc chất khác phát sinh trong quá trình khai thác bình thường của tàu được đốt, thì phải trang bị thiết bị đốt chất thải thỏa mãn những yêu cầu dưới đây. Tuy nhiên, việc đốt cặn nước thải hoặc cặn dầu (cặn thu từ việc lọc dầu đốt hay dầu bôi trơn, cặn thải dầu bôi trơn máy chính hoặc máy phụ, cặn dầu thải từ thiết bị lọc dầu hay khay thu gom) có thể thực hiện được trong các động cơ điêzen hoặc nồi hơi khi tàu ngoài vùng nước cảng, bến và cửa sông.
(1) Thiết bị đốt chất thải được thiết kế với mục đích ban đầu để đốt chất thải v.v...;
(2) Mỗi thiết bị đốt chất thải được lắp đặt trên tàu vào hoặc sau ngày 01 tháng 01 năm 2000 phải thỏa mãn các yêu cầu sau đây. Tuy nhiên, những thiết bị đốt chất thải lắp đặt trên tàu trước ngày 19 tháng 5 năm 2005 có thể được miễn giảm yêu cầu (2) này với điều kiện tàu không hoạt động tuyến quốc tế;
(a) Phải được Đăng kiểm công nhận kiểu phù hợp với MEPC.244(66) và, khi sử dụng dầu/rác tiêu chuẩn như quy định trong Bảng 8.6, phải hoạt động trong giới hạn quy định trong Bảng 8.7;
(b) Đảm bảo chỉ báo liên tục nhiệt độ đầu ra khí cháy của buồng đốt trong mọi thời gian;
(c) Trong trường hợp chất thải cấp vào buồng đốt không có người trợ giúp trong thời gian thiết bị đốt chất thải hoạt động bình thường, thì chất thải phải không được cấp vào thiết bị khi nhiệt độ đầu ra khí cháy của buồng đốt nhỏ hơn 850 oC;
(d) Đối với thiết bị đốt chất thải từng mẻ, thì hệ thống phải được thiết kế sao cho nhiệt độ đầu ra khí cháy của buồng đốt đạt được 600 oC trong vòng 5 phút sau khi khởi động và sau đó phải ổn định ở nhiệt độ không thấp hơn 850 oC.
Bảng 8.6 Dầu/chất thải tiêu chuẩn
|
Dầu/rác |
Thành phần |
||
|
Cặn dầu |
Cặn dầu từ dầu đốt nặng |
75% |
|
|
Dầu bôi trơn thải |
5% |
||
|
Nước nhũ tương |
20% |
||
|
Chất thải rắn (Hỗn hợp có thể chứa 50% hơi nước và 7% chất thải rắn không cháy) |
Thức ăn thải |
50% |
|
|
Rác |
|
50% |
|
|
Phân chia thành phần: |
Giấy Bìa cứng Vải Nhựa |
15% 20% 5% 10% |
|
2 Tất cả các tàu có thiết bị đốt chất thải thỏa mãn quy định -1(2) phải có sổ tay hướng dẫn khai thác của nhà chế tạo. Sổ tay này phải nêu rõ cách khai khác thiết bị đốt chất thải trong giới hạn nêu ở Bảng 8.7 và bao gồm các thông tin sau.
(1) Các bản vẽ;
(2) Sơ đồ điện;
(3) Hướng dẫn vận hành và bảo dưỡng.
3 Thiết bị đốt chất thải chỉ được vận hành bởi người được đào tạo phù hợp với hướng dẫn khai thác của nhà chế tạo.
Bảng 8.7 Giới hạn hoạt động của thiết bị đốt chất thải
|
Hạng mục |
Giới hạn |
|
O2 trong buồng đốt |
6-12% |
|
CO trong tỷ lệ khí đốt trung bình lớn nhất |
220 mg/MJ |
|
Lượng muội trung bình lớn nhất |
BACHARACH 3 hoặc RINGELMAN 1 (độ chắn sáng 20%) (chấp nhận lượng muội lớn hơn trong thời gian ngắn, chẳng hạn như khi khởi động) |
|
Thành phần không cháy trong tro thải |
Tối đa 10% khối lượng |
|
Giới hạn nhiệt độ đầu ra của khí buồng đốt |
860 oC - 1200 oC |
CHƯƠNG 3 HIỆU QUẢ NĂNG LƯỢNG ĐỐI VỚI CÁC TÀU
3.1 Quy định chung
3.1.1 Phạm vi áp dụng
1 Các yêu cầu trong Chương này áp dụng cho tất cả các tàu có tổng dung tích từ 400 trở lên hoạt động tuyến quốc tế. Tuy nhiên, không áp dụng cho các tàu không tự hành, và các công trình biển bao gồm kho chứa nổi, giàn di động và giàn cố định bất kể kiểu hệ thống động lực của chúng.
2 Bất kể các yêu cầu ở -1, không áp dụng 3.2 và 3.3 cho các tàu sau đây:
(1) Các tàu có hệ thống đầy tàu kiểu không thông thường (tuy nhiên, điều này không bao gồm các tàu khách du lịch giải trí có hệ thống đẩy tàu không thông thường và các tàu chở khí tự nhiên hóa lỏng (LNG) có hệ thống đẩy tàu thông thường và không thông thường, được bàn giao vào hoặc sau ngày 01 tháng 9 năm 2019); và
(2) Các tàu hàng có khả năng phá băng.
3 Bất kể các yêu cầu ở -1, Đăng kiểm có thể miễn giảm các quy định 3.2 và 3.3 cho các tàu có tổng dung tích từ 400 trở lên trừ các trường hợp sau đây:
(1) Tàu có hợp đồng đóng mới được ký vào hoặc sau ngày 01 tháng 01 năm 2017.
(2) Trong trường hợp không có hợp đồng đóng mới, tàu được đặt sống chính hoặc giai đoạn đóng mới tương tự vào hoặc sau ngày 01 tháng 7 năm 2017.
(3) Tàu được bàn giao vào hoặc sau ngày 01 tháng 7 năm 2019.
(4) Các tàu mới hoặc tàu hiện có có hoán cải lớn được thực hiện vào hoặc sau ngày 01 tháng 01 năm 2017.
4 Bất kể các yêu cầu ở -1 đến -3, các yêu cầu của Chương này không cần áp dụng đối với các tàu không hoạt động tuyến quốc tế nhưng trong trường hợp ngoại lệ thực hiện một chuyến đi quốc tế, được Đăng kiểm chấp nhận.
3.1.2 Thuật ngữ
1 Trong Chương này, các thuật ngữ dưới đây được hiểu như sau:
(1) “Tàu mới” là các tàu sau đây:
(a) Tàu có hợp đồng đóng mới được ký vào hoặc sau ngày 01 tháng 01 năm 2013.
(b) Trong trường hợp không có hợp đồng đóng mới, tàu được đặt sống chính hoặc giai đoạn đóng mới tương tự vào hoặc sau ngày 01 tháng 7 năm 2013.
(c) Tàu được bàn giao vào hoặc sau ngày 01 tháng 7 năm 2015.
(2) “Tàu hiện có” là tàu không phải tàu mới.
(3) “Hoán cải lớn” là một trong các thay đổi sau:
(a) Hoán cải làm thay đổi đáng kể các kích thước, khả năng chở hàng hoặc công suất máy của tàu, ví dụ thay đổi chiều dài tàu, thay đổi mạn khô được ấn định, tăng mạn khô được ấn định (trừ trường hợp tăng tạm thời) hoặc tăng tổng công suất máy chính từ 5% trở lên;
(b) Hoán cải thay đổi loại tàu;
(c) Hoán cải mà mục đích, theo quan điểm của Đăng kiểm, là để tăng đáng kể tuổi thọ của tàu;
(d) Hoán cải, mà nói theo cách khác thay đổi tàu mà, nếu là tàu mới thì trở thành đối tượng áp dụng các quy định thích hợp của Công ước hiện hành không áp dụng cho nó do là tàu hiện có;
(e) Hoán cải làm thay đổi đáng kể hiệu quả năng lượng của tàu và bao gồm cả các sửa đổi có thể làm cho tàu vượt quá chỉ số hiệu quả năng lượng yêu cầu áp dụng nêu ở 3.3.
(4) “Tàu hàng rời” là tàu được dự định chủ yếu để chở hàng xô hàng khô, bao gồm cả các loại tàu như tàu chở quặng, trừ các tàu chở hàng hỗn hợp.
(5) "Tàu chở khí" là tàu hàng được đóng hoặc chuyển đổi sử dụng để chở xô khí hóa lỏng, nhưng không bao gồm các tàu chở LNG (khí tự nhiên hóa lỏng) được nêu ở (17).
(6) “Tàu hàng lỏng” là tàu dầu như định nghĩa ở 1.2.2-1 (6) của Mục I, tàu chở xô chất lỏng độc như định nghĩa ở 1.2.2-1(7) của Mục I hoặc tàu chở hóa chất như định nghĩa ở 1.3.1-1 (8) Phần 8E Mục II của Quy chuẩn kỹ thuật quốc gia về phân cấp và đóng tàu biển vỏ thép.
(7) “Tàu chở công te nơ” là tàu được thiết kế chuyên để chở các công te nơ trong các khoang hàng và trên boong.
(8) Tàu chở hàng tổng hợp” là tàu có thân nhiều boong hoặc boong đơn được thiết kế chủ yếu để chở các hàng tổng hợp. Định nghĩa này không bao gồm các tàu hàng khô đặc biệt mà không được bao gồm trong tính toán của các đường tham khảo (được tính phù hợp với MEPC.215(63) và MEPC.233(65)) đối với tàu chở hàng tổng hợp, đó là tàu chở gia súc, tàu chở sà lan, tàu chở hàng nặng, tàu chở xuồng và tàu nhiên liệu hạt nhân.
(9) Tàu chở hàng đông lạnh" là tàu được thiết kế riêng để chở hàng đông lạnh trong các khoang hàng.
(10) “Tàu chở hàng hỗn hợp” là tàu được thiết kế để chở 100% tải trọng cho cả hàng lỏng và hàng khô dạng xô.
(11) “Tàu khách” là tàu chở hơn 12 hành khách.
(12) “Tàu hàng ro-ro” (tàu chở ô tô) là tàu có nhiều boong chở hàng có bánh lăn lên và xuống tàu, được thiết kế để chở các xe ô tô và xe tải không hàng.
(13) “Tàu hàng ro-ro” là tàu được thiết kế để chở các đơn vị vận chuyển hàng có bánh lăn lên lăn xuống tàu.
(14) “Tàu khách ro-ro” là tàu khách có các khoang hàng chở hàng có bánh lăn lên và xuống.
(15) “EEDI đạt được” là giá trị EEDI đạt được bởi từng tàu phù hợp với 3.2.
(16) “EEDI yêu cầu” là giá trị lớn nhất của EEDI đạt được mà 3.3 cho phép đối với từng loại và kích thước tàu.
(17) "Tàu chở LNG" là tàu hàng được đóng hoặc chuyển đổi dùng để chở xô khí tự nhiên hóa lỏng (LNG).
(18) “Tàu khách du lịch giải trí” (cruise passenger ship) là tàu khách không có boong chở hàng, được thiết kế dành riêng để chở khách trong các buồng ngủ đêm trên các chuyến đi biển.
(19) "Hệ thống đẩy tàu thông thường" là phương pháp truyền động đẩy tàu sử dụng một động cơ đốt trong nói với trực tiếp với trục chân vịt hoặc thông qua một hộp số.
(20) "Hệ thống đẩy tàu không thông thường" là phương pháp truyền động đẩy tàu, khác với hệ thống đẩy tàu thông thường, bao gồm hệ thống điêzen điện chân vịt, hệ thống đẩy tàu kiểu tua-bin và hệ thống đẩy tàu kết hợp (hybrid).
(21) "Tàu hàng có khả năng phá băng" là tàu hàng được thiết kế để phá băng một cách độc lập ở tốc độ ít nhất là 2 hải lý/h khi độ dày của lớp băng là 1 m hoặc nhiều hơn và băng có ứng suất ít nhất là 500 kPa.
(22) "Tàu được bàn giao vào hoặc sau ngày 01 tháng 9 năm 2019" là tàu:
(a) Có hợp đồng đóng mới vào hoặc sau ngày 01 tháng 9 năm 2015;
(b) Khi không có hợp đồng đóng mới, được đặt ky hoặc ở giai đoạn đóng mới tương tự, vào hoặc sau ngày 01 tháng 3 năm 2016;
(c) Được bàn giao vào hoặc sau ngày 01 tháng 9 năm 2019.
3.2 Chỉ số thiết kế hiệu quả năng lượng đạt được (EEDI đạt được)
1 EEDI đạt được phải được tính cho các trường hợp sau và phải được Đăng kiểm thẩm định lại phù hợp với MEPC.254(67), dựa trên hồ sơ kỹ thuật EEDI.
(1) Mỗi tàu mới thuộc vào một hoặc nhiều hơn trong các loại ở 3.1.2-1 (4) đến (14), (17) và (18);
(2) Mỗi tàu mới được hoán cải lớn thuộc vào một hoặc nhiều hơn trong các loại ở 3.1.2-1(4) đến (14), (17) và (18);
(3) Mỗi tàu mới hoặc tàu hiện có được hoán cải lớn thuộc vào một hoặc nhiều hơn trong các loại ở 3.1.2-1(4) đến (14), (17) và (18) và có mức độ đạt đến mức mà tàu đó được Đăng kiểm coi là tàu đóng mới.
2 EEDI đạt được phải đặc trưng riêng của từng tàu và phải đưa ra tính năng về hiệu quả năng lượng dự tính của tàu. Hơn nữa, nó phải được kèm theo Hồ sơ kỹ thuật EEDI có chứa thông tin cần thiết để tính EEDI đạt được và chỉ rõ quá trình tính.
3 EEDI đạt được phải được tính phù hợp với MEPC.245(66).
3.3 Chỉ số thiết kế hiệu quả năng lượng yêu cầu (EEDI yêu cầu)
1 EEDI đạt được của các tàu ở (1) đến (3) dưới đây không được vượt quá EEDl yêu cầu được tính theo công thức dưới đây:
(1) Tàu mới thuộc một trong hoặc nhiều hơn trong các loại ở 3.1.2-1(4) đến (10), (12) đến (14), (17) và (18).
(2) Tàu mới thuộc một trong hoặc nhiều hơn trong các loại ở 3.1.2-1(4) đến (10), (12) đến (14), (17) và (18) và được hoán cải lớn.
(3) Tàu mới hoặc tàu hiện có thuộc vào một hoặc nhiều hơn trong các loại ở 3.1.2-1(4) đến (10), (12) đến (14) và (18) và được hoán cải lớn đến mức mà tàu đó được Đăng kiểm coi là tàu đóng mới.
EEDI đạt được ≤ EEDI yêu cầu = (1-X/100) x giá trị đường tham khảo
Trong đó:
X: Hệ số giảm nêu ở Bảng 8.8 cho EEDI yêu cầu so với đường tham khảo EEDI.
Giá trị đường tham khảo: a x b-c
a, b và c: Các thông số cho trong Bảng 8.9.
2 Đối với mỗi tàu mới hoặc tàu hiện có được hoán cải lớn đạt đến mức độ mà tàu đó được Đăng kiểm coi là tàu đóng mới, EEDI đạt được phải được tính và thỏa mãn các yêu cầu ở -1 với hệ số giảm áp dụng tương ứng với loại và kích thước của tàu được hoán cải vào ngày của hợp đồng hoán cải hoặc ngày bắt đầu hoán cải nếu không có hợp đồng hoán cải.
3 Nếu thiết kế của một tàu cho phép tàu thuộc vào từ hai loại định nghĩa về loại tàu nêu trên, EEDI yêu cầu của tàu phải là loại EEDI yêu cầu nghiêm ngặt nhất (tức là giá trị thấp nhất).
4 Đối với mỗi tàu phải áp dụng 3.3, công suất máy chính lắp đặt không được nhỏ hơn công suất đẩy cần thiết để duy trì khả năng điều động tàu trong các điều kiện thời tiết khắc nghiệt được xác định theo MEPC.232(65).
Bảng 8.8 Các hệ số giảm (theo phần trăm) đối với EEDI tương ứng với đường tham chiếu EEDI
|
Loại tàu |
Kích cỡ (trọng tải toàn phần (DW), tổng dung tích (GT)) |
Hệ số giảm (%) |
|||
|
Giai đoạn 0(4) |
Giai đoạn 1(5) |
Giai đoạn 2(6) |
Giai đoạn 3(7) |
||
|
Ngày 01 tháng 01 năm 2013 đến 31 tháng 12 năm 2014 |
Ngày 01 tháng 01 năm 2015 đến 31 tháng 12 năm 2019 |
Ngày 01 tháng 01 năm 2020 đến 31 tháng 12 năm 2024 |
Ngày 01 tháng 01 năm 2025 trở đi |
||
|
Tàu chở hàng rời |
20.000 DW trở lên |
0 |
10 |
20 |
30 |
|
10.000 - 20.000 DW |
- |
0-10(1) |
0-20(1) |
0-30(1) |
|
|
Tàu chở khí |
10.000 DW trở lên |
0 |
10 |
20 |
30 |
|
2.000 - 10.000 DW |
- |
0-10(1) |
0-20(1) |
0-30(1) |
|
|
Tàu chở hàng lỏng |
20.000 DW trở lên |
0 |
10 |
20 |
30 |
|
4.000 - 20.000 DW |
- |
0-10(1) |
0-20(1) |
0-30(1) |
|
|
Tàu chở công te nơ |
15.000 DW trở lên |
0 |
10 |
20 |
30 |
|
10.000 - 15.000 DW |
- |
0-10(1) |
0-20(1) |
0-30(1) |
|
|
Tàu chở hàng tổng hợp |
15.000 DW trở lên |
0 |
10 |
15 |
30 |
|
3.000 - 15.000 DW |
- |
0-10(1) |
0-15(1) |
0-30(1) |
|
|
Tàu chở hàng đông lạnh |
5.000 trở lên |
0 |
10 |
15 |
30 |
|
3.000 - 5.000 DW |
- |
0-10(1) |
0-15(1) |
0-30(1) |
|
|
Tàu chở hàng hỗn hợp |
20.000 trở lên |
0 |
10 |
20 |
30 |
|
4.000 - 20.000 DW |
- |
0-10(1) |
0-20(1) |
0-30(1) |
|
|
Tàu chở LNG(3) |
10.000 DW trở lên |
- |
10(2) |
20 |
30 |
|
Tàu hàng ro-ro (tàu chở ô tô(3)) |
10.000 DW trở lên |
- |
5(2) |
15 |
30 |
|
Tàu hàng ro-ro(3) |
2.000 DW trở lên |
- |
5(1) |
20 |
30 |
|
1.000 - 2.000 DW |
- |
0-5(1)(2) |
0-20(1) |
0-30(1) |
|
|
Tàu khách ro-ro(3) |
1.000 DW trở lên |
- |
5(2) |
20 |
30 |
|
250 - 1.000 DW |
- |
0-5(1)(2) |
0-20(1) |
0-30(1) |
|
|
Tàu khách du lịch giải trí có hệ thống đẩy không thông thường(3) |
85.000 GT trở lên |
- |
5(2) |
20 |
30 |
|
25.000 - 85.000 GT |
- |
0-5(1)(2) |
0-20(1) |
0-30(1) |
|
Chú thích:
(1) Hệ số giảm được nội suy tuyến tính giữa hai giá trị phụ thuộc vào kích thước tàu. Giá trị thấp hơn của hệ số giảm phải được áp dụng cho kích thước tàu bé hơn.
(2) Giai đoạn 1 bắt đầu cho các tàu từ ngày 1 tháng 9 năm 2015;
(3) Hệ số giảm áp dụng cho các tàu bàn giao vào hoặc sau ngày 01 tháng 9 năm 2019, như được định nghĩa ở 3.1.2-1(22);
(4) Giai đoạn 0 áp dụng cho các tàu mới sau:
(a) Có hợp đồng đóng mới được ký vào giai đoạn 0 và ngày bàn giao tàu trước ngày 01 tháng 01 năm 2019; hoặc
(b) Có hợp đồng đóng mới được ký vào trước giai đoạn 0 và ngày bàn giao tàu vào hoặc sau ngày 01 tháng 7 năm 2015 và trước ngày 01 tháng 01 năm 2019; hoặc
(c) Trong trường hợp không có hợp đồng đóng tàu, tàu được đặt sống chính hoặc giai đoạn đóng mới tương tự vào hoặc sau ngày 01 tháng 7 năm 2013 và trước ngày 01 tháng 7 năm 2015, và ngày bàn giao tàu trước ngày 01 tháng 01 năm 2019; hoặc
(d) Trong trường hợp không có hợp đồng đóng tàu, tàu được đặt sống chính hoặc giai đoạn đóng mới tương tự trước ngày 01 tháng 7 năm 2013 và ngày bản giao tàu vào hoặc sau ngày 01 tháng 7 năm 2015 và trước ngày 01 tháng 01 năm 2019.
(5) Giai đoạn 1 áp dụng cho các tàu mới sau:
(a) Có hợp đồng đóng mới được ký vào giai đoạn 1 và ngày bàn giao tàu trước ngày 01 tháng 01 năm 2024; hoặc
(b) Có hợp đồng đóng mới được ký vào trước giai đoạn 1 và ngày bàn giao tàu vào hoặc sau ngày 01 tháng 01 năm 2019 và trước ngày 01 tháng 01 năm 2024; hoặc
(c) Trong trường hợp không có hợp đồng đóng tàu, tàu được đặt sống chính hoặc giai đoạn đóng mới tương tự vào hoặc sau ngày 01 tháng 7 năm 2015 và trước ngày 01 tháng 7 năm 2020, và ngày bàn giao tàu trước ngày 01 tháng 01 năm 2024; hoặc
(d) Trong trường hợp không có hợp đồng đóng tàu, tàu được đặt sống chính hoặc giai đoạn đóng mới tương tự trước ngày 01 tháng 7 năm 2015 và ngày bàn giao tàu vào hoặc sau ngày 01 tháng 01 năm 2019 và trước ngày 01 tháng 01 năm 2024.
(6) Giai đoạn 2 áp dụng cho các tàu mới sau:
(a) Có hợp đồng đóng mới được ký vào giai đoạn 2 và ngày bàn giao tàu trước ngày 01 tháng 01 năm 2029; hoặc
(b) Có hợp đồng đóng mới được ký vào trước giai đoạn 2 và ngày bàn giao tàu vào hoặc sau ngày 01 tháng 01 năm 2024 và trước ngày 01 tháng 01 năm 2029; hoặc
(c) Trong trường hợp không có hợp đồng đóng tàu, tàu được đặt sống chính hoặc giai đoạn đóng mới tương tự vào hoặc sau ngày 01 tháng 7 năm 2020 và trước ngày 01 tháng 7 năm 2025, và ngày bàn giao tàu trước ngày 01 tháng 01 năm 2029; hoặc
(d) Trong trường hợp không có hợp đồng đóng tàu, tàu được đặt sống chính hoặc giai đoạn đóng mới tương tự trước ngày 01 tháng 7 năm 2020 và ngày bàn giao tàu vào hoặc sau ngày 01 tháng 01 năm 2024 và trước ngày 01 tháng 01 năm 2029.
(7) Giai đoạn 3 áp dụng cho các tàu mới sau:
(a) Có hợp đồng đóng mới được ký vào giai đoạn 3; hoặc
(c) Trong trường hợp không có hợp đồng đóng tàu, tàu được đặt sống chính hoặc giai đoạn đóng mới tương tự vào hoặc sau ngày 01 tháng 7 năm 2025; hoặc
(d) Ngày bàn giao tàu vào hoặc sau ngày 01 tháng 01 năm 2029.
"-": Không áp dụng.
Bảng 8.9 Các thông số để xác định các giá trị tham khảo cho các loại tàu
|
Loại tàu nêu ở 3.1.2 |
a |
b |
c |
|
(4) Tàu chở hàng rời |
961,79 |
Trọng tải toàn phần (DW) của tàu |
0,477 |
|
(5) Tàu chở khí |
1120,00 |
0,456 |
|
|
(6) Tàu chở hàng lỏng |
1218,80 |
0,488 |
|
|
(7) Tàu chở công te nơ |
174,22 |
0,201 |
|
|
(8) Tàu chở hàng tổng hợp |
107,48 |
0,216 |
|
|
(9) Tàu chở hàng đông lạnh |
227,01 |
0,244 |
|
|
(10) Tàu chở hàng hỗn hợp |
1219,00 |
0,488 |
|
|
(12) Tàu hàng ro-ro (tàu chở ô tô) |
(DW/GT)-0,7 x 780,36 khi DW/GT<0,3; 1812,63 khi DW/GT≥0,3 |
0,471 |
|
|
(13) Tàu hàng ro-ro |
1405,15 |
0,498 |
|
|
1686,17(*) |
DW của tàu nếu DW ≤ 17.000(*) 17.000 nếu DW>17.000(*) |
||
|
(14) Tàu khách ro-ro |
752,16 |
DW của tàu |
0,381 |
|
902,59(*) |
DW của tàu nếu DW≤10.000(*) 10.000 nếu DW>10.000(*) |
||
|
(17) Tàu chở LNG |
2253,7 |
DW của tàu |
0,474 |
|
(18) Tàu khách du lịch giải trí có hệ thống đẩy không thông thường |
170,84 |
Tổng dung tích (GT) |
0,214 |
Chú thích: (*): được sử dụng từ giai đoạn 2 nêu ở Bảng 8.8 trở đi.
3.4 Kế hoạch quản lý hiệu quả năng lượng của tàu (SEEMP)
1 Mỗi tàu phải duy trì trên tàu Kế hoạch quản lý hiệu quả năng lượng của tàu (SEEMP) riêng cho tàu đó. Kế hoạch này có thể là một phần của hệ thống quản lý an toàn của tàu (SMS)
2 Đối với tàu có tổng dung tích từ 5.000 trở lên SEEMP phải bao gồm mô tả phương pháp sẽ được sử dụng để thu thập số liệu theo yêu cầu của Quy định 22A.1 Phụ lục VI và các quá trình sẽ được sử dụng để thông báo về các số liệu cho Đăng kiểm. Đối với các tàu này được bàn giao trước ngày 01 tháng 03 năm 2018 thì phải được kiểm tra vào hoặc trước ngày 31 tháng 12 năm 2018 để đảm bảo rằng SEEMP có bao gồm mô tả phương pháp và các quá trình nêu trên.
3 Kế hoạch quản lý hiệu quả năng lượng của tàu phải được lập phù hợp với hướng dẫn tại MEPC.282(70) và phải được thiết lập bằng ngôn ngữ làm việc hoặc ngôn ngữ mà các thuyền viên của tàu đều hiểu được.
3.5 Công bố báo cáo dữ liệu tiêu thụ nhiên liệu của tàu phù hợp và các vấn đề khác
3.5.1 Công bố phù hợp được cất giữ và số liệu phải lưu giữ
1 Trong trường hợp tàu mà các yêu cầu ở 3.4-2 áp dụng, bản công bố báo cáo dữ liệu tiêu thụ nhiên liệu của tàu phù hợp với quy định 6.6 và /hoặc quy định 6.7 Phụ lục VI còn hiệu lực phải được cất giữ trên tàu.
2 Các tài liệu, bằng chứng về tiêu thụ nhiên liệu của tàu phải được lưu giữ theo quy định tại Thông tư số 40/2018/TT-BGTVT để sẵn có đối với Đăng kiểm khi có yêu cầu.
3.5.2 Thu thập số liệu và báo cáo
1 Việc thu thập số liệu và báo cáo dữ liệu tiêu thụ nhiên liệu của tàu phải được thực hiện theo quy định tại Thông tư số 40/2018/TT-BGTVT.
PHẦN 9 NGĂN NGỪA Ô NHIỄM DO RÁC THẢI
CHƯƠNG 1 QUY ĐỊNH CHUNG
1.1 Quy định chung
1.1.1 Yêu cầu áp dụng
1 Các quy định của Phần này được áp dụng đối với tất cả các tàu.
2 Mặc dù được quy định ở -1 trên, đối với các tàu có giai đoạn bắt đầu đóng mới trước ngày 01 tháng 7 năm 2019, các quy định của Phần này được áp dụng vào ngày bàn giao tàu nếu ngày bàn giao tàu vào hoặc sau ngày 01 tháng 01 năm 2020 và áp dụng vào đợt kiểm tra gần nhất kể từ ngày 01 tháng 01 năm 2020 nếu tàu được bàn giao trước ngày 01 tháng 01 năm 2020.
1.1.2 Thuật ngữ
Trong Phần này, các thuật ngữ dưới đây được hiểu như sau:
1 Xác động vật là xác của bất kỳ loài động vật nào được vận chuyển như là hàng hóa trên tàu mà bị chết hoặc bị giết mổ khi tàu hành trình.
2 Cặn hàng là bất kỳ lượng hàng nhỏ nào còn lại trên tàu, hàng này không thuộc phạm vi áp dụng của các Phụ lục khác của MARPOL, và còn lại trên boong hoặc trong các khoang hàng sau khi nhận hoặc trả hàng, kể cả lượng nhận, trả hàng bị thừa hoặc vương vãi, bất kể ướt hay khô hoặc bị cuốn theo trong nước rửa, nhưng không bao gồm bụi hàng hóa còn lại trên tàu sau khi quét hoặc làm sạch các bề mặt ngoài của tàu.
3 Dầu ăn là bất kỳ loại dầu ăn hoặc mỡ động vật nào được sử dụng hoặc dự định sẽ sử dụng cho việc chuẩn bị hoặc nấu thức ăn, nhưng không bao gồm các thức ăn được chế biến bằng cách sử dụng những loại dầu này.
4 Chất thải sinh hoạt là tất cả các loại chất thải không thuộc phạm vi áp dụng của các Phụ lục khác của MARPOL sinh ra trong các khu vực sinh hoạt trên tàu. Chất thải sinh hoạt không bao gồm nước xám.
5 Đang hành trình là tàu đang chạy trên biển theo một tuyến hoặc nhiều tuyến, kể cả sự chuyển hướng càng xa càng tốt từ tuyến đường thẳng ngắn nhất, nhưng vì các mục đích hàng hải là hợp lý và có thể thực hiện được, sẽ gây ra bất kỳ sự thải rác được trải ra trên vùng biển rộng lớn.
6 Dụng cụ đánh bắt cá là bất kỳ thiết bị, toàn bộ hoặc một phần hoặc sự kết hợp các bộ phận có thể trên mặt nước, chìm dưới nước hoặc ở dưới đáy biển với mục đích để đánh bắt hoặc kiểm soát việc đánh bắt các sinh vật biển.
7 Giàn cố định hoặc di động là các kết cấu cố định hoặc di động trên biển để thực hiện việc thăm dò, khai thác hoặc liên quan tới việc xử lý các nguồn tài nguyên khoáng sản đáy biển ở ngoài khơi.
8 Chất thải thực phẩm là bất kỳ thức ăn uống đun sôi hoặc không đun sôi và bao gồm cả trái cây, rau, các sản phẩm từ sữa, gia cầm, các chế phẩm từ thịt, phế liệu thực phẩm sinh ra trên tàu.
9 Rác là tất cả các loại chất thải chất thải thực phẩm, chất thải sinh hoạt và chất thải từ hoạt động của tàu, tất cả các loại chất dẻo, cặn hàng, tro lò đốt rác, dầu ăn, dụng cụ đánh bắt cá và xác động vật được tạo nên trong quá trình hoạt động thường ngày của tàu và phải được thải liên tục hoặc phải theo thời gian, trừ các chất được định nghĩa hoặc liệt kê trong các Phụ lục khác của MARPOL. Rác không bao gồm cá tươi và các bộ phận của chúng phát sinh do hoạt động đánh bắt cá trong hành trình hoặc kết quả của hoạt động nuôi thủy sản liên quan đến việc vận chuyển cá, kể cả các loài có vỏ, để đưa vào các cơ sở nuôi thủy sản và vận chuyển cá đánh bắt được, kể cả các loài có vỏ, từ các cơ sở như vậy về bờ để chế biến.
10 Tro lò đốt rác là tro và xỉ sinh ra từ việc sử dụng lò đốt rác của tàu thực hiện việc đốt rác.
11 Chất thải từ hoạt động tàu là các chất thải rắn (kể cả dạng huyền phù) không thuộc phạm vi của các Phụ lục khác của MARPOL, các chất này được thu gom trên tàu trong quá trình bảo dưỡng hoặc khai thác bình thường của tàu, hoặc được sử dụng trong việc cất giữ và đóng gói hàng hóa. Chất thải từ hoạt động tàu cũng bao gồm cả các chất tẩy rửa và phụ gia có trong nước rửa khoang hàng và bề mặt bên ngoài. Chất thải từ hoạt động tàu không bao gồm nước xám, nước đáy tàu, hoặc nước thải tương tự khác cần thiết cho hoạt động của tàu.
12 Chất dẻo là vật liệu rắn mà có thành phần chủ yếu là một hay nhiều hợp chất hữu cơ nhân tạo cao phân tử và được tạo ra (tạo hình) qua hoặc quá trình sản xuất hợp chất cao phân tử hoặc chế tạo nên sản phẩm cuối cùng bằng nhiệt và/hoặc áp suất. Chất dẻo có các tính chất vật liệu thay đổi từ cứng và giòn tới mềm và đàn hồi. Trong Phần này "tất cả các chất dẻo” là tất cả các loại rác có chứa hoặc bao gồm chất dẻo dưới bất kỳ hình thức nào, kể cả cáp bằng sợi tổng hợp, lưới đánh cá bằng sợi tổng hợp, túi rác bằng chất dẻo và tro lò đốt rác từ chất dẻo.
13 Vùng đặc biệt là vùng biển mà ở đó vì những lý do kỹ thuật đã được công nhận về điều kiện hải dương học và sinh thái, và đặc điểm riêng về giao thông của nó mà cần quy định các phương pháp đặc biệt để ngăn ngừa ô nhiễm biển do rác. Vùng đặc biệt được nêu trong Quy định 1.14 của Phụ lục V.
1.2 Quy định chung về cấm thải rác ra biển
1.2.1 Quy định chung
1 Cấm thải xuống biển tất cả các loại rác, trừ trường hợp khác nêu ở trong các quy định 1.2.2, 1.2.3, 1.2.4 và 1.2.5 của Phần này.
2 Trừ trường hợp nêu ở 1.2.5 Phần này, cấm thải xuống biển tất cả các dạng chất dẻo, kể cả nhưng không hạn chế dây bằng vật liệu tổng hợp, lưới đánh cá bằng vật liệu tổng hợp, bao gói đựng rác làm bằng chất dẻo và tro lò đốt của các sản phẩm từ chất dẻo.
3 Trừ trường hợp nêu ở 1.2.5 Phần này, cấm thải dầu ăn xuống biển.
1.2.2 Thải rác ngoài vùng đặc biệt
1 Ở ngoài vùng đặc biệt, việc thải các loại rác sau đây xuống biển chỉ được phép thực hiện khi tàu đang hành trình và càng xa bờ càng tốt nhưng trong bất kỳ trường hợp nào phải không dưới:
(1) 3 hải lý tính từ bờ gần nhất trong trường hợp chất thải thực phẩm đã được qua máy tán hoặc máy nghiền. Chất thải thực phẩm đã được nghiền hoặc xay như vậy phải có khả năng đi qua được lưới lọc với các lỗ có kích thước không lớn hơn 25 mm.
(2) 12 hải lý tính từ bờ gần nhất trong trường hợp chất thải thực phẩm không được xử lý theo (1) trên.
(3) 12 hải lý tính từ bờ gần nhất trong trường hợp cặn hàng không thể thu lại bằng các phương pháp bốc dỡ thông thường sẵn có. Cặn hàng này không bao gồm các chất được phân loại là có hại cho môi trường biển, phù hợp với các tiêu chuẩn được quy định ở Phụ chương I của Phụ lục V.
(4) Đối với xác động vật, việc thải được thực hiện càng xa bờ càng tốt, tối thiểu cách bờ gần nhất hơn 100 hải lý với độ sâu của nước lớn nhất và tàu phải đang hành trình. Xác phải được phân nhỏ ra hoặc xử lý để đảm bảo xác chìm ngay.
2 Các chất tẩy rửa hoặc các chất phụ gia trong nước rửa khoang hàng, boong và các bề mặt bên ngoài có thể được thải ra xuống biển nếu các chất đỏ không có hại cho môi trường biển. Các chất được xác định không có hại cho môi trường biển nếu chúng:
(1) Không là “chất có hại” (harmful substance) phù hợp với tiêu chuẩn nêu ở Phụ lục III, và;
(2) Không chứa bất kỳ thành phần nào được biết đến là chất gây ung thư, biến đổi gen, độc đối với hệ sinh sản.
3 Các hàng rời rắn như được định nghĩa ở quy định VI/1-1.2 của SOLAS, 1974, không phải hàng hạt phải được phân loại phù hợp với Phụ chương I của Phụ lục V và phải được kê khai bởi người gửi hàng là chúng có hại cho môi trường biển hay không.
4 Nếu rác bị trộn lẫn hoặc bị nhiễm các chất bị cấm thải khác hoặc có các yêu cầu về điều kiện thải khác thì phải áp dụng các yêu cầu nghiêm ngặt hơn.
1.2.3 Các yêu cầu đặc biệt đối với việc thải rác từ các giàn cố định hoặc di động
1 Phụ thuộc vào -2 dưới đây, cấm thải các loại rác xuống biển từ các giàn cố định hoặc di động và từ tất cả các tàu khác khi cập mạn ở những giàn này hoặc nằm trong phạm vi cách các giàn này 500 m.
2 Chất thải thực phẩm có thể được thải xuống biển từ các giàn cố định hoặc di động khi cách bờ gần nhất trên 12 hải lý và từ tất cả các tàu khác khi cập bến ở những giàn này hoặc trong phạm vi cách giàn này 500 m nhưng chỉ khi chất thải thực phẩm này đã được qua máy tán hoặc nghiền. Chất thải thực phẩm đã được nghiền hoặc xay như vậy phải có khả năng đi qua được lưới lọc với các lỗ có kích thước không lớn hơn 25 mm.
1.2.4 Thải rác trong vùng đặc biệt
1 Ở trong vùng đặc biệt, việc thải các loại rác sau đây xuống biển chỉ được phép thực hiện khi tàu đang hành trình và như sau:
(1) Các chất thải thực phẩm được thải xuống biển càng xa bờ càng tốt, nhưng không được dưới 12 hải lý tính từ bờ hoặc dải băng gần nhất. Chất thải thực phẩm phải được nghiền hoặc xay và phải có khả năng đi qua được lưới lọc với các lỗ có kích thước không lớn hơn 25 mm. Chất thải thực phẩm không bị nhiễm bẩn bởi các loại rác thải khác. Cấm thải các sản phẩm từ gia cầm, gồm cả gia cầm và các bộ phận của gia cầm trong vùng biển Nam cực trừ trường hợp đã được vô trùng.
(2) Việc thải các cặn hàng không thể thu lại bằng các phương pháp bốc dỡ thông thường sẵn có phải thỏa mãn các điều kiện sau đây:
(a) Cặn hàng chứa trong nước rửa khoang hàng không bao gồm các chất được phân loại là có hại cho môi trường biển, phù hợp với các tiêu chuẩn được quy định ở Phụ chương I của Phụ lục V;
(b) Các hàng rời rắn như được định nghĩa ở quy định VI/1-1.2 của SOLAS, 1974, không phải hàng hạt phải được phân loại phù hợp với Phụ chương I của Phụ lục V và phải được kê khai bởi người gửi hàng là chúng có hại cho môi trường biển hay không.
(c) Các chất tẩy rửa hoặc các chất phụ gia trong nước rửa khoang hàng không có các chất được phân loại là có hại cho môi trường biển. Các chất được phân loại là có hại cho môi trường biển là:
(i) Là “chất có hại” (harmful substance) phù hợp với tiêu chuẩn nêu ở Phụ lục III, và;
(ii) Chứa bất kỳ thành phần nào được biết đến là chất gây ung thư, biến đổi gen, độc đối với hệ sinh sản.
(d) Cả cảng đi và cảng đến tiếp theo của tàu đều ở trong vùng đặc biệt và tàu không di chuyển ra ngoài vùng đặc biệt khi hành trình giữa các cảng này.
(e) Không có phương tiện tiếp nhận thích hợp tại các cảng nói trên; và
(f) Nếu các điều kiện nêu ở từ (a) đến (e) trên được thỏa mãn, việc thải nước rửa hầm hàng có chứa cặn hàng phải được thực hiện cảng cách xa bờ hoặc dải băng gần nhất càng tốt và không được dưới 12 hải lý tính từ bờ hoặc dải băng gần nhất
2 Các chất tẩy rửa hoặc các chất phụ gia chứa trong nước rửa boong, khoang hàng và các bề mặt bên ngoài có thể được xả xuống biển nếu các chất đó không có hại cho môi trường biển. Các chất không có hại cho môi trường biển là các chất là các chất nêu ở 1.2.2-2(1) và (2).
3 Nếu rác bị trộn lẫn hoặc bị nhiễm các chất bị cấm thải khác hoặc có các yêu cầu về điều kiện thải khác thì phải áp dụng các yêu cầu nghiêm ngặt hơn.
1.2.5 Các miễn giảm
1 Các quy định 1.2.1, 1.2.2, 1.2.3 và 1.2.4 sẽ không áp dụng cho:
(1) Việc thải rác từ tàu là cần thiết nhằm mục đích đảm bảo an toàn cho tàu và người trên tàu hoặc cứu người trên biển; hoặc
(2) Việc mất ngẫu nhiên của rác do tàu hoặc các thiết bị của tàu bị hư hỏng, với điều kiện là trước và sau khi xảy ra tai nạn đã áp dụng tất cả các biện pháp phòng ngừa hợp lý nhằm ngăn ngừa hoặc giảm đến mức thấp nhất sự mất mát ngẫu nhiên đó.
2 Ngoại lệ đang hành trình:
Các yêu cầu ở 1.2.2 và 1.2.4 sẽ không áp dụng cho việc thải chất thải thực phẩm khi tàu đang hành trình, vì việc giữ các chất thải thực phẩm này trên tàu dẫn đến mối đe dọa cho sức khỏe con người trên tàu.
CHƯƠNG 2 BIỂN THÔNG BÁO, KẾ HOẠCH QUẢN LÝ RÁC VÀ NHẬT KÝ RÁC
2.1 Biển thông báo, kế hoạch quản lý rác và nhật ký rác
2.1.1 Biển thông báo
1 Các tàu có chiều dài lớn nhất từ 12 m trở lên và các giàn cố định hoặc di động phải có các biển thông báo để thông báo cho thuyền viên và hành khách biết những yêu cầu về thải rác được quy định ở 1.2 của Phần này.
2 Biển thông báo nêu ở -1 trên phải phải có kích thước đủ lớn để thể hiện nội dung nêu ở 2.2 một cách dễ đọc và phải được chế tạo bằng vật liệu đảm bảo bền trong điều kiện sử dụng và phải được cố định tại các vị trí dễ thấy (ngang tầm mắt) nơi mà thuyền viên ở và làm việc, bao gồm bếp, phòng ăn, buồng lái, boong chính và tại các khu vực bố trí các thùng chứa rác. Đối với các tàu khách, biển thông báo còn phải bố trí tại các vị trí ở và tập trung khách, bao gồm các ca bin, các khu vực boong cho hành khách sử dụng để thư giãn và giải trí.
3 Biển thông báo phải được thay thế nếu bị hư hỏng làm cho khó đọc.
4 Biển thông báo phải được viết bằng ngôn ngữ làm việc của thuyền viên trên tàu và đối với các tàu hoạt động tuyến quốc tế, biển thông báo phải có bản tiếng Anh, Pháp, hoặc Tây Ban Nha.
2.1.2 Kế hoạch quản lý rác
Các tàu có tổng dung tích từ 100 trở lên và các tàu được chứng nhận chở từ 15 người trở lên và các giàn cố định hoặc di động, phải có kế hoạch quản lý rác được Đăng kiểm duyệt để thuyền viên tuân theo. Kế hoạch này phải có các quy trình dưới dạng văn bản cho việc giảm thiểu, thu gom, chứa, xử lý và thải rác, kể cả việc sử dụng các thiết bị trên tàu. Kế hoạch này cũng phải nêu rõ người hoặc nhóm người chịu trách nhiệm thực hiện kế hoạch và phải được viết bằng ngôn ngữ làm việc của thuyền viên. Kế hoạch phải được lập phù hợp với MEPC.220(63).
2.1.3 Nhật ký rác
1 Các tàu có tổng dung tích từ 400 trở lên và các tàu được chứng nhận chở từ 15 người trở lên hoạt động tuyến quốc tế hoặc đến bến cảng ngoài khơi của quốc gia khác phải có Nhật ký rác. Nhật ký rác, dù là một phần của nhật ký hàng hải chính thức của tàu hay không, phải được lập theo mẫu nêu ở Phụ chương II của Phụ lục V:
(1) Mọi hoạt động thải rác xuống biển hoặc tới thiết bị tiếp nhận hoặc việc đốt rác phải lập tức được sĩ quan phụ trách ghi vào Nhật ký rác và ký vào ngày thực hiện việc thải hoặc đốt rác. Mỗi trang của Nhật ký rác sau khi ghi hết phải được thuyền trưởng của tàu ký xác nhận. Nhật ký rác phải được ghi bằng ít nhất là tiếng Anh, Pháp hoặc Tây Ban Nha.
(2) Việc ghi mỗi hoạt động thải rác ra biển phù hợp với 1.2.2, 1.2.3, 1.2.4 phải bao gồm ngày và thời gian, vị trí của tàu (vĩ độ và kinh độ), loại rác và lượng rác ước lượng (m3) được thải. Đối với việc thải cặn hàng phải ghi cả vị trí bằng đầu và kết thúc việc thải.
(3) Việc ghi đối với mỗi hoạt động đốt rác đã hoàn thành phải bao gồm ngày, thời gian và vị trí (vĩ độ và kinh độ) của tàu khi bắt đầu và kết thúc đốt, loại rác được đốt và lượng rác dự kiến đốt của mỗi loại rác (m3).
(4) Việc ghi đối với lần xả lên phương tiện tiếp nhận ở cảng hoặc lên tàu khác phải bao gồm ngày và thời gian thải, cảng hoặc phương tiện tiếp nhận hoặc tên tàu tiếp nhận, loại rác và lượng rác ước lượng (m3) được thải mỗi loại.
(5) Nhật ký rác, cùng với các biên lai tiếp nhận được cung cấp bởi cơ sở cung cấp phương tiện tiếp nhận phải được cất giữ ở trên tàu hoặc giàn cố định hoặc di động, và ở vị trí thuận lợi cho việc kiểm tra bất kỳ lúc nào. Nhật ký phải được lưu giữ lại trong khoảng thời gian ít nhất 2 năm kể từ lần ghi cuối cùng trong đó.
(6) Bất kỳ trường hợp thải hoặc đánh mất ngẫu nhiên nào như nêu trong 1.2.5 phải được ghi vào Nhật ký rác. Trường hợp tàu có tổng dung tích nhỏ hơn 400, phải ghi vào nhật ký hàng hải chính thức của tàu về ngày và thời gian xảy ra, cảng hoặc vị trí của tàu lúc xảy ra (vĩ độ, kinh độ và độ sâu của nước, nếu biết), lý do của việc thải hoặc đánh mất, chi tiết của các hạng mục rác được thải hoặc đánh mất, lượng rác ước lượng (m3) đối với mỗi loại, các biện pháp phòng ngừa hợp lý để ngăn chặn hoặc giảm đến mức thấp nhất việc thải hoặc đánh mất như vậy cùng với các lưu ý chung.
2 Các tàu nêu ở -1 trên được chứng nhận chở từ 15 người trở lên chỉ thực hiện những chuyến hành trình không quá 1 giờ không cần phải trang bị Nhật ký rác.
2.2 Yêu cầu đối với biển thông báo
2.2.1 Biển thông báo đối với các tàu chỉ hoạt động tuyến nội địa
1 Phục vụ yêu cầu ở 2.1.1, biển thông báo cho thuyền viên về các quy định thải rác phải có các nội dung như dưới đây:
|
Không được thải tất cả các loại rác ra biển trừ các trường hợp được quy định khác dưới đây Công ước quốc tế về ngăn ngừa ô nhiễm biển do tàu gây ra (MARPOL) và luật của quốc gia quy định không được thải hầu hết các loại rác từ tàu ra biển. Chỉ các loại rác sau đây được phép thải trong các điều kiện nhất định. 1. Chất thải thực phẩm được xay hoặc nghiền (có khả năng đi qua lưới có mắt lưới không lớn hơn 25 mm) có thể được thải cách bờ gần nhất từ 3 hải lý trở lên. 2. Các loại chất thải thực phẩm khác có thể được thải cách bờ gần nhất từ 12 hải lý trở lên. 3. Cặn hàng được phân loại không có hại cho môi trường biển có thể được thải cách bờ gần nhất từ 12 hải lý trở lên. 4. Chất tẩy rửa và chất phụ gia trong nước rửa khoang hàng, boong và các bề mặt bên ngoài có thể được thải chỉ khi chúng không có hại cho môi trường biển. 5. Trừ trường hợp thải chất tẩy rửa và chất phụ gia trong nước rửa khoang hàng, boong và các bề mặt bên ngoài ma không có hại cho môi trường biển, tàu chỉ được thải khi đang hành trình và cách bờ gần nhất càng xa càng tốt. |
2 Đối với các tàu chở gia súc, biển thông báo nêu ở -1 phải thêm nội dung “xác động vật có thể được thải khi tàu cách bờ càng xa càng tốt, tối thiểu nên cách bờ gần nhất từ 100 hải lý trở lên”.
3 Đối với tàu chở khách, ngoài biển thông báo ở -1, phải có thêm biển thông báo cho hành khách về các quy định thải rác có các nội dung như dưới đây:
|
Không được thải tất cả các loại rác ra biển trừ các trường hợp được quy định khác Công ước quốc tế về ngăn ngừa ô nhiễm biển do tàu gây ra (MARPOL) và luật của quốc gia quy định không được thải hầu hết các loại rác từ tàu ra biển. Tất cả rác thải phải được lưu giữ trên tàu và cho vào trong các thùng rác. |
2.2.2 Biển thông báo đối với các giàn di động hoặc cố định và các tàu khi cập mạn hoặc trong phạm vi 500 m cách giàn này
1 Phục vụ yêu cầu ở 2.1.1, đối với các giàn cố định và di động và các tàu khi cập mạn hoặc trong phạm vi 500 m cách giàn này, biển thông báo cho thuyền viên về các quy định thải rác phải có các nội dung như dưới đây:
|
Không được thải tất cả các loại rác ra biển trừ các trường hợp được quy định khác Công ước quốc tế về ngăn ngừa ô nhiễm biển do tàu gây ra (MARPOL) và luật của quốc gia quy định không được thải tất cả các loại rác từ giàn cố định hoặc di động ra biển và từ và các tàu khi cập mạn hoặc trong phạm vi 500 m cách giàn này. Đối với chất thải thực phẩm được xay hoặc nghiền (có khả năng đi qua lưới có mắt lưới không lớn hơn 25 mm), có thể được thải khi các giàn di động hoặc cố định cách bờ gần nhất trên 12 hải lý và các tàu khi cập mạn hoặc trong phạm vi 500 m cách giàn này. |
2 Trong trường hợp các giàn nêu ở -1 hoạt động quốc tế, ngôn ngữ của biển thông báo phải có bản tiếng Anh như dưới đây:
|
Discharge of all garbage into the sea is prohibited except provided otherwise The MARPOL Convention and domestic law prohibit the discharge of all garbage into the sea from fixed or floating platforms and from all other ships when alongside or within 500 metres of such platforms. Exception: Comminuted or ground food wastes may be discharge from fixed or floating platforms located more than 12 miles from the nearest land and from all other ships when alongside or within 500 metres of such platforms. Comminuted or ground food wastes must be capable of passing through a screen no larger than 25 millimetres. |
2.2.3 Biển thông báo đối với tàu hoạt động tuyến quốc tế
1 Phục vụ yêu cầu ở 2.1.1, biển thông báo cho thuyền viên về các quy định thải rác đối với tàu hoạt động tuyến quốc tế phải có ngôn ngữ là tiếng Anh với các nội dung như sau:
|
Discharge of all garbage into the sea is prohibited except provided otherwise The MARPOL Convention and domestic law prohibit the discharge of most garbage from ships. Only the following garbage types are allowed to be discharged and under the specified conditions. Outside special areas designated under MARPOL Annex V and Arctic waters: • Comminuted or ground food wastes (capable of passing through a screen with openings no larger than 25 mm) may be discharged not less than 3 nm from the nearest land. • Other food wastes may be discharged not less than 12 nm from the nearest land. • Cargo residues classified as not harmful to the marine environment may be discharged not less than 12 nm from the nearest land. • Cleaning agents or additives in cargo hold, deck and external surfaces washing water may be discharged only if they are not harmful to the marine environment. • With the exception of discharging cleaning agents or additives that are not harmful to the marine environment and are contained in washing water, the ship must be en route and as far as practicable from the nearest land. Within special areas designated under MARPOL Annex V and Arctic waters • More stringent discharge requirements apply for the discharges of food wastes and cargo residues; AND • Consult MARPOL Annex V, chapter 5 of part II-A of the Polar Code and the shipboard garbage management plan for details. For all areas of the sea, ships carrying specialized cargoes such as live animals or solid bulk cargoes should consult Annex V and the associated Guidelines for the implementation of Annex V. Discharge of any type of garbage must be entered in the Garbage Record Book. |
2 Trong trường hợp ngôn ngữ làm việc trên tàu là tiếng Việt, biển thông báo cho thuyền viên về các quy định thải rác phải có thêm bản tiếng Việt như sau:
|
Không được thải tất cả các loại rác ra biển trừ các trường hợp được quy định khác dưới đây Công ước quốc tế về ngăn ngừa ô nhiễm biển do tàu gây ra (MARPOL) và luật của quốc gia quy định không được thải hầu hết các loại rác từ tàu ra biển. Chỉ các loại rác sau đây được phép thải trong các điều kiện nhất định. Bên ngoài các vùng đặc biệt được quy định bởi Phụ lục V của MARPOL và các vùng nước Bắc cực • Chất thải thực phẩm được xay hoặc nghiền (có khả năng đi qua lưới có mắt lưới không lớn hơn 25 mm) có thể được thải cách bờ gần nhất từ 3 hải lý trở lên. • Các loại chất thải thực phẩm khác có thể được thải cách bờ gần nhất từ 12 hải lý trở lên. • Cặn hàng được phân loại không có hại cho môi trường biển có thể được thải cách bờ gần nhất từ 12 hải lý trở lên. • Chất tẩy rửa và chất phụ gia trong nước rửa khoang hàng, boong và các bề mặt bên ngoài có thể được thải chỉ khi chúng không có hại cho môi trường biển. • Trừ trường hợp thải chất tẩy rửa và chất phụ gia trong nước rửa khoang hàng, boong và các bề mặt bên ngoài mà không có hại cho môi trường biển, tàu chỉ được thải khi đang hành trình và cách bờ gần nhất càng xa càng tốt. Trong các vùng đặc biệt được quy định bởi Phụ lục V của MARPOL và các vùng nước Bắc cực • Các yêu cầu về thải rác được quy định nghiêm ngặt hơn đối với thải chất thải thực phẩm và cặn hàng, và • Chi tiết tham khảo Phụ lục V của MARPOL, Chương 5 Phần II-A của Bộ luật quốc tế đối với các tàu hoạt động ở vùng nước địa cực và Kế hoạch quản lý rác của tàu. Việc thải bất kỳ loại rác thải nào đều phải được ghi vào nhật ký rác |
CHƯƠNG 3 TRẠM CHỨA RÁC VÀ THIẾT BỊ THU GOM RÁC
3.1 Trạm chứa rác
3.1.1 Quy định chung
1 Trên các tàu thuộc phạm vi áp dụng nêu ở 2.1.2, phải bố trí trạm thu gom rác để thu gom rác của toàn bộ tàu. Trạm thu gom rác phải có biển hiệu rõ ràng để nhận biết về vị trí ở trên tàu.
2 Trạm thu gom rác phải sao cho việc chứa rác không gây hại cho sức khỏe và an toàn của tàu và phải có thiết bị chứa rác đủ kích cỡ để chứa rác phát sinh trên tàu.
3.1.2 Yêu cầu đối với thiết bị chứa rác
1 Thiết bị chứa rác nêu ở 3.1.1-2 phải thỏa mãn các yêu cầu sau:
(1) Thiết bị chứa rác phải bao gồm tối thiểu 3 thiết bị chứa để chứa các loại rác theo phân loại phù hợp với Kế hoạch quản lý rác của tàu và phải được đánh dấu phân loại rõ ràng để nhận biết loại rác dự định tiếp nhận, thông thường được phân loại theo chất thải thực phẩm, chất dẻo và chất thải sinh hoạt. Ngoài ra cần quan tâm đến thiết bị chứa dầu ăn để thải lên phương tiện tiếp nhận trên bờ, trừ trường hợp có phương tiện chứa phù hợp được trang bị trong phòng bếp hoặc tương tự và thiết bị để chứa các loại rác có thể gây nguy hiểm cho tàu và con người như các giẻ nhiễm dầu, bóng đèn, axit, ắc quy, các hóa chất...
(2) Thiết bị chứa rác trong trạm thu gom rác phải được chế tạo bằng các vật liệu không cháy, phải kín và có nắp đậy để ngăn ngừa việc thải rác vô tình.
(3) Dung tích chứa tối thiểu của các thiết bị chứa rác được tính dựa vào theo tiêu chuẩn như Bảng 9.1.
Bảng 9.1 Dung tích tối thiểu của các thiết bị chứa rác
|
Tổng dung tích (GT) và số người trên tàu |
Dung tích tối thiểu các của thiết bị chứa rác (m3) |
|
GT < 400 với ≤ 10 người |
0,1 |
|
GT < 400 với ≤ 50 người |
0,5 |
|
400 ≤ GT < 1600 |
0,4 |
|
1600 ≤ GT < 4000 |
1,2 |
|
4000 ≤ GT < 10000 |
2,5 |
|
10000 ≤ GT |
5,0 |
|
Tàu chở nhiều hơn 50 người |
1,0 m3 cho 100 người/ngày |
2 Đối với các tàu chỉ hoạt động giữa 2 cảng ngắn hoặc có thời gian hành trình ngắn hoặc được trang bị các lò đốt rác, thiết bị nén rác hoặc nghiền rác thì dung tích thiết bị chứa rác nêu ở -1(3) trên có thể giảm đi. Yêu cầu về trang bị tối thiểu 3 thiết bị chứa nêu ở -1(1) trên có thể được Đăng kiểm xem xét giảm đi tùy theo đặc điểm khai thác và hành trình thực tế của tàu.
3.2 Thùng rác
3.2.1 Quy định chung
Các tàu thuộc phạm vi áp dụng ở 2.1.2 phải trang bị các thùng rác và thiết bị chứa rác tại các vị trí thích hợp phù hợp với các quy trình thu gom rác nêu trong Kế hoạch quản lý rác của tàu.
3.2.2 Yêu cầu đối với các thùng rác
1 Các thùng rác phải được chế tạo bằng các vật liệu không cháy và không có lỗ khoét ở các thành hoặc đáy. Tuy nhiên, các thùng bằng vật liệu cháy được có thể được sử dụng trong các nhà bếp, buồng thực phẩm, các buồng chứa và xử lý rác thải và buồng chứa thiết bị đốt chất thải nếu chúng được dự định chỉ chứa rác thải ướt, chai thủy tinh, vỏ hộp kim loại và được đánh dấu thích hợp.
2 Các thùng chứa rác bố trí trên khu vực boong, các boong dâng đuôi hoặc các các khu vực chịu ảnh hưởng của thời tiết phải được cố định để phòng tránh bị mất, chảy tràn hoặc rơi vãi rác chứa trong chúng. Các thùng chứa rác phải được đánh dấu rõ ràng và dễ phân biệt bằng các biểu tượng, kích thước và vị trí đặt. Các thùng rác phải được bố trí tại các vị trí thích hợp trên toàn bộ tàu, đến mức độ phù hợp có thể như trong buồng máy, phòng ăn, bếp, các khu vực ở và làm việc của thuyền viên, hành khách và các khu vực tập trung khách, vui chơi giải trí của khách.
3 Để giảm hoặc tránh việc phải phân loại rác sau khi thu nhận và phục vụ việc tái sinh, các thùng rác phải được đánh dấu phân biệt loại rác mà chúng dự định chứa, phù hợp với Kế hoạch quản lý rác của tàu và yêu cầu về phân tách rác như nêu ở 3.1.2-1(1) trên.
4 Các vị trí đặt các thùng rác phải có biển báo được sơn kẻ rõ ràng để đánh dấu vị trí, kích cỡ thùng rác và loại rác.
III QUY ĐỊNH VỀ QUẢN LÝ
CHƯƠNG 1 QUY ĐỊNH VỀ CHỨNG NHẬN
1.1 Quy định chung
1 Tàu thuộc phạm vi điều chỉnh tại 1.1.1 Mục I của Quy chuẩn phải được Đăng kiểm kiểm tra và cấp các giấy chứng nhận ngăn ngừa ô nhiễm theo các quy định tương ứng ở 1.2 và 1.3 dưới đây.
2 Biểu mẫu các giấy chứng nhận cấp cho tàu nêu ở 1.2 và các giấy chứng nhận yêu cầu đối với các trang thiết bị ngăn ngừa ô nhiễm lắp đặt trên tàu được quy định tại Thông tư số 25/2017/TT-BGTVT.
1.2 Các giấy chứng nhận cấp cho tàu
1 Tàu sẽ được cấp “Giấy chứng nhận quốc tế về ngăn ngừa ô nhiễm dầu (IOPP)” hoặc "Giấy chứng nhận ngăn ngừa ô nhiễm dầu (OPP)" sau khi được Đăng kiểm kiểm tra thỏa mãn các yêu cầu nêu tại Phần 3 và Phần 5 của Quy chuẩn này.
2 Tàu sẽ được cấp “Giấy chứng nhận quốc tế về ngăn ngừa ô nhiễm do chất lỏng độc chở xô gây ra (NLS)” hoặc "Giấy chứng nhận phù hợp quốc tế cho việc chở xô hoá chất nguy hiểm (CHM)" hoặc “Giấy chứng nhận phù hợp cho việc chở xô hóa chất nguy hiểm (E.CHM) sau khi được Đăng kiểm kiểm tra thỏa mãn các yêu cầu nêu tại Phần 4 và Phần 6 Quy chuẩn này và Bộ luật IBC của IMO.
3 Tàu hoạt động tuyến quốc tế sẽ được cấp “Giấy chứng nhận quốc tế về ngăn ngừa ô nhiễm do nước thải (ISPP)” sau khi được Đăng kiểm kiểm tra thỏa mãn các yêu cầu nêu tại Phần 7 Quy chuẩn này.
4 Động cơ điêzen sẽ được cấp "Giấy chứng nhận quốc tế về ngăn ngừa ô nhiễm không khí của động cơ (EIAPP)" sau khi động cơ được thử nghiệm và kiểm tra thỏa mãn các yêu cầu ở 2.1.3-5(3) (trừ (d)(iii)) của Phần 2 của Quy chuẩn này. Tàu hoạt động tuyến quốc tế sẽ được cấp “Giấy chứng nhận quốc tế về ngăn ngừa ô nhiễm không khí (IAPP)” và Giấy chứng nhận quốc tế sử dụng hiệu quả năng lượng (IEE) sau khi tàu được Đăng kiểm kiểm tra thỏa mãn các yêu cầu nêu tại Phần 8 của Quy chuẩn này.
1.3 Thời hạn hiệu lực của các giấy chứng nhận
1 Giấy chứng nhận OPP và IOPP, NLS, CHM, E.CHM, ISPP và IAPP có hiệu lực tối đa không quá 5 năm, tính từ ngày hoàn thành kiểm tra lần đầu nêu tại Phần 2 của Quy chuẩn này. Giấy chứng nhận IEE không giới hạn hiệu lực.
2 Đối với đợt kiểm tra định kỳ nêu tại Phần 2 của Quy chuẩn này, các giấy chứng nhận OPP, IOPP, NLS, CHM, E.CHM, ISPP, IAPP có hiệu lực tối đa là 5 năm tính từ ngày hết hạn hiệu lực của giấy chứng nhận cũ nếu như đợt kiểm tra định kỳ được hoàn thành trong khoảng thời gian 3 tháng trước ngày hết hạn hiệu lực của giấy chứng nhận cũ.
Nếu đợt kiểm tra định kỳ được hoàn thành trước 3 tháng hoặc sau ngày hết hạn của giấy chứng nhận cũ thì giấy chứng nhận mới sẽ có hiệu lực tương ứng không quá 5 năm tính từ ngày hoàn thành đợt kiểm tra định kỳ hoặc tính từ ngày hết hạn của giấy chứng nhận cũ.
3 Giấy chứng nhận EIAPP được cấp cho động cơ điêzen lắp đặt trên tàu và có hiệu lực cho suốt cuộc đời của động cơ.
4 Các giấy chứng nhận nêu trên (ngoại trừ giấy chứng nhận EIAPP, IEE và ISPP) phải được xác nhận tại các đợt kiểm tra chu kỳ nêu ở Phần 2 Quy chuẩn này.
1.4 Lưu giữ, cấp lại và trả lại giấy chứng nhận
1 Thuyền trưởng có trách nhiệm lưu giữ các giấy chứng nhận trên tàu và phải trình cho Đăng kiểm khi có yêu cầu.
2 Chủ tàu, cơ sở chế tạo động cơ hoặc thuyền trưởng phải có văn bản đề nghị Đăng kiểm cấp lại ngay các giấy chứng nhận liên quan khi:
(1) Các Giấy chứng nhận này bị mất hoặc bị rách nát;
(2) Nội dung ghi trong các Giấy chứng nhận này có thay đổi.
3 Đối với trường hợp cấp lại Giấy chứng nhận quốc tế về ngăn ngừa ô nhiễm không khí của động cơ (EIAPP) và Giấy chứng nhận quốc tế sử dụng hiệu quả năng lượng (IEE) như nêu ở -2 trên, Chủ tàu, cơ sở chế tạo động cơ hoặc thuyền trưởng phải trình kèm theo văn bản đề nghị cấp lại cả hồ sơ kỹ thuật đã được duyệt của động cơ.
4 Chủ tàu hoặc thuyền trưởng phải trả lại ngay cho Đăng kiểm các giấy chứng nhận cũ bị rách nát sau khi đã được cấp lại theo -2 nêu trên, trừ trường hợp giấy chứng nhận đó bị mất.
1.5 Dấu hiệu cấp tàu
1 Dựa trên 2.1.10 Phần 1A Mục II của Quy chuẩn kỹ thuật quốc gia về Phân cấp và đóng tàu biển vỏ thép, dấu hiệu "Chỉ số thiết kế hiệu quả năng lượng- giai đoạn X" (viết tắt là EEDI-pX), trong đó X là giai đoạn được thông qua) được bổ sung vào ký hiệu phân cấp của các tàu có chỉ số thiết kế hiệu quả năng lượng (EEDI) đạt được thỏa mãn giá trị yêu cầu được tính theo cách sử dụng một hệ số giảm theo giai đoạn nghiêm ngặt hơn hệ số giảm theo giai đoạn phải áp dụng theo Chương 3 Phần 8.
2 Dựa trên 2.1.10 Phần 1A Mục II của Quy chuẩn kỹ thuật quốc gia về Phân cấp và đóng tàu biển vỏ thép, "Oxit nitơ- Giai đoạn III" (viết tắt là NOx-III) được bổ sung vào ký hiệu phân cấp của các tàu có lắp đặt các động cơ điêzen thỏa mãn các tiêu chuẩn về giới hạn phát thải NOx lớn nhất cho phép như được quy định tại 2.1.2-1(1)(c) Phần 8 và theo đó tàu được phép hoạt động trong các vùng kiểm soát phát thải NOx. Đối với các tàu sử dụng hệ thống giảm phát thải bằng chất xúc tác chọn lựa, hệ thống tái tuần hoàn khí thải, động cơ hai nhiên liệu hoặc động cơ chỉ sử dụng nhiên liệu khí thỏa mãn các tiêu chuẩn giới hạn phát thải NOx cho phép lớn nhất nêu ở 2.1.2-1(1)(c) Phần 8, dấu hiệu nêu ở (1) đến (4) dưới đây phải được liệt kê trong dấu ngoặc sau NOx-III phù hợp với động cơ, thiết bị lắp đặt.
(1) Tàu sử dụng hệ thống giảm phát thải bằng chất xúc tác chọn lựa thỏa mãn 1.3.1-10(1) Phần 3 của Quy chuẩn kỹ thuật quốc gia về Phân cấp và đóng tàu biển vỏ thép, 1.2.1-11(1) Phần 9 của Quy chuẩn kỹ thuật quốc gia về Phân cấp và đóng tàu biển cao tốc: Giảm bằng chất xúc tác chọn lựa (viết tắt là “SCR”).
(2) Tàu sử dụng hệ thống tái tuần hoàn khí thải thỏa mãn 2.1.1-5 Phần 3 của Quy chuẩn kỹ thuật quốc gia về Phân cấp và đóng tàu biển vỏ thép, 2.1.1-4 Phần 9 của Quy chuẩn kỹ thuật quốc gia về Phân cấp và đóng tàu biển cao tốc: Tái tuần hoàn khí xả (viết tắt là “EGR”).
(3) Tàu sử dụng động cơ hai nhiên liệu thỏa mãn 16.1 và 16.7 Phần 8D hoặc 1.1.3-1(2) Phần 8I của Quy chuẩn kỹ thuật quốc gia về Phân cấp và đóng tàu biển vỏ thép: Động cơ hai nhiên liệu (viết tắt là “DFE”).
(4) Tàu sử dụng động cơ chỉ sử dụng nhiên liệu khí thỏa mãn 1.1.3-1(20) phần 8I của Quy chuẩn kỹ thuật quốc gia về Phân cấp và đóng tàu biển vỏ thép: Động cơ khí (viết tắt là "GOE").
3 Dựa trên 2.1.10 Phần 1A Mục II của Quy chuẩn kỹ thuật quốc gia về Phân cấp và đóng tàu biển vỏ thép, dấu hiệu “Hệ thống làm sạch khi thải” (viết tắt là “EGCS”), được bổ sung vào ký hiệu phân cấp của các tàu được lắp đặt hệ thống làm sạch khí thải được Đăng kiểm chấp nhận là biện pháp thay thế nêu ở 1.1.3 Phần 8.
CHƯƠNG 2 QUẢN LÝ HỒ SƠ
2.1 Quy định chung
Các hồ sơ do Đăng kiểm cấp bao gồm:
(1) Hồ sơ thiết kế được thẩm định, bao gồm các bản vẽ và các tài liệu như quy định ở Chương 1 Phần 2 Mục II và các Phần liên quan (nếu có yêu cầu), kể cả Giấy chứng nhận thẩm định thiết kế, Giấy chứng nhận ngăn ngừa ô nhiễm phù hợp.
(2) Các tài liệu/Hướng dẫn kỹ thuật được duyệt;
(3) Hồ sơ kiểm tra, bao gồm các biên bản kiểm tra/thử (làm cơ sở cho việc cấp các giấy chứng nhận liên quan), các giấy chứng nhận, kể cả giấy chứng nhận về vật liệu và các sản phẩm công nghiệp/thiết bị ngăn ngừa ô nhiễm lắp đặt lên tàu.
2.2 Cấp hồ sơ kiểm tra
Đăng kiểm sẽ cấp hồ sơ kiểm tra cho tàu và thiết bị ngăn ngừa ô nhiễm được lắp đặt trên tàu sau khi đã kết thúc các nội dung kiểm tra lần đầu hoặc kiểm tra chu kỳ nêu tại Phần 2 Mục II của Quy chuẩn này.
2.3 Quản lý hồ sơ
1 Lưu giữ hồ sơ kiểm tra
Tất cả hồ sơ do Đăng kiểm cấp cho tàu phải được lưu giữ và bảo quản trên tàu. Các hồ sơ này phải được trình cho Đăng kiểm hoặc cơ quan có thẩm quyền xem xét khi có yêu cầu.
IV TRÁCH NHIỆM CỦA CÁC TỔ CHỨC, CÁ NHÂN
1.1 Trách nhiệm của chủ tàu, các cơ sở thiết kế, đóng mới, hoán cải và sửa chữa tàu, các cơ sở chế tạo động cơ, trang thiết bị ngăn ngừa ô nhiễm lắp trên tàu
1.1.1 Thực hiện đầy đủ các quy định liên quan nêu trong Quy chuẩn này.
1.1.2 Tuân thủ các quy định về kiểm tra của Đăng kiểm được quy định trong Quy chuẩn này.
1.2 Trách nhiệm của Cục Đảng kiểm Việt Nam
1.2.1 Thẩm định thiết kế, giám sát kỹ thuật
Thực hiện công tác thẩm định thiết kế, giám sát kỹ thuật phù hợp với các yêu cầu kỹ thuật nêu trong Quy chuẩn này.
1.2.2 Thông báo cho Bộ Giao thông vận tải và IMO
Thông báo cho Bộ Giao thông vận tải và IMO các trường hợp áp dụng các quy định thay thế tương đương hoặc các miễn giảm đối với các yêu cầu của MARPOL, phù hợp với yêu cầu về miễn giảm, thay thế tương đương nêu trong Công ước.
1.2.3 Hướng dẫn áp dụng
Hướng dẫn thực hiện các quy định của Quy chuẩn này đối với các chủ tàu, cơ sở thiết kế, đóng mới, hoán cải và sửa chữa tàu, các cơ sở chế tạo động cơ, trang thiết bị ngăn ngừa ô nhiễm lắp đặt trên tàu.
1.2.4 Rà soát và cập nhật Quy chuẩn
Căn cứ yêu cầu thực tế đề nghị Bộ Giao thông vận tải sửa đổi, bổ sung Quy chuẩn này khi cần thiết hoặc theo thời hạn quy định của Luật Tiêu chuẩn và Quy chuẩn kỹ thuật.
V TỔ CHỨC THỰC HIỆN
1.1 Cục Đăng kiểm Việt Nam tổ chức hệ thống kiểm tra, giám sát kỹ thuật phù hợp với các yêu cầu của Quy chuẩn này.
1.2 Trong trường hợp các tài liệu được viện dẫn trong Quy chuẩn này được sửa đổi, bổ sung hoặc thay thế thì thực hiện theo nội dung đã được sửa đổi, bổ sung hoặc thay thế có hiệu lực của tài liệu đó.
1.3 Quy chuẩn này và các bổ sung, sửa đổi của nó được áp dụng đối với các tàu có giai đoạn bắt đầu đóng mới vào hoặc sau ngày các thông tư ban hành chúng có hiệu lực, trừ trường hợp được quy định cụ thể trong từng phần của Quy chuẩn hoặc các quy định được áp dụng cả về trước với tất cả các tàu.
1.4 Trong trường hợp không thể thực hiện được quy định nào đó của Quy chuẩn, trong các trường hợp đặc biệt cần thiết, Bộ Giao thông vận tải sẽ quyết định việc áp dụng trong từng trường hợp cụ thể.
PHỤ LỤC
HƯỚNG DẪN THẢI CÁC CHẤT LỎNG ĐỘC HẠI
1.1 Quy định chung
1.1.1 Phạm vi áp dụng
Bản Phụ lục được sử dụng để tham khảo duyệt Sổ tay các quy trình và hệ thống dùng để thải chất lỏng độc, được quy định ở 2.2.1-5 Phần 4 của Quy chuẩn bằng việc đưa ra các hướng dẫn thải chất lỏng độc hoặc các chất tương tự khác được quy định tạm thời vào các loại chất tương ứng và nước dằn, nước rửa két hoặc cặn hoặc hỗn hợp khác chứa các chất đã nêu (sau đây gọi tắt là "chất lỏng độc" trong Phụ lục này) bằng biện pháp kết cấu và trang thiết bị được quy định trong Phần 4 của Quy chuẩn.
1.1.2 Thải từ tàu khi hành trình
Cấm thải xuống biển các chất lỏng độc khi tàu đang hành trình trừ khi thỏa mãn tất cả các điều kiện sau:
(1) Tàu đang chạy với vận tốc ít nhất 7 hải lý/giờ đối với tàu tự hành hoặc 4 hải lý/giờ đối với tàu không tự hành;
(2) Thải phải được tiến hành dưới đường nước thông qua các lỗ xả dưới đường nước không được vượt quá sản lượng thải lớn nhất đã được thiết kế. Tuy nhiên, đối với các tàu được đóng trước ngày 01 tháng 01 năm 2007, việc thải xuống biển các cặn thuộc chất loại Z hoặc các chất được đánh giá tạm thời là chất loại Z như nước dằn, nước rửa két hoặc hỗn hợp khác có chứa các chất đó dưới đường nước có thể được miễn giảm;
(3) Thải phải được thực hiện ở khoảng cách cách bờ gần nhất không dưới 12 hải lý;
(4) Thải phải thực hiện ở nơi có chiều sâu mực nước không nhỏ hơn 25 m.
1.1.3 Chất lỏng độc được loại bỏ bằng quy trình thông gió
Những yêu cầu của Phụ lục này có thể không áp dụng khi thải nước được điền vào két sau khi sử dụng quy trình làm sạch bằng thông gió thỏa mãn 4.6 Phần 4 của Quy chuẩn nhằm loại bỏ cặn hàng khỏi két.
1.2 Thải chất lỏng độc
1.2.1 Chất lông độc loại X
Cấm thải xuống biển chất lỏng độc loại X. Nếu rửa các két có chứa chất lỏng độc loại X hoặc hỗn hợp của chúng, thì cặn thu được phải được xả vào phương tiện tiếp nhận cho đến khi nồng độ của chất lỏng độc đó trong nước thải vào phương tiện tiếp nhận đó bằng hoặc thấp hơn 0,1% theo khối lượng và cho tới tận khi két cạn. Có thể thải xuống biển phù hợp với 1.1.2 với điều kiện cặn còn lại trong két sau đó được pha loãng bằng cách bổ sung nước.
1.2.2 Chất lỏng độc loại Y và loại Z
1 Áp dụng tiêu chuẩn thải ở 1.1.2 đối với quy trình thải cặn chất lỏng độc có độ nhớt thấp và không hóa rắn thuộc chất loại Y và Z. Nếu việc trả hàng các chất có độ nhớt thấp và không hóa rắn thuộc chất loại Y và loại Z không được thực hiện phù hợp với quy trình và trang thiết bị để thải các chất lỏng độc được duyệt, thì phải tiến hành rửa sơ bộ và thải vào phương tiện tiếp nhận tại cảng dỡ hàng. Khi phương tiện tiếp nhận của một cảng khác có khả năng tiếp nhận, thì có thể thải vào phương tiện đó.
2 Không được thải xuống biển chất có độ nhớt cao hoặc hóa rắn thuộc chất loại Y. Phải tiến hành rửa sơ bộ phù hợp với 4.2 Phần 4 của Quy chuẩn và hỗn hợp cặn nước thu được trong quá trình rửa sơ bộ phải được xả vào phương tiện tiếp nhận đến tận khi két cạn. Nước sau đó được điền vào két hàng có thể được thải xuống biển phù hợp với tiêu chuẩn xả ở 1.1.2.
1.2.3 Chất lỏng độc chưa được phân loại
Cấm thải xuống biển các “chất lỏng độc” và “chất lỏng không phải chất lỏng độc” được quy định ở 1.4.
1.3 Thải chất lỏng độc trong vùng Nam Cực
Cấm thải xuống biển các chất lỏng độc hoặc hỗn hợp của chúng xuống vùng Nam Cực. “Vùng Nam Cực” là khu vực biển phía nam vĩ tuyến 60o Nam.
1.4 Chất lỏng không phải là chất lỏng độc
Thải xuống biển các chất được coi là không có hại đối với sức khỏe con người, tài nguyên sinh vật biển và tính sử dụng hợp pháp khác của biển không phải là đối tượng kiểm soát theo Quy chuẩn này. Những chất này được nêu trong Bảng 8E/17.1 và Bảng 8E/18.1 của Phần 8E Mục II của Quy chuẩn kỹ thuật quốc gia về Phân cấp và đóng tàu biển vỏ thép, có chữ “OS” ở cột ‘C’ của từng bảng.
Bạn chưa Đăng nhập thành viên.
Đây là tiện ích dành cho tài khoản thành viên. Vui lòng Đăng nhập để xem chi tiết. Nếu chưa có tài khoản, vui lòng Đăng ký tại đây!
Bạn chưa Đăng nhập thành viên.
Đây là tiện ích dành cho tài khoản thành viên. Vui lòng Đăng nhập để xem chi tiết. Nếu chưa có tài khoản, vui lòng Đăng ký tại đây!



