- Tổng quan
- Nội dung
- Tiêu chuẩn liên quan
- Lược đồ
- Tải về
Tiêu chuẩn TCVN 13078-24:2023 Hệ thống sạc điện có dây dùng cho xe điện - Phần 25
| Số hiệu: | TCVN 13078-25:2023 | Loại văn bản: | Tiêu chuẩn Việt Nam |
| Cơ quan ban hành: | Bộ Khoa học và Công nghệ | Lĩnh vực: | Công nghiệp |
|
Ngày ban hành:
Ngày ban hành là ngày, tháng, năm văn bản được thông qua hoặc ký ban hành.
|
27/06/2023 |
Hiệu lực:
|
Đã biết
|
| Người ký: | Đang cập nhật |
Tình trạng hiệu lực:
Cho biết trạng thái hiệu lực của văn bản đang tra cứu: Chưa áp dụng, Còn hiệu lực, Hết hiệu lực, Hết hiệu lực 1 phần; Đã sửa đổi, Đính chính hay Không còn phù hợp,...
|
Đã biết
|
TÓM TẮT TIÊU CHUẨN VIỆT NAM TCVN 13078-25:2023
Tiêu chuẩn quốc gia TCVN 13078-25:2023 về thiết bị cấp điện cho xe điện
Ngày 27/06/2023, Bộ Khoa học và Công nghệ đã công bố Tiêu chuẩn quốc gia TCVN 13078-25:2023, quy định về hệ thống sạc điện có dây dùng cho xe điện với phần thứ 25 nói về thiết bị cấp điện một chiều cho xe điện có bảo vệ dựa trên phân cách về điện. Tiêu chuẩn này có hiệu lực ngay từ ngày công bố.
Tiêu chuẩn này được áp dụng cho các thiết bị cấp điện một chiều cho xe điện (EV), với điện áp danh định lên đến 480 V (AC) và 600 V (DC), cũng như dòng điện ra không vượt quá 100 A DC. Bản tiêu chuẩn xác định những yêu cầu an toàn và kỹ thuật đối với thiết bị sạc cho EV, bao gồm cả các yêu cầu về điều khiển và truyền thông trong quá trình sạc.
Phạm vi áp dụng và yêu cầu cơ bản
Tiêu chuẩn này bao gồm hướng dẫn chi tiết về mạch cấp điện một chiều cho EV, yêu cầu về sự điện cách ly bảo vệ và các quy định đặc biệt cho các điều kiện môi trường khác nhau. Ngoài ra, nó đặt ra yêu cầu an toàn cho việc sử dụng trong một số môi trường có nguy cơ như khu vực có khí hoặc chất dễ cháy.
Yêu cầu về chất lượng và an toàn điện
Tiêu chuẩn yêu cầu thiết bị cấp điện một chiều cho EV phải được kiểm tra các thông số chất lượng như điện áp, dòng điện và khả năng tương thích với EV để ngăn ngừa việc xảy ra sự cố trong quá trình sạc. Các thiết bị cũng cần phải thực hiện các biện pháp bảo vệ như bảo vệ quá điện áp và các phương thức tắt khẩn cấp trong trường hợp xảy ra sự cố.
Chức năng điều khiển quá trình sạc
Hệ thống phải có khả năng theo dõi và điều khiển dòng điện và điện áp, cũng như thông báo cho thiết bị EV về công suất khả dụng trong suốt quá trình sạc. Thông tin này bao gồm các tham số về điện áp và dòng điện mà EV yêu cầu để đảm bảo quá trình sạc diễn ra an toàn và hiệu quả.
Bảo vệ chống điện giật
Tiêu chuẩn quy định các biện pháp nhằm bảo vệ người sử dụng khỏi điện giật. Các phụ kiện của thiết bị cấp điện phải có chỉ số bảo vệ IP để đảm bảo an toàn khi sử dụng. Bên cạnh đó, thiết bị còn phải đáp ứng các yêu cầu về phân cách điện để ngăn ngừa rủi ro do mạch sơ cấp và thứ cấp không được an toàn.
Bản tiêu chuẩn TCVN 13078-25:2023 nhằm đảm bảo kiểm soát chất lượng và an toàn trong việc sạc điện cho các phương tiện giao thông điện, tạo điều kiện thuận lợi cho việc phát triển ngành công nghiệp xe điện bền vững và an toàn.
Tải tiêu chuẩn Việt Nam TCVN 13078-25:2023
TIÊU CHUẨN QUỐC GIA
TCVN 13078-25:2023
IEC 61851-25:2020
HỆ THỐNG SẠC ĐIỆN CÓ DÂY DÙNG CHO XE ĐIỆN - PHẦN 25: THIẾT BỊ CẤP ĐIỆN MỘT CHIỀU CHO XE ĐIỆN
CÓ BẢO VỆ DỰA TRÊN PHÂN CÁCH VỀ ĐIỆN
Electric vehicle conductive charging system - Part 25: DC EV supply equipment where protection relies on electrical separation
Lời nói đầu
TCVN 13078-25:2023 hoàn toàn tương đương với IEC 61851-25:2020;
TCVN 13078-25:2023 do Ban kỹ thuật tiêu chuẩn quốc gia TCVN/TC/E16 Hệ thống truyền năng lượng cho xe điện biên soạn, Tổng cục Tiêu chuẩn Đo lường Chất lượng đề nghị, Bộ Khoa học và Công nghệ công bố.
Bộ tiêu chuẩn TCVN 13078 (IEC 61851), Hệ thống sạc điện có dây dùng cho xe điện, gồm có các phần sau:
- TCVN 13078-1:2020 (IEC 61851-1:2017), Phần 1: Yêu cầu chung
- TCVN 13078-21-1:2020 (IEC 61851-21-1:2017), Phần 21-1: Yêu cầu tương thích điện từ của bộ sạc lắp trên xe điện kết nối có dây với nguồn cấp điện xoay chiều/một chiều
- TCVN 13078-21-2:2020 (IEC 61851-21-2:2018), Phần 21-2: Yêu cầu về xe điện kết nối có dây với nguồn cấp điện xoay chiều/một chiều - Yêu cầu tương thích điện từ của bộ sạc không lắp trên xe điện
- TCVN 13078-23:2020 (IEC 61851-21-2:2014), Phần 23: Trạm sạc điện một chiều cho xe điện
- TCVN 13078-24:2022 (IEC 61851-24:2014), Phần 24: Truyền thông kỹ thuật số giữa trạm sạc điện một chiều cho xe điện và xe điện để điều khiển sạc điện một chiều
- TCVN 13078-25:2023 (IEC 61851-25:2020), Phần 25: Thiết bị cấp điện một chiều cho xe điện có bảo vệ dựa trên phân cách về điện
HỆ THỐNG SẠC ĐIỆN CÓ DÂY DÙNG CHO XE ĐIỆN - PHẦN 25: THIẾT BỊ CẤP ĐIỆN MỘT CHIỀU CHO XE ĐIỆN CÓ BẢO VỆ DỰA TRÊN PHÂN CÁCH VỀ ĐIỆN
Electric vehicle conductive charging system - Part 25: DC EV supply equipment where protection relies on electrical separation
1 Phạm vi áp dụng
Tiêu chuẩn này áp dụng cho thiết bị cấp điện một chiều cho phương tiện giao thông chạy điện (trong tiêu chuẩn này được gọi là xe điện - EV) dùng để sạc điện cho các EV, có điện áp cấp danh định đến 480 V xoay chiều (AC) hoặc đến 600 V một chiều (DC), và điện áp ra danh định không vượt quá 120 V DC và dòng điện ra danh định không vượt quá 100 A DC.
Tiêu chuẩn này đưa ra các yêu cầu đối với thiết bị cấp điện một chiều cho EV có mạch thứ cấp được bảo vệ khỏi mạch sơ cấp bởi phân cách về điện.
Các yêu cầu đối với việc truyền năng lượng hai chiều chưa đưa vào tiêu chuẩn này.
Tiêu chuẩn này cũng đưa ra các yêu cầu đối với điều khiển và truyền thông giữa thiết bị cấp điện một chiều cho EV và EV.
Tiêu chuẩn này cũng áp dụng cho các thiết bị cấp điện một chiều được cấp nguồn từ hệ thống lưu điện tại chỗ.
Các khía cạnh được đề cập trong tiêu chuẩn này bao gồm:
• đặc tính và điều kiện làm việc của thiết bị cấp điện một chiều cho EV;
• quy định kỹ thuật của kết nối giữa EV và thiết bị cấp điện một chiều cho EV;
• các yêu cầu về an toàn điện đối với thiết bị cấp điện cho EV.
Các yêu cầu bổ sung có thể áp dụng cho thiết bị được thiết kế cho các môi trường hoặc các điều kiện cụ thể, ví dụ:
• thiết bị cấp điện một chiều cho EV được đặt tại các khu vực nguy hiểm, nơi có khí hoặc hơi dễ cháy và/hoặc vật liệu cháy, nhiên liệu hoặc các chất đốt dễ cháy khác, hoặc vật liệu nổ;
• thiết bị cấp điện một chiều cho EV được thiết kế để lắp đặt ở độ cao so với mực nước biển cao hơn 2 000 m;
• thiết bị cấp điện một chiều cho EV được thiết kế để sử dụng trên tàu thủy.
Các yêu cầu đối với thiết bị và linh kiện điện được sử dụng trong thiết bị cấp điện một chiều cho EV không được đề cập trong tiêu chuẩn này mà thuộc phạm vi áp dụng trong các tiêu chuẩn sản phẩm cụ thể của chúng.
Tiêu chuẩn này không áp dụng cho:
• các khía cạnh an toàn liên quan đến bảo dưỡng;
• sạc điện cho xe buýt điện, tàu điện, xe tải nặng và các xe điện được thiết kế chủ yếu để không sử dụng trên hệ thống đường bộ;
• thiết bị trên EV;
• yêu cầu EMC đối với thiết bị trên EV đang được kết nối, các yêu cầu này được đề cập trong TCVN 13078-21-1 (IEC 61851-21-1);
• sạc điện cho RESS không nằm trên EV;
CHÚ THÍCH: Ở các nước sau sự phân cách về điện chỉ được thực hiện bởi người có kỹ năng: Thụy Sỹ.
2 Tài liệu viện dẫn
Áp dụng Điều 2 của TCVN 13078-1 (IEC 61851-1) với các bổ sung sau:
TCVN 7699-2-30:2007 (IEC 60068-2-30:2005), Thử nghiệm môi trường - Phần 2-30: Các thử nghiệm - Thử nghiệm Db: Nóng ẩm, chu kỳ (chu kỳ 12 h + 12 h)
TCVN 13078-1:2020 (IEC 61851-1:2017), Hệ thống sạc điện có dây dùng cho xe điện - Phần 1: Yêu cầu chung
TCVN 13510 (IEC 62752), Thiết bị điều khiển và bảo vệ tích hợp trên cáp dùng cho sạc điện chế độ 2 của các phương tiện giao thông đường bộ chạy điện (IC-CPD)
IEC 61140:2016, Protection against electric shock - Common aspects for installations and equipment (Bảo vệ chống điện giật - Các khía cạnh chung đối với hệ thống lắp đặt và thiết bị)
IEC 61180:2016, High-voltage test techniques for low-voltage equipment - Definitions, test and procedure requirements, test equipment (Kỹ thuật thử nghiệm điện áp cao cho thiết bị điện hạ áp - Định nghĩa, yêu cầu thử nghiệm và quy trình, thiết bị thử nghiệm)
IEC61439-7:2018[1], Low-voltage switchgear and controlgear assemblies - Part 7: Assemblies for specific applications such as marinas, camping sites, market squares, electric vehicle charging stations (Cụm đóng cắt và điều khiển hạ áp - Phần 7: Cụm lắp ráp cho các ứng dụng đặc biệt như bến du thuyền, khu cắm trại, chợ, trạm sạc xe điện)
I EC 62477-1:2012, Safety requirements for power electronic converter systems and equipment - Part 1: General (Yêu cầu an toàn đối với hệ thống và thiết bị biến đổi điện tử công suất - Phần 1: Quy định chung)
IEC 62893-4-1:2020, Charging cables for electric vehicles of rated voltages up to and including 0,6/1 kV - Part 4-1: Cables for DC charging according to mode 4 of IEC 61851-1 - DC charging without use of a thermal management system (Cáp sạc cho xe điện có điện áp danh định đến và bằng 0,6/1 kV - Phần 4-1: Cáp sạc DC theo chế độ 4 của IEC 61851-1 - Sạc DC không sử dụng hệ thống quản lý nhiệt)
ISO 3297:2017, Information and documentation - International Standard serial number (ISSN) (Thông tin và tài liệu - Số sê-ri tiêu chuẩn quốc tế (ISSN))
ISO 11898-1:2015, Road vehicles - Controller area network (CAN) - Part 1: Data link layer and physical signalling (Phương tiện giao thông đường bộ - Mạng cục bộ điều khiển (CAN) - Phần 1: Lớp liên kết dữ liệu và báo hiệu vật lý)
ISO 11898-2:2016, Road vehicles- Controller area network (CAN) - Part 2: High-speed medium access unit (Phương tiện giao thông đường bộ - Mạng cục bộ điều khiển (CAN) - Phần 2: Đơn vị truy cập trung bình tốc độ cao)
3 Thuật ngữ và định nghĩa
Áp dụng Điều 3 của TCVN 13078-1 (IEC 61851-1), ngoài ra bổ sung vào 3.2, 3.3 và 3.7.
3.2 Cách điện
3.2.101
Phân cách về điện (electrical separation)
Biện pháp bảo vệ ở đó các phần mang điện nguy hiểm được cách điện với tất cả các mạch điện khác và các phần khác, với đất cục bộ và với các phần có thể tiếp xúc.
[NGUỒN: IEC 60050 826:2004, 826 12-27]
3.3 Chức năng
3.3.101
Trình tự khởi động bình thường (normal start-up sequence)
Việc bắt đầu trình tự truyền năng lượng với các lệnh và tham số được sử dụng để truyền năng lượng cho EV khi không xảy ra điều kiện lỗi trong trình tự truyền năng lượng.
3.3.102
Tắt bình thường (normal shutdown)
Kết thúc quá trình truyền năng lượng được khởi tạo bởi người sử dụng, bởi EV hoặc bởi thiết bị cấp điện một chiều cho EV, mà không gây ra bởi một sự cố.
3.3.103
Tắt do lỗi (error shutdown)
Kết thúc quá trình truyền năng lượng gây ra bởi một sự cố được phát hiện bởi thiết bị cấp điện một chiều cho EV hoặc bởi EV.
3.3.104
Tắt khẩn cấp (emergency shutdown)
Kết thúc quá trình truyền năng lượng gây ra bởi một sự cố được phát hiện bởi thiết bị cấp điện một chiều cho EV hoặc bởi EV mà có thể gây nguy cơ mất an toàn.
3.3.105
Dây điều khiển quá trình sạc (control pilot wire)
Sợi dẫn có cách điện được lắp trong cụm cáp tạo thành một phần của mạch điều khiển quá trình sạc.
3.3.106
Truyền thông số (digital communication)
Thông tin được mã hoá số được trao đổi giữa thiết bị cấp điện một chiều cho EV và EV cũng như phương pháp để trao đổi thông tin.
[NGUỒN: TCVN 13078-24:2022 (IEC 61851-24:2014), 3.1, có sửa đổi - Thuật ngữ “trạm sạc” được thay bằng “thiết bị cấp điện”]
3.3.107
Tín hiệu (signal)
Phần tử dữ liệu được truyền giữa thiết bị cấp điện một chiều cho EV và EV sử dụng phương thức bất kỳ trừ truyền thông số.
[NGUỒN: TCVN 13078-24:2022 (IEC 61851-24:2014), 3.1, có sửa đổi-Thuật ngữ “trạm sạc” được thay bằng “thiết bị cấp điện”]
3.3.108
Thiết bị cần thử nghiệm (device under test)
DUT
Mẫu thiết bị cấp điện một chiều cho EV được giao để thử nghiệm.
3.7 Thuật ngữ chung
3.7.101
Công suất đầu ra một chiều khả dụng (available DC output power)
Công suất đầu ra một chiều lớn nhất mà thiết bị cấp điện một chiều cho EV có thể cung cấp.
3.7.102
Tham số công suất đầu ra một chiều khả dụng (available DC output power parameter)
Tham số được truyền đến EV thể hiện công suất đầu ra một chiều khả dụng.
3.7.103
Dòng điện đầu ra một chiều (DC output current)
Dòng điện một chiều cấp điện cho EV bởi thiết bị cấp điện một chiều cho EV.
3.7.104
Dòng điện đầu ra một chiều khả dụng (available DC output current)
Giá trị dòng điện một chiều lớn nhất mà thiết bị cấp điện một chiều cho EV có thể cấp cho EV ở thời gian cho trước.
3.7.105
Tham số dòng điện đầu ra một chiều khả dụng (available DC output current parameter)
Tham số được gửi từ thiết bị cấp điện cho EV đến EV thể hiện dòng điện lớn nhất mà có thể cấp cho EV.
3.7.106
Dòng điện đầu ra một chiều danh định (rated DC output current)
Dòng điện đầu ra do nhà chế tạo ấn định cho thiết bị cấp điện một chiều cho EV trong các điều kiện làm việc bình thường.
3.7.107
Dòng điện đầu ra một chiều yêu cầu (requested DC output current)
Giá trị dòng điện một chiều đầu ra được yêu cầu bởi EV.
3.7.108
Tham số dòng điện đầu ra một chiều yêu cầu (requested DC output current parameter)
Tham số được EV gửi cho thiết bị cấp điện cho EV thể hiện dòng điện một chiều yêu cầu.
3.7.109
Điện áp đầu ra một chiều (DC output voltage)
Điện áp giữa đầu nối DC+ và DC- tại phích nối dùng cho xe điện.
3.7.110
Điện áp đầu ra một chiều danh định (rated DC output voltage)
Điện áp đầu ra do nhà chế tạo ấn định cho thiết bị cấp điện một chiều cho EV.
3.7.111
Tham số điện áp đầu ra một chiều danh định (rated DC output voltage parameter)
Tham số được gửi từ thiết bị cấp điện cho EV thể hiện điện áp đầu ra một chiều danh định.
3.7.112
Tham số mục tiêu của điện áp đầu ra một chiều (DC output voltage target parameter)
Giá trị được gửi từ EV đến thiết bị cấp điện cho EV thể hiện giá trị yêu cầu của điện áp đầu ra một chiều.
3.7.113
Tham số giới hạn điện áp đầu ra một chiều (DC output voltage limit parameter)
Giá trị được gửi từ EV đến thiết bị cấp điện cho EV thể hiện điện áp đầu ra một chiều cho phép.
4 Yêu cầu chung
Áp dụng Điều 4 của TCVN 13078-1:2020 (IEC 61851-1:2017).
5 Phân loại
Áp dụng Điều 5 của TCVN 13078-1:2020 (IEC 61851-1:2017), ngoài ra:
5.1.2 Đặc tính của nguồn cấp điện đầu ra
Thay thế:
Thiết bị cấp điện cho EV phải được phân loại thiết bị cấp điện một chiều cho EV.
5.6 Bảo vệ chống điện giật
Không áp dụng 5.6 của TCVN 13078-1:2020 (IEC 61851-1:2017).
5.7 Chế độ sạc
Không áp dụng 5.7 của TCVN 13078-1:2020 (IEC 61851-1:2017).
6 Chế độ sạc và chức năng
Áp dụng Điều 6 của TCVN 13078-1:2020 (IEC 61851-1:2017), ngoài ra:
6.1 Quy định chung
Thay thế:
Điều 6 mô tả các chức năng truyền năng lượng cho EV.
6.2 Chế độ sạc
Không áp dụng 6.2 của TCVN 13078-1:2020 (IEC 61851-1:2017).
6.3 Chức năng được cung cấp trong các Chế độ 2, 3 và 4
Thay 6.3 của TCVN 13078-1:2020 (IEC 61851-1:2017) bằng nội dung sau:
6.3 Các chức năng bắt buộc
6.3.1 Quy định chung
Thiết bị cấp điện một chiều cho EV phải cấp dòng điện đầu ra một chiều cho EV phù hợp với tham số dòng điện đầu ra một chiều yêu cầu từ EV, đáp ứng các yêu cầu của các chức năng bắt buộc như thể hiện dưới đây.
CHÚ THÍCH: Thiết bị cấp nguồn một chiều cho EV đóng vai trò “tớ” (slave) cho EV. Chi tiết thêm được cho trong Phụ lục AA, Phụ lục BB và Phụ lục EE.
Các chức năng điều khiển quá trình sạc dưới đây phải được cung cấp bởi thiết bị cấp điện cho EV:
• Kiểm tra xác nhận rằng EV đã được kết nối đúng với thiết bị cấp điện cho EV theo 6.3.2;
• Kiểm tra việc gài chốt bộ nối của xe điện theo 6.3.3;
• Gài chốt và mở chốt bộ nối của xe điện theo 6.3.4;
• Truyền thông với xe điện theo 6.3.5;
• Theo dõi sự liền mạch của mạch điện điều khiển quá trình sạc theo 6.3.6;
• Chức năng kiểm tra trước khi truyền năng lượng theo 6.3.7;
• Đóng điện và điều khiển nguồn cấp điện cho EV theo 6.3.8;
• Bảo vệ chống quá áp theo 6.3.9;
• Ngắt điện nguồn cấp điện cho EV theo 6.3.10;
• Tắt thiết bị cấp điện một chiều cho EV theo 6.3.10.2, 6.3.10.3 và 6.3.10.4.
Giá trị, thời điểm và dung sai đối với dòng điện đầu ra một chiều và điện áp đầu ra một chiều phải được thử nghiệm theo Phụ lục BB.
6.3.2 Kiểm tra xác nhận rằng EV đã được kết nối đúng với thiết bị cấp điện cho EV
Thiết bị cấp điện một chiều cho EV phải xác định rằng EV được nối đúng với thiết bị cấp điện một chiều cho EV.
Kết nối được cho là đúng khi phát hiện sự liền mạch của mạch điện điều khiển quá trình sạc.
Kiểm tra sự phù hợp theo DD.3.1.
6.3.3 Kiểm tra việc gài chốt bộ nối của xe điện
Thiết bị cấp điện một chiều cho EV phải xác định rằng phích nối dùng cho xe điện được gài chốt đúng với ổ nối vào xe điện.
Thiết bị cấp điện một chiều cho EV không được cấp năng lượng cho các dây dẫn trong cụm cáp khi phích nối dùng cho xe điện chưa được gài chốt với ổ nối vào xe điện.
Thiết bị cấp điện một chiều cho EV phải chuyển sang chế độ tắt khẩn cấp nếu phích nối dùng cho xe điện bị ngắt khỏi ổ nối vào xe điện trong khi đang có điện.
Kiểm tra sự phù hợp theo DD.3.8.6.
6.3.4 Gài chốt và mở chốt bộ nối của xe điện
Phải có phương tiện cơ hoặc điện cơ để ngăn ngừa việc ngắt có chủ ý hoặc không chủ ý khi có tải của phích nối dùng cho xe điện theo IEC 62196-1.
Kiểm tra sự phù hợp bằng cách xem xét.
6.3.5 Truyền thông với xe điện
6.3.5.1 Quy định chung
Phải thiết lập truyền thông số giữa EV và thiết bị cấp điện một chiều cho EV để xác nhận và điều khiển việc truyền năng lượng.
Thiết bị cấp điện một chiều cho EV phải có khả năng nhận và hiểu tất cả các dữ liệu truyền thông số bắt buộc như mô tả trong Phụ lục FF.
Kiểm tra sự phù hợp theo Điều DD.3.
Phích nối dùng cho xe điện không được cấp điện cho đến khi hoàn thành việc đánh giá tính tương thích theo 6.3.7.2.
Kiểm tra sự phù hợp bằng thử nghiệm trong Phụ lục DD sử dụng các bản tin trong Bảng FF.2 và Bảng FF.3 của Phụ lục FF.
6.3.5.2 Tham số dòng diện đầu ra một chiều khả dụng
Thiết bị cấp điện một chiều cho EV phải thông tin cho EV về giá trị dòng điện đầu ra một chiều khả dụng mà thiết bị cấp điện một chiều có thể cung cấp.
Giá trị có thể thay đổi và được truyền lại trong quá trình truyền năng lượng, để thích nghi với các giới hạn công suất (ví dụ để quản lý tải), mà không vượt quá dòng điện đầu ra một chiều danh định.
Thiết bị cấp điện một chiều cho EV phải giới hạn dòng điện đầu ra một chiều đến tham số dòng điện đầu ra khả dụng hoặc ngắt nguồn năng lượng nếu dòng điện đầu ra một chiều được rút ra bởi EV lớn hơn tham số dòng điện đầu ra một chiều khả dụng.
Kiểm tra sự phù hợp theo DD.3.7 và DD.3.8.
6.3.5.3 Tham số công suất đầu ra một chiều khả dụng
Phải có phương tiện thông báo cho EV về công suất đầu ra một chiều khả dụng của thiết bị cấp điện một chiều cho EV.
Thiết bị cấp điện một chiều cho EV có thể giảm dòng điện đầu ra một chiều nếu nhu cầu công suất lớn hơn giá trị này.
Kiểm tra sự phù hợp theo DD.3.7.
CHÚ THÍCH: Công suất đầu ra một chiều khả dụng được chỉ ra trước khi bắt đầu truyền năng lượng. Giới hạn công suất động do giới hạn mạng nguồn xoay chiều là một tùy chọn rằng có thể sửa đổi công suất đầu ra một chiều khả dụng trên một số thiết bị cấp điện một chiều cho EV (xem Điều EE.5).
6.3.5.4 Tham số mục tiêu của điện áp đầu ra một chiều và tham số giới hạn của điện áp đầu ra một chiều
Thiết bị cấp điện một chiều cho EV phải so sánh điện áp đầu ra một chiều với các giá trị của tham số mục tiêu điện áp đầu ra một chiều và tham số giới hạn điện áp đầu ra một chiều nhận được từ EV, và với điện áp đầu ra một chiều danh định.
Các điều kiện tắt theo 6.3.10 nếu một trong các giá trị này bị vượt quá.
Thời điểm và dung sai áp dụng được cho trong Phụ lục BB.
CHÚ THÍCH: Các giá trị tham số mục tiêu và tham số giới hạn của điện áp đầu ra một chiều được đặt trước khi bắt đầu truyền năng lượng. Chúng có thể được sửa đổi trong quá trình truyền năng lượng.
6.3.5.5 Theo dõi các yêu cầu truyền năng lượng của EV và điều chỉnh các điều kiện cấp năng lượng
Phải có phương tiện theo dõi liên tục dữ liệu được truyền bởi EV và điều chỉnh dòng điện đầu ra một chiều và/hoặc điện áp đầu ra một chiều và tất cả các tham số liên quan.
Thiết bị cấp điện một chiều cho EV phải khởi tạo tắt do lỗi nếu không nhận được dữ liệu hợp lệ trong thời gian quá 1 s. Chu kỳ truyền năng lượng có thể được khởi tạo lại bởi EV sau khi tắt do lỗi.
Thiết bị cấp điện một chiều cho EV phải có khả năng cấp phát công suất đầu ra một chiều đến điện áp đầu ra một chiều danh định và đến dòng điện đầu ra một chiều danh định trong phạm vi giới hạn của công suất đầu ra một chiều danh định của nó ở nhiệt độ môi trường từ 0 °C đến 40 °C, độ cao so với mặt nước biển nhỏ hơn 2 000 m. Thiết bị cấp điện một chiều cho EV không được vượt quá công suất đầu ra một chiều khả dụng, ngay cả khi công suất yêu cầu bởi EV cao hơn công suất đầu ra một chiều khả dụng. Bên ngoài dải làm việc này, thiết bị cấp điện một chiều cho EV được phép giảm công suất.
CHÚ THÍCH 1: Quy chuẩn kỹ thuật quốc gia có thể yêu cầu các dải nhiệt độ làm việc khác nhau.
CHÚ THÍCH 2: Dung sai và thời điểm đối với dòng điện đầu ra một chiều được cho trong Phụ lục BB.
Kiểm tra sự phù hợp theo DD.3.7.
6.3.6 Theo dõi sự liền mạch của mạch điện điều khiển quá trình sạc
Thiết bị cấp điện cho EV phải theo dõi sự liền mạch của mạch điều khiển quá trình sạc. Thiết bị cấp điện cho EV phải khởi tạo việc tắt khẩn cấp khi phát hiện việc gián đoạn mạch điều khiển quá trình sạc. Phải yêu cầu việc khởi tạo lại quy trình truyền năng lượng hoàn chỉnh theo DD.3.5 để khởi động lại chu kỳ truyền năng lượng.
Kiểm tra sự phù hợp theo DD.3.5 và DD.3.8.6.
6.3.7 Chức năng kiểm tra trước khi truyền năng lượng
6.3.7.1 Quy định chung
Chức năng kiểm tra được thực hiện khi phích nối dùng cho xe điện được cắm vào hoàn toàn, gài chốt và mạch điều khiển quá trình sạc được kiểm tra (DD.3.5 và EE.1.2), và trước khi năng lượng được cấp cho EV.
6.3.7.2 Đánh giá tính tương thích trước khi truyền năng lượng
Thiết bị cấp điện một chiều cho EV phải hoàn thành việc đánh giá tính tương thích với EV trước khi bắt đầu chu kỳ truyền năng lượng. Việc kiểm tra phải bao gồm tối thiểu các thành phần sau:
• Nhận các yêu cầu truyền năng lượng từ EV:
- Tham số mục tiêu điện áp đầu ra một chiều;
- Tham số giới hạn điện áp đầu ra một chiều;
• Kiểm tra xác nhận thông tin nhận được từ EV bởi thiết bị cấp điện một chiều cho EV;
• Truyền các tham số truyền năng lượng của thiết bị cấp điện một chiều cho EV:
- Dòng điện đầu ra một chiều khả dụng;
- Điện áp đầu ra một chiều danh định;
- Công suất đầu ra một chiều khả dụng;
• Truyền tham số giới hạn điện áp đầu ra một chiều đã xác nhận bởi thiết bị cấp điện một chiều cho EV;
• Nhận thông tin đã được kiểm tra xác nhận được truyền bởi EV thể hiện rằng thông tin đã được chấp nhận.
Việc truyền năng lượng chỉ được tiến hành nếu việc đánh giá sự tương thích được hoàn thành đúng.
Kiểm tra sự phù hợp theo DD.3.3 sử dụng các bản tin xác định trong Bảng FF.2 và Bảng FF.3.
6.3.7.3 Kiểm tra xác nhận không có ngắn mạch trên cụm cáp
Với EV được nối với thiết bị cấp điện một chiều cho EV và trước khi đóng công tắc tơ của EV, thiết bị cấp nguồn một chiều cho EV phải có phương tiện để kiểm tra ngắn mạch giữa DC+ và DC- của mạch điện đầu ra, cáp và bộ nối của xe điện.
Kiểm tra sự phù hợp theo DD.3.4.
6.3.8 Đóng điện nguồn cấp điện cho EV
Phích nối EV không được đóng điện trừ khi việc trao đổi năng lượng được cho phép bởi chức năng điều khiển quá trình sạc.
Kiểm tra sự phù hợp theo DD.3.5.
Dòng điện đầu ra một chiều và điện áp đầu ra một chiều của thiết bị cấp điện một chiều cho EV không được vượt quá các giá trị của các tham số được truyền bởi EV.
Kiểm tra sự phù hợp theo DD.3.6 và DD.3.8.
Các yêu cầu về tốc độ thay đổi dòng điện, thời điểm và dung sai được cho trong Phụ lục BB.
6.3.9 Bảo vệ chống quá điện áp
Điện áp đầu ra một chiều của thiết bị cấp điện một chiều cho EV không được lớn hơn +2 % của điện áp đầu ra một chiều danh định.
Thiết bị cấp điện một chiều cho EV phải thực hiện quy trình tắt do lỗi nếu điện áp đầu ra một chiều đo được vượt quá điện áp đầu ra một chiều danh định của thiết bị cấp điện một chiều cho EV quá 2 % trong quá 2 s, hoặc tham số giới hạn điện áp đầu ra một chiều được gửi bởi EV quá 1,5 V hoặc 2 %, chọn giá trị lớn hơn.
Thiết bị cấp điện một chiều cho EV phải thực hiện quy trình tắt khẩn cấp nếu điện áp đầu ra một chiều vượt quá tham số giới hạn điện áp đầu ra một chiều được EV gửi quá 1 % trong 1 s hoặc vượt quá 150 V trong quá 30 ms.
Kiểm tra sự phù hợp theo DD.3.7 và DD.3.8.
6.3.10 Cắt điện nguồn cấp điện cho EV
6.3.10.1 Quy định chung
Nếu trạng thái tín hiệu từ chức năng truyền năng lượng điều khiển EV không còn cho phép cấp điện, nguồn cấp điện cho EV phải bị ngắt ngoại trừ mạch điều khiển quá trình sạc có thể vẫn hoạt động.
Có thể có ba quy trình tắt sau:
• Tắt bình thường;
• Tắt do lỗi;
• Tắt khẩn cấp.
Thiết bị cấp điện một chiều cho EV phải có phương tiện cho phép người sử dụng khởi tạo tắt bình thường hoặc tắt khẩn cấp.
Kiểm tra sự phù hợp bằng cách xem xét.
6.3.10.2 Tắt bình thường
Thiết bị cấp điện một chiều cho EV phải dừng truyền năng lượng bằng cách ngắt có điều khiển dòng điện đầu ra một chiều cho EV, khi dòng điện đầu ra một chiều giảm theo đường dốc có điều khiển theo điều khiển của EV và thiết bị cấp điện một chiều cho EV.
Trao đổi dữ liệu và giao thức được cho trong Phụ lục EE.
Bảng 1 thể hiện các sự kiện và điều kiện giảm đối với tắt bình thường.
Bảng 1 - Sự kiện tắt bình thường và điều kiện
| Sự kiện | Cụ thể | Thời gian bắt đầu giảm dòng điện đầu ra một chiều | Tốc độ giảm dòng điện đầu ra một chiều nhỏ nhất |
| Yêu cầu tắt bình thường từ EV | Nhận tín hiệu tắt từ EV a | Trong vòng 1 s sau khi nhận khung dữ liệu số | 100 A/S |
| Tắt bình thường bởi thiết bị cấp điện một chiều cho EV | Thiết bị cấp điện một chiều cho EV phát hiện các sự kiện bên trong b | Theo định nghĩa của nhà chế tạo và nhỏ hơn 1 min | 100 A/S |
| Tắt bình thường bởi thiết bị cấp điện một chiều cho EV | Người sử dụng ấn vào nút dừng | Trong vòng 1 s | 100 A/S |
| a Các định nghĩa về tín hiệu được cho trong Phụ lục FF. b Ví dụ vượt quá giới hạn thời gian. | |||
Kiểm tra sự phù hợp theo DD.3.8.4.
6.3.10.3 Tắt do lỗi
Thiết bị cấp điện một chiều cho EV phải dừng truyền năng lượng bằng cách ngắt có điều khiển dòng điện đầu ra một chiều cho EV, khi dòng điện đầu ra một chiều giảm theo đường dốc có điều khiển, sau khi tắt do lỗi được kích hoạt bởi thiết bị cấp điện một chiều cho EV hoặc bằng bản tin từ EV.
Bảng 2 thể hiện các sự kiện và điều kiện giảm đối với tắt do lỗi.
Bảng 2 - Sự kiện tắt do lỗi và điều kiện
| Sự kiện | Cụ thể | Thời gian bắt đầu giảm dòng điện đầu ra một chiều | Tốc độ giảm dòng điện đầu ra một chiều nhỏ nhất |
| Lỗi điện áp dây điều khiển quá trình sạc | Trạng thái CP là “Lỗi” trong Bảng AA.1 a | Nhỏ hơn 100 ms | 200 A/s |
| Lỗi nhận truyền thông số | Không nhận được khung dữ liệu số hợp lệ trong thời gian quá 1 s | Nhỏ hơn 100 ms sau khi hết thời gian 1 s | 200 A/s |
| Quá điện áp | Điện áp đầu ra một chiều vượt quá điện áp đầu ra một chiều danh định của thiết bị cáp điện một chiều cho EV trong quá 2 s Hoặc Điện áp đầu ra một chiều vượt quá tham số giới hạn điện áp đầu ra một chiều được gửi bởi EV trong thời gian quá quá 2 s | Nhỏ hơn 100 ms sau khi hết thời gian 2 s | 200 A/s |
| Nhận tín hiệu tắt từ EV | Nhận được tín hiệu tắt từ EV | Trong vòng 1 s sau khi nhận khung dữ liệu số | 200 A/s |
| a Sai lỗi này trở thành tắt khẩn cấp khi điện áp nhỏ hơn 2,0 V một chiều (xem 6.3.10.4). b Các tín hiệu lỗi được xác định trong Phụ lục FF. | |||
Kiểm tra sự phù hợp theo DD.3.8.5.
6.3.10.4 Tắt khẩn cấp
Thiết bị cấp điện một chiều cho EV phải dừng truyền năng lượng trong vòng 30 ms sau khi tắt khẩn cấp được kích hoạt. Điện áp đầu ra một chiều phải giảm (giữa DC+ và DC-) xuống thấp hơn hoặc bằng 60 V một chiều trong vòng 1 s sau khi tắt khẩn cấp được kích hoạt.
Tắt khẩn cấp phải được khởi động bởi:
- Điện áp mạch điều khiển quá trình sạc < 2,0 V một chiều;
- Ngắt phích nối dùng cho xe điện khi đang có tải;
- Điện áp đầu ra một chiều vượt quá giới hạn điện áp đầu ra một chiều gửi từ EV hoặc vượt quá 150 V một chiều trong quá 30 ms, như mô tả trong 6.3.9;
- Nhận tín hiệu tắt khẩn cấp từ EV hoặc được khởi tạo bởi người sử dụng.
Điện áp đầu ra một chiều của thiết bị cấp điện một chiều cho EV không được lớn hơn +2 % điện áp đầu ra một chiều danh định.
Kiểm tra sự phù hợp theo DD.3.8.6.
7 Truyền thông
Điều 7 của TCVN 13078-1:2020 (IEC 61851-1:2017) được thay bằng nội dung sau.
Thay thế:
7.1 Quy định chung
Điều 7 đưa ra các mô tả chung và các yêu cầu cơ bản đối với chức năng truyền thông có điều khiển. Quy trình và giao thức cụ thể được cho trong Phụ lục EE.
Thiết bị cấp điện một chiều cho EV cung cấp năng lượng theo thông tin số nhận được bởi EV.
CHÚ THÍCH: Điều này ngụ ý là EV quản lý sạc pin. Các mức điện áp và dòng điện mong muốn tương ứng được EV truyền đến thiết bị cấp điện một chiều cho EV.
7.2 Cấu hình hệ thống
Truyền thông giữa thiết bị cấp điện một chiều cho EV và EV được thiết lập bằng cách sử dụng chức năng điều khiển quá trình sạc và thông qua truyền thông số, như mô tả trong Phụ lục EE. Thiết bị cấp điện một chiều cho EV cung cấp năng lượng cho EV theo các tham số được EV gửi, với điều kiện tất cả các điều kiện yêu cầu như chỉ ra trong Điều 6 đều được đáp ứng.
CHÚ THÍCH: Điều này ngụ ý là EV quản lý việc truyền năng lượng. Thiết bị cấp điện một chiều cho EV đóng vai trò là ‘tớ’ cho EV.
Quy trình hoạt động chi tiết được cho trong Điều 6 và Phụ lục EE.
7.3 Truyền thông số giữa thiết bị cấp điện một chiều cho EV và hệ thống quản lý
Mạng viễn thông hoặc cổng viễn thông của thiết bị cấp điện một chiều cho EV được nối với mạng viễn thông, nếu có, phải đáp ứng các yêu cầu để kết nối với các mạng viễn thông theo Điều 6 của IEC 60950-1:2005, AMD1:2009 và AMD2:2013.
8 Bảo vệ chống điện giật
Áp dụng Điều 8 của TCVN 13078-1 (IEC 61851-1), ngoài ra:
8.1 Cấp bảo vệ chống tiếp cận đến các phần mang điện nguy hiểm
Thay thế:
Thiết bị cấp điện một chiều cho EV phải đáp ứng các thông số đặc trưng IP dưới đây để bảo vệ chống điện giật:
- Phích nối dùng cho xe điện khi được cắm vào ổ nối xe điện: IPXXD;
- Thông số đặc trưng IP đối với các phụ kiện dành riêng cho điện một chiều: IPXXB.
CHÚ THÍCH: Thông số đặc trưng IP đối với vỏ bọc được cho trong 12.3.1.
Kiểm tra sự phù hợp bằng cách xem xét và đo theo IEC 60529.
8.3 Bảo vệ sự cố
Thay 8.3 của TCVN 13078-1 (IEC 61851-1) bằng nội dung sau:
8.3 Biện pháp bảo vệ
8.3.1 Quy định chung
Phải có phân cách về điện giữa mạch sơ cấp và mạch thứ cấp theo IEC 61140. Các yêu cầu sau phải được đáp ứng:
• Bảo vệ cơ bản phải được cung cấp bởi cách điện chính được tính cho điện áp cao nhất trong thiết bị, giữa các phần mang điện nguy hiểm, các mạch điện còn lại và các phần dẫn để hở của mạch điện được phân cách;
và
• Bảo vệ sự cố được cung cấp bởi:
- Phân cách đơn giản giữa mạch được phân cách với các mạch điện còn lại và đất; và
- Liên kết đẳng thế bảo vệ được nối liên kết với các phần dẫn để hở của mạch điện được phân cách trong trường hợp có nhiều hơn một thiết bị được nối vào mạch được phân cách. Hệ thống liên kết đẳng thế bảo vệ này không được nối đất.
Nối đất có chủ ý của các phần dẫn để hở với dây dẫn nối đất bảo vệ hoặc với dây dẫn nối đất là không được phép.
Thiết bị cấp điện một chiều cho EV phải được lắp với một cáp và một phích nối xe điện.
Kiểm tra sự phù hợp bằng cách xem xét.
8.3.2 Mô tả và thử nghiệm các phần tử dùng cho phân cách về điện (thử nghiệm điển hình)
Bảo vệ bằng phân cách đạt được bằng cách sử dụng biến áp cách ly phù hợp với IEC 61558-2-4.
Kiểm tra sự phù hợp bằng cách xem xét và bằng các thử nghiệm điện môi chỉ ra trong 12.7.1.
8.4 Dây bảo vệ
Thay thế:
Dây nối đất bảo vệ và dây bảo vệ, nếu có, phải có thông số đặc trưng đủ theo các yêu cầu của IEC 61439-7:2018.
CHÚ THÍCH: Ở Canada, Mỹ, Nhật, kích cỡ và thông số đặc trưng của dây nối đất bảo vệ được xác định bởi quy phạm quốc gia và quy định quốc gia.
Các phần dẫn để hở của thiết bị cấp điện một chiều cho EV phải được nối đất.
Kiểm tra sự phù hợp bằng cách xem xét.
8.5 Thiết bị bảo vệ dòng dư
Không áp dụng 8.5 của TCVN 13078-1:2020 (IEC 61851-1:2017).
8.6 Yêu cầu về an toàn đối với các mạch báo hiệu giữa EV và thiết bị cấp điện cho EV
Thay thế:
Bất kỳ mạch điện nào dùng để báo hiệu và điều khiển, để nối với EV (ví dụ mạch điều khiển quá trình sạc) phải được bảo vệ khỏi các mạch điện khác bởi tối thiểu cách điện cơ bản được tính cho điện áp cao nhất trong thiết bị và sử dụng biến áp cách ly.
Điện áp của mạch điều khiển và mạch báo hiệu không được vượt quá 30 V một chiều.
Kiểm tra sự phù hợp bằng cách xem xét và đo.
9 Yêu cầu đối với giao diện điện dẫn
Áp dụng Điều 9 của TCVN 13078-1:2020 (IEC 61851-1:2017), ngoài ra:
9.1 Quy định chung
Thay thế:
Yêu cầu về giao diện điện dẫn giữa mạng nguồn và cáp và phích cắm được nối với thiết bị cấp điện một chiều cho EV được quy định trong 9.2 và 9.3 của TCVN 13078-1:2020 (IEC 61851-1:2017).
Yêu cầu về giao diện điện dẫn vật lý giữa EV và thiết bị cấp điện cho EV được nêu trong IEC 62196-6.
9.4 Mô tả chức năng của giao diện chung
Không áp dụng 9.4 của TCVN 13078-1:2020 (IEC 61851-1:2017).
9.5 Mô tả chức năng của giao diện điện một chiều
Áp dụng 9.5 của TCVN 13078-1:2020 (IEC 61851-1:2017), ngoài ra:
Thay đoạn thứ ba bằng nội dung sau:
Các thông số đặc trưng và các yêu cầu để sử dụng giao diện điện một chiều phải theo các yêu cầu quy định trong IEC 62196-6.
9.6 Bản mô tả chức năng của giao diện kết hợp
Không áp dụng 9.6 của TCVN 13078-1:2020 (IEC 61851-1:2017).
9.7 Hệ thống đi dây cố định của dây trung tính
Không áp dụng 9.7 của TCVN 13078-1:2020 (IEC 61851-1:2017).
10 Yêu cầu đối với bộ tiếp hợp
Thay thế:
Bộ tiếp hợp của xe điện không được sử dụng để nối phích nối xe điện với ổ nối vào EV.
11 Yêu cầu đối với cụm cáp
Áp dụng Điều 11 của TCVN 13078-1:2020 (IEC 61851-1:2017), ngoài ra:
11.1 Quy định chung
Thay thế:
Cụm cáp kể cả phích nối dùng cho xe điện phải được nối cố định với thiết bị cáp điện một chiều cho xe điện.
Cụm cáp phải có cáp phù hợp với ứng dụng theo EC 62893-4-1:2020.
CHÚ THÍCH: ở Mỹ (loại cáp EV, họ EVJ), Nhật (VCT, V.V.), loại cáp cụ thể dùng cho cụm cáp được yêu cầu trong quy chuẩn kỹ thuật quốc gia.
Kiểm tra sự phù hợp theo 11.2, 11.3, 11.4 và 11.5.
11.2 Thông số đặc trưng về điện
Thay thế:
Thông số đặc trưng điện áp và dòng điện của cụm cáp đầu ra một chiều phải bằng hoặc lớn hơn thông số đặc trưng của thiết bị cấp điện cho EV.
Kiểm tra sự phù hợp bằng cách xem xét.
11.3 Khả năng chịu điện môi
Thay thế:
Đặc tính chịu điện môi của cụm cáp phải như chỉ ra đối với thiết bị cấp điện một chiều cho EV trong 12.7.
11.4 Yêu cầu về kết cấu
Thay thế:
Cụm cáp chỉ được lắp với phích nối dùng cho xe điện theo IEC 62196-6.
Cụm cáp đầu ra một chiều không được lắp với tấm chắn bằng kim loại nối đất.
Cách điện của cáp phải chịu được ăn mòn và duy trì tính mềm dẻo trên toàn dải nhiệt độ yêu cầu bởi phân loại của thiết bị cấp điện cho EV.
Kiểm tra sự phù hợp bằng cách xem xét.
11.7 Phương tiện quản lý và phương tiện bảo quản các cụm cáp
Áp dụng 11.7 của TCVN 13078-1:2020 (IEC 61851-1:2017), ngoài ra:
Thay đoạn 1 và 2 bằng nội dung sau:
Thiết bị cấp điện một chiều cho EV được nối cố định phải có phương tiện bảo quản phích nối xe điện khi không sử dụng. Điểm thấp nhất của phích nối xe điện khi được bảo quản phải nằm ở độ cao từ 0,5 m đến 1,5 m tính từ mức mặt đất.
Kiểm tra sự phù hợp bằng cách xem xét.
Bổ sung điều sau:
11.101 Nhiệt độ bề mặt của cụm cáp
Nhiệt độ bề mặt của cụm cáp phải phù hợp với các yêu cầu sau ở dòng điện danh định lớn nhất và ở nhiệt độ môi trường 40 °C:
• Các phần được thiết kế để cằm nắm trong điều kiện sử dụng bình thường không được vượt quá các nhiệt độ sau:
- 60 °C đối với các phần phi kim loại;
- 50 °C đối với các phần kim loại;
• Các phần có thể bị chạm đến nhưng không được thiết kế để cầm nắm không được vượt quá các nhiệt độ sau:
- 85 °C đối với các phần phi kim loại;
- 60 °C đối với các phần kim loại;
Nhiệt độ của phần cầm nắm của cáp phải ngăn ngừa để không vượt quá 60 °C bằng phương tiện ví dụ như kẹp hoặc tay cầm. Nếu có quy định kỹ thuật bổ sung bất kỳ cần phải đáp ứng liên quan đến lắp đặt kẹp hoặc tay cầm thì cũng phải đáp ứng các yêu cầu này.
Kiểm tra sự phù hợp bằng cách đo ở dòng điện đầu ra một chiều danh định khi tốc độ thay đổi nhiệt độ nhỏ hơn 2 °C mỗi giờ.
12 Yêu cầu và thử nghiệm kết cấu đối với thiết bị cấp điện cho EV
Áp dụng Điều 12 của TCVN 13078-1:2020 (IEC 61851-1:2017), ngoài ra:
12.1 Quy định chung
Sửa đổi:
Áp dụng 12.1 ngoại trừ xoá đoạn thứ 1.
Bổ sung:
Thiết bị cấp điện một chiều cho EV phải có kết cấu sao cho mỗi hạng mục có vỏ bọc không thể được mở bằng tay hoặc bằng cách sử dụng dụng cụ đa năng, ví dụ tuốc nơ vít, mà không làm cho vỏ bọc bị hỏng vĩnh viễn.
Kiểm tra sự phù hợp bằng cách xem xét.
12.2 Đặc tính của cơ cấu đóng cắt cơ khí
Áp dụng 12.2 của TCVN 13078-1:2020 (IEC 61851-1:2017), ngoài ra:
12.2.5 Rơle
Thay thế:
Rơle sử dụng để đóng cắt tuyến dòng điện chính phải phù hợp với IEC 61810-1 với các đặc tính tối thiểu sau:
- độ bền điện 30 000 chu kỳ;
- độ bền cơ 200 000 chu kỳ;
- cấp tiếp điểm: CC 2;
- điện áp làm việc cao nhất lớn hơn 2 lần điện áp danh định cao nhất;
- dòng điện làm việc cao nhất lớn hơn 1,5 lần dòng điện danh định cao nhất.
12.2.6 Dòng điện khởi động
Không áp dụng 12.2.6 của TCVN 13078-1:2020 (IEC 61851-1:2017).
12.2.7 Thiết bị theo dõi dòng điện dư một chiều (RDC MD)
Không áp dụng 12.2.7 của TCVN 13078-1:2020 (IEC 61851-1:2017).
12.4 Cấp bảo vệ bằng vỏ ngoài (mã IP)
12.4.1 Cấp bảo vệ chống các vật rắn từ bên ngoài và nước đối với vỏ ngoài
Thay thế:
Vỏ ngoài của thiết bị cấp điện cho EV phải có cấp IP theo TCVN 4255 (IEC 60529) như sau:
• Chỉ sử dụng tĩnh tại trong nhà: tối thiểu IP41;
• Sử dụng tĩnh tại ngoài trời: tối thiểu IP44;
• Sử dụng không tĩnh tại (tức là di động): tối thiểu IP55.
Kiểm tra sự phù hợp bằng thử nghiệm theo TCVN 4255 (IEC 60529).
Cấp IP nhỏ nhất đối với ổ cắm và phích nối xe điện phải phù hợp với các tiêu chuẩn thích hợp của nó.
IPX4 có thể đạt được bằng cách kết hợp ổ cắm hoặc phích nối và nắp hoặc mũ, vỏ ngoài của thiết bị cấp điện cho EV hoặc vỏ ngoài của EV.
12.4.2 Cấp bảo vệ chống sự thâm nhập của vật rắn từ bên ngoài và nước đối với các giao diện cơ bản, giao diện chung, giao diện kết hợp và giao diện điện một chiều
Bổ sung:
Điều kiện thử nghiệm đối với thiết bị cấp nguồn một chiều cho EV được sử dụng tĩnh tại có thể được xác định theo điều kiện lắp đặt.
12.5 Điện trở cách điện
Thay thế:
Điện trở cách điện được đo với điện áp một chiều 500 V đặt vào giữa tất cả các đầu vào/đầu ra được nối với nhau (kể cả nguồn điện) và các phần tiếp cận được phải lớn hơn 1 MΩ.
Phép đo điện trở cách điện phải được thực hiện sau khi đặt điện áp thử nghiệm trong thời gian 1 min và ngay sau khi thử nghiệm nóng ẩm liên tiếp của TCVN 7699-2-78 (IEC 60068-2-78), thử nghiệm Ca, ở 40 °C ± 2 °C và độ ẩm tương đối 93 % trong bốn ngày.
12.6 Dòng điện chạm
Thay thế:
12.6.1 Giới hạn dòng điện chạm
Dòng điện chạm được đo theo 5.2.3.7 của IEC 62477-1:2012 và không được vượt quá 3,5 mA. Dòng điện chạm được đo giữa cực mạng nguồn xoay chiều bất kỳ và các phần kim loại chạm tới được được nối với nhau và nối với lá kim loại bọc các phần bên ngoài được cách điện.
12.6.2 Sự phù hợp của dòng điện chạm
Kiểm tra sự phù hợp theo 5.2.3.7 của IEC 62477-1:2012 như sau:
- Dòng điện chạm phâi được đo trong một giờ sau khi thử nghiệm nóng ẩm liên tiếp của TCVN 7699-2-78 (IEC 60068-2-78) (thử nghiệm Ca) ở 40 °C ± 2 °C và độ ẩm tương đối 93 % trong bốn ngày, với trạm sạc EV được nối với mạng cấp nguồn AC theo IEC 60990.
- Điện áp thử nghiệm phải bằng 1,1 lần điện áp danh định.
- Thử nghiệm này phải được thực hiện khi thiết bị cấp điện cho EV làm việc với tải điện trở ở công suất ra một chiều danh định.
- Thiết bị được nuôi thông qua biến áp cách ly hoặc được lắp đặt theo cách sao cho chúng được cách ly với đất.
- Đối với dòng điện chạm có năng lượng tích trữ trong vỏ ngoài hoặc vỏ bọc của thiết bị cấp điện một chiều cho EV, kể cả cụm cáp, các giá trị dưới đây được đề xuất theo Hình 22 của IEC 60479-2:2019:
- 0,5 mJ ứng với ngưỡng đau; và
- 5 μJ đối với ngưỡng cảm nhận được.
12.6.3 Mạng đo dòng điện chạm
Mạng đo dòng điện chạm được cho trên Hình 1.

CHÚ DẪN
A đầu nối được nối với dây dẫn được thử nghiệm trên thiết bị cần thử nghiệm
B đầu nối được nối đất
Rs 1 500 Ω
Cs 0,22 μF
Rb 500 Ω
R1 10 000 Ω
C1 0,022 μF
U1 điểm đo không bù tần số cao
U2 điểm đo có bù tần số cao
Hình 1 - Mạng đo để đánh giá dòng điện chạm lấy trọng số theo mức cảm nhận hoặc phản ứng
Giá trị dòng điện chạm (lt) phải được đo bằng cách sử dụng mạch điện như thể hiện trên Hình 1 với phép đo điện áp ra U2 và phải được tính bằng công thức sau:
It = U2 /500
12.7 Điện áp chịu thử điện môi
Thay 12.7 của TCVN 13078-1:2020 (IEC 61851-1:2017) bằng nội dung sau.
12.7.1 Điện áp chịu thử xoay chiều
12.7.1.1 Điện áp chịu thử điện môi giữa mạch sơ cấp và thứ cấp
Đối với biến áp cách ly không sử dụng che chắn nối đất:
• Đặt điện áp chịu thử điện môi 2Un + 2 400 V hiệu dụng, ở tần số nguồn 50 Hz hoặc 60 Hz, đồng thời trong 1 min giữa:
- Tất cả các dây dẫn của đầu vào nguồn cung cấp, kể cả đấu nối đất và các phần dẫn để hở của mạch điện, nếu có, và
- Tất cả các dây dẫn của bộ nối đầu ra.
Đối với biến áp cách ly có sử dụng che chắn nối đất:
• Đặt điện áp chịu thử điện môi Un + 1 200 V hiệu dụng, ở tần số nguồn 50 Hz hoặc 60 Hz, đồng thời trong 1 min giữa:
- Tất cả các dây dẫn của đầu vào nguồn cung cấp, kể cả đấu nối đất và các phần dẫn để hở của mạch điện, nếu có, và
- Tất cả các dây dẫn của bộ nối đầu ra.
• Đặt điện áp chịu thử điện môi Un + 1 200 V hiệu dụng, ở tần số nguồn 50 Hz hoặc 60 Hz, đồng thời trong 1 min giữa tất cả các dây dẫn của đầu vào nguồn cung cấp và đấu nối đất.
• Kiểm tra che chắn nối đất bằng cách xem xét và bằng cách kiểm tra thiết kế.
12.7.1.2 Điện áp chịu thử xoay chiều giữa các mạch khác
Điện áp chịu thử điện môi (Un + 1 200 V), ở tần số nguồn (50 Hz hoặc 60 Hz), phải được đặt vào trong 1 min như sau:
a) giữa tất cả các mạch điện đầu vào và đầu ra được nối với nhau liên quan đến phần dẫn để hở (ở phương thức chung).
b) giữa từng mạch điện độc lập về điện và tất cả các phần dẫn để hở hoặc mạch điện khác (ở phương thức vi sai).
CHÚ THÍCH 1: Un là điện áp danh nghĩa pha-trung tính của mạng nguồn xoay chiều nối với mạch sơ cấp của thiết bị cấp điện một chiều cho EV.
Đối với thiết bị cấp điện một chiều cho EV, nếu cách điện giữa mạng nguồn và mạch điện áp cực thấp là cách điện kép hoặc cách điện tăng cường, phải đặt lên cách điện một điện áp bằng 2 x (Un + 1 200 V) hiệu dụng.
Một cách khác, thử nghiệm có thể được thực hiện bằng cách sử dụng điện áp một chiều bằng giá trị đỉnh của điện áp xoay chiều.
CHÚ THÍCH 2: Đối với dung sai điện áp thử nghiệm và việc chọn thiết bị thử nghiệm, xem TCVN 11325 (IEC 61180).
12.7.2 Khả năng chịu thử điện môi xung (1,2 μs/50 μs)
Khả năng chịu thử điện môi của mạch điện trong thử nghiệm xung phải được thử nghiệm theo IEC 60664.
Điện áp xung phải được đặt vào các phần mang điện và phần dẫn để hở.
Thử nghiệm phải được tiến hành theo các yêu cầu trong IEC 61180:2016.
Điều kiện thử nghiệm đối với các điện áp nguồn lớn hơn 400/690 V phải sử dụng các giá trị cho trong lEC 60664-1 đối với quá điện áp cấp III.
CHÚ THÍCH 1: Đối với giải thích các cấp quá điện áp, xem 4.3.3.2.2 của IEC 60664-1:2007.
Cho phép sử dụng thiết bị trong các điều kiện của cấp quá điện áp cao hơn trong trường hợp việc giảm quá điện áp thích hợp được cung cấp (xem 4.3.3.6 của IEC 60664-1:2007).
Có thể áp dụng cấp quá điện áp thấp hơn nếu việc giảm quá điện áp thích hợp được cung cấp như quy định trong IEC 60664-1:2007.
CHÚ THÍCH 2: Yêu cầu cách ly và chịu điện môi đối với các EV trong quá trình truyền năng lượng được đề cập trong ISO/IEC 18246.
12.7.3 Điện áp chịu thử một chiều
Mạch điện đầu ra một chiều của thiết bị cấp điện một chiều cho xe điện phải chịu quá điện áp giữa DC+ và DC- là 500 V trong 1 min.
12.9 Thử nghiệm chức năng chịu nóng ẩm
Thay 12.9 của TCVN 13078-1:2020 (IEC 61851-1:2017) bằng nội dung sau.
Sau ổn định được xác định như dưới đây, thiết bị cấp điện một chiều cho EV được coi là đạt thử nghiệm nếu nó đạt thử nghiệm theo DD.3.7. Độ chính xác của việc định thời gian không cần thiết phải kiểm tra.
Ổn định:
- Đối với các khối sử dụng trong nhà, 6 chu kỳ mỗi chu kỳ 24 h theo thử nghiệm chu kỳ nóng ẩm theo IEC 60068-2-30 (Thử nghiệm Db) ở (40 ± 3) °C và độ ẩm tương đối 95 %.
- Đối với các khối sử dụng ngoài trời, hai giai đoạn 12 ngày, mỗi giai đoạn gồm 5 chu kỳ 24 h mỗi chu kỳ theo thử nghiệm chu kỳ nóng ẩm trong IEC 60068-2-30 (Thử nghiệm Db) ở (40 ± 3) °C và độ ẩm tương đối 95 %.
12.10 Thử nghiệm chức năng chịu nhiệt độ nhỏ nhất
Thay 12.10 của TCVN 13078-1:2020 (IEC 61851-1:2017) bằng nội dung sau.
Thiết bị cấp điện một chiều cho EV phải được ổn định trước theo TCVN 7699-2-1 (IEC 60068-2-1), Thử nghiệm Ab, ở nhiệt độ làm việc nhỏ nhất (-5 °C đối với sử dụng trong nhà, -25 °C đối với sử dụng ngoài trời hoặc giá trị thấp hơn do nhà chế tạo công bố ± 3 K) trong (16 ± 1) h.
Thiết bị cấp điện một chiều cho EV được coi là đạt thử nghiệm nếu, ngay sau quá trình ổn định trước, nó đạt trình tự thử nghiệm theo DD.3.7. Độ chính xác của việc định thời gian không cần thiết phải kiểm tra.
12.11 Độ bền cơ
Áp dụng 12.11 của TCVN 13078-1:2020 (IEC 61851-1:2017) với các sửa đổi sau.
Thay đoạn thứ nhất bằng nội dung sau:
Đối với thiết bị cấp điện một chiều cho EV loại di động, cấp bảo vệ tối thiểu bằng vỏ ngoài chống các tác động về cơ phải là IK08 theo IEC 62262.
CHÚ THÍCH: ở Nhật, tiêu chuẩn quốc gia hoặc quy chuẩn kỹ thuật quốc gia đưa ra các yêu cầu khác.
13 Bảo vệ quá tải và bảo vệ ngắn mạch
Thay Điều 13 của TCVN 13078-1:2020 (IEC 61851-1:2017) bằng nội dung sau.
13.1 Quy định chung
Thiết bị cấp điện một chiều cho EV không được có nhiều hơn một điểm đấu nối.
13.2 Bảo vệ quá tải của cụm cáp
Thiết bị cấp điện một chiều cho EV phải có bảo vệ chống quá tải đối với tất cả các kích cỡ dây dẫn dự kiến của cáp.
Nếu bảo vệ chống quá tải được cung cấp bằng phương tiện không phải áp tô mát, cầu chảy hoặc kết hợp giữa chúng thì phương tiện này phải tác động trong vòng 1 min nếu dòng điện vượt quá 1,3 lần dòng điện danh định của cụm cáp.
13.3 Bảo vệ ngắn mạch của cụm cáp
Thiết bị cấp điện một chiều cho EV phải có bảo vệ chống dòng điện ngắn mạch đối với tất cả các kích cỡ dây dẫn dự kiến của cáp.
Bảo vệ chống quá tải có thể được cung cấp bằng phương tiện không phải áp tô mát, cầu chảy hoặc kết hợp giữa chúng.
CHÚ THÍCH: Yêu cầu đối với EV được quy định trong ISO 18246.
Bổ sung điều sau:
13.101 Bảo vệ chống công suất ngược không kiểm soát từ EV
Thiết bị cấp điện một chiều cho EV phải có trang bị phương tiện bảo vệ chống công suất ngược không kiểm soát từ EV. Công suất ngược không kiểm soát không bao gồm công suất ngược tức thời có thể xảy ra khi đóng công tắc tơ trong phạm vi dung sai và thời gian quy định trong Phụ lục BB.
Kiểm tra sự phù hợp bằng thử nghiệm thông qua phân tích sơ đồ mạch điện và thử nghiệm trở kháng như nêu trong DD.3.10.
14 Tự động đóng lại thiết bị bảo vệ
Áp dụng Điều 14 của TCVN 13078-1:2020 (IEC 61851-1:2017).
15 Đóng cắt hoặc ngắt khẩn cấp (tùy chọn)
Áp dụng Điều 15 của TCVN 13078 1:2020 (IEC 61851-1:2017).
16 Ghi nhãn và hướng dẫn
Áp dụng Điều 16 của TCVN 13078-1:2020 (IEC 61851-1:2017), ngoài ra:
Thay thế:
16.1 Hướng dẫn lắp đặt các thiết bị cấp điện cho EV
Nhà chế tạo thiết bị cấp điện một chiều cho EV phải công bố các đặc tính giao diện quy định trong Điều 5 của IEC 61439-7:2018 trong sổ tay hướng dẫn trong trường hợp áp dụng được. Phải cung cấp hướng dẫn đi dây.
Nếu thiết bị bảo vệ được đưa vào thiết bị cấp điện một chiều cho EV thì sổ tay hướng dẫn phải chỉ ra đặc tính của các thiết bị bảo vệ này mô tả rõ kiểu và thông số đặc trưng. Thông tin này có thể có trong sơ đồ mạch điện chi tiết.
Nếu thiết bị bảo vệ không được đưa vào thiết bị cấp điện một chiều cho EV thì sổ tay hướng dẫn phải chỉ ra tất cả các thông tin cần thiết cho hệ thống lắp đặt của bảo vệ bên ngoài mô tả rõ kiểu và thông số đặc trưng của thiết bị cần sử dụng.
Sổ tay hướng dẫn lắp đặt nên được chuẩn bị sẵn sàng cho khách hàng.
Nếu trạm sạc EV có nhiều hơn một đấu nối thiết bị với mạng nguồn xoay chiều và không có bảo vệ riêng rẽ cho từng điểm đấu nối với xe điện thì sổ tay hướng dẫn lắp đặt phải chỉ ra rằng từng đấu nối của thiết bị với mạng nguồn xoay chiều đòi hỏi phải có bảo vệ riêng rẽ.
Sổ tay hướng dẫn lắp đặt phải chỉ ra nếu có chức năng tùy chọn cho thông gió.
Sổ tay hướng dẫn lắp đặt phải chỉ ra các thông số đặc trưng hoặc thông tin khác chứng tỏ các điều kiện môi trường sử dụng đặc biệt (khắc nghiệt hoặc không bình thường), xem 5.3 của TCVN 13078-1:2020 (IEC 61851-1:2017).
16.2 Sổ tay hướng dẫn sử dụng đối với thiết bị cấp điện cho EV
Thay thế:
Thông tin người sử dụng phải được nhà chế tạo cung cấp trên thiết bị cấp điện cho EV hoặc trong sổ tay hướng dẫn sử dụng.
Thông tin này phải nêu:
• không được phép sử dụng bộ tiếp hợp hoặc bộ tiếp hợp chuyển đổi, và
• không được phép sử dụng bộ dây nguồn kéo dài.
Sổ tay hướng dẫn sử dụng phải có thông tin về các hạn chế sử dụng của quốc gia.
16.3 Ghi nhãn thiết bị cấp điện cho EV
Thay thế:
Nhà chế tạo thiết bị cấp điện một chiều cho EV phải cung cấp cho từng thiết bị cấp điện cho EV một hoặc nhiều nhãn, được ghi rõ ràng và bền, được đặt ở vị trí sao cho chúng có thể nhìn thấy và dễ đọc trong quá trình lắp đặt và bảo trì:
a) tên, họ, thương hiệu hoặc nhãn phân biệt của nhà chế tạo thiết bị cấp điện cho EV;
b) mã hiệu kiểu hoặc số nhận biết hoặc phương tiện nhận biết bất kỳ khác, để nó có thể có thông tin liên quan từ nhà chế tạo thiết bị cấp điện cho EV;
c) “chỉ sử dụng trong nhà” hoặc tương đương nếu được thiết kế chỉ để sử dụng trong nhà;
d) phương tiện nhận biết ngày chế tạo;
e) kiểu dòng điện;
f) tần số và số pha trong trường hợp dòng điện xoay chiều;
g) điện áp danh định (đầu vào và đầu ra nếu khác nhau);
h) dòng điện danh định (đầu vào và đầu ra nếu khác nhau) và nhiệt độ môi trường được sử dụng để xác định dòng điện danh định;
i) cấp bảo vệ;
j) tất cả các thông tin cần thiết liên quan đến các phân loại, đặc tính và (các) hệ số đa dạng đặc biệt được công bố, các điều kiện môi trường sử dụng khắc nghiệt hoặc không bình thường, xem 9.5.2.
Nếu nhiệt độ bề mặt của cáp vượt quá 60 °C, nhãn cảnh báo có thể được gắn trên cáp như thể hiện trên Hình 2.

Hình 2 - Ví dụ về nhãn cảnh báo
CHÚ THÍCH 1: Ở Mỹ và Canada, các điều kiện môi trường đặc biệt được yêu cầu phải ghi trên nhãn.
CHÚ THÍCH: Ở Nhật và Canada, nhãn cảnh báo là bắt buộc.
Kiểm tra sự phù hợp bằng cách xem xét và bằng 16.5.
16.4 Ghi nhãn của các cụm cáp sạc trường hợp B
Không áp dụng 16.4 của TCVN 13078-1:2020 (IEC 61851-1:2017).
Phụ lục AA
(quy định)
Giao diện giữa thiết bị cấp điện một chiều cho EV và EV
AA.1 Quy định chung
Phụ lục này đưa ra mô tả kỹ thuật và các yêu cầu của mạch giao diện giữa thiết bị cấp điện một chiều cho EV và EV. Mạch điều khiển của thiết bị cấp điện một chiều cho EV sử dụng các kênh dữ liệu số dành riêng để giao tiếp với EV. Các yêu cầu cụ thể đối với truyền thông số và chi tiết về các hành động truyền thông và tham số của thiết bị cấp điện một chiều cho EV được xác định trong Phụ lục FF.
AA.2 Điều khiển dòng điện đầu ra một chiều
Dòng điện lấy từ EV được điều khiển bằng các mạch điện tử công suất của thiết bị cấp điện một chiều cho EV như yêu cầu bởi EV thông qua truyền thông số. Dòng điện thực tế lấy từ EV có thể không bằng giá trị được chỉ ra bởi truyền thông số.
AA.3 Mạch điều khiển quá trình sạc
Các điều kiện truyền năng lượng và mức điện áp của dây điều khiển quá trình sạc đối với các trạng thái hoạt động khác nhau của giao diện được thể hiện trong Bảng AA.1.
Bảng AA.1 - Điện áp của mạch điều khiển quá trình sạc
| Điện áp của dây điều khiển quá trình sạc (V)a | Trạng thái | Tình trạng của thiết bị cấp điện một chiều cho EV | Tình trạng của EV | Lưu ý |
| 0V < V ≤ 2V | Chờ | Không truyền năng lượng | Không cho phép truyền năng lượng | Dòng điện đầu ra một chiều dừng và thiết bị cấp điện một chiều cho EV chờ sự thay đổi trạng thái mới. Trạng thái này có thể do mở mạch điều khiển quá trình sạc hoặc phích nối EV không được nối. |
| 2 V < V ≤ 7,5 V | Lỗi | Không bình thườnga |
| Dừng việc truyền năng lượng bằng tắt có lỗi và đưa ra thông tin về lỗi |
| 7,5 V < V ≤ 13 V | Cho phép cấp năng lượng cho EV | Có thể truyền năng lượng | Cho phép truyền năng lượng | Hệ thống tiếp tục truyền năng lượng |
| V > 13 V | Lỗi | Không bình thường |
| Bắt đầu tắt khẩn cấp |
| a Trạng thái quá độ nhỏ hơn 10 ms không được xét đến. | ||||
Kiểm tra sự phù hợp theo Phụ lục DD.
AA.4 Nguồn một chiều 12 V
Nguồn một chiều được cấp cho EV để cấp điện cho mạch điều khiển quá trình sạc. Nguồn một chiều 12 V phải được giữ trong phạm vi dung sai dưới đây trong quá trình truyền năng lượng cho EV:
- điện áp ra bằng 12 V một chiều ± 1,2 V;
- dòng điện ra từ 0 mA đến 2 000 mA;
- tự bảo vệ chống quá dòng;
- giới hạn ngưỡng dòng điện nhỏ hơn 3 000 mA.
Kiểm tra sự phù hợp theo DD.3.2.
AA.5 Cài chốt phích nối xe điện và theo dõi
Phích nối xe điện phải có thiết bị chốt để ngăn ngừa việc ngắt không chủ ý khỏi ổ nối vào xe điện trong quá trình truyền năng lượng.
Kiểm tra sự phù hợp bằng cách xem xét.
Thiết bị cấp điện một chiều cho xe điện không được cấp năng lượng nếu chốt chưa được gài.
Kiểm tra sự phù hợp theo DD.3.6.
AA.6 Sơ đồ mạch giao diện xe điện
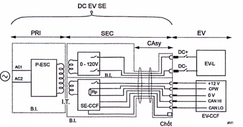
Mạch giao diện giữa thiết bị cấp điện một chiều cho EV và EV được thể hiện trên Hình AA.1. Các giá trị tham số được cho trong Bảng AA.2. Chi tiết thêm về giao diện dữ liệu được cho trong Phụ lục EE và Phụ lục FF.

CHÚ DẪN:
| DC EV SC | Thiết bị cấp điện một chiều cho EV | EV-CCF | Chức năng điều khiển sạc của xe điện |
| PRI | Mạch nguồn sơ cấp | RP | Điện trở dây điều khiển quá trình sạc 200 0 +/-1 %, 2W |
| SEC | Mạch thứ cấp | CPW | Dây điều khiển quá trình sạc |
| EV | Xe điện | Latch | Chốt phích nối xe điện và theo dõi |
| I.T. | Biến áp cách ly | 0 V - - | Đường 0 V chung của chức năng điều khiển thiết bị cấp điện và làm chuẩn cho dữ liệu số |
| BI | Cách điện chính | CAsy | Cụm cáp |
| AC1, AC2 | Mạng nguồn | DC+DC- | Đầu ra điện một chiều |
| P-ESC | Mạch sơ cấp của nguồn cung cấp | CAN HI | Giao diện truyền thông |
|
|
| CAN LO |
|
| 0-120 V | Mạch cung cấp công suất ra | 12 V | Nguồn 12 V cấp cho xe điện |
| SE-CCF | Chức năng điều khiển sạc của thiết bị cấp điện | EV-L | Mạch điện của EV |
CHÚ THÍCH: Mạch điện này thể hiện các tấm chắn cách điện của DUT sử dụng biến áp cách ly không có che chắn nối đất và không có các phần tử dẫn tiếp cận được. Giao diện với xe được thể hiện. Các tấm chắn cách điện của xe và thiết bị bảo vệ trong xe không được thể hiện.
Hình AA.1 - Mạch giao diện dùng để điều khiển việc truyền năng lượng có thể hiện các tâm chắn cách ly
Bảng AA.2 - Giá trị tham số dùng cho mạch giao diện
| Tham số | Giá trị danh nghĩa | Dung sai | Đơn vị |
| Nguồn điện một chiều 12 V | 12 | ±1,2 | V |
| Điện trở cảm biến của mạch điều khiển quá trình sạc Rp | 200 a | ±5% | Ω |
| a Tối thiểu 2 W. | |||
Phụ lục BB
(quy định)
Mức, định thời gian và dung sai của dòng điện đầu ra một chiều và điện áp đầu ra một chiều
BB.1 Quy định chung
Thiết bị cấp điện cho xe điện cung cấp dòng điện đầu ra một chiều cho xe điện theo dữ liệu nhận được từ xe điện với điều kiện đáp ứng các yêu cầu về truyền năng lượng trong Điều 6. EV đóng vai trò là ‘chủ’ và thiết bị cấp điện một chiều cho xe điện là ‘tớ’.
CHÚ THÍCH 1: EV giới hạn tham số dòng điện đầu ra một chiều yêu cầu ở mức thấp hơn để giảm điện áp đầu ra một chiều về tham số mục tiêu của điện áp đầu ra một chiều được đặt bởi xe. Như một tùy chọn có thể chỉ ra cho thiết bị cấp điện một chiều cho xe điện rằng thiết bị tự động giới hạn điện áp đầu ra một chiều thấp hơn tham số mục tiêu của điện áp đầu ra một chiều bằng cách giảm dòng điện đầu ra một chiều.
CHÚ THÍCH 2: EV được trang bị pin truyền động có công nghệ và điện áp khác nhau. Dòng điện và điện áp được cấp bởi thiết bị cấp điện một chiều cho xe diện được quản lý bởi EV nhằm đảm bảo việc truyền năng lượng đúng phù hợp với các loại hệ thống tích trữ năng lượng khác nhau trên xe. Điều này được thực hiện bởi EV thông qua quản lý quá trình truyền năng lượng.
Trong các điều kiện truyền năng lượng bình thường, thiết bị cấp điện một chiều cho xe điện phải cung cấp dòng điện đầu ra một chiều bằng tham số dòng điện đầu ra một chiều yêu cầu từ EV nếu điện áp đầu ra một chiều được đo bởi thiết bị cấp điện một chiều cho xe điện nhỏ hơn tham số giới hạn điện áp đầu ra một chiều và tham số mục tiêu của điện áp đầu ra một chiều được EV chỉ ra.
BB.2 Điều chỉnh dòng điện ra một chiều
Sự thay đổi dòng điện ra một chiều của thiết bị cấp điện một chiều cho xe điện so với giá trị yêu cầu (tham số mục tiêu của dòng điện ra một chiều) được EV gửi đến trong hoạt động ở trạng thái ổn định phải nhỏ hơn hoặc bằng giá trị thể hiện trong Bảng BB.1 và trên Hình BB.2, trừ khi:
a) tham số dòng điện ra một chiều yêu cầu lớn hơn dòng điện ra một chiều danh định của thiết bị cấp điện một chiều cho xe điện;
b) tham số dòng điện ra một chiều yêu cầu lớn hơn tham số dòng điện ra một chiều khả dụng chỉ thị bởi thiết bị cấp điện một chiều cho xe điện.
Thiết bị cấp điện một chiều cho xe điện phải giới hạn dòng điện ra một chiều ở giá trị thấp hơn trong hai giá trị này.
CHÚ THÍCH: Tắt do lỗi có thể xảy ra khi có yêu cầu từ EV nếu sự khác nhau giữa tham số dòng điện ra một chiều yêu cầu và dòng điện ra một chiều lớn hơn giá trị xác định trước bởi xe điện.
Kiểm tra sự phù hợp bằng thử nghiệm trong DD.3.6.
BB.3 Điều chỉnh điện áp ra một chiều
Để sạc dòng điện không đổi (một tùy chọn khi không đặt tự động điều kiện điện áp - xem dưới đây), thiết bị cấp điện một chiều cho xe điện không điều chỉnh điện áp ra một chiều mà sẽ tắt nếu vượt quá tham số giới hạn điện áp ra một chiều (xem DD.3.7 và DD.3.8). Điện áp ra một chiều được xác định bởi tải.
Như một tùy chọn, nếu cờ điều khiển điện áp tự động được đặt, điện áp ra một chiều được điều chỉnh như sau:
• Nếu điện áp ra một chiều cao hơn tham số mục tiêu của điện áp ra một chiều đối với dòng điện ra một chiều yêu cầu, bộ sạc phải điều chỉnh (giảm) dòng điện ra một chiều để duy trì điện áp ra một chiều trong phạm vi +2 V và -5 V của tham số mục tiêu điện áp ra một chiều trên toàn dải từ 20 V đến điện áp ra một chiều danh định.
• Điện áp ra một chiều của thiết bị cấp điện một chiều cho xe điện không được lớn hơn điện áp ra một chiều danh định của thiết bị cấp điện một chiều cho xe điện. Điều kiện tắt được cho trong DD.3.8.
Kiểm tra sự phù hợp bằng cách đo theo DD.3.6.
BB.4 Độ trễ điều khiển dòng điện của dòng điện ra một chiều
Thiết bị cấp điện một chiều cho xe điện phải điều khiển dòng điện ra một chiều trong vòng 1 s sau khi nhận được sự thay đổi trong tham số dòng điện ra một chiều yêu cầu, với độ chính xác điều khiển dòng điện như quy định trong Bảng BB.1, và với tốc độ thay đổi tối thiểu (d//df) là 20 A/s.
Nếu sự thay đổi tham số dòng điện ra một chiều yêu cầu nhỏ hơn hoặc bằng 20 A thì dòng điện ra một chiều của thiết bị cấp điện một chiều cho xe điện phải nằm trong các giới hạn dung sai cho trong Bảng BB.1 trong vòng 1 s.
Nếu sự thay đổi tham số dòng điện ra một chiều yêu cầu lớn hơn 20 A thì dòng điện ra một chiều của thiết bị cấp điện một chiều cho xe điện phải nằm trong các giới hạn dung sai cho trong Bảng BB.1 trong thời gian trễ, Td, như xác định theo công thức (1) và như thể hiện trên Hình BB.1.
|
| (1) |
trong đó
Td thời gian trễ điều khiển dòng điện ra một chiều;
lN giá trị dòng điện mục tiêu;
l0 giá trị dòng điện cơ sở, tức là dòng điện ra một chiều tại thời điểm có yêu cầu mới;
(dl/dt)min tốc độ thay đổi dòng điện nhỏ nhất
| lN - l0 | cho giá trị tuyệt đối của chênh lệch giữa lN và l0.

CHÚ DẪN
Trục tung lout = dòng điện ra một chiều
ln dòng điện yêu cầu
l-tol dung sai dòng điện ra một chiều như xác định trong Bảng BB.1
lout-inst dòng điện ra một chiều tức thời
dl/dt tốc độ thay đổi dòng điện tức thời
Td thời gian trễ điều khiển tăng dòng điện
Hình BB.1 - Đáp ứng bước nhảy đối với điều khiển giá trị không đổi
Kiểm tra sự phù hợp bằng quy trình thử nghiệm trong DD.3.6.
BB.5 Đáp ứng với lệnh từ EV để thay đổi tham số dòng điện yêu cầu
Thiết bị cấp điện một chiều cho xe điện phải có khả năng giảm dòng điện ở tốc độ 100 A/s hoặc lớn hơn trong hoạt động bình thường.
Đối với tắt khẩn cấp và để đáp ứng các yêu cầu chung trong 10.3, cần các tốc độ giảm lớn hơn. Các giá trị được thể hiện trong Bảng BB.1.
Bảng BB.1 - Yêu cầu đối với tính năng đáp ứng đầu ra của thiết bị cấp điện một chiều cho EV
|
| Tham số từ EV | Đáp ứng đầu ra |
| Dòng điện ra một chiều | lreq = 0 | lout = 0 |
| 0 < lreq ≤ 50 A | lout = lreq ± 0,5 A hoặc ± 5 % (chọn giá trị lớn hơn) | |
| 50 < lreq ≤ 100 A | lout = lreq ± 5 % | |
| Tốc độ tăng dòng điện ra một chiều bình thường | Δlreq1 / Δt | + 20 A/S |
| Tốc độ giảm dòng điện ra một chiều bình thường | Δlreq1 / Δt | -100 A/S |
| Tốc độ giảm dòng điện khi tắt bình thường | Δlreq1 / Δt | -100 A/S |
| Tốc độ giảm dòng điện khi có lỗi | Δlreq1 / Δt | -200 A/S |
| Thời gian đáp ứng sau khi nhận bản tin |
| < 1 s |
| CHÚ THÍCH: Việc định thời gian tắt được cho trong 6.3.10. | ||
Hình BB.2 thể hiện một ví dụ về dòng điện ra một chiều từ DUT (xem Hình CC.1) với tự động điều khiển điện áp như mô tả trong Điều BB.3, bằng cách sử dụng mô hình pin đơn giản, không tự động điều chỉnh điện áp bên trong, như một tải. Hình này thể hiện việc truyền năng lượng hoàn chỉnh, khi có không chế của bộ mô phỏng EV. Điện áp ra một chiều ban đầu thấp hơn tham số mục tiêu điện áp ra một chiều; dòng điện ra một chiều theo giá trị tham số dòng điện yêu cầu trong các dung sai chỉ ta trong Bảng BB.1.
Khi điện áp ra một chiều đạt đến tham số mục tiêu điện áp ra một chiều, DUT giới hạn điện áp ra một chiều bằng cách giảm dòng điện ra một chiều. Tham số dòng điện ra một chiều yêu cầu khi đó được giảm bởi bộ mô phỏng EV.
CHÚ THÍCH 1: Trong các điều kiện này với pin thực tế, tham số giới hạn điện áp ra một chiều có thể tăng đến điện áp sạc đưa vào bởi pin và EV có thể một lần nữa lại giảm tham số dòng điện ra một chiều yêu cầu.
Thiết bị cấp điện một chiều cho EV phải giới hạn điện áp ra một chiều ở tham số giới hạn điện áp ra một chiều cho đến khi EV giảm tham số dòng điện ra một chiều yêu cầu. Các sự kiện này có thể xảy ra một cách lặp lại cho đến khi dòng điện đạt đến ‘không’ hoặc bộ mô phỏng EV bắt đầu tắt quy trình.
CHÚ THÍCH 2: Thuật toán sạc được điều khiển bởi EV và sẽ phụ thuộc vào công nghệ pin.
CHÚ THÍCH 3: Các giá trị đo được tại đầu ra của thiết bị cấp điện một chiều cho EV phụ thuộc vào mô hình pin được sử dụng cho thử nghiệm. Đại diện sát nhất của đáp ứng pin chỉ có thể đạt được bằng điều khiển điện áp chủ động của mô hình pin. Chỉ sử dụng mô hình pin đơn giản cho các thử nghiệm này. Các thử nghiệm trên các pin thực tế có thể đưa ra các phép đo điện áp hoàn toàn khác nhau.

CHÚ DẪN
| Trục tung I | dòng điện ra một chiều |
| Trục tung U | điện áp tại các đầu nối của mô hình pin sử dụng điện áp bên trong không đổi |
| Trục hoành | thời gian |
| A | tham số dòng điện ra một chiều yêu cầu được truyền đến bởi bộ mô phỏng EV: mỗi chấm đen ứng với dữ liệu truyền thông số nhận được bởi thiết bị cấp điện một chiều cho EV từ EV yêu cầu thay đổi dòng điện ra một chiều |
| B | ví dụ về sai lệch cố định giữa dòng điện ra một chiều yêu cầu từ EV và dòng điện ra một chiều |
| C | tốc độ thay đổi dòng điện ra (20 A/s) |
| D,E | dung sai dòng điện ra một chiều liên quan đến tham số dòng điện ra một chiều yêu cầu |
| F | chỉ thị dòng điện ra một chiều mong muốn ứng với tham số dòng điện ra một chiều yêu cầu |
| G | dòng điện ra một chiều thực tế |
| H | dòng điện ta một chiều trong quá trình tắt |
| I | bắt đầu tắt |
| L | pha giới hạn điện áp khi tham số dòng điện ra một chiều yêu cầu có thể làm cho điện áp ra một chiều lớn hơn tham số mục tiêu điện áp ra một chiều |
| J, M | điện áp đầu nối hở của pin (thiết bị đóng cắt EV mở) |
| K, N | điện áp ra một chiều từ DUT (thiết bị đóng cắt EV mở) |
| Td | trên giữa thời điểm nhận tham số dòng điện ra một chiều yêu cầu và thời điểm thay đổi dòng điện ra một chiều |
| Td max | trễ lớn nhất cho phép |
Hình BB.2 - Ví dụ về dòng điện ra một chiều được không chế bởi thiết bị cấp điện một chiều cho EV và điện áp đầu nối tương ứng sử dụng mô hình pin đơn giản
Trong trường hợp khi điện áp ra một chiều lớn hơn tham số mục tiêu điện áp ra một chiều, thiết bị cấp điện một chiều cho EV điều chỉnh dòng điện ra một chiều xuống thấp hơn dòng điện ra một chiều danh định, dòng điện ra một chiều khả dụng và tham số dòng điện ra một chiều yêu cầu, và bằng cách đó hạn chế điện áp ra một chiều và tham số mục tiêu điện áp ra một chiều mà không làm ảnh hưởng đến quy trình tắt.
Hình BB.3 thể hiện ví dụ về giới hạn dòng điện sau đó là giới hạn điện áp (thể hiện đối với tải thuần trở). Điện áp ra một chiều ban đầu thấp hơn tham số giới hạn điện áp ra một chiều, dòng điện ra một chiều xấp xỉ bằng tham số dòng điện ra một chiều yêu cầu. Nếu tham số dòng điện ra một chiều yêu cầu được tăng lên và điện áp ra một chiều trở nên lớn hơn tham số mục tiêu điện áp ra một chiều thì thiết bị cấp điện một chiều cho EV sẽ giảm (điều chỉnh) dòng điện ra một chiều cho đến khi nó thấp hơn tham số mục tiêu điện áp ra một chiều. Sự thay đổi điện áp trong điều chỉnh này vẫn duy trì trong phạm vi từ +2 V đến -5 V của tham số mục tiêu điện áp ra một chiều.

CHÚ DẪN
a chế độ giới hạn dòng điện: dòng điện ra một chiều được khống chế bởi DUT
b chế độ giới hạn điện áp: DUT giảm dòng điện ra một chiều đến hạn chế điện áp ra một chiều
c điện áp ra một chiều
d tham số dòng điện ra một chiều yêu cầu
e dòng điện ra một chiều
f tham số mục tiêu điện áp ra một chiều
Hình BB.3 - Ví dụ về giới hạn dòng điện sau đó là giới hạn điện áp đối với tải thuần trở
Kiểm tra sự phù hợp theo DD.3.6.
BB.6 Sai lệch định kỳ và ngẫu nhiên (nhấp nhô dòng điện)
Nhấp nhô dòng điện của thiết bị cấp điện một chiều cho EV trong điều chỉnh dòng điện không được vượt quá giới hạn cho trong Bảng BB.2. Phép đo được thực hiện ở công suất ra một chiều danh định và dòng điện ra một chiều danh định, hoặc đối với trường hợp xấu nhất, khi điện áp ra một chiều và dòng điện ra một chiều tương ứng với nhấp nhô dòng điện lớn nhất. Nhấp nhô dòng điện không bao gồm trong dung sai xác định trong Bảng BB.2.
Bảng BB.2 - Giới hạn nhấp nhô dòng điện của thiết bị cấp điện một chiều cho EV
| Giới hạn dòng điện đỉnh-đỉnha | Dải tần | |
| 0 < dòng điện ra một chiều ≤ 10 A | 10 < dòng điện ra một chiều ≤ 100 A | |
| 0,5 | 1,5 | 0 Hz đến 10 Hz |
| 1,0 | 6 | 10 Hz đến 5 kHz |
| 1,5 | 9 | 5 kHz đến 150 kHz |
| a Chênh lệch giữa giá trị đỉnh dương và giá trị đỉnh âm ở đầu ra đầy thang. | ||
Kiểm tra sự phù hợp bằng thử nghiệm cho trong DD.3.6.
BB.7 Tải giả
Điện áp ở DC+ và DC- không được vượt quá 150 V khi EV bị ngắt không chủ ý trong khi dòng điện ra một chiều bằng với dòng điện ra một chiều danh định và điện áp ra một chiều bằng với điện áp ra một chiều danh định.
Tốc độ thay đổi lớn nhất của điện áp ra một chiều trong trường hợp tải giả không được vượt quá 250 V/μs.
Kiểm tra sự phù hợp bằng thử nghiệm cho trong DD.3.6.
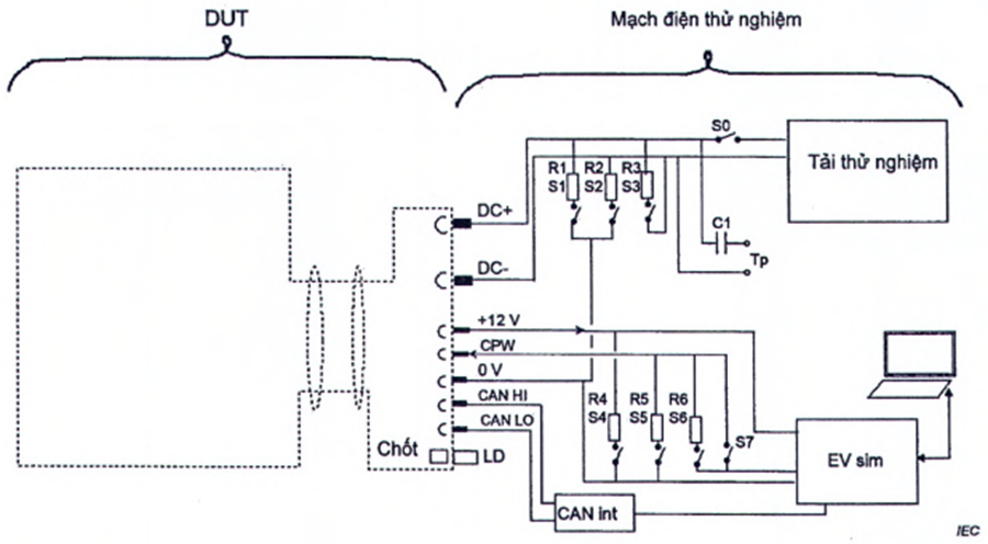
Phụ lục CC
(quy định)
Mô tả thiết bị thử nghiệm, báo cáo thử nghiệm và môi trường thử nghiệm
CC.1 Quy định chung
Phụ lục này đưa ra các ví dụ về mạch điện thử nghiệm cơ sở cho các thử nghiệm được nêu trong Phụ lục DD. Các thành phần và giá trị được nêu trong Phụ lục DD tham chiếu đến Hình CC.1 và Hình CC.2. Trong phụ lục này, DUT là thiết bị cấp điện một chiều cho EV cần thử nghiệm.
CC.2 Mô tả thiết bị thử nghiệm điển hình
CC.2.1 Ví dụ về mạch thử nghiệm
Hình CC.1 thể hiện ví dụ về mạch thử nghiệm có thể có, và Hình CC.2 thể hiện ví dụ về tải thử nghiệm trong mạch thử nghiệm này. Hình CC.1 và Hình CC.2 không thể hiện tất cả các thiết bị đo.

CHÚ DẪN
| S0 | công tắc mô phỏng việc ngắt dòng bên trong EV |
| S1, R1 và S2, R2 | mô phỏng rò rỉ giữa đầu ra một chiều và 0 V của nguồn cấp 12 V một chiều |
| S3, R3 | mô phỏng ngắn mạch đầu ra |
| S4, R4 | điện trở thử nghiệm nguồn 12 V một chiều |
| S5, R5; S6 và S7 | mô phỏng sự cố dây điều khiển quá trình sạc |
| C1,Tp | tụ điện và các điểm thử nghiệm đối với thử nghiệm điện dung đầu ra (xem DD.3.10) |
| LD | cơ chế làm mất hiệu lực của chốt |
| EV sim | mạch mô phỏng điều khiển điện áp điều khiển quá trình sạc và dữ liệu CAN. Việc mô phỏng có thể thực hiện tự động hoặc bằng tay. |
| Tải thử nghiệm | Xem ví dụ trên Hình CC.2 |
| CAN int | Giao diện CAN |
| DUT | Thiết bị cấp điện một chiều cho xe điện cần thử nghiệm (xem Hình AA.1) |
Hình CC.1 - Ví dụ về mạch điện thử nghiệm dùng cho DUT sử dụng máy tính và mạch mô phỏng EV bên ngoài
Công tắc S0 phải được thiết kế để chịu được việc cắt dòng điện ra một chiều khi có tải ở dòng điện ra một chiều danh định của DUT.
CC.2.2 Ví dụ về tải thử nghiệm
Có thể sử dụng tải nhân tạo, ví dụ tải thuần trở, tải điện tử và nguồn điện áp (ví dụ pin), hoặc EV thực. Tải điện tử hoạt động trong chế độ điện trở không đổi không được coi là tải thuần trở. Tài nhân tạo đòi hỏi bộ mô phỏng điều khiển EV bổ sung để thiết lập giao diện analog và/hoặc truyền thông số với DUT. Nếu không có quy định khác, tải thuần trở hoặc tải điện tử phải được sử dụng cho các thử nghiệm sự phù hợp cho trong Phụ lục DD. Một ví dụ về tải thử nghiệm, thể hiện bởi sơ đồ mạch điện tương đương được đơn giản hoá như thể hiện trên Hình CC.2.

CHÚ DẪN
| La | điện cảm ký sinh < 100 pH |
| Ra | trở kháng danh nghĩa của pin (10 mΩ đối với pin 100 A) |
| Rb | trở kháng nguồn điện áp điện tử (thường là 10 mΩ) |
| Rc | điện trở biến thiên - có thông số đặc trưng tối thiểu tương ứng với dòng điện ra một chiều danh định |
| Ua | đầu vào mô hình pin từ DUT |
| Ub | nguồn điện áp điện tử dùng cho mô phỏng pin (tự bảo vệ), có thể điều chỉnh bằng lập trình hoặc bằng tay (được thể hiện là nguồn không thuận nghịch) |
| Ca | tụ điện dùng để mô phỏng dung lượng dòng điện lớn của pin (5 700 μF) |
| Sa, Sb, Sc | thiết bị đóng cắt dùng cho thử nghiệm |
| F | cầu chảy được thiết kế để bảo vệ tất cả các linh kiện của bộ mô phỏng pin |
| Rca | điện trở phỏng điện của tụ điện (giá trị không ảnh hưởng đến các thử nghiệm) |
Hình CC.2 - Ví dụ về tải thử nghiệm
CC.3 Các chức năng cung cấp bởi hệ thống đo và mô phỏng EV
CC.3.1 Quy định chung
Mạch điện thử nghiệm phải có khả năng thực hiện các thử nghiệm mô tả trong phụ lục này.
CC.3.2 Các phép đo trên đầu ra nguồn +12 V một chiều phụ trợ và dây điều khiển quá trình sạc
Lắp đặt thử nghiệm phải cung cấp
- Các phép đo điện áp và dòng điện tĩnh và động trên đầu ra nguồn;
- Các phép đo điện áp và dòng điện tĩnh trên đầu ra nguồn +12 V một chiều;
- Phép đo điện áp động trên dây điều khiển quá trình sạc;
- Bộ ghi dữ liệu để ghi và kiểm tra sự phù hợp của truyền thông số (không được quy định trong tiêu chuẩn này).
Đòi hỏi độ chính xác như sau:
- Dung sai dòng điện trạng thái ổn định 0,1 % và độ phân giải tốt hơn 0,1 A;
- Dung sai dòng điện động tốt hơn 0,5 % và độ phân giải tốt hơn 0,5 A, và không quá 100 μs giữa các mẫu đối với phép đo sự thay đổi nhanh dòng điện;
- Dung sai điện áp trạng thái ổn định 0,1 % và độ phân giải tốt hơn 0,1 V;
- Dung sai điện áp động tốt hơn 0,5 % và độ phân giải tốt hơn 0,5 V đối với đầu ra công suất và độ phân giải của một bit tốt hơn 0,1 VLSB đối với các đường truyền tín hiệu, và không quá 100 μs giữa các mẫu đối với phép đo sự thay đổi nhanh điện áp.
CC.3.3 Điều chỉnh điện trở tải và điện trở rò
Hình CC.1 thể hiện các điện trở và thiết bị đóng cắt dưới đây. Các phương tiện khác cũng có thể cung cấp chức năng tương tự:
S0 - được đóng bởi mô phỏng EV để bắt đầu truyền năng lượng cho EV;
S1-3 và R1-3 mô phỏng các điều kiện sự cố trên đầu ra một chiều hoặc cụm cáp;
S5-6 và R5-7 mô phỏng sự cố trên dây điều khiển quá trình sạc;
S4 và R4 thử nghiệm dòng điện khả dụng từ nguồn +12 V một chiều của thiết bị cấp điện một chiều cho EV.
Tất cả các điện trở được thể hiện đều có thể biến thiên và các giá trị được chọn là hàm của các yêu cầu của thử nghiệm.
CC.3.4 Dữ liệu truyền thông số bởi CAN
Thiết bị thử nghiệm phải có khả năng truyền và nhận tất cả các khung dữ liệu CAN như xác định trong Phụ lục FF.
CC.3.5 Thông tin đo được
Các giá trị của tất cả các tham số và tất cả các phép đo điện áp và dòng điện phải được hiển thị và ghi lại.
CC.4 Điều kiện môi trường thử nghiệm
CC.4.1 Điều kiện môi trường
Nếu không có quy định khác, tất cả các thử nghiệm phải được tiến hành trong các điều kiện sau:
- Nhiệt độ: (25 ± 10) °C;
- Áp suất khí quyển: 86 kPa đến 106 kPa;
- Độ ẩm tương đối 30 % đến 90 %; (ngoại trừ ngưng tụ)
CC.4.2 Yêu cầu công suất cho thử nghiệm
Nếu thiết bị thử nghiệm được cấp điện bởi công suất từ lưới điện, thiết bị phải được nối với mạng nguồn theo IEC 60038.
CC.5 Điểm vận hành (chỉ để tham khảo)
Giá trị kết hợp giữa dòng điện ra một chiều và điện áp ra một chiều xác định điểm vận hành đối với thiết bị cấp điện một chiều cho EV.
Nếu DUT thể hiện đáp ứng không liên tục bất kỳ trong dải làm việc của nó, ví dụ, trong trường hợp xếp tầng các mô đun công suất, có thể cần bổ sung các điểm thử nghiệm. Trong trường hợp đạt đến đường bao diện tích làm việc, các điểm vận hành bổ sung hoặc dịch chuyển các điểm hiện có phải được thực hiện để đáp ứng các yêu cầu thử nghiệm.
Hình CC.3 thể hiện ví dụ về dải điện áp ra một chiều và dòng điện ra một chiều có thể là đầu ra bởi DUT, và một số điểm vận hành đại diện. Các giá trị này có thể được nêu trong lịch biểu thử nghiệm.

CHÚ DẪN
| lEVSE max | dòng điện ra một chiều danh định của thiết bị cấp điện một chiều cho EV | OP1 | UEVSE min và lEVSE min |
| lEVSE mid | (UEVSE max + UEVSE min) / 2 | OP2 | UEVSE max và lEVSE min |
| lEVSE min | dòng điện ra một chiều nhỏ nhất của thiết bị cấp điện một chiều cho EV | OP3 | UEVSE min và P max |
| OP | điểm vận hành | OP4 | lEVSE min và P max |
| UEVSE max | điện áp ra một chiều danh định của thiết bị cấp điện một chiều cho EV | OP5 | UEVSE min và lEVSE min |
| UEVSE mid | (lEVSE max + lEVSE min) / 2 | OP6 | UEVSE mid và lEVSE mid |
| UEVSE min | điện áp ra một chiều nhỏ nhất của thiết bị cấp điện một chiều cho EV | OP7 | UEVSE max và lEVSE max |
| OPn | Điện áp ra một chiều vận hành và dòng điện ra một chiều vận hành tùy thuộc vào điều kiện thử nghiệm |
|
|
Hình CC.3 - Các điểm vận hành
Phụ lục DD
(quy định)
Thử nghiệm sự phù hợp
DD.1 Quy định chung
Phụ lục này đưa ra các yêu cầu cho thử nghiệm sự phù hợp cho các chức năng điều khiển được sử dụng để truyền năng lượng. Các ví dụ về mạch điện thử nghiệm và các yêu cầu đối với thiết bị thử nghiệm được cho trong Phụ lục CC. Các thử nghiệm này thể hiện các yêu cầu tối thiểu và không đảm bảo hoạt động của thiết bị trong tất cả các điều kiện môi trường và hoạt động có thể có. Trong phụ lục này, thuật ngữ DUT được sử dụng để đề cập đến thiết bị cấp điện một chiều cho EV cần thử nghiệm. Các trạng thái liên tiếp của quy trình thử nghiệm nguồn năng lượng được thể hiện trên Hình EE.1 và Bảng EE.1. Mỗi trạng thái được nhắc đến bởi các chữ cái trong Bảng EE.1. Các trạng thái này được sử dụng xuyên suốt Phụ lục DD để xác định trạng thái hoạt động của thiết bị cấp điện một chiều cho EV cần thử nghiệm (DUT).
Chữ số được sử dụng để nhận biết các linh kiện sử dụng cho thử nghiệm ứng với chữ số nhận biết trên Hình CC.1, Hình CC.2 và Hình CC.3. Các hình trong Phụ lục CC chỉ được cho như những ví dụ về các bố trí thử nghiệm có thể có. Chữ số và chữ cái trên các hình trong Phụ lục CC được sử dụng xuyên suốt phụ lục này.
Các bước chỉ ra trong Phụ lục DD này ứng với các ký hiệu nhận biết chỉ ra trong Phụ lục EE.
Nếu không được nêu khác, tất cả các thử nghiệm sẽ bắt đầu bằng cách đặt trình tự truyền năng lượng cho trước trong Phụ lục EE. Khởi động được bắt đầu đến trạng thái chuẩn chỉ ra cho thử nghiệm, theo trình tự cho trong Bảng EE.1 và trên Hình EE.1 (sơ đồ trạng thái). Các thử nghiệm cũng có thể được thực hiện theo trình tự mà không có khởi động giữa mỗi thử nghiệm nếu chúng không làm thay đổi trạng thái ban đầu của thiết bị.
Một số thử nghiệm yêu cầu các trạng thái cụ thể được đặt bởi các lệnh CAN cho phép các điều kiện đúng tồn tại.
Bảng DD.1 chỉ ra các thử nghiệm cho trong Phụ lục DD và các yêu cầu tương ứng.
Bảng DD.1 - Tương ứng giữa các yêu cầu và mô tả thử nghiệm
| Thử nghiệm |
| Yêu cầu |
| DD.3.1 | Kiểm tra xác nhận rằng EV được nối đúng với thiết bị cấp điện một chiều cho EV lúc khởi động | 6.3.2 |
| DD.3.2 | Kiểm tra xác nhận nguồn điện 12 V một chiều | AA.4 |
| DD.3.3 | Kiểm tra xác nhận chức năng trước khi truyền năng lượng | 6.3.5, 6.3.6, 6.3.7 |
| DD.3.4 | Kiểm tra xác nhận không có ngắn mạch trên cụm cáp | 6.3.7.3 |
| DD.3.5 | Đóng điện cho nguồn cung cấp đến EV và thử nghiệm mạch điều khiển quá trình sạc | 6.3.6 và 6.3.8 |
| DD.3.6 | Thử nghiệm tính năng đáp ứng đầu ra | BB.2 đến BB.6 |
| DD.3.7 | Thử nghiệm giới hạn điện áp | 6.3.9 |
| DD.3.8 | Ngắt điện nguồn cung cấp đến EV và tắt | 6.3.6 và 6.3.10 |
| DD.3.9 | Dòng điện ngược | 13.101 |
| DD.3.10 | Tải giả | BB.7 |
Thử nghiệm có thể được thực hiện theo trình tự bất kỳ. Chúng được sắp xếp theo thứ tự để giảm thiểu thời gian bố trí giữa mỗi thử nghiệm. Các thử nghiệm có thể được thực hiện theo trình tự không có quy trình khởi động xen kẽ, nếu tương thích với thử nghiệm.
Các khung dữ liệu CAN phải được phân tích đối với từng thử nghiệm, khi cần thiết.
Các thử nghiệm phải được thực hiện trên thiết bị đã trải qua thử nghiệm môi trường của Điều 12.
DD.2 Khởi động và trình tự chuẩn bị
DUT được ngắt khỏi tải và nối vào mang nguồn xoay chiều trong 10 min trước khi bắt đầu trình tự thử nghiệm.
Trình tự khởi động bình thường đối với từng thử nghiệm được mô tả trong Phụ lục EE sử dụng tham số cho mạch thử nghiệm (xem Phụ lục CC) và tải thử nghiệm (xem Phụ lục CC) như thể hiện trong Bảng DD.2, trừ khi có đề cập khác. Thử nghiệm yêu cầu được bắt đầu ở trạng thái trình tự khởi động (như xác định trong Bảng EE.1) và trình tự khởi động bình thường được thay đổi từ điểm này về sau để cho phép thử nghiệm.
Bảng DD.2 - Giá trị tham số và đóng cắt ban đầu đối với trình tự khởi động bình thường
| Tham số | Giá trị | Lưu ý |
| S0 | Mở | Mở công tắc tơ của EV |
| S1 đến S6 | Mở | Không mô phỏng sự cố khi bắt đầu thử nghiệm |
| S7 | Ban đầu mở | S7 sẽ đóng trong trình tự truyền năng lượng |
| LD | Ban đầu mở | Thiết bị chốt khoá được đóng lại trong trình tự truyền năng lượng |
| Sa | Mở (vị trí 1) | Tụ điện không được nối (Tải thuần trở thụ động) |
| Sb | Mở | Không đặt điện áp để khởi động |
| Sc | Đóng | Nối tải thuần trở |
| Rc | = Umax / lmax | Tải có thể hấp thu toàn bộ công suất ra một chiều. Nếu có giới hạn công suất ra, Rc được tăng tương ứng. |
DD.3 Mô tả các thử nghiệm sự phù hợp
DD.3.1 Kiểm tra xác nhận rằng EV đã được nối đúng với thiết bị cấp điện một chiều cho EV khi khởi động
Trong nội dung dưới đây, điện áp dây điều khiển quá trình sạc được đo giữa dây điều khiển quá trình sạc và đường 0 V chung của chức năng điều khiển thiết bị cấp điện (xem Hình AA.1). Chu kỳ truyền năng lượng không được bắt đầu trong một trong hai (hoặc cả hai) điều kiện sau:
- Chốt cơ khí bị mất hiệu lực; và/hoặc
- Mạch điều khiển quá trình sạc bị ngắt (S6 và S7 mở) hoặc điện áp mạch điều khiển quá trình sạc nằm trong dải từ 7,6 V đến 12,8 V (xem thử nghiệm của DD.3.5).
Kiểm tra sự phù hợp của chốt cơ khí bằng cách xem xét. Kiềm tra sự phù hợp của mạch điều khiển quá trình sạc bằng thử nghiệm theo DD.3.5.
DD.3.2 Kiểm tra nguồn 12 V một chiều
Bắt đầu chu kỳ truyền năng lượng đến trạng thái B2 như thể hiện trong Phụ lục EE.
Mở S4.
Điện áp đo được phải nằm trong phạm vi từ 10,8 V đến 13,2 V.
Đặt R5 đến 10 Ω (±5 %, 20 W). Đóng S5.
Điện áp phải được duy trì trong phạm vi từ 10,8 V đến 13,2 V.
Đặt R5 đến 5 Ω (±5 %, 50 W). Đóng S5.
Điện áp phải được duy trì trong phạm vi từ 10,8 V đến 13,2 V.
Đặt R5 đến 3 Ω (±5 %, 50 W). Đóng S5.
Điện áp phải giảm để hạn chế công suất ra ở 24 W hoặc nhỏ hơn,
Đặt R5 đến 10 Ω (±5 %, 20 W). Đóng S5.
Điện áp phải được nằm trong phạm vi từ 10,8 V đến 13,2 V.
DD.3.3 Kiểm tra chức năng trước khi truyền năng lượng
Bộ ghi dữ liệu CAN được sử dụng để kiểm tra sự trao đổi thông tin đúng.
Bắt đầu trình tự truyền năng lượng đến khi kết thúc trạng thái B2.
Hệ thống thử nghiệm bắt đầu thủ tục trao đổi như mô tả trong Phụ lục FF.
Đối với thử nghiệm này, thiết bị thử nghiệm phải đưa ra các tham số không đúng để thử tính tương thích giữa thiết bị cấp điện một chiều cho EV và EV.
Hệ thống thử nghiệm truyền:
• Tham số mục tiêu điện áp ra một chiều;
• Tham số giới hạn điện áp ra một chiều;
• Dòng điện đầu ra một chiều yêu cầu;
DUT phải truyền:
• Dòng điện ra một chiều danh định;
• Điện áp ra một chiều danh định;
• Công suất ra một chiều danh định;
• Giá trị dòng điện ra một chiều;
• Giá trị điện áp ra một chiều.
Ngoài thử nghiệm với các tham số đúng, các thử nghiệm phải được thực hiện với tối thiểu ba tham số đã biết là không tương thích với các thông số đặc trưng của thiết bị cấp điện một chiều cho EV như sau:
• Tham số giới hạn điện áp ra một chiều lớn hơn điện áp ra một chiều danh định;
• Tham số giới hạn điện áp ra một chiều lớn hơn 120 V;
• Tham số dòng điện ra một chiều yêu cầu lớn hơn dòng điện ra một chiều khả dụng.
Một thử nghiệm phải được thực hiện với tất cả các tham số được truyền trong phạm vi thông số đặc trưng của DUT. Kiểm tra sự phù hợp nếu thoả mãn các điều kiện sau.
Nguyên nhân của việc không truyền năng lượng phải được chỉ ra bởi DUT.
DUT không được điều chỉnh các giá trị đặt ban đầu để tạo ra sự không tương thích với EV, trừ khi việc điều chỉnh này được thực hiện trong trình tự cụ thể như xác định bởi nhà chế tạo và duy trì đầu ra trong phạm vi các thông số đặc trưng của DUT và mạng nguồn xoay chiều.
Các điều kiện lỗi này phải ngăn chặn việc tiếp tục quy trình truyền năng lượng cho đến khi hoàn thành kiểm tra tính tương thích. DUT phải gửi lại các tham số cho đến khi việc kiểm tra tính tương thích được đáp ứng.
CHÚ THÍCH 1: Các tham số có thể thay đổi trong quá trình truyền năng lượng. Nếu các tham số không tương thích, áp dụng các điều kiện lỗi trong Điều 6.
CHÚ THÍCH 2: Tham số được xác định trong Bảng FF.2 và Bảng FF.3.
DD.3.4 Kiểm tra không có ngắn mạch trong cụm cáp (6.3.7.3)
Đối với thử nghiệm này, điện trở R3 phải có giá trị là 1 000 Ω (±5 %) và công suất tối thiểu là 10 W.
S3 ban đầu được đóng lại.
CHÚ THÍCH 1: Cảnh báo, R3 có thể trở nên rất nóng trong các điều kiện sự cố nếu điện áp ra một chiều danh định được đặt liên tục.
Bắt đầu trình tự truyền năng lượng. Trình tự này sẽ không tiếp tục sau khi đạt trạng thái B3 và sẽ khởi tạo điều kiện sự cố với nguồn 12 V một chiều được tắt và kết thúc lịch trình truyền năng lượng.
Đo điện áp ra một chiều trong suốt thử nghiệm. Điện áp ra một chiều thử nghiệm từ DUT không được thấp hơn 3 V một chiều hoặc vượt quá 15 V một chiều.
CHÚ THÍCH 2: R3 giới hạn dòng điện thử nghiệm ngắn mạch ở 12 mA ở 12 V một chiều.
Mở S3 và lặp lại thử nghiệm. Trình tự thử nghiệm phải tiếp tục sau khi đạt đến trạng thái B3 và thử nghiệm không được không đạt do ngắn mạch.
DD.3.5 Đóng nguồn cung cấp cho EV và thử nghiệm mạch điều khiển quá trình sạc
Điện áp của dây điều khiển quá trình sạc được đặt ở 9 V DC ± 0,5 V.
CHÚ THÍCH: Giá trị 9 V là điểm giữa của trạng thái điện áp cao.
Bắt đầu trình tự đầu ra vào trạng thái c (Bảng EE.1). DUT sẽ cấp dòng điện như chỉ ra bởi tham số dòng điện ra một chiều yêu cầu của hệ thống thử nghiệm.
Thử nghiệm các điện áp ra dưới đây cho dây điều khiển quá trình sạc (hai mức điện áp đối với mỗi trạng thái).
Trình tự sẽ được bắt đầu lại giữa mỗi thử nghiệm. Sự thay đổi giữa từng mức điện áp sẽ được thực hiện trong thời gian ít hơn 1 ms.
Bảng DD.3 - Giá trị thử nghiệm đối với mạch điều khiển quá trình sạc
| Điện áp thử nghiệm (các giá trị min và max) | Kết quả |
| 0 V và 1,9 V | Thiết bị cấp điện một chiều cho EV dừng truyền công suất Trạng thái này có thể do mở mạch điện điều khiển quá trình sạc hoặc ngắt phích nối xe điện. |
| 2,1 V và 7,4 V | Truyền năng lượng dừng với tắt do lỗi và đưa ra thông tin lỗi |
| 7,6 V và 12,8 V | Hệ thống tiếp tục truyền năng lượng |
| 14 V | DUT bắt đầu tắt |
DD.3.6 Thử nghiệm tính năng đáp ứng đầu ra
Đối với thử nghiệm này, tải thử nghiệm (xem CC.2.2) sẽ làm việc như bộ nhận điện áp không đổi mà có thể làm việc ở điện áp ra một chiều danh định và dòng điện ra một chiều danh định của DUT. Điều này có thể đạt được bằng cách sử dụng nguồn điện áp có điều khiển điện tử thuận nghịch hoặc nguồn điện áp không thuận nghịch mà có thể cung cấp dòng điện ra một chiều danh định cho điện trở tài Rc. Sự ổn định điện áp và trừ kháng thấp với sự thay đổi dòng điện tần số cao đạt được bằng cách sử dụng tụ điện Ca. Mô tả này của thử nghiệm được cho trước đối với nguồn điện áp không thuận nghịch.
CHÚ THÍCH 1: Tụ điện cũng được sử dụng để kiểm tra dòng điện nhấp nhô do thiết bị cấp điện một chiều cho EV.
Ban đầu, đóng Sa, Sb và Sc. Đặt điện áp lên tải đến 70 % điện áp ra một chiều danh định. Đặt giá trị Rc của tải thử nghiệm để cho phép thu dòng điện tối thiểu bằng dòng điện ra một chiều danh định.
Sử dụng các giá trị đặt dưới đây cho tải thử nghiệm không thuận nghịch:
- Rc = (điện áp ra một chiều danh định) / (dòng điện ra một chiều danh định).
Đặt thiết bị thử nghiệm đến các giá trị đặt sau:
- Tham số mục tiêu điện áp ra một chiều = 85 % điện áp ra một chiều danh định;
- Tham số giới hạn điện áp ra một chiều = 90 % điện áp ra một chiều danh định;
CHÚ THÍCH 2: Giá trị đặt này ứng với chế độ giới hạn điện áp như thể hiện trên Hình BB.3 của Điều BB.6.
Bắt đầu trình tự truyền năng lượng với tham số dòng điện ra một chiều yêu cầu = 20 % dòng điện ra một chiều danh định.
Cho phép trình tự truyền năng lượng đến và vào trạng thái C.
DUT sẽ cung cấp xấp xỉ 20 % dòng điện ra một chiều danh định với điện áp ra một chiều bằng 70 % điện áp ra một chiều danh định (được xác định bởi nguồn điện áp của tải thử nghiệm).
Tăng dòng điện ra một chiều theo các bước 20 % dòng điện ra một chiều danh định cứ mỗi 5 s (tối thiểu) cho đến dòng điện ra một chiều danh định.
Điện áp ra một chiều của DUT cần duy trì ở 70 % điện áp ra một chiều danh định trong các bước đầu tiên và sẽ tăng đến 80 % điện áp ra một chiều danh định.
Ở bước tiếp theo:
- Để điều chỉnh điện áp ra một chiều (xem Điều BB.3) điện áp ra một chiều phải được hạn chế ở 85 % điện áp ra một chiều danh định (trong phạm vi dung sai +2V một chiều và - 5 V một chiều);
- Để điều chỉnh dòng diện ra một chiều (xem Điều BB.2) điện áp ra một chiều sẽ tăng cao hơn tham số mục tiêu điện áp ra một chiều và thiết bị cấp điện một chiều cho EV phải đi đến tắt do lỗi.
Các dòng điện ra một chiều phải phù hợp với các dung sau như thể hiện trong Bảng BB.1.
Duy trì DUT ở dòng điện ra một chiều danh định trong 10 s.
Giảm tham số dòng điện ra một chiều yêu cầu theo các bước 20 % dòng điện ra một chiều danh định cứ sau 5 s (tối thiểu).
Sự thay đổi dòng điện ra một chiều phải phù hợp với Bảng BB.1.
Dòng điện đi vào tụ điện Ca được đo với đầu dò dòng điện tần số cao.
Các dòng điện tần số cao được đo 3 s sau mỗi bước dòng điện phải phù hợp với Bảng BB.3.
DD.3.7 Thử nghiệm giới hạn điện áp
DD.3.7.1 Quy định chung
Quy trình khởi tạo đối với các thử nghiệm này đồng nhất với quy trình của DD.3.7.
Thử nghiệm các giới hạn điện áp liên quan đến tham số giới hạn điện áp ra một chiều trong khi làm việc khi điều chỉnh điện áp ra một chiều (xem Điều BB.3) được đưa vào thử nghiệm đáp ứng đầu ra của DD.3.6.
DD.3.7.2 Thử nghiệm điện áp lớn nhất không có giới hạn điện áp
Các thử nghiệm sau được thực hiện với DUT làm việc khi điều chỉnh dòng điện ra một chiều theo Điều BB.2.
Thử nghiệm 1
Trình tự truyền năng lượng được lấy đến và kể cả khi đạt đến trạng thái C với tham số dòng điện ra một chiều yêu cầu ở 20 % dòng điện ra một chiều danh định. DUT sẽ cung cấp 20 % dòng điện ra một chiều danh định.
Thay đổi tải thử nghiệm để tăng dòng điện lấy bởi thiết bị thử nghiệm đến 90 % dòng điện ra một chiều danh định.
Nếu điện áp ra một chiều vượt quá một trong các giới hạn dưới đây trong thời gian quá 2 s:
• Giới hạn điện áp ra một chiều + 1,5 V,
• 101,5 % giới hạn điện áp ra một chiều,
• Điện áp ra một chiều danh định + 2 V,
Thì DUT phải khởi tạo tắt do lỗi sao cho dòng điện ra một chiều được giầm xuống thấp hơn 1 A trong thời gian chỉ ra đối với tắt do lỗi trong Bảng DD.4.
Thử nghiệm 2: kiểm tra lại
Khởi động lại trình tự truyền năng lượng đến và kể cả khi đạt đến trạng thái C với tham số dòng điện ra một chiều yêu cầu ở 20 % dòng điện ra một chiều danh định. DUT sẽ cung cấp 20 % dòng điện ra một chiều danh định.
Sử dụng nguồn bên ngoài để đặt điện áp 120 V lên DUT.
DUT phải khởi tạo tắt do lỗi sao cho dòng điện ra một chiều được giảm xuống thấp hơn 1 A trong thời gian chỉ ra đối với tắt do lỗi trong Bảng DD.3.
DUT được coi là không đạt thử nghiệm nếu không thực hiện đầy đủ các chức năng sau các thử nghiệm và sau khi được khởi tạo lại.
DD.3.7.3 Thử nghiệm quá điện áp trên đầu ra một chiều
Phải thực hiện hai thử nghiệm:
Thử nghiệm 1:
Khởi động lại quy trình truyền năng lượng và đi đến và kể cả khi đạt đến trạng thái C với tham số dòng điện ra một chiều yêu cầu ở 20 % dòng điện ra một chiều danh định. DUT sẽ cung cấp 20 % dòng điện ra một chiều danh định.
Tăng tham số dòng điện ra một chiều yêu cầu đến 95 % dòng điện ra một chiều danh định.
Nếu điện áp ra một chiều vượt quá 150 V một chiều, thiết bị cấp điện một chiều cho EV phải khởi tạo tắt khẩn cấp sao cho dòng điện ra một chiều được giảm xuống thấp hơn 1 A trong thời gian chỉ ra đối với tắt do lỗi trong Bảng DD.4.
Thử nghiệm 2:
Khởi động lại trình tự truyền năng lượng đến và kể cả khi đạt đến trạng thái C với tham số dòng điện ra một chiều yêu cầu ở 20 % dòng điện ra một chiều danh định. DUT sẽ cung cấp 20 % dòng điện ra một chiều danh định.
Sau tối thiểu 5 s, sử dụng nguồn bên ngoài để đưa một điện áp 151 V vào giữa DC+ và DC- của bộ nối xe điện. DUT phải giảm dòng điện ra một chiều xuống thấp hơn 1 A trong thời gian chỉ ra đối với tắt khẩn cấp trong Bảng DD.4.
DUT được coi là không đạt thử nghiệm nếu không thực hiện đầy đủ các chức năng sau các thử nghiệm và sau khi được khởi tạo lại.
DD.3.8 Không đóng điện nguồn cung cấp điện cho EV và tắt
DD.3.8.1 Quy định chung
Điện áp của các mạch điều khiển quá trình sạc được đặt ở 9 V một chiều ±0,5 V.
CHÚ THÍCH 1: Giá trị 9 V là điểm giữa của trạng thái điện áp cao.
Bắt đầu trình tự bên ngoài vào trạng thái c với dòng điện ra một chiều được đặt đến 90 % giá trị ra danh định và điện trở tải được đặt để cung cấp điện áp ra một chiều bằng 80 % điện áp ra một chiều danh định. Tham số giới hạn điện áp ra một chiều được đặt đến điện áp ra một chiều danh định. DUT sẽ cung cấp dòng điện như thể hiện bởi tham số dòng điện ra một chiều yêu cầu của hệ thống thử nghiệm (S7 và LD sẽ được đóng lại đề đạt đến trạng thái này.)
CHÚ THÍCH 2: Nếu DUT được giới hạn công suất, dòng điện ra một chiều và điện áp ra một chiều được đặt đến phạm vi các giới hạn công suất ra một chiều, áp dụng % giảm như nhau về dòng điện và điện áp.
DD.3.8.2 Định thời gian tắt đối với các thử nghiệm
Bảng DD.4 chỉ ra các thời gian tắt lớn nhất cần thiết cho các thử nghiệm nêu trên. Dòng điện ra một chiều và điện áp ra một chiều phải được đo trong giai đoạn tắt và đo thời gian cần thiết để hoàn thành việc tắt.
Bảng DD.4 - Yêu cầu tắt
| Kiểu tắt | Thời gian để thử nghiệm (giây)a |
| Bình thường | lrob/20 |
| Do lỗi | 5 + lrob/100 |
| Khẩn cấp | 0,03 + lrob/200 |
| a Đây là thời gian lớn nhất có thể xảy ra từ sự kiện gây tắt và thời điểm giảm dòng điện ra một chiều về 1 A. b Đây là giá trị dòng điện ra một chiều tại thời điểm bắt đầu của sự kiện. | |
DD.3.8.3 Lệnh tắt được người sử dụng khởi tạo
Việc có các lệnh tắt bởi người sử dụng và tắt khẩn cấp được kiểm tra bằng cách xem xét và bằng thử nghiệm.
DD.3.8.4 Tắt bình thường
Tắt bình thường được thử nghiệm trong quá trình đáp ứng bên ngoài của thử nghiệm tính năng. Tốc độ giảm phải như thể hiện trong Bảng DD.4.
DD.3.8.5 Tắt do lỗi
Các sự kiện sau phải được mô phỏng:
- Mất truyền thông số trong nhiều hơn 1 s;
- Điện áp ra một chiều vượt quá tham số điện áp mục tiêu trong quá 2 s;
- Nhận được tín hiệu sự cố cách điện từ EV.
Đối với từng thử nghiệm, bắt đầu trình tự ở trạng thái C. DUT và tải thử nghiệm sẽ được điều chỉnh để cho dòng điện ra một chiều bằng 90 % dòng điện ra một chiều danh định, và điện áp ra một chiều bằng 80 % điện áp ra một chiều danh định. (S7 và LD được đóng lại, xem Hình CC.1.)
Tắt do lỗi được thử nghiệm trong thử nghiệm của mạch điều khiển quá trình sạc. Tắt phải xảy ra với các tham số cho trong Bảng DD.4.
DD.3.8.6 Tắt khẩn cấp
Các sự kiện sau phải được mô phỏng:
- Mất tín hiệu điều khiển quá trình sạc (điện áp thấp hơn 1,9 V một chiều) trong quá 30 ms (mở S7 của thiết bị thử nghiệm);
- Ngắt phích nối xe điện khi đang có tài;
- Điện áp ra một chiều vượt quá tham số giới hạn điện áp đặt bởi EV hoặc 150 V trong quá 30 ms;
- Nhận được tín hiệu tắt khẩn cấp từ EV hoặc được người sử dụng khởi tạo.
Đối với từng thử nghiệm, bắt đầu trình tự ra đến trạng thái C. DUT và tải thử nghiệm phải được điều chỉnh để cho dòng điện ra một chiều bằng 90 % dòng điện ra một chiều danh định và điện áp ra một chiều bằng 80 % điện áp ra một chiều danh định. (S7 và LD được đóng lại, xem Hình CC.1.)
Sau khi tắt, thiết bị đóng cắt S0 (xem Hình CC.1) phải được mở ngay khi dòng điện ra một chiều nhỏ hơn 1 A.
Thử nghiệm đạt nếu các yêu cầu về cắt khẩn cấp phù hợp với Bảng DD.4 và nếu sau khi tắt khẩn cấp điện áp ra một chiều giảm thấp hơn 60 V trong vòng 1 s.
DD.3.9 Dòng điện ngược
Sơ đồ mạch điện của DUT phải được phân tích để kiểm tra việc có các đi ốt hoặc linh kiện điện tử tương tự làm cho dòng điện ngược không thể.
Kiểm tra sự phù hợp bằng cách xem xét.
Sự phù hợp không đạt được nếu không thể nhận biết phương tiện ngăn ngừa dòng điện ngược.
DD.3.10 Tải giả
Kiểm tra sự phù hợp đối với tải giả theo Điều BB.7 phải được thực hiện như sau:
1) Cài đặt DUT và tải thử nghiệm để cung cấp dòng điện ra một chiều danh định ở điện áp ra một chiều danh định.
2) Mở S0 (xem Hình CC.1).
Sự phù hợp không đạt được nếu:
- Điện áp giữa DC+ và DC- tại phích nối xe điện vượt quá 150 V một chiều, hoặc
- Tốc độ tăng vượt quá 250 V/μs.
Phụ lục EE
(quy định)
Quá trình truyền năng lượng và truyền thông
EE.1 Quá trình truyền năng lượng và truyền thông giữa thiết bị cấp điện một chiều cho EV và EV để điều khiển việc truyền năng lượng
EE.1.1 Trạng thái truyền năng lượng
Bảng EE.1 xác định trạng thái truyền năng lượng của thiết bị cấp điện một chiều cho EV. Các trạng thái truyền năng lượng thể hiện trạng thái vật lý của hệ thống truyền năng lượng một chiều cho EV.
Thiết bị cấp điện một chiều cho EV và EV có thể trao đổi trạng thái truyền năng lượng của nó thông qua truyền thông tín hiệu và truyền thông số.
Bảng EE.1 - Trạng thái truyền năng lượng của thiết bị cấp điện một chiều cho EV
| Trạng thái | Nối EV | Nguồn 12 V một chiều | Thiết lập truyền thông số | CPc | Chốt phích nối | Công tắc tơ của EV (chỉ để tham khảo) | Truyền năng lượng | |
| A | EV chưa được nối | Không | TẮT | Không | Thấp | Không | Mở | Không |
| B1 | Khởi tạo | Có | TẮT | Không | Thấp | Không | Mở | Không |
| B2 | Có | BẬT | Có | Thấp | Không | Mở | Không | |
| B3 | Có | BẬT | Có | Thấp | Không | Mở | Không | |
| B4 | Có | BẬT | Có | Thấp | Có | Mở | Không | |
| B5 | Có | BẬT | Có | Cao | Có | Đóng | Không | |
| C | Truyền năng lượng | Có | BẬT | Có | Cao | Có | Đóng | Có |
| D1 | Tắt | Có | BẬT | Có | Cao | Có | Đóng | Không a |
| D2 | Có | BẬT | Có | Thấp | Có | Chưa xác định b | Không | |
| D3 | Có | BẬT | Có (kết thúc)d | Thấp | Có | Mở | Không | |
| D4 | Có | TẮT | Không | Thấp | Có | Mở | Không | |
| a Giảm dòng điện đầu ra một chiều. b Có thể mở công tắc tơ EV để phát hiện dính tiếp điểm c Chỉ thị CAO có nghĩa là “tình trạng của thiết bị cấp điện một chiều cho EV” trong Bảng AA.1 đang ở trạng thái “có thể truyền năng lượng”. Chỉ thị THẤP có nghĩa là “tình trạng của thiết bị cấp điện một chiều cho EV” trong Bảng AA.1 đang ở trạng thái “không truyền năng lượng”. d Kết thúc truyền thống ở trạng thái này. | ||||||||
EE.1.2 Phương tiện truyền thông
Truyền thông giữa thiết bị cấp điện một chiều cho EV và EV được thực hiện thông qua mạch điều khiển quá trình sạc và các mạch truyền thông số CAN H và CANJL.
Mạch điều khiển quá trình sạc được sử dụng để truyền các hướng dẫn nhằm bắt đầu truyền năng hoặc hoặc tắt từ EV đến thiết bị cấp điện một chiều cho EV, theo Bảng AA.1.
Sự liền mạch và/hoặc điện trở của các điện trở điều khiển được giám sát bởi EV để kiểm tra có nguồn 12 V một chiều hay không từ EV đến thiết bị cấp điện một chiều cho EV.
Mạch truyền thông số truyền các tín hiệu như “sẵn sàng truyền năng lượng” và “kết thúc truyền” từ bộ sạc đến EV. Các tham số bằng số chỉ ra trong 6.7.3 cũng được trao đổi thông qua mạch truyền thông số. (Xem Phụ lục FF)
EE.2 Quá trình điều khiển truyền năng lượng
EE.2.1 Sơ đồ chuyển đổi trạng thái và sơ đồ trình tự
Quá trình truyền năng lượng phải phù hợp với sơ đồ chuyển đổi trạng thái như thể hiện trên Hình EE.1, mà đưa ra trình tự điều khiển truyền năng lượng trong các điều kiện làm việc bình thường. Hình EE.2 đưa ra sự thể hiện bằng đồ học việc điều khiển truyền năng lượng trong các điều kiện làm việc bình thường.

Hình EE.1 - Sơ đồ chuyển trạng thái của quá trình sạc

Hình EE.2 - Sơ đồ trình tự truyền năng lượng
EE.3 Quá trình truyền thông
EE.3.1 Khởi tạo
Khi quá trình truyền năng lượng được khởi tạo bởi thiết bị cấp điện một chiều cho EV, nó phải bật nguồn 12 V một chiều. Việc này cấp năng lượng cho giao diện CAN của EV.
“Trạng thái truyền năng lượng” chưa sẵn sàng cho đến khi kết thúc thử nghiệm cách điện như mô tả trong EE.3.3.
EE.3.2 Quy trình bắt tay
Truyền dữ liệu bắt đầu ở trạng thái B2 như thể hiện trên Hình EE.1.
Ban đầu EV gửi các khung CAN 500H và 501H.
Sau đó thiết bị cấp điện một chiều cho EV trả lời bằng các khung CAN 508H và 509H.
EV và thiết bị cấp điện một chiều cho EV kiểm tra tính nhất quán của các dữ liệu được trao đổi.
CHÚ THÍCH: EV có thể thay đổi tham số để tương thích với tham số của thiết bị cấp điện một chiều cho EV để cho phép truyền năng lượng.
Thiết bị cấp điện một chiều cho EV thực hiện tắt nếu chưa thiết lập bắt tay trong vòng 6 s.
EE.3.3 Thử nghiệm cách điện trước khi truyền năng lượng
Thiết bị cấp điện một chiều cho EV thông tin cho EV rằng phích nối xe điện được gài chốt trước khi khởi tạo thử nghiệm.
Thử nghiệm cách điện phải bắt đầu sau khi mạch điều khiển quá trình sạc được đặt “cao” như thể hiện trên Hình EE.2 và dữ liệu số từ EV chỉ ra rằng thử nghiệm có thể bắt đầu.
Quy trình thử nghiệm được cho trong DD.3.4.
EE.3.4 Truyền năng lượng
Thiết bị cấp điện một chiều cho EV phải thay đổi dòng điện ra một chiều và điện áp ra một chiều theo các tham số yêu cầu bởi EV như mô tả trong Điều BB.2 hoặc BB.3.
EE.3.5 Quy trình tắt
Để tắt, thiết bị cấp điện một chiều cho EV phải phù hợp với quy trình dưới đây:
a) Thiết bị cấp điện một chiều cho EV phải thông tin cho EV về việc bắt đầu quá trình tắt bởi truyền thông số.
b) Thiết bị cấp điện một chiều cho EV phải dừng dòng điện ra một chiều.
c) Phích nổi xe điện không bị khoá cho đến khi EV chỉ ra rằng công tắc tơ được mở và điện áp ra một chiều là 10 V hoặc nhỏ hơn.
Các thử nghiệm được cho trong Phụ lục DD.
EE.4 Dòng công suất hai chiều
Dòng công suất hai chiều không được xem xét trong tiêu chuẩn này.
EE.5 Thay đổi tham số ra một chiều khả dụng trong truyền năng lượng
Thiết bị cấp điện một chiều cho EV có thể thay đổi giá trị của tham số dòng điện ra một chiều khả dụng trong quá trình truyền năng lượng.
Các thay đổi này không được thực hiện quá một lần trong mỗi 20 s.
Phụ lục FF
(quy định)
Truyền thông số để điều khiển quá trình truyền năng lượng
FF.1 Quy định chung
Phụ lục này thể hiện quy định kỹ thuật của truyền thông số để điều khiển thiết bị cấp điện một chiều cho EV để thực hiện chỉ với định dạng khung CAN truyền thống (không hỗ trợ định dạng khung tốc độ dữ liệu thay đổi) theo ISO 11898-1:2015 và ISO 11898-2:2016.
Trong tiêu chuẩn này, sử dụng liên kết dữ liệu trực tiếp (không có điểm nối bất kỳ khác) giữa thiết bị cấp điện một chiều cho EV và EV.
Quy định kỹ thuật về lớp liên kết vật lý/dữ liệu được cho trong Bảng FF.1.
Bảng FF.1 - Quy định kỹ thuật về lớp liên kết vật lý/dữ liệu
| Quy định kỹ thuật của các hạng mục điều khiển truyền thông | Yêu cầu |
| Chuẩn truyền thông | ISO 11898-1:2015, ISO 11898-2:2016 |
| Giao thức | Định dạng khung cơ bản truyền thống |
| Chế độ làm việc của môi trường truyền thông tốc độ cao | Chế độ bình thường a |
| Tốc độ truyền thông | 500 kbps |
| Điểm lấy mẫu bit | 72,5 % đến 87,5 % |
| a Chế độ làm việc được mô tả trong Bảng 1 của ISO 11898-2:2016. | |
Chu kỳ truyền các khung dữ liệu được cho trên Hình FF.1.

CHÚ DẪN
1 Khung dữ liệu CAN 1 (ví dụ CAN-ID #500)
2 Khung dữ liệu CAN 2 (ví dụ CAN-ID #501)
CHÚ THÍCH 1: Việc định thời gian 100 ms có thể dài hơn nếu không có vấn đề trong khi truyền.
CHÚ THÍCH 2: Thiết bị cấp điện một chiều cho EV là khách trong truyền thông. Quy trình khởi động được cho trong Phụ lục EE.
Hình FF.1 - Chu kỳ truyền
Thiết bị cấp điện một chiều cho EV phải dừng truyền năng lượng nếu không nhận được bất kỳ khung CAN đã xác định nào trong vòng 1 000 ms.
FF.2 Các hành động truyền thông số trong quá trình điều khiển truyền năng lượng
Các hành động truyền thông số trong quá trình điều khiển truyền năng lượng được cho trong Bảng FF.2 và Bảng FF.3.
Bảng FF2 - Tham số nhận được trong quá trình truyền năng lượng
| CAN-ID (H’) | Byte | Bit | Tham số | Nội dung | Độ phân giải trên bit | Đơn vị | Ban đầu a | Min | Max | Cờ trạng thái |
| 500 | 0 | 0 | Lỗi hệ thống truyền năng lượng | Cờ trạng thái chỉ thị việc thực hiện sai chức năng gây ra do EV hoặc do thiết bị cấp điện cho EV, và được Phát hiện bởi EV | - | - | 0 | 0 | 1 | 0: Không lỗi 1: Lỗi f |
| 500 | 0 | 1 | Quá điện áp pin/acquy | Cờ trạng thái chỉ thị việc điện áp của pin/acquy EV có hoặc không vượt quá giới hạn lớn nhất được quy định bởi EV | - | - | 0 | 0 | 1 | 0: Không lỗi 1: Lỗi f |
| 500 | 0 | 2 | Dưới điện áp pin/acquy | Cờ trạng thái chỉ thị việc điện áp của pin/acquy EV có hoặc không thấp hơn giới hạn dưới được quy định bởi EV | - | - | 0 | 0 | 1 | 0: Không lỗi 1: Lỗi f |
| 500 | 0 | 3 | Lỗi sai lệch dòng điện pin/acquy | Cờ trạng thái chỉ thị việc dòng điện ra DC có hoặc không sai lệch khỏi dòng điện được yêu cầu bởi EV | - | - | 0 | 0 | 1 | 0: Không lỗi 1: Lỗi f |
| 500 | 0 | 4 | Nhiệt độ pin/acquy cao | Cờ trạng thái chỉ thị việc nhiệt độ của pin/acquy EV có hoặc không vượt quá giới hạn lớn nhất | - | - | 0 | 0 | 1 | 0: Không lỗi 1: Lỗi f |
| 500 | 0 | 5 | Lỗi sai lệch điện áp pin/acquy | Cờ trạng thái chỉ thị việc điện áp của pin/acquy EV có hoặc không sai lệch so với điện áp ra DC được đo bởi thiết bị cấp điện cho EV | - | - | 0 | 0 | 1 | 0: Không lỗi 1: Lỗi f |
| 500 | 0 | 6-7 | - | (Dự phòng) d | - | - | - | - | - |
|
| 500 | 1 | 0 | Cho phép sạc EV | Cờ trạng thái chỉ thị trạng thái cho phép sạc của EV | - | - | 0 | 0 | 1 | 0: Không cho phép 1: Cho phép |
| 500 | 1 | 1 | Trạng thái côngtắctơ | Cờ trạng thái chỉ thị công tắc tơ của EV đóng trước khi sạc hoặc trước khi hoàn thành việc phát hiện dính tiếp điểm |
|
| 1 | 0 | 1 | 0: Khác 1: Công tắc tơ mở trước khi sạc hoặc trước khi kết thúc phát hiện dính tiếp điểm |
| 500 | 1 | 2 | Vị trí sạc EV | Cờ trạng thái chỉ thị vị trí EV có hoặc không thích hợp cho việc sạc điện | - | - | 0 | 0 | 1 | 0: Vị trí thích hợp 1: Vị trí không thích hợp |
| 500 | 1 | 3 | Điều khiển dừng sạc EV | Cờ trạng thái chỉ thị việc chuyển trạng thái để dừng quá trình truyền năng lượng EV | - | - | 0 | 0 | 1 | 0: Trước khi chuyển trạng thái 1: Sau khi chuyển trạng thái |
| 500 | 1 | 4 | Đợi yêu cầu trì hoãn truyền năng lượng | Cờ trạng thái yêu cầu trì hoãn quy trình truyền năng lượng (công tắc tơ của EV đang mở) | - | - | 0 | 0 | 1 | 0: Không yêu cầu 1: Yêu cầu đợi |
| 500 | 1 | 5 | Lệnh truyền thông số | Cờ trạng thái đặt là 1 để chỉ thị rằng truyền thông cần được dừng lại |
|
| 0 | 0 | 1 | 0: tình trạng bình thường trong truyền thông 1: yêu cầu dừng truyền thông |
| 500 | 1 | 6-7 | - | (Dự phòng) | - | - | - | - | - | - |
| 500 | 2 | 0-7 | Dòng điện đầu ra DC yêu cầu (8 bit thấp) | Giá trị dòng diện yêu cầu bởi EV trong quá trình sạc | 0,1 | A | 0 | 0 | 120 | - |
| 500 | 3 | 0-7 | Dòng điện đầu ra DC yêu cầu (8 bit thấp) | |||||||
| 500 | 4 | 0-7 | Điện áp đầu ra DC yêu cầu (8 bit thấp) | Điện áp sạc mục tiêu tại các đầu nối vào xe điện | 0,1 | V | 6 553,5 | 0 | 120 | - |
| 500 | 5 | 0-7 | Dòng điện đầu ra DC yêu cầu (8 bit thấp) | |||||||
| 500 | 6 | 0-7 | Điện áp đầu ra DC lớn nhất (8 bit thấp) | Giá trị điện áp lớn nhất tại đầu nối vào xe điện, tại đó thiết bị cấp điện cho EV sẽ dừng quá trình sạc để bảo vệ pin/acquy EV | 0,1 | V | 6 553,5 | 0 | 120 |
|
| 500 | 7 | 0-7 | Dòng điện đầu ra DC yêu cầu (8 bit thấp) | |||||||
| 501 | 0 | 0-7 | Số thủ tục điều khiển | Số phiên bản phần mềm của thủ tục điều khiển hoặc trình tự sạc điện mà EV đang thực hiện | 1 | - | b | 0 | 254 | - |
| 501 | 1 | 0-7 | Tốc độ sạc | Tốc độ sạc của pin/acquy | 1 | % | 255 | 0 | 100 |
|
| 501 | 2 | 0-7 | Thời gian sạc lớn nhất (8 bit thấp) | Thời gian sạc lớn nhất cho phép bởi EV | 1 | min | 65 535 | 0 | 65 534 |
|
| 501 | 3 | 0-7 | Thời gian sạc lớn nhất (8 bit cao) | |||||||
| 501 | 4 | 0-7 | Thời gian sạc ước lượng (8 bit thấp) | Thời gian duy trì ước lượng trước khi kết thúc sạc, tính toán bởi EV | 1 | min | 65 535 c | 0 | 65 534 |
|
| 501 | 5 | 0-7 | Thời gian sac ước lượng (8 bit cao) | |||||||
| 501 | 0-7 | 0-7 | - | (Dự phòng)d | - | - | - | - | - | - |
| 502 | 0 | 0 | Tùy chọn điều khiển điện áp | Cờ trạng thái chỉ thị việc EV yêu cầu rằng thiết bị cấp điện DC cho EV đang hoạt động sao cho điện áp ra DC sẽ duy trì ở tham số mục tiêu của điện áp ra DC |
|
|
|
|
| 0: không điều khiển điện áp 1: cho phép điều khiển điện áp |
| 580 | 0-7 | 0-7 | Byte thấp nhận biết EV | Số seri theo ISO 3297:2017 e |
|
|
|
|
|
|
| 581 | 0-7 | 0-7 | Byte cao nhận biết EV | Số seri theo ISO 3297:2017 e |
|
|
|
|
|
|
| 582 | 0-7 | 0-7 | Byte thấp nhận biết thủ tục | Để xây dựng trong tương lai e |
|
|
|
|
|
|
| 583 | 0-7 | 0-7 | Byte cao nhận biết thủ tục | Để xây dựng trong tương lai e |
|
|
|
|
|
|
| 588-5FF | 0-7 | 0-7 |
| (Dự phòng) d | - | - | - | - | - | - |
| a “Ban đầu” nghĩa là giá trị được truyền đến thiết bị cáp điện một chiều cho EV trong khi kết quả tính toán chưa thực hiện. b Dữ liệu cố định được truyền vì dữ liệu này được xác định bởi thiết kế ngay từ ban đầu. c Dữ liệu này có thể được truyền liên tục khi EV không thông báo cho thiết bị cấp điện DC cho EV về thời gian sạc ước lượng. d Các ID CAN này được dự phòng cho việc mở rộng trong tương lai. e Thông tin tùy chọn chưa được sử dụng cho thủ tục sạc điện. f Cờ trạng thái đối với một lỗi sẽ dẫn đến: - Thiết bị cấp điện một chiều cho EV khởi tạo tắt bình thường. - Thiết bị cấp điện một chiều cho EV sẽ đặt “điều khiển dừng thiết bị cấp điện một chiều cho EV” = 1. | ||||||||||
Bảng FF3 - Tham số được truyền trong quá trình sạc một chiều
| CAN-ID (H’) | Byte | Bit | Tham số | Nội dung | Độ phân giải trên bit | Đơn vị | Ban đầu a | Min | Max | Cờ trạng thái |
| 508 | 0 | 0 | Lỗi hệ thống sạc điện | Cờ trạng thái chỉ thị việc thực hiện sai chức năng gây ra do EV hoặc do thiết bị cáp điện cho EV, và được phát hiện bởi EV | - | - | 0 | 0 | 1 | 0: Không lỗi 1: Lỗi e |
| 508 | 0 | 1 | Thiết bị cấp điện cho EV hoạt động sai | Cờ trạng thái chỉ thị việc có hay không việc thực hiện sai chức năng gây ra do thiết bị cấp điện cho EV | - | - | 0 | 0 | 1 | 0: Không lỗi 1: Lỗi e |
| 508 | 0 | 2 | EV không tương thích | Cờ trạng thái chỉ thị tính tương thích của EV (kể cả pin/acquy EV) với điện áp ra DC của EV | - | - | 0 | 0 | 1 | 0: Tương thích 1: Không tương thích |
| 508 | 0 | 3-7 | - | (Dự phòng) | - | - | - | - | - | - |
| 508 | 1 | 0 | Điều khiển dừng thiết bị cấp điện cho EV | Cờ trạng thái chỉ thị việc thiết bị cấp điện cho EV có hoặc không tiếp tục quá trình tắt |
|
| 0 | 0 | 1 | 0: Hoạt động 1: Tắt hoặc dừng sạc |
| 508 | 1 | 1 | Trạng thái của thiết bị cấp điện cho EV | Cờ trạng thái chỉ thị việc truyền năng lượng từ EV | - | - | 0 | 0 | 1 | 0: Chờ 1: Sạc |
| 508 | 1 | 2 | Phích nối xe điện được chốt | Cờ trạng thái chỉ thị trạng thái chốt điện từ của phích nối xe điện | - | - | 0 | 0 | 1 | 0: Chưa chốt 1: Chốt |
| 508 | 1 | 3 | Thiết bị cấp điện cho EV sẵn sàng | Cờ trạng thái chỉ thị thiết bị cáp điện cho EV sẵn sàng cho sạc điện (không đợi) |
|
| 0 | 0 | 1 | 0: Chưa sẵn sàng 1: Sẵn sàng |
| 508 | 1 | 4 | Trạng thái đợi trước khi sạc bắt đầu | Cờ trạng thái xác nhận chỉ thị rằng EV đang trì hoãn sạc điện (công tắc tơ EV mở) |
|
| 0 | 0 | 1 | 0: Đợi 1: Truyền năng lượng |
| 508 | 1 | 5-7 | - | (Dự phòng) | - | - | - | - | - | - |
| 508 | 2 | 0-7 | Điện áp ra DC danh định (8 bit thấp) | Giá trị điện áp ra DC danh định tại các đầu nối của phích nối xe điện | 0,1 | V | 6 553,5 | 0 | 120 | - |
| 508 | 3 | 0-7 | Điện áp ra DC danh định (8 bit cao) | |||||||
| 508 | 4 | 0-7 | Dòng điện đầu ra DC khả dụng (8 bit thấp) | Giá trị dòng điện yêu cầu bởi EV trong quá trình sạc | 0,1 | A | 6 553,5 | 0 | 100 | - |
| 508 | 5 | 0-7 | Dòng điện đầu ra DC khả dụng (8 bit cao) | |||||||
| 508 | 6 | 0-7 | Giới hạn điện áp ra DC được xác nhận (8 bit thấp) | Điện áp ngưỡng để dừng quá trình sạc nhằm bảo vệ pin/acquy EV | 0,1 | V | 6 553,5 | 0 | 120 | - |
| 508 | 7 | 0-7 | Giới hạn điện ấp ra DC được xác nhận (8 bit cao) | |||||||
| 509 | 0 | 0-7 | Số thủ tục điều khiển | Số phiên bản phần mềm của thủ tục điều khiển hoặc trình tự sạc điện mà EV đang thực hiện | 1 | - | b | 0 | 254 | - |
| 509 | 1 | 0-7 | Công suất ra DC khả dụng | Giá trị công suất ra DC danh định của thiết bị cấp điện cho EV | 50 | W | 12 750 | 0 | 12 700 | - |
| 509 | 2 | 0-7 | Điện áp ra DC (8 bit thấp) | Giá trị điện áp nguồn của mạch đầu ra trong thiết bị cấp điện cho EV | 0,1 | V | 6 553,5 | 0 | 250 |
|
| 509 | 3 | 0-7 | Điện áp ra DC (8 bit cao) | |||||||
| 509 | 4 | 0-7 | Dòng điện ra DC (8 bit thấp) | Giá trị dòng điện nguồn của mạch đầu ra trong thiết bị cấp điện cho EV | 0,1 | A | 6 553,5 | 0 | 150 |
|
| 509 | 5 | 0-7 | Dòng điện ra DC (8 bit cao) | |||||||
| 509 | 6 | 0-7 | Duy trì thời gian sạc (8 bit thấp) | Duy trì thời gian trước khi kết thúc sạc điện | 1 | min | 65 535 | 0 | 65 534 | - |
| 509 | 7 | 0-7 | Duy trì thời gian sạc (8 bit cao) |
|
|
|
|
|
|
|
| 510 | 0 | 1 | Tùy chọn điều khiển điện áp | Cờ trạng thái chỉ thị việc EV yêu cầu rằng thiết bị cấp điện DC cho EV đang hoạt động sao cho điện áp ra DC sẽ duy trì ở tham số mục tiêu của điện áp ra DC |
|
|
|
|
| 0: không điều khiển điện áp 1: cho phép điều khiển điện áp |
| 584 | 0-7 | 0-7 | Byte thấp nhận biết EV | Số seri theo ISO 3297:2017 e |
|
|
|
|
|
|
| 585 | 0-7 | 0-7 | Byte cao nhận biết EV | Số seri theo ISO 3297:2017 e |
|
|
|
|
|
|
| 586 | 0-7 | 0-7 | Byte thấp nhận biết thủ tục | Để xây dựng trong tương lai e |
|
|
|
|
|
|
| 587 | 0-7 | 0-7 | Byte cao nhận biết thủ tục | Để xây dựng trong tương lai e |
|
|
|
|
|
|
| 588-5FF | 0-7 | 0-7 |
| (Dự phòng) d | - | - | - | - | - | - |
| a “Ban đầu” nghĩa là giá trị được truyền đến thiết bị cấp điện một chiều cho EV trong khi kết quả tính toán chưa thực hiện. b Dữ liệu cố định được truyền vì dữ liệu này được xác định bởi thiết kế ngay từ ban đầu. c Các ID CAN này được dự phòng cho việc mở rộng trong tương lai. d Thông tin tùy chọn chưa được sử dụng cho thủ tục sạc điện. e Cờ trạng thái đổi với một lỗi sẽ khiển EV dừng truyền năng lượng. | ||||||||||
Thư mục tài liệu tham khảo
[1] TCVN 13078 21-1 (IEC 61851-21-1), Hệ thống sạc điện có dây dùng cho xe điện - Phần 21-1: Yêu cầu tương thích điện từ của bộ sạc lắp trên xe điện kết nối có dây với nguồn cấp điện xoay chiều/một chiều
[2] TCVN 13078-23 (IEC 61851-23), Hệ thống sạc điện cho xe điện - Phần 23: Trạm sạc điện một chiều cho xe điện
[3] TCVN 13078-24:2022 (IEC 61851-24:2014), Hệ thống sạc điện có dây dùng cho xe điện - Phần 24: Truyền thông kỹ thuật số giữa trạm sạc điện một chiều cho xe điện và xe điện để điều khiển sạc điện một chiều
[4] ISO 18246:2015, Electrically propelled mopeds and motorcycles - Safety requirements for conductive connection to an external electric power supply
Mục lục
Lời nói đầu
1 Phạm vi áp dụng
2 Tài liệu viện dẫn
3 Thuật ngữ và định nghĩa
4 Yêu cầu chung
5 Phân loại
6 Chế độ sạc và chức năng
7 Truyền thông
8 Bảo vệ chống điện giật
9 Yêu cầu đối với giao diện dẫn
10 Yêu cầu đối với bộ tiếp hợp
11 Yêu cầu đối với cụm cáp
12 Yêu cầu và thử nghiệm kết cấu đối với thiết bị cấp điện cho EV
13 Bảo vệ quá tải và bảo vệ ngắn mạch
14 Tự động đóng lại thiết bị bảo vệ
15 Đóng cắt hoặc ngắt khẩn cấp (tùy chọn)
16 Ghi nhãn và hướng dẫn
Phụ lục AA (quy định) - Giao thức giữa thiết bị cấp điện một chiều cho EV và EV
Phụ lục BB (quy định) - Mức, định thời gian và dung sai của dòng điện ra một chiều và điện áp ra một chiều
Phụ lục CC (quy định) - Mô tả thiết bị thử nghiệm, báo cáo thử nghiệm và môi trường thử nghiệm .
Phụ lục DD (quy định) - Thử nghiệm sự phù hợp
Phụ lục EE (quy định) - Quá trình truyền năng lượng và truyền thông
Phụ lục FF (quy định) - Truyền thông số để điều khiển quá trình truyền năng lượng
Thư mục tài liệu tham khảo
[1] Hệ thống tiêu chuẩn quốc gia đã có TCVN 13724-7:2023 hoàn toàn tương đương với IEC 61439-7:2022.
Bạn chưa Đăng nhập thành viên.
Đây là tiện ích dành cho tài khoản thành viên. Vui lòng Đăng nhập để xem chi tiết. Nếu chưa có tài khoản, vui lòng Đăng ký tại đây!
