- Tổng quan
- Nội dung
- Tiêu chuẩn liên quan
- Lược đồ
- Tải về
Tiêu chuẩn TCVN 14296-6:2025 Phích cắm, ổ cắm, phích nối dùng cho xe điện - Sạc điện có dây dùng cho xe điện
| Số hiệu: | TCVN 14296-6:2025 | Loại văn bản: | Tiêu chuẩn Việt Nam |
| Cơ quan ban hành: | Bộ Khoa học và Công nghệ | Lĩnh vực: | Công nghiệp |
| Trích yếu: | IEC 62196-6:2022 Phích cắm, ổ cắm, phích nối dùng cho xe điện và ổ nối vào xe điện - Sạc điện có dây dùng cho xe điện - Phần 6: Yêu cầu tương thích về kích thước đối với các bộ nối xe điện dạng chân cắm và dạng ống tiếp xúc DC được thiết kế để sử dụng cho thiết bị cấp điện một chiều cho EV có bảo vệ dựa vào sự phân cách về điện | ||
|
Ngày ban hành:
Ngày ban hành là ngày, tháng, năm văn bản được thông qua hoặc ký ban hành.
|
22/01/2025 |
Hiệu lực:
|
Đã biết
|
| Người ký: | Đang cập nhật |
Tình trạng hiệu lực:
Cho biết trạng thái hiệu lực của văn bản đang tra cứu: Chưa áp dụng, Còn hiệu lực, Hết hiệu lực, Hết hiệu lực 1 phần; Đã sửa đổi, Đính chính hay Không còn phù hợp,...
|
Đã biết
|
TÓM TẮT TIÊU CHUẨN VIỆT NAM TCVN 14296-6:2025
Tiêu chuẩn về phích cắm, ổ cắm cho xe điện: Yêu cầu kích thước và tính tương thích
Ngày 22/01/2025, Bộ Khoa học và Công nghệ đã công bố Tiêu chuẩn quốc gia TCVN 14296-6:2025 IEC 62196-6:2022 về các phích cắm, ổ cắm và phích nối dùng cho xe điện, cũng như các ổ nối vào xe điện cho sạc điện có dây. Tiêu chuẩn này có hiệu lực từ ngày ban hành.
Tiêu chuẩn này quy định yêu cầu về kích thước và tính tương thích của bộ nối xe điện dạng chân cắm và dạng ống tiếp xúc DC, cụ thể cho các thiết bị cấp điện một chiều cho xe điện (EV) có bảo vệ dựa vào sự phân cách về điện.
Đối tượng điều chỉnh và phạm vi áp dụng
Tiêu chuẩn áp dụng cho các phích nối và ổ nối vào xe điện, gọi chung là "phụ kiện", cũng như các cụm cáp dùng cho xe điện. Nó được thiết kế để sử dụng cho hệ thống sạc điện có dây với điện áp tối đa 120 V DC và dòng điện tối đa 100 A. Các phụ kiện này được quy định làm việc trong môi trường nhiệt độ từ -30 °C đến +40 °C.
Yêu cầu về thông số đặc trưng
Tiêu chuẩn quy định các thông số đặc trưng như dải điện áp làm việc, cụ thể áp dụng giới hạn dải điện áp từ 0 V đến 30 V để điều khiển và 120 V DC cho sạc điện. Dòng điện danh định cho phích nối có thể lên đến 100 A, trong khi cụm cáp có thể sử dụng 16 A, 20 A, 50 A, 70 A và 100 A.
Giao diện kết nối và chức năng
Tiêu chuẩn nêu rõ giao diện giữa nguồn cung cấp và xe điện, trong đó giao diện DC có thể chứa tối đa 7 tiếp điểm. Các tiếp điểm này bao gồm hai cho dòng điện (+, -), các điểm cho quá trình điều khiển và truyền thông, cũng như nguồn cấp phụ.
Thiết kế và an toàn
Phích nối và ổ nối phải được thiết kế để đảm bảo an toàn, có khả năng chịu lực kéo và chịu nhiệt đúng tiêu chuẩn. Cấp độ bảo vệ chống điện giật cũng cần đạt yêu cầu dựa trên TCVN 13078-25 (IEC 61851-25).
Kích thước và chất liệu
Tiêu chuẩn yêu cầu kích thước của các bộ phận phụ kiện phải theo đúng quy định để đảm bảo tính tương thích. Chất liệu chế tạo đảm bảo độ bền và khả năng chống lão hóa, giúp duy trì hiệu suất theo thời gian.
Tất cả các thông số và yêu cầu trên nhằm đảm bảo an toàn, tính tương thích và hiệu suất tối ưu trong việc sử dụng các thiết bị sạc cho xe điện, hỗ trợ sự phát triển của ngành công nghiệp xe điện tại Việt Nam.
Tải tiêu chuẩn Việt Nam TCVN 14296-6:2025
TIÊU CHUẨN QUỐC GIA
TCVN 14296-6:2025
IEC 62196-6:2022
PHÍCH CẮM, Ổ CẮM, PHÍCH NỐI DÙNG CHO XE ĐIỆN VÀ Ổ NỐI VÀO XE ĐIỆN - SẠC ĐIỆN CÓ DÂY DÙNG CHO XE ĐIỆN - PHẦN 6: YÊU CẦU TƯƠNG THÍCH VỀ KÍCH THƯỚC ĐỐI VỚI BỘ NỐI XE ĐIỆN DẠNG CHÂN CẮM VÀ DẠNG ỐNG TIẾP XÚC DC ĐƯỢC THIẾT KẾ ĐỂ SỬ DỤNG CHO THIẾT BỊ CẤP ĐIỆN MỘT CHIỀU CHO EV CÓ BẢO VỆ DỰA VÀO SỰ PHÂN CÁCH VỀ ĐIỆN
Plugs, socket-outlets, vehicle connectors and vehicle inlets - Conductive charging of electric vehicles - Part 6: Dimensional compatibility requirements for DC pin and contact-tube vehicle couplers intended to be used for DC EV supply equipment where protection relies on electrical separation
Lời nói đầu
TCVN 14296-6:2025 hoàn toàn tương đương với IEC 62196-6:2022;
TCVN 14296-6:2025 do Ban kỹ thuật tiêu chuẩn quốc gia TCVN/TC/E16 Hệ thống truyền năng lượng cho xe điện biên soạn, Viện Tiêu chuẩn Chất lượng Việt Nam đề nghị, Ủy ban Tiêu chuẩn Đo lường Chất lượng Quốc gia thẩm định, Bộ Khoa học và Công nghệ công bố.
Bộ tiêu chuẩn TCVN 14296 (IEC 62196), Phích cắm, ổ cắm, phích nối dùng cho xe điện và ổ nối vào xe điện - Sạc điện có dây dùng cho xe điện gồm các tiêu chuẩn sau:
- Phần 1: Yêu cầu chung;
- Phần 2: Yêu cầu tương thích về kích thước đối với phụ kiện dạng chân cắm và dạng ống tiếp xúc AC;
- Phần 3: Yêu cầu tương thích về kích thước đối với bộ nối xe điện dạng chân cắm và dạng ống tiếp xúc DC và AC/DC;
- Phần 3-1: Phích nối dùng cho xe điện, ổ nối vào xe điện và cụm cáp dùng cho sạc điện DC được thiết kế để sử dụng với hệ thống quản lý nhiệt;
- Phần 4: Yêu cầu tương thích về kích thước và tính đổi lẫn đối với phụ kiện dạng chân cắm và dạng ống tiếp xúc DC dùng cho các ứng dụng Cấp II hoặc Cấp III;
- Phần 6: Yêu cầu tương thích về kích thước đối với bộ nối xe điện dạng chân cắm và dạng ống tiếp xúc DC được thiết kế để sử dụng cho thiết bị cấp điện một chiều cho EV có bảo vệ dựa vào sự phân cách về điện.
PHÍCH CẮM, Ổ CẮM, PHÍCH NỐI DÙNG CHO XE ĐIỆN VÀ Ổ NỐI VÀO XE ĐIỆN - SẠC ĐIỆN CÓ DÂY DÙNG CHO XE ĐIỆN - PHẦN 6: YÊU CẦU TƯƠNG THÍCH VỀ KÍCH THƯỚC ĐỐI VỚI BỘ NỐI XE ĐIỆN DẠNG CHÂN CẮM VÀ DẠNG ỐNG TIẾP XÚC DC ĐƯỢC THIẾT KẾ ĐỂ SỬ DỤNG CHO THIẾT BỊ CẤP ĐIỆN MỘT CHIỀU CHO EV CÓ BẢO VỆ DỰA VÀO SỰ PHÂN CÁCH VỀ ĐIỆN
Plugs, socket-outlets, vehicle connectors and vehicle inlets - Conductive charging of electric vehicles - Part 6: Dimensional compatibility requirements for DC pin and contact-tube vehicle couplers intended to be used for DC EV supply equipment where protection relies on electrical separation
1 Phạm vi áp dụng
Tiêu chuẩn này áp dụng cho các phích nối dùng cho xe điện, ổ nối vào xe điện, sau đây gọi tắt là “phụ kiện”, và cụm cáp dùng cho xe điện (EV) được thiết kế để sử dụng trong hệ thống sạc điện có dây cùng với các phương tiện điều khiển, có điện áp hoạt động danh định đến 120 V DC và dòng điện danh định đến 100 A.
Các phụ kiện này được thiết kế để sử dụng cho giao diện DC của hệ thống sạc điện có dây theo TCVN 13078-25:2023 (IEC 61851-25:2020).
Tiêu chuẩn này áp dụng cho các phụ kiện và cụm cáp được sử dụng ở nhiệt độ môi trường xung quanh từ -30 °C đến +40 °C.
Phích nối dùng cho xe điện và ổ nối vào xe điện chỉ được thiết kế để nối với các cáp có ruột dẫn bằng đồng hoặc hợp kim đồng.
2 Tài liệu viện dẫn
Áp dụng Điều 2 của TCVN 14296-1:2025 (IEC 62196-1:2022), ngoài ra:
TCVN 13078-25:2023 (IEC 61851-25:2020), Hệ thống sạc điện có dây dùng cho xe điện - Phần 25: Thiết bị cấp điện một chiều cho xe điện có bảo vệ dựa trên phân cách về điện
TCVN 14296-1:2025 (IEC 62196-1:2022), Phích cắm, ổ cắm, phích nối dùng cho xe điện và ổ nối vào xe điện - Sạc điện có dây dùng cho xe điện - Phần 1: Yêu cầu chung
3 Thuật ngữ và định nghĩa
Áp dụng Điều 3 của TCVN 14296-1:2025 (IEC 62196-1:2022).
4 Quy định chung
Áp dụng Điều 4 của TCVN 14296-1:2025 (IEC 62196-1:2022), ngoài ra:
4.1 Yêu cầu chung
Thay đoạn đầu tiên bằng nội dung sau:
Các phụ kiện thuộc phạm vi áp dụng của tiêu chuẩn này chỉ được sử dụng với thiết bị cấp điện DC cho EV phù hợp với các yêu cầu của TCVN 13078-25:2023 (IEC 61851-25:2020).
5 Thông số đặc trưng
Áp dụng Điều 5 của TCVN 14296-1:2025 (IEC 62196-1:2022), ngoài ra:
Thay thế:
5.1 Dải điện áp làm việc danh định ưu tiên
Dải điện áp làm việc danh định ưu tiên gồm:
0 V đến 30 V (chỉ cho mục đích báo hiệu và điều khiển)
120 V DC
5.2 Các dòng điện danh định ưu tiên
5.2.1 Quy định chung
Các dòng một chiều điện danh định đối với phích nối dùng cho xe điện là 100 A.
Dòng điện một chiều danh định đối với cụm cáp:
16 A
20 A
50 A
70 A
100 A
6 Đấu nối giữa nguồn cung cấp và xe điện
Áp dụng Điều 6 của TCVN 14296-1:2025 (IEC 62196-1:2022), ngoài ra:
6.1 Giao diện
Thay thế:
Điều 6 đưa ra bản mô tả các yêu cầu về giao diện điện dẫn vật lý giữa xe điện và nguồn cung cấp cho giao diện DC.
6.2 Giao diện cơ bản
Không áp dụng.
6.3 Giao diện DC
Thay thế:
Giao diện DC có thể chứa đến 7 tiếp điểm (nguồn hoặc tín hiệu), với chỉ một cấu hình vật lý của các vị trí tiếp điểm. Các thông số đặc trưng về điện và chức năng của chúng được mô tả trong Bảng 601. Chúng phải được sử dụng trong hệ thống theo TCVN 13078-25 (IEC 61851-25).
Bảng 601 - Tổng quan của giao diện DC
| Số vị trí a | Umax V | Imax A | Ký hiệu | Chức năng |
| 1 | 120 | 100 | DC + | DC + |
| 2 | 120 | 100 | DC - | DC - |
| 3 | 30 | 2 | CPW b | Điều khiển quá trình sạc |
| 4 | 30 | 2 | CAN HI | Truyền thông (CAN) (+) |
| 5 | 30 | 2 | CAN LO | Truyền thông (CAN) (-) |
| 6 | 30 | 2 | +12 V | Nguồn cấp phụ (+) |
| 7 | 30 | 2 | 0 V | Nguồn cấp phụ (-) |
| a Số vị trí không tham chiếu đến vị trí và/hoặc nhận dạng tiếp điểm trong phụ kiện. b CPW là viết tắt của “dây dẫn điều khiển quá trình sạc”. | ||||
6.4 Giao diện kết hợp
Không áp dụng.
7 Phân loại các phụ kiện
Áp dụng Điều 7 của TCVN 14296-1:2025 (IEC 62196-1:2022), ngoài ra:
7.1 Theo mục đích
Thay thế:
- phích nối dùng cho xe điện;
- ổ nối vào xe điện;
- cụm cáp.
7.5 Theo giao diện
Thay thế:
- DC.
8 Ghi nhãn
Áp dụng Điều 8 của TCVN 14296-1:2025 (IEC 62196-1:2022).
9 Kích thước
Áp dụng Điều 9 của TCVN 14296-1:2025 (IEC 62196-1:2022), ngoài ra:
Phích nối dùng cho xe điện và ổ nối dùng cho xe phải phù hợp với cẩu hình thể hiện trong tờ tiêu chuẩn 6.
10 Bảo vệ chống điện giật
Áp dụng Điều 10 của TCVN 14296-1:2025 (IEC 62196-1:2022), ngoài ra:
10.3 Trình tự tiếp điểm và thứ tự cắm và rút tiếp điểm
Thay thế:
Trình tự tiếp điểm trong quá trình cắm và rút tiếp điểm phải như sau:
- tiếp điểm nguồn DC,
- tiếp điểm điều khiển quá trình sạc và các tiếp điểm khác (tức là nguồn phụ trợ và truyền thông).
Trong quá trình ngắt, trình tự này được đảo ngược.
Các phụ kiện phải được thiết kế sao cho:
a) khi cắm phích nối dùng cho xe, các tiếp điểm điều khiển quá trình sạc và các tiếp điểm khác (tức là nguồn phụ trợ và truyền thông) được nối sau khi nối các tiếp điểm DC +/-;
b) khi rút phích nối dùng cho xe, các tiếp điểm điều khiển quá trình sạc và các tiếp điểm khác (tức là nguồn phụ trợ và truyền thông) được ngắt trước khi ngắt các tiếp điểm DC +/-.
Kiểm tra sự phù hợp bằng cách xem xét và thử nghiệm bằng tay, nếu có yêu cầu.
11 Kích thước và màu của các dây nối đất bảo vệ và dây trung tính
Không áp dụng.
12 Quy định cho nối đất
Không áp dụng.
13 Đầu nối
Áp dụng Điều 13 của TCVN 14296-1:2025 (IEC 62196-1:2022), ngoài ra:
Thay Bảng 1:
Bảng 3 - Cỡ dây
| Thông số đặc trưng | Đấu nối bên trong | |
| Dòng điện | Cáp mềm dùng cho các phích nối dùng cho xe điện Cáp một sợi hoặc bện dùng cho ổ nối vào xe điện a | |
| A | mm2 | AWG/MCM b |
| 16 đến 20 | 1,0 đến 2,5 | 16 đến 14 |
| 50 | 6 đến 10 | 10 đến 8 |
| 70 | 10 đến 16 | 8 đến 6 |
| 100 | 16 đến 25 | 6 đến 4 |
| a Phân loại ruột dẫn: Theo TCVN 6612 (IEC 60228). b Tiết diện danh nghĩa của ruột dẫn được tính bằng milimét vuông (mm2). Các giá trị AWG/MCM được xem là tương đương với mm2 với mục đích của tiêu chuẩn này. Tham khảo IEC 60999-1:1999 (Phụ lụcA), IEC 60999-2:2003 (Phụ lục C). AWG: Dưỡng dây dẫn của Mỹ là hệ thống nhận biết dây trong đó đường kính được tính theo cấp số nhân giữa cỡ 36 và cỡ 0000. MCM: Mille Circular Mils biểu thị đơn vị bề mặt hình tròn. 1 MCM = 0,5 067 mm2. | ||
14 Khóa liên động
Áp dụng Điều 14 của TCVN 14296-1:2025 (IEC 62196-1:2022), ngoài ra:
Thay thế:
14.1.6 Ổ cắm vào EV được cố định vào giá đỡ của một thiết bị như minh họa trong Hình 14 a) sao cho trục phân cách nằm ngang. Với thiết bị chốt giữ đầu nối dùng cho xe điện với ổ nối vào xe điện ở vị trí gài khớp, một lực kéo dọc trục được đặt vào cáp được gắn tại phích nối dùng cho xe điện thích hợp vào ổ nối vào xe điện có khóa liên động.
Các tiếp điểm được lau sạch dầu mỡ trước khi thử nghiệm.
Mẫu thử được cắm vào và rút ra khỏi ổ nối vào xe điện trong mười lần. Sau đó nó lại được cắm vào với một vật nặng được gắn vào nó bằng một kẹp thích hợp. Tổng khối lượng của bộ nối dùng cho xe điện, kẹp, giá đỡ, khối lượng chính và khối lượng phụ phải tạo ra lực kéo bằng 750 N. Khối lượng bổ sung phải sao cho nó tác dụng một lực bằng 1/10 lực rút ra. Phương tiện giữ, nếu có, phải được mở.
Khối lượng chính được treo không lắc vào đầu nối xe thử nghiệm và khối lượng phụ được thả rơi từ độ cao 5 cm lên khối lượng chính.
Sau thử nghiệm này, khối lượng tổng phải được duy trì trong 60 s.
Thử nghiệm 14.1.6 được lặp lại ba lần, mỗi lần quay ổ cắm vào của xe một góc 90° trên mặt phẳng thẳng đứng (xem Hình 14b)).
Trong suốt quá trình thử nghiệm 14.1.6, phích nối dùng cho xe điện không được tuột ra khỏi ổ nối vào xe điện và các thiết bị chốt giữ phích nối dùng cho xe điện và ổ nối vào xe điện phải được giữ ở vị trí chốt.
Trong suốt quá trình thử nghiệm dòng điện liên tục được duy trì, và cáp không được hỏng.
Sau thử nghiệm, phích nối dùng cho xe điện có khóa liên động không được có hư hỏng hoặc biến dạng có thể làm giảm chức năng của sản phẩm. Cáp không được dịch chuyển quá các giá trị cho trong Bảng 11. Đối với phụ kiện thay dây được, các đầu ruột dẫn không được dịch chuyển đáng kể trong đầu nối; đối với các phụ kiện không thay dây được thì không được đứt các mối nối điện.
Để đo độ dịch chuyển dọc, đánh dấu trên cáp ở khoảng cách khoảng 2 cm tính từ đầu mẫu hoặc cơ cấu chặn cáp trước khi bắt đầu các thử nghiệm. Đối với phụ kiện không thay dây được, nếu mẫu không có đầu cuối xác định thì phải đánh dấu bổ sung trên thân mẫu.
Sau các thử nghiệm, đo độ dịch chuyển của dấu trên cáp so với mẫu hoặc cơ cấu chặn cáp.
Kiểm tra sự phù hợp bằng cách xem xét và thử nghiệm.
14.4 Tiếp điểm pilot và các mạch phụ trợ
Thay thế:
Tiếp điểm pilot và các mạch phụ trợ được sử dụng cho khóa liên động phải tác động sau khi các tiếp điểm DC+ và DC- đã tác động.
Tiếp điểm pilot và các mạch phụ trợ được sử dụng cho khóa liên động phải ngắt trước khi các tiếp điểm DC+ và DC- ngắt mạch.
Kiểm tra sự phù hợp bằng cách xem xét, và thử nghiệm trong 14.1.5.
Thay thế:
14.601 Chức năng chốt
Đầu nối của xe phải có thiết bị chốt.
Một ví dụ về thiết bị chốt được nêu trong Tờ tiêu chuẩn 6-d.
Chức năng khóa liên động phải được thực hiện bằng hoạt động đúng của thiết bị chốt.
Phải có cách thức để chỉ ra rằng khóa liên động đã được gài khớp đúng cách.
Kiểm tra sự phù hợp bằng cách xem xét và thử nghiệm bằng tay theo 14.1.5 và 14.1.6
15 Khả năng chống lão hóa của vật liệu cao su và nhựa nhiệt dẻo
Áp dụng Điều 15 của TCVN 14296-1:2025 (IEC 62196-1:2022).
16 Kết cấu chung
Áp dụng Điều 16 của TCVN 14296-1:2025 (IEC 62196-1:2022), ngoài ra:
16.16
Thay đoạn thứ nhất:
Lực cắm phích nối vào xe phải nhỏ hơn 100 N. Cho phép có phương tiện tạo thuận lợi cho việc cắm và rút phích nối của xe vào ổ nối của xe dễ dàng hơn. Nếu phích nối dùng cho xe điện có trang bị thiết bị trợ giúp để giảm lực này (ví dụ thiết bị trợ giúp cơ khí), lực hoạt động của thiết bị trợ giúp phải nhỏ hơn 100 N.
17 Kết cấu của ổ cắm EV - Quy định chung
Không áp dụng Điều 17 của TCVN 14296-1:2025 (IEC 62196-1:2022).
18 Kết cấu của phích cắm EV và phích nối dùng cho xe điện
Áp dụng Điều 18 của TCVN 14296-1:2025 (IEC 62196-1:2022), ngoài ra:
18.1
Bổ sung, sau đoạn thứ hai:
Cơ cấu cắt theo nguyên lý nhiệt trong phích nối dùng cho xe điện là tùy chọn đối với sạc điện DC.
19 Kết cấu của ổ nối vào xe điện
Áp dụng Điều 19 của TCVN 14296-1:2025 (IEC 62196-1:2022), ngoài ra:
19.2 Không áp dụng.
20 Cấp bảo vệ
Áp dụng Điều 20 của TCVN 14296-1:2025 (IEC 62196-1:2022), ngoài ra:
20.1 Thay câu đầu tiên:
Phụ kiện phải có cấp bảo vệ tối thiểu như yêu cầu trong TCVN 13078-25 (IEC 61851-25).
21 Điện trở cách điện và độ bền điện môi
Áp dụng Điều 21 của TCVN 14296-1:2025 (IEC 62196-1:2022).
22 Khả năng cắt
Không áp dụng Điều 22 của TCVN 14296-1:2025 (IEC 62196-1:2022).
23 Hoạt động bình thường
Áp dụng Điều 23 của TCVN 14296-1:2025 (IEC 62196-1:2022), ngoài ra:
Thay Bảng 9:
Bảng 9 - Hoạt động bình thường
| Dòng điện danh định A | Chu kỳ hoạt động |
| Không tải | |
| 16 đến 20 | 10 000 |
| 50 | 10 000 |
| 70 | 10 000 |
| 100 | 10 000 |
24 Độ tăng nhiệt
Áp dụng Điều 24 của TCVN 14296-1:2025 (IEC 62196-1:2022), ngoài ra:
24.1
Bổ sung sau đoạn thứ nhất:
Đối với mục đích của thử nghiệm độ tăng nhiệt, thiết bị cắt theo nguyên lý nhiệt bất kỳ phải được nối tắt (tức là phải chấp nhận kết quả thử nghiệm mà không dựa trên thiết bị cắt theo nguyên lý nhiệt).
Thay Bảng 10:
Bảng 10 - Dòng điện thử nghiệm và tiết diện danh nghĩa của dây đồng dùng cho thử nghiệm độ tăng nhiệt
| Dòng điện danh định A | Dòng điện thử nghiệm A | Tiết diện dây dẫn của phích nối dùng cho xe điện và ổ nối vào xe điện | |
| mm2 | AWG/MCM | ||
| 16 đến 20 | 22 | 2,5 | 14 |
| 50 | 50 | 10 | 8 |
| 70 | 70 | 16 | 6 |
| 100 | 100 | 25 | 4 |
25 Cáp mềm và các mối nối của chúng
Áp dụng Điều 25 của TCVN 14296-1:2025 (IEC 62196-1:2022), ngoài ra:
Thay Bảng 11:
Bảng 11 - Giá trị lực kéo và mô men xoắn dùng cho cơ cấu chặn dây
| Dòng điện danh định | Lực kéo | Mô men xoắn | Độ dịch chuyển lớn nhất |
| A | N | Nm | mm |
| 16 đến 20 | 160 | 0,6 | 2 |
| 50 | 225 | 1,0 | 2 |
| 70 | 240 | 1,2 | 2 |
| 100 | 240 | 1,5 |
|
26 Độ bền cơ
Áp dụng Điều 26 của TCVN 14296-1:2025 (IEC 62196-1:2022).
27 Vít, bộ phận mang dòng và các mối nối
Áp dụng Điều 27 của TCVN 14296-1:2025 (IEC 62196-1:2022).
28 Chiều dài đường rò, khe hở không khí và khoảng cách
Áp dụng Điều 28 của TCVN 14296-1:2025 (IEC 62196-1:2022).
29 Khả năng chịu nhiệt và chịu cháy
Áp dụng Điều 29 của TCVN 14296-1:2025 (IEC 62196-1:2022).
30 Ăn mòn và khả năng chống gỉ
Áp dụng Điều 30 của TCVN 14296-1:2025 (IEC 62196-1:2022).
31 Dòng điện ngắn mạch có điều kiện
Không áp dụng Điều 31 của TCVN 14296-1:2025 (IEC 62196-1:2022).
32 Tương thích điện từ
Áp dụng Điều 32 của TCVN 14296-1:2025 (IEC 62196-1:2022).
33 Khả năng chịu tải khi xe chạy qua
Áp dụng Điều 33 của TCVN 14296-1:2025 (IEC 62196-1:2022), ngoài
33.3 Không áp dụng.
33.4 Không áp dụng.
34 Chu kỳ nhiệt
Áp dụng Điều 34 của TCVN 14296-1:2025 (IEC 62196-1:2022).
35 Phơi nhiễm ẩm
Áp dụng Điều 35 của TCVN 14296-1:2025 (IEC 62196-1:2022).
36 Sai lệch
Áp dụng Điều 36 của TCVN 14296-1:2025 (IEC 62196-1:2022).
37 Thử nghiệm độ bền tiếp xúc
Áp dụng Điều 37 của TCVN 14296-1:2025 (IEC 62196-1:2022).
TỜ TIÊU CHUẨN
TỜ TIÊU CHUẨN 6-a
Trang 1
Ổ nối vào xe điện 100 A, 120 V DC
Kích thước tính bằng milimét
(Giá trị trong ngoặc chỉ để tham khảo)

CHÚ DẪN
a bề mặt (nếu có)
b mặt phẳng chuẩn của ổ nối vào xe điện
c hình dạng bên ngoài của ổ cắm
d bảo vệ của phương tiện giữ
Bản vẽ không nhằm chi phối thiết kế mà chỉ để thể hiện kích thước.
| Dung sai chung | |||
| Tối đa 10 | Tối đa 50 | Tối đa 100 | Góc |
| ± 0,15 | ± 0,2 | ± 0,3 | ± 30’ |
TỜ TIÊU CHUẨN 6-a
Trang 2 (tiếp theo trang 1)
Kích thước tính bằng milimét
(Giá trị trong ngoặc chỉ để tham khảo)

CHÚ DẪN
a bề mặt (nếu có)
b mặt phẳng chuẩn của ổ nối vào xe điện
e bề mặt P
f tiếp điểm tự gióng thẳng hàng, nếu có
Bản vẽ không nhằm chi phối thiết kế mà chỉ để thể hiện kích thước.
| Dung sai chung | |||
| Tối đa 10 | Tối đa 50 | Tối đa 100 | Góc |
| ± 0,15 | ± 0,2 | ± 0,3 | ± 30’ |
TỜ TIÊU CHUẨN 6-a
Trang 3 (tiếp theo trang 2)
Kích thước tính bằng milimét
(Giá trị trong ngoặc chỉ để tham khảo)

CHÚ DẪN
b mặt phẳng chuẩn của ổ nối vào xe điện
g nắp che được cách ly
h đầu nối
Bản vẽ không nhằm chi phối thiết kế mà chỉ để thể hiện kích thước.
| Dung sai chung | |||
| Tối đa 10 | Tối đa 50 | Tối đa 100 | Góc |
| ± 0,15 | ± 0,2 | ± 0,3 | ± 30’ |
TỜ TIÊU CHUẨN 6-b
Trang 1
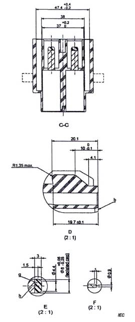
Phích nối dùng cho xe điện 100 A, 120 V DC
Kích thước tính bằng milimét
(Giá trị trong ngoặc chỉ để tham khảo)

Bản vẽ không nhằm chi phối thiết kế mà chỉ để thể hiện kích thước.
| Dung sai chung | |||
| Tối đa 10 | Tối đa 50 | Tối đa 100 | Góc |
| ± 0,15 | ± 0,2 | ± 0,3 | ± 30’ |
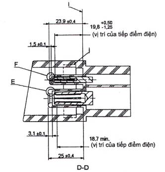
TỜ TIÊU CHUẨN 6-b
Trang 2 (tiếp theo trang 1)
Kích thước tính bằng milimét
(Giá trị trong ngoặc chỉ để tham khảo)

CHÚ DẪN
i mặt phẳng chuẩn của phích nối dùng cho xe điện
j vòng đệm kín (nếu cần), một phương pháp gắn kín dùng cho IP44 khi ghép nối với ổ nối vào xe điện
Hình vẽ không nhằm chi phối thiết kế mà chỉ để thể hiện kích thước.
| Dung sai chung | |||
| Tối đa 10 | Tối đa 50 | Tối đa 100 | Góc |
| ± 0,15 | ± 0,2 | ± 0,3 | ± 30’ |
TỜ TIÊU CHUẨN 6-b
Trang 3 (tiếp theo trang 2)
Kích thước tính bằng milimét
(Giá trị trong ngoặc chỉ để tham khảo)


CHÚ DẪN
i mặt phẳng chuẩn của phích nối dùng cho xe điện
j vòng đệm kín (nếu cần), một phương pháp gắn kín dùng cho IP44 khi ghép nối với ổ nối vào xe điện
Bản vẽ không nhằm chi phối thiết kế mà chỉ để thể hiện kích thước.
| Dung sai chung | |||
| Tối đa 10 | Tối đa 50 | Tối đa 100 | Góc |
| ± 0,15 | ± 0,2 | ± 0,3 | ± 30’ |
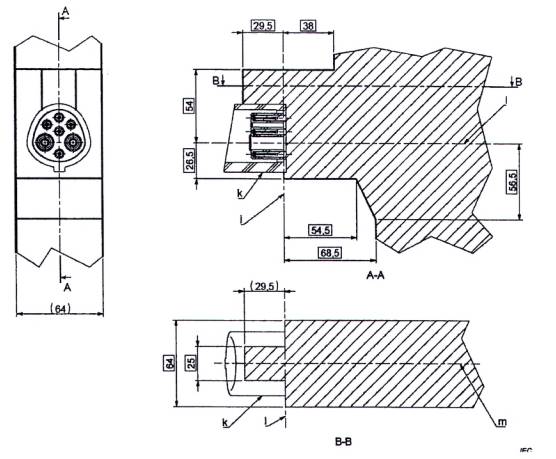
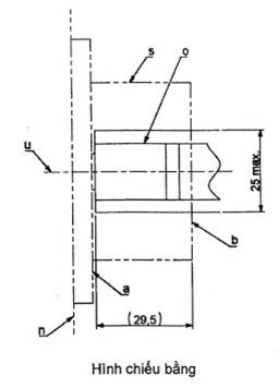
TỜ TIÊU CHUẨN 6-c
Trang 1
Không gian lắp đặt dùng cho phích nối dùng cho xe điện
Kích thước tính bằng milimét
(Giá trị trong ngoặc chỉ để tham khảo)

Hình dạng thân phích nối dùng cho xe điện phải nằm trong vùng gạch chéo.
CHÚ DẪN
i mặt phẳng chuẩn của phích nối dùng cho xe điện
k phích nối dùng cho xe điện
l mặt phẳng B của phích nối dùng cho xe điện
f đường tâm của phích nối dùng cho xe điện
Bản vẽ không nhằm chi phối thiết kế mà chỉ để thể hiện kích thước.
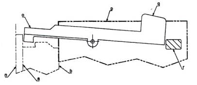
TỜ TIÊU CHUẨN 6-d
Trang 1
Phương tiện giữ và ví dụ về thiết bị chốt
Ví dụ về thiết bị chốt
Thiết bị chốt và phương tiện giữ được thể hiện ở vị trí mở.

Hình chiếu cạnh
Thiết bị chốt và phương tiện giữ được thể hiện ở vị trí chốt.

Hình chiếu cạnh
CHÚ DẪN
a mặt phẳng (nếu có)
b mặt phẳng chuẩn của ổ nối vào xe điện
n bề mặt xe
o phương tiện giữ của phích nối dùng cho xe điện
p thân phích nối dùng cho xe điện
q nút ấn. Phương tiện giữ chuyển sang vị trí mở khi ấn nút này.
r một phần của thiết bị chốt
CHÚ THÍCH 1: Thiết bị chốt có nghĩa là chìa khóa "o" và "r".
CHÚ THÍCH 2: Cho phép thiết bị chốt có các kết cấu khác.
Bản vẽ không nhằm chi phối thiết kế mà chỉ để thể hiện kích thước.
TỜ TIÊU CHUẨN 6-d
Trang 2 (tiếp theo trang 1)
Phương tiện giữ được thể hiện ở mặt phẳng tiếp xúc P.

Hình chiếu cạnh
Phương tiện giữ được thể hiện ở vị trí mở.

Hình chiếu cạnh
CHÚ DẪN
a bề mặt (nếu có)
b mặt phẳng chuẩn của ổ nối vào xe điện
e bề mặt P
n bề mặt xe
o phương tiện giữ của phích nối dùng cho xe điện
s ổ nối vào xe điện
t mặt phẳng B của ổ nối vào xe điện
Phương tiện giữ phải nằm trong phạm vi trong hình chiếu cạnh ở trên.
Bản vẽ không nhằm chi phối thiết kế mà chỉ để thể hiện kích thước.
TỜ TIÊU CHUẨN 6-d
Trang 3 (tiếp theo trang 2)

CHÚ DẪN
a bề mặt (nếu có)
b mặt phẳng chuẩn của ổ nối vào xe điện
n bề mặt xe
o phương tiện giữ của phích nối dùng cho xe điện
s ổ nối vào xe điện
u đường tâm của ổ nối vào xe điện
Phương tiện giữ phải nằm trong phạm vi trong hình chiếu bằng ở trên.
Bản vẽ không nhằm chi phối thiết kế mà chỉ để thể hiện kích thước.
Thư mục tài liệu tham khảo
[1] TCVN 12775:2020 (ISO 18246:2015), Mô tô và xe máy điện - Yêu cầu an toàn đối với đầu nối với nguồn cấp điện từ bên ngoài
MỤC LỤC
Lời nói đầu
1 Phạm vi áp dụng
2 Tài liệu viện dẫn
3 Thuật ngữ và định nghĩa
4 Quy định chung
5 Thông số đặc trưng
6 Đấu nối giữa nguồn cung cấp và xe điện
7 Phân loại các phụ kiện
8 Ghi nhãn
9 Kích thước
10 Bảo vệ chống điện giật
11 Kích thước và màu của các dây nối đất bảo vệ và dây trung tính
12 Quy định cho nối đất
13 Đầu nối
14 Khóa liên động
15 Khả năng chống lão hóa của vật liệu cao su và nhựa nhiệt dẻo
16 Kết cấu chung
17 Kết cấu của ổ cắm EV - Quy định chung
18 Kết cấu của phích cắm EV và phích nối dùng cho xe điện
19 Kết cấu của ổ nối vào xe điện
20 Cấp bảo vệ
21 Điện trở cách điện và độ bền điện môi
22 Khả năng cắt
23 Hoạt động bình thường
24 Độ tăng nhiệt
25 Cáp mềm và các mối nối của chúng
26 Độ bền cơ
27 Vít, bộ phận mang dòng và các mối nối
28 Chiều dài đường rò, khe hở không khí và khoảng cách
29 Khả năng chịu nhiệt và chịu cháy
30 Ăn mòn và khả năng chống gỉ
31 Dòng điện ngắn mạch có điều kiện
32 Tương thích điện từ
33 Khả năng chịu tải khi xe chạy qua
34 Chu kỳ nhiệt
35 Phơi nhiễm ẩm
36 Sai lệch
37 Thử nghiệm độ bền tiếp xúc
Thư mục tài liệu tham khảo
Bạn chưa Đăng nhập thành viên.
Đây là tiện ích dành cho tài khoản thành viên. Vui lòng Đăng nhập để xem chi tiết. Nếu chưa có tài khoản, vui lòng Đăng ký tại đây!