- Tổng quan
- Nội dung
- Tiêu chuẩn liên quan
- Lược đồ
- Tải về
Tiêu chuẩn TCVN 12172:2017 An toàn máy ép gắn kết mép dẫn tiến bằng xích
| Số hiệu: | TCVN 12172:2017 | Loại văn bản: | Tiêu chuẩn Việt Nam |
| Cơ quan ban hành: | Bộ Khoa học và Công nghệ | Lĩnh vực: | Công nghiệp , Nông nghiệp-Lâm nghiệp |
|
Ngày ban hành:
Ngày ban hành là ngày, tháng, năm văn bản được thông qua hoặc ký ban hành.
|
2017 |
Hiệu lực:
|
Đã biết
|
| Người ký: | Đang cập nhật |
Tình trạng hiệu lực:
Cho biết trạng thái hiệu lực của văn bản đang tra cứu: Chưa áp dụng, Còn hiệu lực, Hết hiệu lực, Hết hiệu lực 1 phần; Đã sửa đổi, Đính chính hay Không còn phù hợp,...
|
Đã biết
|
TÓM TẮT TIÊU CHUẨN VIỆT NAM TCVN 12172:2017
Nội dung tóm tắt đang được cập nhật, Quý khách vui lòng quay lại sau!
Tải tiêu chuẩn Việt Nam TCVN 12172:2017
TIÊU CHUẨN QUỐC GIA
TCVN 12172:2017
ISO 18217:2015
AN TOÀN MÁY GIA CÔNG GỖ - MÁY ÉP GẮN KẾT MÉP DẪN TIẾN BẰNG XÍCH
Safety of woodworking machines - Edge-banding machines fed by chain(s)
Lời nói đầu
TCVN 12172:2017 hoàn toàn tương đương với ISO 18217:2017
TCVN 12172:2017 do Ban kỹ thuật tiêu chuẩn quốc gia TCVN/TC 39 Máy công cụ biên soạn, Tổng cục Tiêu chuẩn Đo lường Chất lượng đề nghị, Bộ Khoa học và Công nghệ công bố.
AN TOÀN MÁY GIA CÔNG GỖ - MÁY ÉP GẮN KẾT MÉP DẪN TIẾN BẰNG XÍCH
Safety of woodworking machines - Edge-banding machines fed by chain(s)
1 Phạm vi áp dụng
Tiêu chuẩn này đề cập đến tất cả các mối nguy hiểm nghiêm trọng, các tình huống nguy hiểm và các sự cố như liệt kê trong Điều 4, có liên quan đến các máy ép gắn kết mép dẫn tiến bằng xích với chi tiết gia công được tháo lắp bằng tay có chiều cao lớn nhất 100 mm, khi các máy này được sử dụng theo dự định và trong các điều kiện mà nhà sản xuất đã biết trước, bao gồm cả việc sử dụng sai quy cách hợp lý thấy trước được.
Chi tiết gia công được dẫn tiến qua các cụm xử lý công nghệ bởi một cơ cấu dẫn tiến tích hợp. Các xích dẫn tiến cũng bao gồm các "đai truyền dẫn tiến".
Trong tiêu chuẩn này, máy ép gắn kết mép dẫn tiến bằng xích sau đây được gọi là "máy".
Máy được thiết kế để gia công với một hành trình dẫn tiến trên một mép của các panen (máy gia công mép đơn) hoặc trên cả hai cạnh của các panen (máy gia công mép kép) bằng các vật liệu gỗ có các tính chất vật lý tương tự như gỗ cũng như các tấm thạch cao.
Các mép được cán gắn kết bằng máy có thể được chế tạo bằng giấy, melamin, chất dẻo, hoặc các vật liệu composit, nhóm hoặc hợp kim nhẹ, gỗ dán hoặc gỗ cứng.
Tiêu chuẩn này cũng áp dụng cho các máy có trang bị các bộ phận sau:
- Các thiết bị phụ cần thiết cho các máy ép gắn kết mép dẫn tiến bằng xích (xem 3.1):
- Các ụ đai gắn cát mài;
- Giá đỡ chi tiết gia công cố định hoặc di động;
- Cơ cầu thay dụng cụ (dao) tự động;
- Cơ cấu tự động đưa panen trở về.
Tiêu chuẩn này cũng bao gồm các thông tin do nhà sản xuất cung cấp cho người sử dụng máy.
Tiêu chuẩn này không đề cập đến bất cứ các mối nguy hiểm nào có liên quan đến:
a) Các hệ thống dùng cho tháo lắp chi tiết gia công trên máy gia công mép đơn khác với cơ cấu tự động đưa panen trở về.
b) Máy gia công mép đơn được sử dụng liên hợp với bất kỳ máy nào khác (như là một thành phần của dây chuyền thiết bị);
c) Các bộ điều khiển di động không dây;
d) Thiết bị bổ sung cho xẻ rãnh và cắt đứt bằng lưỡi cưa tròn được lắp bên ngoài tầm chắn gắn liền và/hoặc các dụng cụ nhô ra ngoài tấm chắn gắn liền;
e) Thiết bị plasma, thiết bị laze công suất lớn, và thiết bị phun không khí nóng.
2 Tài liệu viện dẫn
Các tài liệu viện dẫn sau là cần thiết cho việc áp dụng tiêu chuẩn này. Đối với các tài liệu viện dẫn ghi năm công bố thì áp dụng bản được nêu. Đối với các tài liệu viện dẫn không ghi năm công bố thì áp dụng phiên bản mới nhất, bao gồm cả các sửa đổi (nếu có).
TCVN 4255 (IEC 60529), cấp bảo vệ bằng vỏ ngoài (mã IP));
TCVN 6719 (ISO 13850), An toàn máy - Dùng khẩn cấp - Nguyên tắc thiết kế;
TCVN 7300:2003 (ISO 14118:2000), An toàn máy - Ngăn chặn khởi động bất ngờ;
TCVN 7384-1:2010 (ISO 13849-1:2006), An toàn máy - Bộ phận liên quan đến an toàn của các hệ thống điều khiển - Phần 1; Nguyên lý chung về thiết kế;
TCVN 7994-1 (IEC 60439-1), Tủ điện đóng cắt và điều khiển hạ áp - Phần 1: Tủ điện được thử nghiệm điển hình và tủ điện được thử nghiệm điển hình từng phần;
ISO 4413, Hydraulic fluid power - General rules and safety requirements for systems and their components (Truyền dẫn thủy lực - Các quy tắc chung và các yêu cầu về an toàn cho các hệ thống thủy lực);
ISO 4414:2010, Pneumatic fluid power - General rules and safety requirements for systems and their components (Truyền dẫn khí nén - Các quy tắc chung và các yêu cầu về an toàn cho các hệ thống khí nén);
ISO 7960:1995, Airborne noise emitted by machine tools - Operating conditions for woodworking machines (Tiếng ồn do các máy công cụ phát ra trong không khí - Các điều kiện vận hành cho các máy gia công gỗ);
ISO 12100:20101), Safety of machinery - General principles for design - Risk assessment and risk reduction (An toàn máy - Các nguyên lý chung cho thiết kế - Đánh giá rủi ro và sự giảm thiểu rủi ro);
ISO 13732-1:2006, Ergonomics of the thermal environment - Methods for the assessment of human responses to contact with surfaces - Part 1: Hot surfaces (Ecgônômi của môi trường nhiệt - Các phương pháp đánh giá phản ứng của con người khi tiếp xúc với các bề mặt - Phần 1: Bề mặt nóng);
ISO 14119:2013, Safety of machinery - Interlocking devices associated with guards - Principles for design and selection (An toàn máy - Các cơ cấu khóa liên động gắn liền với các bộ phận bảo vệ - Các nguyên tắc cho thiết kế và lựa chọn);
IEC 13856-2, Safety of machinery - Pressure sensitive protection devices - Part 2: General principles for the design and testing of pressure sensitive edges and pressure sensitive bars (An toàn máy - Các cơ cấu bảo vệ nhạy áp suất - Phần 2: Các nguyên tắc chung cho thiết kế và thử nghiệm các cạnh và thanh nhạy áp suất);
IEC 60204-1:2005, Safety of machinery - Electrical equipment of machines - Part 1: General requirements (An toàn máy - Thiết bị điện của máy - Phần 1: Các yêu cầu chung);
IEC 61310-1:2007, Safety of machinery - Indication, marking and actuation - Part 1: Requirements for visual, acoustic and tactile signals (An toàn máy - Chỉ dẫn, ghi nhãn và khởi động - Phần 1: Yêu cầu đối với các tín hiệu nhìn, nghe và xúc giác);
IEC 61496-2, Safety of machinery - Electro-sensitive protective equipment - Part 2: Particular requirements for equipment using active opto-electroriic protective devices (AOPD) (An toàn máy - Thiết bị bảo vệ nhạy điện - Phần 2: Yêu cầu đặc biệt đối với thiết bị sử dụng các cơ cấu bảo vệ quang điện tử phóng xạ);
EN 50370-1, Electromagnetic compatibility (EMC) - Product family Standard for machine-tools - Part 1; Emission (Tương thích điện từ (EMC) - Tiêu chuẩn của họ sản phẩm cho các máy công cụ - Phần 1: Sự phát xạ);
EN 50370-2, Electromagnetic compatibility (EMC) - Product family Standard for machine-tools - Part 2: Immunity (Tương thích điện từ (EMC) - Tiêu chuẩn của họ sản phẩm cho các máy công cụ - Phần 2: Tính miễn nhiễm).
3 Thuật ngữ và định nghĩa
Tiêu chuẩn này áp dụng các thuật ngữ và định nghĩa được cho trong ISO 12100:2010 và các thuật ngữ, định nghĩa sau:
3.1
Máy ép gắn kết mép dẫn tiến bằng xích (edge banding machine fed by chains)
Máy được thiết kế để gắn kết dải mép trên một mép của chi tiết gia công (máy ép gắn kết mép đơn) trong một hành trình dẫn tiến hoặc trên cả hai mép của chi tiết gia công (máy ép gắn kết mép kép), gồm có một vùng gắn kết mép với các cụm xử lý khác nhau (ví dụ, nung nóng, gắn kết, và ép đối với các mép mềm dẻo hoặc cứng) và một vùng dùng cho các nguyên công bổ sung như cắt bằng kéo, xén mép, phay, làm sạch bằng phun cát, đánh bóng, vát cạnh v.v... ở đó ngoài vùng gắn kết mép có thể bố trí phía trước một vùng định cỡ kích thước/gia công định hình.
CHÚ THÍCH: Các bộ phận chính của một máy ép gắn kết mép đơn và máy ép gắn kết mép kép và các tên gọi cho các bộ phận của chúng được minh họa trên Hình 1 và Hình 2.

CHÚ DẪN:
1 Chiều dẫn tiến
2 Dầm ép trên đỉnh
3 Dầm xích
4 Các bộ điều khiển
5 Vùng gắn kết mép
6 Vùng các nguyên công bổ sung
7 Tấm chắn tích hợp
Hình 1 - Ví dụ của một máy ép gắn kết mép đơn
3.2
Vật liệu có các tính chất vật lý tương tự như gỗ (material with similar physical characteristics to wood)
Vật liệu có nền là gỗ (ví dụ, ván ép, tấm sợi ép, gỗ dán) cũng như khi được phủ các lớp chất dẻo hoặc hợp kim nhẹ; lie, xương, cao su cứng hoặc chất dẻo.
3.3
Cơ cấu dẫn tiến tích hợp (Integrated feed)
Cơ cấu dẫn tiến chi tiết gia công hoặc dụng cụ được tích hợp với máy, trên đó chi tiết gia công hoặc bộ phận máy lắp dụng cụ được kẹp giữ và điều khiển bằng cơ khí trong quá trình gia công gắn kết mép.
3.4
Sự văng ra (ejection)
Chuyển động bất ngờ của chi tiết gia công hoặc các bộ phận của chi tiết gia công hoặc chi tiết của máy ra khỏi máy trong quá trình gia công.
3.5
Thời gian tăng tốc (run-up time)
Thời gian trôi qua từ khi khởi động cơ cấu điều khiển khởi động tới khi trục chính đạt tới vận tốc đã dự định.

CHÚ DẪN:
1 Chiều dẫn tiến
2 Dầm ép trên đỉnh
3 Dầm xích
4 Các bộ điều khiển
5 Vùng gắn kết mép
6 Vùng các nguyên công bổ sung
7 Tấm chắn tích hợp
8 Các nửa máy
9 Trục dẫn động dẫn tiến ngang
Hình 2 - Ví dụ của một máy ép gắn kết mép kép
3.6
Thời gian chạy theo đà (run-down time)
Thời gian trôi qua từ khi khởi động cơ cấu điều khiển dừng tới khi trục chính dừng lại.
3.7
Cơ cấu dẫn động máy (machine actuator)
Cơ cấu dẫn động cơ khí dùng để thực hiện chuyển động của máy.
3.8
Cụm xử lý động lực học (dynamic procesing unit)
Bộ phận di chuyển chi tiết gia công trong quá trình gia công và trở về vị trí bắt đầu của nó sẵn sàng cho gia công chi tiết gia công tiếp sau.
CHÚ THÍCH: Hình 3 giới thiệu một ví dụ về cụm xử lý động lực học.
3.9
Nửa máy (machine half)
Phần cấu thành của một máy gồm có khung máy, dầm xích, dầm ép trên đỉnh và các cụm gia công.
CHÚ THÍCH: Mỗi nửa máy gia công mép đơn của chi tiết gia công. Một hoặc cả hai nửa máy có khả năng di chuyển để tiếp nhận các chi tiết gia công có các kích thước khác nhau.

CHÚ DẪN:
1 Cụm xử lý động lực học (ví dụ, cưa cắt kiểu kéo)
2 Chiều dẫn tiến
3 Vùng di chuyển
Hình 3 - Ví dụ của một cụm xử lý động lực học
3.10
Tấm chắn tích hợp (các máy gắn kết mép kép và đơn) (integral enclosure (double and single end machines))
Bộ phận bảo vệ được thiết kế để lắp gần máy nhằm giảm âm thanh phát ra và có thể thực hiện được các quá trình điều chỉnh ở bên ngoài tấm chắn.
CHÚ THÍCH: Mỗi nửa máy được trang bị bộ phận bảo vệ riêng và trên nửa máy/các nửa máy điều chỉnh được, bộ phận bảo vệ này di chuyển cùng với nửa máy khi thực hiện việc điều chỉnh đối với chiều rộng của chi tiết gia công.
3.11
Máy di chuyển được (displaceable machine)
Máy được định vị trên sàn, đứng yên trong quá trình sử dụng và được trang bị một bộ phận, thường là các bánh xe để cho phép máy di chuyển được giữa các vị trí.
3.12
Cơ cấu lùi panen tự động (automatic panel returner)
Hệ thống dẫn động cơ khí để đưa panen từ một đầu của máy tới vị trí chất tải.
3.13
Bảo dưỡng từ xa (tele-service)
Chẩn đoán máy (bao gồm cả xử lý sự cố), cập nhật phần mềm và điều khiển từ xa từ một vị trí bảo dưỡng cách xa.
3.14
Phần mềm nhúng liên quan đến an toàn, SRESW (safety-related embedded software, SRESW)
Phần mềm có tính cố định (firmware)
Phần mềm của hệ thống (system software)
Phần mềm là một phần của hệ thống do nhà sản xuất bộ điều khiển cung cấp và người sử dụng máy không tiếp cận được để cải tiến.
CHÚ THÍCH 1: Phần có tính cố định hoặc phần mềm của hệ thống là các ví dụ của phần mềm được nhúng (TCVN 7384-1:2010 (ISO 13849-1:2006), 3.1.37).
CHÚ THÍCH 2: Nhà sản xuất nghĩa là nhà sản xuất hệ thống.
CHÚ THÍCH 3: Ví dụ, hệ thống vận hành có một cơ cấu giám sát vận tốc.
3.15
Phần mềm ứng dụng liên quan đến an toàn, SRASW (safety-related application software, SRASW)
Phần mềm dành riêng cho ứng dụng do nhà sản xuất máy thực hiện và thường chứa các dãy logic, các giới hạn, và các biểu thức điều khiển các dữ liệu nhập, xuất, các tính toán và quyết định cần thiết để đáp ứng các yêu cầu SRP/CS.
[Nguồn: TCVN 7384-1:2010 (ISO 13849-1:2006), 3.1.36]
3.16
Bộ phận liên quan đến an toàn của hệ thống điều khiển, SRP/CS (safety-related part of a control system, SRP/CS)
Bộ phận của một hệ thống điều khiển đáp ứng các tín hiệu đầu vào liên quan đến an toàn và phát sinh các tín hiệu đầu ra liên quan đến an toàn.
CHÚ THÍCH: Các bộ phận kết hợp liên quan đến an toàn của một hệ thống điều khiển khởi động tại điểm, ở đó khởi tạo các tín hiệu đầu vào liên quan đến an toàn (bao gồm, ví dụ cam dẫn động và con lắc của cái chuyển mạch vị trí) và kết thúc tại tín hiệu đầu ra của các linh kiện điều khiển điện (bao gồm, ví dụ, các công tác chính của công tắc tơ).
[Nguồn: TCVN 7384-1:2010 (ISO 13849-1:2006), 3.1.1]
3.17
Chức năng an toàn (safety function)
Chức năng của máy và sự hư hỏng của nó có thể dẫn đến sự tăng lên tức thời của rủi ro.
[Nguồn: TCVN 7384-1:2010 (ISO 13849-1:2006), 3.1.20]
3.18
Thông tin từ nhà cung cấp (information from the supplier)
Các báo cáo, tài liệu bán hàng, các tờ quảng cáo rời hoặc các tài liệu khác trong đó nhà sản xuất (nhà cung cấp) công bố, ví dụ, các đặc tính của một vật liệu hoặc sản phẩm hoặc sự phù hợp của vật liệu hoặc sản phẩm với một tiêu chuẩn có liên quan.
3.19
Mức đặc tính, PL (performance level, PL)
Mức riêng biệt dùng để quy định khả năng thực hiện một chức năng an toàn trong các điều kiện có thể thấy trước được của các bộ phận liên quan đến an toàn trong các hệ thống điều khiển.
[Nguồn: TCVN 7384-1:2010 (ISO 13849-1:2006), 3.1.23]
3.20
Dừng vận hành (operational stop)
Sự điều khiển dừng (máy) nhưng không ngắt nguồn năng lượng cung cấp cho các cơ cấu dẫn động trong khi giám sát và duy trì trạng thái dừng.
3.21
Cơ cấu điều khiển cấp điện (power-on control device)
Cơ cấu điều khiển có thể cung cấp điện cho các cơ cấu dẫn động của máy.
Ví dụ: Mạch cung cấp điện phụ.
CHÚ THÍCH: Cơ cấu cấp điện không được dự định sử dụng như công tắc chính.
3.22
CHẾ ĐỘ 1: Chế độ tự động (mode 1: automatic mode)
Trạng thái cho gia công tự động trong đó tất cả các bộ phận bảo vệ máy đều ở đúng vị trí của chúng và vận hành cùng với một số hoặc tất cả các cơ cấu dẫn động của máy được kích hoạt.
3.23
CHẾ ĐỘ 2: Chế độ điều chỉnh (mode 2: adjustment mode)
Trạng thái cho điều chỉnh các dụng cụ và các bộ phận gia công khác trong đó chuyển động dẫn tiến của chi tiết gia công chỉ có thể điều khiển được trong điều kiện giữ cho chạy.
3.24
CHẾ ĐỘ 3: Chế độ điều chỉnh tinh (mode 3: fine adjustment mode)
Trạng thái cho điều chỉnh tinh các dụng cụ và các bộ phận gia công khác trong đó cho phép có độ mở của các tấm chắn theo chu vi trong một khoảng thời gian hạn chế, trong khi các dụng cụ các bộ phận gia công khác và cơ cấu dẫn tiến đang vận hành.
4 Danh mục các mối nguy hiểm nghiêm trọng
Điều này đề cập đến tất cả các mối nguy hiểm nghiêm trọng, các tình huống nguy hiểm và các sự cố (xem ISO 12100:2010) được nhận diện bằng đánh giá rủi ro là quan trọng cho các máy như đã xác định trong phạm vi của tiêu chuẩn này và đòi hỏi phải có hành động để loại bỏ hoặc giảm đi các rủi ro. Tiêu chuẩn này xử lý các mối nguy hiểm nghiêm trọng đã nêu trên bằng cách quy định các yêu cầu an toàn và/hoặc các biện pháp đảm bảo an toàn hoặc bằng tham chiếu các tiêu chuẩn có liên quan.
Các mối nguy hiểm này được liệt kê trong Bảng 1.
Bảng 1 - Danh sách các mối nguy hiểm nghiêm trọng
| Số thứ tự | Các mối nguy hiểm, các tình huống nguy hiểm và các sự cố nguy hiểm | ISO 12100:2010 | Điều có liên quan của tiêu chuẩn này |
| 1 | Các mối nguy hiểm cơ khí có liên quan đến - Các chi tiết máy hoặc chi tiết gia công: | ||
| a) Hình dạng | 6.2.2.1, 6.2.2.2, 6.3 | 5.3.2, 5.3.3, 5.3.7, Phụ lục B | |
| b) Vị trí tương đối |
| 5.2.2, 5.2.5, 5.3.5, 5.3.6, 5.3.7, 5.4.5, 6.3 | |
| c) Khối lượng và vận tốc (động năng của các bộ phận trong chuyển động có kiểm soát hoặc không được kiểm soát) | 5.2.7, 5.3.7, Phụ lục B | ||
| d) Độ bền cơ học | 5.3.2, 5.3.3 | ||
| - Sự tích tụ năng lượng bên trong máy | |||
| e) Các chất lỏng và khí có áp | 6.2.10, 6.3.5.4 | 5.3.3, 5.4.7, Phụ lục B | |
| 1.1 | Mối nguy hiểm nghiền, ép |
| 5.3.6, 5.3.7 |
| 1.2 | Mối nguy hiểm cắt đứt | 5.3.6, 5.3.7 | |
| 1.3 | Mối nguy hiểm cắt hoặc cắt đứt | 5.3.3, 5.3.4, 5.3.7 | |
| 1.4 | Mối nguy hiểm vướng, mắc vào | 5.3.3, 5.3.4, 5.3.6, 5.3.7 | |
| 1.5 | Mối nguy hiểm bị kéo vào hoặc mắc kẹt | 5.3.7 | |
| 1.6 | Mối nguy hiểm va đập | 5.3.7 | |
| 1.8 | Mối nguy hiểm do ma sát hoặc trầy da | 5.3.4 | |
| 1.9 | Mối nguy hiểm do phóng hoặc phụt ra lưu chất có áp suất cao | 6.2.10 | 5.3.4, 5.4.11 |
| 2 | Các mối nguy hiểm về điện do: | ||
| 2.1 | Tiếp xúc của con người với các chi tiết có dòng điện chạy qua (tiếp xúc trực tiếp) | 6.2.9, 6.3.5.4 | 5.4.4, 5.4.14 |
| 2.2 | Tiếp xúc của con người với các chi tiết sẽ có dòng điện chạy qua trong các điều kiện có rò điện | 6.2.9 | 5.4.4, 5.4.11 |
| 2.4 | Hiện tượng tĩnh điện | 6.2.9 | 5.4.9 |
| 3 | Các mối nguy hiểm về nhiệt dẫn đến | ||
| 3.1 | Các vết cháy, bỏng và các thương tích khác do con người có thể tiếp xúc với các đồ vật hoặc vật liệu có nhiệt độ cực cao hoặc thấp, do ngọn lửa hoặc cháy nổ và cũng do bức xạ của các nguồn nhiệt | 6.2.4 | 5.4.13, 5.4.14 |
| 3.2 | Hư hại tới sức khỏe do môi trường làm việc nóng hoặc lạnh | 6.2.4 | 5.4.13, 5.4.14 |
| 4 | Các mối nguy hiểm phát sinh do tiếng ồn, dẫn đến | ||
| 4.1 | Mất khả năng nghe (điếc), các rối loạn sinh lý khác (mất thăng bằng, mất sự nhận biết) | 6.2.2.2, 6.3 | 5.4.2 |
| 4.2 | Cản trở sự liên lạc bằng tiếng nói và các tín hiệu âm thanh | 6.2.2.2, 6.3 | 5.4.2 |
| 7 | Các mối nguy hiểm phát sinh do các vật liệu và các chất (và các nguyên tố cấu trúc của chúng) được gia công hoặc sử dụng bởi máy | ||
| 7.1 | Các mối nguy hiểm do tiếp xúc hoặc hít thở phải các lưu chất có hại và bụi bẩn | 6.2.3, 6.2.4 | 5.4.3, 5.4.14, 6.3 |
| 7.2 | Các mối nguy hiểm do cháy | 6.2.4 | 5.4.1, 5.4.3 |
| 8 | Các mối nguy hiểm phát sinh do bỏ qua các nguyên tắc ecgônômi trong thiết kế máy liên quan đến: | ||
| 8.1 | Các tư thế có hại cho sức khỏe và cố gắng quá mức | 6.2.7, 6.2.8, 6.2.11.12, 6.3.5.5, 6.3.5.6 | 5.2.2, 5.4.5, 6.3 |
| 8.2 | Giải phẫu học về bàn tay - cánh tay hoặc bàn chân - cẳng chân | 6.2.8.3 | 5.2.2, 5.4.5, 6.3 |
| 8.4 | Chiếu sáng cục bộ | 6.2.8.6 | 5.4.6, 6.3 |
| 8.6 | Lỗi của con người, cách ứng xử của con người | 6.2.8.1, 6.2.11.8, 6.2.11.10, 6.3.5.2, 6.4 | 5.4.12, 6.3 |
| 8.7 | Thiết kế, vị trí hoặc nhận diện các cơ cấu điều khiển bằng tay | 6.2.8.7, 6.2.11.8 | 5.22 |
| 8.8 | Thiết kế hoặc vị trí của các bộ phận chỉ báo nhìn bằng mắt thường | 6.2.8.8, 6.4.2 | 5.2.2 |
| 9 | Sự kết hợp của các mối nguy hiểm | 6.3.2.1 | 5.2.6, 5.2.7 |
| 10 | Sự khởi động bất ngờ, sự chạy vượt/tốc độ vượt quá bất ngờ (hoặc bất cứ sự trục trặc tương tự nào khác) do: | ||
| 10.1 | Hư hỏng/rối loạn của hệ điều khiển | 6.2.11, 6.3.5.4 | 5.2.1, 5.2.9 |
| 10.2 | Sự phục hồi của nguồn cấp năng lượng sau khi bị gián đoạn | 6.2.11.4 | 5.2.8, 5.4.7, 5.4.10 |
| 10.3 | Các ảnh hưởng bên ngoài đến thiết bị điện | 6.2.11.11 | 5.4.4, 5.4.8 |
| 10.6 | Lỗi do người vận hành tạo ra (do sự không tương hợp của máy với các đặc tính và khả năng của con người, xem 8.6) | 4.9, 6.2.8, 6.2.11.8, 6.2.11.10, 6.3.5.2, 6.4 | 5.2.1, 5.4.5, 6.3 |
| 11 | Không có khả năng dừng máy ở các điều kiện tốt nhất có thể đạt được | 6.2.11.1, 6.2.11.3, 6.3.5.2 | 5.2.2, 5.2.5, 5.2.7 |
| 13 | Hư hỏng của nguồn cung cấp điện | 6.2.11.1, 6.2.11.4 | 5.2.8 |
| 14 | Hư hỏng của mạch điều khiển | 6.2.11, 6.3.5.4 | 5.2.9 |
| 15 | Các lỗi của lắp dụng cụ | 6.2.7, 6.4.5 | 5.4.12, 6.3 |
| 16 | Sự gãy, vỡ hoặc tháo rời trong quá trình vận hành | 6.2.3 | 5.3.2 |
| 17 | Sự rơi ra hoặc văng ra của các vật thể hoặc lưu chất | 6.2.3, 6.2.10 | 5.2.7, 5.3.5, 5.4.4, 6.3, Phụ lục B |
| 18 | Mất tính ổn định/có độ đảo của máy | 6.3.2.6 | 5.3.1 |
| 19 | Các mối nguy hiểm trượt, ngã và đổ có liên quan đến máy (do bản chất cơ khí của chúng) | 6.3.5.6 | 6.3 |
5 Yêu cầu an toàn và/hoặc các biện pháp bảo vệ
5.1 Quy định chung
Máy phải tuân theo các yêu cầu về an toàn và các biện pháp bảo vệ cho trong Điều 5. Ngoài ra, nên thiết kế máy theo các nguyên tắc của ISO 12100:2010 đối với các mối nguy hiểm có liên quan nhưng không quan trọng, các mối nguy hiểm này không được xử lý trong tiêu chuẩn này (ví dụ, các cạnh sắc của khung máy).
Về hướng dẫn có liên quan đến giảm rủi ro bằng thiết kế, xem ISO 12100:2010, 6.2 và về các biện pháp bảo đảm an toàn, xem ISO 12100:2010, 6.3.
5.2 Cơ cấu điều khiển
5.2.1 An toàn và độ tin cậy của các hệ thống điều khiển
Để thiết kế và thực thi bất cứ chức năng an toàn nào, cho dù các chức năng an toàn này được thực hiện bằng phương pháp công nghệ điện, khí nén, thủy lực hoặc cơ khí, cần phải áp dụng các yêu cầu thích hợp của TCVN 7384-1:2010 (ISO 13849-1:2006).
Các chức năng an toàn của máy được thực hiện và bảo đảm thông qua các bộ phận liên quan đến an toàn của hệ thống điều khiển (SRP/CS), các bộ phận này phải đạt được một mức đặc tính (PL) tối thiểu theo yêu cầu. Yêu cầu này được quy định cho mỗi chức năng an toàn trong các mục nhỏ có liên quan của Điều 5.
Bảng D.1 thể hiện PLr cho từng chức năng an toàn. Tuy nhiên, các mục nhỏ của Điều 5 vẫn còn là tài liệu tham chiếu thích hợp duy nhất cho toàn bộ các yêu cầu và các giải thích, chúng có thể chưa được tổng kết đầy đủ để đưa vào Bảng D.1.
Về các yêu cầu đối với PL được đề cập đến trong tiêu chuẩn này, tham khảo TCVN 7384-1:2010 (ISO 13849-1:2006).
Kiểm tra xác nhận: Bằng kiểm tra các bản vẽ và/hoặc các sơ đồ mạch có liên quan và kiểm tra máy, đánh giá mức đặc tính đạt được theo TCVN 7384-1:2010 (ISO 13849-1:2006), 4.5.
5.2.2 Vị trí của các cơ cấu điều khiển
Các cơ cấu điều khiển điện chính của máy để cấp điện, khởi động trục chính lắp dụng cụ, các trục gia công khác, dừng máy bình thường, cơ cấu dẫn tiến tích hợp, dừng di chuyển dầm ép trên đỉnh, di chuyển của nửa máy và lựa chọn chế độ phải được bố trí cùng nhau và có vị trí sao cho có thể nhìn thấy vị trí chất tải.
Các cơ cấu điều khiển bổ sung cho khởi động, dừng vận hành/bình thường (nếu được trang bị) có thể được lặp lại/cung cấp trên các bộ điều khiển di động có nối mạch bằng dây dẫn hoặc không có dây dẫn và có tính đến các yêu cầu của 5.2.4.3 cho dừng khẩn cấp.
Khi một bộ điều khiển không dây mất kết nối với máy thì phải tự động kích hoạt một cơ cấu dừng bình thường.
Các cơ cấu điều khiển giữ cho chạy phải được bố trí sao cho người vận hành có thể nhìn thấy các chuyển động được điều khiển khi vận hành các cơ cấu này (xem 5.2.6.2 c)).
Các cơ cấu điều khiển chức năng không chỉnh đặt lại, các cơ cấu không điều khiển cấp điện và không lựa chọn chế độ phải được bố trí trên các bộ điều khiển di động.
Các cơ cấu điều khiển dừng khẩn cấp phải được lắp đặt tại các vị trí sau:
a) Trên mỗi bộ các cơ cấu điều khiển di động hoặc cố định;
b) Tại các vị trí chất tải và dỡ tải của mỗi nửa máy với điều kiện là không có bộ các cơ cấu điều khiển;
c) Cách mỗi cơ cấu giữ cho chạy một khoảng không lớn hơn 0,5 m;
d) Bên trong mỗi tấm chắn ở đó có trang bị một công tắc lựa chọn chế độ (xem 5.2.6) và các cơ cấu điều khiển dừng khẩn cấp này phải được bố trí với khoảng cách lớn nhất giữa chúng là 2 m;
e) Tại vùng chứa chất keo và các mép của chi tiết gia công ở ngoài một tấm chắn riêng.
CHÚ THÍCH: Chỉ một cơ cấu điều khiển dừng khẩn cấp, do vị trí lắp đặt của nó, cũng có thể hoàn thành nhiều yêu cầu đã nêu trên. Nếu hai trong các vị trí nêu trên có thể tiếp cận được với nhau thì chỉ cần trang bị một cơ cấu điều khiển dừng khẩn cấp.
Trường hợp ngoại lệ đối với b): Không yêu cầu phải có cơ cấu điều khiển dừng khẩn cấp ở vị trí không chất tải trên các máy gia công mép đơn có chiều dài lớn nhất của chi tiết gia công 2 m.
Kiểm tra xác nhận: Bằng kiểm tra các bản vẽ và/hoặc các sơ đồ mạch có liên quan, kiểm tra máy và thử nghiệm các chức năng có liên quan của máy.
5.2.3 Khởi động
Phải trang bị một cơ cấu điều khiển cấp điện và cơ cấu này phải được bảo vệ chống sự khởi động không theo dự định (ví dụ, có bộ phận bảo vệ). Chỉ có thể thực hiện việc kích hoạt cấp điện ở chế độ tự động khi tất cả các bộ phận bảo vệ ở đúng vị trí và vận hành. Yêu cầu này đạt được bằng các cơ cấu khóa liên động đã mô tả trong 5.3.7.
CHÚ THÍCH 1: Về cấp điện cho CHẾ ĐỘ 2 VÀ CHẾ ĐỘ 3, xem 5.2.6.
Chỉ có thể khởi động hoặc khởi động lại quá trình gia công sau khi đã kích hoạt cấp điện.
CHÚ THÍCH 2: Không yêu cầu về mức đặc tính (PL) cho khởi động và khởi động lại quá trình gia công.
Khi cấp điện cho động cơ dẫn động trục chính lắp dụng cụ và bất cứ động cơ dẫn động trục gia công nào khác thì yêu cầu này phải được chỉ báo một cách thường xuyên hoặc thông qua yêu cầu của người vận hành, ví dụ, bằng tín hiệu ánh sáng ở gần cơ cấu điều khiển khởi động hoặc được tích hợp trong nút bấm khởi động, hoặc bằng sử dụng một công tác hai vị trí hoặc thông qua người vận hành chất vấn máy tính điều khiển
Trong các máy có trang bị CHẾ ĐỘ 2, phải có khả năng khởi động mỗi truyền động của trục chính và truyền động dẫn tiến riêng biệt.
Tâm chắn của các bộ phận bảo vệ khóa liên động di động được không được dẫn tới việc khởi động lại tự động các chuyển động nguy hiểm.
Bộ phận liên quan đến an toàn của hệ thống điều khiển (SRP/CS) cho điều khiển cấp điện phải đạt được mức đặc tính tối hiểu là PL = c.
Bộ phận liên quan đến an toàn của hệ thống điều khiển (SRP/CS) cho khởi động các truyền động của trục chính và truyền động dẫn tiến phải đạt được mức đặc tính tối thiểu là PL = b.
Kiểm tra xác nhận: Bằng kiểm tra các bản vẽ và/hoặc các sơ đồ mạch có liên quan, kiểm tra và thử nghiệm các chức năng có liên quan của máy.
5.2.4 Điều khiển dừng
5.2.4.1 Dừng bình thường
Phải lắp đặt một cơ cấu điều khiển dừng để khi được khởi động sẽ dừng tất cả các cơ cấu dẫn động của máy, trừ bộ nung nóng chất keo, và ngắt điện cho các cơ cấu dẫn động này khi quá trình dừng được hoàn thành, ngoại trừ việc sử dụng ngắt mômen an toàn (STO) phù hợp với EN 61800-5-2:2007. Khi cung cấp STO Phù hợp với EN 61800-5-2:2007, không yêu cầu phải ngắt dòng điện bằng công tắc tơ.
CHÚ THÍCH: Về quá trình dừng bình thường của hệ thống dẫn điện liên quan đến an toàn (PSD (SR) - power drive system, safety-related], xem EN 61800-5-2:2007, 4.2.2.2 đối với ngắt mômen an toàn (STO - safe torque off)" và EN 61800-5-2:2007, 4.2.2.3 đối với "dừng an toàn 1 (SS1)".
Đối với các cơ cấu dẫn động của máy được dừng lại ở cấp dừng 0 phù hợp với IEC 60204-1:2005, phải ngắt điện cho các cơ cấu này, trừ cơ cấu kẹp chặt chi tiết gia công (nếu được trang bị) trừ khi sử dụng STO phù hợp với EN 61800-5.2:2007.
Đối với các cơ cấu dẫn động của máy được dừng lại ở cấp dừng 1, phải tuân theo trình tự dừng như sau:
- Ngắt điện cho các cơ cấu dẫn động này của máy, trừ cơ cấu kẹp chặt chi tiết gia công (nếu được trang bị) trừ khi sử dụng STO phù hợp với EN 61800-5-2:2007 và khởi động các bộ phanh.
- Ngắt điện cho các bộ phanh (nếu có lắp phanh điện) sau khi trục chính lắp dụng cụ đã dừng lại, ví dụ, bằng sử dụng một thời gian trễ.
Bộ phận liên quan đến an toàn của hệ thống điều khiển (SRP/CS) dùng cho bắt đầu dừng bình thường phải đạt được mức đặc tính tối thiểu PL = c.
Các yêu cầu nêu trên phải được thỏa mãn tại mức của các mạch điều khiển. Nếu sử dụng một cơ cấu thời gian trễ thì thời gian trễ phải đạt được mức đặc tính tối thiểu PL = c và ít nhất phải lớn hơn thời gian chạy theo đà lớn nhất của máy và thời gian trễ phải cố định hoặc cơ cấu điều chỉnh phải được bít kín (niêm phong).
Kiểm tra xác nhận: Bằng kiểm tra các bản vẽ và/hoặc các sơ đồ mạch có liên quan, kiểm tra, và thử nghiệm các chức năng có liên quan của máy.
5.2.4.2 Dừng vận hành
Nếu trang bị một cơ cấu dừng vận hành để can thiệp vào máy trong khi các hệ thống truyền động vẫn đang được điều khiển thì phải áp dụng các yêu cầu sau:
Chức năng dừng được cung cấp (ví dụ, dừng có chu kỳ) phải là cấp 2 phù hợp với các yêu cầu của IEC 60204-1:2005, 9.2.2 được khởi động cùng với giám sát đứng yên và bộ phận liên quan đến an toàn hệ thống điều khiển (SRP/CS) phải đạt được cấp chất lượng tối thiểu PL = c.
CHÚ THÍCH: Về dừng vận hành của hệ thống dẫn điện liên quan đến an toàn (PSD (SR)], xem EN 61800-5-2:2007, 4.2.3.1 đối với "dừng vận hành an toàn (SOS - safe operating stop)" và EN 61800-5-2:2007, 4.2.2.4 đối với "dừng an toàn 2 (SS2 - safe stop 2)”.
Khi được bắt đầu, trình tự dừng phải như sau:
a) Dừng các chuyển động của các trục
b) Dừng chuyển động quay của trục chính và khởi động bộ phanh (nếu được trang bị)
c) Khi hoàn thành trình tự phanh, cắt điện cấp cho bộ phanh (nếu trang bị bộ phanh điện)
Kiểm tra xác nhận: Bằng kiểm tra các bản vẽ và/hoặc các sơ đồ mạch có liên quan, kiểm tra và thử nghiệm các chức năng có liên quan của máy.
5.2.4.3 Dừng khẩn cấp
Phải áp dụng TCVN 6719 (ISO 13850) và ngoài ra:
Các máy phải được lắp các cơ cấu điều khiển dừng khẩn cấp tuân theo các yêu cầu của IEC 60204-1:2005.
Phải áp dụng các yêu cầu về dừng bình thường được giới thiệu trong 5.2.4 mà không có ngoại lệ, đối với bộ nung nóng chất keo.
Bộ phận liên quan đến an toàn của hệ thống điều khiển (SRP/CS) cho bắt đầu dừng khẩn cấp phải đạt được mức đặc tính tối thiểu PL = c.
Kiểm tra xác nhận: Bằng kiểm tra các bản vẽ và/hoặc các sơ đồ mạch có liên quan, đo lường, kiểm tra và thử nghiệm các chức năng có liên quan của máy.
5.2.5 Cơ cấu dẫn tiến tích hợp
5.2.5.1 Quy định chung
Trong chế độ tự động (CHẾ ĐỘ 1), chỉ có thể khởi động động cơ dẫn tiến khi các động cơ của các trục chính lắp dụng cụ đang vận hành ở vận tốc đã dự định hoặc các dụng cụ của tất cả các trục chính không có liên quan đến vận hành hiện tại không thể tiếp xúc với chi tiết gia công (các dụng cụ được tháo ra khỏi các trục chính hoặc các trục chính không quay được rút về vị trí không gia công cắt).
Bộ phận liên quan đến an toàn của hệ thống điều khiển (SRP/CS) dùng cho khóa liên động của sự khởi động dẫn tiến với động cơ dẫn động trục chính lắp dụng cụ phải đạt được mức đặc tính tối thiểu PL = b.
5.2.5.2 Yêu cầu về vị trí của trục chính
Về các thiết bị trục chính được điều chỉnh bằng tay (bằng vô lăng hoặc được vận hành bằng dẫn động cơ khí), xem 6.3 n).
Đối với các thiết bị trục chính được điều chỉnh tự động bằng điều khiển NC hoặc CNC, phải đáp ứng một trong các yêu cầu sau để bảo đảm rằng không có các trục chính đang quay được rút về một vị trí không gia công cắt khi dụng cụ chưa được tháo ra:
a) Phải trang bị cơ cấu giới hạn vị trí ở vị trí không gia công cắt;
b) Máy tính logic khả lập trình (PLC) phải khởi động việc rút dụng cụ ra khỏi vị trí gia công.
Bộ phận liên quan đến an toàn của hệ thống điều khiển (SRP/CS) cho khóa liên động sự khởi động dẫn tiến với sự rút về của trục chính phải đạt được cấp chất lượng tối thiểu PL = b.
Kiểm tra xác nhận: Bằng kiểm tra các bản vẽ và/hoặc các sơ đồ mạch có liên quan, kiểm tra và thử nghiệm các chức năng có liên quan của máy.
5.2.5.3 Yêu cầu điều chỉnh chiều cao của dầm ép theo cơ cấu dẫn tiến tích hợp
Về điều chỉnh chiều cao của cơ cấu dẫn tiến bằng vô lăng hoặc bằng dẫn động cơ khí, phải theo các chỉ dẫn cho trong 6.3 o).
Đối với quá trình điều chỉnh chiều cao tự động của cơ cấu dẫn tiến bằng điều khiển NC hoặc CNC chỉ có thể thực hiện được chuyển động đi lên của cơ cấu dẫn tiến trong khi các dụng cụ đang quay khi có trang bị phương tiện để phát hiện ra bất cứ chi tiết gia công nào đã đi qua các dụng cụ vào vùng ăn dao ngang của máy. Bộ phận liên quan đến an toàn của hệ thống điều khiển (SRP/CS) cho hệ thống phát hiện này phải đạt được mức đặc tính tối thiểu PL = b.
Kiểm tra xác nhận: Bằng kiểm tra các bản vẽ và/hoặc các sơ đồ mạch có liên quan kiểm tra máy và thử nghiệm các chức năng có liên quan của máy.
5.2.6 Lựa chọn chế độ
5.2.6.1 Quy định chung
Phải trang bị một công tắc lựa chọn chế độ nếu các bộ phận bảo vệ phải được mở ra để điều chỉnh trong khi một số bộ phận của máy đang vận hành. Hệ thống điều khiển cho lựa chọn chế độ phải quan trọng hơn tất cả các hệ thống điều khiển khác ngoại trừ cơ cấu dừng khẩn cấp và phải khóa được ở mỗi vị trí (xem ISO 12100:2010, 6.2.11.10).
Phải lắp một cơ cấu chặn/cữ để ngăn chặn sự tiến vào bộ phận không gia công cắt theo chiều ngang của bất cứ dụng cụ nào đang quay từ bên trong tấm chắn. Về các vật liệu và đặc tính của cơ cấu này xem 5.3.2.
Bộ phận liên quan đến an toàn của hệ thống điều khiển (SRP/CS) dùng cho lựa chọn chế độ phải đạt được mức đặc tính tối thiểu PL = c.
Khi chuyển mạch từ một chế độ điều chỉnh (CHẾ ĐỘ 2 hoặc CHẾ ĐỘ 3) về chế độ tự động không yêu cầu phải dừng chuyển động.
Khi thực hiện CHẾ ĐỘ 2, cũng không yêu cầu phải thực hiện CHẾ ĐỘ 3 và ngược lại
Kiểm tra xác nhận: Bằng kiểm tra các bản vẽ và/hoặc các sơ đồ mạch có liên quan kiểm tra và thử nghiệm các chức năng có liên quan của máy.
5.2.6.2 Chế độ điều chỉnh (CHẾ ĐỘ 2)
Nếu thực hiện CHẾ ĐỘ 2 cho điều chỉnh các dụng cụ và các bộ phận gia công khác phải áp dụng các yêu cầu sau:
a) Trong chế độ điều chỉnh, chế độ điều khiển bình thường (tự động) phải không được hoạt động;
b) Khi lựa chọn CHẾ ĐỘ 2, phải bắt đầu dừng dẫn tiến, các trục chính lắp dụng cụ và các bộ phận gia công khác;
c) Chỉ có thể thực hiện được chuyển động dẫn tiến và điều chỉnh bằng dẫn động cơ khí bằng điều khiển giữ cho chạy các cơ cấu điều khiển giữ-để-chạy phải được bố trí trên một bộ các cơ cấu điều khiển di động (về định vị các cơ cấu điều khiển giữ-để-chạy, xem 5.2.2);
d) Đối với các cụm xử lý động lực học, không thể thực hiện được việc vận hành các trục chính lắp dụng cụ và các chuyển động lực lực học khi các bộ phận bảo vệ có liên quan được mở;
c) Có thể vận hành một số hoặc tất cả các trục chính lắp dụng cụ sau khi khởi động có chủ định
Bộ phận liên quan đến an toàn của hệ thống điều khiển (SRP/CS) phải đạt được mức đặc tính tối thiểu.
1 ) PL = c, hoặc
2) PL = b, nếu có một cơ cấu điều khiển dừng khẩn cấp ở vùng lân cận.
Kiểm tra xác nhận: Bằng kiểm tra các bản vẽ và/hoặc các sơ đồ mạch có liên quan, đo lường, kiểm tra và thử nghiệm các chức năng có liên quan của máy.
5.2.6.3 Chế độ điều chỉnh tinh (CHẾ ĐỘ 3)
Nếu thực hiện Chế độ 3 cho điều chỉnh tinh các dụng cụ và các bộ phận gia công khác trong khi các dao cùng với các bộ phận gia công này và cơ cấu dẫn tiến đang vận hành trong quá trình gia công thì phải áp dụng các yêu cầu sau:
a) Việc lựa chọn CHẾ ĐỘ 3 không được bắt đầu bất cứ quá trình điều chỉnh thiết bị nào và phải dừng lại các cụm xử lý động lực học (các trục chính và các chuyển động) nếu chúng được bảo vệ một cách riêng biệt;
b) Có thể mở một cửa duy nhất có chiều dài không lớn hơn 2,0 m trong khoảng thời gian tối đa là 3 min mà không làm dừng chuyển động dẫn tiến của các dụng cụ (nghĩa là khóa liên động của cửa với các cơ cấu dẫn động truyền động vẫn hoạt động nhưng phản lực được hoãn lại trong 3 min). Bộ phận liên quan đến an toàn của hệ thống điều khiển (SRP/CS) cho việc hoãn lại của khóa liên động phải đạt được mức đặc tính tối thiểu PL = c;
c) Các cụm xử lý động lực học phải được dừng lại trước khi các bộ phận bảo vệ di động có liên quan mở ra và sự khởi động bất ngờ của các trục chính lắp dụng cụ và các chuyển động lực học phải được ngăn chặn khi các bộ phận bảo vệ có liên quan được mở. Bộ phận liên quan đến an toàn của hệ thống điều khiển SRP/CS cho khóa liên động các cụm xử lý động lực học và các bộ phận bảo vệ di động phải đạt mức đặc tính tối thiểu PL = c.
Cũng xem 5.2.2 và 5.3.7.
Kiểm tra xác nhận: Bằng kiểm tra các bản vẽ và/hoặc các sơ đồ mạch có liên quan, đo lường, kiểm tra và thử nghiệm các chức năng có liên quan của máy.
5.2.7 Kiểm soát vận tốc vượt quá cho các dao phay
Trên các máy có lắp bộ phận điều khiển vận tốc biến đổi vô hạn (ví dụ, một bộ biến đổi tần số) cho động cơ dẫn động trục chính thì bộ phận điều khiển này phải bảo đảm sao cho vận tốc thực không được vượt quá vận tốc quay lớn nhất của dao phay lớn hơn 10 %. Nếu vận tốc quay thực của trục chính lắp dao phay vượt quá vận tốc quay lớn nhất của dao lớn hơn 10 %, động cơ dẫn động phải tự động dừng lại. Cơ cấu dừng này phải có cấp 0 phù hợp với các yêu cầu của IEC 60204-1:2005, 9.2.2.
Bộ phận liên quan đến an toàn của hệ thống điều khiển (SRP/CS) cho điều khiển vận tốc quá mức đối với dao phay phải đạt được cấp chất lượng tối thiểu PL = c.
Trường hợp ngoại lệ: Không yêu cầu phải điều khiển vận tốc quá mức khi sự văng ra trực tiếp của các dao phay hoặc các bộ phận của chúng có thể được loại trừ, nghĩa là, mặt phẳng của chuyển động quay không theo hướng khe hở giữa xích dẫn tiến và dầm ép trên đỉnh.
Kiểm tra xác nhận: Bằng kiểm tra các bản vẽ và/hoặc các sơ đồ mạch có liên quan và kiểm tra máy.
CHÚ THÍCH: Về các đặc tính của bộ phận cấu thành máy, có thể cần đến sự xác nhận của nhà sản xuất bộ phận.
5.2.8 Hư hỏng của nguồn cấp điện
Trong trường hợp xảy ra sự gián đoạn của bất cứ nguồn cấp điện nào, việc khởi động lại tự động của máy phải được ngăn chặn, các thông số ảnh hưởng đến các chức năng an toàn của máy không được thay đổi theo cách không kiểm soát được sau khi nguồn cấp điện được khôi phục lại. Khi sử dụng các van một chiều để duy trì sự kẹp chặt chi tiết gia công thì các van này phải được lắp trực tiếp tại các xy lanh dẫn động.
Về cung cấp điện, xem IEC 60204-1:2005, 7.5 các đoạn 1 và 3.
Áp dụng các yêu cầu của TCVN 7300:2003 (ISO 14118:2000), Điều 6.
Bộ phận liên quan đến an toàn của hệ thống điều khiển (SRP/CS) cho ngăn cản sự khởi động bất ngờ phải đạt được mức đặc tính tối thiểu PL = c.
Kiểm tra xác nhận: Bằng kiểm tra các bản vẽ và/hoặc các sơ đồ mạch có liên quan, kiểm tra, đo lường và thử nghiệm các chức năng có liên quan của máy.
5.2.9 Hư hỏng của các mạch điều khiển
Áp dụng các yêu cầu của TCVN 7300:2003 (ISO 14118:2000), Điều 6 và ngoài ra các mạch điều khiển phải được thiết kế sao cho sự hư hỏng của một đường (tuyến) trong bất kỳ một mạch nào (ví dụ, dây, ống hoặc ống mềm bị đứt, gãy) cũng không được dẫn đến làm mất chức năng an toàn (ví dụ, sự khởi động bất ngờ) và phải tuân theo IEC 60204-1:2005, ISO 4413 và ISO 4414:2010.
Kiểm tra xác nhận: Bằng kiểm tra các bản vẽ và/hoặc các sơ đồ mạch có liên quan, kiểm tra và thử nghiệm các chức năng có liên quan của máy.
5.2.10 Bảo dưỡng từ xa
Đối với các máy được trang bị phương tiện bảo dưỡng từ xa, phải áp dụng các yêu cầu sau:
Đường dây thông tin liên lạc an toàn giữa nhà cung cấp bảo dưỡng từ xa khách hàng.
Các chức năng bảo dưỡng từ xa được cung cấp cho chẩn đoán, cập nhật phần mềm chức năng và/hoặc điều khiển từ xa phải được thực hiện từ phía máy.
Phải trang bị cho máy bộ phận chỉ báo (không có yêu cầu về mức đặc tính) rằng chế độ bảo dưỡng từ xa được kích hoạt, ví dụ, đèn chớp sáng màu vàng.
Người vận hành bảo dưỡng từ xa phải nhận biết được rõ ràng và không có khó khăn gì đối với bất cứ một máy riêng lẻ nào.
Chức năng điều khiển dừng khẩn cấp ở máy phải diễn ra trước bất cứ một lệnh điều khiển nào do người vận hành bảo dưỡng từ xa phát ra.
Bất cứ hoạt động bảo dưỡng từ xa nào cũng không được kích hoạt việc cấp điện hoặc lựa chọn chế độ và cũng không được đình chỉ hoặc chỉnh đặt lại bất cứ bộ phận bảo vệ an toàn hoặc chức năng an toàn nào.
Trước khi cập nhật phần mềm, máy phải đang hoạt động, ở điều kiện dừng bình thường và không lắp các chi tiết gia công. Sau khi cập nhật phần mềm máy tính logic khả lập trình phải được khởi động lại trước khi có thể khởi động lại máy.
Điều khiển từ xa phải được kích hoạt với sự hiện diện của người vận hành tại máy. Phải có tín hiệu cảnh báo xuất hiện trên panen điều khiển để báo cho người vận hành biết rằng phải kiểm tra để bảo đảm cho tất cả các bộ phận bảo vệ an toàn đều ở đúng vị trí và vận hành, máy ở chế độ tự động (CHẾ ĐỘ 1) và người vận hành phải ở lại máy trong suốt quá trình hoạt động điều khiển từ xa để kiểm tra bảo đảm cho không có người nào ở gần máy. Người vận hành phải có sự xác nhận đối với các yêu cầu nêu trên trước khi khởi động chức năng điều khiển từ xa (không có yêu cầu về mức đặc tính).
Trong quá trình điều khiển từ xa, nếu mất đi sự nối kết giữa vị trí bảo dưỡng từ xa và máy thì cơ cấu dừng bình thường phải được kích hoạt và máy tính logic khả lập trình (PLC) phải được khởi động lại (không có yêu cầu về mức đặc tính).
Sau khi hoàn thành các hoạt động bảo dưỡng từ xa phải xuất hiện thông báo trên panen điều khiển để báo rằng máy đã sẵn sàng cho gia công.
Kiểm tra xác nhận: Bằng kiểm tra các bản vẽ và/hoặc các sơ đồ mạch có liên quan, kiểm tra và thử nghiệm các chức năng có liên quan của máy.
5.3 Bảo vệ chống lại các mối nguy hiểm cơ khí
5.3.1 Độ ổn định
Các máy tĩnh tại và thiết bị phụ (ví dụ, các giá đỡ bổ sung cho chi tiết gia công) phải được trang bị phương tiện (ví dụ, các lỗ ở khung máy) để cố định chúng với kết cấu bền vững thích hợp (ví dụ, sàn) [cũng xem 6.3e)]
Các máy di chuyển được có lắp các bánh xe phải có phương tiện để làm cho chúng vững chắc trong quá trình gia công (ví dụ, các bộ phanh cho các bánh xe) hoặc cơ cấu để rút các bánh xe về khỏi sàn. Các máy di chuyển được phải vượt qua các phép thử trong Phụ lục C.
Kiểm tra xác nhận: Bằng kiểm tra các bản vẽ có liên quan và kiểm tra máy, đối với các máy di chuyển được, thực hiện các phép thử cho trong Phụ lục C.
5.3.2 Rủi ro bị gãy vỡ trong quá trình vận hành
Các bộ phận bảo vệ dùng cho các dụng cụ phải được chế tạo từ các vật liệu có các đặc tính tối thiểu như sau (cũng xem 5.3.7):
a) Thép có độ bền chống phá hủy giới hạn là 350 MPa và chiều dày thành ít nhất là 2 mm;
b) Hợp kim nhẹ có các đặc tính được giới thiệu trong Bảng 2;
c) Polycacbonat có chiều dày thành ít nhất là 5 mm;
d) Gang có độ bền kéo giới hạn tối thiểu là 200 MPa và chiều dày thành ít nhất là 5 mm;
e) Bất cứ vật liệu nào khác phải vượt qua thử nghiệm cho trong Phụ lục B.
Bảng 2 - Chiều dày bộ phận bảo vệ dụng cụ bằng hợp kim nhẹ và độ bền kéo
| Độ bền kéo giới hạn nhỏ nhất MPa | Chiều dày nhỏ nhất mm |
| 180 | 5 |
| 240 | 4 |
| 300 | 3 |
Kiểm tra xác nhận: Bằng kiểm tra các bản vẽ có liên quan, đo lường, kết quả thử theo Phụ lục B khi có yêu cầu và kiểm tra máy.
CHÚ THÍCH: Về độ bền kéo giới hạn, có thể sử dụng sự xác nhận của nhà sản xuất vật liệu.
5.3.3 Giá kẹp dụng cụ về thiết kế dụng cụ
5.3.3.1 Đặc tính hình học
Phần trục chính trên đó định vị các đĩa cưa phải có dung sai nhỏ nhất theo g6 phù hợp với các yêu cầu của TCVN 2245 (ISO 286-2).
Kiểm tra xác nhận: Bằng kiểm tra các bản vẽ có liên quan và đo lường.
5.3.3.2 Độ bền
Các trục chính lắp dụng cụ phải được chế tạo bằng thép có độ bền kéo giới hạn nhỏ nhất 580 MPa.
Kiểm tra xác nhận: Bằng kiểm tra các bản vẽ có liên quan.
CHÚ THÍCH: Về độ bền kéo giới hạn, có thể sử dụng sự xác nhận của nhà sản xuất vật liệu.
5.3.3.3 Các kích thước của trục chính và dụng cụ
Về các yêu cầu cán bằng đã chỉ ra trong EN 847-1:2013, 6.2.4, nhà sản xuất phải công bố cho mỗi trục chính vận tốc lớn nhất, khối lượng lớn nhất và các kích thước của các dụng cụ có thể được sử dụng với trục chính.
Kiểm tra xác nhận: Bằng tính toán hoặc phương pháp khác (ví dụ, thử nghiệm, các tiêu chuẩn chấp nhận và kinh nghiệm đã được chứng minh).
5.3.3.4 Khóa hãm trục chính
Khi cần thiết phải giữ trục chính đứng yên cho thấy dụng cụ, cần phải trang bị cơ cấu giữ trục chính. Cơ cấu này có thể là, ví dụ, một chìa vặn kép hoặc một thanh khóa liền khối được lắp qua trục chính.
Kiểm tra xác nhận: Bằng kiểm tra các bản vẽ liên quan, kiểm tra và thử nghiệm các chức năng có liên quan của máy.
5.3.3.5 Vòng kẹp của trục chính
Khi trang bị các vòng kẹp cho các trục chính, các lỗ của chúng phải có dung sai tối thiểu theo H8 phù hợp với các yêu cầu của TCVN 2245 (ISO 286-2). Các bề mặt kẹp chặt của vòng kẹp trục chính phải có dung sai độ song song trong phạm vi 0,02 mm.
Các vòng kẹp của trục chính phải được chế tạo bằng thép có độ bền kéo giới hạn nhỏ nhất 350 MPa.
Kiểm tra xác nhận: Bằng kiểm tra các bản vẽ liên quan, kiểm tra và đo lường.
CHÚ THÍCH: Về độ bền kéo giới hạn, cần có sự xác nhận của nhà sản xuất vật liệu.
5.3.3.6 Cơ cấu kẹp chặt dụng cụ
Các trục chính lắp dụng cụ phải được trang bị một trong các cơ cấu kẹp chặt dụng cụ sau:
a) Ống kẹp dụng cụ được lắp chặt cố định trong lỗ trục chính;
b) Đầu kẹp dụng cụ giữa mặt bích trước hoặc vòng kẹp của trục chính (ống kẹp khóa) và trục chính;
c) Đầu kẹp dụng cụ hình côn được lắp vào trục chính.
Cũng xem 5.4.12.
Khi trang bị các mặt bích lắp lưỡi cưa, chúng phải tuân theo các yêu cầu sau:
1) Đường kính của cả hai mặt bích (hoặc mặt bích cho các đĩa cưa được lắp ngang bằng) tối thiểu phải bằng D/6 (trong đó D là đường kính của đĩa cưa lớn nhất được thiết kế cho máy);
2) Đối với các mặt bích khác với các mặt bích dùng cho lắp các đĩa cưa ngang bằng, bề mặt kẹp chặt tại phần bên ngoài (vành ngoài) của mặt bích phải phẳng trên chiều rộng tối thiểu là 3 mm và được xẻ rãnh hướng tâm. Cả hai đường kính ngoài phải có phạm vi dung sai ± 1 mm.
Các cơ cấu kẹp chặt dụng cụ thủy tĩnh là một bộ phận gắn liền của trục chính hoặc được nối ghép cố định với trục chính phải có một cơ cấu cơ khí bổ sung để ngăn ngừa sự tháo lỏng ra của dụng cụ trong trường hợp có rò rỉ trong hệ thống thủy tĩnh.
Chỉ có thể tháo dụng cụ khi trục chính dừng lại và sự khởi động lại được ngăn chặn (yêu cầu thứ hai này chỉ được áp dụng khi người vận hành thay dao hoặc dụng cụ bằng tay).
Bộ phận liên quan đến an toàn của hệ thống điều khiển (SRP/CS) cho khóa liên động giữa tháo dao hoặc dụng cụ và sự đứng yên của trục chính phải đạt được mức đặc tính tối thiểu PL = c hoặc gồm có hai hệ thống độc lập đều đạt mức đặc tính PL = b.
Bộ phận liên quan đến an toàn của hệ thống điều khiển (SRP/CS) dùng cho ngăn ngừa sự khởi động bất ngờ phải đạt mức đặc tính tối thiểu PL = c.
Kiểm tra xác nhận: Bằng kiểm tra các bản vẽ liên quan, kiểm tra, đo lường và thử nghiệm các chức năng có liên quan của máy.
5.3.4 Phanh
Phải trang bị một bộ phanh tự động cho các bộ phận sau:
a) Các trục chính lắp dụng cụ ở đó thời gian chạy theo đà không được hãm lại lớn hơn 10 s. Thời gian chạy theo đà được hãm lại phải ít hơn 10 s hoặc khi thời gian tăng tốc vượt quá 10 s phải ít hơn thời gian tăng tốc, nhưng trong bất cứ trường hợp nào cũng không được vượt quá 30 s;
b) Các ụ đai gắn cát mài ở đó thời gian chạy theo đà không được hãm lại vượt quá 30 s. Thời gian chạy theo đà được hãm lại phải ít hơn 30 s.
Trong trường hợp có hư hỏng của nguồn cáp điện, thời gian chạy theo đà có thể bị vượt quá khi có bộ phận bảo vệ dụng cụ vẫn được khóa ở vị trí đóng (xem 6.3).
Bộ phận liên quan đến an toàn của hệ thống điều khiển (SRP/CS) dùng để điều khiển phanh phải có mức đặc tính tối thiểu PL = c.
Khi lắp phanh cơ khí vận hành bằng lò xo hoặc bất cứ kiểu phanh nào khác không sử dụng các linh kiện điện tử, không áp dụng đoạn cuối cùng của IEC 60204-1:2005, 9.3.4.
Đối với các cơ cấu điều khiển phanh điện, không được sử dụng phanh bằng dòng điện ngược.
Trong trường hợp ngoại lệ, khi sử dụng các cơ cấu điều khiển phanh điện có chứa các linh kiện điện tử, bộ phận liên quan đến an toàn của hệ thống điều khiển (SRP/CS) cho phanh phải đạt được mức đặc tính tối thiểu PL = b và được thiết kế theo cấp 2 của TCVN 7384-1:2010 (ISO 13849-1:2006) với ngoại lệ là không áp dụng yêu cầu về tốc độ thử trong TCVN 7384-1:2010 (ISO 13849-1:2006) 4.5.4. Bộ phận liên quan đến an toàn của hệ thống điều khiển (SRP/CS) cho phanh phải được thử định kỳ ví dụ, bằng giám sát thời gian chạy theo đà được hãm. Liên hệ ngược phải bắt nguồn từ bộ mã hóa được lắp với động cơ trục chính hoặc từ phép đo dòng điện dư trong các dây dẫn cấp điện cho động cơ. Phép thử phải
a) Độc lập đối với điều khiển cơ bản cho phanh hoặc phải trang bị một cơ quan sát bên trong trong cơ cấu điều khiển phanh,
b) Độc lập đối với ý định của người vận hành, và
c) Được thực hiện tại mỗi lần dừng trục chính.
Vùng chẩn đoán (DCavg - diagnostic coverage) phải ≥ 60 %.
CHÚ THÍCH 1: Xem TCVN 7384-1:2010 (ISO 13849-1:2006), Phụ lục E.
Phải đưa ra phép thử phủ định. Khi phép thử phủ định quá ba lần liên tiếp thì không thể vận hành máy.
Trong trường hợp ngoại lệ, một bộ phanh điện tử đơn giản (khi sử dụng các bộ phận điện tử đơn giản như các bộ chỉnh lưu, các tranzito, các triac, đèn hai cực (điôt), các điện trở, thyristo) phải đạt được mức đặc tính PL = b và PFHd theo TCVN 7384-1 (ISO 13849-1) nhỏ hơn 3,8 x 10-6.
CHÚ THÍCH 2: Các bộ phận điện tử phức hợp như các bộ vi xử lý hoặc PLC (máy tính điện tử logic khả lập trình) không thể được xem như đã qua thử nghiệm tốt trong phạm vi của TCVN 7384-1:2010 (ISO 13849-1:2006) và vì thế không đáp ứng được các yêu cầu của cấp 1.
CHÚ THÍCH 3: Để tính toán xác suất xuất hiện một hư hỏng nguy hiểm đối với một bộ phận phanh điện tử đơn giản khi không phát hiện ra lỗi (không DC) và không thử nghiệm khả năng phanh (cấp 1), có thể sử dụng quy trình đã mô tả trong TCVN 7384-1:2010 (ISO 13849-1:2006), Phụ lục D.
Kiểm tra xác nhận: Để xác định thời gian chạy theo đà không được hãm, thời gian tăng tốc và thời gian chạy theo đà được hãm, nếu có liên quan, xem các phép thử thích hợp cho trong Phụ lục A.
5.3.5 Các bộ phận để giảm thiểu khả năng hoặc ảnh hưởng của sự văng ra hoặc sự nẩy ngược
Đó là các tấm dẫn phoi. Phải lắp các tấm dẫn phoi để di chuyển các phoi được cắt ra xa lưỡi cưa để ngăn không cho chúng tiếp xúc với các dụng cụ tiếp sau và phóng phoi ra khỏi máy hoặc các phoi được cắt ra phải được bẻ gãy và ép ra.
Kiểm tra xác nhận: Bằng kiểm tra các bản vẽ có liên quan, kiểm tra và thử nghiệm các chức năng có liên quan của máy.
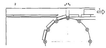
Đối với các máy được thiết kế để gắn kết các mép gỗ cứng ở các thanh/nẹp/que (không được cán) trong đó các bộ phận phay được bố trí sau các bộ phận gắn keo (xem Hình 2, chú dẫn 6) có khả năng gia công ở chế độ cắt leo, phải lắp một cơ cấu ép (ví dụ, các con lăn ép) để ngăn ngừa các mép cứng văng ra khỏi máy.
Nếu sử dụng một cơ cấu ép có lắp các con lăn ép thì phải đáp ứng các yêu cầu sau:
a) Phải lắp hai con lăn, mỗi con lăn có một bề mặt (ví dụ, cao su) để không làm hư hỏng chi tiết gia công và phải ép các con lăn vào mặt trên và mặt dưới của chi tiết gia công để gắn kết mép cứng.
b) Phải lắp một con lăn có bề mặt cứng (ví dụ, thép) và phải ép con lăn này theo chiều ngang vào mép cứng được gắn kết.
c) Cơ cấu ép phải được lắp đặt trên máy giữa đầu dẫn tiến ra và các dao phay (xem Hình 4).
d) Áp lực tạo ra bởi các con lăn như đã mô tả trong a) tối thiểu phải là 50 N và được tác dụng vuông góc với các bề mặt trên và dưới của mép cứng được gắn kết và áp lực được tạo ra bởi con lăn như đã mô tả trong b) tối thiểu phải là 300 N và được tác dụng vuông góc với cạnh cứng được gắn kết.

CHÚ DẪN:
1 Động cơ
2 Dao phay
3 Các con lăn có bề mặt mềm (con lăn trên và con lăn dưới)
4 Con lăn cứng
5 Chiều dẫn tiến
Hình 4 - Lắp đặt cơ cấu ép tại đầu dẫn tiến ra của máy
Nếu bộ phận phay có khả năng cắt ngược lại chiều dẫn tiến, phải lắp đặt một cơ cấu ép để ngăn cản sự nẩy ngược của mép cứng chi tiết gia công và cơ cấu này được lắp giữa vùng gắn kết mép và các dao phay trừ khi sự nẩy ngược được ngăn ngừa bằng các phương tiện khác ví dụ cụm các con lăn và hệ thống dẫn tiến trong vùng gắn kết mép. Nếu cần thiết phải có một cơ cấu ép bổ sung thì phải đáp ứng các yêu cầu của a), b) và d) đã nêu trên.
Kiểm tra xác nhận: Bằng kiểm tra các bản vẽ liên quan, kiểm tra và đo lường
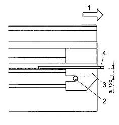
5.3.6 Giá đỡ chi tiết gia công và các đường dẫn hướng
Chi tiết gia công phải được dẫn hướng và đỡ bằng dầm xích và dằm ép trên đỉnh
Phải trang bị một giá đỡ cho các chi tiết gia công chìa ra (công xôn). Các mối nguy hiểm về cắt hoặc nghiền giữa các chi tiết gia công chìa ra và giá đỡ này phải được giảm tới mức tối thiểu bằng cách bố trí các thanh hoặc kết cấu mang giá đỡ này ở bên dưới cách đỉnh của xích dẫn tiến hoặc giá đỡ chi tiết gia công một khoảng lớn hơn 120 mm.
Trên các máy có lắp cơ cấu lùi panen tự động, phải áp dụng các yêu cầu sau (xem Hình 5)
Sự tiếp cận các điểm cắt và nghiền phải được ngăn chặn, ví dụ, bằng một hoặc một tổ hợp các phương tiện sau:
- Các bộ phận bảo vệ cố định có chiều cao nhỏ nhất 1800 mm và khoảng cách lớn nhất tính từ sàn 300 mm, chiều rộng tối thiểu là 850 mm ở bên ngoài các điểm nguy hiểm này để ngăn ngừa sự tiến đến gần theo chiều ngang.
- Khi giá đỡ chi tiết gia công được trang bị bàn con lăn, khe hở giữa các con lăn phải được che kín bằng các thanh chắn cố định. Các khe hở giữa các con lăn và các thanh chắn cố định cũng như giữa con lăn thứ nhất và con lăn cuối cùng và các bộ phận cố định hoặc bằng tải đai phải ≤ 4 mm. Các thanh chắn cố định giữa các con lăn phải có độ sâu lớn nhất tính từ đỉnh của các con lăn 15 mm (xem Hình 6).
Sự tiếp cận các điểm nguy hiểm qua khe hở giữa cơ cấu lùi panen và máy phải được ngăn chặn, ví dụ, bằng bộ phận bảo vệ cố định nằm ngang bao che khe hở này hoặc tổ hợp của một cơ cấu bảo vệ quang điện từ phóng xạ (AOPD) kiểu 2 với ít nhất là hai dầm ở độ cao 300 mm và 800 mm tính từ mức sàn được lắp đặt ở phía chạy lao ngang và một bộ phận bảo vệ cố định bên dưới cơ cấu lùi panen được chế tạo sao cho các khe hở còn lại không lớn hơn 300 mm.
Kích thước tính bằng milimét

Hình 5 - Ví dụ về cơ cấu lùi panen tự động
Kích thước tính bằng milimét

Hình 6 - Che chắn bảo vệ các khe hở giữa các con lăn
Nếu được sử dụng, cơ cấu bảo vệ quang điện tử phóng xạ (AOPD) phải phù hợp với các yêu cầu của IEC 61496-2 và bộ phận liên quan đến an toàn của hệ thống điều khiển (SRP/CS) gắn liền với cơ cấu này phải đạt mức đặc tính tối thiểu PL = c. Khi khởi động AOPD, chuyển động nguy hiểm của cơ cấu dẫn tiến của máy và bất cứ cơ cấu lùi panen nào phải được dừng lại và các cơ cấu dẫn động có liên quan phải được ngắt điện. Phải trang bị một cơ cấu điều khiển chỉnh đặt lại được vận hành bằng tay cho kích hoạt lại AOPD ở vị trí sao cho không thể tiếp cận để chỉnh đặt lại cơ cấu điều khiển từ bên trong vùng được bảo vệ và có thể nhìn rõ vùng được bảo vệ từ cơ cấu này. Bộ phận liên quan đến an toàn của hệ thống điều khiển (SRP/CS) dùng cho điều khiển sự chỉnh đặt lại phải đạt được mức đặc tính tối thiểu PL = c.
Kiểm tra xác nhận: Bằng kiểm tra các bản vẽ liên quan, kiểm tra và thử nghiệm các chức năng có liên quan của máy.
5.3.7 Ngăn chặn sự tiếp cận các bộ phận di động
5.3.7.1 Bảo vệ dụng cụ
Phải ngăn chặn sự tiếp cận các dụng cụ đang quay, bao gồm cả các dụng cụ gắn bột mài bằng một bộ phận bảo vệ hoặc các bộ phận bảo vệ được chế tạo thành một tấm chắn tích hợp (cũng xem 5.4.2), khác với tiếp cận qua khe hở giữa dầm xích và dầm ép trên đỉnh (về khe hở này, xem 5.3.7.7).
Khi cung cấp lối vào cho bảo dưỡng, điều chỉnh hoặc chỉnh đặt, lối vào này phải đi qua một rào chắn khóa liên động di động được có cơ cấu khóa phù hợp với các yêu cầu của ISO 14119:2013, F5 (về các ngoại lệ, xem 5.2.6.2).
Khi thời gian chạy theo đà của một dụng cụ vượt quá 10 s, ít nhất phải sử dụng một cơ cấu khóa liên động có cơ cấu khóa rào chắn được giải phóng bằng lò xo/dẫn động cơ khi phù hợp với các yêu cầu của ISO 14119:2013, F1 đến F4 cho đoạn riêng biệt này của rào chắn.
Bộ phận liên quan đến an toàn của hệ thống điều khiển (SRP/CS) cho khóa liên động các dẫn động của dụng cụ với các rào chắn di động phải đạt được mức đặc tính tối thiểu PL = c.
Kiểm tra xác nhận: Bằng kiểm tra các bản vẽ và/hoặc các sơ đồ mạch có liên quan, kiểm tra, đo lường và thử nghiệm các chức năng có liên quan của máy.
5.3.7.2 Bảo vệ đai gắn cát mài
Phải ngăn chặn sự tiếp cận đai truyền gắn bột mài, khác với sự tiếp cận bộ phận cần thiết cho phun cát làm sạch chi tiết gia công, bằng các bộ phận bảo vệ cố định, kết hợp với một nắp che có khớp bản lề, không khóa liên động, nắp che này có thể được khóa bằng cơ khí ở vị trí che kín trong quá trình vận hành bình thường, dùng cho thay thế hoặc điều chỉnh đai gắn cát mài, làm sạch hoặc loại bỏ bụi bẩn.
Phải trang bị các bộ phận bảo vệ cố định để ngăn chặn các mối nguy hiểm về cắt đứt và nghiền giữa chi tiết gia công và bộ phận phun cát làm sạch bên ngoài.
Bộ phận bảo vệ cố định phải được lắp với các chi tiết kẹp chặt được gắn với bộ phận bảo vệ hoặc máy, ví dụ, như các vít không bị mất đi nếu chúng được người sử dụng tháo ra khi bảo dưỡng, làm sạch, xem 6.3 ee).
Kiểm tra xác nhận: Bằng kiểm tra các bản vẽ và/hoặc các sơ đồ mạch có liên quan, kiểm tra và thử nghiệm các chức năng có liên quan của máy.
5.3.7.3 Bảo vệ vùng gắn kết mép
Phải ngăn chặn sự tiếp cận các dao cắt kiểu kéo, các con lăn có đinh vấu và các con lăn ép hoặc chất tải khác với sự tiếp cận qua khe hở giữa dầm xích và dầm ép trên đỉnh (về khe hở này, xem 5.3.7.7) bằng các bộ phận bảo vệ cố định hoặc các bộ phận bảo vệ di động được khóa liên động hoặc các bộ phận bảo vệ tháo được có khóa liên động với các truyền động tương ứng phù hợp với các yêu cầu của ISO 14119:2013.
Bộ phận bảo vệ cố định phải được lắp với các chi tiết kẹp chặt được gắn với bộ phận bảo vệ hoặc máy, ví dụ như các vít không bị mất đi và chỉ được người sử dụng tháo ra khi bảo dưỡng, làm sạch, xem 6.3 ee).
Khi trang bị một bộ phận bảo vệ khóa liên động tháo ra được thì không thể lắp lại bộ phận bảo vệ này theo cách sai được.
Các mối nguy hiểm khác, ví dụ mắc kẹt hoặc nghiền phải được giảm tới mức tối thiểu bằng bộ phận chặn/cữ để ngăn ngừa sự tiếp cận trực tiếp theo phương nằm ngang.
Bộ phận liên quan đến an toàn của hệ thống điều khiển (SRP/CS) cho khóa liên động các dẫn động của dụng cụ có các bộ phận bảo vệ di động hoặc tháo được phải đạt mức đặc tính tối thiểu PL = c.
Kiểm tra xác nhận: Bằng kiểm tra các bản vẽ liên quan, kiểm tra và thử nghiệm các chức năng có liên quan của máy.
5.3.7.4 Bảo vệ cơ cấu xích hoặc các cơ cấu dẫn tiến khác
5.3.7.4.1 Quy định chung
Phải ngăn chặn sự tiếp cận cơ cấu xích và các cơ cấu ép bằng rào chắn theo yêu cầu của 5.3.7.1 và đối với các bộ phận ở bên ngoài rào chắn bằng các bộ phận bảo vệ cố định trừ bộ phận của cơ cấu xích và cơ cấu ép cần phải phơi ra để kẹp giữ và dẫn tiến chi tiết gia công.
Bộ phận bảo vệ cố định phải được lắp với các chi tiết kẹp chặt được gắn với bộ phận bảo vệ hoặc máy, ví dụ như các vít không bị mất đi và chỉ được người sử dụng tháo ra khi bảo dưỡng, làm sạch, xem 6.3 ee).
Tại đầu dẫn tiến vào, bên ngoài rào chắn, mối nguy hiểm nghiền giữa các đệm khép kén của xích phải được giảm tới mức tối thiểu bằng thiết kế xích thích hợp, ví dụ, bằng giới hạn khe hở giữa các đệm xích tới mức tối đa là 8 mm khi có thể thực hiện được, hoặc phải có sự bảo vệ (ví dụ, xem Hình 7).
Kích thước tính bằng milimét

CHÚ DẪN:
1 Chiều dẫn tiến
2 Giá đỡ chi tiết gia công
Hình 7 - Ví dụ về thiết kế xích dẫn tiến thích hợp
Tại đầu dẫn tiến ra, mối nguy hiểm bị kéo vào giữa xích và một bộ phận cố định của máy phải được giảm đi bằng cách sử dụng một giá đỡ chi tiết gia công hoặc một phần kéo dài thích hợp cho vỏ che để giảm thiểu khe hở giữa bộ phận cố định của máy và xích.
Tại đầu dẫn tiến ra, phải trang bị một bộ phận bảo vệ cố định để ngăn chặn sự tiếp cận từ phía trên vào các điểm có mối nguy hiểm nghiền và cắt đứt do chi tiết gia công và các bộ phận của máy tạo ra.
Kiểm tra xác nhận: Bằng kiểm tra các bản vẽ liên quan, kiểm tra, đo lường và thử nghiệm các chức năng có liên quan của máy.
5.3.7.4.2 Mắc kẹt tại đầu dẫn tiến vào của máy
Phải ngăn chặn sự tiếp cận các điểm mắc kẹt của mỗi dầm ép trên đỉnh bằng một trong các cơ cấu sau:
a) Bộ phận bảo vệ cố định trên mỗi dầm ép trên đỉnh, bộ phận bảo vệ này di chuyển thẳng đứng với dầm ép trên đỉnh. Khe hở giữa đỉnh của chi tiết gia công và bộ phận bảo vệ này phải ≤ 4 mm. Ngoài ra, phải gắn một biển cảnh báo không gia công các chi tiết gia công có các lỗ thông suốt với đường kính ≥ 8 mm, hoặc
b) Cơ cấu chặn hành trình được dẫn động bằng cơ khí (xem Hình 8) phù hợp với các yêu cầu của IEC 13856-2, trong đó bộ phận liên quan đến an toàn của hệ thống điều khiển (SRP/CS) phải đạt được mức đặc tính tối thiểu PL = c và phải đáp ứng các yêu cầu bổ sung sau:
1) Chiều rộng của cảm biến của mỗi cơ cấu chặn hành trình phải kéo dài ít nhất là trên toàn bộ chiều rộng của dầm ép.
2) Cạnh đáy của cơ cấu chặn hành trình không được lớn hơn 8 mm ở phía trên bề mặt của chi tiết gia công trong quá trình dẫn tiến bình thường.
3) Sau khi mắc vào cơ cấu hạn chế hành trình, khoảng cách dừng phải đủ ngắn sao cho bàn tay tỳ lên chi tiết gia công và di chuyển với tốc độ dẫn tiến lớn nhất không được vươn tới điểm nguy hiểm.
4) Cơ cấu chặn hành trình không được tự gây ra mối nguy hiểm mắc kẹt.
Kích thước tính bằng milimét

CHÚ DẪN:
1 Cảm biến của cơ cấu chặn hành trình
2 Dầm ép trên đỉnh
3 Chi tiết gia công
4 Chiều dẫn tiến
A Chiều rộng của cảm biến (A ≥ chiều rộng của dầm ép trên đỉnh)
Hình 8 - Cơ cấu chặn hành trình ở đầu dẫn tiến và của máy
Kiểm tra xác nhận: Bằng kiểm tra các bản vẽ và/hoặc các sơ đồ mạch có liên quan, đo lường, kiểm tra và thử nghiệm các chức năng có liên quan của máy.
5.3.7.5 Bảo vệ sự di chuyển của nửa máy trên các máy gia công mép kép
5.3.7.5.1 Sự nghiền giữa các nửa máy trong quá trình di chuyển khép kín
Để ngăn chặn mối nguy hiểm bị nghiền giữa các dầm xích, máy phải được trang bị một trong các cơ cấu sau:
a) Cơ cấu chặn hành trình (xem Hình 9) được dẫn động bằng cơ khí phù hợp với các yêu cầu của IEC 13856-2 tuân theo bốn yêu cầu bổ sung sau:
1) Cơ cấu phải trải dài trên ít nhất là toàn bộ chiều dài của dầm xích;
2) Cơ cấu phải có lực chặn hành trình lớn nhất là 50 N;
3) Cơ cấu phải được lắp với dầm xích và được bố trí sao cho cảm biến của nó ở đối diện và cách dầm xích ít nhất là 50 mm và ở bên dưới cách điểm nguy hiểm nghiền của dầm xích trong khoảng giữa 0 mm và 70 mm.
Kích thước tính bằng milimét

CHÚ DẪN:
1 Dầm xích cố định
2 Dầm xích di động
3 Chiều dẫn tiến
4 Chi tiết gia công
5 Cảm biến của cơ cấu chặn hành trình trải dài trên toàn bộ chiều dài của dầm xích
Hình 9 - Cơ cấu chặn hành trình trên dầm xích di động

CHÚ DẪN:
1 Chiều dẫn tiến
2 Nửa máy cố định
3 Nửa máy di động
4 AOPD
Hình 10 - Cơ cấu bảo vệ quang điện tử phóng xạ (AOPD) ở đầu dẫn tiến ra
4) Khi cơ cấu chặn hành trình được khởi động, nửa máy di động phải dừng lại trước khi cơ cấu chặn hành trình bị ép hoàn toàn và ngắt điện cho cơ cấu dẫn động có liên quan.
Kết hợp với AOPD kiểu 2 có độ phân giải không lớn hơn 30 mm được đặt trên toàn bộ chiều cao của các cạnh bên trong tại các đầu máy (xem Hình 10); AOPD phải phù hợp với các yêu cầu của IEC 61496-2; khi AOPD được khởi động, nửa máy di động phải dừng lại và ngắt điện cho cơ cấu dẫn động có liên quan;
b) Cơ cấu bảo vệ quang điện tử phóng xạ (AOPD) phù hợp với các yêu cầu của IEC 61496-2 (hàng rào ánh sáng). Hàng rào ánh sáng phải có một hoặc nhiều chùm tia sáng tuân theo a) 1) và a) 3) nêu trên. Hành trình còn lại của dầm xích sau khi vận hành phải ≤ 50 mm. Cơ cấu bảo vệ quang điện tử phóng xạ này tối thiểu phải là kiểu 2 phù hợp với các yêu cầu của IEC 61496-2;
Kết hợp với một AOPD kiểu 2 có độ phân giải không lớn hơn 30 mm được đặt trên toàn bộ chiều cao của các cạnh bên trong tại các đầu máy (xem Hình 10); AOPD phải phù hợp với các yêu cầu của IEC 61496-2; khi AOPD được khởi động, nửa máy di động phải dừng lại và ngắt điện cho cơ cấu dẫn động có liên quan;
c) Cơ cấu giới hạn (xem ISO 12100:2010, 3.2.6.8) để ngăn cản các nửa máy tiếp cận gần nhau hơn 500 mm. Trong trường hợp này, các nửa máy chỉ được phép tiến đến gần nhau 500 mm bằng sử dụng cơ cấu điều khiển giữ cho chạy được bố trí sao cho có thể nhìn thấy rõ ràng dọc theo chiều dài của các nửa máy;
d) Cơ cấu điều khiển giữa cho chạy dùng cho sự di chuyển kép kín của các nửa máy được bố trí sao cho có thể nhìn thấy rõ ràng dọc theo chiều dài của các nửa máy.
Trong a) và b) phải trang bị một cơ cấu điều khiển đã chỉnh đặt lại ở ngoài vùng nguy hiểm và ở vị trí từ đó có tầm nhìn tốt để kiểm tra bảo đảm cho không có người ở trong vùng nguy hiểm; chức năng chỉnh đặt lại phải tuân theo các yêu cầu của TCVN 7384-1:2010 (ISO 13849-1:2006), 5.2.2 và phải được ngăn cản sự bắt đầu chỉnh đặt lại khi đứng bên trong vùng được bảo vệ.
Bộ phận liên quan đến an toàn của hệ thống điều khiển (SRP/CS) dùng cho cơ cấu chặn hành trình, chức năng chỉnh đặt lại, cơ cấu bảo vệ quang điện tử phóng xạ (AOPD), chức năng giữ cho chạy và khóa liên động bằng cơ cấu giới hạn phải đạt mức đặc tính tối thiểu PL = c.
Khi khoảng cách giữa các dầm xích ≥ 500 mm hoặc ≤ 150 mm, có thể bỏ qua cơ cấu theo chiều dọc được yêu cầu trong a) hoặc b).
Kiểm tra xác nhận: Bằng kiểm tra các bản vẽ và/hoặc các sơ đồ mạch có liên quan, đo lường, kiểm tra và thử nghiệm các chức năng có liên quan của máy.
5.3.7.5.2 Sự nghiền giữa các nửa máy và các bộ phận cố định của máy trong quá trình di chuyển mở
Khi có mối nguy hiểm nghiền/cắt đứt giữa các bộ phận cố định của máy và sự di chuyển/mở của các nửa máy thì phải thực hiện một trong các biện pháp sau hoặc tổ hợp của các biện pháp này.
a) Phải lắp cơ cấu chặn hành trình được vận hành bằng cơ khí phù hợp với các yêu cầu trong IEC 13856-2, trong đó bộ phận liên quan đến an toàn của hệ thống điều khiển (SRP/CS) phải đạt được mức đặc tính tối thiểu PL = c và cơ cấu này tuân theo các yêu cầu bổ sung sau:
1) Cơ cấu phải trải dài ít nhất là trên toàn bộ chiều dài của vùng xảy ra nghiền;
2) Cơ cấu phải có lực chặn lớn nhất là 50 N;
3) Khi cơ cấu chặn hành trình được khởi động, dầm phải dừng lại trước khi cơ cấu chặn hành trình bị ép lại hoàn toàn;
b) Phải lắp cơ cấu bảo vệ quang điện tử phóng xạ (rào chắn ánh sáng) (AOPD) phù hợp với các yêu cầu của IEC 61496-2 có bộ phận liên quan đến an toàn của hệ thống điều khiển (SRP/CS) phải đạt mức đặc tính tối thiểu PL = c. Rào chắn ánh sáng phải có một hoặc nhiều chùm tia sáng tuân theo các yêu cầu bổ sung sau:
1) Cơ cấu phải trải dài ít nhất là trên toàn bộ chiều dài của vùng xảy ra nghiền;
2) Cơ cấu phải được bố trí sao cho cảm biến có vị trí đối diện và cách vùng xảy ra nghiền ít nhất là 50 mm;
3) Hành trình còn lại sau khi vận hành không được lớn hơn 50 mm;
4) Cơ cấu tối thiểu phải là kiểu 2 của IEC 61496-2;
c) Cơ cấu điều khiển giữ cho chạy dùng cho di chuyển mở nửa máy, trong đó bộ phận liên quan đến an toàn của hệ thống điều khiển (SRP/CS) phải đạt mức đặc tính tối thiểu PL = c phải được lắp đặt và bố trí sao cho có thể nhìn thấy vùng nguy hiểm;
d) Phải lắp cơ cấu giới hạn để ngăn chặn nửa máy tiếp cận gần hơn 500 mm tới một bộ phận cố định của máy, sự di chuyển thêm theo cùng một chiều chỉ có thể thực hiện được bằng cơ cấu điều khiển giữ cho chạy được bố trí sao cho có thể nhìn thấy vùng nguy hiểm. Bộ phận liên quan đến an toàn của hệ thống điều khiển (SRP/CS) dùng cho khóa liên động bằng cơ cấu giới hạn và cơ cấu điều khiển giữ cho chạy phải đạt được mức đặc tính tối thiểu PL = c.
Trong a) và b) phải trang bị một cơ cấu điều khiển đã chỉnh đặt lại ở ngoài vùng nguy hiểm và ở vị trí từ đó có tầm nhìn tốt để kiểm tra bảo đảm cho không có người ở trong phạm vi vùng nguy hiểm; chức năng chỉnh đặt lại phải tuân theo các yêu cầu của TCVN 7384-1:2010 (ISO 13849-1:2006) 5.2.2 và phải được ngăn cản sự chỉnh đặt lại khi đứng bên trong vùng được bảo vệ.
Kiểm tra xác nhận: Bằng kiểm tra các bản vẽ và/hoặc các sơ đồ mạch có liên quan, đo lường kiểm tra và thử nghiệm các chức năng có liên quan của máy.
5.3.7.5.3 Va đập với nửa máy đang di chuyển
Khi vận tốc của một nửa máy di chuyển vượt quá 25 m/min, mối nguy hiểm xảy ra va đập phải được giảm tới mức tối thiểu, ví dụ, bằng lắp đặt một cơ cấu chặn hành trình (cữ chặn hành trình) hoặc cơ cấu điều khiển giữ-để-chạy.
Bộ phận liên quan đến an toàn của hệ thống điều khiển (SRP/CS) dùng cho cơ cấu chặn hành trình/chức năng giữ cho chạy và dùng cho điều khiển giảm tốc độ đối với di chuyển của nửa máy phải đạt được mức đặc tính tối thiểu PL = c.
Kiểm tra xác nhận: Bằng kiểm tra các bản vẽ và/hoặc các sơ đồ mạch có liên quan, kiểm tra, đo lường và thử nghiệm các chức năng có liên quan của máy.
5.3.7.5.4 Tiếp cận giữa các nửa máy trên các máy gia công mép kép
Máy phải được trang bị hai cơ cấu bảo vệ quang - điện tử phóng xạ (AOPD) (rào chắn ánh sáng) có ít nhất là hai chùm tia sáng, mỗi chùm tia sáng được bố trí tại các đầu dẫn tiến vào và dẫn tiến ra, phù hợp với các yêu cầu của IEC 61496-2 và có các hệ thống điều khiển liên quan đến an toàn đạt mức đặc tính tối thiểu PL = c phù hợp với các yêu cầu của TCVN 7384-1:2010 (ISO 13849-1:2006).
Cơ cấu bảo vệ quang - điện tử phóng xạ này tối thiểu phải là kiểu 2 phù hợp với các yêu cầu của IEC 61496-2.
Các cơ cấu phải
a) Kích hoạt một cơ cấu dừng bình thường khi được khởi động,
b) Trải dài ngang qua toàn bộ chiều rộng của độ mở giữa các dầm xích,
c) Được bố trí ở độ cao 400 mm so với mức sàn đối với chùm ánh sáng bên dưới và ở độ cao 900 mm ±100 mm so với mức sàn đối với chùm ánh sáng phía trên và
d) Được bố trí ở khoảng cách 1m bên trong các mép cạnh của máy.
Phải ngăn chặn sự tiếp cận giữa các nửa máy từ các phía bên bằng các bộ phận bảo vệ cố định ở độ cao không lớn hơn 300 mm so với mức sàn, trải dài từ vị trí của AOPD.
Kiểm tra xác nhận: Bằng kiểm tra các bản vẽ và/hoặc các sơ đồ mạch có liên quan, kiểm tra, đo lường và thử nghiệm các chức năng có liên quan của máy.
5.3.7.6 Bảo vệ các truyền động
Phải ngăn chặn sự tiếp cận tất cả các cơ cấu truyền động, trừ trục dẫn động ngang qua cơ cấu dẫn tiến bằng một bộ phận bảo vệ cố định. Bộ phận bảo vệ cố định phải được lắp với các chi tiết kẹp chặt được gắn vào bộ phận bảo vệ hoặc vào máy, ví dụ, các vít không bị rơi mất nếu chúng được người sử dụng tháo ra, ví dụ khi bảo dưỡng, làm sạch, xem 6.3.
Khi cần tiếp cận thường xuyên các truyền động này để bảo dưỡng hoặc điều chỉnh, nghĩa là nhiều hơn một lần mỗi tuần thì phải tiếp cận qua một bộ phận bảo vệ khóa liên động di động. Khi không có thể tiếp cận các dụng cụ bộ phận bảo vệ di động phải được khóa liên động với khóa bộ phận bảo vệ phù hợp với các yêu cầu của 5.3.7.1.
Trục dẫn động ngang qua cơ cấu dẫn tiến (nếu có) phải được bố trí ở khoảng cách thẳng đứng tối thiểu là 120 mm bên dưới bề mặt dưới của chi tiết gia công (xem Hình 11).
Kiểm tra xác nhận: Bằng kiểm tra các bản vẽ và/hoặc các sơ đồ mạch có liên quan, đo lường, kiểm tra và thử nghiệm các chức năng có liên quan của máy.
Kích thước tính bằng milimét

CHÚ DẪN:
1 Chiều dẫn tiến
2 Trục dẫn động ngang qua cơ cấu dẫn tiến
3 Giá đỡ chi tiết gia công
4 Chi tiết gia công
Hình 11 - Trục dẫn động ngang qua cơ cấu dẫn tiến ở dẫn tiến ra của máy
5.3.7.7 Các biện pháp đề phòng sự tiếp cận các điểm nguy hiểm qua khe hở giữa dầm xích và dầm ép trên đỉnh
Trên các máy gia công mép kép, áp dụng các yêu cầu 5.3.7.1 và 5.3.7.2
Trên các máy gia công mép đơn (cũng xem 6.2), khe hở giữa dầm xích và dầm ép trên đỉnh phải đáp ứng các yêu cầu sau:
- Khi chiều cao của khe hở nhỏ hơn hoặc bằng 60 mm, phải gắn một hình vẽ biểu đồ tại các đầu mút dẫn tiến vào và dẫn tiến ra của dầm ép trên đỉnh và tại các khoảng cách 4 m dọc theo dầm ép trên đỉnh để thu hút sự chú ý đến rủi ro còn lại.
- Khi chiều cao của khe hở lớn hơn 60 mm, phải gắn một hình vẽ biểu đồ tại các đầu dẫn tiến vào và dẫn tiến ra của dầm ép trên đỉnh để thu hút sự chú ý đến rủi ro còn lại và dọc theo chiều dài của dầm ép trên đỉnh, phải giữ một khoảng cách an toàn 1 m theo chiều nằm ngang vuông góc với chiều của dầm ép trên đỉnh bằng tác dụng cản trở của giá đỡ chi tiết gia công.
Kiểm tra xác nhận: Bằng kiểm tra các bản vẽ và/hoặc các sơ đồ mạch có liên quan, kiểm tra và thử nghiệm các chức năng có liên quan của máy.
5.4 Bảo vệ chống các mối nguy hiểm phi cơ khí
5.4.1 Cháy
Để giảm tới mức tối thiểu các mối nguy hiểm cháy, phải đáp ứng các yêu cầu của 5.4.3 và 5.4.4.
Phải tránh sự quá nhiệt của một chi tiết gia công, tĩnh tại hoặc các chi tiết của máy bằng khóa liên động các bộ nung nóng chi tiết gia công (ví dụ, các đèn hồng ngoại) với cơ cấu dẫn tiến.
Bộ phận liên quan đến an toàn của hệ thống điều khiển (SRP/CS) cho khóa liên động giữa các bộ nung nóng và cơ cấu dẫn tiến phải đạt được mức đặc tính tối thiểu PL = c hoặc trong trường hợp ngoại lệ đối với các đèn hồng ngoại chỉ cần mức đặc tính PL = b.
Một chất dễ bốc cháy không được phun ra trong một khu vực ở nhiệt độ cao hơn nhiệt độ điểm bốc cháy của chất này. Bộ phận liên quan đến an toàn của hệ thống điều khiển (SRP/CS) cho khóa liên động giữa thiết bị phun ra chất dễ bốc cháy và nguồn nhiệt phải đạt mức đặc tính tối thiểu PL = c.
Kiểm tra xác nhận: Bằng kiểm tra các bản vẽ và/hoặc các sơ đồ mạch có liên quan, kiểm tra và thử nghiệm các chức năng có liên quan của máy.
5.4.2 Tiếng ồn
5.4.2.1 Giảm tiếng ồn ở giai đoạn thiết kế
Khi thiết kế máy phải tính đến thông tin và các biện pháp để kiểm soát tiếng ồn tại nguồn được cho trong ISO 11688-1. Các nguồn tiếng ồn có liên quan nhiều nhất là các dụng cụ đang quay.
Máy phải được trang bị rào chắn tiếng ồn. Nếu rào chắn tiếng ồn này là một bộ phận của hệ thống bảo vệ thì khóa liên động và/hoặc khóa liên động với khóa bộ phận bảo vệ phải đáp ứng các yêu cầu trong 5.3.7 nếu rào chắn tiếng ồn chỉ có hiệu quả đối với các mối nguy hiểm về tiếng ồn (nghĩa là có các bộ phận bảo vệ khác đề phòng các mối nguy hiểm về cơ khí), rào chắn tiếng ồn không cần thiết phải được khóa liên động (cũng xem 6.3).
Rào chắn tiếng ồn nên có lớp lót bằng vật liệu hấp thu âm thanh khi có thể thực hiện được. Có thể sử dụng một vật liệu lớp lót có hệ số hấp thu tiếng ồn α bằng 0,7 ở 1kHz được đo phù hợp với các yêu cầu của ISO 354.
Kiểm tra xác nhận: Bằng kiểm tra các bản vẽ liên quan, đo lường, kiểm tra và xác nhận từ nhà sản xuất các bộ phận.
5.4.2.2 Đo tiếng ồn phát ra
Các điều kiện vận hành cho đo tiếng ồn phải tuân theo các yêu cầu của ISO 7960:1995, Phụ lục F hoặc Phụ lục G.
Các điều kiện lắp đặt và vận hành máy phải đồng nhất cho xác định các mức áp suất âm thanh phát ra ở vị trí gia công và các mức công suất âm thanh.
Phải đo các mức công suất âm thanh phát ra phù hợp với phương pháp đo bề mặt bao đã chỉ ra trong ISO 3746:2010 với các cải tiến sau:
a) Đồng hồ chỉ báo môi trường K2A phải bằng hoặc nhỏ hơn 4 dB;
b) Độ chênh lệch giữa mức áp suất âm thanh nền và mức áp suất âm thanh của máy tại mỗi điểm đo phải bằng hoặc lớn hơn 6 dB. Công thức hiệu chỉnh cho độ chênh lệch này được cho trong ISO 3746:2010, 8.3.3, công thức 12.
c) Chỉ được sử dụng bề mặt đo hình hộp ở cách bề mặt chuẩn 1 m;
d) Khi khoảng cách từ máy tới một thiết bị phụ nhỏ hơn 2 m thì thiết bị phụ phải được bao gồm trong bề mặt chuẩn;
e) Độ chính xác của phương pháp thì phải cao hơn 3 dB;
f) Số lượng các vị trí của các micrô phải là chín phù hợp với các yêu cầu của ISO 7960:1995, Phụ lục F hoặc Phụ lục G.
Theo cách khác, khi có các phương tiện và phương pháp đo áp dụng cho kiểu máy thì cũng có thể đo các mức công suất âm thanh phát ra phù hợp với một phương pháp có độ chính xác cao hơn, nghĩa là ISO 3743-1, ISO 3743-2, ISO 3744 và ISO 3745 mà không có các cải tiến trước.
Để xác định mức công suất âm thanh bằng phương pháp cường độ âm thanh, sử dụng ISO 9614-1 (tùy theo thỏa thuận giữa nhà cung cấp và khách hàng).
Phải đo mức áp suất âm thanh ở vị trí gia công phù hợp với các yêu cầu của ISO 11202:2010 với các cải tiến sau:
1) Đồng hồ chỉ báo môi trường K2A và hệ số môi trường cục bộ K3A phải bằng hoặc nhỏ hơn 4dB;
2) Độ chênh lệch giữa mức áp suất âm thanh nền phát ra và mức áp suất âm thanh ở vị trí gia công phải bằng hoặc lớn hơn 6 dB;
3) Phải tính toán hiệu chỉnh hệ số môi trường cục bộ K3A phù hợp với các yêu cầu của ISO 11204:2010, A.2 với sự tham chiếu được hạn chế theo ISO 3746:2010 thay vì phương pháp cho trong ISO 11202:2010, Phụ lục A, hoặc phù hợp với ISO 3743-1, ISO 3743-2, ISO 3744 hoặc ISO 3745 khi một trong các tiêu chuẩn này đã được sử dụng làm phương pháp đo.
Về công bố tiếng ồn, phải đáp ứng 6.3 aa).
5.4.3 Sự phát ra các phoi bào và bụi bẩn
Phải có phương tiện thu gom bụi và các phoi bào phát ra từ máy bằng cách cung cấp các đầu ra để máy có thể được đấu nối với hệ thống thu gom bụi của người sử dụng.
Sự tiếp cận không theo dự định đối với dụng cụ thông qua bất cứ đầu ra hút bụi nào với hệ thống xả được tháo ra phải được ngăn cấm.
Các yêu cầu của ISO 13857 không được áp dụng ở đây do va chạm không cho phép trên đường tháo các phoi bào và bụi.
Cửa của thiết bị thu hồi phải đủ lớn để thu hồi các phoi bào và bụi phóng ra.
CHÚ THÍCH: Cỡ kích thước cửa của thiết bị thu hồi phụ thuộc vào mẫu phoi bào phát ra và khoảng cách giữa nguồn phoi bào phát ra và cửa của thiết bị thu hồi.
Thiết bị thu hồi phải được thiết kế để giảm tới mức tối thiểu sự sụt áp và sự tập hợp lại của vật liệu bằng cách tránh sự thay đổi đột ngột theo chiều phóng ra của các phoi bào và bụi, các góc nhọn và các vật cản gây ra nguy cơ treo phoi bào và bụi.
Sự vận chuyển các phoi bào và bụi giữa thiết bị thu hồi và đầu nối của máy với hệ thống thu hồi phoi bào và bụi (CADES), đặc biệt là các đầu nối của các thiết bị di động phải tuân theo các yêu cầu về giảm tới mức tối thiểu sự sụt áp và sự tập hợp lại của vật liệu.
Để bảo đảm cho phoi bào và bụi thoát ra trong quá trình gia công được vận chuyển đến hệ thống thu gom, việc thiết kế các móc, ống dẫn và các tấm dẫn dòng phải dựa trên cơ sở vận tốc vận chuyển của không khí thoát ra trong ống dẫn là 20 m/s đối với các phoi bào khô và 28 m/s đối với các phoi bào ẩm (độ ẩm 18 % hoặc lớn hơn).
Độ sụt áp giữa đầu vào của tất cả các thiết bị thu hồi và đầu nối đến hệ thống thu hồi phoi bào và bụi (CADES) tối đa nên là 1500 Pa (ở vận tốc dòng không khí 20 m/s).
Kiểm tra xác nhận: Bằng kiểm tra các bản vẽ, kiểm tra bằng mắt và kiểm tra theo quy trình sau:
- Đo độ sụt áp tại vận tốc dòng không khí đã lựa chọn bằng phép đo trong điều kiện đã cho đối với phép đo tiếng ồn trong tiêu chuẩn C có liên quan hoặc ISO 7960;
- Vận hành máy (khi không gia công chi tiết gia công) trong các điều kiện để đo tiếng ồn trong tiêu chuẩn C có liên quan hoặc ISO 7960. Hệ thống thu hồi phoi bào và bụi (CADES) phải được tháo ra. Kiểm tra để bảo đảm, máy tạo ra dòng không khí từ các đầu vào của các thiết bị thu hồi tới các đầu ra nối với CADES bằng cách sử dụng tại các đầu nối ra.
CHÚ THÍCH: Để đo hệ thống thu hồi phoi bào và bụi, có thể sử dụng hai phương pháp đã được tiêu chuẩn hóa: phương pháp nồng độ (EN 1093-9+A1) và phương pháp chỉ số (EN 1093-11+A1).
5.4.4 Điện
Với ngoại lệ trong 6.3, áp dụng các yêu cầu của IEC 60204-1:2005 trừ khi có quy định khác trong tiêu chuẩn này.
Về các yêu cầu cho phòng ngừa sự chập điện (điện giật) do tiếp xúc trực tiếp, xem IEC 60204-1:2005, 6.2 và về các yêu cầu cho phòng ngừa chống ngắn mạch (trừ mạch cung cấp) và quá tải, xem IEC 60204-1:2005, Điều 7.
Bảo vệ chống điện giật do tiếp xúc gián tiếp phải do người sử dụng bảo đảm, ví dụ, cách điện tự động của nguồn cấp điện của máy bằng vận hành thiết bị bảo vệ được lắp đặt trên đường dây cấp điện cho máy (xem thông tin do nhà sản xuất cung cấp trong sổ tay hướng dẫn, 6.3 ff).
Bảo vệ chống ngắn mạch của mạch cung cấp phải do người sử dụng bảo đảm (xem thông tin do nhà sản xuất cung cấp trong sổ tay hướng dẫn 6.3 gg).
Cấp bảo vệ của tất cả các linh kiện điện ở ngoài các rào chắn và các rào chắn cho bản thân các linh kiện kiện tối thiểu phải là IP 54 phù hợp với các yêu cầu của TCVN 4255 (IEC 60529).
Các rào chắn điện, không được phơi ra trước các mối nguy hiểm do các dụng cụ và chi tiết gia công văng ra. Không được tiếp cận các bộ phận có dòng điện chạy qua phù hợp với IEC 60204-1:2005, 6.2.2. Rủi ro về cháy không xảy ra khi các mạch công suất được bảo vệ quá dòng phù hợp với IEC 60204-1:2005, 7.2.2.
Áp dụng phép thử 1 về tính liên tục của mạch liên kết bảo vệ và các phép thử chức năng phù hợp với IEC 60204-1:2005,18.2 và 18.6.
Có thể sử dụng các động cơ một pha có công suất vào định mức ≤ 1 kW được chế tạo phù hợp với các yêu cầu của EN 50144-1.
Kiểm tra xác nhận: Bằng kiểm tra các bản vẽ và/hoặc các sơ đồ mạch liên quan, kiểm tra, và các phép thử liên quan (phép thử 1 theo IEC 60204-1:2005, 18.2 và phép thử chức năng theo IEC 60204-1:2005,18.6).
CHÚ THÍCH: Có thể cần đến xác nhận của các nhà sản xuất các linh kiện điện về đặc tính của các linh kiện điện này.
5.4.5 Ecgônômi và nâng vận chuyển
Máy và các cơ cấu điều khiển của máy phải được thiết kế theo các nguyên tắc ecgônômi của EN 1005-4+A1 để có thể có các tư thế làm việc không gây ra mệt mỏi.
Chiều cao của giá đỡ chi tiết gia công thường nên ở trong phạm vi giữa 800 mm và 1100 mm tính từ mức sàn.
Việc bố trí và ghi nhãn cho các cơ cấu điều khiển phải phù hợp với các nguyên tắc ecgônômi của EN 894.1+A1, EN 894-2+A1, EN 894-3+A1, EN 1005-1, EN 1005-2+A1 và EN 1005-3+A1.
Các chi tiết của máy có khối lượng lớn hơn 25 kg và cần thay thế/tháo ra phải được trang bị các phương tiện để vận chuyển an toàn hoặc có thể nâng lên một cách an toàn, như các thiết bị phụ cho lắp cơ cấu nâng phù hợp với EN 1005-2+A1. Các thiết bị phụ này phải được bố trí sao cho tránh cho máy hoặc các bộ phận cấu thành của máy không bị lật hoặc đổ hoặc di chuyển không kiểm soát được trong quá trình vận chuyển, lắp ráp, tháo dỡ, cũng như không bị hư hỏng và phải loại bỏ.
Các thùng chứa chất lỏng thủy lực, các ống xả không khí nén và các dụng cụ tra dầu phải được bố trí và định hướng sao cho có thể dễ dàng tiếp cận các ống nạp và thải.
Nếu máy có trang bị một panen điều khiển di động thì panen này phải được lắp với phương tiện để di chuyển được tới vị trí mong muốn.
Nếu sử dụng các ký hiệu bằng hình vẽ có liên quan đến hoạt động của các cơ cấu dẫn động thì các ký hiệu này phải phù hợp với IEC 61310-1:2007, Bảng A.1.
CHÚ THÍCH: Cũng có thể tìm thấy thông tin có ích về ecgônômi trong IEC 60204-1:2005, EN 614-1:2006+A1:2009, EN 614-2:2000+A1:2009 và EN 1005-3:2002+A1:2008.
Cũng xem 5.2.2 và 6.3.
Kiểm tra xác nhận: Bằng kiểm tra các bản vẽ và/hoặc các sơ đồ mạch có liên quan, đo lường và kiểm tra máy.
5.4.6 Chiếu sáng
Khi có yêu cầu về chiếu sáng như đã xác định trong tài liệu tham chiếu EN 1837, phải trang bị hệ thống chiếu sáng phù hợp với các yêu cầu của IEC 60204-1:2005,15.2.
Cũng xem 6.3.
Kiểm tra xác nhận: Bằng kiểm tra các bản vẽ và/hoặc các sơ đồ mạch có liên quan và kiểm tra máy.
5.4.7 Truyền động khí nén và thủy lực
Xem 5.2.1, 5.2.10, 5.4.10, 6.1 và 6.2. Về truyền động khí nén, xem 5.2.9, 5.3.3.4, 5.4.11 và ISO 4414:2010. Về truyền động thủy lực, xem 5.3.3.6 và ISO 4413.
5.4.8 Tương thích điện từ
Máy phải có tính miễn nhiễm thích hợp với các nhiễu điện từ để có thể vận hành đúng phù hợp với TCVN 7994-1 (IEC 60439-1), EN 50370-1 và EN 50370-2.
CHÚ THÍCH: Các máy có lắp các linh kiện điện được ghi nhãn CE và khi các linh kiện này và hệ thống cáp được lắp đặt phù hợp với hướng dẫn tương ứng của các nhà sản xuất của chúng, thường được xem là được bảo vệ chống sự nhiễu điện từ bên ngoài.
Kiểm tra xác nhận: Bằng kiểm tra các bản vẽ và/hoặc các sơ đồ mạch có liên quan và kiểm tra máy.
5.4.9 Tĩnh điện
Nếu máy có lắp các ống mềm dùng cho tháo phoi bào và bụi, các ống mềm này phải là các ống chậm cháy. Chúng cũng phải có khả năng chống nhiễm tĩnh điện hoặc có thể dẫn phụ tải tới điện thế của đất thông qua một đường xoắn bằng kim loại. Cả hai đầu mút của đường xoắn này phải được tiếp đất.
Kiểm tra xác nhận: Bằng kiểm tra các bản vẽ liên quan và kiểm tra máy.
5.4.10 Cách điện
Áp dụng các yêu cầu của TCVN 7300:2003 (ISO 14118:2000), Điều 5 và ngoài ra:
Các bộ cách điện phải phù hợp với các yêu cầu của IEC 60204-1:2005, 5.3 trừ trường hợp bộ cách điện không thuộc kiểu phích cắm và ổ cắm như đã mô tả trong IEC 60204-1:2005, 5.3.2.
Nếu cũng sử dụng năng lượng khí nén cho các mục đích khác với kẹp chặt thì phải có khả năng cách ly nguồn cung cấp khí nén bằng một van cơ khí khóa được, vận hành bằng tay theo ISO 4414:2010, 5.2.8. Van phải có phương tiện chỉ cho phép được khóa ở vị trí ngắt (off) (ví dụ bằng một khóa nước). Không được thải áp lực khí nén bằng tháo ống ra.
Khi máy có một hệ thống thủy lực, phải đạt được sự cách điện của hệ thống thủy lực.
a) Bằng cách điện của nguồn được cấp cho động cơ dẫn động thủy lực (xem IEC 60204-1:2005, 5.3), hoặc
b) Bằng lắp đặt một cơ cấu ngắt điện, ví dụ, van có khóa cơ khí ở vị trí ngắt (cũng xem ISO 4414:2010).
Kiểm tra xác nhận: Bằng kiểm tra các bản vẽ và/hoặc các sơ đồ mạch có liên quan, kiểm tra và thử nghiệm các chức năng có liên quan của máy.
5.4.11 Bảo dưỡng
Phải tuân theo các nguyên tắc cơ bản của ISO 12100:2010, 6.2.15 và ngoài ra phải cung cấp thông tin về bảo dưỡng đã liệt kê trong ISO 12100:2010, 6.4.5.1 e) cũng xem 6.3.
Khi năng lượng còn dư được lưu giữ, ví dụ, trong một bình chứa hoặc ống, phải có phương tiện để thải áp lực còn sót lại một cách an toàn, ví dụ, bằng sử dụng một van. Không được thải áp lực bằng tháo ống ra;
Kiểm tra xác nhận: Bằng kiểm tra các bản vẽ liên quan, sổ tay hướng dẫn, kiểm tra và thử nghiệm các chức năng có liên quan của máy.
5.4.12 Lỗi của việc lắp
Không thể lắp được một dụng cụ có đường kính lớn hơn dụng cụ lớn nhất được thiết kế cho máy.
Cũng xem 5.4.14, 6.2 và 6.3.
Kiểm tra xác nhận: Bằng kiểm tra các bản vẽ liên quan và kiểm tra máy.
5.4.13 Nhiệt
Khi có các mối nguy hiểm do tiếp xúc của bàn tay với bất cứ các bề mặt nóng nào thì phải áp dụng các yêu cầu của ISO 13732-1:2006, 5.3 (trong đó tiếp xúc vô ý nghĩa là tiếp xúc trong 1 s hoặc ít hơn và tiếp xúc chủ động, ví dụ, với một tay cầm thì thời gian tiếp xúc hơn 30 s). Phải ngăn ngừa sự tiếp xúc bằng rào chắn kín cố định có kết cấu, ví dụ như lưới đan bằng dây thép có cỡ mắt lưới ≤ 40 mm hoặc bằng vật liệu cách nhiệt.
Yêu cầu này không áp dụng cho các bề mặt bên trong của thùng chứa keo hở và nắp thùng chứa keo trong quá trình nạp keo.
Kiểm tra xác nhận: Bằng kiểm tra các bản vẽ liên quan, kiểm tra và đo nhiệt độ.
5.4.14 Các chất
Xem 5.4.3 và ngoài ra phải có phương tiện để đấu nối thiết bị gắn keo với một hệ thống tách chiết.
Về chất keo, đặc biệt là nhiệt độ giới hạn của Polyurethan (PU), xem 6.3 ii).
Kiểm tra xác nhận: Bằng kiểm tra các bản vẽ liên quan và kiểm tra bằng mắt.
5.4.15 Bức xạ quang nhân tạo
Khi trang bị các đèn đốt nóng, máy phải được thiết kế để giảm tới mức tối thiểu sự mở rộng và phản xạ sự bức xạ của chúng.
6 Thông tin cho sử dụng
6.1 Dụng cụ cảnh báo
Phải gắn cố định hình vẽ biểu đồ hoặc cảnh báo bằng chữ viết vào máy để công bố rằng dầm ép trên đỉnh và các cơ cấu chịu áp lực được yêu cầu trong 5.3.5 phải được điều chỉnh đúng để thuận tiện cho gia công chi tiết gia công.
Trên các máy gia công mép đơn, phải gắn hình vẽ bằng biểu đồ để lưu ý về rủi ro còn lại như đã yêu cầu trong 5.3.7.7.
Nếu máy được trang bị nguồn cung cấp khí nén/thủy lực, phải đặt một biển cảnh báo cố định trong vùng lân cận với cơ cấu ngắt cung cấp điện để cảnh báo rằng nguồn cung cấp khí nén không được cách ly bằng cách điện của nguồn cung cấp điện.
Các cảnh báo phải được trình bày bằng ngôn ngữ của quốc gia trong đó máy được sử dụng hoặc có thể bằng sử dụng các hình vẽ biểu đồ.
Kiểm tra xác nhận: Bằng kiểm tra các bản vẽ liên quan, đo lường và kiểm tra trên máy.
6.2 Ghi nhãn
Phải theo các nguyên tắc của ISO 12100:2010, 6.4.4, và ngoài ra:
Thông tin sau phải được ghi nhãn dễ đọc và không tẩy xóa được trong suốt tuổi thọ mong đợi của máy hoặc phải được ghi trực tiếp trên máy (ví dụ, bằng khắc, khắc mòn hoặc sử dụng các nhãn hoạt động nhãn dán) hoặc gắn cố định một tấm biển nhãn vào máy (ví dụ, bằng tán đinh tán):
a) Tên của cơ sở kinh doanh và địa chỉ của nhà sản xuất máy và khi có thể áp dụng được, đại diện có thẩm quyền của họ;
b) Năm chế tạo, đó là năm mà quá trình chế tạo được hoàn thành;
c) Ký hiệu của máy và ký hiệu của loạt hoặc kiểu máy;
d) Nhận biết về máy hoặc số loạt (nếu có);
e) Thông tin về đặc tính thiết kế (bắt buộc đối với các sản phẩm kỹ thuật điện: điện áp, tần số, dòng điện danh định);
f) Nhãn hoặc hình vẽ biểu đồ liền kề với bất cứ cơ cấu thay đổi vận tốc nào hoặc trên cửa cho phép tiếp cận cơ cấu truyền động đai để chỉ ra vận tốc vận hành của mỗi trục chính. Thông tin này, khi có liên quan, phải chỉ ra vận tốc tại mỗi vị trí của cơ cấu điều khiển hoặc đường kính của puli;
g) Nhãn tại đầu dẫn tiến vào cảnh báo phải chú ý khi gia công các chi tiết gia công có các lỗ với đường kính ≥ 8 mm nếu không trang bị cơ cấu chặn hành trình tại phía dẫn tiến vào như đã nêu trong 5.3.7.4.2 b);
h) Khi máy có lắp hệ thống thủy lực và/hoặc khí nén có áp suất danh nghĩa cho các mạch thủy lực và/hoặc khí nén;
i) Khi máy có lắp các bộ cách ly thủy lực và/hoặc khí nén, chức năng của chúng, sự bố trí và các vị trí vận hành, ví dụ, bằng một nhãn hoặc hình vẽ biểu đồ;
f) Một mũi tên cho các trục chính quay theo chiều kim đồng hồ và mũi tên kép cho các trục chính có thể quay theo cả hai chiều;
k) Khi sử dụng chất keo PU, cảnh báo không được vượt quá nhiệt độ giới hạn của nó được đặt tại bộ điều khiển bằng tay cho hệ thống nung nóng hoặc một thang đo được cho cùng với cơ cấu điều khiển điện tử;
l) Khi máy có lắp các đèn đốt nóng, dấu hiệu cảnh báo về bức xạ quang nhân tạo (AOR - artificial optical radiation) theo EN 12198.
Các nhãn hoặc hình vẽ biểu đồ cho ghi nhãn áp suất danh nghĩa và các bộ cách ly phải được lắp ở vị trí trong vùng lân cận với vị trí lắp đặt các bộ cách ly trên máy.
Cảnh báo phải được thể hiện bằng ngôn ngữ của quốc gia trong đó máy được sử dụng hoặc khi có thể thực hiện được, bằng sử dụng hình vẽ biểu đồ.
Kiểm tra xác nhận: Bằng kiểm tra các bản vẽ liên quan và kiểm tra trên máy.
6.3 Sổ tay hướng dẫn
Phải tuân theo các nguyên tắc của ISO 12100:2010, 6.4.5 và ngoài ra, sổ tay hướng dẫn phải bao gồm tối thiểu là các nội dung sau:
a) Lặp lại các ghi nhãn, các hình vẽ biểu đồ và các hướng dẫn khác trên máy (xem 6.1 và 6.2) và, nếu cần thiết, thông tin về ý nghĩa của chúng;
b) Sử dụng máy theo dự định bao gồm cả sử dụng không đúng quy cách hợp lý thấy trước được, ví dụ, các kim loại tạo ra tia lửa trong gia công, các vật liệu có băng viền mép;
c) Cảnh báo về rủi ro còn lại (ví dụ, sự phóng, văng ra, chỉ dẫn rằng trong trường hợp hư hỏng nguồn điện, dao hoặc dụng cụ có thể vận hành trong thời gian vượt quá 10 s);
d) Hướng dẫn về sử dụng an toàn [cũng xem ISO 12100:2010, 6.4.5.1d)], các hướng dẫn này bao gồm các hướng dẫn về cách có thể thỏa mãn các điểm sau:
1) Bề mặt sàn xung quanh máy bằng phẳng, được bảo dưỡng tốt và không có vật liệu long ra (ví dụ các phoi bào và các mảnh cắt);
2) Mặt trang bị bảo vệ cá nhân thích hợp, khi cần thiết; yêu cầu này có thể bao gồm
i) Bảo vệ thính giác để giảm rủi ro bị điếc;
ii) Bảo vệ sự hô hấp để giảm rủi ro hít phải bụi bẩn và các khí độc hại;
iii) Các găng tay cho sử dụng các lưỡi cưa (dụng cụ nên được đặt trong giá đỡ, khi có thể thực hiện được);
3) Dừng vận hành máy khi người điều khiển không có mặt tại máy;
4) Báo cáo các lỗi trong máy, bao gồm cả các bộ phận bảo vệ hoặc dụng cụ ngay khi chúng được phát hiện;
5) Làm theo các quy trình an toàn cho làm sạch, bảo dưỡng, và lấy đi các phoi bào và bụi bẩn thường xuyên để tránh nguy hiểm do cháy;
6) Bảo đảm rằng bất cứ các chi tiết đệm và các mặt bích dùng cho lưỡi cưa nào được sử dụng đều thích hợp với mục đích mà nhà sản xuất đã đưa ra (xem 5.3.3.6);
7) Không được lấy đi bất cứ mảnh cắt ra hoặc bộ phận nào khác của chi tiết gia công từ vùng cắt trong khi máy đang chạy;
8) Bảo đảm rằng các bộ phận bảo vệ và các thiết bị an toàn khác cần thiết cho vận hành máy đều ở đúng vị trí, vận hành tốt và được bảo dưỡng đúng;
e) Khi cần thiết đối với các máy tĩnh tại, các yêu cầu về cần phải cố định máy với sàn và cách thực hiện việc kẹp chặt này;
f) Thông tin với nội dung là ở đầu dẫn tiến ra của máy, phải bảo đảm một không gian tự do nhỏ nhất lớn hơn chiều dài lớn nhất của chi tiết được gia công 500 mm;
g) Trên các máy gia công mép đơn, thông tin với nội dung là, ở mặt bên của giá đỡ panen, phải bảo đảm một không gian tự do nhỏ nhất lớn hơn chiều rộng lớn nhất của chi tiết được gia công 500 mm;
h) Trên các máy gia công mép kép, thông tin với nội dung là, ở mặt bên của nửa máy di động, phải bảo đảm một không gian tự do nhỏ nhất 500 mm giữa nửa máy di động và các máy liền kề cố định khác, bộ phận của tòa nhà hoặc các kho vật liệu, khi mối nguy hiểm nghiền/cắt đứt không được ngăn chặn bằng các biện pháp cho trong 5.3.7.5.2.
i) Trên các máy di chuyển được, thông tin về cách xử lý sự vận chuyển và cách duy trì sự ổn định của máy trong quá trình gia công;
f) Phạm vi các đường kính và chiều dày của dao phay và lưỡi cưa thích hợp với máy;
k) Hướng dẫn với nội dung là chỉ được sử dụng các dao phay và lưỡi của sắc được chế tạo phù hợp với các yêu cầu của EN 847-1:2013;
l) Thông tin với nội dung là người vận hành phải được đào tạo đầy đủ về điều chỉnh và vận hành máy, bao gồm cả việc sử dụng đúng;
m) Hướng dẫn về cung cấp hệ thống chiếu sáng chung và hệ thống chiếu sáng cục bộ đầy đủ;
n) Khi có liên quan, thông tin về cách phòng tránh tiếp xúc giữa các dụng cụ được điều chỉnh bằng tay và các bộ phận khác của máy;
o) Khi có liên quan, thông tin về phòng tránh sự nâng lên của cơ cấu dẫn tiến trong khi các dụng cụ đang quay và các chi tiết gia công hoặc các bộ phận của chúng vẫn còn ở trong máy; trên các máy có điều chỉnh chiều cao tự động, khi sự nâng lên của cơ cấu dẫn tiến được ngăn cản, người vận hành phải được thông báo về kiểm tra sự hiện diện của chi tiết gia công;
p) Khi có liên quan, thông tin về cách phòng tránh sự tiếp xúc giữa các dụng cụ và các bộ phận khác của máy trong quá trình điều chỉnh công suất của các trục chính, ví dụ, định vị đúng cơ cấu hạn chế điều chỉnh cơ khí bằng tay hoặc hợp thức hóa sự vận hành của chương trình gia công có liên quan trong hệ thống điều khiển số;
q) Hướng dẫn với nội dung là khi rào chắn tiếng ồn không được khóa liên động (xem 5.4.2.1), các rào chắn tiếng ồn vẫn phải giữ được vị trí khép kín với điều kiện là có thể bảo đảm sự giảm tiếng ồn có hiệu quả nhất;
r) Thông tin với nội dung là trong quá trình sử dụng, máy phải được dấu nối với các hệ thống thu hồi bên ngoài.
CHÚ THÍCH: Hệ thống thu hồi phoi bảo và bụi (CADES) bên ngoài với các thiết bị cố định được đề cập trong EN 12779+A1.
s) Thông tin về thiết bị thu hồi phoi bào và bụi được lắp với máy như sau:
1) Dòng không khí cần thiết tính bằng m3/h;
2) Độ sụt áp tại mỗi đầu nối ra thu hồi bụi;
3) Vận tốc không khí vận chuyển được khuyến nghị trong ống dẫn tính bằng m/s;
4) Các kích thước mặt cắt ngang và các chi tiết của mỗi đầu nối ra;
t) Hướng dẫn với nội dung là các hệ thống thu hồi phải được đóng mạch trước khi bắt đầu gia công.
u) Thông tin với nội dung là thiết bị gắn cho khi sử dụng keo PU phải được đấu nối với hệ thống thu hồi chuyên dụng, tách ly khỏi hệ thống thu hồi phoi bào và bụi (CADES);
v) Thông tin với nội dung là, khi có thể thực hiện được, chỉ được tiến hành bảo dưỡng máy nếu máy được cách ly khỏi tất cả các nguồn năng lượng và sự khởi động lại không có chủ ý được ngăn chặn.
w) Thông tin với nội dung là trước khi thay bất cứ dao hoặc dụng cụ nào, máy phải được cách điện hoặc được ngắt khỏi nguồn cấp điện cho máy;
x) Thông tin về làm sạch an toàn;
y) Nếu được trang bị một hệ thống thủy lực hoặc hệ thống khí nén, phương pháp để tiêu tán an toàn năng lượng còn lại (xem 5.4.15);
z) Đối với các cơ cấu an toàn phải được thử, các phép thử phải được thực hiện thường xuyên ra sao và phương pháp thử phải như thế nào. Yêu cầu này phải bao gồm ít nhất là các cơ cấu sau:
1) Các cơ cấu dừng khẩn cấp, bằng thử chức năng;
2) Các bộ phận bảo vệ khóa liên động, bằng mở lần lượt mỗi bộ phận bảo vệ để dừng máy và bằng chứng minh không có khả năng khởi động máy với mỗi bộ phận bảo vệ ở vị trí mở;
3) Bất cứ các cơ cấu hạn chế hành trình nào, bằng thử chức năng;
4) Các bộ phanh, bằng thử chức năng bảo đảm cho máy được hãm trong phạm vi thời gian quy định.
5) Bất cứ bộ phận chịu áp lực nào, bằng thử chức năng;
6) Khóa liên động của các bộ phận bảo vệ có khóa bộ phận bảo vệ, bằng thử chức năng;
7) Bất cứ cơ cấu bảo vệ quang điện tử phóng xạ (AOPD) nào, bằng thử chức năng.
aa) Công bố tiếng ồn do máy phát ra trong không khí, giá trị thực hoặc giá trị được xác lập trên cơ sở các phép đo được thực hiện trên máy tương tự, được đo phù hợp với các phương pháp cho trong 5.4.2.2.
1) Các mức áp suất âm thanh phát ra thang A tại các vị trí gia công;
2) Các mức công suất âm thanh thang A do máy phát ra.
Trong trường hợp máy rất lớn (nghĩa là các máy ít nhất có một kích thước vượt quá 7 m), thay vì mức công suất âm thanh, có thể chỉ định ở mức áp suất âm thanh phát ra xung quanh máy.
Công bố phải được kèm theo bằng một báo cáo về phương pháp đo được sử dụng và các điều kiện vận hành được áp dụng trong quá trình thử và các giá trị cho độ không ổn định gắn liền K khi sử dụng dạng công bố số kép theo ISO 4871 như sau:
4 dB khi sử dụng 3746:2010 và ISO 11202.2010;
2 dB khi sử dụng ISO 3743-1:2010 hoặc ISO 3743-2:2009 hoặc ISO 3744;
1 dB khi sử dụng ISO 3745
Ví dụ, đối với mức công suất âm thanh: LWA = xx dB (giá trị đo được)
Độ không đảm bảo kết hợp K = 4 dB
Phép đo được thực hiện phù hợp với ISO 3746:2010.
Nếu kiểm tra các giá trị tiếng ồn phát ra đã công bố thì phải thực hiện các phép đo khi sử dụng cùng một phương pháp và cùng các điều kiện vận hành như phương pháp đo và các điều kiện vận hành đã công bố.
Các con số đánh giá là các mức phát ra và không nhất thiết là các mức an toàn cho gia công. Trong khi đó có sự tương quan giữa các mức phát ra và các mức phơi nhiễm và điều này không thể được sử dụng một cách tin cậy để xác định xem cần hay không cần có các biện pháp đề phòng thêm nữa. Các yếu tố ảnh hưởng đến mức phơi nhiễm thực của lực gia công bao gồm các đặc tính của phòng gia công và các nguồn tiếng ồn khác v.v... (nghĩa là số lượng các máy và các quá trình gia công liền kề khác). Cũng như vậy, mức phơi nhiễm cho phép có thể thay đổi từ quốc gia này sang quốc gia khác. Tuy nhiên, thông tin này sẽ giúp cho người sử dụng máy thực hiện được việc đánh giá tốt hơn các mối nguy hiểm và rủi ro.
Thông tin về tiếng ồn phát ra cũng phải được đưa vào tài liệu bán hàng khi cung cấp các dữ liệu về đặc tính.
bb) Thông tin về các điều kiện cần thiết để bảo đảm rằng trong suốt thời gian tuổi thọ thấy trước được, máy, bao gồm cả các bộ phận của máy không thể bị lật hoặc đổ hoặc di chuyển theo cách không kiểm soát được trong quá trình vận chuyển, lắp ráp, tháo dỡ, làm mất khả năng hoạt động và làm sạch.
cc) Phải tuân theo phương pháp vận hành trong trường hợp có sự cố hoặc hư hỏng: nếu xảy ra sự kẹt tắc, phải tuân theo phương pháp vận hành để có thể tháo dỡ sự kẹt tắc cho máy một cách an toàn;
dd) Các dữ liệu nhận biết các chi tiết dự phòng do người sử dụng thay thế khi các chi tiết này ảnh hưởng tới sức khỏe và an toàn của người vận hành (trừ các chi tiết chỉ được tháo ra bởi nhà sản xuất hoặc cá nhân có thẩm quyền do nhà sản xuất chỉ định);
ee) Mô tả các bộ phận bảo vệ cố định do người sử dụng tháo ra phục vụ cho bảo dưỡng và làm sạch (trừ các bộ phận bảo vệ chỉ được tháo ra bởi nhà sản xuất hoặc cá nhân có thẩm quyền do nhà sản xuất chỉ định);
ff) Thông tin cách bảo vệ người chống điện giật do tiếp xúc gián tiếp trong máy bởi một cơ cấu tự động ngắt điện cung cấp cho máy do người sử dụng lắp đặt trên đường dây cáp điện cho máy (RCD);
gg) Thông tin về cách bảo vệ chống ngắn mạch của mạch cung cấp;
hh) Đối với các máy được trang bị các phương tiện kẹp chặt dụng cụ thủy tĩnh, chỉ được sử dụng các bộ phận kẹp chặt dụng cụ có cơ cấu cơ khí bổ sung để bảo vệ chống tháo lỏng dao hoặc dụng cụ trong trường hợp hệ thống thủy tĩnh có rò rỉ.
ii) Khi sử dụng chất keo PU, phải có giải thích với nội dung là không được vượt quá nhiệt độ giới hạn của chất keo vì có thể tạo ra các chất sinh ung thư;
jj) Khi có trang bị thiết bị điều khiển từ xa, phải đưa ra thông tin với nội dung là chỉ được kích hoạt thiết bị điều khiển từ xa khi người vận hành máy có mặt tại máy.
Kiểm tra xác nhận: Bằng kiểm tra sổ tay hướng dẫn và các bản vẽ liên quan.
Phụ lục A
(Quy định)
Thử phanh
A.1 Điều kiện cho thử phanh
a) Bộ phận trục chính phải được chỉnh đặt phù hợp với sử dụng máy theo dự định (ví dụ, đối với căng đai). Xem 6.3 b).
b) Khi lựa chọn vận tốc và các dao hoặc dụng cụ, phải lựa chọn các điều kiện để tạo ra động năng lớn nhất mà máy được thiết kế (việc lựa chọn có tính đến các kiểu, cỡ kích thước của dao hoặc dụng cụ, vận tốc trục chính v.v...).
c) Trước khi bất đầu thử, bộ phận trục chính phải được vận hành trong thời gian tối thiểu là 15 min ở trạng thái không tải (vận tốc chạy không).
d) Kiểm tra để bảo đảm cho vận tốc thực của trục chính ở trong phạm vi 10 % vận tốc đã dự định.
e) Thiết bị đo vận tốc phải có độ chính xác ≤ 1 % toàn thang đo.
f) Thiết bị đo thời gian phải có độ chính xác ≤ 0,1 s.
A.2 Các phép thử
A.2.1 Thời gian chạy theo đà không được phanh
Phải đo thời gian chạy theo đà không được phanh như sau:
a) Bắt đầu hãm trục chính và đo thời gian chạy theo đà không được phanh;
b) Khởi động lại động cơ dẫn động trục chính và cho phép trục chính đạt tới vận tốc đã dự định;
c) Lặp lại các bước a) và b) thêm hai lần nữa.
Thời gian chạy theo đà không được phanh là giá trị trung bình của ba giá trị đo được.
A.2.2 Thời gian chạy theo đà được phanh
Phải đo thời gian chạy theo đà được phanh như sau:
a) Bắt đầu phanh và đo thời gian chạy theo đà được phanh;
b) Cho phép trục chính đứng yên trong
min, trong đó P là công suất động cơ tính bằng kW;
c) Khởi động lại động cơ dẫn động trục chính và cho vận hành không tải trong thời gian
min;
d) Lặp lại các bước từ a) đến c) chín lần.
Thời gian chạy theo đà được phanh là giá trị trung bình của mười giá trị đo được.
A.2.3 Thời gian tăng tốc
Phải đo thời gian tăng tốc như sau:
a) Khởi động động cơ dẫn động trục chính lắp dụng cụ và đo thời gian tăng tốc (xem 3.8);
b) Cắt điện động cơ dẫn động trục chính lắp dụng cụ và cho phép trục chính dừng lại hoàn toàn;
c) Lặp lại các bước a) và b) thêm hai lần nữa.
Thời gian tăng tốc là giá trị trung bình của ba giá trị đo được.
Phụ lục B
(Quy định)
Phương pháp thử va đập cho các bộ phận bảo vệ
B.1 Quy định chung
Phụ lục này quy định các phép thử cho các bộ phận bảo vệ cứng vững dùng trên các máy ép gắn kết mép để giảm tới mức tối thiểu các rủi ro phóng ra các chi tiết của các dụng cụ và chi tiết gia công ra khỏi vùng gia công. Phép thử này tái tạo ra mối nguy hiểm phóng ra các chi tiết của các dụng cụ hoặc của các chi tiết gia công và cho phép đánh giá sức bền của các bộ phận bảo vệ chống lại sự xuyên qua và đánh bật khỏi vị trí trên máy bởi các chi tiết phóng ra khỏi máy hoặc chi tiết gia công.
Phụ lục này áp dụng cho các bộ phận bảo vệ cũng như các mẫu thử vật liệu bộ phận bảo vệ.
B.2 Thiết bị thử
Thiết bị thử gồm có một bộ phận đẩy, một vật (đạn) phóng ra, một giá đỡ đối tượng thử và một hệ thống cho phép đo hoặc ghi lại vận tốc va đập với độ chính xác tối thiểu là ± 5 %.
Ví dụ, bộ phận đẩy có thể gồm có một bình không khí nén với ống phóng được lắp theo mặt bích (xem Hình B1). Không khí nén có thể thoát ra bởi một van để tăng tốc cho đạn phóng về phía đối tượng thử. Ống phóng đạn dùng không khí nén được trang bị một máy nén khí. Vận tốc của đạn có thể điều chỉnh được bởi áp suất của không khí nén.
Đo vận tốc của đạn ở gần miệng của ống phóng bằng dụng cụ đo vận tốc thích hợp, ví dụ, bằng cảm biến ở gần hoặc tế bào quang điện.

CHÚ DẪN:
1 Dụng cụ đo vận tốc
2 Ống phóng
3 Đạn
4 Panen điều khiển
5 Bình không khí nén
6 Đối tượng thử
Hình B.1 - Ví dụ về thiết bị thử va đập
B.3 Đạn
Hình dạng, khối lượng và kích thước của đạn được cho trên Hình B.2.

CHÚ DẪN:
a 10 mm
D 20 mm
Khối lượng 100 g
Hình B.2 - Đạn dùng cho thử bộ phận bảo vệ cứng vững
Đạn phải được chế tạo bằng thép có các đặc tính sau:
a) Độ bền kéo: Rm = 560 MPa đến 690 MPa;
b) Giới hạn chảy: R0,2 ≥ 300 MPa;
c) Độ giãn dài khi đứt: A ≥ 20 %;
d) Độ cứng tới
HRC trên độ sâu tối thiểu là 0,5 mm.
B.4 Lấy mẫu
Thực hiện phép thử với bộ phận bảo vệ hoặc một mẫu thử vật liệu bộ phận bảo vệ. Giá đỡ bộ phận bảo vệ phải tương đương với giá đỡ bộ phận bảo vệ lắp trên máy. Đối với các vật liệu bộ phận bảo vệ dùng cho thử nghiệm, có thể sử dụng các mẫu thử được kẹp chặt trên một khung có cửa bên trong 450 mm x 450 mm. Khung phải đủ cứng vững. Kẹp chặt mẫu thử phải là kẹp chặt cưỡng bức.
B.5 Quy trình thử
Đối với các máy có trang bị các dao phay, phải thực hiện thử va đập với đạn đã chỉ ra trong B.3 và vận tốc và đập 70 m/s ± 3,5 m/s.
Tác động va đập phải theo chiều vuông góc với bề mặt mẫu thử vật liệu tới mức có thể thực hiện được. Bia cho các đạn phải là vị trí yếu nhất và không thuận lợi nhất trên bộ phận bảo vệ và tâm của mẫu thử vật liệu.
B.6 Kết quả
Sau khi va đập, các hư hỏng tìm thấy trên bộ phận bảo vệ hoặc vật liệu bộ phận bảo vệ phải được đánh giá như sau:
a) Oằn/phình ra (biến dạng vĩnh cửu không có vết nứt);
b) Vết rạn li ti (chỉ nhìn thấy trên một bề mặt);
c) Vết nứt xuyên (nứt nhìn thấy được từ bề mặt này sang bề mặt khác);
d) Xuyên thủng (đạn thử xuyên thủng vật thử);
e) Cửa sổ của bộ phận bảo vệ tuột khỏi gá kẹp của nó;
f) Bộ phận bảo vệ tuột khỏi giá đỡ nó.
B.7 Đánh giá
Phép thử là đạt nếu không có vết nứt xuyên hoặc xuyên thủng trên vật thử và không có các hư hỏng e) và f) theo các yêu cầu của B.6.
B.8 Báo cáo thử
Báo cáo thử tối thiểu phải đưa ra thông tin sau:
a) Ngày, địa điểm thử nghiệm và tên của đơn vị thử;
b) Khối lượng, các kích thước và vận tốc của đạn;
c) Nhận biết về thiết bị thử;
d) Thiết kế, vật liệu và các kích thước của đối tượng thử;
e) Kẹp chặt hoặc cố định đối tượng thử;
f) Chiều của chấn động, điểm va đập của đạn;
g) Kết quả thử.
Phụ lục C
(Quy định)
Thử độ ổn định của các máy di chuyển được
C.1 Thử độ ổn định trong quá trình gia công
Máy phải được đặt ở vị trí gia công của nó trên một tấm gỗ chắp được gắn cố định trên sàn và các bộ phanh cho các bánh xe ở vị trí tác động (khi được trang bị) hoặc các bánh xe được kéo thu lại khỏi sàn (nếu có trang bị cơ cấu kéo thu lại các bánh xe). Phải tác dụng một lực nằm ngang F1 = 100 N trong mặt phẳng của giá đỡ chi tiết gia công theo chiều dẫn tiến trên tuyến gia công của dao trên máy. Sau đó, tác dụng một lực nằm ngang F1 = 100 N trong cùng một mặt phẳng nhưng theo chiều vuông góc ở vị trí giữa của máy. Dưới cả hai trạng thái, máy không được di chuyển.
Phép thử được lặp lại với một lực nằm ngang F2 = 300 N. Máy không được nghiêng đi.

CHÚ DẪN:
1 Tấm gỗ chắp
Hình C.1 - Thử độ ổn định của các máy di chuyển được
C.2 Thử độ ổn định trong quá trình vận chuyển
Máy phải được giữ ở vị trí vận chuyển bình thường trên một mặt phẳng được nghiêng đi một góc 10° so với phương nằm ngang, được buộc bằng dây cáp hoặc dây thừng để giữ chặt.
Khi máy được xoay chậm theo góc 360°, máy không được lật đổ.
Phụ lục D
(Tham khảo)
Mức đặc tính yêu cầu
Phụ lục này đưa ra một bảng tóm tắt của PLr cho từng chức năng an toàn để giới thiệu sơ bộ về các mức này mà không cần phải đọc qua toàn bộ tài liệu tiêu chuẩn. Tuy nhiên, các nội dung của Điều 5 trong tiêu chuẩn này vẫn là tài liệu tham chiếu duy nhất cho toàn bộ các yêu cầu và giải thích, chúng có thể chưa được tóm tắt đầy đủ trong Bảng D.1.
Bảng D.1 - Các chức năng an toàn và mức đặc tính (PL) yêu cầu
| Khu vực | Chức năng an toàn | PLr | Điều của tiêu chuẩn này | |
| Khởi động | 1 | Cơ cấu điều khiển cấp điện | c | 5.2.3 |
| 2 | Khởi động các dẫn động trục chính và dẫn tiến | b | 5.2.3 | |
| 3 | Ngăn ngừa sự khởi động bất ngờ sau khi phục hồi lại cấp điện | c | 5.2.8 | |
| Dừng | 4 | Bắt đầu dừng bình thường | c | 5.2.4.1 |
| 5 | Cắt điện chậm đối với phanh bằng cơ cấu trễ thời gian | c | 5.2.4.1 | |
| 6 | Giám sát sự đứng yên trong dừng vận hành | c | 5.2.4.2 | |
| 7 | Bắt đầu dừng khẩn cấp | c | 5.2.4.3 | |
| Dẫn tiến tích hợp | 8 | Khóa liên động sự khởi động dẫn tiến với động cơ dẫn động trục chính lắp dao | b | 5.2.5.1 |
| 9 | Khóa liên động sự khởi động dẫn tiến với sự rút về của trục chính | b | 5.2.5.2 | |
| 10 | Khóa liên động điều chỉnh chiều cao tự động với sự phát hiện chi tiết gia công | b | 5.2.5.3 | |
| Lựa chọn chế độ | 11 | Điều khiển lựa chọn chế độ | c | 5.2.6.1 |
| 12 | Điều khiển giữ cho chạy đối với chuyển động dẫn tiến và các điều chỉnh dẫn động cơ khí | c | 5.2.6.2 | |
| 13 | Điều khiển giữ cho chạy đối với chuyển động dẫn tiến và các điều chỉnh dẫn động cơ khí có cơ cấu điều khiển dừng khẩn cấp liền kề | b | 5.2.6.2 | |
| 14 | Điều khiển hoãn khóa liên động với các cửa mở | c | 5.2.6.3 | |
| 15 | Khóa liên động các cụm xử lý động lực học với các bộ phận bảo vệ di động | c | 5.6.2.3 | |
| Vận tốc trục chính thay đổi | 16 | Điều khiển vận tốc quá mức | c | 5.2.7 |
| Kẹp chặt dao | 17 | Khóa liên động sự tháo lỏng dao với sự đứng yên của trục chính | c | 5.3.3.6 |
| 18 | Khóa liên động sự tháo lỏng dao với ngăn ngừa sự khởi động bất ngờ (chỉ cho thay dao bằng tay) | c | 5.3.3.6 | |
| Phanh | 19 | Điều khiển phanh | b/c | 5.3.4 |
| Bảo vệ. Bảo vệ an toàn | 20 | Điều khiển chỉnh đặt lại đối với AOPD và cơ cấu chặn hành trình | c | 5.3.6, 5.3.7.5.1, 5.3.7.5.2, 5.3.7.5.4 |
| 21 | Khóa liên động các dẫn động của dao với các rào chắn di động hoặc tháo rời được | c | 5.3.7.1, 5.3.7.3, 5.3.7.6 | |
| 22 | Điều khiển cho cơ cấu chặn hành trình | c | 5.3.7.4.2 | |
| 23 | Đối với các máy gia công mép kép: điều khiển cơ cấu chặn hành trình, chỉnh đặt lại, AOPD, giữ cho chạy và khóa liên động bằng cơ cấu giới hạn, vận tốc giảm | c | 5.3.7.5.1, 5.3.7.5.2, 5.3.7.5.3 | |
| Các bộ nung nóng | 24 | Khóa liên động giữa các bộ nung nóng và cơ cấu dẫn tiến | c | 5.4.1 |
| 25 | Khóa liên động giữa các bộ nung nóng hồng ngoại và cơ cấu dẫn tiến | b | 5.4.1 | |
| 26 | Khóa liên động giữa thiết bị bơm phun chất dễ cháy và nhiệt độ của nguồn nhiệt | c | 5.4.1 | |
Thư mục tài liệu tham khảo
[1] EN 614-1+A1, Safety of machinery - Ergonomic design principles - Part 1: Terminology and general principles (An toàn máy - các nguyên tắc thiết kế ecgônômi - Phần 1: Thuật ngữ và các nguyên tắc chung)
[2] EN 847-1:2013, Tools for woodworking - Safety requirements - Part 1: Milling tools, circular saw blades (Dao cho gia công gỗ - Yêu cầu an toàn - Phần 1: Dao phay, lưỡi của tròn)
[3] EN 894-1+A1, Safety of machinery - Ergonomics requirements for the design of displays and control, actuators - Part 1: General principles for human interactions with displays and control actuators (An toàn máy - Các yêu cầu về ecgônômi cho thiết kế các bộ phận chỉ báo và cơ cấu dẫn động điều khiển - Phần 1: Nguyên tắc chung cho sự tương tác với các bộ phận chỉ báo và cơ cấu dẫn động điều khiển)
[4] EN 894-2+A1, Safety of machinery - Ergonomics requirements for the design of displays and control actuators - Part 2: Displays (An toàn máy - Các yêu cầu về ecgônômi cho thiết kế các bộ phận chỉ báo và cơ cấu dẫn động điều khiển - Phần 2: Bộ phận chỉ báo)
[5] EN 894-3+A1, Safety of machinery - Ergonomics requirements for the design of displays and control actuators - Part 3: Control actuators (An toàn máy - Các yêu cầu về ecgônômi cho thiết kế các bộ phận chỉ báo và cơ cấu dẫn động điều khiển - Phần 3: Cơ cấu dẫn động điều khiển)
[6] EN 1005-1+A1, Safety of machinery - Human physical performance - Part 1: Terms and definitions (An toàn máy - Đặc tính thể chất của con người - Phần 1: Thuật ngữ và định nghĩa)
[7] EN 1005-2+A1, Safety of machinery - Human physical performance - Part 2: Manual handling of machinery and component parts of machinery (An toàn máy - Đặc tính thể chất của con người - Phần 2: Tháo lắp, vận chuyển bằng tay máy và các bộ phận của máy).
[8] EN 1005-3+A1, Safety of machinery - Human physical performance - Part 3: Recommended force limits for machinery operation (An toàn máy - Đặc tính thể chất của con người - Phần 3: Các giới hạn lực được khuyến nghị cho vận hành máy)
[9] EN 1005-4+A1, Safety of machinery - Human physical performance - Part 4: Evaluation of working postures and movements in relation to machinery (An toàn máy - Đặc tính thể chất của con người - Phần 4: Đánh giá các tư thế gia công và các di chuyển liên quan đến máy)
[10] EN 1093-9+A1, Safety of machinery - Evaluation of the emission of airborne hazardous substances - Part 9: Pollutant concentration parameter, room method (An toàn máy - Đánh giá sự phát ra các chất nguy hiểm trong không khí - Phần 9: Thông số nồng độ của chất ô nhiễm, phương pháp phòng)
[11] EN 1093-11+A1, Safety of machinery - Evaluation of the emission of airborne hazardous substances - Part 11: Decontamination index (An toàn máy - Đánh giá sự phát ra các chất nguy hiểm trong không khí - Phần 11: Chỉ số khử nhiễm xạ)
[12] EN 1837, Safety of machinery - Integral lighting of machines (An toàn máy - Chiếu sáng tích hợp của máy)
[13] EN 12779+A1, Safety of woodworking machines - Chip and dust extraction systems with fixed installation - Safety-related performances and safety requirements (An toàn máy gia công gỗ - Các hệ thống thu gom phoi bào và bụi với thiết bị cố định - Các đặc tính liên quan đến an toàn và các yêu cầu an toàn)
[14] EN 50144-1, Safety ofhand-heid electric motor operated tools - Part 1: General requirements (An toàn của các dụng cụ cầm tay vận hành bằng động cơ điện - Phần 1: Yêu cầu chung)
[15] EN 50525-1, Electric cables - Low voltage energy cables of rated voltages up to and including 450/750V (U0/U) - Part 1: General requirements (Cáp điện - Cáp điện áp thấp có được áp danh định đến và bao gồm 450/750V (V0V) - Phần 1: Yêu cầu chung)
[16] EN 50525-2-11,. Electric cables - Low voltage energy cables of rated voltages up to and including 450/750 V (U0/U) - Part 2-11: Cables for general applications - Flexible cables with thermoplastic PVC insulation [Cáp điện - Cáp điện áp thấp có điện áp danh định đến và bao gồm 450/750V (V0/V) - Phần 2-11: Cáp dùng cho các ứng dụng thông thường - Cáp mềm dẻo có bọc cách điện bằng nhựa dẻo nóng PVC]
[17] EN 50525-2-21, Electric cables - Low voltage energy cables of rated voltages up to and including 450/750 V (U0/U) - Part 2-21: Cables for general applications - Flexible cables with crosslinked elastomeric insulation [Cáp điện - Cáp điện áp thấp có điện áp danh định đến và bao gồm 450/750V (V0V) - Phần 2-21: Cáp dùng cho các ứng dụng thông thường - Cáp mềm dẻo có lớp bọc cách điện elastome có liên kết ngang]
[18] TCVN 2245 (ISO 286-2), Hệ thống ISO về dung sai và lắp ghép - Bảng cấp dung sai tiêu chuẩn và sai lệch giới hạn của lỗ và trục
[19] ISO 354, Acoustics - Measurement of sound absorption in a reverberation room (Âm học - Đo sự hấp thụ âm trong phòng dội lại âm)
[20] ISO 3743-1, Acoustics - Determination of sound power levels and sound energy levels of noise sources using sound pressure - Engineering methods for small movable sources in reverberant fields - Part 1: Comparison method for a hard-walled test room (Âm học - Xác định các mức công suất âm thanh và các mức năng lượng âm của các nguồn tiếng ồn khi sử dụng áp suất âm - Phương pháp kỹ thuật cho các nguồn di động nhỏ trong các trường dội lại âm - Phần 1: Phương pháp so sánh cho phòng thử có tường cứng)
[21] ISO 3743-2, Acoustics - Determination of sound power levels of noise sources using sound pressure - Engineering methods for small, movable sources in reverberant fields - Part 2: Methods for special reverberation test rooms (Âm học - Xác định các mức công suất âm của các nguồn tiếng ồn khi sử dụng áp suất âm - Phương pháp kỹ thuật cho các nguồn di động nhỏ trong các trường dội lại âm - Phần 2: Phương pháp cho các phóng thử dội lại âm chuyên dùng)
[22] ISO 3744, Acoustics - Determination of sound power levels and sound energy levels of noise sources using sound pressure - Engineering methods for an essentially free field over a reflecting plane (Âm học - Xác định các mức công suất âm và các mức năng lượng âm của các nguồn tiếng ồn khi sử dụng áp suất âm - Phương pháp kỹ thuật cho các trường về cơ bản là tự do trên một mặt phẳng phản xạ)
[23] ISO 3745, Acoustics - Determination of sound power levels and sound energy levels of noise sources using sound pressure - Precision methods for anechoic rooms and hemi-anechoic rooms (Âm học - Xác định các mức công suất âm và các mức năng lượng âm của các nguồn tiếng ồn khi sử dụng áp suất âm - Các phương pháp chính xác cho các phòng không dội lại và nửa không dội lại)
[24] ISO 4871, Acoustics - Declaration and verification of noise emission values of machinery and equipment (Âm học - Công bố và kiểm tra xác minh các giá trị tiếng ồn phát ra của máy và thiết bị)
[25] ISO 9614-1, Acoustics - Determination of sound power levels of noise sources using sound intensity - Part 1: Measurement at discrete points (Âm học - Xác định các mức công suất âm của các nguồn tiếng ồn khi sử dụng cường độ âm - Phần 1: Đo tại các điểm rời rạc).
[26] ISO 11202:2010, Acoustics - Noise emitted by machinery and equipment - Determination of emission sound pressure levels at a work station and at other specified positions applying approximate environmental corrections (Âm học - Tiếng ồn do máy và thiết bị phát ra - Xác định các mức áp suất âm phát ra tại một vị trí gia công và tại các vị trí quy định khác khi áp dụng các hiệu chỉnh gần đúng cho môi trường)
[27] ISO 11204:2010, Acoustics - Noise emitted by machinery and equipment - Determination of emission sound pressure levels at a work station and at other specified positions applying accurate environmental corrections (Âm học - Tiếng ồn do máy và thiết bị phát ra - Xác định các mức áp suất âm phát ra tại một vị trí gia công và tại các vị trí quy định khác khi áp dụng các hiệu chỉnh chính xác cho môi trường)
[28] ISO/TR 11688-1, Acoustics - Recommended practice for the design of low-noise machinery and equipment - Part 1: Planning (Âm học - Quy trình kỹ thuật được khuyến nghị cho thiết kế máy và thiết bị có tiếng ồn thấp - Phần 1: Lập kế hoạch)
[29] ISO/TR 11688-2, Acoustics - Recommended practice for the design of low-noise machinery and equipment - Part 2: Introduction to the physics oflow-noise design (Âm học - Quy trình kỹ thuật được khuyến nghị cho thiết kế máy và thiết bị có tiếng ồn thấp - Phần 2: Giới thiệu về vật lý học của thiết kế có tiếng ồn thấp)
[30] TCVN 6592-4-1 (IEC 60947-4-1), Thiết bị đóng cắt và điều khiển hạ áp - Phần 4-1: Công tắc tơ và bộ khởi động động cơ - Công tắc tơ và bộ khởi động động cơ kiểu điện - cơ)
[31] IEC 60947-5-1, Low-voltage switchgear and controlgear - Part 5-1: Control circuit devices and switching elements - Electromechanical control circuit devices (Cơ cấu chuyển mạch và cơ cấu điều khiển điện áp thấp - Phần 5-1: Các cơ cấu của mạch điều khiển và các phần tử chuyển mạch - Các cơ cấu điện - cơ của mạch điều khiển)
[32] IEC 61508-1+Corrigendum, Functional safety of electrical/electronic/programmable electronic safety-related systems - Part 1: General requirements (An toàn chức năng của các hệ thống liên quan đến an toàn điện/điện tử/điện tử khả lập trình - Phần 1: Yêu cầu chung)
[33] IEC 61508-2, Functional safety of electrical/electronic/programmable electronic safety-related systems - Part 2: Requirements for electrical/electronic/programmable electronic safety- related systems (An toàn chức năng của các hệ thống liên quan đến an toàn điện/điện tử/điện tử khả lập trình - Phần 2: Yêu cầu cho các hệ thống liên quan đến an toàn điện/điện tử/điện tử khả lập trình)
[34] IEC 61508-4+Corrigendum, Functional safety of electrical/electronic/programmable electronic safety-related systems - Part 4: Definitions and abbreviations (An toàn chức năng của các hệ thống liên quan đến an toàn điện/điện tử/điện tử khả lập trình - Phần 4: Định nghĩa và các chữ viết tắt)
1) Hiện có TCVN 7383-1:2004 (ISO 12100-1:2003) An toàn máy - Khái niệm cơ bản, nguyên tắc chung cho thiết kế - Phần 1: Thuật ngữ, phương pháp luận cơ bản; TCVN 7383-2:2004 (ISO 12100-2:2003) An toàn máy - Khái niệm cơ bản, nguyên tắc chung cho thiết kế - Phần 2: Nguyên tắc kỹ thuật.
Bạn chưa Đăng nhập thành viên.
Đây là tiện ích dành cho tài khoản thành viên. Vui lòng Đăng nhập để xem chi tiết. Nếu chưa có tài khoản, vui lòng Đăng ký tại đây!