- Tổng quan
- Nội dung
- Tiêu chuẩn liên quan
- Lược đồ
- Tải về
Tiêu chuẩn TCVN 12142-5:2017 Thép thấm nitơ
| Số hiệu: | TCVN 12142-5:2017 | Loại văn bản: | Tiêu chuẩn Việt Nam |
| Cơ quan ban hành: | Bộ Khoa học và Công nghệ | Lĩnh vực: | Công nghiệp |
|
Ngày ban hành:
Ngày ban hành là ngày, tháng, năm văn bản được thông qua hoặc ký ban hành.
|
2017 |
Hiệu lực:
|
Đã biết
|
| Người ký: | Đang cập nhật |
Tình trạng hiệu lực:
Cho biết trạng thái hiệu lực của văn bản đang tra cứu: Chưa áp dụng, Còn hiệu lực, Hết hiệu lực, Hết hiệu lực 1 phần; Đã sửa đổi, Đính chính hay Không còn phù hợp,...
|
Đã biết
|
TÓM TẮT TIÊU CHUẨN VIỆT NAM TCVN 12142-5:2017
Nội dung tóm tắt đang được cập nhật, Quý khách vui lòng quay lại sau!
Tải tiêu chuẩn Việt Nam TCVN 12142-5:2017
TIÊU CHUẨN QUỐC GIA
TCVN 12142-5:2017
ISO 683-5:2017
THÉP NHIỆT LUYỆN, THÉP HỢP KIM VÀ THÉP DỄ CẮT - PHẦN 5: THÉP THẤM NITƠ
Heat treatable steels, alloy steels and free-cutting steels - Part 5: Nitriding steels
Lời nói đầu
TCVN 12142-5-2017 hoàn toàn tương đương ISO 683-5:2017
TCVN 12142-5-2017 do Ban kỹ thuật tiêu chuẩn quốc gia TCVN/TC 17, Thép biên soạn, Tổng cục Tiêu chuẩn Đo lường Chất lượng đề nghị, Bộ Khoa học và Công nghệ công bố.
Bộ TCVN 12142 (ISO 683), Thép nhiệt luyện, thép hợp kim và thép dễ cắt bao gồm các tiêu chuẩn sau:
- TCVN 12142-1:2017 (ISO 683-1:2016), Thép nhiệt luyện, thép hợp kim và thép dễ cắt - Phần 1: Thép không hợp kim dùng cho tôi và ram.
- TCVN 12142-2:2017 (ISO 683-2:2016), Thép nhiệt luyện, thép hợp kim và thép dễ cắt - Phần 2: Thép hợp kim dùng cho tôi và ram.
- TCVN 12142-3:2017 (ISO 683-3:2016), Thép nhiệt luyện, thép hợp kim và thép dễ cắt - Phần 3: Thép tôi bề mặt.
- TCVN 12142-4:2017 (ISO 683-4:2016), Thép nhiệt luyện, thép hợp kim và thép dễ cắt - Phần 4: Thép dễ cắt.
- TCVN 12142-5:2017 (ISO 683-5:2017), Thép nhiệt luyện, thép hợp kim và thép dễ cắt - Phần 5: Thép thấm nitơ.
- TCVN 12142-14:2017 (ISO 683-14:2004), Thép nhiệt luyện, thép hợp kim và thép dễ cắt - Phần 14: Thép cán nóng dùng cho lò xo tôi và ram.
- TCVN 12142-15:2017 (ISO 683-15:1992), Thép nhiệt luyện, thép hợp kim và thép dễ cắt - Phần 15: Thép làm van dùng cho động cơ đốt trong.
- TCVN 12142-17:2017 (ISO 683-17:2014), Thép nhiệt luyện, thép hợp kim và thép dễ cắt - Phần 17: Thép ổ bi và ổ đũa.
- TCVN 12142-18:2017 (ISO 683-18:2016), Thép nhiệt luyện, thép hợp kim và thép dễ cắt - Phần 18: Sản phẩm thép sáng bóng.
THÉP NHIỆT LUYỆN, THÉP HỢP KIM VÀ THÉP DỄ CẮT - PHẦN 5: THÉP THẤM NITƠ
Heat treatable steels, alloy steels and free-cutting steels - Part 5: Nitriding steels
1 Phạm vi áp dụng
Tiêu chuẩn này quy định các yêu cầu kỹ thuật khi cung cấp đối với:
- Các bán thành phẩm, ví dụ các phôi thép lớn, phôi thép nhỏ, phôi dạng dẹt (xem chú thích 1),
- Các thanh (xem chú thích 1),
- Thanh để kéo dây,
- Thép tấm cán nóng (xem chú thích 2), và
- Các vật rèn bằng búa (xem chú thích 1),
được chế tạo từ các thép thấm nitơ liệt kê trong Bảng 3 và được cung cấp ở một trong các điều kiện nhiệt luyện đã cho đối với các loại sản phẩm khác nhau trong Bảng 1, các hàng 2 đến 5 và ở một trong các trạng thái bề mặt đã cho trong Bảng 2.
Nói chung, các thép được dự định sử dụng cho chế tạo các chi tiết máy đc tôi và ram và sau đó là thấm nitơ.
Các yêu cầu về cơ tính cho trong tiêu chuẩn này được hạn chế cho các cỡ kích thước cho trong Bảng 6.
CHÚ THÍCH 1: Các bán thành phẩm được rèn bằng búa (các phôi thép lớn, các phôi thép nhỏ, các phôi thép tấm, v.v...), các vòng cán không hàn và các thanh được rèn bằng búa sau đây là các bán thành phẩm hoặc các thép thanh và không thuộc phạm vi thuật ngữ “vật rèn bằng búa”.
CHÚ THÍCH 2: Thuật ngữ “thép tấm” sau đây cùng bao hàm các thép dải rộng trừ khi có quy định khác.
Trong các trường hợp đặc biệt (chuyên dùng), các thay đổi về yêu cầu kỹ thuật cho cung cấp này hoặc các bổ sung cho các yêu cầu này có thể được thỏa thuận tại thời điểm tìm hiểu và đặt hàng (xem 5.2 và Phụ lục B).
Ngoài tiêu chuẩn này, áp dụng các yêu cầu kỹ thuật chung cho cung cấp của TCVN 4399 (ISO 404).
2 Tài liệu viện dẫn
Các tài liệu viện dẫn sau rất cần thiết cho áp dụng tiêu chuẩn này. Đối với các tài liệu viện dẫn ghi năm công bố thì áp dụng phiên bản đã nêu. Đối với các tài liệu viện dẫn không ghi năm công bố thì áp dụng phiên bản mới nhất, bao gồm cả các sửa đổi, (nếu có).
TCVN 197-1 (ISO 6892-1), Vật liệu kim loại - Thử kéo - Phần 1: Phương pháp thử ở nhiệt độ phòng.
TCVN 256-1 (ISO 6506-1), Vật liệu kim loại - Thử độ cứng Brinell - Phần 1: Phương pháp thử.
TCVN 312-1 (ISO 148-1), Vật liệu kim loại - Thử va đập kiểu con lắc Charpy - Phần 1: Phương pháp thử.
TCVN 1660 (ISO 4885), Sản phẩm của hợp kim hệ sắt - Nhiệt luyện - Từ vựng.
TCVN 1811 (ISO 14284), Thép và gang - Lấy mẫu và chuẩn bị mẫu thử để xác định thành phần hóa học.
TCVN 4393 (ISO 643), Thép - Xác định độ lớn hạt bằng phương pháp kim tương.
TCVN 4398 (ISO 377), Thép và sản phẩm thép - Vị trí lấy mẫu, chuẩn bị phôi mẫu và mẫu thử cơ tính.
TCVN 4399 (ISO 404), Thép và sản phẩm thép - Yêu cầu kỹ thuật chung khi cung cấp.
TCVN 7446-1:2004 1), Thép - Phân loại - Phần 1: Phân loại thép không hợp kim và thép hợp kim trên cơ sở thành phần hóa học.
TCVN 7446-2 (ISO 4948-2), Thép - Phân loại - Phần 2: Phân loại thép không hợp kim và thép hợp kim theo cấp chất lượng chính và đặc tính hoặc tính chất sử dụng.
TCVN 10352 (ISO 7788), Thép - Hoàn thiện bề mặt thép tấm và thép tấm rộng cán nóng - Yêu cầu khi cung cấp.
TCVN 11371 (ISO 6929), Sản phẩm thép - Từ vựng.
TCVN 11236 (ISO 10474), Thép và sản phẩm thép - Tài liệu kiểm tra.
ISO/TS 4949, Steel names based on letter symbols (Mác thép dựa trên các ký hiệu chữ cái)
TCVN 8992 (ISO 9443), Thép có thể nhiệt luyện và thép hợp kim - Cấp chất lượng bề mặt thép thanh tròn và thép dây cán nóng - Điều kiện kỹ thuật khi cung cấp.
ISO/TR 9769, Steel and iron - Review of available methods of analysis (Thép và gang - Xem xét lại các phương pháp phân tích sẵn có).
3 Thuật ngữ và định nghĩa
Tiêu chuẩn này áp dụng các thuật ngữ và định nghĩa cho trong TCVN 4398 (ISO 377), TCVN 1660 (ISO 4885), TCVN 7446-1, TCVN 7446-2 (ISO 4948-2), TCVN 11371 (ISO 6929), TCVN 1811 (ISO 14284) và các thuật ngữ, định nghĩa sau 1.
3.1
Tiết diện quy định (ruling section)
Tiết diện áp dụng cho các cơ tính quy định.
CHÚ THÍCH: Cỡ kích thước tiết diện quy định của các sản phẩm không phụ thuộc vào hình dạng và các kích thước thực tế của mặt cắt ngang sản phẩm và luôn được cho bằng một đường kính. Đường kính này tương đương với đường kính của một “thanh tròn tương đương”. Đó là một thanh tròn sẽ biểu thị cùng một tốc độ làm nguội như tiết diện quy định thực tế của sản phẩm có liên quan tại vị trí lấy các mẫu thử, khi đc làm nguội từ nhiệt độ austenit hóa.
3.2
Thép thấm nitơ (nitriding steel)
Thép nhiệt luyện được chứa các lượng có kiểm soát của các nguyên tố tạo thành nitrit nhôm, crom, molipđen, và/hoặc vanađi và đặc biệt thích hợp cho thấm nitơ.
3.3
Thấm nitơ (nitriding)
Quá trình nhiệt luyện được đặc trưng bằng giữ một sản phẩm thép trong một thời gian đủ dài ở các nhiệt độ dưới nhiệt độ biến đổi AC1 trong một môi trường nitơ được cung cấp ở dạng khí hoặc muối dạng lỏng để đạt được sự khuếch tán của nitơ vào bề mặt thép.
CHÚ THÍCH: Với hình thức nhiệt luyện này, độ cứng bề mặt, các tính chất chịu mài mòn và mỏi sẽ tăng lên.
4 Phân loại và ký hiệu
4.1 Phân loại
Các mác thép có liên quan được phân loại theo TCVN 7446-1 và TCVN 7446-2 (ISO 4948-2). Tất cả các mác thép được bao hàm trong tiêu chuẩn này đều là các loại thép hợp kim đặc biệt (chuyên dùng).
4.2 Ký hiệu
Đối với các mác thép được bao hàm trong tiêu chuẩn này, mác thép như đã cho trong các bảng có liên quan phù hợp với ISO/TS 4949.
Ký hiệu của các thép cho trong tiêu chuẩn này và của các loại thép so sánh được bao hàm trong các hệ thống ký hiệu khác được cho trong Phụ lục C.
5 Thông tin do khách hàng cung cấp
5.1 Thông tin bắt buộc
Nhà sản xuất phải nhận được thông tin sau từ khách hàng tại thời điểm tìm hiểu và đặt hàng:
a) Số lượng được cung cấp;
b) Tên gọi của dạng sản phẩm (ví dụ: phôi thép tấm, phôi thép lớn, phôi thép nhỏ, thép thanh, phôi thép để cán kéo dây);
c) Ký hiệu của tiêu chuẩn kích thước và các kích thước, dung sai được lựa chọn từ tiêu chuẩn này (xem 7.9) hoặc, ví dụ trong trường hợp các vật rèn bằng búa, ký hiệu của bản vẽ hoặc bất cứ tài liệu nào khác quy định các kích thước và dung sai yêu cầu đối với sản phẩm;
d) Viện dẫn tiêu chuẩn này, nghĩa là TCVN 12142-5 (ISO 683-5);
e) Tên của mác thép cho trong Bảng 3;
f) Tên gọi cho một báo cáo thử 2.2 hoặc, nếu có yêu cầu, bất cứ loại tài liệu kiểm tra nào khác phù hợp với TCVN 11236 (ISO 10474).
5.2 Yêu cầu tùy chọn và/hoặc yêu cầu bổ sung hoặc đặc biệt
Tiêu chuẩn này quy định một số sự lựa chọn tùy ý như đã liệt kê trong các mục dưới đây. Nếu khách hàng không chỉ ra bất cứ sự lựa chọn nào trong các lựa chọn tùy ý này thì sản phẩm sẽ được cung cấp phù hợp với các điều kiện kỹ thuật cơ bản của tiêu chuẩn này (xem 5.1):
a) Nếu yêu cầu một điều kiện nhiệt luyện khác với điều kiện không nhiệt luyện, ký hiệu cho điều kiện nhiệt luyện khác này (xem Bảng 1, cột 2);
b) Nếu yêu cầu một trạng thái bề mặt khác với bề mặt được gia công nóng hoặc một chất lượng bề mặt đặc biệt, trạng thái bề mặt (xem Bảng 2, cột 2) và chất lượng bề mặt này (xem 7.7);
c) Bất cứ yêu cầu, bổ sung nào phải được tuân theo, ký hiệu và, khi cần thiết, các chi tiết của yêu cầu bổ sung này (xem Phụ lục B);
d) Bất cứ yêu cầu nào liên quan đến loại bỏ các khuyết tật bề mặt (xem 7.7.4)
e) Bất cứ yêu cầu nào về chiều sâu cho phép của lớp thoát cacbon (xem 7.8);
f) Thử va đập ở nhiệt độ thấp hơn nhiệt độ phòng (xem bảng 9.2.3).
5.3 Ví dụ về đặt hàng
VÍ DỤ: 2t thép thanh tròn cán nóng theo TCVN 6283-1 (ISO 1035-1) có đường kính danh nghĩa 40mm và chiều dài danh nghĩa 8000mm với dung sai đường kính theo cấp S và dung sai chiều dài theo cấp L2, được chế tạo từ mác thép TCVN 12142-5 (ISO 683-5) 31CrMo12 (xem Bảng 3) ở điều kiện nhiệt luyện +QT (Xem Bảng 1) với bề mặt được làm sạch bằng thổi (phun) + BC (xem Bảng 2) và có tài liệu kiểm tra 2.2
Thanh tròn TCVN 6283 (ISO 1035) - 40,0S x 8000L2
TCVN 12142-5 (ISO 683-5) - 31CrMo12 + QT
Tài liệu kiểm tra TCVN 11236 (ISO 10474) 2.2
6 Quá trình chế tạo
6.1 Quy định chung
Quá trình luyện thép và chế tạo sản phẩm với các hạn chế đã cho theo các yêu cầu trong 6.2 đến 6.4 do nhà sản xuất quyết định.
6.2 Khử oxy
Tất cả các loại thép đều phải được khử oxy.
6.3 Điều kiện nhiệt luyện và trạng thái bề mặt khi cung cấp
6.3.1 Điều kiện thông thường khi cung cấp
Trừ khi có thỏa thuận khác tại thời điểm tìm hiểu và đặt hàng, các sản phẩm phải được cung cấp ở điều kiện không nhiệt luyện, nghĩa là điều kiện được gia công nóng.
6.3.2 Điều kiện nhiệt luyện riêng biệt
Nếu có thỏa thuận tại thời điểm tìm hiểu và đặt hàng, các sản phẩm phải được cung cấp ở một trong các điều kiện nhiệt luyện đã cho trong Bảng 1, các hàng 3 đến 5.
6.3.3 Trạng thái bề mặt riêng biệt
Nếu có thỏa thuận tại thời điểm tìm hiểu và đặt hàng, các sản phẩm phải được cung cấp ở một trong các trạng thái bề mặt riêng biệt đã cho trong Bảng 2, các hàng 3 đến 6.
6.4 Khả năng truy tìm nguồn gốc vật đúc
Mỗi sản phẩm phải có khả năng truy tìm nguồn gốc vật đúc, xem Điều 10.
7 Yêu cầu
7.1 Thành phần hóa học, độ cứng và cơ tính
7.1.1 Quy định chung
Bảng 1 giới thiệu tổ hợp các điều kiện nhiệt luyện thông thường khi cung cấp, các dạng sản phẩm và các yêu cầu như đã quy định trong các Bảng 3 đến 6.
7.1.2 Thành phần hóa học
Thành phần hóa học được xác định bằng phân tích mẻ nấu phải tuân theo các giá trị trong Bảng 3. Sai lệch cho phép giữa các giá trị giới hạn cho phân tích mẻ nấu và các giá trị cho phân tích sản phẩm được cho trong Bảng 4.
Phải thực hiện phân tích sản phẩm khi được quy định tại thời điểm tìm hiểu và đặt hàng (xem B.4).
7.1.3 Cơ tính
Các yêu cầu về cơ tính đối với các loại thép được cung cấp ở "điều kiện ủ mềm" (+A) theo độ cứng Brinell, xem Bảng 5 và đối với các loại thép được cung cấp ở “điều kiện tôi và ram” (+QT) theo các giá trị được cho trong Bảng 6.
7.2 Khả năng gia công trên máy
Tất cả các loại thép ở điều kiện “ủ mềm”, (+A) đều có khả năng gia công tốt trên máy.
Khi có yêu cầu nâng cao khả năng gia công trên máy thì có thể thỏa thuận về các quá trình nhiệt luyện đặc biệt tại thời điểm tìm hiểu và đặt hàng.
7.3 Khả năng cắt ở trạng thái nguội
Trong các điều kiện cắt (xén) thích hợp (khi tránh các giá trị đỉnh của ứng suất, sự nung nóng trước, áp dụng các lưỡi cắt có prôfin được sửa cho phù hợp với sản phẩm v.v...), tất cả các loại thép đều có khả năng cắt được ở điều kiện “ủ mềm” (+A).
7.4 Cỡ hạt
Trừ khi có thỏa thuận khác tại thời điểm tìm hiểu và đặt hàng, thép phải có tổ chức hạt mịn với cỡ hạt austenit 5 và mịn hơn khi được thử phù hợp với TCVN 4393 (ISO 643). Về kiểm tra xác nhận, xem B.3.
Phải xác định hàm lượng ferit trong lõi của sản phẩm tôi và ram trên một lát cắt rất nhỏ cho mỗi vật đúc, kích thước và lô (mẻ) nhiệt luyện, nếu được thỏa thuận tại thời điểm tìm hiểu và đặt hàng.
7.5 Tạp chất phi kim loại
7.5.1 Tạp chất vi mô
Các loại thép đặc biệt phải có độ sạch nhất định, tuy nhiên, cần có việc kiểm tra xác nhận hàm lượng tạp chất phi kim loại yêu cầu phải có thỏa thuận đặc biệt. Nếu có sự thỏa thuận này tại thời điểm tìm hiểu và đặt hàng, phải xác định hàm lượng của tạp chất phi kim loại vi mô theo một quy trình đã thỏa thuận và trong phạm vi các giới hạn đã thỏa thuận phù hợp với ISO 4967 hoặc tiêu chuẩn khác, ví dụ, các tiêu chuẩn vùng EN 10247 hoặc JIS G 0555.
7.5.2 Tạp chất vĩ mô
Yêu cầu này áp dụng cho kiểm tra xác nhận các tạp chất vĩ mô trong các loại thép đặc biệt. Nếu có thỏa thuận về kiểm tra xác nhận thì phương pháp và các giới hạn chấp nhận phải được thỏa thuận tại thời điểm tìm hiểu và đặt hàng.
7.6 Chất lượng bên trong
Các loại thép không được có các khuyết tật bên trong có thể có ảnh hưởng xấu đến chất lượng thép (xem Phụ lục B, Điều B.3).
7.7 Chất lượng bề mặt
7.7.1 Tất cả các sản phẩm phải có bề mặt được gia công tinh trơn nhằm thích hợp cho các quá trình chế tạo đã áp dụng.
7.7.2 Các khuyết tật nhỏ trên bề mặt có thể xảy ra trong các điều kiện chế tạo bình thường như các vết hằn do vảy bị cán vào không được xem là các khuyết tật.
7.7.3 Các thép thanh và phôi thép để cán kéo dây được cung cấp có cấp bề mặt 1z2 phù hợp với TCVN 8992 (ISO 9443) và các thép tấm, thép dải rộng cán nóng được cung cấp có bề mặt phù hợp với TCVN 10352 (ISO 7788), trừ khi có thỏa thuận khác tại thời điểm tìm hiểu và đặt hàng.
Khi không có tiêu chuẩn liên quan về chất lượng bề mặt của các sản phẩm thép thì các yêu cầu chi tiết về đặc tính này phải được thỏa thuận tại thời điểm tìm hiểu và đặt hàng.
Việc phát hiện và loại bỏ tính không liên tục (khuyết tật) của bề mặt các sản phẩm dạng cuộn sẽ khó khăn hơn so với các đoạn được cắt ra. Nên tính đến đặc điểm này khi đưa ra thỏa thuận về chất lượng bề mặt.
CHÚ THÍCH: Các thép thanh và phôi thép để cán kéo dây dùng cho chền đầu nguội và ép đùn nguội được bao hàm hoàn toàn trong ISO 4954.
7.7.4 Chỉ cho phép loại bỏ các khuyết tật bằng hàn khi có sự chấp thuận của khách hàng hoặc đại diện của khách hàng.
7.7.5 Việc loại bỏ các khuyết tật bề mặt bằng hàn chỉ được phép khi có sự chấp thuận của khách hàng hoặc đại diện của khách hàng.
Nếu sửa chữa tính không liên tục (khuyết tật) của bề mặt thì phương pháp sửa chữa và chiều sâu loại bỏ khuyết tật phải được thỏa thuận tại thời điểm tìm hiểu và đặt hàng.
7.8 Sự thoát cacbon
Các yêu cầu về chiều sâu cho phép của lớp thoát cacbon có thể được thỏa thuận tại thời điểm tìm hiểu và đặt hàng.
Phải xác định chiều sâu của lớp thoát cacbon phù hợp với phương pháp chụp ảnh tổ chức tế vi trong ISO 3887.
7.9 Hình dạng, kích thước và dung sai
Hình dạng, các kích thước và dung sai của các sản phẩm phải tuân theo các yêu cầu đã thỏa thuận tại thời điểm tìm hiểu và đặt hàng. Các thỏa thuận phải dựa trên các tiêu chuẩn liên quan (xem Phụ lục D).
8 Kiểm tra
8.1 Quy trình thử và loại tài liệu
8.1.1 Các sản phẩm tuân theo tiêu chuẩn này phải được đặt hàng và cung cấp cùng với tài liệu kiểm tra theo TCVN 11236 (ISO 10474) tại thời điểm tìm hiểu và đặt hàng. Nếu đơn hàng không chứa bất cứ đặc tính kỹ thuật nào của loại tài liệu này thì phải phát ra báo cáo thử 2.2 (TCVN 11236 (ISO 10474)).
8.1.2 Nếu cung cấp một báo cáo thử 2.2 (TCVN 11236 (ISO 10474)) phù hợp với các thỏa thuận tại thời điểm tìm hiểu và đặt hàng thì báo cáo thử này phải bao hàm thông tin sau:
a) Xác nhận rằng vật liệu tuân theo các yêu cầu của đơn đặt hàng;
b) Các kết quả của phân tích mẻ nấu cho tất cả các nguyên tố quy định trong Bảng 3 đối với mác thép có liên quan.
8.1.3 Nếu cung cấp một giấy chứng nhận kiểm tra 3.1 hoặc 3.2 (TCVN 11236 (ISO 10474)) phù hợp với các thỏa thuận trong đơn đặt hàng thì phải thực hiện các phép kiểm tra và thử nghiệm riêng mô tả trong 8.2, 8.3 và Điều 9 và các kết quả phải được xác nhận trong giấy chứng nhận kiểm tra.
Ngoài ra, giấy chứng nhận kiểm tra phải bao hàm:
c) Xác nhận rằng vật liệu tuân theo các yêu cầu của đơn đặt hàng;
d) Các kết quả của phân tích mẻ nấu cho tất cả các nguyên tố quy định trong Bảng 3 đối với mác thép có liên quan;
e) Kết quả của tất cả các phép kiểm tra và thử nghiệm do các yêu cầu bổ sung đã đặt hàng (xem Phụ lục B);
f) Các chữ cái hoặc các chữ số ký hiệu có liên quan đến các giấy chứng nhận kiểm tra, các mẫu thử và các sản phẩm với nhau.
8.2 Tần suất thử
Lượng thử nghiệm, các điều kiện lấy mẫu và các phương pháp thử được áp dụng cho kiểm tra xác nhận sự tuân thủ các yêu cầu phải phù hợp của Bảng 8.
8.3 Kiểm tra và thử nghiệm riêng
8.3.1 Kiểm tra xác nhận độ cứng và cơ tính
Phải kiểm tra xác nhận các yêu cầu về độ cứng và/hoặc cơ tính cho trong điều kiện nhiệt luyện có liên quan trong Bảng 1, cột 8, cột nhỏ 2 với ngoại lệ sau. Chỉ phải kiểm tra xác nhận các yêu cầu cho trong chú thích cuối trang a của Bảng 1 (cơ tính của mẫu thử chuẩn) nếu đặt hàng yêu cầu bổ sung cho trong B.2.
8.3.2 Kiểm tra bằng mắt và kích thước
Phải kiểm tra một số lượng đủ các sản phẩm để bảo đảm sự tuân thủ đặc tính kỹ thuật.
9 Phương pháp thử
9.1 Phân tích hóa học
Việc lựa chọn một phương pháp vật lý hoặc phân tích hóa học để phân tích phải do nhà sản xuất quyết định. Trong trường hợp có sự tranh chấp, phương pháp phân tích sản phẩm được sử dụng phải theo thỏa thuận có tính đến các tiêu chuẩn hiện hành có liên quan.
CHÚ THÍCH: ISO/TR 9769 giới thiệu danh sách các tiêu chuẩn sẵn có cho phân tích hóa học.
9.2 Thử độ cứng và thử cơ tính
9.2.1 Độ cứng
Đối với các sản phẩm ở điều kiện “ủ mềm” (+A), phải đo độ cứng phù hợp với TCVN 256-1 (ISO 6506-1).
9.2.2 Thử cơ tính
Đối với các sản phẩm ở điều kiện “tôi và ram” (+QT), phải thực hiện thử kéo phù hợp với TCVN 197-1 (ISO 6892-1).
Về giới hạn chảy quy định trong các bảng cơ tính của tiêu chuẩn này, phải xác định giới hạn chảy trên, ReH.
Nếu không xuất hiện hiện tượng chảy, phải xác định giới hạn chảy quy ước 0,2%, Rp0,2.
9.2.3 Thử va đập
Phải thực hiện thử va đập phù hợp với TCVN 312-1 (ISO 148-1).
Tại thời điểm tìm hiểu và đặt hàng, có thể thỏa thuận về các yêu cầu bổ sung liên quan đến năng lượng va đập và kiểm tra xác nhận tại các nhiệt độ khác với nhiệt độ phòng (0°C, -20°C và -40°C).
CHÚ THÍCH: Các giá trị va đập ở các nhiệt độ thấp hơn không thể đạt được đối với tất cả các mác thép.
Các giá trị trung bình của một bộ ba mẫu thử phải bằng hoặc lớn hơn giá trị quy định. Một giá trị riêng có thể thấp hơn giá trị quy định với điều kiện là không nhỏ hơn 70% giá trị này.
Nếu các điều kiện này không được thỏa mãn, cần thử bổ sung phù hợp với TCVN 4399 (ISO 404), 8.3.4.2.
sản phẩm mẫu bị bác bỏ và có thể thực hiện các phép thử lại trên phần còn lại của đơn vị thử.
9.3 Thử lại
Các phép thử lại cho các loại thép dùng cho tôi và ram và các tiêu chí cho thử lại nên theo quy định trong TCVN 4399 (ISO 404).
10 Ghi nhãn
Nhà sản xuất phải ghi nhãn các sản phẩm hoặc các bó sản phẩm hoặc các hộp chứa sản phẩm theo cách thích hợp sao cho có thể nhận biết được mẻ nấu, loại thép và nguồn gốc của cung cấp (xem B.7).
Bảng 1 - Tổ hợp các điều kiện nhiệt luyện thông thường khi cung cấp, các dạng sản phẩm và các yêu cầu theo các Bảng 3 đến 6
| 1 | 1 | 2 | 3 | 4 | 5 | 6 | 7 | 8 | 9 | |
| Điều kiện nhiệt luyện khi cung cấp | Ký hiệu | X = áp dụng cho | Yêu cầu | Nhận xét | ||||||
| Bán thành phẩm | Thanh | Thanh để kéo dây | Tấm | Vật rèn bằng búa | 1 | 2 |
| |||
| 2 | Không nhiệt luyện | Không hoặc +U | X | X | X | X | X | Thành phần hóa học theo các Bảng 3 và 4 | -a | Cùng tuân theo các yêu cầu bổ sung cho trong Phụ lục B. |
| 3 | Ủ mềm | +A | X | X | X | X | X | Độ cứng Brinell lớn nhất theo Bảng 5a | ||
| 4 | Tôi và ram | +QT | - | X | - | X | X | Cơ tính theo Bảng 6 | ||
| 5 | Các điều kiện khác | Các điều kiện nhiệt luyện khác, ví dụ các nhiệt luyện đặc biệt để nâng cao khả năng cắt tiện máy có thể được thỏa thuận tại thời điểm tìm hiểu và đặt hàng | ||||||||
| a Vì cung cấp ở điều kiện “không nhiệt luyện” hoặc “ủ mềm”, phải đạt được các giá trị cho trong Bảng 6 đối với điều kiện tôi và ram sau khi xử lý nhiệt thích hợp nếu có thỏa thuận tại thời điểm tìm hiểu và đặt hàng (về các mẫu thử chuẩn, xem 8.2). | ||||||||||
Bảng 2 - Trạng thái bề mặt khi cung cấp
|
| 1 | 2 | 3 | 4 | 5 | 6 | 7 | 8 | 9 |
| 1 | Trạng thái bề mặt khi cung cấp | Ký hiệu | X = thường áp dụng cho | Chú thích | |||||
| Bán thành phẩm | Thanh | Thanh để kéo dây | Tấm | Vật rèn bằng búa | |||||
| 2 | Trừ khi có thỏa thuận khác | Như khi gia công nóng | Không hoặc +HW | Xa | X | X | X | X | - |
| 3 | Các trạng thái riêng áp dụng theo thỏa thuận | HW + ngâm tẩy gỉ | +PI | X | X | X | X | X | -c |
| 4 | HW+ làm sạch bằng thổi | +BC | X | X | X | X | X | ||
| 5 | HW+ gia công thô | +RMb | - | X | X | - | X | ||
| 6 | Khác | - | - | X | X | X | X |
| |
| a Thuật ngữ “gia công nóng” cũng bao gồm trạng thái đúc liên tục trong trường hợp các bán thành phẩm. b Tới khi thuật ngữ “gia công thô” được định nghĩa, ví dụ như bằng lượng dư gia công, các chi tiết phải được thỏa thuận tại thời điểm tìm hiểu và đặt hàng. c Ngoài ra, có thể thỏa thuận về sản phẩm được bôi dầu, hoặc khi thích hợp, được sơn vôi hoặc phốt phát hóa. | |||||||||
Bảng 3 - Các mác thép và thành phần hóa học (phân tích mẻ nấu)
| Mác thép | Thành phần theo khối lượnga, % | |||||||||
| C | Si | Mn | P | Sb | Cr | Mo | Ni | Al | Khác | |
| 20CrMoV5-7 | 0,16 đến 0,24 | 0,40 | 0,40 đến 0,80 | 0,025 | 0,035 | 1,20 đến 1,50 | 0,65 đến 0,80 | - | 0,30 | V: 0,25 đến 0,35 |
| 34CrAlMo5-10 | 0,30 đến 0,37 | 0,40 | 0,40 đến 0,70 | 0,025 | 0,035 | 1,00 đến 1,30 | 0,15 đến 0,25 | - | 0,80 đến 1,20 | - |
| 32CrAIMo7-10 | 0,28 đến 0,35 | 0,40 | 0,40 đến 0,70 | 0,025 | 0,035 | 1,50 đến 1,80 | 0,20 đến 0,40 | - | 0,80 đến 1,20 | - |
| 41CrAIMo7-10 | 0,38 đến 0,45 | 0,40 | 040 đến 0,70 | 0,025 | 0,035 | 1,50 đến 1,80 | 0,20 đến 0,35 | - | 0,80 đến 1,20 | - |
| 34CrAINi7-10 | 0,30 đến 0,37 | 0,40 | 0,40 đến 0,70 | 0,025 | 0,035 | 1,50 đến 1,80 | 0,15 đến 0,25 | 0,85 đến 1,15 | 0,80 đến 1,20 | - |
| 31CrMoV9 | 0,27 đến 0,34 | 0,40 | 0,40 đến 0,70 | 0,025 | 0,035 | 2,30 đến 2,70 | 0,15 đến 0,25 | - | - | V: 0,10 đến 0,20 |
| 31CrMo12 | 0,28 đến 0,35 | 0,40 | 0,40 đến 0,70 | 0,025 | 0,035 | 2,80 đến 3,30 | 0,30 đến 0,50 | 0,30 | - | - |
| 33CrMoV12-9 | 0,29 đến 0,36 | 0,40 | 0,40 đến 0,70 | 0,025 | 0,035 | 2,80 đến 3,30 | 0,70 đến 1,00 | - | - | V: 0,15 đến 0,25 |
| 24CrMo13-6 | 0,20 đến 0,27 | 0,40 | 0,40 đến 0,70 | 0,025 | 0,035 | 3,00 đến 3,50 | 0,50 đến 0,70 | - | - | - |
| 40CrMoV13-9 | 0,36 đến 0,43 | 0,40 | 0,40 đến 0,70 | 0,025 | 0,035 | 3,00 đến 3,50 | 0,80 đến 1,10 | - | - | V: 0,15 đến 0,25 |
| 8CrMo16-5 | 0,04 đến 0,12 | 0,40 | 0,85 đến 1,20 | 0,025 | 0,035 | 3,70 đến 4,30 | 0,40 đến 0,60 | - | - | Cu: 0,25 |
| Không được cố ý đưa vào thép các nguyên tố không được dẫn ra khác với mục đích hoàn thiện mẻ nấu nếu không có sự thỏa thuận của khách hàng. Phải có mọi sự đề phòng hợp lý để ngăn ngừa sự thêm vào, từ phế liệu hoặc vật liệu khác dùng trong sản xuất, các nguyên tố ảnh hưởng đến độ thấm tôi, cơ tính và khả năng ứng dụng. a Các giá trị lớn nhất, trừ khi có quy định khác. b Theo thỏa thuận giữa khách hàng và nhà sản xuất, thép có thể được đặt hàng với giới hạn trên của lưu huỳnh nhỏ hơn 0,035% | ||||||||||
Bảng 4 - Sai lệch cho phép giữa phân tích sản phẩm và các giá trị giới hạn cho trong Bảng 3 về phân tích mẻ nấu
| Nguyên tố | Hàm lượng lớn nhất theo phân tích mẻ nấu thành phần theo khối lượng, | Sai lệch cho phépa, thành phần theo khối lượng |
| C | ≤ 0,45 | ± 0,02 |
| Si | ≤ 0,40 | + 0,03 |
| Mn | ≤ 1,20 | ± 0,04 |
| P | ≤ 0,25 | + 0,005 |
| S | ≤ 0,035 | + 0,005 |
| Cr | ≥ 1,00 ≤ 2,00 | ± 0,05 |
| ≥ 2,00 ≤ 4,30 | ± 0,10 | |
| Mo | ≤ 0,30 | ± 0,03 |
| > 0,30 ≤ 1,10 | ± 0,04 | |
| Ni | ≤ 1,15 | ± 0,05 |
| Al | ≥ 0,80 ≤ 1,20 | ± 0,10 |
| Cu | ≤ 0,25 | + 0,05 |
| V | ≤ 0,35 | ± 0,02 |
| a ± có nghĩa là trong một mẻ nấu, sai lệch có thể xảy ra ở trên giới hạn trên hoặc ở dưới giới hạn dưới của phạm vi quy định trong Bảng 3, nhưng không xảy ra cả hai cùng một lúc. | ||
Bảng 5 - Độ cứng ở điều kiện “ủ mềm”
| Mác thép | Độ cứng HBWa lớn nhất |
| 20CrMoV5-7 | 240 |
| 34CrAlMo5-10 | 248 |
| 32CrAIMo7-10 | 248 |
| 41CrAIMo7-10 | 248 |
| 34CrAINi7-10 | 248 |
| 31CrMoV9 | 248 |
| 31CrMo12 | 248 |
| 33CrMoV12-9 | 248 |
| 24CrMo13-6 | 248 |
| 40CrMoV13-9 | 248 |
| 8CrMo16-5 | 220 |
| a HBW là độ cứng Brinell (phù hợp với TCVN 256-1 (ISO 6506-1)) | |
Bảng 6 - Cơ tính ở điều kiện tôi và ram (+QT)a
|
Mác thép | 16 mm ≤ d ≤ 40 mm 8 mm ≤ t ≤ 20 mm | 40 mm < d ≤ 100 mm 20 mm ≤ t ≤ 60 mm | 100 mm < d ≤ 160 mm 60 mm ≤ t ≤ 100 mm | 160 mm < d ≤ 250 mm 100 mm ≤ t ≤ 160 mm | HVb | ||||||||||||
| Re Mpa nhỏ nhất | Rm MPa | A % | kv2 | Re Mpa nhỏ nhất | Rm MPa | A % | kv2 | Re Mpa nhỏ nhất | Rm MPa | A % | kv2 | Re Mpa nhỏ nhất | Rm MPa | A % | kv2 | ||
| 20CrMoV5-7 | 800 | 900 đến 1100 | 14 | 35 | 800 | 900 đến 1100 | 14 | 35 | 800 | 900 đến 1100 | 14 | 35 | - | - | - | - | 850 |
| 34CrAIMo5-10 | 600 | 800 đến 1000 | 14 | 35 | 600 | 800 đến 1000 | 14 | 35 | - | - | - | - | - | - | - | - | 950 |
| 32CrAIMo7-10 | 750 | 950 đến 1150 | 11 | 25 | 720 | 900 đến 1100 | 13 | 25 | 670 | 850 đến 1050 | 14 | 30 | 625 | 800 đến 1000 | 15 | 30 | 950 |
| 41CrAIMo7-10 | 835 | 1030 đến 1230 | 10 | 25 | 835 | 980 đến 1190 | 10 | 25 | 735 | 930 đến 1130 | 12 | 30 | 675 | 880 đến 1080 | 12 | 30 | - |
| 34CrAINi7-10 | 680 | 900 đến 1100 | 10 | 30 | 650 | 850 đến 1050 | 12 | 30 | 600 | 800 đến 1000 | 13 | 35 | 600 | 300 đến 1000 | 13 | 35 | 950 |
| 31CrMoV9 | 900 | 1100 đến 1300 | 9 | 25 | 800 | 1000 đến 1200 | 10 | 30 | 700 | 900 đến 1100 | 11 | 35 | 650 | 850 đến 1050 | 12 | 40 | 800 |
| 31CrMo12 | 835 | 1030 đến 1230 | 10 | 25 | 785 | 980 đến 1180 | 11 | 30 | 735 | 930 đến 1130 | 12 | 30 | 675 | 880 đến 1080 | 12 | 30 | 800 |
| 33CrMoV12-9 | 950 | 1150 đến 1350 | 11 | 30 | 850 | 1050 đến 1250 | 12 | 35 | 750 | 950 đến 1150 | 12 | 40 | 700 | 900 đến 1100 | 13 | 45 | - |
| 24CrMo13-6 | 800 | 1000 đến 1200 | 10 | 25 | 750 | 950 đến 1150 | 11 | 30 | 700 | 900 đến 1100 | 12 | 30 | 650 | 850 đến 1050 | 13 | 30 | - |
| 40CrMoV13-9C | 750 | 950 đến 1150 | 11 | 25 | 720 | 900 đến 1100 | 13 | 25 | 700 | 870 đến 1070 | 14 | 30 | 625 | 800 đến 1000 | 15 | 30 | - |
| 8CrMo16-5d | 700 | 800 đến 1000 | 14 | 35 | 700 | 800 đến 1000 | 14 | 35 | 700 | 800 đến 1000 | 14 | 35 | - | - | - | - | 950 |
| a Re: giới hạn chảy (giới hạn chảy quy ước 0,2%); Rm: giới hạn bền kéo; A: độ giãn dài sau đứt; KV2: độ bền va đập đối với các mẫu thử có rãnh chữ V. b HV = độ cứng đối với bề mặt thấm nitơ. Các giá trị chỉ dùng cho tham khảo/hướng dẫn. Độ cứng thực tế của bề mặt có thể thay đổi đối với nhiệt độ thấm nitơ và điều kiện tôi và ram lúc ban đầu. c Sẵn có đối với các chiều dày d ≤ 70 mm. d Sẵn có đối với các chiều dày d ≤ 120 mm. | |||||||||||||||||
Bảng 7 - Điều kiện cho nhiệt luyện (chỉ dùng để hướng dẫn)
| Mác thép | Nhiệt độ ủ mềm °C | Tôi | Nhiệt độ bc ram °C | Nhiệt độ thấm nitơ d °C | |
| Nhiệt độ °C | Chất làm nguội | ||||
| 20CrMoV5-7 | 700 đến 750 | 900 đến 960 | Nước | 690 đến 710 | - |
| 34CrAIMo5-10 | 650 đến 750 | 870 đến 930 | Dầu hoặc nước | 580 đến 700 | 480 đến 570 |
| 32CrAIMo7-10 | 650 đến 750 | 870 đến 930 | Dầu hoặc nước | 580 đến 700 | 480 đến 570 |
| 41CrAIMo7-10 | 650 đến 750 | 870 đến 930 | Dầu hoặc nước | 580 đến 700 | 480 đến 570 |
| 34CrAINi7-10 | 650 đến 700 | 870 đến 930 | Dầu hoặc nước | 580 đến 700 | 480 đến 570 |
| 31CrMoV9 | 680 đến 720 | 870 đến 930 | Dầu hoặc nước | 580 đến 700 | 480 đến 570 |
| 31CrMo12 | 650 đến 700 | 870 đến 930 | Dầu hoặc nước | 580 đến 700 | 490 đến 570 |
| 24CrMo13-6 | 650 đến 700 | 870 đến 970 | Dầu hoặc nước | 580 đến 700 | 480 đến 570 |
| 40CrMoV13-9 | 680 đến 720 | 870 đến 970 | Dầu hoặc nước | 580 đến 700 | 480 đến 570 |
| 8CrMo16-5 | 640 đến 660 | 940 đến 960 | Nước | 620 đến 660 | - |
| CHÚ THÍCH: Thành phần cơ bản và nhiệt luyện (tôi và ram) trước khi thấm nitơ, cả hai đều có ảnh hưởng đến các kết quả của nhiệt luyện thấm nitơ. Nhiệt độ ram không nên nhỏ hơn 50°C và cao hơn nhiệt độ thấm nitơ. Độ chênh lệch nhỏ hơn 50 °C nên được thỏa thuận riêng. a Thời gian cho austenit hóa dùng cho hướng dẫn: tối thiểu là 0,5 h. b Thời gian cho ram dùng cho hướng dẫn: tối thiểu là 1 h. c Với các cỡ kích thước rất lớn, nhiệt độ ram có thể được thỏa thuận tại thời điểm tìm hiểu và đặt hàng. d Thời gian cho thấm nitơ phụ thuộc vào chiều sâu của lớp thấm nitơ | |||||
Bảng 8 - Điều kiện thử cho kiểm tra xác nhận các yêu cầu cho trong cột 1
| Số | 1 | 2 | 3 | 4 | 5 | 6 | |
| Yêu cầu | Đơn vị thử a | Sản phẩm mẫu trên đơn vị thử | Phép thử trên sản phẩm mẫu | Lấy mẫu | Phương pháp thử | ||
|
| Xem bảng | ||||||
|
| Thành phần hóa học | 3 và 4 | C |
| (Phân tích mẻ nấu do nhà sản xuất đưa ra; về phân tích sản phẩm, xem B.4) | ||
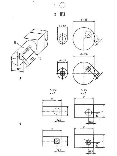
| 2 | Độ cứng ở điều kiện +A | 5 | C + D + T | 1 | 1 | Thử độ cứng trong trường hợp có tranh chấp, phải đo độ cứng nếu có thể thực hiện được ở chu vi của sản phẩm tại khoảng cách 1x chiều dày tính từ một đầu mút và trong trường hợp sản phẩm có mặt cắt ngang vuông hoặc chữ nhật tại khoảng cách 0,25xw, trong đó w là chiều rộng sản phẩm tính từ một cạnh dọc. Nếu đối với các vật rèn bằng búa quy định trên không thực hiện được thì phải thỏa thuận một vị trí thích hợp hơn, của các vết ấn đo độ cứng tại thời điểm tìm hiểu và đặt hàng. | Phù hợp với TCVN 256-1 (ISO 6506-1) |
| 3 | Cơ tính của các sản phẩm tôi và ram +QT | 6 | C+D+T | 1 | 1 thử kéo và 3 thử va đập rãnh chữ V theo ISO | Thử kéo và va đập Phải lấy các mẫu thử cho thử kéo và các mẫu thử cho thử va đập rãnh chữ V theo ISO - đối với các thanh và thanh để kéo dây phù hợp với Hình 1. - đối với các tấm phù hợp với các Hình 2 và Bảng 9. Đối với các vật rèn bằng búa, phải lấy các mẫu thử có đường trục dọc song song với chiều của dòng hạt chính từ một vị trí đã được thỏa thuận tại thời điểm tìm hiểu và đặt hàng. | Phải thực hiện thử kéo phù hợp với TCVN 197-1 (ISO 6892-1) trên các mẫu thử tỷ lệ có chiều dài đo L0 = 5,65 Thử va đập, khi có yêu cầu, phải được thực hiện phù hợp với TCVN 312-1 (ISO 148-1). |
| CHÚ THÍCH: Việc kiểm tra xác nhận các yêu cầu chỉ cần thiết nếu có yêu cầu giấy chứng nhận kiểm tra và nếu các yêu cầu này áp dụng cho Bảng 1, cột 8, 9. a Các phép thử được thực hiện riêng biệt cho mỗi mẻ nấu như đã chỉ thị bằng “C”, mỗi kích thước như đã chỉ thị bằng “D” và mỗi mẻ nhiệt luyện như đã chỉ thị bằng “T”. Có thể tập hợp thành nhóm các sản phẩm có chiều dày khác nhau nếu các chiều dày nằm trong cùng một phạm vi và kích thước đối với cơ tính và nếu các sự khác nhau về chiều dày không ảnh hưởng đến các cơ tính. Trong các trường hợp có sự nghi ngờ, phải thử nghiệm sản phẩm mỏng nhất và sản phẩm dày nhất. | |||||||
Kích thước tính bằng milimet

CHÚ DẪN:
| 1 mẫu thử kéo 2 mẫu thử va đập có khía vành của thanh 3 Các tiết diện tròn và có hình dạng tương tự 4 Các tiết diện chữ nhật và vuông | A phôi mẫu thử B phôi mẫu thử gia công thô C mẫu thử |
a Đối với các sản phẩm nhỏ (d hoặc w ≤ 25mm), nếu có thể thực hiện được, mẫu thử phải có một phần chưa gia công của thanh.
b Đối với các thanh tròn, đường trục dọc của rãnh phải gần như song song với chiều của một đường kính.
c Đối với các thanh chữ nhật, đường trục dọc của rãnh phải vuông góc với bề mặt cán rộng hơn.
Hình 1 - Vị trí của các mẫu thử trong các thanh và thanh để kéo dây

CHÚ DẪN:
1 hướng (chiều) cán chính
CHÚ THÍCH: Trong trường hợp có khó khăn trong việc lấy mẫu thử từ w/4, cần lấy phôi mẫu thử từ vị trí tại đó tâm của nó càng gần với vị trí w/4 càng tốt.
a Trong trường hợp các mác thép ở điều kiện tôi và ram có các yêu cầu về năng lượng va đập, chiều rộng của phôi mẫu thử phải đủ cho lấy các mẫu thử va đập theo chiều dọc như đã quy định trên Hình 3.
Hình 2 - Vị trí của các mẫu thử (A và B) trong các sản phẩm dẹt so với chiều rộng sản phẩm
Bảng 9 - Vị trí của mẫu thử từ các sản phẩm dẹt so với chiều dày sản phẩm và hướng cán chính
| Loại thử nghiệm | Chiều dày sản phẩm | Vị trí của mẫu thử a đối với chiều rộng sản phẩm | Khoảng cách của mẫu thử tính từ bề mặt cán | |
| nhỏ nhất | W < 600 mm | W ≥ 600 mm | nhỏ nhất | |
| Thử kéo b | ≤ 30 | Dọc | Ngang |
|
|
| > 30 |
| ||
| Thử va đập c | > 12d | Dọc | Dọc |
|
| a Vị trí của đường trục dọc mẫu thử so với hướng cán chính. b Mẫu thử phải tuân theo TCVN 197-1 (ISO 6892-1). c Đường trục dọc của rãnh vành khía phải vuông góc với bề mặt cán. d Nếu có thỏa thuận tại thời điểm đặt hàng, có thể lấy mẫu thử từ các sản phẩm có chiều dày vượt quá 40mm từ 1/4 chiều dày sản phẩm. 1 bề mặt cán 2 các bề mặt khác | ||||
Phụ lục A
(Quy định)
Tiết diện quy định đối với cơ tính
A.1 Định nghĩa
Tiết diện quy định được định nghĩa trong 3.1.
A.2 Xác định đường kính của tiết diện quy định tương đương
A.2.1 Nếu lấy các mẫu thử từ sản phẩm có các mặt cắt ngang đơn giản và từ các vị trí có dòng nhiệt gần như hai chiều; phải áp dụng A.2.2 đến A.2.4.
A.2.2 Đối với các sản phẩm tròn, đường kính danh nghĩa của sản phẩm (không bao gồm lượng dư gia công) phải được lấy là đường kính của tiết diện quy định.
A.2.3 Đối với các thanh hình sáu cạnh và tám cạnh, khoảng cách danh nghĩa giữa hai cạnh đối diện nhau của mặt cắt ngang phải được lấy là đường kính của tiết diện quy định.
A.2.4 Đối với các thanh vuông và chữ nhật, phải xác định đường kính của tiết diện quy định phù hợp với ví dụ chỉ ra trên Hình A.1.
Kích thước tính bằng milimét.

CHÚ DẪN:
X chiều rộng
Y chiều dày
1 đường kính của mặt cắt ngang (tiết diện) quy định.
VÍ DỤ: Đối với một thanh hình chữ nhật có tiết diện 40 mm x 60 mm, đường kính của tiết diện quy định là 50 mm.
Hình A.1 - Đường kính của tiết diện quy định tương đương đối với các tiết diện vuông và chữ nhật dùng cho tôi trong dầu hoặc nước.
A.2.5 Đối với các dạng sản phẩm khác, tiết diện quy định phải được thỏa thuận tại thời điểm tìm hiểu và đặt hàng.
CHÚ THÍCH: Để đáp ứng yêu cầu này, có thể sử dụng quy trình sau như quy trình hướng dẫn. Sản phẩm được tôi phù hợp với quy trình kỹ thuật thông thường. Sau đó sản phẩm được cắt ra sao cho có thể xác định được độ cứng và tổ chức tại vị trí có tiết diện như quy định dùng cho lấy các mẫu thử. Từ một sản phẩm khác thuộc cùng một kiểu như sản phẩm đang xem xét và cùng một mẻ nấu, lấy một mẫu thử tôi đầu mút từ vị trí đã quy định và thử nghiệm theo cách thông thường. Sau đó xác định khoảng cách tại đó mẫu thử tôi đầu mút chỉ ra cùng một độ cứng và tổ chức như độ cứng và tổ chức của tiết diện quy định tại vị trí dùng cho lấy các mẫu thử. Trên cơ sở khoảng cách này, đánh giá đường kính của tiết diện quy định bảng các Hình A2 và A3.
Kích thước tính bằng milimet

CHÚ DẪN:
X khoảng cách tính từ đầu mút được tôi
Y đường kính của thanh
1 bề mặt
2 bán kính 3/4
3 tâm
CHÚ THÍCH: Nguồn: tài liệu viện dẫn [16].
Hình A.2 - Mối quan hệ giữa các tốc độ làm nguội ở mẫu thử tôi đầu mút (mẫu thử Jominy) và ở các thanh tròn tôi trong nước được khuấy nhẹ
Kích thước tính bằng milimet

CHÚ DẪN:
X Khoảng cách tính từ đầu mút được tôi
Y đường kính của thanh
1 bề mặt
2 bán kính 3/4.
3 tâm
CHÚ THÍCH: Nguồn: tài liệu viện dẫn [16].
Hình A.3 - Mối quan hệ giữa các tốc độ làm nguội ở mẫu thử tôi đầu mút (mẫu thử Jominy) và ở các thanh tròn tôi trong dầu được khuấy nhẹ
Phụ lục B
(Quy định)
Các yêu cầu bổ sung hoặc đặc biệt
B.1 Quy định chung
Có thể áp dụng một hoặc nhiều yêu cầu bổ sung hoặc đặc biệt sau, nhưng chỉ áp dụng khi có quy định tại thời điểm tìm hiểu và đặt hàng. Chi tiết về các yêu cầu này, khi cần thiết, phải được thỏa thuận giữa nhà sản xuất và khách hàng tại thời điểm tìm hiểu và đặt hàng.
B.2 Cơ tính của các mẫu thử chuẩn ở điều kiện tôi và ram
Đối với cung cấp thép dùng cho tôi và ram ở điều kiện khác với tôi và ram, phải kiểm tra xác nhận các yêu cầu về cơ tính ở điều kiện tôi và ram trên một mẫu thử chuẩn.
Trong trường hợp các thanh, phôi để cán kéo dây và thép sáng bóng, phôi mẫu thử đã tôi và ram, trừ khi có thỏa thuận khác, phải có mặt cắt ngang của sản phẩm. Trong tất cả các trường hợp khác, các kích thước và quá trình chế tạo của phôi mẫu thử phải được thỏa thuận tại thời điểm tìm hiểu và đặt hàng, khi thích hợp, cần quan tâm đến các chỉ dẫn cho xác định tiết diện quy định đã cho trong Phụ lục A. Các phôi mẫu thử phải được tôi và ram phù hợp với các điều kiện cho trong Bảng 7 hoặc như đã thỏa thuận tại thời điểm tìm hiểu và đặt hàng. Các chi tiết về nhiệt luyện phải được đưa vào tài liệu kiểm tra. Trừ khi có thỏa thuận khác, phải lấy các mẫu thử phù hợp với Hình 1 cho các thanh và dầm và phù hợp với Hình 2 và Bảng 9 đối với các sản phẩm cán phẳng.
B.3 Thép hạt mịn
Thép phải có cỡ hạt austenit 5 hoặc mịn hơn. Nếu đặt hàng có thử nghiệm riêng, cũng phải có thỏa thuận về kiểm tra xác nhận yêu cầu đối với cỡ hạt bằng xác định hàm lượng nhôm hoặc bằng chụp ảnh tổ chức tế vi. Trong trường hợp xác định cỡ hạt bằng hàm lượng AI, tổ chức hạt mịn thường đạt được khi tổng hàm lượng nhóm tối thiểu là 0,007%. Về thử nghiệm bằng chụp ảnh tổ chức tế vi phù hợp với TCVN 4393 (ISO 643), xem TCVN 12142-2 (ISO 683-2).
B.4 Thử không phá hủy
Các sản phẩm phải được thử không phá hủy trong các điều kiện và theo một tiêu chuẩn chấp nhận đã được thỏa thuận tại thời điểm tìm hiểu và đặt hàng (ví dụ đối với các thép dẹt ≥ 6 mm, xem ISO 17577).
B.5 Phân tích sản phẩm
Phải thực hiện một lần phân tích sản phẩm cho mỗi mẻ nấu để xác định tất cả các nguyên tố mà các giá trị của chúng được quy định cho phân tích mẻ nấu của loại thép có liên quan.
Các điều kiện cho lấy mẫu phải phù hợp với TCVN 1811 (ISO 14284). Trong các trường hợp có tranh chấp, nếu có thể thực hiện được, phải thực hiện sự phân tích theo một phương pháp chuẩn lấy từ một trong các tiêu chuẩn đã liệt kê trong ISO/TR 9769.
B.6 Tỷ lệ lượng ép và tỷ lệ biến dạng
Nếu chất lượng tốt ở tâm (lõi) của các sản phẩm cán nóng hoặc rèn là quan trọng, khách hàng phải biết rằng tỷ lệ lượng ép tối thiểu (đối với mặt cắt ngang) cho các sản phẩm dài hoặc tỷ lệ biến dạng tối thiểu của chiều dày (đối với chiều dày) cho các sản phẩm cán phẳng (dẹt) là cần thiết. Trong trường hợp này, có thể thỏa thuận về tỷ lệ lượng ép tối thiểu hoặc tỷ lệ biến dạng tối thiểu của chiều dày là, ví dụ như 4:1 tại thời điểm tìm hiểu và đặt hàng.
B.7 Thỏa thuận đặc biệt về ghi nhãn
Các sản phẩm phải được ghi nhãn theo cách đã được thỏa thuận đặc biệt tại thời điểm tìm hiểu và đặt hàng.
Phụ lục C
(Tham khảo)
Ký hiệu của các thép cho trong tiêu chuẩn này và của các loại thép so sánh được bao hàm trong các hệ thống ký hiệu khác
Bảng C.1 - Ký hiệu của các loại thép cho trong tiêu chuẩn này và của các loại thép so sánh được bao hàm trong các hệ thống ký hiệu khác nhau
| Các ký hiệu của thép theo a | ||||||||||
| Mác thép theo TCVN 12142-5 (ISO 683-5) | TCVN 12142-5 (ISO 683-5) | ASTM/ | EN 10085 | JISd | GB/T 3077 e | |||||
|
| i/n/wf |
| i/n/wf |
| i/n/wf |
| i/n/wf | |||
| 20CrMoV5-7 | - | - | - | 20CrMoV5-7 | 1.8503 | i | - | - | - | - |
| 34CrAIMo5-10 | - | - | - | 34CrAIMo5-10 | 1.8507 | i | - | - | - | - |
| 32CrAIMo7-10 | - | - | - | 32CrAIMo7-10 | 1.8505 | i | - | - | - | - |
| 41CrAIMo7-10 | - | - | - | 41CrAIMo7-10 | 1.8509 | i | SACM645 | n | 38CrMoAI | n |
| 34CrAINi7-10 | - | - | - | 34CrAINi7-10 | 1.8550 | i | - | - | - | - |
| 31CrMoV9 | - | - | - | 31CrMoV9 | 1.8519 | i | - | - | - | - |
| 31CrMo12 | - | - | - | 31CrMo12 | 1.8515 | i | - | - | - | - |
| 33CrMoV12-9 | - | - | - | 33CrMoV12-9 | 1.8522 | i | - | - | - | - |
| 24CrMo13-6 | - | - | - | 24CrMo13-6 | 1.8516 | i | - | - | - | - |
| 40CrMoV13-9 | - | - | - | 40CrMoV13-9 | 1.8523 | i | - | - | - | - |
| 8CrMo16-5 | - | - | - | 8CrMo16-5 | 1.8527 | i | - | - | - | - |
| a Xem các nguồn trong Thư mục tài liệu tham khảo. b Thép của Hoa Kỳ được liệt kê trong ASTM và trong UNS - nếu số hiệu thép được cho trong các dấu ngoặc đơn thì thép chỉ có số hiệu UNS. c Thép của châu Âu được liệt kê trong EN 10085 và trong “Stahl-Eisen-Liste”; nếu số hiệu thép được cho trong dấu ngoặc đơn thì thép chỉ được liệt kê trong "Stahl-Eisen-Liste". d Tiêu chuẩn công nghiệp Nhật Bản. e Tiêu chuẩn quốc gia Trung Quốc. f i = thép đồng nhất với mác thép ISO; n = mác thép gần phù hợp về thành phần nhưng không đồng nhất; w = phù hợp hoàn toàn. | ||||||||||
Phụ lục D
(Tham khảo)
Các tiêu chuẩn về kích thước áp dụng được cho các sản phẩm tuân theo tiêu chuẩn này
a) TCVN 6283-1 (ISO 1035-1), Thép thanh cán nóng - Phần 1: Kích thước của thép tròn.
b) TCVN 6283-2 (ISO 1035-2), Thép thanh cán nóng - Phần 2: Kích thước của thép vuông.
c) TCVN 6283-3 (ISO 1035-3), Thép thanh cán nóng - Phần 3: Kích thước của thép dẹt.
d) TCVN 6283-4 (ISO 1035-4), Thép thanh cán nóng - Phần 4: Dung sai.
e) TCVN 10351 (ISO 7452), Thép tấm cán nóng - Dung sai kích thước và hình dạng.
f) ISO 16124, Steel wire rod - Dimensions and tolerances (Thanh để kéo dây - Kích thước và dung sai).
g) TCVN 7573 (ISO 16160), Thép tấm cán nóng liên tục - Dung kích thước và hình dạng.
Thư mục tài liệu tham khảo
[1] TCVN 12142-2 (ISO 683-2), Thép nhiệt luyện, thép hợp kim và thép dễ cắt - Phần 2: Thép hợp kim dùng cho tôi và ram.
[2] TCVN 6283-1 (ISO 1035-1), Thép thanh cán nóng - Phần 1: Kích thước của thép tròn.
[3] TCVN 6283-2 (ISO 1035-2), Thép thanh cán nóng - Phần 2: Kích thước của thép vuông.
[4] TCVN 6283-3 (ISO 1035-3), Thép thanh cán nóng - Phần 3: Kích thước của thép dẹt.
[5] TCVN 6283-4 (ISO 1035-4), Thép thanh cán nóng - Phần 4: Dung sai.
[6] TCVN 8996 (ISO 4954), Thép chồn nguội và kéo vuốt nguội.
[7] TCVN 258-1 (ISO 6507-1), Vật liệu kim loại - Thử độ cứng Vickers - Phần 1: Phương pháp thử.
[8] TCVN 10351 (ISO 7452), Thép tấm cán nóng - Dung sai kích thước và hình dạng.
[9] ISO 16124, Steel wire rod - Dimensions and tolerances.
[10] TCVN 7573 (ISO 16160), Thép tấm cán nóng liên tục - Dung kích thước và hình dạng.
[11] ISO 17577, Steel - Ultrasonic testing for steel flat products of thickness equal to or greater than 6 mm.
[12] GB/T 3077, Alloy structure steels.
[13] EN 10085, Nitriding steel - Technical delivery conditions.
[13] JIS G 0555, Micrographic testing method for non-metallic inclusion in steel.
[14] SAE J406c, Methods of determining hardenability of steels.
1) Được biên soạn trên cơ sở ISO 4948-1:1982 và HS (Explanatory Notes, Chapter 72, 2002). Trong Bảng 1 của tiêu chuẩn này, hàm lượng các nguyên tố nhôm, coban, silic, vonfram và các nguyên tố được quy định khác (trừ lưu huỳnh, phốt pho, cacbon và nitơ) tương đương với quy định của HS; hàm lượng các nguyên tố còn lại tương đương với quy định của cả HS và ISO 4948-1:1982.
1 ISO và IEC lưu giữ các cơ sở dữ liệu về thuật ngữ dùng trong tiêu chuẩn hóa tại các địa chỉ sau:
IEC Electropedia: sẵn có cho sử dụng tại http://www.electropedia.org/
ISO Online browsing platform: sẵn có cho sử dụng tại http://www.iso.org/obp
Bạn chưa Đăng nhập thành viên.
Đây là tiện ích dành cho tài khoản thành viên. Vui lòng Đăng nhập để xem chi tiết. Nếu chưa có tài khoản, vui lòng Đăng ký tại đây!


