- Tổng quan
- Nội dung
- VB gốc
- Tiếng Anh
- Hiệu lực
- VB liên quan
- Lược đồ
-
Nội dung hợp nhất
Tính năng này chỉ có tại LuatVietnam.vn. Nội dung hợp nhất tổng hợp lại tất cả các quy định còn hiệu lực của văn bản gốc và các văn bản sửa đổi, bổ sung, đính chính... trên một trang. Việc hợp nhất văn bản gốc và những văn bản, Thông tư, Nghị định hướng dẫn khác không làm thay đổi thứ tự điều khoản, nội dung.
Khách hàng chỉ cần xem Nội dung hợp nhất là có thể nắm bắt toàn bộ quy định hiện hành đang áp dụng, cho dù văn bản gốc đã qua nhiều lần chỉnh sửa, bổ sung.
- Tải về
Thông tư 26/2016/TT-BTTTT Quy chuẩn quốc gia về tiếp đất cho các trạm viễn thông
| Cơ quan ban hành: | Bộ Thông tin và Truyền thông |
Số công báo:
Số công báo là mã số ấn phẩm được đăng chính thức trên ấn phẩm thông tin của Nhà nước. Mã số này do Chính phủ thống nhất quản lý.
|
Đã biết
|
| Số hiệu: | 26/2016/TT-BTTTT | Ngày đăng công báo: |
Đã biết
|
| Loại văn bản: | Thông tư | Người ký: | Trương Minh Tuấn |
|
Ngày ban hành:
Ngày ban hành là ngày, tháng, năm văn bản được thông qua hoặc ký ban hành.
|
07/12/2016 |
Ngày hết hiệu lực:
Ngày hết hiệu lực là ngày, tháng, năm văn bản chính thức không còn hiệu lực (áp dụng).
|
Đang cập nhật |
|
Áp dụng:
Ngày áp dụng là ngày, tháng, năm văn bản chính thức có hiệu lực (áp dụng).
|
Đã biết
|
Tình trạng hiệu lực:
Cho biết trạng thái hiệu lực của văn bản đang tra cứu: Chưa áp dụng, Còn hiệu lực, Hết hiệu lực, Hết hiệu lực 1 phần; Đã sửa đổi, Đính chính hay Không còn phù hợp,...
|
Đã biết
|
| Lĩnh vực: | Thông tin-Truyền thông |
TÓM TẮT THÔNG TƯ 26/2016/TT-BTTTT
Quy chuẩn này quy định các yêu cầu ký thuật về tiếp đất cho các trạm viễn thông, gồm yêu cầu đối với hệ thống tiếp đất, mạng liên kết trong tòa nhà, mạng liên kết các thiết bị và kết nối hai mạng này với nhau. Trạm viễn thông trong quy chuẩn này bao gồm các công trình: Trung tâm chuyển mạch, truyền dẫn; Trung tâm dữ liệu; Trạm thu phát sóng vô tuyến điện cố định sử dụng trong nghiệp vụ vô tuyến điện cố định, thông tin di động, hàng không, hàng hải, dẫn đường, định vị, vệ tinh, phát chuẩn, nghiệp dư; Đài phát thanh, đài truyền hình. Đặc biệt, quy chuẩn này không áp dụng cho nhà thuê bao.
Xem chi tiết Thông tư 26/2016/TT-BTTTT có hiệu lực kể từ ngày 01/05/2017
Tải Thông tư 26/2016/TT-BTTTT
|
BỘ THÔNG TIN VÀ Số: 26/2016/TT-BTTTT |
CỘNG HÒA XÃ HỘI CHỦ NGHĨA VIỆT NAM Hà Nội, ngày 07 tháng 12 năm 2016 |
Căn cứ Luật Tiêu chuẩn và Quy chuẩn kỹ thuật ngày 29 tháng 6 năm 2006;
Căn cứ Luật Viễn thông ngày 23 tháng 11 năm 2009;
Căn cứ Nghị định số 127/2007/NĐ-CP ngày 01 tháng 8 năm 2007 của Chính phủ quy định chi tiết và hướng dẫn thi hành một số điều của Luật Tiêu chuẩn và Quy chuẩn kỹ thuật;
Căn cứ Nghị định số 132/2013/NĐ-CP ngày 16 tháng 10 năm 2013 của Chính phủ quy định chức năng, nhiệm vụ, quyền hạn và cơ cấu tổ chức của Bộ Thông tin và Truyền thông;
Theo đề nghị của Vụ trưởng Vụ Khoa học và Công nghệ,
Bộ trưởng Bộ Thông tin và Truyền thông ban hành Thông tư quy định Quy chuẩn kỹ thuật quốc gia về tiếp đất cho các trạm viễn thông.
Điều 1. Ban hành kèm theo Thông tư này Quy chuẩn kỹ thuật quốc gia về tiếp đất cho các trạm viễn thông (QCVN 9:2016/BTTTT).
Điều 2. Thông tư này có hiệu lực thi hành kể từ ngày 01 tháng 5 năm 2017. Quy chuẩn kỹ thuật quốc gia về tiếp đất cho các trạm viễn thông, Ký hiệu QCVN 9:2010/BTTTT quy định tại Khoản 8 Điều 1 Thông tư số 18/2010/TT-BTTTT ngày 30 tháng 7 năm 2010 của Bộ trưởng Bộ Thông tin và Truyền thông ban hành Quy chuẩn kỹ thuật quốc gia về viễn thông hết hiệu lực pháp luật kể từ ngày Thông tư này có hiệu lực thi hành.
Điều 3. Chánh Văn phòng, Vụ trưởng Vụ Khoa học và Công nghệ, Thủ trưởng các cơ quan, đơn vị thuộc Bộ Thông tin và Truyền thông, Giám đốc Sở Thông tin và Truyền thông các tỉnh, thành phố trực thuộc Trung ương và các tổ chức, cá nhân có liên quan chịu trách nhiệm thi hành Thông tư này./.
|
Nơi nhận: |
BỘ TRƯỞNG |
QUY CHUẨN KỸ THUẬT QUỐC GIA VỀ TIẾP ĐẤT CHO CÁC TRẠM VIỄN THÔNG
National technical regulation on earthing for telecommunications stations
MỤC LỤC
1. QUY ĐỊNH CHUNG
1.1. Phạm vi điều chỉnh
1.2. Đối tượng áp dụng
1.3. Tài liệu viện dẫn
1.4. Giải thích từ ngữ
1.5. Chữ viết tắt
2. QUY ĐỊNH KỸ THUẬT
2.1. Hệ thống tiếp đất
2.1.1. Tổ tiếp đất
2.1.2. Tấm tiếp đất chính
2.1.3. Cáp tiếp đất
2.2. Cấu hình kết nối
2.2.1. Mạng CBN bên trong trạm viễn thông
2.2.2. Mạng liên kết trong hệ thống thiết bị viễn thông
2.2.3. Kết nối mạng CBN và các mạng MESH- BN
2.2.4. Cáp kết nối giữa các mạng MESH- BN
2.3. Tiếp đất đối với hệ thống phân phối điện
2.3.1. Phân phối điện DC của nguồn thứ cấp
2.3.2. Phân phối điện DC của nguồn cấp ba
2.3.3. Phân phối nguồn điện lưới AC và kết nối dây bảo vệ
2.3.4. Phân phối điện AC từ nguồn điện cấp ba
3. QUY ĐỊNH VỀ QUẢN LÝ
4. TRÁCH NHIỆM CỦA TỔ CHỨC, CÁ NHÂN
5. TỔ CHỨC THỰC HIỆN
PHỤ LỤC A (Quy định) Phương pháp đo điện trở tiếp đất
THƯ MỤC TÀI LIỆU THAM KHẢO
Lời nói đầu
QCVN 9:2016/BTTTT thay thế QCVN 9:2010/BTTTT.
Các quy định kỹ thuật của QCVN 9:2016/BTTTT phù hợp với các quy định kỹ thuật của tiêu chuẩn ETSI EN 300 253 V.2.2.1 (2015-06) và khuyến nghị ITU-T K27 (3/2015).
QCVN 9:2016/BTTTT do Viện Khoa học Kỹ thuật Bưu điện biên soạn, Vụ Khoa học và Công nghệ thẩm định và trình duyệt, Bộ Thông tin và Truyền thông ban hành kèm theo Thông tư số 26/2016/TT-BTTTT ngày 07 tháng 12 năm 2016.
QUY CHUẨN KỸ THUẬT QUỐC GIA VỀ TIẾP ĐẤT CHO CÁC TRẠM VIỄN THÔNG
National technical regulation on earthing of telecommunications stations
1.1. Phạm vi điều chỉnh
Quy chuẩn này quy định các yêu cầu kỹ thuật về tiếp đất cho các trạm viễn thông bao gồm yêu cầu đối với hệ thống tiếp đất, mạng liên kết trong tòa nhà, mạng liên kết các thiết bị và kết nối hai mạng này với nhau.
Quy chuẩn này áp dụng cho các trạm viễn thông trong quá trình thiết kế, xây dựng, vận hành và bảo dưỡng.
Trạm viễn thông trong quy chuẩn này bao gồm các công trình sau:
- Trung tâm chuyển mạch, truyền dẫn;
- Trung tâm dữ liệu (datacenter);
- Trạm thu phát sóng vô tuyến điện cố định sử dụng trong nghiệp vụ vô tuyến điện cố định, thông tin di động, hàng không, hàng hải, dẫn đường, định vị, vệ tinh, phát chuẩn, nghiệp dư;
- Đài phát thanh, đài truyền hình.
Quy chuẩn này không áp dụng cho nhà thuê bao.
1.2. Đối tượng áp dụng
Quy chuẩn kỹ thuật này áp dụng đối với các cơ quan, tổ chức, cá nhân có liên quan đến hoạt động thiết lập, quản lý, khai thác các trạm viễn thông được quy định tại mục 1.1 tại Việt Nam.
1.3. Tài liệu viện dẫn
QCVN 32:2011/BTTTT, Quy chuẩn kỹ thuật quốc gia về chống sét cho các trạm viễn thông và mạng cáp ngoại vi viễn thông.
1.4. Giải thích từ ngữ
1.4.1. Cáp tiếp đất (earthing conductor)
Dây dẫn bảo vệ nối tấm tiếp đất chính với tổ tiếp đất.
1.4.2. Đất (earth)
Khối đất dẫn điện, có điện thế tại mọi điểm được quy ước bằng 0.
1.4.3. Tổ tiếp đất (earth electrode)
Bộ phận dẫn điện hoặc một nhóm bộ phận dẫn điện tiếp xúc tốt với đất và tạo ra kết nối về điện với đất.
1.4.4. Liên kết đẳng thế (equipotential bonding)
Sự liên kết về điện để đặt các thành phần kim loại không được cách điện và các thành phần dẫn điện từ bên ngoài ở một điện thế cân bằng ổn định.
1.4.5. Dây liên kết đẳng thế (equipotential bonding conductor)
Dây bảo vệ để đảm bảo cho việc liên kết đẳng thế.
1.4.6. Tấm tiếp đất chính (MET)
Một điện cực hoặc thanh dùng để kết nối các dây dẫn bảo vệ, các dây dẫn kết nối đẳng thế và các dây dẫn tiếp đất công tác (nếu có), với tổ tiếp đất.
CHÚ THÍCH: Trên thực tế, tấm tiếp đất thường là một tấm đồng mạ Niken được khoan lỗ, bắt vào bản bakêlit và bắt chặt vào tường.
1.4.7. Dây trung tính (N- Neutral conductor)
Dây dẫn nối với điểm trung tính của một hệ thống và tham gia vào việc truyền tải năng lượng điện.
1.4.8. Dây bảo vệ (protective conductor)
Dây dẫn cần cho một số biện pháp bảo vệ chống điện giật bằng cách nối với những bộ phận sau đây:
- Các bộ phận dẫn điện hở;
- Các bộ phận dẫn bên ngoài;
- Tấm tiếp đất chính;
- Điện cực đất;
- Điểm nối đất của nguồn hoặc trung tính giả.
1.4.9. Dây trung tính bảo vệ (PEN conductor)
Dây nối đất kết hợp chức năng của dây bảo vệ và dây trung tính.
1.4.10. Mạng IT (Insulation Terrestrial)
Mạng điện hạ áp có điểm trung tính cách ly với đất còn vỏ thiết bị điện được nối với tiếp đất bảo vệ độc lập.
1.4.11. Mạng TN - C (Terrestrial Neutral Combined)
Mạng TN có dây bảo vệ và dây trung tính (PEN) chung. Các bộ phận dẫn điện bị hở (vỏ của thiết bị điện) được nối với dây của của mạng tiếp đất bảo vệ (PEN).
1.4.12. Mạng TN (Terrestrial Neutral)
Mạng điện hạ áp có điểm trung tính trực tiếp nối đất.
1.4.13. Mạng TN - S (Terrestrial Neutral Separated)
Mạng TN có dây bảo vệ và dây trung tính riêng biệt. Các bộ phận dẫn điện bị hở (vỏ của thiết bị điện) được nối với dây tiếp đất bảo vệ (PE). Dây bảo vệ (PE) có thể là vỏ kim loại của cáp điện lực hoặc 1 dây dẫn riêng.
1.4.14. Tấm đệm kết nối (bonding mat)
Phương tiện thiết yếu để tạo ra mặt phẳng điện thế chuẩn hệ thống (SRPP) bằng một cấu trúc tương tự hình mắt lưới.
CHÚ THÍCH: Tấm đệm kết nối có thể được đặt ở trên hoặc ở dưới một nhóm thiết bị tạo thành một khối hệ thống.
1.4.15. Mạng liên kết (BN)
Một tập hợp các phần tử dẫn điện được nối với nhau nhằm che chắn ảnh hưởng điện từ cho các hệ thống thiết bị điện tử và con người.
1.4.16. Mạng liên kết chung (CBN)
Một tập hợp các phần tử kim loại liên kết với nhau một cách ngẫu nhiên hoặc có chủ định để tạo thành một mạng liên kết chính ở bên trong tòa nhà viễn thông.
1.4.17. Mạng liên kết mắt lưới (Mesh -BN)
Mạng liên kết mà tất cả các khung thiết bị, các giá đỡ, các cabin, dây dương của nguồn một chiều được đấu nối với mạng liên kết chung (CBN) tại nhiều điểm.
1.4.18. Mạng liên kết cách ly mắt lưới (Mesh- IBN)
Mạng liên kết cách ly mà trong đó các thành phần của nó (các khung giá thiết bị) được nối với nhau tạo thành một cấu trúc dạng mắt lưới.
1.4.19. Nguồn sơ cấp (primary supply)
Nguồn điện lưới công cộng, hoặc, trong trường hợp khẩn cấp, nguồn phát điện AC trong khu vực.
1.4.20. Nguồn thứ cấp (secondary supply)
Nguồn cấp đến thiết bị viễn thông, giá hoặc khối hệ thống thiết bị viễn thông, lấy từ nguồn sơ cấp.
1.4.21. Nguồn cấp ba (tertiary supplies)
Nguồn cấp đến thiết bị viễn thông, lấy từ nguồn thứ cấp.
1.4.22. Hệ thống (system)
Nhóm các thiết bị tương tác với nhau tạo thành một thực thể thống nhất.
1.4.23. Khối hệ thống (system block)
Nhóm theo chức năng hoạt động của thiết bị, hoạt động trên sự kết nối với cùng một mặt phẳng điện thế chuẩn hệ thống, gắn liền với một Mesh- BN.
1.4.24. Mặt phẳng điện thế chuẩn hệ thống (SRPP)
Mặt phẳng dẫn điện với mục đích cân bằng điện thế, được thực hiện bằng các lưới thẳng đứng hoặc ngang.
CHÚ THÍCH 1: Độ rộng của mắt lưới được điều chỉnh theo khoảng tần số xét đến. Các tấm mắt lưới nằm ngang và thẳng đứng có thể kết nối với nhau để tạo thành một cấu trúc tương tự lồng Faraday.
CHÚ THÍCH 2: SRPP hỗ trợ báo hiệu với chuẩn điện thế chung.
1.4.25. Nguồn một chiều đường về cách ly (isolated DC return) (DC - I)
Hệ thống nguồn DC trong đó dây dẫn về (dây dương nguồn DC) có một điểm nối duy nhất với mạng liên kết.
1.4.26. Nguồn một chiều đường về chung (common DC return) (DC - C)
Hệ thống nguồn DC trong đó dây dẫn về (dây dương nguồn DC) được nối với mạng liên kết tại nhiều điểm.
1.4.27. Trạm viễn thông
Nhà trong đó đặt một hoặc nhiều hệ thống thiết bị viễn thông.
1.5. Chữ viết tắt
|
AC |
Alternating Current |
Dòng xoay chiều |
|
BN |
Bonding Network |
Mạng liên kết |
|
CBN |
Common Bonding Network |
Mạng liên kết chung |
|
DC |
Direct Current |
Dòng một chiều |
|
EMC |
ElectroMagnetic Compatibility |
Tương thích điện từ |
|
LPS |
Lighning Protection System |
Hệ thống chống sét |
|
MESH- BN |
Meshed Bonding Network |
Mạng liên kết mắt lưới |
|
MESH- IBN |
MESHed Isolated Bonding Network |
Mạng liên kết cách ly mắt lưới |
|
MET |
Main Earthing Terminal |
Tấm tiếp đất chính |
|
N |
Neutral conductor |
Dây trung tính |
|
PE |
Protective conductor |
Dây bảo vệ |
|
PEN |
Combined Protective conductor and Neutral conductor |
Dây bảo vệ và trung tính kết hợp |
|
RF |
Radio Frequency |
Tần số vô tuyến |
|
SRPP |
System Reference Potential Plane |
Mặt phẳng điện thế chuẩn của hệ thống |
2.1.1. Tổ tiếp đất
- Tổ tiếp đất phải có giá trị điện trở tiếp đất không lớn hơn 10 Ω. Phương pháp đo điện trở tiếp đất theo Phụ lục A của quy chuẩn này.
- Tổ tiếp đất phải nối đến tấm tiếp đất chính bằng cáp tiếp đất.
CHÚ THÍCH: Có thể áp dụng giá trị điện trở tiếp đất theo tiêu chuẩn của nhà sản xuất thiết bị nhưng giá trị điện trở tiếp đất phải đảm bảo không lớn hơn 10 Ω.
2.1.2. Tấm tiếp đất chính
a) Quy cách, kích thước
- Tấm tiếp đất chính phải được làm bằng đồng mạ niken.
- Toàn bộ bulông, êcu, vòng đệm dùng để kết cuối cáp phải bằng đồng mạ niken.
- Kích thước: chiều rộng tối thiểu 120 mm, chiều dày tối thiểu 10 mm và chiều dài tối thiểu là 300 mm.
b) Nối trực tiếp tới các bộ phận sau:
- Tổ tiếp đất của trạm viễn thông qua cáp tiếp đất;
- Dây dẫn bảo vệ;
- Vỏ kim loại của tất cả cáp nhập trạm viễn thông;
- Mạng CBN;
- Cực dương nguồn 1 chiều.
CHÚ THÍCH: Tấm tiếp đất chính nên đặt gần nguồn cung cấp xoay chiều và các đường vào của cáp viễn thông.
2.1.3. Cáp tiếp đất
- Chiều dài cáp tiếp đất không lớn hơn 50 m. Trong trường hợp đặc biệt có thể cho phép tăng chiều dài cáp dẫn đất nhưng phải đảm bảo điện trở một chiều của cáp dẫn đất phải nhỏ hơn hoặc bằng 0,01 Ω.
- Sử dụng loại cáp đồng (một hoặc nhiều sợi) có tổng tiết diện không được nhỏ hơn 100 mm2.
2.2.1. Mạng CBN bên trong trạm viễn thông
Trạm viễn thông phải thực hiện kết nối liên kết chung CBN.
Mạng CBN phải được nối với tấm tiếp đất chính bởi một vòng kết nối dọc theo chu vi bên trong tòa nhà; hoặc thành phần cơ bản của CBN là dây dẫn vòng phải bao quanh được khối hệ thống thiết bị. Mạng CBN phải có khả năng mở rộng thành kết cấu lưới 3 chiều để đáp ứng được nhu cầu bổ sung thêm các hệ thống thiết bị viễn thông trong trạm viễn thông.
Mạng CBN phải đảm bảo có dạng như một lồng Faraday có tính dẫn điện liên tục bao quanh toàn bộ trạm viễn thông như sơ đồ Hình 1.

Hình 1 - Mạng CBN
Mạng CBN có các thành phần như sau:
- Vòng kết nối khép kín tại mỗi tầng của tòa nhà, quanh sàn nhà hoặc xung quanh tường nhà. Đối với tầng 1 thực hiện dưới nền nhà ở độ sâu 0,5 m đến 0,7 m. Vòng kết nối được thực hiện bằng cáp đồng hoặc những dải đồng hay bằng thép mạ kẽm có tiết diện tối thiểu 50 mm2;
- Các dây liên kết thẳng đứng, liên kết các vòng kết nối của mỗi tầng, khoảng cách giữa các dây thẳng đứng không lớn hơn 5 m. Dây liên kết thẳng đứng là thanh đồng hoặc thép mạ kẽm có tiết diện tối thiểu 50 mm2;
CHÚ THÍCH: Có thể tận dụng khung kết cấu cốt thép của tòa nhà làm thành phần của mạng CBN, với điều kiện phải hàn nối các thành phần kết cấu thép lại với nhau để đảm bảo tính dẫn điện liên tục.
Thực hiện đấu nối đường dẫn kết nối với các thành phần kim loại trong trạm viễn thông như sau:
- Tất cả các dây dẫn sét của trạm viễn thông;
- Toàn bộ khung bê tông cốt thép của kết cấu trạm viễn thông;
- Khung giá đỡ cáp nhập trạm viễn thông;
- Các ống dẫn nước, các ống dẫn cáp bằng kim loại.
2.2.2. Mạng liên kết trong hệ thống thiết bị viễn thông
Trong một khối hệ thống thiết bị viễn thông, mạng liên kết phải có dạng mắt lưới (MESH- BN).
Mạng MESH - BN phải kết nối các khung giá, vỏ máy, các đường ống, khay, giá phối tuyến, vỏ cáp và tấm đệm kết nối để tạo thành một mặt phẳng cân bằng điện thế chuẩn hệ thống (xem 1.4.24).
Tất cả các thành phần kim loại của MESH- BN phải tạo thành một tổng thể liên tục về điện (xem Hình 2).
Mạng liên kết mắt lưới (MESH- BN) cần đảm bảo những yêu cầu như sau:
a) Tấm đệm mắt lưới
- Tấm đệm mắt lưới có kích thước đủ lớn để chứa đựng được các thiết bị và giá đỡ cáp nằm trong khối hệ thống MESH -BN và được đặt ở dưới sàn thiết bị.
- Tấm đệm được làm bằng dây (dải) đồng trần hoặc bằng dây (dải) thép mạ kẽm có tiết diện tối thiểu 14 mm2 và hàn thành lưới.
- Kích thước mắt lưới nằm trong phạm vi:
20 cm x 20 cm;
30 cm x 30 cm;
40 cm x 40 cm;
50 cm x 50 cm.
b) Kết nối tấm đệm mắt lưới với mạng CBN tại nhiều điểm (càng nhiều điểm nối với mạng CBN càng tốt) bằng dây đồng trần hoặc thép mạ kẽm có tiết diện tối thiểu là 14 mm2.
c) Kết nối phần dẫn của khối hệ thống thiết bị viễn thông với tấm đệm mắt lưới
- Thiết bị viễn thông với những mạch điện tử được cung cấp chung một lớp bọc kim loại tạo ra mặt bằng điện thế chuẩn phủ khắp trên bề mặt các bảng mạch in. Tất cả các mặt bằng điện thế chuẩn được nối với nhau đồng thời được nối với khung giá thiết bị hoặc với vỏ kim loại của hệ thống cáp lân cận (nằm trong khối M-BN) bằng những dây đồng có tiết diện tối thiểu là 14 mm2.
- Kết nối các vỏ, khung giá thiết bị, vỏ kim loại cáp với tấm đệm mắt lưới bằng dây (dải) đồng theo đường ngắn nhất. Tiết diện của dây nối được quy định trong Bảng 1.
Bảng 1 - Tiết diện của dây nối tới tấm đệm mắt lưới
|
TT |
Tên dây nối |
Tiết diện tối thiểu, mm2 |
|
1 |
Dây nối vỏ kim loại của cáp thuê bao (chôn) |
14 |
|
2 |
Dây nối vỏ kim loại của cáp thuê bao (treo) |
14 |
|
3 |
Dây nối thiết bị bảo vệ thuê bao trên giá phối tuyến MDF |
14 |
|
4 |
Dây nối thiết bị bảo vệ nguồn AC |
35 |
|
5 |
Dây nối đất nguồn ắc quy |
14 |
|
6 |
Dây nối phần kim loại khung giá bộ nắn |
14 |
|
7 |
Dây nối phần khung giá bộ đổi điện |
14 |
|
8 |
Dây nối các phần kim loại khung giá tổng đài |
14 |
|
9 |
Dây nối các thành phần kim loại khung giá phối tuyến |
14 |
|
10 |
Dây nối các giá đỡ cáp |
14 |

Hình 2 - Mạng MESH- BN kết nối với CBN
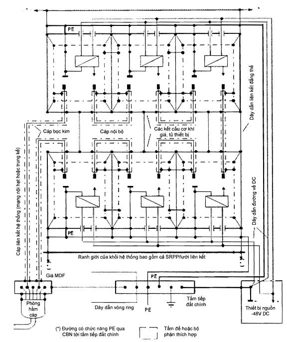
2.2.3. Kết nối mạng CBN và các mạng MESH- BN
Tất cả các mạng MESH- BN của các hệ thống thiết bị viễn thông và dây dẫn đường về DC kèm theo phải được kết nối với CBN. Mạng MESH- BN kết nối với CBN tại nhiều điểm và kết nối với thanh tiếp đất chính (xem Hình 2, Hình 3 và Hình 4).
Nếu thiết bị được vận hành với đường dẫn về DC chung (theo thiết kế của thiết bị) thì đường dẫn về DC chung này được nối với CBN tại nhiều điểm (xem Hình 3).
Nếu thiết bị được vận hành với đường về DC cách ly, thì đường về DC cách ly này nối với CBN tại một điểm (xem Hình 4).

Hình 3 - CBN/MESH-BN với đường về DC chung nối với CBN tại nhiều điểm

Hình 4 - CBN/ MESH-BN với đường về DC cách ly, nối với CBN tại một điểm
2.2.4. Cáp kết nối giữa các mạng MESH- BN
Cáp phân phối nguồn và cáp tín hiệu bên trong và giữa các MESH- BN phải đi gần và dọc theo CBN.
Đường cáp nguồn AC và cáp tín hiệu phải đặt cách nhau ít nhất 100 mm trừ khi có biện pháp che chắn hợp lý.
Vỏ cáp phải được kết nối với khung giá, vỏ máy hoặc đến SRPP ít nhất tại 2 đầu cáp.
2.3. Tiếp đất đối với hệ thống phân phối điện
2.3.1. Phân phối điện DC của nguồn thứ cấp
Mỗi dây dẫn về DC phục vụ một hệ thống thiết bị viễn thông phải kết nối với mạng CBN ít nhất tại tấm tiếp đất chính, tại bảng cấp điện của mạng điện DC và kết nối với mạng MESH- BN ít nhất tại một điểm.
Điện áp DC dọc theo mỗi dây dẫn về một chiều phải nhỏ hơn 1 V. Việc tính toán thiết kế phải xét ở điều kiện dòng tải lớn nhất trên dây cấp nguồn kèm theo tại điện áp nguồn lớn nhất hoặc nhỏ nhất tương ứng, tại điều kiện làm việc bình thường.
Kết cuối dây dẫn về DC của mạng điện cấp nguồn cho hệ thống thiết bị viễn thông phải được tiếp đất tại bảng cấp điện bằng cách kết nối với tấm tiếp đất chính.
2.3.2. Phân phối điện DC của nguồn cấp ba
Cực điện thế chuẩn của nguồn điện cấp ba phải được nối với MESH- BN.
2.3.3. Phân phối nguồn điện lưới AC và kết nối dây bảo vệ
Trong trạm viễn thông hệ thống nguồn AC phải dùng loại mạng TN-S. Hệ thống điện ba pha phải là hệ thống năm dây (L1, L2, L3, N, PE), trong đó: L1, L2, L3 là các dây pha; N là dây trung tính; PE là dây dẫn bảo vệ. Dây dẫn bảo vệ PE được nối tới tấm tiếp đất chính. Không có điểm nối chung dây bảo vệ PE và dây trung tính N.
a) Nếu mạng phân phối nguồn AC bên ngoài là loại mạng TN-S thì mạch cung cấp nguồn AC trong trạm viễn thông được đấu nối như sơ đồ Hình 5.a, trong đó:
- Dây dẫn bảo vệ PE phải được nối tới tấm tiếp đất chính;
- Dây trung tính N không được nối tới tấm tiếp đất chính.
b) Nếu mạng phân phối nguồn AC bên ngoài là hệ thống 4 dây (IT hoặc TT) thì mạch cung cấp nguồn AC trong trạm viễn thông được đấu nối như sơ đồ Hình 5.b, trong đó:
- Dây dẫn bảo vệ PE được nối tới tấm tiếp đất chính.
c) Nếu mạng phân phối nguồn AC bên ngoài là hệ thống 4 dây (IT hoặc TT) và dùng biến áp cách ly cho nhà trạm thì mạch cung cấp nguồn AC trong trạm viễn thông được đấu nối như sơ đồ Hình 5.a.

CHÚ THÍCH: Kiểu a) là kiểu bắt buộc nếu tòa nhà sử dụng một biến áp cách ly và do vậy hệ thống TN-S bắt đầu tại phía tải của biến áp.
a) Mạng phân phối nguồn bên ngoài là mạng TN-S

b) Mạng phân phối nguồn bên ngoài là loại mạng IT hoặc TT
Hình 5 - Phương pháp đấu nối mạng phân phối điện AC cho trạm viễn thông
2.3.4. Phân phối điện AC từ nguồn điện cấp ba
Điểm trung tính của nguồn điện cấp ba phải được lấy bằng cách kết nối điểm cực của mạng điện hình sao, hoặc dây dẫn ngoài, đến MESH- BN tại điểm nguồn. Phân phối điện đến tải phải tuân theo quy tắc của hệ thống TN-S.
Các trạm viễn thông thuộc phạm vi điều chỉnh tại mục 1.1 phải tuân thủ các quy định tại Quy chuẩn này.
4. TRÁCH NHIỆM CỦA TỔ CHỨC, CÁ NHÂN
4.1. Các cơ quan, tổ chức thiết lập, quản lý, khai thác các trạm viễn thông quy định tại mục 1.1 có trách nhiệm đảm bảo phù hợp với Quy chuẩn trong quá trình thiết kế, lắp đặt, vận hành, bảo dưỡng và chịu sự kiểm tra của cơ quan quản lý nhà nước theo quy định.
4.2. Các cơ quan, tổ chức quản lý, khai thác các trạm viễn thông quy định tại mục 1.1 có trách nhiệm thực hiện cam kết phù hợp với quy chuẩn này trên cơ sở hồ sơ kỹ thuật của trạm viễn thông và thực hiện công bố hợp quy các trạm viễn thông phù hợp với mục 2.1.1 của quy chuẩn này. Việc công bố hợp quy thực hiện theo Thông tư số 28/2012/TT-BKHCN ngày 12 tháng 12 năm 2012 của Bộ Khoa học và Công nghệ.
4.3. Cục Viễn thông có trách nhiệm tiếp nhận đăng ký công bố hợp quy, thực hiện quản lý, hướng dẫn và kiểm tra việc công bố hợp quy.
5.1. Cục Viễn thông và các Sở Thông tin và Truyền thông có trách nhiệm tổ chức hướng dẫn, triển khai và quản lý các trạm viễn thông phù hợp với Quy chuẩn này.
5.2. Quy chuẩn này thay thế cho Quy chuẩn kỹ thuật quốc gia QCVN 9:2010/BTTTT “Quy chuẩn kỹ thuật quốc gia về tiếp đất cho các trạm viễn thông”.
5.3. Trong trường hợp các quy định nêu tại Quy chuẩn này có sự thay đổi, bổ sung hoặc được thay thế thì thực hiện theo quy định tại văn bản mới.
PHỤ LỤC A
(Quy định)
Phương pháp đo điện trở tiếp đất
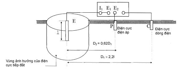
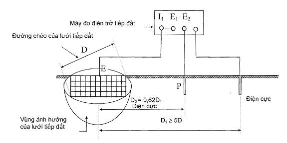
A.1. Phương pháp đo điện áp rơi

E nối đến tổ tiếp đất cần đo
P, C - Các điểm nối đến các điện cực đo thử
Hình A.1 - Sơ đồ đo điện trở tiếp đất
Đo hệ thống tiếp đất được thực hiện bằng máy đo điện trở tiếp đất 3 điện cực hoặc 4 điện cực.
Sơ đồ đo như Hình A.1.
Để đảm bảo kết quả đo điện trở tiếp đất chính xác:
- Tần số phát của máy đo khác n x 50 Hz;
- Phải bố trí các điện cực đo thử (các điện cực điện áp và điện cực dòng điện) ngoài vùng ảnh hưởng của điện cực tiếp đất và phải đảm bảo khoảng cách từ tiếp đất cần đo đến điện cực điện áp bằng 62 % khoảng cách từ tiếp đất cần đo đến điện cực dòng điện (đối với trường hợp bố trí các điện cực đo theo một đường thẳng).
Cách bố trí các điện cực đo thử cho trường hợp tiếp đất là một điện cực thẳng đứng được trình bày trên Hình A.2 và cho tiếp đất dưới dạng lưới hoặc nhiều điện cực được trình bày trên Hình A.3.

Hình A.2 - Sơ đồ đo điện trở tiếp đất của điện cực tiếp đất thẳng đứng

Hình A.3 - Sơ đồ đo điện trở tiếp đất của lưới tiếp đất hoặc của nhiều điện cực tiếp đất
THƯ MỤC TÀI LIỆU THAM KHẢO
[1] ITU- T, Recommendation K27 (03/2015), Bonding configurations and earthing inside a telecommunication building.
[2] ETSI EN 300 253 V.2.2.1 (2015-06) Environmental Engineering (EE); Earthing and bonding of ICT equipment powered by -48 VDC in telecom and data centres.
[3] J- STD - 607- A (2002), Commercial Building Grounding (Earthing) and Bonding Requirements For Telecommunications.
[4] R56 (1/2005), Motorola, Standards and Guilines for Communication Sites.
[5] Cisco Hardware Installation Guide, 10/2002.
Bạn chưa Đăng nhập thành viên.
Đây là tiện ích dành cho tài khoản thành viên. Vui lòng Đăng nhập để xem chi tiết. Nếu chưa có tài khoản, vui lòng Đăng ký tại đây!
Bạn chưa Đăng nhập thành viên.
Đây là tiện ích dành cho tài khoản thành viên. Vui lòng Đăng nhập để xem chi tiết. Nếu chưa có tài khoản, vui lòng Đăng ký tại đây!