- Tổng quan
- Nội dung
- Tiêu chuẩn liên quan
- Lược đồ
- Tải về
Tiêu chuẩn Quốc gia TCVN 6700-1:2016 ISO 9606-1:2012 Kiểm tra chấp nhận thợ hàn - Hàn nóng chảy - Phần 1: Thép
| Số hiệu: | TCVN 6700-1:2016 | Loại văn bản: | Tiêu chuẩn Việt Nam |
| Cơ quan ban hành: | Bộ Khoa học và Công nghệ | Lĩnh vực: | Công nghiệp |
|
Ngày ban hành:
Ngày ban hành là ngày, tháng, năm văn bản được thông qua hoặc ký ban hành.
|
2016 |
Hiệu lực:
|
Đã biết
|
| Người ký: | Đang cập nhật |
Tình trạng hiệu lực:
Cho biết trạng thái hiệu lực của văn bản đang tra cứu: Chưa áp dụng, Còn hiệu lực, Hết hiệu lực, Hết hiệu lực 1 phần; Đã sửa đổi, Đính chính hay Không còn phù hợp,...
|
Đã biết
|
TÓM TẮT TIÊU CHUẨN VIỆT NAM TCVN 6700-1:2016
Nội dung tóm tắt đang được cập nhật, Quý khách vui lòng quay lại sau!
Tải tiêu chuẩn Việt Nam TCVN 6700-1:2016
TIÊU CHUẨN QUỐC GIA
TCVN 6700-1:2016
ISO 9606-1:2012
KIỂM TRA CHẤP NHẬN THỢ HÀN - HÀN NÓNG CHẢY - PHẦN 1: THÉP
Qualification testing of welders - Fusion welding - Part 1: Steels
Lời nói đầu
TCVN 6700-1:2016 thay thế cho TCVN 6700-1:2000 (ISO 9606-1:1994).
TCVN 6700-1:2016 hoàn toàn tương đương với ISO 9606-1:2012 và Đính chính kỹ thuật 1:2012.
TCVN 6700-1:2016 do Ban kỹ thuật tiêu chuẩn quốc gia TCVN/TC 44 Quá trình hàn biên soạn, Tổng cục Tiêu chuẩn Đo lường Chất lượng đề nghị, Bộ Khoa học và Công nghệ công bố.
Bộ TCVN 6700 (ISO 9606) Kiểm tra chấp nhận thợ hàn - Hàn nóng chảy bao gồm các phần sau:
- Phần 1: Thép;
- Phần 2: Nhôm và hợp kim nhôm;
- Phần 3: Đồng và hợp kim đồng;
- Phần 4: Niken và hợp kim niken;
- Phần 5: Titan và hợp kim titan; zirconi và hợp kim zirconi.
KIỂM TRA CHẤP NHẬN THỢ HÀN - HÀN NÓNG CHẢY - PHẦN 1: THÉP
Qualification testing of welders - Fusion welding - Part 1: Steels
1 Phạm vi áp dụng
Tiêu chuẩn này quy định các yêu cầu về kiểm tra chấp nhận thợ hàn đối với hàn nóng chảy thép.
Tiêu chuẩn này đưa ra một bộ các qui tắc kỹ thuật để kiểm tra đánh giá có hệ thống trình độ chuyên môn các thợ hàn, và cho phép các trình độ chuyên môn đó được chấp nhận như nhau không phụ thuộc vào loại sản phẩm, vị trí và người kiểm tra hoặc cơ quan kiểm tra.
Khi kiểm tra chấp nhận thợ hàn cần chú trọng đến khả năng thao tác điện cực, mỏ hàn hoặc mỏ hàn hơi của thợ hàn để tạo ra mối hàn có chất lượng chấp nhận được.
Các quá trình hàn có liên quan đến tiêu chuẩn này bao gồm các quá trình hàn nóng chảy thực hiện bằng tay hoặc cơ khí hóa một phần. Tiêu chuẩn này không áp dụng cho các quá trình hàn cơ khí hóa và tự động hóa hoàn toàn.
CHÚ THÍCH: Đối với các quá trình này, xem ISO 14732.
2 Tài liệu viện dẫn
Các tài liệu viện dẫn sau rất cần thiết cho việc áp dụng tiêu chuẩn này. Đối với các tài liệu viện dẫn có ghi năm công bố thì áp dụng phiên bản được nêu. Đối với các tài liệu viện dẫn không ghi năm công bố thì áp dụng phiên bản mới nhất, bao gồm cả các bổ sung, sửa đổi (nếu có).
TCVN 5017-1 (ISO 857-1) Hàn và các quá trình liên quan - Từ vựng - Phần 1: Các quá trình hàn kim loại;
TCVN 5401 (ISO 5173) Thử phá hủy mối hàn vật liệu kim loại - Thử uốn;
TCVN 6364 (ISO 6947) Hàn và các quá trình liên quan - Vị trí hàn;
TCVN 7472 (ISO 5817) Hàn - Các liên kết hàn nóng chảy ở thép, niken, titan và các hợp kim của chúng (trừ hàn chùm tia) - Múc chất lượng đối với khuyết tật;
TCVN 7506-2 (ISO 3834-2) Yêu cầu chất lượng đối với hàn nóng chảy kim loại - Phần 2: Yêu cầu chất lượng toàn diện;
TCVN 7506-3 (ISO 3834-3) Yêu cầu chất lượng đối với hàn nóng chảy kim loại - Phần 3: Yêu cầu chất lượng tiêu chuẩn;
TCVN 7507 (ISO 17637) Thử không phá hủy mối hàn - Kiểm tra bằng mắt thường mối hàn nóng chảy;
TCVN 8524 (ISO 4063) Hàn và các quá trình liên quan - Danh mục các quá trình hàn và ký hiệu số tương ứng;
TCVN 8986-1 (ISO 15609-1), Đặc tính kỹ thuật và sự chấp nhận các quy trình hàn kim loại - Đặc tính kỹ thuật của quy trình hàn - Phần 1: Hàn hồ quang;
TCVN 8986-2 (ISO 15609-2) Đặc tính kỹ thuật và sự chấp nhận các quy trình hàn kim loại - Đặc tính kỹ thuật của quy trình hàn - Phần 2: Hàn khí;
TCVN 11751 (ISO 9017), Thử phá hủy mối hàn vật liệu kim loại - Thử đứt gãy;
TCVN 11758 (ISO 17636) (tất cả các phần), Thử không phá hủy mối hàn - Thử chụp ảnh bức xạ;
ISO/TR 15608, Welding - Guidelines for a metallic material grouping system (Hàn - Các chỉ đạo cho hệ thống phân nhóm vật liệu kim loại);
ISO/TR 25901:2007 Welding and related processes - Vocabulary (Hàn và các quá trình liên quan - Từ vựng).
3 Thuật ngữ và định nghĩa
Tiêu chuẩn này áp dụng các thuật ngữ và định nghĩa sau.
3.1
Thợ hàn (welder)
Người cầm và thao tác bằng tay kìm hàn, mỏ hàn hoặc mỏ hàn hơi.
[ISO/TR 25901:2007, 2.428]
3.2
Nhà sản xuất (manufacturer)
Người hoặc tổ chức có trách nhiệm đối với việc chế tạo hàn.
[TCVN 8985 (ISO 15607:2003,[12] 3.23]
3.3
Người kiểm tra (examiner)
Người được chỉ định để kiểm tra xác nhận sự phù hợp với tiêu chuẩn áp dụng.
CHÚ THÍCH: Trong một số trường hợp có thể cần đến một người Kiểm tra độc lập bên ngoài.
[ISO/TR 25901:2007, 2.119]
3.4
Cơ quan kiểm tra (examining body)
Tổ chức được chỉ định để kiểm tra xác nhận sự phù hợp với tiêu chuẩn áp dụng.
CHÚ THÍCH: Trong một số trường hợp, có thể cần đến một cơ quan kiểm tra độc lập bên ngoài.
[ISO/TR 25901:2007, 2.120]
3.5
Đệm lót vật liệu (material backing)
Đệm lót sử dụng vật liệu dùng để đỡ kim loại hàn nóng chảy.
3.6
Đệm lót khí (gas backing)
Đệm lót sử dụng khí chủ yếu dùng để ngăn ngừa sự oxy hóa.
3.7
Đệm lót thuốc hàn (flux backing)
Đệm lót sử dụng thuốc hàn chủ yếu dùng để ngăn ngừa sự oxy hóa.
CHÚ THÍCH: Trong hàn hồ quang dưới lớp thuốc, đệm lót thuốc hàn có thể giảm rủi ro của việc vỡ bể hàn.
3.8
Đệm nóng chảy (consumable insert)
Vật liệu bổ sung được đặt tại chân của mối nối trước khi hàn sẽ nóng chảy hoàn toàn vào chân mối hàn.
3.9
Lớp (layer)
Lớp kim loại hàn gồm một hoặc nhiều đường hàn.
[ISO/TR 25901:2007, 2.209]
3.10
Đường hàn lót đáy (root run)
Lớp hàn lót đáy (root pass)
<Đối với hàn nhiều lớp> đường hàn (các đường hàn) của lớp đầu tiên ở đáy mối hàn.
[ISO/TR 25901:2007, 2.310]
3.11
Đường hàn điền đầy (filling run)
<Đối với hàn nhiều lớp> đường hàn (các đường hàn) đông kết sau (các) đường hàn lót đáy và trước (các) đường hàn phủ mặt.
[ISO/TR 25901:2007, 2.132]
3.12
Đường hàn phủ mặt (capping run)
<Đối với hàn nhiều lớp> đường hàn (các đường hàn) có thể nhìn thấy trên mặt mối hàn sau khi hoàn thành công việc hàn.
[ISO/TR 25901:2007, 2.57]
3.13
Chiều dày đông kết (deposited thickness)
Chiều dày của kim loại mối hàn không kể đến bất cứ phần kim loại gia cường nào.
3.14
Hàn hướng trái (leftward welding)
Kỹ thuật hàn khí trong đó que hàn di chuyển phía trước mỏ hàn hơi theo chiều hàn.
(ISO/TR 25901:2007, 2.210]
3.15
Hàn hướng phải (rightward welding)
Kỹ thuật hàn khí trong đó que hàn di chuyển phía sau mỏ hàn hơi theo chiều hàn.
[ISO/TR 25901:2007, 2.302]
3.16
Mối nối nhánh (branch joint)
Mối nối của một hoặc nhiều chi tiết dạng ống với ống chính hoặc với một vỏ.
3.17
Mối hàn góc (fillet weld)
Mối hàn góc ở dạng vuông góc để tạo ra mối nối chữ T, mối nối góc hoặc mối nối chồng.
[ISO/TR 25901:2007, 2.131]
3.18
Kiểm tra xác nhận (verification)
Sự xác nhận, thông qua việc cung cấp bằng chứng khách quan mà các yêu cầu quy định đã được thỏa mãn.
[ISO 9000:2005,[5] 3.8.4]
4 Số tham chiếu, ký hiệu và chữ viết tắt
4.1 Quy định chung
Các chữ viết tắt và các số tham chiếu sau phải được sử dụng khi điền (hoàn thiện) chứng chỉ kiểm tra trình độ chuyên môn thợ hàn (xem Phụ lục A).
4.2 Ký hiệu số của các quá trình hàn
Tiêu chuẩn này bao gồm các quá trình hàn tay hoặc cơ khí hóa một phần như dưới đây (ký hiệu số của các quá trình hàn được liệt kê trong TCVN 8524 (ISO 4063):
111 Hàn hồ quang tay điện cực nóng chảy
114 Hàn hồ quang bằng dây có lõi thuốc tự bảo vệ
121 Hàn hồ quang dưới lớp thuốc hàn với điện cực dạng dây (cơ khí hóa một phần)
125 Hàn hồ quang dưới lớp thuốc bằng điện cực có lõi thuốc dạng ống (cơ khí hóa một phần)
131 Hàn MIG với điện cực dạng dây đặc
135 Hàn MAG với điện cực dạng dây đặc
136 Hàn MAG với điện cực lõi thuốc
138 Hàn MAG với điện cực lõi kim loại
141 Hàn TIG có vật liệu bổ sung (dây/thanh)
142 Hàn TIG không có vật liệu bù
143 Hàn TIG với vật liệu bổ sung có lõi thuốc (dây/thanh)
145 Hàn TIG sử dụng khi bảo vệ và kim loại bổ sung dạng đặc (dây/thanh)
15 Hàn hồ quang plasma
311 Hàn oxy - axetylen
Xem ISO/TR 25901 và TCVN 5017-1 (ISO 857-1) về định nghĩa của hàn tay và hàn cơ khí hóa một phần.
CHÚ THÍCH: Có thể áp dụng các nguyên tắc của tiêu chuẩn này cho các quá trình hàn nóng chảy khác.
4.3 Ký hiệu và chữ viết tắt
4.3.1 Đối với các phôi mẫu thử (phôi hàn)
| a | Chiều dày thiết kế của mối hàn góc |
| BW | Mối hàn giáp mép |
| D | Đường kính ngoài của ống |
| FW | Mối hàn góc |
| l1 | Chiều dài của phôi mẫu thử |
| l2 | Một nửa chiều rộng của phôi mẫu thử |
| lf | Chiều dài kiểm tra |
| P | Tấm |
| s | Chiều dày đông kết hoặc chiều dày kim loại nóng chảy trong các mối hàn giáp mép |
| t | Chiều dày vật liệu của phôi mẫu thử (chiều dày tấm hoặc thành) |
| s1 | Chiều dày đông kết của phôi mẫu thử đối với quá trình hàn 1 |
| s2 | Chiều dày đông kết của phôi mẫu thử đối với quá trình hàn 2 |
| T | Ống1) |
| z | Chiều dài chân mối hàn góc |
4.3.2 Đối với các vật liệu bổ sung
nm Không có kim loại bổ sung
Ký hiệu đối với kiểu thuốc bọc hoặc lõi trên cơ sở các ký hiệu được cho trong các tiêu chuẩn khác nhau về các vật liệu bổ sung.
| 03 | Thuốc bọc hệ bazơ - rutin |
| 10 | Thuốc bọc hệ xenlulo |
| 11 | Thuốc bọc hệ xenlulo |
| 12 | Thuốc bọc hệ rutin |
| 13 | Thuốc bọc hệ rutin |
| 14 | Thuốc bọc hệ rutin + bột sắt |
| 15 | Thuốc bọc hệ bazơ |
| 16 | Thuốc bọc hệ bazơ |
| 18 | Thuốc bọc hệ bazơ + bột sắt |
| 19 | Thuốc bọc đá vôi |
| 20 | Thuốc bọc oxít sắt |
| 24 | Thuốc bọc hệ rutin + bột sắt |
| 27 | Thuốc bọc oxít sắt + bột sắt |
| 28 | Thuốc bọc hệ bazơ + bột sắt |
| 45 | Thuốc bọc hệ bazơ |
| 48 | Thuốc bọc hệ bazơ |
|
|
|
| A | Thuốc bọc hệ axít |
| B | Thuốc bọc hệ bazơ hoặc lõi que hàn - bazơ |
| C | Thuốc bọc hệ xenlulo |
| R | Thuốc bọc hệ rutin hoặc lõi que hàn - rutin, xỉ kết đông chậm |
| RA | Thuốc bọc hệ rutin - axít |
| RB | Thuốc bọc hệ rutin - bazơ |
| RC | Thuốc bọc hệ rutin - xenlulo |
| RR | Thuốc bọc hệ rutin - loại dày |
| M | Điện cực lõi kim loại hoặc bột kim loại |
| P | Lõi que hàn - rutin, xỉ kết đông nhanh |
| S | Điện cực dây đặc - que hàn đặc |
| V | Lõi que hàn - rutin hoặc bazơ/florua |
| W | Lõi que hàn - bazơ/florua, xỉ kết đông chậm |
| Y | Lõi que hàn - bazơ/florua, xỉ kết đông nhanh |
| Z | Lõi que hàn - các loại khác |
4.3.3 Đối với các chi tiết khác về mối hàn
| fb | Đệm lót thuốc hàn |
| bs | Hàn từ hai phía |
| ci | Đệm nóng chảy |
| lw | Hàn hướng trái |
| mb | Đệm lót vật liệu |
| gb | Đệm lót khí |
| ml | Nhiều lớp |
| nb | Hàn không có đệm lót vật liệu |
| rw | Hàn hướng phải |
| sl | Một lớp |
| ss | Hàn một phía |
4.3.4 Đối với thử uốn
| A | Độ giãn dài kéo nhỏ nhất sau khi đứt theo yêu cầu của đặc tính kỹ thuật vật liệu |
| d | Đường kính của dưỡng uốn hoặc con lăn bên trong |
| ts | Chiều dày của mẫu thử uốn |
4.3.5 Các loại hàn hồ quang
| MAG | Hàn hồ quang điện cực nóng chảy trong môi trường khí hoạt tính |
| MIG | Hàn hồ quang điện cực nóng chảy trong môi trường khí trơ |
| TIG | Hàn hồ quang trong môi trường khí trơ với điện cực wonfram |
5 Các thông số chủ yếu và phạm vi chấp nhận
5.1 Quy định chung
Kiểm tra chấp nhận thợ hàn dựa trên các thông số chủ yếu. Đối với mỗi thông số chủ yếu cần xác định một phạm vi chấp nhận. Nếu thợ hàn phải hàn ngoài phạm vi kiểm tra chấp nhận thì yêu cầu phải có phép kiểm tra chấp nhận mới. Các thông số chủ yếu là:
- Các quá trình hàn;
- Loại sản phẩm (tấm hoặc ống);
- Kiểu (loại) mối hàn (hàn giáp mép hoặc góc);
- Nhóm vật liệu bổ sung;
- Loại vật liệu bổ sung;
- Kích thước (chiều dày vật liệu và đường kính ngoài của ống);
- Vị trí hàn;
- Các chi tiết về hàn (đệm lót vật liệu, đệm lót khí, đệm lót thuốc hàn, đệm nóng chảy, hàn một phía, hàn hai phía, một lớp, nhiều lớp, hàn hướng trái, hàn hướng phải).
Các nhóm vật liệu cơ bản và các nhóm nhỏ, phù hợp với ISO/TR 15608, mà được sử dụng trong phép thử phải được ghi trên chứng chỉ kiểm tra chấp nhận thợ hàn.
5.2 Các quá trình hàn
Các quá trình hàn được định nghĩa trong TCVN 5017-1 (ISO 857-1) và được liệt kê trong 4.2.
Mỗi thử nghiệm thường chỉ kiểm tra chấp nhận cho một quá trình hàn. Khi thay đổi quá trình hàn cần có sự kiểm tra chấp nhận mới.
Loại trừ các trường hợp sau:
- Thay đổi từ điện cực dây đặc 135 thành điện cực lõi kim loại 138, hoặc ngược lại, không yêu cầu kiểm tra chấp nhận tại (xem Bảng 5);
- Thay đổi từ điện cực dây đặc 121 thành điện cực lõi thuốc 125, hoặc ngược lại, không yêu cầu kiểm tra chấp nhận lại (xem Bảng 5);
- Hàn với quá trình 141 143 hoặc 145 chấp nhận cho quá trình 141, 142, 143 và 145, nhưng quá trình 142 chỉ chấp nhận cho 142;
- Kiểm tra chấp nhận thợ hàn đối với kiểu chuyển dịch kim loại dạng nhúng (ngắn mạch) (131, 135 và 138) phải chấp nhận thợ hàn đó đối với các kiểu chuyển dịch kim loại khác, nhưng không ngược lại.
Tuy nhiên, cho phép một thợ hàn được kiểm tra chấp nhận hai hoặc nhiều quá trình hàn bằng hàn một phôi mẫu thử (liên kết hàn có nhiều quá trình hàn) hoặc bằng hai hay nhiều phép kiểm tra chấp nhận riêng biệt. Các phạm vi kiểm tra chấp nhận liên quan đến chiều dày đông kết cho mỗi quá trình hàn được sử dụng và cho liên kết hàn có nhiều quá trình hàn đối với các mối hàn giáp mép được cho trong Bảng 1 và 6.
Bảng 1 - Phạm vi chiều dày đông kết của kim loại hàn cho các liên kết hàn một và nhiều quá trình hàn đối với các mối hàn giáp mép
| Quá trình hàn được sử dụng cho phôi mẫu thử | Phạm vi chiều dày đông kết được chứng nhận phù hợp với Bảng 6 | |
| Liên kết hàn một quá trình hàn | Liên kết hàn nhiều quá trình hàn | |
|
1 Quá trình hàn 1 (ss nb) 2 Quá trình hàn 2 (ss mb) | đối với quá trình hàn 1: s = s1 đối với quá trình hàn 2: s = s2 | s = s1 + s2 |
|
1 Quá trình hàn 1 2 Quá trình hàn 2 3 Hàn có đệm lót (ss mb) 4 Hàn không có đệm lót (ss nb) | đối với quá trình hàn 1: s1 đối với quá trình hàn 2: s2 | s = s1 + s2 quá trình hàn 1 chỉ dùng để hàn vùng chân mối hàn |
| CHÚ THÍCH: Xem 4.3.1 đối với các định nghĩa của các thông số. | ||
5.3 Loại sản phẩm
Phải kiểm tra chấp nhận trên tấm, ống hoặc dạng sản phẩm phù hợp khác. Các tiêu chí sau có thể áp dụng được:
a) Mối hàn trên phôi mẫu thử với đường kính ngoài của ống D > 25 mm chấp nhận các mối hàn trên tấm;
b) Mối hàn trên tấm chấp nhận các mối hàn trên ống cố định có đường kính ngoài D ≥ 500 mm; phù hợp với Bảng 9 và 10;
c) Mối hàn trên tấm chấp nhận các mối hàn trên ống xoay có đường kính ngoài D ≥ 75 mm đối với các vị trí hàn PA, PB, PC và PD; phù hợp với Bảng 9 và 10.
5.4 Kiểu (loại) mối hàn
Kiểm tra chấp nhận phải được thực hiện cho mối hàn giáp mép hoặc mối hàn góc. Áp dụng các tiêu chí sau:
a) Mối hàn giáp mép chấp nhận mối hàn giáp mép thuộc bất cứ kiểu liên kết hàn nào trừ các mối hàn nhánh [cũng xem c)];
b) Mối hàn giáp mép không chấp nhận cho mối hàn góc hoặc ngược lại. Tuy nhiên, có thể cho phép chấp nhận một mối hàn góc trong sự kết hợp với một mối hàn giáp mép, ví dụ việc chuẩn bị mối nối vát mép đơn với đệm lót vật liệu cố định (phải sử dụng một phôi mẫu thử có chiều dày nhỏ nhất là 10 mm). Xem Phụ lục C.
Đối với phép kiểm tra kết hợp này, tất cả các yêu cầu về kiểm tra được quy định trong tiêu chuẩn này phải được thỏa mãn và phạm vi chấp nhận liên đới phải được đưa ra trên cơ sở các điều kiện kiểm tra.
c) Mối hàn giáp mép trên ống chấp nhận cho các liên kết hàn nhánh có góc ≥ 60° và cùng một phạm vi chấp nhận như trong các Bảng 1 đến 12. Đối với một mối hàn nhánh, phạm vi chấp nhận dựa trên đường kính ngoài của ống nhánh.
d) Đối với các ứng dụng khi kiểu mối hàn không thể kiểm tra chấp nhận được bởi phép kiểm tra mối hàn giáp mép hoặc mối hàn góc hoặc đối với các liên kết nhánh có góc nhỏ hơn 60° thì nên sử dụng một phôi mẫu thử riêng để kiểm tra chấp nhận thợ hàn, nếu được quy định (ví dụ bởi tiêu chuẩn sản phẩm).
e) Mối hàn giáp mép có thể chấp nhận cho mối hàn góc nếu một phôi mẫu thử góc bổ sung (xem Hình 3) được hàn với từng quá trình hàn, nhóm vật liệu bổ sung (FM) và thuốc bọc/lõi que hàn, phù hợp với các Bảng 3, 4 và 5. Phôi mẫu thử ít nhất phải dày 10 mm, hoặc bằng chiều dày của phôi mẫu thử giáp mép nếu chiều dày này nhỏ hơn, và được hoàn thiện bằng sử dụng một lớp ở vị trí hàn PB. Đối với phép kiểm tra bổ sung này, thợ hàn phải được chấp nhận cho tất cả các mối hàn góc như đã cho các thông số chấp nhận hàn giáp mép liên quan đến phạm vi chấp nhận cho các mối hàn góc (ví dụ các Bảng 7, 8, 9, 10 và 12). Các vị trí hàn góc PA và PB được chấp nhận bởi phép kiểm tra này.
5.5 Nhóm vật liệu bổ sung
5.5.1 Quy định chung
Kiểm tra chấp nhận phải được thực hiện với vật liệu bổ sung lấy từ một trong các nhóm liệt kê trong Bảng 2. Nếu hàn với các vật liệu bổ sung nằm ngoài vật liệu bổ sung lập thành nhóm trong Bảng 2 thì yêu cầu một phép kiểm tra riêng biệt.
Vật liệu cơ bản được sử dụng trong một phép kiểm tra chấp nhận nên là bất kỳ vật liệu phù hợp nào theo ISO/TR 15608, các nhóm vật liệu từ 1 đến 11.
5.5.2 Phạm vi chấp nhận
Các nhóm vật liệu bổ sung được xác định trong Bảng 2.
Khi hàn các vật liệu cơ bản ngoài hệ thống nhóm thì cần phải có phép kiểm tra riêng. Một phôi mẫu thử giữa các vật liệu của các nhóm 21 đến 23 với các vật liệu của các nhóm 24 hoặc 25 sẽ chấp nhận bất cứ mối hàn nào khác được thực hiện từ bất cứ sự phối hợp nào giữa các vật liệu từ các nhóm 21 đến 23 với các vật liệu từ các nhóm 24 hoặc 25. Bất cứ mối hàn nào khác với vật liệu của nhóm 26 cần phải có kiểm tra chấp nhận riêng.
Bảng 2 - Nhóm vật liệu bổ sung
| Nhóm | Kim loại bổ sung cho hàn của | Ví dụ tiêu chuẩn áp dụng |
| FM1 | Thép không hợp kim và thép hạt mịn | ISO 2560,[2] ISO 14341,[8] ISO 636,[1] ISO 14171,[6] ISO 17632[14] |
| FM2 | Thép độ bền cao | ISO 18275,[21] ISO 16834,[13] ISO 26304, [25] ISO 18276[22] |
| FM3 | Thép chịu dão Cr < 3,75 % | ISO 3580,[3] ISO 21952,[23] ISO 24598,[24] ISO 17634[16] |
| FM4 | Thép chịu dão 3,75 ≤ Cr < 12 % | ISO 3580,[3] ISO 21952,[23] ISO 24598,[24] ISO 17634[16] |
| FM5 | Thép không rỉ và thép chịu nhiệt | ISO 3581,[4] ISO 14343,[9] ISO 17633[15] |
| FM6 | Niken và hợp kim niken | ISO 14172,[7] ISO 18274 [20] |
Hàn với một vật liệu bổ sung trong một nhóm chấp nhận cho thợ hàn hoặc cho hàn với tất cả các vật liệu bổ sung khác trong phạm vi cùng một nhóm, cũng như các nhóm khác, được liệt kê trong Bảng 3, và hàn trên các vật liệu cơ bản từ nhóm 1 đến nhóm 11.
Bảng 3 - Phạm vi chấp nhận đối với vật liệu bổ sung
| Vật liệu bổ sung | Phạm vi chấp nhận. | |||||
| FM1 | FM2 | FM3 | FM4 | FM5 | FM6 | |
| FM1 | x | x | — | — | — | — |
| FM2 | x | x | — | — | — | — |
| FM3 | x | x | x | — | — | — |
| FM4 | x | x | x | x | — | — |
| FM5 | — | — | — | — | x | — |
| FM6 | — | — | — | — | x | x |
| x Chỉ các vật liệu bổ sung mà thợ hàn được chấp nhận. — Chỉ các vật liệu bổ sung mà thợ hàn không được chấp nhận. | ||||||
5.6 Loại vật liệu bổ sung
Hàn với vật liệu bổ sung chấp nhận cho hàn không có vật liệu bổ sung, nhưng không được ngược lại.
CHÚ THÍCH: Đối với các quá trình 142 và 311 (không có vật liệu bổ sung), nhóm vật liệu cơ bản được sử dụng trong phép kiểm tra là nhóm vật liệu mà dùng để kiểm tra chấp nhận thợ hàn.
- Phạm vi chấp nhận đối với loại vật liệu bổ sung được cho trong các Bảng 4 và 5.
Bảng 4 - Phạm vi chấp nhận đối với các que hàn được bọc thuốca
| Quá trình hàn | Kiểu thuốc bọc được sử dụng trong kiểm tra, thử nghiệmb | Phạm vi chấp nhận | ||
| A, RA, RB, RC, RR, R 03, 13, 14, 19, 20, 24, 27 | B 15, 16, 18, 28, 45, 48 | C 10, 11 | ||
| 111 | A, RA, RB, RC, RR, R 03, 13, 14, 19, 20, 24, 27 | x | — | — |
| B 15, 16, 18, 28, 45, 48 | x | x | — | |
| C 10, 11 | — | — | x | |
| x Chỉ các loại vật liệu bổ sung mà thợ hàn được chấp nhận. — Chỉ các loại vật liệu bổ sung mà thợ hàn không được chấp nhận. | ||||
| a Đối với các chữ viết tắt, xem 4.3.2. b Kiểu thuốc bọc được sử dụng trong kiểm tra chấp nhận thợ hàn đối với hàn đường chân không có đệm lót (ss nb) là kiểu thuốc bọc được chứng nhận cho hàn đường chân trong chế tạo không có đệm lót (ss nb). | ||||
Bảng 5 - Phạm vi chấp nhận đối với các loại vật liệu bổ sunga,b
| Loại vật liệu bổ sung được sử dụng trong phôi mẫu thử | Phạm vi chấp nhận | |||
| S | M | B | R, P, V, W, Y, Z | |
| Điện cực dây đặc, que hàn (S) | x | x | — | — |
| Điện cực lõi kim loại, que hàn (M) | x | x | — | — |
| Điện cực lõi thuốc, que hàn (B) | — | — | x | x |
| Điện cực lõi thuốc, que hàn (R, P, V, W, Y, Z) | — | — | — | x |
| x Chỉ các loại vật liệu bổ sung mà thợ hàn được chấp nhận. — Chỉ các loại vật liệu bổ sung mà thợ hàn không được chấp nhận. | ||||
| a Đối với các chữ viết tắt, xem 4.3.2. b Kiểu dây lõi thuốc được sử dụng trong kiểm tra chấp nhận thợ hàn đối với hàn đường chân không có đệm lót (ss nb) là kiểu dây lõi thuốc được chứng nhận cho hàn đường chân trong chế tạo không có đệm lót (ss nb). | ||||
5.7 Kích thước
Kiểm tra chấp nhận thợ hàn các mối hàn giáp mép dựa trên chiều dày đông kết và đường kính ngoài của ống. Các phạm vi chấp nhận được quy định trong các Bảng 6 và 7.
Không dự định là chiều dày đông kết hoặc đường kính ngoài của ống sẽ được đo một cách chính xác, nhưng tốt hơn là nên áp dụng các giá trị được cho trong các Bảng 6 và 7.
Đối với các mối hàn góc, phạm vi chấp nhận đối với chiều dày vật liệu được quy định trong Bảng 8.
Đối với các phôi mẫu thử của các đường kính ống ngoài khác nhau và các chiều dày đông kết khác nhau, thợ hàn được chấp nhận cho:
- chiều dày đông kết mỏng nhất cho đến dày nhất và/hoặc chiều dày kim loại cơ bản được chấp nhận, và
- đường kính nhỏ nhất cho đến lớn nhất được chấp nhận (tham khảo Bảng 6 và 7).
Bảng 6 - Phạm vi chấp nhận của vật liệu đông kết đối với mối hàn giáp mép
Kích thước tính bằng milimét
| Chiều dày đông kết của phôi mẫu thử s | Phạm vi chấp nhậna,b |
| s < 3 | s đến 3C hoặc s đến 2sc lấy giá trị nào lớn hơn |
| 3 ≤ s < 12 | 3 đến 2sd |
| s ≥ 12e,f | ≥ 3f |
| a Đối với hàn thực hiện bằng một quá trình hàn và cùng một loại vật liệu bổ sung, s bằng với vật liệu cơ bản, t. b Đối với các mối nối nhánh, phạm vi chấp nhận cho chiều dày đông kết là: - đối với nhánh đặt trên, ví dụ xem Hình 1a), chiều dày đông kết của nhánh; - đối với các nhánh đặt xuyên qua và đặt trong, ví dụ xem Hình 1b) và c), chiều dày đông kết của ống chính hoặc vỏ. c Đối với hàn oxy-acetylen (311): s đến 1,5s. d Đối với hàn oxy-acetylen (311): 3 đến 1,5s. e Phôi mẫu thử phải được hàn ít nhất 3 lớp. f Đối với hàn thực hiện bằng nhiều quá trình hàn, s là chiều dày đông kết đối với mỗi quá trình. | |
|
|
|
| a) Đặt trên | b) Đặt xuyên qua |
|
c) Đặt trong | |
CHÚ DẪN:
D Đường kính ngoài của ống
s Chiều dày đông kết hoặc chiều dày kim loại nóng chảy ở mối hàn giáp mép
t Chiều dày vật liệu của phôi mẫu thử (chiều dày tấm hoặc thành)
1 Nhánh
2 Ống chính hoặc vỏ
Hình 1 - Các kiểu nhánh
Bảng 7 - Phạm vi chấp nhận đối với đường kính ngoài của ống
Kích thước tính bằng milimét
| Đường kính ngoài của ống phôi mẫu thử D | Phạm vi chấp nhận |
| D ≤ 25 | D đến 2D |
| D > 25 | ≥ 0,5D (25 mm, min) |
| a Đối với các tiết diện rỗng không tròn, D là kích thước của cạnh nhỏ hơn. | |
Bảng 8 - Phạm vi chấp nhận chiều dày vật liệu đối với mối hàn góc
Kích thước tính bằng milimét
| Chiều dày vật liệu của phôi mẫu thử t | Phạm vi chấp nhận |
| t < 3 | t đến 2t, hoặc 3, lấy giá trị nào lớn hơn |
| t ≥ 3 | ≥ 3 |
Trong trường hợp hàn nhánh, tiêu chí chiều dày đông kết liên quan đến chúng Bảng 6 áp dụng và tiêu chí đường kính ngoài của ống liên quan đến chúng Bảng 7 áp dụng là như sau:
- đặt trên: chiều dày đông kết và đường kính ngoài của ống của nhánh [xem Hình 1a)];
- đặt trong và đặt xuyên qua: chiều dày đông kết của ống chính hoặc của vỏ và đường kính ngoài của ống của nhánh [xem Hình 1b) và c)].
5.8 Vị trí hàn
Phạm vi chấp nhận đối với mỗi vị trí hàn được cho trong Bảng 9 và 10. Các vị trí hàn và các ký hiệu theo TCVN 6364 (ISO 6947).
Các phôi mẫu thử phải được hàn phù hợp với các vị trí kiểm tra quy định trong TCVN 6364 (ISO 6947).
Hàn hai ống có cùng một đường kính ngoài, một ở vị trí hàn PH và một ở vị trí hàn PC cũng sẽ chấp nhận phạm vi chấp nhận của một ống được hàn ở vị trí hàn H-L045 bằng sử dụng hàn hướng lên.
Hàn hai ống có cùng một đường kính ngoài, một ở vị trí hàn PJ và một ở vị trí hàn PC cũng sẽ chấp nhận phạm vi chấp nhận của một ống được hàn ở vị trí hàn J-L045 bằng sử dụng hàn hướng xuống.
Các đường kính ngoài của ống D ≥ 150 mm có thể được hàn ở hai vị trí (PH hoặc PJ 2/3 của chu vi, PC 1/3 của chu vi) khi chỉ sử dụng một phôi mẫu thử. Phép kiểm tra này bao phủ tất cả các vị trí đối với hướng hàn được sử dụng trong phép kiểm tra.

CHÚ THÍCH: Đối với các ký hiệu vị trí hàn, tham chiếu TCVN 6364 (ISO 6947).
Hình 2 - Đường kính ngoài của ống D ≥ 150 mm, các vị trí
Bảng 9 - Phạm vi chấp nhận đối với các vị trí hàn cho các mối hàn giáp mép
| Vị trí kiểm tra | Phạm vị chấp nhận | ||||
| PA Hàn bằng | PC Hàn ngang | PE Hàn ngửa | PF Hàn leo | PG Hàn tụt | |
| PA | x | — | — | — | — |
| PC | x | x | — | — | — |
| PE (tấm) | x | x | x | — | — |
| PF (tấm) | x | — | — | x | — |
| PH (ống) | x | — | x | x | — |
| PG (tấm) | — | — | — | — | x |
| PJ (ống) | x | — | x | — | x |
| H-L045 | x | x | x | x | — |
| J-L045 | x | x | x | — | x |
| CHÚ THÍCH: Cũng xem 5.3. | |||||
| x Chỉ các vị trí hàn mà thợ hàn được chấp nhận. — Chỉ các vị trí hàn mà thợ hàn không được chấp nhận. | |||||
Bảng 10 - Phạm vi chấp nhận đối với các vị trí hàn cho các mối hàn góc
| Vị trí kiểm tra | Phạm vi chấp nhận | ||||||
| PA Hàn bằng | PB Hàn ngang | PC Hàn Hàn ngang | PD Hàn ngửa | PE Hàn ngửa | PF Hàn leo | PG Hàn tụt | |
| PA | x | — | — | — | — | — | — |
| PB | x | x | — | — | — | — | — |
| PC | x | x | x | — | — | — | — |
| PD | x | x | x | x | x | — | — |
| PE (tấm) | x | x | x | x | x | — | — |
| PF (tấm) | x | x | — | — | — | x | — |
| PH (ống) | x | x | x | x | x | x | — |
| PG (tấm) | — | — | — | — | — | — | x |
| PJ (ống) | x | x | — | x | x | — | x |
| CHÚ THÍCH: Cũng xem 5.3. | |||||||
| x Chỉ các vị trí hàn mà thợ hàn được chấp nhận. — Chỉ các vị trí hàn mà thợ hàn không được chấp nhận. | |||||||
5.9 Các chi tiết về hàn
Tùy theo các chi tiết về hàn, các phạm vi chấp nhận được thể hiện trong các Bảng 11 và 12.
Khi hàn bằng quá trình 311, một thay đổi từ hàn hướng phải sang hàn hướng trái và ngược lại thì yêu cầu một kiểm tra chấp nhận mới.
Bảng 11 - Phạm vi chấp nhận đối với các đệm lót và các đệm nóng chảy
| Điều kiện thử nghiệm | Phạm vi chấp nhận đối với các đệm lót và các đệm nóng chảy | |||||
| Không đệm lót (ss,nb) | Đệm lót vật liệu (ss,mb) | Hàn hai phía (bs) | Đệm lót khí (ss,gb) | Đệm nóng chảy (ci) | Đệm lót thuốc hàn (ss,fb) | |
| Không đệm lót (ss,nb) | x | x | x | x | — | x |
| Đệm lót vật liệu (ss,mb) | — | x | x | — | — | — |
| Hàn hai phía (bs) | — | — | x | — | — | — |
| Đệm lót khí (ss,gb) | — | x | x | x | — | — |
| Đệm nóng chảy (ci) | — | x | x | — | x | — |
| Đệm lót thuốc hàn (ss,fb) | — | x | x | — | — | x |
| x Chỉ các điều kiện mà thợ hàn được chấp nhận. — Chỉ các điều kiện mà thợ hàn không được chấp nhận. | ||||||
Bảng 12 - Phạm vi chấp nhận kỹ thuật hàn lớp đối với mối hàn góc
| Phôi mẫu thử | Phạm vi chấp nhậnb | |
| Một lớp (sl) | Nhiều lớp (ml) | |
| Một lớp (sl) | x | - |
| Nhiều lớp (ml)a | x | x |
| x Kỹ thuật hàn lớp mà thợ hàn được chấp nhận. - Kỹ thuật hàn lớp mà thợ hàn không được chấp nhận. | ||
| a Trong quá trình hàn phôi mẫu thử, người kiểm tra phải thực hiện kiểm tra bằng mắt lớp hàn đầu tiên phù hợp với Điều 7. b Khi một thợ hàn đã được chấp nhận bằng sử dụng một mối hàn giáp mép nhiều lớp và người này thực hiện phép kiểm tra hàn góc bổ sung mô tả trong 5.4 e), thì sẽ được chấp nhận cho cả hàn góc nhiều lớp và một lớp. | ||
6 Kiểm tra và thử nghiệm
6.1 Kiểm tra
Hàn phôi mẫu thử (phôi hàn) phải có sự chứng kiến của người kiểm tra hoặc cơ quan kiểm tra. Việc thử nghiệm phải được xác nhận của người kiểm tra hoặc cơ quan kiểm tra.
Các phôi mẫu thử phải được đánh dấu với dấu hiệu nhận biết người kiểm tra và thợ hàn. Ngoài ra các vị trí hàn cho tất cả các phôi mẫu thử phải được đánh dấu trên phôi mẫu thử và cho các mối hàn ống cố định, vị trí hàn 12 giờ cũng phải được đánh dấu.
Người kiểm tra hoặc cơ quan kiểm tra có thể dừng việc thử nghiệm nếu các điều kiện hàn không đúng hoặc nếu phát hiện thấy thợ hàn không có kỹ năng để đáp ứng các yêu cầu, ví dụ khi có sự sửa chữa quá nhiều và/hoặc sửa chữa có hệ thống.
6.2 Phôi mẫu thử
Hình dạng và kích thước yêu cầu của các phôi mẫu thử được thể hiện trên các Hình 3 đến 6.
Đối với tấm yêu cầu chiều dài nhỏ nhất của phôi mẫu thử là 200 mm; chiều dài kiểm tra là 150 mm. Đối với ống có chu vi nhỏ hơn 150 mm, yêu cầu các phôi mẫu thử bổ sung với số lượng lớn nhất là ba phôi mẫu thử.
Kích thước tính bằng milimét

CHÚ DẪN:
t: Chiều dày vật liệu của phôi mẫu thử
Hình 3 - Các kích thước của phôi mẫu thử cho mối hàn giáp mép ở tấm
Kích thước tính bằng milimét

CHÚ DẪN :
t Chiều dày vật liệu của phôi mẫu thử
CHÚ THÍCH: Vật liệu cơ bản có thể có chiều dày không giống nhau
Hình 4 - Các kích thước của phôi mẫu thử cho mối hàn góc trên tấm
Kích thước tính bằng milimét

CHÚ DẪN :
D Đường kính ngoài của ống
t Chiều dày vật liệu của phôi mẫu thử (chiều dày thành)
Hình 5 - Các kích thước của phôi mẫu thử cho mối hàn giáp mép ở ống
Kích thước tính bằng milimét

CHÚ DẪN:
D Đường kính ngoài của ống
l1 Chiều dài phôi mẫu thử
t Chiều dày vật liệu của phôi mẫu thử (chiều dày tấm hoặc thành)
CHÚ THÍCH: Vật liệu cơ bản có thể có chiều dày không giống nhau đối với ống và tấm.
Hình 6 - Các kích thước của phôi mẫu thử cho mối hàn góc trên ống
6.3 Điều kiện hàn
Kiểm tra chấp nhận thợ hàn phải theo một pWPS hoặc WPS được chuẩn bị phù hợp với TCVN 8986-1 (ISO15609-1) hoặc TCVN 8986-2 (ISO15609-2). Chiều dày mối hàn góc của phôi mẫu thử hàn góc phải được xác định trong pWPS hoặc WPS được sử dụng cho kiểm tra.
Phải áp dụng các điều kiện hàn sau:
- Phôi mẫu thử phải có ít nhất là một lần dừng và một lần bắt đầu hàn lại trên đường hàn lót đáy và đường hàn phủ mặt. Nếu sử dụng nhiều hơn một quá trình hàn thì phải thực hiện ít nhất là một lần dừng và bắt đầu lại cho mỗi quá trình hàn, việc này bao gồm đường hàn lót đáy và đường hàn cuối cùng. Các vùng dùng lại và bắt đầu lại phải được đánh dấu.
- Cho phép thợ hàn được loại bỏ các khuyết tật không quan trọng (nhỏ) bằng mài, trừ đối với đường hàn phủ mặt chỉ khi dừng lại và bắt đầu lại có thể được mài. Phải nhận được sự cho phép của người kiểm tra hoặc cơ quan kiểm tra.
- Có thể bỏ qua bất cứ sự xử lý nhiệt nào sau khi hàn theo yêu cầu của pWPS hoặc WPS theo quyết định của nhà sản xuất.
6.4 Phương pháp thử
Sau khi hàn phôi mẫu thử phải được thử nghiệm phù hợp với Bảng 13.
Nếu mối hàn được chấp nhận bởi kiểm tra bằng mắt thường thì phải thực hiện các thử nghiệm còn lại theo Bảng 1.3.
Khi sử dụng đệm lót vật liệu trong kiểm tra chấp nhận, đệm lót này phải được tháo ra trước khi thử phá hủy (trừ kiểm tra tổ chức thô đại) và không cần tháo ra trước khi thử không phá hủy (NDT).
Mẫu thử cho kiểm tra tổ chức thô đại phải được chuẩn bị và tẩm thực trên một mặt để làm lộ rõ mối hàn. Không yêu cầu phải đánh bóng.
Bảng 13 - Các phương pháp thử
| Phương pháp thử | Mối hàn giáp mép (trên tấm hoặc ống) | Mối hàn góc và mối hàn nhánh |
| Kiểm tra bằng mắt thường theo TCVN 7507 (ISO 17637) | Bắt buộc | Bắt buộc |
| Thử bằng chụp tia bức xạ theo TCVN 11758 (ISO 17636) | Bắt buộca,b,c | Không bắt buộc |
| Thử uốn theo TCVN 5401 (ISO 5173) | Bắt buộca,b,d | Không áp dụng |
| Thử đứt gãy theo TCVN 11751 (ISO 9017) | Bắt buộca,b,d | Bắt buộce,f |
| a Phải sử dụng thử bằng chụp tia bức xạ hoặc thử uốn hoặc thử đứt gãy. b Khi sử dụng thử bằng chụp tia bức xạ thì các phép thử uốn hoặc đứt gãy bổ sung là bắt buộc đối với các quá trình hàn 131, 135, 138 và 311. c Có thể thay thế thử bằng chụp tia bức xạ bằng thử siêu âm theo ISO 17640[19] chỉ đối với các chiều dày ≥ 8 mm trên thép ferit. Trong trường hợp này, không yêu cầu các phép thử bổ sung nêu ở chú thích b. d Đối với đường kính ngoài của ống D ≤ 25 mm, có thể thay thế các phép thử uốn hoặc đứt gãy bằng thử kéo đối với rãnh khắc trên phôi mẫu thử đầy đủ (ví dụ được cho trên Hình 9). e Có thể thay thế thử đứt gãy bằng kiểm tra tổ chức thô đại, thực hiện theo ISO 17639[18] của ít nhất hai đoạn, với ít nhất một đoạn được lấy từ vị trí dừng/bắt đầu. f Phép thử đứt gãy trên ống có thể được thay bằng thử chụp tia bức xạ. | ||
6.5 Phôi mẫu thử và mẫu thử
6.5.1 Quy định chung
Trong 6.5.2 và 6.5.3 đưa ra các nội dung chi tiết về kiểu, các kích thước và sự chuẩn bị các phôi mẫu thử và mẫu thử. Ngoài ra, các yêu cầu về thử phá hủy được chỉ ra. Đối với thử uốn chân, mặt hoặc cạnh, hoặc thử đứt gãy, một mẫu thử phải được lấy từ vùng bắt đầu và kết thúc hàn trong chiều dài kiểm tra.
6.5.2 Mối hàn giáp mép trên tấm và ống
6.5.2.1 Quy định chung
Khi sử dụng thử bằng chụp tia bức xạ, chiều dài kiểm tra của mối hàn (xem các Hình 7 và 8) trên phôi mẫu thử phải được chụp tia bức xạ.
Khi sử dụng thử đứt gãy, các mẫu thử có thể được khía rãnh theo chiều dọc tại tâm của mối hàn của cạnh chịu kéo để đạt được đứt gãy ở mối hàn. Cho phép tất cả việc chuẩn bị rãnh khía theo TCVN 11751 (ISO 9017).
Tất cả các mẫu thử phải được thử theo cách sao cho đạt được đứt gãy và mẫu thử được kiểm tra sau khi đứt gãy.
6.5.2.2 Chỉ thử đứt gãy
Đối với các mối hàn giáp mép ở tấm, chiều dài kiểm tra của phôi mẫu thử (Hình 7) phải được cắt thành bốn mẫu thử có chiều rộng bằng nhau phù hợp với các kích thước cho trong Bảng 14.
Đối với các mối hàn giáp mép ở ống, chiều dài kiểm tra của phôi mẫu thử (Hình 8) phải được cắt thành bốn mẫu thử có chiều rộng bằng nhau phù hợp với các kích thước cho trong Bảng 14.
Kích thước tính bằng milimét

CHÚ DẪN
l1 Chiều dài phôi mẫu thử
l2 Một nửa chiều rộng phôi mẫu thử
lf Chiều dài kiểm tra
Hình 7 - Chiều dài kiểm tra cho các mẫu thử đứt gãy đối với mối hàn giáp mép ở tấm

CHÚ DẪN
If Chiều dài kiểm tra
1 Một mẫu thử đứt gãy chân hoặc uốn ngang chân hoặc uốn cạnh
2 Một mẫu thử đứt gãy mặt hoặc uốn ngang mặt hoặc uốn cạnh
3 Một mẫu thử đứt gãy chân hoặc uốn ngang chân hoặc uốn cạnh
4 Một mẫu thử đứt gãy mặt hoặc uốn ngang mặt hoặc uốn cạnh
Hình 8 - Chiều dài kiểm tra và các vị trí cho các mẫu thử đứt gãy hoặc thử uốn đối với mối hàn giáp mép ở ống
Bảng 14 - Chiều rộng của các mẫu thử đứt gãy
Kích thước tính bằng milimét
| Loại sản phẩm | Chiều rộng của các mẫu thử đứt gãy | |
| Tấm (P) | Đường kính ngoài, D, của ống (T)a | |
| x | ≥ 100 | ≥ 35 |
| - | 50 ≤ D < 100 | ≥ 20 |
| - | 25 < D < 50 | ≥ 10 |
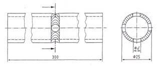
| a Đối với các ống có đường kính ngoài D ≤ 25 mm, khuyến nghị phôi mẫu thử để thử kéo rãnh theo Hình 9. | ||
Kích thước tính bằng milimét

CHÚ DẪN:
d Đường kính của dưỡng uốn hoặc con lăn bên trong
Không cho phép có các lỗ trong các vùng bắt đầu và kết thúc.
Đối với t ≥ 1,8 mm: d = 4,5 mm
Đối với t < 1,8 mm: d = 3,5 mm
CHÚ THÍCH: Các biến dạng của rãnh khía s và q cũng được cho phép theo phương chu vi phù hợp với TCVN 11751 (ISO 9017).
Hình 9 - Ví dụ cho thử kéo rãnh đối với phôi mẫu thử ống có đường kính ngoài ≤ 25 mm
6.5.2.3 Chỉ thử uốn
Thử uốn phải được thực hiện phù hợp với TCVN 5401 (ISO 5173).
Khi chỉ thực hiện thử uốn, phải áp dụng các điều kiện sau.
Đối với chiều dày t < 12 mm, phải sử dụng tối thiểu hai mẫu thử uốn chân và hai mẫu thử uốn mặt, và phải thử toàn bộ chiều dài kiểm tra.
Đối với chiều dày t ≥ 12 mm, phải sử dụng bốn mẫu thử uốn cạnh gần như cách đều nhau dọc theo chiều dài kiểm tra.
Đối với các mối hàn ống, bốn mẫu thử phải cách đều nhau phù hợp với Hình 8.
Trong tất cả các trường hợp, ít nhất phải có một mẫu thử được lấy từ vị trí kết thúc/bắt đầu. Đối với mục đích này có khả năng là một mẫu thử uốn cạnh có thể được thay thế bằng một mẫu thử uốn chân.
Khi sử dụng thử uốn ngang hoặc thử uốn cạnh, đường kính của dưỡng uốn hoặc của con lăn bên trong phải bằng 4t và góc uốn là 180° đối với kim loại cơ bản có độ giãn dài A ≥ 20 %. Đối với kim loại cơ bản có độ giãn dài A < 20 %, phải áp dụng công thức sau:
| d = | 100 x ts | - ts |
| A |
trong đó
d là đường kính của dưỡng uốn hoặc của con lăn bên trong, mm;
ts là chiều dày của mẫu thử uốn, mm;
A là độ giãn dài nhỏ nhất tính theo phần trăm theo yêu cầu của tiêu chuẩn vật liệu.
6.5.2.4 Thử uốn hoặc thử đứt gãy bổ sung
Khi có yêu cầu các phép thử uốn hoặc thử đứt gãy bổ sung (xem Bảng 13, chú thích b), trong tất cả các trường hợp, ít nhất một mẫu thử phải được lấy từ một vị trí kết thúc/bắt đầu. Đối với mục đích này, có khả năng là một mẫu thử uốn cạnh có thể được thay thế bằng một mẫu thử uốn chân.
- Đối với tất cả các mối hàn giáp mép tấm, phải thử một mẫu thử chân và một mẫu thử mặt, hoặc phải thử hai mẫu thử uốn cạnh nếu áp dụng được.
- Đối với các mối hàn giáp mép ống ở các vị trí hàn PA hoặc PC, phải thử một mẫu thử chân và một mẫu thử mặt, hoặc phải thử hai mẫu thử uốn cạnh nếu áp dụng được.
- Đối với các mối hàn giáp mép ống được hàn ở tất cả các vị trí hàn khác, một mẫu thử chân phải được lấy từ vị trí hàn PE (hàn ngửa) và một mẫu thử mặt phải được lấy từ vị trí hàn PF (hàn leo) hoặc vị trí hàn PG (hàn tụt), hoặc hai mẫu thử uốn cạnh nếu áp dụng được.
6.5.3 Mối hàn góc trên tấm và ống
Đối với các mối hàn góc trên tấm, chiều dài kiểm tra của phôi mẫu thử (Hình 10) phải được làm đứt gãy/cắt thành một mẫu nguyên vẹn. Nếu cần, phôi mẫu thử có thể được cắt thành nhiều mẫu thử có chiều rộng bằng nhau.
Đối với các mối hàn góc trên ống, phôi mẫu thử phải được cắt thành bốn mẫu thử hoặc nhiều hơn và được làm đứt gãy.
Các phép thử đứt gãy mối hàn góc trên tấm và ống có thể được thay thế bằng kiểm tra tổ chức thô đại. Khi sử dụng kiểm tra tổ chức thô đại, phải lấy ít nhất hai mẫu thử. Một mẫu để kiểm tra tổ chức thô đại phải được lấy tại vị trí kết thúc/bắt đầu hàn.
Mẫu thử mối hàn góc phải được xác định vị trí để đứt gãy phù hợp với TCVN 11751 (ISO 9017).
Kích thước tính bằng milimét

CHÚ DẪN:
If Chiều dài kiểm tra
Hình 10 - Chiều dài kiểm tra cho thử đứt gãy đối với mối hàn góc ở tấm
6.6 Báo cáo thử
Các kết quả của tất cả các thử nghiệm phải được lập thành tài liệu phù hợp với tiêu chuẩn thử liên quan.
7 Yêu cầu chấp nhận đối với phôi mẫu thử
Các phôi mẫu thử phải được đánh giá theo các yêu cầu chấp nhận được quy định cho các loại khuyết tật có liên quan.
Trước bất kỳ thử nghiệm nào, phải tiến hành kiểm tra các yêu cầu sau:
- Tất cả thuốc hàn và các vẩy hàn bắn tóe phải được loại bỏ;
- Chưa mài chân và mặt trên mối hàn (theo 6.3);
- Nhận biết được chỗ dừng và bắt đầu hàn lại trên đường hàn lót đáy và đường hàn phủ mặt mối hàn (theo 6.3);
- Profin và các kích thước.
Nếu không có quy định khác, các yêu cầu chấp nhận đối với các khuyết tật được phát hiện bằng các phương pháp thử nghiệm được thực hiện theo tiêu chuẩn này phải được đánh giá phù hợp với TCVN 7472 (ISO 5817). Thợ hàn được chấp nhận nếu các khuyết tật ở trong mức chất lượng B của TCVN 7472 (ISO 5817), trừ các loại khuyết tật sau phải áp dụng theo mức C: kim loại mối hàn quá mức (502); độ lồi quá mức (503); chiều cao mối hàn quá mức (5214); thấu quá mức (504) và cháy cạnh (501).
Các mẫu thử uốn không được có bất cứ một bất liên tục đơn lẻ nào ≥ 3 mm theo bất cứ hướng nào. Các bất liên tục xuất hiện ở các mép của một mẫu thử trong quá trình thử phải được bỏ qua khi đánh giá trừ khi có bằng chứng rằng nứt đó là do thấu không đủ, thuốc hàn hoặc các bất liên tục khác. Tống của các bất liên tục lớn nhất vượt quá 1 mm nhưng nhỏ hơn 3 mm trong bất kỳ một mẫu thử uốn nào không được vượt quá 10 mm.
Nếu các khuyết tật trong phôi mẫu thử của thợ hàn vượt quá mức lớn nhất cho phép thì thợ hàn không được chấp nhận sau kiểm tra.
Cũng nên tham khảo các tiêu chí chấp nhận tương ứng cho thử không phá hủy. Phải sử dụng các qui trình đã quy định cho tất cả gác phép thử phá hủy và không phá hủy.
8 Kiểm tra lại
Nếu bất kỳ thử nghiệm hoặc kiểm tra nào không đạt theo các yêu cầu của tiêu chuẩn này thì thợ hàn có thể được phép kiểm tra chấp nhận lại một lần mà không cần đào tạo thêm.
9 Thời gian có hiệu lực
9.1 Chấp nhận lần đầu
Việc chấp nhận thợ hàn có hiệu lực từ ngày hàn các phôi mẫu thử với điều kiện là các kiểm tra, thử nghiệm yêu cầu đã được thực hiện và các kết quả kiểm tra, thử nghiệm đạt được được chấp nhận.
Hiệu lực của chứng chỉ có thể được kéo dài (mở rộng) như quy định ở 9.3. Phương pháp kéo dài được chọn của việc chấp nhận phù hợp với 9.3, a) hoặc b) hoặc c), phải được nêu rõ trong chứng chỉ tại thời điểm cấp.
9.2 Xác nhận tính hiệu lực
Chứng chỉ kiểm tra chấp nhận thợ hàn đối với một quá trình hàn phải được xác nhận 6 tháng một lần bởi người có trách nhiệm đối với các hoạt động hàn hoặc bởi người kiểm tra/cơ quan kiểm tra. Điều này xác nhận rằng thợ hàn đã và đang làm việc trong phạm vi chấp nhận và kéo dài hiệu lực của việc chấp nhận cho khoảng thời gian 6 tháng tiếp theo.
Nội dung trong mục này có thể áp dụng được cho tất cả các lựa chọn của việc gia hạn quy định trong 9.3.
9.3 Gia hạn chấp nhận
Việc gia hạn phải được thực hiện bởi người kiểm tra/cơ quan kiểm tra.
Kỹ năng của thợ hàn phải được kiểm tra xác nhận định kỳ bằng một trong các phương pháp sau.
a) Thợ hàn phải được kiểm tra lại sau mỗi 3 năm;
b) Sau mỗi 2 năm, hai mối hàn được tạo ra trong khoảng thời gian 6 tháng cuối của chu kỳ hiệu lực phải được kiểm tra bằng thử chụp tia bức xạ hoặc thử siêu âm hoặc thử phá hủy và phải được ghi lại. Các mức chấp nhận đối với các khuyết tật phải theo quy định trong Điều 7. Mối hàn được thử phải sao chép lại các điều kiện thử ban đầu loại trừ chiều dày và đường kính ngoài. Các phép kiểm tra, thử nghiệm này sẽ gia hạn chứng chỉ chấp nhận của thợ hàn thêm 2 năm.
c) Các chấp nhận của một thợ hàn đối với bất kỳ chứng chỉ nào phải có hiệu lực với điều kiện nó được xác nhận theo 9.2 và miễn là tất cả các điều kiện sau được thỏa mãn;
- Thợ hàn đang làm việc cho cùng một nhà sản xuất mà thợ hàn đó được chấp nhận, và người có trách nhiệm đối với việc chế tạo sản phẩm;
- Chương trình chất lượng của nhà sản xuất đã và đang được xác nhận phù hợp với TCVN 7506-2 (ISO 3834-2) hoặc TCVN 7506-3 (ISO 3834-3);
- Nhà sản xuất đã lập thành văn bản rằng thợ hàn đã chế tạo các mối hàn có chất lượng được chấp nhận trên cơ sở các tiêu chuẩn áp dụng; các mối hàn được kiểm tra phải xác nhận các điều kiện sau: các vị trí hàn, kiểu mối hàn (FW, BW), đệm lót vật liệu (mb) hoặc không có đệm lót vật liệu (nb).
9.4 Hủy bỏ sự chấp nhận
Khi có một lý do cụ thể nghi ngờ khả năng của thợ hàn trong việc chế tạo các mối hàn đáp ứng các yêu cầu chất lượng theo tiêu chuẩn sản phẩm, sự chấp nhận mà hỗ trợ công việc hàn thợ hàn đang làm phải bị hủy bỏ. Tất cả các chấp nhận khác không bị nghi ngờ vẫn giữ nguyên hiệu lực.
10 Chứng chỉ kiểm tra chấp nhận thợ hàn
Phải kiểm tra xác nhận để bảo đảm rằng thợ hàn đã đạt kỳ kiểm tra chấp nhận. Tất cả các thông số chủ yếu phải được ghi trên chứng chỉ. Nếu (các) phôi mẫu thử không đáp ứng được bất kỳ kiểm tra, thử nghiệm nào thì không được cấp chứng chỉ.
Người kiểm tra hoặc cơ quan kiểm tra chịu trách nhiệm duy nhất về cấp chứng chỉ. Mẫu chứng chỉ khuyến nghị được chi tiết hóa trong Phụ lục A. Nếu sử dụng mẫu chứng chỉ kiểm tra chấp nhận thợ hàn khác thì nó phải chứa các thông tin yêu cầu trong Phụ lục A. Người kiểm tra hoặc cơ quan kiểm tra có trách nhiệm để xác nhận là tất cả các thông số chủ yếu được ghi trên chứng chỉ này.
Các thông số không chủ yếu sau phải được ghi trên chứng chỉ:
- Loại dòng điện và cực tính;
- Nhóm/nhóm con vật liệu cơ bản;
- Khí bảo vệ.
Thông thường đối với mỗi phôi mẫu thử phải cấp một chứng chỉ kiểm tra chấp nhận thợ hàn riêng.
Nếu có nhiều hơn một phôi mẫu thử được hàn thì có thể chỉ cấp một chứng chỉ kiểm tra chấp nhận thợ hàn trong đó kết hợp các phạm vi chấp nhận của các phôi mẫu thử riêng. Tất cả các thông số chủ yếu cho tất cả các kiểm tra, thử nghiệm phải được ghi trên chứng chỉ kết hợp này. Trong trường hợp này, cho phép chỉ có một trong các thông số chủ yếu sau được thay đổi, trừ các thông số cho trong 5.7.
- Kiểu (loại) mối hàn;
- Vị trí hàn;
- Chiều dày đông kết.
Không cho phép thay đổi các thông số chủ yếu khác.
Khuyến nghị nên cấp chứng chỉ kiểm tra chấp nhận thợ hàn bằng tiếng Việt kết hợp với ít nhất là một trong các ngôn ngữ như Anh, Pháp hoặc Đức.
Kiểm tra kiến thức nghề (xem Phụ lục B) phải được chỉ định bằng “chấp nhận” hoặc “không kiểm tra”.
Phù hợp với 5.4 e), thử nghiệm mối hàn góc bổ sung phải được ghi trên chứng chỉ đối với việc chấp nhận mối hàn giáp mép liên đới.
11 Ký hiệu
Ký hiệu của chấp nhận thợ hàn phải bao gồm các hạng mục sau theo thứ tự đã cho (hệ thống được bố trí sao cho có thể đưa vào sử dụng trên máy tính điện tử):
a) Số hiệu của tiêu chuẩn này, TCVN 6700-1 (ISO 9606-1);
b) Các thông số chủ yếu:
1) Các quá trình hàn: tham chiếu 4.2, 5.2 và TCVN 8524 (ISO 4063),
2) Loại sản phẩm: tấm (P), ống (T) tham chiếu 4.3.1 và 5.3,
3) Kiểu (loại) mối hàn: mối hàn giáp mép (BW), mối hàn góc (FW) tham chiếu 5.4,
4) Nhóm vật liệu bổ sung hoặc nhóm vật liệu cơ bản (hàn xì): tham chiếu 5.5,
5) Loại vật liệu bổ sung: tham chiếu 5.6,
6) Các kích thước của phôi mẫu thử: chiều dày đông kết, s, hoặc chiều dày vật liệu, t, và đường kính ngoài của ống, D, tham chiếu 5.7,
7) Các vị trí hàn: tham chiếu 5.8 và TCVN 6364 (ISO 6947),
8) Các chi tiết về mối hàn: tham chiếu 5.9.
Loại khí bảo vệ và khí đệm không được gắn vào ký hiệu, nhưng phải được bao gồm trong chứng chỉ kiểm tra chấp nhận thợ hàn xem Phụ lục A).
Phụ lục A
(Tham khảo)
Chứng chỉ kiểm tra chấp nhận thợ hàn
Ký hiệu: …………………………………………………………………..
…………………………………………………………………..
WPS - Tham chiếu: Người kiểm tra, cơ quan kiểm tra - Giấy chứng nhận số:
| Tên thợ hàn: Nhận dạng: Phương pháp nhận dạng: Ngày và nơi sinh: Chủ sử dụng lao động: | Ảnh |
| Quy định/Tiêu chuẩn thử: Kiến thức nghề: Chấp nhận / Không kiểm tra (bỏ đi khi cần) |
|
|
| Phôi mẫu thử | Phạm vị chấp nhận |
| Quá trình hàn: Kiểu chuyển dịch Loại sản phẩm (tấm hoặc ống) Kiểu (loại) mới hàn Nhóm/nhóm con vật liệu cơ bản Nhóm vật liệu bổ sung Vật liệu bổ sung (ký hiệu) Khi bảo vệ Phụ kiện Loại dòng điện và cực tính Chiều dày vật liệu (mm) Chiều dày đông kết (mm) Đường kính ngoài của ống (mm) Vị trí hàn Các chi tiết về mối hàn Nhiều lớp/một lớp |
| …………………… …………………… |
Kiểm tra, thử nghiệm mối hàn góc bổ sung (bổ sung chung với chấp nhận mối hàn giáp mép): chấp nhận/không chấp nhận
| Loại thử nghiệm | Được thực hiện và chấp nhận | Không thử nghiệm | Tên người kiểm tra hoặc cơ quan kiểm tra: |
| Kiểm tra bằng mắt thường Thử chụp tia bức xạ Thử đứt gãy Thử uốn Thử kéo rãnh khía Kiểm tra tổ chức thô đại |
|
| Địa điểm, ngày và chữ ký của người kiểm tra hoặc cơ quan kiểm tra: Ngày cấp: 2007-01-20 |
| Gia hạn 9.3a) |
| Hiệu lực đến 2010-01-20 |
| Gia hạn 9.3b) |
| Hiệu lực đến 2009-01-20 |
| Gia hạn 9.3c) |
| Hiệu lực đến 2007-07-20 |
Gia hạn chấp nhận bởi người kiểm tra/cơ quan kiểm tra cho hai năm tiếp theo [tham chiếu 9.3b)]
| Ngày | Chữ ký | Chức vụ hoặc tên |
|
|
|
|
Xác nhận hiệu lực bởi người chủ sử dụng lao động/ điều phối viên hàn/người kiểm tra hoặc cơ quan kiểm tra cho 6 tháng tiếp theo [tham chiếu 9.2)]
| Ngày | Chữ ký | Chức vụ hoặc tên |
|
|
|
|
Phụ lục B
(Tham khảo)
Kiến thức nghề
B.1 Quy định chung
Nên kiểm tra kiến thức nghề nhưng không bắt buộc phải thực hiện kiểm tra này.
Tuy nhiên, một số quốc gia có thể yêu cầu thợ hàn phải qua phép kiểm tra kiến thức nghề. Nếu thực hiện kiểm tra kiến thức nghề thì nên ghi vào chứng chỉ kiểm tra chấp nhận thợ hàn.
Phụ lục này phác họa những nét chính về kiến thức nghề mà người thợ hàn nên có để đảm bảo rằng các qui trình và thực hành chung được tuân theo. Kiến thức nghề được chỉ dẫn trong phụ lục này chỉ được diễn đạt ở mức cơ bản nhất.
Do các chương trình đào tạo khác nhau ở các quốc gia khác nhau, cho nên chỉ có thể tiêu chuẩn hóa các mục tiêu chung hoặc các loại kiến thức nghề chung. Các quốc gia riêng biệt nên thảo ra các câu hỏi thực tế cho sử dụng, nhưng nên bao gồm các câu hỏi về các vấn đề được nêu trong B.2, liên quan đến kiểm tra chấp nhận các thợ hàn.
Các kiểm tra thực tế về kiến thức nghề của thợ hàn có thể được đưa ra bởi bất kỳ các phương pháp nào được cho sau đây hoặc sự kết hợp của các phương pháp này;
a) Các kiểm tra viết (có nhiều lựa chọn/trắc nghiệm);
b) Kiểm tra vấn đáp sau một số câu hỏi viết;
c) Kiểm tra trên máy vi tính;
d) Kiểm tra bằng chứng minh/quan trắc sau một bộ các tiêu chí được viết ra.
Việc kiểm tra kiến thức nghề được giới hạn cho các vấn đề liên quan đến quá trình hàn được sử dụng trong kiểm tra.
B.2 Yêu cầu
B.2.1 Thiết bị hàn
B.2.1.1 Hàn oxy-acetylen
a) Nhận biết chai chứa khí.
b) Nhận biết và lắp ráp các bộ phận quan trọng.
c) Chọn đúng các bép hàn (vòi phun) và mỏ hàn.
B.2.1.2 Hàn hồ quang
a) Kết cấu và bảo dưỡng thiết bị hàn và các thông số điển hình.
b) Loại dòng điện hàn.
c) Đấu nối đúng dây dẫn điện hàn.
B.2.2 Quá trình hàn
B.2.2.1 Hàn oxy-acetylen (311)
a) Áp suất khí.
b) Chọn loại vòi phun.
c) Loại ngọn lửa.
d) Ảnh hưởng của quá nhiệt.
B.2.2.2 Hàn hồ quang tay điện cực nóng chảy (111)
a) Phân loại các điện cực.
B.2.2.3 Hàn khí và hàn hồ quang điện cực nóng chảy có lõi thuốc tự bảo vệ (114, 13, 14, 15)
a) Loại và cỡ kích thước điện cực.
b) Nhận biết khí bảo vệ và lưu lượng khí (trừ 114).
c) Kiểu, cỡ kích thước và bảo dưỡng các bép hàn.
d) Sự lựa chọn và giới hạn các kiểu chuyển dịch kim loại.
e) Bảo vệ hồ quang hàn tránh luồng gió.
B.2.2.4 Hàn hồ quang dưới lớp thuốc (121, 125)
a) Sấy, cấp và thu hồi đúng thuốc hàn.
b) Sự căn chỉnh đúng và hành trình của đầu hàn.
B.2.3 Vật liệu cơ bản
a) Nhận biết vật liệu.
b) Các phương pháp và kiểm soát sự nung nóng trước.
c) Kiểm soát nhiệt độ giữa các đường hoặc lớp hàn.
B.2.4 Loại kim loại bổ sung
a) Nhận biết các loại kim loại bổ sung.
b) Bảo quản, xử lý và các điều kiện của kim loại bổ sung.
c) Lựa chọn đúng cỡ kích thước.
d) Làm sạch các điện cực và dây hàn.
e) Kiểm soát sự quấn dây hàn.
f) Kiểm soát và giám sát lưu lượng dòng khí.
B.2.5 Biện pháp phòng ngừa an toàn
B.2.5.1 Quy định chung
a) Lắp ráp, lắp đặt và ngắt các quy trình hàn một cách an toàn.
b) Kiểm soát an toàn đối với khói và khí hàn.
c) Bảo vệ cá nhân.
d) Mối nguy hiểm cháy (hỏa hoạn).
e) Hàn trong các không gian hạn chế.
f) Nhận thức về môi trường hàn.
B.2.5.2 Hàn oxy - acetylen
a) Lưu trữ, vận chuyển và sử dụng an toàn các khí nén.
b) Phát hiện rò rỉ trên các ống mềm dẫn khí và phụ tùng nối ống.
c) Quy trình sẽ thực hiện trong trường hợp ngọn lửa quặt (cháy ngược).
B.2.5.3 Tất cả các quá trình hàn hồ quang
a) Môi trường có nguy cơ chập điện tăng.
b) Bức xạ do hồ quang.
c) Ảnh hưởng của sự phóng hồ quang phân tán.
B.2.5.4 Hàn hồ quang điện cực nóng chảy có lõi thuốc tự bảo vệ
a) Bảo quản, vận chuyển và sử dụng an toàn khí nén.
b) Phát hiện rò rỉ trên các ống mềm dẫn khí và phụ tùng nối ống.
B.2.6 Các trình tự/qui trình hàn
Đánh giá các yêu cầu của qui trình hàn và tác động của các thông số hàn.
B.2.7 Chuẩn bị mối nối và thể hiện mối hàn
a) Sự phù hợp của chuẩn bị mối nối với đặc tính kỹ thuật của quy trình hàn (WPS)
b) Làm sạch các bề mặt nóng chảy.
B.2.8 Các khuyết tật của mối hàn
a) Nhận biết các khuyết tật.
b) Các nguyên nhân.
c) Phòng ngừa và hành động sửa chữa.
B.2.9 Chấp nhận thợ hàn
Thợ hàn phải có kiến thức trong phạm vi chấp nhận.
Phụ lục C
(Tham khảo)
Lựa chọn lắp ráp kiểm tra, thử nghiệm FW/BW
Xem Hình C.1
Kích thước tính bằng milimét

a Khe hở
Hình C.1 - Phôi mẫu thử kết hợp FW/BW
Thư mục tài liệu tham khảo
[1] ISO 636, Welding consumables — Rods, wires and deposits for tungsten inert gas welding of non-alloy and fine-grain steels — Classification
[2] ISO 2560, Welding consumables — Covered electrodes for manual metal arc welding of non-alloy and fine grain steels — Classification
[3] ISO 3580, Welding consumables — Covered electrodes for manual metal arc welding of creep- resisting steels — Classification
[4] ISO 3581, Welding consumables — Covered electrodes for manual metal arc welding of stainless and heat-resisting steels — Classification
[5] TCVN ISO 9000:2005, Hệ thống quản lý chất lượng — Cơ sở và từ vựng
[6] ISO 14171, Welding consumables — Solid wire electrodes, tubular cored electrodes and electrode/flux combinations for submerged arc welding of non alloy and fire grain steels — Classification
[7] ISO 14172, Welding consumables — Covered electrodes for manual metal arc welding of nickel and nickel alloys — Classification
[8] ISO 14341, Welding consumables — Wire electrodes and weld deposits for gas shielded metal arc welding of non alloy and fine grain steels — Classification
[9] ISO 14343, Welding consumables — Wire electrodes, strip electrodes, wires and rods for arc welding of stainless and heat resisting steels — Classification
[10] ISO 14732, Welding personnel — Qualification testing of welding operators for fully mechanized welding and weld setters for fully mechanized welding and automatic welding of metallic materials
[11] TCVN 11224-1 (ISO 15614-1) Đặc tính kỹ thuật và chấp nhận các quy trình hàn vật liệu kim loại - Thử quy trình hàn - Phần 1: Hàn hồ quang và hàn khí thép, hàn hồ quang niken và hợp kim niken
[12] TCVN 8985 (ISO 15607), Đặc tính kỹ thuật và sự chấp nhận các quy trình hàn kim loại - Quy tắc chung
[13] ISO 16834, Welding consumables — Wire electrodes, wires, rods and deposits for gas-shielded arc welding of high strength steels — Classification
[14] ISO 17632, Welding consumables — Tubular cored electrodes for gas shielded and non-gas shielded metal arc welding of non-alloy and fine grain steels — Classification
[15] ISO 17633, Welding consumables — Tubular cored electrodes and rods for gas shielded and non-gas shielded metal arc welding of stainless and heat-resisting steels — Classification
[16] ISO 17634, Welding consumables — Tubular cored electrodes for gas shielded metal arc welding of creep-resisting steels — Classification
[17] TCVN 11764 (ISO 17635), Thử không phá hủy mối hàn —Quy tắc chung đối với vật liệu kim loại
[18] ISO 17639, Destructive tests on welds in metallic materials — Macroscopic and microscopic examination of welds
[19] ISO 17640, Non-destructive testing of welds — Ultrasonic testing — Techniques, testing levels, and assessment
[20] ISO 18274, Welding consumables — Solid wire electrodes, solid strip electrodes, solid wires and solid rods for fusion welding of nickel and nickel alloys — Classification
[21] ISO 18275, Welding consumables — Covered electrodes for manual metal arc welding of high- strength steels — Classification
[22] ISO 18276, Welding consumables — Tubular cored electrodes for gas-shielded and non-gas- shielded metal arc welding of high-strength steels — Classification
[23] ISO 21952, Welding consumables — Wire electrodes, wires, rods and deposits for gas shielded arc welding of creep-resisting steels — Classification
[24] ISO 24598, Welding consumables — Solid wire electrodes, tubular cored electrodes and electrode-flux combinations for submerged arc welding of creep-resisting steels — Classification
[25] ISO 26304, Welding consumables — Solid wire electrodes, tubular cored electrodes and electrode-flux combinations for submerged arc welding of high strength steels — Classification
1) Từ “ống” đứng một mình hoặc trong tổ hợp được dùng theo nghĩa “ống” hoặc “đoạn ống".
Bạn chưa Đăng nhập thành viên.
Đây là tiện ích dành cho tài khoản thành viên. Vui lòng Đăng nhập để xem chi tiết. Nếu chưa có tài khoản, vui lòng Đăng ký tại đây!




