- Tổng quan
- Nội dung
- Tiêu chuẩn liên quan
- Lược đồ
- Tải về
Tiêu chuẩn TCVN 8273-2:2009 Cơ cấu chuyển động chính của động cơ đốt trong kiêu pittong
| Số hiệu: | TCVN 8273-2:2009 | Loại văn bản: | Tiêu chuẩn Việt Nam |
| Cơ quan ban hành: | Bộ Khoa học và Công nghệ | Lĩnh vực: | Công nghiệp |
|
Ngày ban hành:
Ngày ban hành là ngày, tháng, năm văn bản được thông qua hoặc ký ban hành.
|
2009 |
Hiệu lực:
|
Đã biết
|
| Người ký: | Đang cập nhật |
Tình trạng hiệu lực:
Cho biết trạng thái hiệu lực của văn bản đang tra cứu: Chưa áp dụng, Còn hiệu lực, Hết hiệu lực, Hết hiệu lực 1 phần; Đã sửa đổi, Đính chính hay Không còn phù hợp,...
|
Đã biết
|
TÓM TẮT TIÊU CHUẨN VIỆT NAM TCVN 8273-2:2009
Nội dung tóm tắt đang được cập nhật, Quý khách vui lòng quay lại sau!
Tải tiêu chuẩn Việt Nam TCVN 8273-2:2009
TIÊU CHUẨN QUỐC GIA
TCVN 8273-2 : 2009
ISO 7967-2 : 1987
WITH AMD 1 : 1999
ĐỘNG CƠ ĐỐT TRONG KIỂU PIT TÔNG - THUẬT NGỮ VỀ CÁC BỘ PHẬN VÀ HỆ THỐNG - PHẦN 2: CƠ CẤU CHUYỂN ĐỘNG CHÍNH
Reciprocating internal combustion engines - Vocabulary of components and systems - Part 2: Main running gear
Lời nói đầu
TCVN 8273-2 : 2009 thay thế Phần 2 TCVN 1778 : 1976.
TCVN 8273-2 : 2009 hoàn toàn tương đương ISO 7967-2 : 1987/Amd 1 : 1999.
TCVN 8273-2 : 2009 do Ban kỹ thuật tiêu chuẩn quốc gia TCVN/TC 70 Động cơ đốt trong biên soạn, Tổng cục Tiêu chuẩn Đo lường Chất lượng đề nghị, Bộ Khoa học và Công nghệ công bố.
Bộ tiêu chuẩn TCVN 8273 (ISO 7967), Động cơ đốt trong kiểu pit tông - Thuật ngữ về các bộ phận và hệ thống, gồm các phần sau:
- TCVN 8273-1 : 2009 (ISO 7967-1 : 2005), Phần 1: Kết cấu và phần bao ngoài
- TCVN 8273-2 : 2009 (ISO 7967-2 : 1987/Amd 1 : 1999), Phần 2: Cơ cấu chuyển động chính
- TCVN 8273-3 : 2009 (ISO 7967-3 : 1987), Phần 3: Xupáp, dẫn động trục cam và cơ cấu chấp hành
- TCVN 8273-4 : 2009 (ISO 7967-4 : 2005), Phần 4: Hệ thống tăng áp và hệ thống nạp/thải khí
- TCVN 8273-5 : 2009 (ISO 7967-5 : 2003), Phần 5: Hệ thống làm mát
- TCVN 8273-6 : 2009 (ISO 7967-6 : 2005), Phần 6: Hệ thống bôi trơn
- TCVN 8273-7 : 2009 (ISO 7967-7 : 2005), Phần 7: Hệ thống điều chỉnh
- TCVN 8273-8 : 2009 (ISO 7967-8 : 2005), Phần 8: Hệ thống khởi động
- TCVN 8273-9 : 2009 (ISO 7967-9 : 1996), Phần 9: Hệ thống kiểm soát và giám sát
ĐỘNG CƠ ĐỐT TRONG KIỂU PIT TÔNG - THUẬT NGỮ VỀ CÁC BỘ PHẬN VÀ HỆ THỐNG - PHẦN 2: CƠ CẤU CHUYỂN ĐỘNG CHÍNH
Reciprocating internal combustion engines - Vocabulary of components and systems - Part 2: Main running gear
1. Phạm vi áp dụng
Tiêu chuẩn này quy định các thuật ngữ liên quan đến cơ cấu chuyển động chính của động cơ đốt trong kiểu pit tông.
TCVN 7861 (ISO 2710) đưa ra sự phân loại về động cơ đốt trong kiểu píttông và quy định các thuật ngữ cơ bản của các đặc tính của động cơ.
2. Tài liệu viện dẫn
Các tài liệu viện dẫn sau rất cần thiết cho việc áp dụng tiêu chuẩn này. Đối với các tài liệu viện dẫn ghi năm công bố thì áp dụng phiên bản được nêu. Đối với các tài liệu viện dẫn không ghi năm công bố thì áp dụng phiên bản mới nhất, bao gồm cả các sửa đổi, bổ sung (nếu có).
TCVN 7861 (ISO 2710) (tất cả các phần), Động cơ đốt trong kiểu pít tông - Từ vựng.
TCVN 5735-1 (ISO 6621-1), Động cơ đốt trong - Vòng găng - Phần 1: Từ vựng.
3. Thuật ngữ và định nghĩa
Các thuật ngữ và định nghĩa được liệt kê từ Điều 4 đến Điều 7 trong Bảng sau:
Trong một vài trường hợp, minh họa được đưa ra để thể hiện hình dáng đặc thù của bộ phận. Trong một số minh họa, các bộ phận được làm nổi bật để giúp nhận dạng các bộ phận.
4. Nhóm pit tông
| 4.1 | Pit tông | Bộ phận chuyển động tịnh tiến trong xy lanh động cơ và chịu tác dụng của áp suất khí. Thông thường nó được lắp với thanh truyền bằng khớp bản lề. |
|
4.1.1. Dạng pit tông đặc biệt
| 4.1.1.1 | Pit tông đầu chữ thập | Pit tông có chốt pit tông được gắn cứng với nó. |
|
| 4.1.1.2 | Pit tông liền khối | Pit tông gồm một hay vài chi tiết được cố định với nhau. |
|
| 4.1.1.3. | Pit tông nhiều khối | Pit tông gồm một hay vài chi tiết, trong đó một số có thể tháo rời. |
|
| 4.1.1.4 | Pit tông có khống chế (kiểm soát) giãn nở nhiệt | Pit tông với những phần tử được thêm vào khi đúc để kiểm soát sự giãn nở nhiệt của phần dẫn hướng pit tông. |
|
| 4.1.1.5 | Pit tông nối bằng khớp bản lề | Pit tông bao gồm ít nhất hai phần: thân pit tông (phần dưới pit tông) và đầu pit tông (phần trên pit tông) nối với nhau bằng chốt pit tông. |
|
4.2. Các bộ phận của pít tông
| 4.2.1 | Đầu pit tông (phần trên pit tông) | Phần của pit tông mà trên đó áp suất khí trong xy lanh làm việc, và tại đó tất cả hoặc một số vòng găng được bố trí, bao gồm đỉnh pit tông và đai vòng găng. |
|
| 4.2.2 | Váy pit tông (phần đáy pit tông) | Phần dưới của pit tông bảo đảm dẫn hướng cho pit tông. Nó có thể có hoặc không có rãnh vòng găng. Trong trường hợp động cơ hai kỳ, thân pit tông còn dùng để đóng mở cửa nạp, thải. |
|
| 4.2.3. | Vành dẫn hướng pit tông | Phần của pit tông thanh trượt được đặt giữa đầu pit tông và thân pit tông, đảm bảo dẫn hướng cho pit tông. |
|
| 4.2.4 | Vòng găng | (Xem TCVN 5735-1 (ISO 6621-1). |
|
| 4.2.5 | Phần lõm đỉnh pit tông | Phần hốc trên đỉnh pit tông được thiết kế để hình dạng của đầu pit tông sẽ hỗ trợ dòng khí chèn đi vào khi pit tông đi lên điểm chết trên. |
|
| 4.2.6 | Gờ bảo vệ phần lõm đỉnh pít tông | Phần tăng cứng cho cạnh buồng cháy trên đỉnh pit tông. |
|
| 4.2.7 | Phần tăng cứng đỉnh pit tông | Phần tăng cứng cho đỉnh pit tông. |
|
| 4.2.8 | Bạc chốt pit tông | Chi tiết mang chốt pit tông. |
|
| 4.2.9 | Vỏ pit tông | Phần bên ngoài của pit tông nhiều mảnh, trong đó ổ đỡ của chốt pit tông được bố trí trong một phần tách rời bên trong pittông. |
|
| 4.2.10 | Phần mang chốt pit tông | Phần mang ổ đỡ chốt pit tông và nó lắp khớp với vỏ pit tông theo một cách mà nó có thể được tháo ra. |
|
| 4.2.11 | Chốt pit tông | Chi tiết nối pit tông và thanh truyền. |
|
| 4.2.12 | Vòng hãm (khuyên hãm) | Vòng ngăn chặn dịch chuyển ngang của chốt pit tông. | |
| 4.2.13 | Lót rãnh vòng găng | Phần chống mòn được ép vào trong rãnh vòng găng như một lớp lót để lắp một hoặc nhiều vòng găng. |
|
| 4.2.14 | Cần pit tông | Bộ phận nối thanh trượt với pit tông. |
|
| 4.2.15 | Thanh trượt | Cơ cấu trượt trong một hướng thích hợp đẩy bề mặt trượt bằng cách tạo thành góc với thanh truyền nơi mà pit tông được gắn chặt với thanh truyền bằng khớp nối. |
|
4.3. Cấu tạo của pit tông
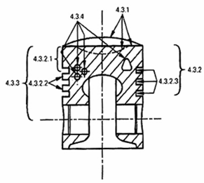
| 4.3.1 | Đỉnh pit tông | Bề mặt trên cùng của pit tông tiếp xúc với buồng cháy. |
| |
| 4.3.2 | Vành đai rãnh vòng găng | Phần của bề mặt bao xung quanh pit tông giữa đỉnh pit tông và phần dưới cùng của rãnh vòng găng thấp nhất và để lắp các vòng găng. |
| |
|
| ||||
| 4.3.2.1 | Vùng đỉnh | Phần của bề mặt bao xung quanh pit tông bên trên rãnh pit tông trên cùng. |
| |
| 4.3.2.2 | Vùng vòng găng | Phần của mặt bên pit tông giữa các rãnh vòng găng | Xem minh họa trong 4.3.2 | |
| 4.3.2.3 | Rãnh vòng găng | Rãnh chứa vòng găng. | Xem minh họa trong 4.3.2 | |
| 4.3.3 | Chiều cao nén | Khoảng cách từ đường tâm chốt pit tông đến cạnh trên của vùng đỉnh. | Xem minh họa trong 4.3.2 | |
| 4.3.4 | Đường làm mát | Khoang chứa với những pit tông mà chất làm mát (dầu động cơ thông dụng) lưu thông. | Xem minh họa trong 4.3.2 | |
5. Cơ cấu thanh truyền
| 5.1 | Thanh truyền | Bộ phận gắn liền pit tông hay đầu chữ thập với trục khuỷu thông qua các ổ trục, biến đổi chuyển động tịnh tiến thành chuyển động quay. |
|
| 5.1.1 | Đầu nhỏ thanh truyền | Phần của thanh truyền nối với pit tông hay đầu chữ thập. |
|
| 5.1.2 | Đầu to thanh truyền | Phần của thanh truyền nối với trục khuỷu hay đầu to thanh truyền chính. CHÚ THÍCH: Như một quy tắc, đầu to thanh truyền có khoảng chia tách để lắp chặt với chốt khuỷu. |
|
| 5.1.3 | Thân thanh truyền | Phần của thanh truyền nối giữa đầu nhỏ và đầu to thanh truyền. |
|
| 5.1.4 | Thanh truyền kiểu máy biển | Thanh truyền có đầu to tách rời. |
|
| 5.1.5 | Thanh truyền tách ngang | Thanh truyền với một đầu phân chia, mặt phẳng phân cách của nó vuông góc với đường tâm của thanh truyền. |
|
| 5.1.6 | Thanh truyền tách chéo | Thanh truyền với một đầu phân chia, mặt phẳng phân cách của nó không vuông góc với đường tâm thanh truyền. |
|
| 5.1.7 | Thanh truyền nối khớp (nối bản lề) | Sự lắp ghép của thanh truyền chính với một hay nhiều thanh truyền phụ. |
|
| 5.1.7.1 | Thanh truyền chính | Thanh truyền mà trên đầu to của nó, đầu to của một hay nhiều thanh truyền phụ được gắn vào. |
|
| 5.1.7.2 | Thanh truyền phụ | Thanh truyền mà đầu to của nó được gắn trên đầu to của thanh truyền chính. |
|
| 5.1.8 | Thanh truyền hình nạng | Hệ thống thanh truyền của động cơ chữ V hoặc động cơ xy lanh đối đỉnh, trong đó đầu to của thanh truyền chính có rãnh để lắp thanh truyền phụ. |
|
| 5.1.9 | Thanh truyền kép | Thanh truyền của động cơ chữ V hay động cơ xy lanh đối đỉnh trong đó những đầu to thanh truyền được sắp xếp kề sát nhau trên cùng một chốt khuỷu. |
|
| 5.1.10 | Ổ trục đầu to | Ổ trục giữa thanh truyền và trục khuỷu. |
|
| 5.1.11 | Ổ trục đầu nhỏ | Ổ trục giữa thanh truyền và pit tông hay chốt thanh trượt. |
|
6. Trục khuỷu
| 6.1 | Trục khuỷu | Trục bao gồm các cánh tay đòn (khuỷu), chuyển động quay được dẫn động đến nó qua thanh truyền từ chuyển động tịnh tiến của pit tông. |
|
| 6.1.1 | Trục khuỷu đơn | Trục khuỷu được chế tạo liền một khối. Đối trọng có thể đúc liền hay gắn lên trục khuỷu. |
|
| 6.1.2 | Trục khuỷu ghép cứng | Trục khuỷu được tạo thành từ nhiều phần tử riêng biệt, không thể tháo rời. |
|
| 6.1.3 | Trục khuỷu lắp ghép | Trục khuỷu được tạo thành từ nhiều phần tử riêng biệt, có thể tháo rời. |
|
| 6.1.4 | Bán kính khuỷu; khuỷu | Phần của trục khuỷu bao gồm chốt khuỷu và các má khuỷu liền kề. CHÚ THÍCH: Thuật ngữ này cũng được sử dụng như là khoảng cách giữa đường tâm của trục khuỷu và chốt khuỷu. |
|
| 6.1.5 | Cổ khuỷu | Phần của trục khuỷu quay bên trong ổ đỡ chính. |
|
| 6.1.6 | Chốt khuỷu | Phần của trục khuỷu mà tại đó một hay nhiều đầu to thanh truyền được lắp đặt. |
|
| 6.1.7 | Má khuỷu | Phần của trục khuỷu nối chốt khuỷu với cổ khuỷu. |
|
| 6.1.8 | Ổ trục chính | Ổ trong đó trục khuỷu quay. |
|
| 6.1.9 | Ổ chặn | Ổ trục được bố trí dọc trục khuỷu, chịu lực dọc trục tác dụng lên trục khuỷu. |
|
| 6.1.10 | Đối trọng | Phần khối lượng được đúc liền hoặc làm rời rồi lắp lên trục khuỷu, làm giảm ảnh hưởng mất cân bằng của các khối lượng chuyển động tịnh tiến, chuyển động quay. |
|
7. Cơ cấu chuyển động khác
| 7.1 | Bánh đà | Phần khối lượng gắn lên trục khuỷu để tăng quán tính chuyển động quay của nó. |
|
| 7.2 | Bộ giảm dao động xoắn | Thiết bị hấp thụ năng lượng gắn với trục khuỷu, được thiết kế để giảm biên độ dao động xoắn. | - |
| 7.3 | Bộ cân bằng động | Cơ cấu máy có gắn các khối lượng lệch tâm được dẫn động từ trục khuỷu với tỉ số truyền thích hợp nhằm giảm sự mất cân bằng về lực hay tần số. | - |
| 7.4 | Cơ cấu truyền động chính | Tất cả các bộ phận truyền động giữa trục ra của động cơ và máy công tác. | - |
| 7.5 | Dẫn động tích hợp | Các bánh răng được lắp vào động cơ và được thiết kế để cung cấp tỷ số truyền riêng giữa trục khuỷu và trục dẫn động động cơ. | - |
Bạn chưa Đăng nhập thành viên.
Đây là tiện ích dành cho tài khoản thành viên. Vui lòng Đăng nhập để xem chi tiết. Nếu chưa có tài khoản, vui lòng Đăng ký tại đây!










































