- Tổng quan
- Nội dung
- Tiêu chuẩn liên quan
- Lược đồ
- Tải về
Tiêu chuẩn TCVN 12239:2018 Yêu cầu và hướng dẫn áp dụng cầu nhiệt
| Số hiệu: | TCVN 12239:2018 | Loại văn bản: | Tiêu chuẩn Việt Nam |
| Cơ quan ban hành: | Bộ Khoa học và Công nghệ | Lĩnh vực: | Công nghiệp |
|
Ngày ban hành:
Ngày ban hành là ngày, tháng, năm văn bản được thông qua hoặc ký ban hành.
|
2018 |
Hiệu lực:
|
Đã biết
|
| Người ký: | Đang cập nhật |
Tình trạng hiệu lực:
Cho biết trạng thái hiệu lực của văn bản đang tra cứu: Chưa áp dụng, Còn hiệu lực, Hết hiệu lực, Hết hiệu lực 1 phần; Đã sửa đổi, Đính chính hay Không còn phù hợp,...
|
Đã biết
|
TÓM TẮT TIÊU CHUẨN VIỆT NAM TCVN 12239:2018
Nội dung tóm tắt đang được cập nhật, Quý khách vui lòng quay lại sau!
Tải tiêu chuẩn Việt Nam TCVN 12239:2018
TIÊU CHUẨN QUỐC GIA
TCVN 12239:2018
IEC 60691:2015
CẦU NHIỆT - YÊU CẦU VÀ HƯỚNG DẪN ÁP DỤNG
Thermal-links - Requirements and application guide
Lời nói đầu
TCVN 12239:2018 hoàn toàn tương đương với IEC 60691:2015;
TCVN 12239:2018 do Ban kỹ thuật tiêu chuẩn quốc gia TCVN/TC/E1 Máy điện và khí cụ điện biên soạn, Tổng cục Tiêu chuẩn Đo lường Chất lượng đề nghị, Bộ Khoa học và Công nghệ công bố.
CẦU NHIỆT - YÊU CẦU VÀ HƯỚNG DẪN ÁP DỤNG
Thermal-links - Requirements and application guide
1 Phạm vi áp dụng
Tiêu chuẩn này áp dụng cho các cầu nhiệt được thiết kế để lắp trong các thiết bị điện, thiết bị điện tử và các bộ phận hợp thành của chúng, thường được thiết kế để sử dụng trong nhà, để bảo vệ chống quá nhiệt trong các điều kiện bất thường.
CHÚ THÍCH 1: Thiết bị không được thiết kế để phát nhiệt.
CHÚ THÍCH 2: Hiệu quả bảo vệ chống quá nhiệt về logic phụ thuộc vào vị trí và phương pháp lắp đặt cầu nhiệt, cũng như phụ thuộc vào dòng điện chạy qua.
Tiêu chuẩn này cũng có thể áp dụng cho các cầu nhiệt sử dụng trong các điều kiện không phải trong nhà, với điều kiện khí hậu và các trường hợp khác trong môi trường bao quanh trực tiếp của cầu nhiệt tương tự với điều kiện trong tiêu chuẩn này.
Tiêu chuẩn này cũng có thể áp dụng cho các cầu nhiệt ở các dạng đơn giản nhất (ví dụ dạng dẹt hoặc tròn) với điều kiện vật liệu chảy bắn ra trong khi hoạt động không thể ảnh hưởng bất lợi đến việc sử dụng an toàn thiết bị, đặc biệt trong trường hợp thiết bị cầm tay hoặc thiết bị xách tay, bất kể cầu nhiệt lắp đặt ở vị trí nào.
Phụ lục H của tiêu chuẩn này áp dụng cho cụm bao gói cầu nhiệt trong đó (các) cầu nhiệt đã được chứng nhận theo tiêu chuẩn này nhưng được bọc trong vỏ kim loại hoặc vỏ phi kim và có các đầu nối/chân nối.
Tiêu chuẩn này áp dụng cho các cầu nhiệt có điện áp danh định không quá 690 V xoay chiều hoặc một chiều và dòng điện danh định không quá 63 A.
Tiêu chuẩn này nhằm
a) thiết lập các yêu cầu thống nhất cho các cầu nhiệt,
b) xác định phương pháp thử,
c) cung cấp thông tin hữu ích cho việc sử dụng cầu nhiệt trong thiết bị.
Tiêu chuẩn này không áp dụng cho các cầu nhiệt được sử dụng trong các điều kiện cực đoan như khí quyển nổ hoặc ăn mòn.
Tiêu chuẩn này không áp dụng cho các cầu nhiệt được sử dụng trong các mạch điện điện xoay chiều có tần số thấp hơn 45 Hz hoặc cao hơn 62 Hz.
2 Tài liệu viện dẫn
Các tài liệu viện dẫn dưới đây là cần thiết để áp dụng tiêu chuẩn này. Đối với các tài liệu viện dẫn có ghi năm công bố thì áp dụng các bản được nêu. Đối với các tài liệu viện dẫn không ghi năm công bố thì áp dụng phiên bản mới nhất (kể cả các sửa đổi).
TCVN 9624:2013 (IEC 61210:2010), Bộ đầu nối - Đấu nối nối nhanh dạng dẹt dùng cho ruột dẫn điện bằng đồng - Yêu cầu về an toàn
TCVN 9900-11-10:2013 (IEC 60695-11-10:2003), Thử nghiệm nguy cơ cháy - Phần 11-10: Ngọn lửa thử nghiệm - Phương pháp thử bằng ngọn lửa 50 W nằm ngang và thẳng đứng
TCVN 10884-1:2015 (IEC 60664-1:2007), Phối hợp cách điện dùng cho thiết bị trong hệ thống điện hạ áp - Phần 1: Nguyên tắc, yêu cầu và thử nghiệm
IEC 60065:2014 1, Audio, video and similar electronic apparatus - Safety requirements (Thiết bị audio, video và các thiết bị điện tử tương tự - Yêu cầu về an toàn)
IEC 60112:2003 and amendment 1:2009, Method for the determination of the proof and the comparative tracking indices of solid insulating materials (Phương pháp xác định chỉ số chịu phóng điện và tỷ số phóng điện tương đối của vật liệu cách điện rắn)
IEC 60127-2:2014, Miniature fuses - Part 2: Catridge fuse-links (Cầu chảy cỡ nhỏ - Phần 2: Dây chảy loại chứa trong hộp)
IEC 60216-5:2008, Electrical insulating materials - Thermal endurance properties - Part 5: Determination of relative thermal endurance index (RTE) of an insulating material (Vật liệu cách điện - Đặc tính của độ bền nhiệt - Phần 5: Xác định chỉ số độ bền nhiệt tương đối (RTE) của vật liệu cách điện)
IEC 60695-2-12:2010 with amendment 1:2014, Fire hazard testing - Part 2-12: Glowing/hot-wire based test methods-Glow-wire flammability index (GWFI) test method for materials (Thử nghiệm nguy cơ cháy - Phần 2-12: Phương pháp thử bằng sợi dây nóng đỏ - Phương pháp thử chỉ số cháy bằng sợi dây nóng đỏ (GWFI) đối với vật liệu)
IEC 60695-2-13:2010 with amendment 1:2014, Fire hazard testing - Part 2-13: Glowing/hot-wire based test methods - Glow-wire ignition temperature (GWIT) test method for materials (Thử nghiệm nguy cơ cháy - Phần 2-13: Phương pháp thử bằng sợi dây nóng đỏ - Phương pháp thử nhiệt độ bắt cháy bằng sợi dây nóng đỏ (GWIT) đối với vật liệu)
IEC 60695-10-2:2014, Fire hazard testing - Part 10-2: Abnormal heat - Ball pressure test method (Thử nghiệm nguy cơ cháy - Phần 10-2: Nhiệt bất thường - Phương pháp thử nghiệm ép viên bi)
IEC 60730-1:2013, Automatic electrical controls - Part 1: General requirements (Cơ cấu điều khiển diện tự động - Phần 1 Yêu cầu chung)
3 Thuật ngữ và định nghĩa
Tiêu chuẩn này áp dụng các thuật ngữ và định nghĩa dưới đây.
3.1
Khe hở không khí (clearance)
Khoảng cách ngắn nhất trong không khí giữa hai phần dẫn điện.
3.2
Chiều dài đường rò (creepage distance)
Khoảng cách nhỏ nhất theo bề mặt của vật liệu cách điện giữa hai phần dẫn điện.
3.3
Nhiệt độ duy trì (holding temperature)
Th
Nhiệt độ lớn nhất của cầu nhiệt tại đó cầu nhiệt không thay đổi trạng thái dẫn điện trong thời gian quy định ở dòng điện danh định.
CHÚ THÍCH: Giá trị nhỏ nhất cho phép của Th là 35 °C.
3.4
Loạt đồng nhất (homogeneous series)
Loạt cầu nhiệt có kích thước bên ngoài giống nhau và có chung kết cấu tổng thể, mà giữa chúng chỉ sai lệch nhau ở đặc tính nào đó (kể cả thông số danh định) trong một thử nghiệm cho trước, việc thử nghiệm của một hoặc một số các cầu nhiệt cụ thể của loạt đó có thể lấy làm kết quả đại diện cho tất cả các cầu nhiệt của loạt cầu nhiệt đồng nhất.
3.5
Dòng điện ngắt (interrupting current)
Ib
Giá trị của dòng điện mà cầu nhiệt có khả năng bị đứt ở điện áp danh định và trong các điều kiện mạch điện quy định.
3.6
Giới hạn nhiệt độ lớn nhất (maximum temperature limit)
Tm
Nhiệt độ của cầu nhiệt do nhà chế tạo công bố, mà đến giá trị đó thì các đặc tính cơ và điện của cầu nhiệt, đã thay đổi trạng thái dẫn của nó, không bị ảnh hưởng trong một thời gian cho trước.
3.7
Chế độ làm việc pilot (pilot duty)
Thông số danh định ấn định cho thiết bị đóng cắt để điều khiển cuộn dây của các thiết bị điện cơ khác như cuộn solenoid, rơle hoặc côngtắctơ.
3.8
Thiết bị cầm tay (portable equipment)
Thiết bị di chuyển trong khi vận hành hoặc có thể dễ dàng di chuyển từ nơi này sang nơi khác trong khi vẫn đang nối với nguồn cung cấp điện.
3.9
Dòng điện danh định (rated current)
Ir
Dòng điện được sử dụng để phân loại cầu nhiệt.
3.10
Nhiệt độ làm việc danh định (rated functioning temperature)
Tf
Nhiệt độ của cầu nhiệt làm cho nó thay đổi trạng thái dẫn điện với dòng điện phát hiện đến 10 mA là phụ tải duy nhất.
3.11
Điện áp danh định (rated current)
Ur
Điện áp được sử dụng để phân loại cầu nhiệt.
3.12
Phần tử nhiệt (thermal element)
Vật liệu chảy bằng kim loại hoặc phi kim loại là một phần của cầu nhiệt và phản ứng với nhiệt độ bằng cách thay đổi trạng thái ví dụ từ rắn sang lỏng ở nhiệt độ mà nó được hiệu chuẩn.
3.13
Cầu nhiệt (thermal-link)
Thiết bị không sử dụng lại được gồm phần tử nhiệt mà sẽ ngắt mạch điện chỉ một lần khi chịu nhiệt độ vượt quá nhiệt độ nó được thiết kế trong một thời gian đủ dài.
3.14
Dòng điện quá tải quá độ (transient overload current)
Ip
Dãy xung dòng điện một chiều mà cầu nhiệt có khả năng chịu mà không làm ảnh hưởng đến đặc tính của nó.
3.15
Thử nghiệm điển hình (type test)
Thử nghiệm sự phù hợp trên cơ sở một hoặc nhiều mẫu của sản phẩm đại diện cho loạt sản xuất.
3.16
Nhiệt độ duy trì kéo dài (extended holding temperature)
Th-100
Nhiệt độ lớn nhất mà cầu nhiệt có thể duy trì khi dẫn dòng điện tải danh định ở điện áp danh định trong thời gian 100 tuần mà sẽ không làm cầu nhiệt hở mạch theo cách đánh giá nhiệt độ duy trì kéo dài.
CHÚ THÍCH 1: Đây là thông số danh định để người sử dụng cân nhắc trong khi khảo sát sản phẩm cuối cùng.
CHÚ THÍCH 2: Phụ lục D quy định việc đánh giá nhiệt độ duy trì kéo dài.
3.17
Thử nghiệm lão hóa nhiệt dẫn (conductive heat ageing test)
CHAT
Thử nghiệm để đánh giá cầu nhiệt khi sử dụng trong thiết bị.
CHÚ THÍCH 1: Nếu thử nghiệm này thực hiện thỏa đáng thì cầu nhiệt sẽ được công nhận là có thông số danh định CHAT. Thông số danh định này là để người sử dụng sản phẩm cuối cùng cân nhắc trong khi khảo sát sản phẩm cuối cùng.
CHÚ THÍCH 2: Phụ lục C quy định thử nghiệm lão hóa nhiệt dẫn.
4 Yêu cầu chung
4.1 Khả năng bảo vệ thiết bị chống quá nhiệt không chỉ phụ thuộc vào các đặc tính của cầu nhiệt mà còn phụ thuộc rất nhiều vào việc lắp cầu nhiệt trong thiết bị. Do đó, ngoài thông lệ thực hành tốt, phải cân nhắc các yêu cầu của hướng dẫn áp dụng trong Phụ lục A.
4.2 Cầu nhiệt phải có đủ độ bền điện và cơ và phải có kết cấu sao cho chịu được tất cả các điều kiện vận chuyển có nhiều khả năng xảy ra trong khi lắp và sử dụng bình thường, khi được sử dụng trong phạm vi các yêu cầu của tiêu chuẩn này.
4.3 Khi cầu nhiệt thay đổi trạng thái dẫn điện, không được có hồ quang hoặc ngọn lửa duy trì, không được có vật liệu văng ra có thể làm ảnh hưởng đến các vùng xung quanh hoặc gây ra các rủi ro như điện giật hoặc cháy.
Đối với cầu nhiệt dạng dẹt hoặc tròn, cần thận trọng để tránh vật liệu nóng chảy do ngắn mạch hoặc rút ngắn chiều dài đường rò hoặc khe hở không khí nhằm giảm rủi ro ảnh hưởng xấu đến hệ thống cách điện của thiết bị.
Sau khi đã hoạt động, cầu nhiệt không được bị hư hại khi chịu các nhiệt độ không lớn hơn Tm, làm ảnh hưởng đến an toàn của thiết bị liên quan đến nguy cơ điện giật và phóng điện tạo vết cầu nhiệt không được đóng lại mạch sau khi tác động.
4.4 Đối với các yêu cầu của cụm bao gói cầu nhiệt, xem Phụ lục H.
5 Lưu ý chung về thử nghiệm
5.1 Điều kiện thử nghiệm như sau:
5.1.1 Nếu không có quy định khác, chỉ các thử nghiệm không yêu cầu phải thực hiện trong tủ môi trường và/hoặc trong lò thử nghiệm phải được thực hiện trong các điều kiện khí quyển sau:
- Nhiệt độ: 15 °C đến 35 °C
- Độ ẩm tương đối: 25 % đến 75 %,
- Áp suất không khí: 8,6 x 104 Pa đến 1,06 x 105 Pa
Các điều kiện khí quyển yêu cầu trong quá trình thử nghiệm có thể được khống chế khi thực hiện các thử nghiệm và trong thời gian thử nghiệm. Các điều kiện khí quyển yêu cầu không phải duy trì trong phòng thí nghiệm khi không thực hiện các thử nghiệm.
5.1.2 Trong trường hợp các điều kiện cho trong 5.1.1 có ảnh hưởng đáng kể thì chúng phải được giữ không đổi trong suốt các thử nghiệm.
5.1.3 Nếu các giới hạn nhiệt độ cho trong 5.1.1 quá rộng đối với các thử nghiệm nhất định thì phải thử nghiệm lại, trong trường hợp có nghi ngờ, ở nhiệt độ (23 ± 1) °C.
5.2 Trong tất cả các báo cáo thử nghiệm, phải nêu nhiệt độ môi trường. Nếu các điều kiện tiêu chuẩn đối với độ ẩm tương đối hoặc áp suất không được đáp ứng trong các thử nghiệm thì phải bổ sung lưu ý đến những ảnh hưởng này trong báo cáo.
5.3 Nếu kết quả của thử nghiệm bị ảnh hưởng, trong chừng mực nhất định, do vị trí và phương pháp lắp đặt của mẫu, điều kiện bất lợi nhất phải được chọn cho các thử nghiệm liên quan và được ghi lại.
5.4 Nếu cầu nhiệt được thiết kế đặc biệt để sử dụng trong các kiểu thiết bị đặc biệt và không thể thử nghiệm riêng rẽ được thì các thử nghiệm trong tiêu chuẩn này phải được thực hiện trong các thiết bị đó hoặc trong các phần liên quan của nó, hoặc tương tự.
5.5 Khi thử nghiệm loạt cầu nhiệt đồng nhất, tất cả các thử nghiệm phải được áp dụng cho các cầu nhiệt có nhiệt độ Tf nhỏ nhất và lớn nhất. Cầu nhiệt có nhiệt độ làm việc danh định trung gian chỉ cần chịu các thử nghiệm theo 10.3, 11.3, 11.4 và 11.5.
5.6 Số lượng mẫu phải như sau.
5.6.1 Tổng số mẫu yêu cầu là 48. Trong số 48 mẫu, 15 mẫu được giữ dự phòng trong trường hợp phải lặp lại các thử nghiệm. 33 mẫu còn lại được chia thành 11 nhóm được đặt tên theo thứ tự alphabet từ A đến K. Mỗi nhóm gồm ba mẫu. Các thử nghiệm phải được thực hiện theo thứ tự cho trong Bảng 1 nhưng, nếu yêu cầu như vậy thì các thử nghiệm có thể được lặp lại, ví dụ thử nghiệm ghi nhãn (xem Điều 7). Các mẫu bổ sung có thể cần thiết theo chú thích 2 của Bảng 1.
Đối với các thử nghiệm tùy chọn, các mẫu bổ sung cần được lặp lại theo các phụ lục áp dụng.
5.6.2 Trong thử nghiệm bất kỳ được thực hiện theo điều thử nghiệm liên quan bất kỳ, nếu phát hiện thấy là không đạt thì phải xác định nguyên nhân không đạt và tiến hành các hành động khắc phục. Dựa trên báo cáo phân tích không đạt và hành động khắc phục, trình tự thử nghiệm phải được lặp lại trên tối thiểu hai lần số mẫu được xem xét, và không được có thêm mẫu không đạt.
Nếu không cần các hành động khắc phục, thử nghiệm cần được lặp lại với hai lần cỡ mẫu và không được có thêm sai lệch khác.
5.6.3 Đối với các yêu cầu về cụm bao gói cầu nhiệt, xem Phụ lục H.
5.7 Thử nghiệm lão hóa nhiệt dẫn của Phụ lục C được áp dụng khi nhà chế tạo công bố.
Có thể bỏ qua thử nghiệm lão hóa nhiệt dẫn nếu cầu nhiệt có kết cấu không có tiếp xúc.
CHÚ THÍCH: Ở Mỹ, thử nghiệm lão hóa nhiệt dẫn được yêu cầu công bố.
Bảng 1 - Lịch trình thử nghiệm
| Điều | Thử nghiệm | Nhóm mẫu | ||||||||||
| A | B | C | D | E | F | G | H | I | J | K | ||
| 7 a | Ghi nhãn (thử nghiệm chà xát) | x | x |
|
|
|
|
|
|
|
|
|
| 7 a | Ghi nhãn (chỉ xem xét bằng mắt) | x | x |
|
|
|
|
|
|
|
|
|
| 9 Yêu cầu về kết cấu | ||||||||||||
| 9.2.2 a | Lực kéo | x |
|
|
|
|
|
|
|
|
|
|
| 9.2.3 a | Lực ấn |
| x |
|
|
|
|
|
|
|
|
|
| 9.2.4 a | Lực uốn/xoắn |
|
| x |
|
|
|
|
|
|
|
|
| 9.6 a | Khả năng chịu phóng điện tạo vết |
|
|
|
|
|
|
|
|
|
| x |
| 9.7 a | Chiều dài đường rò và khe hở không khí |
|
|
|
|
| x | x |
|
|
|
|
| 9.8 | Ổn định chu kỳ nhiệt độ và độ ẩm | x | x | x |
|
| x | x |
|
|
|
|
| 10 Yêu cầu về điện | ||||||||||||
| 10.1 | Độ bền điện môi (nếu áp dụng) | x | x | x |
|
| x | x |
|
|
|
|
| 10.2 | Điện trở cách điện (nếu áp dụng) | x | x | x |
|
| x | x |
|
|
|
|
| 10.3 | Dòng điện ngắt |
|
|
|
|
| x | x |
|
|
|
|
| 10.4 | Dòng điện quá tải quá độ | x | x |
|
|
|
|
| x |
|
|
|
| 11 Thử nghiệm nhiệt độ | ||||||||||||
| 11.2 | Kiểm tra ở nhiệt độ Th |
|
|
|
|
|
|
|
|
|
| x |
| 11.3 | Kiểm tra ở nhiệt độ Tf | x |
| x |
|
|
|
|
|
|
|
|
| 11.4 | Kiểm tra ở nhiệt độ Tm sau đó là thử nghiệm điện môi và điện trở cách điện |
|
| x | x |
|
|
|
|
|
|
|
| 11.5 | Lão hóa Bước 1 (tùy chọn) 21 ngày Bước 2 (bắt buộc) 21 ngày Bước 3 (bắt buộc) 14 ngày Bước 4 (bắt buộc) 7 ngày Bước 5 (bắt buộc) 7 ngày Bước 6 (bắt buộc) 24 h |
| x |
|
| x |
|
| x | x | x |
|
| 10.1 | Độ bền điện môi | x | x |
|
| x | x | x | x | x | x |
|
| 10.2 | Điện trở cách điện | x | x |
|
| x | x | x | x | x | x |
|
| 12 Khả năng chống gỉ | ||||||||||||
| 12 a | Khả năng chống gỉ (các phần bằng sắt) | x | x | x |
|
|
|
|
|
|
|
|
| Nếu các điều kiện về điện áp, công suất và dòng điện trong 10.3.2.3, 10.3.2.4 và 10.3.2.5 không được đề cập trong thử nghiệm thì tối thiểu ba mẫu cần được thử nghiệm đối với từng điều kiện thử nghiệm. | ||||||||||||
| a Đối với loạt đồng nhất, cho phép các thử nghiệm này đối với các thông số trung gian. | ||||||||||||
6 Phân loại
6.1 Điều kiện về điện
Liên quan đến các điều kiện về điện, sử dụng các thuật ngữ sau:
a) điện áp
1) xoay chiều
2) một chiều
b) dòng điện
1) điện trở
2) cảm ứng
c) động cơ
d) chế độ làm việc pilot
e) bóng đèn phóng điện
f) đặc biệt
6.2 Điều kiện về nhiệt
Liên quan đến các điều kiện về nhiệt, sử dụng các ký hiệu và chữ viết tắt sau:
a) Tf
b) Th
c) Tm
d) CHAT
e) Th-100
6.3 Khả năng chịu phóng điện tạo vết
Liên quan đến khả năng chịu phóng điện tạo vết, sử dụng các dải sau:
a) chỉ số phóng điện tạo vết từ 175 đến 249;
b) chỉ số chịu phóng điện tạo vết lớn hơn hoặc bằng 250.
CHÚ THÍCH: Các dải này dựa trên phương pháp thử nghiệm đối với phóng điện tạo vết bề mặt cho trong IEC 60112.
7 Ghi nhãn
7.1 Từng cầu nhiệt phải được ghi nhãn với các nội dung sau:
a) kiểu hoặc tham chiếu catalo;
b) tên nhà chế tạo hoặc nhãn thương mại;
c) nhiệt độ làm việc danh định Tf có hoặc không có ký hiệu Tf theo sau là số chỉ thị nhiệt độ celsius (°C hoặc C);
d) mã ngày để nhận biết ngày chế tạo và không được lặp lại tối thiểu trong 10 năm, và vị trí hoặc mã của nhà máy, được in trên cầu nhiệt hoặc bao bì nhỏ nhất.
Nếu chỉ có một nhà máy, vị trí nhà máy có thể được bỏ qua.
Catalo hoặc số tham chiếu cần xác định các tham số như nhiệt độ, dòng điện và điện áp, cùng với phân loại của cầu nhiệt.
7.2 Cho phép bỏ qua nhiệt độ làm việc danh định nếu kiểu hoặc tham chiếu catalo khác được sử dụng cho từng nhiệt độ làm việc khác nhau.
7.3 Ghi nhãn phải dễ đọc và không bị phai mờ.
Kiểm tra sự phù hợp với các yêu cầu về không dễ xóa của nhãn được kiểm tra bằng thử nghiệm trong Phụ lục G sử dụng trang thiết bị thể hiện trên Hình G.1. Sự dễ đọc được kiểm tra bằng cách xem xét. Sau các thử nghiệm lão hóa của 11.4, kiểm tra sự phù hợp bằng cách xem xét.
7.4 Ghi nhãn theo a), b), c) và d) trong 7.1 phải được in bổ sung trên bao bì cùng với số hiệu tham chiếu đến tiêu chuẩn này.
7.5 Nếu cầu nhiệt có cỡ nhỏ và không được thiết kế để thay thế, ghi nhãn theo b) đến d) trong 7.1 phải được in trên bao bì, cùng với số tham chiếu đến tiêu chuẩn này.
Kiểm tra sự phù hợp bằng cách xem xét.
8 Tài liệu
Nhà chế tạo phải cung cấp trong tài liệu kỹ thuật, catalo hoặc tờ hướng dẫn các thông tin dưới đây, cùng với các yêu cầu trong Điều 7:
a) phân loại theo Điều 6;
b) đối với từng loại:
1) nhiệt độ đặc tính Tf, Th, Tm;
2) dòng điện đặc tính Ir, Ib, lp;
3) điện áp danh định Ur;
c) tính thích hợp để gắn vào, hoặc sử dụng với môi chất ngâm tẩm hoặc dung môi làm sạch;
d) thông tin về lắp đặt cầu nhiệt trong thiết bị;
e) cầu nhiệt cỡ nhỏ và không được thiết kế để thay thế.
Để an toàn, cần làm rõ trong tài liệu rằng cầu nhiệt là loại không sửa chữa được và trong trường hợp thay cầu nhiệt thì cần sử dụng cầu nhiệt tương đương từ cùng một nhà chế tạo và có số tham chiếu catalo giống nhau, được lắp chính xác theo cùng một cách.
f) vị trí của màn chắn kim loại, nếu được đặt ở khoảng cách khác với 12,7 mm cách các bộ phận mang điện trong trường hợp cầu nhiệt có thành phần để hở.
9 Yêu cầu về kết cấu
9.1 Quy định chung
9.1.1 Cầu nhiệt phải có đủ độ bền cơ và độ ổn định sao cho chịu được các ứng suất có nhiều khả năng xảy ra trong quá trình vận chuyển, sử dụng bình thường và trong các điều kiện sự cố của thiết bị có sử dụng cầu nhiệt đó.
9.1.2 Các đầu nối kiểu cọc cắm phải có kết cấu theo TCVN 9624:2013 (IEC 61210:2010) và nhiệt độ lớn nhất cho phép của vật liệu cọc cắm được sử dụng phải theo Bảng A.1 của TCVN 9624:2013 (IEC 61210:2010) (Cọc cắm/tích hợp).
9.1.3 Các bộ phận mang dòng phải có kết cấu sao cho áp lực tiếp xúc không truyền qua vật liệu phi kim loại không phải là gốm hoặc vật liệu bất kỳ được coi là có đủ sự ổn định về kích thước trong phạm vi nhiệt độ dự kiến, trừ khi có đủ độ đàn hồi trong các bộ phận kim loại tương ứng để bù lại độ co ngót hoặc biến dạng của vật liệu phi kim loại đó.
Các bộ phận mang dòng phải có đủ độ bền cơ cần thiết để có khả năng mang dòng điện danh định và phải là vật liệu chấp nhận được cho ứng dụng cụ thể.
Đối với các bộ phận mang dòng, giới hạn nhiệt độ cần được xem xét theo Bảng 13 của IEC 60730-1:2013.
9.1.4 Không được dựa vào lực ma sát để giữ các bộ phận mang điện không có cách điện (kể cả các đầu nối) vào các mặt phẳng đỡ nếu có nguy cơ các bộ phận này xoay hoặc trượt khỏi vị trí của chúng làm giảm chiều dài đường rò và khe hở không khí xuống thấp hơn giá trị yêu cầu trong tiêu chuẩn này. Sự an toàn của cụm tiếp điểm phải sao cho các tiếp điểm được giữ thẳng hàng.
9.1.5 Chân nối và các bộ phận của đầu nối phải được giữ sao cho ứng suất trên chúng trong quá trình lắp đặt và sử dụng bình thường không ảnh hưởng đến tác động của cầu nhiệt. Cầu nhiệt sử dụng mối gắn với các chân nối định hình để sử dụng trong các thiết bị hoặc linh kiện không được bị uốn cong tại điểm cách mối gắn cầu nhiệt ít hơn 3 mm.
Chân nối có thể được uốn tại điểm cách mối gắn ít hơn 3 mm nếu:
a) cơ cấu uốn của nhà chế tạo cầu nhiệt và quy trình không truyền ứng suất đến cơ cấu tác động của cầu nhiệt, và nếu
b) các mẫu thử nghiệm định hình phải chịu thử nghiệm tính chắc chắn của dây uốn/xoắn theo 9.2.4 và thử nghiệm nhiệt độ làm việc danh định trong 11.3.
9.1.6 Cầu nhiệt có chân nối nhỏ hơn 0,21 mm2 phải có hướng dẫn áp dụng để hướng dẫn người sử dụng cách lắp cầu nhiệt trong thiết bị, có tính đến đáp ứng nhiệt độ của cầu nhiệt. Hướng dẫn cũng phải có nội dung về ảnh hưởng của việc di chuyển và rung trong thiết bị có thể có lên các đầu nối, các mối nối của cầu nhiệt và các bộ phận lắp đặt khác.
9.1.7 Đầu nối dùng cho các đấu nối hàn phải có chi tiết, ví dụ lỗ, để giữ ruột dẫn độc lập với mối hàn thiếc.
9.1.8 Khi thuộc đối tượng áp dụng, phải có chi tiết để lắp chắc chắn cầu nhiệt đúng vị trí.
9.1.9 Cầu nhiệt được thiết kế để đặt chìm trong cuộn dây hoặc tương tự không cần có chi tiết để lắp đặt.
9.1.10 Bu lông, vít hoặc bộ phận khác sử dụng để lắp cụm bao gói cầu nhiệt phải không phụ thuộc vào bộ phận được sử dụng để giữ các bộ phận hợp thành của cụm bao gói đó.
9.1.11 Kiểm tra sự phù hợp bằng các thử nghiệm tính chắc chắn của chân nối trong 9.2. Hướng dẫn lắp đặt và bảo quản phải được cung cấp cùng với cầu nhiệt cho nhà chế tạo sản phẩm cuối cùng theo Phụ lục A.
9.2 Thử nghiệm tính chắc chắn của chân nối
9.2.1 Quy định chung
Nếu lực đặt vào các chân nối của cầu nhiệt làm gãy một hoặc nhiều bộ phận, truyền trực tiếp hoặc gián tiếp ứng suất lên cơ cấu tác động thì phải thực hiện các thử nghiệm mô tả trong 9.2.2, 9.2.3 và 9.2.4. Không được có dịch chuyển các bộ phận có xu hướng đặt lại cầu nhiệt hoặc làm giảm chiều dài đường rò hoặc khe hở không khí trong các thử nghiệm quy định trong 9.2.2 và 9.2.3. Không được có dịch chuyển các bộ phận không phải chân nối trong thử nghiệm quy định trong 9.2.4.
9.2.2 Thử nghiệm kéo
Cầu nhiệt phải được đỡ theo cách thuận tiện bất kỳ để không làm hỏng cầu nhiệt và lực kéo như quy định trong Bảng 2 phải được đặt vào từng chân nối trong 1 min.
9.2.3 Thử nghiệm ấn
Cầu nhiệt phải được đỡ bằng cách sử dụng phương tiện thuận tiện bất kỳ sao cho không bị hư hại và lực ấn như quy định trong Bảng 2 phải được đặt vào từng chân nối trong 1 min ở khoảng cách 2 mm đến cầu nhiệt.
9.2.4 Thử nghiệm uốn/xoắn
Cầu nhiệt phải được đỡ chắc chắn sao cho không bị hỏng. Từng chân nối phải được uốn một góc 90° tại vị trí cách thân của cầu nhiệt 10 mm và sau đó xoắn 180° như Hình 1.

Hình 1 - Thử nghiệm uốn/xoắn
Bảng 2 - Độ bền của chân nối và phần đầu nối - Lực thử nghiệm kéo và ấn tối thiểu yêu cầu
| Tiết diện danh nghĩa của chân nối, A mm2 | Lực kéo N | Lực ấn N |
| Đến và bằng 0,05 | 1 | 0,25 |
| Lớn hơn 0,05 đến và bằng 1,2 | 20 x A | 5 x A |
| Lớn hơn 1,2 | 40 | 8 |
| CHÚ THÍCH: A là tiết diện danh nghĩa của chân nối, tính bằng mm2. | ||
9.3 Tiếp điểm sử dụng cho tuyến dòng điện
Các tiếp điểm sử dụng cho tuyến dòng điện trong cầu nhiệt phải chịu được ứng suất điện áp xác định bởi nguồn điện áp trong mạch điện. Các thành phần mang dòng hoặc tiếp điểm, cùng với đầu nối của chúng, thường được cách ly với các bộ phận kim loại như giá lắp đặt, vỏ kim loại và tương tự, bằng vật liệu cách điện.
9.4 Giá lắp đặt hoặc các bộ phận kim loại có thể tiếp cận được
Nếu giá lắp đặt hoặc các bộ phận kim loại của vỏ bọc cầu nhiệt có thể tiếp cận được hoặc được nối qua các trở kháng thấp đến vỏ kim loại của thiết bị có thể tiếp cận với người sử dụng từ bên ngoài thì cách điện giữa các thành phần mang dòng của cầu nhiệt và vỏ dẫn điện này phải đảm bảo trong các điều kiện quy định của nhiệt độ và độ ẩm môi trường.
9.5 Vật liệu cách điện
Đối với các yêu cầu của cụm bao gói cầu nhiệt, xem Phụ lục H.
9.6 Khả năng chịu phóng điện tạo vết
9.6.1 Nếu vật liệu cách điện sử dụng để đỡ các bộ phận mang dòng thì các tiếp điểm và đầu nối mà trong sử dụng bình thường tiếp xúc với bụi hoặc hơi ẩm đọng lại thì phải chịu được phóng điện tạo vết.
9.6.2 Đối với vật liệu không phải gốm, kiểm tra sự phù hợp bằng cách thực hiện thử nghiệm phóng điện tạo vết theo IEC 60112 trên các mẫu hoặc các mảnh thử nghiệm dẹt bằng vật liệu cách điện tương đương. Các giá trị chỉ số chịu phóng điện (PTI) phải được nhà chế tạo công bố nhưng không nhỏ hơn 175 V.
9.7 Chiều dài đường rò và khe hở không khí
9.7.1 Chiều dài đường rò và khe hở không khí giữa các bộ phận mang dòng (các tiếp điểm cùng với đầu nối của chúng) và bên ngoài vỏ bọc cầu nhiệt kể cả các phần kim loại của nó không được nhỏ hơn các giá trị trong Bảng 3. Các giá trị được chỉ ra là các giá trị tuyệt đối nhỏ nhất và kể cả dung sai của nhà chế tạo.
Cần lưu ý đến thực tế là các chiều dài đường rò và khe hở không khí nằm ngoài quy định trong Bảng 3, trong một số trường hợp cho phép nhỏ hơn giá trị yêu cầu bởi tiêu chuẩn của một số thiết bị nhất định. Trong các trường hợp này, cần có phương pháp bổ sung khi cầu nhiệt được lắp trong thiết bị để điều chỉnh chiều dài đường rò và khe hở không khí đến các giá trị yêu cầu trong tiêu chuẩn thiết bị liên quan.
9.7.2 Các khoảng cách này không áp dụng giữa các tiếp điểm hở của cầu nhiệt.
Kiểm tra sự phù hợp bằng cách đo khoảng cách liên quan.
Bảng 3 - Chiều dài đường rò và khe hở không khí (giá trị tuyệt đối nhỏ nhất)
| Điện áp danh định, Ur V | Khe hở không khí mm | Chiều dài đường rò mm |
| 0 đến 32 | 0,2 | 0,53 |
| 33 đến 50 | 0,2 | 1,2 |
| 51 đến 125 | 0,5 | 1,5 |
| 126 đến 250 | 1,5 | 2,5 |
| 251 đến 400 | 3,0 | 4,0 |
| 401 đến 690 | 4,0 | 6,9 |
| Nếu các điều kiện khác với các điều kiện quy định trong chú thích 2, cần điều chỉnh khe hở không khí/chiều dài đường rò như trong TCVN 10884-1:2015 (IEC 60664-1:2007). CHÚ THÍCH 1: Khe hở không khí/chiều dài đường rò được quy định theo TCVN 10884-1:2015 (IEC 60664-1:2007). CHÚ THÍCH 2: Các giá trị quy định được dùng cho các ứng dụng điển hình của cầu nhiệt với giả thiết: a) ứng suất điện áp liên tục; b) độ cao so với mực nước biển nhỏ hơn hoặc bằng 2 000 m; c) cách điện chính; d) trường không đồng nhất; e) quá điện áp cấp II; f) nhiễm bẩn độ 2; g) vật liệu nhóm III. | ||
9.8 Ổn định chu kỳ nhiệt độ và độ ẩm
9.8.1 Cầu nhiệt không được bị ảnh hưởng bất lợi bởi hơi ẩm trong các điều kiện môi trường mà chúng được thiết kế.
9.8.2 Để ổn định chu kỳ nhiệt độ và độ ẩm, các mẫu cầu nhiệt phải chịu ba chu kỳ ổn định hoàn chỉnh. Mỗi chu kỳ phải gồm 24 h ở Th ngày sau đó (trong vòng 15 min) là tối thiểu 24 h ở (35 ± 5) °C và độ ẩm tương đối (90 ± 5) %, sau đó là 8h ở (0 ± 2) °C.
9.8.3 Kiểm tra sự phù hợp bằng cách cho mẫu chịu thử nghiệm độ bền điện môi (xem 10.1) và điện trở cách điện (xem 10.2) của tiêu chuẩn này.
CHÚ THÍCH 1: Đối với cầu nhiệt có thân vỏ không dẫn điện, các thử nghiệm độ bền điện môi và điện trở cách điện được thực hiện sau khi lấy mẫu khỏi tủ ổn định.
CHÚ THÍCH 2: Đối với cầu nhiệt có vỏ dẫn điện, thử nghiệm điện trở cách điện được thực hiện giữa các đầu nối sau khi lấy mẫu khỏi tủ ổn định.
9.9 Đầu nối và đầu cốt
Đối với các yêu cầu của cụm bao gói cầu nhiệt, xem Phụ lục H.
10 Yêu cầu về điện
10.1 Độ bền điện môi
10.1.1 Độ bền điện môi của cầu nhiệt phải đủ giữa trước và sau khi tác động, và cả sau khi chịu các thử nghiệm của 9.8.
Nếu thuộc đối tượng áp dụng, thử nghiệm được thực hiện giữa:
i) Các bộ phận mang dòng và vỏ bọc (được quấn trong lá kim loại) hoặc
ii) Các bộ phận mang dòng và phần kim loại để hở có cách điện.
10.1.2 Kiểm tra sự phù hợp bằng cách đặt điện áp thử nghiệm thích hợp giữa các mạch điện liên quan quy định trong Bảng 4 ngay sau các thử nghiệm của 9.8, nếu thuộc đối tượng áp dụng, và cả sau các thử nghiệm nhiệt độ trong Điều 11.
Bảng 4 - Điện áp thử nghiệm độ bền điện môi
| Giữa | Điện áp thử nghiệm |
| Bộ phận mang dòng và vỏ bọc (được quấn trong lá kim loại, nếu áp dụng) | 2 Ur + 1 000 V |
| hoặc |
|
| Bộ phận mang dòng và phần kim loại để hở có cách điện | 2 Ur + 1 000 V |
| Điểm ngắt mạch (giữa các tiếp điểm để hở) | 2 Ur |
10.1.3 Máy biến áp nguồn có công suất không nhỏ hơn 100 VA được yêu cầu cho thử nghiệm này.
10.1.4 Cách điện được cho chịu điện áp thử nghiệm về cơ bản có dạng sóng hình sin, có tần số từ 45 Hz đến 62 Hz.
10.1.5 Ban đầu không đặt quá một nửa điện áp quy định. Sau đó tăng lên với tốc độ tăng xấp xỉ 500 V/s đến giá trị đầy đủ.
10.1.6 Ngay sau thử nghiệm ẩm, vỏ bọc phải được quấn trong lá kim loại và điện áp thử nghiệm được đặt vào trong 1 min ngang qua điểm ngắt mạch và giữa phần mang dòng và lá kim loại.
10.1.7 Các mẫu được coi là phù hợp với các yêu cầu nếu không xảy ra phóng điện bề mặt hoặc phóng điện tạo vết.
10.2 Điện trở cách điện
10.2.1 Cầu nhiệt phải có đủ điện trở cách điện giữa trước và sau khi thay đổi trạng thái dẫn và cả sau khi chịu các thử nghiệm nghiệm liên quan ở 9.8.
Nếu thuộc đối tượng áp dụng, thử nghiệm được thực hiện giữa:
i) Các bộ phận mang dòng và vỏ bọc (được quấn trong lá kim loại) hoặc
ii) Các bộ phận mang dòng và phần kim loại để hở có cách điện.
10.2.2 Kiểm tra sự phù hợp bằng cách đo điện trở cách điện của cầu nhiệt sau thử nghiệm ở 9.8 và cả sau các thử nghiệm nhiệt độ trong Điều 11. Điện trở cách điện phải được đo bằng điện áp một chiều 2 Ur giữa các bộ phận mang dòng và vỏ bọc, (được quấn trong lá kim loại, nếu thuộc đối tượng áp dụng) hoặc giữa bộ phận mang dòng và phần kim loại để hở có cách điện, và giữa các đầu nối.
CHÚ THÍCH: Điện áp thử nghiệm một chiều được sử dụng để loại bỏ sự sai lệch có thể có do các dòng điện điện dung.
10.2.3 Các mẫu được coi là phù hợp với các yêu cầu nếu điện trở cách điện đo được giữa các bộ phận mang dòng và vỏ bọc (được quấn trong lá kim loại, nếu thuộc đối tượng áp dụng) hoặc giữa bộ phận mang dòng và phần kim loại để hở có cách điện không nhỏ hơn 2 MΩ, và ngang qua điểm ngắt mạch không nhỏ hơn 0,2 MΩ.
10.3 Dòng điện ngắt
10.3.1 Quy định chung
Cầu nhiệt phải ngắt dòng điện thử nghiệm quy định trong Bảng 5 ở 1,1 lần điện áp danh định, Ur, trong các điều kiện quy định trong 10.3.2.1 đến 10.3.2.11.
CHÚ THÍCH: Mục đích chính của thử nghiệm này nhằm đánh giá sự ổn định về điện và cơ của cầu nhiệt khi ngắt một tải nhất định.
10.3.2 Điều kiện cụ thể
10.3.2.1 Phần kim loại không mang dòng là một phần của cụm bao gói nhiệt và có thể có liên kết điện với phần để hở thường được nối đất của sản phẩm cuối cùng phải được nối thông qua cầu chảy 1 A loại có khả năng cắt cao và tác động nhanh (xem IEC 60127-2:2014, tờ rời tiêu chuẩn 1) với đất.
Bảng 5 - Dòng điện thử nghiệm đối với thử nghiệm ngắt
| Kiểu thông số danh định | Danh định tính bằng | Dòng điện thử nghiệm | Hệ số công suất |
| Điện trở thuần | Ampe xoay chiều | 1,5 lần dòng điện danh định | 0,95 đến 1,0 |
|
| Ampe một chiều | 1,5 lần dòng điện danh định | - |
| Điện cảm | Ampe xoay chiều | 1,5 lần dòng điện danh định | 0,6 |
| Động cơ | Ampe xoay chiều với roto bị hãm (LRA) | 6 lần dòng điện đầy tải a | 0,4 đến 0,5 |
|
| Ampe một chiều | 10 lần dòng điện đầy tải | - |
| Chế độ làm việc pilot | Vôn-ampe xoay chiều | b | 0,35 |
| Bóng đèn phóng điện | Ampe xoay chiều | 4 lần dòng diện danh định | 0,4 đến 0,5 |
| Đặc biệt | c | c | c |
| a Hoặc giá trị quy định, ví dụ sức ngựa, nếu không sử dụng thông số danh định ampe với roto bị hãm. b Xem 10.3.2.8. c Theo công bố của nhà chế tạo (chỉ khi kết hợp với tải thuần trở/điện dung). | |||
10.3.2.2 Đối với cầu nhiệt có thành phần để hở, màn chắn kim loại phải được đặt cách các bộ phận mang điện 12,7 mm. Màn chắn phải được nối với cực đối diện của mạch điện thử nghiệm qua cầu chảy 1 A loại có khả năng cắt cao và tác động nhanh (xem IEC 60127-2:2014, tờ rời tiêu chuẩn 1). Khoảng cách được đo giữa màn chắn và điểm gần nhất của phần tử, khi phần tử đó ở vị trí hở mạch.
10.3.2.3 Dựa vào mục đích sử dụng dự kiến của cầu nhiệt, màn chắn có thể được đặt ở khoảng cách khác 12,7 mm nếu nhà chế tạo và người sử dụng cuối đều chấp nhận.
10.3.2.4 Mạch thử nghiệm phải có điện áp mạch hở trong phạm vi từ 1,1 đến 1,155 lần điện áp danh định của cầu nhiệt cần thử nghiệm. Dung sai này có thể lớn hơn nếu có sự đồng ý của nhà chế tạo. Điện áp mạch kín của mạch thử nghiệm khi mang dòng điện danh định không được thay đổi quá 2,5 % điện áp danh định.
10.3.2.5 Dung sai của dòng điện thử nghiệm phải nằm trong phạm vi ± 2,5 % dòng điện thử nghiệm quy định.
10.3.2.6 Nếu cầu nhiệt có cùng thông số danh định dòng điện ở từ hai điện áp trở lên, thử nghiệm ở điện áp cao nhất được coi là đại diện của các thử nghiệm ở các điện áp thấp hơn.
10.3.2.7 Nếu cầu nhiệt có nhiều hơn một thông số danh định điện áp trong phạm vi nhóm hệ số công suất cụ thể, các thử nghiệm phải bao gồm các điều kiện điện áp, công suất và dòng điện lớn nhất. Một thử nghiệm có thể bao gồm hai trong số các điều kiện này.
10.3.2.8 Đối với các cầu nhiệt ấn định thông số danh định ở chế độ làm việc pilot, tải thử nghiệm phải gồm nam châm điện thể hiện tải cuộn dây của nam châm mà cầu nhiệt được thiết kế để khống chế. Dòng điện thử nghiệm phải là dòng điện bình thường được xác định từ thông số điện áp và thông số vôn-ampe của cầu nhiệt. Đối với cầu nhiệt dòng điện xoay chiều, hệ số công suất phải là 0,35 hoặc nhỏ hơn và dòng điện khởi động đặc trưng cho cuộn dây phải bằng 10 lần dòng điện bình thường. Thử nghiệm phải được thực hiện với cuộn ứng mạch kín.
10.3.2.9 Kiểm tra sự phù hợp bằng thử nghiệm sau.
Các mẫu phải được đặt trong lò thử nghiệm, được ổn định ở nhiệt độ Tf - 30 K (hoặc thấp hơn nếu nhà chế tạo có công bố như vậy). Sau đó cầu nhiệt trong lò thử nghiệm được cấp điện và nhiệt độ lò được tăng với tốc độ (2 ± 1) K/min và thử nghiệm phải được tiếp tục cho đến khi cầu nhiệt tác động hoặc nhiệt độ lò đạt đến 30 K cao hơn Tf.
Ngoài ra, các cầu nhiệt phải ngắt mạch điện ở nhiệt độ nhỏ hơn hoặc bằng Tf.
Cầu nhiệt có thể tác động ngay sau khi mang điện, trong trường hợp đó tốc độ tăng nhiệt độ không nhất thiết phải bằng (2 ± 1) K/min và thử nghiệm có thể dừng lại.
10.3.2.10 Nhiệt độ lò có thể được giám sát bằng nhiệt ngẫu gắn với cầu nhiệt đồng nhất nhưng không tác động được lắp sát với các mẫu cần thử nghiệm.
10.3.2.11 Cầu nhiệt có thông số danh định để khống chế động cơ dòng xoay chiều được chấp nhận đối với chế độ làm việc pilot dòng xoay chiều mà không cần thêm các thử nghiệm dòng điện ngắt nếu hệ số công suất là 0,5 hoặc nhỏ hơn trong thử nghiệm dòng điện ngắt ban đầu, và nếu dòng điện khởi động chế độ làm việc pilot ở điện áp tương tự không lớn hơn 67 % dòng điện danh định với roto bị hãm (LRA) của thiết bị.
10.3.2.12 Không được hỏng dây dẫn tích hợp của cầu nhiệt. Vỏ của phần tử được che chắn phải còn nguyên vẹn. Cầu chảy 1 A có khả năng cắt cao và tác động nhanh (xem IEC 60127-2:2014, Từ dữ liệu tiêu chuẩn 1) được quy định trong 10.3.2.1 và 10.3.2.2 không được tác động. Phần tử được che chắn không được gây hồ quang cho các bộ phận kim loại liền kề và vật liệu không được văng ra mà có thể gây hại cho khu vực xung quanh.
10.3.2.13 Sau các thử nghiệm này, điện trở cách điện phải phù hợp với các yêu cầu của 10.2.
10.4 Dòng điện quá tải quá độ
10.4.1 Cầu nhiệt phải chịu được các đột biến dòng điện lặp lại, được xem là bình thường trong hầu hết các ứng dụng.
10.4.2 Kiểm tra sự phù hợp bằng thử nghiệm dưới đây, được thực hiện trong các điều kiện bình thường như quy định trong Điều 5 (tức là các điều kiện môi trường trong phòng).
10.4.3 Các xung dòng điện một chiều, với biên độ 15 Ir và độ rộng là 3 ms với các khoảng cách giữa các xung 10 s được đặt vào trong 100 chu kỳ liên tiếp thông qua tuyến dòng điện.
10.4.4 Sau thử nghiệm, không được có gián đoạn tuyến dòng điện cũng như không có hư hại khác theo nghĩa của tiêu chuẩn này.
10.5 Thử nghiệm ngắn mạch giới hạn
10.5.1 Quy định chung
10.5.1.1 Khi nhà chế tạo công bố, cầu nhiệt được thực hiện như mô tả trong 10.5.2 và 10.5.3.
10.5.1.2 Nếu thử nghiệm ngắn mạch giới hạn được thực hiện trên bản thân cầu nhiệt với các kết quả chấp nhận được thì thử nghiệm không nhất thiết phải lặp lại trong quá trình khảo sát sản phẩm cuối cùng.
10.5.2 Phương pháp thử
10.5.2.1 Ba mẫu cầu nhiệt phải chịu thử nghiệm ngắn mạch giới hạn.
10.5.2.2 Thử nghiệm phải được thực hiện ở điện áp trong phạm vi dung sai ±5 % điện áp danh định
Ur
10.5.2.3 Cầu nhiệt phải được nối nối tiếp với một cầu chảy không thay dây được được chọn đúng cho ứng dụng theo 10.5.3. Mạch điện phải giới hạn dòng điện ở giá trị áp dụng được quy định trong Bảng 6, được đo khi không có cầu nhiệt trong mạch điện.
10.5.2.4 Hệ số công suất của mạch điện phải từ 0,9 đến 1,0 trừ khi hệ số công suất được cả nhà chế tạo và người sử dụng cuối chấp nhận.
10.5.2.5 Cầu nhiệt phải được nối với mạch điện bằng hai đoạn dây đồng dài 915 mm có tiết diện như chỉ ra trên Bảng 6 của IEC 60730-1:2013. Miếng vải cô tông bọc xung quanh cầu nhiệt hoặc đặt miếng kim loại cách tất cả các bộ phận mang điện của cầu nhiệt trong thử nghiệm một khoảng nhỏ hơn hoặc bằng 50 mm nếu cả nhà chế tạo và người sử dụng cuối chấp nhận.
Bảng 6 - Khả năng thử nghiệm ngắn mạch giới hạn
| Thông số danh định kết hợp của cầu nhiệt | Khả năng ngắn mạch (ampe) a | |||||
| Vônampe, một pha | Vônampe, ba pha | Vônampe, điện một chiều | Sức ngựa | kW | 0 V đến 250 V | 251 V đến 690 V |
| 0 đến 1 176 | 0 đến 832 | 0 đến 648 | 0 đến 0,5 | 0 đến 0,375 | 200 | 1 000 |
| 1177 đến 1920 | 833 đến 1496 | 649 đến 1140 | Trên 0,5 đến 1 | Trên 0,375 đến 0,750 | 1 000 | 1 000 |
| 1921 đến 4080 | 1497 đến 3990 | 1141 đến 3000 | Trên 1 đến 3 | Trên 0,750 đến 2,250 | 2 000 | 5 000 |
| 4081 đến 9600 | 3991 đến 9145 | 3001 đến 6960 | Trên 3 đến 7,5 | Trên 2,250 đến 5,600 | 3 500 | 5 000 |
| 9601 hoặc lớn hơn | 9146 hoặc lớn hơn | 6961 hoặc lớn hơn | Trên 7,5 | Trên 5,600 | 5 000 | 5 000 |
| a Đối với thử nghiệm balát của bóng đèn huỳnh quang, khả năng thử nghiệm ngắn mạch giới hạn phải là 200 A. | ||||||
10.5.2.6 Mỗi cầu nhiệt phải chịu một thử nghiệm.
10.5.3 Cỡ (thông số danh định) của cầu nhiệt
Cỡ cầu nhiệt dùng cho các thử nghiệm ngắn mạch giới hạn phải là:
a) 20 A đối với cầu nhiệt có thông số danh định từ 0 V đến 125 V và 15 A đối với cầu nhiệt có thông số danh định 126 V đến 690 V trừ khi cần cỡ cầu chảy lớn hơn theo b) đến f).
b) 20 A đối với cầu nhiệt sử dụng trong balát của bóng đèn huỳnh quang. Cầu chảy phải có đặc tính thiết kế sao cho sẽ tác động trong thời gian ít hơn 12 s khi mang dòng điện 40 A.
c) Đối với cầu nhiệt có thông số đặc trưng của động cơ, cỡ tiêu chuẩn lớn nhất trong khoảng từ 300 % đến 400 % thông số danh định dòng điện đầy tải đối với động cơ kiểu hở và từ 175 % đến 225 % thông số dòng điện đầy tải đối với động cơ làm lạnh kiểu kín.
d) Đối với cầu nhiệt được thiết kế để sử dụng trong mạch điện của nhóm động cơ, cỡ cầu chảy tiêu chuẩn lớn nhất dựa trên tổng các thông số danh định đầy tải của tất cả các tải ngoại trừ thông số động cơ lớn nhất, công với 300 % đến 400 % thông số danh định dòng điện đầy tải của động cơ lớn nhất nếu động cơ kiểu hở và cộng với 175 % đến 225 % thông số dòng điện đầy tải của động cơ lớn nhất đối với động cơ là loại máy nén làm lạnh kiểu kín.
e) Đối với cầu nhiệt được thiết kế để sử dụng trong thiết bị điện gia nhiệt không gian, dựa trên 125 % thông số danh định dòng điện. Nếu 125 % thông số danh định dòng điện tạo ra giá trị mà theo đó không có cỡ cầu chảy tiêu chuẩn nào thì phải sử dụng cơ cầu chảy lớn hơn tiếp theo.
f) Đối với cầu nhiệt có các thông số danh định khác, dựa trên thông số danh định tính bằng ampe của cỡ cầu chảy tiêu chuẩn lớn hơn tiếp theo.
g) Nếu được chấp nhận theo các yêu cầu của sản phẩm cuối cùng, cỡ cầu chảy nhỏ hơn quy định trong c) đến f).
10.5.4 Sự phù hợp
Không được có mồi cháy vải bông đề cập trong 10.5.2 hoặc bằng chứng về rủi ro cháy trong thử nghiệm điện giật sau thử nghiệm.
11 Thử nghiệm nhiệt độ
11.1 Quy định chung
11.1.1 Nhiệt độ đặc trưng của các cầu nhiệt phải phù hợp với các giá trị và dung sai như công bố của nhà chế tạo và với các yêu cầu của Điều 11.
11.1.2 Nhiệt độ chức năng, Tf, không được bị ảnh hưởng bởi lão hóa nhiệt.
11.1.3 Kiểm tra sự phù hợp bằng cách cho mẫu chịu một hoặc nhiều thử nghiệm đề cập dưới đây, theo thứ tự cho trong Bảng 1.
11.1.4 Tác động của cầu nhiệt phải được báo hiệu bằng phương tiện thích hợp, ví dụ điốt phát quang với các điện trở nối nối tiếp giới hạn dòng điện tín hiệu ở tối đa là 10 mA.
11.1.5 Tác động của cầu nhiệt phải được kiểm tra sau mỗi bước thử nghiệm.
11.1.6 Để đạt được độ chính xác cần thiết của việc đặt nhiệt độ, nhiệt độ thử nghiệm được chỉ ra phải được đo với độ chính xác ± 1 K của nhiệt độ danh nghĩa đến 100 °C và ±1 % nhiệt độ danh nghĩa nếu lớn hơn 100 °C.
11.1.7 Ngoài ra cần thận trọng để sự sai lệch về nhiệt độ trong các phần của lò nơi thử nghiệm mẫu, tại điểm bất kỳ, không vượt quá
± 0,5 % nhiệt độ danh nghĩa cao hơn 200 °C; và
± 1 K ở nhiệt độ danh nghĩa nhỏ hơn hoặc bằng 200 °C.
11.1.8 Điều này có thể đạt được, ví dụ, bằng cách đặt mẫu trong hộp nhôm có vách dày sao cho không tiếp xúc trực tiếp với các vách bên trong của lò.
11.2 Nhiệt độ duy trì, Th
11.2.1 Các mẫu nhóm K (3 mẫu nối tiếp) được nối với mạch tải thuần trở mà được đo để vẽ dòng điện danh định chạy qua cầu nhiệt. Mẫu phải được duy trì ở nhiệt độ tương đương với nhiệt độ duy trì (Th) quy định bởi nhà chế tạo. Mạch điện được mang tải trong 24 h hoặc như công bố của nhà chế tạo, chọn giá trị nào cao hơn.
11.2.2 Xác định sự phù hợp bằng cách kiểm tra tính liền mạch của cầu nhiệt sau khi hoàn thành thử nghiệm. Cầu nhiệt không được thay đổi trạng thái dẫn của chúng.
11.2.3 Đối với các yêu cầu của cụm bao gói cầu nhiệt, xem Phụ lục H.
11.3 Nhiệt độ làm việc danh định, Tf
11.3.1 Đối với thiết bị có thông số danh định nhỏ hơn 250 °C, cầu nhiệt phải được đặt trong lò thử nghiệm hoặc bể dầu có nhiệt độ Tf - 12 K hoặc như công bố của nhà chế tạo, nhưng không nhỏ hơn dung sai nhỏ nhất quá 2 K. Nhiệt độ phải được ổn định, đạt được khi chênh lệch giữa hai số đọc liên tiếp lấy cách nhau 5 min nằm trong phạm vi 1 K.
11.3.2 Đối với thiết bị có thông số danh định 250 °C hoặc lớn hơn, cầu nhiệt phải được đặt trong nhiệt độ Tf - 22 K hoặc như công bố của nhà chế tạo, nhưng không nhỏ hơn dung sai nhỏ nhất quá 2 K. Nhiệt độ phải được ổn định, đạt được khi chênh lệch giữa hai số đọc liên tiếp lấy cách nhau 5 min nằm trong phạm vi 1 K.
11.3.3 Nhiệt độ sau đó phải được tăng đều với tốc độ tăng từ 0,5 K/min đến 1 K/min, cho đến khi tất cả các mẫu đều làm việc.
11.3.4 Nhiệt độ làm việc riêng rẽ của các cầu nhiệt, có thông số danh định nhỏ hơn 250 °C phải được ghi lại và chúng không được nhỏ hơn giá trị do nhà chế tạo công bố, hoặc Tf - 10 K nếu nhà chế tạo không công bố.
11.3.5 Đối với các cầu nhiệt có thông số danh định ở 250 °C hoặc lớn hơn, nhiệt độ ghi lại không được nhỏ hơn giá trị do nhà chế tạo công bố, hoặc Tf - 10 K nếu nhà chế tạo không công bố.
11.3.6 Đối với cầu nhiệt có thông số danh định nhỏ hơn 250 °C, hoặc lớn hơn 250 °C, nhiệt độ không được lớn hơn Tf.
CHÚ THÍCH: Thiết bị khuyến cáo cho các thử nghiệm của 11.3 được thể hiện trong Điều C.6.
11.4 Giới hạn nhiệt độ lớn nhất, Tm
11.4.1 Các mẫu phải chịu nhiệt độ
°C trong thời gian 10 min.
11.4.2 Với các mẫu vẫn được giữ ở nhiệt độ
°C, phải thực hiện thử nghiệm điện môi như trong 10.1 và thử nghiệm điện trở cách điện như trong 10.2.
11.4.3 Để khắc phục những ảnh hưởng có thể có do quán tính nhiệt của mẫu và các mối nối cần thiết bất kỳ, và cũng để tạo thuận lợi cho việc đưa mẫu vào tủ nhiệt thích hợp, các mẫu có thể được đưa vào hộp cát được giữ ở nhiệt độ Tm.
11.4.4 Các thử nghiệm Tf và Tm có thể được thực hiện trong thiết bị riêng rẽ và các mẫu có thể để nguội trong khi chuyển từ thử nghiệm Tf sang thử nghiệm Tm.
11.4.5 Không được xảy ra phóng điện bề mặt, phóng điện tạo vết hoặc làm việc lại. Khi kết thúc thử nghiệm này, tất cả các mẫu phải làm việc.
11.5 Lão hóa
11.5.1 Để kiểm tra xác nhận xem việc lão hóa ở nhiệt độ cao có gây ra ảnh hưởng có hại không, cầu nhiệt phải cho chịu loạt các bước thử nghiệm của 11.5.4.
11.5.2 Nhiệt độ phải được giữ không đổi trong phạm vi ±1 K.
11.5.3 Mẫu bất kỳ vẫn còn nguyên vẹn khi kết thúc từng bước thử nghiệm phải được đưa sang bước tiếp theo.
Sự phù hợp được coi là thỏa đáng nếu tất cả các mẫu đều tác động sau hai bước đầu tiên.
11.5.4 Các bước thử nghiệm phải như sau:
11.5.4.1 Bước 1: Nếu nhà chế tạo yêu cầu, các mẫu được cho chịu nhiệt độ chọn giữa Tf - 15 K và Th trong thời gian ba tuần. Khi kết thúc thử nghiệm, tối thiểu 50 % mẫu không được tác động.
11.5.4.2 Các thử nghiệm dưới đây là bắt buộc:
11.5.4.2.1 Bước 2: Tf - 15 K trong ba tuần. Khi kết thúc thử nghiệm, tối thiểu 50 % số mẫu không được tác động trừ các mẫu đã qua bước 1, trong trường hợp đó tất cả các mẫu có thể được tác động.
11.5.4.2.2 Bước 3: Tf - 10 K trong hai tuần.
11.5.4.2.3 Bước 4: Tf - 5 K trong một tuần.
11.5.4.2.4 Bước 5: Tf - 3 K trong một tuần.
11.5.4.2.5 Bước 6: Tf + 3 K trong 24 h.
11.5.5 Các mẫu sau đó được để nguội trong tủ thử nghiệm đến nhiệt độ nhỏ hơn Tf - 35 K.
11.5.6 Thử nghiệm được coi là đạt nếu tất cả các mẫu đều tác động.
12 Khả năng chống gỉ
12.1 Các bộ phận bằng sắt và thép phải được bảo vệ chống ăn mòn bằng phương pháp tráng men, mạ điện, phủ hoặc các phương pháp tương đương khác.
12.2 Bảo vệ ăn mòn không yêu cầu đối với các phần bằng thép không gỉ.
12.3 Cầu nhiệt có một hoặc nhiều phần bằng sắt không được bị ảnh hưởng bất lợi nếu các phần này bị gỉ.
12.4 Kiểm tra sự phù hợp bằng cách xem xét các mẫu của Nhóm A, B và C sau thử nghiệm ổn định chu kỳ nhiệt độ và độ ẩm trong 9.18. Các mẫu được để khô trong không khí ở nhiệt độ thích hợp và các phần bằng sắt không được cho thấy có dấu vết gỉ mà có thể ảnh hưởng xấu đến tính năng của cầu nhiệt theo nghĩa của tiêu chuẩn này.
13 Chương trình kiểm tra chấp nhận của nhà chế tạo
13.1 Nhà chế tạo phải thực hiện kiểm tra đều đặn việc kiểm soát sản xuất và các thử nghiệm để kiểm tra chấp nhận tính năng trong 13.2 và 13.3.
13.2 Nhà chế tạo phải thử nghiệm ba mẫu, đối với tất cả các thông số danh định nhiệt độ của cầu nhiệt, cứ hai năm một lần đối với 10.3 (Ngắt dòng điện), 11.3 (Nhiệt độ tác động danh định) và 11.4 (Giới hạn nhiệt độ lớn nhất) sau đó là các thử nghiệm của 10.1 (Độ bền điện môi) và 10.2 (Điện trở cách điện). Có thể bỏ qua các thử nghiệm ổn định trước mô tả trong 9.2 (Thử nghiệm độ vững chắc của chân nối).
13.3 Các thử nghiệm của 10.3 phải được thực hiện trên
a) điện áp danh định cao nhất,
b) dòng điện danh định cao nhất,
c) cả a) và b) với điện xoay chiều và/hoặc một chiều trong trường hợp tải thuần trở hoặc tải động cơ, hoặc với điện xoay chiều trong trường hợp tải điện cảm, chế độ làm việc pilot hoặc tải bóng đèn phóng điện; và
d) điều kiện dòng điện và mạch điện do nhà chế tạo công bố trong trường hợp tải đặc biệt.
Sự không phù hợp trong bất cứ thử nghiệm nào cũng phải được xem xét và lặp lại như trong Điều 5.
Phụ lục A
(quy định)
Hướng dẫn áp dụng
A.1 Phải tuân thủ hướng dẫn lắp đặt của nhà chế tạo cầu nhiệt, đặc biệt trong trường hợp cầu nhiệt có lớp phủ hoặc được sử dụng trong các cuộn dây được ngâm tẩm.
A.2 Cầu nhiệt phải được chọn sao cho tất cả các yêu cầu về điện liên quan đến điện trở cách điện, độ bền điện môi, chiều dài đường rò và khe hở không khí đều được đáp ứng trong điều kiện bình thường và điều kiện sự cố, đặc biệt trong tiêu chuẩn thiết bị liên quan. Ví dụ, đối với thiết bị audio, video hoặc thiết bị điện tử tương tự, xem IEC 60065.
A.3 Cầu nhiệt phải được chọn sao cho, ở vị trí lắp đặt, cách điện và cách nhiệt của chúng không được bị suy giảm do hiệu ứng nhiệt quá mức sinh ra trong các điều kiện sự cố trong thiết bị.
A.4 Nếu đặt các cầu nhiệt có dạng dẹt hoặc tròn thì phải có tấm chắn sao cho sự võng xuống của các phần tử này hoặc những giọt kim loại nóng chảy nếu có thì không thể gây ra những ảnh hưởng có hại.
A.5 Nếu sợi dây nóng chảy này được kẹp hoặc ép bởi các vít, đinh tán hoặc đầu nối, chúng phải được kiểm tra xác nhận rằng hiện tượng rão cơ khí không gây ra các tiếp xúc điện đến mức không chấp nhận được.
CHÚ THÍCH: Đối với các thiết bị cầm tay hoặc xách tay, áp dụng các quy định này bất kể vị trí của chúng.
A.6 Các mối nối điện phải làm việc như dự kiến trong toàn bộ dải nhiệt độ mà chúng có thể phải chịu trong thiết bị.
A.7 Các mối nối và đầu nối không được lỏng ra dễ dàng do rung, xốc, chu kỳ nhiệt hoặc tương tự.
A.8 Các mối nối hàn, nếu có, không được chỉ dựa vào hợp kim hàn dùng để tạo độ cứng vững về cơ mà phải có cơ cấu chặn cơ khí, ví dụ sợi dây uốn qua một lỗ trong đầu nối.
A.9 Phải có đủ độ bền cơ và độ cứng vững của cơ cấu dùng để lắp đặt cầu nhiệt Cơ cấu đỡ, kẹp hoặc vít dùng để lắp đặt cầu nhiệt phải chịu được lực xoắn và lực kéo, mômen xoắn, rung và sự thay đổi nhiệt độ theo chu kỳ có thể xảy ra trong các điều kiện vận hành bình thường của thiết bị.
A.10 Cầu nhiệt sau khi lắp đặt phải được bảo vệ đủ để tránh được các ảnh hưởng có hại sinh ra do tràn chất lỏng từ thiết bị, ví dụ qua các nắp.
A.11 Để tránh hư hại có thể có đến cầu nhiệt, cần tham vấn nhà chế tạo khi ứng dụng của người sử dụng cuối liên quan đến việc sử dụng các dụng chất làm sạch.
Phụ lục B
(quy định)
Thử nghiệm lão hóa thay thế dùng cho cầu nhiệt có Th lớn hơn 250 °C sử dụng trong các bàn là điện
B.1 Cầu nhiệt sử dụng để bảo vệ bàn là điện trong trường hợp nhiệt độ duy trì bình thường lớn hơn hoặc bằng 250 °C và trong trường hợp sự cố, nhiệt độ tăng nhanh đến nhiệt độ tác động 300 °C hoặc cao hơn, không phải theo thử nghiệm lão hóa bình thường mô tả trong 11.5.
B.2 Thử nghiệm lão hóa thay thế được thực hiện theo công bố của nhà chế tạo.
B.3 Ngoài ra, dung sai của Tf trong 11.3 là -20 K thay vì -10K.
B.4 Tuy nhiên, tất cả các yêu cầu khác của tiêu chuẩn này phải được đáp ứng để phù hợp với tiêu chuẩn này.
Phụ lục C
(quy định)
Thử nghiệm lão hóa nhiệt dẫn
C.1 Thử nghiệm lão hóa nhiệt dẫn
Thử nghiệm lão hóa nhiệt dẫn dưới đây phải được thực hiện trên các cầu nhiệt có thông số danh định Tf bằng 175 °C hoặc cao hơn. Thử nghiệm là tùy chọn đối với các cầu nhiệt có thông số danh định Tf nhỏ hơn 175 °C.
Thử nghiệm lão hóa nhiệt dẫn có thể được bỏ qua nếu cầu nhiệt là loại eutectic và có kết cấu không có tiếp điểm.
C.2 Phương pháp
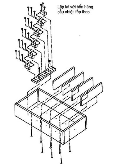
C.2.1 Quy định chung
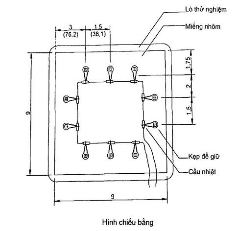
Ba mươi mẫu phải được thử nghiệm. Từng mẫu trong ba nhóm, mỗi nhóm chứa 10 mẫu cầu nhiệt, phải được gắn chắc chắn vào cụm cơ cấu thử nghiệm và được đặt trên lò thử nghiệm không khí tĩnh được gia nhiệt bằng điện có kết cấu theo C.6 và chịu thử nghiệm mô tả trong C.2.2 đến C.4. Nắp lò của lò thử nghiệm, như thể hiện trên Hình C.2, phải được thay bằng cụm cơ cấu thử nghiệm như thể hiện trên Hình C.1. Ngăn hộp thử nghiệm bằng nhôm và ngăn lớp lót lò bằng gốm, như thể hiện trên Hình C.2 phải được lấy khỏi lò thử nghiệm.
C.2.2 Cụm cơ cấu thử nghiệm điển hình
Cụm cơ cấu thử nghiệm điển hình như thể hiện trên Hình C.1 gồm đĩa nhôm có kích thước 229 mm x 229 mm và dày 6,4 mm trên đó mười kẹp giữ cầu nhiệt được lắp đặt trên chu vi bên ngoài của đĩa nhôm và dùng để giữ chặt cầu nhiệt vào bề mặt của đĩa. Cái cách điện, gồm hai lớp màng polyamide dày 0,075 mm và tổng chiều dầy danh nghĩa là 0,015 mm, phải được đặt xung quanh từng cầu nhiệt để cách điện nó với đĩa nhôm. Các cầu nhiệt của từng cầu nhiệt liền kề phải được hàn với nhau để tạo thành mạch nối tiếp. Cỡ dây, kiểu dây, hoặc phương pháp đấu nối được chọn để nối cầu nhiệt với tải điện, không được có ảnh hưởng đáng kể đến nhiệt độ của cầu nhiệt mà tải được nối vào. Cơ cấu thử nghiệm có thể được chỉnh sửa sao cho tất cả 30 mẫu thử nghiệm có thể được thử nghiệm trên một cụm cơ cấu thử nghiệm. Cho phép sử dụng nhiều cơ cấu thử nghiệm với các mẫu được chia thành nhiều nhóm.
C.2.3 Cài đặt nhiệt độ
Cụm cơ cấu thử nghiệm phải được đặt trên lò thử nghiệm cầu nhiệt như là một nắp lò, với các cầu nhiệt được đặt trên bề mặt ngoài của miếng nhôm. Lò thử nghiệm phải có thông số danh định 10 A, 120 V xoay chiều hoặc 230 V xoay chiều.
C.2.4 Đáp ứng nhiệt
Nhiệt độ trên miếng nhôm và các cầu nhiệt phải được khống chế bằng khoảng thời gian mà lò thử nghiệm được giữ ở trạng thái “bật”. Trong giai đoạn “bật”, các cầu nhiệt cũng được gia nhiệt do dẫn dòng điện tải 10 A ở 120 V xoay chiều từ phần tử gia nhiệt của lò thử nghiệm nối nối tiếp với các cầu nhiệt.
Ngoại lệ: Nếu cầu nhiệt có thông số danh định nhỏ hơn 10 A, mạch điện riêng rẽ với tập hợp tải bên ngoài đối với dòng điện danh định của cầu nhiệt phải được nối với cầu nhiệt. Dòng điện tải phải có chu kỳ đồng thời với phần tử gia nhiệt của lò thử nghiệm. Bất cứ khi nào cầu nhiệt ngắt, phần tử gia nhiệt của lò thử nghiệm phải giữ trạng thái cắt cho đến khi việc ngắt cầu nhiệt được khắc phục và vị trí thử nghiệm cầu nhiệt được nối tắt.
C.2.5 Giám sát nhiệt độ
Nhiệt độ của từng cầu nhiệt phải được giám sát bởi cặp nhiệt ngẫu hàn vào phía cao nhất của thân cầu nhiệt. Cầu nhiệt có nhiệt độ cao nhất phải được sử dụng để khống chế thời gian lò “bật”. Việc kiểm tra độ ổn định của nhiệt độ thân cầu nhiệt phải được xác định 24 h sau khi bắt đầu thử nghiệm. Vào thời điểm đó, nhiệt độ của tám trong số mười cầu nhiệt (80 %) phải nằm trong phạm vi 12 K so với nhiệt độ cao nhất quan sát được.
C.3 Lão hóa
C.3.1 Quy định chung
Cầu nhiệt phải được lão hóa như mô tả trong các bước dưới đây trong thời gian tám tuần cộng một ngày hoặc cho đến khi chúng tác động:
Bước A: 336 h (2 tuần) ở nhiệt độ thấp hơn 35 K so với Tf;
Bước B: 336 h (2 tuần) ở nhiệt độ thấp hơn 25 K so với Tf;
Bước C: 168 h (1 tuần) ở nhiệt độ thấp hơn 20 K so với Tf;
Bước D: 168 h (1 tuần) ở nhiệt độ thấp hơn 15 K so với Tf;
Bước E: 168 h (1 tuần) ở nhiệt độ thấp hơn 10 K so với Tf;
Bước F: 168 h (1 tuần) ở nhiệt độ thấp hơn 5 K so với Tf;
Bước G: 24 h (1 ngày) ở nhiệt độ Tf +5 K. Tất cả 30 cầu nhiệt phải chịu bước này.
Tf là nhiệt độ chức năng danh định của các cầu nhiệt. Đối với từng bước, phải sử dụng dung sai
K để giám sát các giai đoạn "bật" và "tắt" của lò thử nghiệm.
Thời gian "bật" của dòng điện tải chạy trong thiết bị được thử nghiệm phải tối thiểu là 5 s nhưng không quá 10 s như công bố của nhà chế tạo. Cho phép vượt quá các giá trị này trong các giai đoạn tăng nhiệt độ nếu nhiệt độ lão hóa cần thiết của bước liên quan (Bước A đến Bước G cho phép dung sai
K) chưa đạt được trên cầu nhiệt có nhiệt độ cao nhất và được sử dụng để khống chế khoảng thời gian của giai đoạn "bật". Cầu nhiệt có thể hoặc có thể không được cấp điện trong giai đoạn tăng nhiệt độ.
C.3.2 Thao tác làm mát
Hai lần một tuần, lò thử nghiệm phải được ngắt điện và cơ cấu thử nghiệm được để nguội đến nhiệt độ phòng. Giai đoạn làm mát phải trong 12 h trên ngày thứ ba và ngày thứ năm của mỗi tuần. Thời gian lão hóa tổng đối với từng bước không được tính đến giai đoạn để nguội này hoặc thời gian khi lò thử nghiệm được ngắt do cầu nhiệt tác động.
C.3.3 Thao tác gây tác động sớm
Nếu cầu nhiệt tác động trước khi hoàn thành giai đoạn lão hóa tổng cầu nhiệt phải được nối tắt để duy trì sự liên tục của mạch điện nối tiếp. Trong quá trình nối lại, các cầu nhiệt không tác động không được bị ảnh hưởng. Sử dụng các sợi dây bổ sung có cỡ và kiểu thích hợp.
C.4 Kết quả
Kết quả của thử nghiệm này là từng cầu nhiệt phải tác động như dự kiến, phải ngắt điện và không được có phóng điện tạo vết điện môi do thử nghiệm mô tả trong Điều C.5.
C.5 Thử nghiệm độ bền điện môi
Xem Điều C.4, sau thử nghiệm, từng cầu nhiệt phải chịu thử nghiệm độ bền điện môi trong 10.1, đặt giữa các sợi dây hoặc đầu nối của cầu nhiệt đã ngắt sau khi các mẫu thử nghiệm được đưa về nhiệt độ phòng.
Kích thước tính bằng milimét

Hình C.1 - Cụm cơ cấu thử nghiệm điển hình
C.6 Lò thử nghiệm
Trang thiết bị thử nghiệm phải có lò không khí tĩnh, được gia nhiệt bằng điện. Ví dụ điển hình của lò như vậy được thể hiện trên Hình C.2. Lò phải được đặt trong phòng không có gió lùa và nhiệt độ môi trường phải được duy trì không đổi một cách hợp lý trong thử nghiệm.
Lò được mô tả trên Hình C.2 có hai ngăn gồm lớp lót lò phi kim loại và hộp thử nghiệm kim loại.
Các bề mặt bên trong của lò mô tả trên Hình C.2 là gạch chịu lửa hoặc loại bề mặt tương tự để che chắn nhiệt bức xạ và giảm tổn thất nhiệt. Các mối nối và khớp nối phải kín khít.
Hộp thử nghiệm kim loại bên trong của lò mô tả trên Hình C.2 có các vách dày 6,4 mm. Hộp thử nghiệm phải đặt lên các khối vô cơ và phải được che chắn khỏi nhiệt bức xạ. Nhiệt độ xung quanh cầu nhiệt phải được giám sát bởi nhiệt ngẫu đặt bên trong hộp thử nghiệm kim loại.
Hệ thống điều chỉnh nhiệt độ của lò phải sao cho nhiệt độ của không khí ở vị trí thử nghiệm được duy trì trong phạm vi 0,5 K.

CHÚ DẪN
1 hộp mẫu thử nghiệm
2 nhiệt ngẫu giám sát và ghi lại nhiệt độ
3 ngăn hộp thử nghiệm bằng nhôm, được đỡ trên bốn núm bằng gốm
4 lò bằng gạch chống cháy tỷ trọng thấp
5 phần lớp lót của lò gốm
6 nhiệt ngẫu khống chế nhiệt độ được lắp vào đáy lò giữa hộp thử nghiệm và lớp lót lò
7 cuộn gia nhiệt nằm chìm bên trong bề mặt của lò
8 phần tử gia nhiệt nối tiếp với bộ gia nhiệt của lò được sử dụng làm điện trở hạn chế dòng
A nắp lò: 16 cm x 29 cm x 29 cm
B 6,35 cm x 22,85 cm x 22,85 có lỗ hở kích thước 8,25 cm x 8,25 cm.
Hình C.2 - Lò thử nghiệm cầu nhiệt điển hình
Phụ lục D
(tham khảo)
Đánh giá nhiệt độ duy trì mở rộng
CHÚ THÍCH: Phụ lục D áp dụng khi nhà chế tạo có công bố.
D.1 Thử nghiệm ổn định nhiệt độ duy trì mở rộng
D.1.1 Hai mươi lăm cầu nhiệt được đặt trong lò không khí tĩnh được gia nhiệt bằng điện trong giai đoạn 100 tuần trong khi vẫn duy trì dòng điện tải danh định ở điện áp danh định. Lò thử nghiệm phải có kết cấu theo Điều C.6 và Hình C.2 ngoại trừ kích thước tổng thể có thay đổi và việc đưa cơ cấu thử nghiệm đỡ khối đầu nối để giữ các cầu nhiệt. Ví dụ điển hình của cơ cấu thử nghiệm đỡ khối đầu nối được thể hiện trên Hình D.1.
D.1.2 Từng cầu nhiệt phải được nối nối tiếp với các đầu nối của cơ cấu thử nghiệm như thể hiện trên Hình D.1. Khoang bên trong của lò thử nghiệm phải được gia nhiệt sao cho nhiệt độ thân của từng mẫu phải được giữ ở giá trị Th-100 danh định. Nhiệt ngẫu phải được gắn với từng cầu nhiệt để giám sát nhiệt độ thân.
D.1.3 Các dung sai nhiệt độ được duy trì đối với các mẫu phải là
K đối với tất cả 25 mẫu trong hai tuần đầu tiên của ổn định và ±10 % giá trị Th-100 (tính bằng °C) đối với tối thiểu 20 trong số 25 mẫu trong thời gian còn lại của thời gian thử nghiệm.
D.1.4 Tất cả các mẫu không vượt quá +10 % thông số danh định Th-100 thì không được đứt khi kết thúc ổn định. Sau giai đoạn ổn định, tất cả trừ hai mẫu phải được cho chịu thử nghiệm ngắt dòng điện tải của Điều D.2. Hai mẫu còn lại phải cho chịu thử nghiệm nhiệt độ tác động danh định của 11.3.
D.2 Thử nghiệm ngắt dòng điện tải
D.2.1 Các mẫu phải được đặt trong lò thử nghiệm đã được ổn định ở nhiệt độ thấp hơn 10 K so với nhiệt độ tác động danh định, Tf, của mẫu. Sau đó từng cầu nhiệt được cấp điện và nhiệt độ lò phải được tăng lên với tốc độ (2 ± 1) K/min và thử nghiệm phải được tiếp tục cho đến khi cầu nhiệt tác động hoặc nhiệt độ lò đạt đến nhiệt độ cao hơn 30 K so với Tf.
D.2.2 Từng cầu nhiệt phải ngắt dòng điện tải quy định ở điện áp quy định. Không được có hư hại đến các sợi dây tích hợp của cầu nhiệt. Cụm bên trong của từng mẫu phải được kiểm tra bằng mắt sau thử nghiệm ngắt. Không được có nóng chảy hoặc cháy hoặc rỗ quá mức của các tiếp điểm hoặc cơ cấu thao tác.

Sử dụng sợi dây đồng 3,3 mm2 để nối giữa các hàng của cầu nhiệt và trong và ngoài hộp qua lỗ trên nắp.
Gắn chắc chắn các sợi dây nhiệt ngẫu với thân cầu nhiệt. Ô đi ra qua lỗ gần nhất trên nắp.
Hình D.1 - Cơ cấu thử nghiệm đỡ khối đầu nối điển hình
Phụ lục E
(quy định)
Thử nghiệm lão hóa mối gắn
E.1 Thử nghiệm áp dụng cho các mối gắn và hợp chất dùng để bao. Sau khi ổn định, như quy định dưới đây, các mẫu phải được thử nghiệm để xác định các giá trị đặc tính về điện và cơ tới hạn. Giá trị trung bình đối với từng đặc tính trên các mẫu đã ổn định phải tối thiểu bằng 50 % giá trị trung bình được xác định trên các mẫu chưa ổn định.
Mối gắn và hợp chất dùng để bao không cần thử nghiệm nếu chúng đã phù hợp với tiêu chuẩn UL liên quan.
E.2 Đối với từng đặc tính cần đánh giá, mười mẫu phải được ổn định trong 1 000 h ở nhiệt độ lò xác định từ đường profin độ bền nhiệt tương ứng trên Hình E.1. Chỉ số nhiệt độ là nhiệt độ làm việc bình thường đo được hoặc Th, nhưng không nhỏ hơn 60 °C. Sau đó các mẫu được để trở lại nhiệt độ phòng.
Trên cùng một đường profin độ bền nhiệt như thể hiện trên Hình E.1, thời gian ngắn hơn hoặc dài hơn ở nhiệt độ lò cao hơn hoặc thấp hơn tương ứng có thể được sử dụng nếu có thỏa thuận giữa nhà chế tạo và người sử dụng cuối cùng, nhưng thời gian này tối thiểu phải là 300 h.

Hình E.1 - Thời gian ổn định theo nhiệt độ lò đối với chỉ số nhiệt độ đề xuất
Phụ lục F
(quy định)
Yêu cầu về nhận biết
F.1 Quy trình mô tả dưới đây phải được thực hiện trên một số lượng phần tử kiểu eutectic sử dụng cầu nhiệt để nhận biết.
F.2 Hoạt động nhiệt của hợp chất cầu nhiệt, được xác định bằng cách sử dụng thiết bị phân tích nhiệt sử dụng thiết bị đo nhiệt lượng quét vi sai, phải được so sánh với vật liệu chuẩn có quán tính nhiệt trong dải thông số nhiệt độ của vật liệu. Nhiệt độ của mẫu và vật liệu chuẩn phải được tăng với tốc độ xác định trước và chênh lệch nhiệt độ duy trìa hai vật liệu phải được ghi lại bằng đồ họa trên trục Y theo nhiệt độ tăng trên trục X. Đồ thị này phải chứa dải nhiệt độ hoạt động nhiệt, tức là điểm nóng chảy hấp thụ nhiệt của vật liệu mẫu. Điểm này được thể hiện bằng đỉnh hướng xuống của đồ thị.
F.3 Thử nghiệm nhận biết phải được thực hiện trên các cầu nhiệt có sử dụng phần tử vật liệu hữu cơ. Phổ hồng ngoại phải đạt được từ vật liệu bằng cách sử dụng máy đo phổ hồng ngoại. Các phương pháp lấy mẫu và cài đặt thiết bị sử dụng để thu được phổ phải được ghi lại.
F.4 Để khẳng định việc gắn kín là thích hợp, ngâm 25 mẫu vào dầu khoáng nóng có nhiệt độ 125 °C, ở khoảng cách thấp hơn bề mặt dầu 25,4 mm, trong 1 min. Không được xuất hiện bọt khí, khi đó cầu nhiệt là được gắn kín. Quy trình này phải được thực hiện trên các cầu nhiệt được nhận biết là được gắn kín.
Phụ lục G
(quy định)
Độ bền ghi nhãn 2
Kiểm tra sự phù hợp với yêu cầu thử nghiệm độ bền ghi nhãn của Điều 7 với thiết bị thử nghiệm như thể hiện trên Hình G.1.
Phần cơ bản gồm một phớt cứng được đánh trắng có đường kính 65 mm và dày 7,5 mm. Đĩa này được hãm để không quay và được bố trí để di chuyển ngang qua bề mặt cần thử nghiệm với hành trình 20 mm và để sinh ra một lực đo được là 2,5 N trên mặt phẳng này. Thử nghiệm tiêu chuẩn phải là 12 hành trình (tức là 12 lần quay lệch tâm) và phải diễn ra xấp xỉ trong 15 s.
Trong thử nghiệm, phần thích hợp của phớt được che phủ một lớp vải gạc trắng được thấm đẫm nước với bề mặt xơ phía ngoài.
Kích thước tính bằng milimét

Hình G.1 - Thiết bị thử nghiệm độ bền ghi nhãn
Phụ lục H
(quy định)
Yêu cầu đối với cụm bao gói cầu nhiệt
CHÚ THÍCH: Phụ lục H bổ sung hoặc sửa đổi các điều tương ứng của tiêu chuẩn này.
H.3 Thuật ngữ và định nghĩa
Bổ sung:
H.3.101
Bao gói cầu nhiệt (thermal-link package)
Cầu nhiệt được bao gói trong vỏ kim loại hoặc phi kim loại và có thể có các sợi dây hoặc cọc cắm, epoxy hoặc phụ gia bất kỳ khác.
H.4 Yêu cầu chung
Bổ sung:
H.4.101 Cầu nhiệt được sử dụng trong cụm bao gói phải được đánh giá riêng rẽ theo các yêu cầu của Phụ lục này.
Đối với từng thử nghiệm trong H.9.9 và H.11.2, phải thử nghiệm ba mẫu cụm bao gói cầu nhiệt mới.
H.5 Lưu ý chung về thử nghiệm
Bổ sung:
H.5.6.2.101 Ngoài các thử nghiệm của phụ lục này, các mẫu cụm bao gói cầu nhiệt phải chịu trình tự thử nghiệm của các nhóm F và G.
H.9 Yêu cầu về kết cấu
Bổ sung:
H.9.5 Vật liệu cách điện
H.9.5.101 Vật liệu polyme được sử dụng trong vỏ bọc của cụm bao gói cầu nhiệt phải có các thông số danh định dưới đây hoặc được thử nghiệm theo các thông số này, ở chiều dày quy định theo các tiêu chuẩn liên quan:
a) thông số danh định về tính dễ cháy V-0 hoặc V-1 theo TCVN 9900-11-10:2013 (IEC 60695-11-10:2003);
b) chỉ số tính dễ cháy được thử bằng sợi dây nóng đỏ (GWFI) ở 850 °C theo IEC 60695-2-12 hoặc
c) thử nghiệm mồi cháy (GWIT) ở 850 °C theo IEC 60695-2-13;
d) chỉ số độ bền nhiệt tương đối (RTE) lớn hơn hoặc bằng nhiệt độ duy trì hoặc nhiệt độ sử dụng lớn nhất (Th) theo IEC 60216-5;
e) chỉ số chịu phóng điện tối thiểu ở 175 V theo IEC 60112;
f) thử nghiệm nén viên bi ở nhiệt độ cao hơn 20 K so với nhiệt độ duy trì hoặc nhiệt độ sử dụng lớn nhất (Th) theo IEC 60695-10-2.
H.9.5.102 Hợp chất gắn hoặc epoxy phải thích hợp với nhiệt độ ứng dụng và phải được nhận biết theo Phụ lục F, nếu thuộc đối tượng áp dụng.
H.9.5.103 Nếu nhiệt độ duy trì hoặc nhiệt độ sử dụng lớn nhất của cụm bao gói cầu nhiệt nhỏ hơn nhiệt độ danh định của hợp chất gắn hoặc epoxy, chọn giá trị nào nhỏ hơn, thì vật liệu được chấp nhận cho ứng dụng.
H.9.5.104 Nếu nhiệt độ duy trì hoặc nhiệt độ sử dụng lớn nhất của cụm bao gói cầu nhiệt lớn hơn nhiệt độ danh định của hợp chất gắn hoặc epoxy, chọn giá trị nào lớn hơn, thì vật liệu phải chịu thử nghiệm lão hóa chất gắn của Phụ lục E, nếu thuộc đối tượng áp dụng.
H.9.9 Đầu nối và đầu cốt
Bổ sung:
H.9.9.101 Phần tạo ra cọc cắm của cụm bao gói cầu nhiệt phải có đủ độ bền cho phép cắm và và rút ổ cắm ra mà không làm hỏng cụm bao gói cầu nhiệt đến mức không còn phù hợp với tiêu chuẩn này.
H.9.9.102 Kiểm tra sự phù hợp bằng cách đặt nhưng không giật các lực dọc trục có các giá trị cho trong Bảng H.1. Không được có sự dịch chuyển đáng kể của cọc cắm hoặc hư hại đến cụm bao gói cầu nhiệt. Không được có bằng chứng về phóng điện bề mặt hoặc phóng điện tạo vết khi sản phẩm chịu thử nghiệm độ bền điện môi của 10.1 giữa phần mang điện và vỏ bọc.
Bảng H.1 - Lực kéo và lực ấn
| Cỡ cọc cắm (xem TCVN 9624:2013 (IEC 61210:2010)) (mm) | Lực ấn a (N) | Lực kéo a (N) |
| 2,8 | 50 | 40 |
| 4,8 | 60 | 50 |
| 6,3 | 80 | 70 |
| 9,5 | 100 | 100 |
| a Các giá trị trong bảng là giá trị lớn nhất cho phép để cắm vào và rút ổ cắm khỏi cọc cắm. | ||
H.9.9.103 Các cọc cắm tạo thành phần của cụm bao gói cầu nhiệt phải có khoảng cách đủ để nối các ổ cắm thích hợp.
H.9.9.104 Kiểm tra sự phù hợp bằng cách đặt ổ cắm thích hợp lên từng cọc cắm. Trong quá trình đặt này, không được xảy ra việc căng quá mức hoặc méo cho bất cứ cọc cắm nào hoặc các phần liền kề của cọc cắm và các giá trị chiều dài đường rò và khe hở không khí không được giảm xuống thấp hơn các giá trị quy định trong Bảng 3.
H.9.9.105 Các sợi dây tạo thành phần của cụm bao gói cầu nhiệt phải có kích cỡ theo Bảng H.2 và được giữ chắc chắn để không truyền lực dọc trục đến các mối nối.
Bảng H.2 - Tiết diện danh nghĩa tối thiểu của ruột dẫn
| Dòng điện chạy trong dây dẫn, A | Tiết diện danh nghĩaa tối thiểu của ruột dẫn, mm2 |
| Đến và bằng 3 | b |
| Lớn hơn 3 đến và bằng 6 | 0,75 |
| Lớn hơn 6 đến và bằng 10 | 1 |
| Lớn hơn 10 đến và bằng 16 | 1,5 |
| Lớn hơn 16 đến và bằng 25 | 2,5 |
| Lớn hơn 25 đến và bằng 32 | 4 |
| Lớn hơn 32 đến và bằng 40 | 6 |
| Lớn hơn 40 đến và bằng 63 | 10 |
| a Ở Mỹ, áp dụng các cỡ ruột dẫn khác. b Không quy định giá trị tối thiểu nhưng nhà chế tạo phải công bố cỡ ruột dẫn cho mục đích thử nghiệm. | |
H.9.9.106 Kiểm tra sự phù hợp bằng cách đặt, nhưng không giật, một lực kéo 20 N vào từng sợi dây trong 1 min. Không được có vận chuyển đáng kể các sợi dây hoặc hư hại xảy ra cho cụm bao gói cầu nhiệt. Không được có bằng chứng cho thấy có phóng điện bề mặt hoặc phóng điện tạo vết khi sản phẩm chịu thử nghiệm độ bền điện môi trong 10.1 giữa phần mang điện và vỏ bọc.
H.11.2 Nhiệt độ duy trì, Th
Bổ sung:
H.11.2.3.101 Cụm bao gói cầu nhiệt được nối với mạch tải điện trở để đo và vẽ dòng điện danh định chạy qua cầu nhiệt ở nhiệt độ môi trường do nhà chế tạo quy định.
H.11.2.3.102 Nhiệt độ của môi trường mà cụm bao gói cầu nhiệt được đặt vào phải được đo càng gần càng tốt với tâm của không gian chứa mẫu và ở khoảng cách xấp xỉ 50 mm tính từ cụm bao gói cầu nhiệt.
H.11.2.3.103 Nhiệt độ của bộ phận và bề mặt phải được xác định bằng nhiệt ngẫu dây mảnh (0,081 mm2) hoặc phương tiện tương đương, được chọn và định vị sao cho chúng có ảnh hưởng ít nhất đến nhiệt độ của bộ phận cần thử nghiệm.
H.11.2.3.104 Mạch điện được cấp điện và mang tải trong 7 h.
H.11.2.3.105 Sau khi hoàn thành thử nghiệm, trong khi vẫn được gia nhiệt, cụm bao gói cầu nhiệt phải chịu thử nghiệm độ bền điện môi trong 10.1.
H.11.2.3.106 Kiểm tra sự phù hợp bằng cách đảm bảo rằng các nhiệt độ đo được trên vật liệu vỏ bọc, cọc cắm hoặc sợi dây, epoxy, v.v. không được vượt quá giá trị lớn nhất cho phép đối với các vật liệu sử dụng trong các thành phần này. Ngoài ra, cụm bao gói cầu nhiệt phải phù hợp với các yêu cầu trong 10.1.
Thư mục tài liệu tham khảo
[1] TCVN 8086:2009 (IEC 60085:2007), Cách điện - Đánh giá về nhiệt và ký hiệu cấp chịu nhiệt
[2] IEC 60695-10-3:2002, Fire hazard testing - Part 10-3: Abnormal heat - Mould stress relief distortion test
[3] IEC 60695-11-20:1999, amd 1:2003, Fire hazard testing - Part 11-20: Test flames - 500 W flame test methods
[4] TCVN 12288-1:2018 (IEC 60127-1:2006, amd 1:2011), Cầu chảy cỡ nhỏ - Phần 1: Định nghĩa về cầu chảy cỡ nhỏ và các yêu cầu chung đối với cầu nhiệt cỡ nhỏ
[5] IEC 60216-1:2013, Electrical insulating materials - Thermal endurance properties - Part 1: Ageing procedures and evaluation of test results
[6] IEC 60695-2-11:2014, Fire hazard testing - Part 2-11: Glowing/hot-wire based test methods - Glow-wire flammability test method for end-products (GWEPT)
MỤC LỤC
Lời nói đầu
1 Phạm vi áp dụng
2 Tài liệu viện dẫn
3 Thuật ngữ và định nghĩa
4 Yêu cầu chung
5 Lưu ý chung về thử nghiệm
6 Phân loại
7 Ghi nhãn
8 Tài liệu
9 Yêu cầu về kết cấu
10 Yêu cầu về điện
11 Thử nghiệm nhiệt độ
12 Khả năng chống gỉ
13 Chương trình kiểm tra chấp nhận của nhà chế tạo
Phụ lục A (quy định) - Hướng dẫn áp dụng
Phụ lục B (quy định) - Thử nghiệm lão hóa thay thế dùng cho cầu nhiệt có Th lớn hơn 250 °C sử dụng trong các bàn là điện
Phụ lục C (quy định) - Thử nghiệm lão hóa nhiệt dẫn
Phụ lục D (tham khảo) - Đánh giá nhiệt độ duy trì mở rộng
Phụ lục E (quy định) - Thử nghiệm lão hóa mối gắn
Phụ lục F (quy định) - Yêu cầu về nhận biết
Phụ lục G (quy định) - Độ bền ghi nhãn
Phụ lục H (quy định) - Yêu cầu đối với cụm bao gói cầu nhiệt
Thư mục tài liệu tham khảo
1 Hệ thống tiêu chuẩn quốc gia đã có TCVN 6385:2009 hoàn toàn tương đương với IEC 60065: 2005.
2 Hình G.1 và mô tả của hình được lấy từ Hình 8 và đoạn thứ hai và thứ ba của A.1.4 trong IEC 60730-1:2013 với một chút sửa đổi.
Bạn chưa Đăng nhập thành viên.
Đây là tiện ích dành cho tài khoản thành viên. Vui lòng Đăng nhập để xem chi tiết. Nếu chưa có tài khoản, vui lòng Đăng ký tại đây!