- Tổng quan
- Nội dung
- Tiêu chuẩn liên quan
- Lược đồ
- Tải về
Tiêu chuẩn TCVN 12159:2017 Kiểm nghiệm khả năng chịu tải của móc thép rèn cần trục
| Số hiệu: | TCVN 12159:2017 | Loại văn bản: | Tiêu chuẩn Việt Nam |
| Cơ quan ban hành: | Bộ Khoa học và Công nghệ | Lĩnh vực: | Công nghiệp |
|
Ngày ban hành:
Ngày ban hành là ngày, tháng, năm văn bản được thông qua hoặc ký ban hành.
|
2017 |
Hiệu lực:
|
Đã biết
|
| Người ký: | Đang cập nhật |
Tình trạng hiệu lực:
Cho biết trạng thái hiệu lực của văn bản đang tra cứu: Chưa áp dụng, Còn hiệu lực, Hết hiệu lực, Hết hiệu lực 1 phần; Đã sửa đổi, Đính chính hay Không còn phù hợp,...
|
Đã biết
|
TÓM TẮT TIÊU CHUẨN VIỆT NAM TCVN 12159:2017
Nội dung tóm tắt đang được cập nhật, Quý khách vui lòng quay lại sau!
Tải tiêu chuẩn Việt Nam TCVN 12159:2017
TIÊU CHUẨN QUỐC GIA
TCVN 12159:2017
ISO 17440:2014
CẦN TRỤC - THIẾT KẾ CHUNG - TRẠNG THÁI GIỚI HẠN VÀ KIỂM NGHIỆM KHẢ NĂNG CHỊU TẢI CỦA MÓC THÉP RÈN
Cranes - General design - Limit States and proof of competence of forged steel hooks
Lời nói đầu
TCVN 12159:2017 hoàn toàn tương đương với ISO 17440:2014.
TCVN 12159:2017 do Ban kỹ thuật tiêu chuẩn quốc gia TCVN/TC 96 Cần cẩu biên soạn, Tổng cục Tiêu chuẩn Đo lường Chất lượng đề nghị, Bộ Khoa học và Công nghệ công bố.
CẦN TRỤC - THIẾT KẾ CHUNG - TRẠNG THÁI GIỚI HẠN VÀ KIỂM NGHIỆM KHẢ NĂNG CHỊU TẢI CỦA MÓC THÉP RÈN
Cranes - General design - Limit states and proof of competence of forged steel hooks
1 Phạm vi áp dụng
Tiêu chuẩn này áp dụng cùng với loạt các tiêu chuẩn liên quan khác. Tiêu chuẩn này quy định các điều kiện, yêu cầu và phương pháp chung để ngăn chặn các mối nguy hiểm của móc như một bộ phận có ở tất cả các loại cần trục.
Tiêu chuẩn này bao gồm các loại móc và các bộ phận của móc sau đây:
- Phần thân của tất cả các loại móc nhọn được rèn từ thép:
- Phần cuống móc được gia công và giữ bằng ren/đai ốc.
CHÚ THÍCH 1: Các nguyên tắc của tiêu chuẩn này có thể áp dụng cho các loại cuống móc khác khi các hệ số tập trung ứng suất thích hợp với kết cấu cuống móc đó được xác định và sử dụng. Các móc tấm, được lắp từ một hoặc nhiều chi tiết song song hoặc các tấm làm từ thép cán không thuộc phạm vi áp dụng của tiêu chuẩn này.
Tiêu chuẩn này áp dụng cho các móc làm từ vật liệu có giới hạn bền không vượt quá 800 N/mm2 và giới hạn chảy không vượt quá 600 N/mm2.
Dưới đây là danh sách các tình huống và sự cố nguy hiểm có thể gây ra rủi ro cho người trong quá trình sử dụng thông thường và do sử dụng sai đã được lường trước. Các Điều 4 đến Điều 8 trong tiêu chuẩn này là thiết yếu để giảm thiểu hoặc loại trừ các rủi ro liên quan đến các mối nguy hiểm sau:
a) Sự vượt quá giới hạn về độ bền (chảy, phá huỷ, mỏi);
b) Sự vượt quá giới hạn nhiệt độ đối với vật liệu;
c) Sự rơi tải không chủ định ra khỏi móc.
Các yêu cầu trong tiêu chuẩn này được quy định trong các phần chính của tiêu chuẩn và áp dụng chung cho tính toán thiết kế móc. Việc tính toán thân móc và cuống móc cho trong các Phụ lục A, B, C chỉ là các ví dụ, không được coi là các yêu cầu của tiêu chuẩn này.
Tiêu chuẩn này áp dụng cho các nhà sản xuất cần trục và là một tham khảo cơ bản cho các tiêu chuẩn riêng áp dụng với các loại cần trục cụ thể.
CHÚ THÍCH 2: Tiêu chuẩn này chỉ đưa ra các quy định đối với phương pháp trạng thái giới hạn phù hợp với TCVN 11417-1 (ISO 8686-1).
2 Tài liệu viện dẫn
Các tài liệu viện dẫn sau rất cần thiết cho việc áp dụng tiêu chuẩn này. Đối với các tài liệu viện dẫn ghi năm công bố thì áp dụng phiên bản được nêu. Đối với các tài liệu viện dẫn không ghi năm công bố thì áp dụng phiên bản mới nhất, bao gồm cả các sửa đổi, bổ sung (nếu có).
TCVN 197-1 (ISO 6892-1), Vật liệu kim loại- Thử kéo - Phần 1: Phương pháp thử ở nhiệt độ phòng.
TCVN 312-1 (ISO 148-1), Vật liệu kim loại - Thử va đập con lắc Charpy - Phần 1: Phương pháp thử.
TCVN 312-2 (ISO 148-1), Vật liệu kim loại- Thử va đập con lắc Charpy - Phần 2: Kiểm định máy thử.
TCVN 4393 (ISO 643), Thép - Xác định độ lớn hạt bằng phương pháp kim tương.
TCVN 4683-1 (ISO 965-1), Ren hệ mét thông dụng ISO - Dung sai- Phần 1: Nguyên lý và thông số cơ bản.
TCVN 5120 (ISO 4287), Đặc tính hình học của sản phẩm (GPS) - Nhám bề mặt: phương pháp profin - Thuật ngữ, định nghĩa và các thông số nhám bề mặt.
TCVN 8242-1 (ISO 4306-1), Cần trục - Từ vựng - Phần 1: Quy định chung.
TCVN 8590-1 (ISO 4301 -1), Cần trục - Phân loại theo chế độ làm việc - Phần 1: Yêu cầu chung.
TCVN 10600-1 (ISO 7500-1), Vật liệu kim loại - Kiểm tra xác nhận máy thử tĩnh một trục - Phần 1: Máy thử kéo/nén - Kiểm tra xác nhận và hiệu chuẩn hệ thống đo lực.
TCVN 11417-1 (ISO 8686-1), Cần trục - Nguyên tắc tính toán tải trọng và tổ hợp tải trọng - Phần 1: Quy định chung.
ISO 9327-1, Steel forgings and rolled or forged bars for pressure purposes - Technical delivery conditions - Part 1: General requirements (Thép rèn và thanh cán hoặc rèn cho mục đích chịu áp lực - Điều kiện kỹ thuật cung cấp - Phần 1: Yêu cầu chung).
ISO 121001, Safety of machinery - General principles for design - Part 1: Risk assessment and rist reduction (An toàn máy - Nguyên tắc thiết kế chung - Phần 1: Đánh giá rủi ro và giảm thiểu rủi ro).
ISO 15579, Metallic materials - Tensile testing at low temperature (Vật liệu kim loại - Thử kéo ở nhiệt độ thấp).
EN 10228-3, Non-destructive testing of steel forgings - Part 3: Ultrasonic testing of ferritic or martensitic steel forgings (Thử không phá hủy thép rèn - Phần 3: Thử siêu âm thép ferit hoặc thép mactenxit).
EN 10243-1, Steel die forgings - Tolerances on dimensions - Part 1: Drop and vertical press forgings (Thép rèn khuôn - Dung sai kích thước - Phần 1: Rèn và dập đứng)
3 Thuật ngữ, định nghĩa và các ký hiệu
Trong tiêu chuẩn này sử dụng các thuật ngữ và định nghĩa trong TCVN 7383 (ISO 12100), TCVN 8242-1 (ISO 4306-1) và các thuật ngữ, định nghĩa sau (xem Bảng 1):
3.1
Cuống móc (hook shank)
Phần trên của móc, qua đó móc được treo với phương tiện nâng của cần trục.
3.2
Thân móc (hook body)
Phần cong của móc, nằm phía dưới cuống móc.
3.3
Đáy móc (hook seat)
Phần dưới của thân móc, nơi đặt bộ phận mang tải.
3.4
Khớp treo móc (hook suspension articulation)
Bộ phận ở phần treo móc, cho phép móc nghiêng dọc theo phương của tải nâng.
Bảng 1 - Các ký hiệu
| Ký hiệu | Mô tả |
| Ad1 | Diện tích tiết diện của cuống móc rèn |
| Ad4 | Diện tích tiết diện nguy hiểm của cuống móc |
| Av | Độ dai va đập nhỏ nhất của vật liệu |
| a | Gia tốc |
| a1 | Đường kính của đáy móc |
| a2 | Chiều rộng của miệng móc |
| a3 | Chiều cao của đỉnh móc |
| bmax | Chiều rộng lớn nhất tại tiết diện nguy hiểm của thân móc |
| bref | Chiều rộng tham chiếu |
| C | Tổng số chu trình làm việc theo thiết kế của cần trục |
| Ct | Khả năng chống nghiêng tương đối của bộ phận treo móc |
| ce | Hệ số lệch tâm của tải trọng |
| D | Tích lũy hư hỏng mỏi (thuyết mỏi Palmgren - Miner) |
| d1 | Đường kính thân rèn của móc |
| d3 | Đường kính danh nghĩa của ren |
| d4 | Đường kính phần cắt tại cuống móc (phần thoát dao) |
| d5 | Đường kính chân ren |
| eR | Khoảng cách từ đường trục của tải trọng đến đường tâm của cuống móc |
| F | Lực thẳng đứng |
| FH | Lực thẳng đứng tác dụng lên móc do các tải trọng không thường xuyên hoặc tải trọng đặc biệt |
| FRd,s, FRd,f | Tải trọng giới hạn khi tính toán (theo độ bền tĩnh / độ bền mỏi) |
| FSd,s | Tải trọng tính toán khi kiểm nghiệm độ bền tĩnh |
| FSd,f | Tải trọng tính toán khi kiểm nghiệm độ bền mỏi |
| f1, f2, f3 | Các hệ số tính đến các ảnh hưởng khác |
| fRd | Ứng suất giới hạn khi tính toán |
| fy | Giới hạn chảy |
| fu | Giới hạn bền |
| g | Gia tốc trọng trường, g = 9,81 m/s2 |
| HSd,s | Tải trọng tính toán tác động ngang lên móc |
| HSd,f | Tải trọng tính toán tác động ngang lên móc khi kiểm nghiệm độ bền mỏi |
| h1, h2 | Chiều cao của tiết diện thân móc |
| h | Khoảng cách theo phương thẳng đứng từ đáy móc đến tâm khớp |
| hs | Khoảng cách theo phương thẳng đứng từ đáy móc đến tiết diện nguy hiểm của thân móc |
| i | Chỉ số thể hiện chu trình nâng hoặc chu trình ứng suất |
| l | Mô men quán tính tham chiếu đối với thanh cong |
| Id1 | Mô men quán tính tại tiết diện thân móc rèn |
| ld4 | Mô men quán tính tại tiết diện nguy hiểm của thân móc |
| kC | Hệ số quy đổi giữa phổ ứng suất và chế độ làm việc |
| kh, ks | Hệ số phổ ứng suất |
| kQ | Hệ số phổ tải theo TCVN 11417-1 (ISO 8686-1) |
| k5*, k6* | Hệ số tỉ lệ phổ riêng, m = 5, 6 |
| lg | Logarit cơ số 10 |
| M1, M2, M3, M4 | Mô men uốn cuống móc |
| M1,f,i, M2,f,i, M3,f,i | Các mô men uốn cuống móc khi tính kiểm nghiệm độ bền mỏi, chu trình nâng thứ i |
| MSd,s | Mô men uốn tĩnh (tính toán) |
| m | Bậc của đường cong mỏi đặc trưng (hệ số góc) |
| mRC | Khối lượng tải trọng nâng danh định |
| mi | Khối lượng tải nâng ở chu trình nâng thứ i |
| N | Tổng số chu trình ứng suất / chu trình nâng |
| ND | Số chu trình cơ sở khi thử mỏi, ND = 2 x 106 |
| p | Bước ren |
| pa | Số lần gia tốc trung bình liên quan đến một chu trình nâng |
| R | Bán kính cong của thân móc |
| Ra | Chiều cao trung bình của nhấp nhô bề mặt theo TCVN 5120 (ISO 4287) |
| Rz | Chiều cao lớn nhất của nhấp nhô bề mặt theo TCVN 5120 (ISO 4287) |
| r9 | Bán kính lượn phần thoát dao |
| rth | Bán kính lượn chân ren |
| s | Chiều dài phần thoát dao |
| sh, ss | Hệ số quá trình ứng suất |
| sQ | Hệ số quá trình tải |
| t | Chiều sâu ren |
| T | Nhiệt độ làm việc |
| uS, uT | Chiều sâu của các vết nứt |
| α | Góc |
| αS, αT | Hệ số tập trung ứng suất |
| β | Góc hoặc chiều nghiêng của móc |
| βn, βnS, βnT | Hệ số ảnh hưởng của tập trung ứng suất |
| ϕ2 | Hệ số động khi nâng tải từ mặt nền |
| ϕ5 | Hệ số động khi thay đổi gia tốc chuyển động |
| gn | Hệ số rủi ro |
| gp | Hệ số an toàn thành phần |
| gm | Hệ số dự trữ bền chung |
| gsm | Hệ số dự trữ bền riêng |
| gHf, gSf | Hệ số dư trữ bền mỏi riêng |
| η1 | Khoảng cách viền của tiết diện thân móc |
| n | Hệ số đối với thành phần tải trọng |
| nh, ns | Tỉ số tương đối của số chu trình ứng suất |
| µ | Hệ số ảnh hưởng của ứng suất trung bình |
| σa | Ứng suất tại cuống móc do lực kéo |
| σb | Ứng suất tại cuống móc do mô men uốn |
| σm | Giá trị trung bình của chu trình ứng suất |
| σA | Biên độ của chu trình ứng suất |
| σSd | Ứng suất tính toán |
| σM | Biên độ ứng suất của độ bền mỏi cơ sở, không có tập trung ứng suất |
| σp | Khoảng ứng suất tổng trong chu trình ứng suất mạch động |
| σW | Biên độ ứng suất của độ bền mỏi, có tập trung ứng suất |
| σT,maxt, σT1, σT2 | Biên độ ứng suất chuyển đổi |
| Δσc | Độ bền mỏi đặc trưng |
| ΔσRd | Khoảng thay đổi ứng suất giới hạn khi tính toán (độ bền mỏi) |
| ΔσSd,i | Khoảng thay đổi ứng suất của chu trình nâng thứ i |
| ΔσSd,max | Khoảng thay đổi ứng suất lớn nhất |
4 Yêu cầu chung
4.1 Vật liệu
Vật liệu móc ở sản phẩm hoàn thiện phải có đủ độ dẻo để tránh bị gẫy giòn trong khoảng nhiệt độ được chỉ định để sử dụng móc. Vật liệu móc, sau khi rèn và nhiệt luyện, phải có độ giãn dài và độ dai va đập Charpy (trên mẫu khắc V) phù hợp với Bảng 2.
Bảng 2 - Thử va đập và yêu cầu về độ giãn dài đối với vật liệu móc
| Nhiệt độ làm việc | Nhiệt độ thử va đập | Độ giãn dài nhỏ nhất, A5 | Độ dai va đập nhỏ nhất, Av |
| T ≥ - 10 °C | 0 °C | 15% | 35 J |
| T ≥ - 20 °C | - 10 °C | ||
| -30 °C ≥ T ≥ - 40 °C | - 30 °C | ||
| -40 °C ≥ T ≥ - 50 °C | - 40 °C |
Đề đáp ứng các yêu cầu về nhiệt độ làm việc, nhà sản xuất phải chọn thép hợp kim hoặc không hợp kim, một cách thích hợp, để sau khi nhiệt luyện phải thích ứng với tính chất cơ học của vật liệu đã chọn cho hình dạng của móc, có tính đến độ dày chủ đạo cụ thể.
Thép phải được chế tạo bằng lò điện hoặc bằng một trong các loại lò thổi ôxi.
Thép phải là loại thép lặng hoàn toàn, được ổn định để chống lại sự giòn hóa do hóa già và có cỡ hạt austenit bằng 6 hoặc mịn hơn khi thử theo TCVN 4393 (ISO 643). Điều này phải thực hiện bằng cách đảm bảo thép có chứa đủ lượng nhôm (ít nhất 0,025 %) để cho phép nhà sản xuất móc chống lại sự giòn hóa do hóa già trong quá trình làm việc.
Thép phải không được chứa các thành phần lưu huỳnh và phốt pho với hàm lượng lớn hơn giá trị giới hạn trong Bảng 3.
Bảng 3 - Hàm lượng lưu huỳnh và phốt pho
| Nguyên tố | Hàm lượng tối đa khi được xác định theo | |
| Phân tích đúc | Phân tích kiểm tra | |
| Lưu huỳnh (S) | 0,020 | 0,025 |
| Phốt pho (P) | 0,020 | 0,025 |
| Tổng S + P | 0,035 | 0,045 |
Cơ tính (giới hạn chảy, giới hạn bền) phụ thuộc vào chiều dày của thân móc rèn. Độ dày chủ đạo được lấy bằng giá trị lớn hơn trong hai giá trị: chiều rộng lớn nhất của đáy móc hoặc đường kính thân móc.
Bảng 4 - Cơ tính của vật liệu đối với các nhóm đã phân loại
| Nhóm vật liệu tham chiều | Tính chất cơ học | |
| Giới hạn chảy trên hoặc giới hạn dẻo, độ giãn dẻo 0,2% fy (N/mm2) | Giới hạn bền fu (N/mm2) | |
| M | 215 | 340 |
| P | 315 | 490 |
| S | 380 | 540 |
| T | 500 | 700 |
| V | 600 | 800 |
| Tất cả các vật liệu được chọn phải đáp ứng yêu cầu: fu/fy ≥ 1,2 | ||
Với mục đích tiêu chuẩn hóa, các nhóm vật liệu sử dụng cho móc được phân loại như Bảng 4. Cơ tính cho trong Bảng 4 phải được sử dụng như các giá trị thiết kế và phải được nhà sản xuất bảo đảm đó là các giá trị nhỏ nhất.
4.2 Quá trình chế tạo
Quy trình chế tạo, thử tại nhà máy và các điều kiện cung cấp phải đáp ứng các yêu cầu của ISO 9327-1.
Tất cả các thân móc phải được rèn nóng liền khối. Các đường chảy macro khi rèn phải dọc theo đường viền ngoài của móc. Mài có thể được sử dụng để đáp ứng các yêu cầu về chất lượng bề mặt. Mọi vết mài phải theo chiều dọc chu vi tương ứng với vòng tròn đáy móc.
Sau khi nhiệt luyện, phải loại bỏ các cặn bám và thân móc phải không có các khuyết tật nguy hiểm, bao gồm cả các vết nứt. Móc rèn phải được kiểm tra khuyết tật bằng các phương pháp thử không phá hủy theo EN 10228-3. Phải đáp ứng các yêu cầu về cấp chất lượng 1 theo EN 10228-3.
Không được thực hiện hàn trong tất cả các công đoạn chế tạo.
4.3 Dung sai chế tạo
Các dung sai kích thước phải tuân thủ EN 10243-1, cấp rèn F, ngoại trừ các thay đổi trong tiêu chuẩn này.
Đường kính vòng tròn đáy móc và chiều rộng miệng móc phải nằm trong khoảng [0; +7 %] so với kích thước danh nghĩa. Chiều cao đến đỉnh móc a3 phải nằm trong khoảng [-7 %; +7 %] so với kích thước danh nghĩa.
Đường tâm của phần cuống móc được gia công cơ khí phải không được lệch quá ±0,02a1 so với tâm đáy móc.
Hình dạng của móc trong mặt phẳng chính phải đảm bảo sao cho trọng tâm các mặt cắt qua hai bên sườn của tiết diện phải rơi vào giữa hai mặt phẳng song song cách nhau một khoảng bằng 0.05d1.
4.4 Nhiệt luyện
Tất cả các móc rèn phải được tôi cứng ở nhiệt độ cao hơn điểm AC3 và ủ hoặc thường hóa ở nhiệt độ cao hơn điểm AC3. Nhiệt độ ủ ít nhất phải là 475 °C.
Điều kiện thường hóa hoặc ủ phải có hiệu quả ít nhất tương đương với việc duy trì ở nhiệt độ 475 °C trong vòng 1 h.
4.5 Thử tải cho móc khi chế tạo
Việc thử tải cho móc có thể là một phần trong quá trình chế tạo. Việc thử tải lần đầu này có thể tiến hành trong môi trường nhiệt độ phòng và điều này sẽ giúp cho quá trình quản lý đảm bảo chất lượng cũng như nâng cao độ bền mỏi của móc. Nếu áp dụng việc thử tải cho móc khi chế tạo, quá trình thử tải phải tiến hành như sau:
a) Thử tải phải tiến hành sau khi đã hoàn thành quá trình chế tạo (rèn, nhiệt luyện, gia công cơ khí).
b) Tải trọng thử phải đặt tại điểm nằm giữa vị trí đai ốc giữ cuống móc và một trong hai vị trí sau:
i) Mặt đáy móc, các lực kéo song song với đường tâm của cuống mốc trong trường hợp móc đơn (móc một ngạnh).
ii) Hai điểm tiếp xúc đối nhau trên mặt trong của móc thích hợp với dây treo đối xứng 90 độ và phương của lực đi qua tâm mặt trong móc đối với móc kép (móc hai ngạnh).
c) Biến dạng dư tương đối do tải trọng thử đo được tại miệng móc phải không vượt quá 0,25 %; đối với các móc được chế tạo theo lô thì tải trọng thử phải áp dụng cho tất cả các móc trong lô đó.
d) Độ lớn của tải trọng thử (FPL) phải tạo ra ứng suất kéo lớn nhất ở các thớ tại tiết diện B đối với móc đơn hoặc tại tiết diện A đối với móc kép bằng 1,5 fy của vật liệu móc. Giá trị của tải trọng thử phải xác định tùy theo loại móc, tương ứng với các tiết diện A (móc kép) và B (móc đơn) như sau:
Móc đơn:
Móc kép:
Trong đó, FPL là tải trọng thử (kN), fy là giới hạn chảy của vật liệu móc và Mhf là hệ số hình dạng móc, trong Phụ lục C cho giá trị của hệ số này đối với các móc riêng biệt trong một họ móc cụ thể.
n = 0,5 ´ tana
Đối với tiết diện A của móc kép α = 45° (xem 5.5.3).
Mhf được xác định theo công thức:
Các ký hiệu như mô tả tại Phụ lục H.
e) Sau khi thử tải, phải kiểm tra các khuyết tật ở móc bằng các phương pháp NDT và phải không có các vết gợn, khuyết tật và vết nứt.
f) Móc đã được thử tải phải được dập ký hiệu “PL" ngay cạnh nhãn mác của loại móc.
g) Việc thử tải gây ảnh hưởng (có lợi) lên độ bền mỏi của móc. Phương pháp tính toán trong Phụ lục F có thể sử dụng để đánh giá mức độ của ảnh hưởng này.
Thép và đặc biệt là thép cường độ cao để chế tạo móc nếu là đối tượng thử tải thi cần được chọn với độ dẻo thích hợp.
CHÚ THÍCH 1: Các ảnh hưởng có lợi khác từ việc thử tải cho quá trình quản lý đảm bảo chất lượng không thuộc phạm vi của tiêu chuẩn này.
CHÚ THÍCH 2: Thớ chịu ứng suất kéo lớn nhất khi chịu tải trọng FPL tất nhiên sẽ bị chảy dẻo và sẽ xảy ra sự phân bố lại ứng suất, do sự xuất hiện của ứng suất nén dư trong vùng diện tích chịu kéo sau khi chịu tải trọng thử đã được giải phóng.
4.6 Hình dạng của thân móc
Tỷ lệ giữa các phần của móc phải đảm bảo để ứng suất không vượt quá giá trị của ứng suất tại các tiết diện nguy hiểm quy định tại 5.5.1.
Đáy móc phải có dạng cong. Đối với móc đơn, tâm cong phải nằm trên đường tâm của phần cuống móc gia công cơ khí. Đối với móc kép, các vòng trong đáy phải có tiếp tuyến là các cạnh ngoài của phần thân rèn của móc.
Móc kép phải có dạng đối xứng với trục đối xứng là đường tâm của phần cuống móc được gia công cơ khí.

Hình 1 - Kích thước của móc
Đường kính của cuống móc (d1) phải tỉ lệ với đường kính a1 như sau:
d1 ≥ 0,55a1
Điểm phân chia giữa cạnh trong và vòng tròn đáy (a1) phải tạo với mặt phẳng ngang một góc không nhỏ hơn các giá trị sau: đối với móc đơn α ≥ 60 °; đối với móc kép α ≥ 90 °.
Kích thước miệng mốc (a2), không tính khoá cài, phải tỉ lệ với vòng tròn đáy theo biểu thức: a2 ≤ 0,85a1,. Miệng móc hiệu dụng khi có khóa cài phải đảm bảo a0 ≥ 0,7 a1
Chiều cao của móc phải đảm bảo: a3 ≥ a1.
Phụ lục A và B giới thiệu một số ví dụ về các kích thước móc tuân thủ các yêu cầu này.
Các thân móc khác với các ví dụ trong Phụ lục A và B có thể được đánh giá kỹ thuật đối với các yêu cầu của tiêu chuẩn này, theo từng móc cụ thể hoặc như các nhóm trong quốc gia, xem có đáp ứng các đặc tính hình học trong điều khoản này và đáp ứng các yêu cầu về vật liệu.
Ngoài ra, trong tương lai, các dạng thân móc khác có thể và sẽ đưa vào Phụ lục A và B như các nhóm móc quốc gia.
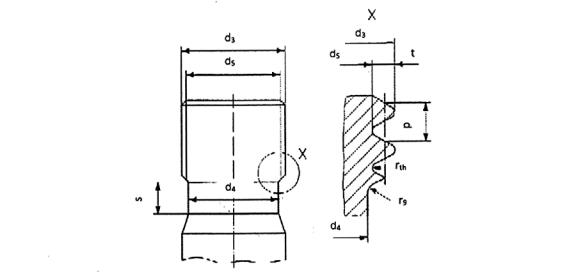
4.7 Cuống móc gia công cơ khí

Hình 2 - Kích thước cuống móc gia công cơ khí
Chiều dài phần cắt ren của cuống móc phải không nhỏ hơn 0.8d3.
Bước ren (p) phải tỷ lệ với đường kính ngoài của ren (d3) như sau:
0,055 d3 ≤ p ≤0,15d3
Chiều sâu của ren (t) phải tỷ lệ với bước ren (p) theo:
0,45p ≤ t ≤ 0,61p
Bán kính lượn tại chân ren (rth) phải nhỏ hơn hoặc bằng 0,14p. Không được sử dụng loại ren mà góc lượn tại đáy ren không được chỉ rõ.
Cuống móc phải có phần thoát dao (đường kính d4) phía dưới phần cắt ren với chiều dài ít nhất là s ≥ 2(d3 - d4). Phần thoát dao này phải sâu hơn phần chân ren có đường kính d5, đảm bảo d4 ≥ (d5 -0,3mm). Phần thoát dao này phải được gia công bằng các dụng cụ cắt đáy đạt độ nhám Ra ≤ 3,2 µm và phải không có các vết gia công và các khuyết tật.
Phải lượn cong vùng chuyển tiếp giữa phần cắt ren và phần thoát dao. Bán kính chuyển tiếp r9 phải tỉ lệ với đường kính phần thoát dao (d4) theo công thức: r9 ≥ 0,06d4. Phần cung chuyển tiếp phải nhỏ hơn một phần tư đường tròn.
Tiết diện nhỏ nhất của cuống móc gia công cơ khí (có đường kính d4) phải thoả mãn điều kiện d4 ≥ 0,65 d1, với d1 là đường kính phần rèn của cuống móc, xem Hình 1.
Toàn bộ phần gia công cơ khí của cuống móc phải được lượn tròn tại tất cả các vị trí có sự thay đổi đường kính. Phần gia công cơ khí phải không chạm đến phần cong của thân móc rèn.
Ren phải đáp ứng các yêu cầu về dung sai trong TCVN 4683-1 (ISO 965-1) (sêri bước lớn) và phải ở cấp dung sai 6 g.
CHÚ THÍCH: Phụ lục G giới thiệu ví dụ về loạt cuống móc gia công cơ khí và các kích thước ren thoả mãn các yêu cầu về hình dạng trên đây. Các cuống móc và thiết kế ren khác với Phụ lục G có thể được sử dụng và được đánh giá kỹ thuật theo các yêu cầu của tiêu chuẩn này về sự đáp ứng các thông số kích thước như quy định tại điều khoản này. Ngoài ra, các dạng cuống móc và thiết kế ren khác, ngoài các loại đã giới thiệu, trong tương lai có thể và sẽ được đưa thêm vào Phụ lục G như các nhóm móc quốc gia.
4.8 Đai ốc
Vật liệu của đai ốc phải cung cấp chất lượng như của móc.
Đai ốc phải có chiều cao sao cho chiều dài phần cắt ren trên cuống móc phải lắp hết với các ren của đai ốc.
Đai ốc phải được khóa cưỡng bức chống xoay với cuống móc để ngăn chặn đai ốc tự tháo. Việc khóa này phải không can thiệp vào khu vực hai phần ba phía dưới của mối ghép ren giữa cuống móc và đai ốc. Việc khóa này phải cho phép sự dịch chuyển dọc trục tương đối giữa cuống móc và đai ốc do khe hở trong mối ghép ren. Ngoài ra, nếu đai ốc được khóa bằng chốt hoặc cách thức tương tự thì điều quan trọng trong quá trình khóa là các mặt chịu tải của ren trong đai ốc/cuống móc phải tiếp xúc trực tiếp với nhau để đảm bảo không có khiếm khuyết khi truyền tải.
Đai ốc phải lắp trên ổ chống ma sát, cho phép thân móc quay quanh trục đứng. Bề mặt tiếp xúc nơi lắp đai ốc phải tuân thủ các yêu cầu của ổ. Vị trí chiều cao của bề mặt tiếp xúc phải ở nửa dưới của mối ghép ren.
Ren ở đai ốc phải đáp ứng các yêu cầu về dung sai trong TCVN 4683-1 (ISO 965-1) (sêri bước lớn) và phải ở cấp dung sai 6H. Bán kính lượn đáy ren phải không nhỏ hơn 0,07p, với p là bước ren. Không được sử dụng loại ren mà góc lượn tại đáy ren không được chỉ rõ.
4.9 Bộ phận treo móc
Nói chung, và bắt buộc đối với các cụm móc sản xuất hàng loạt, bộ phận treo móc cùng với hệ thống luồn cáp nâng phải cho phép móc nghiêng tự do theo mọi hướng so với phương của tải. Trong các trường hợp không trang bị khớp treo móc thì phải chú ý đặc biệt khi tính toán thiết kế móc. Khi việc thay đổi cấu hình cần trục/cụm móc hoặc vị trí treo móc có thể dẫn đến trạng thái treo cứng thì phải được tính đến khi tính toán thiết kế móc.
Các tác động của tải trọng quy định đối với móc phải được xem xét khi thiết kế bộ phận treo móc.
5 Độ bền tĩnh
5.1 Quy định chung
Kiểm nghiệm độ bền tĩnh của móc phải thực hiện theo các nguyên tắc trong TCVN 11417-1 (ISO 8686-1).
Ứng suất giới hạn chung đối với độ bền tĩnh là giới hạn chảy của vật liệu.
Kiểm nghiệm phải thực hiện với các tiết diện nguy hiểm của móc, có tính đến các ảnh hưởng bất lợi nhất của tải trọng theo các tổ hợp tải trọng A, B hoặc C, quy định tại TCVN 11417-1 (ISO 8686-1). Phải áp dụng các hệ số an toàn thành phần gp tương ứng. Hệ số rủi ro gn phải được áp dụng khi có yêu cầu đối với một số áp dụng cụ thể như quy định tại các tiêu chuẩn Châu Âu về loại cần trục tương ứng.
5.2 Tải trọng tính toán theo phương thẳng đứng
Tải trọng tính toán theo phương thẳng đứng đối với móc FSd,s khi móc mang tải danh định phải được xác định theo công thức:
| FSd,s = ϕ x mRC ´ g ´ gp ´ gn | (1) |
với
Trong đó:
| ϕ2 | hệ số động khi nâng tải tự do từ mặt nền, xem TCVN 11417-1 (ISO 8686-1); |
| ϕ5 | hệ số động đối với tải trọng do gia tốc của cơ cấu nâng, xem TCVN 11417-1 (ISO 8686-1); |
| a | gia tốc/gia tốc hãm theo phương thẳng đứng; |
| mRC | khối lượng tải nâng danh định của móc; |
| g | gia tốc trọng trường, g = 9,81 m/s2; |
| | hệ số an toàn thành phần, xem TCVN 11417-1 (ISO 8686-1); gp = 1,34 đối với các tải trọng thường xuyên (tổ hợp tải trọng A); gp = 1,22 đối với các tải trọng không thường xuyên (tổ hợp tải trọng B); gp = 1,10 đối với các tải trọng bất thường (tổ hợp tải trọng C); |
| | hệ số rủi ro. |
Các tải trọng tác động và tổ hợp tải trọng khác trong TCVN 11417-1 (ISO 8686-1) có thể gây ra các tải trọng thẳng đứng trên móc cũng phải được phân tích. Trong các trường hợp này tải trọng tính toán được thể hiện tổng quát dưới dạng:
| FSd,s = FH ´ gp ´ gn | (2) |
Trong đó:
| FH | tải trọng thẳng đứng trên móc do các tác động khác với nâng tải, ví dụ như tải trọng thử hoặc tải trọng lớn nhất ở trạng thái quá tải; |
| g | gia tốc trọng trường, g = 9,81 m/s2; |
| | hệ số an toàn thành phần, xem TCVN 11417-1 (ISO 8686-1); |
| | hệ số rủi ro. |
5.3 Tải trọng tính toán theo phương ngang
Tải trọng ngang là thành phần rất quan trọng đối với độ bền của móc, được phát sinh do gia tốc của các chuyển động của cần trục và phải được tính đến. Các lực ngang khác, ví dụ do gió hoặc các thao tác kéo ngang cũng phải được tính đến, nếu có giá trị đáng kể. Tải trọng ngang phải được đặt vào điểm thấp nhất của đáy móc.
Tải trọng tính toán theo phương ngang H Sd,s do gia tốc phải được xác định như sau:
| | (3) |
Trong đó:
| mRC | khối lượng tải nâng danh định của móc; |
| a | gia tốc/gia tốc hãm của chuyển động ngang; |
| ϕ5 | hệ số động đối với tải trọng do gia tốc ngang, xem TCVN 11417-1 (ISO 8686-1). Đối với các bộ phận treo móc không nối cứng theo phương ngang với chi tiết chuyển động của cần trục, phải lấy ϕ5=1; |
| | hệ số an toàn thành phần, lấy như công thức (1); |
| | hệ số rủi ro; |
| Ct | hệ số chống nghiêng của bộ phận treo móc theo Phụ lục I; |
| FSd,s | tải trọng tính toán theo phương thẳng đứng, xác định theo 5.2 tương ứng với trạng thái chịu tải dùng để tính toán tải trọng ngang HSd,s; |
| h | khoảng cách theo chiều đứng từ điểm dưới cùng của đáy móc đến tâm của khớp treo móc. |
5.4 Mô men uốn cuống móc
5.4.1 Quy định chung
Các ảnh hưởng sau đây phải được tính đến khi xác định mô men uốn tổng tác động lên cuống móc:
a) Tải trọng ngang, xem 5.4.2;
b) Độ nghiêng của bộ phận treo móc, xem 5.4.3;
c) Tác động lệch tâm của tải trọng thẳng đứng lên đế móc, xem 5.4.4.;
d) Đối với móc kép: một nửa tải trọng danh định trên mỗi ngạnh, xem 5.4.5.
Các tác động gây uốn trên đây phải được tính cho cùng tổ hợp tải trọng như nhau, gồm các tải trọng tác động hoặc điều kiện làm việc của tổ hợp đó.
5.4.2 Mô men uốn do tải trọng ngang
Điều khoản này quy định về mô men uốn do các tải trọng ngang gây ra. Mô men M1 do tải trọng ngang tính toán HSd,s gây ra phải được tính tại tiết diện nguy hiểm của cuống móc (xem 5.6):
| M1 = HSd,s ´ hs | (4) |
Trong đó:
| HSd,s | tải trọng ngang tính toán theo 5.3; |
| hs | khoảng cách theo phương đứng tính từ điểm thấp nhất của đáy móc đến điểm cận trên của phần có tiết diện nhỏ nhất của cuống móc. |
5.4.3 Mô men uốn do độ nghiêng của bộ treo móc
Khi sự bố trí của cơ cấu nâng hoặc móc/cụm móc cho phép bộ treo móc ở tư thế nghiêng khi mang tải thì mô men uốn trên cuống móc do độ nghiêng gây ra phải được tính đến khi thiết kế. Tư thế nghiêng này có thể do các nguyên nhân sau:
a) Sự khác nhau giữa các hành trình nâng của hai cơ cấu nâng riêng biệt dùng để nâng dầm nâng có móc (xem Hình 3);
b) Do sự luồn cáp một sợi trong chuyển động nâng và hạ tải (xem Hình 4);
c) Bộ phận lắp cứng với móc bị nghiêng;
d) Tác động của thiết bị giới hạn va chạm của cụm móc dưới khi tải nâng ở vị trí cao nhất với chi tiết của cần trục làm cho chi tiết cần trục bị nghiêng.
Do bị nghiêng, tải trọng thẳng đứng sẽ gây ra thành phần tải vuông góc với đường tâm của cuống móc. Thành phần tải trọng này phải được tính đến theo cùng cách thức như các tải trọng ngang. Mô men uốn M2 tại tiết diện nguy hiểm của cuống móc tỷ lệ thuận với tải trọng tính toán theo phương thẳng đứng và được xác định như sau:
| M2 = FSd,s ´ hs ´ sin(β) | (5) |
Trong đó:
| FSd,s | tải trọng tính toán theo phương thẳng đứng, xác định tại 5.2, tương ứng với trạng thái móc bị nghiêng một góc β; |
| β | giá trị lớn nhất, tổng góc nghiêng ở mỗi tổ hợp tải trọng liên quan; |
| hs | khoảng cách theo phương đứng tính từ điểm thấp nhất của đáy móc đến điểm cận trên của phần có tiết diện nhỏ nhất của cuống móc. |

Hình 3- Móc bị nghiêng do hành trình nâng khác nhau

Hình 4- Móc bị nghiêng trong hệ thống luồn cáp một sợi
Trong bộ treo cáp được cân bằng với nhiều nhánh cáp và chỉ một nhánh cáp đi ra từ tang cuốn thì chuyển động nâng/hạ làm cho bộ treo móc bị nghiêng, xem Hình 4. Góc nghiêng được tính như sau:
| β = arctan(Ct/h) | (6) |
Trong đó:
| Ct | hệ số chống nghiêng của bộ phận treo móc theo Phụ lục I; |
| h | khoảng cách theo chiều đứng từ điểm dưới cùng của đáy móc đến tâm của khớp treo móc. |
Góc nghiêng lớn nhất, tải trọng thẳng đứng và mô men M2 liên quan phải tính riêng rẽ đối với tất cả các trạng thái tải trọng của cần trục.
5.4.4 Mô men uốn do sự lệch tâm của tải trọng thẳng đứng
Bộ phận treo tải nâng không phải lúc nào cũng đặt tại giữa đáy móc. Sự sai lệch của phương của tải trọng và đường tâm của cuống móc gây ra mô men uốn, phải tính như sau:
| M3 = ce ´ FSd,s ´ a1 | (7) |
Trong đó:
| FSd,s | tải trọng tính toán theo phương thẳng đứng, xác định tại 5.2; |
| a1 | đường kính đáy móc; |
| ce | ce hệ số lệch tâm (ce = 0,05). |
CHÚ THÍCH: Độ lệch tâm nhỏ hơn có thể được sử dụng trong tính toán thiết kế nếu có phương tiện cơ khí cưỡng bức đảm bảo bộ phận treo tải nâng nằm gần sát tâm của đáy móc.
5.4.5 Trường hợp riêng đối với móc kép
Đối với móc kép, giả thiết rằng một nửa tải trọng thẳng đứng tác động lên một ngạnh, ngạnh còn lại không chịu tải. Trường hợp tải trọng này được sử dụng khi tính toán đối với tổ hợp tải trọng C.
Khi chỉ một ngạnh chịu tải, mô men uốn M4 tại tiết diện nguy hiểm của cuống móc phải được xác định như sau:
| | (8) |
với eR = (a1 + d1)/2
Trong đó:
| FSd,s | tải trọng tính toán theo phương thẳng đứng, xác định tại 5.2 với gp theo tổ hợp tải trọng C; |
| d1 | đường kính phần cuống móc rèn; |
| a1 | đường kính đáy móc; |
| eR | khoảng cách từ phương của tải trọng đến đường tâm của cuống móc; |
| h | khoảng cách theo chiều đứng từ điểm dưới cùng của đáy móc đến tâm của khớp treo móc; |
| hs | khoảng cách theo chiều đứng từ điểm dưới cùng của đáy móc đến điểm cận trên của phần tiết diện nhỏ nhất trên cuống móc; |
| Ct | hệ số chống nghiêng của bộ phận treo móc, xem Phụ lục I. |
5.4.6 Mô men uốn tính toán trên cuống móc
Nói chung, mô men uốn tính toán tại tiết diện nguy hiểm của cuống móc Msd,s cho các trạng thái tải trọng mô tả tại các điều từ 5.4.2 đến 5.4.4 phải được tính riêng rẽ cho từng tổ hợp tải trọng liên quan như sau:
| | (9) |
Trong đó:
M1, M2, M3 các mô men uốn tính theo 5.4.2, 5.4.3 và 5.4.4;
| Ct | hệ số chống nghiêng của bộ phận treo móc, xem Phụ lục I; |
| FSd,s | tải trọng tính toán theo phương thẳng đứng, xác định theo 5.2. |
Ngoài ra, đối với trường hợp riêng 5.4.5 phải chú ý với tổ hợp tải trọng C như sau:
| MSd,s=M4 | (10) |
5.5 Ứng suất tính toán tại thân móc
5.5.1 Tải trọng
Tải trọng tính toán theo phương thẳng đứng FSd,s phải được phân thành hai thành phần, tác động tại tâm vòng tròn đáy móc, đối xứng về hai phía trục đứng và tạo với trục đứng các góc α như thể hiện trên Hình 5.
Giá trị nhỏ nhất của góc α được giả thiết là α = 45 °.
Đối với móc kép, khi áp dụng tổ hợp tải trọng A và B, tải trọng được giả thiết và phân bố đều trên hai ngạnh.
Ở trường hợp đặc biệt đối với móc kép, phải giả thiết là một nửa tải trọng thẳng đứng tác dụng lên một ngạnh, còn một ngạnh không chịu tải. Trường hợp này được áp dụng cho tổ hợp tải trọng C.
Tải trọng ngang được bỏ qua khi tính toán thân móc.
5.5.2 Các phương pháp tính ứng suất
Ứng suất tại các tiết diện thân móc phải được phân tích hoặc theo lý thuyết thanh cong chịu uốn như Phụ lục H, hoặc theo phương pháp phần tử hữu hạn, hoặc bằng các thực nghiệm toàn diện. Tuy nhiên, ứng suất tại tiết diện B của móc kép được phân tích như thanh thẳng chịu uốn thông thường.
Điều khoản dưới đây dựa trên cơ sở lý thuyết thanh cong chịu uốn.

Hình 5 - Tải trọng tác dụng lên thân móc và các tiết diện nguy hiểm cần tính toán
5.5.3 Ứng suất tính toán
Các ứng suất tính toán σSd,s tại tiết diện A và B đối với móc đơn và tại tiết diện A đối với móc kép phải được xác định như sau:
| | (11) |
với R = a1 /2 + h1,
và n = 1 đối với tiết diện B của móc đơn;
n= 0,5 ´ tanα đối với tiết diện A của móc đơn và móc kép, α = 45°.
Trong đó:
R bán kính cong của móc, xác định tại trọng tâm của tiết diện;
FSd,s tải trọng tính toán theo phương thẳng đứng, xác định theo 5.2;
I mô men quán tính tham chiếu của tiết diện thanh cong;
a1 đường kính đáy móc;
h1 giá trị tuyệt đối toạ độ y tại điểm nằm trên mép trong của tiết diện cụ thể;
α góc giữa phương tác động của lực và trục đứng, xem Hình 5.
Độ lớn của h1 và I là các đặc trưng của tiết diện và phải được xác định theo Phụ lục H.
Ứng suất tính toán tại tiết diện B của móc kép cho trường hợp đặc biệt 5.4.5 phải được xác định như sau:
| | (12) |
với F = FSd,s/2
Trong đó:
| FSd,s | tải trọng tính toán theo phương thẳng đứng, xác định theo 5.2 và gp theo tổ hợp tải trọng C; |
| Ad1 | diện tích tiết diện phần cuống móc rèn; |
| Id1 | mô men quán tính của tiết diện phần cuống móc rèn; |
| d1 | đường kính cuống móc rèn; |
| a1 | đường kính đáy móc. |
5.6 Ứng suất tính toán tại cuống móc
Tải trọng tính toán theo phương thẳng đứng tại 5.2 và các mô men uốn tính toán tại 5.4 phải được tính đến khi kiểm nghiệm cuống móc. Nói chung, tiết diện nguy hiểm của cuống móc nằm tại phần cắt thoát dao ngay dưới phần cắt ren, có đường kính d4 như Hình 1. Ứng suất tính toán lớn nhất được coi là ứng suất danh nghĩa, không tính đến các hệ số tập trung ứng suất, và được xác định theo lý thuyết thanh thẳng chịu uốn như sau:
| | (13) |
Trong đó:
| FSd,s | tải trọng tính toán theo phương thẳng đứng; |
| MSd,s | mô men uốn tính toán tại tiết diện nguy hiểm, xem 5.4.6; |
| Ad4 | diện tích tiết diện nguy hiểm phần cuống móc; |
| Id4 | mô men quán tính của tiết diện nguy hiểm phần cuống móc. |
5.7 Kiểm nghiệm móc theo độ bền tĩnh
5.7.1 Quy định chung đối với thân móc và cuống móc
Đối với cả thân móc và cuống móc, phải chứng minh được rằng với các tải trọng tác động quy định tại các điều 5.2 đến 5.4 thì:
| | (14) |
Trong đó:
| σSd,s | ứng suất tính toán lớn nhất tại tiết diện nguy hiểm theo 5.5 và 5.6; |
| fRd | ứng suất giới hạn khi tính toán; |
| fy | giới hạn chảy của vật liệu ở sản phẩm đã hoàn thiện; |
| f1 | hệ số ảnh hưởng của nhiệt độ làm việc; |
| | hệ số dự trữ bền chung theo TCVN 11417-1 (ISO 8686-1) ( |
| | hệ số dự trữ bền riêng cho tiết diện, chọn như sau: |
|
|
hoặc nếu áp dụng cho dạng móc riêng theo tiêu chuẩn quốc gia thì
|
Khi không có các dữ liệu khác, hệ số f1 tính đến sự giảm giới hạn chảy do nhiệt độ cao phải được tính như sau:
| Khi - 50 °C ≤ T ≤ 100 °C f1 = 1 | (15) |
| Khi 100 °C ≤ T ≤ 250 °C f1 = 1 - 0,25 ´ (T-100)/150 |
Trong đó, T là nhiệt độ làm việc, tính bằng độ Celsius (°C).
5.7.2 Sử dụng tải trọng tĩnh giới hạn khi tính toán để kiểm nghiệm thân móc
Tải trọng tĩnh giới hạn khi tính toán FRd,s dùng để kiểm nghiệm độ bền tĩnh cho tiết diện A và B của móc đơn và tiết diện A của móc kép. Tải trọng này phải tính theo:
| | (16) |
Đối với móc đơn, tải trọng tĩnh giới hạn khi tính toán được tính riêng rẽ cho các tiết diện A và B và giá trị nhỏ hơn sẽ được sử dụng.
Phải chứng minh với mọi tác động của tải trọng và tổ hợp tải trọng quy định tại 5.2 thì:
| FSd,s ≤ f1 ´ FRd,s | (17) |
Trong đó:
| FSd,s | tải trọng tính toán theo phương thẳng đứng theo 5.2; |
| FRd,s | tải trọng tĩnh giới hạn khi tính toán; |
| f1 | hệ số ảnh hưởng của nhiệt độ làm việc, tính theo công thức (15). |
CHÚ THÍCH 1: Ngoài ra, phải kiểm nghiệm độ bền tĩnh của cuống móc theo 5.7.1.
CHÚ THÍCH 2: Khi thân móc chọn theo Phụ lục A và B và các giá trị giới hạn chảy, giới hạn bền là các giá trị trong Bảng 4 thì kiểm nghiệm độ bền tĩnh có thể thực hiện trên cơ sở tải trọng tĩnh giới hạn khi tính toán như trong Phụ lục C.
CHÚ THÍCH 3: Các kích thước của móc kép trong Phụ lục B có tỉ lệ để tiết diện B của thân móc không làm ảnh hưởng đến độ bền tĩnh của thân móc, tức là không yêu cầu kiểm nghiệm cho trường hợp đặc biệt 5.4.5.
6 Độ bền mỏi
6.1 Quy định chung
Kiểm nghiệm độ bền mỏi của móc phải thực hiện theo các nguyên tắc trong TCVN 11417-1 (ISO 8686-1). Các móc phải có tuổi thọ thiết kế ít nhất bằng tuổi thọ thiết kế của cần trục hoặc cơ cấu nâng tương ứng.
Việc kiểm nghiệm phải thực hiện cho các tiết diện nguy hiểm của móc, có tính đến các ảnh hưởng bất lợi nhất của tải trọng từ tổ hợp tải trọng A theo TCVN 11417-1 (ISO 8686-1), lấy toàn bộ các hệ số an toàn gp = 1 và hệ số rủi ro gn = 1.
Số chu trình ứng suất dùng trong kiểm nghiệm phải dựa trên số chu trình làm việc trong suốt tuổi thọ thiết kế của cần trục, như quy định tại TCVN 8590-1 (ISO 4301-1). Nói chung, đối với thân móc, mỗi chu trình nâng sẽ tương ứng một chu trình ứng suất. Nếu một chu trình làm việc bao gồm nhiều chu trình nâng thì phải tính đến điều đó khi đếm số chu trình ứng suất. Đối với cuống móc, các chuyển động phụ để căn chỉnh vị trí tải phải được tính đến khi đếm số chu trình ứng suất uốn.
6.2 Tải trọng tính toán mỏi theo phương thẳng đứng
Tải trọng tính toán theo phương thẳng đứng FSd,f,i cho chu trình i phải được xác định như sau:
| FSd,f,i = ϕ2 ´ mi ´ g | (18) |
Trong đó:
| ϕ2 | hệ số động khi nâng tải tự do từ mặt nền, xem TCVN 11417-1 (ISO 8686-1); |
| mi | khối lượng tải nâng ở chu trình nâng thứ i; |
| g | gia tốc trọng trường, g = 9,81 m/s2. |
6.3 Tải trọng tính toán mỏi theo phương ngang
Tải trọng tính toán theo phương ngang HSd,f,i cho chu trình i do các gia tốc theo phương ngang phải được xác định như sau:
| | (19) |
Trong đó:
| mi | khối lượng tải nâng ở chu trình thử i; |
| a | gia tốc/gia tốc hãm của chuyển động ngang; |
| ϕ5 | hệ số động đối với tải trọng do gia tốc ngang, xem TCVN 11417-1 (ISO 8686-1). Đối với các bộ phận treo móc không nối cứng theo phương ngang với chi tiết chuyển động của cần trục, phải lấy ϕ5 = 1; |
| Ct | hệ số chống nghiêng của bộ phận treo móc, xem Phụ lục I; |
| g | gia tốc trọng trường, g = 9,81 m/s2. |
| h | khoảng cách theo chiều đứng từ điểm dưới cùng của đáy móc đến tâm của khớp treo móc. |
6.4 Mô men uốn cuống móc khi tính mỏi
6.4.1 Mô men uốn cuống móc do lực ngang
Mô men M1,f,i phải được tính tại tiết diện nguy hiểm của cuống móc do tải trọng ngang tính toán HSd,f,i theo 6.3 gây ra:
| M1,f,i = HSd,f,i ´ hs | (20) |
Trong đó:
| HSd,f,i | tải trọng ngang tính toán theo 6.3; |
| hs | khoảng cách theo phương đứng tính từ điểm thấp nhất của đáy móc đến điểm cận trên của phần có tiết diện nhỏ nhất của cuống móc |
6.4.2 Mô men uốn do độ nghiêng của bộ treo móc
Các nguyên nhân gây nghiêng móc và phương pháp tính toán phải xem xét tương tự như 5.4.3. Đối với việc kiểm nghiệm mỏi, với các tải trọng trong tổ hợp tải trọng A là các tải trọng thường xuyên, phải dựa trên cấu hình và ứng dụng của cần trục.
Một cách tối thiểu, điều sau đây phải được tính là xuất hiện thường xuyên trong mỗi chu trình nâng: trong bộ phận treo cáp cân bằng bằng nhiều nhánh dây và chỉ có một đầu dây ra khỏi tang cuốn thì chuyển động nâng/hạ sẽ làm bộ phận treo móc bị nghiêng, xem Hình 4. Mô men uốn M2,f,i tại tiết diện nguy hiểm của cuống móc phải được xác định như sau:
| M2,f,i = FSd,f,i ´ hs ´ sin(β) | (21) |
Trong đó:
| FSd,f,i | tải trọng tính toán theo phương thẳng đứng tại chu trình thứ i xác định theo 6.2; |
| hs | khoảng cách theo phương đứng tính từ điểm thấp nhất của đáy móc đến điểm cận trên của phần có tiết diện nhỏ nhất của cuống móc; |
| sin(β) | góc nghiêng của bộ phận treo móc, xác định theo công thức (6). |
6.4.3 Mô men uốn do sự lệch tâm của tải trọng thẳng đứng
Bộ phận treo tải nâng không phải lúc nào cũng đặt tại giữa đáy móc. Sự sai lệch của phương của tải trọng và đường tâm của cuống móc gây ra mô men uốn, phải tính như sau:
| M3,f,i = ce ´ FSd,f,i ´ a1 | (22) |
Trong đó:
| FSd,f,i | tải trọng tính toán theo phương thẳng đứng ở chu trình thứ i, xác định theo 6.2; |
| a1 | đường kính đáy móc; |
| ce | hệ Số lệch tâm, ce = 0,05. |
CHÚ THÍCH: Độ lệch tâm nhỏ hơn có thể được sử dụng trong tính toán thiết kế nếu có phương tiện cơ khí cường bức đảm bảo bộ phận treo tải nâng nằm gần sát tâm của đáy móc.
6.5 Kiểm nghiệm độ bền mỏi của thân móc
6.5.1 Ứng suất tính toán
Kiểm nghiệm độ bền mỏi phải dựa trên hiệu ứng tích lũy mỏi của các khoảng thay đổi ứng suất tại các tiết diện nguy hiểm. Phải giả định là tải nâng được nâng từ mặt nền ở mỗi chu trình nâng, tức là khoảng thay đổi tải trọng là từ 0 đến tải trọng lớn nhất, bao gồm cả hệ số động.
Tính toán khoảng thay đổi ứng suất tương tự như ứng suất tĩnh tính toán tại 5.5.3, áp dụng tải trọng tính toán theo phương thẳng đứng tại 6.2:
Δ σSd,i = σSd,s
tương tự như công thức (11), điều 5.5.3, khi thay FSd,s bằng FSd,f,i
Trong đó:
| i | chỉ số thể hiện thứ tự của chu trình; |
| Δ σSd,i | khoảng thay đổi ứng suất tại chu trình i; |
| FSd,f,i | tải trọng tính toán theo phương thẳng đứng ở chu trình thứ i, xác định tại 6.2. |
Khi kiểm nghiệm độ bền mỏi của các móc "đã được thử” (có nhãn “PL”), với ứng suất nén dư σSd,pr trong vùng có ứng suất lớn nhất tại thớ trong của thân móc (do ảnh hưởng của tải trọng thử), nên ứng suất tính toán trong thân của móc "đã được thử" sẽ thay đổi từ giá trị nhỏ nhất σSd,pb,min đến giá trị lớn nhất σSd,pb,max, xác định như sau:
σSd,pb,min = σSd,pr (bằng ứng suất nén dư σSd,pr khi móc không chịu tải);
σSd,pb,max = σSd,pr + ΔσSd, i(bằng ứng suất nén dư σSd,pr cộng với khoảng thay đổi ứng suất tính như trên đây với tải trọng FSd,s = FSd,f,i).
Khi kiểm nghiệm độ bền mỏi của các móc “chưa được thử”, ứng suất tính toán sẽ thay đổi từ giá trị nhỏ nhất bằng 0 tại thớ trong của thân móc khi không chịu tải. Điều này cũng áp dụng cho các móc “đã được thử" nếu bỏ qua các ảnh hưởng có lợi của quá trình thử; trong trường hợp này các kết quả sẽ an toàn hơn.
Quy trình tính toán mô tả tại 6.5 được dựa trên các chu trình ứng suất thay đổi mạch động (thay đổi từ 0 đến giá trị lớn nhất) và chu trình ứng suất trong thân móc “đã được thử" trước tiên sẽ được chuyển đổi về chu trình mạch động, ví dụ bằng cách sử dụng quy trình trong Phụ lục E, sau đó mới áp dụng các quy trình 6.5.
6.5.2 Quá trình ứng suất
Hiệu ứng tích lũy mỏi của quá trình ứng suất từ tất cả các chu trình ứng suất được chuyển đổi về một hệ số quá trình ứng suất duy nhất sh. Hệ số này được xác định như sau:
| sh = kh ´ nh | (23) |
| với | (24) |
| và | (25) |
Trong đó:
| kh | hệ số phổ ứng suất; |
| nh | tỉ số tương đối của số chu trình ứng suất; |
| i | chỉ số thể hiện thứ tự của chu trình; |
| N | tổng số chu trình ứng suất; |
| ND | số chu trình cơ sở khi thử mỏi (ND = 2 x 106); |
| ΔσSd,i | khoảng thay đổi ứng suất tại chu trình i; |
| ΔσSd,max | khoảng thay đổi ứng suất cố giá trị lớn nhất; |
| m | bậc của đường cong mỏi (m = 6). |
Tổng số chu trình ứng suất (N) phải phù hợp với tổng số chu trình nâng (C) trong suốt tuổi thọ thiết kế của cần trục như quy định tại TCVN 8590-1 (ISO 4301-1).
6.5.3 Quá trình ứng suất trên cơ sở phân loại chế độ làm việc
Thân móc thể hiện một trường hợp đặc biệt, khi sự thay đổi ứng suất chỉ phụ thuộc vào sự thay đổi của tải nâng. Do đó, hệ số quá trình ứng suất có thể xác định trực tiếp từ cấp tải Q và cấp sử dụng U theo TCVN 8590-1 (ISO 4301-1), thay vì việc sử dụng quá trình ứng suất cụ thể và tính toán chi tiết sh theo 6.5.2. Khi chế độ làm việc dự kiến chỉ được xác định qua các cáp Q và U thì sh phải tính toán theo công thức (27).
Hệ số quá trình tải trọng SQ được định nghĩa theo:
| sQ = kQ x N/ND | (26) |
Trong đó:
| kQ | hệ số phổ tải, lấy theo Bảng 5, xem thêm TCVN 8590-1 (ISO 4301-1): phạm vi bao gồm các cấp tải Q0 đến Q5; |
| N | N tổng Số chu trình nâng. Thông thường, đối với móc có thể lấy bằng số chu trình làm việc (C) quy định đối với cấp sử dụng U theo TCVN 8590-1 (ISO 4301-1). Tuy nhiên, mỗi lần hạ tải xuống nền ở cùng một chu trình làm việc phải được tính như một chu trình nâng bổ sung và cộng thêm vào giá trị của N. |
| ND | số chu trình cơ sở (ND = 2 x 106). |
Hệ số phổ tải (kQ) được tình từ đường cong Wöhler với bậc (hệ số góc) bằng 3, trong khi đường cong mỏi của thân móc có bậc m = 6. Khi đã biết dạng của hàm phân bố tải, hệ số quy đổi có thể tính toán để thiết lập quan hệ giữa phổ tải theo TCVN 8590-1 (ISO 4301-1) và hệ số quá trình ứng suất của thân móc. Đối với các chế độ làm việc đã được phân loại, phải áp dụng dạng phân bố tải cho trong Phụ lục E.
Khi phổ tải được quy định theo nhóm chế độ làm việc tại TCVN 8590-1 (ISO 4301-1) thì hệ số quá trình ứng suất sh đối với thân móc phải được tính theo:
| | (27) |
với
| | (28) |
Trong đó, k6* là hệ số phổ riêng.
Nhằm tiêu chuẩn hóa, các giá trị quy ước trong Bảng 5 phải được sử dụng khi thiết kế thân móc. Xem thêm Phụ lục E.
6.5.4 Ứng suất giới hạn mỏi khi thiết kế
Giả thuyết cơ bản là đường cong mỏi trong hệ toạ độ log(σ)/log(N) là một đoạn thẳng, với cùng hệ số góc (m) đối với tất cả các cấp chất lượng vật liệu. Điều này là hợp lý đối với trường hợp số chu trình ứng suất lớn, khi độ bền mỏi là chỉ tiêu thiết kế chính.
Bảng 5 - Hệ số phổ riêng k6*
| Cấp tải Q | Hệ số phổ tải kQ | Hệ số k6* khi m=6 |
| Q0 | 0,0313 | 1,348 |
| Q1 | 0,0625 | 1,343 |
| Q2 | 0,125 | 1,259 |
| Q3 | 0,250 | 1,172 |
| Q4 | 0,500 | 1,084 |
| Q5 | 1,000 | 1,00 |
Ứng suất giới hạn mỏi khi thiết kế với số chu trình cơ sở ND được tính theo:
| ΔσRd = f1 ´ f2 ´ Δσc | (29) |
Trong đó:
ΔσRd ứng suất giới hạn mỏi khi thiết kế;
Δσc độ bền mỏi đặc trưng với số chu trình cơ sở ND = 2 x 106, phụ thuộc vào vật liệu;
f1 hệ số tính đến ảnh hưởng của nhiệt độ làm việc, theo công thức (31);
f2 hệ số tính đến ảnh hưởng của chiều dày vật liệu, theo công thức (32).
Độ bền mỏi đặc trưng của Δσc phụ thuộc vào giới hạn bền của vật liệu. Đối với các vật liệu đã phân cấp chất lượng theo Bảng 4, độ bền mỏi đặc trưng phải được chọn theo Bảng 6.
Bảng 6 - Độ bền mỏi đặc trưng của vật liệu móc
| Cấp chất lượng của vật liệu | Δσc N/mm2 |
| M | 170 |
| P | 220 |
| S | 235 |
| T | 280 |
| V | 305 |
Đối với các vật liệu khác và trong các trường hợp không áp dụng các vật liệu đã phân cấp, độ bền mỏi đặc trưng Δσc phải xác định theo:
| | (30) |
Trong đó, fu là giới hạn bền của vật liệu, tính bằng newton trên milimét vuông (N/mm2).
Hệ số tính đến ảnh hưởng của nhiệt độ làm việc được tính theo:
| Khi 100 °C ≤ T ≤ 250 °C; f1 = 1-0,1 ´ (T-100)/150 | (31) |
| Khi - 50 °C ≤ T ≤ 100 °C: f1=1 |
Trong đó, T là nhiệt độ làm việc, tính bằng độ Celsius (°C).
Hệ số ảnh hưởng của độ dày vật liệu f2 tính theo:
Khi 25 mm ≤ bmax ≤ 150mm:
| Khi bmax < 25 mm f2 = 1 Khi bmax > 150 mm f2 = 0,74 | (32) |
Trong đó:
| bref bmax | chiều rộng tham chiếu (bref = 25 mm); chiều rộng lớn nhất của tiết diện nguy hiểm của thân móc, xem Hình 5. |
6.5.5 Thực hiện kiểm nghiệm
Kiểm nghiệm phải thực hiện riêng rẽ cho tất cả các tiết diện liên quan của thân móc.
Để kiểm nghiệm độ bền mỏi, phải chứng minh:
| | (33) |
Trong đó:
ΔσSd,max giá trị lớn nhất của khoảng thay đổi ứng suất trong toàn bộ quá trình ứng suất;
ΔσSd ứng suất giới hạn mỏi khi thiết kế, xác định theo công thức (29);
gHf hệ số dự trữ độ bền mỏi riêng, theo Bảng 7;
m bậc của đường cong mỏi (m = 6);
sh hệ số quá trình ứng suất;
k6* hệ số phổ riêng;
sQ hệ số quá trình tải trọng.
Bảng 7 - Hệ số dự trữ độ bền mỏi riêng
| Tiết diện trên móc | gHf |
| Tiết diện A của móc đơn hoặc móc kép | 1,35 |
| Tiết diện B của móc đơn | 1,25 |
Khi tính toán bằng cách sử dụng phân loại chế độ làm việc theo TCVN 8590-1 (ISO 4301-1), các giá trị của hệ số chuyển đổi sau đây được cho trong Phụ lục E:
| | (34) |
6.5.6 Sử dụng tải trọng mỏi giới hạn khi tính toán để kiểm nghiệm thân móc
Tải trọng mỏi giới hạn khi tính toán FRd.f phải được xác định theo:
| | (35) |
Đối với móc đơn, tải trọng mỏi giới hạn khi tính toán phải được tính riêng rẽ cho hai tiết diện A, B và sử dụng giá trị nhỏ hơn trong hai giá trị tính được.
Cũng phải chứng minh rằng đối với mọi tác động của tải trọng và tổ hợp tải trọng tại 6.2 thì:
| | (36) |
Trong đó:
| FSd,f | giá trị lớn nhất của tải trọng tính toán theo phương thẳng đứng theo 6.2; |
| FRd,f | tải trọng mỏi giới hạn khi tính toán; |
| f1 | hệ số tính đến ảnh hưởng của nhiệt độ làm việc theo công thức (31). |
Trong các trường hợp thân móc phù hợp với Phụ lục A và B, kiểm nghiệm độ bền mỏi có thể dựa trên các tải trọng mỏi giới hạn khi tính toán cho trong Phụ lục D.
6.6 Kiểm nghiệm độ bền mỏi của cuống móc
6.6.1 Quy định chung
Số chu trình ứng suất lấy từ tổng số chu trình nâng (N) phải tương ứng với tổng số chu trình làm việc (C) trong suốt tuổi thọ thiết kế của cần trục như quy định trong TCVN 8590-1 (ISO 4301-1).
6.6.2 Ứng suất tính toán
Ứng suất tính toán phải được xác định ở đoạn cắt thoát dao trên cuống móc, tại tiết diện ngay phía dưới vùng cắt ren, với đường kính d4 như trên Hình 1. Ứng suất cơ bản được tính toán trên cơ sở lý thuyết thanh thẳng chịu uốn và không tính đến tập trung ứng suất. Các công thức sau đây là tổng quát và áp dụng tại điều 6.6 cho mọi lực tính toán theo phương thẳng đứng và mô men uốn tính toán:
Trong đó:
| | (37) |
| | (38) |
Trong đó:
| σa | ứng suất (kéo) tại cuống móc do lực theo phương thẳng đứng gây ra; |
| σb | ứng suất (uốn) tại cuống móc do mô men uốn gây ra; |
| F | lực tính toán theo phương thẳng đứng ở một chu trình tải trọng mỏi; |
| M | mô men uốn tính toán ở một chu trình tải trọng mỏi; |
| Ad4 | diện tích tiết diện nguy hiểm của cuống móc; |
| Id4 | mô men quán tính của tiết diện nguy hiểm của cuống móc. |
6.6.3 Chu trình ứng suất áp dụng
Ở mỗi chu trình nâng, phải tính đến hai loại chu trình ứng suất sau đây, nếu liên quan.
Khi kiểm nghiệm độ bền mỏi của các móc “chưa được thử”, ứng suất nén dư σSd,sh,pr trong các công thức sau được lấy bằng 0. Đối với các móc “đã được thử", ứng suất lớn nhất xuất hiện trong quá trình thử tại vùng cắt thoát dao ở cuống móc đã vượt quá giới hạn chảy (ví dụ tại chân ren), ứng suất nén dư σSd,sh,pr có thể được bỏ qua (lấy bằng 0 trong các công thức sau - trên quan điểm an toàn) hoặc có tính đến các ảnh hưởng có lợi như trong cả hai loại chu trình ứng suất sau đây.
Chu trình kiểu 1: Chu trình ứng suất do nâng và hạ tải xuống mặt nền, có tính đến ứng suất uốn do móc bị nghiêng và sự lệch tâm của tải trọng thẳng đứng. Các đặc trưng của mỗi chu trình ứng suất như sau:
a) Ứng suất kéo σa1 = σa (FSd,f,i ) [công thức (37)], trong đó FSd,f,i tính theo 6.2.
Ứng suất nén dư σsd,sh,pr tại vùng cắt thoát dao ở cuống móc nơi mà ứng suất lớn nhất trong quá trình thử móc đã vượt quá giới hạn chảy cần được tính đến. Ứng suất kéo tính toán thay đổi từ giá trị nhỏ nhất tại cuống móc σSd,ps,min khi móc không chịu tải, bằng ứng suất dư ở móc “đã được thử" σSd,sh,pr , đến giá trị lớn nhất σSd,ps,max bằng tổng của ứng suất σa1 do các lực FSd,f,i sinh ra (đã tính ở trên) và ứng suất dư ban đầu σSd,sh,pr, tức là:
σSd,a,ps min = σSd,sh,pr và
σSd,a,ps min = σSd,sh,pr + σa1
b) Ứng suất uốn σb1 = σb(M) (công thức (37)], trong đó M = max[M2,f,i,M3,f,i] tính theo 6.4.2 và 6.4.3.
Ứng suất nén dư σSd,sh,pr tại vùng cắt thoát dao ở cuống móc nơi mà ứng suất lớn nhất trong quá trình thử móc đã vượt quá giới hạn chảy đã được tính đến và ứng suất uốn kiểu 1 (σb1) phải cộng vào ứng suất kéo đã bao gồm ứng suất dư như đã tính ở trên.
c) Ứng suất thay đổi mạch động từ 0 đến σa1 + σb1, giá trị trung bình σm1,i = (σa1 + σb1)/2 và biên độ ứng suất σA1,i = σm1,i.
Với ứng suất nén dư σSd,sh,pr có mặt tại vùng cắt thoát dao của cuống móc “đã được thử", ứng suất tính toán kiểu 1 sẽ thay đổi từ giá trị nhỏ nhất của ứng suất tính toán σSd,ps1,min, bằng giá trị ứng suất dư σSd,sh,pr khi móc không chịu tải:
σSd,ps1,max = σSd,sh,pr
đến giá tri lớn nhất σSd,ps1,max, bằng tổng của ứng suất kéo σa1 do các lực Fsd,f,i sinh ra (đã tính ở trên), ứng suất uốn σb1 và ứng suất dư ban đầu:
σSd,ps1,max = σSd,sh,pr+ σa1 + σb1
Do các quy trình 6.6.8 dựa trên chu trình 6.6.3 đối với chu trình mạch động (ứng suất thay đổi từ 0 đến giá trị lớn nhất), chu trình ứng suất ở các móc “đã được thử” trước tiên phải được chuyển đổi về quy trình mạch động tương đương, ví dụ bằng cách sử dụng công thức chuyển đổi trong Phụ lục I, sau đó mới áp dụng các quy trình 6.6.8.
d) Tổng số chu trình ứng suất N1 = N.
Chu trình kiểu 2: Chu trình ứng suất do gia tốc theo phương ngang và do sự lắc lư của tải trọng phải được tính đến như sau:
e) Ứng suất kéo như ở Chu trình kiểu 1.
Ứng suất nén dư σSd,sh,pr tại vùng cắt thoát dao ở cuống móc nơi mà ứng suất lớn nhất trong quá trình thử móc đã vượt quá giới hạn chảy cần được tính đến. Các giá trị cực trị của ứng suất kéo kiểu 2 phải tính tương tự như mô tả tại a) của kiểu 1, tức là thay đổi từ giá trị nhỏ nhất tại cuống móc "đã được thử" σSd,a2,ps,min khi móc không chịu tải, bằng ứng suất dư σSd,sh,pr:
σSd,a2,ps,min = σSd,sh,pr
đến giá trị lớn nhất σSd,a2,ps,max, bằng tổng của ứng suất tính toán σa1 và ứng suất nén dư σSd,sh,pr tại cuống móc:
σSd,a2,ps,max = σSd,sh,pr + σa2
f) Ứng suất uốn σb2 = σb(M1,f,i) (công thức (38)], trong đó M1,f,i tính theo 6.4.1.
Ứng suất nén dư σSd,sh,pr tại vùng cắt thoát dao ở cuống móc đã được tính đến và ứng suất uốn kiểu 2 (σb2) phải cộng vào ứng suất kéo đã bao gồm ứng suất dư như đã tính ở trên.
g) Chu trình ứng suất có giá trị trung bình σm2,i = σa2,i và biên độ ứng suất σA2,i = σb2,i
Với ứng suất nén dư σSd,sh,pr có mặt tại vùng cắt thoát dao của cuống móc "đã được thử", ứng suất tính toán kiểu 2 sẽ thay đổi từ giá trị nhỏ nhất của ứng suất tính toán σSd,ps2,min, bằng (σSd,sh,pr - σb2) khi móc không chịu tải:
σSd,ps2,min = σSd,sh,pr - σb2
đến giá trị lớn nhất σSd,ps2,max, bằng tổng của ứng suất kéo σa2 do các lực FSd,f,i sinh ra (đã tính ở trên), ứng suất uốn σb2 và ứng suất dư ban đầu:
σSd,ps2,max = σSd,sh,pr +σa2 +σb21
Do các quy trình 6.6.8 dựa trên chu trình 6.6.3 đối với chu trình mạch động (ứng suất thay đổi từ 0 đến giá trị lớn nhất), chu trình ứng suất ở các móc "đã được thử” trước tiên phải được chuyển đổi về quy trình mạch động tương đương, ví dụ bằng cách sử dụng công thức chuyển đổi trong Phụ lục I, sau đó mới áp dụng các quy trình 6.6.8.
d) Tổng số chu trình ứng suất N1 = pa x N.
Trong mỗi chu trình nâng, phải sử dụng tải nâng cụ thể trên móc cho chu trình đó.
CHÚ THÍCH: Ứng suất kéo trong Chu trình kiểu 2 có thể được tính theo 6.2, không có ảnh hưởng của hệ số động ϕ2.
Giá trị pa phải chọn theo Bảng 8.
Bảng 8 - Số lần gia tốc ngang trung bình pa
| Loại ứng dụng | pa |
| 1. Các ứng dụng trong dây chuyền, khi các chuyển động ngang của tải nâng là một thành phần thường xuyên của chu trình làm việc | 8 |
| 2. Các ứng dụng đặc biệt, khi các chuyển động ngang luôn được thao tác dưới sự điều khiển của người đánh tín hiệu, với tốc độ thấp và khoảng dịch chuyển ngắn | 2 |
| 3. Hệ thống dẫn động có sử dụng bộ điều khiển đặc biệt chống tải lắc lư khi chuyển động ngang | 2 |
| 4. Tất cả các ứng dụng khác và các móc được sản xuất hàng loạt, khi không rõ ứng dụng cụ thể | 4 |
6.4.4 Độ bền mỏi cơ sở của vật liệu
Độ bền mỏi cơ sở, với ứng suất trung bình bằng 0 (σm = 0) và số chu trình ứng suất ND = 2 ´ 106 được tính toán theo giới hạn bền của vật liệu theo công thức sau:
σM = 0,45 x fu
6.6.5 Ảnh hưởng của tập trung ứng suất do hình dạng chi tiết
Các hệ số trong điều khoản này bao gồm hệ số tập trung ứng suất α, và như hệ quả cuối cùng, là hệ số ảnh hưởng của tập trung ứng suất βn. Các hệ số này được tính toán độc lập cho các vị trí tại vai phần cắt thoát dao và vị trí chân ren theo các công thức trong Bảng 9. Phải sử dụng giá trị lớn hơn của βn trong hai giá trị này để kiểm nghiệm độ bền mỏi của cuống móc.
Bảng 9 - Thông số để tính toán hệ số ảnh hưởng của tập trung ứng suất
|
| Vai | Chân ren |
| Đường kính trung bình của ren | de = 0,6 ´ d3 + 0,4 ´ d5 | |
| Sự thay đổi tiết diện | us=(de-d4)/2 | uT=(de-d5)/2 |
| Hệ số ϕ | | |
| Hệ số | | |
| Hệ số hỗ trợ n | | |
| Hệ số tập trung ứng suất do hình dạng chi tiết | αs [theo công thức (40)] | αT [theo công thức (41)] |
| Hệ số ảnh hưởng của tập trung ứng suất | | |
Hệ số tập trung ứng suất tại vai αs phải được tính như sau:
| | (40) |
Hệ số tập trung ứng suất tại chân ren αT phải được tính như sau:
| | (41) |
Các ký hiệu hình học trong Bảng 9 và trong các công thức (40), (41) tương ứng theo Hình 2. Giá trị của giới hạn chảy trong công thức tính n có đơn vị là newton trên mi-li-mét vuông (N/mm2).
6.6.6 Độ bền mỏi của cuống móc có tập trung ứng suất
Việc tính toán sau đây phải thực hiện cho tiết diện nguy hiểm hơn trong hai tiết diện cuống móc đã trình bày. Độ bền mỏi cơ sở phải quy đổi về giá trị có thể so sánh với ứng suất danh nghĩa trong cuống móc.
Biên độ ứng suất tương ứng với độ bền mỏi ở các chi tiết có tập trung ứng suất σw phải được xác định như sau:
| | (42) |
| với | (43) |
Trong đó:
| σM | độ bền mỏi cơ sở của vật liệu; |
| βn | giá trị lớn hơn trong các giá trị βnS và βnT |
| f1 | hệ số ảnh hưởng của nhiệt độ làm việc, tính theo công thức (31); |
| f3 | hệ số tính đến ảnh hưởng của độ nhám bề mặt; |
| Ra | độ nhám bề mặt sau hoàn thiện, tính bằng mm, trong phạm vi 0,4 mm ≤ Ra ≤ 3,2 mm; |
| fu | giới hạn bền của vật liệu, tính bằng newton trên mi-li-mét bình phương (N/mm2), fu ≥ 300 N/mm2. |
CHÚ THÍCH: Hệ số giảm độ bền do tăng đường kính (hệ số ảnh hưởng của kích thước chi tiết) không áp dụng trong tiêu chuẩn này. Các đặc tính thực tế của vật liệu cho đường kính cụ thể được sử dụng trong các tính toán thiết kế.
6.6.7 Ảnh hưởng của ứng suất trung bình
Các giá trị của σw trên đây áp dụng cho chu trình ứng suất đối xứng với ứng suất trung bình bằng 0. Cuống móc đại diện cho các chi tiết cần tính đến sự giảm độ bền mỏi khi ứng suất trung bình tăng lên. Ảnh hưởng của ứng suất trung bình được minh hoạ qua đồ thị Smith trên Hình 6. Các đặc trưng ở đồ thị này như sau:
a) Độ bền mỏi σw tương ứng khi giá trị trung bình σm = 0;
b) Đường giới hạn phía trên được xác định qua hệ số ảnh hưởng của ứng suất trung bình m;
c) Các biên độ ứng suất tương ứng với ứng suất trung bình cho trước phải nằm giữa các đường giới hạn trên và dưới.

Hình 6 - Đồ thị Smith và chuyển đổi biên độ ứng suất
Đường giới hạn trên trong đồ thị được xác định thông qua giả thuyết rằng đối với chu trình mạch động, sự thay đổi tổng thể của ứng suất bị giới hạn bởi giá trị σp = 1,7 σW. Từ quy tắc này, hệ số ảnh hưởng của ứng suất trung bình được tính như sau:
| | (44) |
CHÚ THÍCH: Hệ số ảnh hưởng của ứng suất trung bình m và α tương ứng với các hệ số m1 và α1, do đó trong tiêu chuẩn này α luôn được lấy giá trị dương.
6.6.8 Quy đổi về ứng suất có giá trị trung bình không đổi
Các biên độ ứng suất với các giá trị trung bình tương ứng như quy định tại 6.6.3 được quy đổi về các biên độ tương đương với cùng một ứng suất trung bình. Việc quy đổi về ứng suất có giá trị trung bình bằng 0 được thực hiện như sau:
Chu trình kiểu 1:
| σT1,i = σA1,i + m x σm1,i | (45) |
Chu trình kiểu 2:
| σT2,i = σA2,i + m ´ σm2,i | (46) |
Trong đó σT1,i và σT2,i là các biên đội của ứng suất quy đổi với giá trị trung bình bằng 0, m là hệ số tính đến ảnh hưởng của ứng suất trung bình.
Sự quy đổi từ σA,i sang σT,i được minh hoạ trên Hình 6.
6.6.9 Hệ số quá trình ứng suất tổng quát
Ảnh hưởng của tích lũy mỏi của quá trình ứng suất từ tất cả các chu trình được quy đổi về một hệ số duy nhất ss. Hệ số này được tính như sau:
|
| ss = ks x vs | (47) |
| với | | (48) |
|
| | (49) |
Trong đó:
| σTmax | giá trị lớn nhất trong các biên độ ứng suất quy đổi σT1,i và σT2,i; |
| ks | hệ số phổ ứng suất đối với cuống móc; |
| vs | tỉ số tương đối của số chu trình ứng suất; |
| i | chỉ số thể hiện chu trình ứng suất i; |
| N | tổng số chu trình ứng suất; |
| m | bậc của đường cong mỏi (m = 5). |
6.6.10 Hệ số quá trình ứng suất trên cơ sở phân loại chế độ làm việc
Cuống móc thể hiện một trường hợp đặc biệt, khi biên độ thay đổi ứng suất tỉ lệ trực tiếp với biên độ thay đổi của tải nâng. Do đó, hệ số quá trình ứng suất có thể xác định trực tiếp từ cấp tải Q và cấp sử dụng U theo TCVN 8590-1 (ISO 4301-1), thay vì việc sử dụng quá trình ứng suất cụ thể và tính toán chi tiết theo 6.6.9.
Hệ số phổ tài (kQ) được tình từ đường cong Wöhler với bậc (hệ số góc) bằng 3, trong khi đường cong mỏi của cuống móc có bậc m = 5. Khi đã biết dạng của hàm phân bố tải, hệ số quy đổi có thể tính toán để thiết lập quan hệ giữa phổ tải theo TCVN 8590-1 (ISO 4301-1) và hệ số quá trình ứng suất của cuống móc. Đối với các chế độ làm việc đã được phân loại, phải áp dụng dạng phân bố tải cho trong Phụ lục E.
Khi chế độ làm việc được xác định qua các cấp tải Q và cấp sử dụng U tại TCVN 8590-1 (ISO 4301-1) thì hệ số quá trình ứng suất ss đối với cuống móc phải được tính theo:
|
| ss = ks ´ vs | (50) |
| với | | (51) |
|
| | (52) |
|
| | (53) |
Trong đó:
| kQ | hệ số phổ tải, chọn theo Bảng 10. |
| σT1,max, σT2,max - giá trị lớn nhất trong các biên độ ứng suất quy đổi σT1,i và σT2,i | |
| N | tổng số chu trình nâng, đối với móc phải lấy bằng số chu trình làm việc (C) quy định cho các cấp sử dụng U trong TCVN 8590-1 (ISO 4301-1): tuy nhiên, mỗi lần hạ tải xuống nền trong một chu trình làm việc phải được tính như một chu trình bổ sung và được cộng vào giá trị của N; |
| k5* | hệ số tỷ lệ của phổ riêng. |
Nhằm tiêu chuẩn hóa, các giá trị quy ước trong Bảng 10 phải được sử dụng khi thiết kế cuống móc. Xem thêm Phụ lục E.
Bảng 10 - Hệ số phổ riêng k5*
| Cấp tải Q | Hệ số phổ tải kQ | Hệ số k5*khi m=5 |
| Q0 | 0,0313 | 1,292 |
| Q1 | 0,0625 | 1,286 |
| Q2 | 0,125 | 1,22 |
| Q3 | 0,250 | 1,14 |
| Q4 | 0,500 | 1,07 |
| Q5 | 1,000 | 1,00 |
6.6.11 Thực hiện kiểm nghiệm
Để kiểm nghiệm độ bền mỏi, phải chứng minh:
| | (54) |
Trong đó:
| σTmax | giá trị lớn nhất trong các biên độ ứng suất quy đổi của toàn bộ chu trình ứng suất; |
| σw | ứng suất giới hạn mỏi (tính toán), xác định theo công thức (42); |
| gSf | hệ số dự trữ độ bền mỏi riêng đối với cuống móc, gSf = 1,35; |
| m | bậc của đường cong mỏi (m = 5); |
| ss | hệ số quá trình ứng suất; |
6.7 Tính toán mỏi của cuống móc đối với móc sản xuất hàng loạt
Các giả thuyết tính toán sau đây phải sử dụng như yêu cầu tối thiểu khi thiết kế cuống móc đối với các móc được sản xuất hàng loạt với phần cống móc hoàn chỉnh:
a) Tải trọng mỏi giới hạn trên thân móc phải được sử dụng để tính toán mỏi cho cuống móc;
b) Số chu trình uốn của cuống móc do sự lắc lư của tải trọng ngang phải lấy pa = 4;
c) Khi tính toán lực ngang giới hạn cho cuống móc theo 6.3 thi gia tốc chuyển động theo phương ngang phải lấy a = 0,2 m/s2 và ϕ5 = 1;
d) Khả năng chống nghiêng của bộ phận treo móc được giả định tương ứng với lực ngang đặt tại đáy móc bằng 2 % lực thẳng đứng.
7 Kiểm tra xác nhận sự phù hợp với các yêu cầu
7.1 Quy định chung
Sự phù hợp với các yêu cầu trong Điều 5 và Điều 6 phải được kiểm tra xác nhận bằng tính toán.
Giả thuyết tính toán, ví dụ như chế độ làm việc và khả năng mang tài dự kiến, phải phù hợp với các thông số thiết kế của cần trục tương ứng. Sự phù hợp này phải được kiểm tra xác nhận thông qua đánh giá kỹ thuật.
Tất cả các kiểm tra xác nhận theo Điều 7 phải được ghi lại như một phần của hồ sơ kỹ thuật. Xem thêm Phụ lục K đối với hồ sơ yêu cầu.
7.2 Kiểm tra xác nhận của nhà sản xuất
Sự phù hợp khi chế tạo phải được kiểm tra xác nhận thông qua việc tuân thủ các mô tả bằng văn bản của các quy trình sản xuất, được nhà sản xuất soạn thảo và xác nhận.
Sự phù hợp với các yêu cầu về kích thước và vật liệu phải được kiểm tra xác nhận bằng cách đo và thử nghiệm. Các kết quả phải được nhà sản xuất ghi lại và lưu giữ.
Các mẫu dùng cho thử nghiệm kéo, giãn dài và va đập phải được lấy theo chiều dọc của phần phía trên cuống móc, tốt nhất là tại khoảng cách bằng 1/3 bán kính từ bề mặt cuống móc. Một lựa chọn khác, ví dụ khi cuống móc quá nhỏ, các thử nghiệm có thể được thực hiện với vật liệu mẫu, lấy từ cùng vật liệu khi nấu và được nhiệt luyện như nhau. Chất lượng yêu cầu đối với khả năng kéo/giãn dài phải được nhà sản xuất quy định trên cơ sở TCVN 10600-1 (ISO 7500-1) và một trong các tiêu chuẩn TCVN 197-1 (ISO 6892-1) hoặc ISO 15579 tùy theo chỉ định.
Chất lượng yêu cầu đối với độ dai va đập Charpy phải được nhà sản xuất quy định trên cơ sở TCVN 312-1 (ISO 148-1) và TCVN 312-2 (ISO 148-2).
7.3 Thử tải
Móc phải có khả năng chịu được tải thử mà không bị biến dạng dư quá mức. Kích thước miệng móc phải được đo trước và sau khi thử tải, sử dụng các điểm đo cụ thể (1), xem Hình 7. Biến dạng dư không được vượt quá 0,25 %.
7.4 Thử không phá hủy (NDT)
Móc phải được kiểm tra các khuyết tật, cả trên bề mặt và phía trong, bằng cách sử dụng các phương pháp thử không phá huỷ có độ tin cậy cao.
Móc rèn phải được kiểm tra khuyết tật bằng các phương pháp không phá huỷ tuân thủ EN 10228-3, phải đáp ứng cấp chất lượng 1 của tiêu chuẩn này.
7.5 Mẫu thử
Các thử nghiệm vật liệu được thực hiện hoặc cho từng móc cụ thể, hoặc theo nguyên tắc của các sản xuất theo lô.
Đối với các móc có chiều dày chủ đạo bằng 150 mm hoặc lớn hơn, phải thực hiện tất cả các thử nghiệm cho từng móc.
Đối với móc có chiều dày chủ đạo nhỏ hơn 150 mm thì có thể thử nghiệm theo lô. Kích thước lớn nhất trong lô phải bao gồm số lượng các móc, có thể được sản xuất từ cùng một vật liệu đúc thô hoặc phôi và nhiệt luyện như nhau.
8 Thông tin cho sử dụng
8.1 Kiểm tra và bảo trì
Móc phải được đưa thành mục riêng trong sổ tay hướng dẫn kiểm tra và bảo trì của cần trục liên quan, ít nhất phải đưa vào sổ tay hướng dẫn bảo trì các hạng mục sau:
a) Ổ chặn phía dưới đai ốc;
b) Khớp chữ thập:
Ít nhất phải có hướng dẫn kiểm tra, tần suất kiểm tra và tiêu chuẩn loại bỏ của các hạng mục sau:
c) Biến dạng (kích thước miệng móc) của thân móc;
d) Độ mòn của thân móc;
e) Kiểm tra các khuyết tật bề mặt, vết nứt và ăn mòn, tháo bộ phận treo móc để kiểm tra cuống móc;
f) Chốt khóa an toàn của đai ốc;
g) Chốt an toàn phòng rơi tải nâng, nếu được trang bị.
Độ sâu cho phép do mòn của thân móc tại điểm thấp nhất của đáy móc bằng 5 % chiều cao danh nghĩa của tiết diện thân móc (kích thước h2 trong Phụ lục A). Phải có sự chuyển tiếp trơn tru giữa vùng bị mòn và các vùng lân cận. Phải không có bất kỳ dấu hiệu nào về cạnh sắc, gờ hoặc khuyết tật trên bề mặt.
8.2 Ghi nhãn
Thân móc phải có nhãn bền chắc, bố trí như trường dữ liệu 2 trên Hình 7, chỉ rõ các thông tin sau:
a) Kích cỡ và hình dạng của móc, sử dụng sự định danh thống nhất, ví dụ như số hiệu móc theo Phụ lục A hoặc B;
b) Ký hiệu của vật liệu thông qua nhóm vật liệu theo 4.1 hoặc các ký hiệu đã được công bố khác;
c) Số hiệu của tiêu chuẩn hoặc hồ sơ kỹ thuật tham chiếu;
d) Ký hiệu cho biết móc đã thử tải, nếu liên quan, xem 4.5.
VÍ DỤ: Móc thoả mãn các yêu cầu của tiêu chuẩn này, kích cỡ và hình dạng tương ứng số 12 trong Phụ lục A và được chế tạo từ vật liệu nhóm P được ghi nhãn là:
RS12-P-ISO 17440
Ngoài ra, móc có thể ghi nhãn với ký hiệu để nhận biết nhà sản xuất. Trên thân móc không được ghi nhãn về tải trọng và chế độ làm việc.

Hình 7 - Ghi nhãn trên móc
Móc phải có ký hiệu dập chìm quanh tâm, đặt như trường dữ liệu 1 trên Hình 7. Các kích thước thích hợp y hoặc y1 và y2 phải được ghi lại và đưa vào hồ sơ của móc.
Phương tiện nâng cố định, nơi móc được lắp, cần được ghi nhãn như một bộ phận của cần trục, thể hiện khối lượng tải nâng danh định và nhóm chế độ làm việc theo sê-ri “A“ tương ứng với các yêu cầu trong các tiêu chuẩn về loại cần trục liên quan [xem TCVN 8590-1 (ISO 4301-1)].
8.3 Sử dụng an toàn
Ít nhất phải đưa các vấn đề liên quan đến sử dụng an toàn vào sổ tay hướng dẫn sử dụng của cần trục hoặc của móc riêng/cụm móc:
- Khớp treo móc có thể xoay tự do, cho phép móc nghiêng mà không bị cản trở so với phương của tải nâng, theo phương thẳng đứng hoặc xiên trong quá trình lắc lư;
- Các hướng dẫn đối với việc treo tải trên móc, góc giữa các dây treo nhiều nhất là 90°;
- Yêu cầu về hình dạng của bộ phận treo tải lên móc để tránh làm hư hại bề mặt đáy móc;
- Hai ngạnh của móc phải chịu tải bằng nhau và đối xứng;
- Trong các trường hợp, khi được trang bị khoát chốt, phải cho phép dễ dàng đóng khóa chốt sau khi tải nâng đã được treo;
- Các giới hạn nhiệt độ của móc.
Phụ lục A
(tham khảo)
Bộ mẫu móc đơn
A.1 Loạt móc đơn kiểu RSN, các kích thước rèn
Xem Hình A.1 và Bảng A.1.

CHÚ DẪN:
Ký hiệu:
RF không có vấu rèn lắp khóa chốt
Hình A1 - Ký hiệu kích thước của móc đơn với các mặt sườn lõm
Đối với móc kiểu RSN, xem thêm C.1, D.1 và G.1 hoặc G.2 tùy theo kích thước.
Bảng A.1 - Kích thước rèn của móc đơn, đơn vị mm
| Số hiệu móc | a1 | a2 | a3 | b1 | b2 | d1 | e1 | e2 | h1 | h2 | r1 | r2 | r3 | r4 | r5 | r6 | r7 | r9 | Kích thước tham khảo | ||||||
| e3 | f1 | f2 | f3 | g1 | r8 | L | |||||||||||||||||||
| 006 | 25 | 20 | 28 | 13 | 11 | 14 | 60 | 60 | 17 | 14 | 2 | 3 | 32 | 53 | 53 | 27 | 26 | 34 | 52 | 14,5 | - | - | 6,5 | - | 100 |
| 010 | 28 | 22 | 32 | 16 | 13 | 16 | 67 | 68 | 20 | 17 | 2 | 3,5 | 35 | 60 | 60 | 31 | 30 | 40 | 60 | 16,5 | - | - | 7 | - | 109 |
| 012 | 30 | 24 | 34 | 19 | 15 | 16 | 71 | 73 | 22 | 19 | 2,5 | 4 | 37 | 63 | 63 | 34 | 33 | 44 | 63 | 18 | - | - | 7,5 | - | 115 |
| 020 | 34 | 27 | 39 | 21 | 18 | 20 | 81 | 82 | 26 | 22 | 2,5 | 4,5 | 40 | 71 | 71 | 39 | 37 | 52 | 70 | 20 | - | - | 8,5 | - | 138 |
| 025 | 36 | 28 | 41 | 22 | 19 | 20 | 85 | 88 | 28 | 24 | 3 | 5 | 43 | 75 | 75 | 42 | 40 | 56 | 74 | 22 | - | - | 9 | - | 144 |
| 04 | 40 | 32 | 45 | 27 | 22 | 24 | 96 | 100 | 34 | 29 | 3,5 | 5,5 | 46 | 85 | 85 | 49 | 45 | 68 | 83 | 25 | - | - | 10 | - | 155 |
| 05 | 43 | 34 | 49 | 29 | 24 | 24 | 102 | 108 | 37 | 31 | 4 | 6 | 48 | 90 | 90 | 53 | 48 | 74 | 89 | 26 | - | - | 10,5 | - | 167 |
| 08 | 48 | 38 | 54 | 35 | 29 | 30 | 115 | 120 | 44 | 37 | 4,5 | 7 | 52 | 100 | 100 | 61 | 56 | 88 | 100 | 29 | - | - | 12 | - | 186 |
| 1 | 50 | 40 | 57 | 38 | 32 | 30 | 120 | 128 | 48 | 40 | 5 | 8 | 55 | 106 | 106 | 65 | 60 | 96 | 105 | 31 | - | - | 12,5 |
| 197 |
| 1.6 | 56 | 45 | 64 | 45 | 38 | 36 | 135 | 146 | 56 | 48 | 6 | 9 | 60 | 118 | 118 | 76 | 68 | 112 | 118 | 35 | - | - | 14 | - | 224 |
| 2.5 | 63 | 50 | 72 | 53 | 45 | 42 | 152 | 167 | 67 | 58 | 7 | 10 | 65 | 132 | 132 | 90 | 78 | 134 | 132 | 40 | - | - | 16 |
| 253 |
| 4 | 71 | 56 | 80 | 63 | 53 | 48 | 172 | 190 | 80 | 67 | 8 | 12 | 71 | 150 | 150 | 103 | 90 | 160 | 148 | 45 | - | - | 16 | - | 285 |
| CHÚ THÍCH: Các kích thước dựa trên loạt móc tiêu chuẩn DIN 15400 | |||||||||||||||||||||||||
| 5 | 80 | 63 | 90 | 71 | 60 | 53 | 194 | 215 | 90 | 75 | 9 | 14 | 80 | 170 | 170 | 114 | 100 | 180 | 165 | 51 | - | - | 18 | - | 318 |
| 6 | 90 | 71 | 101 | 80 | 67 | 60 | 218 | 240 | 100 | 85 | 10 | 16 | 90 | 190 | 190 | 131 | 112 | 200 | 185 | 57 | - | - | 18 | - | 380 |
| 8 | 100 | 80 | 113 | 90 | 75 | 67 | 242 | 268 | 112 | 95 | 11 | 18 | 100 | 212 | 212 | 146 | 125 | 224 | 210 | 64 | - | - | 23 | - | 418 |
| 10 | 112 | 90 | 127 | 100 | 85 | 75 | 256 | 286 | 125 | 106 | 12 | 20 | 65 | 165 | 236 | 163 | 140 | 250 | 221 | - | 46 | 26 | 23 | 12 | 452 |
| 12 | 125 | 100 | 143 | 112 | 95 | 85 | 292 | 316 | 140 | 118 | 14 | 22 | 70 | 185 | 265 | 182 | 160 | 280 | 252 | - | 53 | 34 | 28 | 16 | 510 |
| 16 | 140 | 112 | 160 | 125 | 106 | 95 | 325 | 357 | 160 | 132 | 16 | 25 | 80 | 210 | 300 | 204 | 180 | 320 | 280 | - | 58 | 35 | 33 | 16 | 582 |
| 20 | 160 | 125 | 180 | 140 | 118 | 106 | 370 | 405 | 180 | 150 | 18 | 28 | 90 | 240 | 335 | 232 | 200 | 360 | 330 | - | 68 | 45 | 33 | 20 | 653 |
| 25 | 180 | 140 | 202 | 160 | 132 | 118 | 415 | 455 | 200 | 170 | 20 | 32 | 100 | 270 | 375 | 262 | 224 | 400 | 360 |
| 74 | 45 | 38 | 20 | 724 |
| 32 | 200 | 160 | 225 | 180 | 150 | 132 | 465 | 510 | 224 | 190 | 22 | 36 | 115 | 300 | 425 | 292 | 250 | 448 | 400 | - | 80 | 45 | 38 | 20 | 796 |
| 40 | 224 | 180 | 252 | 200 | 170 | 150 | 517 | 567 | 250 | 212 | 25 | 40 | 130 | 335 | 475 | 326 | 280 | 500 | 447 | - | 93 | 55 | 42 | 25 | 893 |
| CHÚ THÍCH: Các kích thước dựa trên loạt móc tiêu chuẩn PIN 15400 | |||||||||||||||||||||||||
A.2 Loạt móc đơn kiểu RF/RFN, các kích thước rèn
Xem Hình A.2 và Bảng A.2.

CHÚ DẪN:
Ký hiệu:
RF không có vấu rèn lắp khóa chốt
RFN có vấu rèn lắp khóa chốt
Hình A.2 - Các ký hiệu kích thước của móc đơn với các mặt sườn phẳng
Đối với móc kiểu RF và RFN, xem thêm C.1, D.1 và G.1 hoặc G.2 tùy theo kích thước.
Bảng A2 - Kích thước rèn của móc đơn, đơn vị mm
| Số hiệu móc | a1 | a2 | a3 | b1 | b2 | d1 | e1 | e2 | h1 | h2 | r1 | r2 | r3 | r4 | r5 | r6 | r7 | r9 | Kích thước tham khảo | |||||
| e3 | f2 | f3 | g1 | r8 | L | |||||||||||||||||||
| 10 | 112 | 90 | 127 | 100 | 85 | 75 | 256 | 286 | 125 | 106 | 12 | 20 | 65 | 165 | 236 | 163 | 140 | 250 | 221 | 46 | 26 | 23 | 12 | 460 |
| 12 | 125 | 100 | 143 | 112 | 95 | 85 | 292 | 316 | 140 | 118 | 14 | 22 | 70 | 185 | 265 | 182 | 160 | 280 | 252 | 53 | 34 | 28 | 16 | 525 |
| 16 | 140 | 112 | 160 | 125 | 106 | 95 | 325 | 357 | 160 | 132 | 16 | 25 | 80 | 210 | 300 | 204 | 180 | 320 | 280 | 58 | 35 | 33 | 16 | 595 |
| 20 | 160 | 125 | 180 | 140 | 118 | 106 | 370 | 405 | 180 | 150 | 18 | 28 | 90 | 240 | 335 | 232 | 200 | 360 | 330 | 68 | 45 | 33 | 20 | 665 |
| 25 | 180 | 140 | 202 | 160 | 132 | 118 | 415 | 455 | 200 | 170 | 20 | 32 | 100 | 270 | 375 | 262 | 224 | 400 | 360 | 74 | 45 | 38 | 20 | 735 |
| 32 | 200 | 160 | 225 | 180 | 150 | 132 | 465 | 510 | 224 | 190 | 22 | 36 | 115 | 300 | 425 | 292 | 250 | 448 | 400 | 80 | 45 | 38 | 20 | 810 |
| 40 | 224 | 100 | 252 | 200 | 170 | 150 | 517 | 567 | 250 | 212 | 25 | 40 | 130 | 335 | 475 | 326 | 260 | 500 | 447 | 93 | 55 | 42 | 25 | 905 |
| 50 | 250 | 200 | 285 | 224 | 190 | 170 | 575 | 635 | 280 | 236 | 28 | 45 | 150 | 370 | 530 | 363 | 315 | 560 | 485 | 100 | 55 | 42 | 25 | 990 |
| 63 | 280 | 224 | 320 | 250 | 212 | 190 | 655 | 710 | 315 | 265 | 32 | 50 | 160 | 420 | 600 | 408 | 355 | 630 | 550 | 108 | 60 | 45 | 25 | 1120 |
| 80 | 315 | 250 | 358 | 280 | 236 | 212 | 727 | 802 | 355 | 300 | 36 | 56 | 180 | 470 | 670 | 460 | 400 | 710 | 590 | 113 | 60 | 45 | 25 | 1270 |
| 100 | 355 | 280 | 402 | 315 | 265 | 236 | 827 | 902 | 400 | 335 | 40 | 63 | 200 | 530 | 750 | 516 | 450 | 800 | 688 | 130 | 70 | 50 | 30 | 1415 |
| 125 | 400 | 315 | 450 | 355 | 300 | 265 | 920 | 1020 | 450 | 375 | 45 | 71 | 230 | 600 | 850 | 579 | 500 | 900 | 750 | 138 | 70 | 50 | 30 | 1590 |
| 160 | 450 | 355 | 505 | 400 | 335 | 300 | 1035 | 1145 | 500 | 425 | 50 | 80 | 250 | 675 | 950 | 654 | 560 | 1000 | 825 | 147 | 70 | 55 | 30 | 1790 |
| 200 | 500 | 400 | 565 | 450 | 375 | 335 | 1150 | 1275 | 560 | 475 | 56 | 90 | 285 | 750 | 1060 | 729 | 630 | 1120 | 900 | 154 | 70 | 55 | 30 | 2048 |
| 250 | 560 | 450 | 635 | 500 | 425 | 375 | 1280 | 1430 | 630 | 530 | 63 | 100 | 320 | 840 | 1180 | 815 | 710 | 1260 | 980 | 164 | 70 | 60 | 30 | 2305 |
| CHÚ THÍCH: Các kích thước dựa trên loạt móc tiêu chuẩn DIN 15400 | ||||||||||||||||||||||||
A.3 Loạt móc đơn kiểu B, kích thước rèn
Xem Hình A.3 và Bảng A.3.

Hình A.3 - Ký hiệu kích thước của móc đơn
Đối với móc kiểu B, xem thêm C.2, D.2 và G.4.
Bảng A3 - Kích thước rèn của móc đơn, đơn vị mm
| Số hiệu móc | a1 [1] | a2 0,75a1 | a3 | b1 0,60a1 | d1 | e1 | e2 | h1 0,93a1 | h2 0,93a1 | r1 0,12a1 | r9 | r10 | r3 0,30a1 | r4 0,92a1 | r5 1,00a1 | r6 1,25a1 | Kích thước tham khảo | |||
| e3 | f2 | r8 | g1 | |||||||||||||||||
| B 0.8 | 26 | 20 | 26 | 16 | 17 | 47 | 31 | 24 | 24 | 3 | 18 | 13 | 8 | 24 | 26 | 32 | 41,8 | 19,7 | 5,2 | 5,2 |
| B 1.6 | 37 | 28 | 37 | 22 | 23 | 66,5 | 44 | 34 | 34 | 4 | 26 | 18 | 11 | 34 | 37 | 46 | 59,1 | 27,7 | 7,4 | 7,4 |
| B 2.8 | 46 | 34 | 46 | 28 | 28 | 83 | 55 | 43 | 43 | 6 | 32 | 23 | 14 | 42 | 46 | 58 | 73,8 | 34,7 | 9,2 | 9,2 |
| B 4 | 58 | 44 | 58 | 35 | 33 | 105 | 70 | 54 | 54 | 7 | 41 | 29 | 17 | 53 | 58 | 72 | 93,4 | 43,6 | 11,6 | 11,6 |
| B 5 | 65 | 49 | 65 | 39 | 38 | 118 | 78 | 60 | 60 | 8 | 46 | 32 | 20 | 60 | 65 | 81 | 105 | 48,8 | 13 | 13 |
| B 6.3 | 73 | 55 | 73 | 44 | 44 | 139 | 88 | 68 | 68 | 9 | 51 | 13 | 22 | 67 | 73 | 91 | 124 | 54,9 | 14,6 | 14,6 |
| B 8 | 83 | 62 | 84 | 50 | 50 | 151 | 100 | 77 | 77 | 10 | 58 | 18 | 25 | 76 | 83 | 104 | 134 | 62,4 | 16,6 | 16,6 |
| B 10 | 92 | 69 | 92 | 55 | 55 | 167 | 110 | 86 | 86 | 11 | 64 | 46 | 26 | 85 | 92 | 115 | 149 | 68,9 | 18,4 | 18,4 |
| B 12.5 | 103 | 77 | 104 | 62 | 60 | 187 | 124 | 96 | 96 | 12 | 72 | 52 | 31 | 95 | 103 | 129 | 166 | 77,4 | 20,6 | 20,6 |
| B 16 | 117 | 88 | 117 | 70 | 65 | 212 | 140 | 109 | 109 | 14 | 82 | 58 | 35 | 108 | 117 | 146 | 189 | 87,7 | 23,4 | 23,4 |
| B 20 | 131 | 98 | 132 | 79 | 75 | 237 | 157 | 122 | 122 | 16 | 92 | 66 | 39 | 120 | 131 | 164 | 211 | 98,5 | 26,2 | 26,2 |
| B 25 | 146 | 110 | 146 | 88 | 85 | 264 | 175 | 136 | 136 | 18 | 102 | 73 | 44 | 134 | 146 | 182 | 235 | 110 | 29,2 | 29,2 |
| B 32 | 159 | 119 | 160 | 95 | 90 | 288 | 191 | 148 | 148 | 19 | 111 | 80 | 48 | 146 | 159 | 199 | 256 | 119 | 31,8 | 31,8 |
| B 40 | 173 | 130 | 173 | 104 | 105 | 314 | 208 | 161 | 161 | 21 | 121 | 86 | 52 | 159 | 173 | 216 | 279 | 130 | 34,6 | 34,6 |
| B 50 | 191 | 143 | 191 | 115 | 115 | 346 | 229 | 178 | 178 | 23 | 134 | 95 | 57 | 176 | 191 | 239 | 308 | 143 | 38,2 | 38,2 |
| B 63 | 205 | 154 | 205 | 123 | 125 | 372 | 246 | 191 | 191 | 25 | 144 | 102 | 62 | 189 | 205 | 256 | 331 | 154 | 41 | 41 |
| CHÚ THÍCH 1: Các kích thước dựa trên loạt móc tiêu chuẩn BS 2903.; CHÚ THÍCH 2: Dòng thứ 2 phía dưới các kích thước là tỷ lệ so với kích thước a1 (đường kính trong của đáy móc, tính bằng mm). Đối với các móc đáp ứng các tỉ số này, giá trị a1 (mm) được tính từ công thức a1 = 6,62 CHÚ THÍCH 3: Phần vấu lắp chốt khóa là tùy chọn. CHÚ THÍCH 4: Chiều dài cuống mốc L phù hợp với ứng dụng cụ thể. | ||||||||||||||||||||
Phụ lục B
(tham khảo)
Bộ mẫu móc kép
Các kích thước rèn cho loạt móc kép RS/RSN và RF/RFN xem Hình B.1 và Bảng B.1.

CHÚ DẪN:
Ký hiệu:
RS/RSN có mặt sườn lõm (a), không có vấu lắp khóa chốt
RF/RFN có mặt sườn phẳng (b), không vấu rèn lắp khóa chốt
Hình B.1 - Ký hiệu kích thước của móc kép
Đối với móc kiểu RS/RF và RSN/RFN, xem thêm C.1, D.1 và G.1 hoặc G.2 tùy theo kích thước.
Bảng B.1 - Kích thước rèn của móc kép, đơn vị milimet
| Số hiệu móc | a1 | a2 | a3 | b1 | d1 | f1 | H | r1 | r2 | r3 | Kích thước tham khảo | ||||||
| e | f2 | f3 | g | r4 | r5 | L | |||||||||||
| 5 | 34 | 27 | 44 | 22 | 24 | 130 | 27 | 3 | 3 | 36 | 80 | 20 | 12 | 10 | 6 | 1,6 | 165 |
| 08 | 38 | 30 | 49 | 26 | 30 | 150 | 33 | 4 | 3 | 41 | 83 | 22 | 12 | 10,5 | 6 | 1,6 | 183 |
| 1 | 40 | 32 | 52 | 28 | 30 | 158 | 36 | 4 | 3,5 | 44 | 96 | 22 | 14 | 12 | 7 | 1,6 | 195 |
| 1.6 | 45 | 36 | 59 | 34 | 36 | 183 | 43 | 5 | 4 | 51 | 100 | 28 | 14 | 12,5 | 7 | 1,6 | 222 |
| 2.5 | 50 | 40 | 65 | 40 | 42 | 208 | 50 | 6 | 4,5 | 58 | 112 | 30 | 14 | 14 | 7 | 1,6 | 250 |
| 4 | 56 | 45 | 73 | 48 | 48 | 238 | 60 | 7 | 5,5 | 67 | 124 | 33 | 23 | 16 | 10 | 2,5 | 280 |
| 5 | 63 | 50 | 82 | 53 | 53 | 266 | 67 | 8 | 6,5 | 75 | 143 | 40 | 23 | 16 | 10 | 2,5 | 312 |
| 6 | 71 | 56 | 92 | 60 | 60 | 301 | 75 | 9 | 7 | 85 | 160 | 44 | 23 | 18 | 10 | 2,5 | 375 |
| 8 | 80 | 63 | 103 | 67 | 67 | 337 | 85 | 10 | 8 | 95 | 182 | 48 | 23 | 18 | 10 | 2,5 | 415 |
| 10 | 90 | 71 | 116 | 75 | 75 | 377 | 95 | 11 | 9 | 106 | 192 | 54 | 27 | 23 | 12 | 3 | 450 |
| 12 | 100 | 80 | 130 | 85 | 85 | 421 | 106 | 12,5 | 10 | 118 | 210 | 60 | 27 | 23 | 12 | 3 | 510 |
| 16 | 112 | 90 | 146 | 95 | 95 | 471 | 118 | 14 | 11 | 132 | 237 | 69 | 36 | 28 | 16 | 4 | 580 |
| 20 | 125 | 100 | 163 | 106 | 106 | 531 | 132 | 16 | 12,5 | 150 | 265 | 75 | 36 | 33 | 16 | 4 | 650 |
| 25 | 140 | 112 | 182 | 118 | 118 | 598 | 150 | 18 | 14 | 170 | 315 | 86 | 45 | 33 | 20 | 5 | 715 |
| 32 | 160 | 125 | 205 | 132 | 132 | 672 | 170 | 20 | 16 | 190 | 335 | 94 | 45 | 38 | 20 | 5 | 790 |
| 40 | 180 | 140 | 230 | 150 | 150 | 754 | 190 | 22 | 18 | 212 | 375 | 104 | 45 | 38 | 20 | 5 | 885 |
| 50 | 200 | 160 | 260 | 170 | 170 | 842 | 212 | 25 | 20 | 236 | 420 | 120 | 56 | 42 | 25 | 6 | 965 |
| 63 | 224 | 180 | 292 | 190 | 190 | 944 | 236 | 28 | 22 | 265 | 460 | 131 | 56 | 42 | 25 | 6 | 1090 |
| 80 | 250 | 200 | 325 | 212 | 212 | 1062 | 265 | 32 | 25 | 300 | 515 | 144 | 56 | 45 | 25 | 6 | 1235 |
| 100 | 280 | 224 | 364 | 236 | 236 | 1186 | 300 | 36 | 28 | 335 | 575 | 157 | 56 | 45 | 25 | 6 | 1375 |
| 125 | 315 | 250 | 408 | 265 | 265 | 1330 | 335 | 40 | 32 | 375 | 645 | 178 | 68 | 50 | 30 | 8 | 1550 |
| 160 | 355 | 280 | 458 | 300 | 300 | 1505 | 375 | 45 | 36 | 425 | 725 | 198 | 68 | 50 | 30 | 8 | 1745 |
| 200 | 400 | 315 | 515 | 335 | 335 | 1685 | 425 | 50 | 40 | 475 | 800 | 218 | 68 | 55 | 30 | 8 | 1998 |
| 250 | 450 | 355 | 580 | 375 | 375 | 1885 | 475 | 56 | 45 | 530 | 875 | 240 | 68 | 55 | 30 | 8 | 2250 |
| Các móc cỡ 50-250 ưu tiên loại có mặt sườn phẳng. CHÚ THÍCH: Các kích thước dựa theo loạt móc tiêu chuẩn DIN 15400. | |||||||||||||||||
Phụ lục C
(tham khảo)
Tải trọng tĩnh giới hạn khi tính toán của thân móc ở Phụ lục A và B
C.1 Tải trọng tĩnh giới hạn khi tính toán của thân móc kiểu RS/RSN và RF/RFN
(xem Bảng C.1)
Bảng C.1 - Tải trọng tĩnh giới hạn khi tính toán FRd,s (tính bằng kN) - Áp dụng với hệ số ảnh hưởng của nhiệt độ f1 = 1 (T ≤ 100 °C)
| Số hiệu móc | Hệ số gsm | Móc đơn, loạt RS/RSN và RF/RFN | Móc kép, loạt RS/RSN và RF/RFN | ||||||||||
| Hệ số Mhf tại tiết diện B, mm2 | FRd,s cho vật liệu nhóm | Hệ số Mhf tại tiết diện A, mm2 | FRd,s cho vật liệu nhóm | ||||||||||
| M | P | S | T | V | M | P | S | T | V | ||||
| 006 | 0,75 đối với móc đơn 0,90 đối với móc kép | 15,37 | 4,0 | 5,9 | 7,1 | 9,3 | 11,2 | - | - | - | - | - | - |
| 010 | 22,58 | 5,9 | 8,6 | 10,4 | 14 | 16 | - | - | - | - | - | - | |
| 012 | 30,05 | 7,8 | 11,5 | 14 | 18 | 22 | - | - | - | - | - | - | |
| 020 | 39,37 | 10,3 | 15 | 18 | 24 | 29 | - | - | - | - | - | - | |
| 025 | 44,78 | 117 | 17 | 21 | 27 | 33 | - | - | - | - | - | - | |
| 04 | 68,37 | 18 | 26 | 32 | 41 | 50 | - | - | - | - | - | - | |
| 05 | 80,33 | 21 | 31 | 37 | 49 | 58 | 41,71 | 18 | 27 | 32 | 42 | 51 | |
| 08 | 117,00 | 30 | 45 | 54 | 71 | 85 | 62,13 | 27 | 40 | 48 | 63 | 75 | |
| 1 | 140,17 | 37 | 54 | 65 | 85 | 102 | 73,43 | 32 | 47 | 56 | 74 | 89 | |
| 1.6 | 195,75 | 51 | 75 | 90 | 119 | 142 | 108,20 | 47 | 69 | 83 | 109 | 131 | |
| 2.5 | 279,05 | 73 | 107 | 129 | 169 | 203 | 149,45 | 65 | 95 | 115 | 151 | 181 | |
| 4 | 399,61 | 104 | 153 | 184 | 242 | 291 | 217,87 | 95 | 139 | 167 | 220 | 264 | |
| 5 | 506,63 | 132 | 193 | 233 | 307 | 368 | 268,78 | 117 | 171 | 206 | 272 | 326 | |
| 6 | 633,00 | 165 | 242 | 292 | 384 | 460 | 339,90 | 148 | 216 | 261 | 343 | 412 | |
| 8 | 798,18 | 208 | 305 | 368 | 484 | 580 | 430,94 | 187 | 274 | 331 | 435 | 522 | |
| 10 | 987,90 | 257 | 377 | 455 | 599 | 719 | 538,00 | 234 | 342 | 413 | 543 | 652 | |
| 12 | 1242,5 | 324 | 474 | 572 | 753 | 904 | 680,27 | 295 | 433 | 522 | 687 | 825 | |
| 16 | 1590,0 | 414 | 607 | 732 | 963 | 1156 | 845,31 | 367 | 538 | 649 | 854 | 1024 | |
| 20 | 1873,3 | 520 | 763 | 920 | 1210 | 1452 | 1056,5 | 459 | 672 | 811 | 1067 | 1281 | |
| 25 | 2532,0 | 660 | 967 | 1166 | 1535 | 1841 | 1343,0 | 583 | 855 | 1031 | 1356 | 1628 | |
| 32 | 3192,7 | 832 | 1219 | 1471 | 1935 | 2322 | 1700,5 | 739 | 1082 | 1305 | 1718 | 2061 | |
| 40 | 3732,4 | 1032 | 1512 | 1824 | 2400 | 2880 | 2152,0 | 935 | 1369 | 1652 | 2174 | 2609 | |
| 50 | 5020,5 | 1308 | 1917 | 2313 | 3043 | 3651 | 2725,4 | 1184 | 1734 | 2092 | 2753 | 3304 | |
| 63 | 6306,7 | 1644 | 2408 | 2905 | 3822 | 4587 | 3385,9 | 1471 | 2155 | 2599 | 3420 | 4104 | |
| 80 | 7962,7 | 2075 | 3040 | 3667 | 4826 | 5791 | 4251,1 | 1846 | 2705 | 3263 | 4294 | 5153 | |
| 100 | 10093 | 2630 | 3854 | 4649 | 6117 | 7341 | 5376,8 | 2335 | 3422 | 4128 | 5431 | 6517 | |
| 125 | 12794 | 3334 | 4885 | 5893 | 7754 | 9305 | 6729,4 | 2923 | 4282 | 5166 | 6797 | 8156 | |
| 160 | 15987 | 4167 | 6105 | 7364 | 9690 | 11628 | 8507,3 | 3695 | 5414 | 6531 | 8593 | 10311 | |
| 200 | 20174 | 5257 | 7702 | 9292 | 12226 | 14671 | 10792 | 4688 | 6868 | 8285 | 10901 | 13081 | |
| 250 | 25240 | 6575 | 9634 | 11622 | 15292 | 18350 | 13484 | 5857 | 8581 | 10352 | 13621 | 16345 | |
C.2 Tải trọng tĩnh giới hạn khi tính toán của thân móc kiểu B, với các vật liệu bổ sung (xem Bảng C.2)
Bảng C.2 - Tải trọng tĩnh giới hạn khi tính toán FRd,s (tính bằng kN) - Áp dụng với hệ số ảnh hưởng của nhiệt độ f1 = 1 (T ≤ 100 °C)
| Số hiệu móc | Tất cả vật liệu | Móc đơn kiểu B | Vật liệu bổ sung | ||||||
| FRd,s cho vật liệu nhóm | |||||||||
| Hệ số gsm cho họ móc | Hệ số Mhf tại tiết diện B, mm2 | M | P | S | T | V | fy | FRd,s | |
| B 0.8 | 0,86 | 25,392 | 5,75 | 8,43 | 10,2 | 13,4 | 16,1 | 430 | 11,5 |
| H 1.6 | 49,722 | 11,3 | 16,5 | 19,9 | 26,2 | 31,5 | 22,5 | ||
| B 2.5 | 81,543 | 18,5 | 27,1 | 32,6 | 43 | 51,6 | 36,9 | ||
| B 4 | 127,31 | 28,8 | 42,3 | 51 | 67,1 | 80,5 | 57,7 | ||
| B 5 | 157,79 | 35,8 | 52,4 | 63,2 | 83,2 | 99,8 | 71,5 | ||
| B 6.3 | 201,91 | 45,8 | 67 | 80,9 | 106 | 128 | 91,5 | ||
| B 10 | 319,35 | 72,4 | 106 | 128 | 168 | 202 | 144 | ||
| B 8 | 258,77 | 58,6 | 86 | 104 | 136 | 164 | 117 | ||
| B 12.5 | 399,34 | 90,5 | 133 | 160 | 210 | 253 | 181 | ||
| B 16 | 0,83 | 514,76 | 121 | 179 | 216 | 284 | 340 | 400 | 227 |
| B 20 | 649,89 | 154 | 226 | 272 | 358 | 430 | 286 | ||
| B 25 | 807,66 | 191 | 280 | 338 | 445 | 534 | 356 | ||
| B 32 | 0,75 | 948,18 | 245 | 358 | 432 | 569 | 683 | 455 | |
| B 40 | 0,71 | 1128,78 | 310 | 454 | 547 | 720 | 864 | 576 | |
| B 50 | 0,68 | 1379,07 | 399 | 585 | 706 | 929 | 1114 | 742 | |
| B 63 | 0,64 | 1587,16 | 487 | 713 | 880 | 1132 | 1358 | 905 | |
Tất cả các móc trong loạt này phải được thử tải theo 4.5.
Khi định cỡ kích thước cho tất cả các móc với khả năng mang tải cao hơn so với các giá trị trong Bảng C.2, phải giả định (chỉ cho tính toán) là tải trọng thử FPL bằng 1,5 lần giá trị tải tĩnh danh định yêu cầu.
Đối với các móc có cỡ lớn hơn B 63, hệ số phải lấy bằng 0,64.
Phụ lục D
(tham khảo)
Tải trọng mỏi giới hạn khi tính toán của thân móc ở Phụ lục A và B
D.1 Tải trọng mỏi giới hạn khi tính toán của thân móc kiểu RS và RF (xem Bảng D.1)
Bảng D.1 - Tải trọng mỏi giới hạn khi tính toán FRd,s (tính bằng kN) - Đã kết hợp các hệ số f2 và gHF hệ số ảnh hưởng của nhiệt độ f1 = 1 (T ≤ 100 °C)
| Số hiệu móc | Móc đơn, loạt RS và RF | Móc kép, loạt RS và RF | ||||||||
| Nhóm vật liệu | Nhóm vật liệu | |||||||||
| M | P | S | T | V | M | P | S | T | V | |
| 006 | 2,1 | 2,7 | 2,9 | 3,4 | 3,8 | - | - | - | - | - |
| 010 | 3,1 | 4,0 | 4,2 | 5,1 | 5,5 | - | - | - | - | - |
| 012 | 4,1 | 5,3 | 5,6 | 6,7 | 7,3 | - | - | - | - | - |
| 020 | 5,4 | 6,9 | 7,4 | 8,8 | 9,6 | - | - | - | - | - |
| 025 | 6,1 | 7,9 | 8,4 | 10 | 11 | - | - | - | - | - |
| 04 | 9,2 | 12 | 13 | 15 | 16 | - | - | - | . - | - |
| 05 | 11 | 14 | 15 | 18 | 19 | 11 | 14 | 15 | 17 | 19 |
| 08 | 15 | 19 | 21 | 25 | 27 | 16 | 20 | 22 | 26 | 28 |
| 1 | 18 | 23 | 25 | 29 | 32 | 18 | 23 | 25 | 30 | 33 |
| 1.6 | 24 | 31 | 33 | 40 | 43 | 26 | 33 | 36 | 43 | 46 |
| 2.5 | 33 | 43 | 46 | 55 | 60 | 35 | 45 | 48 | 57 | 62 |
| 4 | 47 | 60 | 64 | 77 | 84 | 49 | 64 | 68 | 81 | 88 |
| 5 | 58 | 75 | 80 | 95 | 104 | 60 | 77 | 83 | 98 | 107 |
| 6 | 71 | 92 | 98 | 117 | 127 | 74 | 96 | 102 | 122 | 133 |
| 8 | 88 | 113 | 121 | 144 | 157 | 92 | 119 | 127 | 152 | 165 |
| 10 | 107 | 138 | 147 | 176 | 191 | 113 | 146 | 156 | 186 | 202 |
| 12 | 132 | 170 | 182 | 217 | 236 | 140 | 181 | 193 | 230 | 251 |
| 16 | 165 | 214 | 228 | 272 | 296 | 170 | 220 | 235 | 281 | 306 |
| 20 | 204 | 264 | 282 | 336 | 365 | 209 | 271 | 289 | 344 | 375 |
| 25 | 255 | 330 | 352 | 420 | 457 | 261 | 338 | 361 | 430 | 468 |
| 32 | 321 | 416 | 444 | 529 | 576 | 324 | 420 | 448 | 534 | 582 |
| 40 | 398 | 516 | 551 | 656 | 715 | 402 | 520 | 555 | 662 | 721 |
| 50 | S05 | 654 | 698 | 832 | 907 | 508 | 657 | 702 | 837 | 911 |
| 63 | 63S | 821 | 877 | 1045 | 1139 | 631 | 817 | 872 | 1039 | 1132 |
| 80 | 801 | 1037 | 1108 | 1320 | 1438 | 792 | 1025 | 1095 | 1305 | 1421 |
| 100 | 1016 | 1315 | 1404 | 1673 | 1822 | 1002 | 1297 | 1385 | 1650 | 1798 |
| 125 | 1288 | 1666 | 1780 | 2121 | 2310 | 1254 | 1623 | 1734 | 2066 | 2250 |
| 160 | 1609 | 2082 | 2224 | 2650 | 2887 | 1585 | 2052 | 2192 | 2611 | 2844 |
| 200 | 2030 | 2627 | 2806 | 3344 | 3642 | 2011 | 2603 | 2780 | 3313 | 3609 |
| 250 | 2539 | 3286 | 3510 | 4182 | 4556 | 2513 | 3252 | 3474 | 4139 | 4509 |
D.2 Tải trọng mỏi giới hạn khi tính toán của thân móc kiểu B, với các vật liệu bổ sung (xem Bảng.D.2)
Bảng D.2 - Tải trọng mỏi giới hạn khi tính toán FRd,s (tính bằng kN) - Đã bao gồm các hệ số f2 và và hệ số ảnh hưởng của nhiệt độ f1 = 1 (T ≤ 100 °C)
| Số hiệu móc | Móc đơn, kiểu B | |||||||
| Tất cả vật liệu | FRd,s cho vật liệu nhóm | Vật liệu bổ sung | ||||||
| Hệ số Mhf tại tiết diện B, mm2 | M | P | S | T | V | fu N/mm2 | FRd,s | |
| B 0.8 | 25392 | 3,0 | 3,9 | 4,1 | 4,9 | 5,4 | 620 | 4.6 |
| B 1.6 | 49,722 | 5,9 | 7,61 | 8,1 | 9,7 | 10,5 | 8,93 | |
| B 2.5 | 81,543 | 9,5 | 12,2 | 13,1 | 15,6 | 17,0 | 14,4 | |
| B 4 | 127,31 | 14,2 | 18,4 | 19,7 | 23,4 | 25,5 | 21,6 | |
| B 5 | 157,79 | 17,3 | 22,4 | 23,9 | 28,5 | 31,1 | 26,3 | |
| B 8 | 258,77 | 27,3 | 35,3 | 37,7 | 44,9 | 48,9 | 41,4 | |
| B 12.5 | 399,34 | 40,6 | 52,5 | 56,10 | 66,8 | 72,8 | 61,6 | |
| B 16 | 514,76 | 53,6 | 69,3 | 74,1 | 88,3 | 96,1 | 625 | 81,8 |
| B 20 | 649,89 | 66,3 | 85,8 | 91,6 | 109,2 | 119,0 | 101,2 | |
| B 25 | 807,66 | 80,9 | 104,7 | 111,9 | 133,3 | 145,2 | 123,5 | |
| B 32 | 948,18 | 103,2 | 133,5 | 142,6 | 169,5 | 185,1 | 157,5 | |
| B 40 | 1128,78 | 127,4 | 164,8 | 176,1 | 209,8 | 228,5 | 194,4 | |
| B 50 | 1379,07 | 161,5 | 209,0 | 223,3 | 266,0 | 289,8 | 246,5 | |
| B 63 | 1587,16 | 194,6 | 258,9 | 269,0 | 320,5 | 349,2 | 297,1 | |
Hệ số hình dạng móc đối với tiết diện B được xác định như phần dưới Bảng C.2. Các giá trị này đối với các móc cỡ từ B 0.8 đến B 63 cho trong Bảng D.2. Đối với các móc có cỡ hơn B 63, giá trị của hệ số này được tính toán theo các kích thước chung và theo tiết diện B của móc.
Phụ lục E
(quy định)
Tính toán thân móc và các hệ số tỉ lệ phổ riêng
E.1 Hệ số chuyển đổi đối với thân móc, kc
Khi sử dụng chế độ làm việc phân loại theo nhóm, hệ số kc phải chọn theo Bảng E.1.
Bảng E.1 - Hệ số chuyển đổi
|
| Cấp tải Q | Q0 | Q1 | Q2 | Q3 | Q5 | Q5 |
| kQ(3) | 0,0313 | 0,0625 | 0,125 | 0,25 | 0,5 | 1,0 | |
| Hệ số k6* | 1,348 | 1,343 | 1,259 | 1,172 | 1,084 | 1 | |
| Cấp sử dụng U | C [số chu trình] |
|
|
|
|
|
|
| U0 | 16 000 | 5,37 | 4,77 | 3,98 | 3,30 | 2,72 | 2,24 |
| U1 | 31 500 | 4,8 | 4,26 | 3,56 | 2,95 | 2,43 | 2,00 |
| U2 | 63 000 | 4,27 | 3,79 | 3,17 | 2,63 | 2,17 | 1,78 |
| U3 | 125 000 | 3,81 | 3,38 | 2,83 | 2,34 | 1,93 | 1,59 |
| U4 | 250 000 | 3,40 | 3,01 | 2,52 | 2,09 | 1,72 | 1,41 |
| U5 | 500 000 | 3,02 | 2,60 | 2,24 | 1,86 | 1,53 | 1,26 |
| U6 | 1 000 000 | 2,70 | 2,39 | 2,00 | 1,66 | 1,37 | 1,12 |
| U7 | 2 000 000 | 2,40 | 2,13 | 1,78 | 1,48 | 1,22 | 1,00 |
| U8 | 4 000 000 | 2,14 | 1,90 | 1,58 | 1,32 | 1;08 | 0,89 |
| U9 | 8 000 000 | 1,91 | 1,69 | 1,41 | 1,17 | 0,97 | 0,79 |
E.2 Hệ số tỷ lệ phổ riêng
Sự phân bố của các giá trị rời rạc có thể được biểu diễn thông qua phổ phân bố hoặc phổ phân bố tích lũy. Hình E.1 thể hiện hai cách biểu diễn này.
|
|
|
| a) Phổ phân bố, với n là số chu trình tương đối có biên độ q: ån = 1 | b) Phổ phân bố tích lũy |
Hình E.1 - Các phân bố rời rạc
Sự phân bố có thể được biểu diễn bằng các hàm liên tục thông qua hàm mật độ phân bố hoặc hàm mật độ phân bố tích lũy như thể hiện trên Hình E.2.
|
|
|
| a) Hàm mật độ phân bố, với | b) Hàm mật độ phân bố tích lũy, với N(q) = |
Hình E.2 - Các phân bố liên tục
CHÚ THÍCH: Trong khi n(q) cho biết số chu trình tương đối có biên độ bằng q thì giá trị tích lũy N(q) là tổng số chu trình có biên độ lớn hơn q.
Hệ số phổ ứng suất km phải được tính từ hàm mật độ phân bố hoặc từ hàm mật độ phân bố tích lũy như sau:
Hệ số tỉ lệ phổ riêng (xem 6.5.3) xác định theo:
E.3 Các phổ cơ bản đối với các hệ số tỷ lệ phổ riêng
Trong trường hợp phổ tải của cần trục chỉ được quy định thông qua cấp Q thì có thể giả định hình dạng của hàm phân bố tải như trong Bảng E.3. Do đó, hệ số tỉ lệ phổ riêng trong Bảng E.2 có thể chọn và phải được sử dụng trong tính toán hệ số quá trình ứng suất sh của móc.
Bảng E.2 - Các hệ số tỷ lệ phổ riêng
| Cấp tải Q theo TCVN 8590-1 (ISO 4301-1) | Hệ số phổ tải kQ | Hệ số k5* với m = 5 | Hệ số k6* với m = 6 |
| Q0 | 0,0313 | 1,292 | 1,348 |
| Q1 | 0,0625 | 1,286 | 1,343 |
| Q2 | 0,125 | 1,217 | 1,259 |
| Q3 | 0,25 | 1,144 | 1,172 |
| Q4 | 0,5 | 1,070 | 1,084 |
| Q5 | 1 | 1 | 1 |
Bảng E:3 cung cấp các hàm mật độ phân bố và phân bố tích lũy cơ bản tương ứng với Bảng E.2.
Bảng E.3 - Các hàm mật độ phân bố và phân bố tích lũy cơ bản
| Cấp tải | Hàm mật độ phân bố | Hàm mật độ phân bố tích lũy | |
| Q0, Q1 |
|
| |
|
| |||
| Q2 |
|
| |
|
| |||
| Q3 |
|
| |
|
| |||
| Q4 |
|
| |
|
| |||
Phụ lục F
(tham khảo)
Ví dụ tính toán độ bền mỏi đối với móc “đã được thử” (đã được đặt tải trọng thử)
F.1 Dữ liệu
CHÚ THÍCH: Các tính toán thực hiện cho móc đơn, với các kích thước lấy theo A.3, Bảng A.3.
Cỡ móc: Cỡ B 10, Bảng A.3.
Tải trọng danh định của móc:
FH = 10 Te = 90,07 kN
CHÚ THÍCH: Ký hiệu Te thể hiện tấn trong hệ mét, tức là 1000 kgf.
Kích thước móc và đặc tính của tiết diện:
| a1 = 92 mm | đường kính đáy móc |
| h1= 36,18 mm | khoảng cách từ trọng tâm của tiết diện đến mặt trong móc, xem Phụ lục H |
| | bán kính tính đến trong tâm của tiết diện |
| I = 1,696x106mm4 | mô men quán tính tham chiếu của tiết diện, xem Phụ lục H |
| n = 1 | hệ số đối với thành phần tải trọng, xem 5.5.3, tiết diện B-B |
Vật liệu móc: 150 M 19Q
| fy = 430 N/mm2 | giới hạn chảy tối thiểu của vật liệu móc, khi RS ≤ 150 |
| fu = 620 N/mm2 | giới hạn bền tối thiểu của vật liệu móc |
Các thông số liên quan đến mỏi và chế độ làm việc:
Cấp sử dụng U7 (Bảng 1 của TCVN 8590-1 (ISO 4301-1)), với tổng số chu trình tải N= 2 x 106
Cấp tải Q4 (Bảng 2 của TCVN 8590-1 (ISO 4301-1)), với hệ số phổ tải tối đa kQ = 1
Tất cả các chu trình tải được giả định là như nhau và với mức đầy tải.
F.2 Kiểm nghiệm độ bền mỏi cho móc đã được đặt tải trọng thử
F.2.1 Ứng suất tại thớ trong của móc "chưa được thử" (không có ứng suất dư)
Hệ số động ϕ = 1,3
Lực gây mỏi theo phương thẳng đứng [công thức (18)]: FSd,f = ϕ2FH = 127,49 kN
Mô men tại tiết diện móc do lực thẳng đứng FSd,f gây ra:
MSd,f = FSd,f ´ R = 10,48 kNm
Ứng suất tính toán lớn nhất tại thớ trong của móc do lực thẳng đứng gây ra (công thức (11)):
Khoảng thay đổi ứng suất tại thớ trong của móc dùng để tính mỏi (do lực FSd,f thay đổi từ 0 đến giá trị lớn nhất) bằng:
ΔσSd,f = σSd,f =399,28 N/mm2
Vì giả định các tải trọng làm việc có cùng độ lớn, tức là FSd,f như nhau, nên giá trị lớn nhất của khoảng thay đổi ứng suất tại thớ trong của móc là:
ΔσSd,f,max = ΔσSd,f =399,28 N/mm2
F.2.2 Ứng suất tại thớ trong của móc "đã được thử" (có ứng suất dư)
F.2.2.1 Tải trọng thử trên móc
Tải trọng thử FPL cho móc được tính theo:
FPL = 1,5 ´ fy ´ M [xem 4.5 e)]
trong đó,
và tính được tải trọng thử FPL = 1,5 ´ fy ´ M = 205,94 kN
F.2.2.2 Ứng suất tại tiết diện của móc "đã được thử” (có ứng suất dư)
Mô men tại tiết diện móc do tải trọng thử FPL gây ra: MPL = FPL ´ R = 16,92 kNm
Giá trị lớn nhất của ứng suất ảo, tính toán tại thớ trong của móc khi đã đặt tải trọng thử [công thức (11)] là:
CHÚ THÍCH: Ứng suất lớn nhất tại thớ trong của móc đã đặt tải trọng thử được tính với giả thiết không có biến dạng dẻo.
Mô hình ứng suất “đàn-dẻo lý tưởng” của vật liệu được giả định, khi sự bắt đầu của biến dạng dẻo xuất hiện tại điểm giới hạn chảy và ứng suất lớn nhất duy trì giá trị không đổi tại mức này. Do đó, ứng suất lớn nhất do tải trọng thử là:
σp,max = fy = 420 N/mm2
Sự thay đổi ứng suất trong quá trình dỡ tải, khi tải trọng thử được giải phóng, được giả định diễn ra dọc theo đường đàn hồi. Do đó, ứng suất còn lại (ứng suất dư) sau khi đã dỡ tải hoàn toàn là:
σr,p,max = σp,max,n - σp,max = 225 N/mm2
Khoảng thay đổi ứng suất lớn nhất do tải trọng làm việc ở mức đầy tải FSd,f = 127,49 kN là:
ΔσSd,max =399,28 N/mm2
là nguyên nhân gây ứng suất lớn nhất tại thớ trong của móc khi chịu tải trọng làm việc ở mức đầy tải
σs,p,max = σr,p,max - Δσp,max = 174,28 N/mm2
và các cực trị của chu trình ứng suất là
σr,p,max = -225 N/mm2 và
σs,p,max = 174,28 N/mm2
Chu trình ứng suất này phải được quy đổi về chu trình ứng suất mạch động (thay đổi từ 0 đến giá trị lớn nhất) như dưới đây, sử dụng công thức tiêu chuẩn suy từ đồ thị Haigh/Smith:
và
trong đó:
là biên độ và ứng suất trung bình của chu trình ứng suất quy đổi;
Rs tỉ số ứng suất của chu trình ứng suất quy đổi, σmin / σmax
Rs = 0 đối với chu trình mạch động.
m = -0,1765 từ công thức (44), 6.6.7 (lưu ý dấu âm).
Các thành phần của chu trình ứng suất:
- Ứng suất trung bình: = -25,36 N/mm2
- Biên độ ứng suất: = 199,64 N/mm2
Các thành phần của chu trình ứng suất quy đổi:
Từ các công thức trên xác định được biên độ và ứng suất trung bình của chu trình ứng suất quy đổi:
- Biên độ ứng suất: = 165,89 N Imm'
- Ứng suất trung bình: σa,m,t = 165,89 N/mm2
Khoảng thay đổi ứng suất lớn nhất tại thớ trong của móc "đã được thử”:
ΔσSd,p,f,max =2 ´ σa,p,t = 331,77 N/mm2
Ứng suất thay đổi từ 0 đến 2 x biên độ ứng suất.
Móc bị mỏi do sự thay đổi lực FSd,f từ 0 đến giá trị lớn nhất.
F.2.3 Thực hiện kiểm nghiệm độ bền mỏi
F.2.3.1 Ứng suất giới hạn khi tính toán, hệ số quá trình tải trọng và hệ số quá trình ứng suất
Ứng suất giới hạn khi tính toán xác định theo công thức (29), 6.5.4:
ΔσRd = f1 ´ f2 ´ Δσc
Hệ số tính đến ảnh hưởng của nhiệt độ f1 = 1 [công thức (31)] và với bmax = 55 mm là chiều rộng lớn nhất của tiết diện móc, tính được hệ số ảnh hưởng của chiều dày vật liệu theo công thức (32), 6.5.4:
Độ bền mỏi đặc trưng tính theo công thức (30), 6.5.4:
= 258,11 N/mm2
Từ đó tính được khoảng thay đổi ứng suất giới hạn theo thiết kế:
ΔσRd = f1 ´ f2 x Δσc = 226,27 N/mm2
Hệ số quá trình tải trọng tính theo công thức (26), 6.5.3 với số chu trình cơ sở ND = 2x106:
(theo yêu cầu tại F.1: N = 2x106; kQ=1)
Do đó, hệ số tỉ lệ phổ riêng xác định theo công thức (28), 5.3 và Bảng 5 đối với các chế độ làm việc đã phân nhóm:
k6* = 1
Hệ số quá trình ứng suất, tính theo công thức (27), 6.5.2, 6.5.3 với m = 6 đối với vật liệu móc:
F.2.3.2 Kiểm nghiệm độ bền mỏi của móc “chưa được thử”
Phải thoả mãn bất đẳng thức sau [công thức (33), 6.5.5]:
hoặc
với = 1,25 là hệ số dự trữ bền riêng, xem Bảng 7.
Từ đó, cần so sánh:
ΔσSd,max = 399,28 N/mm2 và = 181,01 N/mm2
tức là không đảm bảo độ bền mỏi, do độ cần giảm tải cho móc (FH) hoặc giảm tuổi thọ (tính bằng số chu trình N).
Tải trọng cho móc giảm còn:
= 44,46 kN
Tuổi thọ/số chu trình giảm xuống có thể tính bằng cách sử dụng các công thức (26) và (27).
F.2.3.3 Kiểm nghiệm độ bền mỏi của móc “đã được thử”
Phải thoả mãn bất đẳng thức sau [công thức (33), 6.5.5]:
hoặc
CHÚ THÍCH: Không có sự thay đổi ở vế phải của bất đẳng thức.
Ứng suất giới hạn mỏi khi thiết kế đã tính ở trên:
ΔσRd = 226,27 N/mm2
Các hệ số quá trình tải trọng, hệ số tỷ lệ phổ riêng, hệ số quá trình ứng suất như đã tính ở trên, với m = 6 và ND = 2 x 106 chu trình:
sQ = 1;
k6* = 1;
sh= 1;
Hệ số dự trữ bền riêng, xem Bảng 7:
= 1,25
Từ đó, cần so sánh:
ΔσSd,p,f,max = 331,77 N/mm2 và = 181,01 N/mm2
tức là không đảm bảo độ bền mỏi, do đó cần giảm tải cho móc (FH) hoặc giảm tuổi thọ (tính bằng số chu trình N).
Tải trọng cho móc giảm còn:
= 53,5 kN
(lớn hơn so với móc “chưa được thử”)
Tuổi thọ/số chu trình giảm xuống để thoả mãn bất đẳng thức trên có thể xác định bằng cách sử dụng các công thức (26) và (27).
Phụ lục G
(tham khảo)
Loạt mẫu cuống móc và thiết kế ren
G.1 Loạt cuống móc và thiết kế ren, ren tròn
Xem Hình G.1 và Bảng G.1.

CHÚ DẪN:
1 Cuống móc
2 Đai ốc
Hình G.1 - Các ký hiệu kích thước đối với cuống móc và ren
Bảng G.1 - Kích thước của cuống móc và ren, đơn vị mm
| (d1) | Ký hiệu ren | d3 | p | d4 | d5 | r9 | s | rth | rp | t | m | (D) | (D1) |
| 60 | Rd 50x6 | 50 | 6 | 42 | 43,4 | 4 | 20 | 1,33 | 0,92 | 3,3 | 45 | 50,6 | 44 |
| 67 | Rd 56x6 | 56 | 6 | 48 | 49,4 | 4 | 20 | 1,33 | 0,92 | 3,3 | 50 | 56,6 | 50 |
| 75 | Rd 64x8 | 64 | 8 | 54 | 55,2 | 4 | 25 | 1,77 | 1,23 | 4,4 | 56 | 64,8 | 56 |
| 85 | Rd 72x8 | 72 | 8 | 62 | 63,2 | 4 | 25 | 1,77 | 1,23 | 4,4 | 63 | 72,8 | 64 |
| 95 | Rd 80x10 | 80 | 10 | 68 | 69,0 | 6 | 30 | 2,21 | 1,54 | 5,5 | 71 | 81 | 70 |
| 106 | Rd 90x10 | 90 | 10 | 78 | 79,0 | 6 | 30 | 2,21 | 1,54 | 5,5 | 80 | 91 | 80 |
| 118 | Rd 100x12 | 100 | 12 | 85 | 86,8 | 6 | 40 | 2,65 | 1,84 | 6,6 | 90 | 101,2 | 88 |
| 132 | Rd 110x12 | 110 | 12 | 95 | 96,8 | 6 | 40 | 2,65 | 1,84 | 6,6 | 100 | 111,2 | 98 |
| 150 | Rd 125x14 | 125 | 14 | 108 | 109,6 | 8 | 45 | 3,10 | 2,15 | 7,7 | 112 | 126,4 | 111 |
| 170 | Rd 140x16 | 140 | 16 | 120 | 122,4 | 10 | 50 | 3,54 | 2,46 | 8.8 | 125 | 141,6 | 124 |
| 190 | Rd 160x18 | 160 | 18 | 138 | 140,2 | 10 | 55 | 3,98 | 2,77 | 9,9 | 140 | 161,8 | 142 |
| 212 | Rd 180x20 | 180 | 20 | 156 | 158,0 | 12 | 60 | 4,42 | 3,07 | 11,0 | 160 | 182 | 160 |
| 236 | Rd 200x22 | 200 | 22 | 173 | 175,8 | 12 | 70 | 4,86 | 3,38 | 12,1 | 180 | 202,2 | 178 |
| 265 | Rd 225x24 | 225 | 24 | 196 | 198,6 | 12 | 80 | 5,31 | 3,69 | 13,2 | 200 | 227,4 | 201 |
| 300 | Rd 250x28 | 250 | 28 | 217 | 219,2 | 15 | 90 | 6,19 | 4,30 | 15,4 | 225 | 252,8 | 222 |
| 335 | Rd 280x32 | 280 | 32 | 242 | 244,8 | 18 | 100 | 7,07 | 4,92 | 17,6 | 250 | 283,2 | 248 |
| 375 | Rd 320x36 | 320 | 36 | 278 | 280,4 | 20 | 110 | 7,96 | 5,53 | 19,8 | 280 | 323,6 | 284 |
| Các kích thước của đai ốc (D và D1) và kích thước thân móc (d1) chỉ có tính tham khảo. Việc gia công cuống móc và ren có thể được áp dụng cho tất cả các cỡ và các loại móc rèn trong phạm vi các yêu cầu của tiêu chuẩn này. | |||||||||||||
G.2 Loạt cuống móc và thiết kế ren, ren hệ mét
Xem Hình G.2 và Bảng G.2.

CHÚ DẪN:
1 Cuống móc
2 Đai ốc
Hình G.2 - Các ký hiệu kích thước đối với cuống móc và ren
Bảng G.2 - Kích thước của cuống móc và ren, đơn vị milimet
| Ký hiệu ren | d3 | p | d4 | d5 | r9 | s | rth | t | m |
| M 10 x 1,5 | 10 | 1,5 | 7,5 | 8,16 | 1,0 | 5 | 0,21 | 0,92 | 9 |
| M 12 x 1,75 | 12 | 1,75 | 9,0 | 9,85 | 1,2 | 6 | 0,25 | 1,07 | 11 |
| M 14 x 2 | 14 | 2 | 11,2 | 11,55 | 1,4 | 6 | 0,28 | 1,23 | 14 |
| M 16 x 2 | 16 | 2 | 12,5 | 13,55 | 1,2 | 7 | 0,28 | 1,23 | 15 |
| M 20 x 2,5 | 20 | 2,5 | 16,6 | 16,93 | 1,6 | 8 | 0,35 | 1,53 | 18 |
| M 24 x 3 | 24 | 3 | 20,0 | 20,32 | 2,0 | 9 | 0,42 | 1,84 | 22 |
| M 30 x 3,5 | 30 | 3,5 | 25,4 | 25,71 | 2,0 | 11 | 0,49 | 2,15 | 27 |
| M 33 x 3,5 | 33 | 3,5 | 28,4 | 28,71 | 3,3 | 11 | 0,49 | 2,15 | 33 |
| M 36 x 4 | 36 | 4 | 30,0 | 31,09 | 2,0 | 12 | 0,56 | 2,45 | 32 |
| M 39 x 4 | 39 | 4 | 33,8 | 34,09 | 3,9 | 12 | 0,56 | 2,45 | 39 |
| M 42 x 4,5 | 42 | 4,5 | 36,2 | 36,48 | 3,0 | 13 | 0,63 | 2,76 | 36 |
| M 45 x 4,5 | 45 | 4,5 | 38,5 | 39,48 | 3,0 | 13 | 0,63 | 2,76 | 40 |
| M 48 x 5 | 48 | 5 | 41,6 | 41,87 | 4,8 | 15 | 0,70 | 3,07 | 48 |
| M 52 x 5 | 52 | 5 | 45,6 | 45,87 | 5,2 | 15 | 0,70 | 3,07 | 52 |
| M 60 x 5,5 | 60 | 5,5 | 53,0 | 53,25 | 6,0 | 17 | 0,77 | 3,37 | 60 |
| M 68 x 6 | 68 | 6 | 60,3 | 60,64 | 6,8 | 18 | 0,84 | 3,68 | 68 |
| M 72 x 6 | 72 | 6 | 64,3 | 64,64 | 7,2 | 18 | 0,84 | 3,68 | 72 |
| M 80 x 6 | 80 | 6 | 72,3 | 72,64 | 8,0 | 18 | 0,84 | 3,68 | 80 |
| M 90 x 6 | 90 | 6 | 82,3 | 82,64 | 9,0 | 18 | 0,84 | 3,68 | 90 |
| M 100 x 8 | 100 | 8 | 89,9 | 90,19 | 10,0 | 24 | 1,12 | 4,91 | 100 |
| M 110 x 8 | 110 | 8 | 99,9 | 100,19 | 11,0 | 24 | 1,12 | 4,91 | 110 |
G.3 Loạt cuống móc và thiết kế ren, ren hệ mét sửa đổi
Xem Hình G.3 và Bảng G.3.

CHÚ DẪN
1 Cuống móc
2 Đai ốc
Hình G.3 - Các ký hiệu kích thước đối với cuống móc và ren
Bảng G.3 - Kích thước của cuống móc và ren, đơn vị milimet
| (d1) | Ký hiệu ren | d3 | p | d4 | d5 | r9 | s | rth | t | m | (D) | (D1) | (rth2) | (t2) |
| 60 | ATS 52x5 | 52 | 5 | 46 | 46,587 | 10 | 15,41 | 1,083 | 2,71 | 43 | 52,361 | 47,670 | 0,361 | 2,35 |
| 67 | ATS 56x5,5 | 56 | 5,5 | 50 | 50,046 | 11 | 18,41 | 1,191 | 2,98 | 48 | 56,396 | 51,237 | 0,397 | 2,58 |
| 75 | ATS 64x6 | 64 | 6 | 57 | 57,505 | 12 | 21,48 | 1,299 | 3,25 | 54 | 64,433 | 58,804 | 0,433 | 2,81 |
| 85 | ATS 72x6 | 72 | 6 | 65 | 65,505 | 14 | 26,48 | 1,299 | 3,25 | 61 | 72,430 | 66,804 | 0,430 | 2,81 |
| 95 | ATS 80x7 | 80 | 7 | 72 | 72,422 | 16 | 29,55 | 1,516 | 3,79 | 67 | 80,505 | 73,938 | 0,505 | 3,28 |
| 106 | ATS 90x7 | 90 | 7 | 82 | 82,422 | 19 | 34,55 | 1,516 | 3,79 | 77 | 90,505 | 83,938 | 0,505 | 3,28 |
| 118 | ATS 100x8 | 100 | 8 | 91 | 91,340 | 20 | 37,61 | 1,732 | 4,33 | 85 | 100,577 | 93,072 | 0,577 | 3,75 |
| 132 | ATS 110x8 | 110 | a | 101 | 101,340 | 22 | 42,61 | 1,732 | 4,33 | 96 | 110,577 | 103,072 | 0,577 | 3,75 |
| 150 | ATS 125x10 | 125 | 10 | 113 | 114,175 | 25 | 46,82 | 2,165 | 5,41 | 106 | 125,722 | 116,340 | 0,722 | 4,69 |
| 170 | ATS 140x10 | 140 | 10 | 128 | 129,175 | 28 | 56,82 | 2,165 | 5,41 | 120 | 140,722 | 131,340 | 0,722 | 4,69 |
| 190 | ATS 160x12 | 160 | 12 | 146 | 147,010 | 32 | 62,95 | 2,598 | 6,50 | 134 | 160,866 | 149,608 | 0,866 | 5,63 |
| 212 | ATS180x12 | 180 | 12 | 166 | 167,010 | 36 | 72,95 | 2,598 | 6,50 | 154 | 180,866 | 169,608 | 0,866 | 5,63 |
| 236 | ATS 200x14 | 200 | 14 | 183 | 184,845 | 40 | 77,16 | 3,031 | 7,58 | 170 | 201,000 | 187,876 | 1,01 | 6,56 |
| 265 | ATS 225x14 | 225 | 14 | 208 | 209,845 | 45 | 92,16 | 3,031 | 7,58 | 192 | 226,010 | 212,876 | 1,01 | 6,57 |
| 300 | ATS 250x16 | 250 | 16 | 230 | 232,680 | 50 | 101,36 | 3,464 | 8,66 | 211 | 251,155 | 236,144 | 1,155 | 7,51 |
| 335 | ATS 280x16 | 280 | 16 | 260 | 262,680 | 56 | 121,36 | 3,464 | 8,66 | 240 | 281,155 | 266,144 | 1,155 | 7,51 |
| 375 | ATS 320x18 | 320 | 18 | 298 | 300,515 | 63 | 137,50 | 3,897 | 9,74 | 268 | 321,199 | 304,412 | 1,299 | 8,39 |
| Các kích thước của đai ốc và kích thước thân móc (d1) chỉ có tính tham khảo. Việc gia công cuống móc và ren có thể được áp dụng cho tất cả các cỡ và các loại móc rèn trong phạm vi các yêu cầu của tiêu chuẩn này. | ||||||||||||||
G.4 Cuống móc và thiết kế ren cho móc kiểu B
Xem Hình G.4 và Bảng G.4.

Hình G.4 — Các ký hiệu kích thước đối với cuống móc và ren
Bảng G.4 - Kích thước của cuống móc và ren, đơn vị milimet
| Số hiệu móc | d2 | Ký hiệu ren | d3 | p | d4 | d5 | r9 | s | rth | t | rth11 | m |
| B 0.8 | 15 | M14 x 2 | 14 | 2 | 11,25 | 11,55 | 1,5 | 6 | 0,28 | 1,23 | 2 | 14 |
| B 1.6 | 20 | M20 x 2,5 | 20 | 2,5 | 16,63 | 16,93 | 2 | 7,5 | 0,35 | 1,53 | 2 | 20 |
| B 2.5 | 25 | M24 x 3 | 24 | 3 | 20,02 | 20,32 | 2,5 | 9 | 0,42 | 1,84 | 3 | 24 |
| B 4 | 30 | M30 x 3,5 | 30 | 3,5 | 25,41 | 25,71 | 3 | 10,5 | 0,49 | 2,15 | 3 | 30 |
| B 5 | 35 | M33 x 3.5 | 33 | 3,5 | 28,41 | 28,71 | 3,5 | 10,5 | 0,49 | 2,15 | 4 | 33 |
| B 6.3 | 40 | M39 x 4 | 39 | 4 | 33,79 | 34,09 | 4 | 12 | 0,56 | 2,45 | 4 | 39 |
| B 8 | 45 | M42 x 4,5 | 42 | 4,5 | 36,18 | 36,48 | 4,5 | 13,5 | 0,63 | 2,76 | 5 | 42 |
| B 10 | 50 | M48 x 5 | 48 | 5 | 41,57 | 41,87 | 5 | 15 | 0.7 | 3,07 | 5 | 48 |
| B 12.5 | 55 | M52 x 5 | 52 | 5 | 45,57 | 45,87 | 5,5 | 15 | 0,7 | 3,07 | 6 | 52 |
| B 16 | 60 | M60 x 5,5 | 60 | 5,5 | 52,95 | 53,25 | 6 | 16,5 | 0,77 | 3,37 | 6 | 60 |
| B 20 | 70 | M68 x 6 | 68 | 6 | 60,34 | 60,64 | 7 | 18 | 0,84 | 3,68 | 7 | 70 |
| B 25 | 80 | M72 x 6 | 72 | 6 | 64,34 | 64,64 | 8 | 18 | 0,84 | 3,68 | 8 | 72 |
| B 32 | 85 | M80 x 6 | 80 | 6 | 72,34 | 72,64 | 8,5 | 18 | 0,84 | 3,68 | 9 | 80 |
| B 40 | 100 | M 90 x 6 | 90 | 6 | 82,34 | 82,64 | 10 | 18 | 0,84 | 3,68 | 10 | 90 |
| B 50 | 110 | M100 x 8 | 100 | 8 | 89,89 | 90,19 | 11 | 24 | 1,12 | 4,91 | 11 | 100 |
| B 63 | 120 | M110 X 8 | 110 | 8 | 99,89 | 100,19 | 12 | 24 | 1,12 | 4,91 | 12 | 110 |
| CHÚ THÍCH 1:Giải thích về kích thước e1, xem A.3. CHÚ THÍCH 2: Chiều rộng phần cắt thoát dao s được đo từ vai của cuống móc đến đỉnh của vòng ren đầy đủ cuối cùng. | ||||||||||||
Phụ lục H
(quy định)
Thanh cong chịu uốn
H.1 Công thức cơ bản về ứng suất
Các ứng suất tính toán dưới đây thể hiện đúng ứng suất kéo ban đầu trong tiết diện thanh cong, được suy ra từ lý thuyết đàn hồi với giả thiết là không có chảy dẻo trong vật liệu.
Các công thức sau đây thể hiện dạng tổng quát cho thanh cong và áp dụng tương tự cho vấn đề phân bố ứng suất trong tiết diện của phần cong thân móc. Các ký hiệu tham khảo Hình H.1.

Hình H.1 - Ký hiệu cho tính toán thanh cong chịu uốn
Đối với thanh cong có tiết diện đặc, mô men quán tính tham chiếu phải được tính như sau:
| | (H.1) |
Trong đó:
| y | khoảng cách theo phương hướng kính đo từ trọng tâm tiết diện; lấy giá trị dương khi nằm về phía thớ ngoài và giá trị âm khi nằm về phía thớ trong so với trọng tâm tiết diện; |
| b | chiều rộng tiết diện tại vị trí y; |
| R | bán kính cong của trục trung tâm thanh cong tại tiết diện đang xem xét; |
| η1 | giá trị tuyệt đối toạ độ y của điểm trong cùng; |
| η2 | giá trị tuyệt đối toạ độ y của điểm ngoài cùng. |
Giá trị lớn nhất của ứng suất kéo tại tiết diện nằm tại thớ trong và phải tính như sau:
(H.2)
Trong đó:
| F | lực tác dụng vuông góc với mặt phẳng chứa tiết diện và đi qua tâm cong của tiết diện; |
| R | bán kính cong của trục trung tâm thanh cong tại tiết diện đang xem xét; |
| η1 | giá trị tuyệt đối toạ độ y của điểm trong cùng; |
| I | mô men quán tính tham chiếu của tiết diện, tính theo công thức (H.1). |
CHÚ THÍCH: Công thức (H.2) bao gồm các hiệu ứng tổng hợp của lực kéo trực tiếp và mô men uốn. Công thức này chỉ áp dụng cho trường hợp khi lực gây uốn đi qua tâm cong của thanh. Với tải trọng như trên thì trục trung hòa trùng với trục trung tâm của tiết diện.
H.2 Tính gần đúng mô men quán tính tham chiếu
Mô men quán tính tham chiếu của thanh cong phải được tính toán như sau:
(H.3)
Trong đó:
Iz mô men quán tính (thông thường) của tiết diện theo trục z;
k hệ số chuyển đổi, phụ thuộc vào hình dạng tiết diện và độ cong tương đối, xem Hình H.2.
với 0,45 ≤ bmin/bmax ≤ 0,55; bmax là kích thước lớn nhất (tại thớ trong) và bmin là kích thước nhỏ nhất (tại thớ ngoài) của chiều rộng tiết diện.
Đối với các tiết diện móc kiểu B, hệ số k có thể lấy k = 1,05 cho cả hai tiết diện A và B trên Hình 5.

CHÚ DẪN
1 Tiết diện hình chữ nhật
2 Tiết diện hình tròn hoặc được vê tròn góc
3 Tiết diện hình thang
Hình H.2 - Hệ số k với các loại tiết diện khác nhau
Phụ lục I
(quy định)
Tính toán khả năng chống nghiêng của bộ phận treo móc, liên kết bằng khớp xoay hoặc hệ thống luồn cáp
1.1 Yêu cầu chung
Hệ số chống nghiêng Ct thể hiện ma sát trong bộ phận treo móc chống lại việc móc bị nghiêng. Đây chỉ là đặc trưng của bộ phận treo móc và giá trị của nó phụ thuộc vào tải trọng ngoài. Hệ số Ct được xác định qua công thức (I.1) sau đây:
Trong đó:
Ct hệ số chống nghiêng của móc;
M mô men chống nghiêng của móc, xem Hình I.1;
F lực theo phương thẳng đứng tác dụng lên móc.

CHÚ DẪN
β chiều của chuyển động làm nghiêng móc
Hình I.1 - Thể hiện tổng quát khả năng chống nghiêng của móc
I.2 Liên kết bằng khớp xoay Xem Hình I.2.
Xem hình I.2

Hình I.2 - Bộ phận treo móc liên kết với móc bằng khớp xoay
Hệ thống luồn cáp được cân bằng để bộ phận treo móc nằm ngang khi móc bị nghiêng so với phương của lực. Hệ số chống nghiêng được tính như sau:
| | (I.2)
|
Trong đó:
| dh | đường kính của bề mặt xoay của khớp |
| | hệ số ma sát trong chốt xoay, chọn như sau:
|
Vì khả năng chống nghiêng là rất quan trọng đối với độ bền mỏi của cuống móc, nên các số liệu về ma sát dài hạn được mong đợi trong thực tế. Điều này cần phải được tính đến, nếu các số liệu về ma sát được dựa trên các thử nghiệm.
I.3 Liên kết bằng hệ thống luồn cáp cân bằng
Do sự phong phú của các cấu hình có thể sử dụng, ở đây chỉ nêu một ví dụ về tính toán hệ số chống nghiêng của hệ thống luồn cáp gồm 8 nhánh cáp.
Trong hệ thống luồn cáp cân bằng như ví dụ trên Hình I.3, lực căng khác nhau được tạo ra ở các nhánh cáp riêng biệt do sự mất mát (công suất) tại puli, khi bộ phận treo móc bị nghiêng, ví dụ do các lực ngang tác động lên móc.
Hệ thống luồn cáp ví dụ này được giả thiết là:
a) đối xứng so với đường tâm móc;
b) các puli là như nhau, ngoại trừ puli trung tâm có hiệu suất khác với các puli khác.

CHÚ DẪN
β hướng nghiêng móc
h khoảng cách từ đáy móc đến tâm trục quay
H lực ngang gây nghiêng móc
Hình I.3 - Ví dụ hệ thống luồn cáp
Khi bộ phận treo móc bị nghiêng, lực căng cáp lớn nhất xuất hiện tại nhánh số 1, lực nhỏ nhất tại nhánh số 8, và lực trong các nhánh cáp thoả mãn các mối liên hệ cho trong Bảng I.1.
Bảng I.1 - Lực căng cáp trong trạng thái bị nghiêng
| Nhánh số (i) | 1 | 2 | 3 | 4 | 5 | 6 | 7 | 8 |
| Lực căng, Ri | R1 | h ´ R1 | h2 ´ R1 | h3 ´ R1 | hB ´ η3 ´ R1 | hB ´ η4 ´ R1 | hB ´ h5 ´ R1 | hB ´ h6 ´ R1 |
trong đó:
R1 lực căng cáp trên nhánh 1, nhánh ngoài cùng phía nghiêng xuống của bộ phận treo móc;
hiệu suất của puli cơ bản;
hiệu suất của puli trung tâm.
Từ điều kiện cân bằng theo phương thẳng đứng, giả thiết tổng lực căng trên các nhánh cáp bằng lực thẳng đứng tác động lên móc, tính được lực căng cáp R1 như công thức
| | (I.3) |
trong đó, F là lực thẳng đứng tác dụng lên móc.
Các lực căng cáp Ri khác được suy ra từ công thức (I.3) và các công thức trong Bảng I.1. Lực Ri kết hợp với khoảng cách ei gây ra mô men lật quanh trục trung tâm. Mô men này được xác định theo công thức (I.4):
| | (I.4) |
trong đó, ei là các toạ độ theo chiều ngang của nhánh cáp (i) tính từ tâm bộ phận treo mốc. Giá trị dương cho các nhánh cáp nằm ở phía nghiêng xuống của bộ phận treo móc, xem Hình I.3.
Thay thế các nội dung ở Bảng I.1, các phương trình (I.3) và (I.4), tính được hệ số chống nghiêng của hệ thống luồn cáp cụ thể này như sau:
| | (I.5) |
trong đó, eA và eB là các khoảng cách theo phương ngang từ các puli đến tâm của bộ phận treo móc, xem Hình I.3.
Phụ lục J
(tham khảo)
Hướng dẫn chọn cỡ móc, sử dụng các Phụ lục từ C đến E
J.1 Yêu cầu chung
Trong các trường hợp thân móc tuân thủ Phụ lục A hoặc B, việc kiểm nghiệm độ bền tĩnh và độ bền mỏi của thân móc có thể thực hiện theo các tải trọng giới hạn cho trong các Phụ lục C và D.
Ngoài ra, việc kiểm nghiệm khả năng của cuống móc được gia công cơ khí với thiết kế đã chọn phải thực hiện tương ứng với các quy định tại điều 5 và 6.
Tất cả các đánh giá, lựa chọn các giá trị và các kết luận liên quan đến tải trọng và các hệ số cho trường hợp cụ thể này chỉ được xem như một ví dụ. Không được coi đây là các hướng dẫn chung cho các trường hợp tương tự.
J.2 Mô tả yêu cầu cho trường hợp cụ thể
Tìm cỡ móc nhỏ nhất cho trường hợp sau:
- Khối lượng của tải nâng danh định của cần trục/móc: mRC = 50 t;
- Hệ số động đối với tải trọng chủ đạo: ϕ = 1,21:
-.Nhiệt độ làm việc của móc: T = 150 °C;
- Trạng thái chịu tải chủ đạo là tải trọng thường xuyên: gp = 1,34;
- Ứng dụng của cần trục là loại thông thường, hệ số rủi ro: gn = 1;
- Loại móc được chọn sử dụng là loại một ngạnh từ Phụ lục A;
- Vật liệu móc nhóm T;
- Cần trục được sử dụng với chế độ làm việc được phân loại như sau: số chu trình làm việc tương ứng với cấp sử dụng U5 và phổ tải tương ứng với cấp tải Q4.
J.3 Chọn móc theo độ bền tĩnh
Điểm xuất phát là điều kiện cho trong công thức (16). Hệ số ảnh hưởng của nhiệt độ f1 đối với nhiệt độ làm việc được tính theo công thức (15):
| f1 =1 - 0,25 ´ (T-100)/150 = 0,9167 | (J.1) |
Giá trị nhỏ nhất của tải trọng giới hạn của móc có thể được viết lại dựa trên các công thức (1) và (16) như sau:
| | (J.2) |
Từ đó, dọc theo cột vật liệu "T” trong Bảng C.1 tìm được móc số hiệu 16 có tải trọng tĩnh giới hạn là FRd,s = 963 kN, đáp ứng yêu cầu trong công thức (J.2).
J.4 Chọn móc theo độ bền mỏi
Điểm xuất phát là điều kiện cho trong công thức (35). Hệ số ảnh hưởng của nhiệt độ f1 đối với nhiệt độ làm việc được tính theo công thức (31):
| f1 =1 - 0,1 ´ (T-100)/150 = 0,967 | (J.3) |
Giá trị của hệ số quy đổi kC được tìm trong Phụ lục E tại vị trí giao nhau giữa dòng U5 và cột Q4.
| | (J.4) |
Giá trị nhỏ nhất của tải trọng mỏi giới hạn của móc có thể được viết lại dựa trên các công thức (18) và (35) như sau:
|
| (J.5) |
Từ đó, dọc theo cột vật liệu “T” trong Bảng D.1 tìm được móc số hiệu 25 có tải trọng mỏi giới hạn là FRd,s = 420 kN, đáp ứng yêu cầu trong công thức (J.5).
J.5 Kết quả lựa chọn móc
Sự lựa chọn thân móc phải thoả mãn cả hai tiêu chuẩn thiết kế về độ bền tĩnh và độ bền mỏi. Do đó, phải chọn cỡ móc lớn hơn trong các kết quả tại J.3 và J.4. Đối với trường hợp này, móc nhỏ nhất loại một ngạnh theo Phụ lục A, vật liệu nhóm T, là móc số hiệu 25.
Lựa chọn cuối cùng của móc, phụ thuộc vào thiết kế chi tiết của cuống móc, cũng phải được xem xét trong kết quả tính toán theo các điều 5 và 6.
Phụ lục K
(quy định)
Thông tin mà nhà sản xuất móc phải cung cấp
Nhà sản xuất móc phải cung cấp các thông tin sau đây cho hồ sơ kỹ thuật của cần trục.
| Thông tin mà nhà sản xuất móc phải cung cấp | |
| Thông tin chung | Nhà sản xuất |
| Nhãn không trùng lặp trên móc có thể truy xuất nguồn gốc của nhà sản xuất | |
| Số sê-ri hoặc số lô của móc/ngày sản xuất | |
| Móc đơn/móc kép | |
| Có hoặc không có khóa chốt an toàn | |
| Khối lượng của móc, tính bằng kilôgam (kg) | |
| Các kích thước | Số hiệu cỡ và tiêu chuẩn cho các kích thước rèn |
| Chiều dài móc L, tính bằng milimét (mm) | |
| Số hiệu cỡ và tiêu chuẩn cho các kích thước cuống móc (nếu móc có phần cuống móc được gia công hoàn thiện) | |
| Chứng nhận về các kích thước | |
| (Các) số đo khoảng cách y, y1, y2, tính bằng milimét (mm) | |
| Vật liệu | Nhóm chất lượng và tiêu chuẩn |
| Chứng nhận về vật liệu thô | |
| Chứng nhận về nhiệt luyện | |
| Chứng nhận về vật liệu sau khi rèn | |
| Chế tạo | Kiểu quy trình / mô tả |
| Chứng nhận về thử không phá hủy (NDT) | |
| Chứng nhận về thử tải (nếu liên quan) | |
| Chứng nhận về thử khả năng tải, nếu áp dụng | |
| Vận hành | Khoảng nhiệt độ làm việc, °C - chọn theo Bảng 2. |
| Thông tin vận hành | Tải trọng tĩnh giới hạn của thân móc, tính bằng kilônewton (kN) |
| Tải trọng mỏi giới hạn của thân móc, tính bằng kilônewton (kN) | |
Thư mục tài liệu tham khảo
[1] DIN 15400, Lifting hooks; materials, mechanical properties, lifting capacity and stresses (Móc nâng; vật liệu, tính chất cơ học, khả năng nâng tải và ứng suất).
[2] BS 2903, Specification for higher tensile steel hooks for chains, slings, blocks and general engineering purposes (Đặc điểm kỹ thuật của móc thép có độ bền kéo cao cho xích, dày, cụm puli và các mục đích kỹ thuật chung)
1 Trong hệ thống tiêu chuẩn quốc gia đã có TCVN 7383:2004 hoàn toàn tương đương ISO 12100:2003.
Bạn chưa Đăng nhập thành viên.
Đây là tiện ích dành cho tài khoản thành viên. Vui lòng Đăng nhập để xem chi tiết. Nếu chưa có tài khoản, vui lòng Đăng ký tại đây!











