- Tổng quan
- Nội dung
- Tiêu chuẩn liên quan
- Lược đồ
- Tải về
Tiêu chuẩn TCVN 12131:2017 Tính toán khả năng chịu tải của bánh răng trong hàng hải
| Số hiệu: | TCVN 12131:2017 | Loại văn bản: | Tiêu chuẩn Việt Nam |
| Cơ quan ban hành: | Bộ Khoa học và Công nghệ | Lĩnh vực: | Công nghiệp |
|
Ngày ban hành:
Ngày ban hành là ngày, tháng, năm văn bản được thông qua hoặc ký ban hành.
|
2017 |
Hiệu lực:
|
Đã biết
|
| Người ký: | Đang cập nhật |
Tình trạng hiệu lực:
Cho biết trạng thái hiệu lực của văn bản đang tra cứu: Chưa áp dụng, Còn hiệu lực, Hết hiệu lực, Hết hiệu lực 1 phần; Đã sửa đổi, Đính chính hay Không còn phù hợp,...
|
Đã biết
|
TÓM TẮT TIÊU CHUẨN VIỆT NAM TCVN 12131:2017
Nội dung tóm tắt đang được cập nhật, Quý khách vui lòng quay lại sau!
Tải tiêu chuẩn Việt Nam TCVN 12131:2017
TIÊU CHUẨN QUỐC GIA
TCVN 12131:2017
ISO 9083:2001
TÍNH TOÁN KHẢ NĂNG TẢI CỦA BÁNH RĂNG THẲNG VÀ BÁNH RĂNG NGHIÊNG - ỨNG DỤNG CHO CÁC BÁNH RĂNG DÙNG TRONG HÀNG HẢI
Calculation of load capacity of spur and helical gears - Application to marine gears
Lời nói đầu
TCVN 12131:2017 hoàn toàn tương đương với ISO 9083:2001.
TCVN 12131:2017 do Ban kỹ thuật tiêu chuẩn quốc gia TCVN/TC 60 Bánh răng biên soạn, Tổng cục Tiêu chuẩn Đo lường Chất lượng đề nghị, Bộ Khoa học và Công nghệ công bố.
TÍNH TOÁN KHẢ NĂNG TẢI CỦA CÁC BÁNH RĂNG THẲNG VÀ BÁNH RĂNG NGHIÊNG - ỨNG DỤNG CHO CÁC BÁNH RĂNG DÙNG TRONG HÀNG HẢI
Calculation of load capacity of spur and helical gears - Application for marine gears
1 Phạm vi áp dụng
Các công thức quy định trong tiêu chuẩn này được dự định sử dụng cho việc thiết lập một phương pháp thống nhất, chấp nhận được cho tính toán khả năng chống tróc rỗ và khả năng chịu uốn đối với độ bền lâu của các bánh răng chính trong bộ phận đẩy và các bánh răng phụ của tàu thủy, tàu biển và các thiết bị khoan của giàn khoan ở ngoài khơi, có răng thẳng hoặc răng nghiêng và tuân theo các quy tắc về phân loại.
Các công thức đánh giá trong tiêu chuẩn này không áp dụng được cho các loại hư hỏng khác của răng bánh răng như sự biến dạng dẻo, tróc rỗ tế vi, cà mòn, sự nghiền lớp tôi bề mặt, dính răng và mài mòn, và không áp dụng được trong các điều kiện có rung động ở đó có thể có sự phá hủy prôfin răng không dự đoán trước được. Các công thức tính toán độ bền uốn áp dụng cho nứt gãy tại góc lượn của răng nhưng không áp dụng cho nứt, gậy trên các bề mặt làm việc của răng, sự hư hỏng của vành răng hoặc các hư hỏng của phôi bánh răng xuyên qua thân và may ơ. Tiêu chuẩn này không áp dụng cho các răng được gia công tinh bằng rèn hoặc thiêu kết và cũng không áp dụng cho các bánh răng có vết tiếp xúc kém.
Tiêu chuẩn này đưa ra phương pháp nhờ đó có thể so sánh được các thiết kế bánh răng khác nhau. Tiêu chuẩn này không nhằm mục đích bảo đảm tính năng của các hệ thống truyền động bánh răng đã lắp ráp cũng như không sử dụng cho những người làm công việc kỹ thuật phổ thông, mà dự định dành cho sử dụng của người thiết kế bánh răng có kinh nghiệm, có khả năng lựa chọn các giá trị hợp lý cho các hệ số trong các công thức tính toán này dựa trên sự hiểu biết các thiết kế tương tự và sự nhận biết các ảnh hưởng của các hạng mục được thảo luận.
Lưu ý - Người sử dụng cần lưu ý rằng các kết quả tính toán của tiêu chuẩn này cần được xác nhận bằng kinh nghiệm.
2 Tài liệu viện dẫn
Các tài liệu viện dẫn sau là cần thiết cho việc áp dụng tiêu chuẩn này. Đối với các tài liệu viện dẫn ghi năm công bố thì áp dụng bản được nêu. Đối với các tài liệu viện dẫn không ghi năm công bố thì áp dụng phiên bản mới nhất, bao gồm cả các sửa đổi (nếu có).
TCVN 7578-2:2006 (ISO 6336-2:1996), Tính toán khả năng tải của bánh răng thẳng và bánh răng nghiêng - Phần 2: Tính toán độ bền bề mặt (tiếp xúc);
TCVN 7578-3:2006 (ISO 6336-3:1996), Tính toán khả năng tải của bánh răng thẳng và bánh răng nghiêng - Phần 3: Tính toán độ bền uốn của răng;
TCVN 7578-5 (ISO 6336-5), Tính toán khả năng tải của bánh răng thẳng và bánh răng nghiêng - Phần 5: Độ bền và chất lượng của vật liệu;
TCVN 7584:2006 (ISO 54:1996), Bánh răng trụ trong công nghiệp và công nghiệp nặng - Môđun;
TCVN 7585:2006 (ISO 53:1998), Bánh răng trụ trong công nghiệp và công nghiệp nặng - Prôfin răng tiêu chuẩn của thanh răng cơ sở;
TCVN 7677:2007 (ISO 701:1998), Hệ thống ký hiệu quốc tế dùng cho bánh răng - Các ký hiệu về dữ liệu hình học;
ISO 1122-1:1998, Vocabulary of gear terms - Part 1: Definitions related to geometry (Từ vựng của các thuật ngữ bánh răng - Phần 1: Các định nghĩa liên quan đến hình học);
ISO 1328-1:1995, Cylindrical gears - ISO system of accuracy - Part 1: Definitions and allowable values of deviations relevant to corresponding flanks of gear teeth (Bánh răng trụ - Hệ thống độ chính xác ISO - Phần 1: Các định nghĩa và các giá trị cho phép của sai lệch có liên quan tới các sườn răng tương ứng của các răng bánh răng);
ISO 6336-1:1996*), Calculation of load capacity of spur and helical gears - Part 1: Basic principles, introduction and general influence factors (Tính toán khả năng tải của bánh răng thẳng và bánh răng nghiêng - Phần 1: Nguyên lý cơ bản, giới thiệu và các hệ số ảnh hưởng chung);
ISO/TR 10495:1997, Cylindrical gears - Calculation of service life under variable loads - Conditions for cylindrical gears according to ISO 6336 (Bánh răng trụ - Tính toán tuổi thọ làm việc trong điều kiện tải trọng thay đổi - Các điều kiện cho bánh răng trụ tuân theo bộ TCVN 7578 (ISO 6336).
3 Thuật ngữ và định nghĩa
Tiêu chuẩn này áp dụng các thuật ngữ và định nghĩa cho trong ISO 1122-1. Về các ký hiệu, xem Bảng 1.
Bảng 1 - Các ký hiệu và chữ viết tắt sử dụng trong tiêu chuẩn này
| Ký hiệu | Mô tả hoặc thuật ngữ | Đơn vị |
| a | Khoảng cách tâm aa | mm |
| b | Chiều rộng răng | mm |
| bB | Chiều rộng răng của một đường xoắn vít riêng biệt của bánh răng nghiêng chữ V | mm |
| cγ | Giá trị trung bình của độ cứng vững ăn khớp trên một đơn vị chiều rộng răng | N/(mm.μm) |
| c' | Độ cứng vững lớn nhất của răng trong một cặp răng trên một đơn vị chiều rộng răng (độ cứng vững đơn) | N/(mm.μm) |
| d1,2 | Đường kính tham chiếu (vòng chia) của bánh răng bé, bánh răng lớn | mm |
| da1,2 | Đường kính vòng đỉnh răng của bánh răng bé, bánh răng lớn | mm |
| db1,2 | Đường kính vòng cơ sở của bánh răng bé, bánh răng lớn | mm |
| df1,2 | Đường kính vòng chân răng của bánh răng bé, bánh răng lớn | mm |
| dsh | Đường kính danh nghĩa của trục cho tính toán về uốn | mm |
| dshi | Đường kính trong của trục rỗng | mm |
| dw1,2 | Đường kính vòng lăn của bánh răng bé, bánh răng lớn | mm |
| dNa1,2 | Đường kính của một vòng tròn xác định các biên bên ngoài của các mặt bên sử dụng được của răng được vát mép/vê tròn đỉnh | mm |
| fHβ | Sai lệch độ thẳng hàng của răng (không bao gồm sai lệch của dạng đường xoắn vít) | μm |
| fma | Độ không thẳng hàng ăn khớp do các sai lệch chế tạo | μm |
| fpb | Sai lệch bước cơ sở ngang (có thể sử dụng các giá trị fpt cho tính toán phù hợp với ISO 6336-1, khi sử dụng các dung sai tuân theo ISO 1328-1) | μm |
| fsh | Sai lệch đường xoắn vít do các độ lệch đàn hồi | μm |
| gα | Chiều dài đường tiếp xúc | mm |
| h | Chiều cao răng | mm |
| haP | Chiều cao đầu răng của thanh răng cơ sở cho các bánh răng trụ | mm |
| hfP | Chiều cao chân răng của thanh răng cơ sở cho các bánh răng trụ | mm |
| hFe | Cánh tay đòn của mômen uốn cho tác dụng tải trọng tại điểm ngoài cùng của tiếp xúc răng một cặp răng | mm |
| l | Khoảng cách (giữa hai) ổ trục | mm |
| m* | Khối lượng tương đối của bánh răng riêng biệt trên một đơn vị chiều rộng răng có liên quan tới đường tác dụng | kg/mm |
| mn | Môđun pháp | mm |
| mred | Khối lượng thu gọn của cặp bánh răng trên một đơn vị chiều rộng răng có liên quan tới đường tác dụng | kg/mm |
| mt | Môđun ngang | mm |
| n1,2 | Vận tốc quay của bánh răng bé, bánh răng lớn | min-1 |
| nE | Vận tốc cộng hưởng | min-1 |
| pbn | Bước cơ sở pháp | mm |
| pbt | Bước cơ sở ngang | mm |
| pr | Độ lồi của răng | mm |
| q | Lượng dư dự trữ cho gia công tinh mặt bên răng | mm |
| qs | Thông số của rãnh sFn/2ρF | - |
| s | Chiều dày răng | mm |
| sFn | Dây cung chân răng tại tiết diện tới hạn | mm |
| sR | Chiều dày vành răng | mm |
| u | Tỷ số truyềna |u| = |z2/z1)| ≥ 1 | - |
| v | Vận tốc tiếp tuyến (không có chỉ số dưới dòng: tại vòng tham chiếu ≈ vận tốc tiếp tuyến tại vòng chia | m/s |
| vp | Thông số vận tốc | - |
| x1,2 | Hệ số dịch chỉnh prôfin của bánh răng bé, bánh răng lớn | - |
| yα | Lượng dư chạy rà cho một cặp bánh răng | μm |
| yβ | Lượng dư chạy rà (độ không thẳng hàng tương đương) | μm |
| zn | Số răng quy đổi của một bánh răng nghiêng | - |
| z1,2 | Số răng của bánh răng bé, bánh răng lớn | - |
| A | Giá trị phụ cho xác định fsh | mm.μm/N |
| B | Chiều dài răng tổng trong mặt phẳng hướng trục của một bánh răng nghiêng chữ V bao gồm cả khe hở | mm |
| Ca | Cạnh vát đỉnh răng | μm |
| CB | Hệ số thanh răng cơ sở (cùng một thanh răng cho bánh răng bé và bánh răng lớn) | - |
| CR | Hệ số phôi (thân) bánh răng | - |
| E | Môđun đàn hồi, môđun Young | N/mm2 |
| Fm | Tải trọng ngang trung bình tại mặt trụ tham chiếu (mặt trụ chia) (= FtKAKV) | N |
| Ft | Tải trọng ngang (danh nghĩa) tại mặt trụ tham chiếu (mặt trụ chia) | N |
| FtH | Tải trọng ngang xác định tại mặt trụ tham chiếu (mặt trụ chia) (= FtKAKVKHβ) | N |
| Fβ | Sai lệch tổng của đường xoắn vít | μm |
| Fβx | Độ không thẳng hàng tương đương ban đầu (trước chạy rà) | μm |
| Fβy | Độ không thẳng hàng tương đương ban đầu (sau chạy rà) | μm |
| KV | Hệ số động lực học | _ |
| KA | Hệ số ứng dụng | _ |
| KFα | Hệ số tải trọng ngang (ứng suất chân răng) | - |
| KFβ | Hệ số tải trọng bề mặt (ứng suất chân răng) | - |
| KHα | Hệ số tải trọng ngang (ứng suất tiếp xúc) | - |
| KHβ | Hệ số tải trọng bề mặt (ứng suất tiếp xúc) | - |
| Kγ | Hệ số tải trọng ăn khớp (tính đến sự phân bố không đều của tải trọng giữa các ăn khớp răng đối với nhiều đường truyền) | - |
| M1,2 | Các giá trị phụ để xác định ZB, D | - |
| NL | Số chu kỳ | - |
| NS | Hệ số cộng hưởng trong phạm vi cộng hưởng chính | - |
| P | Công suất truyền động | kW |
| Ra | Giá trị độ nhám trung bình đại số (như quy định trong TCVN 5120:2007 (ISO 4287:1997)) | μm |
| Rz | Độ nhám trung bình từ đỉnh đến đáy (như quy định trong TCVN 5120:2007 (ISO 4287:1997)) | μm |
| SF | Hệ số an toàn cho đứt gãy răng | - |
| SF min | Hệ số an toàn nhỏ nhất (đứt gãy răng) | - |
| SH | Hệ số an toàn cho tróc rỗ | _ |
| SH min | Hệ số an toàn nhỏ nhất (tróc rỗ) | _ |
| T1,2 | Mômen xoắn của bánh răng bé, mômen xoắn của bánh răng lớn (danh nghĩa) | Nm |
| YF | Hệ số dạng răng | - |
| YR rel T | Hệ số bề mặt tương đối | - |
| YS | Hệ số hiệu chỉnh ứng suất | - |
| YX | Hệ số cỡ kích thước (răng-chân răng) | - |
| Yβ | Hệ số góc đường xoắn vít (răng-chân răng) | - |
| Yδ rel T | Hệ số độ nhạy tương đối của rãnh | - |
| ZV | Hệ số vận tốc | - |
| ZB, D | Các hệ số tiếp xúc của một cặp răng cho bánh răng bé, cho bánh răng lớn | - |
| ZE | Hệ số đàn hồi |
|
| ZH | Hệ số vùng (miền) | - |
| ZL | Hệ số bôi trơn | - |
| ZR | Hệ số nhám bề mặt ảnh hưởng đến độ bền lâu của bề mặt | - |
| ZW | Hệ số biến cứng khi gia công nguội | - |
| ZX | Hệ số cỡ kích thước (tróc rỗ) | - |
| Zβ | Hệ số góc nghiêng của đường xoắn vít (tróc rỗ) | - |
| Zϵ | Hệ số của tỉ số tiếp xúc (tróc rỗ) | - |
| αn | Góc áp lực pháp | o |
| αt | Góc áp lực ngang | o |
| αwt | Góc áp lực ngang tai mặt trụ lăn | o |
| αP0 | Góc áp lực pháp của thanh răng cơ sở cho các bánh răng trụ | o |
| β | Góc nâng của đường xoắn vít (góc nghiêng của răng) [không có chỉ số dưới dòng - tai mặt trụ tham chiếu (chia)] | o |
| βb | Góc nghiêng của răng trên vòng cơ sở | o |
| ϵα | Tỉ số tiếp xúc ngang | - |
| ϵαn | Tỉ số tiếp xúc quy đổi, tỉ số tiếp xúc ngang của bánh răng quy đổi | - |
| ϵβ | Tỉ số trùng khớp chiều trục (dọc) | - |
| ϵγ | Tỉ số tiếp xúc tổng (ϵγ = ϵα + ϵβ) | - |
| ĸβ | Hệ số đặc trưng cho độ không thẳng hàng tương đương sau chạy rà | - |
| v40,50 | Độ nhớt động ở 40 °C, 50 °C | - |
| vf | Thông số độ nhớt | - |
| ρfP | Bán kính góc lượn chân răng của thanh răng cơ sở cho các bánh răng trụ | mm |
| ρrel | Bán kính cong tương đối | mm |
| ρC | Bán kính cong tương đối tại bề mặt chia | mm |
| ρF | Bán kính góc lượn răng - chân răng tại tiết diện tới hạn | mm |
| σB | Độ bền kéo | N/mm2 |
| σF | Ứng suất răng - chân răng | N/mm2 |
| σF lim | Trị số ứng suất danh nghĩa (uốn) | N/mm2 |
| σFE | Trị số ứng suất cho phép (uốn) = σFlimYST | N/mm2 |
| σFG | Giới hạn ứng suất răng - chân răng | N/mm2 |
| σFP | Ứng suất răng chân răng cho phép | N/mm2 |
| σF0 | Ứng suất răng - chân răng danh nghĩa | N/mm2 |
| σH | Ứng suất tiếp xúc tính toán | N/mm2 |
| σH lim | Trị số ứng suất (tiếp xúc) cho phép | N/mm2 |
| σHG | Trị số ứng suất cho phép thay đổi = σHPSHmin | N/mm2 |
| σHP | Ứng suất tiếp xúc cho phép | N/mm2 |
| σH0 | Ứng suất tiếp xúc danh nghĩa | N/mm2 |
| ω1,2 | Vận tốc góc của bánh răng bé hoặc bánh răng lớn | rad/s |
| a Đối với các cặp bánh răng ăn khớp ngoài a, u, z1 và z2 là dương; đối với các cặp bánh răng ăn khớp trong a, u và z2 là âm với z1 dương. CHÚ THÍCH: 1 N/mm2 = 1 MPa. | ||
4 Ứng dụng
4.1 Thiết kế, các ứng dụng riêng
4.1.1 Quy định chung
Những người làm thiết kế bánh răng phải thấy rằng yêu cầu đối với các ứng dụng khác nhau thay đổi rất lớn. Việc sử dụng các quy trình tính toán của tiêu chuẩn này cho các ứng dụng riêng đòi hỏi phải có sự đánh giá cẩn thận tất cả các xem xét có thể áp dụng được, đặc biệt là:
- Ứng suất cho phép của vật liệu và số lần lặp lại của tải trọng;
- Các hậu quả của bất cứ tỷ lệ phần trăm hư hỏng nào (mức hư hỏng);
- Hệ số an toàn thích hợp.
Các xem xét về thiết kế để ngăn ngừa các hiện tượng đứt gãy bắt nguồn từ các nguyên nhân về ứng suất ở mặt bên răng, sứt mẻ đỉnh răng và các hư hỏng của phôi bánh răng xuyên qua thân hoặc may ơ nên được phân tích bằng các phương pháp thiết kế máy chung.
Bất cứ các thay đổi nào theo các yêu cầu sau phải được đưa vào báo cáo tính toán.
a) Nếu cần có một phương pháp tính toán chính xác hơn hoặc nếu tuân theo các hạn chế trong 4.1 đối với bất cứ lý do không thực tế nào thì phải đánh giá các hệ số có liên quan theo tiêu chuẩn cơ sở hoặc tiêu chuẩn áp dụng khác.
b) Các hệ số thu được từ kinh nghiệm có thể tin cậy được hoặc các dữ liệu thử nghiệm có thể được sử dụng thay cho các hệ số riêng biệt theo tiêu chuẩn này. Về vấn đề này, áp dụng các tiêu chí cho phương pháp A trong ISO 6336-1:1996, 4.1.8.
Về mặt khác, các tính toán đánh giá phải rất phù hợp với tiêu chuẩn này nếu các ứng suất, các hệ số an toàn v.v... đã được phân loại là phù hợp với tiêu chuẩn này.
Có thể áp dụng được tiêu chuẩn này khi phôi bánh răng, các mối nối liên kết trục/may ơ, các trục, ổ trục, thân hộp, các mối nối ren, nền móng và khớp nối trục tuân theo các yêu cầu về độ chính xác, khả năng tải và độ cứng vững tạo thành cơ sở cho tính toán khả năng tải của các bánh răng.
Mặc dù phương pháp mô tả trong tiêu chuẩn này chủ yếu dùng cho các mục đích tính toán lại, bằng phép tính lặp, có thể sử dụng phương pháp này để xác định khả năng tải của các bánh răng. Phép tính lặp được thực hiện bằng lựa chọn một tải trọng và tính toán hệ số an toàn tương ứng đối với sự ăn mòn tróc rỗ, SH1 cho bánh răng bé. Nếu SH1 lớn hơn SHmin, tải trọng sẽ tăng lên, nếu SH1 nhỏ hơn SHmin, tải trọng sẽ giảm đi. Phép tính này được thực hiện tới khi tải trọng được lựa chọn tương ứng với SH1 = SHmin. Sử dụng phương pháp tương tự cho bánh răng lớn (SH2 = SHmin) và cũng cho các hệ số an toàn đối với đứt gãy răng, SF1 = SF2 = SFmin.
4.1.2 Các dữ liệu của bánh răng
Tiêu chuẩn này áp dụng trong phạm vi các yêu cầu bắt buộc sau:
a) Kiểu bánh răng:
- Các bánh răng trụ thân khai răng thẳng, răng nghiêng và các bánh răng nghiêng chữ V ăn khớp ngoài và ăn khớp trong;
- Đối với các bánh răng nghiêng chữ V, giả thiết rằng tải trọng tiếp tuyến tổng được phân bố đều giữa hai đường xoắn vít; nếu tải trọng tiếp tuyến tổng phân bố không đều (ví dụ, do tác dụng của các lực chiều trục bên ngoài) thì phải tính đến đặc điểm này; hai đường xoắn vít được xử lý như hai bánh răng nghiêng đơn lắp song song;
- Truyền động bánh răng hành tinh và truyền động bánh răng khác có nhiều đường truyền.
b) Phạm vi các tỉ số tiếp xúc ngang của các cặp bánh răng trụ răng thẳng và bánh răng nghiêng thực;
- 1,2 < < 2,5 (ảnh hưởng đến c', cγ, KV, KHβ, KFβ, KHα và KFα).
c) Phạm vi các góc nghiêng của răng:
- β nhỏ hơn hoặc bằng 30° (ảnh hưởng đến c', cγ, KV và HHβ).
d) Các thanh răng cơ sở:
- Không hạn chế1).
4.1.3 Phôi bánh răng, vành bánh răng
Tiêu chuẩn này được áp dụng khi sR, chiều dày của vành bánh răng ở bên dưới các chân răng của các bánh răng ăn khớp trong và ăn khớp ngoài > 3,5 mn.
4.1.4 Vật liệu
Vật liệu là các loại thép (có ảnh hưởng đến ZE, σHlim, σFE, KV, KHβ và KFβ). Về các vật liệu và các chữ viết tắt của vật liệu sử dụng trong tiêu chuẩn này, xem Bảng 2. Đối với các vật liệu khác, xem ISO 6336-1, TCVN 7578-2 (ISO 6336-2), TCVN 7578-3 (ISO 6336-3) và TCVN 7578-5 (ISO 6336-5).
Bảng 2 - Vật liệu
| Vật liệu | Chữ viết tắt |
| Thép (σB < 800 N/mm2) | St |
| Thép tôi thể tích (tôi thấu), thép hợp kim hoặc thép cacbon, được tôi thể tích (σB ≥ 800 N/mm2) | V |
| Thép được tăng cứng bề mặt, được xementit hoá | Eh |
| Thép được tôi ngọn lửa hoặc tôi cảm ứng | IF |
| Thép thấm nitơ, được thấm nitơ | NT (nitr) |
| Thép tôi thể tích và tăng cứng bề mặt, được thấm nitơ | NV (nitr) |
| Thép tôi thể tích và tăng cứng bề mặt, được thấm nitơ-cacbon | NV (nitrocarb) |
4.1.5 Bôi trơn
Các quy trình tính toán có hiệu lực đối với các bánh răng được bôi trơn bằng phun dầu hoặc bôi trơn trong thùng dầu khi sử dụng chất bôi trơn đã được nhà sản xuất/thiết kế bánh răng chấp thuận. Tính hiệu lực này tùy thuộc thêm vào điều kiện trong đó tại mọi thời điểm vận hành phải có đủ số lượng chất bôi trơn đã được chấp thuận cho ăn khớp bánh răng. Biện pháp cho làm mát phải bảo đảm cho nhiệt độ bôi trơn không vượt quá các nhiệt độ đã giả thiết dùng cho tính toán (ảnh hưởng tới sự tạo thành màng chất bôi trơn, nghĩa là các hệ số ZL, ZV và ZR).
Với điều kiện là sẵn có đủ chất bôi trơn cho ăn khớp răng, cũng không được loại trừ việc bôi trơn bằng mỡ cho các thiết bị phụ có vận tốc thấp.
4.2 Hệ số an toàn
Cần thiết phải có sự phân biệt giữa hệ số an toàn có liên quan tới ăn mòn tạo thành tróc rỗ, SH và hệ số an toàn có liên quan đến đứt gãy răng SF.
Đối với một ứng dụng đã cho, khả năng tải thích hợp của bánh răng được chứng minh bằng các giá trị tính toán của SH và SF bằng hoặc lớn hơn các giá trị SHmin và SFmin.
Việc lựa chọn giá trị cho một hệ số an toàn nên dựa trên độ tin cậy của các dữ liệu sẵn có và hậu quả của các hư hỏng có thể xảy ra.
Các hệ số quan trọng được xem xét là:
a) Các trị số ứng suất cho phép dùng trong tính toán có hiệu lực đối với một xác suất xảy ra hư hỏng đã cho (các giá trị cho vật liệu trong TCVN 7578-5 (ISO 6336-5) có hiệu lực cho xác suất hư hỏng 1 %).
b) Chất lượng quy định và hiệu quả của kiểm tra chất lượng tại tất cả các giai đoạn chế tạo;
c) Độ chính xác cho các thông số kỹ thuật của chế độ làm việc và các điều kiện bên ngoài;
d) Sự đứt gãy răng thường được xem là mối nguy hiểm lớn hơn so với ăn mòn tạo ra tróc rỗ.
Vì vậy, giá trị được lựa chọn cho SFmin nên lớn hơn giá trị được lựa chọn cho SHmin. Về tính toán hệ số an toàn thực, xem 6.1.5 (SH đối với tróc rỗ) và 7.1.4 (SF đối với đứt gãy răng).
Giá trị nhỏ nhất của các hệ số an toàn nên được thoả thuận giữa khách hàng, nhà sản xuất và cơ quan có thẩm quyền về phân loại.
4.3 Dữ liệu đầu vào
Phải sẵn có các dữ liệu sau cho tính toán:
a) Các dữ liệu về bánh răng:
a, z1, z2, mn, d1, d2, da1, da2, b, x1, x2, αn, β, ,
(xem TCVN 7585:2006 (ISO 54:1996), TCVN 7584:2006 (ISO 54:1996));
b) prôfin gốc của răng thanh răng dùng cho dao cắt răng: ha0, ρa0 (xem TCVN 7585:2006 (ISO 54:1996));
c) Các dữ liệu cho thiết kế và chế tạo:
Ca1, Ca2, fpb, SHmin, SFmin, Ra1, Ra2, Rz1, Rz2;
Các vật liệu, độ cứng của vật liệu và các chi tiết về nhiệt luyện, cấp chính xác của bánh răng, khoảng cách giữa các ổ trục I, vị trí của các bánh răng so với các ổ trục, các kích thước của trục bánh răng bé dsh và khi thích hợp, sự thay đổi đường xoắn vít (độ vồng, cạnh vát đầu mút răng).
d) Các dữ liệu về công suất:
P hoặc T hoặc Ft, n1, v1, các chi tiết về máy dẫn động và được dẫn động.
Có thể tính toán các dữ liệu hình học cần thiết theo các tiêu chuẩn quốc gia hoặc tiêu chuẩn quốc tế.
Thông tin được trao đổi giữa nhà sản xuất và khách hàng nên bao gồm các dữ liệu quy định các ưu tiên về vật liệu, sự bôi trơn, hệ số an toàn và các lực tác dụng từ bên ngoài do rung và quá tải (hệ số ứng dụng).
4.4 Công thức số
Phải sử dụng các đơn vị đã liệt kê trong Điều 3. Thông tin tạo điều kiện dễ dàng cho sử dụng tiêu chuẩn được cho trong Phụ lục C của ISO 6336-1:1996.
5 Hệ số ảnh hưởng
5.1 Quy định chung
Các hệ số ảnh hưởng Kv, KHα, KHβ, KFα và KFβ phụ thuộc hoàn toàn vào tải trọng của răng. Lúc ban đầu, đây là tải trọng tác dụng (tải trọng tiếp tuyến danh nghĩa nhân với hệ số ứng dụng).
Các hệ số cũng là các hệ số độc lập và vì vậy phải được tính toán một cách liên tiếp như sau:
a) KV với tải trọng tiếp tuyến tác dụng FtKA;
b) KHβ hoặc KFβ với tải trọng được tính toán lại FtKAKV;
c) KHα hoặc KFα (phương pháp B) với tải trọng tiếp tuyến tác dụng FtKAKVKHβ
Khi một bánh răng truyền động cho hai hoặc nhiều bánh răng đối tiếp hoặc là bánh răng nghiêng chữ V thì cần thay thế KA bằng KAKγ. Nếu có thể thực hiện được, hệ số tải trọng ăn khớp Kγ nên được ưu tiên xác định bằng phép đo; theo cách khác, có thể đánh giá giá trị của Kγ theo tài liệu sẵn có.
Sự đơn giản hóa tất cả các hệ số ảnh hưởng trong điều này đòi hỏi phải có các giả thiết sau (cũng xem Điều 4):
a) Số răng của bánh răng bé z1 < 50;
b) Các bánh răng có dạng đĩa đặc hoặc có các vành răng nặng.
Khi các chi tiết khác biệt một cách đáng kể so với bất cứ giả thiết nào trong các giả thiết trên, tham khảo ISO 6336-1.
5.2 Tải trọng tiếp tuyến danh nghĩa, Ft, mômen xoắn danh nghĩa, T, công suất danh nghĩa, P
Tải trọng tiếp tuyến danh nghĩa Ft được xác định trong mặt phẳng ngang tại mặt trụ tham chiếu (chia). Tải trọng này dựa trên mômen xoắn đầu vào máy được dẫn động. Đây là mômen xoắn tương ứng với điều kiện làm việc thường xuyên nặng nhọc nhất. Theo cách khác, có thể sử dụng mômen xoắn danh nghĩa có động cơ chính làm cơ sở nếu nó tương ứng với yêu cầu về mômen xoắn của máy được dẫn động hoặc có thể lựa chọn một cơ sở thích hợp khác.
(1)
(2)
(3)
(4)
(5)
5.3 Tải trọng không đều, mômen xoắn không đều, công suất không đều
Khi tải trọng được truyền không đều, nên quan tâm đến không chỉ tải trọng cực đại (tải trọng đỉnh) và số chu kỳ dự tính của nó mà cũng còn quan tâm đến các tải trọng trung gian và các số chu kỳ của chúng. Loại tải trọng này được phân loại như một chu kỳ làm việc và có thể được biểu thị bằng một phổ tải trọng. Trong các trường hợp này, phải quan tâm đến ảnh hưởng của mỏi tích lũy của chu kỳ làm việc trong đánh giá bộ truyền bánh răng. Phương pháp tính toán ảnh hưởng của các tải trọng trong điều kiện này được cho trong ISO/TR 10495.
5.4 Tải trọng tiếp tuyến lớn nhất, Ftmax, mômen xoắn lớn nhất, Tmax, công suất lớn nhất, Pmax
Đây là tải trọng tiếp tuyến lớn nhất, Ftmax (hoặc mômen xoắn tương ứng, Tmax, công suất tương ứng, Pmax) trong phạm vi chế độ làm việc thay đổi. Độ lớn của tải trọng này có thể được giới hạn bởi một khớp nối trục an toàn có độ nhạy thích hợp. Phải biết được Ftmax, Tmax và Pmax khi xác định mức an toàn đối với hư hỏng do tróc rỗ, và đối với sự gãy răng bất ngờ do chất tải tương ứng với giới hạn ứng suất tĩnh (xem 5.5).
5.5 Hệ số ứng dụng, KA
5.5.1 Quy định chung
Hệ số KA điều chỉnh tải trọng danh nghĩa, Ft để bù cho các tải trọng gia tăng của bánh răng từ các nguồn bên ngoài. Các lực bổ sung này phụ thuộc tương đối lớn vào các đặc tính của các máy dẫn động và được dẫn động, cũng như các khối lượng và độ cứng vững của hệ thống, bao gồm các trục và các khớp nối trục được sử dụng trong làm việc.
Khách hàng và nhà sản xuất/thiết kế nên thỏa thuận về giá trị của hệ số ứng dụng với sự nhất trí của cơ quan có thẩm quyền phân loại.
5.5.2 Phương pháp A - Hệ số KA-A
Phải xác định KA trong phương pháp này bằng các phép đo kỹ lưỡng và sự phân tích toàn diện đối với hệ thống, hoặc trên cơ sở kinh nghiệm vận hành có thể tin cậy được trong lĩnh vực ứng dụng có liên quan (xem 5.3).
5.5.3 Phương pháp B - Hệ số KA-B
Nếu không có dữ liệu tin cậy thu được như đã mô tả trong 5.5.2, hoặc ngay từ trước giai đoạn thiết kế ban đầu, có thể sử dụng các giá trị hướng dẫn cho KA như mô tả trong Phụ lục C.
5.6 Hệ số động lực học trong (nội tại), KV
5.6.1 Quy định chung
Hệ số động lực học liên kết tải trọng tổng của răng, bao gồm các ảnh hưởng động lực học bên trong của một hệ "đa cộng hưởng", với tải trọng tiếp tuyến được truyền của răng. Trong tiêu chuẩn này đã sử dụng phương pháp B của ISO 6336-1:1996 cùng với các thay đổi.
Trong quy trình này, giả thiết rằng cặp bánh răng gồm có một khối lượng cơ bản đơn và hệ lò xo gồm có các khối lượng kết hợp của bánh răng bé và bánh răng lớn, và độ cứng vững ăn khớp của các răng tiếp xúc. Cũng giả thiết rằng mỗi cặp bánh răng vận hành như một cặp bánh răng một tầng, nghĩa là bỏ qua ảnh hưởng của các tầng khác trong một hệ bánh răng có nhiều tầng. Giả thiết này chỉ có thể bảo vệ được khi độ cứng vững xoắn (được đo tại bán kính cơ sở của các bánh răng) có trục chung với một bánh răng lớn và một bánh răng bé nhỏ hơn độ cứng vững ăn khớp, về quy trình xử lý các trục rất cứng vững, xem 5.6.3 và Phụ lục B.1.
Các lực gây ra bởi các dao động xoắn của các trục và các khối lượng khớp nối trục không được bao hàm trong KV. Các lực này nên được bao gồm với các lực tác dụng từ bên ngoài khác (ví dụ, với hệ số ứng dụng).
Trong các truyền động nhiều bánh răng ăn khớp, có một vài tần số riêng. Các tần số này có thể cao hơn hoặc thấp hơn tần số riêng của một cặp bánh răng đơn chỉ có một ăn khớp. Khi các bánh răng này vận hành trong phạm vi quá mức tới hạn, nên có sự phân tích bằng phương pháp A. Xem ISO 6336-1:1996, 6.3.1.
Tải trọng riêng cho tính toán KA là (FtKA)/b.
Nếu (FtKA)/b > 100 N/mm thì Fm/b = (FtKA)/b.
Nếu (FtKA)/b ≤ 100 N/mm thì Fm/b =100 N/mm.
Khi tải trọng riêng FtKA/b < 50 N/mm, một rủi ro riêng biệt về dao động sẽ xuất hiện (trong một số trường hợp, có sự tách ly của các prôfin răng làm việc), trên tất cả là đối với các bánh răng trụ răng thẳng hoặc các bánh răng nghiêng có cấp chất lượng thấp vận hành ở vận tốc cao.
5.6.2 Tính toán các thông số yêu cầu cho đánh giá KV
5.6.2.1 Tính toán khối lượng thu gọn, mred
a) Tính toán khối lượng thu gọn, mred của một cặp bánh răng một tầng
(6)
Trong đó
mred Là khối lượng thu gọn của một cặp bánh răng, nghĩa là khối lượng trên một đơn vị chiều rộng răng của mỗi bánh răng có liên quan đến bán kính cơ sở hoặc đường tác dụng.
Là các mômen quán tính cực trên một đơn vị chiều rộng răng;
rb1,2 Là các bán kính cơ sở (= 0,5 db1,2)
b) Tính toán khối lượng thu gọn, mred của một cặp bánh răng nhiều tầng:
Xem B.1.
c) Tính toán khối lượng thu gọn, mred của các bánh răng có kết cấu ít phổ biến
Về thông tin cho các trường hợp sau, xem B.1:
- Trục bánh răng bé có đường kính ở giữa chiều cao răng, dm1, gần bằng đường kính trục;
- Hai bánh răng đồng trục được liên kết cứng vững;
- Các bánh răng hành tinh;
- Các bánh răng trung gian.
5.6.2.2 Xác định tốc độ vận hành cộng hưởng (cộng hưởng chính) của một cặp bánh răng
a) Vận tốc vận hành cộng hưởng, nE1 của bánh răng bé:
tính bằng min-1 (7)
Với cγ từ Phụ lục A.
b) Hệ số cộng hưởng, N
Tỷ số giữa vận tốc của bánh răng bé và vận tốc cộng hưởng, hệ số cộng hưởng N được xác định như sau:
(8)
Vận tốc vận hành cộng hưởng có thể lớn hơn hoặc nhỏ hơn vận tốc vận hành được tính toán từ công thức (8) vì độ cứng vững chưa được bao gồm (ví dụ, độ cứng vững của các trục, các ổ trục và thân hộp) và là kết quả của sự giảm chấn. Vì các lý do an toàn, phạm vi cộng hưởng được xác định như sau:
NS < N ≤ 1,15 (9)
Ở các tải trọng sao cho (FtKA)/b nhỏ hơn 100 N/mm, giới hạn dưới của hệ số cộng hưởng NS được xác định:
- Nếu (FtKA)/b < 100 N/mm thì
(10)
- Nếu (FtKA)/b ≥ 100 N/mm thì
NS = 0,85 (11)
5.6.2.3 Độ chính xác của bánh răng và các thông số chạy rà Bp, Bf, Bk
Bp, Bf và Bk là các thông số không thứ nguyên được sử dụng để tính đến ảnh hưởng của các sai lệch của răng và các thay đổi prôfin răng đến tải trọng động2).
(12)
(13)
(14)
Với
c' Như đã cho trong Phụ lục A;
Ca Giá trị thiết kế cho thay đổi prôfin răng (cạnh vát đỉnh răng tại lúc bắt đầu và kết thúc của ăn khớp răng). Phải thay thế giá trị Cay từ chạy rà cho Ca trong công thức (14) trong trường hợp các bánh răng không có thay đổi prôfin răng được xác định. Có thể thu được Cay từ Bảng 3.
Bước cơ sở hiệu dụng và các sai lệch prôfin là các thông số hiện diện sau chạy rà. Các giá trị fpbeff và ffeff được xác định bằng cách trừ đi các lượng dư chạy rà yp và yf như sau:
fpbeff = fpb1 - yp1 hoặc fpbeff = fpb2 - yp2 (15)
Lấy giá trị lớn hơn
ffeff = ffα1 - yf1 hoặc ff eff = ffα2 - yf2 (16)
Lấy giá trị lớn hơn
5.6.2.4 Lượng dư chạy rà, yα
a) Đối với St, V3)
(17)
(18)
b) Đối với Eh, IF, NT (nitr), NV (nitr), NV (nitrocarb)3)
yp = yα = 0,075fpb (19)
yf = 0,075ffa (20)
5.6.3 Hệ số động lực học trong phạm vi dưới mức tới hạn (N ≤ NS)
Trong phạm vi này, cộng hưởng có thể xảy ra nếu tần số ăn khớp răng trùng với N = 1/2 và N = 1/3. Rủi ro của sự xuất hiện cộng hưởng này tương đối nhỏ trong trường hợp các bánh răng trụ răng thẳng và răng nghiêng chính xác, nếu bánh răng trụ răng thẳng có thay đổi prôfin răng thích hợp (các bánh răng có cấp chính xác 6 hoặc cao hơn theo ISO 1328-1:1995).
Khi tỉ số tiếp xúc của các bánh răng trụ răng thẳng nhỏ hoặc nếu chất lượng thuộc cấp thấp, KV có thể được điều chỉnh lớn như trong phạm vi vận tốc cộng hưởng chính. Nếu xảy ra trường hợp này thì nên thay đổi các thông số thiết kế hoặc vận hành.
Các cộng hưởng ở N = 1/4, 1/5 ít gây ra trục trặc vì các biên độ rung liên hợp thường nhỏ.
Đối với các cặp bánh răng có độ cứng vững của các trục dẫn động và bị dẫn không bằng nhau, trong phạm vi N = 0,2 ... 0,5, tần số tiếp xúc của răng có thể kích thích các tần số riêng khi độ cứng vững xoắn c của trục cứng vững hơn liên quan đến đường tác dụng thuộc cùng một cấp độ lớn như độ cứng vững của răng, nghĩa là, nếu có cùng một cấp độ lớn cγ. Khi xảy ra trường hợp này, các độ tăng (số gia) của tải trọng động có thể vượt quá các giá trị được tính toán theo công thức (21).
KV = (NK) + 1 (21)
K = (CV1Bp) + (CV2Bf) + (CV3Bk) (22)
Trong đó:
CV1 và CV2 là các giá trị cho phép đối với sai lệch bước vào sai lệch prôfin trong khi CV3 là giá trị cho phép đối với thay đổi có chu kỳ của độ cứng vững ăn khớp.
Xem Bảng 3.
Trong trường hợp các bánh răng không có thay đổi prôfin răng theo quy định thì giá trị Cay do chạy rà phải thay thế cho Ca trong công thức (14). Giá trị Cay thu được từ Bảng 3.
Về độ cứng vững đơn của răng c', xem Phụ lục A.
5.6.4 Hệ số động lực học trong phạm vi cộng hưởng chính (NS < N ≤ 1,15)
Các bánh răng nghiêng chất lượng cao có tỉ số tiếp xúc tổng cao có thể vận hành tốt trong phạm vi này. Các bánh răng trụ răng thẳng có cấp chính xác 5 hoặc cao hơn như đã quy định trong ISO 1328-1:1995 phải được thay đổi prôfin răng thích hợp như đã quy định trong ISO 6336-1:1996, 6.4.1 hạng mục b).
Tuân theo yêu cầu trên, hệ số này bằng:
KV = (CV1Bρ) + (CV2Bf) + (CV4Bk) + 1 (23)
Về các thông số C, tham khảo Bảng 3.
5.6.5 Hệ số động lực học trong phạm vi quá mức tới hạn (N ≥ 1,5)
Các giá trị đỉnh của cộng hưởng có thể xảy ra tại N = 2, 3,... trong phạm vi này. Tuy nhiên, trong đa số các trường hợp các biên độ dao động đều nhỏ vì các lực kích thích có các tần số thấp hơn tần số ăn khớp răng thường là nhỏ.
Đối với một số bánh răng trong phạm vi vận tốc này cũng cần phải xem xét đến các tải trọng động do dao động ngang bánh răng và các bộ phận trục. Khi tần số tới hạn gần tới tần số quay và nếu tình huống này không thể tránh được thì cần phải được tính đến trong đánh giá KV.
Tuân theo yêu cầu trên, hệ số này bằng:
KV = (CV5Bp) + (CV6Bf) + CV7 (24)
Về các thông số C, tham khảo Bảng 3.
Bảng 3 - Các công thức cho tính toán các hệ số CV1 đến Cv7 và Cay
|
| 1 < |
|
|
| CV1 | 0,32 | 0,32 |
|
| CV2 | 0,34 | |
|
|
|
|
| |
| CV3 | 0,23 | |
|
| CV4 | 0,90 | |
|
|
|
|
| |
| CV5 | 0,47 | 0,47 |
|
| CV6 | 0,47 | |
|
|
| 1 < | 1,5 < |
|
| Cv7 | 0,75 | 0,125 sin [π( | 1,0 |
| |
|
| |
| CHÚ THÍCH: Khi vật liệu của bánh răng bé (1) khác với vật liệu của bánh răng lớn (2): Cay1 và Cay2 được tính toán tách biệt; sau đó Cay = 0,5(Cay1 + Cay2). | |||
5.6.6 Hệ số động lực học trong phạm vi trung gian (1,15 < N < 1,5)
Trong phạm vi này, hệ số động lực học được xác định bằng nội suy tuyến tính giữa KV tại N = 1,15 như đã quy định trong 5.6.4 và KV tại N = 1,5 như đã quy định trong 5.6.5.
(25)
5.7 Hệ số tải trọng bề mặt, KHβ
5.7.1 Quy định chung
Hệ số tải trọng bề mặt điều chỉnh các ứng suất của răng bánh răng để tính đến các ảnh hưởng của sự phân bố tải trọng không đều trên chiều rộng răng.
Sử dụng các phương pháp C1 và C2 của ISO 6336-1:1996 với các thay đổi trong tiêu chuẩn này.
5.7.2 Hệ số tải trọng bề mặt, KHβ-C1
5.7.2.1 Quy định chung
Việc sử dụng phương pháp C1 thích hợp cho các bánh răng có các đặc điểm sau:
a) Bánh răng bé trên trục đặc hoặc trục rỗng, dshi/dsh < 0,5, được bố trí đối xứng giữa các ổ trục (s/l ≤ 1: xem Hình 2), (một bánh răng bé được bố trí không đối xứng sẽ dẫn đến biến dạng uốn bổ sung phải được đánh giá và cộng vào fma);
b) Đường kính bánh răng bé xấp xỉ bằng đường kính trục;
c) Bánh răng lớn và hộp cứng vững, trục bánh răng lớn cứng vững, các ổ trục cứng vững;
d) Một vết tiếp xúc trong điều kiện có tải kéo dài trên toàn bộ chiều rộng răng;
e) Không có các tải trọng bên ngoài bổ sung tác dụng trên trục bánh răng bé (ví dụ, từ các khớp nối trục);
f) Lượng dư vận hành yβ ≤ yβ lớn nhất như đã quy định trong 5.7.2.3. Có thể kiểm tra xác minh Fβx tính toán theo công thức:
(26)
Nên sử dụng các giá trị fma được xác minh bằng các phép kiểm như vết tiếp xúc của răng ở tư thế làm việc.
Về ứng dụng cho các bánh răng hành tinh, tham khảo Phụ lục B.
5.7.2.2 Độ không thẳng hàng của ăn khớp do các dung sai chế tạo, fma
a) Cụm các bánh răng không có bất cứ sự thay đổi hoặc điều chỉnh nào:
fma=1,0fHβ (27)
b) Các cặp bánh răng có biện pháp điều chỉnh (mài rà hoặc chạy rà dưới tác dụng của tải trọng nhẹ, các ổ trục điều chỉnh được hoặc thay đổi thích hợp góc của đường xoắn vít) và các cặp bánh răng có độ vồng thích hợp:
fma= 0.5fHβ (28)
c) Các cặp bánh răng có cạnh vát đầu răng được thiết kế thích hợp
fma= 0,7fHβ (29)
Đối với một cặp các bánh răng, giá trị lớn hơn trong các giá trị fβ của cặp phải được thay vào các công thức (27) đến (29).
5.7.2.3 Lượng dư chạy rà, yβ, hệ số chạy rà,
Giá trị yβ là giá trị dùng để giảm độ không thẳng hàng tương đương ban đầu bằng chạy rà sau khi bắt đầu vận hành. Trong khi là hệ số đặc trưng cho độ không thẳng hàng tương đương sau chạy rà. Việc sử dụng
trong các tính toán chỉ có hiệu lực với điều kiện là
tỷ lệ với Fβx
a) Đối với St, V:
,
(30)
Với yβ ≤ Fβx và ≥ 0
Khi v ≤ 5 m/s: không có sự hạn chế
Khi 5 m/s < v ≤ 10 m/s: Giới hạn trên của yβ là 25600/σHlim tương ứng với Fβx = 80 μm;
Khi v > 10 m/s: Giới hạn trên của yβ là 12800/σHlim tương ứng với Fβx = 40 μm;
σHlim được quy định trong TCVN 7578-5 (ISO 6336-5).
b) Đối với Eh, IF, NT (nitr.), NV (nitr.):
yβ = 0,15Fβx; = 0,85 (31)
Đối với tất cả các vận tốc, giới hạn trên là yβ = 6 μm, tương ứng với Fβx = 40 μm. Khi vật liệu của bánh răng bé khác với vật liệu của bánh răng lớn, yβ1và đối với bánh răng bé, và yβ2,
đối với bánh răng lớn phải được xác định một cách riêng biệt.
Giá trị trung bình của các giá trị:
(32)
được sử dụng cho tính toán.
5.7.2.4 Xác định hệ số tải trọng bề mặt, KHβ-C1
5.7.2.4.1. Bánh răng có đường xoắn vít không thay đổi
a) Bánh răng trụ răng thẳng và bánh răng nghiêng đơn4)
(33)
b) Bánh răng nghiêng chữ V4) 5)
(34)
5.7.2.4.2 Bánh răng có đường xoắn vít thay đổi
a) Bánh răng trụ răng thẳng và bánh răng nghiêng đơn4)
- Với thay đổi riêng phần đường xoắn vít6) (có bù cho độ lệch xoắn)
(35)
- Với thay đổi hoàn toàn đường xoắn vít (có bù cho độ lệch xoắn và độ lệch uốn):
và KHβ ≥ 1,05 (36)
b) Bánh răng nghiêng chữ V4) 5)
- Với thay đổi riêng phần đường xoắn vít7) (có bù cho độ lệch xoắn và độ lệch uốn):
và KHβ ≥ 1,05 (37)
Tính hiệu lực của các công thức (33) đến (37) phụ thuộc vào sự tuân thủ 5.7.2.1 a) đến f).
5.7.3 Hệ số tải trọng bề mặt, KHβ-C2
5.7.3.1 Quy định chung
Được lấy từ tiêu chuẩn cơ sở, phương pháp này được bố trí sao cho có tính đến các ảnh hưởng đến độ thẳng hàng ăn khớp, các biến dạng đàn hồi của bánh răng bé và các độ không chính xác trong chế tạo.
Phải tính toán KHβ từ độ không thẳng hàng ăn khớp tổng sau chạy rà; Fβy gồm có hai thành phần sau:
- Sai số hệ thống được tính đến bởi fsh (độ không thẳng hàng ăn khớp do độ võng của trục). Sai số này chủ yếu do độ võng của trục gây ra, nhưng về nguyên tắc có thể bao gồm tất cả các sai lệch cơ khí có thể được đánh giá chính xác cả về trị số và chiều.
- Sai số ngẫu nhiên được biểu thị bởi fma (độ không thẳng hàng ăn khớp do dung sai chế tạo). Không thể đánh giá được chiều thực tế và trị số của độ không thẳng hàng do quá trình chế tạo; chỉ có phạm vi của sai số này được giới hạn bởi dung sai chế tạo (có liên quan tới cấp chính xác của bánh răng).
Ứng dụng của hiệu chỉnh đường xoắn vít và độ vồng:
- Hiệu chỉnh đường xoắn vít là sự thay đổi bước dùng để bù cho sai số hệ thống, và mặc dù về mặt lý thuyết có thể áp dụng sự hiệu chỉnh đường xoắn vít để làm cho độ lệch tính toán xứng hợp một cách chính xác với một tải trọng riêng và loại bỏ sự đóng góp của fsh cho KHβ đối với tải trọng riêng biệt này, nhưng trong thực tế, các tải trọng thay đổi và các sai số trong đánh giá fsh đã để lại ảnh hưởng bền vững đến KHβ cần được tính đến;
- Độ vồng là sự thay đổi bước gồm có sự trù tính để bảo vệ tốt nhất chống lại thành phần ngẫu nhiên của độ không thẳng hàng. Vì fma có thể có một chiều cho nên độ vồng cần đối xứng với điểm giữa của chiều rộng răng.
Nên có sự phân tích chính xác và toàn diện hơn phù hợp với ISO 6336-1 nếu thiết kế không tương xứng với các yêu cầu đã liệt kê trong Điều 4 hoặc bất cứ yêu cầu nào trong các yêu cầu sau có ảnh hưởng đáng kể đến độ không thẳng hàng:
- Các biến dạng đàn hồi không do các lực ăn khớp của bánh răng gây ra nhưng do các lực bên ngoài (ví dụ, đai truyền, xích, khớp nối trục);
- Các biến dạng đàn hồi của bánh răng lớn và trục bánh răng lớn;
- Các biến dạng đàn hồi và độ không chính xác trong chế tạo hộp bánh răng;
- Các khe hở và độ lệch của ổ trục;
- Các bố trí khác so với các bố trí trên Hình 2;
- Bất cứ biến dạng nào trong chế tạo hoặc các biến dạng khác chỉ ra sự cần thiết phải có phân tích chi tiết hơn.
Theo phương pháp này, khi tính toán một giá trị KHβ lớn hơn 2,0 thì giá trị thực sẽ thường nhỏ hơn. Tuy nhiên, nếu giá trị tính toán của KHβ lớn hơn 1,5 thì nên xem xét thiết kế (ví dụ, độ cứng vững của trục tăng, thay đổi vị trí của ổ trục đã tăng, độ chính xác của đường xoắn vít được nâng cao).
5.7.3.2 Tính toán KHβ-C2
Tải trọng riêng cho tính toán KHβ là (FtKAKV)/b
Nếu (FtKAKV)/b > 100 N/mm thì Fm/b = (FtKAKV)/b
Nếu (FtKAKV)/b < 100 N/mm thì Fm/b = 100 N/mm
áp dụng khi KHβ ≤ 2 (38)
Với giá trị cγ được lấy từ Phụ lục A.
Lưu ý rằng b là giá trị nhỏ hơn trong các chiều rộng răng của bánh răng bé và bánh răng lớn được đo tại vòng chia. Các cạnh vát hoặc góc lượn của các đầu mút răng được bỏ qua. (Đối với các bánh răng nghiêng chữ V, b = 2bB).
5.7.3.3 Độ không thẳng hàng ăn khớp sau chạy rà, Fβy
Fβy = Fβx - yβ (39)
trong đó:
Fβx Là độ không thẳng hàng ăn khớp trước chạy rà (xem 5.7.4);
yβ Là lượng dư chạy rà (xem 5.7.2.3)
5.7.4 Độ không thẳng hàng ăn khớp trước chạy rà, Fβx
Độ không thẳng hàng ăn khớp trước chạy rà, Fβx là giá trị tuyệt đối của tổng số của các sai lệch chế tạo và các độ lệch của bánh răng bé và độ võng của trục được đo trong mặt phẳng tác dụng.
Đối với các cặp bánh răng không kiểm tra vị trí thuận lợi của vết tiếp xúc8)
Fβx = 1,33B1fsh + B2fma (40)
Với B1 và B2 được lấy từ Bảng 4.
Đối với các cặp bánh răng có kiểm tra vị trí thuận lợi của vết tiếp xúc (ví dụ bằng điều chỉnh các ổ trục):
Fβx = |1,33B1fsh - fHβ5| (41)
Trong đó:
fHB5 Là sai lệch lớn nhất của độ dốc đường xoắn vít cho cấp chính xác 5 của ISO (xem ISO 1328-1:1995).
Bằng cách trừ đi fHβ5 sẽ tạo ra lượng dư để bù cho biến dạng đàn hồi và các sai lệch chế tạo.
Bảng 4 - Các hằng số cho sử dụng công thức (40)
| Số | Thay đổi đường xoắn vít | Hằng số công thức | ||
| Kiểu | Giá trị | B1 | B2 | |
| 1 | Không | - | 1 | 1 |
| 2 | Chỉ có độ vồng ở bụng | Cβ = 0,5 fmaa | 1 | 0,5 |
| 3 | Chỉ có độ vồng ở giữa | Cβ = 0,5(fma +fsh)a | 0,5 | 0,5 |
| 4b | Chỉ hiệu chỉnh đường xoắn vít | Dạng hiệu chỉnh được tính toán để phù hợp với mômen xoắn phân tích | 0,1c | 1,0 |
| 5 | Hiệu chỉnh đường xoắn vít cộng với độ vồng giữa | Trường hợp 2 cộng với trường hợp 4 | 0,1c | 0,5 |
| 6 | Cạnh vát đầu mút răng | Giá trị thích hợp CI(II) xem Phụ lục D | 0,7 | 0,7 |
| a Về độ vồng thích hợp, Cβ, xem Phụ lục D. b Phần lớn được áp dụng cho các ứng dụng có các điều kiện tải trọng không đổi. c Có hiệu lực cho quy trình chế tạo tốt nhất, nếu không, các giá trị cao hơn là thích hợp. | ||||
5.7.4.1 Giá trị nhỏ nhất cho KHβ-C2
Đối với các cặp bánh răng không có hiệu chỉnh đường xoắn vít hoặc độ vồng, giá trị nhỏ nhất của KHβ là 1,25; đối với các cặp bánh răng có hiệu chỉnh đường xoắn vít một cách thích hợp và độ vồng, giá trị nhỏ nhất của KHβ là 1,10. Phải kiểm tra vị trí thuận lợi của vết tiếp xúc.
| Hình | Vị trí của vết tiếp xúc | Xác định Fβx |
| a) | Vết tiếp xúc nằm về phía giữa khoảng cách các ổ trục
| Fβx phù hợp với công thức (41) (bù) |
| b) | Vết tiếp xúc nằm cách xa điểm giữa khoảng cách các ổ trục
| Fβx phù hợp với công thức (40) (tăng thêm) |
| c) | Vết tiếp xúc nằm về phía giữa khoảng cách các ổ trục
| Fβx phù hợp với công thức (40) Fβx phù hợp với công thức (41)
|
| d) | Vết tiếp xúc nằm cách xa điểm giữa khoảng cách các ổ trục
| Fβx phù hợp với công thức (41)
Fβx phù hợp với công thức (41)
|
| e) | Vết tiếp xúc nằm về phía khoảng cách các ổ trục
| Fβx phù hợp với công thức (40) (tăng thêm) |
| f) | Vết tiếp xúc nằm cách xa khoảng cách các ổ trục
| Fβx phù hợp với công thức (41) (bù) |
| CHÚ THÍCH: Các hình a) tới d) chỉ ra các bố trí lắp ráp phổ biến nhất với bánh răng bé ở giữa các ổ trục. Các Hình e) tới f) chỉ ra bánh răng bé được lắp công xôn. T* Đầu mút có mômen xoắn vào hoặc ra, không phụ thuộc vào chiều quay. B* B* = 1 đối với các bánh răng trụ răng thẳng và bánh răng nghiêng đơn; B* = 1,5 đối với các bánh răng nghiêng chữ V, cường độ tải trọng tối đa (đỉnh) xảy ra trên đường xoắn vít gần với đầu mút chịu tác động của mômen xoắn. | ||
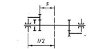
Hình 1 - Các quy tắc để xác định Fβx đối với vị trí vết tiếp xúc
| Hệ số K’ | Hình | Bố trí | ||
| Có | Không | |||
| Tăng cứng vữnga | ||||
| 0,48 | 0,8 | a) | với s/l < 0,3
| |
| -0,48 | -0,8 | b) | với s/l < 0,3
| |
| 1,33 | 1,33 | c) | với s/l < 0,3
| |
| -0,36 | -0,6 | d) | với s/l < 0,3
| |
| -0,6 | -1,0 | e) | với s/l < 0,3
| |
| a Khi d1/dsh ≥ 1,5, độ cứng vững được giả thiết là tăng lên; khi d1/dsh < 1,15, độ cứng vững không tăng, không có bất cứ sự tăng cứng vững nào khi một bánh răng bé trượt trên một trục và then dẫn hướng hoặc phụ tùng tương tự hoặc khi có lắp ép nóng thông thường. T* Đầu mút có mômen xoắn vào hoặc ra, không phụ thuộc vào chiều quay. Đường gạch chỉ ra đường xoắn vít bị biến dạng của một bánh răng nghiêng chữ V. Xác định fsh từ đường kính ở các khe hở của truyền động bánh răng nghiêng chữ V được lắp ở điểm giữa khoảng cách các ổ trục. | ||||
Hình 2 - Hằng số K' để thay vào các công thức (42) và (43) cho tính toán fsh
5.7.4.2 Độ không thẳng hàng tương đương, fsh
Đối với bánh răng trụ răng thẳng và bánh răng nghiêng đơn:
(42)
Tính toán fsh cho các bánh răng nghiêng chữ V có liên quan tới đường xoắn vít ở gần nhất với đầu mút trục bị dẫn hoặc dẫn tải trọng.
(43)
Trong đó:
b = 2bB;
bB là chiều rộng của một đường xoắn vít.
Trong các công thức (42) và (43), K', s và I tuân theo Hình 2.
Trong Hình 2, các bánh răng bé được chỉ ra bằng đường gạch chỉ thị các đường xoắn vít của các bánh răng nghiêng chữ V có giá trị fsh nhỏ hơn và lắp ép nóng thông thường (đối với một lắp ép nóng thông thường, ảnh hưởng của gối đỡ được bỏ qua). Đường kính chân răng phải lớn hơn một chút so với đường kính trục.
5.7.4.3 Độ không thẳng hàng do độ không chính xác trong chế tạo, fma
Độ không thẳng hàng do các độ không chính xác chế tạo fma bằng dung sai của đường xoắn vít fHβ:
fma = fHβ (44)
Nên sử dụng giá trị lớn hơn của bánh răng lớn và bánh răng bé.
CHÚ THÍCH: Về mặt lý thuyết, các dung sai chế tạo của bánh răng bé, bánh răng lớn và độ thẳng hàng của trục có thể dẫn đến trường hợp xấu nhất cho nên cần kiểm tra sự phân bố thích hợp của tải trọng, ví dụ, bằng kiểm tra vết tiếp xúc.
5.8 Hệ số tải trọng bề mặt, KFβ
(45)
a) Nếu b/h ≥ 3 thì
(46)
b) Nếu b/h < 3 thì
NF = 0,6923 (47)
Trong đó
b Là giá trị nhỏ hơn của chiều rộng răng của bánh răng bé và bánh răng lớn đo được ở các vòng chia. Các cạnh vát hoặc góc lượn của các đầu mút răng được bỏ qua. Đối với các bánh răng nghiêng chữ V, chiều rộng của một đường xoắn vít bB phải được thay thế.
h Là chiều cao răng tính từ đỉnh răng tới chân răng h = (da - df)/2.
5.9 Hệ số tải trọng ngang, KHα, KFα
5.9.1 Quy định chung
Các hệ số tải trọng ngang tính đến ảnh hưởng của sự phân bố tải trọng ngang không đều giữa một vài cặp răng bánh răng tiếp xúc đồng thời như sau: KHα đối với ứng suất bề mặt, và KFα đối với ứng suất ở chân răng. Cần áp dụng phương pháp B của ISO 6336-1:1996.
5.9.2 Xác định các hệ số tải trọng ngang
Các công thức (48) và (49) dựa trên giả thiết rằng các sai lệch bước cơ sở thích hợp cho độ chính xác của bánh răng đã quy định được phân bố xung quanh chu vi của bánh răng bé và bánh răng lớn vì phù hợp với quy trình kỹ thuật chế tạo bình thường. Không áp dụng các công thức này khi các răng bánh răng được thay đổi có chủ định.
Trong các công thức sau sử dụng cγ từ Phụ lục A và yα từ 5.9.4.
- Đối với các bánh răng có tỉ số tiếp xúc tổng ≤ 2:
(48)
- Đối với các bánh răng có tỉ số tiếp xúc tổng > 2:
(49)
Trong các công thức (48) và (49), sử dụng giá trị lớn hơn của (fpb - yα1) và (fpb - yα2).
5.9.3 Điều kiện giới hạn cho KHα và KFα
Khi, phù hợp với các công thức (48) và (49), và
Khi KHα = KFα > , thì đối với KHα và KFα thay thế
, (50)
Và khi KHα < 1,0 và tương ứng với KFα <1,0 thì thay thế KHα và KFα bằng giá trị giới hạn 1,0.
Nên lựa chọn độ chính xác của các bánh răng nghiêng sao cho KHα và KFα không lớn hơn. Hệ quả là có thể cần thiết phải giới hạn các dung sai sai lệch bước cơ sở của các bánh răng có cấp chất lượng thấp.
5.9.4 Lượng dư chạy rà, yα
a) Đối với St, V:
(51)
- Nếu v ≤ 5 m/s, không có sự hạn chế;
- Nếu 5 m/s < v < 10 m/s, giới hạn trên của yα = 12800/σHlim tương ứng với fpb < 80 μm;
- Nếu v > 10 m/s, giới hạn trên của yα = 6400/σHlim, tương ứng với fpb < 40 μm.
b) Đối với Eh, IF, NT (nitr.) et NV (nitr.):
yα = 0.075fpb (52)
Đối với tất cả các vận tốc có sự hạn chế giới hạn trên của yβ = 3 μm, tương ứng với fpb = 40 μm.
6 Tính toán độ bền lâu bề mặt (tróc rỗ)
6.1 Công thức cơ bản
6.1.1 Quy định chung
Tính toán độ bền lâu của bề mặt dựa trên ứng suất tiếp xúc σH tại điểm ăn khớp hoặc tại điểm bên trong (thấp nhất) của tiếp xúc một cặp răng. Phải sử dụng giá trị lớn hơn trong hai giá trị thu được để xác định khả năng của độ bền lâu bề mặt. Ứng suất tiếp xúc σH và ứng suất tiếp xúc cho phép σHP phải được tính toán tách biệt cho bánh răng lớn và bánh răng bé; σH phải ≤ σHp.
6.1.2 Xác định ứng suất tiếp xúc, σH cho bánh răng bé
Ứng suất tiếp xúc σH cho bánh răng bé được tính toán như sau:
(53)
Với
(sử dụng dấu âm cho các bánh răng ăn khớp trong) (54)
Trong đó:
σH0 Là ứng suất tiếp xúc danh nghĩa tại điểm ăn khớp; đây là ứng suất được tạo ra trong ăn khớp răng không có vết nứt (không có sai số) bởi tác dụng của mômen tĩnh danh nghĩa;
b Là chiều rộng răng (đối với bánh răng nghiêng chữ V, b = 2bB) và giá trị b của các bánh răng đối tiếp là giá trị nhỏ hơn của các chiều rộng răng tại các vòng chia của bánh răng bé và bánh răng lớn, khi bỏ qua bất cứ cạnh vát ngang hoặc góc lượn đầu mút răng có chủ định nào, không bao gồm các phần không được tôi của các prôfin răng bánh răng được tôi bề mặt hoặc các vùng chuyển tiếp;
ZB Là hệ số tiếp xúc của một cặp răng cho bánh răng bé (xem 6.2).
6.1.3 Xác định ứng suất tiếp xúc, σH cho bánh răng lớn
Ứng suất tiếp xúc σH cho bánh răng lớn được tính toán như sau:
(55)
Trong đó:
ZD Là hệ số tiếp xúc của một cặp răng đối với bánh răng lớn (xem 6.2).
Tải trọng tiếp tuyến tổng trong trường hợp các truyền động bánh răng có nhiều đường truyền, các hệ thống bánh răng hành tinh hoặc các truyền động bánh răng ghép không được phân bố hoàn toàn đều trên các cặp bánh răng riêng (phụ thuộc vào thiết kế, vận tốc tiếp tuyến và độ chính xác chế tạo). Đặc điểm này phải được tính đến bằng cách thay thế KγKA cho KA trong công thức (53) và công thức (55) để điều chỉnh tải trọng tiếp tuyến trung bình cho mỗi ăn khớp răng khi cần thiết, xem Điều 5.
6.1.4 Xác định ứng suất tiếp xúc cho phép, σHP đối với tuổi thọ dài
Trong tiêu chuẩn này sử dụng phương pháp B của TCVN 7578-2:2006 (ISO 6336-2:1996).
(56)
Phải thu được ứng suất tiếp xúc cho phép (tuổi thọ dài) từ công thức (56) với các hệ số ảnh hưởng σHlim, SHmin, ZL, ZV, ZR, ZW và ZX được tính toán theo tiêu chuẩn này. Tuy nhiên, theo TCVN 7578-2 (ISO 6336-2), các giá trị của σHlim có hiệu lực đối với số chu kỳ tải trọng NL = 5 × 107 (đối với St, V, Eh) hoặc số chu kỳ tải trọng 2 × 106 (đối với IF, NT (nitr.), NV (nitr.), NV (nitrocar.)]. Số chu kỳ tải trọng này có thể bị vượt quá trong tuổi thọ của một bánh răng trong ngành hàng hải. Nếu không xảy ra trường hợp này, cần tham khảo TCVN 7578-2 (ISO 6336-2) về phạm vi tuổi thọ giới hạn. Hơn nữa, các giá trị của σHPref thu được từ công thức (56) có thể thay thế cho σHP, các điều kiện tối ưu đã cho, vật liệu, bôi trơn, chế tạo và kinh nghiệm; theo cách khác, các giá trị của σHP thu được đối với chất lượng vật liệu MQ theo TCVN 7578-5 (ISO 6336-5) khi sử dụng công thức (57):
Đối với St, V, Eh:
(57)
Đối với IF, NT (nitr.), NV (nitr.), NV (nitrocar):
6.1.5 Hệ số an toàn đối với độ bền lâu bề mặt, SH
Phải tính toán SH riêng biệt cho bánh răng bé và bánh răng lớn:
(58)
Với σHG đối với độ bền lâu tuân theo công thức (57): σH phải phù hợp với công thức (53) cho bánh răng bé, và phù hợp với công thức (55) cho bánh răng lớn (xem 6.1.1).
CHÚ THÍCH: Đây là hệ số an toàn tính toán về mặt ứng suất tiếp xúc (áp suất Hertz). Hệ số tương ứng có liên quan đến khả năng chịu mômen xoắn bằng bình phương của SH.
Về hệ số an toàn nhỏ nhất đối với độ bền lâu bề mặt, SH min, và xác suất hư hỏng, xem 4.1.3 của ISO 6336-1:1996.
6.2 Các hệ số tiếp xúc của một cặp răng, ZB, ZD
Khi ZB > 1 hoặc ZD > 1, sử dụng các hệ số ZB và ZD để biến đổi ứng suất tiếp xúc tại điểm ăn khớp của các bánh răng trụ răng thẳng thành ứng suất tiếp xúc tại giới hạn bên trong (thấp nhất) của tiếp xúc một cặp răng của bánh răng bé hoặc bánh răng lớn. Xem 6.1.1.
a) Bánh răng ăn khớp trong
ZD luôn luôn được lấy bằng đơn vị
b) Bánh răng trụ răng thẳng
Xác định M1 [thương số của ρrel C tại điểm ăn khớp và ρrel B tại giới hạn bên trong (điểm thấp nhất) của tiếp xúc một cặp răng của bánh răng bé] và M2 (thương số của ρrel C và ρrel D của bánh răng lớn) như sau:
(59)
(60)
Về tính toán tỉ số tiếp xúc prôfin răng , xem 6.5.2).
Nếu M1 > 1 thì ZB = M1; nếu M1 ≤ 1 thì ZB = 1,0.
Nếu M2 > 1 thì ZD = M2; nếu M2 ≤ 1 thì ZD = 1,0.
c) Bánh răng nghiêng có ≥ 1
ZB = ZD = 1
d) Bánh răng nghiêng có < 1
ZB và ZD được xác định bằng nội suy tuyến tính giữa các giá trị cho truyền động bánh răng trụ răng thẳng và răng nghiêng với ≥ 1:
ZB = M1 - (M1 - 1); ZB ≥1
ZD = M2 - (M2 - 1); ZD ≥1 (61)
Nếu ZB hoặc ZD được đặt là đơn vị, các ứng suất tiếp xúc tính toán theo các công thức (53) hoặc (55) là các giá trị cho ứng suất tiếp xúc tại mặt trụ lăn.
Các công thức trong 6.2 áp dụng cho tính toán ứng suất tiếp xúc khi điểm ăn khớp nằm trên đường tiếp xúc. Nếu điểm ăn khớp là yếu tố quyết định và nằm ngoài đường tiếp xúc thì ZB và/hoặc ZD hoặc cả hai phải được xác định đối với tiếp xúc tại vòng đỉnh liền kề. Đối với các bánh răng nghiêng khi nhỏ hơn 1,0, phải xác định ZB và ZD bằng nội suy tuyến tính giữa các giá trị (được xác định tại điểm ăn khớp hoặc tại vòng đỉnh liền kề khi thích hợp) cho các bánh răng trụ răng thẳng và các bánh răng trụ răng nghiêng có
≥ 1.
6.3 Hệ số vùng, ZH
Hệ số vùng ZH giải thích cho sự ảnh hưởng đến áp suất Heztz của độ cong prôfin rằng tại điểm ăn khớp và sự biến đổi lực tiếp tuyến tại mặt trụ tham chiếu thành lực pháp tuyến tại mặt trụ lăn
(62)
6.4 Hệ số đàn hồi, ZE
Hệ số đàn hồi ZE tính đến các ảnh hưởng của đặc tính vật liệu E (môđun đàn hồi) và v (hệ số Poisson) đến ứng suất tiếp xúc. Vì tiêu chuẩn này chỉ áp dụng cho các bánh răng bằng thép cho nên ZE là cố định
ZH = 189,8 (63)
6.5 Hệ số của tỉ số tiếp xúc Zϵ
6.5.1 Quy định chung
Hệ số của tỉ số tiếp xúc tính đến ảnh hưởng của tiếp xúc ngang và tỉ số trùng khớp đến khả năng tải bề mặt của các bánh răng trụ.
a) Bánh răng trụ răng thẳng
(64)
Giá trị bảo toàn = 1,0 có thể lựa chọn được cho các bánh răng trụ răng thẳng có tỉ số tiếp xúc nhỏ hơn 2,0.
b) Bánh răng nghiêng
Nếu < 1, thì
(65)
Nếu > 1, thì:
(66)
6.5.2 Tỉ số tiếp xúc ngang,
= gα/pbt (67)
Với chiều dài đường tiếp xúc
(68)
Và bước cơ sở ngang:
pbt = mtπcosαt (69)
Dấu dương được dùng cho các bánh răng ăn khớp ngoài, dấu âm cho các bánh răng ăn khớp trong.
Công thức (69) chỉ có hiệu lực nếu đường tiếp xúc được giới hạn có hiệu lực bằng vòng đỉnh răng của bánh răng bé động và bánh răng lớn và không có hiệu lực, ví dụ như, đối với các prôfin răng có cắt chân răng.
6.5.3 Tỉ số trùng khớp (dọc),
(70)
Về định nghĩa cho chiều rộng răng, xem 6.1.2.
6.6 Hệ số góc của đường xoắn vít, Zβ
Hệ số góc của đường xoắn vít, Zβ tính đến ảnh hưởng đến ứng suất bề mặt của góc đường xoắn vít.
(71)
6.7 Trị số ứng suất cho phép (tiếp xúc), σHlim
TCVN 7578-5 (ISO 6336-5) cung cấp thông tin về các vật liệu thông dụng cho bánh răng, các phương pháp nhiệt luyện và ảnh hưởng của chất lượng bánh răng đến các giá trị đối với trị số ứng suất cho phép σHlim thu được từ các kết quả thử của các bánh răng kiểu tham chiếu tiêu chuẩn.
Về các yêu cầu liên quan đến vật liệu và nhiệt luyện cho các chất lượng ML, MQ, ME và MX, cũng xem TCVN 7578-5 (ISO 6336-5). Phải lựa chọn chất lượng vật liệu MQ cho các bánh răng trong ngành hàng hải, trừ khi có thỏa thuận khác.
6.8 Ảnh hưởng đến sự tạo thành màng bôi trơn, ZL, ZV và ZR
6.8.1 Quy định chung
Như đã mô tả trong TCVN 7578-2 (ISO 6336-2), ZL giải thích ảnh hưởng của độ nhớt danh nghĩa của chất bôi trơn, ZV, ảnh hưởng của các vận tốc mặt bên răng và ZR giải thích ảnh hưởng của nhám bề mặt đến sự tạo thành màng chất bôi trơn trong vùng tiếp xúc. Phương pháp B của TCVN 7578-2:2006 (ISO 6336-2:1996) được sử dụng trong tiêu chuẩn này.
Phải xác định các hệ số cho vật liệu mềm hơn khi độ cứng của các bánh răng ăn khớp khác nhau.
6.8.2 Hệ số bôi trơn, ZL
Có thể tính toán ZL theo các công thức (72) đến (75):
(72)
a) Nếu σHlim < 850 N/mm2, thì
CZL = 0,83 (73)
b) Nếu 850 N/mm2 ≤ σHlim ≤ 1200 N/mm2, thì
(74)
c) nếu σHlim > 1200 N/mm2, thì
CZL = 0,91 (75)
Theo cách khác, có thể tính toán ZL từ công thức (76):
ZL = CZL + 4(1,0 - CZL)νf (76)
Trong đó
νf = 1/(1,2 + 80ν50)2
Khi sử dụng các thông số độ nhớt từ Bảng 5.
Bảng 5 - Các thông số độ nhớt
| Cấp độ nhớt ISO | VG 32a | VG 46a | VG 68a | VG 100 | VG 150 | VG 220 | VG 320 | |
| Độ nhớt danh nghĩa | 32 | 46 | 68 | 100 | 150 | 220 | 320 | |
| ν40 | mm2/s | |||||||
| ν50 | mm2/s | 21 | 30 | 43 | 61 | 89 | 125 | 180 |
| Thông số độ nhớt | 0,040 | 0,067 | 0,107 | 0,158 | 0,227 | 0,295 | 0,370 | |
| νf |
|
|
|
|
|
|
| |
| a Chỉ đối với truyền động có vận tốc cao. |
|
|
|
|
| |||
6.8.3 Hệ số vận tốc, ZV
Có thể tính toán ZV theo các công thức (77) và (78):
(77)
Trong đó
CZv = CZL + 0,02 (78)
Về các giá trị của CZL, xem các công thức (73) đến (75)
Theo cách khác, có thể tính toán ZV theo công thức (79):
ZV = CZV + 2(1,0 - CZV)vP (79)
Trong đó thông số vận tốc vP = 1/(0,8 + 32/v)0,5
6.8.4 Hệ số nhám bề mặt, ZR
6.8.4.1 Tính toán ZR
Có thể tính toán ZR theo các công thức sau:
(80)
Trong đó:
(81)
6.8.4.2 Giá trị độ nhám
(82)
Rz1,2 được đo trên một vài prôfin răng. Phải xác định độ nhám trung bình RZ1 (cho prôfin bánh răng bé) và độ nhám trung bình RZ2 (cho prôfin bánh răng lớn) đối với trạng thái bề mặt sau chế tạo của chúng, bao gồm cả bất cứ sự xử lý chạy rà nào được đặt kế hoạch cho quá trình chế tạo, đưa vào vận hành hoặc trong vận hành, khi để bảo đảm an toàn, quá trình chạy rà sẽ phải xảy ra. Nếu độ nhám đã công bố là một giá trị Ra (= giá trị CLA; = giá trị AA), có thể sử dụng phép tính gần đúng sau để chuyển đổi.
Ra = CLA = AA = (83)
(84)
(85)
Trong đó:
ρ1,2= 0,5db1,2tgαt (86)
(Cũng áp dụng được cho các bánh răng ăn khớp trong, db, sau đó lấy dấu âm).
6.8.4.3 Chỉ số phụ thuộc vật liệu, CZR
a) Nếu σHlim < 850 N/mm2, thì
CZR = 0,15 (87)
b) Nếu 850 N/mm2 ≤ σHlim ≤ 1200 N/mm2, thì
CZR = 0,32 - 0,0002σHlim (88)
c) Nếu σHlim > 1200 N/mm2, thì
CZR = 0,08 (89)
6.9 Hệ số biến cứng khi gia công, ZW
Như đã mô tả trong TCVN 7578-2 (ISO 6336-2), hệ số biến cứng khi gia công, Zw tính đến độ bền lâu bề mặt tăng lên do ăn khớp của một bánh răng lớn bằng thép (thép kết cấu, thép được tôi thể tích) với một bánh răng bé cứng hơn một cách đáng kể (≈ 200HV hoặc lớn hơn) so với bánh răng lớn và có các mặt bên răng nhẵn bóng (RZ < 6 μm, nếu không, các ảnh hưởng của mài mòn không được bao gồm trong tiêu chuẩn này). Áp dụng phương pháp B của TCVN 7578-2:2006 (ISO 6336-2:1996) như sau:
Nếu HB < 130 thì
ZW=1,2 (90)
Nếu 130 ≤ HB ≤ 470, thì
(91)
Nếu HB > 470 thì
ZW = 1,0 (92)
Trong đó HB là độ cứng Brinell của các sườn răng của bánh răng mềm hơn của cặp bánh răng.
6.10 Hệ số cỡ kích thước, ZX
ZX có tính đến số liệu thống kê đã chỉ ra rằng các mức ứng suất tại đó hư hỏng do mỏi sinh ra sẽ giảm đi cùng với việc tăng cỡ kích thước của bộ phận (số lượng lớn hơn của các điểm yếu trong kết cấu), là hậu quả của ảnh hưởng đến các khuyết tật bên dưới bề mặt có các giađien ứng suất nhỏ hơn đã xảy ra (phân tích ứng suất lý thuyết) và ảnh hưởng của cỡ kích thước đến chất lượng vật liệu (ảnh hưởng đến quá trình rèn, các thay đổi trong cấu trúc, v.v...). Các thông số ảnh hưởng quan trọng là:
a) Chất lượng vật liệu (sự nạp liệu vào lò, độ sạch, rèn);
b) Nhiệt luyện, chiều sâu biến cứng, sự phân bố của lớp biến cứng;
c) Bán kính cong của mặt bên răng;
d) Môđun: trong trường hợp tôi bề mặt, chiều sâu của lớp biến cứng so với cỡ kích thước của răng ảnh hưởng đỡ của lõi).
Đối với các bánh răng được tôi thể tích và đối với các bánh răng được tôi bề mặt với chiều sâu của lớp tôi bề mặt thích hợp so với cỡ kích thước của răng và các bán kính cong tương đối, hệ số cỡ kích thước ZX được lấy bằng 1,0.
7 Tính toán độ bền uốn của răng
7.1 Công thức cơ bản
7.1.1 Quy định chung
Như đã quy định trong TCVN 7578-3 (ISO 6336-3), ứng suất kéo lớn nhất tại chân răng không thể vượt quá ứng suất uốn cho phép đối với vật liệu. Đây là cơ sở cho đánh giá độ bền uốn của các răng bánh răng.
Phải tính toán tách biệt ứng suất uốn thực ở chân răng σF và ứng suất uốn cho phép σFP cho bánh răng bé và bánh răng lớn; σF phải nhỏ hơn σFP.
7.1.2 Xác định ứng suất uốn ở chân răng, σF
Tiêu chuẩn này sử dụng phương pháp B của TCVN 7578-3:2006 (ISO 6336-3:1996).
Tính toán ứng suất uốn ở chân răng như sau:
σF = σF0KAKVKFβKFα ≤ σFP (93)
Với
(94)
Trong trường hợp các truyền động bánh răng có nhiều đường truyền, các hệ thống bánh răng hành tinh hoặc các truyền động bánh răng của đường truyền ghép, tải trọng tiếp tuyến tổng không hoàn toàn phân bố đều trên các ăn khớp răng riêng (phụ thuộc vào thiết kế, vận tốc tiếp tuyến và độ chính xác chế tạo). Đặc điểm này phải được tính đến bằng cách thay kế KγKA cho KA trong công thức (93) để điều chỉnh tải trọng tiếp tuyến trung bình cho mỗi ăn khớp răng khi cần thiết (xem Điều 5).
Khi chiều rộng răng b (đối với bánh răng nghiêng chữ V, b = 2bB) lớn hơn chiều rộng răng của bánh răng đối tiếp, độ bền uốn của các răng phải dựa trên chiều rộng răng nhỏ hơn cộng với một chiều dài không vượt quá một môđun của bất cứ phần kéo dài nào tại mỗi đầu mút. Tuy nhiên, nếu biết trước rằng, do có độ vồng hoặc cạnh vát ở đầu mút răng, sự tiếp xúc không kéo dài tới đầu mút của mặt răng thì phải sử dụng chiều rộng răng nhỏ hơn, cho cả bánh răng bé và bánh răng lớn. Chiều rộng răng b là chiều rộng răng tại mặt trụ chân răng của bánh răng.
7.1.3 Xác định ứng suất cho phép ở chân răng, σFP
(95)
Theo TCVN 7578-3 (ISO 6336-3), các giá trị σFlim và σFE có hiệu lực đối với số chu kỳ tải trọng NL = 3 × 106. Số chu kỳ tải trọng này có thể bị vượt quá trong tuổi thọ của bánh răng trong ngành hàng hải. Nếu không xảy ra trường hợp này, cần tham khảo TCVN 7578-3 (ISO 6336-3) đối với phạm vi tuổi thọ giới hạn. Hơn nữa, các giá trị σHPrel thu được từ công thức (95) có thể được thay thế cho σFP, các điều kiện tối ưu đã cho, vật liệu, chế tạo và kinh nghiệm; theo cách khác giá trị của σFP thu được từ công thức (96).
(96)
7.1.4 Hệ số an toàn cho độ bền uốn, SF
Phải tính toán hệ số SF theo công thức sau:
(97)
SF được tính toán tách biệt cho bánh răng bé và bánh răng lớn, với σFG được tính toán phù hợp với công thức (95) hoặc (96) khi thích hợp, và σF thu được từ công thức (93).
Thông tin thêm về hệ số an toàn và xác suất hư hỏng được cho trong ISO 6336-1:1996, 1.3.
7.2 Hệ số dạng răng, YF
7.2.1 Quy định chung
YF là hệ số dạng răng tính đến ảnh hưởng của dạng răng đến ứng suất uốn danh nghĩa. YF có liên quan đến tác dụng của tải trọng ở giới hạn ngoài cùng của tiếp xúc một cặp răng (phương pháp B của TCVN 7578-3:2006 (ISO 6336-3:1996)).
Các giá trị của YF được xác định cho các bánh răng trụ răng thẳng và các bánh răng trụ răng thẳng quy đổi của các bánh răng nghiêng. Các bánh răng trụ răng thẳng quy đổi có số răng quy đổi zn về tính toán zn và các thông số khác của bánh răng quy đổi, xem 7.2.4.
Phải xác định YF tách biệt cho bánh răng bé và bánh răng lớn từ công thức sau (xem Hình 3).
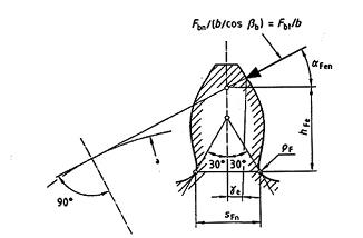
(98)

a Vòng cơ sở
Hình 3 - Xác định các kích thước của dây cung chân răng tại tiết diện tới hạn
Các công thức đã cho ở đây áp dụng cho tất cả các prôfin gốc của thanh răng có và không có cắt chân răng, nhưng với các hạn chế sau:
a) Điểm tiếp xúc của tiếp tuyến 30° nằm trên góc lượn chân răng;
b) prôfin gốc của thanh răng của truyền động bánh răng có một góc lượn chân răng;
c) Các răng được tạo ra khi sử dụng các dụng cụ cắt như dao phay lăn răng hoặc dao bào răng có răng dạng thanh răng.
|
|
|
| a) Có cắt chân răng | b) Không cắt chân răng |
Hình 4 - Các kích thước và prôfin gốc của răng (prôfin cho gia công tinh)
7.2.2 Các thông số yêu cầu cho xác định YF
Trước tiên, xác định các giá trị phụ E, G và H:
(99)
Trong đó:
spr = pr - q (xem Hình 4):
spr = 0 khi các bánh răng không có cắt chân răng (xem Hình 4)
(100)
(101)
Tiếp sau, sử dụng G và H cùng với θ = π/6 là giá trị cần tìm (trên vế bên phải) của công thức (102).
(102)
Sử dụng giá trị đã tính mới θ và lại áp dụng công thức (102). Tiếp tục sử dụng công thức (102) cho tới khi không có thay đổi đáng kể trong các giá trị liên tiếp của θ. Thông thường, hàm số hội tụ sau hai hoặc ba phép tính lặp của công thức (102). Sử dụng giá trị cuối cùng này của θ trong các công thức (103), (104) và (105).
Dây cung pháp tuyến ở chân răng, sFn:
(103)
Bán kính góc lượn chân răng, ρF:
(104)
Cánh tay đòn của mô men uốn, hFe:
(105)
(106)
(107)
(108)
7.2.3 Bánh răng ăn khớp trong
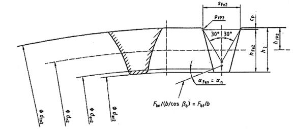
Giả thiết rằng giá trị của hệ số dạng răng của một thanh răng đặc biệt có thể được thay thế như một giá trị thích hợp của hệ số dạng răng của một bánh răng ăn khớp trong. Prôfin của thanh răng này nên là một phiên bản của prôfin gốc của thanh răng được thay đổi sao cho có thể tạo ra prôfin chuẩn, bao gồm cả vòng đỉnh răng và vòng chân răng, của một bánh răng đối tiếp chính xác của bánh răng ăn khớp trong. Góc của chiều tải trọng là αn (xem Hình 5).

Hình 5 - Các thông số dùng để xác định hệ số dạng răng, YF, của một bánh răng ăn khớp trong
Các giá trị được sử dụng trong công thức (98) được xác định như sau:
Dây cung pháp tuyến ở chân răng, sFn2:
(109)
Trong đó
Là bán kính của răng (xem dưới đây)
Cánh tay đòn của mômen uốn, hFe2:
(110)
Trong đó
ρfP2 Là bán kính của răng (xem dưới đây);
den2 Là giá trị thu được từ công thức (121) có bổ sung chỉ số dưới dòng 2;
dfn2 Là giá trị thu được theo cùng một cách như dan [công thức (121), lưu ý rằng dfn2 - df2 = dn2 - d2].
Để thu được hfP2 từ công thức (111), tham khảo công thức (113) và thông tin có liên quan đối với ρfP2
(111)
Bán kính góc lượn chân răng ρF2, bán kính của răng ρfP2:
Phải sử dụng bán kính góc lượn chân răng ρF2 khi đã biết. Nếu không:
(112)
(dNf2 biểu thị đường kính của một vòng tròn ở gần chân răng chứa các giới hạn của các prôfin răng hiệu dụng của một bánh răng ăn khớp trong).
Nếu không có đủ các dữ liệu, có thể sử dụng phép tính gần đúng sau:
ρF2 = ρfP2 = 0,15mn (113)
Bảo đảm sử dụng dấu một cách chính xác; xem chú thích cuối trang trong Bảng 1.
7.2.4 Các thông số của bánh răng quy đổi
(114)
(115)
Phép tính gần đúng
(116)
(117)
(118)
pbn = πmncosαn (119)
dbn=dncosαn (120)
dan=dn + da - d (121)
(122)
Giá trị của z là dương đối với bánh răng ăn khớp ngoài và là âm đối với bánh răng ăn khớp trong (xem Điều 3, chú thích cuối trang 2).
7.3 Hệ số hiệu chỉnh ứng suất, YS
Hệ số hiệu chỉnh ứng suất YS được sử dụng để chuyển đổi ứng suất uốn danh nghĩa thành ứng suất cục bộ ở chân răng. Phải xác định riêng biệt YS cho bánh răng bé và bánh răng lớn. YS có hiệu lực trong phạm vi 1 ≤ qs < 8.
(123)
Trong đó
(124)
(125)
sFn Từ công thức (103) đối với các bánh răng ăn khớp ngoài, công thức (109) đối với các bánh răng ăn khớp trong;
hFe Từ công thức (108) đối với các bánh răng ăn khớp ngoài, công thức (110) đối với các bánh răng ăn khớp trong;
ρF Từ công thức (104) đối với các bánh răng ăn khớp ngoài, công thức (113) đối với các bánh răng ăn khớp trong.
7.4 Hệ số góc của đường xoắn vít, Yβ
Ứng suất ở chân răng của một bánh răng trụ răng thẳng quy đổi đã tính toán như một giá trị ban đầu, được chuyển đổi bằng hệ số đường xoắn vít Yβ thành giá trị của bánh răng nghiêng tương ứng. Bằng phương pháp này, đã tính đến hướng nghiêng của các đường tiếp xúc trong ăn khớp (ứng suất nhỏ hơn ở chân răng).
Nếu > 1 và β ≤ 30°, thì
(126)
Nếu > 1 và β > 30°, thì
Yβ = 0,75 (127)
Nếu ≤ 1 và β ≤ 30°, thì
(128)
Nếu ≤ 1 và β > 30°, thì
(129)
7.5 Độ bền tham chiếu của chân răng, σFE
TCVN 7578-5 (ISO 6336-5) cung cấp thông tin về các giá trị của σFlim và σFE cho các vật liệu bánh răng được sử dụng phổ biến. Tiêu chuẩn đó cũng bao gồm các yêu cầu cho quá trình nhiệt luyện và chất lượng vật liệu cho các cấp chất lượng ML, MQ và ME.
Phải sử dụng cấp chất lượng MQ cho các bánh răng trong ngành hàng hải, trừ khi có quy định khác.
7.6 Hệ số độ nhạy tương đối của rãnh, YδreIT
YδreIT chỉ thị gần đúng dung sai ứng suất dư của vật liệu trong vùng góc lượn chân răng. Tiêu chuẩn này sử dụng phương pháp B của TCVN 7578-3:2006 (ISO 6336-3:1996).
(130)
Trong đó:
ρ' Là chiều dày của lớp trượt được lấy từ Bảng 6 là một hàm số của vật liệu;
Là giá trị cho bánh răng kiểm tham chiếu tiêu chuẩn:
= 1,2;
Là gradient ứng suất tương đối được tính toán theo công thức sau 9)
χ*=0,2(1+2qs) (131)
Trong đó:
qs Là thông số của rãnh thu được từ công thức (125).
Bảng 6 - Các giá trị của chiều dày lớp trượt ρ'
| Vật liệua | ρ' mm |
| NT (nitr.), NV (nitr.), NV (nitrocar.) | 0,1005 |
| V |
|
| Giới hạn chảy σs = 500 N/mm2 | 0,0281 |
| Giới hạn chảy σs = 600 N/mm2 | 0,0194 |
| Giới hạn tỷ lệ σ0,2 = 800 N/mm2 | 0,0064 |
| Giởi hạn tỷ lệ σ0,2 = 1000 N/mm2 | 0,0014 |
| Eh, IF | 0,0030 |
| a Về giải thích các chữ viết tắt đã sử dụng, xem Bảng 2. | |
7.7 Hệ số bề mặt tương đối, YRreIT
Hệ số bề mặt, YRreIT giải thích ảnh hưởng đến ứng suất ở chân răng của trạng thái bề mặt ở các chân răng. Ảnh hưởng này chủ yếu phụ thuộc vào nhóm bề mặt ở các góc lượn chân răng.
Ảnh hưởng của trạng thái bề mặt đến độ bền uốn của chân răng không chỉ phụ thuộc vào nhám bề mặt ở các góc lượn chân răng mà còn phụ thuộc vào cỡ kích thước và hình dạng (vấn đề "các hốc lõm trong phạm vi một rãnh"). Vấn đề này chưa được nghiên cứu đầy đủ cho tới hiện nay để có thể tính đến trong tiêu chuẩn này. Phương pháp được áp dụng ở đây chỉ có hiệu lực khi các vết xước hoặc các khuyết tật tương tự có chiều sâu không lớn hơn 2 × RZ.
CHÚ THÍCH: 2 × RZ là giá trị được ước lượng sơ bộ.
Ngoài cấu trúc bề mặt, các ảnh hưởng đã biết khác đến độ bền uốn của răng bao gồm các ứng suất nén còn dư (tăng cứng mặt ngoài bằng phun bi), sự oxy hóa ở ranh giới hạt và các tác động hóa học. Khi các góc lượn không được tăng cứng mặt ngoài bằng phun bi, có hình dạng thích hợp hoặc cả hai, nên thay thế một giá trị hơi lớn hơn giá trị thu được từ biểu đồ cho YRreIT. Khi xuất hiện sự oxy hóa ở ranh giới hạt hoặc các tác động hóa học, nên thay thế một giá trị nhỏ hơn giá trị đã chỉ thị trên biểu đồ cho YRreIT.
a) Đối với V, Eh, IF khi RZ < 1 μm
YYRreIT = 1,12 (132)
b) Đối với NT (nitr.), NV(nitr.), NV (nitrocar.) khi RZ < 1 μm
YYRreIT = 1,025
c) Đối với V, Eh, IF nếu RZ ≥ 1 μm
YYRreIT = 1,674 - 0,529 (RZ + 1)0,1 (133)
d) Đối với NT (nitr.), NV (nitr.), NV (nitrocar.) khi RZ ≥ 1μm
YYRreIT = 4,299 - 3,259(RZ + 1)0,005 (134)
7.8 Hệ số cỡ kích thước, YX
YX được sử dụng để thừa nhận ảnh hưởng của cỡ kích thước đến
- Sự phân bố có thể xảy ra của các điểm yếu trong cấu trúc vật liệu,
- Các gradient ứng suất về mặt lý thuyết sẽ giảm đi trong vật liệu cùng với việc tăng các kích thước,
- Chất lượng của vật liệu, và
- Xuất hiện các khuyết tật trong quá trình rèn, v.v...
YX được tính toán phù hợp với Bảng 7.
Bảng 7 - Hệ số cỡ kích thước (chân răng), YX
| Vật liệua | Môđun pháp mn | Hệ số cỡ kích thước YX |
| V | mn ≤ 5 5 < mn < 30 mn ≥ 30 | YX = 1,0 YX = 1,03 - 0,006mn YX = 0,85 |
| Eh, IF | mn ≤ 5 | YX = 1,0 |
| NT (nitr.) | 5 < mn < 25 | YX = 1,05 - 0,01mn |
| NV (nitr.) | mn ≥ 25 | YX = 0,8 |
| NV (nitrocar.) |
|
|
| a Về giải thích các chữ viết tắt đã sử dụng, xem Bảng 2. | ||
Phụ lục A
(Quy định)
Các thông số độ cứng vững của răng c' và cγ
A.1 Quy định chung
Thông số độ cứng vững của răng biểu thị tải trọng cần thiết trên 1 mm chiều rộng răng, có hướng dọc theo đường tác dụng10) để tạo ra biến dạng phù hợp với tải trọng lên tới 1 μm của một hoặc nhiều cặp răng không có sai lệch trong tiếp xúc.
Độ cứng vững đơn, c' là độ cứng vững lớn nhất của một cặp răng trong một cặp bánh răng trụ răng thẳng. Độ cứng vững này xấp xỉ bằng độ cứng vững lớn nhất của một cặp răng trong tiếp xúc một cặp răng11). Độ cứng vững đơn c' của bánh răng nghiêng là độ cứng vững lớn nhất theo phương pháp tuyến với đường xoắn vít của một cặp răng.
Độ cứng vững ăn khớp, cγ là giá trị trung bình của độ cứng vững của tất cả các răng trong ăn khớp răng. Phương pháp B từ ISO 6336-1:1996 sử dụng trong tiêu chuẩn này áp dụng cho phạm vi x1 ≥ x2 ≤ 2.
A.2 Độ cứng vững đơn, c'
A.2.1 Tính toán c'
Đối với tải trọng riêng, FtKA/b ≥ 100 N/mm:
c' = 0,8c'thCRCBcosβ (A.1)
A2.2 Độ cứng vững đơn lý thuyết, c'th
(A.2)
Trong đó:
(A.3)
Bảng A.1 - Các hằng số cho công thức (A.3)
| C1 | C2 | C3 | C4 | C5 | C6 | C7 | C8 | C9 |
| 0,04723 | 0,15551 | 0,25791 | -0,00635 | -0,11654 | -0,00193 | -0,24188 | 0,00529 | 0,00182 |
A.2.3 Hệ số phôi bánh răng, CR
CR = 1 cho các bánh răng được chế tạo từ các phôi dạng đĩa đặc. Đối với các bánh răng khác.
(A.4)
Các điều kiện biên:
Khi bs/b < 0,2, thay thế bs/b = 0,2;
Khi bs/b > 1,2, thay thế bs/b = 1,2.
Về các ký hiệu, xem Hình A.1.
A.2.4 Hệ số thanh răng cơ sở, CB
(A.5)
A.2.5 Thông tin bổ sung
a) Các bánh răng ăn khớp trong: có thể xác định các giá trị gần đúng của độ cứng vững đơn lý thuyết của các răng bánh răng ăn khớp trong từ các công thức (A.2), (A.3) bằng cách thay thế giá trị vô hạn cho Zn2.
b) Tải trọng riêng (FtKA/b) <100 N/mm2
(A.6)
c) Công thức trên dựa trên cơ sở các cặp bánh răng bằng thép, đối với các vật liệu khác và các tổ hợp vật liệu, tham khảo ISO 6336-1:1996, Điều 9.
A.2.6 Độ cứng vững ăn khớp, cγ
Đối với các bánh răng trụ răng thẳng có ≥ 1,2 và các bánh răng nghiêng có β ≤ 30°, độ cứng vững ăn khớp:
cγ = c'(0,75+0,25) (A.7)
Với c' theo công thức (A.1).

Hình A.1 - Hệ số phôi bánh răng, CR; các giá trị trung bình cho các bánh răng đối tiếp có kết cấu phôi bánh răng tương tự hoặc cứng vững hơn
Phụ lục B
(Quy định)
Đặc điểm của các thiết kế bánh răng ít phổ biến
B.1 Hệ số động lực học, KV cho các bánh răng hành tinh
B.1.1 Quy định chung
Trong các truyền động bánh răng bao gồm nhiều bánh răng ăn khớp như các bánh răng trung gian và trong truyền động bánh răng epixicloit, các bánh răng hành tinh về trung tâm, có một vài tần số riêng. Các tần số riêng này có thể cao hơn hoặc thấp hơn tần số riêng của một cặp bánh răng đơn chỉ có một ăn khớp răng.
Mặc dù các giá trị của KV đã xác định theo các công thức trong tiêu chuẩn này phải được xem là không có độ tin cậy, tuy nhiên chúng có thể có ích trong đánh giá sơ bộ. Nếu có thể thực hiện được, nên đánh giá lại các giá trị KV này bằng một phương pháp chính xác hơn.
Nên ưu tiên sử dụng phương pháp A cho phân tích các thiết kế truyền động ít phổ biến. Để có thêm thông tin tham khảo 6.1.1 của ISO 6336-1:1996.
B.1.2 Tính toán khối lượng tương đối của một bánh răng có các răng ăn khớp ngoài
Tham khảo 5.6.2.
B.1.3 Xác định vận tốc cộng hưởng cho các thiết kế bánh răng ít phổ biến
B.1.3.1 Quy định chung
Nên tiến hành việc xác định vận tốc cộng hưởng cho các thiết kế bánh răng ít phổ biến theo phương pháp A. Tuy nhiên, có thể sử dụng các phương pháp khác để tính toán gần đúng các ảnh hưởng. Một số ví dụ như sau:
a) Trục bánh răng bé có đường kính ở giữa chiều cao răng, dm1 xấp xỉ bằng đường kính của trục;
b) Hai bánh răng đồng trục được liên kết cứng vững;
c) Một bánh răng lớn được dẫn động bởi hai bánh răng bé;
d) Các bánh răng hành tinh;
e) Các bánh răng trung gian.
B.1.3.2 Đường kính trục bánh răng bé bằng đường kính ở giữa chiều cao răng, dm1
Độ cứng vững xoắn cao của trục bánh răng bé được gia tăng đáng kể bởi khối lượng của trục. Như vậy, có thể tính toán vận tốc cộng hưởng theo cách thông thường khi sử dụng khối lượng của bánh răng bé (phần có răng) và độ cứng vững ăn khớp thông thường cγ.
B.1.3.3 Hai bánh răng đồng trục được liên kết cứng vững
Phải tính đến khối lượng của bánh răng lớn hơn trong các bánh răng được liên kết với nhau.
B.1.3.4 Một bánh răng lớn được dẫn động bởi hai bánh răng bé
Vì khối lượng của bánh răng lớn thường lớn hơn nhiều so với khối lượng của các bánh răng bé cho nên mỗi ăn khớp răng có thể được xem như tách biệt nhau, nghĩa là:
- Như một cặp gồm bánh răng bé thứ nhất và bánh răng lớn, và
- Như một cặp gồm bánh răng bé thứ hai và bánh răng lớn.
B.1.3.5 Bánh răng hành tinh
Vì nhiều đường truyền động bao gồm các độ cứng vững rất khác nhau so với độ cứng vững ăn khớp cho nên trạng thái dao động (rung) của các bánh răng hành tinh rất phức tạp. Tính toán các hệ số tải trọng động bằng các công thức đơn giản như phương pháp B thường không hoàn toàn chính xác. Hơn nữa, phương pháp B được thay đổi như sau có thể được sử dụng cho đánh giá KV lần đầu tiên. Nếu có thể thực hiện được, nên kiểm tra sự đánh giá này bằng phân tích lý thuyết hoặc thực nghiệm tiếp sau một cách chi tiết, hoặc dựa trên kinh nghiệm vận hành. Cũng nên xem các bình luận mở đầu về phụ lục này.
a) Bánh răng trung tâm/bánh răng hành tinh
Khối lượng thu gọn để xác định vận tốc cộng hưởng nE1 của bánh răng trung tâm được cho bởi:
(B.1)
Trong đó:
và
Là các mômen quán tính trên một đơn vị chiều rộng răng của một bánh răng hành tinh và bánh răng trung tâm tương ứng, tính bằng kilogam milimet vuông trên milimet (kg.mm2/mm);
rbsun = 0,5dbsun;
rbpla = 0,5dbpla;
p Là số bánh răng hành tinh trong tầng bánh răng được xem xét.
Phải sử dụng giá trị mred xác định từ công thức B.1 trong công thức tính toán N (xem 5.6.2.2) khi độ cứng vững ăn khớp xấp xỉ bằng với một bánh răng hành tinh đơn được sử dụng cho độ cứng vững ăn khớp cγ và số răng trên bánh răng trung tâm phải được sử dụng cho z1.
Về các bánh răng hành tinh, cần lưu ý rằng, Ft trong các công thức (12) đến (14) đối với Bp, Bf, Bk (xem 5.6.2.3) đáp ứng được cho tải trọng tiếp tuyến tổng tác dụng vào bánh răng trung tâm chia cho số bánh răng hành tinh.
b) Bánh răng hành tinh/bánh răng răng trong được liên kết với hộp bánh răng
Trong trường hợp này, khối lượng của bánh răng răng trong có thể được giả thiết là vô hạn. Như vậy, khối lượng tương đối đáp ứng được khối lượng tham chiếu của bánh răng hành tinh. Có thể xác định khối lượng thu gọn như sau:
(B.2)
Với ký hiệu như trên.
c) Bánh răng hành tinh/bánh răng răng trong quay
Trong trường hợp này, khối lượng tham chiếu của bánh răng răng trong có thể được xác định như đối với một bánh răng lớn ăn khớp ngoài, và tính toán khối lượng tương đối của bánh răng hành tinh phù hợp với công thức (B.2). Phải sử dụng phương pháp đã mô tả trong B.1.3.4 khi bánh răng răng trong ăn khớp với một vài bánh răng hành tinh.
B.1.3.6 Bánh răng trung gian
Có thể thu được các giá trị gần đúng từ các công thức sau khi bánh răng bé và bánh răng lớn đại khái có cùng một cỡ kích thước, bánh răng trung gian cũng có cỡ kích thước gần như vậy hoặc lớn hơn một chút:
- Khối lượng thu gọn
(B.3)
- Độ cứng vững ăn khớp
cγ = 0,5(cγ1,2 + cγ2,3) (B.4)
Trong đó:
Là các mômen quán tính trên một đơn vị chiều rộng răng của bánh răng bé, bánh răng trung gian và bánh răng lớn tính bằng kilogam milimet vuông trên milimet (kg.mm2/mm);
cγ1,2 Là độ cứng vững ăn khớp của cặp bánh răng bé và bánh răng trung gian;
cγ2,3 Là độ cứng vững ăn khớp của cặp bánh răng trung gian và bánh răng lớn (về xác định cγ, xem Phụ lục A). Nên có sự phân tích chính xác hơn nếu vận tốc tham chiếu ở trong phạm vi 0,6 < <1,5.
Nếu bánh răng trung gian lớn hơn nhiều so với các bánh răng bé và bị dẫn hoặc, nếu bánh răng bé hoặc bánh răng lớn nhỏ hơn nhiều so với hai bánh răng kia thì có thể tính toán KV tách biệt cho mỗi cặp ăn khớp, nghĩa là:
- Đối với tổ hợp bánh răng bé - bánh răng trung gian, và
- Đối với tổ hợp bánh răng trung gian và bánh răng lớn.
Các giá trị của mred đã tính toán phù hợp với tính toán nêu trên có thể được thay vào công thức (7) của 5.6.2.2 để xác định vận tốc cộng hưởng.
Nên có sự phân tích chính xác cho các trường hợp không được nêu ra ở đây.
B.2 Các hệ số tải trọng bề mặt, KHβ, KFβ cho các bánh răng hành tinh đơn giản
Hệ số tải trọng bề mặt tính đến các ảnh hưởng của sự phân bố tải trọng không đều trên chiều rộng răng đến ứng suất bề mặt (KHβ) và ứng suất chân răng (KFβ).
Theo 7.2.3.1 a) và 7.6.1 của ISO 6336-1:1996, phương pháp C1 thích hợp cho các bánh răng của các bộ truyền bánh răng hành tinh đơn trong đó có các đặc điểm sau12).
Giá bánh răng trung tâm hoặc giá bánh răng hành tinh và đôi khi bánh răng răng trong được phép di chuyển; nếu không, có thể đạt được sự phân chia tải trọng giữa các bánh răng hành tinh riêng biệt bằng độ chính xác chế tạo cao hơn, độ mềm dẻo cao hơn hoặc cả hai. Nếu cần thiết, có thể tham khảo các điều đã nêu trên.
Xác định:
- Độ không thẳng hàng ăn khớp do sai lệch chế tạo fma phù hợp với 5.7.2.2,
- Hệ số chạy rà χβ phù hợp với 5.7.2.3,
- Độ cứng vững ăn khớp phù hợp với Phụ lục A.
Bất cứ sự phân chia không đều nào của tải trọng tiếp tuyến tổng giữa các bánh răng hành tinh đều được bao hàm bởi hệ số Kγ (xem Điều 5). Như vậy, đối với các bánh răng này, Fm = (Ft KAKγKV), và với Ft là tải trọng tiếp tuyến danh nghĩa được truyền cho mỗi ăn khớp răng, cũng là tổng của các tải trọng trên cả hai đường xoắn vít của các bánh răng nghiêng chữ V.
a) Bánh răng trụ răng thẳng và bánh răng nghiêng đơn (xem chú thích cuối trang 5)
- Cặp bánh răng không có thay đổi đường xoắn vít, bánh răng trung tâm (Z)/bánh răng hành tinh (P) được lắp trên trục cố định, cứng vững của bánh răng hành tinh:
(B.5)
- Đối với cùng một cặp bánh răng có thay đổi đường xoắn vít (chỉ bù độ lệch xoắn):
KHβ phù hợp với công thức (36) và 5.7.2.4.2, và KHβ ≥ 1,05.
- Cặp bánh răng không có thay đổi đường xoắn vít, bánh răng trung tâm (Z)/bánh răng hành tinh (P) với các ngõng trục được lắp trong các ổ trục trong giá bánh răng hành tinh:
(B.6)
- Đối với cùng một cặp bánh răng có thay đổi toàn bộ đường xoắn vít (độ lệch uốn và xoắn được bù hoàn toàn):
KHβ phù hợp với công thức (36) của 5.7.2.4.2, và KHβ ≥ 1,05.
- Cặp bánh răng không thay đổi đường xoắn vít, bánh răng răng trong (H)/bánh răng hành tinh (P) với các ngõng trục được lắp trong các ổ trục trong giá bánh răng hành tinh:
(B.7)
- Đối với cùng một cặp bánh răng có thay đổi đường xoắn vít (chỉ có độ lệch uốn được bù đắp):
KHβ phù hợp với công thức (36) của 5.7.2.4.2 và KHβ ≥ 1,05
- Cặp bánh răng có hoặc không thay đổi đường xoắn vít, bánh răng răng trong (H)/bánh răng hành tinh (P) được lắp trên trục bánh răng hành tinh cố định, cứng vững;
KHβ phù hợp với công thức (36) của 5.7.2.4.2 và KHβ ≥ 1,05
b) Bánh răng nghiêng chữ V (xem 5.7.2.4 với các chú thích cuối trang 4 và 5).
- Cặp bánh răng không thay đổi đường xoắn vít, bánh răng trung tâm (Z)/bánh răng hành tinh (P) được lắp trên trục bánh răng hành tinh cố định, cứng vững:
(B.8)
- Đối với cùng một cặp bánh răng có thay đổi đường xoắn vít (chỉ có độ lệch xoắn được bù đắp, xem 5.7.2.4, chú thích cuối trang 4):
KHβ phù hợp với công thức (37) của 5.7.2.4.2, và KHβ ≥ 1,05
- Cặp bánh răng không thay đổi đường xoắn vít, bánh răng trung tâm (Z)/bánh răng hành tinh (P) với các ngõng trục được lắp trong các ổ trục trong giá bánh răng hành tinh.
(B.9)
- Đối với cùng một cặp bánh răng có thay đổi toàn bộ đường xoắn vít (độ lệch uốn và độ lệch xoắn được bù hoàn toàn, xem chú thích cuối trang 7):
KHβ phù hợp với công thức (37) của 5.7.2.4.2, và KHβ ≥ 1,05.
- Cặp bánh răng không thay đổi đường xoắn vít, bánh răng răng trong (H)/bánh răng hành tinh (P) với các ngõng trục được lắp trong các ổ trục của giá bánh răng hành tinh:
(B.10)
- Đối với cùng một cặp bánh răng có thay đổi đường xoắn vít (chỉ có độ lệch uốn được bù):
KHβ phù hợp với công thức (37) của 5.7.2.4.2, và KHβ ≥ 1,05.
- Cặp bánh răng có hoặc không có thay đổi đường xoắn vít, bánh răng răng trong (H)/bánh răng hành tinh (P) được lắp trên trục bánh răng hành tinh cố định, cứng vững:
KHβ phù hợp với công thức (37) của 5.7.2.4.2, và KHβ ≥ 1,05.
Phụ lục C
(Tham khảo)
Giá trị hướng dẫn cho hệ số ứng dụng, KA
C.1 Xác lập các hệ số ứng dụng
Có thể xác lập một cách tốt nhất các hệ số ứng dụng từ sự phân tích tỷ mỉ kinh nghiệm vận hành với một ứng dụng riêng biệt (xem ISO/TR 10495). Đối với các bánh răng trong ngành hàng hải, phải tuân thủ các quy tắc của Cơ quan có thẩm quyền phân loại vì các quy tắc này được thiết lập dựa trên kinh nghiệm vận hành rộng lớn. Đối với các bánh răng của bộ phận dẫn động chính của các tàu đi biển, nên có sự nghiên cứu phân tích tỷ mỉ.
Hệ số KA được sử dụng để thay đổi giá trị Ft, có tính đến các tải trọng bổ sung cho các tải trọng danh nghĩa tác dụng trên các bánh răng từ các nguồn bên ngoài. Nếu không thể xác định được tải trọng tiếp tuyến tương đương (xem 5.3) bằng sự phân tích hệ thống một cách toàn diện hoặc từ các giá trị đo được khi sử dụng các tiêu chí thích hợp cho hư hỏng tích lũy; có thể sử dụng các giá trị hướng dẫn theo thực nghiệm trong C.2.
Đối với các bánh răng trong ngành hàng hải chịu tác dụng của các mômen xoắn cực đại (đỉnh) có chu kỳ (dao động xoắn) và được thiết kế với tuổi thọ vô hạn, hệ số ứng dụng có thể được định nghĩa là tỷ số giữa mômen xoắn cực đại có chu kỳ và mômen xoắn định mức danh nghĩa. Mômen xoắn định mức danh nghĩa được quy định bởi công suất và vận tốc danh định; đó là mômen xoắn được sử dụng trong các tính toán khả năng tải.
Nếu bánh răng chịu tác dụng của một số các tải trọng đã biết vượt quá giá trị của các mômen xoắn cực đại có chu kỳ thì ảnh hưởng này có thể được bao hàm trực tiếp bởi một tiêu chí mỏi tích lũy như đã nêu ở trên, hoặc bởi một hệ số ứng dụng tăng trưởng biểu thị ảnh hưởng của phổ tải trọng.
Khách hàng và nhà sản xuất hoặc thiết kế nên thỏa thuận về giá trị của hệ số ứng dụng trong hợp đồng với cơ quan có thẩm quyền phân loại.
C.2 Giá trị gần đúng cho các hệ số ứng dụng
KA được sử dụng trong chuẩn bị các thiết kế sơ bộ có thể được lựa chọn từ các giá trị sau:
- Đối với các bánh răng truyền động chính được dẫn động bằng động cơ điezen, KA = 1,35:
- Đối với các bánh răng truyền động chính được dẫn động bằng động cơ tuabin, KA = 1,1.
Đối với các truyền động bánh răng của các máy móc phụ trợ như các thiết bị đã liệt kê trong Bảng C.1, có thể sử dụng các giá trị sau:
- Đối với các thiết bị phụ được dẫn động bằng động cơ điêzen, KA = 1,5;
- Đối với các thiết bị phụ được dẫn động bằng tuabin hoặc động cơ điện, KA = 1,25;
- Đối với các máy phát điện được dẫn động bằng tuabin, KA = 1,1.
Bảng C.1 - Máy móc phụ trợ
| Máy phát điện | Máy bơm chuyển hàng, máy bơm cung cấp |
| Kính thủy lực nhánh bên | Kính thủy động điều khiển |
| Kính thủy lực phương vị | Thiết bị kính trên boong |
| Bất cứ thiết bị nào khác cần thiết cho bảo đảm an toàn của tàu thủy hoặc thiết bị hàng hải tương tự khác | |
Phụ lục D
(Tham khảo)
Các giá trị hướng dẫn cho độ vồng và cạnh vát đầu mút răng của các bánh răng trụ
D.1 Quy định chung
Độ vồng và cạnh vát đầu mút răng được thiết kế hợp lý có ảnh hưởng có lợi đến sự phân bổ tải trọng trên chiều rộng răng của bánh răng (xem 5.7). Các chi tiết về thiết kế nên dựa trên sự đánh giá cẩn thận các biến dạng và sai lệch trong chế tạo truyền động bánh răng được xem xét. Nếu các biến dạng là đáng kể thì thay đổi góc của đường xoắn vít có thể được chồng lên trên độ vồng hoặc cạnh vát đầu mút răng, nhưng thay đổi đường xoắn vít một cách thích hợp nên được ưu tiên.
D.2 Giá trị độ vồng, Cβ
Quy tắc không bắt buộc sau được rút ra từ kinh nghiệm; giá trị độ vồng (xem Hình D.1) cần thiết để đạt được sự phân bố tải trọng chấp nhận được có thể được xác định như sau:
Tuân theo các giới hạn 10 μm ≤ Cβ ≤ 40 μm cộng với dung sai chế tạo 5 μm đến 10 μm và giá trị bcal/b có thể lớn hơn 1 đối với các bánh răng không có độ vồng: Cβ ≈ 0,5Fβxcv.

Hình D.1 - Giá trị độ vồng Cβ(b) và chiều rộng, b(b)
Để tránh sự quá tải của các đầu mút răng, giá trị độ vồng phải được tính toán như sau:
Cβ = 0,5(fsh + fHβ) (D.1)
Khi các bánh răng có kết cấu cứng vững để trong thực tế có thể bỏ qua fsh, hoặc khi các đường xoắn vít đã được thay đổi để bù cho biến dạng ở giữa chiều rộng răng thì có thể sử dụng giá trị độ vồng như sau:
Cβ = 0,5fHβ (D.2)
Tuân theo hạn chế 10 μm ≤ Cβ ≤ 25 μm cộng với dung sai chế tạo khoảng 5 μm, 60 % đến 70 % của các giá trị nêu trên là thích hợp cho các bánh răng có độ chính xác rất cao và vận tốc cao.
D.3 Giá trị CI(II) và chiều rộng bI(II) của cạnh vát đầu mút răng
D.3.1 Phương pháp C1
Phương pháp này dựa trên một giá trị được giả thiết cho độ không thẳng hàng tương đương của cặp bánh răng không có cạnh vát đầu mút răng, và dựa trên các khuyến nghị về giá trị độ vồng của răng bánh răng.
a) Giá trị của cạnh vát đầu mút răng (xem Hình D.2)
Đối với các bánh răng được tôi thể tích: CI(II) ≈ Fβxcv cộng với dung sai chế tạo 5 μm đến 10 μm.
Như vậy, bằng phép tương tự với Fβxcv trong Điều D.1, CI(II) được tính toán gần đúng như sau:
CI(II) = fsh + 1,5fHβ (D.3)
Đối với các bánh răng được tôi bề mặt và thấm nitơ: CI(II) ≈ 0,5 Fβxcv cộng với dung sai chế tạo 5 μm đến 10 μm.
Như vậy, bằng phép tương tự với Fβxcv trong Điều D.1, CI(II) được tính toán gần đúng như sau:
CI(II) = 0,5(fsh + 1,5fHβ) (D.4)

Hình D.2 - Giá trị CI(II) và chiều rộng b(b) của cạnh vát đầu mút răng
Khi các bánh răng có kết cấu cứng vững để trong thực tế có thể bỏ qua fsh, hoặc khi các đường xoắn vít đã được thay đổi để bù cho biến dạng thì có thể sử dụng độ vồng phù hợp với công thức (D.2).
Đối với các bánh răng có độ tin cậy và chính xác rất cao với các vận tốc tiếp tuyến cao, 60 % đến 70 % của các giá trị nêu trên là thích hợp.
b) Chiều rộng của cạnh vát đầu mút răng
Đối với tải trọng gần như không thay đổi và các vận tốc tiếp tuyến cao hơn: bI(II) là giá trị nhỏ hơn trong các giá trị (0,1b) hoặc (1,0m).
Giá trị sau thích hợp cho tải trọng thay đổi, các vận tốc thấp và trung bình:
bred = (0,5 đến 0,7)b (D.5)
D.3.2 Phương pháp C2
Phương pháp này dựa trên độ lệch của các cặp bánh răng khi giả thiết tải trọng phân bố đều trên chiều rộng răng:
δbth = Fm/(bcγ), hoặc Fm = FtKAKV (D.6)
Đối với các bánh răng có độ tin cậy và chính xác cao với các vận tốc tiếp tuyến cao, các giá trị sau là thích hợp:
CI(II) = (2 đến 3)δbth (D.7)
bred = (0,8 đến 0,9)b (D.8)
Đối với các bánh răng tương tự có độ chính xác thấp hơn:
CI(II) = (3 đến 4) δbth (D.9)
bred = (0,7 đến 0,8)b (D.10)
Phụ lục E
(Tham khảo)
Kiểm tra và giải thích vết tiếp xúc của răng
E.1 Phạm vi và lĩnh vực ứng dụng
Phụ lục này mô tả quy trình kiểm tra sự tiếp xúc răng của các thiết bị bánh răng trong ngành hàng hải (cấp chính xác 6 hoặc cao hơn) trong điều kiện không tải hoặc tải trọng riêng phần.
E.2 Phương pháp thử
E.2.1 Quy định chung
Có hai phương pháp để xác định vết tiếp xúc của răng:
- Thử tiếp xúc (kiểm sự ăn khớp khi không có tải trọng);
- Thử có tải (vết tiếp xúc tại mức tải trọng quy định).
E.2.2 Thử tiếp xúc
Thử tiếp xúc là phương pháp thử tiết kiệm để xác định tổng của tất cả các sai lệch trong chế tạo. Thử tiếp xúc thường được thực hiện trong điều kiện đã lắp ráp hoàn toàn. Nếu không có thân hợp bánh răng, đặc biệt là trong trường hợp các bánh răng lớn thì có thể sử dụng thiết bị thử. Các ứng dụng điển hình là:
- Các bánh răng lớn dùng cho các truyền động trong ngành hàng hải, và
- Các bánh răng được lấp trên boong.
Các hệ số ảnh hưởng chính đến tiếp xúc của răng khi không tải được cho trong Bảng E.1.
Bảng E.1 - Các hệ số ảnh hưởng chính đến tiếp xúc của răng khi không tải
| Sai lệch của răng | Sai lệch của thân hộp | Sai lệch của trục | Dung sai của ổ trục |
| Sai lệch bước răng | Sai lệch góc của trục | Độ đảo chiều trục | Khe hở ổ trục |
| Sai lệch prôfin răng | Sai lệch độ nghiêng của trục |
| Độ đồng tâm |
| Sai lệch bước đường xoắn vít |
|
|
|
E.2.3 Thử có tải
Thử có tải được áp dụng cho các bánh răng có tải trọng lớn, có thay đổi prôfin răng hoặc thay đổi bước đường xoắn vít hoặc cả hai, để so sánh vết tiếp xúc thực với các dữ liệu thu được bằng tính toán. Để tiến hành thử nghiệm, tải trọng được tăng lên với các bước tăng hợp lý để có thể dự đoán được sự phân bố tải trọng lúc toàn tải. Ở giai đoạn tải trọng thấp nhất, các bánh răng phải đạt được vị trí cuối cùng của chúng. Trình tự điển hình của các giai đoạn tải trọng là: 5 %, 25 %, 50 %, 75 %, 100 % (giá trị lớn nhất có thể đạt được).
Các hệ số ảnh hưởng phụ thuộc tải trọng có ảnh hưởng đến sự tiếp xúc của răng được cho trong Bảng E.2.
Bảng E.2 - Các hệ số ảnh hưởng phụ thuộc tải trọng ảnh hưởng đến tiếp xúc của răng
| Sai lệch của răng | Sai lệch của thân hộp | Sai lệch của trục | Dung sai của ổ trục |
| Biến dạng của răng | Độ cứng vững thân hộp | Độ võng của trục | Độ cứng vững ổ trục |
| Biến dạng Hertz | Nhiệt độ thân hộp | Độ cong vềnh của trục |
|
| Biến dạng phôi bánh răng |
|
|
|
| Mài mòn của răng |
|
|
|
E.2.4 Quy trình
Thông thường đối với cả hai phép thử tiếp xúc và thử tải trọng cần xem xét đến ít nhất là ba bộ răng (đối với toàn bộ mặt phẳng tiếp xúc). Bánh răng lớn hoặc bánh răng bé được sơn bằng một màu tương phản thích hợp. Sau một vài vòng quay không tải hoặc ở giai đoạn chất tải thực, sự truyền màu sắc cho bánh răng đối tiếp (không hoặc có tải trọng vừa phải) hoặc sự mài mòn màu sắc (tải trọng lớn) hoặc dùng để đánh giá vết tiếp xúc.
E.2.5 Các loại sơn
E.2.5.1 Thử tiếp xúc
Xem Bảng E.3.
Bảng E.3 - Các loại sơn thích hợp (thử tiếp xúc)
| Các loại sơn thích hợp | Nhà sản xuất |
| Lukas Tuschierfarbe | Dr. Schӧnfeld & Co. |
| Diamant Tuschierfarbe | Schleifmittelwerk Kahl |
| Eosol Tuschierpaste | Emil Otto/Fabrik |
| Kruel Tuschierfarbe | Fa. C. Kreul |
| Norma Ölfarbe | H. Schminke & Co. |
| Yellow Gear Marking | Prescott & Comp. Ltd. |
| CHÚ THÍCH: Các loại sơn trên là các ví dụ về các sản phẩm sẵn có trên thị trường. Thông tin này được đưa ra để thuận tiện cho người sử dụng tiêu chuẩn này và không cấu thành tài liệu ISO kèm theo cho các sản phẩm này. | |
E.2.5.2 Thử tải trọng
Màu sắc tương phản cho các phép thử tải trọng phải đáp ứng các yêu cầu sau:
- Có độ tương phản tốt trên bề mặt kim loại;
- Khả năng chịu nhiệt cao;
- Có khả năng chịu dầu;
- Độ bền kéo cao;
- Độ bám dính cao.
Xem Bảng E.4.
Bảng E.4 - Các loại sơn thích hợp
| Các loại sơn thích hợp | Nhà sản xuất |
| Dykem Red Layout DX-296 | The Dykem Company |
| Eosol Anreißfarbe | Emil Otto/Fabrik |
| Pelikan Anreißfarbe | Pelikanwerke |
| Regensburger Getrebeprüflack | Regensburger Lackfabrik |
| Copper sulphate |
|
| CHÚ THÍCH: Các loại sơn trên là các ví dụ về các sản phẩm sẵn có trên thị trường. Thông tin này được đưa ra để thuận tiện cho người sử dụng tiêu chuẩn này và không cấu thành tài liệu ISO kèm theo cho các sản phẩm này. | |
E.3 Đánh giá các giá trị yêu cầu cho thử tiếp xúc và thử tải trọng
E.3.1 Chiều rộng tiếp xúc trên mặt răng
Vết tiếp xúc tối ưu được xác định trên cơ sở thay đổi bước đường xoắn vít thu được bằng phương pháp A, B hoặc C của ISO 6336-1:1996. Nếu áp dụng thay đổi đường xoắn vít theo đường cho tiếp xúc mặt răng, chiều rộng của vết tiếp xúc được tính toán như sau:
(E.1)
Trong đó:
bp Là chiều rộng tiếp xúc mặt răng, tính bằng phần trăm;
sc Là chiều dày của màng màu tương phản, tính bằng micromet (μm)
fkorr Là giá trị hiệu chỉnh bước đường xoắn vít, tính bằng micromet (μm)
E.3.2 Chiều rộng tiếp xúc của prôfin răng
Chiều rộng tiếp xúc tối ưu trên prôfin răng được xác định tương ứng với prôfin và hiệu chỉnh bước đường xoắn vít và các dung sai tham chiếu. Nên dùng giá trị tải trọng một cách hợp lý khi có yêu cầu tiếp xúc toàn bộ prôfin răng.
E.4 Kiểm tra vết tiếp xúc
Kiểm tra vết tiếp xúc là yêu cầu chủ quan và vì thế nên được thực hiện cùng với sử dụng toàn bộ hồ sơ nghiên cứu. Đối với cả hai thử tiếp xúc và thử tải trọng, có thể điều chỉnh vết tiếp xúc tối ưu trong quá trình thử bằng các vòng ổ trục lệch tâm hoặc bằng các nêm bổ sung ở các gối đỡ để làm biến dạng thân hộp.
Thư mục tài liệu tham khảo
[1] TCVN 5120:2007 (ISO 4287:1997), Đặc tính hình học của sản phẩm (GPS) - Nhám bề mặt: Phương pháp profin - Thuật ngữ, định nghĩa và các thông số nhám)
[2] ISO 4288:1996, Geometrical Product Specifications (GPS) - Surface texture: Profile method - Rules and procedures for the assessment of surface texture (Đặc tính hình học của sản phẩm - Cấu trúc bề mặt: Phương pháp prôfin - Quy tắc và quy trình đánh giá cấu trúc bề mặt)
[3] ISO 9084:2000, Calculation of load capacity of spur and helical gears - Application to high speed gears and gears of similar requirements (Tính toán khả năng tải của các bánh răng trụ răng thẳng và răng nghiêng - ứng dụng cho các bánh răng có vận tốc cao và các bánh răng có các yêu cầu tương tự)
[4] TCVN 12132 (ISO 9085), Tính toán khả năng tải của các bánh răng thẳng và bánh răng nghiêng - Ứng dụng cho các bánh răng dùng trong công nghiệp
*) ISO 6336-1:1996 đã hủy và được thay thế bằng ISO 6336-1:2006. ISO 6336-1:2006 đã được chấp nhận thành TCVN 7578-1:2017 (ISO 6336-1:2006), Tính toán khả năng tải của bánh răng thẳng và bánh răng nghiêng - Phần 1: Nguyên lý cơ bản, giới thiệu và các hệ số ảnh hưởng chung.
1) Trong thực tế, có thể giả thiết rằng các tỷ lệ của thanh răng cơ sở của các dụng cụ cắt răng bằng các tỷ lệ của thanh răng cơ sở của các bánh răng.
2) Giá trị Ca của cạnh vát đỉnh răng chỉ cho phép đối với các bánh răng có các cấp chính xác trong phạm vi 0 đến 6 như đã quy định trong ISO 1328-1:1995.
3) Về giải thích các chữ viết tắt đã sử dụng, xem Bảng 2.
4) Giả thiết rằng toàn bộ momen xoắn được đưa vào tại một đầu mút trục. Nếu momen xoắn được đưa vào ở cả hai đầu mút trục hoặc ở giữa các đường xoắn vít của một bánh răng nghiêng chữ V thì cần phải có sự phân tích chính xác hơn.
5) Giá trị KHβ dùng cho đường xoắn vít chịu tác dụng của ứng suất nghiêm trọng, đó là đường xoắn vít gần với đầu mút chịu xoắn của bánh răng bé hơn; tải trọng tiếp tuyến được chia đều giữa hai đường xoắn vít, nghĩa là một chiều rộng khe hở nhỏ so với chiều dài răng trong mặt phẳng hướng trục (B-2bB) ≤ 0,5bB. Vì đối với tính toán KHβ đã sử dụng một nửa chiều dài răng trong mặt phẳng hướng trục (bao gồm cả một nửa chiều rộng khe hở), và các giá trị thu được là lớn, vì vậy, đối với các bánh răng nghiêng chữ V có chiều rộng khe hở lớn, phương pháp C2 của ISO 6336-1:1996 là thích hợp trong trường hợp này, xem 5.7.3.
6) Độ lệch xoắn hầu hết có thể được bù trừ bằng giao tuyến thẳng giữa mặt bên răng và mặt lăn hoặc thay đổi góc của đường xoắn vít. Ngoài ra, độ vồng là cần thiết khi có yêu cầu bù trừ cho độ lệch uốn.
7) Thay đổi toàn bộ cả hai đường xoắn vít là cần thiết. Thay đổi riêng phần góc của đường xoắn vít chỉ bù cho độ lệch xoắn là không thích hợp đối với các bánh răng nghiêng kép được bố trí đối xứng giữa các ổ trục. Các độ lệch xoắn và uốn hầu hết có thể được bù bằng thay đổi đường xoắn vít. Tuy nhiên, thường chỉ thay đổi đường xoắn vít gần nhất với đầu mút chịu tác dụng của momen xoắn vào là đủ; các độ lệch xoắn và uốn của đường xoắn vít kia có xu hướng bù trừ lẫn nhau. Nên kiểm tra xác minh đối với trường hợp này.
8) Với một vị trí thuận lợi của vết tiếp xúc, các biến dạng đàn hồi và sai lệch chế tạo sẽ bù trừ lẫn nhau (xem Hình 1, vai trò của bù trừ)
9) Áp dụng cho môđun m = 5 mm. Hệ số YX bao hàm ảnh hưởng của cỡ kích thước (xem 7.8).
10) Có thể xác định gần đúng độ lệch của răng khi sử dụng Ft (FmFtH...) thay cho Fbt. Sự chuyển đổi từ Ft thành Fbt (tải trọng tiếp tuyến với mặt trụ cơ sở) được bao hàm bởi các hệ số có liên quan, hoặc có thể bỏ qua các thay đổi do sự chuyển đổi này khi so sánh với các độ không ổn định khác (ví dụ, các dung sai của các giá trị đo).
11) Có thể giả thiết là c' tại giới hạn ngoài cùng của tiếp xúc một cặp răng xấp xỉ bằng giá trị lớn nhất của độ cứng vững đơn khi > 1,2.
12) Bỏ qua các lực phục hồi trong các khớp nối răng. Các lực phục hồi dẫn đến sự phân bố tải trọng không đều trên chiều dài răng trong mặt phẳng hướng trục có thể xảy ra khi các chi tiết của truyền động cứng vững và các đặc tính ma sát của các khớp nối mềm không đáp ứng yêu cầu.
Bạn chưa Đăng nhập thành viên.
Đây là tiện ích dành cho tài khoản thành viên. Vui lòng Đăng nhập để xem chi tiết. Nếu chưa có tài khoản, vui lòng Đăng ký tại đây!












