- Tổng quan
- Nội dung
- Tiêu chuẩn liên quan
- Lược đồ
- Tải về
Tiêu chuẩn TCVN 12035:2017 Xác định thời gian chảy của nhôm oxit sản xuất nhôm
| Số hiệu: | TCVN 12035:2017 | Loại văn bản: | Tiêu chuẩn Việt Nam |
| Cơ quan ban hành: | Bộ Khoa học và Công nghệ | Lĩnh vực: | Công nghiệp |
|
Ngày ban hành:
Ngày ban hành là ngày, tháng, năm văn bản được thông qua hoặc ký ban hành.
|
2017 |
Hiệu lực:
|
Đã biết
|
| Người ký: | Đang cập nhật |
Tình trạng hiệu lực:
Cho biết trạng thái hiệu lực của văn bản đang tra cứu: Chưa áp dụng, Còn hiệu lực, Hết hiệu lực, Hết hiệu lực 1 phần; Đã sửa đổi, Đính chính hay Không còn phù hợp,...
|
Đã biết
|
TÓM TẮT TIÊU CHUẨN VIỆT NAM TCVN 12035:2017
Nội dung tóm tắt đang được cập nhật, Quý khách vui lòng quay lại sau!
Tải tiêu chuẩn Việt Nam TCVN 12035:2017
TIÊU CHUẨN QUỐC GIA
TCVN 12035:2017
ISO 18843:2015
NHÔM OXIT DÙNG ĐỂ SẢN XUẤT NHÔM - PHƯƠNG PHÁP XÁC ĐỊNH THỜI GIAN CHẢY
Aluminium oxide primarily used for the production of aluminium - Method for the determination of flow time
Lời nói đầu
TCVN 12035:2017 hoàn toàn tương đương với ISO 18843:2015.
TCVN 12035:2017 do Ban kỹ thuật tiêu chuẩn quốc gia TCVN/TC47 Hóa học biên soạn, Tổng cục Tiêu chuẩn Đo lường Chất lượng đề nghị, Bộ Khoa học và Công nghệ công bố.
NHÔM OXIT DÙNG ĐỂ SẢN XUẤT NHÔM - PHƯƠNG PHÁP XÁC ĐỊNH THỜI GIAN CHẢY
Aluminium oxide primarily used for the production of aluminium - Method for the determination of flow time
1 Phạm vi áp dụng
Tiêu chuẩn này quy định phương pháp xác định lượng thời gian cần có đối với một lượng nhôm oxit nhiệt luyện chảy theo trọng lực qua phễu tiêu chuẩn được thiết kế chính xác.
CHÚ THÍCH: Sự thay đổi dụng cụ và các biến số thử nghiệm khác có thể tạo ra các kết quả khác nhau đáng kể trong thử nghiệm liên phòng.
2 Tài liệu viện dẫn
Các tài liệu viện dẫn sau đây là cần thiết để áp dụng tiêu chuẩn này. Đối với các tài liệu viện dẫn ghi năm công bố thì áp dụng bản được nêu. Đối với các tài liệu viện dẫn không ghi năm công bố thì áp dụng bản mới nhất, bao gồm cả các sửa đổi, bổ sung (nếu có).
AS 4538.2, Guide to the sampling of alumina - Part 2: Preparation of sample (Hướng dẫn lấy mẫu nhôm oxit - Phần 2: Chuẩn bị mẫu)
3 Nguyên tắc
Nạp một khối lượng xác định nhôm oxit vào phễu tiêu chuẩn. Xác định thời gian nhôm oxit chảy ra khỏi phễu.
4 Thiết bị, dụng cụ
4.1 Quy định chung
Để thực hiện thử nghiệm, có thể sử dụng thiết bị xác định thời gian tự động hoặc thủ công. Thiết bị tự động được thể hiện ở Hình 1.
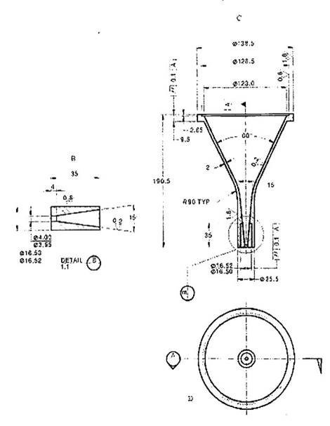
4.2 Phễu, được chế tạo chính xác từ vật liệu kim loại chống ăn mòn, như đồng thau hoặc nhôm, như được mô tả trong Hình 2, với cuống phễu là vật liệu chống mài mòn, như thép không gỉ tôi cứng, có đường kính ngoài nằm trong khoảng (3,95 mm đến 4,00) mm; chỉ số đường kính này rất quan trọng,
4.3 Khung, dụng cụ phù hợp để đỡ phễu.
4.4 Thiết bị định giờ, hoặc là đồng hồ đếm giờ hoặc thiết bị tự động có độ chính xác đến 1 s.
4.5 Cân điện tử, có khả năng cân 100 g, chính xác đến 0,1 g.
4.6 Sàng, có lỗ trong dải (300 đến 400) µm để loại bỏ vật liệu có kích cỡ lớn bất thường.
4.7 Hộp chứa, phù hợp để chứa mẫu thử.
4.8 Hộp chứa có thể đóng kín được, phù hợp để chứa và lưu giữ phễu.
5 Chuẩn bị mẫu
Ổn định mẫu phân tích bằng cách phơi mẫu trong không khí phòng thử nghiệm với độ dày tối đa là 5 mm trong khoảng thời gian ít nhất 2 h. Mẫu thử sau đó phải được chia tách như AS 4538.2 thành ba phần có khối lượng xấp xỉ (105 đến 120) g để thử nghiệm. Mẫu thử phải được lọc qua sàng (4.6) và loại bỏ vật liệu quá cỡ.
6 Cách tiến hành
6.1 Tổng quan
Quy trình này là để xác định thời gian thủ công.
6.2 Số phép xác định
Tiến hành ba lần xác định.
6.3 Phép xác định
Mỗi phép xác định phải được thực hiện như sau
a) Đảm bảo mặt phễu phải được làm sạch các oxit và phải khô trước khi sử dụng; nếu không, số lần chảy sẽ không có độ tái lập. Việc sử dụng phễu thường xuyên cho thấy là phương pháp làm sạch thích hợp.
b) Lắp ráp dụng cụ bằng cách đặt phễu (4.2) trên khung (4.3) ở môi trường không có rung động.
c) Đảm bảo phễu được đặt chắc chắn trên khung và bề mặt trên phẳng.
d) Đối với dụng cụ không được sử dụng thường xuyên, làm sạch phễu bằng cách cho một vài phần mẫu thử nhôm oxit qua phễu (xem a)]. Loại bỏ vật liệu này trước khi thử.
e) Lấy một trong những mẫu thử đã được chuẩn bị (xem Điều 5) và cân chính xác phần mẫu thử (100 ± 0,1) g và đặt vào trong hộp chứa (4.7). (xem Điều 5).
f) Đổ đồng đều phần mẫu thử vào phễu trong khi đầu ra ở cuống phễu đã được bịt kín lại.
g) Bắt đầu dòng chảy bằng cách loại bỏ chắn đầu ra và bật ngay thiết bị đo thời gian. Tắt thiết bị đo thời gian ngay khi toàn bộ mẫu thử đã đi qua phễu. Không được vỗ lên phễu.
h) Lặp lại quy trình với hai phần thử mẫu khác (Điều 5).
i) Lấy phễu ra khỏi khung và lau sạch phễu bằng vải khô. Cho phễu vào trong hộp bịt kín (4.8) để tránh tổn hại phần cuống phễu và giảm thiểu oxy hóa không khí bề mặt trong.
7 Báo cáo kết quả
Báo cáo kết quả của trung bình ba kết quả đạt được, chính xác đến hai chữ số.
8 Độ chụm
Chương trình thử nghiệm của phương pháp trong tiêu chuẩn này được thực hiện theo AS 2850. Từ kết quả của chương trình này, độ lặp lại trong phòng thử nghiệm (r) và độ tái lập giữa các phòng thử nghiệm (R) phải đạt được độ tin cậy 95% như được thể hiện ở Bảng 1.
CHÚ THÍCH: Các kết quả của chương trình thử nghiệm được đưa ra trong Phụ lục A.
Bảng 1 - Dữ liệu độ chụm đối với thời gian chảy
| Độ lặp lại (r) | Độ tái lập (R) |
| 2,7 | 9,7 |
9 Báo cáo thử nghiệm
Báo cáo thử nghiệm phải bao gồm các thông tin sau:
a) Nhận dạng mẫu thử;
b) Viện dẫn tiêu chuẩn này, nghĩa là TCVN 12035 (ISO 18843);
c) Thời gian chảy trung bình đối với mẫu thử;
d) Ngày thực hiện thử nghiệm;
e) Bất kỳ yếu tố nào trong quá trình thử nghiệm có thể có ảnh hưởng đến kết quả.

Hình 1 - Thiết bị xác định thời gian phễu chảy tự động

CHÚ DẪN
A trục đứng phễu
B khóa chèn cứng có lỗ bên trong với kích thước chi tiết theo hình vẽ
C mặt cắt ngang thẳng đứng
D nhìn từ phía trên
R90 TYP = bán kính điển hình 90 hoàn thành 3,2 UND
| Ø | = trục đứng dung sai ± 0,3 UND = tổng độ lệch tâm (nghĩa là dung sai bán kính là 0,1 mm) = đường kính = độ nhám (0,2 mm được coi là mịn, 1,6 mm là bình thường) = dung sai tối đa/tối thiểu |
Hình 2 - Phễu chảy
Phụ lục A
(tham khảo)
Kết quả thử theo kế hoạch
Thử theo kế hoạch của phương pháp theo tiêu chuẩn này được thực hiện theo AS 2850. Phân tích ba mẫu thử nhôm oxit nhiệt luyện. Các kết quả của phép thử bốn lần lặp lại được sáu phòng thử nghiệm cung cấp. Dữ liệu độ chụm trong phòng thử nghiệm (r) và giữa phòng thử nghiệm (R) (giới hạn độ tin cậy 95 %) và giá trị thời gian chảy trung bình được tính từ các kết quả được đưa ra trong Bảng A.1.
Bảng A.1 - Dữ liệu độ chụm đạt được sử dụng mẫu thử nghiệm
| Mẫu thử | Thời gian dòng chảy trung bình s | Độ lặp lại (r) | Độ tái lập (R) |
| S-109 | 47 | 1,5 | 7,3 |
| S-110 | 68 | 3,3 | 10,7 |
| S-111 | 82 | 2,9 | 10,8 |
Thư mục tài liệu tham khảo
[1] AS 4538.1, Guide to the sampling of alumina - Part 1: Sampling procedures (Hướng dẫn lấy mẫu nhôm oxit - Phần 1: Quy trình lấy mẫu)
[2] AS 2879.9, Alumina - Determination of flow time (Nhôm oxit - Xác định thời gian chảy)
MỤC LỤC
Lời nói đầu
1 Phạm vi áp dụng
2 Tài liệu viện dẫn
3 Nguyên tắc
4 Thiết bị, dụng cụ
5 Chuẩn bị mẫu
6 Cách tiến hành
7 Báo cáo kết quả
8 Độ chụm
9 Báo cáo thử nghiệm
Phụ lục A (tham khảo) Kết quả thử theo kế hoạch
Thư mục tài liệu tham khảo
Bạn chưa Đăng nhập thành viên.
Đây là tiện ích dành cho tài khoản thành viên. Vui lòng Đăng nhập để xem chi tiết. Nếu chưa có tài khoản, vui lòng Đăng ký tại đây!