- Tổng quan
- Nội dung
- Tiêu chuẩn liên quan
- Lược đồ
- Tải về
Tiêu chuẩn TCVN 11959:2017 Xác định độ chống thấm nước của vật liệu dệt
| Số hiệu: | TCVN 11959:2017 | Loại văn bản: | Tiêu chuẩn Việt Nam |
| Cơ quan ban hành: | Bộ Khoa học và Công nghệ | Lĩnh vực: | Công nghiệp |
|
Ngày ban hành:
Ngày ban hành là ngày, tháng, năm văn bản được thông qua hoặc ký ban hành.
|
2017 |
Hiệu lực:
|
Đã biết
|
| Người ký: | Đang cập nhật |
Tình trạng hiệu lực:
Cho biết trạng thái hiệu lực của văn bản đang tra cứu: Chưa áp dụng, Còn hiệu lực, Hết hiệu lực, Hết hiệu lực 1 phần; Đã sửa đổi, Đính chính hay Không còn phù hợp,...
|
Đã biết
|
TÓM TẮT TIÊU CHUẨN VIỆT NAM TCVN 11959:2017
Nội dung tóm tắt đang được cập nhật, Quý khách vui lòng quay lại sau!
Tải tiêu chuẩn Việt Nam TCVN 11959:2017
TIÊU CHUẨN QUỐC GIA
TCVN 11959:2017
ISO 18695:2007
VẬT LIỆU DỆT - XÁC ĐỊNH ĐỘ CHỐNG THẤM NƯỚC - PHÉP THỬ TÁC ĐỘNG THẤM
Textiles - Determination of resistance to water penetration - Impact penetration test
Lời nói đầu
TCVN 11959:2017 hoàn toàn tương đương với ISO 18695:2007, đã được rà soát và phê duyệt lại vào năm 2017 với bố cục và nội dung không thay đổi.
TCVN 11959:2017 do Ban kỹ thuật Tiêu chuẩn quốc gia TCVN/TC 38 Vật liệu dệt biên soạn, Tổng cục Tiêu chuẩn Đo lường Chất lượng đề nghị, Bộ Khoa học và Công nghệ công bố
VẬT LIỆU DỆT - XÁC ĐỊNH ĐỘ CHỐNG THẤM NƯỚC - PHÉP THỬ TÁC ĐỘNG THẤM
Textiles - Determination of resistance to water penetration - Impact penetration test
1 Phạm vi áp dụng
Tiêu chuẩn này áp dụng cho các loại vải dệt, có thể được hoặc không được xử lý hoàn tất cản nước hoặc kháng nước. Phép thử trong tiêu chuẩn này dùng để đo độ cản của vải đối với sự thấm nước do tác động thấp, bởi vậy có thể sử dụng để dự đoán độ chống thấm nước mưa của vải may quần áo. Phép thử này phù hợp cho các loại vải có cấu trúc từ lỏng đến vừa phải khi những loại vải này không chịu được điều kiện thử nghiệm khắc nghiệt của phép thử phun mưa Bundesmann TCVN 11956 (ISO 9865), hoặc phép thử mưa (ISO 22958). Không áp dụng tiêu chuẩn này cho vải không làm phẳng được dưới lực kéo căng.
2 Tài liệu viện dẫn
Các tài liệu viện dẫn sau rất cần thiết cho việc áp dụng tiêu chuẩn này. Đối với các tài liệu viện dẫn ghi năm công bố thì áp dụng phiên bản được nêu. Đối với các tài liệu viện dẫn không ghi năm công bố thì áp dụng phiên bản mới nhất bao gồm cả các sửa đổi, bổ sung (nếu có).
TCVN 1748 (ISO 139), Vật liệu dệt - Môi trường chuẩn để điều hòa và thử
3 Thuật ngữ và định nghĩa
Trong tiêu chuẩn này áp dụng các thuật ngữ và định nghĩa sau:
3.1 Độ cản nước (water resistance)
Đặc tính chống ướt và chống thấm nước.
4 Nguyên tắc
Thể tích nước được phun từ độ cao (610 ±10) mm vào mặt kéo căng của mẫu thử, phía sau có giấy thấm đã cân. Sau đó cân lại giấy thấm để xác định độ thấm nước và theo đó phân loại mẫu thử.
5 Lưu ý về an toàn
Phải tuân thủ đúng các quy định về thực hành trong phòng thử nghiệm. Đeo kính an toàn trong tất cả các khu vực thử nghiệm.
CHÚ THÍCH Các lưu ý về an toàn này chỉ nhằm mục đích thông tin. Các lưu ý này bổ sung cho qui trình thử nghiệm và không đầy đủ tất cả các thông tin. Trách nhiệm của người sử dụng là thực hiện các kỹ thuật an toàn và đúng trong khi xử lý vật liệu trong tiêu chuẩn này. Các nhà sản xuất phải được tham vấn về các chi tiết cụ thể như là cung cấp các tờ hướng dẫn về an toàn vật liệu và các khuyến nghị khác của nhà sản xuất.
6 Thuốc thử
6.1 Nước cất hoặc nước có độ tinh khiết tương đương, ở (27 ± 1) °C.
7 Thiết bị, dụng cụ
7.1 Thiết bị thử tác động thấm1)
7.1.1 Thiết bị thử loại 1 (xem Hình 1 và Hình 3)
7.1.2 Thiết bị thử loại 2 (xem Hình 2 và Hình 3)
7.2 Giấy thấm bằng vật liệu dệt trắng, dày (0,71 ± 0,1) mm, khối lượng (370 ± 4,5) g/m2, và có khả năng hấp thụ (220 ± 30) %2).
7.3 Cân thử nghiệm, chính xác đến 0,1 g.
8 Điều hòa
Điều hòa các mẫu thử và giấy thấm trong tối thiểu 4 h trước khi thử. Điều hòa và thử phải được thực hiện theo TCVN 1748 (ISO 139).
9 Mẫu thử
Cắt tối thiểu ba mẫu thử (178 ± 10) mm x (330 ± 10) mm từ vải thử có sợi dọc theo hướng dọc.
10 Cách tiến hành
10.1 Kẹp một đầu của mẫu thử bằng kẹp lò xo (152 ± 10) mm ở trên đỉnh của giá đặt nghiêng. Kẹp vào đầu tự do của mẫu thử bằng một kẹp khác (152 ± 10) mm, có tổng khối lượng (0,45 ± 0,05) kg. Cân giấy thấm chuẩn (152 ± 10) mm x (229 ± 10) mm, chính xác đến 0,1 g và cho vào phía dưới mẫu thử.
10.2 Rót (500 ± 10) ml nước cất (6.1) vào trong phễu của thiết bị thử và để cho phun vào mẫu thử. Nước phải được rót vào trong phễu mà không tạo ra chuyển động xoáy của nước trong phễu.
10.3 Trong khi hoàn thành thời gian phun (2 s sau khi dòng liên tục dừng lại), cẩn thận nhấc mẫu thử, lấy giấy thấm ra, sau đó nhanh chóng cân lại, chính xác đến 0,1 g.
11 Đánh giá
Ghi lại sự gia tăng khối lượng của giấy thấm, tính bằng gam, và kết quả trung bình đối với ba mẫu thử. Các lần xác định riêng rẽ hoặc các giá trị trung bình trên 5,0 g có thể được ghi lại đơn giản là + 5,0 g hoặc > 5 g.
12 Báo cáo thử nghiệm
Báo cáo thử nghiệm phải bao gồm các thông tin sau:
a) Viện dẫn tiêu chuẩn này;
b) Tất cả các thông tin cần thiết để nhận biết hoàn toàn mẫu được thử;
c) Số lượng các mẫu thử được thử;
d) Môi trường để điều hòa và thử;
e) Bất cứ sai lệch nào so với qui trình được quy định;
f) Kết quả thử.

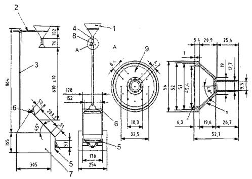
Hình 1 - Thiết bị thử tác động thấm - thiết bị thử loại 1

Hình 2 - Thiết bị thử tác động thấm - thiết bị thử loại 2
Kích thước tính bằng milimét

CHÚ DẪN
1 phễu thử nghiệm, 152 mm
2 giá đỡ thử nghiệm hình tròn
3 thanh kim loại, Ø 12,7 mm
4 ống cao su, 9,5 mm
5 kẹp lò xo bằng kim loại, 152 mm (494 g)
6 tấm thép có kẹp
7 giá đặt nghiêng
8 miệng đầu phun (xem chi tiết A)
9 hai mươi lăm lỗ, (0,99 ± 0,005) mm
a đồng thau
b đồng thiếc
Hình 3 - Các chi tiết kết cấu của thiết bị thử tác động thấm
Thư mục tài liệu tham khảo
[1] TCVN 11956 (ISO 9865), Vật liệu dệt - Xác định tính kháng nước của vải bằng phép thử phun mưa bundesmann
[2] ISO 22958, Textiles - Water resistance - Rain tests: exposure to a horizontal water spray
[3] AATCC Test Method 42 Water Resistance: Impact Penetration Test
1) Thiết bị thử tác động thấm là tên của sản phẩm được cung cấp bởi AATCC, PO Box 12215, Research Triangle Park, NC 27709-2215, Mỹ; điện thoại: +1-919-549-8141; Fax: +1-919-549-8933; http://www.aatcc.org/. Thông tin này đưa ra nhằm tạo thuận lợi cho người sử dụng tiêu chuẩn và không phải là chỉ định của ISO về sản phẩm được nêu. Có thể sử dụng các sản phẩm tương đương nếu nó cho ra kết quả tương tự.
2) Giấy thấm bằng vật liệu dệt trắng là tên thương mại của sản phẩm được cung cấp bởi AATCC, PO Box 12215, Research Triangle Park, NC 27709-2215, Mỹ; điện thoại: +1-919-549-8141; Fax: +1-919-549-8933; http://www.aatcc.org/. Thông tin này đưa ra nhằm tạo thuận lợi cho người sử dụng tiêu chuẩn và không phải là chỉ định của ISO về sản phẩm được nêu. Có thể sử dụng các sản phẩm tương đương nếu nó cho ra kết quả tương tự.
Bạn chưa Đăng nhập thành viên.
Đây là tiện ích dành cho tài khoản thành viên. Vui lòng Đăng nhập để xem chi tiết. Nếu chưa có tài khoản, vui lòng Đăng ký tại đây!