- Tổng quan
- Nội dung
- Tiêu chuẩn liên quan
- Lược đồ
- Tải về
Tiêu chuẩn Quốc gia TCVN 7688:2007 ISO 2407:1997 Điều kiện kiểm máy mài tròn trong có trục chính nằm ngang - Kiểm độ chính xác
| Số hiệu: | TCVN 7688:2007 | Loại văn bản: | Tiêu chuẩn Việt Nam |
| Cơ quan ban hành: | Bộ Khoa học và Công nghệ | Lĩnh vực: | Công nghiệp |
|
Ngày ban hành:
Ngày ban hành là ngày, tháng, năm văn bản được thông qua hoặc ký ban hành.
|
2007 |
Hiệu lực:
|
Đã biết
|
| Người ký: | Đang cập nhật |
Tình trạng hiệu lực:
Cho biết trạng thái hiệu lực của văn bản đang tra cứu: Chưa áp dụng, Còn hiệu lực, Hết hiệu lực, Hết hiệu lực 1 phần; Đã sửa đổi, Đính chính hay Không còn phù hợp,...
|
Đã biết
|
TÓM TẮT TIÊU CHUẨN VIỆT NAM TCVN 7688:2007
Nội dung tóm tắt đang được cập nhật, Quý khách vui lòng quay lại sau!
Tải tiêu chuẩn Việt Nam TCVN 7688:2007
TCVN 7688:2007
ISO 2407:1997
ĐIỀU KIỆN KIỂM MÁY MÀI TRÒN TRONG CÓ TRỤC CHÍNH NẰM NGANG - KIỂM ĐỘ CHÍNH XÁC
Test conditions for internal cylindrical grinding machines with horizontal spindle –Testing of accuracy
Lời nói đầu
TCVN 7688:2007 thay thế cho phần kiểm độ chính xác của TCVN 1998:1977
TCVN 7688:2007 hoàn toàn tương đương với ISO 2407:1997.
TCVN 7688:2007 do Ban kỹ thuật TCVN/TC39 - Máy công cụ biên soạn, Tổng cục Tiêu chuẩn Đo lường Chất lượng đề nghị, Bộ Khoa học và Công nghệ công bố.
ĐIỀU KIỆN KIỂM MÁY MÀI TRÒN TRONG CÓ TRỤC CHÍNH NẰM NGANG - KIỂM ĐỘ CHÍNH XÁC.
Test conditions for internal cylindrical grinding machines with horizontal spindle - Testing of accuracy
1. Phạm vi áp dụng
Tiêu chuẩn này quy định các phương pháp kiểm hình học và kiểm gia công trên các máy mài tròn trong thông dụng độ chính xác thông thường có trục chính nằm ngang, với tham chiếu các tiêu chuẩn TCVN 7011-1.
Tiêu chuẩn này cũng quy định các dung sai có thể áp dụng tương ứng đối với các phép kiểm trên.
Tiêu chuẩn này chỉ áp dụng để kiểm độ chính xác hình học của máy, không áp dụng để kiểm vận hành máy (độ rung, độ ồn bất thường, chuyển động dính trượt của các bộ phận, v.v...) hoặc các đặc tính của máy (tốc độ trục chính, tốc độ tiến, v.v...).
Các phép kiểm này thường được tiến hành trước khi kiểm độ chính xác.
Tiêu chuẩn này quy định các thuật ngữ được sử dụng cho các bộ phận chính của máy và ký hiệu của trục theo ISO 841[1].
CHÚ THÍCH: Ngoài các thuật ngữ được sử dụng trong ba ngôn ngữ chính thức của ISO (Anh, Pháp, Nga). Các thuật ngữ tương đương theo tiếng Đức, Italia tương ứng với Hình 1 xem Phụ lục A.
2. Tài liệu viện dẫn
Trong tiêu chuẩn này có viện dẫn các tài liệu sau. Đối với các tài liệu viện dẫn ghi năm ban hành thì áp dụng bản dưới đây. Đối với các tài liệu viện dẫn không ghi năm ban hành thì áp dụng phiên bản mới nhất, bao gồm cả các sửa đổi.
TCVN 7011-1:2007 (ISO 230-1:1996) Quy tắc kiểm máy công cụ - Độ chính xác hình học của máy khi vận hành trong điều kiện không tải hoặc gia công tinh.
3. Các định dạng máy
3.1. Mô tả
Đặc tính chung của các máy mài tròn trong có trục chính nằm ngang là máy có ít nhất cả hai ụ phôi nằm ngang, đầu mài trên băng máy và các trục chính đối diện với nhau.
Ụ phôi có thể xoay quanh trục chính thẳng đứng (trục B) đối với các bề mặt mài côn.
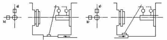
Tùy thuộc vào thiết kế máy, một trong hai (ụ phôi và đầu mài) có thể di chuyển dọc theo trục X. Đầu mài thường di chuyển dọc theo trục Z (xem Hình 1 và Hình 2).
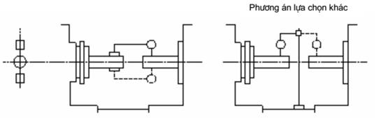
Trong một số trường hợp các máy này được trang bị một bánh mài mặt ngoài. Điều này có thể thực hiện bằng một đầu mài thứ hai được chỉ dẫn trên Hình 3 hoặc thêm một đồ gá đầu mài quay. Đồ gá này thường được lắp trên ụ phôi với chuyển động theo đường thẳng (trục W) song song với trục Z và chuyển động quay (trục C) quanh trục W (xem Hình 4).
3.2. Thuật ngữ và ký hiệu trục
Xem Hình1 đến Hình 4 và Bảng 1
|
|
|
| Hình 1 | Hình 2 |
|
|
|
|
|
|
| Hình 3 | Hình 4 |
Bảng 1 - Thuật ngữ
| Số tham chiếu | Tên bộ phận | ||
| Tiếng Việt | Tiếng Anh | Tiếng Pháp | |
| 1 | Băng máy | Bed | Banc |
| 2 | Đầu mài | Wheelhead | Poupée porte-meule |
| 3 | Bàn trượt ngang của đầu mài | Wheelhead cross slide | Chariot transversal de poupée porte-meule |
| 4 | Bàn tiến đầu mài | Wheelhead carriage | Chariot de poupée porte-meule |
| 5 | Trục chính bánh mài | Wheel spindle | Broche porte-meule |
| 6 | bánh mài trong | Internal grinding wheel | Meule intérieure |
| 7 | Ụ phôi xoay được | Workhead (swivelling) | Poupée porte-pièce (pivotante) |
| 8 | Bàn trượt ngang của ụ phôi | Workhead cross slide | Chariot transversal de poupée porte-pièce |
| 9 | Đầu kẹp phôi gia công | Workpiece holder | Porte-pièce |
| 10 | Bộ phận bảo vệ phôi gia công | Workpiece guard | Protecteur de la pièce |
| 11 | Bộ phận bảo vệ bánh mài | Wheel guard | Carter de meule |
| 12 | Đầu mài (mặt)cạnh | Facing wheelhead | Poupée porte-meule à surfacer |
| 13 | Cần quay (có truyền động và nắp bao che) | Swivel arm (with drive and guard) | Bras pivotant (avec dispositif d'entraînement et protecteur |
| 14 | Trục chính mài mặt cạnh | Facing spindle | Broche-meule à surfacer |
| 15 | Bánh mài (mặt) cạnh | Facing wheel | Meule à surfacer |
| 16 | Trục của bánh mài (mặt) cạnh | Facing wheel quill | Coulant de meule à surfacer |
4. Quy định chung
4.1. Đơn vị đo
Trong tiêu chuẩn này toàn bộ kích thước dài, sai lệch và các dung sai tương ứng được biểu thị bằng milimét, kích thước góc được biểu thị bằng độ, sai lệch góc và dung sai tương ứng. Được biểu thị chủ yếu theo tỷ số nhưng trong một vài trường hợp, có thể sử dụng micrô-radian hoặc cung-giây. Phải tuân theo biểu thức đơn vị tương đương sau:
0,010/1000 = 10 x10-6 = 10µrad ≈ 2”
4.2. Tham chiếu TCVN 7011-1
Để áp dụng tiêu chuẩn này, phải tham chiếu TCVN 7011-1 đặc biệt là phần lắp đặt máy trước khi kiểm, làm nóng trục chính và các bộ phận chuyển động khác, mô tả các phương pháp đo và độ chính xác của thiết bị kiểm
Các ô “quan sát” của phép kiểm được mô tả trong các phần sau đây, các hướng dẫn kèm theo các điều tham chiếu tương ứng trong TCVN 7011-1 trong trường hợp các phép kiểm có liên quan theo đúng các quy định của TCVN 7011.
4.3. Trình tự kiểm
Trình tự các phép kiểm trong tiêu chuẩn này không quy định cho kiểm thực tế. Để lắp đặt dụng cụ đo hoặc đầu đo dễ dàng, các phép kiểm có thể tiến hành theo bất kỳ thứ tự nào.
4.4. Thực hiện các phép kiểm
Để kiểm máy, không cần thiết phải kiểm toàn bộ các mục kiểm cho trong tiêu chuẩn này. Khi kiểm nghiệm thu, người sử dụng lựa chọn các phép kiểm có liên quan đến các bộ phận hoặc các tính chất mà họ quan tâm theo thỏa thuận với nhà chế tạo hoặc nhà cung cấp. Các phép kiểm này phải được quy định rõ ràng trong hợp đồng mua máy. Sự tham chiếu tiêu chuẩn này cho kiểm nghiệm thu mà không quy định các phép kiểm được tiến hành, không có sự thỏa thuận về chi phí liên quan, không thể được xem là ràng buộc đối với bất kỳ bên tham gia hợp đồng nào.
4.5. Dụng cụ đo
Dụng cụ đo chỉ dẫn trong các phép kiểm được mô tả trong các đoạn dưới chỉ là ví dụ. Có thể sử dụng dụng cụ đo khác có cùng số lượng và cùng độ chính xác. Đồng hồ so phải có độ phân giải 0,001 hoặc nhỏ hơn.
4.6. Kiểm gia công
Kiểm gia công chỉ được tiến hành với gia công tinh, không kiểm với gia công thô vì có khả năng tạo ra lực cắt đáng kể.
4.7. Dung sai nhỏ nhất
Khi thiết lập dung sai cho một chiều dài đo khác so với giá trị cho trong tiêu chuẩn này (xem 2.3.1.1 của TCVN 7011-1) thì phải xem xét đến giá trị nhỏ nhất của dung sai là 0,005.
4.8. Sơ đồ
Để đơn giản, các sơ đồ trong Điều 5 và Điều 6 của tiêu chuẩn này chỉ mô tả một kiểu máy.
5. Kiểm hình học
5.1. Chuyển động của trục thẳng
| Đối tượng Kiểm độ thẳng của chuyển động trượt của ụ mài (hoặc ụ phôi) dọc theo trục Z: | G1 | |
| a) Trong mặt phẳng thẳng đứng; b) Trong mặt phẳng nằm ngang. | ||
| Sơ đồ
| ||
| Dung sai a) 0,015 trên chiều dài đo 300 b) 0,008 trên chiều dài đo 300 | (Sai lệch đo được) a) b) | |
| Dụng cụ đo Thước thẳng hoặc trục kiểm và đồng hồ so | ||
| Quan sát và tham chiếu 5.2.3.2.1 của TCVN 7011-1 Khi sử dụng thước thẳng, giá đỡ đồng hồ so phải được đặt trên phần cố định của máy, mũi dò của đồng hồ so tiếp xúc với thước thẳng được đặt song song với hướng chuyển động dọc của bàn máy. Khi sử dụng trục kiểm, giá đỡ của đồng hồ so phải được đặt trên đầu mài và trục kiểm được lắp vào đầu trục chính phôi. Phép kiểm được lắp lại sau khi xoay trục chính 180o. | ||
| Đối tượng | G2 | |
| Kiểm độ vuông góc giữa chuyển động của bàn trượt ngang của đầu mài hoặc bàn trượt ngang của ụ phôi (trục X) và chuyển động của trục Z. | ||
| Sơ đồ
| ||
| Dung sai 0,02/300 ở đây 300 là khoảng cách giữa hai điểm đo | (Sai lệch đo được) | |
| Dụng cụ đo Trục kiểm và đồng hồ so có giá đỡ | ||
| Quan sát và tham chiếu 5.5.1.2.3.2 của TCVN 7011-1 Đưa trục kiểm vào trong lỗ trục chính phôi và điều chỉnh ụ phôi để sao cho đường tâm của trục chính song song với chuyển động của trục Z. Cố định giá đỡ đồng hồ so trên trục kiểm, cho mũi dò của đồng hồ so tiếp xúc một điểm của trục chính bánh mài. Quay trục chính gia công 180o và di chuyển trục X cho đến khi mũi dò của đồng hồ so tiếp xúc lại lần nữa tại cùng một điểm. Hiệu các số chỉ của đồng hồ so tương ứng với dịch chuyển 300 cho sai lệch của độ vuông góc. | ||
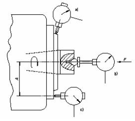
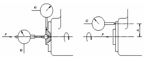
5.2. Trục chính gia công
| Đối tượng | G3 | |
| Kiểm chuyển động quay của trục chính gia công: a) Độ đảo hướng kính của bề mặt định tâm ngoài; b) Độ trượt chiều trục chu kỳ; c) Độ đảo mặt đầu của bề mặt tỳ (bao gồm cả độ trượt chiều trục chu kỳ). | ||
| Sơ đồ
| ||
| Dung sai a) 0,005 b) 0,005 c) 0,01 | (Sai lệch đo được) a) b) c) | |
| Dụng cụ đo Đồng hồ so | ||
| Quan sát và tham chiếu TCVN 7011-1 a) 5.6.1.2.2 Trong trường hợp đầu trục chính côn, mũi dò của đồng hồ so phải được đặt vuông góc với bề mặt được kiểm. b) 5.6.2.2.1 và 5.6.2.2.2 c) 5.6.3.1 và 5.6.3.2 Khoảng cách A tính từ đường tâm của trục chính đến đồng hồ so phải lớn đến mức có thể. Giá trị và chiều của lực dọc trục F phải do nhà cung cấp hoặc nhà chế tạo quy định. Khi dùng các ổ chặn có gia tải trước thì không cần sử dụng lực. | ||
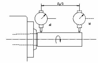
| Đối tượng | G4 | |
| Kiểm độ đảo hướng kính của côn trong hoặc côn định tâm trong của trục chính gia công: a) Tại gần đầu mút của mặt côn; b) Tại khoảng cách Da/2 tính từ đầu mút mặt côn (nhỏ nhất là 100 và lớn nhất là 300). Ở đây, Da là đường kính phôi cho phép lớn nhất. | ||
| Sơ đồ
| ||
| Dung sai a) 0,005 b) 0,015 cho chiều dài đo 300 | (Sai lệch đo được) a) b) | |
| Dụng cụ đo Trục kiểm phù hợp với kiểu đầu mút trục chính và đồng hồ so | ||
| Quan sát và tham chiếu 5.6.1.2.3 của TCVN 7011-1 Trong trường hợp côn trong, phép kiểm được tiến hành với sự trợ giúp của trục kiểm. Trong trường hợp là mặt trụ định tâm trong, phép kiểm được tiến hành với sự trợ giúp của đồng hồ so, không sử dụng trục kiểm. Trong trường hợp này, giá trị của a) sẽ được lấy theo dung sai. CHÚ THÍCH: Khi khoảng cách Da/2 khác 300, dung sai T của b) phải được xác định bằng công thức sau:
| ||
| Đối tượng Kiểm độ song song giữa đường tâm trục chính kẹp phôi và chuyển động trục Z của đầu mài (hoặc ụ phôi): | G5 | |
| a) Trong mặt phẳng thẳng đứng; b) Trong mặt phẳng nằm ngang. | ||
| Sơ đồ
| ||
| Dung sai a) 0,025 đối với chiều dài đo đến 300 b) 0,01 đối với chiều dài đo 300 | (Sai lệch đo được) a) b) | |
| Dụng cụ đo Trục kiểm và đồng hồ so | ||
| Quan sát và tham chiếu 5.4.1.2.1 và 5.4.2.2.3 của TCVN 7011-1 Đầu tiên phép kiểm được tiến hành tại một vị trí của trục chính kẹp phôi và được lặp lại sau khi xoay trục chính 180o. Giá trị trung bình phải được lấy tại mỗi vị trí đo để đánh giá sai lệch. | ||
| Đối tượng | G6 | |
| Kiểm độ song song giữa mặt phẳng xoay ụ phôi và trục X. | ||
| Sơ đồ
| ||
| Dung sai 0,01 đối với l = 100 | (Sai lệch đo được) a) b) | |
| Dụng cụ đo Trục kiểm và đồng hồ so | ||
| Quan sát và tham chiếu 5.4.3.2.2 của TCVN 7011-1 Lấy số chỉ của đồng hồ so khi ụ phôi được khóa ở vị trí A. Xoay ụ phôi hướng về vị trí ngoài B. Di chuyển bàn trượt ngang để đạt được số chỉ của đồng hồ so tại B. | ||
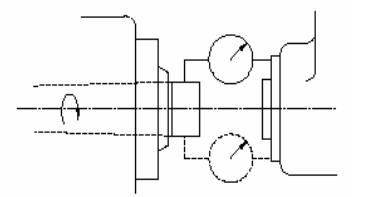
5.3. Trục chính bánh mài
| Đối tượng | G7 | |
| Kiểm độ đảo hướng kính của côn trong của trục chính mài (đường kính lắp bánh mài): a) tại gần đầu mút của mặt côn: b) tại khoảng cách Da/2 tính từ đầu mút mặt côn(nhỏ nhất là 100 và lớn nhất là 200) Ở đây, Da là đường kính gia công được lớn nhất của phôi gia công | ||
| Sơ đồ
| ||
| Dung sai a) 0,005 b) 0,01 đối với chiều dài đo 200 | (Sai lệch đo được) a) b) | |
| Dụng cụ đo Trục kiểm phù hợp với kiểu đầu mút trục chính và đồng hồ so | ||
| Quan sát và tham chiếu 5.6.1.2.3 của TCVN 7011-1 Trong trường hợp côn trong, phép kiểm được tiến hành với sự trợ giúp của trục kiểm. Trong trường hợp là mặt trụ định tâm trong, phép kiểm được tiến hành với sự trợ giúp của đồng hồ so, không sử dụng trục kiểm. Trong trường hợp này, giá trị của a) sẽ được lấy theo dung sai. CHÚ THÍCH: khi khoảng cách Da/2 khác 200, dung sai, T của b) phải được xác định bằng công thức sau:
| ||
| Đối tượng | G8 | |
| Kiểm độ song song giữa đường tâm trục chính bánh mài và chuyển động trục Z của đầu mài (hoặc ụ phôi): c) trong mặt phẳng thẳng đứng; d) trong mặt phẳng nằm ngang. | ||
| Sơ đồ
| ||
| Dung sai a) 0,02 đối với chiều dài đo đến 300 b) 0,01 đối với chiều dài đo 300 | (Sai lệch đo được) a) b) | |
| Dụng cụ đo Trục kiểm và đồng hồ so | ||
| Quan sát và tham chiếu 5.4.1.2.1 và 5.4.2.2.3 của TCVN 7011-1 Đầu tiên phép kiểm được tiến hành tại một vị trí của trục chính bánh mài và được lặp lại sau khi xoay trục chính 180o. Giá trị trung bình phải được lấy tại mỗi vị trí đo để đánh giá sai lệch. | ||
|
| ||
| Đối tượng Kiểm độ cách đều (khác nhau theo chiều cao) của đường tâm trục chính phôi và đường tâm trục chính mài trong mặt phẳng thẳng đứng. | G9 | |
|
| ||
| Sơ đồ
| ||
| Dung sai 0,025 | (Sai lệch đo được) | |
| Dụng cụ đo Đồng hồ so và giá đỡ đồng hồ so hoặc giá đỡ chuyên dùng | ||
| Quan sát và tham chiếu 5.4.3.2.1 của TCVN 7011-1 Phép kiểm phải được tiến hành trong mặt phẳng thẳng đứng sau khi đặt được độ thẳng hàng trong mặt phẳng nằm ngang. Trong trường hợp lựa chọn, phép kiểm có thể tiến hành với sự hỗ trợ của đồng hồ so đặt trực tiếp lên mặt phẳng chuẩn ZX (bao gồm các chuyển động của trục X và trục Z) mà mặt phẳng của đường hướng được cung cấp là phẳng. | ||
5.4. Mặt trục chính đầu mài
| Đối tượng | G10 | |
| Kiểm mặt trục chính đầu mài: a) độ đảo hướng kính của bề mặt định tâm ngoài; b) độ trượt chiều trục chu kỳ. c) độ đảo mặt đầu của bề mặt tựa trước (bao gồm cả độ trượt chiều trục chu kỳ). | ||
| Sơ đồ
| ||
| Dung sai a) 0,005 b) 0,005 c) 0,01 | (Sai lệch đo được) a) b) c) | |
| Dụng cụ đo Đồng hồ so | ||
| Quan sát và tham chiếu TCVN 7011-1 a) 5.6.1.2.1 và 5.6.1.2.2; Trong trường hợp đầu mút trục chính côn, mũi dò của đồng hồ so phải được đặt vuông góc với bề mặt được kiểm. b) 5.6.2.2.1 và 5.6.2.2.2; c) 5.6.3.1 và 5.6.3.2; Khoảng cách A của đồng hồ so tính từ đường tâm trục chính phải lớn nhất đến mức có thể. Giá trị và hướng của lực chiều trục F được tác dụng phải do nhà chế tạo/nhà cung cấp quy định. Khi sử dụng ổ chặn có đặt tải trước thì không cần tác động lực chiều trục. | ||
| Đối tượng | G11 | |
| Kiểm độ vuông góc giữa mặt bích của trục chính và đường tâm của trục chính kẹp phôi. | ||
| Sơ đồ
| ||
|
| ||
| Dung sai 0,02/300 Ở đây 300 là khoảng cách giữa hai điểm đo. | (Sai lệch đo được) | |
| Dụng cụ đo Đồng hồ so và giá đỡ chuyên dùng. | ||
| Quan sát và tham chiếu 5.5.1.2.1 và 5.5.1.2.4.2 của TCVN 7011-1 | ||
| Đối tượng | G12 | |
| Kiểm độ song song giữa đường tâm trục chính và sự chuyển động theo trục Z (của đầu mài hoặc ụ phôi); a) trong mặt phẳng thẳng đứng; b) trong mặt phẳng nằm ngang; | ||
| Sơ đồ
| ||
| Dung sai a) 0,02 trên chiều dài đo 300 (đầu mút của trục kiểm hướng lên trên) b) 0,01 trên chiều dài đo 300 | (Sai lệch đo được) a) b) | |
| Dụng cụ đo Đồng hồ so và giá đỡ đặc biệt | ||
| Quan sát và tham chiếu 5.4.1.2.1 và 5.4.2.2.3 của TCVN 7011-1 Đầu tiên phép kiểm được tiến hành tại một vị trí của trục chính bánh mài và được lặp lại sau khi xoay trục chính 180o. Giá trị trung bình phải được lấy tại mỗi vị trí đo để đánh giá sai lệch. | ||
| Đối tượng | G13 | |
| Kiểm độ vuông góc giữa chuyển động quay của đầu mài mặt cạnh và đường tâm của trục chính kẹp phôi. | ||
| Sơ đồ
| ||
| Dung sai 0,01 đối với chiều dài đo 300 với α ≥ 90o | (Sai lệch đo được) | |
| Dụng cụ đo Đồng hồ so và đĩa phẳng hoặc thước thẳng | ||
| Quan sát và tham chiếu 5.5.2.2.3 của TCVN 7011-1 | ||
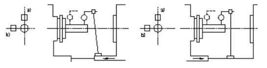
6. Kiểm định vị
| Đối tượng | P1 | |
| Kiểm khả năng lặp lại đến vị trí cuối của bàn trượt ngang đầu mài (hoặc bàn trượt ngang ụ phôi) | ||
| Sơ đồ
| ||
| Dung sai 0,002 | (Sai lệch đo được) | |
| Dụng cụ đo Đồng hồ so | ||
| Quan sát và tham chiếu TCVN 7011-1 Tiến hành kiểm 5 lần đối với việc định vị bàn trượt ngang của đầu mài (hoặc định vị bàn trượt ngang ụ phôi), sự chuyển động sẽ đạt được bằng tiếp cận nhanh và sau đó là tiếp cận chậm | ||
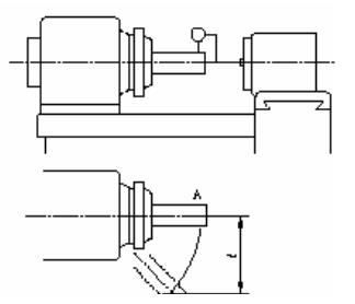
7. Kiểm gia công
| Nội dung phép kiểm | M1 | ||||||||||||||||||
| Mài lỗ của mẫu kiểm lắp trên mâm cặp | |||||||||||||||||||
| Sơ đồ
| Kích thước tính bằng milimét
| ||||||||||||||||||
| Các điều kiện cắt Mài dọc theo toàn bộ chiều dài l (không có giá đỡ trục) | |||||||||||||||||||
| Các phép kiểm được ứng dụng | |||||||||||||||||||
| a) Độ tròn
| b) Độ ổn định của đường kính: mức biến đổi của đường kính đo được tại hai đầu và tại vị trí giữa của mẫu kiểm
| ||||||||||||||||||
| Dung sai a) 0,003 b) 0,005 đối với l = 25 0,005 l = 50 0,010 l = 100 0,015 l = 150 | (Sai lệch đo được) a)
b) | ||||||||||||||||||
| Dụng cụ đo Dụng cụ đo lỗ | |||||||||||||||||||
| Quan sát và tham chiếu 4.1 và 4.2 của TCVN 7011-1 Phép kiểm độ tròn phải được tiến hành trên nhiều vị trí mẫu kiểm và ghi lại giá trị lớn nhất của sai lệch. Phép đo độ ổn định của đường kính phải tiến hành trong một mặt phẳng chiều trục CHÚ THÍCH: Bất kể côn như thế nào đường kính lớn nhất của côn phải ở gần ụ phôi | |||||||||||||||||||
| Nội dung phép kiểm | M2 | ||
| Bề mặt của mẫu kiểm: d1 ≤ 2 D/3 l ≤ 2d2/3 | |||
| Sơ đồ
|
| ||
| Các điều kiện cắt Mẫu kiểm phải được lắp trên một mâm cặp có bề mặt định vị hoặc kẹp trong mâm cặp. Đường tâm của trục chính gia công phải song song với chuyển động của trục Z. Mặt cạnh của bề mặt cạnh định vị phải vuông góc với trục chính gia công. |
| ||
| Phép kiểm Độ phẳng của bề mặt mài |
| ||
| Dung sai 0,01 đối với d1 = 300 Mẫu kiểm được gia công phải phẳng hoặc lõm | (Sai lệch đo được) |
| |
| Dụng cụ đo Thước thẳng và căn mẫu thay cho tấm kiểm và đồng hồ so |
| ||
| Quan sát và tham chiếu 4.1 và 4.2 của TCVN 7011-1 |
| ||
Phụ lục A
(tham khảo)
Các thuật ngữ tương đương theo tiếng Đức và tiếng Italia
| Số tham chiếu | Tiếng Đức | Tiếng Italia |
| 1 | Bett | Banco |
| 2 | Schleifspindelstock | Testa porta-mola |
| 3 | Schleifspindelquerschlitten | Slitta trasversale della testa porta-mola |
| 4 | Schleifspindellängsschlitten | Slitta longitudinale della testa porta-mola |
| 5 | Schleifspindel | Mandrino porta-mola |
| 6 | Innenschleifscheibe | Mola per interni |
| 7 | Werkstückspindelstock (schwenkbar) | Testa porta-pezzo orientabile |
| 8 | Werkstückspindelstockschlitten | Slitta trasversale della testa porta-pezzo |
| 9 | Werkstückspi ndel-Aufnahme | Attrezzo del mandrino porta-pezzo |
| 10 | Werkstück-Schutzeinrichtung | Dispositivo di protezione del pezzo |
| 11 | Werkzeug-Schutzeinrichtung | Riparo della mola |
| 12 | Planschleifeinrichtung | Testa porta-mola a sfacciare |
| 13 | Schwenkarm (mit Antrieb und Antriebsabdeckung) | Braccio orientabile con trasmissione e riparo |
| 14 | Planschleifspindel | Mandrino porta-mola a sfacciare |
| 15 | Planschleifscheibe | Mola a sfacclare |
| 16 | Schwenkarmachse | Cannotto della mola a sfacciare |
Phụ lục B
(tham khảo)
Thư mục tài liệu tham khảo
[1] ISO 841:2001 Industrial automation systems - Numerical control of machines - Coordinate system and motion nomenclature.(Hệ thống tự động công nghiệp - Máy điều khiển số - Hệ thống tọa độ và danh mục các chuyển động)
Bạn chưa Đăng nhập thành viên.
Đây là tiện ích dành cho tài khoản thành viên. Vui lòng Đăng nhập để xem chi tiết. Nếu chưa có tài khoản, vui lòng Đăng ký tại đây!





















