- Tổng quan
- Nội dung
- Tiêu chuẩn liên quan
- Lược đồ
- Tải về
Tiêu chuẩn Quốc gia TCVN 7583-1:2006 Bản vẽ kỹ thuật - Ghi kích thước và dung sai
| Số hiệu: | TCVN 7583-1:2006 | Loại văn bản: | Tiêu chuẩn Việt Nam |
| Cơ quan ban hành: | Bộ Khoa học và Công nghệ | Lĩnh vực: | Công nghiệp |
|
Ngày ban hành:
Ngày ban hành là ngày, tháng, năm văn bản được thông qua hoặc ký ban hành.
|
29/12/2006 |
Hiệu lực:
|
Đã biết
|
| Người ký: | Đang cập nhật |
Tình trạng hiệu lực:
Cho biết trạng thái hiệu lực của văn bản đang tra cứu: Chưa áp dụng, Còn hiệu lực, Hết hiệu lực, Hết hiệu lực 1 phần; Đã sửa đổi, Đính chính hay Không còn phù hợp,...
|
Đã biết
|
TÓM TẮT TIÊU CHUẨN VIỆT NAM TCVN 7583-1:2006
Nội dung tóm tắt đang được cập nhật, Quý khách vui lòng quay lại sau!
Tải tiêu chuẩn Việt Nam TCVN 7583-1:2006
TCVN 7583-1:2006
ISO 129-1:2004
BẢN VẼ KỸ THUẬT - GHI KÍCH THƯỚC VÀ DUNG SAI - PHẦN 1: NGUYÊN TẮC CHUNG
Technical drawings - Indication of dimensions and tolerances - Part 1: General principles
Lời nói đầu
TCVN 7583-1:2006 hoàn toàn phù hợp với ISO 129-1:2004
TCVN 7583-1:2006 do Ban kỹ thuật Tiêu chuẩn TCVN/TC 10 - Vẽ kỹ thuật biên soạn, Tổng cục Tiêu chuẩn Đo lường Chất lượng đề nghị, Bộ Khoa học và Công nghệ ban hành.
Tiêu chuẩn này được chuyển đổi năm 2008 từ Tiêu chuẩn Việt Nam cùng số hiệu thành Tiêu chuẩn Quốc gia theo quy định tại khoản 1 Điều 69 của Luật Tiêu chuẩn và Quy chuẩn kỹ thuật và điểm a khoản 1 Điều 6 Nghị định số 127/2007/NĐ-CP ngày 1/8/2007 của Chính phủ quy định chi tiết thi hành một số điều của Luật Tiêu chuẩn và Quy chuẩn kỹ thuật.
BẢN VẼ KỸ THUẬT - GHI KÍCH THƯỚC VÀ DUNG SAI - PHẦN 1: NGUYÊN TẮC CHUNG
Technical drawings - Indication of dimensions and tolerances - Part 1: General principles
1. Phạm vi áp dụng
Tiêu chuẩn này quy định nguyên tắc chung về ghi kích thước, áp dụng cho tất cả các loại bản vẽ kỹ thuật.
CHÚ THÍCH: Các hình vẽ trong tiêu chuẩn này chỉ nhằm minh họa cho văn bản mà không có dự định để phản ánh đúng ứng dụng trong thực tế. Do đó các hình vẽ này được vẽ đơn giản hóa chỉ nhằm minh họa các nguyên tắc chung áp dụng trong các lĩnh vực kỹ thuật có liên quan.
Các quy tắc bổ sung và riêng biệt hơn, cũng như các vấn đề chi tiết về cách ghi kích thước cho lĩnh vực xây dựng được nêu trong ISO 6284.
2. Tài liệu viện dẫn
Các tài liệu viện dẫn dưới đây là không thể thiếu được khi áp dụng tiêu chuẩn này. Những tiêu chuẩn trích dẫn có ghi năm ban hành thì áp dụng lần xuất bản đã viện dẫn. Đối với các tiêu chuẩn viện dẫn không ghi năm ban hành, khi tham khảo cần theo lần xuất bản mới nhất.
TCVN 8-20:2002 (ISO 128-20) Bản vẽ kỹ thuật - Nguyên tắc chung về biểu diễn - Phần 20: Các quy ước cơ bản về nét vẽ.
TCVN 8-22:2002 (ISO 128-22:1999) Bản vẽ kỹ thuật - Nguyên tắc chung về biểu diễn - Phần 22: Các quy ước cơ bản và áp dụng cho đường dẫn và đường chú dẫn.
TCVN 8-30:2003 (ISO 128-30) Bản vẽ kỹ thuật - Nguyên tắc chung về biểu diễn - Phần 30: Các quy ước cơ bản về hình chiếu.
TCVN 7284-0:2003 (ISO 3085-0) Tài liệu kỹ thuật - Chữ viết - Phần 0: Các yêu cầu chung.
TCVN 7284-5:2005 (ISO 3085-5) Tài liệu kỹ thuật - Chữ viết - Phần 5: Bảng chữ cái Latinh, chữ số và dấu dùng cho các ứng dụng CAD.
ISO 1000:1992 SI units and recommendations for the use of their multiples and of certain other units (Đơn vị SI và các khuyến nghị về sử dụng các bội số của chúng cũng như các đơn vị khác.)
ISO 6284:1996, Construction drawings - Indication of limit deviations (Bản vẽ xây dựng- Chỉ dẫn về sai lệch giới hạn).
ISO 6412-2:1989 Technical drawings - Simplified representation of pipelines - Part 2: Axonometric representations (Bản vẽ kỹ thuật - Biểu diễn đơn giản hóa đường ống - Phần 2: Hình chiếu trục đo.)
ISO 6428:1982 Technical drawings - Requirements for microcopying (Bản vẽ kỹ thuật - Các yêu cầu đối với việc microcopy.)
ISO 10209-2:1993 Technical product documentation - Vocabulary - Part 2: Terms relating to projection methods (Tài liệu kỹ thuật - Từ vựng - Phần 2: Thuật ngữ liên quan đến các phép chiếu.)
ISO/IEC 81714-1, Thiết kế các ký hiệu bằng hình vẽ dùng trong các tài liệu kỹ thuật - Phần 1:Các quy tắc cơ bản.
3. Thuật ngữ và định nghĩa
Tiêu chuẩn này áp dụng các thuật ngữ và định nghĩa sau:
3.1. Các yếu tố (Features)
3.1.1. Yếu tố hình học (Geometrical feature)
Điểm, đường thẳng, hoặc bề mặt.
[ISO 14660-1:1999, Định nghĩa 2.1].
CHÚ THÍCH: Chữ “Hình học” có thể bỏ đi, nếu không gây ra hiểu lầm, do đó trong tiêu chuẩn này chỉ sử dụng một mình chữ “yếu tố”.
3.1.2. Yếu tố kích thước (Feature of size)
Hình dáng hình học được xác định bởi một kích thước chiều dài hoặc là kích thước góc, nó là một kích thước.
[ISO 14660-1:1999, Định nghĩa 2.2].
CHÚ THÍCH 1: Yếu tố kích thước có thể là một hình trụ, một hình cầu, hai bề mặt song song nhau, một hình nón hoặc một hình nêm.
CHÚ THÍCH 2: Trong các tiêu chuẩn Quốc tế, chẳng hạn ISO 286-1 hoặc ISO/R 1938-1, ý nghĩa của thuật ngữ “Plain workpiece” và “single feature” cũng gần gũi với ý nghĩa của thuật ngữ “yếu tố kích thước”.
3.1.3. Yếu tố tham chiếu (Reference feature)
Yếu tố được dùng làm gốc để xác định các yếu tố khác.
3.1.4. Yếu tố lặp lại (Repeated feature)
Sự lặp lại có chu kỳ của các yếu tố cùng với một khoảng cách hoặc góc so với một hay nhiều yếu tố tham chiếu.
3.2. Các đường để ghi kích thước
3.2.1. Đường tâm
Đường thẳng trên một bản vẽ, chỉ tâm hình học của (các) yếu tố được biểu diễn.
3.2.2. Đường kích thước
Đường thẳng hoặc đường cong trên một bản vẽ, nằm giữa hai yếu tố, hoặc giữa một yếu tố và một đường dóng, hoặc nằm giữa hai đường dóng, chỉ rõ kích thước về phương diện hình vẽ.
CHÚ THÍCH: Giá trị của kích thước và chỉ dẫn dung sai đi kèm với đường kích thước.
3.2.3. Đường dóng (Extensron line)
Đường thẳng nối (các) yếu tố được ghi kích thước và đầu mút của đường kích thước tương ứng.
3.2.4. Đường dẫn (Leader Line)
Đường để nối thông tin hoặc các yêu cầu, hoặc một đường tham chiếu với một yếu tố hoặc một đường kích thước.
CHÚ THÍCH: Chấp nhận theo ISO 128-22:1999.
3.2.5. Đường đối xứng (Line of symetry)
Đường thẳng trên một bản vẽ chỉ mặt phẳng hoặc trục đối xứng.
3.2.6. Vòng tròn gốc (Origin Circle)
Điểm bắt đầu để ghi kích thước “chạy” hoặc ghi kích thước theo tọa độ.
3.2.7. Dấu kết thúc (Terminator)
Chỉ rõ điểm kết thúc của một kích thước hoặc một đường dẫn. (Dấu kết thúc có thể có dạng mũi tên, vạch xiên.)
3.3. Kích thước (Dimensions)
3.3.1. Kích thước (Dimensions)
Khoảng cách giữa hai yếu tố, hoặc kích thước của một yếu tố kích thước.
CHÚ THÍCH: Có kích thước dài và kích thước góc.
3.3.2. Kích thước cơ sở (Basic dimensions)
Giá trị của kích thước (Dimensions value)
Giá trị bằng số của một kích thước, biểu thị theo một đơn vị cụ thể và chỉ định trên bản vẽ cùng với các đường và ký hiệu liên quan.
CHÚ THÍCH 1: Khi không ghi dung sai, kích thước cơ sở thường gọi là giá trị của kích thước.
CHÚ THÍCH 2: Đơn vị của kích thước phải là đơn vị đo chiều dài hoặc góc.
CHÚ THÍCH 3: Các giới hạn dung sai và / hoặc sai lệch cho phép được áp dụng cho kích thước cơ sở.
3.3.3. Kích thước dài (Linear dimensions)
Khoảng cách dài giữa 2 yếu tố hoặc kích thước dài của một yếu tố kích thước.
CHÚ THÍCH: Trong các bản vẽ cơ khí, các kích thước dài được phân loại theo cỡ, khoảng cách và bán kính (ISO/TR 14638).
3.3.4. Kích thước góc (Angular dimensions)
Góc giữa hai yếu tố hoặc góc của một yếu tố kích thước góc.
CHÚ THÍCH: Trong các bản vẽ cơ khí, các kích thước góc được phân loại theo cỡ góc, và khoảng cách góc.
3.5.5. Dung sai kích thước (Tolerance of dimensions)
Hiệu số giữa kích thước giới hạn trên và kích thước giới hạn dưới.
3.3.6. Kích thước phụ (Auxiliary dimensions)
Các kích thước dẫn xuất từ các kích thước khác chỉ dùng để biết thông tin.
3.4. Bố trí các kích thước (Arrangement of dimensions)
3.4.1. Ghi kích thước theo chuỗi (Chain dimensioning)
Phương pháp ghi kích thước trong đó các kích thước đơn được xếp theo một hàng.
3.4.2. Ghi kích thước theo tọa độ (Coordinate dimensinoning)
Phương pháp ghi kích thước, xuất phát từ một yếu tố tham chiếu theo một hệ tọa độ. Ví dụ: Tọa độ Đề-các hoặc tọa độ cực, xem ISO 10209-2
3.4.3. Ghi kích thước song song (Parallel dimensinoning)
Phương pháp ghi kích thước, xuất phát từ một yếu tố tham chiếu song song với đường kích thước, hoặc các đường kích thước đồng tâm.
3.4.4. Ghi kích thước chạy (Running dimensinoning)
Phương pháp ghi kích thước, xuất phát từ một yếu tố tham chiếu trong đó từng yếu tố được ghi kích thước.
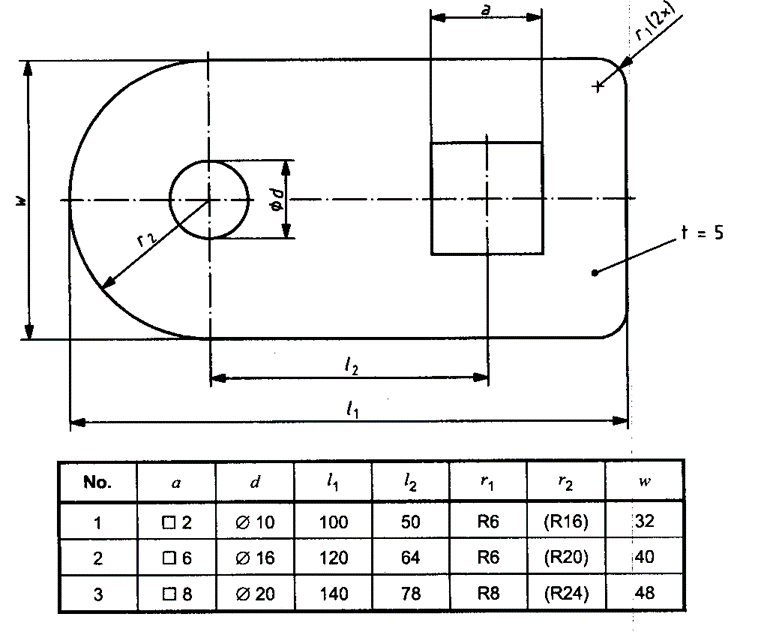
3.4.5. Ghi kích thước theo bảng (Tabular dimensinoning)
Phương pháp ghi kích thước trong đó các yếu tố và / hoặc các kích thước được ký hiệu bởi các chữ số hoặc chữ cái còn giá trị kích thước được ghi vào các bảng.
4. Nguyên tắc ghi kích thước và chỉ dẫn về dung sai
4.1. Nguyên tắc chung
Tất cả các kích thước, các ký hiệu bằng hình vẽ, cũng như các điều chú giải, phải được ghi trên bản vẽ sao cho chúng dễ đọc theo hướng cạnh phía dưới hoặc phía phải của bản vẽ (các hướng đọc chính).
Các kích thước là một trong số vài loại yêu cầu về hình học, có thể được sử dụng để xác định một yếu tố hoặc thành phần một cách rõ ràng và không mơ hồ.
Các loại yêu cầu về hình học khác, chúng rất thường dùng để xác định một cách rõ ràng cho yếu tố (Ví dụ trong lĩnh vực cơ khí) là dung sai hình học (hình dáng, hướng, vị trí và độ đảo), các yêu cầu về chất lượng bề mặt và các yêu cầu về góc (lượn, vát, vê tròn).
CHÚ THÍCH: Trong lĩnh vực xây dựng, dung sai thường được cho trong các tài liệu riêng biệt.
Tất cả các thông tin về kích thước phải đầy đủ và ghi trực tiếp trên bản vẽ, trừ trường hợp thông tin này được chỉ rõ trong tài liệu có liên quan đi kèm theo.
Mỗi yếu tố hoặc tương quan giữa các yếu tố chỉ được ghi kích thước một lần.
Khi các kích thước dài được biểu thị cùng một loại đơn vị thì ký hiệu đơn vị đo có thể bỏ qua nhưng bản vẽ hoặc các tài liệu liên quan phải được công bố đơn vị đo đã sử dụng.
4.2. Định vị trí cho kích thước
Trên hình chiếu hoặc hình cắt, các kích thước nên đặt ở vị trí sao cho nó thể hiện rõ ràng nhất các yếu tố có liên quan (xem Hình 1).

Hình 1
Khi có một số yếu tố hoặc các đối tượng được biểu diễn gần nhau, các kích thước liên quan của chúng nên nhóm lại với nhau một cách tách biệt, để dễ đọc (xem Hình 2).

Hình 2
4.3. Đơn vị đo kích thước
Các kích thước chỉ được ghi cùng một đơn vị đo.
Khi có nhiều đơn vị đo kích thước được dùng trong một tài liệu, thì phải ghi một cách rõ ràng.
Để ghi các kích thước, phải sử dụng hệ đơn vị SI, xem ISO 1000 hoặc các tiêu chuẩn Quốc tế khác có liên quan tới đơn vị SI.
Sai lệch giới hạn phải ghi cùng một loại đơn vị đo như ghi kích thước cơ sở.
5. Các thành phần của kích thước
5.1. Quy định chung
Các thành phần của kích thước gồm: Đường dóng, đường kích thước, đường dẫn, dấu kết thúc, chỉ dẫn về gốc và giá trị kích thước (kích thước cơ sở).
Các thành phần của kích thước được minh họa trong Hình 3, đường tròn gốc được nêu ở Hình 62 đến Hình 64.

CHÚ THÍCH:
1- Đường kích thước
2- Giá trị kích thước
3- Dấu kết thúc (trong trường hợp này là đầu mũi tên)
4- Đường dóng
5- Đường dẫn
6- Đường chú dẫn.
Hình 3
5.2. Đường kích thước
Đường kích thước phải được vẽ bằng nét liền mảnh, theo TCVN 8-20.
Đường kích thước phải được vẽ trong các trường hợp sau:
- Kích thước dài song song với độ dài cần ghi kích thước (xem Hình 4).
- Kích thước góc hoặc kích thước của một cung khi cung tròn bao quanh đỉnh của một góc hoặc bao quanh tâm của cung (xem Hình 5 và 6)
- Các bán kính xuất phát từ tâm hình học của bán kính (xem Hình 6).
|
|
|
|
| Hình 4 | Hình 5 | Hình 6 |
Khi không đủ chỗ ghi, các đường kích thước có thể được kéo dài và đảo chiều mũi tên (xem Hình 1).
Khi một bộ phận bị cắt lìa, đường kích thước tương ứng phải vẽ như không bị cắt (xem Hình 7).

Hình 7
Nên tránh không cho đường kích thước giao nhau với bất kỳ đường nào khác, nhưng nếu không tránh được thì đường kích thước phải vẽ liên tục (không bị ngắt) xem Hình 8.

Hình 8
Các đường kích thước có thể không vẽ đầy đủ khi:
- Vẽ các đường kích thước cho đường kính (xem Hình 9) và chỉ vẽ cho một phần của yếu tố đối xứng trong hình chiếu hoặc hình cắt (xem Hình 55 và 56).
- Một yếu tố được vẽ một nửa hình chiếu và một nửa là hình cắt (xem Hình 9).

Hình 9
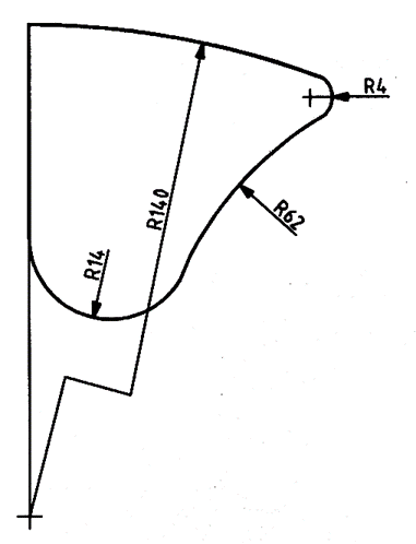
- Yếu tố tham chiếu để ghi kích thước không có trên tờ giấy vẽ và cũng không cần thiết phải chỉ ra (xem Hình 40, R 62).
- Tham chiếu đến các lưới trên bản vẽ xây dựng (xem Hình 10)

Hình 10
5.3. Dấu kết thúc và chỉ định gốc
5.3.1. Các tỷ lệ kích thước của dấu kết thúc được minh họa trong Hình 11, và tỷ lệ kích thước của vòng tròn gốc được minh họa trong Hình 12 và được nêu ra ở Phụ lục A.
5.3.2. Dấu kết thúc của các đường kích thước phải phù hợp với một trong số các cách biểu diễn đã nêu trong Hình 11.
|
|
|
|
| a) Đầu mũi tên kín, tô đen, góc đỉnh 30o | b) Đầu mũi tên kín, rỗng, góc đỉnh 30o | c) Đầu mũi tên kín, hở, góc đỉnh 30o |
|
|
|
|
| d) Đầu mũi tên hở, góc đỉnh 30o | e) Vạch xiên | f) Điểm (chỉ dùng khi không đủ chỗ vẽ đầu mũi tên, có thể thay bằng vạch xiên) |
Hình 11
5.3.3. Chỉ định gốc cho đường kích thước phải vẽ như Hình 12

Hình 12
5.4. Đường dóng
Đường dóng phải vẽ bằng nét liền mảnh theo TCVN 8-20
Đường dóng phải vẽ kéo dài vượt quá đường kích thước tương ứng xấp xỉ 8 lần chiều rộng nét vẽ của nó.
Đường dóng nên vẽ vuông góc với độ dài cần ghi kích thước (độ dài cơ học) (xem Hình 4, 5, 7 đến 9 và 13). Cho phép có khoảng hở (xấp xỉ 8 lần chiều rộng nét vẽ) giữa yếu tố cần ghi kích thước và chỗ bắt đầu của đường dóng trong những lĩnh vực kỹ thuật nhất định (xem Hình 14).
|
|
|
| Hình 13 | Hình 14 |
Các đường dóng có thể vẽ nghiêng, nhưng chúng phải song song với nhau (xem Hình 15).
|
|
|
| Hình 15 | Hình 16 |
Chỗ giao nhau của các đường bao trên hình chiếu phải vẽ kéo dài thêm, vượt qua giao điểm khoảng 8 lần chiều rộng nét vẽ (xem Hình 16).
Trong trường hợp các đường bao hình chiếu có đoạn chuyển tiếp và các yếu tố tương tự, các đường dóng phải vẽ từ giao điểm của các đường bao hình chiếu (xem Hình 17).

Hình 17
Đường dóng có thể bị ngắt quãng nếu khi vẽ liên tục sẽ gây ra mập mờ khó hiểu (xem Hình 18 và Hình 19).
|
|
|
| Hình 18 | Hình 19 |

Hình 20
5.5. Đường dẫn
Theo TCVN 8-22 đường dẫn phải vẽ bằng nét liền mảnh phù hợp với TCVN 8-20
Đường dẫn không nên vẽ dài quá mức cần thiết và nên vẽ nghiêng so với yếu tố cần chỉ dẫn, nhưng góc nghiêng phải khác so với góc nghiêng của các đường gạch mặt cắt (Xem Hình 20, Hình 25, Hình 27).

Hình 21

Hình 22
5.6. Kích thước
5.6.1. Chỉ dẫn
Các giá trị kích thước phải ghi trên bản vẽ bằng các ký tự có kích thước đủ lớn để đảm bảo dễ đọc và rõ ràng trong bản vẽ gốc cũng như các bản sao thực hiện bằng microphim, (Xem ISO 6428). Nên dùng chữ đứng, kiểu B phù hợp với TCVN 7284 - 0.
5.6.2. Vị trí của giá trị kích thước
Các giá trị kích thước phải đặt sao cho song song với đường kích thước, ở gần điểm giữa đường kích thước và ở phía trên đường kích thước một chút (xem hình 21,hình 22 và Phụ lục A)
Các giá trị kích thước phải đặt ở vị trí sao cho nó không bị bất kỳ đường nào cắt qua hoặc tách đôi.Trừ trường hợp nêu trong 5.6.3.Các giá trị kích thước nằm trên đường kích thước nghiêng phải có hướng như đã nêu trong Hình 23.
Các giá trị của kích thước góc phải có hướng như đã chỉ rõ trong Hình 24.
|
|
|
| Hình 23 | Hình 24 |
5.6.3. Vị trí đặc biệt của giá trị kích thước
Vị trí của giá trị kích thước thường xuyên phải thích nghi với các tình huống khác nhau:
a) Giá trị kích thước có thể đặt ở phía trên phần kéo dài của đường kích thước, vượt qua một trong hai dấu kết thúc, nếu như không đủ chỗ ghi (Xem Hình 25).
b) Giá trị kích thước có thể ghi trên đường chú dẫn và được nối với đường kích thước bởi một đường dẫn, đường dẫn này phải thật ngắn để giá trị kích thước được ghi như cách thường dùng giữa hai đường dóng (Xem Hình 25).

Hình 25
c) Giá trị kích thước có thể đặt phía trên phần kéo dài, nằm ngang của đường kích thước, khi không đủ chỗ để đặt song song với đường kích thước (Xem Hình 26).

Hình 26
d) Trong cách ghi kích thước chạy, giá trị kích thước phải đặt gần đầu mũi tên (Xem Hình 63 và 64).
5.7. Chữ để ghi kích thước
Có thể dùng chữ đại diện cho giá trị kích thước và các chữ này phải được xác định trên cùng bản vẽ đó hoặc trong tài liệu đi kèm (Xem Hình 27).
5.8. Ghi kích thước theo bảng
Phương pháp này tạo ra khả năng biểu diễn các biến kích thước chung của một yếu tố hoặc bộ phận lắp, dưới dạng bảng (Xem Hình 27).

Hình 27
6. Các thành phần để ghi dung sai
6.1. Quy tắc chung
Khi ghi các dung sai chung trên một bản vẽ, ví dụ, theo ISO 2768-1 và ISO 2768-2, các dung sai chung này phải được ghi bên trong hoặc gần khung tên.
Các ký hiệu, ví dụ, cấp dung sai và các con số chỉ sai lệch cho phép, phải được viết cùng chiều cao như kích thước cơ sở. Cho phép dùng chiều cao chữ nhỏ hơn một cấp so với chiều cao chữ của kích thước cơ sở, nhưng không được nhỏ hơn 2,5 mm.
Tùy thuộc vào lĩnh vực áp dụng, các dung sai của kích thước có thể được ghi bởi:
- Các ký hiệu cấp dung sai (ISO 2768-1) và (ISO 2768-2);
- Sai lệch giới hạn. (Xem 6.2);
- Các giới hạn của kích thước. (Xem 6.3);
- Ghi dung sai thống kê.
Tất cả các dung sai đều áp dụng cho các yếu tố được biểu diễn cụ thể trên bản vẽ kỹ thuật.
6.2. Sai lệch giới hạn
Các thành phần của kích thước có dung sai phải ghi theo thứ tự sau. (Xem Hình 28 đến Hình 31).
a) Kích thước cơ sở.
b) Các sai lệch giới hạn.
Các sai lệch giới hạn, theo ISO 286-1, phải được ghi hoặc theo cách thức sai lệch trên ở phía trên sai lệch dưới, hoặc theo cách ghi sai lệch trên ở trước sai lệch dưới và cùng nằm trên một dòng, giữa hai sai lệch này có một vạch xiên ngăn cách (Xem Hình 29).
Nếu một trong hai sai lệch là “0” thì phải ghi bằng số 0 (Xem Hình 30).
Nếu dung sai là đối xứng so với kích thước cơ sở thì chỉ phải ghi một sai lệch, kèm theo dấu “±” ở phía trước (Xem Hình 31).
|
|
|
|
|
| Hình 28 | Hình 29 | Hình 30 | Hình 31 |
6.3. Giới hạn kích thước
6.3.1. Các giới hạn kích thước được ghi bằng giá trị lớn nhất và nhỏ nhất (Xem Hình 32).

Hình 32
6.3.2. Để hạn chế kích thước chỉ theo một hướng, thì phải ghi thêm chữ “min” hoặc “max” sau giá trị kích thước (Xem Hình 33).

Hình 33
6.3.3. Sai lệch giới hạn cho các kích thước góc (Xem mục 7.5).
7. Ghi kích thước đặc biệt
7.1. Bố trí các ký hiệu bằng hình vẽ và bằng chữ với các giá trị kích thước
Phải dùng các ký hiệu sau đây kèm theo kích thước để chỉ rõ hình dáng của yếu tố cần ghi kích thước. Các ký hiệu này phải đặt trước giá trị kích thước, (Xem Hình 6, Hình 34 đến Hình 38 và bảng A.1):
- Æ: Đường kính.
- R: Bán kính.
- c : Hình vuông.
- SR: Bán kính hình cầu.
- Ç: Cung tròn.
- t: Độ dài
|
|
|
|
| |
| Hình 34 | Hình 35 | Hình 36 |
| |
|
|
| |||
| Hình 37 | Hình 38 | |||
7.2. Đường kính
Ký hiệu Æ phải đặt trước giá trị kích thước (xem Hình 34, 39).
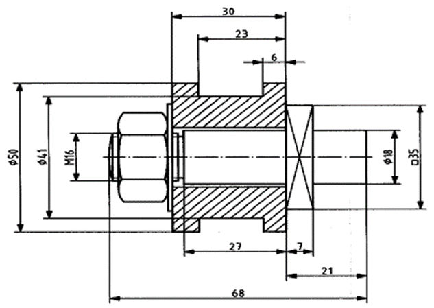
Khi một đường kính có thể minh họa bởi một đầu mũi tên, thì đường kích thước phải vượt qua tâm (xem Hình 9 và Hình 39).

Hình 39
7.3. Bán kính
Ký hiệu R phải đặt trước giá trị bán kính (xem Hình 35).
Khi ghi các kích thước bán kính, chỉ được dùng một đầu mũi tên, đầu mũi tên đặt vào giao điểm của đường kích thước với cung (Xem Hình 40).
Trong trường hợp dùng đầu mũi tên là dấu kết thúc, tùy theo kích thước bán kính trên bản vẽ, đầu mũi tên có thể nằm trong hoặc ngoài đường bao hoặc đường kéo dài của yếu tố đó.
Khi tâm của bán kính vượt ra ngoài phạm vi vẽ, đường kích thước bán kính phải vẽ hoặc là bị cắt bớt hoặc là bị ngắt vuông góc tùy theo việc có cần hay không cần thiết phải xác định tâm (Xem Hình 40).

Hình 40
7.4. Hình cầu
Nếu biểu diễn một hình cầu, phải đặt ký hiệu SR trước giá trị kích thước (xem Hình 37, Hình 38).
7.5. Cung, dây cung và góc
Ghi kích thước cho các cung, dây cung và góc phải theo như chỉ dẫn trong Hình 41.
Ký hiệu Ç cho cung phải đặt trước giá trị kích thước (xem Hình A.1 h).

Hình 41
Nếu góc ôm của cung lớn hơn 90o thì các đường dóng phải xuất phát từ tâm của cung. Nếu quan hệ giữa chiều dài cung và giá trị kích thước không rõ thì phải dùng một đường dẫn có một đầu mũi tên chỉ vào cung, có độ dài phải ghi kích thước, đầu còn lại của đường dẫn là một dấu chấm hoặc một vòng tròn nhỏ đặt vào đường kích thước (Xem Hình 42).
Các kích thước của phần cung nối với nhau cũng các kích thước dài hoặc kích thước góc được nối với nhau tại một kích thước cung khi chỉ cần vẽ chung một đường dóng (Xem Hình 42).

Hình 42
Các quy tắc đã nêu trong mục 6 cũng áp dụng cho các kích thước góc, ngoại trừ việc phải ghi rõ đơn vị đo góc cho kích thước cơ bản cũng như các sai lệch giới hạn.
Nếu kích thước cơ bản hoặc sai lệch giới hạn của góc được biểu thị dưới dạng độ, phút, giây thì giá trị phút hoặc giây phải ghi phía sau chữ 0o hoặc 0o0’ khi áp dụng (Xem Hình 43 - 46).
|
|
|
|
|
| Hình 43 | Hình 44 | Hình 45 | Hình 46 |
7.6. Hình vuông
Ký hiệu c phải đặt trước giá trị kích thước nếu hình vuông chỉ được ghi kích thước trên một cạnh (Xem Hình 36).
7.7. Các yếu tố lặp lại và cách đều nhau
Khi các yếu tố cách đều nhau và được bố trí như nhau, việc ghi kích thước cho chúng có thể được đơn giản hóa như sau:Các khoảng cách có thể được ghi kích thước như Hình 47.

Hình 47
Các khoảng cách dài và góc lặp lại có thể được ghi bởi số khoảng nhân “x” với giá trị kích thước của một khoảng nếu như có thể có nhầm lẫn giữa số khoảng và độ dài của mỗi khoảng, thì phải ghi thêm kích thước cho một khoảng như đã chỉ dẫn trên Hình 48.

Hình 48
Các khoảng cách góc có thể ghi kích thước như Hình 49

Hình 49
Góc của các khoảng cách có thể không cần ghi, nếu như các góc và khoảng cách đó là quá rõ ràng, không gây ra lầm lẫn (Xem Hình 50).

Hình 50
Nếu việc biểu diễn là quá rõ ràng để thấy được các yếu tố lặp lại có cùng một kích thước, thì chỉ cần ghi kích thước cho một yếu tố (Xem Hình 51).

Hình 51
Các khoảng cách phân bố đều theo đường tròn có thể được ghi kích thước bằng việc chỉ rõ số lượng yếu tố đó (Xem Hình 52).

Hình 52
Các yếu tố có cùng giá trị kích thước có thể ghi kích thước bằng cách chỉ rõ số lượng yếu tố nhân “x” với giá trị kích thước (Xem Hình 53).

Hình 53
Để tránh việc lặp lại các giá trị kích thước giống nhau hoặc để không phải vẽ các đường dẫn dài, có thể dùng các chữ cái tham chiếu, liên kết với một bảng giải thích hoặc chú thích. (Xem Hình 54). Các đường dẫn có thể không cần vẽ. Nếu hình biểu diễn đã rõ ràng có thể không cần ghi số lượng các yếu tố đó.

Hình 54
7.8. Các chi tiết đối xứng
Các kích thước của các yếu tố phân bố đối xứng chỉ phải ghi một lần (Xem Hình 55 và 56).
Thông thường, không cần ghi kích thước cho tính đối xứng của các yếu tố (Xem Hình 55 đến 57).
Trong trường hợp biểu diễn một nửa hoặc một phần tư, và kể cả trường hợp biểu diễn đầy đủ, nếu cần sẽ bổ sung một ký hiệu đối xứng (xem TCVN 8 - 30) vào cuối của trục đối xứng (Xem Hình 55 và 56).
|
|
|
| Hình 55 | Hình 56 |

Hình 57
7.9. Ghi mức cao độ
Các mức cao độ trên hình chiếu đứng, hình cắt và mặt cắt phải ghi bởi một đầu mũi tên hở, góc đỉnh 900 và được nối với một đường thẳng đứng và một đường nằm ngang, phía trên đường nằm ngang này ghi giá trị bằng số của mức cao độ (Xem Hình 58).
Mức cao độ đối với các điểm đã chỉ định trên hình chiếu bằng (mặt bằng) và hình cắt phải được ghi bởi giá trị bằng số của mức cao độ, đặt ở phía trên một đường, nối với điểm đã chỉ định, điểm này được đánh dấu bởi chữ “X” (Xem Hình 59).
|
|
|
| Hình 58 | Hình 59 |
7.10. Kích thước của các yếu tố không biểu diễn theo tỷ lệ
Trong các trường hợp ngoại lệ, chẳng hạn khi chỉnh sửa, các yếu tố không vẽ theo tỷ lệ phải được đánh dấu bằng cách gạch chân các giá trị kích thước.
7.11. Kích thước phụ
Các kích thước phụ trên bản vẽ, chỉ nhằm bổ sung thêm thông tin. Các kích thước này phải đặt trong một dấu ngoặc đơn và không bao giờ được ghi dung sai (Xem Hình 55 và 56).
8. Bố trí các kích thước
8.1. Quy định chung
Các đường kích thước phải được bố trí theo kiểu ghi kích thước song song, ghi kích thước theo chuỗi, ghi kích thước chạy hoặc phối hợp các kiểu ghi.
8.2. Ghi kích thước song song
Các đường kích thước phải song song nhau theo một, hai hoặc ba hướng vuông góc hoặc phải đồng tâm. (Xem Hình 60 và 61).

Hình 60

Hình 61
8.3. Ghi kích thước chạy
Ghi kích thước chạy, có thể được sử dụng khi vùng ghi kích thước bị hạn chế hoặc trong trường hợp liên quan tới các nhu cầu đặc biệt trong các lĩnh vực công nghiệp khác nhau. Gốc chung phải được chỉ rõ như đã biểu diễn trong các Hình 62 đến 64.
Các giá trị kích thước phải đặt:
- Hoặc gần mũi tên, cùng một hàng với đường dóng tương ứng (Xem Hình 62 và 63).
- Hoặc gần mũi tên, phía trên đường kích thước cho rõ ràng (Xem Hình 64).

Hình 62

Hình 63

Hình 64
8.4. Ghi kích thước theo chuỗi
Khi dùng cách ghi kích thước theo chuỗi, chuỗi các kích thước đơn phải xếp thành một hàng (xem Hình 65).

Hình 65
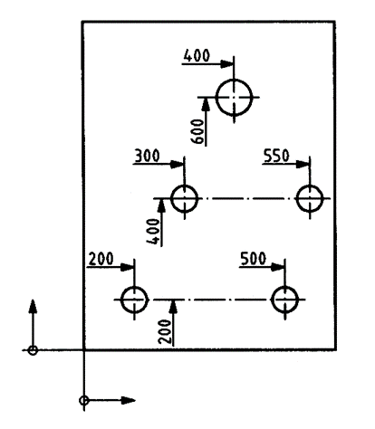
8.5. Ghi kích thước theo tọa độ
Hệ tọa độ Đề - Các được xác định từ một gốc bởi các kích thước dài, theo các hướng vuông góc (xem Hình 66 và 67). Các giá trị tọa độ phải ghi ngay bên cạnh mỗi điểm hoặc ghi vào một bảng. Không vẽ bất kỳ đường dóng hoặc đường kích thước nào.
CHÚ THÍCH: Trong lĩnh vực xây dựng các trục “X” và “Y” có thể được dùng theo các cách khác nhau để tuân theo tiêu chuẩn Quốc gia. Đối với hệ tọa độ 3 chiều cũng vậy, trong lĩnh vực xây dựng, chiều cao thường ký hiệu bằng “Z” có thể không có chung một gốc như là trục “X” và trục “Y”.
Tọa độ cực được xác định từ một điểm gốc bởi một bán kính và một góc. Chúng luôn luôn dương, có chiều ngược kim đồng hồ so với trục cực (Xem Hình 68).

Hình 66
Chiều dương và chiều âm của các trục tọa độ được chỉ ra trên Hình 67. Các giá trị kích thước ghi theo chiều âm phải có dấu “-”.
|
|
|
| Hình 67 | Hình 68 |
Gốc của hệ tọa độ có thể đặt tại một góc trên một yếu tố hoặc đặt phía ngoài hình vẽ (Xem Hình 68 và 69).
Các giá trị tọa độ có thể ghi trực tiếp ngay bên cạnh các tọa độ của chúng (Xem Hình 69).

Hình 69
Một hệ tọa độ chính có thể có nhiều hệ tọa độ con. Nếu dùng trường hợp này, gốc của các hệ tọa độ và các vị trí riêng biệt bên trong các hệ tọa độ phải được đánh số liên tục bằng các chữ số ả rập. Phải dùng một điểm để làm ký hiệu phân biệt (Xem Hình 70).

Hình 70
8.6. Ghi kích thước phối hợp
Hai hoặc nhiều phương pháp ghi kích thước có thể được phối hợp trên một bản vẽ.
Hình 71 nêu ra một ví dụ về phương pháp ghi kích thước chạy, phối hợp với các kích thước đơn.

Hình 71
Hình 72 nêu ra một ví dụ về ghi kích thước song song kết hợp với ghi kích thước chạy.

Hình 72
Phụ lục A
(Quy định)
Quan hệ và các kích thước của các ký hiệu bằng hình vẽ
Để hài hòa giữa các kích thước của các ký hiệu quy định trong tiêu chuẩn này với các chỉ dẫn khác trên bản vẽ (kích thước, chữ viết, dung sai), cần phải tuân thủ các quy tắc đã nêu trong hình A.1, các quy tắc này phù hợp với ISO/IEC 81714-1. Chữ “a” chỉ miền để viết chữ, chữ “h” là chiều cao của chữ (biểu thị theo kiểu chữ B, chữ đứng theo TCVN 7284-0). Các ký hiệu bằng hình vẽ khác đã cho trong TCVN 7284-5).

Hình A.1
Bảng A.1 - Các vị trí áp dụng ký hiệu bằng hình vẽ F và ký hiệu bằng chữ
| Ký hiệu và cách biểu diễn | Ý nghĩa |
| F50 | Đường kính 50 |
| c 50 | Hình vuông có cạnh bằng 50 |
| R50 | Bán kính 50 |
| SF50 | Hình cầu, đường kính 50 |
| SR 50 | Hình cầu, bán kính 50 |
| Ç 50 | Cung, dài 50 |
|
| Mức cao độ 12, 25 |
| 50 | Kích thước 50, không vẽ theo tỷ lệ. |
| (50) | 50 là kích thước phụ |
| T = 5 | Chiều dày 5 |
| | | | Ký hiệu đối xứng |
Thư mục
[[1] ISO 286-1:1988, ISO system of limits and fits - Part 1: Bases of tolerances, deviations and fits (Hệ thống ISO về giới hạn và mối ghép - Phần 1: Các cơ sở của dung sai, sai lệch và mối ghép).
[2] ISO 1101:2004, Geometrical Product Specifications (GPS) - Geometrical tolerancing - Tolerances of form, orientation, location and run-out. (Đặc tính hình học của sản phẩm (GPS) - Dung sai hình học - Dung sai hình dạng, vị trí, hướng).
[3] ISO/R 1938-1:1971, ISO system of limits and fits - Part 1: Inspection of plain workpieces (Hệ thống ISO về các giới hạn và các mối ghép - Phần 1: Kiểm tra các phần tử hình học thông thường).
[4] ISO 2768 -1:1989, General tolerances - Part 1: Tolerances for linear and angular dimensions without individual tolerance indications (Dung sai chung - Phần 1: Dung sai cho các kích thước và kích thước gốc không chỉ định dung sai riêng).
[5] ISO 2768-2:1989, General tolerances - Part 2: Geometrical tolerances for features without individual tolerance indications (Dung sai chung - Phần 2: Dung sai hình học cho các yếu tố không chỉ định dung sai riêng).
[6] ISO 3040:1990, Technical drawings - Dimensioning and tolerancing - Cones (Bản vẽ kỹ thuật - Ghi kích thước và ghi dung sai - Hình côn.)
[7] ISO 3898:1997, Bases for design of structures - Notations - General symbols Cơ sở thiết kế các kết cấu - Các chú giải - Các ký hiệu chung).
[8] ISO 5457:1999, Technical product documentation - Sizes and layout of drawing sheets(Tài liệu kỹ thuật - Kích thước và cách bố trí tờ giấy vẽ).
[9] ISO 6433:1981, Technical drawings - Item references (Bản vẽ kỹ thuật - Chú dẫn phần tử)
[10] ISO 10209-1:1992, Technical product documentation - Vocabulary - Part 1: Terms relating to technical drawings: general and types of drawings (Tài liệu kỹ thuật - Từ vựng - Phần 1: Các thuật ngữ liên quan tới bản vẽ kỹ thuật: Các vấn đề chung và các loại bản vẽ).
[11] ISO 13715:2000, Technical drawings - Edges of undefined shape - Vocabulary and indications (Bản vẽ kỹ thuật - Các cạnh của hình dạng chưa xác định - Từ vựng và chỉ dẫn trên bản vẽ).
[12] ISO/TR 14638:1995, Geometrical product specification (GPS) - Masterplan (Đặc tính hình học của sản phẩm (GPS) - Mặt bằng chính).
[13] ISO 14660 -1:1999, Geometrical Product Specifications (GPS) - Geometrical features - Part 1: General terms and definitions (Đặc tính hình học của sản phẩm (GPS) - Các yếu tố hình học - Phần 1: Các thuật ngữ chung và các định nghĩa).
Bạn chưa Đăng nhập thành viên.
Đây là tiện ích dành cho tài khoản thành viên. Vui lòng Đăng nhập để xem chi tiết. Nếu chưa có tài khoản, vui lòng Đăng ký tại đây!




































