- Tổng quan
- Nội dung
- Tiêu chuẩn liên quan
- Lược đồ
- Tải về
Tiêu chuẩn TCVN 14296-4:2025 Phích cắm, ổ cắm, phích nối dùng cho xe điện - Yêu cầu tương thích về kích thước và tính đổi lẫn
| Số hiệu: | TCVN 14296-4:2025 | Loại văn bản: | Tiêu chuẩn Việt Nam |
| Cơ quan ban hành: | Bộ Khoa học và Công nghệ | Lĩnh vực: | Công nghiệp |
| Trích yếu: | IEC TS 62196-4:2022 Phích cắm, ổ cắm, phích nối dùng cho xe điện và ổ nối vào xe điện - Sạc điện có dây dùng cho xe điện - Phần 4: Yêu cầu tương thích về kích thước và tính đổi lẫn đối với các phụ kiện dạng chân cắm và dạng ống tiếp xúc DC dùng cho các ứng dụng Cấp II hoặc Cấp III | ||
|
Ngày ban hành:
Ngày ban hành là ngày, tháng, năm văn bản được thông qua hoặc ký ban hành.
|
22/01/2025 |
Hiệu lực:
|
Đã biết
|
| Người ký: | Đang cập nhật |
Tình trạng hiệu lực:
Cho biết trạng thái hiệu lực của văn bản đang tra cứu: Chưa áp dụng, Còn hiệu lực, Hết hiệu lực, Hết hiệu lực 1 phần; Đã sửa đổi, Đính chính hay Không còn phù hợp,...
|
Đã biết
|
TÓM TẮT TIÊU CHUẨN VIỆT NAM TCVN 14296-4:2025
Nội dung tóm tắt đang được cập nhật, Quý khách vui lòng quay lại sau!
Tải tiêu chuẩn Việt Nam TCVN 14296-4:2025
TIÊU CHUẨN QUỐC GIA
TCVN 14296-4:2025
IEC TS 62196-4:2022
PHÍCH CẮM, Ổ CẮM, PHÍCH NỐI DÙNG CHO XE ĐIỆN VÀ Ổ NỐI VÀO XE ĐIỆN - SẠC ĐIỆN CÓ DÂY DÙNG CHO XE ĐIỆN - PHẦN 4: YÊU CẦU TƯƠNG THÍCH VỀ KÍCH THƯỚC VÀ TÍNH ĐỔI LẪN ĐỐI VỚI PHỤ KIỆN DẠNG CHÂN CẮM VÀ DẠNG ỐNG TIẾP XÚC DC DÙNG CHO CÁC ỨNG DỤNG CẤP II HOẶC CẤP III
Plugs, socket-outlets, vehicle connectors and vehicle inlets - Conductive charging of electric vehicles - Part 4: Dimensional compatibility and interchangeability requirements for DC pin and contact-tube accessories for Class II or Class III applications
Lời nói đầu
TCVN 14296-4:2025 hoàn toàn tương đương với IEC TS 62196-4:2022;
TCVN 14296-4:2025 do Ban kỹ thuật tiêu chuẩn quốc gia TCVN/TC/E16 Hệ thống truyền năng lượng cho xe điện biên soạn, Viện Tiêu chuẩn Chất lượng Việt Nam đề nghị, Ủy ban Tiêu chuẩn Đo lường Chất lượng Quốc gia thẩm định, Bộ Khoa học và Công nghệ công bố.
Bộ tiêu chuẩn TCVN 14296 (IEC 62196), Phích cắm, ổ cắm, phích nối dùng cho xe điện và ổ nối vào xe điện - Sạc điện có dây dùng cho xe điện gồm các tiêu chuẩn sau:
- Phần 1: Yêu cầu chung;
- Phần 2: Yêu cầu tương thích về kích thước đối với phụ kiện dạng chân cắm và dạng ống tiếp xúc AC;
- Phần 3: Yêu cầu tương thích về kích thước đối với bộ nối xe điện dạng chân cắm và dạng ống tiếp xúc DC và AC/DC;
- Phần 3-1: Phích nối dùng cho xe điện, ổ nối vào xe điện và cụm cáp dùng cho sạc điện DC được thiết kế để sử dụng với hệ thống quản lý nhiệt;
- Phần 4: Yêu cầu tương thích về kích thước và tính đổi lẫn đối với phụ kiện dạng chân cắm và dạng ống tiếp xúc DC dùng cho các ứng dụng Cấp II hoặc Cấp III;
- Phần 6: Yêu cầu tương thích về kích thước đối với bộ nối xe điện dạng chân cắm và dạng ống tiếp xúc DC được thiết kế để sử dụng cho thiết bị cấp điện một chiều cho EV có bảo vệ dựa vào sự phân cách về điện.
PHÍCH CẮM, Ổ CẮM, PHÍCH NỐI DÙNG CHO XE ĐIỆN VÀ Ổ NỐI VÀO XE ĐIỆN - SẠC ĐIỆN CÓ DÂY DÙNG CHO XE ĐIỆN - PHẦN 4: YÊU CẦU TƯƠNG THÍCH VỀ KÍCH THƯỚC VÀ TÍNH ĐỔI LẪN ĐỐI VỚI PHỤ KIỆN DẠNG CHÂN CẮM VÀ DẠNG ỐNG TIẾP XÚC DC DÙNG CHO CÁC ỨNG DỤNG CẤP II HOẶC CẤP III
Plugs, socket-outlets, vehicle connectors and vehicle inlets - Conductive charging of electric vehicles - Part 4: Dimensional compatibility and interchangeability requirements for DC pin and contact-tube accessories for Class II or Class III applications
1 Phạm vi áp dụng
Tiêu chuẩn này áp dụng cho phích cắm, ổ cắm, phích nối dùng cho xe điện và ổ nối vào xe điện, được gọi chung là “phụ kiện”, có cấu hình chuẩn hóa để cấp điện một chiều cho xe điện, trong đó việc bảo vệ chống điện giật dựa trên cách điện kép hoặc cách điện tăng cường giữa tất cả các đầu vào và đầu ra xoay chiều và một chiều của thiết bị cấp điện EV, dùng cho các hệ thống cấp điện dẫn điện có thể kết hợp các phương tiện điều khiển, với điện áp làm việc tối đa lên đến 120 V DC, không quá 60 A.
Các phụ kiện này được thiết kế để sử dụng cho các mạch điện được quy định trong IEC 61851-3 (tất cả các phần).
Các phụ kiện thuộc phạm vi áp dụng của tiêu chuẩn này chỉ sử dụng với các xe điện mà mạch cấp điện sử dụng cách điện kép hoặc cách điện tăng cường hoặc hệ thống pin được đề cập trong IEC 61851-3 (tất cả các phần).
Phụ kiện và cụm cáp này được thiết kế để sử dụng trong môi trường có nhiệt độ từ -30 °C đến +50 °C.
Các phụ kiện này chỉ được thiết kế để kết nối với cáp có dây dẫn bằng đồng hoặc hợp kim đồng.
2 Tài liệu viện dẫn
Áp dụng Điều 2 của IEC 62196-1:2014, ngoài ra:
Bổ sung:
CHÚ THÍCH: Tất cả các tài liệu tham khảo liên quan đến EMC được cho trong TCVN 13078-21-1 (IEC 61851-21-1) và TCVN 13078-21-2 (IEC 61851-21-2).
TCVN 12772 (ISO 17409), Phương tiện giao thông đường bộ chạy điện - Đầu nối với nguồn cung cấp điện từ bên ngoài - Yêu cầu an toàn
TCVN 13078-21-1 (IEC 61851-21-1), Hệ thống sạc điện có dây dùng cho xe điện - Phần 21-1: Yêu cầu tương thích điện từ đối với bộ sạc lắp trên xe điện kết nối có dây với nguồn cấp điện xoay chiều/một chiều
IEC TS 61851-3-1:2023, Electric vehicle conductive charging system - Part 3-1: DC EV supply equipment where protection relies on double or reinforced insulation - General rules and requirements for stationary equipment (Hệ thống sạc điện có dây dùng cho xe điện - Phần 3-1: Thiết bị cấp nguồn một chiều cho EV trong đó bảo vệ dựa trên cách điện kép hoặc cách điện tăng cường - Nguyên tắc và yêu cầu chung đối với thiết bị tĩnh tại)
IEC TS 61851-3-2:2023, Electric vehicle conductive charging system - Part 3-2: DC EV supply equipment where protection relies on double or reinforced insulation - Particular requirements for portable and mobile equipment (Hệ thống sạc điện có dây dùng cho xe điện - Phần 3-2: Thiết bị cấp nguồn một chiều cho EV trong đó bảo vệ dựa trên cách điện kép hoặc cách điện tăng cường - Yêu cầu cụ thể đối với thiết bị xách tay và di động)
IEC TS 61851-3-4:2023, Electric vehicle conductive charging system - Part 3-4: DC EV supply equipment where protection relies on double or reinforced insulation - General definitions and requirements for CANopen communication (Hệ thống sạc điện có dây dùng cho xe điện - Phần 3-4: Thiết bị cấp nguồn một chiều cho EV trong đó bảo vệ dựa trên cách điện kép hoặc cách điện tăng cường - Định nghĩa và yêu cầu chung đối với truyền thông CANopen)
3 Thuật ngữ và định nghĩa
Áp dụng Điều 3 của IEC 62196-1:2014, ngoài ra:
Bổ sung:
3.401
Tiếp điểm truyền thông (communication contact)
Tiếp điểm điện phụ trợ được sử dụng trong truyền thông và nguồn cấp điện cho truyền thông (nếu có).
4 Quy định chung
Áp dụng Điều 4 của IEC 62196-1:2014, ngoài ra:
4.1 Yêu cầu chung
Thay thế:
Các phụ kiện được đề cập trong tiêu chuẩn này chỉ được sử dụng với các xe có mạch cấp điện có cách điện kép hoặc cách điện tăng cường hoặc hệ thống pin phù hợp với các yêu cầu của IEC 61851-3 (tất cả các phần).
Các phụ kiện phải được thiết kế và có kết cấu sao cho trong quá trình sử dụng bình thường, tính năng của chúng đáng tin cậy và giảm thiểu rủi ro nguy hiểm cho người sử dụng hoặc môi trường xung quanh.
Kiểm tra sự phù hợp bằng cách đáp ứng tất cả các yêu cầu và thử nghiệm liên quan theo quy định.
Các phụ kiện phải được thiết kế và chế tạo sao cho không thể tạo ra một bộ dây nối dài. Phích cắm và phích nối dùng cho xe điện không được tương thích với nhau.
Kiểm tra sự phù hợp bằng thử nghiệm bằng tay.
5 Thông số đặc trưng
Không áp dụng Điều 5 của IEC 62196-1:2014.
Thay thế:
Đối với điện áp và dòng điện danh định tương ứng, xem Bảng 401.
Các cấp điện áp phải tuân theo TCVN 12772 (ISO 17409).
Bảng 401 - Tổng quan về điện áp và dòng điện danh định
| Điện áp danh định | Dòng điện danh định | DC | Cấp điện áp theo ISO | Tờ số |
| V | A |
|
|
|
| 60 | 5 | X | A | 4-1 |
| 60 | 60 | X | A | 4-IIa/4-IIc |
| 120 | 60 | X | B | 4-IIa/4-IIb |
| 60/120 | 60 | X | A/B | 4-IIa (chỉ ổ cắm) |
| 60 | 60 | X | A | 4-III |
| 120 | 60 | X | B | 4-IV |
| CHÚ THÍCH 1: Các tiếp điểm truyền thông (nếu có) có thông số danh định 15 V và 2 A DC. CHÚ THÍCH 2: Điện áp đầu ra danh định của hệ thống, xem IEC TS 61851-3-1. | ||||
Một phụ kiện có thông số danh định lớn hơn 60 V DC và lớn hơn 5 A phải được phân loại là không phù hợp để đóng và cắt mạch điện khi có tải.
CHÚ THÍCH: Ở Canada, "không phù hợp để đóng và cắt mạch điện khi có tải" được coi là "chỉ sử dụng để ngắt kết nối".
6 Đấu nối giữa nguồn cung cấp và xe điện
Không áp dụng Điều 6 của IEC 62196-1:2014, ngoài ra:
Thay thế:
6.401 Yêu cầu chung
Điều 6 mô tả về các loại phụ kiện khác nhau.
Bảng 402 đưa ra tổng quan về các loại phụ kiện.
Bảng 402 - Tổng quan về bộ nối DC cho xe điện
| Số thứ tự | 4-I | 4-IIa c 4-IIc d | 4-IIa c 4-IIb d | 4-IIa e | 4-III | 4-IV | Chức năng |
| 60 V | 60 V | 120 V | 60/120 V | 60 V | 120 V | ||
| 1 | 5 A | 60 A | -- | 60 A | 60 A | -- | DC +60 V |
| 2 | -- | -- | 60 A | 60 A | -- | 60 A | DC -120 V |
| 3 | 5 A | 60 A | 60 A | 60 A | 60 A | 60 A | DC 0 V |
| 4 | 2 Aa | NAb | NAb | NAb | 2 Aa | 2 Aa | CAN Hi |
| 5 | 2 Aa | NAb | NAb | NAb | 2 Aa | 2 Aa | CAN Lo |
| 6 | 2 Aa | NAb | NAb | NAb | 2 Aa | 2 Aa | AUX +12V |
| 7 | 2 Aa | NAb | NAb | NAb | 2 Aa | 2 Aa | AUX 0 V |
| a Đối với các tiếp điểm 4 đến 7, 15 V DC. b Tiếp điểm truyền thông được cung cấp bởi giao diện trường gần (NFC). c Ổ cắm/Ổ nối vào xe điện. d Phích cắm/Phích nổi dùng cho xe điện. e Chỉ được sử dụng cho ổ cắm. | |||||||
6.402 Phân loại ổ nối vào xe điện
Có các loại ổ nối vào xe điện khác nhau:
- 5 A và 60 V DC;
- 60 A và 60 V DC;
- 60 A và 120 V DC.
6.403 Phân loại phích nối dùng cho xe điện
Có các loại phích nối dùng cho xe điện khác nhau:
- 5 A và 60 V DC;
- 60 A và 60 V DC;
- 60 A và 120 V DC.
6.404 Phân loại ổ cắm
Có các loại ổ cắm khác nhau:
- 5 A và 60 V DC;
- 60 A và 60 V DC;
- 60 A và 120 V DC.
6.405 Phân loại phích cắm
Có các loại phích cắm khác nhau:
- 5 A và 60 V DC;
- 60 A và 60 V DC;
- 60 A và 120 V DC.
6.406 Trình tự tiếp xúc
Trình tự tiếp xúc trong quá trình kết nối phải như sau:
- tiếp điểm nguồn: "DC 0 V", "DC +60 V", "DC -120 V" (nếu có);
- tiếp điểm truyền thông (nếu có);
- phát hiện tiếp cận (nếu có).
Trong quá trình ngắt kết nối, thứ tự phải được đảo ngược.
7 Phân loại các phụ kiện
Áp dụng Điều 7 của IEC 62196-1:2014, ngoài ra:
7.5 Không áp dụng.
8 Ghi nhãn
Áp dụng Điều 8 của IEC 62196-1:2014, ngoài ra:
8.5 Thay thế:
Đối với các phụ kiện thay dây được, các tiếp điểm phải được chỉ ra bằng các ký hiệu sau:
- DC+60 hoặc +, DC -120V hoặc -, DC 0 V hoặc 0 V đối với DC, nếu có;
- CAN Hi hoặc 4;
- CAN Lo hoặc 5;
- AUX +12 V hoặc 6;
- AUX 0 V hoặc 7.
Các ký hiệu này phải được đặt gần các đầu nối liên quan; chúng không được đặt trên vít, vòng đệm có thể tháo rời hoặc các bộ phận có thể tháo rời khác.
Nếu sử dụng chữ số, mô tả về chân cắm phải được nêu trong tài liệu đi kèm.
Kiểm tra sự phù hợp bằng cách xem xét.
9 Kích thước
Áp dụng Điều 9 của IEC 62196-1:2014.
10 Bảo vệ chống điện giật
Áp dụng Điều 10 của IEC 62196-1:2014, ngoài ra:
10.1 Thay thế:
Các phụ kiện phải được thiết kế sao cho các bộ phận mang điện nguy hiểm của phụ kiện, khi được đấu dây như trong sử dụng bình thường, không thể tiếp cận được.
Ngoài ra, không được phép tạo ra tiếp xúc giữa bộ phận mang điện của phích cắm hoặc phích nối dùng cho xe điện với bộ phận mang điện của ổ cắm hoặc ổ nối vào xe điện trong khi bộ phận mang điện bất kỳ vẫn có thể tiếp cận.
CHÚ THÍCH: Các tiếp điểm DC 0 V của phích nối dùng cho xe điện và phích cắm được coi là các bộ phận mang điện; các tiếp điểm truyền thông không được coi là các bộ phận mang điện.
Điều này không áp dụng cho các tiếp điểm và dây dẫn được sử dụng cho các mạch tín hiệu, dữ liệu, truyền thông và điều khiển.
Kiểm tra sự phù hợp bằng cách xem xét và, nếu cần thiết, bằng thử nghiệm trên mẫu được đấu dây như trong sử dụng thông thường.
Ngón tay thử nghiệm tiêu chuẩn được thể hiện trên Hình 3 của IEC 62196-1:2014 được đặt vào mọi vị trí có thể, một chỉ báo điện, sử dụng điện áp không nhỏ hơn 40 V để hiển thị tiếp xúc với phần liên quan.
10.3 Thay thế:
Các phụ kiện phải được thiết kế sao cho:
a) khi cắm phích cắm hoặc phích nối dùng cho xe điện:
1. Kết nối truyền thông, nếu có, được thực hiện sau khi thực hiện các kết nối DC +60 V, DC -120 V, DC 0 V, nếu có;
2. Tiếp điểm tiệm cận hoặc tiếp điểm công tắc kết nối, nếu có, được thực hiện sau hoặc đồng thời với các kết nối truyền thông, nếu có.
b) khi rút phích cắm hoặc phích nối dùng cho xe điện:
1. Kết nối truyền thông, nếu có, bị ngắt trước khi thực hiện ngắt các kết nối DC +60 V, DC -120 V, DC 0 V, nếu có;
2. Tiếp điểm tiệm cận hoặc tiếp điểm công tắc kết nối, nếu có, bị ngắt trước hoặc đồng thời với việc ngắt các kết nối truyền thông.
Kiểm tra sự phù hợp bằng cách xem xét và thử nghiệm bằng tay; nếu cần.
10.4 Thay thế:
Không được có khả năng lắp ráp không chủ ý:
• phần mang các tiếp điểm của ổ cắm hoặc ổ nối vào xe điện vào vỏ của phích cắm hoặc phích nối dùng cho xe điện,
• hoặc phần mang các tiếp điểm của phích cắm hoặc phích nối dùng cho xe điện vào vỏ của ổ cắm hoặc ổ nối vào xe điện.
Kiểm tra sự phù hợp bằng cách xem xét và thử nghiệm bằng tay, nếu có yêu cầu.
11 Kích thước và màu của các dây nối đất bảo vệ
Không áp dụng Điều 11 của IEC 62196-1:2014.
12 Quy định cho nối đất bảo vệ
Không áp dụng Điều 12 của IEC 62196-1:2014.
13 Đầu nối
Áp dụng Điều 13 của IEC 62196-1:2014, ngoài ra:
13.1.2 Bổ sung:
Thêm các dòng sau vào Bảng 7:
| 5 | 1 | 16 | không áp dụng | 1 | 16 | không áp dụng |
| 60 | 6 đến 16 | 10 đến 6 | không áp dụng | 6 đến 25 | 10 đến 4 | không áp dụng |
14 Khóa liên động
Áp dụng Điều 14 của IEC 62196-1:2014.
15 Khả năng chống lão hóa của vật liệu cao su và nhựa nhiệt dẻo
Áp dụng Điều 15 của IEC 62196-1:2014.
16 Kết cấu chung
Áp dụng Điều 16 của IEC 62196-1:2014, ngoài ra:
16.8 Thay thế
Khi cơ cấu giữ được đặt đúng vị trí, phụ kiện ghép nối phải được kéo bằng một lực tương đương với trọng lượng của phụ kiện và một cáp dài 1,5 m với cỡ ruột dẫn tối đa quy định trong Bảng 7 của IEC 62196-1:2014. Cơ cấu giữ không được bị tuột ra.
17 Kết cấu của ổ cắm
Điều 17 của IEC 62196-1:2014 áp dụng, ngoài ra:
17.2 Ống tiếp xúc
17.2.1 Bổ sung:
Thêm các dòng sau vào Bảng 12:
| 4 | 3,85 | 2,5 |
17.2.2 Bổ sung:
Thêm các dòng sau vào Bảng 13:
| 4 | 4,00 |
Thêm các dòng sau vào Bảng 14:
| Nhỏ hơn hoặc bằng 5 | 100 |
| Từ 6 đến bằng 60 | 275 |
18 Kết cấu của phích cắm và phích nối dùng cho xe điện
Áp dụng Điều 18 của IEC 62196-1:2014.
19 Kết cấu của ổ nối vào xe điện
Áp dụng Điều 19 của IEC 62196-1:2014, ngoài ra:
19.2 Không áp dụng.
20 Cấp bảo vệ
Áp dụng Điều 20 của IEC 62196-1:2014, ngoài ra:
20.1 Thay đoạn đầu tiên:
Các phụ kiện phải có cấp bảo vệ tối thiểu theo yêu cầu trong IEC TS 61851-3-1.
21 Điện trở cách điện và độ bền điện môi
Áp dụng Điều 21 của IEC 62196-1:2014, ngoài ra:
21.1 Thay thế:
Thay CHÚ THÍCH bằng CHÚ THÍCH sau:
CHÚ THÍCH: Đối với mục đích của các thử nghiệm này, các tiếp điểm truyền thông, nếu có, được kết nối với nhau và coi như một cực.
21.3 Thay các đoạn thứ hai và thứ ba:
Đối với các phần được chỉ ra trong 21.2 a) (gạch đầu dòng đầu tiên) và 21.2 b) (gạch đầu dòng đầu tiên) của IEC 62196-1:2014, các phần này được sử dụng trong các mạch không có công suất cho truyền thông của hệ thống quản lý năng lượng (EMS) theo IEC TS 61851-3-4, mỗi mạch có thể được thử nghiệm riêng biệt, sử dụng điện áp thử nghiệm dựa trên điện áp cao nhất trong mạch.
Đối với các phần được chỉ ra trong 21.2 a) (gạch đầu dòng thứ hai) và 21.2 b) (gạch đầu dòng thứ hai) của IEC 62196-1:2014, các phần này được sử dụng trong các mạch không có công suất cho truyền thông của hệ thống quản lý năng lượng (EMS) theo IEC TS 61851-3-4, điện áp thử nghiệm giữa các mạch này và các mạch công suất phải dựa trên điện áp của mạch công suất.
22 Khả năng cắt
Áp dụng Điều 22 của IEC 62196-1:2014, ngoài ra:
22.2 Bổ sung:
Thêm các dòng sau vào Bảng 16:
| 5 (DC) | 8 | 1,1 × Danh định tối đa | - | 50 |
| 60 (DC) | 96 | 1,1 × Danh định tối đa | - | 50 |
23 Hoạt động bình thường
Áp dụng Điều 23 của IEC 62196-1:2014, ngoài ra:
23.3 Bổ sung:
Thêm các dòng sau vào Bảng 17:
| 5 (DC) | - | 5 000 a | 5 000 |
| 60 (DC) | - | - | 10 000 |
24 Độ tăng nhiệt
Áp dụng Điều 24 của IEC 62196-1:2014, ngoài ra:
24.1 Bổ sung:
Thêm các dòng sau vào Bảng 18:
| 5 | 6,5 | 1 | - | 1 | - |
| 60 | 75 | 16 | 25 | 6 | 4 |
25 Cáp mềm và các mối nối của chúng
Điều 25 của IEC 62196-1:2014 áp dụng, ngoài ra:
25.3 Bổ sung:
Thêm các dòng sau vào Bảng 19:
| 5 | 160 | 0,6 | 2 |
| 60 | 240 | 1,2 | 2 |
26 Độ bền cơ
Áp dụng Điều 26 của IEC 62196-1:2014.
27 Vít, bộ phận mang dòng và các mối nối
Áp dụng Điều 27 của IEC 62196-1:2014.
28 Chiều dài đường rò, khe hở không khí và các khoảng cách
Áp dụng Điều 28 của IEC 62196-1:2014.
29 Khả năng chịu nhiệt, chịu cháy và phóng điện tạo vết
Áp dụng Điều 29 của IEC 62196-1:2014.
30 Ăn mòn và khả năng chống gỉ
Áp dụng Điều 30 của IEC 62196-1:2014.
31 Thử nghiệm chịu dòng diện ngắn mạch có điều kiện
Áp dụng Điều 31 của IEC 62196-1:2014.
32 Tương thích điện từ
Áp dụng Điều 32 của IEC 62196-1:2014, ngoài ra:
32.1 Bổ sung:
Nếu giao diện của các phụ kiện có chứa linh kiện điện tử thì phải được thử nghiệm theo TCVN 13078-21-1 (IEC 61851-21-1).
32.2 Bổ sung:
Nếu giao diện của các phụ kiện có chứa linh kiện điện tử thì phải được thử nghiệm theo TCVN 13078-21-1 (IEC 61851-21-1).
33 Khả năng chịu tải khi xe chạy qua
Áp dụng Điều 33 của IEC 62196-1:2014.
CÁC TỜ DỮ LIỆU TIÊU CHUẨN
TỜ TIÊU CHUẨN 4-I
BỘ NỐI XE ĐIỆN 5 A, 60 V DC
Tổng quan
Các tờ tiêu chuẩn 4-I áp dụng cho bộ nối xe điện cho điện áp tối đa 60 V DC và dòng điện hoạt động lên đến 5 A theo Bảng 2 của IEC TS 61851-3-1.
Bộ nối xe điện theo tờ tiêu chuẩn 4-I chỉ được sử dụng cho hệ thống cấp điện cho EV cấu hình loại "B" và loại "D" theo IEC TS 61851-3-1. Đối với các bộ nối xe điện này, áp dụng sơ đồ mạch điện theo Điều AA.2 và Điều AA.4 của IEC TS 61851-3-2, sử dụng các tiếp điểm truyền thông. Chỉ sử dụng truyền thông của hệ thống quản lý năng lượng (EMS) theo IEC TS 61851-3-4.
Các phụ kiện này phải được phân loại là đóng cắt khi có tải.
Nắp che có thể được sử dụng để bảo vệ các tiếp điểm của ổ nối vào xe điện. Cấu tạo của nắp được thể hiện qua bản vẽ của phích nối dùng cho xe điện.
Lực từ của mỗi nam châm phải được kiểm tra bằng thiết bị theo Hình 8 của IEC 62196-1:2014.
Đầu dò phải được cố định trên vật nặng thử nghiệm không nhiễm từ, ví dụ như đồng thau; đối trọng là thép S235JR.
Các nam châm của ổ nối vào xe điện và phích nối dùng cho xe điện phải chịu được lực kéo tối thiểu là 8 N.
Các nam châm của ổ nối vào xe điện và phích nối dùng cho xe điện phải nhả ra ở lực kéo tối đa là 20 N. Nam châm sẽ giữ một lực không lớn hơn 20 N.

CHÚ DẪN
| A | Tiêu chuẩn tham chiếu |
| B | Vật liệu: S235JR |
| C | Hướng thử nghiệm |
| D | Vật liệu: POM |
| E | Nam châm |
| F | Thiết bị thử nghiệm |
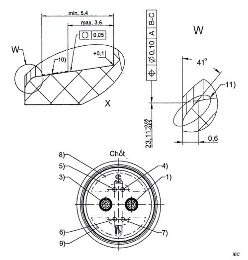
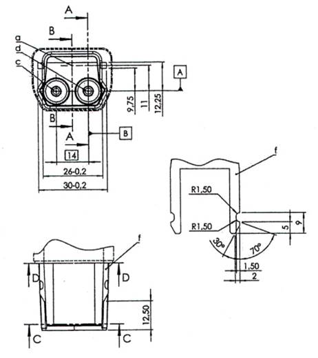
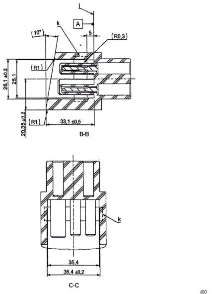
TỜ TIÊU CHUẨN 4-Ia
Trang 1
Ổ NỐI VÀO XE ĐIỆN 5 A 60 V DC
Kích thước tính bằng milimét

Bản vẽ thể hiện hướng lắp đặt ổ nối vào xe điện.
| DUNG SAI CHUNG | |||
| TỐI ĐA 10 | TỐI ĐA 50 | TỐI ĐA 100 | GÓC |
| ±0,15 | ±0,2 | ±0,3 | ±30' |
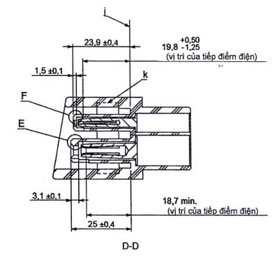
TỜ TIÊU CHUẨN 4-Ia
Trang 2 (tiếp theo trang 1)
Kích thước tính bằng milimét

CHÚ DẪN
11) Mạ vàng
12) Không cho phép có gờ và cạnh sắc
| DUNG SAI CHUNG | |||
| TỐI ĐA10 | TỐI ĐA 50 | TỐI ĐA 100 | GÓC |
| ±0,15 | ±0,2 | ±0,3 | ±30' |
TỜ TIÊU CHUẨN 4-Ia
Trang 3 (tiếp theo trang 2)

CHÚ DẪN
1) DC +60 V
3) DC 0 V
4) CAN Hi
5) CAN Lo
6) AUX +12 V
7) AUX 0 V
8) Lực hút cực Nam nam châm: tối thiểu 8 N / tối đa 20 N
9) Lực hút cực Bắc nam châm: tối thiểu 8 N / tối đa 20 N
10) Bề mặt kín không có điểm khuyết
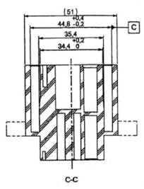
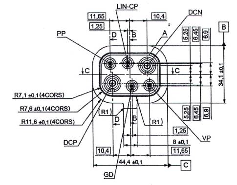
TỜ TIÊU CHUẨN 4-Ib
Trang 1
PHÍCH NỐI DÙNG CHO XE ĐIỆN 5 A 60 V DC
Kích thước tính bằng milimét

CHÚ DẪN
1) DC +60 V
3) DC 0 V
4) CAN Hi
5) CAN Lo
6) AUX +12 V
7) AUX 0 V
8) Lực hút cực Nam nam châm: tối thiểu 8 N / tối đa 20 N
9) Lực hút cực Bắc nam châm: tối thiểu 8 N / tối đa 20 N
| DUNG SAI CHUNG | |||
| TỐI ĐA 10 | TỐI ĐA 50 | TỐI ĐA 100 | GÓC |
| ±0,15 | ±0,2 | ±0,3 | ±30' |
TỜ TIÊU CHUẨN 4-Ib
Trang 2 (tiếp theo trang 1)
Kích thước tính bằng milimét


| DUNG SAI CHUNG | |||
| TỐI ĐA 10 | TỐI ĐA 50 | TỐI ĐA 100 | GÓC |
| ±0,15 | ±0,2 | ±0,3 | ±30' |
TỜ TIÊU CHUẨN 4-Ib
Trang 3 (tiếp theo trang 2)
Kích thước tính bằng milimét

CHÚ DẪN
10) Điểm tiếp xúc
11) Hành trình tối thiểu 1,2mm
| DUNG SAI CHUNG | |||
| TỐI ĐA 10 | TỐI ĐA 50 | TỐI ĐA 100 | GÓC |
| ±0,15 | ±0,2 | ±0,3 | ±30' |
TỜ TIÊU CHUẨN 4-II
PHỤ KIỆN 60 A 60/120 V DC
Tổng quan
Các tờ tiêu chuẩn 4-II áp dụng cho các phụ kiện có điện áp lớn nhất 60/120 V DC và dòng điện hoạt động đến 60 A DC theo Bảng 401.
Các phụ kiện 4-II phải được sử dụng cho hệ thống cấp điện cho EV cấu hình loại "B" đến "F" theo IEC TS 61851-3-1. Đối với các phụ kiện này, áp dụng các sơ đồ mạch điện theo Điều AA.1 và Điều AA.3 của IEC TS 61851-3-2:2023, sử dụng giao diện trường gần (NFC). Các phụ kiện theo tờ tiêu chuẩn 4-II được coi là các thiết bị thụ động theo IEC TS 61851-3-4 và chỉ được sử dụng truyền thông và nhận dạng của hệ thống quản lý năng lượng (EMS) theo IEC TS 61851-3-4.
Khóa liên động của các phụ kiện phải được cung cấp bằng cách sử dụng thiết bị chốt.
Ổ nối vào xe điện theo tờ tiêu chuẩn 4-IIa cũng được sử dụng trong cùng cấu hình với ổ cắm.
Các phích nối dùng cho xe điện theo tờ tiêu chuẩn 4-IIb đến 4-IIc cũng được sử dụng trong cùng cấu hình với phích cắm.
NFC phải được triển khai theo Phụ lục F của IEC TS 61851-3-4:2023.
Các tờ tiêu chuẩn 4-IIa (Trang 3) xác định thiết bị chốt.
Việc chốt của các phụ kiện là bắt buộc để ngăn chặn việc tách rời không chủ ý và ngắt kết nối khi có tải. Chốt phải đảm bảo rằng việc truyền điện dừng lại trước khi tách rời. Theo 7.1 của IEC TS 61851-3-1:2023, thiết bị chốt phải được đóng trước khi bắt đầu truyền điện và không thể mở cho đến 100 ms sau khi truyền điện dừng lại.
Các tờ tiêu chuẩn 4-IIa (Trang 4) hiển thị vị trí của công tắc kết nối để cung cấp chức năng phát hiện tiệm cận theo 7.2.1 của IEC TS 61851-3-1:2023. Các giải pháp khác không bị loại trừ, miễn là các chức năng sau được đảm bảo:
• chức năng phát hiện tiệm cận; và
• trình tự tiếp xúc theo Điều 6.
Nếu tiếp điểm tiệm cận hoặc công tắc kết nối không được thực hiện, NFC sẽ không hoạt động.
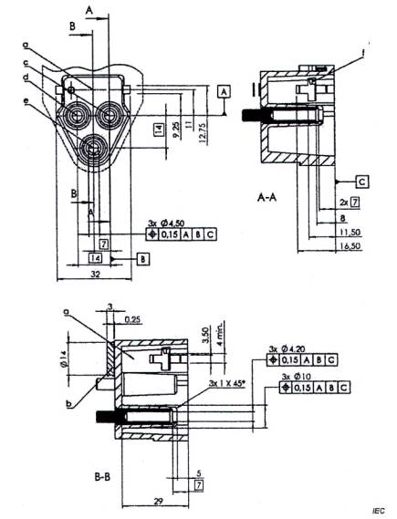
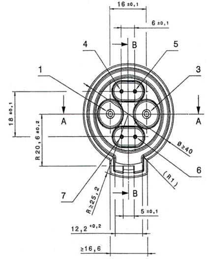
TỜ TIÊU CHUẨN 4-IIa
Trang 1
Ổ NỐI VÀO XE ĐIỆN/Ổ CẮM 60 A 60/120 V DC
Kích thước tính bằng milimét

CHÚ DẪN
a Trục của cuộn dây NFC
b Cuộn dây NFC
c DC +60 V
d DC 0 V
e DC -120 V
f Thiết bị chốt
| DUNG SAI CHUNG | |||
| TỐI ĐA 6 | TỐI ĐA 30 | TỐI ĐA 120 | GÓC |
| ±0,05 | ±0,1 | ±0,15 | ±30' |
TỜ TIÊU CHUẨN 4-IIa
Trang 2 (tiếp theo trang 1)
Kích thước tính bằng milimét

CHÚ DẪN
f Thiết bị chốt
| DUNG SAI CHUNG | |||
| TỐI ĐA 6 | TỐI ĐA 30 | TỐI ĐA 120 | GÓC |
| ±0,05 | ±0,1 | ±0,15 | ±30' |
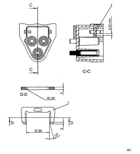
TỜ TIÊU CHUẨN 4-IIa
Trang 3 (tiếp theo trang 2)
Kích thước tính bằng milimét

CHÚ DẪN
h Không gian dành cơ cấu cơ khí của chức năng tiệm cận
| DUNG SAI CHUNG | |||
| TỐI ĐA 6 | TỐI ĐA 30 | TỐI ĐA 120 | GÓC |
| ±0,05 | ±0,1 | ±0,15 | ±30’ |
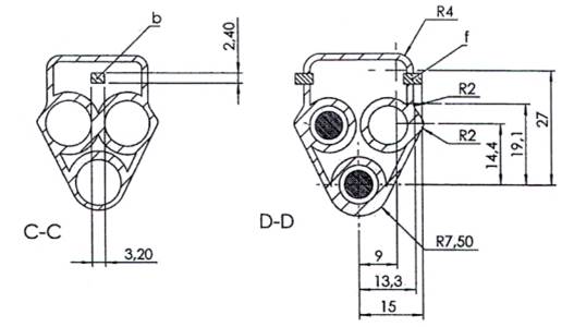
TỜ TIÊU CHUẨN 4-IIa
Trang 4 (tiếp theo trang 3)
Kích thước tính bằng milimét

CHÚ DẪN
| c | DC +60 V * |
| d | DC 0 V |
| e | DC-120 V * |
| * | Một trong hai là tùy chọn cho ổ cắm và chỉ một trong hai sẽ được cung cấp cho ổ nối vào xe điện |
| DUNG SAI CHUNG | |||
| TỐI ĐA 6 | TỐI ĐA 30 | TỐI ĐA 120 | GÓC |
| ±0,05 | ±0,1 | ±0,15 | ±30' |
TỜ TIÊU CHUẨN 4-IIb
Trang 1
PHÍCH CẮM / PHÍCH NỐI DÙNG CHO XE ĐIỆN 60 A 120 V DC
Kích thước tính bằng milimét

CHÚ DẪN
a Trục của cuộn NFC
c DC +60V
e DC-120 V
f Thiết bị chốt
| DUNG SAI CHUNG | |||
| TỐI ĐA 6 | TỐI ĐA 30 | TỐI ĐA 120 | GÓC |
| ±0,05 | ±0,1 | ±0,15 | ±30’ |
TỜ TIÊU CHUẨN 4-IIb
Trang 2 (tiếp theo trang 1)
Kích thước tính bằng milimét

CHÚ DẪN
a Trục của cuộn NFC
b Cuộn NFC
| DUNG SAI CHUNG | |||
| TỐI ĐA 6 | TỐI ĐA 30 | TỐI ĐA 120 | GÓC |
| ±0,05 | ±0,1 | ±0,15 | ±30' |
TỜ TIÊU CHUẨN 4-IIb
Trang 3 (tiếp theo trang 2)
Kích thước tính bằng milimét


CHÚ DẪN
b Cuộn NFC
f Thiết bị chốt
| DUNG SAI CHUNG | |||
| TỐI ĐA 6 | TỐI ĐA 30 | TỐI ĐA 120 | GÓC |
| ±0,05 | ±0,1 | ±0,15 | ±30' |
TỜ TIÊU CHUẨN 4-IIc
Trang 1
PHÍCH CẮM / PHÍCH NỐI DÙNG CHO XE ĐIỆN 60 A 60 V DC
Kích thước tính bằng milimét

CHÚ DẪN
a Trục của cuộn NFC
c DC +60 V
d DC 0 V
f Thiết bị chốt
| DUNG SAI CHUNG | |||
| TỐI ĐA 6 | TỐI ĐA 30 | TỐI ĐA 120 | GÓC |
| ±0,05 | ±0,1 | ±0,15 | ±30' |
TỜ TIÊU CHUẨN 4-IIc
Trang 2 (tiếp theo trang 1)
Kích thước tính bằng milimét

CHÚ DẪN
a Trục của cuộn NFC
b Cuộn NFC
| DUNG SAI CHUNG | |||
| TỐI ĐA 6 | TỐI ĐA 30 | TỐI ĐA 120 | GÓC |
| ±0,05 | ±0,1 | ±0,15 | ±30' |
TỜ TIÊU CHUẨN 4-IIc
Trang 3 (tiếp theo trang 2)
Kích thước tính bằng milimét

CHÚ DẪN
b Cuộn NFC
f Thiết bị chốt
| DUNG SAI CHUNG | |||
| TỐI ĐA 6 | TỐI ĐA 30 | TỐI ĐA 120 | GÓC |
| ±0,05 | ±0,1 | ±0,15 | ±30' |
TỜ TIÊU CHUẨN 4-Ild
Trang 1
KHÔNG GIAN CẦN THIẾT CHO PHÍCH CẮM
Kích thước tính bằng milimét

| DUNG SAI CHUNG | |||
| TỐI ĐA 6 | TỐI ĐA 30 | TỐI ĐA 120 | GÓC |
| ±0,05 | ±0,1 | ±0,15 | ±30’ |
TỜ TIÊU CHUẨN 4-Ild
Trang 2 (tiếp theo trang 1)
KHÔNG GIAN CẦN THIẾT CHO PHÍCH CẮM
Kích thước tính bằng milimét


| DUNG SAI CHUNG | |||
| TỐI ĐA 6 | TỐI ĐA 30 | TỐI ĐA 120 | GÓC |
| ±0,05 | ±0,1 | ±0,15 | ±30' |
TỜ TIÊU CHUẨN 4-III
BỘ NỐI XE ĐIỆN 60 A 60 V DC
Tổng quan
Các tờ tiêu chuẩn 4-III áp dụng cho: bộ nối xe điện 60 A, 60 V DC.
Bộ nối 4-III được coi là được sử dụng cho hệ thống cấp điện cho EV cấu hình loại "B" và "C" theo IEC TS 61851-3-1. Đối với các bộ nối này, áp dụng các sơ đồ mạch điện theo Điều AA.2 và Điều AA.4 của IEC TS 61851-3-2, sử dụng các tiếp điểm truyền thông.
Ổ nối vào xe điện theo tờ tiêu chuẩn 4-IIIa cũng có thể được sử dụng trong cùng cấu hình với ổ cắm trong trường hợp A và B.
Các phích nối dùng cho xe điện theo tờ tiêu chuẩn 4-IIIb cũng có thể được sử dụng trong cùng cấu hình với phích cắm trong trường hợp A và B.
Khóa liên động của các phụ kiện phải được cung cấp bằng cách sử dụng thiết bị chốt.
TỜ TIÊU CHUẨN 4-IIIa
Trang 1
Ổ NỐI VÀO XE ĐIỆN 60A 60V DC
Kích thước tính bằng milimét

CHÚ DẪN
| 1 | DC +60 V |
| 3 | DC 0 V |
| 4 | CAN Hi |
| 5 | CAN Lo |
| 6 | AUX +12 V |
| 7 | AUX 0 V |
TỜ TIÊU CHUẨN 4-IIIa
Trang 2 (tiếp theo trang 1)
Kích thước tính bằng milimét
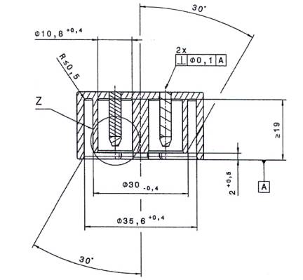
Mặt cắt A - A

Chi tiết Z

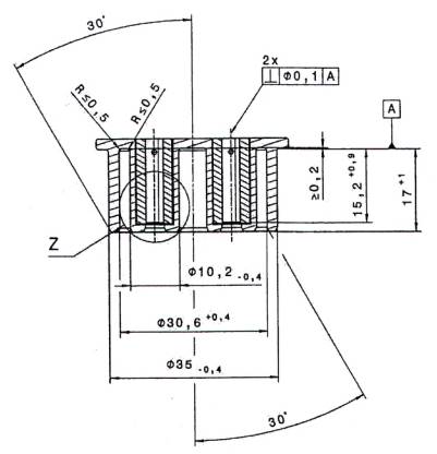
TỜ TIÊU CHUẨN 4-IIIa
Trang 3 (tiếp theo trang 2)
Kích thước tính bằng milimét
(giá trị trong ngoặc đơn chỉ để tham khảo)
Mặt cắt B - B

Chi tiết Y

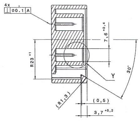
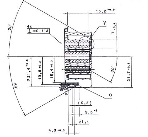
TỜ TIÊU CHUẨN 4-IIIb
Trang 1
PHÍCH NỐI DÙNG CHO XE ĐIỆN 60 A 60 V DC
Kích thước tính bằng milimét

CHÚ DẪN
1 DC +60 V
3 DC 0 V
4 CAN Hi
5 CAN Lo
6 AUX +12V
7 AUX 0 V
TỜ TIÊU CHUẨN 4-IIIb
Trang 2 (tiếp theo trang 1)
Kích thước tính bằng milimét
(giá trị trong ngoặc chỉ để tham khảo)
MẶT CẮT A-A

Chi tiết Z

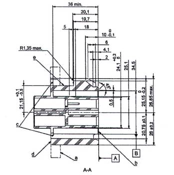
TỜ TIÊU CHUẨN 4-IIIb
Trang 3
MẶT CẮT B-B
Kích thước tính bằng milimét
(giá trị trong ngoặc chỉ để tham khảo)

Chi tiết Y

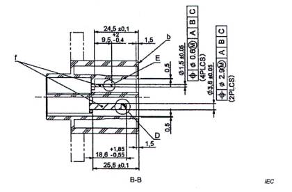
TỜ TIÊU CHUẨN 4-IIIb
Trang 4 (tiếp theo trang 3)
Kích thước tính bằng milimét
MẶT CẮT C-C

CHÚ DẪN
a Nắp cách điện (nếu cần)
b Vát cạnh để dễ dàng cắm vào (45°)
c Chốt (bộ phận di chuyển được)
TỜ TIÊU CHUẨN 4-IV
BỘ NỐI XE ĐIỆN 60 A 120 V DC
Tổng quan
Các tờ tiêu chuẩn 4-IV áp dụng cho bộ nối 60 A, 120 V DC.
Các tờ tiêu chuẩn 4-IVd xác định thiết bị chốt. Thiết bị chốt là bắt buộc để ngăn bộ nối xe điện ngắt kết nối không chủ ý hoặc ngắt khi có tải.
Khóa liên động với thiết bị chốt là bắt buộc.
TỜ TIÊU CHUẨN 4-IVa
Trang 1
Ổ NỐI VÀO XE ĐIỆN 60 A 120 V DC
Kích thước tính bằng milimét
(kích thước trong ngoặc chỉ để tham khảo)


CHÚ DẪN
a Bề mặt F (nếu có)
b Mặt phẳng chuẩn
c Lối thoát chất lỏng
| DUNG SAI CHUNG | |||
| TỐI ĐA 10 | TỐI ĐA 50 | TỐI ĐA 100 | GÓC |
| ±0,15 | ±0,2 | ±0,3 | ±30' |
TỜ TIÊU CHUẨN 4-IVa
Trang 2 (tiếp theo trang 1)
Kích thước tính bằng milimét
(kích thước trong ngoặc chỉ để tham khảo)


CHÚ DẪN
a Bề mặt F (nếu có)
b Mặt phẳng chuẩn
c Lối thoát chất lỏng
d Bề mặt xe
e Bề mặt P
f Các tiếp điểm này có cơ chế tự động căn chỉnh.
Ví dụ, tiếp điểm di chuyển tự do trong giới hạn dung sai cho phép.
| DUNG SAI CHUNG | |||
| TỐI ĐA 10 | TỐI ĐA 50 | TỐI ĐA 100 | GÓC |
| ±0,15 | ±0,2 | ±0,3 | ±30' |
TỜ TIÊU CHUẨN 4-IVa
Trang 3 (tiếp theo trang 2)
Kích thước tính bằng milimét
(kích thước trong ngoặc chỉ để tham khảo)


CHÚ DẪN
g Nắp cách ly (nếu cần)
h Đầu nối
| DUNG SAI CHUNG | |||
| TỐI ĐA 10 | TỐI ĐA 50 | TỐI ĐA 100 | GÓC |
| ±0,15 | ±0,2 | ±0,3 | ±30' |
TỜ TIÊU CHUẨN 4-IVb
Trang 1
PHÍCH NỐI DÙNG CHO XE ĐIỆN 60 A 120 V DC
Kích thước tính bằng milimét
(kích thước trong ngoặc chỉ để tham khảo)


IEC
CHÚ DẪN
i Lối thoát chất lỏng (nếu cần)
| DUNG SAI CHUNG | |||
| TỐI ĐA 10 | TỐI ĐA 50 | TỐI ĐA 100 | GÓC |
| ±0,15 | ±0,2 | ±0,3 | ±30' |
TỜ TIÊU CHUẨN 4-IVb
Trang 2 (tiếp theo trang 1)
Kích thước tính bằng milimét
(kích thước trong ngoặc chỉ để tham khảo)

CHÚ DẪN
j Mặt phẳng chuẩn của phích nối dùng cho xe điện
k Vòng đệm kín (nếu cần) một phương pháp gắn kín dùng cho IP44 khi ghép nối với ổ nối vào xe điện.
| DUNG SAI CHUNG | |||
| TỐI ĐA 10 | TỐI ĐA 50 | TỐI ĐA 100 | GÓC |
| ±0,15 | ±0,2 | ±0,3 | ±30' |
TỜ TIÊU CHUẨN 4-IVb
Trang 3 (tiếp theo trang 2)
Kích thước tính bằng milimét
(kích thước trong ngoặc chỉ để tham khảo)


CHÚ DẪN
j Mặt phẳng chuẩn của phích nối dùng cho xe điện
k Vòng đệm kín (nếu cần) một phương pháp gắn kín dùng cho IP44 khi ghép nối với ổ nối vào xe điện.
| DUNG SAI CHUNG | |||
| TỐI ĐA 10 | TỐI ĐA 50 | TỐI ĐA 100 | GÓC |
| ±0,15 | ±0,2 | ±0,3 | ±30' |
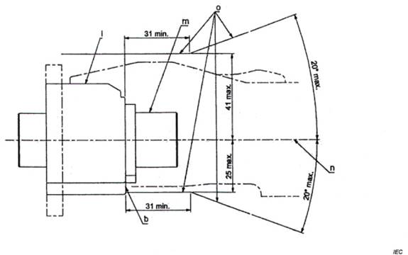
TỜ TIÊU CHUẨN 4-IVc
Trang 1
KÍCH THƯỚC TỐI ĐA CỦA KHUNG BAO NGOÀI PHÍCH NỐI DÙNG CHO XE ĐIỆN
Kích thước tính bằng milimét
(kích thước trong ngoặc chỉ để tham khảo)

Hình chiếu cạnh của bộ nối xe điện
CHÚ DẪN
b Mặt phẳng chuẩn của ổ nối vào xe điện.
I Ổ nối vào xe điện.
m Phích nối dùng cho xe điện.
n Đường tâm của ổ nối vào xe điện.
o Hình dạng phích nối dùng cho xe điện phải nằm trong các đường liền nét này.
| DUNG SAI CHUNG | |||
| TỐI ĐA 10 | TỐI ĐA 50 | TỐI ĐA 100 | GÓC |
| ±0,15 | ±0,2 | ±0,3 | ±30' |
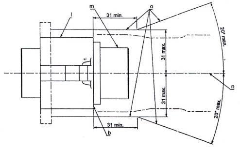
TỜ TIÊU CHUẨN 4-IVc
Trang 2 (tiếp theo trang 1)
Kích thước tính bằng milimét

Hình chiếu bằng của bộ nối xe điện
CHÚ DẪN
b Mặt phẳng chuẩn của ổ nối vào xe điện.
I Ổ nối vào xe điện.
m Phích nối dùng cho xe điện.
n Đường tâm của ổ nối vào xe điện.
o Hình dạng phích nối dùng cho xe điện phải nằm trong các đường liền nét này.
| DUNG SAI CHUNG | |||
| TỐI ĐA 10 | TỐI ĐA 50 | TỐI ĐA 100 | GÓC |
| ±0,15 | ±0,2 | ±0,3 | ±30' |
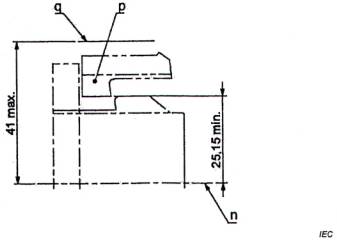
TỜ TIÊU CHUẨN 4-IVd
Trang 1
THIẾT BỊ CHỐT
Kích thước tính bằng milimét
Chốt được hiển thị tiếp xúc với bề mặt P

Hình chiếu cạnh của chốt
Chốt được hiển thị ở trạng thái mở

Hình chiếu cạnh của chốt
CHÚ DẪN
b Mặt phẳng chuẩn của ổ nối vào xe điện.
e Bề mặt P
n Đường tâm của ổ nối vào xe điện.
p Chốt của phích nối dùng cho xe điện
q Hình dạng chốt phải nằm trong các đường liền nét này.
| DUNG SAI CHUNG | |||
| TỐI ĐA 10 | TỐI ĐA 50 | TỐI ĐA 100 | GÓC |
| ±0,15 | ±0,2 | ±0,3 | ±30' |
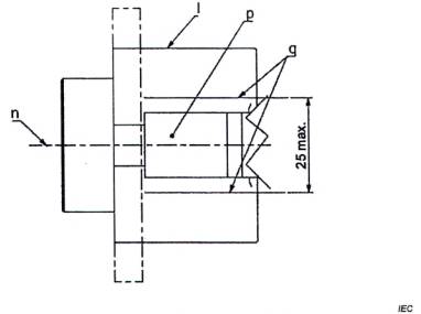
TỜ TIÊU CHUẨN 4-IVd
Trang 2 (tiếp theo trang 1)
Kích thước tính bằng milimét

Hình chiếu bằng của chốt
CHÚ DẪN
I Ổ nối vào xe điện.
n Đường tâm của ổ nối vào xe điện.
p Chốt của phích nối dùng cho xe điện
q Hình dạng chốt phải nằm trong các đường liền nét này.
| DUNG SAI CHUNG | |||
| TỐI ĐA 10 | TỐI ĐA 50 | TỐI ĐA 100 | GÓC |
| ±0,15 | ±0,2 | ±0,3 | ±30' |
Thư mục tài liệu tham khảo
[1] IEC 60050-441, International Electrotechnical Vocabulary (IEV) - Chapter 441: Switchgear, controlgear and fuses
[2] TCVN 7699-2-75 (IEC 60068-2-75), Thử nghiệm môi trường - Phần 2-75: Các thử nghiệm - Thử nghiệm Eh: Thử nghiệm búa
[3] TCVN 9615-6 (IEC 60245-6), Cáp cách điện bằng cao su - Điện áp danh định đến và bằng 450/750V - Phần 6: Cáp hàn hồ quang
[4] TCVN 13590-1 (IEC 60309-1), Phích cắm, ổ cắm cố định hoặc di động và ổ nối vào thiết bị dùng cho mục đích công nghiệp - Phần 1: Yêu cầu chung
[5] TCVN 6188-1 (IEC 60884-1), Ổ cắm và phích cắm dùng trong gia đình và các mục đích tương tự - Phần 1: Yêu cầu chung
[6] TCVN 10865 (ISO 3506) (tất cả các phần), Cơ tính của các chi tiết lắp xiết bằng thép không gỉ chịu ăn mòn
MỤC LỤC
1 Phạm vi áp dụng
2 Tài liệu viện dẫn
3 Thuật ngữ và định nghĩa
4 Quy định chung
5 Thông số đặc trưng
6 Đấu nối giữa nguồn cung cấp và xe điện
7 Phân loại các phụ kiện
8 Ghi nhãn
9 Kích thước
10 Bảo vệ chống điện giật
11 Kích thước và màu của các dây nối đất bảo vệ
12 Quy định cho nối đất bảo vệ
13 Đầu nối
14 Khóa liên động
15 Khả năng chống lão hóa của vật liệu cao su và nhựa nhiệt dẻo
16 Kết cấu chung
17 Kết cấu của ổ cắm
18 Kết cấu của phích cắm và phích nối dùng cho xe điện
19 Kết cấu của ổ nối vào xe điện
20 Cấp bảo vệ
21 Điện trở cách điện và độ bền điện môi
22 Khả năng cắt
23 Hoạt động bình thường
24 Độ tăng nhiệt
25 Cáp mềm và các mối nối của chúng
26 Độ bền cơ
27 Vít, bộ phận mang dòng và các mối nối
28 Chiều dài đường rò, khe hở không khí và các khoảng cách
29 Khả năng chịu nhiệt, chịu cháy và phóng điện tạo vết
30 Ăn mòn và khả năng chống gỉ
31 Thử nghiệm chịu dòng diện ngắn mạch có điều kiện
32 Tương thích điện từ
33 Khả năng chịu tải khi xe chạy qua
TỜ TIÊU CHUẨN 4-I
TỜ TIÊU CHUẨN 4-II
TỜ TIÊU CHUẨN 4-III
TỜ TIÊU CHUẨN 4-IV
Thư mục tài liệu tham khảo
Bạn chưa Đăng nhập thành viên.
Đây là tiện ích dành cho tài khoản thành viên. Vui lòng Đăng nhập để xem chi tiết. Nếu chưa có tài khoản, vui lòng Đăng ký tại đây!