- Tổng quan
- Nội dung
- Tiêu chuẩn liên quan
- Lược đồ
- Tải về
Tiêu chuẩn TCVN 14296-3:2025 Phích cắm, ổ cắm, phích nối dùng cho xe điện - Yêu cầu tương thích kích thước
| Số hiệu: | TCVN 14296-3:2025 | Loại văn bản: | Tiêu chuẩn Việt Nam |
| Cơ quan ban hành: | Bộ Khoa học và Công nghệ | Lĩnh vực: | Công nghiệp |
| Trích yếu: | IEC 62196-3:2022 Phích cắm, ổ cắm, phích nối dùng cho xe điện và ổ nối vào xe điện - Sạc điện có dây dùng cho xe điện - Phần 3: Yêu cầu tương thích về kích thước đối với bộ nối xe điện dạng chân cắm và dạng ống tiếp xúc DC và AC/DC | ||
|
Ngày ban hành:
Ngày ban hành là ngày, tháng, năm văn bản được thông qua hoặc ký ban hành.
|
22/01/2025 |
Hiệu lực:
|
Đã biết
|
| Người ký: | Đang cập nhật |
Tình trạng hiệu lực:
Cho biết trạng thái hiệu lực của văn bản đang tra cứu: Chưa áp dụng, Còn hiệu lực, Hết hiệu lực, Hết hiệu lực 1 phần; Đã sửa đổi, Đính chính hay Không còn phù hợp,...
|
Đã biết
|
TÓM TẮT TIÊU CHUẨN VIỆT NAM TCVN 14296-3:2025
Tiêu chuẩn quốc gia về phích cắm và ổ cắm sạc cho xe điện
Ngày 22/01/2025, Bộ Khoa học và Công nghệ đã công bố Tiêu chuẩn quốc gia TCVN 14296-3:2025 IEC 62196-3:2022 về phích cắm, ổ cắm và phích nối dùng cho xe điện, quy định về yêu cầu tương thích về kích thước đối với bộ nối xe điện dạng chân cắm và dạng ống tiếp xúc DC và AC/DC. Tiêu chuẩn này chính thức có hiệu lực từ ngày công bố.
Tiêu chuẩn TCVN 14296-3:2025 áp dụng cho các bộ nối xe điện có chân cắm và ống tiếp xúc theo cấu hình tiêu chuẩn, được thiết kế cho hệ thống sạc điện có dây với phương thức điều khiển tích hợp, sử dụng nguồn DC và AC/DC cho các dòng điện và điện áp như quy định trong TCVN 14296-1:2025.
Yêu cầu về kích thước và tương thích
Tiêu chuẩn này cung cấp các yêu cầu về kích thước và cấu hình cho bộ nối xe điện sử dụng trong việc sạc điện có dây, bao gồm các cấu hình giao diện DC cho xe điện và phụ kiện liên quan. Các phích nối phải tuân thủ kích thước và thông số cụ thể để đảm bảo tính tương thích khi sạc điện.
Thông số đặc trưng
TCVN 14296-3:2025 quy định các thông số điện và chức năng cho từng tiếp điểm trong bộ nối, bao gồm:
- Chức năng tiếp điểm nguồn DC, chỉ rõ điện áp danh định và dòng điện tối đa cho từng cấu hình.
- Giao diện kết hợp cho phép sử dụng cả dòng điện AC và DC cho việc sạc điện, nhằm tăng cường tính linh hoạt của hệ thống.
- Kích thước và cấu hình của dây nối đất bảo vệ cũng được quy định rõ ràng để đảm bảo an toàn cho người sử dụng.
Điều kiện môi trường
Tiêu chuẩn yêu cầu bộ nối xe điện được thiết kế để hoạt động trong môi trường có nhiệt độ từ -30 °C đến +40 °C.
Hướng dẫn thử nghiệm và chứng nhận
Các phụ kiện cần trải qua các thử nghiệm về khả năng hạ nhiệt và an toàn, bao gồm việc kiểm tra độ bền của tiếp điểm và khả năng bảo vệ chống điện giật. Các yêu cầu này nhằm đảm bảo an toàn trong quá trình sử dụng bộ nối sạc điện cho ô tô.
Kết luận
TCVN 14296-3:2025 là một tiêu chuẩn quan trọng cho hệ thống sạc điện cho xe điện, giúp đảm bảo chất lượng và độ an toàn khi sử dụng. Tiêu chuẩn này không chỉ giúp quản lý việc lắp đặt và sử dụng phích cắm, ổ cắm mà còn khẳng định tính đồng bộ trong phát triển hạ tầng sạc điện cho ô tô tại Việt Nam.
Tải tiêu chuẩn Việt Nam TCVN 14296-3:2025
TIÊU CHUẨN QUỐC GIA
TCVN 14296-3:2025
IEC 62196-3:2022
PHÍCH CẮM, Ổ CẮM, PHÍCH NỐI DÙNG CHO XE ĐIỆN VÀ Ổ NỐI VÀO XE ĐIỆN - SẠC ĐIỆN CÓ DÂY DÙNG CHO XE ĐIỆN - PHẦN 3: YÊU CẦU TƯƠNG THÍCH VỀ KÍCH THƯỚC ĐỐI VỚI BỘ NỐI XE ĐIỆN DẠNG CHÂN CẮM VÀ DẠNG ỐNG TIẾP XÚC DC VÀ AC/DC
Plugs, socket-outlets, vehicle connectors and vehicle inlets - Conductive charging of electric vehicles - Part 3: Dimensional compatibility requirements for DC and AC/DC pin and contact-tube vehicle couplers
Lời nói đầu
TCVN 14296-3:2025 hoàn toàn tương đương với IEC 62196-3:2022;
TCVN 14296-3:2025 do Ban kỹ thuật tiêu chuẩn quốc gia TCVN/TC/E16 Hệ thống truyền năng lượng cho xe điện biên soạn, Viện Tiêu chuẩn Chất lượng Việt Nam đề nghị, Ủy ban Tiêu chuẩn Đo lường Chất lượng Quốc gia thẩm định, Bộ Khoa học và Công nghệ công bố.
Bộ tiêu chuẩn TCVN 14296 (IEC 62196), Phích cắm, ổ cắm, phích nối dùng cho xe điện và ổ nối vào xe điện - Sạc điện có dây dùng cho xe điện gồm các tiêu chuẩn sau:
- Phần 1: Yêu cầu chung;
- Phần 2: Yêu cầu tương thích về kích thước đối với phụ kiện dạng chân cắm và dạng ống tiếp xúc AC;
- Phần 3: Yêu cầu tương thích về kích thước đối với bộ nối xe điện dạng chân cắm và dạng ống tiếp xúc DC và AC/DC;
- Phần 3-1: Phích nối dùng cho xe điện, ổ nối vào xe điện và cụm cáp dùng cho sạc điện DC được thiết kế để sử dụng với hệ thống quản lý nhiệt;
- Phần 4: Yêu cầu tương thích về kích thước và tính đổi lẫn đối với phụ kiện dạng chân cắm và dạng ống tiếp xúc DC dùng cho các ứng dụng Cấp II hoặc Cấp III;
- Phần 6: Yêu cầu tương thích về kích thước đối với bộ nối xe điện dạng chân cắm và dạng ống tiếp xúc DC được thiết kế để sử dụng cho thiết bị cấp điện một chiều cho EV có bảo vệ dựa vào sự phân cách về điện.
Lời giới thiệu
TCVN 13078 (IEC 61851) (tất cả các phần) quy định các yêu cầu đối với hệ thống sạc điện có dây dùng cho xe điện (EV).
TCVN 14296 (IEC 62196) (tất cả các phần) quy định các yêu cầu đối với phích cắm, ổ cắm, phích nối dùng cho xe điện, ổ nối vào xe điện và cụm cáp như mô tả trong bộ tiêu chuẩn TCVN 13078 (IEC 61851).
Một số sạc điện có thể được thực hiện bằng cách kết nối trực tiếp từ xe điện đến ổ cắm tiêu chuẩn được nối với mạng nguồn (nguồn lưới).
Để hỗ trợ việc đấu nối nguồn DC đối với các xe điện, tiêu chuẩn này cung cấp các cấu hình giao diện tiêu chuẩn của các bộ nối DC cho xe điện và các phụ kiện cần sử dụng trong sạc điện có dây dùng cho xe điện, có tính đến các trường hợp sạc phổ biến nhất.
PHÍCH CẮM, Ổ CẮM, PHÍCH NỐI DÙNG CHO XE ĐIỆN VÀ Ổ NỐI VÀO XE ĐIỆN - SẠC ĐIỆN CÓ DÂY DÙNG CHO XE ĐIỆN - PHẦN 3: YÊU CẦU TƯƠNG THÍCH VỀ KÍCH THƯỚC ĐỐI VỚI BỘ NỐI XE ĐIỆN DẠNG CHÂN CẮM VÀ DẠNG ỐNG TIẾP XÚC DC VÀ AC/DC
Plugs, socket-outlets, vehicle connectors and vehicle inlets - Conductive charging of electric vehicles - Part 3: Dimensional compatibility requirements for DC and AC/DC pin and contact-tube vehicle couplers
1 Phạm vi áp dụng
Tiêu chuẩn này áp dụng cho bộ nối xe điện có chân cắm và ống tiếp xúc có cấu hình tiêu chuẩn, sau đây được gọi là "phụ kiện", được thiết kế để sử dụng trong hệ thống sạc điện có dây dùng cho xe điện có tích hợp phương thức điều khiển, với dòng điện và điện áp làm việc danh định phù hợp với TCVN 14296-1:2025 (IEC 62196-1:2022).
Tiêu chuẩn này áp dụng cho giao diện DC công suất cao và giao diện AC/DC kết hợp của bộ nối xe điện được thiết kế để sử dụng trong hệ thống sạc điện có dây đối với các mạch điện được quy định trong TCVN 13078-1:2020 (IEC 61851-1:2017) và IEC 61851-23:2023.
Các phích nối dùng cho xe điện và ổ nối vào xe điện DC được đề cập trong tiêu chuẩn này chỉ được sử dụng trong sạc điện chế độ 4 theo TCVN 13078-1:2020 (IEC 61851-1:2017), 6.2.4, và trường hợp C theo TCVN 13078-1:2020 (IEC 61851-1:2017), Hình 3.
Các bộ nối xe điện này được thiết kế để sử dụng cho các mạch điện quy định trong IEC 61851-23:2023 hoạt động ở các điện áp khác nhau, và có thể bao gồm tín hiệu ELV và truyền thông.
Tiêu chuẩn này áp dụng cho bộ nối xe điện được sử dụng ở nhiệt độ môi trường từ -30 °C đến +40 °C.
CHÚ THÍCH 1: Ở một số quốc gia, các yêu cầu khác có thể được áp dụng.
CHÚ THÍCH 2: Ở Thụy Điển, áp dụng nhiệt độ môi trường -35 °C.
Các bộ nối xe điện này được thiết kế để kết nối với cáp có ruột dẫn bằng đồng hoặc hợp kim đồng.
2 Tài liệu viện dẫn
Áp dụng Điều 2 của TCVN 14296-1:2025 (IEC 62196-1:2022), ngoài ra.
Bổ sung:
TCVN 7447-5-54:2015 (IEC 60364-5-54:2011), Hệ thống lắp đặt điện hạ áp - Phần 5-54: Lựa chọn và lắp đặt thiết bị điện - Bố trí nối đất và dây bảo vệ
TCVN 14296-1:2025 (IEC 62196-1:2022), Phích cắm, ổ cắm, phích nối dùng cho xe điện và ổ nối vào xe điện - Sạc điện có dây dùng cho xe điện - Phần 1: Yêu cầu chung
TCVN 14296-2:2025 (IEC 62196-2:2022), Phích cắm, ổ cắm, phích nối dùng cho xe điện và ổ nối vào xe điện - Sạc điện có dây dùng cho xe điện - Phần 2: Yêu cầu tương thích về kích thước đối với phụ kiện dạng chân cắm và dạng ống tiếp xúc AC
3 Thuật ngữ và định nghĩa
Áp dụng Điều 3 của tiêu chuẩn TCVN 14296-1:2025 (IEC 62196-1:2022).
4 Quy định chung
Áp dụng Điều 4 của TCVN 14296-1:2025 (IEC 62196-1:2022), ngoài ra:
Bổ sung:
Các phụ kiện của giao diện kết hợp cho loại AC/DC được thiết kế để sử dụng với AC phải tuân thủ các thông số và yêu cầu của TCVN 14296-2:2025 (IEC 62196-2:2022).
5 Thông số đặc trưng
Áp dụng Điều 5 của TCVN 14296-1:2025 (IEC 62196-1:2022), ngoài ra:
Sổ sung:
5.2.2 Dòng điện danh định dùng cho mục đích báo hiệu và điều khiển
Thêm nội dung sau vào cuối 5.2.2:
Đối với cấu hình AA, các tiếp điểm điều khiển quá trình sạc có thông số đặc trưng 30 V, 10 A. Nguồn phụ có thể bao gồm mạch điện hệ thống điện áp cực thấp an toàn.
Bổ sung:
5.301 Dòng điện danh định cho các tiếp điểm nguồn phụ
Đối với cấu hình BB, các tiếp điểm nguồn phụ có thông số đặc trưng 30 V, 20 A. Nguồn phụ có thể bao gồm một mạch điện hệ thống điện áp cực thấp an toàn.
6 Đấu nối giữa nguồn cung cấp và xe điện
Áp dụng Điều 6 của TCVN 14296-1:2025 (IEC 62196-1:2022), ngoài ra:
6.2 Giao diện cơ bản
Không áp dụng
6.3 Giao diện DC
Thay thế:
Thay nội dung hiện có của TCVN 14296-1:2025 (IEC 62196-1:2022), 6.3 bằng nội dung sau:
Giao diện DC có thể chứa tối đa 12 tiếp điểm nguồn hoặc tín hiệu, với chỉ một cấu hình vật lý của các vị trí tiếp điểm. Các thông số đặc trưng về điện và chức năng của tiếp điểm được mô tả trong Bảng 301.
Bảng 301 - Tổng quan về giao diện DC trên xe điện
| Số thứ tự | Cấu hình |
| ||||
| AA | B | B | ||||
| Umax | Imax | Umax | Imax | Ký hiệu | Chức năng | |
| V | A | V | A |
|
| |
| 1 | 1000 | 400 | 950 | 250 | DC+ | DC+ |
| 2 | 1000 | 400 | 950 | 250 | DC- | DC- |
| 3 | 30 | 10 | 30 | 2 | CP | Tiếp điểm pilot 1 |
| 4 | 30 | 10 | 30 | 2 | CP2 | Tiếp điểm pilot 2 |
| 5 | 30 | 10 | - | - | CP3 | Tiếp điểm pilot 3 |
| 6 | 30 | 2 | 30 | 2 | COM1 | Tiếp điểm 1(+) |
| 7 | 30 | 2 | 30 | 2 | COM2 | Tiếp điểm 1(-) |
| 8 | 30 | 2 | - | - | IM | Thiết bị theo dõi cách điện |
| 9 | - | - | 950 | Giá trị trong trường hợp sự cố b | PE | Nối đất bảo vệ |
| 10 | 30 | 2 | - | - | PP hoặc CS | Công tắc tiệm cận hoặc công tắc kết nối |
| 11 | 30c | 10c | 30 | 20 | AUX1 | Nguồn phụ 1 (+) |
| 12 | - | - | 30 | 20 | AUX2 | Nguồn phụ 2 (+) |
| a Số thứ tự không liên quan đến vị trí hoặc việc xác định điểm tiếp xúc trong phụ kiện. b "Giá trị trong trường hợp sự cố" có nghĩa là "giá trị danh định cho dòng điện lỗi lớn nhất". c Đối với hệ thống AA, vị trí 11 là tùy chọn | ||||||
Các giao diện DC trên xe điện phải được sử dụng trong hệ thống theo tiêu chuẩn IEC 61851-23:2023, Phụ lục AA "Trạm sạc điện một chiều thuộc hệ thống A cho xe điện " hoặc Phụ lục BB " Trạm sạc điện một chiều thuộc hệ thống B cho xe điện", tương ứng. Xem các tờ tiêu chuẩn tương ứng để biết thêm chi tiết về giao diện.
Đối với việc sử dụng với thiết bị cấp nguồn DC không cách ly cho xe điện, giao diện phải được trang bị một tiếp điểm cho dây nối đất bảo vệ.
Đối với việc sử dụng với thiết bị cấp nguồn DC cách ly cho xe điện, giao diện có thể được trang bị một tiếp điểm cho dây nối đất bảo vệ.
6.4 Giao diện kết hợp
Thay thế:
Thay thế nội dung hiện có của TCVN 14296-1:2025 (IEC 62196-1:2022), 6.4 bằng nội dung sau:
Giao diện kết hợp mở rộng khả năng sử dụng của giao diện cơ bản cho sạc điện AC và DC.
Giao diện kết hợp cho phép năng lượng AC hoặc DC đi qua các tiếp điểm nguồn riêng biệt. Các thông số đặc trưng về điện và chức năng của chúng được mô tả trong Bảng 302.
Phần cơ bản của ổ nối vào xe điện kết hợp có thể được sử dụng với một phích nối nối cơ bản cho việc sạc điện AC hoặc với một phích nối xe điện kết hợp cho việc sạc điện DC.
Các bộ nối kết hợp chỉ được sử dụng cho việc sạc điện DC với " Trạm sạc điện một chiều thuộc hệ thống C cho xe điện" được mô tả trong IEC 61851-23:2023, Phụ lục CC.
CHÚ THÍCH 1: Việc thực hiện tất cả các khía cạnh (cấu trúc và giao diện) theo IEC 61851-23:2023, Phụ lục CC đảm bảo rằng:
Hệ thống này cho phép sạc điện DC nhưng ngăn chặn việc sạc điện AC và DC đồng thời.
- Các xe điện có khả năng sạc điện AC với ổ nối vào xe điện cơ bản không cần bất kỳ phương tiện nào để bảo vệ chống lại điện áp DC tại đầu vào. Sự bảo vệ này được cung cấp bởi hệ thống sạc DC.
- Bảo vệ xe chống lại việc sạc sai trong trường hợp có sự cố được thực hiện theo ISO 17409:2020.
CHÚ THÍCH 2: Nếu các thông số đặc trưng AC hoặc DC của phích nối dùng cho xe điện và ổ nối vào xe điện khác nhau, bộ nối (cặp kết nối) được sử dụng với thông số đặc trưng thấp hơn của phích nối dùng cho xe điện hoặc ổ nối vào xe điện của phụ kiện kết nối.
Bảng 302 - Tổng quan về giao diện kết hợp AC/DC của xe điện
| Số thứ tự a | Cấu hình EE | Cấu hình FF | ||||||
| Umax | Imax | Ký hiệu | Chức năng | Umax | Imax | Ký hiệu | Chức năng | |
| V | A | V | A | |||||
| 1 | 250b | 32b | L1 | L1 | 480c | 63c,e | L1 | L1 |
| 2 | 250b | 32b | L2 | L2/N | 480c | 63c | L2 | L2 |
| 3 | - | - | - | - | 480c | 63c | L3 | L3 |
| 4 | - | - | - | - | 480c | 63c,e | N | Dây trung tính |
| 5 | - | -ƒ | PE | Nối đất bảo vệ | - | -ƒ | PE | Nối đất bảo vệ |
| 6 | 30d | 2d | CP | Tiếp điểm pilot | 30d | 2d | CP | Tiếp điểm pilot |
| 7 | 30d | 2d | PP/CS | Công tắc tiệm cận hoặc công tắc kết nối | 30d | 2d | PP/CS | Công tắc tiệm cận hoặc công tắc kết nối |
| 8 | 1 000 | 400 | DC+ | DC+ | 1 000 | 400 | DC+ | DC+ |
| 9 | 1 000 | 400 | DC- | DC- | 1 000 | 400 | DC- | DC- |
| a Số thứ tự không liên quan đến vị trí hoặc việc xác định điểm tiếp xúc trong phụ kiện. b Các tiếp điểm này chỉ khả dụng trong ổ nối vào xe điện một pha cấu hình EE. Chúng có thể được sử dụng như một phần của giao diện cơ bản, xem TCVN 14296-2:2025 (IEC 62196-2:2022), Tờ tiêu chuẩn 2-I. c Các tiếp điểm này là tùy chọn trong cấu hình FF. Chúng có thể được sử dụng như một phần của giao diện cơ bản, xem TCVN 14296-2:2025 (IEC 62196-2:2022), Tờ tiêu chuẩn 2-II. d Các tiếp điểm này có thể được sử dụng như giao diện cơ bản. Tham khảo TCVN 14296-2:2025 (IEC 62196-2:2022) để biết các yêu cầu đối với giao diện cơ bản, tờ tiêu chuẩn 2-I và 2-II. e Các tiếp điểm 1 và 4 cho dòng điện một pha Imax = 70 A. ƒ Kích cỡ dây dẫn phụ thuộc vào yêu cầu của hệ thống. | ||||||||
7 Phân loại các phụ kiện
Áp dụng Điều 7 của TCVN 14296-1:2025 (IEC 62196-1:2022), ngoài ra:
7.1 Theo mục đích
Thay thế:
Thay đoạn nội dung hiện có của TCVN 14296-1:2025 (IEC 62196-1:2022), 7.1 bằng nội dung sau:
- Phích nối dùng cho xe điện;
- Ổ nối vào xe điện;
7.5 Theo giao diện
Thay thế:
Thay đoạn nội dung hiện có của TCVN 14296-1:2025 (IEC 62196-1:2022), 7.5 bằng nội dung sau:
Như quy định trong Điều 6 của tiêu chuẩn này và trong TCVN 13078-1:2020 (IEC 61851-1:2017):
- giao diện kết hợp
- giao diện DC
Bổ sung:
7.301 Theo các tờ tiêu chuẩn được sử dụng
- Cấu hình AA
- Cấu hình BB
- Cấu hình EE và AC tương ứng với Loại 1 trong TCVN 14296-2:2025 (IEC 62196-2:2022);
- Cấu hình FF và AC tương ứng với Loại 2 trong TCVN 14296-2:2025 (IEC 62196-2:2022).
8 Ghi nhãn
Áp dụng Điều 8 của TCVN 14296-1:2025 (IEC 62196-1:2022).
9 Kích thước
Áp dụng Điều 9 của TCVN 14296-1:2025 (IEC 62196-1:2022), ngoài ra:
Bổ sung:
Thêm đoạn nội dung sau đây vào cuối Điều 9 của TCVN 14296-1:2025 (IEC 62196-1:2022):
Phích nối dùng cho xe điện và ổ nối vào xe điện phải phù hợp với cấu hình tương ứng được thể hiện trong Bảng 303.
Bảng 303 - Tổng quan về giao diện
| Cấu hình | Kích thước được mô tả trong: | Điện áp danh định tối đa V DC | Dòng điện danh định tối đa A DC | Chỉ được sử dụng với trạm sạc DC theo các phụ lục sau trong IEC 61851-23:2023 |
| AA | Tờ tiêu chuẩn 3-I | 1 000 | 400 | Phụ lục AA |
| BB | Tờ tiêu chuẩn 3-II | 950 | 250 | Phụ lục BB |
| EE a | Tờ tiêu chuẩn 3-III | 1 000 | 400 | Phụ lục CC |
| FF b | Tờ tiêu chuẩn 3-IV | 1 000 | 400 | Phụ lục CC |
| a Thông số đặc trưng AC phù hợp với TCVN 14296-2:2025 (IEC 62196-2:2022), 6.2, loại 1. b Thông số đặc trưng AC phù hợp với TCVN 14296-2:2025 (IEC 62196-2:2022), 6.2, loại 2. | ||||
10 Bảo vệ chống điện giật
Áp dụng Điều 10 của TCVN 14296-1:2025 (IEC 62196-1:2022), ngoài ra:
10.3 Trình tự tiếp điểm và thứ tự cắm và rút tiếp điểm
Thay thế:
Thay nội dung hiện có của TCVN 14296-1:2025 (IEC 62196-1:2022), 10.3 bằng nội dung sau:
Đối với tất cả các giao diện DC, trình tự tiếp điểm trong quá trình kết nối như sau:
- tiếp điểm nối đất bảo vệ (nếu có),
- tiếp điểm nguồn DC,
- tiếp điểm theo dõi cách ly,
- tiếp điểm điều khiển quá trình sạc.
Các tiếp điểm theo dõi cách ly và tiếp điểm điều khiển quá trình sạc phải được kết nối theo trình tự được chỉ ra hoặc có thể kết nối đồng thời.
Tiếp điểm tiệm cận hoặc tiếp điểm công tắc kết nối (nếu có), phải được kết nối sau tiếp điểm nối đất bảo vệ và trước hoặc đồng thời với tiếp điểm điều khiển.
Trong quá trình ngắt kết nối, thứ tự phải được đảo ngược.
Thiết kế phụ kiện sao cho:
a) Khi cắm phích nối dùng cho xe điện:
1) Kết nối nối đất bảo vệ được thực hiện trước khi các tiếp điểm nguồn DC (nếu có) được kết nối;
2) Kết nối điều khiển (nếu có) được thực hiện sau khi các tiếp điểm nguồn DC đã được kết nối;
3) Tiếp điểm tiệm cận hoặc tiếp điểm công tắc kết nối (nếu có) được thực hiện sau tiếp điểm nối đất bảo vệ và trước hoặc đồng thời với kết nối điều khiển.
b) Khi rút phích nối dùng cho xe điện:
1) Các tiếp điểm nguồn DC được ngắt trước khi kết nối nối đất bảo vệ bị ngắt;
2) Kết nối điều khiển (nếu có) được ngắt trước khi các tiếp điểm nguồn DC bị ngắt;
3) Tiếp điểm tiệm cận hoặc tiếp điểm công tắc kết nối (nếu có) được ngắt trước tiếp điểm nối đất bảo vệ và sau hoặc đồng thời với việc mở kết nối điều khiển.
Kiểm tra sự phù hợp bằng cách xem xét hoặc thử nghiệm bằng tay nếu cần thiết.
11 Kích thước và màu của dây đất bảo vệ và dây trung tính
Áp dụng Điều 11 của TCVN 14296-1:2025 (IEC 62196-1:2022) cho phần AC.
Bổ sung nội dung:
11.301 Đối với phần DC, áp dụng như sau:
Dây đất bảo vệ phải có tiết diện đủ lớn được tính bằng phương pháp I21 theo công thức trong IEC 60364-5-54:2011, 543.1.2.
Giá trị I2t cho hệ thống tương ứng, được sử dụng trong phép tính trên, phải phù hợp với tờ dữ liệu của nhà chế tạo.
CHÚ THÍCH 1: Ở Canada, kích thước và thông số đặc trưng của dây bảo vệ được quy định trong luật và quy định quốc gia.
CHÚ THÍCH 2: Tại thời điểm xuất bản tiêu chuẩn này, ISO 17409 cung cấp giá trị I2t cao hơn. Ví dụ, đối với dây dẫn cách điện liên kết ngang và nhiệt độ ngắn mạch tối đa là 250 °C, áp dụng tiết diện tối thiểu là 25 mm2.
Dây nối đất phải được phân biệt bằng cách phối hợp màu xanh lá cây và vàng.
CHÚ THÍCH 3: Ở Nhật Bản, Hoa Kỳ, Canada, màu xanh lá cây có thể được sử dụng để xác định dây nối đất.
12 Quy định cho nối đất
Áp dụng Điều 12 của TCVN 14296-1:2025 (IEC 62196-1:2022), ngoài ra:
12.1 Không áp dụng điều này cho cấu hình AA.
12.2 Không áp dụng điều này cho cấu hình AA.
12.3 Không áp dụng điều này cho cấu hình AA.
12.4 Không áp dụng điều này cho cấu hình AA.
13 Đầu nối
Áp dụng Điều 13 của TCVN 14296-1:2025 (IEC 62196-1:2022).
14 Khoá liên động
Áp dụng Điều 14 của TCVN 14296-1:2025 (IEC 62196-1:2022), ngoài ra:
Bổ sung nội dung:
14.301 Chức năng chốt
Các phụ kiện phải được trang bị cơ cấu chốt để ngăn việc ngắt kết nối không chủ ý hoặc bởi người không được ủy quyền.
Chức năng khóa liên động phải được thực hiện bằng cách đảm bảo cơ cấu chốt hoạt động đúng cách.
Phải có phương tiện để chỉ báo rằng khóa liên động đã được kết nối đúng cách.
Kiểm tra sự phù hợp bằng cách xem xét và thử nghiệm bằng tay.
15 Khả năng chống lão hoá của vật liệu cao su và nhựa nhiệt dẻo
Áp dụng Điều 15 của TCVN 14296-1:2025 (IEC 62196-1:2022).
16 Cấu trúc chung
Áp dụng Điều 16 của TCVN 14296-1:2025 (IEC 62196-1:2022), ngoài ra:
16.16 Thay thế:
Thay đoạn đầu tiên của nội dung hiện có của TCVN 14296-1:2025 (IEC 62196-1:2022), 16.6 bằng nội dung sau:
Lực cần để cắm và rút phích nối dùng cho xe điện phải nhỏ hơn 100 N. Có thể có các phương tiện để hỗ trợ việc cắm và rút phích nối dùng cho xe điện với ổ nối vào xe điện. Nếu bộ nối xe điện được trang bị thiết bị hỗ trợ để giảm lực này (ví dụ thiết bị hỗ trợ cơ khí), lực vận hành của thiết bị hỗ trợ phải nhỏ hơn 100 N.
17 Kết cấu của ổ cắm EV - Quy định chung
Không áp dụng Điều 17 của TCVN 14296-1:2025 (IEC 62196-1:2022).
18 Kết cấu của phích cắm EV và phích nối dùng cho xe điện
Áp dụng Điều 18 của TCVN 14296-1:2025 (IEC 62196-1:2022), ngoài ra:
Bổ sung nội dung:
18.301 Một thiết bị cảm biến nhiệt độ là cần thiết trên mỗi tiếp điểm DC+ và DC- trong phích nối dùng cho xe điện đối với sạc điện DC.
19 Kết cấu của ổ nối vào xe điện
Áp dụng Điều 19 của TCVN 14296-1:2025 (IEC 62196-1:2022), ngoài ra:
Bổ sung nội dung:
19.301 Một thiết bị cảm biến nhiệt độ là cần thiết trên mỗi tiếp điểm DC+ và DC- trong ổ nối vào xe điện cho việc sạc DC.
20 Cấp bảo vệ
Áp dụng Điều 20 của TCVN 14296-1:2025 (IEC 62196-1:2022).
21 Điện trở cách điện và độ bền điện môi
Áp dụng Điều 21 của TCVN 14296-1:2025 (IEC 62196-1:2022).
22 Khả năng cắt
Áp dụng Điều 22 của TCVN 14296-1:2025 (IEC 62196-1:2022).
23 Hoạt động bình thường
Áp dụng Điều 23 của TCVN 14296-1:2025 (IEC 62196-1:2022), ngoài ra:
23.2 Thử nghiệm độ bền tải
Không áp dụng.
24 Độ tăng nhiệt
Áp dụng Điều 24 của TCVN 14296-1:2025 (IEC 62196-1:2022), ngoài ra:
24.1 Bổ sung:
Thêm nội dung sau đây vào sau đoạn đầu tiên của nội dung hiện có của TCVN 14296-1:2025 (IEC 62196-1:2022), 24.1:
Đối với mục đích của thử nghiệm độ tăng nhiệt, thiết bị theo dõi nhiệt hoặc ngắt nhiệt bất kỳ đều phải được nối tắt (nghĩa là kết quả thử nghiệm phải được chấp nhận mà không dựa vào thiết bị theo dõi nhiệt hoặc ngắt nhiệt).
Thay thế:
Thay đoạn thứ tư của nội dung hiện có của TCVN 14296-1:2025 (IEC 62196-1:2022), 24.1, cụ thể là "Dòng điện thử nghiệm được cho trong Bảng 10" bằng nội dung sau:
Dòng điện thử nghiệm là dòng điện một chiều hoặc dòng điện xoay chiều có giá trị được hiển thị trong Bảng 10 của tiêu chuẩn TCVN 14296-1:2025 (IEC 62196-1:2022).
25 Cáp mềm và các mối nối của chúng
Áp dụng Điều 25 của TCVN 14296-1:2025 (IEC 62196-1:2022), ngoài ra:
Bổ sung nội dung:
25.301 Thử nghiệm bổ sung về khả năng giảm sức căng
Các phụ kiện phải được thử nghiệm bổ sung như sau:
Các phụ kiện không thay dây được được thử nghiệm như được giao.
Các phụ kiện thay dây được được thử nghiệm với cáp có kích thước tối đa và tối thiểu do nhà chế tạo khuyến nghị.
Ruột dẫn của cáp của phụ kiện có thể thay dây được được đưa vào các đầu nối, các vít đầu nối được xiết chặt vừa đủ để ngăn các lõi dẫn bị lệch khỏi vị trí của chúng.
Cơ cấu chặn cáp được sử dụng theo cách thông thường, các vít kẹp được xiết chặt với mô-men xoắn bằng hai phần ba so với quy định trong TCVN 14296-1:2025 (IEC 62196-1:2022), 27.1. Sau khi lắp ráp lại mẫu, với các ống xiết cáp (nếu có) ở vị trí, các bộ phận của thành phần phải vừa khít với nhau và không được phép đẩy cáp vào mẫu ở bất kỳ mức độ nào.
Mẫu được cố định trong thiết bị thử nghiệm sao cho trục của cáp thẳng đứng tại vị trí nó đi vào mẫu.
Sau đó, cáp được kéo một lần với lực kéo là 750 N. Lực kéo được áp dụng không thay đổi trong thời gian 1 min.
Ngay sau đó, cáp phải chịu mô men xoắn, có giá trị quy định trong TCVN 14296-1:2025 (IEC 62196-1:2022), Bảng 11, trong 1 min.
Trong quá trình thử nghiệm, cáp không được bị hư hỏng.
Sau thử nghiệm, cáp không được dịch chuyển nhiều hơn giá trị được chỉ ra trong TCVN 14296-1:2025 (IEC 62196-1:2022), Bảng 11. Đối với các phụ kiện có thể thay dây được, các đầu của lõi dẫn không được di chuyển đáng kể trong các đầu nối; đối với các phụ kiện không thể thay dây được, không được có sự gián đoạn kết nối điện.
Để đo độ dịch chuyển dọc trục, đánh dấu trên cáp ở khoảng cách xấp xỉ 2 cm tính từ đầu mẫu hoặc cơ cấu chặn cáp trước khi bắt đầu thử nghiệm. Đối với các phụ kiện không thay dây được, nếu mẫu không có đầu cuối xác định thì phải đánh dấu bổ sung trên thân mẫu.
Sau các thử nghiệm, đo độ dịch chuyển của dấu trên cáp so với mẫu hoặc cơ cấu chặn cáp.
26 Độ bền cơ
Áp dụng Điều 26 của TCVN 14296-1:2025 (IEC 62196-1:2022).
27 Vít, bộ phận mang dòng và các mối nối
Áp dụng Điều 27 của TCVN 14296-1:2025 (IEC 62196-1:2022).
28 Chiều dài đường rò, khe hờ không khí và khoảng cách xuyên qua hợp chất gắn
Áp dụng Điều 28 của TCVN 14296-1:2025 (IEC 62196-1:2022).
29 Khả năng chịu nhiệt và chịu cháy
Áp dụng Điều 29 của TCVN 14296-1:2025 (IEC 62196-1:2022).
30 Ăn mòn và khả năng chống gỉ
Áp dụng Điều 30 của TCVN 14296-1:2025 (IEC 62196-1:2022).
31 Dòng điện ngắn mạch có điều kiện
Không áp dụng Điều 31 của TCVN 14296-1:2025 (IEC 62196-1:2022).
32 Tương thích điện từ
Áp dụng Điều 32 của TCVN 14296-1:2025 (IEC 62196-1:2022).
33 Khả năng chịu tải khi xe chạy qua
Áp dụng Điều 33 của TCVN 14296-1:2025 (IEC 62196-1:2022), ngoài ra:
33.3 Không áp dụng
33.4 Không áp dụng
34 Chu kỳ nhiệt
Áp dụng Điều 34 của TCVN 14296-1:2025 (IEC 62196-1:2022).
35 Phơi nhiễm ẩm
Áp dụng Điều 35 của TCVN 14296-1:2025 (IEC 62196-1:2022).
36 Sai lệch
Áp dụng Điều 36 của TCVN 14296-1:2025 (IEC 62196-1:2022).
37 Thử nghiệm độ bền tiếp xúc
Áp dụng Điều 37 của TCVN 14296-1:2025 (IEC 62196-1:2022).
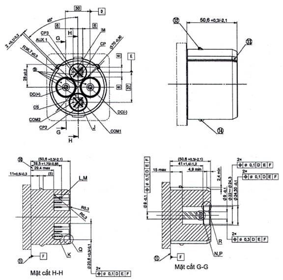
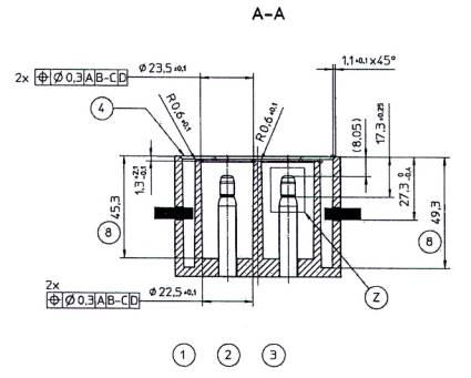
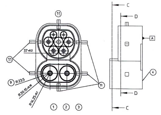
TỜ TIÊU CHUẨN
CẤU HÌNH AA
BỘ NỐI XE ĐIỆN 1 000 V DC VÀ ĐẾN 400 A
TỜ TIÊU CHUẨN 3-Ia
Ổ NỐI VÀO XE ĐIỆN
Trang 1
Kích thước tính bằng milimét
Kích thước trong ngoặc đơn để tham khảo

CẤU HÌNH AA
TỜ TIÊU CHUẨN 3-Ia
Ổ NỐI VÀO XE ĐIỆN
Trang 2 (tiếp theo trang 1)

| Dung sai chung | |||
| 10 lớn nhất | 50 lớn nhất | 100 lớn nhất | Góc |
| ±0,15 | ±0,2 | ±0,3 | ±30° |
CHÚ DẪN (TỜ TIÊU CHUẨN 3-Ia)
|
| Chênh lệch 8 min giữa điểm tiếp xúc của đầu nối nguồn và đầu nối tín hiệu trong trường hợp xấu nhất |
|
| Điểm tiếp xúc của đầu nối tín hiệu |
|
| Đóng gói (nếu cần); phương pháp gắn kín cho IP44 khi kết nối với phích nối dùng cho xe điện |
|
| Điểm tiếp xúc của đầu nối nguồn |
|
| Lỗ thoát nước |
|
| Khu vực gắn kín |
|
| Mặt phẳng chuẩn |
|
| Đệm cao su (nếu cần) |
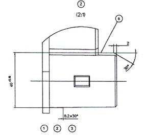
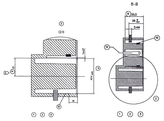
CẤU HÌNH AA
TỜ TIÊU CHUẨN 3-Ib
PHÍCH NỐI DÙNG CHO XE ĐIỆN
Trang 1
Kích thước tính bằng milimét
Kích thước trong ngoặc đơn để tham khảo

CẤU HÌNH AA
TỜ TIÊU CHUẨN 3-Ib
PHÍCH NỐI DÙNG CHO XE ĐIỆN
Trang 2 (tiếp theo trang 1)
Kích thước tính bằng milimét

| Dung sai chung | |||
| 10 lớn nhất | 50 lớn nhất | 100 lớn nhất | Góc |
| ±0,15 | ±0,2 | ± 0,3 | ± 30° |
Lỗ thoát nước ( nếu cần)
|
| Đối với hình dạng chốt tùy chọn: tối đa 29,5 |
|
| Mặt phẳng chuẩn |
|
| Chốt |
|
| Kích thước bất kỳ cho thanh dẫn hướng |
|
| Bộ phận chặn cần gạt (nếu cần) (Bộ phận này có thể di chuyển được) |
CẤU HÌNH AA
TỜ TIÊU CHUẨN 3-Ib
PHÍCH NỐI DÙNG CHO XE ĐIỆN
Trang 3 (tiếp theo trang 2)
Kích thước tính bằng milimét
Kích thước trong ngoặc đơn để tham khảo

|
| CHÚ DẪN 15 Đầu nối 16 Nắp cách điện 17 Bán kính R 18 Mặt phẳng chuẩn 19 Kích thước bất kl 20 Kích thước của gỡ dẫn hướng 21 Tùy chọn thiết kế đầu nối di động 22 Hình dạng tùy chọn |
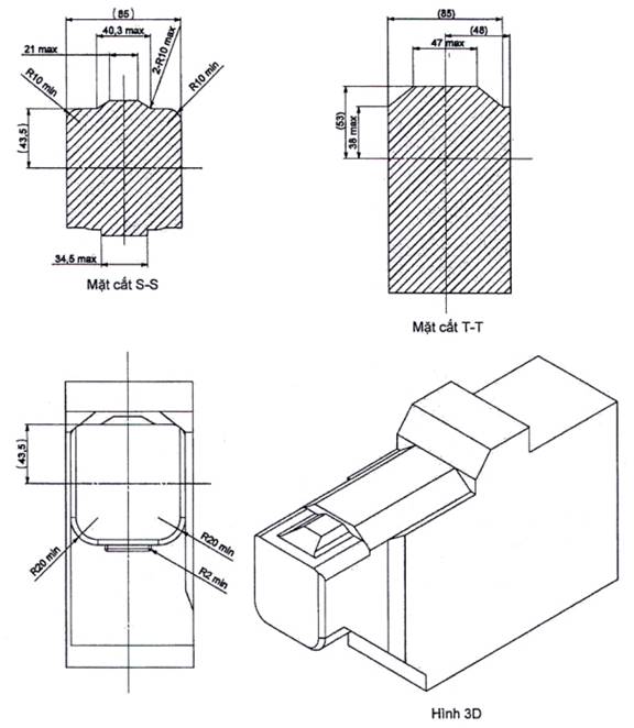
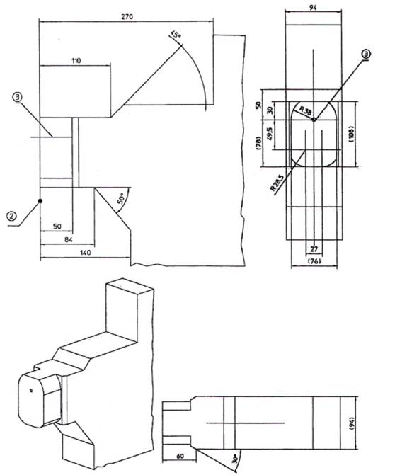
CẤU HÌNH AA
TỜ TIÊU CHUẨN 3-Ic
KÍCH THƯỚC TỐI ĐA CỦA ĐƯỜNG BAO THÂN PHÍCH NỐI DÙNG CHO XE ĐIỆN
Kích thước tính bằng milimét


CHÚ DẪN
| 23 | Bề mặt xe |
| 24 | Đường tâm của phích nối dùng cho xe điện |
| 25 | Mặt phẳng chuẩn |
| 26 | Hình dạng thân phích nối dùng cho xe điện phải nằm trong các đường liền nét này (bản vẽ không nhằm mục đích giới hạn thiết kế của phích nối dùng cho xe điện) |
| 27 | Chốt |
CẤU HÌNH AA
TỜ TIÊU CHUẨN 3-Id
KÍCH THƯỚC TỐI ĐA CỦA ĐƯỜNG BAO THÂN PHÍCH NỐI DÙNG CHO XE ĐIỆN
Kích thước tính bằng milimét
Kích thước trong ngoặc đơn để tham khảo

CẤU HÌNH AA
TỜ TIÊU CHUẨN 3-Ie
BAO NGOÀI LỚN NHẤT CỦA CHỐT
Kích thước tính bằng milimét
Kích thước trong ngoặc đơn để tham khảo

|
| CHÚ DẪN 28 Chốt (bản vẽ không nhằm mục đích hạn chế thiết kế hình dạng chốt) 29 Đường tâm của phích nối dùng cho xe điện 30 Hình dạng tùy chọn 31 Mặt phẳng chuẩn của xe |
CẤU HÌNH AA
TỜ TIÊU CHUẨN 3-If
BAO NGOÀI TUỲ CHỌN CỦA CHỐT
Kích thước tính bằng milimét
Kích thước trong ngoặc đơn để tham khảo

CHÚ DẪN
32 Mặt phẳng chuẩn của phích nối dùng cho xe điện
33 Chốt (bản vẽ không nhằm mục đích hạn chế thiết kế hình dạng chốt)
34 Đường tâm của phích nối dùng cho xe điện
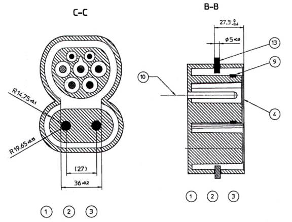
TỜ TIÊU CHUẨN
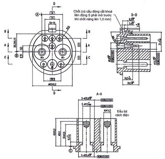
CẤU HÌNH BB
BỘ NỐI XE ĐIỆN 950 V DC VÀ ĐẾN 250 A
TỜ TIÊU CHUẨN 3-IIa
PHÍCH NỐI DÙNG CHO XE ĐIỆN
Trang 1
Kích thước tính bằng milimét
Kích thước trong ngoặc đơn để tham khảo

Kích thước Ø65 được phép có phần thô; sau giai đoạn sơ bộ, vị trí kích thước tối đa (mặt phẳng chuẩn C) phải tuân thủ các yêu cầu về dung sai kích thước.
CẤU HÌNH BB
TỜ TIÊU CHUẨN 3-IIa
PHÍCH NỐI DÙNG CHO XE ĐIỆN
Trang 2 (tiếp theo trang 1)
Kích thước tính bằng milimét


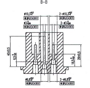
CẤU HÌNH BB
TỜ TIÊU CHUẨN 3-IIb
Ổ NỐI VÀO XE ĐIỆN
Trang 1
Kích thước tính bằng milimét


CẤU HÌNH BB
TỜ TIÊU CHUẨN 3-IIb
Ổ NỐI VÀO XE ĐIỆN
Trang 2 (tiếp theo trang 1)
Kích thước tính bằng milimét


TỜ TIÊU CHUẨN
CẤU HÌNH EE
BỘ NỐI XE ĐIỆN 1 000 V DC VÀ ĐẾN 400 A
CHỨC NĂNG TIẾP ĐIỂM
Chức năng đối với sạc điện cấu hình EE được xác định trong Bảng 304.
CHÚ THÍCH: Mã hoá cho sạc điện DC được mô tả trong IEC 61851-23:2023, Bảng CC.5 và TCVN 13078-1:2020 (IEC 61851-1:2017), Phụ lục B.
Bảng 304 - Chức năng của các tiếp điểm đối với cấu hình EE
| Tên gọi theo TCVN 14296-2:2025 (IEC 62196-2:2022) Tờ tiêu chuẩn 2-I | Chức năng |
| L1 | L1 |
| L2 | L2/N |
| PE | PEa |
| CP | CPa |
| PP | PPa |
| Các tiếp điểm nguồn DC bổ sung |
|
| DC+ | DC+ |
| DC- | DC- |
| a Cùng chức năng như trong TCVN 14296-2:2025 (IEC 62196-2:2022), Cấu hình loại 1, Tờ tiêu chuẩn 2-I. | |
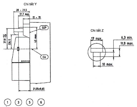
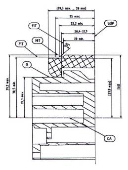
CẤU HÌNH EE
TỜ TIÊU CHUẨN 3-IIIa
Ổ NỐI VÀO XE ĐIỆN
Trang 1
Kích thước tính bằng milimét
Kích thước trong ngoặc đơn để tham khảo


CẤU HÌNH EE
TỜ TIÊU CHUẨN 3-IIIa
Ổ NỐI VÀO XE ĐIỆN
Trang 2 (tiếp theo trang 1)
Kích thước tính bằng milimét


CẤU HÌNH EE
TỜ TIÊU CHUẨN 3-IIIa
Ổ NỐI VÀO XE ĐIỆN
Trang 3 (tiếp theo trang 2)
Kích thước tính bằng milimét

|
| CHÚ DẪN (TỜ TIÊU CHUẨN 3-IIIa) SDP Mặt phẳng chuẩn POC Điểm tiếp xúc P Phương pháp đóng gói và gắn kín (nếu có) EF Đường thoát của chất lỏng (nếu cần) CA Đường tâm CT Tiếp điểm IC Nắp cách điện |
|
| |
CẤU HÌNH EE
TỜ TIÊU CHUẨN 3-IIIa
Ổ NỐI VÀO XE ĐIỆN
Trang 4 (tiếp theo trang 3)
Kích thước tính bằng milimét


CẤU HÌNH EE
TỜ TIÊU CHUẨN 3-IIIa
Ổ NỐI VÀO XE ĐIỆN
Trang 5 (tiếp theo trang 4)
CHI TIẾT E
Vỏ bọc (tùy chọn)
Kích thước tính bằng milimét

CHÚ DẪN TỜ TIÊU CHUẨN 3-IIIa
| 1 | Tất cả các kích thước tính bằng milimét |
| 2 | Không sử dụng |
| 3 | Dung sai chung theo ISO 2768-1 |
| 4 | Mặt phẳng chuẩn |
| 5 | Khoảng trống cho gắn kín mặt (tùy chọn) |
| 6 | Kích thước cho trình tự tiếp điểm CP |
| 7 | Bán kính không được ghi kích thước R 0,5 đến 0,7 |
| 8 | Kích thước trong dấu ngoặc chỉ để tham khảo |
| 9 | Đường thoát chất lỏng (nếu cần) |
| 10 | Không sử dụng |
| 11 | Vỏ bọc tùy chọn để che cơ chế khóa |
| 12 | Không sử dụng |
| 13 | Không sử dụng |
| SDP | Mặt phẳng chuẩn |
| EF | Đường thoát chất lỏng |
| CA | Đường tâm của phần AC |
| P | Gắn kín (nếu cần) |
CẤU HÌNH EE
TỜ TIÊU CHUẨN 3-IIIb
PHÍCH NỐI DÙNG CHO XE ĐIỆN
Trang 1
Kích thước tính bằng milimét

|
| CHÚ DẪN (TỜ TIÊU CHUẨN 3-IIIb) SDP Mặt phẳng chuẩn POC Điểm tiếp xúc P Phương pháp đóng gói và gắn kín (nếu có) EF Đường thoát của chất lỏng (nếu cần) CA Đường tâm FIT Khu vực kết nối phải nằm vừa bên trong ACP Chân cắm AC |
|
| |
CẤU HÌNH EE
TỜ TIÊU CHUẨN 3-IIIb
PHÍCH NỐI DÙNG CHO XE ĐIỆN
Trang 2 (tiếp theo trang 1)
Kích thước tính bằng milimét


CẤU HÌNH EE
TỜ TIÊU CHUẨN 3-IIIb
PHÍCH NỐI DÙNG CHO XE ĐIỆN
Trang 3 (tiếp theo trang 2)
Kích thước tính bằng milimét

CẤU HÌNH EE
TỜ TIÊU CHUẨN 3-IIIb
PHÍCH NỐI DÙNG CHO XE ĐIỆN
Trang 4 (tiếp theo trang 3)
Kích thước tính bằng milimét

CHÚ DẪN cho TỜ TIÊU CHUẨN 3-IIIb
| 1 | Tất cả kích thước tính bằng milimét |
| 2 | Kích thước bổ sung và thông số đặc trưng (khu vực AC) theo TCVN 14296-2:2025 (IEC 62196-2:2022), Tờ tiêu chuẩn 2-I |
| 3 | Dung sai chung theo ISO 2768-1 |
| 4 | Mặt phẳng chuẩn |
| 5 | Kích thước trong dấu ngoặc chỉ để tham khảo |
| 7 | Đường tâm (trục z) của phần AC |
| 8 | Không gian cho gắn kín bề mặt tùy chọn |
| 9 | L1 và L2/N không sử dụng |
| 10 | Phích nối dùng cho xe điện phải nằm trong khu vực này |
| 11 | Đường thoát của chất lỏng (nếu cần) |
| 12 | Kích thước cho trình tự tiếp điểm CP |
| 13 | Cơ chế khóa phải nằm trong khu vực này |
| 15 | 2 × Ǿ10,2 |
| 16 | 2 × Ǿ8,5 |
CẤU HÌNH EE
TỜ TIÊU CHUẨN 3-IIIb
PHÍCH NỐI DÙNG CHO XE ĐIỆN
Trang 5 (tiếp theo trang 4)

| 1 | Tất cả kích thước tính bằng milimét |
| 3 | Dung sai chung theo ISO 2768-1 |
| 4 | Mặt phẳng chuẩn |
| 5 | Kích thước trong ngoặc đơn chỉ để tham khảo |
| 7 | Đường tâm (trục z) của phần AC |
| 8 | Không gian cho gắn kín bề mặt tùy chọn |
| 10 | Phích nối dùng cho xe điện phải nằm trong khu vực này |
| 11 | Đường thoát chất lỏng (nếu cần) |
| 12 | Kích thước cho tiếp điểm CP |
| 13 | Cơ cấu khóa phải nằm trong khu vực này |
| SDP | Mặt phẳng chuẩn |
| POC(a) | Điểm tiếp xúc nguồn điện |
| POC(b) | Điểm tiếp xúc tín hiệu |
| POC(c) | Điểm tiếp xúc PE |
| POC(d) | Điểm tiếp xúc DC |
| P | Gắn kín đóng gói (nếu có) |
| EF | Đường thoát chất lỏng (nếu cần) |
| CA | Đường tâm của phần AC |
| FIT | Khu vực kết nối phải nằm vừa bên trong |
CẤU HÌNH EE
TỜ TIÊU CHUẨN 3-IIIc
CHI TIẾT CHỐT
(Trạng thái khi đã kết nối)
Kích thước tính bằng milimét
|
| CHÚ DẪN SDP Mặt phẳng chuẩn CA Đường tâm G Bề mặt G FIT Khu vực của cơ cấu chốt HIT Khu vực mà cơ cấu chốt phải ở đó để đảm bảo chức năng an toàn |
![]()
CHÚ THÍCH
| 1 | Tất cả các kích thước tính bằng milimét |
| 2 | Kích thước bổ sung và thông số đặc trưng (khu vực AC) theo TCVN 14296-2:2025 (IEC 62196-2:2022), Tờ tiêu chuẩn 2-I |
| 3 | Dung sai chung theo ISO 2768-1 |
| 4 | Kích thước trong ngoặc đơn chỉ để tham khảo |
CẤU HÌNH EE
TỜ TIÊU CHUẨN 3-IIId
KÍCH THƯỚC ĐƯỜNG BAO NGOÀI CỦA THÂN PHÍCH NỐI DÙNG CHO XE ĐIỆN
Trang 1
Kích thước tính bằng milimét


![]()
CẤU HÌNH EE
TỜ TIÊU CHUẨN 3-IIId
KÍCH THƯỚC ĐƯỜNG BAO NGOÀI CỦA THÂN PHÍCH NỐI DÙNG CHO XE ĐIỆN
Trang 2 (tiếp theo trang 1)
CHÚ DẪN
SDP Mặt phẳng chuẩn
CA Đường tâm
FIT Khu vực cơ cấu chốt
CHÚ THÍCH
| 1 | Tất cả các kích thước tính bằng milimét |
| 2 | Kích thước bổ sung và thông số đặc trưng (khu vực AC) theo TCVN 14296-2:2025 (IEC 62196-2:2022), Tờ tiêu chuẩn 2-I |
| 3 | Dung sai chung theo ISO 2768-1 |
| 5 | Các kích thước trong ngoặc đơn chỉ để tham khảo |
| 6 | Bán kính không ghi kích thước R 0,5 đến 0,7 |
TỜ TIÊU CHUẨN
CẤU HÌNH FF
BỘ NỐI XE ĐIỆN 1 000 V DC VÀ ĐẾN 400 A
TẤT CẢ CÁC CHẾ ĐỘ
CHỨC NĂNG TIẾP ĐIỂM
Chức năng sạc điện cấu hình FF được xác định trong Bảng 305. Xem thêm Phụ lục A để biết thông tin liên quan đến phiên bản trước đó.
CHÚ THÍCH: Việc mã hóa đối với sạc điện DC được mô tả trong IEC 61851-23:2023, Bảng CC.5 và TCVN 13078-1:2020 (IEC 61851-1:2017), Phụ lục B.
Bảng 305 - Chức năng của các tiếp điểm đối với sạc điện DC cấu hình FF
| Tên gọi theo IEC 62196-2:2022 Tờ tiêu chuẩn 2-II | Chức năng |
| L1 | L1 (Tùy chọn) a |
| L2 | L2 (Tùy chọn) |
| L3 | L3 (Tùy chọn) |
| N | Trung tính (Tùy chọn) a |
| PE | PE b |
| CP | CP b |
| PP | PP b |
| Các tiếp điểm nguồn DC bổ sung |
|
| DC+ | DC+ |
| DC- | DC- |
| a Đối với sạc điện AC một pha, phải sử dụng các tiếp điểm 1 và 4. b Chức năng tương tự như trong TCVN 14296-2:2025 (IEC 62196-2:2022), cấu hình loại 2, Tờ tiêu chuẩn 2-II. | |
CẤU HÌNH FF
TỜ TIÊU CHUẨN 3-IVa
Ổ NỐI VÀO XE ĐIỆN - CHẾ ĐỘ 2, 3 VÀ 4
Trang 1
Kích thước tính bằng milimét

CẤU HÌNH FF
TỜ TIÊU CHUẨN 3-IVa
Ổ NỐI VÀO XE ĐIỆN - CHẾ ĐỘ 2, 3 VÀ 4
Trang 2 (tiếp theo trang 1)
Kích thước tính bằng milimét


CẤU HÌNH FF
TỜ TIÊU CHUẨN 3-IVa
Ổ NỐI VÀO XE ĐIỆN - CHẾ ĐỘ 2, 3 VÀ 4
Trang 3 (tiếp theo trang 2)
Kích thước tính bằng milimét


CẤU HÌNH FF
TỜ TIÊU CHUẨN 3-IVa
Ổ NỐI VÀO XE ĐIỆN - CHẾ ĐỘ 2, 3 VÀ 4
Trang 4 (tiếp theo trang 3)
Kích thước tính bằng milimét


CẤU HÌNH FF
TỜ TIÊU CHUẨN 3-IVa
Ổ NỐI VÀO XE ĐIỆN - CHẾ ĐỘ 2, 3 VÀ 4
Trang 5 (tiếp theo trang 4)
CHÚ DẪN (TỜ TIÊU CHUẨN 3-IVa)
| 1 | Tất cả kích thước tính bằng milimét |
| 2 | Kích thước và thông số đặc trưng còn thiếu (khu vực AC) theo TCVN 14296-2:2025 (IEC 62196-2:2022), Tờ tiêu chuẩn 2-IIf |
| 3 | Dung sai chung theo ISO 2768-1 |
| 4 | Mặt phẳng chuẩn |
| 5 | Dự trữ cho việc sử dụng trong tương lai |
| 6 | Đầu bịt cách điện |
| 7 | Tiếp điểm |
| 8 | Từ 2 × đường kính 8 |
| 9 | Kích thước tối thiểu |
| 10 | Khu vực cho việc gắn kín tùy chọn |
| 11 | Vị trí có thể thêm khóa |
| 12 | Tùy chọn giảm bậc |
| 13 | Trục chuẩn PE |
| 14 | Từ 2 × đường kính 3 |
CẤU HÌNH FF
TỜ TIÊU CHUẨN 3-IVb
Ổ NỐI VÀO XE ĐIỆN - TẤT CẢ CHẾ ĐỘ
Trang 1
Kích thước tính bằng milimét


CẤU HÌNH FF
TỜ TIÊU CHUẨN 3-IVb
Ổ NỐI VÀO XE ĐIỆN - TẤT CẢ CHẾ ĐỘ
Trang 2 (tiếp theo trang 1)
Kích thước tính bằng milimét


CẤU HÌNH FF
TỜ TIÊU CHUẨN 3-IVb
Ổ NỐI VÀO XE ĐIỆN - TẤT CẢ CHẾ ĐỘ
Trang 3 (tiếp theo trang 2)
Kích thước tính bằng milimét

CHÚ DẪN (TỜ TIÊU CHUẨN 3-IVb)
| 1 | Tất cả kích thước tính bằng milimét |
| 2 | Kích thước và thông số đặc trưng bị thiếu (khu vực AC) theo TCVN 14296-2:2025 (IEC 62196-2:2022), Tờ tiêu chuẩn 2-IId |
| 3 | Dung sai chung theo ISO 2768-1 |
| 5 | Đầu bịt cách điện |
| 6 | Tiếp điểm |
| 7 | Từ 2 × đường kính 8 |
| 8 | Khoảng cách tối thiểu |
| 9 | Khu vực cho việc gắn kín tùy chọn |
| 10 | Trục chuẩn PE |
| 11 | Các vị trí của chốt |
| 12 | Từ 2 × đường kính 3 |
CẤU HÌNH FF
TỜ TIÊU CHUẨN 3-IVc
PHÍCH NỐI DÙNG CHO XE ĐIỆN - CHẾ ĐỘ 4
Trang 1
Kích thước tính bằng milimét


CẤU HÌNH FF
TỜ TIÊU CHUẨN 3-IVc
PHÍCH NỐI DÙNG CHO XE ĐIỆN - CHẾ ĐỘ 4
Trang 2 (tiếp theo trang 1)
Kích thước tính bằng milimét


CẤU HÌNH FF
TỜ TIÊU CHUẨN 3-IVc
PHÍCH NỐI DÙNG CHO XE ĐIỆN - CHẾ ĐỘ 4
Trang 3 (tiếp theo trang 2)
Kích thước tính bằng milimét


CẤU HÌNH FF
TỜ TIÊU CHUẨN 3-IVc
PHÍCH NỐI DÙNG CHO XE ĐIỆN - CHẾ ĐỘ 4
Trang 4 (tiếp theo trang 3)
Kích thước tính bằng milimét


CẤU HÌNH FF
TỜ TIÊU CHUẨN 3-IVc
PHÍCH NỐI DÙNG CHO XE ĐIỆN - CHẾ ĐỘ 4
Trang 5 (tiếp theo trang 4)
CHÚ DẪN (TỜ TIÊU CHUẨN 3-IVc)
| 1 | Tất cả các kích thước đều tính bằng milimét. |
| 2 | Kích thước còn thiếu và thông số đặc trưng (khu vực AC) theo TCVN 14296-2:2025 (IEC 62196-2:2022), Tờ tiêu chuẩn 2-IIe |
| 3 | Dung sai chung theo ISO 2768-1 |
| 4 | Mặt phẳng chuẩn |
| 5 | Vát mép 2 + 0,5 × 45° |
|
| Bán kính R2 + 0,5 |
| 6 | Đường bao tùy theo lựa chọn của nhà chế tạo |
|
| Phần chiếu bên không thay đổi |
| 7 | Lượn tròn ở rãnh khóa |
| 8 | Từ 2 × đường kính 8,6 |
| 9 | Khoảng cách tối thiểu |
| 10 | Khoảng cách tối thiểu 12 mm |
| 11 | Từ 2 × đường kính 3,5 |
CẤU HÌNH FF
TỜ TIÊU CHUẨN 3-IVd
PHÍCH NỐI DÙNG CHO XE ĐIỆN - KHÔNG GIAN LẮP ĐẶT KHUYẾN CÁO
Trang 1
Kích thước tính bằng milimét

CHÚ DẪN
1 Tất cả các kích thước đều tính bằng milimét
2 Mặt phẳng chuẩn
3 Trục chuẩn PE
Phụ lục A
(tham khảo)
Các bản vẽ kế thừa từ IEC 62196-3:2014
Phụ lục A này trình bày các bản vẽ gốc trong IEC 62196-3:2014 đã được sửa đổi trong lần xuất bản này nhằm cải thiện việc sử dụng các phụ kiện. Đối với các phụ kiện phù hợp với IEC 62196-3:2014 trong lần xuất bản này, bản vẽ này có thể được sử dụng thay thế cho Tờ tiêu chuẩn 3-IVa (nếu có).
Phụ lục này chỉ giới thiệu cho mục đích của lần xuất bản này và sẽ được bỏ trong lần xuất bản tiếp theo.
TỜ TIÊU CHUẨN 3-IVa (2014)
Ổ NỐI VÀO XE ĐIỆN - CHẾ ĐỘ 2, 3 VÀ 4
Trang 1
Kích thước tính bằng milimét

TỜ TIÊU CHUẨN 3-IVa (2014)
Ổ NỐI VÀO XE ĐIỆN - CHẾ ĐỘ 2, 3 VÀ 4
Trang 2 (tiếp theo trang 1)
Kích thước tính bằng milimét

TỜ TIÊU CHUẨN 3-IVa (2014)
Ổ NỐI VÀO XE ĐIỆN - CHẾ ĐỘ 2, 3 VÀ 4
Trang 3 (tiếp theo trang 2)
Kích thước tính bằng milimét


TỜ TIÊU CHUẨN 3-IVa (2014)
Ổ NỐI VÀO XE ĐIỆN - CHẾ ĐỘ 2, 3 VÀ 4
Trang 4 (tiếp theo trang 3)
Kích thước tính bằng milimét


TỜ TIÊU CHUẨN 3-IVa (2014)
Ổ NỐI VÀO XE ĐIỆN - CHẾ ĐỘ 2, 3 VÀ 4
Trang 5 (tiếp theo trang 4)
CHÚ DẪN (TỜ TIÊU CHUẨN 3-IVa (2014))
| 1 | Tất cả kích thước tính bằng milimét |
| 2 | Kích thước còn thiếu và thông số đặc trưng (khu vực AC) theo TCVN 14296-2:2025 (IEC 62196-2:2022), Tờ tiêu chuẩn 2-IIf |
| 3 | Dung sai chung theo ISO 2768-1 |
| 4 | Mặt phẳng chuẩn |
| 5 | Dự phòng cho việc sử dụng trong tương lai |
| 6 | Đầu bịt cách điện |
| 7 | Tiếp điểm |
| 8 | Từ 2 × đường kính 8 |
| 9 | Kích thước tối thiểu |
| 10 | Khu vực cho việc gắn kín tùy chọn |
| 11 | Vị trí khóa có thể thêm. Tối thiểu phải có một cơ cấu chốt. |
| 12 | Tùy chọn giảm bậc |
| 13 | Trục chuẩn PE |
| 14 | Từ 2 × đường kính 3 |
Thư mục tài liệu tham khảo
[1] TCVN 13078 (IEC 61851) (tất cả các phần), Hệ thống sạc điện có dây dùng cho xe điện
[2] TCVN 14296-3-1 (IEC TS 62196-3-1), Phích cắm, ổ cắm, phích nối dùng cho xe điện và ổ nối vào xe điện - Sạc điện có dây dùng cho xe điện - Phần 3-1: Yêu cầu tương thích về kích thước đối với bộ nối xe điện dạng chân cắm và dạng ống tiếp xúc DC và AC/DC
[3] TCVN 7294-1 (ISO 2768-1), Dung sai chung - Phần 1: Dung sai của các kích thước dài và kích thước góc không có chỉ dẫn dung sai riêng
[4] ISO 17409:2020, Electrically propelled road vehicles - Conductive power transfer - Safety requirements
MỤC LỤC
1 Phạm vi áp dụng
2 Tài liệu viện dẫn
3 Thuật ngữ và định nghĩa
4 Quy định chung
5 Thông số đặc trưng
6 Đấu nối giữa nguồn cung cấp và xe điện
7 Phân loại các phụ kiện
8 Ghi nhãn
9 Kích thước
10 Bảo vệ chống điện giật
11 Kích thước và màu của dây đất bảo vệ và dây trung tính
12 Quy định cho nối đất
13 Đầu nối
14 Khoá liên động
15 Khả năng chống lão hoá của vật liệu cao su và nhựa nhiệt dẻo
16 Cấu trúc chung
17 Kết cấu của ổ cắm EV - Quy định chung
18 Kết cấu của phích cắm EV và phích nối dùng cho xe điện
19 Kết cấu của ổ nối vào xe điện
20 Cấp bảo vệ
21 Điện trở cách điện và độ bền điện môi
22 Khả năng cắt
23 Hoạt động bình thường
24 Độ tăng nhiệt
25 Cáp mềm và các mối nối của chúng
26 Độ bền cơ
27 Vít, bộ phận mang dòng và các mối nối
28 Chiều dài đường rò, khe hở không khí và khoảng cách xuyên qua hợp chất gắn
29 Khả năng chịu nhiệt và chịu cháy
30 Ăn mòn và khả năng chống gỉ
31 Dòng điện ngắn mạch có điều kiện
32 Tương thích điện từ
33 Khả năng chịu tải khi xe chạy qua
34 Chu kỳ nhiệt
35 Phơi nhiễm ẩm
36 Sai lệch
37 Thử nghiệm độ bền tiếp xúc
TỜ TIÊU CHUẨN CẤU HÌNH AA
TỜ TIÊU CHUẨN CẤU HÌNH BB
TỜ TIÊU CHUẨN CẤU HÌNH EE
TỜ TIÊU CHUẨN CẤU HÌNH FF
Phụ lục A (tham khảo) Các bản về kế thừa từ IEC 62196-3:2014
Thư mục tài liệu tham khảo
Bạn chưa Đăng nhập thành viên.
Đây là tiện ích dành cho tài khoản thành viên. Vui lòng Đăng nhập để xem chi tiết. Nếu chưa có tài khoản, vui lòng Đăng ký tại đây!




