- Tổng quan
- Nội dung
- Tiêu chuẩn liên quan
- Lược đồ
- Tải về
Tiêu chuẩn TCVN 11981:2017 Kích thước, đặc tính hình học của ổ lăn đỡ có vòng hãm đàn hồi định vị
| Số hiệu: | TCVN 11981:2017 | Loại văn bản: | Tiêu chuẩn Việt Nam |
| Cơ quan ban hành: | Bộ Khoa học và Công nghệ | Lĩnh vực: | Công nghiệp |
|
Ngày ban hành:
Ngày ban hành là ngày, tháng, năm văn bản được thông qua hoặc ký ban hành.
|
2017 |
Hiệu lực:
|
Đã biết
|
| Người ký: | Đang cập nhật |
Tình trạng hiệu lực:
Cho biết trạng thái hiệu lực của văn bản đang tra cứu: Chưa áp dụng, Còn hiệu lực, Hết hiệu lực, Hết hiệu lực 1 phần; Đã sửa đổi, Đính chính hay Không còn phù hợp,...
|
Đã biết
|
TÓM TẮT TIÊU CHUẨN VIỆT NAM TCVN 11981:2017
Nội dung tóm tắt đang được cập nhật, Quý khách vui lòng quay lại sau!
Tải tiêu chuẩn Việt Nam TCVN 11981:2017
TIÊU CHUẨN QUỐC GIA
TCVN 11981:2017
ISO 464:2015
Ổ LĂN - Ổ LĂN ĐỠ CÓ VÒNG HÃM ĐÀN HỒI ĐỊNH VỊ - KÍCH THƯỚC, ĐẶC TÍNH HÌNH HỌC CỦA SẢN PHẨM (GPS) VÀ CÁC GIÁ TRỊ DUNG SAI
Rolling bearings - Radial bearings with locating snap ring - Dimensions, geometrical product specifications (GPS) and tolerance values
Lời nói đầu
TCVN 11981:2017 hoàn toàn tương đương ISO 464:2015
TCVN 11981:2017 do Ban kỹ thuật tiêu chuẩn quốc gia TCVN/TC 4, Ổ lăn ổ đỡ biên soạn, Tổng cục Tiêu chuẩn Đo lường Chất lượng đề nghị, Bộ khoa học và Công nghệ công bố.
Ổ LĂN - Ổ LĂN ĐỠ CÓ VÒNG HÃM ĐÀN HỒI ĐỊNH VỊ - KÍCH THƯỚC, ĐẶC TÍNH HÌNH HỌC CỦA SẢN PHẨM (GPS) VÀ CÁC GIÁ TRỊ DUNG SAI
Rolling bearings - Radial bearings with locating snap ring - Dimensions, geometrical product specifications (GPS) and tolerance values
1 Phạm vi áp dụng
Tiêu chuẩn này qui định kích thước của rãnh lắp vòng hãm đàn hồi và giá trị dung sai; kích thước cạnh vát trên mặt bên của rãnh lắp vòng hãm đàn hồi của vòng ngoài ổ lăn; kích thước của vòng hãm và giá trị dung sai đối với ổ lăn đỡ loạt kích thước 18 và 19 và loạt đường kính 0, 2, 3 và 4 (trừ các loạt kích thước 00, 82 và 83) như đã qui định trong trong TCVN 8033:2017 (ISO 15:2017) [1].
2 Tài liệu viện dẫn
Các tài liệu viện dẫn sau rất cần thiết cho áp dụng tiêu chuẩn này. Đối với các tài liệu viện dẫn ghi năm công bố thì áp dụng phiên bản đã nêu. Đối với các tài liệu viện dẫn không ghi năm công bố thì áp dụng phiên bản mới nhất, bao gồm cả các sửa đổi, (nếu có).
TCVN 1482:2008 (ISO 582:1995), Rolling bearings - Chamfer dimensions - Maximum values (Ổ lăn - Kích thước của mặt vát - Các giá trị lớn nhất).
ISO 1101, Geometrical product specifications (GPS) - Geometrical tolerancing - Tolerances of form, orientation, location and run-out (Đặc tính hình học của sản phẩm (GPS) - Qui định dung sai hình học - Dung sai hình dáng, hướng, vị trí và độ đảo).
TCVN 8288:2009 (ISO 5593:1997 và Amendment 1:2007), Ổ lăn - Từ vựng (Rolling bearings - Vocabulary).
ISO 14405-1, Geometrical product specifications (GPS) - Dimensional tolerancing - Part 1: Linear sizes (Đặc tính hình học của sản phẩm (GPS) - Qui định dung sai kích thước - Phần 1: Các kích thước dài).
ISO 15241, Rolling bearings - Symbols for physical quantities (Ổ lăn - Ký hiệu cho các đại lượng vật lý).
3 Thuật ngữ và định nghĩa
Tiêu chuẩn này áp dụng các thuật ngữ và định nghĩa được cho trong ISO 1101, TCVN 8288:2009 (ISO 5593:1997 và Amendment 1:2007) và ISO 14405-1.

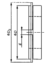
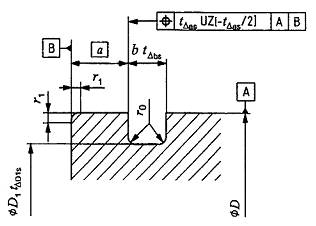
Hình 1 - Vòng hãm đàn hồi (đã lắp)

Hình 2 - Vòng hãm đàn hồi (đã lắp)

CHÚ THÍCH: Về UZ, xem ISO 1101:2012, 10.2.
Hình 3 - Rãnh lắp vòng hãm đàn hồi và cạnh vát
Để biểu lộ rằng hệ thống đặc tính hình học của sản phẩm (GPS) được áp dụng, các đặc tính về kích thước và hình học phải được bao gồm trong tài liệu kỹ thuật của sản phẩm (ví dụ, trên bản vẽ). Các đặc tính kích thước và hình học gắn liền với sản phẩm được mô tả trong Bảng 1.
Một giá trị dung sai gắn liền với một đặc tính được ký hiệu bằng t, theo sau là ký hiệu của đặc tính, ví dụ tΔas
Trong tiêu chuẩn này, toán tử đặc tính mặc định đối với cỡ kích thước phù hợp với ISO 14405-1, nghĩa là, kích thước giữa hai điểm là có hiệu lực.
Trong các Bảng 2 đến 5, A.1, A.2, B.1 và B.2 các ký hiệu U và L được sử dụng như sau:
- U = sai lệch giới hạn trên
- L = sai lệch giới hạn dưới
Một ví dụ về chỉ thị trên bản vẽ được cho trong Phụ lục E
Bảng 1 - Ký hiệu cho các kích thước danh nghĩa, đặc tính và biến đổi của đặc tính
| Ký hiệu cho kích thước danh nghĩa (cỡ và khoảng cách)a | Ký hiệu cho đặc tính a | Ký hiệu cho GPS và biến đổi của đặc tính b,c | Mô tả d |
| a |
|
| Khoảng cách danh nghĩa của vị trí rãnh lắp vòng hãm đàn hồi |
|
| Δas |
| Vị trí của mặt rãnh lắp vòng hãm đàn hồi cách mặt chuẩn thứ cấp B một khoảng cách “a”, mặt chuẩn này phụ thuộc vào mặt chuẩn sơ cấp A. |
| b |
|
| Chiều rộng danh nghĩa của rãnh lắp vòng hãm đàn hồi |
|
| Δbs |
| Sai lệch của một kích thước giữa hai điểm của chiều rộng rãnh lắp vòng hãm đàn hồi so với kích thước danh nghĩa của nó |
| D |
|
| Đường kính ngoài danh nghĩa của ổ lăn |
| D1 |
|
| Đường kính ngoài danh nghĩa của rãnh lắp vòng hãm đàn hồi |
|
| ΔD1s |
| Sai lệch của một kích thước giữa hai điểm của một đường kính rãnh lắp vòng hãm đàn hồi so với kích thước danh nghĩa của nó |
| D2 |
|
| Đường kính ngoài danh nghĩa của vòng hãm đàn hồi khi đã lắp |
| D3 |
|
| Đường kính trong danh nghĩa của vòng hãm đàn hồi khi đã lắp |
|
| ΔD3s |
| Sai lệch của một kích thước giữa hai điểm của đường kính trong vòng hãm đàn hồi trước khi lắp so với kích thước danh nghĩa của nó |
| e |
|
| Chiều cao danh nghĩa của mặt cắt (tiết diện) vòng hãm đàn hồi |
|
| Δe |
| Sai lệch của một kích thước nhỏ nhất của vòng tròn ngoại tiếp chiều cao mặt cắt của vòng hãm đàn hồi giữa hai đường đối diện, trong bất cứ mặt cắt dọc nào bao gồm đường trục bề mặt ngoài vòng hãm đàn hồi, so với kích thước danh nghĩa của nó |
| f |
|
| Chiều dày danh nghĩa của vòng hãm đàn hồi |
|
| Δf |
| Sai lệch của một kích thước giữa hai điểm của chiều dày vòng hãm đàn hồi so với kích thước danh nghĩa của nó |
| g |
|
| Khe hở danh nghĩa của vòng hãm đàn hồi khi được lắp |
| r0 |
|
| Bán kính danh nghĩa của góc lượn tại đáy rãnh lắp vòng hãm đàn hồi |
| r0s max |
|
| Bán kính lớn nhất của một góc lượn tại đáy rãnh lắp vòng hãm đàn hồi |
| r1 |
|
| Bán kính danh nghĩa của cạnh vát vòng ngoài ổ lăn trên phía có rãnh lắp vòng chặn đàn hồi |
| r1s min |
|
| Kích thước nhỏ nhất của cạnh vát vòng ngoài ổ lăn trên phía có rãnh lắp vòng chặn đàn hồi |
| a Các ký hiệu được cho trong ISO 15241, ngoại trừ các dạng đã sử dụng. b Các ký hiệu được cho trong ISO 1101 và ISO 14405-1. c Ký hiệu biến đổi đặc tính d Các mô tả dựa trên ISO 1101 và ISO 14405-1. CHÚ THÍCH: Hình 3 giới thiệu một bộ chỉ thị GPS đầy đủ. | |||
5 Các kích thước của rãnh lắp vòng hãm đàn hồi và cạnh vát và các giá trị dung sai
Các kích thước của rãnh lắp vòng hãm đàn hồi và cạnh vát cùng với các giá trị dung sai cho các ổ lăn đỡ thuộc các loạt kích thước 18 và 19 được cho trong Bảng 2 và các ổ lăn đỡ thuộc các loạt đường kính 0, 2, 3 và 4 được cho trong Bảng 3.
Kích thước cạnh vát “r1” áp dụng tại các góc được chỉ dẫn trên Hình 3 và được cho trong các Bảng 2 và Bảng 3 với ký hiệu “r1s min”
Bảng 2 - Kích thước của rãnh lắp vòng hãm đàn hồi và cạnh vát và giá trị dung sai cho ổ lăn đỡ loạt kích thước 18 và 19
Kích thước tính bằng milimet
| D | D1 |
| Loạt kích thước | b |
| r0s max | Loạt kích thước | ||||||
| 18 | 19 | 18 | 19 | ||||||||||
| tΔD1s | a | tΔas | a | tΔas | tΔbs | r1s mina | |||||||
| U | L | U | L | ||||||||||
| 30 | 28,7 | 0 | -0,3 | - | - | 1,3 | 0,15 | 0,95 | +0,25 | 0 | 0,25 | - | 0,3 |
| 32 | 30,7 | 0 | -0,3 | 1,3 | 0,15 | - | - | 0,95 | +0,25 | 0 | 0,25 | 0,3 | - |
| 34 | 32,7 | 0 | -0,3 | 1,3 | 0,15 | - | - | 0,95 | +0,25 | 0 | 0,25 | 0,3 | - |
| 37 | 35,7 | 0 | -0,3 | 1,3 | 0,15 | 1,7 | 0,15 | 0,95 | +0,25 | 0 | 0,25 | 0,3 | 0,3 |
| 39 | 37,7 | 0 | -0,3 | - | - | 1,7 | 0,15 | 0,95 | +0,25 | 0 | 0,25 | - | 0,3 |
| 40 | 38,7 | 0 | -0,3 | 1,3 | 0,15 | - | - | 0,95 | +0,25 | 0 | 0,25 | 0,3 | - |
| 42 | 40,7 | 0 | -0,3 | 1,3 | 0,15 | 1,7 | 0,15 | 0,95 | +0,25 | 0 | 0,25 | 0,3 | 0,3 |
| 44 | 42,7 | 0 | -0,3 | 1,3 | 0,15 | - | - | 0,95 | +0,25 | 0 | 0,25 | 0,3 | - |
| 45 | 43,7 | 0 | -0,3 | - | - | 1,7 | 0,15 | 0,95 | +0,25 | 0 | 0,25 | - | 0,3 |
| 47 | 45,7 | 0 | -0,3 | 1,3 | 0,15 | 1,7 | 0,15 | 0,95 | +0,25 | 0 | 0,25 | 0,3 | 0,3 |
| 52 | 50,7 | 0 | -0,3 | 1,3 | 0,15 | 1,7 | 0,15 | 0,95 | +0,25 | 0 | 0,25 | 0,3 | 0,5 |
| 55 | 53,7 | 0 | -0,3 | - | - | 1,7 | 0,15 | 0,95 | +0,25 | 0 | 0,25 | - | 0,5 |
| 58 | 56,7 | 0 | -0,3 | 1,3 | 0,15 | - | - | 0,95 | +0,25 | 0 | 0,25 | 0,3 | - |
| 62 | 60,7 | 0 | -0,4 | - | - | 1,7 | 0,15 | 0,95 | +0,25 | 0 | 0,25 | - | 0,5 |
| 65 | 63,7 | 0 | -0,4 | 1,3 | 0,15 | - | - | 0,95 | +0,25 | 0 | 0,25 | 0,3 | - |
| 68 | 66,7 | 0 | -0,4 | - | - | 1,7 | 0,15 | 0,95 | +0,25 | 0 | 0,25 | - | 0,5 |
| 72 | 70,7 | 0 | -0,4 | 1,7 | 0,15 | 1,7 | 0,15 | 0,95 | +0,25 | 0 | 0,25 | 0,3 | 0,5 |
| 78 | 76,2 | 0 | -0,4 | 1,7 | 0,15 | - | - | 1,3 | +0,3 | 0 | 0,4 | 0,3 | - |
| 80 | 77,9 | 0 | -0,4 | - | - | 2,1 | 0,2 | 1,3 | +0,3 | 0 | 0,4 | - | 0,5 |
| 85 | 82,9 | 0 | -0,4 | 1,7 | 0,15 | 2,1 | 0,2 | 1,3 | +0,3 | 0 | 0,4 | 0,5 | 0,5 |
| 90 | 87,9 | 0 | -0,4 | 1,7 | 0,15 | 2,1 | 0,2 | 1,3 | +0,3 | 0 | 0,4 | 0,5 | 0,5 |
| 95 | 92,9 | 0 | -0,4 | 1,7 | 0,15 | - | - | 1,3 | +0,3 | 0 | 0,4 | 0,5 | - |
| 100 | 97,9 | 0 | -0,4 | 1,7 | 0,15 | 2,5 | 0,2 | 1,3 | +0,3 | 0 | 0,4 | 0,5 | 0,5 |
| 105 | 102,6 | 0 | -0,5 | - | - | 2,5 | 0,2 | 1,3 | +0,3 | 0 | 0,4 | - | 0,5 |
| 110 | 107,6 | 0 | -0,5 | 2,1 | 0,2 | 2,5 | 0,2 | 1,3 | +0,3 | 0 | 0,4 | 0,5 | 0,5 |
| 115 | 112,6 | 0 | -0,5 | 2,1 | 0,2 | - | - | 1,3 | +0,3 | 0 | 0,4 | 0,5 | - |
| 120 | 117,6 | 0 | -0,5 | 2,1 | 0,2 | 3,3 | 0,2 | 1,3 | +0,3 | 0 | 0,4 | 0,5 | 0,5 |
| 125 | 122,6 | 0 | -0,5 | 2,1 | 0,2 | 3,3 | 0,2 | 1,3 | +0,3 | 0 | 0,4 | 0,5 | 0,5 |
| 130 | 127,6 | 0 | -0,5 | 2,1 | 0,2 | 3,3 | 0,2 | 1,3 | +0,3 | 0 | 0,4 | 0,5 | 0,5 |
| 140 | 137,6 | 0 | -0,5 | 2,5 | 0,2 | 3,3 | 0,2 | 1,9 | +0,3 | 0 | 0,6 | 0,5 | 0,5 |
| 145 | 142,6 | 0 | -0,5 | - | - | 3,3 | 0,2 | 1,9 | +0,3 | 0 | 0,6 | - | 0,5 |
| 150 | 147,6 | 0 | -0,5 | 2,5 | 0,2 | 3,3 | 0,2 | 1,9 | +0,3 | 0 | 0,6 | 0,5 | 0,5 |
| 165 | 161,8 | 0 | -0,5 | 3,3 | 0,2 | 3,7 | 0,2 | 1,9 | +0,3 | 0 | 0,6 | 0,5 | 0,5 |
| 175 | 171,8 | 0 | -0,5 | 3,3 | 0,2 | - | - | 1,9 | +0,3 | 0 | 0,6 | 0,5 | - |
| 180 | 176,8 | 0 | -0,5 | - | - | 3,7 | 0,2 | 1,9 | +0,3 | 0 | 0,6 | - | 0,5 |
| 190 | 186,8 | 0 | -0,5 | 3,3 | 0,2 | 3,7 | 0,2 | 1,9 | +0,3 | 0 | 0,6 | 0,5 | 0,5 |
| 200 | 196,8 | 0 | -0,5 | 3,3 | 0,2 | - | - | 1,9 | +0,3 | 0 | 0,6 | 0,5 | - |
| a Các kích thước lớn nhất tương ứng của cạnh vát được cho trong ISO 582 | |||||||||||||
Bảng 3 - Kích thước của rãnh lắp vòng hãm đàn hồi và cạnh vát và giá trị dung sai cho ổ lăn đỡ loạt đường kính 0, 2, 3 và 4
Kích thước tính bằng milimet
| D | D1 |
| Loạt kích thước | b |
| r0smax | Loạt đường kính | ||||||||
| 18 | 18 | 0 | 2 | 3 | 4 | ||||||||||
| tΔD1s | a | tΔas | a | tΔas | tΔbs | r1smina | |||||||||
| U | L | U | L | ||||||||||||
| 30 | 28,17 | 0 | -0,26 | - | - | 2,06 | 0,16 | 1,35 | +0,3 | 0 | 0,4 | - | 0,5 | 0,5 | 0,5 |
| 32 | 30,15 | 0 | -0,25 | 2,06 | 0,16 | 2,06 | 0,16 | 1,35 | +0,3 | 0 | 0,4 | 0,3 | 0,5 | - | 0,5 |
| 35 | 33,17 | 0 | -0,25 | 2,06 | 0,16 | 2,06 | 0,16 | 1,35 | +0,3 | 0 | 0,4 | 0,3 | 0,5 | 0,5 | - |
| 37 | 34,77 | 0 | -0,25 | - | - | 2,06 | 0,16 | 1,35 | +0,3 | 0 | 0,4 | - | - | 0,5 | 0,5 |
| 40 | 38,1 | 0 | -0,25 | - | - | 2,06 | 0,16 | 1,35 | +0,3 | 0 | 0,4 | - | 0,5 | - |
|
| 42 | 39,75 | 0 | -0,25 | 2,06 | 0,16 | 2,06 | 0,16 | 1,35 | +0,3 | 0 | 0,4 | 0,5 | - | 0,5 | 0,5 |
| 44 | 41,75 | 0 | -0,25 | 2,06 | 0,16 | - | - | 1,35 | +0,3 | 0 | 0,4 | 0,5 | - | - | - |
| 47 | 44,6 | 0 | -0,25 | 2,06 | 0,16 | 2,46 | 0,15 | 1,35 | +0,3 | 0 | 0,4 | 0,5 | 0,5 | 0,5 | 0,5 |
| 50 | 47,6 | 0 | -0,25 | - | - | 2,46 | 0,15 | 1,35 | +0,3 | 0 | 0,4 | - | 0,5 | - | - |
| 52 | 49,73 | 0 | -0,25 | 2,06 | 0,16 | 2,46 | 0,15 | 1,35 | +0,3 | 0 | 0,4 | 0,5 | 0,5 | 0,5 | 0,5 |
| 55 | 52,6 | 0 | -0,25 | 2,08 | 0,2 | - | - | 1,35 | +0,3 | 0 | 0,4 | 0,5 | - | - | - |
| 56 | 53,6 | 0 | -0,25 | - | - | 2,46 | 0,15 | 1,35 | +0,3 | 0 | 0,4 | - | - | 0,5 | - |
| 58 | 55,6 | 0 | -0,25 | 2,08 | 0,2 | 2,46 | 0,15 | 1,35 | +0,3 | 0 | 0,4 | 0,5 | 0,5 | - | - |
| 62 | 59,61 | 0 | -0,5 | 2,08 | 0,2 | 3,28 | 0,21 | 1,9 | +0,3 | 0 | 0,6 | 0,5 | 0,5 | 0,5 | 0,5 |
| 65 | 62,6 | 0 | -0,5 | - | - | 3,28 | 0,21 | 1,9 | +0,3 | 0 | 0,6 | - | 0,5 | - | - |
| 68 | 64,82 | 0 | -0,51 | 2,49 | 0,2 | 3,28 | 0,21 | 1,9 | +0,3 | 0 | 0,6 | 0,5 | - | 0,5 | - |
| 72 | 68,81 | 0 | -0,51 | - | - | 3,28 | 0,21 | 1,9 | +0,3 | 0 | 0,6 | - | 0,5 | 0,5 | 0,5 |
| 75 | 71,83 | 0 | -0,51 | 2,49 | 0,2 | 3,28 | 0,21 | 1,9 | +0,3 | 0 | 0,6 | 0,5 | - | 0,5 | - |
| 80 | 76,81 | 0 | -0,51 | 2,49 | 0,2 | 3,28 | 0,21 | 1,9 | +0,3 | 0 | 0,6 | 0,5 | 0,5 | 0,5 | 0,5 |
| 85 | 81,81 | 0 | -0,5 | - | - | 3,28 | 0,21 | 1,9 | +0,3 | 0 | 0,6 | - | 0,5 | - | - |
| 90 | 86,79 | 0 | -0,51 | 2,87 | 0,2 | 3,28 | 0,21 | 2,7 | +0,3 | 0 | 0,6 | 0,5 | 0,5 | 0,5 | 0,5 |
| 95 | 91,82 | 0 | -0,51 | 2,87 | 0,2 | - | - | 2,7 | +0,3 | 0 | 0,6 | 0,5 | - | - | - |
| 100 | 96,8 | 0 | -0,51 | 2,87 | 0,2 | 3,28 | 0,21 | 2,7 | +0,3 | 0 | 0,6 | 0,5 | 0,5 | 0,5 | 0,5 |
| 110 | 106,81 | 0 | -0,51 | 2,87 | 0,2 | 3,28 | 0,21 | 2,7 | +0,3 | 0 | 0,6 | 0,5 | 0,5 | 0,5 | 0,5 |
| 115 | 111,81 | 0 | -0,51 | 2,87 | 0,2 | - | - | 2,7 | +0,3 | 0 | 0,6 | 0,5 | - | - | - |
| 120 | 115,21 | 0 | -0,5 | - | - | 4,06 | 0,2 | 3,1 | +0,3 | 0 | 0,6 | - | 0,5 | 0,5 | 0,5 |
| 125 | 120,22 | 0 | -0,51 | 2,87 | 0,2 | 4,06 | 0,2 | 3,1 | +0,3 | 0 | 0,6 | 0,5 | 0,5 | - | - |
| 130 | 125,22 | 0 | -0,51 | 2,87 | 0,2 | 4,06 | 0,2 | 3,1 | +0,3 | 0 | 0,6 | 0,5 | 0,5 | 0,5 | 0,5 |
| 140 | 135,23 | 0 | -0,51 | 3,71 | 0,26 | 4,9 | 0,25 | 3,1 | +0,3 | 0 | 0,6 | 0,5 | 0,5 | 0,5 | 0,5 |
| 145 | 140,23 | 0 | -0,5 | 3,71 | 0,26 | - | - | 3,1 | +0,3 | 0 | 0,6 | 0,5 | - | - | - |
| 150 | 145,24 | 0 | -0,51 | 3,71 | 0,26 | 4,9 | 0,25 | 3,1 | +0,3 | 0 | 0,6 | 0,5 | 0,5 | 0,5 | 0,5 |
| 160 | 155,22 | 0 | -0,51 | 3,71 | 0,26 | 4,9 | 0,25 | 3,1 | +0,3 | 0 | 0,6 | 0,5 | 0,5 | 0,5 | 0,5 |
| 170 | 163,65 | 0 | -0,51 | 3,71 | 0,26 | 5,69 | 0,25 | 3,5 | +0,3 | 0 | 0,6 | 0,5 | 0,5 | 0,5 | - |
| 180 | 173,66 | 0 | -0,51 | 3,71 | 0,26 | 5,69 | 0,25 | 3,5 | +0,3 | 0 | 0,6 | 0,5 | 0,5 | 0,5 | 0,5 |
| 190 | 183,64 | 0 | -0,51 | - | - | 5,69 | 0,25 | 3,5 | +0,3 | 0 | 0,6 | - | 0,5 | 0,5 | 0,5 |
| 200 | 193,65 | 0 | -0,51 | 5,69 | 0,25 | 5,69 | 0,25 | 3,5 | +0,3 | 0 | 0,6 | 0,5 | 0,5 | 0,5 | 0,5 |
| 210 | 203,6 | 0 | -0,5 | 5,69 | 0,25 | 5,69 | 0,25 | 3,5 | +0,3 | 0 | 1 | 0,5 | - | - | 0,5 |
| 215 | 208,6 | 0 | -0,5 | - | - | 5,69 | 0,25 | 3,5 | +0,3 | 0 | 1 | - | 0,5 | 0,5 | - |
| 225 | 217 | 0 | -0,5 | 6,5 | 0,3 | 6,5 | 0,3 | 4,5 | +0,4 | 0 | 1 | 0,5 | - | 0,5 | 0,5 |
| 230 | 222 | 0 | -0,5 | - | - | 6,5 | 0,3 | 4,5 | +0,4 | 0 | 1 | - | 0,5 | - | - |
| 240 | 232 | 0 | -0,5 | 6,5 | 0,3 | 6,5 | 0,3 | 4,5 | +0,4 | 0 | 1 | 0,5 | - | 0,5 | 0,5 |
| 250 | 242 | 0 | -0,5 | - | - | 6,5 | 0,3 | 4,5 | +0,4 | 0 | 1 | - | 0,5 | - | 0,5 |
| a Các kích thước lớn nhất tương ứng của cạnh vát được cho trong ISO 582 | |||||||||||||||
6 Các kích thước của vòng hãm đàn hồi và các giá trị dung sai
Các kích thước của vòng hãm đàn hồi và các giá trị dung sai cho các ổ lăn đỡ thuộc các loạt kích thước 18 và 19 được cho trong Bảng 4 và các ổ lăn đỡ thuộc các loạt đường kính 0, 2, 3 và 4 được cho trong Bảng 5.
Bảng 4 - Kích thước của vòng hãm đàn hồi và giá trị dung sai cho ổ lăn đỡ loạt kích thước 18 và 19
Kích thước tính bằng milimet
| D | D2a | d3 | tΔD3s | e | tΔe | f | tΔf | ga ≈ | |||
| max | U | L | U | L | U | L | |||||
| 30 | 32,8 | 28,3 | 0 | -0,3 | 2,05 | 0 | -0,15 | 0,85 | 0 | -0,1 | 3 |
| 32 | 34,8 | 30,3 | 0 | -0,3 | 2,05 | 0 | -0,15 | 0,85 | 0 | -0,1 | 3 |
| 34 | 36,8 | 32,3 | 0 | -0,3 | 2,05 | 0 | -0,15 | 0,85 | 0 | -0,1 | 3 |
| 37 | 39,8 | 35,3 | 0 | -0,3 | 2,05 | 0 | -0,15 | 0,85 | 0 | -0,1 | 3 |
| 39 | 41,8 | 37,3 | 0 | -0,3 | 2,05 | 0 | -0,15 | 0,85 | 0 | -0,1 | 3 |
| 40 | 42,8 | 38,3 | 0 | -0,3 | 2,05 | 0 | -0,15 | 0,85 | 0 | -0,1 | 3 |
| 42 | 44,8 | 40,3 | 0 | -0,4 | 2,05 | 0 | -0,15 | 0,85 | 0 | -0,1 | 3 |
| 44 | 46,8 | 42,3 | 0 | -0,4 | 2,05 | 0 | -0,15 | 0,85 | 0 | -0,1 | 4 |
| 45 | 47,8 | 43,3 | 0 | -0,4 | 2,05 | 0 | -0,15 | 0,85 | 0 | -0,1 | 4 |
| 47 | 49,8 | 45,3 | 0 | -0,4 | 2,05 | 0 | -0,15 | 0,85 | 0 | -0,1 | 4 |
| 52 | 54,8 | 50,3 | 0 | -0,4 | 2,05 | 0 | -0,15 | 0,85 | 0 | -0,1 | 4 |
| 55 | 57,8 | 53,3 | 0 | -0,4 | 2,05 | 0 | -0,15 | 0,85 | 0 | -0,1 | 4 |
| 58 | 60,8 | 56,3 | 0 | 0,6 | 2,05 | 0 | -0,15 | 0,85 | 0 | -0,1 | 4 |
| 62 | 64,8 | 60,2 | 0 | 0,6 | 2,05 | 0 | -0,15 | 0,85 | 0 | -0,1 | 4 |
| 65 | 67,8 | 63,2 | 0 | 0,6 | 2,05 | 0 | -0,15 | 0,85 | 0 | -0,1 | 4 |
| 68 | 70,8 | 66,2 | 0 | 0,6 | 2,05 | 0 | -0,15 | 0,85 | 0 | -0,1 | 5 |
| 72 | 74,8 | 70,2 | 0 | 0,6 | 2,05 | 0 | -0,15 | 0,85 | 0 | -0,1 | 5 |
| 78 | 82,7 | 75,2 | 0 | 0,6 | 3,25 | 0 | -0,15 | 1,12 | 0 | -0,1 | 5 |
| 80 | 84,4 | 77,4 | 0 | 0,6 | 3,25 | 0 | -0,15 | 1,12 | 0 | -0,1 | 5 |
| 85 | 89,4 | 82,4 | 0 | 0,6 | 3,25 | 0 | -0,15 | 1,12 | 0 | -0,1 | 5 |
| 90 | 94,4 | 87,4 | 0 | 0,6 | 3,25 | 0 | -0,15 | 1,12 | 0 | -0,1 | 5 |
| 95 | 99,4 | 92,4 | 0 | 0,6 | 3,25 | 0 | -0,15 | 1,12 | 0 | -0,1 | 5 |
| 100 | 104,4 | 97,4 | 0 | 0,6 | 3,25 | 0 | -0,15 | 1,12 | 0 | -0,1 | 5 |
| 105 | 110,7 | 101,9 | 0 | 0,8 | 4,04 | 0 | -0,15 | 1,12 | 0 | -0,1 | 5 |
| 110 | 115,7 | 106,9 | 0 | 0,8 | 4,04 | 0 | -0,15 | 1,12 | 0 | -0,1 | 5 |
| 115 | 120,7 | 111,9 | 0 | 0,8 | 4,04 | 0 | -0,15 | 1,12 | 0 | -0,1 | 5 |
| 120 | 125,7 | 116,9 | 0 | 0,8 | 4,04 | 0 | -0,15 | 1,12 | 0 | -0,1 | 7 |
| 125 | 130,7 | 121,8 | 0 | 0,8 | 4,04 | 0 | -0,15 | 1,12 | 0 | -0,1 | 7 |
| 130 | 135,7 | 126,8 | 0 | 0,8 | 4,04 | 0 | -0,15 | 1,12 | 0 | -0,1 | 7 |
| 140 | 145,7 | 136,8 | 0 | -1 | 4,04 | 0 | -0,15 | 1,7 | 0 | -0,1 | 7 |
| 145 | 150,7 | 141,8 | 0 | -1 | 4,04 | 0 | -0,15 | 1,7 | 0 | -0,1 | 7 |
| 150 | 155,7 | 146,8 | 0 | -1,2 | 4,04 | 0 | -0,15 | 1,7 | 0 | -0,1 | 7 |
| 165 | 171,5 | 161 | 0 | -1,2 | 4,85 | 0 | -0,15 | 1,7 | 0 | -0,1 | 7 |
| 175 | 181,5 | 171 | 0 | -1,2 | 4,85 | 0 | -0,15 | 1,7 | 0 | -0,1 | 10 |
| 180 | 186,5 | 176 | 0 | -1,2 | 4,85 | 0 | -0,15 | 1,7 | 0 | -0,1 | 10 |
| 190 | 196,5 | 186 | 0 | -1,4 | 4,85 | 0 | -0,15 | 1,7 | 0 | -0,1 | 10 |
| 200 | 206,5 | 196 | 0 | -1,4 | 4,85 | 0 | -0,15 | 1,7 | 0 | -0,1 | 10 |
| a Các kích thước được cho đối với D2 và g áp dụng cho các vòng hãm đàn hồi đã lắp. Nên lắp ghép các vòng trong các rãnh không có khe hở hướng tâm và vì vậy chúng bị nong rộng ra một chút ở trạng thái lắp. | |||||||||||
Bảng 5 -Kích thước của vòng hãm đàn hồi và giá trị dung sai cho ổ lăn đỡ loạt đường kính 0, 2, 3 và 4
Kích thước tính bằng milimet
| D | D2a | D3 | tΔD3s | e | tΔe | f | tΔf | ga ≈ | |||
| max | U | L | U | L | U | L | |||||
| 30 | 34,7 | 27,9 | 0 | -0,4 | 3,25 | 0 | -0,15 | 1,12 | 0 | -0,1 | 3 |
| 32 | 36,7 | 29,9 | 0 | -0,4 | 3,25 | 0 | -0,15 | 1,12 | 0 | -0,1 | 3 |
| 35 | 39,7 | 32,9 | 0 | -0,4 | 3,25 | 0 | -0,15 | 1,12 | 0 | -0,1 | 3 |
| 37 | 41,7 | 34,5 | 0 | -0,4 | 3,25 | 0 | -0,15 | 1,12 | 0 | -0,1 | 3 |
| 40 | 44,6 | 37,8 | 0 | -0,4 | 3,25 | 0 | -0,15 | 1,12 | 0 | -0,1 | 3 |
| 42 | 46,3 | 39,5 | 0 | -0,5 | 3,25 | 0 | -0,15 | 1,12 | 0 | -0,1 | 3 |
| 44 | 48,3 | 41,5 | 0 | -0,5 | 3,25 | 0 | -0,15 | 1,12 | 0 | -0,1 | 3 |
| 47 | 52,7 | 44,3 | 0 | -0,5 | 4,04 | 0 | -0,15 | 1,12 | 0 | -0,1 | 4 |
| 50 | 55,7 | 47,3 | 0 | -0,5 | 4,04 | 0 | -0,15 | 1,12 | 0 | -0,1 | 4 |
| 52 | 57,9 | 49,4 | 0 | -0,5 | 4,04 | 0 | -0,15 | 1,12 | 0 | -0,1 | 4 |
| 55 | 60,7 | 52,3 | 0 | -0,5 | 4,04 | 0 | -0,15 | 1,12 | 0 | -0,1 | 4 |
| 56 | 61,7 | 53,2 | 0 | -0,6 | 4,04 | 0 | -0,15 | 1,12 | 0 | -0,1 | 4 |
| 58 | 63,7 | 55,2 | 0 | -0,6 | 4,04 | 0 | -0,15 | 1,12 | 0 | -0,1 | 4 |
| 62 | 67,7 | 59 | 0 | -0,6 | 4,04 | 0 | -0,15 | 1,7 | 0 | -0,1 | 4 |
| 65 | 70,7 | 62 | 0 | -0,6 | 4,04 | 0 | -0,15 | 1,7 | 0 | -0,1 | 4 |
| 68 | 74,6 | 64,2 | 0 | -0,6 | 4,85 | 0 | -0,15 | 1,7 | 0 | -0,1 | 5 |
| 72 | 78,6 | 68,2 | 0 | -0,6 | 4,85 | 0 | -0,15 | 1,7 | 0 | -0,1 | 5 |
| 75 | 81,6 | 71,2 | 0 | -0,6 | 4,85 | 0 | -0,15 | 1,7 | 0 | -0,1 | 5 |
| 80 | 86,6 | 76,2 | 0 | -0,6 | 4,85 | 0 | -0,15 | 1,7 | 0 | -0,1 | 5 |
| 85 | 91,6 | 81,2 | 0 | -0,6 | 4,85 | 0 | -0,15 | 1,7 | 0 | -0,1 | 5 |
| 90 | 96,5 | 86,2 | 0 | -0,6 | 4,85 | 0 | -0,15 | 2,46 | 0 | -0,1 | 5 |
| 95 | 101,6 | 91,2 | 0 | -0,6 | 4,85 | 0 | -0,15 | 2,46 | 0 | -0,1 | 5 |
| 100 | 106,5 | 96,2 | 0 | -0,8 | 4,85 | 0 | -0,15 | 2,46 | 0 | -0,1 | 5 |
| 110 | 116,6 | 106,2 | 0 | -0,8 | 4,85 | 0 | -0,15 | 2,46 | 0 | -0,1 | 5 |
| 115 | 121,6 | 111,2 | 0 | -0,8 | 4,85 | 0 | -0,15 | 2,46 | 0 | -0,1 | 5 |
| 120 | 129,7 | 114,6 | 0 | -0,8 | 7,21 | 0 | -0,15 | 2,82 | 0 | -0,1 | 7 |
| 125 | 134,7 | 119,6 | 0 | -0,8 | 7,21 | 0 | -0,15 | 2,82 | 0 | -0,1 | 7 |
| 130 | 139,7 | 124,6 | 0 | -0,8 | 7,21 | 0 | -0,15 | 2,82 | 0 | -0,1 | 7 |
| 140 | 149,7 | 134,6 | 0 | -1,2 | 7,21 | 0 | -0,15 | 2,82 | 0 | -0,1 | 7 |
| 145 | 154,7 | 139,6 | 0 | -1,2 | 7,21 | 0 | -0,15 | 2,82 | 0 | -0,1 | 7 |
| 150 | 159,7 | 144,5 | 0 | -1,2 | 7,21 | 0 | -0,15 | 2,82 | 0 | -0,1 | 7 |
| 160 | 169,7 | 154,5 | 0 | -1,2 | 7,21 | 0 | -0,15 | 2,82 | 0 | -0,1 | 7 |
| 170 | 182,9 | 162,9 | 0 | -1,2 | 9,6 | 0 | -0,15 | 3,1 | 0 | -0,1 | 10 |
| 180 | 192,9 | 172,8 | 0 | -1,2 | 9,6 | 0 | -0,15 | 3,1 | 0 | -0,1 | 10 |
| 190 | 202,9 | 182,8 | 0 | -14 | 9,6 | 0 | -0,15 | 3,1 | 0 | -0,1 | 10 |
| 200 | 212,9 | 192,8 | 0 | -14 | 9,6 | 0 | -0,15 | 3,1 | 0 | -0,1 | 10 |
| 210 | 222,8 | 202,7 | 0 | -14 | 9,6 | 0 | -0,15 | 3,1 | 0 | -0,1 | 10 |
| 215 | 227,8 | 207,7 | 0 | -14 | 9,6 | 0 | -0,15 | 3,1 | 0 | -0,1 | 10 |
| 225 | 237 | 216,1 | 0 | -14 | 10 | 0 | -0,15 | 3,5 | 0 | -0,1 | 10 |
| 230 | 242 | 221 | 0 | -14 | 10 | 0 | -0,15 | 3,5 | 0 | -0,1 | 10 |
| 240 | 252 | 231 | 0 | -14 | 10 | 0 | -0,15 | 3,5 | 0 | -0,1 | 10 |
| 250 | 262 | 241 | 0 | -14 | 10 | 0 | -0,15 | 3,5 | 0 | -0,1 | 10 |
| a Các kích thước được cho đối với D2 và g áp dụng cho các vòng hãm đàn hồi đã lắp. Nên lắp ghép các vòng trong các rãnh không có khe hở hướng tâm và vì vậy chúng bị nong rộng một chút ở trạng thái lắp. | |||||||||||
Phụ lục A
(Tham khảo)
Các kích thước của rãnh lắp vòng hãm đàn hồi và các giá trị dung sai cho các ổ lăn đỡ có D < 30 mm
Đối với các ổ lăn đỡ nhỏ, khi D < 30 mm, việc chế tạo rãnh lắp vòng hãm đàn hồi có thể gây ra biến dạng cho các mặt lăn. Vì vậy, nên thay ổ lăn này bằng sử dụng một ổ lăn với vòng ngoài có gờ. Về kích thước, xem ISO 8443 [2].
Thông tin về các kích thước của rãnh lắp vòng hãm đàn hồi và cạnh vát và các giá trị dung sai cho các ổ lăn đỡ loạt kích thước 19, D < 30 mm được cho trong Bảng A.1 và các ổ lăn đỡ loạt đường kính 0,2 và 3, D < 30 mm được cho trong Bảng A.2.
Bảng A.1 - Kích thước của rãnh lắp vòng hãm đàn hồi và cạnh vát và giá trị dung sai cho ổ lăn đỡ loạt kích thước 19, D < 30 mm
Kích thước tính bằng milimet
| D | D1 | tΔD1s | a | tΔas | b | tΔbs | r0smax | r1smaxa | ||
| U | L |
| U | L | ||||||
| 22 | 20,8 | 0 | -0,3 | 1,05 | 0,15 | 0,8 | +0,25 | 0 | 0,2 | 0,2 |
| 24 | 22,8 | 0 | -0,3 | 1,05 | 0,15 | 0,8 | +0,25 | 0 | 0,2 | 0,2 |
| 28 | 26,8 | 0 | -0,3 | 1,3 | 0,15 | 0,95 | +0,25 | 0 | 0,25 | 0,3 |
| a Các kích thước lớn nhất tương ứng của cạnh vát được cho trong ISO 582 | ||||||||||
Bảng A.2 - Kích thước của rãnh lắp vòng hãm đàn hồi và cạnh vát cho ổ đỡ loạt đường kính 0,2 và 3, D < 30 mm
Kích thước tính bằng milimet
| D | D1 |
| Loạt đường kính | B |
| r0smax | Loạt kích thước | |||||||
| 0 | 2 và 3 | 0 | 2 | 3 | ||||||||||
| tΔD1s | a | tΔas | a | tΔas | tΔbs | r1smaxa | ||||||||
| U | L | U | L | |||||||||||
| 13 | 12,04 | 0 | -0,13 | - | - | 1,1 | 0,15 | 0,80 | +0,25 | 0 | 0,2 | - | 0,2 | 0,2 |
| 16 | 15,16 | 0 | -0,12 | - | - | 1,2 | 0,15 | 0,80 | +0,25 | 0 | 0,2 | - | 0,2 | 0,2 |
| 19 | 18,25 | 0 | -0,15 | 1,73 | 0,18 | 1,73 | 0,18 | 0,80 | +0,25 | 0 | 0,2 | 0,3 | 0,3 | 0,3 |
| 22 | 21,11 | 0 | -0,16 | 1,73 | 0,18 | 1,73 | 0,18 | 0,80 | +0,25 | 0 | 0,2 | 0,3 | 0,3 | 0,3 |
| 24 | 23,00 | 0 | -0,15 | 1,73 | 0,18 | 1,73 | 0,18 | 0,80 | +0,25 | 0 | 0,2 | 0,3 | 0,3 | 0,3 |
| 26 | 25,15 | 0 | -0,15 | 1,73 | 0,18 | 1,73 | 0,18 | 0,80 | +0,25 | 0 | 0,2 | 0,3 | 0,3 | 0,3 |
| 28 | 26,7 | 0 | -0,3 | 1,73 | 0,18 | 1,73 | 0,18 | 0,95 | +0,25 | 0 | 0,25 | 0,3 | - | 0,3 |
| a Các kích thước lớn nhất tương ứng của cạnh vát được cho trong ISO 582 | ||||||||||||||
Phụ lục B
(Tham khảo)
Vòng hãm đàn hồi dùng cho các ổ lăn đỡ có D < 30 mm
Các kích thước của vòng hãm đàn hồi và các giá trị dung sai cho các ổ lăn đỡ thuộc các loạt kích thước 19, D < 30 mm được cho trong Bảng B.1 và các ổ lăn đỡ thuộc các loạt đường kính 0,2 và 3, D < 30 mm được cho trong Bảng B.2.
Bảng B.1 - Các kích thước của vòng hãm đàn hồi và các giá trị dung sai cho các ổ lăn đỡ loạt kích thước 19, D < 30 mm
Kích thước tính bằng milimet
| D | D2a | D3 | tΔD3s | e | tΔe | f | tΔf | g3 ≈ | |||
| max | U | L | U | L | U | L | |||||
| 22 | 24,8 | 20,5 | 0 | -0,3 | 2 | 0 | -0,15 | 0,7 | 0 | -0,1 | 2 |
| 24 | 26,8 | 22,5 | 0 | -0,3 | 2 | 0 | -0,15 | 0,7 | 0 | -0,1 | 2 |
| 28 | 30,8 | 26,4 | 0 | -0,3 | 2,05 | 0 | -0,15 | 0,85 | 0 | -0,1 | 3 |
| a Các kích thước được cho đối với D2 và g áp dụng cho các vòng hãm đàn hồi đã lắp. Nên lắp ghép các vòng trong các rãnh không có khe hở hướng tâm và vì vậy chúng bị nong rộng một chút ở trạng thái lắp. | |||||||||||
Bảng B.2 - Các kích thước của vòng hãm đàn hồi và các giá trị dung sai cho các ổ lăn đỡ loạt kích thước 0,2 và 3, D < 30 mm
Kích thước tính bằng milimet
| D | D2a | D3 | tΔD3s | e | tΔe | f | tΔf | ga ≈ | |||
| max | U | L | U | L | U | L | |||||
| 13 | 14,3 | 11,9 | 0 | -0,3 | 1,15 | 0 | -0,15 | 0,7 | 0 | -0,1 | 3 |
| 16 | 18,5 | 15 | 0 | -0,3 | 1,65 | 0 | -0,15 | 0,7 | 0 | -0,1 | 3 |
| 19 | 21,5 | 18 | 0 | -0,3 | 1,65 | 0 | -0,15 | 0,7 | 0 | -0,1 | 3 |
| 22 | 25,1 | 20,8 | 0 | -0,4 | 2 | 0 | -0,15 | 0,7 | 0 | -0,1 | 3 |
| 24 | 27 | 22,7 | 0 | -0,4 | 2 | 0 | -0,15 | 0,7 | 0 | -0,1 | 3 |
| 26 | 29,2 | 24,9 | 0 | -0,4 | 2 | 0 | -0,15 | 0,7 | 0 | -0,1 | 3 |
| 28 | 30,8 | 26,4 | 0 | -0,4 | 2,05 | 0 | -0,15 | 0,85 | 0 | -0,1 | 3 |
| a Các kích thước được cho đối với D2 và g áp dụng cho các vòng hãm đàn hồi đã lắp. Nên lắp ghép các vòng trong các rãnh không có khe hở hướng tâm và vì vậy chúng bị nong rộng một chút ở trạng thái lắp. | |||||||||||
Phụ lục C
(Tham khảo)
Vật liệu của vòng hãm đàn hồi
Các vòng hãm đàn hồi nên được chế tạo bằng thép lò xo có độ cứng 450HV đến 520 HV
Phụ lục D
(Tham khảo)
Ví dụ về ứng dụng
Kết cấu chính được giới thiệu trên Hình D.1
Khi các thân hộp cần được lắp có khe hở hướng tâm và vòng hãm đàn hồi tiếp xúc với thân hộp và ổ lăn theo chiều trục thì nên có khe hở giữa các chi tiết của thân hộp. Cũng nên có khe hở giữa đường kính ngoài của vòng hãm đàn hồi và lỗ thân hộp theo chiều hướng tâm.

Hình D.1 - Ví dụ về ứng dụng của một ổ lăn có lắp một vòng hãm đàn hồi để định vị
Phụ lục E
(Tham khảo)
Ví dụ về các chỉ dẫn trên bản vẽ cho các đặc tính với yêu cầu kỹ thuật cho rãnh lắp vòng hãm đàn hồi
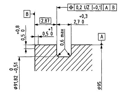
Hình E.1 giới thiệu một ví dụ về các chỉ dẫn trên bản vẽ của các đặc tính được cho trong tiêu chuẩn này.

CHÚ THÍCH: Các kích thước (không có tỷ lệ) và các giá trị dung sai tương đương với một ổ bi đỡ theo loạt kích thước 10, đường kính lỗ 60 mm và đường kính ngoài 95 mm.
Hình E.1 - Ví dụ về một bản vẽ
Thư mục tài liệu tham khảo
[1] TCVN 8033:2017 (ISO 15:2017), Ổ lăn - Ổ lăn đỡ - Kích thước bao, bản vẽ chung.
[2] ISO 1132-2, Rolling bearings - Tolerances - Part 2: Measuring and gauging principles and methods (Ổ lăn - Dung sai - Phần 2: Các nguyên tắc và qui tắc đo và hiệu chuẩn)
[3] ISO 8015, Geometrical product specifications (GPS) - Fundamentals - Concepts, principles and rules (Đặc tính hình học của sản phẩm (GPS) - Những vấn đề cơ bản - Các khái niệm, nguyên tắc và qui tắc)
[4] ISO 8443, Rolling bearings - Radial ball bearings with flanged outer ring - Flange dimensions (Ổ lăn - Ổ đỡ với vòng ngoài có gờ - Kích thước của gờ)
[5] ISO 14253-1, Geometrical product specifications (GPS) - Inspection by measurement of workpieces and measuring equipment - Part 1: Decision rules for proving conformity or nonconformity with specifications (Đặc tính hình học của sản phẩm (GPS) - Kiểm tra bằng đo chi tiết gia công và thiết bị đo - Phần 1: Qui tắc chính xác để chứng minh sự phù hợp hoặc không phù hợp với điều kiện kỹ thuật)
[6] ISO 14253-2, Geometrical product specifications (GPS) - Inspection by measurement of workpieces and measuring equipment - Part 2: Guidance for the estimation of uncertainty in GPS measurement, in calibration of measuring equipment and in product verification (Đặc tính hình học của sản phẩm (GPS) - Kiểm tra bằng đo chi tiết gia công và thiết bị đo - Phần 2: Hướng dẫn đánh giá độ không ổn định đo GPS, hiệu chuẩn thiết bị đo và kiểm tra sản phẩm)
[7] ISO 14638, Geometrical product specifications (GPS) - Matrix model (Đặc tính hình học của sản phẩm (GPS) - Mô hình ma trận).
Bạn chưa Đăng nhập thành viên.
Đây là tiện ích dành cho tài khoản thành viên. Vui lòng Đăng nhập để xem chi tiết. Nếu chưa có tài khoản, vui lòng Đăng ký tại đây!