- Tổng quan
- Nội dung
- VB gốc
- Tiếng Anh
- Hiệu lực
- VB liên quan
- Lược đồ
-
Nội dung hợp nhất
Tính năng này chỉ có tại LuatVietnam.vn. Nội dung hợp nhất tổng hợp lại tất cả các quy định còn hiệu lực của văn bản gốc và các văn bản sửa đổi, bổ sung, đính chính... trên một trang. Việc hợp nhất văn bản gốc và những văn bản, Thông tư, Nghị định hướng dẫn khác không làm thay đổi thứ tự điều khoản, nội dung.
Khách hàng chỉ cần xem Nội dung hợp nhất là có thể nắm bắt toàn bộ quy định hiện hành đang áp dụng, cho dù văn bản gốc đã qua nhiều lần chỉnh sửa, bổ sung.
- Tải về
Thông tư 01/2013/TT-BTTTT về ban hành Quy chuẩn kỹ thuật quốc gia
| Cơ quan ban hành: | Bộ Thông tin và Truyền thông |
Số công báo:
Số công báo là mã số ấn phẩm được đăng chính thức trên ấn phẩm thông tin của Nhà nước. Mã số này do Chính phủ thống nhất quản lý.
|
Đã biết
|
| Số hiệu: | 01/2013/TT-BTTTT | Ngày đăng công báo: |
Đã biết
|
| Loại văn bản: | Thông tư | Người ký: | Nguyễn Bắc Son |
|
Ngày ban hành:
Ngày ban hành là ngày, tháng, năm văn bản được thông qua hoặc ký ban hành.
|
10/01/2013 |
Ngày hết hiệu lực:
Ngày hết hiệu lực là ngày, tháng, năm văn bản chính thức không còn hiệu lực (áp dụng).
|
Đang cập nhật |
|
Áp dụng:
Ngày áp dụng là ngày, tháng, năm văn bản chính thức có hiệu lực (áp dụng).
|
Đã biết
|
Tình trạng hiệu lực:
Cho biết trạng thái hiệu lực của văn bản đang tra cứu: Chưa áp dụng, Còn hiệu lực, Hết hiệu lực, Hết hiệu lực 1 phần; Đã sửa đổi, Đính chính hay Không còn phù hợp,...
|
Đã biết
|
| Lĩnh vực: | Thông tin-Truyền thông |
TÓM TẮT THÔNG TƯ 01/2013/TT-BTTTT
Nội dung tóm tắt đang được cập nhật, Quý khách vui lòng quay lại sau!
|
BỘ THÔNG TIN VÀ Số: 01/2013/TT-BTTTT |
CỘNG HÒA XÃ HỘI CHỦ NGHĨA VIỆT NAM Hà Nội, ngày 10 tháng 01 năm 2013 |
THÔNG TƯ
BAN HÀNH QUY CHUẨN KỸ THUẬT QUỐC GIA
Căn cứ Luật Tiêu chuẩn và Quy chuẩn kỹ thuật ngày 29 tháng 6 năm 2006;
Căn cứ Luật Viễn thông ngày 23 tháng 11 năm 2009;
Căn cứ Luật Tần số Vô tuyến điện ngày 23 tháng 11 năm 2009;
Căn cứ Nghị định số 127/2007/NĐ-CP ngày 01 tháng 8 năm 2007 của Chính phủ quy định chi tiết và hướng dẫn thi hành một số điều của Luật Tiêu chuẩn và Quy chuẩn kỹ thuật;
Căn cứ Nghị định số 187/2007/NĐ-CP ngày 25 tháng 12 năm 2007 của Chính phủ quy định chức năng, nhiệm vụ, quyền hạn và cơ cấu tổ chức của Bộ Thông tin và Truyền thông và Nghị định số 50/2011/NĐ-CP ngày 24 tháng 6 năm 2011 sửa đổi Nghị định số 187/2007/NĐ-CP ngày 25 tháng 12 tháng 2007;
Theo đề nghị của Vụ trưởng Vụ Khoa học và Công nghệ;
Bộ trưởng Bộ Thông tin và Truyền thông ban hành Quy chuẩn kỹ thuật quốc gia,
Điều 1. Ban hành kèm theo Thông tư này 04 Quy chuẩn kỹ thuật quốc gia sau:
1. Quy chuẩn kỹ thuật quốc gia về thiết bị truy nhập vô tuyến băng tần 5 GHz
Ký hiệu QCVN 65:2013/BTTTT
2. Quy chuẩn kỹ thuật quốc gia về thiết bị lặp thông tin di động W-CDMA FDD
Ký hiệu QCVN 66:2013/BTTTT
3. Quy chuẩn kỹ thuật quốc gia về thiết bị trạm mặt đất inmarsat F77
Ký hiệu QCVN 67:2013/BTTTT
4. Quy chuẩn kỹ thuật quốc gia về thiết bị trong hệ thống nhận dạng tự động AIS sử dụng trên tàu biển
Ký hiệu QCVN 68: 2013/BTTTT
Điều 2. Thông tư này có hiệu lực thi hành kể từ ngày 15 tháng 6 năm 2013.
Điều 3. Chánh Văn phòng, Vụ trưởng Vụ Khoa học và Công nghệ, Thủ trưởng các cơ quan, đơn vị, đơn vị thuộc Bộ Thông tin và Truyền thông, Giám đốc Sở Thông tin và Truyền thông các tỉnh, thành phố trực thuộc Trung ương và các tổ chức, cá nhân có liên quan chịu trách nhiệm thi hành Thông tư này./.
|
Nơi nhận: |
BỘ TRƯỞNG |
QCVN 65: 2013/BTTTT
QUY CHUẨN KỸ THUẬT QUỐC GIA
VỀ THIẾT BỊ TRUY NHẬP VÔ TUYẾN BĂNG TẦN 5 GHz
National technical regulation on radio access equipment operating in the 5 GHz band
Lời nói đầu
Các quy định kỹ thuật và phương pháp thử của QCVN 65:2013/BTTTT được xây dựng trên cơ sở tiêu chuẩn ETSI EN 301 893 V1.3.1 (2005-08) của Viện Tiêu chuẩn Viễn thông Châu Âu (ETSI).
QCVN 65:2013/BTTTT do Cục Viễn thông biên soạn, Vụ Khoa học và Công nghệ trình duyệt và được ban hành kèm theo Thông tư số 01/2013/TT-BTTTT ngày 10 tháng 01 năm 2013 của Bộ trưởng Bộ Thông tin và Truyền thông.
MỤC LỤC
1. Quy định chung
1.1. Phạm vi điều chỉnh
1.2. Đối tượng áp dụng
1.3. Tài liệu viện dẫn
1.4. Giải thích từ ngữ
1.5. Ký hiệu
1.6. Chữ viết tắt
2. Quy định kỹ thuật
2.1. Điều kiện môi trường
2.2. Các yêu cầu kỹ thuật đối với máy phát
2.2.1. Tần số sóng mang
2.2.2. Công suất phát RF
2.2.3. Mật độ công suất
2.2.4. Các phát xạ không mong muốn ngoài băng tần 5 GHz
2.2.5. Các phát xạ không mong muốn trong băng tần 5 GHz
2.3. Các yêu cầu đối với phát xạ giả của máy thu
2.3.1. Định nghĩa
2.3.2. Giới hạn
2.3.3. Đo kiểm
3. Phương pháp đo
3.1. Các điều kiện đo kiểm
3.1.1. Các điều kiện đo bình thường và tới hạn
3.1.2. Các chuỗi đo thử
3.1.3. Các tần số đo kiểm
3.1.4. Đặc trưng của thiết bị
3.2. Đánh giá các kết quả đo kiểm
3.3. Đo kiểm các thông số chính
3.3.1. Thông tin sản phẩm
3.3.2. Tần số sóng mang
3.3.3. Công suất phát RF
3.3.4. Mật độ công suất
3.3.5. Các phát xạ không mong muốn ngoài băng 5 GHz
3.3.6. Các phát xạ không mong muốn trong băng tần 5 GHz
3.3.7. Phát xạ giả của máy thu
4. Quy định về quản lý
5. Trách nhiệm của tổ chức, cá nhân
6. Tổ chức thực hiện
Phụ lục A (Quy định) Vị trí đo kiểm và các phép đo bức xạ
Phụ lục B (Quy định) Mô tả tổng quan phép đo
THƯ MỤC TÀI LIỆU THAM KHẢO
QUY CHUẨN KỸ THUẬT QUỐC GIA
VỀ THIẾT BỊ TRUY NHẬP VÔ TUYẾN BĂNG TẦN 5 GHz
National technical regulation on radio access equipment operating in the 5 GHz band
1. Quy định chung
1.1. Phạm vi điều chỉnh
Quy chuẩn kỹ thuật quốc gia này áp dụng cho các thiết bị truy nhập vô tuyến hoạt động ở dải tần số 5150 MHz đến 5350 MHz, 5470 MHz đến 5725 MHz và 5725 MHz đến 5850 MHz.
Các yêu cầu kỹ thuật của Quy chuẩn này nhằm đảm bảo thiết bị vô tuyến sử dụng có hiệu quả phổ tần số vô tuyến được phân bổ cho thông tin mặt đất/vệ tinh và nguồn tài nguyên quỹ đạo để tránh nhiễu có hại giữa các hệ thống thông tin đặt trong vũ trụ và mặt đất và các hệ thống kỹ thuật khác.
1.2. Đối tượng áp dụng
Quy chuẩn này áp dụng đối với các tổ chức, cá nhân nhập khẩu, sản xuất và khai thác thiết bị truy nhập vô tuyến băng tần 5 GHz.
1.3. Tài liệu viện dẫn
[1] Thông tư số 36/2009/TT-BTTTT ngày 03 tháng 12 năm 2009 của Bộ trưởng Bộ Thông tin và Truyền thông “Quy định về điều kiện kỹ thuật và khai thác đối với thiết bị vô tuyến điện cự ly ngắn được sử dụng có điều kiện”;
[2] ETSI TR 100 028-1: "Electromagnetic compatibility and Radio spectrum Matters (ERM); Uncertainties in the measurement of mobile radio equipment characteristics; Part 1" (Những vấn đề về phổ tần số vô tuyến và tương thích điện từ trường; Độ không đảm bảo đo các đặc tính của thiết bị vô tuyến di động; Phần 1).
[3] ETSI TR 100 028-2: "Electromagnetic compatibility and Radio spectrum Matters (ERM); Uncertainties in the measurement of mobile radio equipment characteristics; Part 2" (Những vấn đề về phổ tần số vô tuyến và tương thích điện từ trường; Độ không đảm bảo đo các đặc tính của thiết bị vô tuyến di động; Phần 2).
1.4. Giải thích từ ngữ
1.4.1. Băng tần 5 GHz (5 GHz band)
Băng tần số bao gồm 3 dải tần con là: 5150 MHz đến 5350 MHz, 5470 MHz đến 5725 MHz và 5725 MHz đến 5850 MHz.
1.4.2. Cụm (burst)
Khoảng thời gian các sóng vô tuyến truyền có chủ định, có thứ tự và liên tiếp.
1.4.3. Thiết bị kết hợp (combined equipment)
Bất kỳ sự kết hợp của thiết bị không vô tuyến đều phải có thiết bị vô tuyến gắn thêm để cung cấp đầy đủ các chức năng.
1.4.4. Điều kiện môi trường (environmental profile)
Các điều kiện môi trường hoạt động mà thiết bị trong phạm vi của Quy chuẩn này buộc phải tuân thủ.
1.4.5. Thiết bị chủ (host equipment)
Một thiết bị có thể đáp ứng được toàn bộ các chức năng của người sử dụng khi không được kết nối với phần thiết bị vô tuyến và phần thiết bị vô tuyến này cung cấp các chức năng phụ trợ.
1.4.6. Anten tích hợp (integral antenna)
Anten được thiết kế gắn với thiết bị mà không sử dụng đầu nối chuẩn và được coi như một phần của thiết bị.
1.4.7. Chế độ chủ (master mode)
Chế độ chủ là chế độ trong đó một thiết bị truy nhập sử dụng chức năng phát hiện nhiễu Rada và điều khiển các quá trình truyền của các thiết bị truy nhập khác làm việc ở chế độ tớ.
1.4.8. Thiết bị đa vô tuyến (multi-radio equipment)
Thiết bị vô tuyến, thiết bị chủ hoặc thiết bị kết hợp sử dụng nhiều hơn một máy thu phát vô tuyến.
1.4.9. Phát xạ ngoài băng (out-of-band emission)
Phát xạ ở một tần số hoặc các tần số ngoài băng thông cần thiết do quá trình điều chế gây ra, nhưng không phải là phát xạ giả.
1.4.10. Thiết bị vô tuyến gắn thêm (plug-in radio device)
Thiết bị vô tuyến gắn thêm là thiết bị được sử dụng với nhiều loại hệ thống thiết bị chủ, sử dụng các chức năng điều khiển và nguồn cung cấp của thiết bị chủ.
1.4.11. Chế độ tớ (slave mode)
Chế độ tớ là chế độ hoạt động của thiết bị truy nhập này được điều khiển bởi một thiết bị truy nhập khác làm việc ở chế độ chủ.
1.4.12. Phát xạ giả (spurious emission)
Phát xạ trên một tần số hoặc nhiều tần số ngoài băng thông cần thiết và có thể giảm mức bức xạ này mà hoàn toàn không ảnh hưởng đến chất lượng truyền tin.
Phát xạ giả bao gồm phát xạ hài, phát xạ ký sinh, các kết quả của quá trình xuyên điều chế hoặc chuyển đổi tần số, nhưng không phải là phát xạ ngoài băng.
1.4.13. Phát xạ không mong muốn (unwanted emission)
Bao gồm phát xạ giả và phát xạ ngoài băng.
1.5. Ký hiệu
A Công suất đo được ở đầu ra
D Mật độ công suất đo được
dBm dB tương ứng với 1 milliwatt công suất
dBW dB tương ứng với 1 watt công suất
E Cường độ trường
E0 Cường độ trường tham chiếu
fc Tần số sóng mang
G Độ tăng ích của anten
PH EIRP được tính tại mức công suất lớn nhất
PD Mật độ công suất tính được
R Khoảng cách
R0 Khoảng cách tham chiếu
x Chu kỳ làm việc quan sát được
1.6. Chữ viết tắt
CW Sóng liên tục (tín hiệu chưa điều chế)
EIRP Công suất bức xạ đẳng hướng tương đương
EMC Tương thích điện từ trường
ERP Công suất bức xạ hiệu dụng
ISM Công nghiệp, Khoa học và Y tế
LV Điện áp thấp
Ppm Một phần triệu
PRF Tần số lặp xung
R&TTE Thiết bị đầu cuối vô tuyến và viễn thông
RE Thiết bị vô tuyến
RF Tần số vô tuyến
RLAN Mạng LAN vô tuyến
Tx Máy phát
UUT Thiết bị cần đo
2. Quy định kỹ thuật
2.1. Điều kiện môi trường
Các yêu cầu kỹ thuật của Quy chuẩn này áp dụng trong điều kiện môi trường hoạt động của thiết bị theo công bố của nhà sản xuất. Thiết bị phải luôn tuân thủ mọi yêu cầu kỹ thuật của quy chuẩn này khi hoạt động trong các giới hạn biên của điều kiện môi trường hoạt động đã công bố.
2.2. Các yêu cầu kỹ thuật đối với máy phát
2.2.1. Tần số sóng mang
2.2.1.1. Định nghĩa
Là các tần số sóng mang trung tâm của từng ứng dụng cụ thể tương ứng với các tần số sóng mang danh định fc của thiết bị mà nhà sản xuất đã công bố (xem Bảng 1).
Bảng 1. Phân chia tần số sóng mang danh định
|
Tần số sóng mang trung tâm fc |
||
|
5180 MHz 5200 MHz 5220 MHz 5240 MHz 5260 MHz 5280 MHz 5300 MHz 5320 MHz |
5500 MHz 5520 MHz 5540 MHz 5560 MHz 5580 MHz 5600 MHz 5620 MHz 5640 MHz |
5660 MHz 5680 MHz 5700 MHz 5745 MHz 5765 MHz 5785 MHz 5805 MHz 5825 MHz |
2.2.1.2. Giới hạn
Tần số sóng mang trung tâm của bất kỳ kênh nào được cho trong Bảng 1 cũng nằm trong khoảng fc ± 20 ppm.
2.2.1.3. Đo kiểm
Sử dụng các phép đo kiểm mô tả trong 3.3.2.
2.2.2. Công suất phát RF
2.2.2.1. Định nghĩa
Là công suất bức xạ đẳng hướng tương đương trung bình (EIRP) trong thời gian phát cụm.
2.2.2.2. Giới hạn
Công suất phát RF khi định cấu hình để thiết bị hoạt động ở mức công suất phát lớn nhất sẽ không được vượt quá giá trị giới hạn do nhà sản xuất công bố (xem Bảng 2).
Giới hạn này áp dụng cho các tổ hợp giữa mức công suất bức xạ và anten sử dụng.
2.2.2.3. Đo kiểm
Sử dụng các phép đo kiểm mô tả trong 3.3.3.
2.2.3. Mật độ công suất
2.2.3.1. Định nghĩa
Là mật độ công suất bức xạ đẳng hướng tương đương trung bình (EIRP) trong suốt quá trình phát cụm.
2.2.3.2. Giới hạn
Mật độ công suất khi định cấu hình để thiết bị hoạt động ở mức công suất lớn nhất sẽ không được vượt quá giá trị giới hạn do nhà sản xuất công bố (xem Bảng 2).
Bảng 2. Giới hạn EIRP trung bình đối với công suất phát RF và mật độ công suất
|
Dải tần |
EIRP trung bình |
Mật độ EIRP trung bình |
|
5150 MHz đến 5350 MHz 5470 MHz đến 5725 MHz 5725 MHz đến 5850 MHz |
23 dBm 30 dBm (xem chú thích) 30 dBm (xem chú thích) |
10 dBm/MHz 17 dBm/MHz (xem chú thích) 17 dBm/MHz (xem chú thích) |
|
CHÚ THÍCH: Đối với các thiết bị tớ không có chức năng phát hiện nhiễu Rada thì EIRP trung bình nhỏ hơn 23 dBm và mật độ EIRP trung bình nhỏ hơn 10 dBm/MHz. |
||
2.2.3.3. Đo kiểm
Sử dụng các phép đo kiểm mô tả trong 3.3.4.
2.2.4. Các phát xạ không mong muốn ngoài băng tần 5 GHz
2.2.4.1. Định nghĩa
Các phát xạ có tần số nằm ngoài băng tần 5 GHz.
2.2.4.2. Giới hạn
Mức phát xạ không mong muốn không được vượt quá các giới hạn cho trong Bảng 3.
Bảng 3. Các giới hạn phát xạ không mong muốn ngoài băng tần 5 GHz
|
Dải tần số |
ERP tối đa |
Băng thông đo |
|
30 MHZ tới 47 MHz 47 MHz tới 74 MHz 74 MHz tới 87,5 MHz 87,5 MHz tới 118 MHz 118 MHz tới 174 MHz 174 MHz tới 230 MHz 230 MHz tới 470 MHz 470 MHz tới 862 MHz 862 MHz tới 1 GHz 1 GHz tới 5,15 GHz 5,35 GHz tới 5,47 GHz 5,850 GHz tới 26,5 GHz |
-36 dBm -54 dBm -36 dBm -54 dBm -36 dBm -54 dBm -36 dBm -54 dBm -36 dBm -30 dBm -30 dBm -30 dBm |
100 kHz 100 kHz 100 kHz 100 kHz 100 kHz 100 kHz 100 kHz 100 kHz 100 kHz 1 MHz 1 MHz 1 MHz |
2.2.4.3. Đo kiểm
Sử dụng các phép đo kiểm mô tả trong 3.3.5.
2.2.5. Các phát xạ không mong muốn trong băng tần 5 GHz
2.2.5.1. Định nghĩa
Các phát xạ có tần số nằm trong băng tần 5 GHz.
2.2.5.2. Giới hạn
Mức phổ phát trung bình trong phạm vi băng tần 5 GHz không được vượt quá ngưỡng trong Hình 1.

Hình 1. Mặt nạ công suất phổ phát
CHÚ THÍCH: dBc là mật độ phổ liên quan tới mật độ công suất phổ phát cực đại của tín hiệu truyền.
2.2.5.3. Đo kiểm
Sử dụng các phép đo kiểm mô tả trong 3.3.6.
2.3. Các yêu cầu đối với phát xạ giả của máy thu
2.3.1. Định nghĩa
Phát xạ giả của máy thu là phát xạ ở một vài tần số khi thiết bị đang ở chế độ thu.
2.3.2. Giới hạn
Phát xạ giả của máy thu không được vượt quá giới hạn cho trong Bảng 4.
Bảng 4. Giới hạn phát xạ giả của máy thu
|
Dải tần số |
Giới hạn |
Băng thông đo |
|
30 MHz đến 1 GHz |
-57 dBm |
100 kHz |
|
Trên 1 GHz đến 26,5 GHz |
-47 dBm |
1 MHz |
2.3.3. Đo kiểm
Sử dụng các phép đo kiểm mô tả trong 3.3.7.
3. Phương pháp đo
3.1. Các điều kiện đo kiểm
3.1.1. Các điều kiện đo bình thường và tới hạn
Các bài đo trong quy chuẩn này sẽ được thực hiện trong các điều kiện đo bình thường và tới hạn được công bố bởi nhà sản xuất.
3.1.2. Các chuỗi đo thử
Các bài đo trong quy chuẩn này được thực hiện thông qua việc sử dụng các chuỗi truyền dẫn đo thử. Các chuỗi này bao gồm các gói dữ liệu được phát đi đều đặn trong khoảng thời gian 2ms. Thời gian kiểm tra truyền dẫn được cố định theo chiều dài chuỗi đo thử và tối thiểu phải vượt qua 10% thời gian truyền dẫn trong mỗi chu kỳ. Khoảng thời gian tối thiểu này là đủ cho mục đích đo kiểm.
Cấu trúc tổng quát của chuỗi đo thử được biểu diễn trong Hình 2.

Hình 2. Cấu trúc tổng quát của các chuỗi truyền dẫn đo thử
3.1.3. Các tần số đo kiểm
Bảng 5 bao gồm các tần số đo kiểm thường được dùng trong nội dung đo kiểm
Bảng 5. Các tần số đo kiểm
|
Nội dung đo kiểm |
Các tần số sóng mang trung tâm để đo kiểm |
|||
|
Nội dung đo kiểm |
Dải tần số thấp 5150 MHz đến 5350 MHz |
Dải tần số cao 5470 MHz đến 5850 MHz |
||
|
Nội dung đo kiểm |
5150 MHz đến 5250 MHz |
5250 MHz đến 5350 MHz |
5470 MHz đến 5725 MHz |
5725 MHz đến 5850 MHz |
|
Tần số sóng mang, Công suất phát, Mật độ công suất, Phát xạ không mong muốn của máy phát, Phát xạ không mong muốn của máy thu |
5180 MHz |
5320 MHz |
5500 MHz, 5700 MHz |
5745 MHz, 5785 MHz, 5825 MHz |
CHÚ THÍCH: Đối với thiết bị không thể làm việc trên tất cả kênh tần số, các tần số đo kiểm thường được dùng sẽ là các tần số cao nhất và thấp nhất cho từng dải tần hoạt động mà nhà sản xuất đã công bố.
3.1.4. Đặc trưng của thiết bị
3.1.4.1. Anten riêng và anten tích hợp
Thiết bị có thể có hoặc là anten riêng hoặc là anten tích hợp. Các anten riêng là các anten được gắn từ bên ngoài vào thiết bị và được đánh giá chung với thiết bị trong quá trình đo kiểm.
3.1.4.2. Đo kiểm các thiết bị được kết nối tới thiết bị chủ và các thiết bị vô tuyến gắn thêm
Đối với thiết bị kết hợp và các khối vô tuyến được kết nối đến hoặc tích hợp với thiết bị chủ cho yêu cầu cung cấp chức năng vô tuyến, cho phép sử dụng các phép đo thay thế khác nhau. Khi sử dụng nhiều tổ hợp, việc đo kiểm không cần lặp lại đối với các tổ hợp khối vô tuyến và thiết bị chủ khác nhau nếu chúng giống nhau về cơ bản.
Khi sử dụng nhiều tổ hợp và các thiết bị kết hợp không giống nhau về cơ bản, một thiết bị kết hợp này phải được đo kiểm theo toàn bộ các yêu cầu kỹ thuật quy định trong quy chuẩn này và các thiết bị kết hợp khác chỉ đo kiểm các phát xạ giả bức xạ.
a) Sử dụng thiết bị chủ hoặc thiết bị gá lắp để đo kiểm thiết bị vô tuyến gắn thêm
Trường hợp khối vô tuyến là một thiết bị vô tuyến gắn thêm được dự định sử dụng trong nhiều bộ kết hợp khác nhau, cấu hình đo kiểm phù hợp bao gồm thiết bị gá lắp hoặc thiết bị chủ điển hình. Cấu hình này phải đại diện cho các loại tổ hợp mà thiết bị có thể sử dụng. Thiết bị gá lắp phải cho phép phần thiết bị vô tuyến được cấp nguồn và kích hoạt như khi được đấu nối tới hoặc đưa vào thiết bị chủ hoặc thiết bị kết hợp. Việc đo kiểm phải được thực hiện theo mọi yêu cầu kỹ thuật nêu trong quy chuẩn.
b) Đo kiểm thiết bị kết hợp
Phương án A: Phương pháp tổng quát cho các thiết bị kết hợp
Các thiết bị kết hợp hoặc tổ hợp các thiết bị vô tuyến gắn thêm với một loại thiết bị chủ cụ thể có thể được sử dụng để đo kiểm theo yêu cầu kỹ thuật trong quy chuẩn.
Phương án B: Sử dụng một thiết bị chủ với một thiết bị vô tuyến gắn thêm.
Một kết nối thiết bị vô tuyến gắn thêm và một loại thiết bị chủ cụ thể có thể được sử dụng để đo kiểm theo yêu cầu kỹ thuật trong quy chuẩn này.
Phương án C: Sử dụng một thiết bị kết hợp với một thiết bị vô tuyến gắn thêm
Thiết bị kết hợp có thể được sử dụng để đo kiểm theo mọi yêu cầu kỹ thuật trong quy chuẩn này. Đối với phát xạ giả bức xạ, các yêu cầu thích hợp nhất về hài của tiêu chuẩn EMC sẽ được áp dụng tới thiết bị không có sóng vô tuyến. Thiết bị vô tuyến gắn thêm đáp ứng các yêu cầu phát xạ giả bức xạ như đã nêu trong quy chuẩn.
Trường hợp thiết bị vô tuyến gắn thêm được tích hợp hoàn toàn và không thể làm việc độc lập, phát xạ giả bức xạ cho tổ hợp thiết bị phải được đo dùng cho tiêu chuẩn có hài thích hợp nhất với khối vô tuyến ở chế độ thu và/hoặc chế độ dự phòng. Với sóng vô tuyến ở chế độ phát, các yêu cầu phát xạ giả bức xạ của quy chuẩn phải được áp dụng.
Phương án D: Sử dụng một thiết bị kết hợp với một thiết bị đa vô tuyến.
Thiết bị đa vô tuyến có ít nhất một bộ phận vô tuyến trong phạm vi của quy chuẩn này được sử dụng để đo kiểm theo mọi yêu cầu kỹ thuật trong quy chuẩn. Các yêu cầu thêm vào và các giới hạn đối với thiết bị đa vô tuyến được trình bày trong các tiêu chuẩn sản phẩm liên quan hài vô tuyến có thể áp dụng trong các phần vô tuyến khác.
Khi đo phát xạ giả ở chế độ thu và/hoặc chế độ dự phòng, điều cần thiết là không có máy phát nào trong thiết bị kết hợp đang phát.
3.2. Đánh giá các kết quả đo kiểm
Đánh giá kết quả đo ghi trong báo cáo đo:
- Giá trị đo được liên quan đến giới hạn tương ứng sẽ được sử dụng để quyết định thiết bị có đáp ứng các yêu cầu trong quy chuẩn hay không;
- Các giá trị độ không đảm bảo đo trong mỗi lần đo đối với mỗi thông số phải được đưa vào trong báo cáo đo;
- Các giá trị ghi được của độ không đảm bảo đo trong mỗi lần đo phải bằng hoặc nhỏ hơn các giá trị trong Bảng 6;
Các tính toán độ không đảm bảo đo lấy theo tài liệu TR 100 028-1 và TR 100 028-2 với hệ số giãn nở (hệ số đường bao) k = 1,96 hoặc k = 2 (theo phân bố Gauss, trong trường hợp này các đặc tính phân bố có mức độ tin cậy tương ứng 95% và 95,45%).
Bảng 6. Các giá trị độ không đảm bảo đo lớn nhất
|
Thông số |
Giá trị |
|
Tần số RF Công suất dẫn RF Công suất bức xạ RF Các phát xạ giả dẫn Các phát xạ giả bức xạ Độ ẩm Nhiệt độ Thời gian |
±1 x 10-5 ±1,5dB ±6dB ±3dB ±6dB ±5% ±1oC ±10% |
3.3. Đo kiểm các thông số chính
3.3.1. Thông tin sản phẩm
Những thông tin sau đây sẽ được công bố bởi nhà sản xuất để thực hiện các bài đo kiểm:
a) Băng thông của kênh.
b) Các dải tần số hoạt động của thiết bị.
c) Mức công suất phát lớn nhất (hoặc mức EIRP lớn nhất với anten tích hợp của thiết bị).
d) Các điều kiện hoạt động bình thường và tới hạn (ví dụ: điện áp và nhiệt độ) cho phép của thiết bị.
e) Các chuỗi đo thử được sử dụng bởi UUT.
3.3.2. Tần số sóng mang
3.3.2.1. Các điều kiện đo kiểm
Quá trình đo kiểm sẽ được thực hiện trong điều kiện bình thường và tới hạn (xem 3.1.1). Tần số đo kiểm theo yêu cầu trong 3.1.3, UUT sẽ được cấu hình để hoạt động ở mức công suất phát RF bình thường.
Với các UUT có các đầu nối anten và sử dụng các anten ngoài, hoặc các UUT sử dụng anten tích hợp nhưng với một đầu nối anten tạm thời, phép đo dẫn sẽ được sử dụng.
Với các UUT sử dụng anten tích hợp và không sử dụng đầu nối anten tạm thời, phép đo bức xạ sẽ được sử dụng.
3.3.2.2. Các phương pháp đo kiểm
a) Phép đo dẫn
- Với các thiết bị hoạt động không điều chế
Phương pháp đo kiểm này đòi hỏi UUT có thể hoạt động được ở chế độ không có điều chế sóng mang.
UUT sẽ được nối đến máy đếm tần số và được hoạt động ở chế độ không điều chế. Kết quả được ghi lại trong báo cáo đo.
- Với các thiết bị hoạt động có điều chế
Phương pháp này để thay thế phương pháp ở trên trong trường hợp UUT không thể hoạt động ở chế độ không điều chế. UUT này sẽ được nối đến máy phân tích phổ.
Máy phân tích phổ sẽ được thiết lập để tối ưu độ chính xác tần số của thiết bị đo. Chế độ Max Hold sẽ được lựa chọn và tần số trung tâm sẽ được điều chỉnh đến tần số trung tâm của UUT.
Giá trị đỉnh của đường bao công suất sẽ được đo và ghi lại. Giá trị này sẽ được giảm xuống và điểm đánh dấu sẽ được di chuyển trong dải tần số dương và được gia tăng cho đến điểm giới hạn trên (tương ứng với tần số trung tâm) -10 dBc được đạt đến. Giá trị này sẽ được ghi lại như f1.
Điểm đánh dấu sau đó sẽ được di chuyển trong dải tần số âm cho đến khi điểm giới hạn dưới (tương ứng với tần số trung tâm) -10 dBc được đạt đến. Giá trị này sẽ được ghi lại như f2.
Tần số trung tâm được tính bởi công thức: (f1 + f2)/2.
b) Phép đo bức xạ
Sử dụng thiết lập bài đo như mô tả trong Phụ lục A với một máy phân tích phổ có độ chính xác cho phép gắn với anten đo thử (xem 3.2).
3.3.3. Công suất phát RF
3.3.3.1. Các điều kiện đo
Các yêu cầu đo kiểm trong 2.2.2 sẽ được kiểm tra ở các tần số sóng mang trung tâm theo 3.1.3.
Quá trình đo này sẽ được thực hiện ở chế độ hoạt động bình thường của thiết bị với tín hiệu đo thử (xem 3.1.2).
Với các UUT có đầu nối anten và sử dụng anten ngoài, hoặc các UUT sử dụng anten tích hợp nhưng có đầu nối anten tạm thời, sử dụng phép đo dẫn.
Với các UUT sử dụng anten tích hợp và không có đầu nối anten tạm thời, sử dụng phép đo bức xạ.
3.3.3.2. Các phương pháp đo
a) Phép đo dẫn
Phép đo này được thực hiện trong cả điều kiện bình thường và tới hạn (xem 3.1.1)
Bước 1:
- Sử dụng một bộ suy hao phù hợp, nối đầu ra của máy phát với một đi-ốt tách sóng;
- Đầu ra của đi-ốt tách sóng được nối tới kênh dọc của máy đo hiện sóng;
- Sự kết hợp của bộ tách sóng đi-ốt và máy đo hiện sóng có khả năng tái tạo một cách trung thực chu kỳ làm việc của tín hiệu ở đầu ra máy phát;
- Chu kỳ làm việc của máy phát quan sát được (Tx on/(Tx on + Tx off)) được ghi bằng biến x, (0 < x < 1) và được ghi lại trong báo cáo đo. Để kiểm tra, thiết bị phải làm việc với chu kỳ làm việc bằng hoặc lớn hơn 0,1.
Bước 2:
- Công suất ra trung bình của máy phát sẽ được xác định bằng cách sử dụng một máy đo công suất cao tần băng rộng đã được hiệu chuẩn có bộ tách sóng cặp nhiệt điện hoặc một thiết bị tương đương, với một chu kỳ kết hợp vượt quá chu kỳ lặp lại của máy phát 5 lần hoặc nhiều hơn. Giá trị quan sát được sẽ được ghi lại như “A” (dBm);
- Giá trị EIRP sẽ được tính toán từ công suất ngõ ra A nêu trên, chu kỳ làm việc quan sát được x và tăng ích của anten là G (dBi) theo công thức:
PH = A + G + 10log(1/x);
PH sẽ được ghi lại trong bảng báo cáo đo kiểm.
b) Phép đo bức xạ
Trong trường hợp đo độ phát xạ, việc sử dụng một vị trí đo kiểm như mô tả trong Phụ lục A và các thủ tục đo kiểm như trong Phụ lục B, công suất phát RF được xác định và ghi lại trong báo cáo đo.
3.3.4. Mật độ công suất
3.3.4.1. Các điều kiện đo
UUT sẽ được hoạt động như mô tả trong 3.1.1. Hơn nữa, cho mục đích đo kiểm, thời gian phát tối thiểu phải là 10µs.
Trong trường hợp đo bức xạ, sử dụng vị trí đo như mô tả ở Phụ lục A và các thủ tục đo như ở Phụ lục B, mật độ công suất phổ sẽ được đo và ghi lại trong báo cáo đo.
Trong trường hợp đo dẫn, cần nối máy phát với máy đo thông qua một bộ suy hao thích hợp, mật độ công suất được đo và ghi lại trong báo cáo đo.
Mật độ công suất được xác định bằng một máy phân tích phổ có băng thông thích hợp và máy đo công suất RF.
Nối máy đo công suất RF tới đầu ra trung tần của máy phân tích phổ và cân chỉnh giá trị đọc bằng cách sử dụng một nguồn tham chiếu, thí dụ như máy tạo tín hiệu.
CHÚ THÍCH: Mức ra trung tần IF của máy phân tích phổ có thể thấp hơn 20 dB hoặc hơn nữa so với mức vào của máy phân tích phổ. Trừ khi máy đo công suất có độ nhậy thu thích hợp, có thể phải cần đến một bộ khuếch đại băng rộng.
3.3.4.2. Các phương pháp đo
a) Phép đo dẫn
Thủ tục đo như sau:
Bước 1:
Quá trình thiết lập cấu hình đo phải được cân chỉnh với tín hiệu CW từ nguồn tín hiệu chuẩn, tín hiệu tham chiếu sẽ được thiết lập đến mức bằng giá trị giới hạn thích hợp đối với mật độ công suất eirp (giảm xuống bởi tăng ích của anten thích hợp lớn nhất) và ở tần số bằng với tần số trung tâm của kênh đang sử dụng đo kiểm;
Thiết lập các thông số của máy phân tích phổ như sau:
· Tần số trung tâm: bằng với tần số của nguồn tín hiệu;
· Độ phân giải băng thông: 1 MHz;
· Băng thông video: 1 MHz;
· Chế độ tách sóng: đỉnh xung dương;
· Mức trung bình: tắt;
· Khoảng cách đơn vị: 0 Hz;
· Mức tham chiếu: bằng với mức tín hiệu tham chiếu.
Bước 2:
Công suất của tín hiệu cân chỉnh sẽ được giảm xuống 10 dB và cần xác nhận rằng các giá trị đọc được trên máy đo công suất cũng giảm xuống 10 dB.
Bước 3:
- Đấu nối thiết bị cần đo. Sử dụng các thiết lập sau của máy phân tích phổ kết hợp với chức năng giữ đỉnh “max hold”, dò tìm tần số có công suất ra lớn nhất trong đường bao công suất:
· Tần số trung tâm: bằng với tần số làm việc;
· Độ phân giải băng thông: không thay đổi so với thiết lập ở bước 1;
· Băng thông video: không thay đổi so với thiết lập ở bước 1;
· Chế độ tách sóng: không thay đổi so với thiết lập ở bước 1;
· Mức trung bình: không thay đổi so với thiết lập ở bước 1;
· Khoảng cách đơn vị: 1,5 lần độ rộng phổ;
· Mức tham chiếu: không thay đổi so với thiết lập ở bước 1.
- Ghi lại tần số tìm được.
- Thiết lập tần số trung tâm của máy phân tích phổ bằng với tần số tìm được, khoảng cách đơn vị giảm xuống đến 1 MHz và tần số có công suất ra lớn nhất sẽ được dò tìm. Nếu tần số này khác với tần số ghi được trước đó, tần số mới sẽ được ghi lại.
Bước 4:
Thiết lập tần số trung tâm của máy phân tích phổ bằng với tần số tìm được và chuyển đến khoảng số 0 (zero span). Máy đo công suất sẽ chỉ thị mật độ công suất đo được (D). Giá trị trung bình của mật độ công suất EIRP được tính toán từ mật độ công suất đo được (D), chu kỳ làm việc quan sát được (x) và độ tăng ích của anten thích hợp “G” (dBi), theo công thức bên dưới. Nếu có nhiều hơn một tổ hợp anten cho thiết lập đo công suất này, anten có độ tăng ích lớn nhất sẽ được sử dụng.
PD = D + G + 10log(1/x);
PD sẽ được ghi lại trong báo cáo đo kiểm.
Thủ tục đo ở trên sẽ được lặp lại đối với mỗi tần số được xác định trong 3.1.3.
Nếu băng thông của máy phân tích phổ không tuân theo luật Gauss, phải xác định hệ số sửa lỗi thích hợp và áp dụng để tính.
Nếu máy phân tích phổ có thể đo được mật độ công suất, thì chức năng này có thể được sử dụng thay cho thủ tục trên.
b) Phép đo bức xạ
Trong trường hợp đo độ phát xạ, việc sử dụng một vị trí đo kiểm như mô tả trong Phụ lục A và các thủ tục đo kiểm như trong Phụ lục B, mật độ công suất được xác định và ghi lại trong báo cáo đo.
3.3.5. Các phát xạ không mong muốn ngoài băng 5 GHz:
3.3.5.1. Điều kiện đo
Các yêu cầu kỹ thuật trong phần giới hạn phải được kiểm tra trong các điều kiện hoạt động bình thường và ở các tần số sóng mang trung tâm được quy định trong 3.1.3. UUT sẽ được định cấu hình hoạt động ở mức công suất phát lớn nhất.
Với UUT không có anten tích hợp và với UUT có anten tích hợp nhưng với đầu nối anten tạm thời, một trong những lựa chọn sau phải được dùng:
- Mức của các phát xạ không mong muốn được đo như công suất của các phát xạ ngoài dải tần trên tải cho trước (phát xạ giả dẫn) và công suất phát xạ hiệu dụng của các bức xạ bởi tủ máy hoặc cấu trúc của thiết bị có đầu nối anten (bức xạ tủ máy). Hoặc là;
- Mức của các phát xạ không mong muốn được đo như công suất bức xạ hiệu dụng do bức xạ bởi tủ máy và anten.
Trong trường hợp UUT có anten tích hợp, nhưng không có đầu nối anten tạm thời, chỉ cần đo độ phát xạ.
3.3.5.2. Phương pháp đo
Phép đo dẫn
UUT được nối đến một máy phân tích phổ có khả năng đo công suất RF. Thủ tục đo kiểm như sau:
a) Máy phân tích phổ được thiết lập như sau:
· Độ nhạy: tối thiểu thấp hơn 6 dB so với giới hạn ghi trong Bảng 3;
· Băng thông video: 1 MHz;
· Chế độ video: giữ mức trung bình hoặc giữ giá trị cực đại.
Tín hiệu video của máy phân tích phổ sẽ được thiết lập mở cổng để phổ đo được giữa 4,0 µs trước khi bắt đầu cụm đến thời điểm 4,0 µs sau khi kết thúc cụm.
CHÚ THÍCH: “bắt đầu cụm” là điểm trung tâm của mẫu bít đầu tiên của cụm, “kết thúc cụm” là điểm trung tâm của mẫu bít cuối cùng của cụm.
Sự thiết lập mở cổng này là tương tự hoặc số, phụ thuộc vào thiết kế của máy phân tích phổ.
b) Mức công suất sẽ được đo trong các dải tần:
· 47 MHz đến 74 MHz;
· 87,5 MHz đến 118 MHz;
· 174 MHz đến 230 MHz;
· 470 MHz đến 862 MHz.
Với độ phân giải băng thông 1 MHz và ở chế độ quét tần số.
c) Nếu bất kỳ phép đo nào lớn hơn -54 dBm, các bài đo sẽ được thực hiện với độ phân giải băng thông 100 kHz, băng tần bộ lọc cố định, ở 11 tần số với khoảng cách tần số 100 kHz trong băng ± 0,5 MHz với tần số trung tâm là tần số sai này.
Ví dụ 1: Một UUT bị sai ở tần số 495 MHz. Các phép đo được thực hiện ở băng thông 100 kHz trong dãy băng tần từ 494,5 MHz; 494,6 MHz; 494,7 MHz... đến 495,5 MHz.
d) Mức công suất sẽ được đo trong dải tần:
· 25 MHz đến 47 MHz;
· 74 MHz đến 87,5 MHz;
· 118 MHz đến 174 MHz;
· 230 MHz đến 470 MHz;
· 862 MHz đến 1 GHz.
Với độ phân giải băng thông 1 MHz và ở chế độ quét tần số.
e) Nếu bất kỳ phép đo nào trong d) lớn hơn -36 dBm, các bài đo sẽ được thực hiện với độ phân giải băng thông 100 kHz, băng tần bộ lọc cố định, ở 11 tần số với khoảng cách tần số 100 kHz trong băng tần ± 0,5 MHz với tần số trung tâm là tần số sai này.
Ví dụ 2: Một UUT bị sai ở tần số 285 MHz. Các phép đo được thực hiện ở băng thông 100 kHz trong dãy băng tần từ 284,5 MHz; 284,6 MHz; 284,7 MHz;... đến 285,5 MHz.
f) Mức công suất sẽ được đo trong dải tần:
· 1 GHz đến 5,15 GHz;
· 5,850 GHz đến 26,5 GHz.
Với độ phân giải băng thông 1 MHz và ở chế độ quét tần số.
g) Mức công suất sẽ được đo trong dải tần:
· 5,35 GHz đến 5,47 GHz.
Với độ phân giải băng thông 1 MHz có băng tần bộ lọc cố định.
Phép đo bức xạ
Sử dụng thiết lập bài đo như mô tả trong Phụ lục A với một máy phân tích phổ có độ chính xác cho phép gắn với anten đo thử (xem 3.2).
3.3.6. Các phát xạ không mong muốn trong băng tần 5 GHz
3.3.6.1. Điều kiện đo
Các yêu cầu kỹ thuật trong phần giới hạn phải được kiểm tra trong các điều kiện hoạt động bình thường và ở các tần số sóng mang trung tâm được quy định trong 3.1.3. UUT sẽ được định cấu hình hoạt động ở mức công suất dẫn lớn nhất hoặc mức eirp lớn nhất trong trường hợp thiết bị có anten tích hợp.
Với UUT không có anten tích hợp và với UUT có anten tích hợp nhưng với đầu nối anten tạm thời, một trong những lựa chọn sau phải được dùng:
- Mức của các phát xạ không mong muốn được đo như công suất của các phát xạ trong dải tần trên tải cho trước (phát xạ giả dẫn) và công suất phát xạ hiệu dụng của các bức xạ bởi tủ máy hoặc cấu trúc của thiết bị có đầu nối anten (bức xạ tủ máy). Hoặc là;
- Mức của các phát xạ không mong muốn được đo như công suất bức xạ hiệu dụng do bức xạ bởi tủ máy và anten.
Trong trường hợp UUT có anten tích hợp, nhưng không có đầu nối anten tạm thời, chỉ cần đo độ phát xạ.
3.3.6.2. Các phương pháp đo
a) Phép đo dẫn
Máy phân tích phổ được thiết lập như sau:
· Độ phân giải băng thông: 1 MHz
· Băng thông video: 30 kHz
· Chế độ video: giữ mức trung bình.
Tín hiệu video của máy phân tích phổ sẽ được thiết lập mở cổng để phổ đo được giữa 4,0 µs trước khi bắt đầu cụm đến thời điểm 4,0 µs sau khi kết thúc cụm.
CHÚ THÍCH: “bắt đầu cụm” là điểm trung tâm của mẫu bít đầu tiên của cụm, “kết thúc cụm” là điểm trung tâm của mẫu bít cuối cùng của cụm.
Sự thiết lập mở cổng này là tương tự hoặc số, phụ thuộc vào thiết kế của máy phân tích phổ.
- Xác định mức công suất tham khảo trung bình:
Máy phân tích phổ sẽ được điều chỉnh đến các tần số đo mỗi 1 MHz từ (fc - 9 MHz) đến (fc + 9 MHz), ở chế độ băng tần bộ lọc cố định (zero scan). Công suất trung bình lớn nhất trong dải (fc - 9 MHz) đến (fc + 9 MHz) (trừ fc) là mức tham chiếu cho việc đo các mức công suất liên quan trong kênh tần với tần số trung tâm fc và được ghi lại để tính toán các mức công suất liên quan như mô tả dưới đây.
- Xác định các mức công suất trung bình liên quan:
Mức công suất sẽ được đo trong giới hạn tần số
· 5150 MHz đến 5350 MHz
· 5470 MHz đến 5725 MHz
· 5725 MHz đến 5850 MHz
Ngoại trừ khoảng tần số từ (fc - 9 MHz) đến (fc + 9 MHz) với độ phân giải băng thông 1 MHz và ở chế độ quét tần số. Giá trị trung bình của công suất liên quan đến mức công suất trung bình tham chiếu cho kênh tần này sẽ được chú thích.
b) Phép đo bức xạ
Sử dụng thiết lập bài đo như mô tả trong Phụ lục A với một máy phân tích phổ có độ chính xác cho phép gắn với anten đo thử (xem 3.2).
3.3.7. Phát xạ giả của máy thu
3.3.7.1. Điều kiện đo
Các yêu cầu đo kiểm phải được kiểm tra trong các điều kiện hoạt động bình thường, và ở các tần số sóng mang trung tâm được quy định trong 3.1.3.
Với UUT không có anten tích hợp và với UUT có anten tích hợp nhưng với đầu nối anten tạm thời, một trong những lựa chọn sau phải được dùng:
- Mức của các phát xạ không mong muốn được đo như công suất của các phát xạ giả máy thu trên tải cho trước (phát xạ giả dẫn) và công suất phát xạ hiệu dụng của các bức xạ bởi tủ máy hoặc cấu trúc của thiết bị có đầu nối anten (bức xạ tủ máy). Hoặc là;
- Mức của các phát xạ không mong muốn được đo như công suất bức xạ hiệu dụng do bức xạ bởi tủ máy và anten.
Trong trường hợp UUT có anten tích hợp, nhưng không có đầu nối anten tạm thời, chỉ cần đo độ phát xạ.
Chuỗi đo thử (xem 3.1.2) phải được áp dụng đầu vào máy thu tại mức độ nhạy tham chiếu theo tốc độ bit danh định.
3.3.7.2. Phương pháp đo
a) Phép đo dẫn
Sử dụng bộ ghép định hướng, vòng hoặc cổng để loại bỏ việc truyền dữ liệu kiểm tra (và/hoặc các phương tiện khác để cách ly thiết bị đo phát xạ với các tín hiệu dữ liệu kiểm tra được truyền) các phát xạ vô tuyến từ UUT phải được đo trong khi UUT nhận dữ liệu kiểm tra.
Máy phân tích phổ phải được thiết lập như sau:
· Chế độ quét tần số;
· Độ phân giải băng thông: 1 MHz hoặc 100 kHz;
· Băng thông video: 1 MHz;
· Chế độ video giữ trung bình, hoặc giữ đỉnh.
Điều chỉnh tần số trung tâm của máy phân tích phổ trên dải tần số đo kiểm trong Bảng 4, mức công suất của phát xạ ở máy thu UUT sẽ được đo trong suốt quá trình truyền dữ liệu kiểm tra. Nếu chế độ mở cổng được sử dụng để loại bỏ năng lượng không mong muốn từ quá trình truyền dữ liệu kiểm tra, sự điều chỉnh máy phân tích phổ sẽ không đổi trong suốt khoảng thời gian này.
b) Phép đo bức xạ
Sử dụng thiết lập bài đo như mô tả trong Phụ lục A với một máy phân tích phổ có độ chính xác cho phép gắn với anten đo thử (xem 3.2).
4. Quy định về quản lý
Các thiết bị truy nhập vô tuyến băng tần 5 GHz thuộc phạm vi điều chỉnh nêu tại điều 1.1 phải tuân thủ Quy chuẩn này.
5. Trách nhiệm của tổ chức, cá nhân
Các tổ chức, cá nhân liên quan có trách nhiệm thực hiện chứng nhận và công bố hợp quy các thiết bị truy nhập vô tuyến băng tần 5 GHz theo quy định về chứng nhận và công bố hợp quy đối với sản phẩm hàng hóa chuyên ngành công nghệ thông tin và truyền thông và chịu sự kiểm tra của cơ quan quản lý nhà nước theo các quy định hiện hành.
6. Tổ chức thực hiện
6.1. Cục Viễn thông và các Sở Thông tin và Truyền thông có trách nhiệm tổ chức hướng dẫn, triển khai quản lý các thiết bị truy nhập vô tuyến băng tần 5 GHz theo Quy chuẩn này.
6.2. Trong trường hợp các quy định nêu tại Quy chuẩn này có sự thay đổi, bổ sung hoặc được thay thế thì thực hiện theo quy định tại văn bản mới.
PHỤ LỤC A
(Quy định)
VỊ TRÍ ĐO KIỂM VÀ CÁC PHÉP ĐO BỨC XẠ
A.1. Vị trí đo kiểm
A.1.1. Vị trí đo ngoài trời
Thuật ngữ “ngoài trời” được hiểu theo quan điểm điện từ trường. Vị trí đo ngoài trời có thể thực sự là ở ngoài trời hoặc là vị trí đo thay thế với các tường và trần có tính chất trong suốt với các sóng vô tuyến ở các tần số quan tâm.
Một vị trí đo ngoài trời có thể được dùng để thực hiện các phép đo sử dụng phương pháp đo phát xạ mô tả trong 3.3. Các phép đo tuyệt đối và các phép đo tương đối có thể được thực hiện trên máy phát và máy thu. Các phép đo tuyệt đối về cường độ trường yêu cầu hiệu chuẩn tại vị trí đo.
Khoảng cách đo tối thiểu 3m được sử dụng để đo tần số đến 1 GHz. Đối với tần số lớn hơn 1 GHz, có thể sử dụng các khoảng cách đo bất kỳ phù hợp. Kích thước của thiết bị (không kể anten) phải nhỏ hơn 20% khoảng cách đo. Chiều cao của thiết bị hoặc của anten phụ phải là 1,5m; độ cao của anten đo (của máy phát hoặc máy thu) có thể thay đổi từ 1m đến 4m.
Cần chú ý để đảm bảo rằng các phản xạ từ các vật thể lân cận không làm suy giảm kết quả đo, cụ thể:
- Không có vật dẫn lạ có kích thước vượt quá một phần tư bước sóng của tần số đo cao nhất ở ngay gần vị trí đo;
- Các cáp dẫn phải càng ngắn càng tốt; các cáp được đặt trên mặt phẳng đất hoặc chôn bên dưới đất càng nhiều càng tốt; dùng các cáp trở kháng thấp.
Cấu hình đo được thể hiện trên Hình A.1.

1 - Thiết bị cần đo
2 - Anten đo
3 - Bộ lọc thông cao
4 - Máy phân tích phổ hoặc máy thu đo
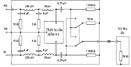
Hình A.1. Bố trí cấu hình đo
A.1.2. Phòng câm (phòng không phản xạ)
A.1.2.1. Tổng quan
Phòng câm là một phòng không chịu ảnh hưởng của điện từ trường từ môi trường xung quanh, được bọc kín bởi các vật liệu hấp thụ sóng vô tuyến và mô phỏng một môi trường không gian tự do. Đó là một môi trường thay thế để thực hiện các phép đo bức xạ đã nêu trong 3.3. Các phép đo tuyệt đối hoặc tương đối có thể được thực hiện trên các máy phát và máy thu. Các phép đo tuyệt đối cường độ trường yêu cầu sự cân chỉnh của phòng câm. Anten đo, thiết bị được kiểm tra và các anten phụ được sử dụng như đo kiểm tại vị trí đo kiểm ngoài trời, nhưng được bố trí ở cùng độ cao cố định trên sàn.
A.1.2.2. Mô tả
Một phòng câm phải đạt các yêu cầu về suy hao che chắn và suy hao phản xạ của tường được cho ở Hình A.2.

Hình A.2. Yêu cầu về che chắn và phản xạ
Hình A.3 chỉ ra một ví dụ xây dựng một phòng câm có nền 5m x 10m và cao 5m. Trần và các mặt tường được phủ vật liệu hấp thụ sóng vô tuyến ở dạng hình tháp nhọn cao xấp xỉ 1 m. Mặt nền được bao bọc bởi các vật liệu hấp thụ đặc biệt. Kích thước thật bên trong phòng là 3m x 8m x 3m, do vậy có thể đo được khoảng cách lớn nhất là 5m ở trục giữa của phòng này. Vật hấp thụ sàn loại bỏ các phản xạ từ sàn do đó độ cao anten không cần thay đổi. Các phòng câm có kích thước khác có thể được sử dụng.


Hình A.3. Phòng được bọc câm cho các phép đo mô phỏng không gian tự do
A.1.2.3. Ảnh hưởng của các phản xạ ký sinh
Đối với lan truyền trong không gian tự do ở trường xa, mối quan hệ của cường độ trường E và khoảng cách R được cho bởi: E = E0 x (R0/R), với E0 cường độ trường tham chiếu và R0 là khoảng cách tham chiếu. Mối quan hệ này cho phép thực hiện các phép đo tương đối do mọi hằng số đã được loại trừ trong tỷ số và suy hao cáp cũng như sự sai lệch anten hoặc kích thước anten đều không quan trọng.
Nếu lấy logarit của phương trình trên, có thể dễ dàng thấy được độ lệch khỏi đường cong lý tưởng vì sự tương quan lý tưởng giữa cường độ trường với cự ly và khoảng cách diễn ra theo một đường thẳng. Những độ lệch xuất hiện trên thực tế nhìn thấy rất rõ ràng. Phương pháp gián tiếp này chỉ ra nhanh chóng và dễ dàng bất cứ nguồn nhiễu nào gây ra do các phản xạ và nó dễ dàng hơn nhiều so với phương pháp đo trực tiếp các suy hao phản xạ.
Trong một phòng câm có kích thước như trên, tại tần số thấp hơn 100 MHz sẽ không có các điều kiện trường xa, nhưng sự phản xạ của các bức tường lại mạnh hơn, vì vậy phải cẩn thận khi cân chỉnh. Đối với dải tần số trung bình từ 100 MHz đến 1 GHz sự phụ thuộc của cường độ trường theo khoảng cách rất phù hợp với tính toán. Trên 1 GHz, do xuất hiện nhiều phản xạ, sự phụ thuộc của cường độ trường với khoảng cách sẽ không tương quan một cách chặt chẽ như vậy.
A.1.2.4. Sự cân chỉnh và chế độ sử dụng
Sự cân chỉnh và chế độ sử dụng giống như đối với phép đo tại vị trí đo kiểm ngoài trời, sự khác nhau chỉ là các anten đo không cần điều chỉnh nâng và hạ độ cao trong quá trình chọn giá trị lớn nhất, điều này sẽ đơn giản hóa phép đo.
A.2. Anten đo
Anten đo kiểm sử dụng để thu các bức xạ từ mẫu đo kiểm và anten phụ. Khi thực hiện các phép đo đặc tính của máy thu thì anten đo kiểm được sử dụng làm anten phát.
Anten này được gắn trên một trụ đỡ cho phép anten có thể được sử dụng theo phân cực dọc hoặc phân cực ngang, và độ cao của anten so với nền có thể thay đổi trong khoảng từ 1m đến 4m. Tốt nhất là sử dụng một anten đo kiểm có tính định hướng. Kích thước của anten đo kiểm đặt dọc theo các trục đo kiểm không được vượt quá 20% khoảng cách đo.
A.3. Anten phụ
Anten này được sử dụng để thay thế các thiết bị đo trong các phép đo thay thế. Đối với các phép đo ở tần số dưới 1 GHz, anten phụ là anten ngẫu cực cộng hưởng nửa bước sóng tại tần số quan tâm, hoặc là anten ngẫu cực thu ngắn, được cân chỉnh theo anten ngẫu cực nửa bước sóng. Đối với phép đo ở dải tần từ 1 GHz đến 4 GHz có thể sử dụng anten loa hoặc anten ngẫu cực nửa bước sóng. Đối với các phép đo ở tần số trên 4 GHz, sử dụng anten loa. Tâm của anten này phải trùng khớp với điểm chuẩn của mẫu thử mà nó thay thế. Điểm chuẩn này là tâm thể tích của mẫu thử khi anten của nó được lắp bên trong hộp máy, hoặc là điểm anten ngoài được nối đến hộp máy.
Khoảng cách giữa điểm thấp nhất của anten ngẫu cực với mặt đất ít nhất là 30cm.
CHÚ THÍCH: Tăng ích của anten loa được biểu diễn là giá trị tương đối so với phần tử bức xạ đẳng hướng.
PHỤ LỤC B
(Quy định)
MÔ TẢ TỔNG QUAN PHÉP ĐO
Phụ lục này đưa ra phương pháp tổng quát để đo các tín hiệu cao tần RF sử dụng các vị trí đo kiểm và bố trí đo như Phụ lục A.
B.1. Các phép đo dẫn
Phép đo này được áp dụng với thiết bị có đầu nối anten, bằng cách sử dụng một máy phân tích phổ.
B.2. Các phép đo bức xạ
Các phép đo bức xạ được thực hiện với sự hỗ trợ của anten đo và các thiết bị đo mô tả ở Phụ lục A. Anten đo và thiết bị đo phải được cân chỉnh theo thủ tục xác định trong phụ lục này. Thiết bị được đo và anten đo được định hướng để thu được mức công suất bức xạ lớn nhất. Vị trí này được ghi lại trong kết quả. Dải tần số được đo ở vị trí này.
Tốt nhất là các phép đo bức xạ được thực hiện trong phòng câm. Thủ tục đo được tiến hành như sau:
a) Sử dụng vị trí và cấu hình đo đáp ứng các yêu cầu trong dải tần của phép đo này. Anten đo kiểm được định hướng ban đầu là phân cực đứng trừ khi có các chỉ định khác và máy phát cần đo được đặt trên giá đỡ ở vị trí chuẩn của nó (mục A.1.1) và được bật lên;
b) Sử dụng vôn kế không chọn lọc hoặc máy phân tích phổ băng rộng để đo công suất trung bình. Đối với các phép đo khác dùng máy phân tích phổ hoặc vôn kế chọn lọc và điều chỉnh tới tần số đo.
Trong trường hợp a) hoặc b), anten đo được nâng lên hoặc hạ xuống nếu cần thiết, trong khoảng độ cao quy định cho tới khi thu được mức tín hiệu lớn nhất trên máy phân tích phổ hay vôn kế chọn lọc.
Anten đo không cần nâng lên hay hạ xuống nếu phép đo được thực hiện ở vị trí đo kiểm theo A.1.2.
c) Máy phát được xoay 3600 quanh trục thẳng đứng cho đến khi thu được tín hiệu lớn nhất;
d) Anten đo lại được điều chỉnh nâng lên hoặc hạ xuống trong khoảng độ cao quy định cho tới khi thu được mức tín hiệu lớn nhất. Ghi lại giá trị này.
CHÚ THÍCH: Giá trị lớn nhất ghi được này có thể nhỏ hơn các giá trị thu được ở các độ cao bên ngoài giới hạn quy định.
Anten đo không cần nâng lên hay hạ xuống nếu phép đo được thực hiện ở vị trí đo kiểm theo A.1.2.
Phép đo này được lặp lại đối với phân cực ngang.

1 - Thiết bị cần đo
2 - Anten đo
3 - Máy phân tích phổ hoặc máy thu đo
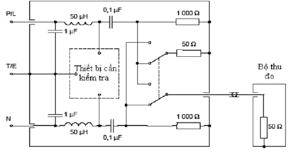
Hình B.1. Bố trí phép đo 1
B.3. Phép đo thay thế
Tín hiệu thực tạo ra từ thiết bị được đo có thể được xác định bằng cách dùng phép đo thay thế, trong đó một nguồn tín hiệu đã biết thay thế cho thiết bị được đo, xem Hình B.2.
Tốt nhất là phép đo thay thế này được thực hiện trong phòng câm. Đối với các vị trí đo khác, có thể cần thiết phải hiệu chỉnh, xem Phụ lục A.

1 - Anten phụ
2 - Anten đo
3 - Máy phân tích phổ hoặc vôn kế chọn lọc
4 - Bộ tạo tín hiệu
Hình B.2. Bố trí phép đo 2
a) Sử dụng bố trí phép đo số 2, anten phụ sẽ thay thế cho anten máy phát ở cùng vị trí và cùng phân cực đứng. Tần số của bộ tạo tín hiệu được điều chỉnh tới tần số đo. Anten đo được điều chỉnh nâng lên hay hạ xuống để đảm bảo rằng vẫn thu được tín hiệu lớn nhất. Mức tín hiệu vào của anten phụ được điều chỉnh cho đến khi ngang bằng hoặc theo tương quan đã biết với mức đã phát hiện từ máy phát nhận được trên máy thu đo;
- Anten đo không cần nâng lên hay hạ xuống nếu phép đo được thực hiện ở vị trí đo kiểm theo A.1.2.
- Công suất bức xạ bằng với công suất tạo ra bởi bộ tạo tín hiệu, tăng lên số lần theo mức tương quan đã biết và sau các hiệu chỉnh do tăng ích của anten phụ và suy hao cáp giữa bộ tạo tín hiệu và anten phụ;
b) Phép đo này được lặp lại với phân cực ngang.
THƯ MỤC TÀI LIỆU THAM KHẢO
[1] Directive 1999/5/EC of the European Parliament and of the Council of 9 March 1999 on radio equipment and telecommunications terminal equipment and the mutual recognition of their conformity (R&TTE Directive).
[2] FCC PART 15.247: Code of Federal Regulations (USA), Title 47 Telecommunications, Chapter 1 Federal Communications Commission, Part 15 Radio Frequency Devices, Subpart C - Intentional Radiators, §15.247 Operation within the bands 902 - 928 MHz, 2400 - 2483.5 MHz, and 5725 - 5850 MHz.
[3] FCC PART 15.407: Code of Federal Regulations (USA), Title 47 Telecommunications, Chapter 1 Federal Communications Commission, Part 15 Radio Frequency Devices, Subpart E - Unlicensed National Information Infrastructure Devices, §15.407 General technical requirements.
[4] CISPR 16-1: "Specification for radio disturbance and immunity measuring apparatus and methods - Part 1: Radio disturbance and immunity measuring apparatus".
[5] ECC/DEC(04)08: "ECC Decision of 12 November 2004 on the harmonised use of the 5 GHz frequency bands for the implementation of Wireless Access Systems including Radio Local Area Networks (WAS/RLANs)".
[6] ETSI EN 301 489: "Electromagnetic compatibility and Radio spectrum Matters (ERM); ElectroMagnetic Compatibility (EMC) standard for radio equipment and services".
[7] ITU-R M.1652: Dynamic frequency selection (DFS) in wireless access systems including radio local area networks for the purpose of protecting the radiodetermination service in the 5 GHz band.
QCVN 66:2013/BTTTT
QUY CHUẨN KỸ THUẬT
QUỐC GIA VỀ THIẾT BỊ LẶP THÔNG TIN DI ĐỘNG W-CDMA FDD
National technical regulation on W-CDMA FDD Repeaters
Lời nói đầu
QCVN 66:2013/BTTTT được xây dựng dựa trên tiêu chuẩn EN 301 908-11 V2.3.1 (2004-10) và ETSI EN 301 908-1 V2.2.1 (2003-10) của Viện Tiêu chuẩn Viễn thông Châu Âu (ETSI).
QCVN 66:2013/BTTTT do Cục Viễn thông biên soạn, Vụ Khoa học và Công nghệ trình duyệt, Bộ Thông tin và Truyền thông ban hành kèm theo Thông tư số 01/2013/TT-BTTTT ngày 10 tháng 01 năm 2013.
MỤC LỤC
1. Quy định chung
1.1. Phạm vi điều chỉnh
1.2. Đối tượng áp dụng
1.3. Tài liệu viện dẫn
1.4. Giải thích từ ngữ
1.5. Chữ viết tắt
2. Quy định kỹ thuật
2.1. Điều kiện môi trường
2.2. Các yêu cầu hợp chuẩn
2.2.1. Các tham số thiết yếu và các yêu cầu kỹ thuật tương ứng
2.2.2. Mặt nạ phổ phát xạ
2.2.3. Các phát xạ giả
2.2.4. Công suất ra cực đại
2.2.5. Xuyên điều chế đầu vào
2.2.6. Tăng ích ngoài băng
2.2.7. Hệ số nén kênh lân cận
2.2.8. Xuyên điều chế đầu ra
2.2.9. Các phát xạ bức xạ
3. Phương pháp đo
3.1. Điều kiện đo kiểm
3.2. Giải thích các kết quả đo
3.3. Đo kiểm các tham số thiết yếu cho phần vô tuyến
3.3.1. Đo kiểm mặt nạ phổ phát xạ
3.3.2. Đo kiểm các phát xạ giả
3.3.3. Đo kiểm công suất ra cực đại
3.3.4. Đo kiểm xuyên điều chế đầu vào
3.3.5. Đo kiểm tăng ích ngoài băng
3.3.6. Đo kiểm hệ số nén kênh lân cận
3.3.7. Đo kiểm xuyên điều chế đầu ra
3.3.8. Đo kiểm các phát xạ bức xạ
4. Quy định về quản lý
5. Trách nhiệm của tổ chức cá nhân
6. Tổ chức thực hiện
Phụ lục A (Quy định) Cấu hình trạm lặp
Phụ lục B (Quy định) Yêu cầu đối với điều kiện môi trường
Phụ lục C (Quy định) Mô hình đo kiểm 1
Phụ lục D (Quy định) Sơ đồ hệ đo trạm lặp
QUY CHUẨN KỸ THUẬT QUỐC GIA
VỀ THIẾT BỊ LẶP THÔNG TIN DI ĐỘNG W-CDMA FDD
National technical regulation on W-CDMA FDD Repeaters
1. Quy định chung
1.1. Phạm vi điều chỉnh
Quy chuẩn này quy định các đặc tính kỹ thuật của thiết bị lặp cho hệ thống thông tin di động W-CDMA FDD.
1.2. Đối tượng áp dụng
Quy chuẩn này áp dụng cho loại thiết bị vô tuyến sau đây:
Các thiết bị lặp của hệ thống thông tin di động IMT-2000 CDMA trải phổ trực tiếp (UTRA FDD). Loại thiết bị vô tuyến này có thể hoạt động trong toàn bộ băng tần hoặc một phần băng tần được quy định dưới đây.
Bảng 1. Các băng tần của thiết bị lặp CDMA trải phổ trực tiếp
|
Hướng truyền |
Các băng tần của thiết bị lặp CDMA trải phổ trực tiếp |
|
Đường xuống |
Từ 2110 MHz đến 2170 MHz |
|
Đường lên |
Từ 1920 MHz đến 1980 MHz |
Yêu cầu kỹ thuật của quy chuẩn này nhằm đảm bảo thiết bị vô tuyến sử dụng hiệu quả phổ tần vô tuyến được phân định cho thông tin mặt đất/vũ trụ và nguồn tài nguyên quỹ đạo để tránh nhiễu có hại.
Quy chuẩn này làm cơ sở cho việc chứng nhận hợp quy các thiết bị lặp của hệ thống thông tin di động IMT-2000 CDMA trải phổ trực tiếp (UTRA FDD).
1.3. Tài liệu viện dẫn
[1] ITU-R Recommendation SM.329-10: “Unwanted emissions in spurious domain”.
[2] ITU-R Recommendation SM.1539-1: “Variation of the boundary between the out of band and spurious domains required for the application of Recommendations ITU-R SM.1541 and ITU-R SM.329”.
[3] TR 100 028 (V1.4.1): “Electromagnetic Compatibility and Radio Spectrum Matters (EMR); Uncertainties in the measurement of mobile radio equipment characteristics”.
[4] ETSI TS 125 141 (V7.4.0): "Universal Mobile Telecommunications System (UMTS); Base Station (BS) conformance testing (FDD) (3GPP TS 25.141 version 7.4.0 Release 7)".
[5] TCVN 7699-2-1:2007 (IEC 60068-2-1:2007): “Thử nghiệm môi trường. Phần 2-1: Các thử nghiệm. Thử nghiệm A: Lạnh”.
[6] IEC 60068-2-2 (1974-01): “Environmental testing - Past 2: Tests. Tests B: Dry heat”.
[7] TCVN 7699-2-6:2009 (IEC 60068-2-6 :2007): “Thử nghiệm môi trường. Phần 2-2: Các thử nghiệm. Thử nghiệm Fx: Rung (Hình Sin)”.
[8] IEC 60721-3-3 (1994-12): “Classification of environmental conditions - Past 3: Classification of groups of environmental parameter and their severities - Section 3: Stationary use at weather protected locations”.
[9] IEC 60721-3-4 (1995-01): “Classification of environmental conditions - Past 3: Classification of groups of environmental parameter and their severities - Section 4: Stationary use at non-weather protected locations”.
1.4. Giải thích từ ngữ
1.4.1. Tổn hao ghép nối donor (donor coupling loss)
Tổn hao ghép nối giữa trạm lặp và trạm gốc donor (trạm gốc phát).
1.4.2. Đường xuống (down-link)
Đường truyền tín hiệu vô tuyến từ trạm gốc tới máy di động.
1.4.3. Công suất ra cực đại (Pmax) (maximum output power (Pmax))
Mức công suất trung bình trên một sóng mang được đo tại đầu nối anten của thiết bị lặp trong điều kiện tham chiếu quy định.
1.4.4. Băng tần hoạt động (operational band)
Dải tần trong đó thiết bị lặp hoạt động với cấu hình hoạt động.
CHÚ THÍCH 1: Dải tần này có thể tương ứng với một hoặc nhiều kênh 5 MHz danh định liên tiếp. Nếu chúng không liên tiếp nhau thì mỗi tập hợp con các kênh này phải được xem như băng tần hoạt động riêng biệt.
CHÚ THÍCH 2: Thiết bị lặp có thể có một hoặc nhiều băng hoạt động.
1.4.5. Thiết bị lặp (repeater)
Thiết bị thu, khuếch đại và phát sóng mang RF được bức xạ hoặc truyền dẫn theo hướng đường xuống (từ trạm gốc đến vùng di động) và theo hướng đường lên (từ máy di động đến trạm gốc).
1.4.6. Đường lên (up-link)
Đường truyền tín hiệu vô tuyến từ máy di động tới trạm gốc.
1.5. Chữ viết tắt
ACLR Tỷ số công suất rò kênh lân cận
ACRR Hệ số nén kênh lân cận
BS Trạm gốc
BTS Trạm thu phát gốc
CW Sóng liên tục (tín hiệu không điều chế)
DUT/EUT Thiết bị cần đo kiểm
DPCH Kênh vật lý riêng
FDD Ghép song công phân chia theo tần số
IPDL Chu kỳ rỗi trên đường xuống
MS Máy di động
PAR Tỷ lệ đỉnh đến trung bình
PCCPCH Kênh điều khiển vật lý chung sơ cấp
SCCPCH Kênh điều khiển vật lý chung thứ cấp
R&TTE Thiết bị đầu cuối vô tuyến và viễn thông
RF Tần số vô tuyến
RMS Hiệu dụng (Căn toàn phương trung bình)
RRC Cosin nâng
TDD Ghép song công phân chia theo thời gian
UARFCN Số kênh tần số vô tuyến tuyệt đối UTRA
UE Thiết bị người sử dụng
UMTS Hệ thống viễn thông di động toàn cầu
UTRA Truy nhập vô tuyến mặt đất UMTS
WCDMA Đa truy nhập phân chia theo mã băng rộng
2. Quy định kỹ thuật
2.1. Điều kiện môi trường
Các yêu cầu kỹ thuật của quy chuẩn này áp dụng trong điều kiện môi trường hoạt động của thiết bị do nhà cung cấp khai báo. Thiết bị phải hoàn toàn tuân thủ mọi yêu cầu kỹ thuật của quy chuẩn này khi hoạt động trong các giới hạn biên của điều kiện môi trường hoạt động đã khai báo.
Phụ lục B hướng dẫn nhà cung cấp cách khai báo điều kiện môi trường.
2.2. Các yêu cầu kỹ thuật
2.2.1. Các tham số thiết yếu và các yêu cầu kỹ thuật tương ứng
Quy chuẩn này quy định 6 tham số thiết yếu cho thiết bị lặp IMT-2000. Bảng 2 đưa ra 6 tham số thiết yếu này và 8 yêu cầu kỹ thuật tương ứng đối với thiết bị nằm trong phạm vi của quy chuẩn này.
Bảng 2. Các tham số thiết yếu và các yêu cầu kỹ thuật tương ứng
|
Tham số thiết yếu |
Các yêu cầu kỹ thuật tương ứng |
|
Mặt nạ phổ phát xạ |
2.2.2. Mặt nạ phổ phát xạ |
|
Các phát xạ giả truyền dẫn từ đầu nối anten |
2.2.3. Các phát xạ giả |
|
Độ chính xác của công suất ra cực đại |
2.2.4. Công suất ra cực đại |
|
Sự miễn nhiễm của máy thu |
2.2.5. Xuyên điều chế đầu vào |
|
2.2.6. Độ tăng ích ngoài băng |
|
|
2.2.7. Hệ số nén kênh lân cận |
|
|
Suy hao xuyên điều chế của đầu ra |
2.2.8. Xuyên điều chế đầu ra |
|
Các phát xạ bức xạ |
2.2.9. Các phát xạ bức xạ |
Các yêu cầu kỹ thuật cũng áp dụng cho các cấu hình của thiết bị lặp được mô tả trong Phụ lục A.
2.2.2. Mặt nạ phổ phát xạ
2.2.2.1. Định nghĩa
Phát xạ ngoài băng là phát xạ không mong muốn (không gồm các phát xạ giả), ở ngoài độ rộng băng của kênh, do quá trình điều chế và do tính phi tuyến trong máy phát gây ra. Giới hạn của phát xạ ngoài băng được quy định dưới dạng mặt nạ phổ phát xạ đối với máy phát.
2.2.2.2. Giới hạn
Yêu cầu đáp ứng bởi đầu ra tín hiệu RF của thiết bị lặp tại tăng ích cực đại đối với các tín hiệu WCDMA trong băng tần hoạt động của thiết bị lặp, ở các mức tạo ra công suất ra biểu kiến cực đại trên mỗi kênh, được cấu hình theo đúng chỉ tiêu kỹ thuật của nhà sản xuất. Các phát xạ không được vượt quá mức cực đại chỉ ra trong các Bảng 3, 4, 5 và 6 đối với công suất ra cực đại thích hợp của thiết bị lặp, trong dải tần từ ∆f = 2,5 MHz đến ∆fmax tính từ kênh 5 MHz, trong đó:
· ∆f là tần số từ tần số trung tâm của kênh 5 MHz đầu tiên hoặc cuối cùng được sử dụng trong băng tần hoạt động đến điểm -3 dB danh định của bộ lọc đo gần nhất với tần số sóng mang;
· f_offset là tần số từ tần số trung tâm của kênh 5 MHz đầu tiên hoặc cuối cùng trong băng hoạt động đến tâm của bộ lọc đo;
· f_offsetmax là giá trị lớn hơn trong hai giá trị: 12,5 MHz hoặc độ lệch đối với biên băng UTRA ở cả đường lên và đường xuống, như đã được xác định trong Bảng 1;
· ∆fmax bằng f_offsetmax trừ đi một nửa độ rộng băng tần của bộ lọc đo.
Nếu băng tần hoạt động tương ứng với hai hoặc nhiều kênh 5 MHz danh định liên tiếp, thì yêu cầu phải được đáp ứng đối với bất cứ tổ hợp nào của hai tín hiệu điều chế WCDMA có công suất bằng nhau trong băng tần hoạt động của các thiết bị lặp.
Sử dụng công suất ra cực đại như định nghĩa trong 1.4.3 để chọn Bảng mức cực đại cho việc đo kiểm mặt nạ phổ phát xạ. Nếu một kênh được sử dụng cho việc đo kiểm mặt nạ phổ phát xạ, thì sử dụng công suất này cho việc lựa chọn. Nếu hai kênh được sử dụng cho việc đo kiểm mặt nạ phổ phát xạ thì sử dụng một trong hai công suất này.
Bảng 3. Các giá trị mặt nạ phổ phát xạ cho mức công suất ra cực đại P ≥ 43 dBm
|
Độ lệch tần tại điểm -3 dB của bộ lọc đo, ∆f |
Độ lệch tần tại tần số trung tâm của bộ lọc đo, f_offset |
Mức cực đại |
Độ rộng băng đo |
|
2,5 MHz ≤ ∆f < 2,7 MHz |
2,515 MHz ≤ f_offset < 2,715 MHz |
-12,5 dBm |
30 kHz |
|
2,7 MHz ≤ ∆f < 3,5 MHz |
2,715 MHz ≤ f_offset < 3,515 MHz |
-12,5 dBm - |
30 kHz |
|
|
3,515 MHz ≤ f_offset < 4,0 MHz |
-24,5 dBm |
30 kHz |
|
3,5 MHz ≤ ∆f < 7,5 MHz |
4,0 MHz ≤ f_offset < 8,0 MHz |
-11,5 dBm |
1 MHz |
|
7,5 MHz ≤ ∆f ≤ fmax |
8,0 MHz ≤ f_offset < f_offsetmax |
-11,5 dBm |
1 MHz |
Bảng 4. Các giá trị mặt nạ phổ phát xạ cho mức công suất ra cực đại 39 dBm ≤ P < 43 dBm
|
Độ lệch tần tại điểm -3 dB của bộ lọc đo, ∆f |
Độ lệch tần tại tần số trung tâm của bộ lọc đo, f_offset |
Mức cực đại |
Độ rộng băng đo |
|
2,5 MHz ≤ ∆f < 2,7 MHz |
2,515 MHz ≤ f_offset < 2,715 MHz |
-12,5 dBm |
30 kHz |
|
2,7 MHz ≤ ∆f < 3,5 MHz |
2,715 MHz ≤ f_offset < 3,515 MHz |
-12,5 dBm - |
30 kHz |
|
|
3,515 MHz ≤ f_offset < 4,0 MHz |
-24,5 dBm |
30 kHz |
|
3,5 MHz ≤ ∆f < 7,5 MHz |
4,0 MHz ≤ f_offset < 8,0 MHz |
-11,5 dBm |
1 MHz |
|
7,5 MHz ≤ ∆f ≤ fmax |
8,0 MHz ≤ f_offset < f_offsetmax |
P - 54,5 dBm |
1 MHz |
Bảng 5. Các giá trị mặt nạ phổ phát xạ cho mức công suất ra cực đại 31dBm ≤ P < 39 dBm
|
Độ lệch tần tại điểm -3 dB của bộ lọc đo, ∆f |
Độ lệch tần tại tần số trung tâm của bộ lọc đo, f_offset |
Mức cực đại |
Độ rộng băng đo |
|
2,5 MHz ≤ ∆f < 2,7 MHz |
2,515 MHz ≤ f_offset < 2,715 MHz |
P - 51,5 dBm |
30 kHz |
|
2,7 MHz ≤ ∆f < 3,5 MHz |
2,715 MHz ≤ f_offset < 3,515 MHz |
P - 51,5 dBm - |
30 kHz |
|
|
3,515 MHz ≤ f_offset < 4,0 MHz |
P - 63,5 dBm |
30 kHz |
|
3,5 MHz ≤ ∆f < 7,5 MHz |
4,0 MHz ≤ f_offset < 8,0 MHz |
P - 50,5 dBm |
1 MHz |
|
7,5 MHz ≤ ∆f ≤ fmax |
8,0 MHz ≤ f_offset < f_offsetmax |
P - 54,5 dBm |
1 MHz |
Bảng 6. Các giá trị mặt nạ phổ phát xạ cho mức công suất ra cực đại P < 31 dBm
|
Độ lệch tần tại điểm -3 dB của bộ lọc đo, ∆f |
Độ lệch tần tại tần số trung tâm của bộ lọc đo, f_offset |
Mức cực đại |
Độ rộng băng đo |
|
2,5 MHz ≤ ∆f < 2,7 MHz |
2,515 MHz ≤ f_offset < 2,715 MHz |
-20,5 dBm |
30 kHz |
|
2,7 MHz ≤ ∆f < 3,5 MHz |
2,715 MHz ≤ f_offset < 3,515 MHz |
-20,5 dBm - |
30 kHz |
|
|
3,515 MHz ≤ f_offset < 4,0 MHz |
-32,5 dBm |
30 kHz |
|
3,5 MHz ≤ ∆f < 7,5 MHz |
4,0 MHz ≤ f_offset < 8,0 MHz |
-19,5 dBm |
1 MHz |
|
7,5 MHz ≤ ∆f ≤ fmax |
8,0 MHz ≤ f_offset < f_offsetmax |
-23,5 dBm |
1 MHz |
2.2.2.3. Đo kiểm tuân thủ
Phải tiến hành các phép đo kiểm tuân thủ như mô tả trong 3.3.1.
2.2.3. Các phát xạ giả
2.2.3.1. Định nghĩa
Các phát xạ giả là các phát xạ sinh ra bởi các hiệu ứng không mong muốn của máy phát như phát xạ hài, phát xạ ký sinh, các thành phần xuyên điều chế và các thành phần biến đổi tần, nhưng không bao gồm các phát xạ ngoài băng. Phát xạ giả được đo tại cổng ra của thiết bị lặp.
Các yêu cầu của 2.2.3.2 phải áp dụng cho mọi loại thiết bị lặp được xem xét (một hoặc nhiều băng tần hoạt động). Yêu cầu này áp dụng cho tất cả các cấu hình được dự đoán phù hợp với chỉ tiêu kỹ thuật của nhà sản xuất.
Các yêu cầu áp dụng tại các tần số nằm trong phạm vi các dải tần chỉ định, lớn hơn 12,5 MHz dưới tần số trung tâm của kênh 5 MHz đầu tiên hoặc lớn hơn 12,5 MHz trên tần số trung tâm của kênh 5 MHz cuối cùng trong băng hoạt động.
Mọi yêu cầu được đo dưới dạng công suất hiệu dụng (RMS), trừ khi có quy định khác.
2.2.3.2. Giới hạn
2.2.3.2.1. Các phát xạ giả
Tại tăng ích cực đại của thiết bị lặp, với các tín hiệu WCDMA trong băng tần hoạt động của thiết bị lặp, ở các mức tạo nên công suất ra biểu kiến cực đại trên mỗi kênh, công suất của mọi phát xạ giả không được vượt quá các giới hạn chỉ định trong các Bảng 7 (đối với đường xuống) và Bảng 8 (đối với đường lên).
Các yêu cầu vẫn phải được đáp ứng khi công suất trong tất cả các kênh đều tăng lên 10 dB.
Yêu cầu đó áp dụng cả khi có hay không có tác dụng của tín hiệu đầu vào.
Nếu băng hoạt động tương ứng với hai hoặc nhiều kênh 5 MHz danh định liên tiếp, thì yêu cầu phải được đáp ứng đối với sự tổ hợp bất kỳ của hai tín hiệu điều chế WCDMA có công suất bằng nhau trong băng tần hoạt động của các thiết bị lặp.
Bảng 7. Đường xuống: Các giới hạn chung của phát xạ giả
|
Băng tần |
Mức cực đại |
Độ rộng băng đo |
Chú ý |
|
Từ 9 kHz đến 150 kHz |
-36 dBm |
1 kHz |
Độ rộng băng như trong Khuyến nghị ITU-R SM.329, 2.1 |
|
Từ 150 kHz đến 30 MHz |
-36 dBm |
10 kHz |
Độ rộng băng như trong Khuyến nghị ITU-R SM.329, theo 2.1 |
|
Từ 30 MHz đến 1 GHz |
-36 dBm |
100 kHz |
Độ rộng băng như trong Khuyến nghị ITU-R SM.329, theo 2.1. |
|
Từ 1 GHz đến giá trị lớn hơn trong hai giá trị FC1 - 60 MHz hoặc 2100 MHz |
-30 dBm |
1 MHz |
Độ rộng băng như trong Khuyến nghị ITU-R SM.329, theo 2.1 |
|
Từ giá trị lớn hơn trong hai giá trị FC1 - 60 MHz hoặc 2100 MHz đến giá trị lớn hơn trong 2 giá trị FC1 - 50 MHz hoặc 2100 MHz |
-25 dBm |
1 MHz |
Chỉ tiêu kỹ thuật theo đúng với Khuyến nghị ITU-R SM.329, theo 2.3 và Phụ lục 7 |
|
Từ giá trị lớn hơn trong hai giá trị FC1 - 50 MHz hoặc 2100 MHz đến giá trị nhỏ hơn trong hai giá trị FC2 + 50 MHz hoặc 2180 MHz |
-15 dBm |
1 MHz |
Chỉ tiêu kỹ thuật theo đúng với Khuyến nghị ITU-R SM.329, theo 2.3 và Phụ lục 7 |
|
Từ giá trị nhỏ hơn trong hai giá trị FC2 + 50 MHz hoặc 2180 MHz đến giá trị nhỏ hơn trong hai giá trị FC2 + 60 MHz hoặc 2180 MHz |
-25 dBm |
1 MHz |
Chỉ tiêu kỹ thuật theo đúng với Khuyến nghị ITU-R SM.329, theo 2.3 và Phụ lục 7 |
|
Từ giá trị nhỏ hơn trong hai giá trị FC2 + 60 MHz hoặc2180 MHz đến 12,75 GHz |
-30 dBm |
1 MHz |
Độ rộng băng như trong Khuyến nghị ITU-R SM.329, theo 2.1. Tần số trên như trong Khuyến nghị ITU-R SM.329, theo 2.5, Bảng 1 |
Bảng 8. Đường lên: Các giới hạn chung của phát xạ giả
|
Băng tần |
Mức cực đại |
Độ rộng băng đo |
Chú ý |
|
Từ 9 kHz đến 150 kHz |
-36 dBm |
1 kHz |
Độ rộng băng như trong Khuyến nghị ITU-R SM.329, theo 2.1 |
|
Từ 150 kHz đến 30 MHz |
-36 dBm |
10 kHz |
Độ rộng băng như trong Khuyến nghị ITU-R SM.329, theo 2.1 |
|
Từ 30 MHz đến 1 GHz |
-36 dBm |
100 kHz |
Độ rộng băng như trong Khuyến nghị ITU-R SM.329, theo 2.1 |
|
Từ 1 GHz đến giá trị lớn hơn trong hai giá trị FC1 - 60 MHz hoặc 1910 MHz |
-30 dBm |
1 MHz |
Độ rộng băng như trong Khuyến nghị ITU-R SM.329, theo 2.1 |
|
Từ giá trị lớn hơn trong hai giá trị FC1 - 60 MHz hoặc 1910 MHz đến giá trị lớn hơn trong hai giá trị FC1 - 50 MHz hoặc 1910 MHz |
-25 dBm |
1 MHz |
Chỉ tiêu kỹ thuật theo đúng với Khuyến nghị ITU-RSM.329, theo 2.3 và Phụ lục 7 |
|
Từ giá trị lớn hơn trong hai giá trị FC1 - 50 MHz hoặc 1910 MHz đến giá trị nhỏ hơn trong hai giá trị FC2 + 50 MHz hoặc 1990 MHz |
-15 dBm |
1 MHz |
Chỉ tiêu kỹ thuật theo đúng với Khuyến nghị ITU-R SM.329, theo 2.3 và Phụ lục 7 |
|
Từ giá trị nhỏ hơn trong hai giá trị FC2 + 50 MHz hoặc 1990 MHz đến giá trị nhỏ hơn trong hai giá trị FC2 + 60 MHz hoặc 1990 MHz |
-25 dBm |
1 MHz |
Chỉ tiêu kỹ thuật theo đúng với Khuyến nghị ITU-R SM.329, theo 2.3 và Phụ lục 7 |
|
Từ giá trị nhỏ hơn trong hai giá trị FC2 + 60 MHz hoặc 1990 MHz đến 12,75 GHz |
-30 dBm |
1 MHz |
Độ rộng băng như trong Khuyến nghị ITU-R SM.329, theo 2.1. Tần số trên như trong Khuyến nghị ITU-R SM.329, theo 2.5, Bảng 1 |
|
CHÚ THÍCH: FC1: Tần số phát xạ trung tâm của kênh 5 MHz đầu tiên trong băng tần hoạt động. FC2: Tần số phát xạ trung tâm của kênh 5 MHz cuối cùng trong băng hoạt động. |
|||
2.2.3.2.2. Các phát xạ giả khi thiết bị lặp UTRA FDD cùng hoạt động với GSM 900
Yêu cầu này đáp ứng để bảo vệ các máy thu của MS GSM 900 và các máy thu của BTS GSM 900.
Công suất của mọi phát xạ giả không được vượt quá giới hạn chỉ định trong Bảng 9.
Bảng 9. Các giới hạn phát xạ giả của thiết bị lặp UTRA FDD trong vùng phủ sóng của các máy thu MS GSM 900 và các máy thu BTS GSM 900
|
Băng tần |
Mức cực đại |
Độ rộng băng đo |
|
Từ 876 MHz đến 915 MHz |
-61 dBm |
100 kHz |
|
Từ 921 MHz đến 960 MHz |
-57 dBm |
100 kHz |
2.2.3.2.3. Các phát xạ giả khi thiết bị lặp UTRA FDD cùng hoạt động với DCS 1800
Yêu cầu áp dụng để bảo vệ các máy thu MS của DCS 1800 và các máy thu BTS của DCS 1800.
Công suất của mọi phát xạ giả không được vượt quá giới hạn chỉ định trong Bảng 10.
Bảng 10. Các giới hạn phát xạ giả của thiết bị lặp UTRA FDD trong vùng phủ sóng của các máy thu MS DCS 1800 và các máy thu BTS DCS 1800
|
Băng tần |
Mức cực đại |
Độ rộng băng đo |
|
Từ 1710 MHz đến 1785 MHz |
-61 dBm |
100 kHz |
|
Từ 1805 MHz đến 1880 MHz |
-47 dBm |
100 kHz |
2.2.3.2.4. Các phát xạ giả khi thiết bị lặp UTRA FDD cùng hoạt động với các dịch vụ trong các băng tần lân cận
Yêu cầu áp dụng để bảo vệ các dịch vụ trong các băng tần kề sát băng tần từ 2110 MHz đến 2170 MHz.
Công suất của mọi phát xạ giả không được vượt quá các giới hạn chỉ định trong Bảng 11.
Bảng 11. Các giới hạn phát xạ giả để bảo vệ các dịch vụ trong băng tần lân cận
|
Băng tần (f) |
Mức cực đại |
Độ rộng băng đo |
|
Từ 2100 MHz đến 2105 MHz Từ 2175 MHz đến 2180 MHz |
-30 + 3,4 (f - 2100 MHz) dBm -30 + 3,4 (2180 MHz - f) dBm |
1 MHz 1 MHz |
2.2.3.2.5. Mức phát xạ giả khi thiết bị lặp UTRA FDD cùng hoạt động với UTRA-TDD
Yêu cầu áp dụng để bảo vệ UTRA-TDD. Yêu cầu chỉ áp dụng cho hướng đường xuống của thiết bị lặp.
Công suất của mọi phát xạ giả không được vượt quá giới hạn chỉ định trong Bảng 12.
Bảng 12. Mức giới hạn phát xạ giả của thiết bị lặp UTRA FDD trong vùng phủ sóng của UTRA-TDD
|
Băng tần |
Mức cực đại |
Độ rộng băng đo |
|
Từ 1900 MHz đến 1920 MHz Từ 2011 MHz đến 2025 MHz |
-52 dBm -52 dBm |
1 MHz 1 MHz |
2.2.3.2.6. Các phát xạ giả khi thiết bị lặp UTRA FDD cùng hoạt động với BS UTRA-FDD
Yêu cầu áp dụng để bảo vệ các máy thu BS UTRA-FDD.
Đối với hướng đường xuống của thiết bị lặp, công suất của mọi phát xạ giả không được vượt quá giới hạn chỉ định trong Bảng 13.
Bảng 13. Các giới hạn phát xạ giả của thiết bị lặp UTRA FDD trong vùng phủ sóng của máy thu BS UTRA- FDD đối với hướng đường xuống của thiết bị lặp
|
Băng tần |
Mức cực đại |
Độ rộng băng đo |
|
Từ 1920 MHz đến 1980 MHz |
-96 dBm |
100 kHz |
Đối với hướng đường lên của thiết bị lặp, công suất của mọi phát xạ giả không được vượt quá giới hạn chỉ định trong Bảng 14.
Bảng 14. Các giới hạn phát xạ giả của thiết bị lặp UTRA FDD trong vùng phủ sóng của máy thu BS UTRA - FDD đối với hướng đường lên của thiết bị lặp
|
Băng tần |
Mức cực đại |
Độ rộng băng đo |
|
Từ 1920 MHz đến 1980 MHz |
-53 dBm |
100 kHz |
2.2.3.3. Đo kiểm tuân thủ
Phải tiến hành các phép đo kiểm tuân thủ như mô tả trong 3.3.2.
2.2.4. Công suất ra cực đại
2.2.4.1. Định nghĩa
Công suất ra cực đại, Pmax, của thiết bị lặp là mức công suất trung bình trên mỗi sóng mang được đo tại đầu nối anten trong điều kiện tham chiếu xác định.
2.2.4.2. Giới hạn
Trong các điều kiện bình thường, công suất ra cực đại của thiết bị lặp vẫn phải nằm trong các giới hạn được chỉ định trong Bảng 15 đối với công suất ra biểu kiến của nhà sản xuất.
Bảng 15. Công suất ra của thiết bị lặp trong các điều kiện bình thường
|
Công suất ra biểu kiến |
Giới hạn |
|
P ≥ 43 dBm |
+2,7 dB và -2,7 dB |
|
39 dBm ≤ P < 43 dBm |
+2,7 dB và -2,7 dB |
|
31 dBm ≤ P < 39 dBm |
+2,7 dB và -2,7 dB |
|
P < 31 dBm |
+3,7 dB và -3,7 dB |
Trong các điều kiện tới hạn, công suất ra cực đại của thiết bị lặp vẫn phải nằm trong các giới hạn được chỉ định trong Bảng 16 đối với công suất ra biểu kiến của nhà sản xuất.
Bảng 16. Công suất ra của thiết bị lặp trong các điều kiện tới hạn
|
Công suất ra biểu kiến |
Giới hạn |
|
P ≥ 43 dBm |
+3,2 dB và -3,2 dB |
|
39 dBm ≤ P < 43 dBm |
+3,2 dB và -3,2 dB |
|
31 dBm ≤ P < 39 dBm |
+3,2 dB và -3,2 dB |
|
P < 31 dBm |
+4,7 dB và -4,7 dB |
2.2.4.3. Đo kiểm tuân thủ
Phải tiến hành các phép đo kiểm tuân thủ như mô tả trong 3.3.3.
2.2.5. Xuyên điều chế đầu vào
2.2.5.1. Định nghĩa
Xuyên điều chế đầu vào là chỉ tiêu đánh giá khả năng của thiết bị lặp ngăn chặn sự phát sinh nhiễu trong băng tần hoạt động, khi có mặt các tín hiệu gây nhiễu trên các tần số khác với băng hoạt động.
Việc trộn hài bậc ba và bậc cao hơn của hai tín hiệu RF gây nhiễu có thể tạo ra tín hiệu gây nhiễu trong băng tần của kênh yêu cầu. Triệt đáp ứng xuyên điều chế là chỉ tiêu đánh giá khả năng của thiết bị lặp duy trì được tần số mong muốn tránh được nhiễu nội tại.
Đo kiểm áp dụng cho đường lên và đường xuống của thiết bị lặp.
2.2.5.2. Giới hạn
2.2.5.2.1. Yêu cầu chung đối với xuyên điều chế đầu vào
Chỉ tiêu xuyên điều chế phải được đáp ứng khi các tín hiệu sau đây tác dụng vào thiết bị lặp.
Bảng 17. Yêu cầu chung đối với xuyên điều chế đầu vào
|
f_offset |
Các mức tín hiệu gây nhiễu |
Loại tín hiệu |
Độ rộng băng đo |
|
3,5 MHz |
- 40 dBm |
2 sóng mang CW |
1 MHz |
Đối với các tham số được chỉ định trong Bảng 17, công suất trong băng tần hoạt động không được tăng hơn giới hạn trong Bảng 18 tại đầu ra của các thiết bị lặp khi được đo tại tâm của băng hoạt động, so với mức thu được khi không có các tín hiệu gây nhiễu tác dụng.
Bảng 18. Giới hạn chung đối với các xuyên điều chế đầu vào
|
Giới hạn đối với sự tăng công suất trong băng tần hoạt động |
|
+ 11,2 dB |
2.2.5.2.2. Xuyên điều chế đầu vào khi thiết bị lặp UTRA FDD cùng hoạt động với GSM 900 và/hoặc DCS 1800
Chỉ tiêu xuyên điều chế phải được đáp ứng khi các tín hiệu sau đây tác dụng vào thiết bị lặp.
Bảng 19. Các yêu cầu xuyên điều chế đầu vào đối với các tín hiệu gây nhiễu trong các băng tần GSM 900 và DCS 1800
|
Tần số của các tín hiệu gây nhiễu |
Các mức tín hiệu gây nhiễu |
Loại tín hiệu |
Độ rộng băng đo |
|
Từ 876 MHz đến 915 MHz Từ 1710 MHz đến 1785 MHz |
-15 dBm -15 dBm |
2 sóng mang CW 2 sóng mang CW |
1 MHz 1 MHz |
Đối với các tham số được chỉ định trong Bảng 19, công suất trong băng tần hoạt động không được tăng hơn giới hạn trong Bảng 20 tại đầu ra của thiết bị lặp khi được đo tại tâm của băng tần hoạt động, so với mức thu được khi không có các tín hiệu gây nhiễu tác dụng.
Bảng 20. Giới hạn các xuyên điều chế đầu vào cùng tồn tại với GSM 900 và/hoặc DCS 1800
|
Giới hạn đối với sự tăng công suất trong băng hoạt động |
|
+ 11,2 dB |
2.2.5.3. Đo kiểm tuân thủ
Phải tiến hành các phép đo kiểm tuân thủ như mô tả trong 3.3.4.
2.2.6. Tăng ích ngoài băng
2.2.6.1. Định nghĩa
Tăng ích ngoài băng liên quan đến tăng ích của thiết bị lặp ở ngay bên ngoài băng tần hoạt động. Các phép đo phải được áp dụng cho đường lên và đường xuống của thiết bị lặp.
2.2.6.2. Giới hạn
Việc sử dụng thiết bị lặp trong một hệ thống là nhằm mục đích khuếch đại các tín hiệu trong băng và không khuếch đại phát xạ ngoài băng của trạm gốc donor.
Với mục đích đó, trong ứng dụng thiết bị lặp, tăng ích ngoài băng nhỏ hơn tổn hao ghép donor. Tổn hao ghép donor tối thiểu của thiết bị lặp phải được nhà sản xuất khai báo. Đây là suy hao yêu cầu tối thiểu giữa BS donor và thiết bị lặp đối với hoạt động hợp thức của thiết bị lặp.
Tăng ích bên ngoài băng tần hoạt động không được vượt quá mức cực đại chỉ định trong Bảng 21, trong đó:
· f_offset là tần số từ tần số trung tâm của kênh 5 MHz đầu tiên hoặc cuối cùng trong phạm vi băng hoạt động.
Bảng 21. Các giới hạn 1 của tăng ích ngoài băng
|
Độ lệch tần số từ tần số sóng mang, f_offset |
Tăng ích cực đại |
|
2,7 ≤ f_offset < 3,5 MHz |
60,5 dB |
|
3,5 ≤ f_offset < 7,5 MHz |
45,5 dB |
|
7,5 ≤ f_offset < 12,5 MHz |
45,5 dB |
|
12,5 MHz ≤ f_offset |
35,5 dB |
Đối với 12,5 MHz ≤ f_offset, tăng ích ngoài băng không được vượt quá giá trị nhỏ hơn trong hai giá trị: tăng ích cực đại trong Bảng 21 hoặc tăng ích cực đại được khai báo trong Bảng 22.
Bảng 22. Các giới hạn 2 của tăng ích ngoài băng
|
Công suất ra cực đại của thiết bị lặp như trong 2.2.2 |
Tăng ích cực đại |
|
P < 31 dBm |
Tăng ích ngoài băng £ Tổn hao tối thiểu do ghép donor + 0,5 dB |
|
31 dBm £ P < 43 dBm |
Tăng cíh ngoài băng £ Tổn hao tối thiểu do ghép donor + 0,5 dB |
|
P ³ 43 dBm |
Tăng ích ngoài băng £ Tổn hao tối thiểu do ghép donor - (P-43 dBm) + 0,5dB |
|
CHÚ THÍCH: Tăng ích ngoài băng được tính với 12,5 MHz £ f_offset. |
|
2.2.6.3. Đo kiểm tuân thủ
Phải tiến hành các phép đo kiểm tuân thủ như mô tả trong 3.3.5.
2.2.7. Hệ số nén kênh lân cận
2.2.7.1. Định nghĩa
Hệ số nén kênh lân cận (ACRR) là tỷ số của tăng ích có tải RRC cho mỗi sóng mang của thiết bị lặp trong băng thông trên tăng ích có tải RRC của thiết bị lặp trên kênh lân cận.
Yêu cầu phải áp dụng cho đường lên và đường xuống của thiết bị lặp nơi liên kết donor được duy trì qua các anten (của thiết bị lặp)
2.2.7.2. Giới hạn
ACRR phải lớn hơn giá trị chỉ định trong Bảng 23.
Bảng 23. ACRR của thiết bị lặp
|
Công suất ra cực đại của thiết bị lặp như trong 2.2.2 |
Độ lệch kênh từ tần số trung tâm của kênh 5 MHz đầu tiên hoặc 5 MHz cuối cùng trong phạm vi băng thông |
Giới hạn ACRR |
|
P ≥ 31 dBm |
5 MHz |
32,3 dB |
|
P ≥ 31 dBm |
10 MHz |
32,3 dB |
|
P < 31 dBm |
5 MHz |
19,3 dB |
|
P < 31 dBm |
10 MHz |
19,3 dB |
2.2.7.3. Đo kiểm tuân thủ
Phải tiến hành các phép đo kiểm tuân thủ như mô tả trong 3.3.6.
2.2.8. Xuyên điều chế đầu ra
2.2.8.1. Định nghĩa
Yêu cầu của xuyên điều chế đầu ra là chỉ tiêu đánh giá khả năng của thiết bị lặp có thể ngăn chặn sự phát sinh các tín hiệu của các sản phẩm xuyên điều chế do tín hiệu gây nhiễu đã tới thiết bị lặp qua cổng ra.
Mức xuyên điều chế đầu ra là công suất của các sản phẩm xuyên điều chế khi tín hiệu nhiễu điều chế WCDMA được đưa tới cổng ra tại mức thấp hơn mức tín hiệu mong muốn 30 dB. Tần số tín hiệu nhiễu phải lệch ±5 MHz, ±10 MHz và ±15 MHz so với tín hiệu mong muốn, nhưng nằm trong phạm vi băng tần được phân định cho đường xuống UTRA FDD như đã chỉ định trong Bảng 1.
Yêu cầu có thể áp dụng được cho các tín hiệu đường xuống.
2.2.8.2. Giới hạn
Mức xuyên điều chế đầu ra không được vượt quá các yêu cầu phát xạ ngoài băng của 2.2.2.2 hoặc các yêu cầu phát xạ giả đường xuống của 2.2.3.2.
2.2.8.3. Đo kiểm tuân thủ
Phải tiến hành các phép đo kiểm tuân thủ như mô tả trong 3.3.7.
2.2.9. Các phát xạ bức xạ
2.2.9.1. Định nghĩa
Đo kiểm này đánh giá khả năng hạn chế phát xạ không mong muốn từ cổng vỏ máy của BS và thiết bị lặp.
Đo kiểm này có thể áp dụng được cho các trạm gốc và cũng có thể áp dụng được cho các thiết bị lặp. Đo kiểm này phải được thực hiện trên cấu hình tiêu biểu của thiết bị cần đo kiểm.
2.2.9.2. Các giới hạn
Biên tần số và các độ rộng băng tham chiếu đối với những chuyển tiếp chi tiết các giới hạn giữa các yêu cầu đối với các phát xạ ngoài băng và các phát xạ giả được dựa trên các Khuyến nghị ITU-R SM.329 và SM.1539-1.
Các yêu cầu chỉ ra trong Bảng 24 có thể áp dụng được đối với các tần số trong vùng phát xạ giả.
Thiết bị lặp và BS phải thỏa mãn các giới hạn quy định trong Bảng 24.
Bảng 24. Các yêu cầu đối với phát xạ giả bức xạ
|
Tần số |
Yêu cầu tối thiểu (E.R.P)/Độ rộng băng tham chiếu |
Tính khả dụng |
|
30 MHz ≤ f < 1000 MHz |
-36 dBm/100 kHz |
Tất cả |
|
1 GHz ≤ f < 12,75 GHz |
-30 dBm/1 MHz |
Tất cả |
|
FC1 -12,5 MHz < f < FC2 + 12,5 MHz |
Không xác định |
UTRA FDD UTRA TDD, 3,84 Mcps tùy chọn cdma2000, tốc độ trải 3 |
|
FC1 - 4 MHz < f < FC2 + 4 MHz |
Không xác định |
UTRA TDD, 1,28 Mcps tùy chọn cdma2000, tốc độ trải 1 |
|
FC1 - 500 kHz < f < FC2 + 500 kHz |
Không xác định |
UWC 136, 200 kHz tùy chọn |
|
FC1 - 250 kHz < f < FC2 + 250 kHz |
Không xác định |
UWC 136, 30 kHz tùy chọn |
|
CHÚ THÍCH: FC1: Tần số trung tâm của tần số sóng mang đầu tiên được BS và thiết bị lặp sử dụng FC2: Tần số trung tâm của tần số sóng mang cuối cùng được BS và thiết bị lặp sử dụng |
||
2.2.9.3. Đo kiểm tuân thủ
Phải tiến hành các phép đo kiểm tuân thủ như mô tả trong 3.3.10.
3. Phương pháp đo
3.1. Điều kiện đo kiểm
Các phép đo kiểm được xác định trong quy chuẩn này phải được thực hiện tại các điểm tiêu biểu nằm trong các giới hạn biên của điều kiện môi trường hoạt động đã công bố.
Tại những điểm mà chỉ tiêu kỹ thuật thay đổi tùy thuộc vào các điều kiện môi trường, các phép đo kiểm phải được thực hiện trong đủ loại điều kiện môi trường (trong các giới hạn biên của điều kiện môi trường hoạt động đã công bố) để kiểm tra tính tuân thủ đối với các yêu cầu kỹ thuật bị ảnh hưởng.
Thông thường mọi phép đo kiểm chỉ cần thực hiện trong các điều kiện đo kiểm bình thường nếu không có các quy định khác.
Hệ đo quy định cho mỗi phép đo kiểm được mô tả trong Phụ lục D.
3.2. Giải thích các kết quả đo
Các kết quả ghi trong báo cáo đo kiểm đối với các phép đo mô tả trong quy chuẩn này phải được giải thích như sau:
· Giá trị đo được liên quan với giới hạn tương ứng sẽ được sử dụng để quyết định xem thiết bị có đáp ứng các yêu cầu của quy chuẩn hay không;
· Giá trị độ không đảm bảo đo đối với phép đo mỗi tham số phải được đưa vào báo cáo đo kiểm;
· Đối với mỗi phép đo, giá trị ghi được của độ không đảm bảo đo phải bằng hoặc nhỏ hơn các giá trị quy định trong các Bảng 25 và 25a.
Theo quy chuẩn này, đối với các phương pháp đo kiểm, các giá trị của độ không đảm bảo đo phải được tính toán theo TR 100 028 và phải tương ứng với hệ số mở rộng (hệ số phủ) k = 1,96 (hệ số này quy định mức độ tin cậy là 95% trong trường hợp những phân bố đặc trưng độ không đảm bảo đo thực tế là chuẩn Gauss).
Bảng 25 và 25a được dựa trên hệ số mở rộng này.
Bảng 25. Độ không đảm bảo cực đại của hệ đo kiểm
|
Tham số |
Các điều kiện |
Độ không đảm bảo |
|
Mặt nạ phổ phát xạ |
Do sự lọt sóng mang đối với các phép đo chỉ định trong độ rộng băng tần 1 MHz gần với sóng mang (từ 4 MHz đến 8 MHz), sự tích phân phép đo sử dụng nhiều phép đo độ rộng băng hẹp hơn có thể là cần thiết để đạt được độ chính xác nêu trên. Nhiễu từ ACLR của bộ tạo tín hiệu phải dưới mức nhiễu từ ACLR của Trạm gốc theo ETSI TS 125 141 tối thiểu là 10 dB |
±1,5 dB |
|
Các phát xạ giả |
Đối với "Các phát xạ giả": f ≤ 2,2 GHz 2,2 GHz < f ≤ 4 GHz f > 4 GHz |
±1,5 dB ±2,0 dB ±4,0 dB |
|
|
Trong các băng tần UTRA và các băng thu cùng tồn tại: đối với các kết quả > -60 dBm đối với các kết quả < -60 dBm |
±2,0 dB ±3,0 dB |
|
|
Nhiễu từ ACLR của bộ tạo tín hiệu phải dưới mức nhiễu từ ACLR của Trạm gốc theo TS 125 141 tối thiểu là 10 dB |
|
|
Công suất ra cực đại |
|
±0,7 dB |
|
Các đặc tính xuyên điều chế đầu vào |
Công thức: |
±1,2 dB |
|
Tăng ích ngoài băng |
Độ lệch 5 MHz |
±0,5 dB |
|
Sự lấy chuẩn trong việc bố trí đo kiểm phải được thực hiện mà không có thiết bị cần đo kiểm để đạt được sự chính xác |
||
|
Xuyên điều chế ra |
Mặt nạ phổ phát xạ |
|
|
|
|
±2,1 dB
|
|
|
RSS: 2x sai số của mức tín hiệu nhiễu và sai số của mức đo phát xạ phổ. (giả thiết sai số của mức tín hiệu nhiễu là 1 dB) |
|
|
|
Do sự lọt sóng mang đối với các phép đo chỉ định trong độ rộng băng tần 1 MHz gần với sóng mang (từ 4 MHz đến 8 MHz), sự tích phân phép đo sử dụng nhiều phép đo độ rộng băng hẹp hơn có thể là cần thiết để đạt được độ chính xác nêu trên |
|
|
|
Nhiễu từ ACLR của bộ tạo tín hiệu phải dưới mức nhiễu từ ACLR của Trạm gốc theo TS 125 141 tối thiểu là 10 dB |
|
|
|
Đối với "Các phát xạ giả": f ≤ 2,2 GHz 2,2 GHz < f ≤ 4 GHz f > 4 GHz |
±1,5 dB ±2,0 dB ±4,0 dB |
|
|
Trong các băng tần UTRA và các băng thu cùng tồn tại: đối với các kết quả > -60 dBm đối với các kết quả < -60 dBm |
±2,0 dB ±3,0 dB |
|
|
Nhiễu từ ACLR của bộ tạo tín hiệu phải dưới mức nhiễu từ ACLR của Trạm gốc theo TS 125 141 tối thiểu là 10 dB |
|
|
|
Tín hiệu nhiễu phải có mức phát xạ giả dưới các mức phát xạ giả đã quy định trong 2.2.3.2 ít nhất là 10 dB |
|
|
Hệ số nén kênh lân cận |
|
±0,7 dB |
Bảng 25a. Độ không đảm bảo đo cực đại đối với các phát xạ bức xạ
|
Tham số |
Độ không đảm bảo đối với kích thước EUT ≤ 1m |
Độ không đảm bảo đối với kích thước EUT > 1m |
|
Công suất bức xạ RF hiệu dụng từ 30 MHz đến 180 MHz |
± 6 dB |
± 6 dB |
|
Công suất bức xạ RF hiệu dụng từ 180 MHz đến 4 GHz |
± 4 dB |
± 6 dB |
|
Công suất bức xạ RF hiệu dụng từ 4 GHz đến 12,75 GHz |
± 6 dB |
± 9 dB |
|
Công suất truyền dẫn RF |
± 1 dB |
± 1 dB |
|
CHÚ THÍCH: Giá trị này có thể giảm xuống ± 6 dB khi có thêm thông tin về đặc tính bức xạ điện thế của EUT. |
||
CHÚ THÍCH 1: Đối với các đo kiểm RF, phải chú ý rằng độ không đảm bảo trong các Bảng 25 và 25a áp dụng cho Hệ đo kiểm hoạt động với tải danh định 50Ω và không bao gồm các hiệu ứng của hệ vì sự không thích ứng giữa EUT và Hệ đo kiểm.
CHÚ THÍCH 2: Phần 2, Phụ lục G của TR 100 028 hướng dẫn cách tính toán các thành phần của độ không đảm bảo liên quan đến sự không thích ứng.
CHÚ THÍCH 3: Nếu Hệ đo kiểm đối với phép đo kiểm có độ không đảm bảo đo lớn hơn mức đã chỉ định trong các Bảng 25 và 25a, thì thiết bị này có thể vẫn được sử dụng, với điều kiện phải thực hiện điều chỉnh như sau:
Bất cứ độ không đảm bảo sinh ra thêm trong Hệ đo kiểm vượt quá độ không đảm bảo đã chỉ định trong các Bảng 25 và 25a đều phải được sử dụng để siết chặt các Yêu cầu đo kiểm - làm cho phép đo kiểm khó được thông qua hơn (với một số đo kiểm, ví dụ các phép đo kiểm ở máy thu, điều này có thể yêu cầu thay đổi các tín hiệu kích thích).
3.3. Đo kiểm các tham số thiết yếu cho phần vô tuyến
3.3.1. Đo kiểm mặt nạ phổ phát xạ
3.3.1.1. Các điều kiện ban đầu
Môi trường đo kiểm: Bình thường; xem B.1, Phụ lục B.
1) Bố trí thiết bị như đã chỉ ra trong Phụ lục D.
2) Đấu nối bộ tạo tín hiệu với cổng vào của thiết bị lặp đối với các phép đo kiểm các thiết bị lặp với băng tần hoạt động tương ứng với một kênh 5 MHz. Nếu băng hoạt động tương ứng với hai hoặc nhiều sóng mang 5 MHz, thì hai bộ tạo tín hiệu với mạch phối hợp hoặc một bộ tạo tín hiệu có khả năng tạo ra nhiều sóng mang WCDMA được đấu nối với đầu vào.
3) Các phép đo với độ lệch cách tần số trung tâm của sóng mang từ 2,515 MHz đến 4,0 MHz phải sử dụng độ rộng băng đo 30 kHz.
4) Các phép đo với độ lệch cách tần số trung tâm của sóng mang từ 4,0 MHz đến (f_offsetmax - 500 kHz) phải sử dụng độ rộng băng đo 1 MHz. Độ rộng băng đo 1 MHz có thể được tính toán bằng cách lấy tích phân nhiều phép đo bộ lọc 50 kHz hoặc hẹp hơn.
5) Chế độ tách sóng: RMS thực.
3.3.1.2. Thủ tục đo kiểm
1) Thiết lập thiết bị lặp đến tăng ích cực đại.
2) Thiết lập (các) bộ phát tín hiệu để tạo (các) tín hiệu theo đúng mô hình đo kiểm 1, Phụ lục C, tại (các) mức tạo ra công suất ra cực đại tại tăng ích cực đại như chỉ định của nhà sản xuất.
3) Đo phát xạ tại các tần số xác định với độ rộng băng tần xác định và chú ý rằng giá trị đo không được vượt quá giá trị quy định.
4) Tăng công suất đầu vào 10 dB so với mức đã đạt được trong bước 2) của 3.3.1.2.
5) Đo phát xạ tại các tần số xác định với độ rộng băng đo xác định và chú ý rằng giá trị đo không được vượt quá giá trị quy định.
6) Lặp lại đo kiểm đối với đường lên của thiết bị lặp.
Các kết quả thu được phải được so sánh với các giới hạn trong 2.2.2.2 để chứng tỏ tính tuân thủ.
3.3.2. Đo kiểm các phát xạ giả
3.3.2.1. Các điều kiện ban đầu
Môi trường đo kiểm: Bình thường; xem B.1, Phụ lục B.
1) Bố trí thiết bị như đã chỉ ra trong Phụ lục D.
2) Đấu nối bộ tạo tín hiệu với cổng vào thiết bị lặp đối với các phép đo kiểm các thiết bị lặp có băng tần hoạt động tương ứng với một kênh 5 MHz. Nếu băng hoạt động tương ứng với hai hay nhiều sóng mang 5 MHz, thì hai bộ tạo tín hiệu với mạch phối hợp hoặc một bộ tạo tín hiệu có khả năng tạo ra nhiều sóng mang WCDMA được đấu nối với đầu vào.
3) Chế độ tách sóng: RMS thực.
3.3.2.2. Thủ tục đo kiểm
1) Thiết lập thiết bị lặp tới tăng ích cực đại.
2) Thiết lập (các) bộ tạo tín hiệu để tạo (các) tín hiệu theo đúng mô hình đo kiểm 1, Phụ lục C, tại (các) mức tạo được công suất ra cực đại với tăng ích cực đại như chỉ định của nhà sản xuất.
3) Thiết bị tách sóng phải được cấu hình với độ rộng băng đo như đã khai báo trong các bảng.
4) Đo phát xạ tại các tần số xác định với độ rộng băng đo xác định và chú ý rằng giá trị đo không được vượt quá giá trị quy định.
5) Tăng công suất đầu vào 10 dB so với mức công suất đạt được trong bước 2) của 3.3.2.2.
6) Đo phát xạ tại các tần số xác định với độ rộng băng đo xác định và chú ý rằng giá trị đo không được vượt quá giá trị quy định.
Các kết quả thu được phải được so sánh với các giới hạn trong 2.2.3.2 để chứng tỏ tính tuân thủ.
3.3.3. Đo kiểm công suất ra cực đại
3.3.3.1. Các điều kiện ban đầu
Môi trường đo kiểm: Bình thường: xem B.1, Phụ lục B và Tới hạn: xem B.2, Phụ lục B.
Ngoài ra, trên một UARFCN duy nhất, đo kiểm phải được thực hiện trong các điều kiện nguồn điện tới hạn như đã quy định trong A.1.
CHÚ THÍCH: Các phép đo kiểm thực hiện với nguồn điện tới hạn và nhiệt độ tới hạn.
1) Bố trí thiết bị như đã chỉ ra trong Phụ lục D
2) Đấu nối thiết bị của bộ tạo tín hiệu với cổng vào thiết bị lặp.
3) Đấu nối thiết bị đo công suất với cổng ra thiết bị lặp.
3.3.3.2. Thủ tục đo kiểm
1) Thiết lập bộ tạo tín hiệu để phát ra tín hiệu đã điều chế với sự phối hợp các kênh PCCPCH, SCCPCH và các kênh vật lý riêng được chỉ định như mô hình đo kiểm trong Phụ lục C.
2) Điều chỉnh công suất vào thiết bị lặp để tạo ra công suất ra danh định cực đại của thiết bị lặp với tăng ích cực đại.
3) Đo công suất trung bình tại cổng ra RF trên khe nào đó.
4) Tăng công suất 10 dB so với mức công suất đạt được trong bước 2) của 3.3.3.2.
5) Đo công suất trung bình tại cổng ra RF trên khe nào đó.
Các kết quả thu được phải được so sánh với các giới hạn trong 2.2.4.2 để chứng tỏ tính tuân thủ.
3.3.4. Đo kiểm xuyên điều chế đầu vào
3.3.4.1. Các điều kiện ban đầu
Môi trường đo kiểm: Bình thường: xem B.1, Phụ lục B.
1) Bố trí thiết bị như đã chỉ ra trong Phụ lục D.
2) Thiết lập thiết bị lặp đến tăng ích cực đại.
3) Đấu nối hai bộ tạo tín hiệu với mạch phối hợp hoặc một bộ tạo tín hiệu có khả năng tạo nhiều sóng mang CW với đầu vào.
4) Đấu nối máy phân tích phổ với đầu ra của thiết bị lặp. Thiết lập độ rộng băng tần phân giải đến 1 MHz ở tâm của băng hoạt động. Thiết lập việc lấy trung bình đến 1s.
3.3.4.2 Thủ tục đo kiểm
1) Điều chỉnh tần số của các tín hiệu vào, hoặc ở dưới hoặc ở trên băng tần hoạt động, sao cho sản phẩm xuyên điều chế bậc thấp nhất được định vị tại tâm của băng tần hoạt động, theo 2.2.5.2.
2) Thực hiện phép đo độ tăng lên của tín hiệu ra.
3) Lặp lại phép đo đối với đường lên của thiết bị lặp.
Các kết quả thu được phải được so sánh với các giới hạn trong 2.2.5.2 để chứng tỏ tính tuân thủ.
3.3.5. Đo kiểm tăng ích ngoài băng
3.3.5.1. Các điều kiện ban đầu
Môi trường đo kiểm: Bình thường; xem B.1, Phụ lục B.
1) Bố trí thiết bị như đã chỉ ra trong Phụ lục D.
2) Đo kiểm phải được thực hiện với độ lệch từ tín hiệu CW đến kênh 5 MHz đầu tiên hoặc cuối cùng trong phạm vi băng tần hoạt động là 2,7 MHz; 3 MHz; 3,5 MHz; 5 MHz; 7,5 MHz; 10 MHz; 12,5 MHz; 15 MHz và 20 MHz, không bao gồm các băng hoạt động khác. Ngoài ra đo kiểm cũng phải được thực hiện đối với tất cả các tần số hài của băng tần hoạt động của các thiết bị lặp lên tới 12,75 GHz.
3.3.5.2. Thủ tục đo kiểm
1) Thiết lập thiết bị lặp tới tăng ích cực đại.
2) Thiết lập bộ phát tín hiệu để tạo tín hiệu CW, đưa tới cổng vào thiết bị lặp. Mức công suất của tín hiệu vào RF ít nhất phải thấp hơn 5 dB so với mức công suất khi tác dụng trong phạm vi băng tần hoạt động, sẽ tạo ra công suất ra biểu kiến cực đại, như khai báo của nhà sản xuất. Mức này đảm bảo rằng thiết bị đang hoạt động trong vùng ra tuyến tính.
3) Công suất ra trung bình trong mỗi trường hợp phải được đo bằng cách sử dụng máy phân tích phổ đấu nối với cổng ra thiết bị lặp và tăng ích thực phải được ghi lại và được so sánh với giá trị thấp hơn trong các Bảng 21 hoặc 22.
4) Với cùng một công suất vào như trong bước 1) của 3.3.5.2, thiết lập tăng ích của thiết bị lặp tới giá trị tối thiểu được nhà sản xuất chỉ định.
5) Công suất ra trung bình trong mỗi trường hợp phải được đo bằng cách sử dụng máy phân tích phổ đấu nối với cổng ra thiết bị lặp và tăng ích thực phải được ghi lại và được so sánh với giá trị thấp hơn trong các Bảng 21 hoặc 22.
Các kết quả thu được phải được so sánh với các giới hạn trong 2.2.6.2 để chứng tỏ tính tuân thủ.
3.3.6. Đo kiểm hệ số nén kênh lân cận
3.3.6.1. Các điều kiện ban đầu
Môi trường đo kiểm: Bình thường; xem B.1, Phụ lục B.
1) Bố trí thiết bị như đã chỉ ra trong Phụ lục D.
2) Đấu nối bộ tạo tín hiệu với cổng vào thiết bị lặp.
3) Đấu nối thiết bị đo công suất với cổng ra thiết bị lặp.
4) Các đặc tính của thiết bị đo phải là:
- Độ rộng băng bộ lọc đo: được xác định trong 2.2.7.1.
- Chế độ tách sóng: điện áp RMS thực hoặc công suất trung bình thực.
3.3.6.2 Thủ tục đo kiểm
1) Thiết lập bộ tạo tín hiệu để phát tín hiệu điều chế với sự phối hợp các kênh PCCPCH, SCCPCH và kênh vật lý riêng được chỉ định như mô hình đo kiểm trong Phụ lục C tại kênh 5 MHz đầu tiên hoặc cuối cùng trong phạm vi của băng thông.
2) Điều chỉnh công suất vào thiết bị lặp để tạo ra công suất ra danh định cực đại của thiết bị lặp với tăng ích cực đại.
3) Đo công suất trung bình đã lọc RRC tại cổng ra RF trên khe nào đó.
4) Thiết lập bộ tạo tín hiệu để phát cùng một tín hiệu và cùng một công suất vào tại một trong số các độ lệch kênh theo Bảng 23.
5) Đo công suất trung bình đã lọc RRC tại cổng ra RF trên khe nào đó.
6) Tính tỷ số của công suất đo được trong băng thông trên công suất đo được tại độ lệch kênh.
7) Lặp lại từ bước 4) đến 6) của 3.3.6.2 cho đến khi toàn bộ độ lệch kênh trong Bảng 23 đều được đo.
Các kết quả thu được phải được so sánh với các giới hạn trong 2.2.7.2 để chứng tỏ tính tuân thủ.
3.3.7. Đo kiểm xuyên điều chế đầu ra
3.3.7.1. Các điều kiện ban đầu
Môi trường đo kiểm: Bình thường; xem B.1, Phụ lục B.
1) Bố trí thiết bị như đã chỉ ra trong Phụ lục D.
2) Đấu nối bộ tạo tín hiệu với cổng vào của thiết bị lặp đối với các phép đo kiểm các thiết bị lặp với băng tần hoạt động tương ứng với một kênh 5 MHz. Đấu nối bộ tạo tín hiệu với circulator ở cổng ra và đảm bảo rằng công suất của bộ tạo tín hiệu được gửi đến cổng ra thiết bị lặp.
3) Các phép đo với độ lệch cách tần số trung tâm sóng mang từ 2,515 MHz đến 4,0 MHz phải sử dụng độ rộng băng đo 30 kHz.
4) Các phép đo với độ lệch cách tần số trung tâm sóng mang từ 4,0 MHz đến (∆fmax - 500 kHz) phải sử dụng độ rộng băng đo 1 MHz. Độ rộng băng đo 1 MHz có thể được tính bằng cách lấy tích phân nhiều phép đo bộ lọc 50 kHz hoặc hẹp hơn.
5) Chế độ tách sóng: RMS thực
3.3.7.2. Thủ tục đo kiểm
1) Thiết lập thiết bị lặp đến tăng ích cực đại.
2) Thiết lập bộ tạo tín hiệu tại cổng vào thiết bị lặp (tín hiệu chính) để tạo tín hiệu theo đúng mô hình đo kiểm 1 (Phụ lục C), tại mức tạo ra công suất ra cực đại với tăng ích cực đại như chỉ định của nhà sản xuất.
3) Thiết lập bộ tạo tín hiệu tại cổng ra thiết bị lặp (tín hiệu nhiễu) để tạo tín hiệu theo đúng mô hình đo kiểm 1 (Phụ lục C), tại mức tạo ra công suất tín hiệu tương ứng với 30 dB dưới công suất ra cực đại như chỉ định của nhà sản xuất tại cổng ra thiết bị lặp với độ lệch tần số xác định cách tín hiệu mong muốn.
4) Đo phát xạ tại các tần số xác định với độ rộng băng tần đo xác định và chú ý rằng giá trị đo không được vượt quá giá trị quy định. Các phép đo trong băng của tín hiệu gây nhiễu phải được loại trừ. Các phép đo có thể được giới hạn đến công suất của tất cả các sản phẩm xuyên điều chế bậc ba và bậc năm.
5) Lặp lại từ bước 3 cho đến khi độ lệch tần số ±5 MHz, ±10 MHz và ±15 MHz của các tín hiệu nhiễu cách tín hiệu mong muốn được đo kiểm. Chú ý rằng các tín hiệu gây nhiễu bên ngoài băng tần phân bổ UTRA-FDD, như chỉ định theo 2.1 không cần phải đo kiểm.
Các kết quả thu được phải được so sánh với các giới hạn trong 2.2.8.2 để chứng tỏ tính tuân thủ.
3.3.8. Đo kiểm các phát xạ bức xạ
3.3.8.1. Phương pháp đo kiểm
1) Phải sử dụng vị trí đo kiểm đáp ứng được các yêu cầu của Khuyến nghị SM.329-10 của ITU-R. EUT phải được đặt trên giá đỡ không dẫn điện và phải được vận hành từ nguồn điện qua bộ lọc RF để tránh sự bức xạ từ các dây dẫn điện.
Công suất trung bình của mọi thành phần tạp phải được tách sóng bởi anten đo kiểm và máy thu đo (ví dụ máy phân tích phổ). Tại mỗi tần số mà thành phần được tách sóng, EUT phải được quay và độ cao của anten đo kiểm được điều chỉnh để thu được đáp tuyến cực đại và Công suất bức xạ hiệu dụng (E.R.P) của thành phần đó được xác định bằng phép đo thay thế. Phép đo phải được lặp lại với anten đo kiểm trong mặt phẳng phân cực trực giao.
CHÚ THÍCH: Công suất bức xạ hiệu dụng (E.R.P) có liên quan với bức xạ của ngẫu cực điều hưởng nửa bước sóng thay cho anten đẳng hướng. Độ chênh lệch không đổi là 2,15 dB giữa e.i.r.p và E.R.P.
E.R.P (dBm) = e.i.r.p. (dBm) - 2,15 (Khuyến nghị ITU-R SM.329, Phụ lục 1).
2) BS phải phát với công suất cực đại được nhà sản xuất khai báo với tất cả máy phát hoạt động.
Thiết lập trạm gốc để phát tín hiệu như đã chỉ rõ trong phần áp dụng được để đo các phát xạ giả.
Trong trường hợp có thiết bị lặp, tăng ích và công suất ra phải được điều chỉnh đến giá trị cực đại như nhà sản xuất đã khai báo. Sử dụng tín hiệu vào như đã chỉ rõ trong phần áp dụng được để đo các phát xạ giả.
3) Độ rộng băng tần video phải xấp xỉ bằng ba lần độ rộng băng tần phân giải.
Nếu độ rộng băng tần video này không khả dụng ở máy thu đo, nó phải có giá trị cực đại và ít nhất bằng 1 MHz.
3.3.8.2. Các cấu hình đo kiểm
Mục này xác định các cấu hình cho các phép đo phát xạ như sau:
· Thiết bị phải được đo kiểm trong các điều kiện đo kiểm bình thường như đã quy định trong các tiêu chuẩn chức năng;
· Cấu hình đo kiểm phải càng gần với sự sử dụng thông thường càng tốt;
· Nếu thiết bị là một phần của hệ thống, hoặc có thể được kết nối với thiết bị phụ, thì có thể được chấp nhận để đo kiểm thiết bị khi được kết nối với cấu hình tối thiểu của thiết bị phụ cần thiết để sử dụng các cổng;
· Nếu thiết bị có nhiều cổng, thì phải lựa chọn đủ số cổng để mô phỏng các điều kiện hoạt động thực tế và đảm bảo cho mọi loại thiết bị đầu cuối khác đều được đo kiểm;
· Các điều kiện đo kiểm, các cấu hình đo kiểm và chế độ hoạt động phải được ghi lại trong báo cáo đo kiểm;
· Các cổng được kết nối trong điều kiện hoạt động bình thường, phải được kết nối với thiết bị phụ hoặc đoạn cáp đại diện được kết cuối đúng cách thức để mô phỏng các đặc tính vào/ra của thiết bị phụ. Các cổng vào/ra Tần số vô tuyến (RF) phải được kết cuối đúng cách thức;
· Các cổng không được kết nối với các cáp trong điều kiện hoạt động bình thường, ví dụ các đầu nối dịch vụ, các đầu nối lập trình, các đầu nối tạm thời... không được kết nối với bất cứ cáp nào dùng cho mục đích đo kiểm này. Tại nơi các cáp phải được kết nối với các cổng này, hoặc các cáp liên kết phải được kéo dài thêm để sử dụng EUT, phải đề phòng sao cho việc đánh giá EUT không bị ảnh hưởng bởi việc bổ sung hoặc việc kéo dài các cáp này.
Đối với EUT chứa nhiều BS, chỉ cần thực hiện các đo kiểm liên quan đến các đầu nối của mỗi loại đại diện của bộ phận tạo thành BS của EUT.
Đối với EUT chứa nhiều thiết bị lặp, chỉ cần thực hiện các đo kiểm liên quan đến các đầu nối của mỗi loại đại diện của bộ phận tạo thành thiết bị lặp của EUT.
Theo ý kiến của nhà sản xuất, đo kiểm có thể được thực hiện riêng biệt trên thiết bị phụ hoặc trên cấu hình đại diện của tổ hợp thiết bị vô tuyến và thiết bị phụ.
Trong mỗi trường hợp, EUT được đo kiểm dựa vào tất cả các mục áp dụng được về phát xạ của quy chuẩn này và trong mỗi trường hợp, sự tuân thủ cho phép thiết bị phụ được sử dụng với thiết bị vô tuyến khác.
Các kết quả thu được phải được so sánh với các giới hạn trong 2.2.9.2 để chứng tỏ tính tuân thủ.
4. Quy định về quản lý
4.1. Các thiết bị lặp của hệ thống thông tin di động IMT-2000 CDMA trải phổ trực tiếp W-CDMA (UTRA FDD) phải tuân thủ các yêu cầu kỹ thuật quy định trong Quy chuẩn này.
4.2. Yêu cầu đánh giá phù hợp của thiết bị với Quy chuẩn này được quy định cụ thể theo bảng sau:
Bảng 26. Yêu cầu đánh giá phù hợp của thiết bị
|
Nội dung |
Yêu cầu kỹ thuật |
Đánh giá phù hợp |
Tham chiếu |
|
1 |
Mặt nạ phổ phát xạ |
Đánh giá hợp quy |
2.2.2 |
|
2 |
Các phát xạ giả |
Đánh giá hợp quy |
2.2.3 |
|
3 |
Công suất ra cực đại |
Đánh giá hợp quy |
2.2.4 |
|
4 |
Xuyên điều chế đầu vào |
Đánh giá hợp quy |
2.2.5 |
|
5 |
Độ tăng ích ngoài băng |
Đánh giá hợp quy |
2.2.6 |
|
6 |
Hệ số nén kênh lân cận |
Đánh giá hợp quy |
2.2.7 |
|
7 |
Xuyên điều chế đầu ra |
Đánh giá hợp quy |
2.2.8 |
|
8 |
Các phát xạ bức xạ |
Đánh giá hợp quy |
2.2.9 |
5. Trách nhiệm của tổ chức, cá nhân
Các tổ chức, cá nhân liên quan có trách nhiệm thực hiện chứng nhận hợp quy và công bố hợp quy các thiết bị lặp của hệ thống thông tin di động IMT-2000 CDMA trải phổ trực tiếp W-CDMA FDD (UTRA FDD) và chịu sự kiểm tra của cơ quan quản lý nhà nước theo các quy định hiện hành.
6. Tổ chức thực hiện
6.1. Cục Viễn thông và các Sở Thông tin và Truyền thông có trách nhiệm tổ chức hướng dẫn, triển khai quản lý các thiết bị lặp thông tin di động IMT-2000 CDMA trải phổ trực tiếp W-CDMA FDD theo Quy chuẩn này.
6.2. Trong trường hợp các quy định nêu tại Quy chuẩn này có sự thay đổi, bổ sung hoặc được thay thế thì thực hiện theo các quy định tại văn bản mới.
PHỤ LỤC A
(Quy định)
CÁC CẤU HÌNH THIẾT BỊ LẶP
A.1. Nguồn điện
Khi các điều kiện về nguồn điện tới hạn đã được chỉ định cho đo kiểm, đo kiểm phải thực hiện tại các giới hạn chuẩn trên và chuẩn dưới của điện áp hoạt động được xác định theo khai báo của nhà sản xuất cho thiết bị cần đo kiểm.
Giới hạn điện áp trên:
Phải cung cấp cho thiết bị một điện áp bằng giới hạn trên theo khai báo của nhà sản xuất (khi đo tại các đầu vào thiết bị). Các đo kiểm phải thực hiện tại các giới hạn nhiệt độ tối thiểu và tối đa ở trạng thái ổn định theo khai báo của nhà sản xuất cho thiết bị, với các phương pháp được mô tả trong IEC 60 068-2-1 và IEC 60 068-2-2.
Giới hạn điện áp dưới:
Phải cung cấp cho thiết bị một điện áp bằng giới hạn dưới theo khai báo của nhà sản xuất (khi đo tại các đầu vào thiết bị). Các đo kiểm phải thực hiện tại các giới hạn nhiệt độ tối thiểu và tối đa ở trạng thái ổn định theo khai báo của nhà sản xuất cho thiết bị, với các phương pháp mô tả trong IEC 60 068-2-1 và IEC 60 068-2-2.
A.2. Các phương án chọn nguồn điện
Nếu thiết bị lặp được cung cấp bằng một số cấu hình nguồn điện khác nhau, thì có thể không cần thiết đo kiểm các tham số RF đối với mỗi phương án chọn nguồn điện, với điều kiện có thể chứng minh được rằng dải điều kiện trên đó thiết bị được đo kiểm ít nhất phải lớn bằng dải điều kiện do bất cứ cấu hình nào của nguồn điện.
A.3. Phối hợp các thiết bị lặp
Nếu thiết bị lặp được dự kiến phối hợp với thiết bị bổ sung được đấu nối với cổng thiết bị lặp và sự phối hợp này được cung cấp như một hệ thống, thì sự phối hợp của thiết bị lặp với thiết bị bổ sung cũng phải đáp ứng các yêu cầu của thiết bị lặp. Ví dụ, nếu thiết bị lặp được dự kiến để phối hợp sao cho nhiều thiết bị lặp khuếch đại các tín hiệu như nhau vào trong các cổng như nhau, thì sự phối hợp này cũng phải đáp ứng các yêu cầu của thiết bị lặp.
Ví dụ về cấu hình phối hợp các thiết bị lặp được mô tả trong Hình A.1.

Hình A.1. Ví dụ về cấu hình thiết bị lặp
PHỤ LỤC B
(Quy định)
YÊU CẦU ĐỐI VỚI ĐIỀU KIỆN MÔI TRƯỜNG
Các điều kiện môi trường sau đây phải được nhà cung cấp khai báo:
- Áp lực của không khí: tối thiểu và tối đa;
- Nhiệt độ: tối thiểu và tối đa;
- Độ ẩm tương đối: tối thiểu và tối đa;
- Nguồn điện: giới hạn trên và dưới của điện áp.
B.1. Môi trường đo kiểm bình thường
Khi môi trường đo kiểm bình thường được chỉ định cho đo kiểm, đo kiểm phải thực hiện trong các giới hạn tối thiểu và tối đa của các điều kiện được chỉ rõ trong Bảng B.1:
Bảng B.1. Giới hạn của các điều kiện cho môi trường đo kiểm bình thường
|
Điều kiện |
Tối thiểu |
Tối đa |
|
Áp suất không khí |
86 kPa |
106 kPa |
|
Nhiệt độ |
15oC |
30 oC |
|
Độ ẩm tương đối |
20% |
85% |
|
Nguồn điện |
Danh định, như khai báo của nhà sản xuất |
|
|
Độ rung |
Không đáng kể |
|
Các dải áp suất không khí, nhiệt độ và độ ẩm tương ứng với sự thay đổi tối đa được trông đợi trong môi trường không bị kiểm tra của phòng thí nghiệm đo kiểm. Nếu không thể duy trì các tham số này trong phạm vi các giới hạn đã chỉ định, các giá trị thực tế phải được ghi lại trong báo cáo đo kiểm.
B.2. Môi trường đo kiểm tới hạn
Nhà sản xuất phải khai báo một trong những điều sau đây:
1) Loại thiết bị đối với thiết bị cần đo kiểm, như được định nghĩa trong IEC 60 721-3-3;
2) Loại thiết bị đối với thiết bị cần đo kiểm, như được định nghĩa trong IEC 60 721-3-4;
3) Thiết bị không tuân theo các loại đã đề cập, các loại có liên quan dựa vào tài liệu IEC 60 721 về Nhiệt độ, Độ ẩm và Độ rung, phải được khai báo.
CHÚ THÍCH: Tính chức năng bị suy giảm đối với các điều kiện nằm ngoài các điều kiện hoạt động chuẩn không được đo kiểm trong quy chuẩn này. Tính chức năng bị suy giảm có thể được khai báo và đo kiểm riêng.
B.2.1. Nhiệt độ tới hạn
Khi môi trường đo kiểm nhiệt độ tới hạn được chỉ định cho đo kiểm, đo kiểm phải thực hiện tại các nhiệt độ hoạt động tối thiểu và tối đa chuẩn được xác định theo khai báo của nhà sản xuất cho thiết bị cần đo kiểm.
Nhiệt độ tối thiểu:
Đo kiểm phải thực hiện với thiết bị và các phương pháp đo kiểm môi trường bao gồm cả các hiện tượng môi trường được quy định bên trong thiết bị, tuân theo thủ tục đo kiểm của TCVN 7699-2-1:2007.
Nhiệt độ tối đa:
Đo kiểm phải thực hiện với thiết bị và các phương pháp đo kiểm môi trường bao gồm cả các hiện tượng môi trường được quy định bên trong thiết bị, tuân theo thủ tục đo kiểm của IEC 60 068-2-2.
CHÚ THÍCH: Khuyến nghị rằng thiết bị được thiết lập hoàn toàn sử dụng được trước khi thiết bị được đo ở nhiệt độ hoạt động cận dưới của nó.
B.3. Độ rung
Khi các điều kiện về độ rung được chỉ định cho đo kiểm, đo kiểm phải thực hiện trong khi thiết bị được rung theo trình tự xác định theo khai báo của nhà sản xuất cho thiết bị cần được đo kiểm. Đo kiểm phải sử dụng thiết bị đo kiểm môi trường và các phương pháp gây ra các hiện tượng môi trường được quy định bên trong thiết bị, tuân theo thủ tục đo kiểm của TCVN 7699-2-6:2009. Các điều kiện môi trường khác phải nằm trong phạm vi các dải điều kiện môi trường đã chỉ định trong B.1.
CHÚ THÍCH: Các mức rung cao hơn có thể gây ra ứng suất vật lý quá mức bên trong thiết bị sau đợt đo kiểm kéo dài. Nhóm đo kiểm chỉ nên làm rung thiết bị trong quá trình đo RF.
PHỤ LỤC C
(Quy định)
MÔ HÌNH ĐO KIỂM
Mô hình này phải được dùng đối với các phép đo kiểm trên:
- Độ rộng băng tần bị chiếm;
- Mặt nạ phổ phát xạ;
- ACRR;
- Các phát xạ giả;
- Xuyên điều chế phát;
- Công suất ra cực đại của trạm gốc;
- Dải động của tổng công suất (tại Pmax);
- Sai số tần số (tại Pmax);
- Cường độ vector sai số (tại Pmax);
- Mặt nạ thời gian IPDL.
64 DPCH ở 30 ksps (SF = 128) được phân bố ngẫu nhiên qua không gian mã, ở các mức công suất ngẫu nhiên và các độ lệch định thời ngẫu nhiên được xác định để mô phỏng một kịch bản lưu lượng thực tế, kịch bản này có thể có PAR cao.
Thực tế, không phải mọi sự bổ sung trạm gốc đều sẽ hỗ trợ 64 DPCH, các biến thức của mô hình đo kiểm này gồm 32 DPCH và 16 DPCH cũng được chỉ định. Đo kiểm tuân thủ phải được thực hiện bằng cách sử dụng phương án chọn lớn nhất trong số ba phương án chọn này mà có thể được thiết bị cần đo kiểm hỗ trợ.
“Phân số công suất” liên quan đến công suất ra cực đại trên giao diện anten TX cần đo kiểm.
Bảng C.1. Các kênh hoạt động của mô hình đo kiểm.
|
Loại |
Số kênh |
Phân số công suất (%) |
Điều chỉnh mức (dB) |
Mã phân kênh |
Độ lệch định thời (x256 Tchip) |
|
P-CCPCH+SCH |
1 |
10 |
-10 |
1 |
0 |
|
CPICH sơ cấp |
1 |
10 |
-10 |
0 |
0 |
|
PICH |
1 |
1.6 |
-18 |
16 |
120 |
|
S-CCPCH chứa PCH (SF=256) |
1 |
1.6 |
-18 |
3 |
0 |
|
DPCH (SF=128) |
16/32/64 |
76.8 |
Xem Bảng C.2 |
Xem Bảng C.2 |
Xem Bảng C.2 |
Bảng C.2. Mã trải phổ DPCH, các độ lệch định thời và điều chỉnh mức cho Mô hình đo kiểm 1
|
Mã |
Độ lệch định thời (x256Tchip) |
Điều chỉnh mức (dB) (16 mã) |
Điều chỉnh mức (dB) (32 mã) |
Điều chỉnh mức (dB) (64 mã) |
|
2 |
86 |
-10 |
-13 |
-16 |
|
11 |
134 |
-12 |
-13 |
-16 |
|
17 |
52 |
-12 |
-14 |
-16 |
|
23 |
45 |
-14 |
-15 |
-17 |
|
31 |
143 |
-11 |
-17 |
-18 |
|
38 |
112 |
-13 |
-14 |
-20 |
|
47 |
59 |
-17 |
-16 |
-16 |
|
55 |
23 |
-16 |
-18 |
-17 |
|
62 |
1 |
-13 |
-16 |
-16 |
|
69 |
88 |
-15 |
-19 |
-19 |
|
78 |
30 |
-14 |
-17 |
-22 |
|
85 |
18 |
-18 |
-15 |
-20 |
|
94 |
30 |
-19 |
-17 |
-16 |
|
102 |
61 |
-17 |
-22 |
-17 |
|
113 |
128 |
-15 |
-20 |
-19 |
|
119 |
143 |
-9 |
-24 |
-21 |
|
7 |
83 |
|
-20 |
-19 |
|
13 |
25 |
|
-18 |
-21 |
|
20 |
103 |
|
-14 |
-18 |
|
27 |
97 |
|
-14 |
-20 |
|
35 |
56 |
|
-16 |
-24 |
|
41 |
104 |
|
-19 |
-24 |
|
51 |
51 |
|
-18 |
-22 |
|
58 |
26 |
|
-17 |
-21 |
|
64 |
137 |
|
-22 |
-18 |
|
74 |
65 |
|
-19 |
-20 |
|
82 |
37 |
|
-19 |
-17 |
|
88 |
125 |
|
-16 |
-18 |
|
97 |
149 |
|
-18 |
-19 |
|
108 |
123 |
|
-15 |
-23 |
|
117 |
83 |
|
-17 |
-22 |
|
125 |
5 |
|
-12 |
-21 |
|
4 |
91 |
|
|
-17 |
|
9 |
7 |
|
|
-18 |
|
12 |
32 |
|
|
-20 |
|
14 |
21 |
|
|
-17 |
|
19 |
29 |
|
|
-19 |
|
22 |
59 |
|
|
-21 |
|
26 |
22 |
|
|
-19 |
|
28 |
138 |
|
|
-23 |
|
34 |
31 |
|
|
-22 |
|
36 |
17 |
|
|
-19 |
|
40 |
9 |
|
|
-24 |
|
44 |
69 |
|
|
-23 |
|
49 |
49 |
|
|
-22 |
|
53 |
20 |
|
|
-19 |
|
56 |
57 |
|
|
-22 |
|
61 |
121 |
|
|
-21 |
|
63 |
127 |
|
|
-18 |
|
66 |
114 |
|
|
-19 |
|
71 |
100 |
|
|
-22 |
|
76 |
76 |
|
|
-21 |
|
80 |
141 |
|
|
-19 |
|
84 |
82 |
|
|
-21 |
|
87 |
64 |
|
|
-19 |
|
91 |
149 |
|
|
-21 |
|
95 |
87 |
|
|
-20 |
|
99 |
98 |
|
|
-25 |
|
105 |
46 |
|
|
-25 |
|
110 |
37 |
|
|
-25 |
|
116 |
87 |
|
|
-24 |
|
118 |
149 |
|
|
-22 |
|
122 |
85 |
|
|
-20 |
|
126 |
69 |
|
|
-15 |
PHỤ LỤC D
(Quy định)
SƠ ĐỒ HỆ ĐO THIẾT BỊ LẶP
D.1. Công suất ra cực đại

Hình D.1. Sơ đồ hệ đo công suất ra cực đại
Chú ý rằng thiết bị lặp là thiết bị hai chiều. Bộ tạo tín hiệu có thể cần bảo vệ.
D.2. Tăng ích ngoài băng

Hình D.2. Sơ đồ hệ đo tăng ích ngoài băng
Chú ý rằng thiết bị lặp là thiết bị hai chiều. Bộ tạo tín hiệu có thể cần bảo vệ.
D.3. Phát xạ không mong muốn: Mặt nạ phổ phát xạ

Hình D.3. Sơ đồ hệ đo phát xạ không mong muốn: mặt nạ phổ phát xạ
Chú ý rằng thiết bị lặp là thiết bị hai chiều. Bộ tạo tín hiệu có thể cần bảo vệ.
D.4. Phát xạ không mong muốn: Phát xạ giả

Hình D.4. Sơ đồ hệ đo phát xạ không mong muốn: phát xạ giả
Chú ý rằng thiết bị lặp là thiết bị hai chiều. Bộ tạo tín hiệu có thể cần bảo vệ.
D.5. Xuyên điều chế đầu vào

Hình D.5. Sơ đồ hệ đo xuyên điều chế đầu vào
Chú ý rằng thiết bị lặp là thiết bị hai chiều. Bộ tạo tín hiệu có thể cần bảo vệ.
D.6. Xuyên điều chế đầu ra

Hình D.6. Sơ đồ hệ đo xuyên điều chế đầu ra
Chú ý rằng thiết bị lặp là thiết bị hai chiều. Bộ tạo tín hiệu có thể cần bảo vệ.
Chỉ cần đến bộ lọc kênh 5 MHz nếu bộ tạo tín hiệu WCDMA không đáp ứng được yêu cầu phát xạ không mong muốn đối với các trạm gốc (ETSI TS 125.141, theo 6.5) với ít nhất 10 dB trong sơ đồ đã mô tả.
THƯ MỤC TÀI LIỆU THAM KHẢO
[1] ETSI EN 301 908-11 V2.3.1 (2004-10): "Electromagnetic compatibility and Radio spectrum Matters (ERM); Base Stations (BS), Repeaters and User Equipment (UE) for IMT-2000 Third-Generation cellular network; Part 11: Harmonized EN for IMT-2000, CDMA Direct Spread (UTRA FDD) (Repeaters) covering essential requirements of article 3.2 of the R&TTE Directive".
[2] ETSI EN 301 908-1 V2.2.1 (2003-10): "Electromagnetic compatibility and Radio spectrum Matters (ERM); Base Stations (BS), Repeaters and User Equipment (UE) for IMT-2000 Third-Generation cellular network; Part 1: "Harmonized EN for IMT-2000, introduction and common requirements, covering essential requirements of article 3.2 of the R&TTE Directive".
[3] Directive 1999/5/EC of the European Parliament and of the Council of 9 March 1999 on radio equipment and telecommunications terminal equipment and the mutual recognition of their conformity (R&TTE Directive).
[4] Council Directive 89/336/EEC of 3 May 1989 on the approximation of the laws of the Member States relating to electromagnetic compatibility (EMC Directive).
QCVN 67: 2013/BTTTT
QUY CHUẨN KỸ THUẬT QUỐC GIA
VỀ THIẾT BỊ TRẠM MẶT ĐẤT INMARSAT F77 SỬ DỤNG TRÊN TÀU BIỂN
National technical regulation on Inmarsat F77 ship earth station equipment
Lời nói đầu
QCVN 67: 2013/BTTTT được xây dựng trên cơ sở chấp nhận áp dụng có sửa đổi các tiêu chuẩn IEC 61097-13, IEC 60945 của Ủy ban Kỹ thuật Điện Quốc tế (International Electrotechnical Commission - IEC).
QCVN 67: 2013/BTTTT do Cục Viễn thông soát xét và hoàn chỉnh, Vụ Khoa học và Công nghệ trình duyệt và được ban hành kèm theo Thông tư số 01/2013/BTTTT ngày 10 tháng 01 năm 2013 của Bộ trưởng Bộ Thông tin và Truyền thông.
MỤC LỤC
1. Quy định chung
1.1. Phạm vi điều chỉnh
1.2. Đối tượng áp dụng
1.3. Tài liệu viện dẫn
1.4. Giải thích từ ngữ
1.5. Chữ viết tắt
2. Quy định kỹ thuật
2.1. Quy định chung
2.1.1. Định nghĩa
2.1.2. Các yêu cầu về lắp đặt thiết bị trạm mặt đất Inmarsat F77 sử dụng trên tàu biển
2.2. Yêu cầu kỹ thuật và Phương pháp đo
2.2.1. Quyền ưu tiên bằng nút cứu nạn
2.2.2. Yêu cầu về môi trường
2.2.3. Yêu cầu về phát xạ điện từ
2.2.4. Miễn nhiễm điện từ
2.2.5. Miễn nhiễm đối với bức xạ tần số vô tuyến
2.2.6. Miễn nhiễm đối với đột biến nhanh trên đường điện a.c, đường tín hiệu và đường điều khiển
2.2.7. Miễn nhiễm đối với xung sét trên đường điện a.c.
2.2.8. Miễn nhiễm đối với biến đổi nguồn ngắn hạn
2.2.9. Miễn nhiễm đối với lỗi nguồn
2.2.10. Miễn nhiễm đối với phóng tĩnh điện
2.2.11. Yêu cầu về nguồn điện
2.2.12. Điều kiện khắc nghiệt
2.2.13. Ngắt nguồn
2.2.14. Yêu cầu về giao diện
3. Quy định về quản lý
4. Trách nhiệm của tổ chức, cá nhân
5. Tổ chức thực hiện
Phụ lục A (Tham khảo): Các yêu cầu liên quan đến lắp đặt
Phụ lục B (Tham khảo): Thu các thông tin an toàn hàng hải (MSI)
QUY CHUẨN KỸ THUẬT QUỐC GIA
VỀ THIẾT BỊ TRẠM MẶT ĐẤT INMARSAT F77 SỬ DỤNG TRÊN TÀU BIỂN
National technical regulation on Inmarsat F77 ship earth station equipment
1. Quy định chung
1.1. Phạm vi điều chỉnh
Quy chuẩn này quy định yêu cầu kỹ thuật về tương thích điện từ, miễn nhiễm điện từ, các đặc tính kỹ thuật và phương pháp đo kiểm đối với thiết bị trạm mặt đất Inmarsat F77 sử dụng trên tàu biển (SES) thuộc hệ thống thông tin an toàn và cứu nạn hàng hải toàn cầu GMDSS.
1.2. Đối tượng áp dụng
Quy chuẩn kỹ thuật này áp dụng cho các tổ chức, cá nhân Việt Nam và nước ngoài có hoạt động sản xuất, kinh doanh các thiết bị thuộc phạm vi điều chỉnh của Quy chuẩn này trên lãnh thổ Việt Nam.
1.3. Tài liệu viện dẫn
QCVN 18: 2010/BTTTT, Quy chuẩn kỹ thuật quốc gia về tương thích điện từ đối với thiết bị thông tin vô tuyến điện;
TCVN 7189: 2009, Thiết bị công nghệ thông tin - Đặc tính nhiễu tần số vô tuyến - Giới hạn và phương pháp đo;
TCVN 8241-4-2: 2009, Tương thích điện từ (EMC) - Phần 4-2: Phương pháp đo và thử - Miễn nhiễm đối với hiện tượng phóng tĩnh điện;
TCVN 8241-4-3: 2009, Tương thích điện từ - Phần 4-3: Phương pháp đo và thử - Miễn nhiễm đối với nhiễu phát xạ tần số vô tuyến;
TCVN 8241-4-5: 2009, Tương thích điện từ (EMC) - Phần 4-5: Phương pháp đo và thử - Miễn nhiễm đối với xung;
TCVN 8241-4-6: 2009, Tương thích điện từ (EMC) - Phần 4-6: Phương pháp đo và thử - Miễn nhiễm đối với nhiễu dẫn tần số vô tuyến;
TCVN 8241-4-11: 2009, Tương thích điện từ - Phần 4-11: Phương pháp đo và thử - Miễn nhiễm đối với các hiện tượng sụt áp, gián đoạn ngắn và biến đổi điện áp;
TCVN 7699-2-6:2009, Thử nghiệm môi trường. Phần 2-6: Các thử nghiệm. Thử nghiệm Fc: Rung (Hình Sin);
IEC 60945, Maritime navigation and radio communication equipment and systems - General requirements - Methods of testing and required test results;
IEC 61162 (all parts), Maritime navigation and radio communication equipment and systems - Digital interfaces;
IEC 61162-1, Maritime navigation and radio communication equipment and systems - Digital interfaces - Part 1: Single talker and multiple listeners;
IEC 61000-4-4 Electromagnetic compatibility (EMC) - Part 4: Testing and measurement techniques - Section 4: Electrical fast transient/burstimmunity test - Basic EMC publication;
IMO International Convention for the Safety of Life;
IMO Resolution A.694(17), General requirements for shipborne radio equipment forming part of the global maritime distress and safety system (GMDSS) and for electronic navigational aids;
IMO Resolution A.888(17) Criteria for provision of mobile-satellite communication systems in the Global Maritime Distress and Safety System (GMDSS);
IMO Resolution MSC.130(75), Performance standards for INMARSAT ship earth stations capable of two-way communications;
IMO MSC Circular 862, Clarifications of certain requirements in IMO performance standards for GMDSS equipment;
INMARSAT mini-M SDM Change Note No. 65.
1.4. Giải thích từ ngữ
1.4.1. Tỷ số mật độ công suất sóng mang/nhiễu (carrier - to - noise density ratio)
Tỷ số mật độ công suất sóng mang/nhiễu là tỷ số công suất sóng mang không điều chế trên mật độ tạp âm trong độ rộng băng 1 Hz.
1.4.2. Băng L (L-band)
Băng L là băng tần số cấp phát cho dịch vụ di động vệ tinh từ 1,4 GHz đến 1,7 GHz.
1.4.3. Băng thông cần thiết (necessary bandwidth)
Băng thông cần thiết là độ rộng băng tần đủ để đảm bảo tốc độ truyền tải thông tin và đạt chất lượng yêu cầu trong các điều kiện cho trước ứng với một loại phát xạ.
1.4.4. Phát xạ ngoài băng (out-of-band emission)
Phát xạ ngoài băng là phát xạ tại một hay nhiều tần số nằm ngoài băng tần cần thiết phát sinh từ quá trình điều chế, không bao gồm phát xạ giả.
1.4.5. Kiểm tra chất lượng (performance check)
Kiểm tra chất lượng là phép kiểm tra chức năng ngắn tiến hành trong hoặc sau phép kiểm tra kỹ thuật để xác nhận tình trạng hoạt động của thiết bị.
1.4.6. Đo kiểm chất lượng (performance test)
Đo kiểm chất lượng là một hay một nhóm phép đo tiến hành trong hoặc sau phép kiểm tra kỹ thuật để xác nhận thiết bị tuân thủ các tham số được quy định trong quy chuẩn.
1.4.7. Thiết bị kiểm tra lớp vật lý (physical layer test-set - PLT)
Thiết bị kiểm tra giả lập kết nối giữa vệ tinh Inmarsat và Thiết bị đài tàu biển Inmarsat F77. PLT nối với EUT tại băng L bằng ăng ten hoặc qua cáp đồng trục cho phép thực hiện các cuộc gọi thoại theo giao thức tương đương của Inmarsat F77.
1.4.8. Nhiễu tần số vô tuyến (radiofrequency hazards)
Nhiễu tần số vô tuyến là nhiễu gây ra bởi phát xạ điện từ ở tần số vô tuyến. Trong phạm vi phát xạ do thiết bị gây ra, mức nhiễu cần tuân thủ các yêu cầu về an toàn.
1.4.9. SafetyNet
SafetyNET là dịch vụ phát quảng bá cung cấp cho các tàu biển có gắn thiết bị Inmarsat-C chuyên dụng các thông tin an toàn hàng hải, như cảnh bảo cứu nạn, dự báo thời tiết và cảnh báo bờ biển (Đây là dịch vụ thông tin một chiều - từ bờ tới tàu.
1.4.10. Phát xạ giả (spurious emission)
Phát xạ giả là phát xạ trên một hay nhiều tần số ngoài độ rộng băng tần cần thiết và có thể làm giảm mức phát xạ đó mà không ảnh hưởng đến việc truyền đưa tin tức. Phát xạ giả gồm các phát xạ hài, phát xạ ký sinh, thành phần xuyên điều chế và thành phần chuyển đổi tần số... nhưng không gồm các phát xạ ngoài băng.
1.4.11. Các phép kiểm tra tiêu chuẩn (standard tests)
Các phép kiểm tra tiêu chuẩn bao gồm hai phép kiểm tra được định nghĩa ở đây là Phép kiểm tra A - Phép kiểm tra điện thoại song công (đài tàu khởi tạo) và Phép kiểm tra B - Phép kiểm tra điện thoại song công (đài bờ khởi tạo) cùng với các phép đo kiểm chất lượng theo như yêu cầu của IEC 60945.
1.4.12. Phát xạ không mong muốn (unwanted emission)
Phát xạ không mong muốn bao gồm phát xạ giả và phát xạ ngoài băng.
1.5. Chữ viết tắt
|
ACSE |
Thiết bị báo hiệu và điều khiển truy nhập |
Acess Control Signal Equipment |
|
BER |
Tỷ lệ lỗi bít |
Bit Error Rate |
|
C/No |
Tỷ số mật độ tín hiệu/nhiễu trong độ rộng băng tần 1 Hz |
Carrier/Noise |
|
EGC |
Cuộc gọi chọn nhóm tăng cường |
Enhanced Group Call |
|
EIRP |
Công suất bức xạ đẳng hướng tương đương |
Equivalent Isotropically Radiated Power |
|
EMC |
Tương thích điện từ trường |
ElectroMagnetic Compability |
|
EUT |
Thiết bị cần đo kiểm |
Equipment Under Test |
|
GMDSS |
Hệ thống thông tin an toàn và cứu nạn hàng hải toàn cầu |
Global Maritime Distress Safety System |
|
HPA |
Khuếch đại công suất cao |
High Power Amplifier |
|
IEC |
Ủy ban kỹ thuật điện quốc tế |
International Electrotechnical Commission |
|
IMO |
Tổ chức Hàng hải quốc tế |
International Maritime Organization |
|
INMARSAT |
Tổ chức vệ tinh hàng hải quốc tế |
International Maritime Satellite Organization |
|
ISO |
Tổ chức quốc tế về tiêu chuẩn hóa |
International Organization for Standardization |
|
ITU |
Liên minh Viễn thông quốc tế |
International Telecommunication Union |
|
LES |
Trạm cổng mặt đấtInmarsat |
Land Earth Station |
|
LESP |
Kênh truyền dữ liệu gói của trạm cổng mặt đất Inmarsat |
Land Earth Station Packet |
|
MES |
Trạm mặt đất di động |
Mobile Earth Station |
|
MESP |
Kênh truyền dữ liệu gói của trạm mặt đất di động Inmarsat |
Mobile Earth Station Packet |
|
MPDS |
Dịch vụ truyền dữ liệu dạng gói của INMARSAT |
Mobile Packet Data Service |
|
MSI |
Thông tin an toàn hàng hải |
Maritime Safety Information |
|
PLT |
Thiết bị kiểm tra lớp vật lý |
Physical Layer Tester |
|
SES |
Trạm mặt đất dùng trên tàu biển |
Ship Earth Station |
|
SOLAS |
Công ước quốc tế về an toàn sinh mạng trên biển |
International Convention for the Safety of Life at Sea |
2. Quy định kỹ thuật
2.1. Quy định chung
2.1.1. Định nghĩa
Thiết bị trạm mặt đất Inmarsat F77 sử dụng trên tàu biển phải có khả năng:
a) Phát và thu thông tin an toàn và cứu nạn;
b) Phát và thu các cuộc gọi ưu tiên cứu nạn;
c) Phát và thu thông tin vô tuyến thông thường, sử dụng điện thoại vô tuyến.
2.1.2. Các yêu cầu về lắp đặt thiết bị trạm mặt đất Inmarsat F77 sử dụng trên tàu biển
2.1.2.1 Thiết bị phải tuân thủ các điều kiện môi trường ghi trong tài liệu kỹ thuật của trạm mặt đất Inmarsat đặt trên tàu biển có khả năng truyền thông tin hai chiều (tham khảo các yêu cầu chung trong IMO A.694 (17) và IEC 60945).
2.1.2.2 Thiết bị phải được lắp đặt tuân thủ theo các yêu cầu của IMO.
2.2. Yêu cầu kỹ thuật và phương pháp đo
2.2.1. Quyền ưu tiên bằng nút cứu nạn
Để khởi tạo cuộc gọi ưu tiên cứu nạn, thiết bị phải ngắt bất kỳ cuộc gọi nào có độ ưu tiên thấp hơn, nếu cần thiết, và thiết lập cuộc gọi ưu tiên cứu nạn tự động.
2.2.2. Yêu cầu về môi trường
2.2.2.1. EUT phải được thử tuân thủ các yêu cầu về môi trường theo như IMO A.694, chi tiết trong IEC 60945. Tuân thủ các điều kiện thử môi trường được kiểm tra bởi Inmarsat ngoại trừ thử rung và không cần lặp lại.
2.2.2.2. Thử rung
2.2.2.2.1. Mục đích
Phép thử này xác định khả năng chịu rung của thiết bị mà không bị hỏng hóc cơ học hay suy giảm về chất lượng. Phép thử mô phỏng ảnh hưởng của rung xảy ra trên tàu do hoạt động của chân vịt và máy móc. Nó thường xảy ra với tần số 13 Hz theo chiều thẳng đứng. Phép thử ở tần số cao hơn mô phỏng trường hợp chấn động mạnh do bão biển và thường theo phương ngang. Phép thử không mô phỏng các ảnh hưởng khi biển ở trạng thái hoạt động bình thường gây ra các hiện tượng như sóng, đu đưa, nhấp nhô và khi tàu đi trệch hướng, tròng trành hay nhô lên hụp xuống.
2.2.2.2.2. Phương pháp đo EUT, cùng với các bộ phận giảm xóc và rung động kèm theo, phải được gắn liền với bàn rung bằng các phương tiện hỗ trợ và đặt ở tư thế bình thường. EUT có thể được treo đàn hồi để bù trọng lượng không chịu đựng được của bàn rung. Có thể thực hiện bố trí để giảm thiểu hoặc triệt tiêu ảnh hưởng của trường điện từ của thiết bị rung lên hoạt động của EUT.
EUT phải chịu rung theo chiều đứng dạng hình sin tại mọi tần số giữa:
· 2 Hz đến 5 Hz và đến 13,2 Hz với độ lệch ±1 mm ± 10% (7 m/s2 tốc độ tăng cực đại tại 13,2 Hz);
· Trên 13,2 Hz và tới 100 Hz với tốc độ tăng cực đại không đổi 7 m/s2.
Tốc độ quét tần số phải là 0,5 octaves/phút cho phép phát hiện cộng hưởng ở bất kỳ thành phần nào của EUT.
Dò cộng hưởng sẽ thực hiện trong suốt quá trình thử. Trong quá trình dò cộng hưởng, EUT sẽ được theo dõi bên ngoài bằng các dụng cụ nghe nhìn phát hiện các dấu hiệu của bất kỳ hiện tượng cộng hưởng nào ở bất kì thành phần nào có thể ảnh hưởng đến sự toàn vẹn của EUT.
Việc theo dõi đó phải được ghi trong biên bản thử nghiệm. Nếu có bất kỳ hiện tượng cộng hưởng nào ghi được bởi bộ cảm ứng gắn cố định bên ngoài EUT tại vị trí phát hiện các dấu hiệu rõ ràng của cộng hưởng, có tỷ lệ biên độ dao động đo được ≥ 5 so với bề mặt gắn EUT, EUT phải chịu được phép thử rung tại mỗi tần số cộng hưởng với mức rung chỉ rõ trong phép thử trong khoảng 2h. Khi các tần số cộng hưởng có quan hệ sóng hài với tỷ lệ biên độ dao động≥ 5, chỉ cần kiểm tra ở tần số chính. Nếu không có cộng hưởng với tỷ số biên độ dao động≥ 5, phép thử khả năng chịu đựng phải được thực hiện tại một tần số đơn thu được. Nếu không có cộng hưởng, kiểm tra khả năng chịu đựng được thực hiện ở tần số 30 Hz.
Kiểm tra chất lượng cần được thực hiện ít nhất một lần trong mỗi quá trình thử khả năng chịu đựng và ít nhất một lần sau khi kết thúc phép thử.
Thủ tục thực hiện rung cần được lặp lại ở một trong hai hướng trực giao trong mặt phẳng nằm ngang.
Các thông tin khác được cho ở TCVN 7699-2-6: 2009.
2.2.2.2.3. Kết quả yêu cầu
Các yêu cầu của kiểm tra chất lượng cần được thỏa mãn.
2.2.3. Yêu cầu về phát xạ điện từ
2.2.3.1. Khái quát
Trong khi đo phát xạ điện từ, EUT phải hoạt động trong điều kiện đo kiểm bình thường, và các thiết lập điều khiển có thể ảnh hưởng đến mức phát xạ dẫn hay phát xạ bức xạ phải được thay đổi để đạt được mức phát xạ lớn nhất. Nếu EUT có nhiều trạng thái hoạt động, như trạng thái hoạt động bình thường, trạng thái chờ (stand-by), trạng thái tạo ra mức phát xạ cực đại phải được kích hoạt và các phép đo đầy đủ phải được thực hiện ở trạng thái này. Kết nối ăng ten của EUT, nếu có, phải được kết cuối với ăng ten giả không bức xạ.
Đối với các phép đo phát xạ bức xạ, thiết bị có bộ phát sóng vô tuyến hoạt động trong băng tần đo phải ở trạng thái khai thác phát xạ trên tải giả.
Đối với các phép đo phát xạ dẫn với thiết bị có bộ phát sóng vô tuyến, phải có băng loại trừ 200 kHz có tâm tại tần số cơ bản và các hài trong băng đo.
Các giao diện đặc biệt của EUT với môi trường điện từ bên ngoài được gọi là các cổng. Giới hạn vật lý của EUT qua đó các trường điện từ có thể bức xạ hay tác động là cổng vỏ (Hình 1).

Hình 1. Các cổng trong phép thử miễn nhiễm và phát xạ điện từ
Các điều kiện và phép đo được tóm tắt ở Bảng 1.
Bảng 1. Các phép thử EMC
|
|
Xách tay |
Được che chắn |
Để ngoài trời |
Ngập nước |
|
Phát xạ dẫn |
|
10 kHz-150 kHz 150 kHz-350 kHz 350 kHz-30 MHz |
63 mV - 0,3 mV (96 dBµV - 50 dBµV) 1 mV - 0,3 mV (60 dBµV - 50 dBµV) 0,3 mV (50 dBµV) |
|
|
Phát xạ bức xạ |
150 kHz - 300 kHz |
10 mV/m - 316 µV/m (80 dBµV/m - 52 dBµV/m) |
||
|
300 kHz - 30 MHz |
316 µV/m - 50µV/m (52 dBµV/m - 34 dBµV/m)
|
|||
|
30 MHz - 2 GHz |
500 µV/m (54 dBµV/m) ngoại trừ |
|||
|
156 MHz - 165 MHz |
16 µV/m (24 dBµV/m) gần đỉnh hoặc 32 µV/m (30 dBµV/m) đỉnh |
|||
2.2.3.2. Phát xạ dẫn
2.2.3.2.1. Mục đích
Phép thử này đo các tín hiệu do thiết bị phát ra tại cổng nguồn có thể dẫn sang nguồn cung cấp của tàu, do đó sẽ gây nhiễu lên các thiết bị khác.
2.2.3.2.2. Phương pháp đo
Phát xạ phải được đo bởi thiết bị thu đo gần đỉnh như chỉ rõ trong TCVN 7189: 2009. Mạng nguồn giả V theo như TCVN 7189: 2009, như ở Hình 2, được sử dụng để cung cấp trở kháng xác định ở tần số cao qua các cực của EUT, và để cô lập mạch kiểm tra với các tín hiệu tần số sóng vô tuyến không mong muốn trên mạng nguồn. Độ rộng băng tần đo trong dải tần từ 10 kHz đến 150 kHz là 200 Hz, và trong dải tần từ 150 kHz đến 30 MHz là 9 kHz.
Các cáp nguồn đầu vào giữa các cổng nguồn a.c. và d.c. của EUT và mạng nguồn giả phải được che chắn và không vượt quá độ dài 0,8m. Nếu EUT có nhiều hơn một khối với các cổng nguồn a.c và/hoặc d.c riêng, các cổng nguồn của cùng một điện áp cung cấp danh định có thể được nối song song với mạng cung cấp nguồn giả.

Hình 2a. Ví dụ mô phỏng mạng nguồn giả V 50 Ω/50 µH + 5 Ω sử dụng trong dải tần số từ 10 kHz đến 150 kHz

Hình 2b. Ví dụ mô phỏng mạng nguồn giả V 50 Ω/50 µH + 5 Ω sử dụng trong dải tần số từ 150 kHz đến 30 MHz
Hình 2. Mạng nguồn giả để kiểm tra phát xạ dẫn
Đo kiểm phải được thực hiện với mọi thiết bị đo và EUT được đỡ và gắn với mặt phẳng đất. Trong trường hợp không có mặt phẳng đất, có thể thực hiện các sắp đặt tương đương sử dụng khung hay thảm kim loại của EUT làm đất chuẩn.
2.2.3.2.3. Kết quả yêu cầu
Trong dải tần từ 10 kHz đến 30 MHz, điện áp tần số vô tuyến của các cực nguồn cung cấp của EUT không được vượt quá giá trị quy định trong Hình 3.

Hình 3. Giới hạn điện áp tại cực tần số vô tuyến cho phát xạ dẫn
2.2.3.3. Phát xạ bức xạ từ cổng vỏ
2.2.3.3.1. Mục đích
Phép thử này đo bất kỳ tín hiệu nào bức xạ từ thiết bị mà không qua ăng ten và có thể gây nhiễu lên các thiết bị khác của tàu, như các thiết bị thu sóng vô tuyến.
2.2.3.3.2. Phương pháp đo
a) Thiết bị thu đo gần đỉnh chỉ rõ trong TCVN 7189: 2009 được sử dụng. Độ rộng băng tần thiết bị thu trong dải tần từ 150 kHz đến 300 MHz là 9 kHz, và trong dải tần từ 30 MHz đến 2 GHz là 120 kHz.
Với các tần số từ 150 kHz đến 30 MHz phép đo phải sử dụng từ trường H. Ăng ten đo là ăng ten vòng có màn chắn điện và có kích thước sao cho có thể đặt vừa khít trong một hình vuông có mỗi cạnh dài 60cm, hay một thanh ferit thích hợp như chỉ rõ trong TCVN 7189: 2009.
Hệ số hiệu chỉnh của ăng ten bao gồm hệ số +51,5 dB chuyển đổi cường độ từ trường thành điện trường tương ứng.
Với các tần số trên 30 MHz phép đo phải sử dụng điện trường E. Ăng ten đo là ăng ten lưỡng cực cân bằng độ dài cộng hưởng, hay lưỡng cực thu gọn thay thế hay ăng ten có độ tăng ích cao như chỉ rõ trong TCVN 7189: 2009. Kích thước của ăng ten đo theo hướng của EUT không được vượt quá 20% khoảng cách đến EUT. Với các tần số trên 80 MHz, có thể thay đổi độ cao của tâm ăng ten đo so với mặt đất trong phạm vi từ 1m đến 4m.
Vị trí đo kiểm phải tuân thủ TCVN 7189: 2009, sử dụng mặt phẳng đất bằng kim loại và có kích thước sao cho cho phép khoảng cách đo là 3m.
EUT phải được lắp đặt hoàn chỉnh, đầy đủ với các cáp kết nối liên kết và được gắn lên mặt phẳng hoạt động bình thường.
Khi EUT gồm nhiều khối thì các cáp liên kết (khác với phi đơ ăng ten) giữa khối chính và các khối khác phải bằng giá trị cực đại xác định bởi nhà sản xuất hoặc 20m tùy theo giá trị nào nhỏ hơn. Các cổng vào/ra sẵn có phải được kết nối với cáp có độ dài cực đại quy định bởi nhà sản xuất hoặc 20m tùy theo giá trị nào nhỏ hơn và được kết cuối để mô phỏng trở kháng của thiết bị phụ trợ mà chúng thường nối tới.
Phần chiều dài vượt quá của các cáp này phải được bó lại tại điểm giữa với mỗi bó từ 30cm đến 40cm trong mặt phẳng nằm ngang từ cổng mà chúng kết nối. Nếu không thể thực hiện được điều này do khối cáp lớn hay có độ cứng cao, thì có thể sắp xếp cáp càng gần với yêu cầu càng tốt và sắp xếp này phải được nêu rõ trong biên bản thử nghiệm.
Ăng ten thử được đặt cách EUT 3m. Tâm của ăng ten cách mặt đất ít nhất 1,5m. Ăng ten trường E được điều chỉnh độ cao và hướng quay để có phân cực đứng và ngang, khi đã song song với mặt đất, để xác định mức phát xạ cực đại.
Cuối cùng, ăng ten được di chuyển vòng quanh EUT, để xác định mức phát xạ cực đại một lần nữa, hay EUT có thể được đặt trong mặt phẳng trực giao với ăng ten thử tại điểm giữa và quay để đạt được cùng một kết quả.
b) Hơn nữa, trong băng tần số từ 156 MHz đến 165 MHz, phép đo phải được lặp lại với độ rộng băng tần thu 9 kHz, các điều kiện khác ở a) sẽ không đổi.
c) Cũng có thể lựa chọn cách khác, trong băng tần số từ 156 MHz đến 165 MHz, là sử dụng một thiết bị thu giá trị đỉnh hay thiết bị phân tích tần số, tùy theo thỏa thuận giữa nhà sản xuất và cơ quan đo kiểm.

Hình 4. Giới hạn phát xạ bức xạ từ cổng vỏ
2.2.3.3.3. Kết quả yêu cầu
a) Trong dải tần từ 150 kHz đến 2 GHz, giới hạn bức xạ tại khoảng cách 3m từ cổng vỏ được chỉ rõ ở Hình 4.
b) Trong dải tần từ 156 MHz đến 165 MHz, giới hạn bức xạ tại khoảng cách 3m từ cổng vỏ là 24 dBµV/m.
c) Trong cách lựa chọn khác, trong dải tần từ 156 MHz đến 165 MHz, giới hạn phát xạ tại khoảng cách 3m từ cổng vỏ là 30 dBµV/m.
2.2.4. Miễn nhiễm điện từ
2.2.4.1. Khái quát
Trong các phép thử này, EUT phải tuân thủ cấu hình hoạt động, thủ tục lắp đặt và nối đất bình thường, trừ khi có thay đổi được chỉ rõ, và hoạt động trong điều kiện đo kiểm bình thường.
Các phép thử chế độ chênh lệch là các phép thử được áp dụng giữa các đường điện, đường tín hiệu và đường điều khiển.
Các phép thử chế độ chung là các phép thử được áp dụng giữa các nhóm đường dây và điểm tham chiếu chung, thường là đất.
Bảng 2. Miễn nhiễm điện từ
|
|
Xách tay |
Phần được bảo vệ |
Phần mở |
Phần chìm |
|||
|
Nhiễu dẫn tần số vô tuyến |
* |
3 V r.m.s e.m.f 150 kHz - 80 MHz, 10 V r.m.s e.m.f tại các tần số điểm quy định * Các cổng nguồn a.c và d.c, cổng điều khiển và tín hiệu, chế độ chung. Tiêu chí chất lượng A |
|||||
|
Nhiễu bức xạ |
10 V/m 80 MHz - 2 GHz Cổng vỏ. Tiêu chí chất lượng A |
* |
|||||
|
Chuyển tiếp nhanh |
* |
Điện áp 2 kV trên các cổng nguồn a.c. Điện áp 1 kV chế độ chung trên các cổng điều khiển và tín hiệu. Tiêu chí chất lượng B |
|||||
|
Chuyển tiếp chậm |
* |
1 kV dây/đất, 0,5 kV dây/dây Cổng nguồn AC. Tiêu chí chất lượng B |
|||||
|
Biến đổi nguồn ngắn hạn |
|
Điện áp ± 20% cho 1,5s, tần số ± 10% cho 5s Cổng nguồn AC. Tiêu chí chất lượng B |
|||||
|
Lỗi nguồn |
* |
Ngắt 60s Cổng nguồn a.c và d.c. Tiêu chí chất lượng C |
|||||
|
Phóng tĩnh điện |
Tiếp xúc 6 kV Không tiếp xúc 8 kV Tiêu chí chất lượng B |
* |
|||||
|
CHÚ THÍCH: "*" - Không quy định |
|||||||
Đối với các phép thử miễn nhiễm, các kết quả được đánh giá theo các tiêu chí chất lượng phụ thuộc vào các điều kiện hoạt động và các đặc tính chức năng của EUT, và được định nghĩa như sau:
- Tiêu chí chất lượng A: EUT phải tiếp tục hoạt động bình thường trong và sau khi thử. Không được xảy ra suy giảm chất lượng hay mất chức năng như đã định nghĩa trong tiêu chuẩn thiết bị và chỉ tiêu kỹ thuật do nhà sản xuất cung cấp.
- Tiêu chí chất lượng B: EUT phải tiếp tục hoạt động bình thường sau khi thử. Không được xảy ra suy giảm chất lượng hay mất chức năng như đã định nghĩa trong tiêu chuẩn thiết bị và chỉ tiêu kỹ thuật do nhà sản xuất cung cấp. Trong khi thử cho phép suy giảm chất lượng hay mất chức năng nhưng có thể tự phục hồi nhưng không cho phép thay đổi trạng thái hoạt động thực tế hay số liệu lưu trữ.
- Tiêu chí chất lượng C: cho phép suy giảm hoặc mất chức năng tạm thời trong khi thử, với điều kiện chức năng có thể tự phục hồi, hoặc có thể phục hồi lại sau khi kết thúc phép thử bằng các bộ phận điều khiển, như đã định nghĩa trong tiêu chuẩn thiết bị và chỉ tiêu kỹ thuật do nhà sản xuất cung cấp.
Các điều kiện và phép thử được tóm tắt trong Bảng 2 dưới đây. Bảng 2 cũng cung cấp các yêu cầu chỉ tiêu chất lượng cho thiết bị vô tuyến và thiết bị định vị. Với các loại thiết bị khác, tiêu chí chất lượng phải được cung cấp trong tiêu chuẩn thiết bị tương ứng và các chỉ tiêu kỹ thuật do nhà sản xuất cung cấp, tuy nhiên, tối thiểu EUT phải tuân thủ tiêu chí chất lượng C.
2.2.4.2. Thiết bị thu sóng vô tuyến
Nếu EUT có gắn thiết bị thu sóng vô tuyến, các tần số trong băng loại trừ, cùng với các đáp ứng của thiết bị thu băng hẹp (đáp ứng giả), phải không nằm trong các phép thử miễn nhiễm với nhiễu bức xạ và nhiễu dẫn.
2.2.4.2.1. Băng loại trừ
Băng loại trừ của thiết bị thu được định nghĩa là băng tần hoạt động của thiết bị thu, do nhà sản xuất công bố, mở rộng tại các giới hạn thêm 5% giá trị.
2.2.4.2.2. Đánh giá đáp ứng thiết bị thu
Đáp ứng băng hẹp cho phép (đáp ứng giả) được xác định bằng phương pháp sau:
Nếu tín hiệu thử (tín hiệu không mong muốn) làm suy giảm chất lượng tại một tần số riêng, tần số tín hiệu thử phải được tăng thêm một lượng gấp đôi độ rộng băng tần của bộ lọc IF máy thu nằm ngay trước bộ giải điều chế, theo như công bố của nhà sản xuất. Tín hiệu thử sau đó được giảm một lượng tương đương.
Nếu không có suy giảm chất lượng tại cả hai tần số này thì đáp ứng ở đây được gọi là đáp ứng băng hẹp cho phép. Nếu vẫn có suy giảm chất lượng, thì có thể do phần thay đổi đã làm cho tần số của tín hiệu thử tương ứng với một đáp ứng băng hẹp khác. Điều này được xác định bằng cách lặp lại các thủ tục trên bằng cách tăng và giảm tần số tín hiệu thử thêm 2,5 lần độ rộng băng tần ở trên.
Nếu vẫn có suy giảm chất lượng thì đáp ứng ở đây không được coi là đáp ứng băng hẹp cho phép.
2.2.4.3. Miễn nhiễm đối với nhiễu dẫn tần số vô tuyến
2.2.4.3.1. Mục đích
Phép thử này mô phỏng ảnh hưởng của nhiễu được gây ra trên đường nguồn, đường tín hiệu và điều khiển từ các thiết bị phát sóng vô tuyến trên tàu tại các tần số dưới 80 MHz.
2.2.4.3.2. Phương pháp đo
EUT được đặt trên một tấm đỡ cách điện có độ cao 0,1m so với mặt phẳng tham chiếu đất (xem Hình 5). Thiết bị phụ trợ cung cấp nguồn và các tín hiệu cần thiết cho EUT để hoạt động bình thường. Khi kiểm tra, EUT phải được kết nối bằng dây cáp với các thiết bị ghép và tách thích hợp (CDNs) cách EUT từ 0,1m đến 0,3m. TCVN 8241-4-6: 2009 chỉ rõ thiết kế của CDNs và các kẹp tiêm thay thế nếu không thể sử dụng CDN.

CHÚ THÍCH:
T Đầu cuối 50 Ω
T2 Khuếch đại công suất (6 dB)
CDN Mạng ghép/tách
Hình 5. Sơ đồ thiết lập thử miễn nhiễm đối với nhiễu dẫn tần số vô tuyến

|
CHÚ THÍCH: |
CDN-M3, C1 (typ) = 10 nF, C2 (typ) = 47 nF, R = 300 W, L ³ 280 mH tại 150 kHz CDN-M2, C1 (typ) = 10 nF, C2 (typ) = 47 nF, R = 200 W, L ³ 280 mH tại 150 kHz CDN-M1, C1 (typ) = 22 nF, C2 (typ) = 47 nF, R = 100 W, L ³ 280 mH tại 150 kHz |
Hình 6. Ví dụ minh họa sơ đồ đơn giản của CDN sử dụng với các nguồn cung cấp không có lớp che chắn, trong phép thử nhiễu dẫn tần số vô tuyến
Phép thử phải được thực hiện với bộ phát thử nối lần lượt với các CDN, trong khi các cổng vào RF không kích thích đến CDN được kết cuối bằng trở kháng 50W.
Bộ phát thử phải được thiết lập cho mỗi CDN với AE và EUT được ngắt ra và thay thế bằng các trở kháng 150 . Bộ phát thử phải cung cấp e.m.f không điều chế tại cổng EUT với mức thử yêu cầu.
Phép thử được tiến hành như trong TCVN 8241-4-6:2009 với các mức thử sau:
- Biên độ 3 V r.m.s quét trong dải tần số từ 150 kHz đến 80 MHz (mức khắc nghiệt 2);
- Biên độ 10 V r.m.s tại các tần số: 2 MHz, 3 MHz, 4 MHz, 6,2 MHz, 8,2 MHz, 12,6 MHz, 16,5 MHz, 18,8 MHz, 22 MHz và 25 MHz;
Trong khi thử, điều chế biên độ tại 400 Hz ± 10% với độ sâu 80% ± 10% sẽ được sử dụng.
Tốc độ quét tần số không được vượt quá 1,5 x 10-3 decade/s để cho phép phát hiện lỗi của EUT.
Các tín hiệu trên được đặt lên đường điện, đường tín hiệu và đường điều khiển của EUT. Phép kiểm tra chất lượng EMC sẽ được thực hiện trong và sau mỗi phép thử.
2.2.4.3.3. Kết quả yêu cầu
Các yêu cầu kiểm tra chất lượng EMC phải được thỏa mãn trong và sau phép thử tương ứng với Tiêu chí chất lượng A như chỉ rõ trong 2.2.4.1.
2.2.5. Miễn nhiễm đối với bức xạ tần số vô tuyến
2.2.5.1. Mục đích
Phép thử này mô phỏng ảnh hưởng của các thiết bị phát sóng vô tuyến tần số trên 80 MHz, như các thiết bị phát VHF đặt trên tàu, thiết bị vô tuyến cầm tay, đặt gần thiết bị.
2.2.5.2. Phương pháp đo
EUT phải được đặt trong một phòng che thích hợp hay buồng đo không phản xạ và có kích thước tương xứng với EUT (xem Hình 7).
EUT cần được đặt ở khu vực trường đồng nhất và cách điện với đất bằng giá đỡ phi kim. Khu vực đồng nhất được hiệu chuẩn khi phòng đo trống. Cấu hình của EUT và các cáp đi cùng sẽ được ghi trong biên bản thử nghiệm.
Nếu đường dây từ và đến EUT không được chỉ rõ, các dây dẫn song song không che chắn sẽ được sử dụng và để trần trong trường điện từ cách EUT 1m.
Phép thử được tiến hành như trong TCVN 8241 - 4 - 3: 2009, tại mức nghiêm ngặt 3, với ăng ten phát đặt đối diện với một trong bốn mặt của EUT. Khi thiết bị có thể được sử dụng theo các hướng khác nhau (thẳng đứng và nằm ngang), phép thử được tiến hành ở tất cả các mặt.
EUT ban đầu được đặt sao cho một mặt trùng với mặt phẳng hiệu chuẩn. Dải tần được quét với tốc độ theo thứ tự là 1,5 x 10-3 decade/s với dải tần từ 80 MHz đến 1 GHz và 0,5 x 10-3 decade/s với dải tần từ 1 GHz đến 2 GHz, và phải đủ chậm để cho phép phát hiện bất kỳ lỗi chức năng nào của EUT. Bất kỳ tần số nhạy cảm hay tần số quan tâm vượt trội nào cũng cần được phân tích riêng.
EUT được đặt trong điện trường điều chế với cường độ 10 V/m quét trong dải tần từ 80 MHz đến 2 GHz. Điều chế tại 400 Hz ± 10% đến độ sâu 80% ± 10%.
2.2.5.3. Kết quả yêu cầu
Các yêu cầu kiểm tra chất lượng EMC phải được thỏa mãn trong và sau phép thử tương ứng với Tiêu chí chất lượng A như chỉ 2.2.4.1.

Hình 7. Ví dụ điều kiện thử nghiệm thích hợp miễn nhiễm đối với bức xạ vô tuyến

CHÚ THÍCH:
I Khoảng cách giữa giá kẹp và EUT (không lớn hơn 1m)
(A) Vị trí ghép đường nguồn
(B) Vị trí ghép đường tín hiệu
Hình 8. Thiết lập thử nghiệm chung cho miễn nhiễm đối với đột biến nhanh
2.2.6. Miễn nhiễm đối với đột biến nhanh trên đường điện a.c, đường tín hiệu và đường điều khiển
2.2.6.1. Mục đích
Phép thử này mô phỏng đột biến năng lượng thấp, nhanh gây ra do chuyển mạch thiết bị tạo nên cung lửa điện tại chỗ tiếp xúc.
2.2.6.2. Phương pháp đo
Phép thử được tiến hành như trong IEC 61000-4-4, tại mức nghiêm ngặt 3, sử dụng thiết bị phát thử tuân thủ theo 6.1.1 của IEC 61000-4-4, mạng ghép/tách tuân thủ theo 6.2 của IEC 61000-4-4 cho các đường điện, và giá kẹp ghép điện dung tuân thủ theo 6.3 của IEC 61000-4-4 cho đường tín hiệu và đường điều khiển (xem Hình 8).
Xung với các đặc tính sau được sử dụng cho đường điện, đường tín hiệu và đường điều khiển:
- Thời gian quá độ: 5 ns (Giá trị nằm giữa 10% và 90%)
- Độ rộng: 50 ns (50% giá trị)
- Biên độ: 2 kV chế độ chênh lệch trên các đường điện a.c. 1 kV chế độ chung trên đường tín hiệu và đường điều khiển
- Tốc độ lặp: 5 kHz (1 kV), 2,5 kHz (2 kV)
- Ứng dụng: burst 15ms trong 300ms
- Chu trình: 3 phút đến 5 phút cho mỗi xung cực tính dương và âm.
2.2.6.3. Kết quả yêu cầu
Các yêu cầu kiểm tra chất lượng EMC phải được thỏa mãn trong và sau phép thử tương ứng với Tiêu chí chất lượng B như chỉ rõ trong 2.2.4.1.
2.2.7. Miễn nhiễm đối với xung sét trên đường điện a.c
2.2.7.1. Mục đích
Phép thử mô phỏng xung sét năng lượng cao, chậm gây ra do chuyển mạch thyristor lên nguồn điện a.c.
2.2.7.2. Phương pháp đo
Phép thử được tiến hành như trong TCVN 8241-4-5: 2009, tại mức nghiêm ngặt 2, sử dụng thiết bị phát sóng kết hợp (lai) thử tuân thủ theo 6.1 của TCVN 8241-4-5: 2009, kết hợp với mạng ghép/tách tuân thủ theo 6.3.1.1 của TCVN 8241-4-5: 2009 (xem Hình 9).
Xung với các đặc tính sau được sử dụng cho các đường điện:
- Thời gian quá độ: 1,2 µs (Giá trị nằm giữa 10% và 90%)
- Độ rộng: 50 µs (50% giá trị)
- Biên độ: 1 kV dây/đất, 0,5 kV dây/dây
- Tốc độ lặp: 1 xung/phút
- Ứng dụng: liên tục
- Chu trình: 5 phút cho mỗi xung cực tính dương và âm.
2.2.7.3. Kết quả yêu cầu
Các yêu cầu kiểm tra chất lượng EMC phải được thỏa mãn trong và sau phép thử tương ứng với Tiêu chí chất lượng B như chỉ 2.2.4.1.

Hình 9a. Ví dụ thiết lập phép thử ghép điện dung trên đường a.c./d.c.; ghép đường tới đường, đầu ra thiết bị phát thả nổi

Hình 9b. Ví dụ thiết lập phép thử ghép điện dung trên đường a.c./d.c.; ghép đường tới đất, đầu ra thiết bị phát nối đất
Hình 9. Thiết lập phép thử miễn nhiễm đối với xung sét trên đường a.c.
2.2.8. Miễn nhiễm đối với biến đổi nguồn ngắn hạn
2.2.8.1. Miễn trừ
Phép thử này không dùng cho thiết bị điện áp d.c.
2.2.8.2. Mục đích
Phép thử này mô phỏng biến đổi nguồn do tải thay đổi mạnh. Phần này bổ sung cho phép thử biến đổi nguồn liên tục trong điều kiện đo kiểm tới hạn như chỉ ra trong Bảng 1.
2.2.8.3. Phương pháp đo
Biến đổi điện áp nguồn được tạo ra bằng nguồn điện có thể lập trình được. EUT phải chịu biến đổi điện áp nguồn tương ứng với giá trị danh định 1/phút trong 10 phút (Hình 10) như sau:
a) Điện áp: danh định + (20 ± 1)%, chu trình 1,5s ± 0,2s, tần số: danh định + (10 ± 0,5)%, chu trình 5s ± 0,5s, áp đặt;
b) Điện áp: danh định - (20 ± 1)%, chu trình 1,5s ± 0,2 s, tần số: danh định - (10 ± 0,5)%, chu trình 5s ± 0,5s, áp đặt.
Thời gian tăng và giảm biến đổi tần số và điện áp là 0,2s ± 0,1s (từ 10% đến 90%).
Các thông tin khác được cho trong TCVN 8241-4-11: 2009.

Hình 10a. Phép thử 1: điện áp (V) + 20% và tần số (f) + 10%

Hình 10b. Phép thử 2: điện áp (V) - 20% và tần số (f) - 10%
Hình 10. Biến đổi nguồn trong phép thử miễn nhiễm đối với biến đổi điện áp nguồn ngắn hạn
2.2.8.4. Kết quả yêu cầu
Các yêu cầu kiểm tra chất lượng EMC phải được thỏa mãn trong và sau phép thử tương ứng với Tiêu chí chất lượng B như 2.2.4.1.
2.2.9. Miễn nhiễm đối với lỗi nguồn
2.2.9.1. Miễn trừ
Phép thử này không áp dụng với EUT hoạt động bằng nguồn ắc quy hay được trang bị hoặc kết nối tới ắc quy dự phòng.
2.2.9.2. Mục đích
Phép thử này mô phỏng ngắt nguồn trong khoảng thời gian ngắn do thay đổi nguồn điện và hay nhảy rơle. Nó bao gồm cả trường hợp ngắt cho phép bởi Công ước IMO SOLAS trong việc chuyển đổi từ nguồn điện chính sang nguồn khẩn cấp.
2.2.9.3. Phương pháp đo
EUT phải chịu ba lần ngắt nguồn với mỗi lần ngắt khoảng 60s. Các thông tin khác được cho trong TCVN 8241-4-11: 2009.
2.2.9.4. Kết quả yêu cầu
Các yêu cầu kiểm tra chất lượng EMC phải được thỏa mãn trong và sau phép thử tương ứng với Tiêu chí chất lượng C như chỉ rõ trong 2.2.4.1. Không xảy ra hỏng hóc phần mềm hay mất các dữ liệu quan trọng.
2.2.10. Miễn nhiễm đối với phóng tĩnh điện
2.2.10.1. Mục đích
Phép thử này mô phỏng ảnh hưởng của phóng tĩnh điện từ người xảy ra trong môi trường mà người đó tích điện, như tiếp xúc với thảm sợi nhân tạo hay các áo quần bằng Vinyl.

Hình 11. Ví dụ thiết lập phép thử miễn nhiễm phóng tĩnh điện (ESD) cho thiết bị đặt trên sàn chỉ rõ các vị trí cơ bản của thiết bị phát ESD
2.2.10.2. Phương pháp đo
Phép thử được thực hiện như mô tả trong TCVN 8241-4-2: 2009, sử dụng thiết bị phát tĩnh điện (ESD), là một tụ điện dự trữ năng lượng có điện dung 150 pF và trở kháng phóng 330 nối với một đầu phóng.
EUT phải được đặt trên một mặt phẳng đất bằng kim loại và cách điện với mặt phẳng này. Mặt phẳng này phải nhô ra tối thiểu 0,5m bên ngoài EUT ở mỗi mặt (Hình 11 và Hình 12). Thiết bị phát tĩnh điện sẽ phóng điện vào các điểm trên EUT mà người sử dụng thường truy nhập trong quá trình sử dụng bình thường.

Hình 12. Ví dụ thiết lập phép thử miễn nhiễm phóng tĩnh điện (ESD) cho thiết bị đặt trên bàn chỉ rõ vị trí cơ bản của thiết bị phát ESD
Thiết bị phát ESD được giữ vuông góc với bề mặt, tại vị trí có thể thực hiện phóng điện và với tốc độ 20 lần phóng trong một giây. Mỗi vị trí được thử với 10 lần phóng điện tích dương và âm trong khoảng thời gian giãn cách ít nhất 1s giữa các lần phóng để cho phép kiểm tra lỗi hoạt động của EUT. Phương pháp hay được sử dụng là phóng điện tiếp xúc; tuy nhiên phóng điện qua không khí sẽ được dùng ở những nơi không thể áp dụng phóng điện tiếp xúc, như trên các bề mặt sơn cách điện theo công bố của nhà sản xuất.
Để mô phỏng phóng điện lên các vật thể đặt cạnh EUT, 10 lần phóng điện tiếp xúc đơn, cực tính dương và âm, sẽ được sử dụng cho mặt phẳng đất tại mỗi bề mặt ở vị trí cách EUT 0,1m. 10 lần phóng điện khác sẽ được đặt vào tâm của một cạnh của mặt phẳng ghép thẳng đứng (VCP), mặt phẳng này được đặt ở các vị trí khác nhau đủ để cả 4 bề mặt của EUT được chiếu đầy đủ.
Mức thử là 6 kV cho phóng điện tiếp xúc và 8 kV cho phóng điện qua không khí.
2.2.10.3. Kết quả yêu cầu
Các yêu cầu kiểm tra chất lượng EMC phải được thỏa mãn trong và sau phép thử tương ứng với Tiêu chí chất lượng B như chỉ rõ trong 2.2.4.1.
2.2.11. Yêu cầu về nguồn điện
Thiết bị phải tuân thủ các yêu cầu của tiêu chuẩn kể cả khi có thay đổi nguồn điện trên tàu.
2.2.12. Điều kiện khắc nghiệt
Thiết bị cần bao gồm thành phần bảo vệ khỏi ảnh hưởng của điều kiện khắc nghiệt như điện áp và dòng điện khắc nghiệt, đảo pha, đảo cực và chuyển tiếp nguồn ngẫu nhiên
2.2.13. Ngắt nguồn
Thay đổi nguồn trong khoảng thời gian 60s không được đưa thiết bị vào trạng thái không hoạt động hay yêu cầu phải khởi tạo lại thiết bị bằng tay.
Quy trình bật và tắt thiết bị không được gây ra mất các thông tin chức năng lập trình trong bộ nhớ.
2.2.13.1. Kiểm tra nguồn
Kiểm tra EUT tuân thủ các yêu cầu về nguồn trong tiêu chuẩn IMO A.694, chi tiết trong IEC 60945.
2.2.13.2. Phương pháp đo
EUT sẽ được thiết lập liên lạc với vệ tinh Inmarsat. EUT phải chịu ngắt nguồn như quy định trong IEC 60945. Dùng một ăng ten kiểm tra đặt trong búp ăng ten chính cùng với máy phân tích phổ và máy đo công suất băng rộng để xác định các phát xạ không mong muốn. Cũng có thể sử dụng đầu nối Feeder của ăng ten của EUT để dẫn năng lượng phát đến thiết bị đo.
Sau 3 phút của mỗi lần ngắt nguồn, một cuộc gọi thoại từ tàu với độ ưu tiên 3 sẽ được thiết lập từ EUT tới RCC điều phối. Các cuộc gọi sẽ được kết thúc từ EUT.
2.2.13.3. Kết quả yêu cầu
Trong và sau khi ngắt nguồn, không xuất hiện phát xạ không mong muốn. Sau mỗi lần ngắt nguồn, phần mềm hoạt động không bị lỗi và không bị mất số liệu.
EUT sẽ phục hồi sau mỗi lần ngắt nguồn, tuân thủ Tiêu chí chất lượng B của IEC 60945, trong thời gian phục hồi của nguồn (3 phút).
Các cuộc gọi mức ưu tiên 3 đến RCC điều phối phải thành công. Chất lượng cuộc gọi phải tốt ở cả hai hướng. Cuộc gọi phải kết thúc bình thường.
2.2.14. Yêu cầu về giao diện
Giao diện với nguồn và cảm ứng bên ngoài (theo chuẩn của IMO và ITU) phải tuân thủ IEC 61162-1.
Thiết bị Inmarsat F77 không có yêu cầu bắt buộc nào về cấu trúc thông tin khi thu nhận (vai trò là người nghe) hay truyền phát (vai trò là người nói).
Bất kỳ thông tin nào được cung cấp sẽ được diễn giải bằng tài liệu cụ thể bao gồm cả chỉ dẫn định dạng thông tin và một dòng tiêu đề hay dòng mô tả. Không cần cung cấp một cách chi tiết, chẳng hạn như cấu trúc thông tin; Tất cả các định nghĩa chi tiết được cho trong IEC 61162-1.
CHÚ THÍCH. IEC 61162-1 cung cấp các cấu trúc thông tin thích hợp trong Phụ lục A - Bảng A.1 và A.3
Các bảng này chỉ có tính chất cung cấp thông tin và không bắt buộc cho mọi thiết bị.
Các yêu cầu bổ sung:
a) Bất kỳ giao diện bổ sung nào không phù hợp với giao diện IEC 61162, ví dụ như dùng cấu trúc thông tin đầu vào và đầu ra riêng, phải được diễn giải bằng tài liệu cụ thể.
b) Bất kỳ cấu trúc giao diện riêng nào, chẳng hạn như ghi chú thời gian, kết quả, đáp ứng thiết bị khi thu phát thông tin, không nằm trong quy định của IEC phải được diễn giải chi tiết bằng tài liệu cụ thể
2.2.14.1. Kiểm tra giao diện
Các giao diện ra bộ cảm ứng và nguồn bên ngoài tuân thủ theo tiêu chuẩn IMO và Khuyến nghị ITU, các giao diện này được kiểm tra tuân thủ theo các phụ lục tương ứng của IEC 61162, ví dụ Phụ lục C của IEC 61162-1.
Bất kỳ giao diện bổ sung nào dựa trên IEC 61162 sẽ phải kiểm tra tuân thủ theo tiêu chuẩn này.
Các phần bổ sung trong 2.2.14 a) sẽ phải kiểm tra tuân thủ theo như tài liệu do nhà sản xuất cung cấp, nhưng phải tuân thủ theo các nguyên tắc chung của IEC 61162.
Bất kỳ đặc tính giao diện đặc biệt nào, chẳng hạn như định thời gian, báo kết thúc hay đáp ứng thiết bị do thu phát thông tin, sẽ phải được chỉ rõ và nhà sản xuất phải cung cấp cách thức kiểm tra chi tiết cho các chức năng này.
3. Quy định về quản lý
3.1. Thiết bị trạm mặt đất Inmarsat F77 sử dụng trên tàu biển phải thực hiện chứng nhận và công bố hợp quy tuân thủ các quy định kỹ thuật trong Quy chuẩn này.
3.2. Yêu cầu đánh giá sự phù hợp của thiết bị trạm mặt đất Inmarsat F77 sử dụng trên tàu biển với Quy chuẩn này được quy định cụ thể như sau:
|
STT |
Mục tham chiếu |
Nội dung |
Quy định |
Ghi chú |
|
1 |
2.2.3 |
Yêu cầu về phát xạ điện từ |
Quy định tại Bảng 1 |
|
|
2 |
2.2.3.2 |
Phát xạ dẫn |
Quy định trong Hình 3 |
|
|
3 |
2.2.3.3 |
Phát xạ bức xạ từ cổng vỏ |
Quy định trong Hình 4 Chi tiết tại 2.2.3.2.3 |
|
|
4 |
2.2.4 |
Miễn nhiễm điện từ |
Quy định chi tiết tại Bảng 2 |
|
|
5 |
2.2.4.3 |
Miễn nhiễm đối với nhiễu dẫn tần số vô tuyến |
Thỏa mãn Tiêu chí chất lượng A Chi tiết tại 2.2.4.3.3 |
|
|
6 |
2.2.5 |
Miễn nhiễm đối với bức xạ tần số vô tuyến |
Thỏa mãn Tiêu chí chất lượng A Chi tiết tại 2.2.5.3 |
|
|
7 |
2.2.6 |
Miễn nhiễm đối với đột biến nhanh trên đường điện a.c, đường tín hiệu và đường điều khiển |
Thỏa mãn Tiêu chí chất lượng B Chi tiết tại 2.2.6.3 |
|
|
8 |
2.2.7 |
Miễn nhiễm đối với xung sét trên đường điện a.c |
Thỏa mãn Tiêu chí chất lượng B Chi tiết tại 2.2.7.3 |
|
|
9 |
2.2.8 |
Miễn nhiễm đối với biến đổi nguồn ngắn hạn |
Thỏa mãn Tiêu chí chất lượng B Chi tiết tại 2.2.8.4 |
|
|
10 |
2.2.9 |
Miễn nhiễm đối với lỗi nguồn |
Thỏa mãn Tiêu chí chất lượng C Chi tiết tại 2.2.9.4 |
|
|
11 |
2.2.10 |
Miễn nhiễm đối với phóng tĩnh điện |
Thỏa mãn Tiêu chí chất lượng B Chi tiết tại 2.2.10.3 |
|
4. Trách nhiệm của tổ chức, cá nhân
4.1. Các tổ chức, cá nhân liên quan có trách nhiệm thực hiện các quy định về chứng nhận hợp quy và công bố hợp quy Thiết bị trạm mặt đất Inmarsat F77 sử dụng trên tàu biển và chịu sự kiểm tra của cơ quan quản lý nhà nước theo các quy định hiện hành.
4.2. Trong trường thiết bị gây can nhiễu có hại thiết bị khác cùng chủng loại hoặc các hệ thống thông tin khác, các doanh nghiệp viễn thông phải có trách nhiệm kiểm tra và khắc phục sự cố trên cơ sở các quy định kỹ thuật theo quy chuẩn này và sử dụng quy chuẩn này làm cơ sở kỹ thuật để giải quyết tranh chấp.
5. Tổ chức thực hiện
5.1. Cục Viễn thông và các Sở Thông tin và Truyền thông có trách nhiệm hướng dẫn, tổ chức triển khai quản lý các thiết bị trạm mặt đất Inmarsat F77 sử dụng trên tàu biển theo Quy chuẩn này.
5.2. Trong trường hợp các quy định nêu tại Quy chuẩn này có sự thay đổi, bổ sung hoặc được thay thế thì thực hiện theo các quy định tại văn bản mới./.
PHỤ LỤC A
(Tham khảo)
CÁC YÊU CẦU LIÊN QUAN ĐẾN LẮP ĐẶT
Sổ tay thiết bị sẽ cung cấp các thông tin cần thiết để xác định tính tuân thủ theo các yêu cầu cài đặt IMO của EUT.
A.1. Nguồn điện
A.1.1. Đài tàu biển thường được cung cấp năng lượng từ nguồn điện chính trên tàu. Ngoài ra, cũng có thể cung cấp hoạt động cho đài tàu biển và các thiết bị phụ trợ bao gồm hệ thống ăng ten định vị từ nguồn năng lượng thay thế khác.
A.1.2. Ngắt do thay đổi từ một nguồn cung cấp sang nguồn khác trong khoảng 60s phải không gây ra trạng thái ngừng hoạt động của thiết bị hay đòi hòi khởi tạo lại bằng tay.
A.1.3. Nếu cầu thiết phải thay thế nguồn điện, các yêu cầu thay thế nhanh sang một nguồn điện khác là cần thiết nhưng không cần tích hợp trong thiết bị.
A.2. Vị trí ăng ten
A.2.1. Ăng ten cần đặt ở vị trí không bị vật chắn cản trở trong phạm vi góc phương vị ngẩng xuống dưới một góc -5°.
A.2.2. Cần xem xét kỹ lưỡng ảnh hưởng của rung động khi lắp đặt ăng ten trên cột cao và giảm thiểu quạt mờ. Các vật thể nằm trong phạm vi 10m từ mái vòm tạo ra quạt mờ lớn hơn 6° sẽ làm giảm đáng kể hoạt động của ăng ten.
A.2.3. Thiết bị lắp đặt trên tàu sẽ tách rời, ở khoảng cách cho phép, khỏi ăng ten của các thiết bị khác và thiết bị định vị.
PHỤ LỤC B
(Tham khảo)
THU CÁC THÔNG TIN AN TOÀN HÀNG HẢI (MSI)
MSI được phát quảng bá qua NAVTEX và SafetyNET. Inmarsat F77 không cung cấp các dịch vụ này. Để tuân thủ được MSI, cần cài đặt các thiết bị thu bổ sung như bộ thu SafetyNET, bộ thu phát Inmarsat-C có khả năng thu SafetyNET hoặc một thiết bị thu NAVTEX, nằm trong bộ cài đặt GMDSS (xem A.701, IEC 61097-4 và IEC 61097-6).
QCVN 68: 2013/BTTTT
QUY CHUẨN KỸ THUẬT QUỐC GIA
VỀ THIẾT BỊ TRONG HỆ THỐNG NHẬN DẠNG TỰ ĐỘNG AIS SỬ DỤNG TRÊN TÀU BIỂN
National technical regulation on shipborne equipment of the automatic identification systems (AIS)
Lời nói đầu
QCVN 68: 2013/BTTTT được xây dựng dựa trên tiêu chuẩn IEC: 61993-2 (2001-12) và tiêu chuẩn IEC 60945 (08/2002) của Ủy ban kỹ thuật điện quốc tế (International Electrotechnical Commission - IEC).
QCVN 68: 2013/BTTTT do Cục Viễn thông soát xét và hoàn chỉnh, Vụ Khoa học và Công nghệ trình duyệt và được ban hành kèm theo Thông tư số 01/2013/TT-BTTTT ngày 10 tháng 01 năm 2013 của Bộ trưởng Bộ Thông tin và Truyền thông.
MỤC LỤC
1. Quy định chung
1.1. Phạm vi điều chỉnh
1.2. Đối tượng áp dụng
1.3. Tài liệu viện dẫn
1.4. Giải thích từ ngữ
1.5. Chữ viết tắt
2. Quy định kỹ thuật
2.1. Quy định chung
2.1.1. Khái quát
2.1.2. Chế độ vận hành
2.2. Quy định kỹ thuật
2.2.1. Khái quát
2.2.2. Lớp vật lý
2.2.3. Lớp liên kết
2.2.4. Lớp mạng
2.2.5. Lớp vận tải
2.3. Yêu cầu về nguồn điện và đảm bảo an toàn
2.3.1. Độ bền với các điều kiện khác nhau của môi trường
2.3.2. Nguồn điện
2.4. Các điều kiện thử nghiệm
2.4.1. Khái quát
2.4.2. Điều kiện thử nghiệm thông thường và tới hạn
2.4.3. Môi trường đo chuẩn
2.4.4. Triệt nhiễu máy thu
2.4.5. Trở kháng
2.4.6. Anten giả (tải ảo)
2.4.7. Sai số khi đo
2.5. Yêu cầu về tương thích điện từ trường
2.5.1. Khái quát
2.5.2. Đo phát xạ dẫn (tất cả các loại thiết bị trừ loại cầm tay)
2.5.3. Đo phát xạ bức xạ từ các cổng vỏ (trừ loại ở môi trường ngập nước)
2.6. Miễn nhiễm điện từ
2.6.1. Khái quát
2.6.2. Thiết bị thu sóng vô tuyến
2.6.3. Miễn nhiễm đối với nhiễu dẫn tần số vô tuyến
2.6.4. Miễn nhiễm đối với phát xạ tần số vô tuyến
2.6.5. Miễn nhiễm đối với đột biến nhanh nguồn AC, tín hiệu và đường điều khiển
2.6.6. Miễn nhiễm đối với xung sét trên đường điện AC
2.6.7. Miễn nhiễm đối với biến đổi điện áp nguồn ngắn hạn
2.6.8. Miễn nhiễm đối với lỗi nguồn
2.6.9. Miễn nhiễm đối với phóng tĩnh điện
2.7. Yêu cầu đối với lớp vật lý
2.7.1. Máy phát TDMA
2.7.2. Quá trình phát cuộc gọi chọn số DSC
2.7.3. Máy thu TDMA
2.7.4. Bộ thu DSC
2.7.5. Phát xạ giả hội tụ tới Anten
3. Quy định về quản lý
4. Trách nhiệm của tổ chức, cá nhân
5. Tổ chức thực hiện
THƯ MỤC TÀI LIỆU THAM KHẢO
QUY CHUẨN KỸ THUẬT QUỐC GIA
VỀ THIẾT BỊ TRONG HỆ THỐNG NHẬN DẠNG TỰ ĐỘNG AIS SỬ DỤNG TRÊN TÀU BIỂN
National technical regulation on shipborne equipment of the automatic identification systems (AIS)
1. Quy định chung
1.1. Phạm vi điều chỉnh
Quy chuẩn này quy định yêu cầu kỹ thuật về tương thích điện từ, miễn nhiễm điện từ của thiết bị trong hệ thống nhận dạng tự động sử dụng trên tàu biển.
1.2. Đối tượng áp dụng
Quy chuẩn này được áp dụng đối với các tổ chức, cá nhân Việt Nam và nước ngoài có hoạt động sản xuất, kinh doanh các thiết bị thuộc phạm vi điều chỉnh của Quy chuẩn này trên lãnh thổ Việt Nam.
1.3. Tài liệu viện dẫn
TCVN 7189: 2009, Thiết bị công nghệ thông tin - Đặc tính nhiễu tần số vô tuyến - Giới hạn và phương pháp đo;
TCVN 8241-4-2: 2009, Tương thích điện từ (EMC) - Phần 4-2: Phương pháp đo và thử - Miễn nhiễm đối với hiện tượng phóng tĩnh điện;
TCVN 8241-4-3: 2009, Tương thích điện từ - Phần 4-3: Phương pháp đo và thử - Miễn nhiễm đối với nhiễu phát xạ tần số vô tuyến;
TCVN 8241-4-5: 2009, Tương thích điện từ (EMC) - Phần 4-5: Phương pháp đo và thử - Miễn nhiễm đối với xung;
TCVN 8241-4-6: 2009, Tương thích điện từ (EMC) - Phần 4-6: Phương pháp đo và thử - Miễn nhiễm đối với nhiễu dẫn tần số vô tuyến;
TCVN 8241-4-11: 2009, Tương thích điện từ - Phần 4-11: Phương pháp đo và thử - Miễn nhiễm đối với các hiện tượng sụt áp, gián đoạn ngắn và biến đổi điện áp;
IMO Resolution MSC.74(69), Annex 3, Recommendation on performance standards for an universal shipborne automatic identification systems (AIS);
ITU-R Recommendation M.1371-1, Technical characteristics for a universal shipborne automatic identification system using time division multiple access in the maritime mobile band;
IEC 61162-1: Maritime navigation and radiocommunication equipment and systems - Digital interfaces - Part 1: Single talker and multiple listeners;
IEC 61162-2: Maritime navigation and radiocommunication equipment and systems - Digital interfaces - Part 2: Single talker and multiple listeners, high-speed transmission;
IEC 61000-4: Electromagnetic Compatibility - Testing and Measurement Techniques Package.
1.4. Giải thích từ ngữ
1.4.1. Cổng anten (antenna port)
Cổng anten là cổng trên thiết bị được thiết kế để nối với anten trong chế độ hoạt động bình thường.
1.4.2. Bức xạ vỏ (cabinet radiation)
Bức xạ vỏ là bức xạ từ vỏ của thiết bị, ngoại trừ bức xạ từ anten hay cáp kết nối.
1.4.3. Cổng vỏ thiết bị (enclosure port)
Cổng vỏ thiết bị là vỏ bọc vật lý của thiết bị mà trường điện từ có thể bức xạ qua hay tác động lên thiết bị.
CHÚ THÍCH: Trong trường hợp thiết bị dùng anten tích hợp thì cổng vỏ và cổng anten không tách biệt.
1.4.4. Băng ngoại trừ (exclusion band)
Băng ngoại trừ là băng tần số mà không thực hiện các phép đo.
1.4.5. Phát xạ giả (spurious emissions)
Phát xạ giả là phát xạ trên một hay nhiều tần số ngoài độ rộng băng tần cần thiết và có thể làm giảm mức phát xạ đó mà không gây ảnh hưởng tới việc truyền đưa tin tức.
Phát xạ giả gồm các phát xạ hài, phát xạ ký sinh, tích xuyên điều chế, kết quả của điều biến và biến tần, ngoại trừ các phát xạ ngoài băng.
1.4.6. Phát xạ không mong muốn (unwanted emissions)
Phát xạ không mong muốn gồm phát xạ giả và phát xạ ngoài băng.
1.4.7. Cổng (port)
Cổng là giao diện đặc biệt (của một thiết bị nhất định) với môi trường điện từ trường bên ngoài (xem Hình 1).

Hình 1. Ví dụ về các cổng của thiết bị
1.5. Chữ viết tắt
|
AIS |
Hệ thống nhận dạng tự động |
Automatic Identification System |
|
DSC |
Cuộc gọi chọn số |
Digital Selective Calling |
|
EUT |
Thiết bị cần đo kiểm |
Equipment Under Test |
|
EMC |
Tương thích điện từ trường |
ElectroMagnetic Compability |
|
ESD |
Phóng tĩnh điện |
ElectroStatic Discharge |
|
IHO |
Văn phòng thủy văn quốc tế |
International Hydrographic Office |
|
HDG |
Tiêu đề |
Heading |
|
MMSI |
Mã nhận dạng di động hàng hải |
Maritime Mobile Service Identity |
|
PER |
Tỷ lệ lỗi gói tin |
Packet Error Rate |
|
PI |
Giao diện trình diễn |
Presentation Interface |
|
TDMA |
Đa truy nhập phân chia theo thời gian |
Time division multiple access |
|
OSI |
Kết nối các hệ thống mở |
Open Systems Interconnection |
|
IMO |
Tổ chức Hàng hải quốc tế |
International Maritime organization |
|
SOLAS |
Công ước quốc tế về an toàn sinh mạng trên biển |
International Convention for the Safety of Life at Sea |
|
VDL |
Liên kết dữ liệu VHF |
VHF Data Link |
|
VSWR |
Tỷ số sóng đứng |
Voltage Standing Wave Ratio |
|
AC |
Dòng xoay chiều |
Anternate current |
|
DC |
Dòng một chiều |
Direct current |
2. Quy định kỹ thuật
2.1. Quy định chung
2.1.1. Khái quát
2.1.1.1. Khả năng của AIS
AIS có khả năng cung cấp cho các tàu và bờ thông tin của một tàu, một cách tự động với độ chính xác và tần suất theo yêu cầu, nhằm mục đích để theo dõi chính xác đường đi của tàu.
2.1.1.2. Kiểm định chất lượng
Các nhà sản xuất được yêu cầu có hệ thống kiểm soát chất lượng được kiểm định để đảm bảo việc thỏa mãn điều kiện được ban hành. Cơ quan quản lý sẽ đánh giá sản phẩm sau khi được đơn vị ủy quyền đánh giá đảm bảo chất lượng trước khi lắp đặt trên tàu.
2.1.2. Chế độ vận hành
Hệ thống phải có khả năng hoạt động theo các chế độ sau:
2.1.2.1. Chế độ “tự động và liên tục”
Chế độ “tự động và liên tục” có thể hoạt động liên tục ở mọi khu vực biển: ngoài khơi, trong khu vực cảng, trong luồng hẹp.
2.1.2.2. Chế độ “chỉ định”
Chế độ “chỉ định” hoạt động tại một vùng cụ thể, tùy thuộc vào bộ phận điều khiển giao thông tại đây, theo đó khoảng thời gian truyền dữ liệu và/hoặc các khe thời gian có thể được thiết lập từ xa bởi bộ phận điểu khiển giao thông.
2.1.2.3. Chế độ “kiểm soát vòng”
Chế độ "kiểm soát vòng” khi tàu cần truyền dữ liệu để trả lời truy vấn của tàu khác hoặc của trạm điều khiển giao thông.
2.2. Quy định kỹ thuật
2.2.1. Khái quát
Các quy định trong phần này liên quan từ lớp 1 đến lớp 4 (Lớp vật lý, Lớp kết nối, Lớp mạng, Lớp vận tải) trong mô hình OSI.
|
Lớp ứng dụng |
|||
|
Lớp trình diễn |
|||
|
Lớp phiên |
|||
|
Lớp vận tải |
|||
|
Lớp mạng |
|||
|
Kênh 1 |
Kênh 2 |
||
|
Lớp liên kết LME |
|
Lớp liên kết LME |
|
|
Lớp liên kết DLS |
Lớp liên kết DLS |
||
|
Lớp liên kết MAC |
Lớp liên kết MAC |
||
|
Lớp vật lý |
Lớp vật lý |
||
|
Rx1 |
T x 1/2 |
Rx2 |
|
Hình 2. Mô tả mô hình các lớp trong một trạm AIS
2.2.2. Lớp vật lý
Lớp Vật lý làm nhiệm vụ truyền các luồng bít từ đầu ra ban đầu trên kênh dữ liệu. Lớp Vật lý tuân theo ITU-R M.1371-1, Phụ lục 2, Chương 2.
Bảng 1 bao gồm các thông số kỹ thuật sẽ áp dụng cho các bộ thu TDMA.
Bảng 1. Các yêu cầu đặc tính bộ thu
|
Thông số máy thu |
Kênh 25 kHz |
Kênh 12,5 kHz |
|
Độ nhạy |
20% PER, -107 dBm |
20% PER, -98 dBm |
|
Triệt nhiễu cùng kênh |
-10 dB ÷ 0 dB |
-18 dB ÷ 0 dB |
|
Độ chọn lọc kênh lân cận |
70 dB |
50 dB |
|
Triệt đáp ứng giả |
70 dB |
N/A |
|
Triệt đáp ứng xuyên điều chế và triệt nghẽn |
20% PER |
N/A |
2.2.3. Lớp liên kết
Lớp liên kết chỉ định phương thức đóng gói gói tin nhằm thực hiện việc phát hiện và sửa lỗi cho quá trình truyền dữ liệu. Lớp liên kết chia thành 3 lớp con.
2.2.3.1. Lớp liên kết con 1: Điều khiển truy nhập môi trường (MAC)
Lớp con MAC chỉ định phương thức truy nhập tới môi trường truyền dữ liệu, tức là kênh dữ liệu VHF. Lớp này dùng phương thức truy nhập TDMA dùng tham chiếu thời gian thông thường. Lớp con MAC thiết kế tuân theo Khuyến nghị ITU-R M.1371-1, Phụ lục 2, Chương 3.1.
2.2.3.2. Lớp liên kết con 2: Dịch vụ kênh dữ liệu (DSL)
Lớp con DLS chỉ định phương thức:
a) Khởi tạo và giải phóng kênh dữ liệu.
b) Truyền dữ liệu.
c) Giám sát và phát hiện lỗi.
Lớp con DSL tuân theo Khuyến nghị ITU-R M.1371-1, Phụ lục 2, Chương 3.2.
2.2.3.3. Lớp liên kết con 3: Thành phần quản lý kênh (LME)
LME điều khiển hoạt động của DLS, MAC và lớp vật lý.
Cấu trúc LME tuân theo Khuyến nghị ITU-R M.1371-1, Phụ lục 2, Chương 3.3.
2.2.4. Lớp mạng
Lớp mạng dùng để:
a) Thiết lập và duy trì các kết nối kênh;
b) Quản lý các phép gán ưu tiên cho bản tin;
c) Phân phối các gói tin truyền vào các kênh.
Lớp mạng có cấu trúc tuân thủ Khuyến nghị ITU-R M.1371-1-1, Phụ lục 2, Chương 4.
Mọi thiết lập được khai thác vùng được lưu đều được gán thẻ ngày/giờ và các thông tin đầu vào mà thiết lập được khai thác vùng thu được (TDMA Msg 22, tín hiệu mã DSC, đầu vào nhập qua bàn phím, đầu vào chuỗi ACA nhập qua giao diện trình diễn).
AIS sẽ liên tục kiểm tra, nếu biên gần nhất của vùng được khai thác của mọi thiết lập cách tàu đang đo trên 804,5km, hoặc nếu mọi thiết lập được khai thác vùng đã dùng trên 5 tuần.
2.2.5. Lớp vận tải
Lớp vận tải dùng để:
a) Chuyển đổi dữ liệu thành các gói tin với kích thước phù hợp để phát đi
b) Kiểm soát thứ tự các gói tin
c) Làm giao thức cầu nối với các lớp cao hơn.
Lớp vận tải có cấu trúc tuân thủ Khuyến nghị ITU-RM.1371-1-1, Phụ lục 2, Chương 5.
2.3. Yêu cầu về nguồn điện và đảm bảo an toàn
2.3.1. Độ bền với các điều kiện khác nhau của môi trường
Bảng 2. Độ bền với các điều kiện khác nhau của môi trường
|
|
Xách tay |
Được che chắn |
Ngoài trời |
Ngập nước |
|
Khô nóng |
+55°C (bảo quản +70°C) |
+55°C |
+55oC (bảo quản +70°C) |
(bảo quản +70°C) |
|
Nóng ẩm |
+40°C 93% |
x |
||
|
Nhiệt độ thấp |
-20°C (bảo quản -30°C) |
-15°C |
-25°C |
x |
|
Sốc nhiệt |
45K trong nước |
x |
||
|
Rơi xuống mặt phẳng cứng |
6 lần từ độ cao 1m |
x |
||
|
Rơi xuống nước |
3 lần từ độ cao 20m |
x |
||
|
Rung lắc |
Rung tại tần số 2 Hz - 13,2 Hz độ dịch chuyển ± 1mm, tại 13,2 Hz - 100 Hz độ dịch chuyển 7m/s2 và trong 2h với mỗi lần cộng hưởng, nói cách khác 2h quét tại 30 Hz theo cả 3 trục |
|||
|
Mưa và bụi nước |
x |
Vòi 12,5mm, lưu x lượng 100 lít/phút và khoảng cách 3m |
X |
|
|
Nhúng vào nước |
100 kPa (1 bar) trong 5 phút 10 kPa (0,1 bar) với VHF 2 chiều |
x |
600 kPa (6 bar) trong 12h |
|
|
Bức xạ mặt trời |
1120 W/m2 80h |
x |
x |
x |
|
Chống dầu bám |
ISO Oil No. 1 24h, 19°C |
x |
x |
x |
|
Ăn mòn |
Bốn chu kỳ, mỗi chu kỳ trong vòng 7 ngày tại 40°C, độ ẩm tương đối 90% - 95% sau 2h phun nước muối |
|||
|
CHÚ THÍCH: “x” - Không quy định |
||||
2.3.2. Nguồn điện
2.3.2.1. Nguồn điện
Quy trình đo đầu vào và ra của nguồn điện tuân theo các quy định IEC 61162-1 hoặc IEC 61162-2 về điện áp và dòng lớn nhất và nhỏ nhất trên các kết cuối đầu vào.
2.3.2.2. Yêu cầu kết quả
Các giao diện đáp ứng đầy đủ theo 2 tiêu chuẩn trên (IEC 61162-1 hoặc IEC 61162-2).
2.4. Các điều kiện thử nghiệm
2.4.1. Khái quát
Khi một yêu cầu trong tiêu chuẩn này khác với trong IEC 60945, yêu cầu trong tiêu chuẩn này sẽ được áp dụng.
2.4.2. Điều kiện thử nghiệm thông thường và tới hạn
2.4.2.1. Điều kiện thử nghiệm thông thường
a) Nhiệt độ và độ ẩm
Nhiệt độ và độ ẩm phải nằm trong dải:
· Nhiệt độ từ +15°C đến +35°C.
· Độ ẩm từ 20% đến 75%.
b) Nguồn cấp
Nguồn cấp trong điều kiện thử nghiệm thông thường sẽ có dung sai tương đối trong khoảng là ±3% so với điện áp danh nghĩa của nguồn điện trên tàu đã được thiết kế để cung cấp cho thiết bị.
2.4.2.2. Điều kiện thử nghiệm tới hạn
Điều kiện thử nghiệm tới hạn được chỉ rõ trong IEC 60945. Khi được yêu cầu, phép thử trong điều kiện tới hạn được thực hiện trong môi trường khô ráo và có điện áp cao hơn giới hạn điện áp cấp cùng lúc đó, có nhiệt độ thấp và thấp hơn giới hạn điện áp cấp cùng lúc.
2.4.3. Môi trường đo chuẩn
EUT được đo trong môi trường sử dụng thiết bị đo để mô phỏng và lưu các bản tin VDL. Môi trường chuẩn gồm ít nhất 5 mục tiêu mô phỏng. Mức tín hiệu đầu vào ở cổng RF input của EUT với mỗi mục tiêu ít nhất là -100 dBm. Các đầu vào thu được bằng cảm biến của EUT, được mô phỏng bằng hệ thống đo kiểm hoặc các phương pháp khác. Được khai thác và kiểm tra trên các kênh trong băng tần di động hàng hải.
Các kênh đang dùng sẽ được lựa chọn bằng tay thông qua các đầu vào hoặc các bản tin đã gán kênh trước khi bắt đầu đo.
2.4.4. Triệt nhiễu máy thu
Nếu nhà sản xuất công bố cả hai bộ thu TDMA như nhau, phép đo sẽ chỉ giới hạn trên một bộ thu và không cần đo bộ thu kia. Điều này sẽ được đưa vào kết quả đo.
2.4.5. Trở kháng
Trong quy chuẩn này, khái niệm "50 " được áp dụng với các trở kháng thụ động 50 .
2.4.6. Anten giả (tải ảo)
Các phép đo được thực hiện với anten giả, đó là một tải thụ động 50 không phát xạ nối với bộ nối của anten.
2.4.7. Sai số khi đo
Sai số lớn nhất khi đo cho phép như sau:
Tần số vô tuyến ±1 x 10-7
Công suất vô tuyến ±0,75dB
Công suất kênh lân cận ±5dB
Phát xạ dẫn giả của máy phát ±4dB
Phát xạ dẫn giả của máy thu ±3dB
Đo hai tín hiệu ±4dB
Đo ba tín hiệu ±3dB
Phát xạ điện từ của máy phát ±6dB
Phát xạ điện từ của máy thu ±6dB
Thời gian bắt đầu phát ±20%
Thời gian ngừng phát ±20%
Tần số tức thời máy phát (độ lệch tần) ±250 Hz.
2.5. Yêu cầu về tương thích điện từ trường
2.5.1. Khái quát
Trong khi đo EMC, EUT cần được khai thác trong điều kiện đo kiểm bình thường, và thiết lập điều khiển ảnh hưởng đến mức bức xạ phải được thay đổi để đạt được mức bức xạ lớn nhất. Nếu EUT có nhiều trạng thái hoạt động, thí dụ được khai thác bình thường và chờ trạng thái tạo ra mức phát xạ cực đại phải được kích hoạt và đo trong các trạng thái đó. Kết nối anten của EUT, nếu có, phải được kết cuối với anten giả không bức xạ.
Với các phép đo phát xạ bức xạ, thiết bị bao gồm bộ phát sóng vô tuyến được khai thác trong băng tần đo phải ở trạng thái khai thác phát xạ trên tải giả.
Với các phép đo phát xạ dẫn, thiết bị bao gồm bộ phát sóng vô tuyến, băng loại trừ 200 kHz sẽ có tần số trung tâm tại các biên độ và hài trong băng đo.
Giao diện riêng biệt của EUT với môi trường điện từ bên ngoài là các cổng.
Giới hạn vật lý của EUT mà ở đó có phát xạ hay tác động của điện từ trường là cổng vỏ (Hình 3).

Hình 3. Các cổng trong phép thử miễn nhiễm và phát xạ điện từ
Các điều kiện và các phép đo được tóm tắt trong bảng sau:
Bảng 3. Các phép thử EMC
|
|
Xách tay |
Được che chắn |
Để ngoài trời |
Ngập nước |
||
|
Phát xạ dẫn |
|
10 kHz - 150 kHz |
63 mV - 0,3 mV (96 dBµV - 50 dBµV) |
|||
|
150 kHz - 350 kHz |
1 mV - 0,3 mV (60 dBµV - 50 dBµV) |
|||||
|
350 kHz - 30 MHz |
0,3 mV (50 dBµV) |
|||||
|
Phát xạ bức xạ |
150 kHz - 300 kHz
156 MHz - 165 MHz |
10 mV/m - 316 µV/m (80 dBµV/m - 52 dBµV/m) 316 µV/m - 50µV/m (52 dBµV/m - 34 dBµV/m) 500 µV/m (54 dBµV/m) ngoại trừ 16 µV/m (24 dBµV/m) gần đỉnh hoặc 32 µV/m (30 dBµV/m) đỉnh |
|
|||
2.5.2. Đo phát xạ dẫn (tất cả các loại thiết bị trừ loại cầm tay)
2.5.2.1. Mục đích
Phép thử này đo các tín hiệu do thiết bị phát ra tại cổng nguồn có thể dẫn sang nguồn cung cấp của tàu, do đó sẽ gây nhiễu lên các thiết bị khác.
2.5.2.2. Quy trình đo
Phát xạ phải được đo bởi thiết bị thu đo gần đỉnh như chỉ rõ trong TCVN 7189: 2009. Mạng nguồn giả V theo như TCVN 7189: 2009 (Hình 4) được sử dụng để cung cấp trở kháng xác định ở tần số cao qua các cực của EUT, và để cô lập mạch kiểm tra với các tín hiệu tần số sóng vô tuyến không mong muốn trên mạng nguồn. Độ rộng băng tần đo trong dải tần từ 10 kHz đến 150 kHz là 200 Hz, và trong dải tần từ 150 kHz đến 30 MHz là 9 kHz.
Cáp cấp nguồn vào nằm giữa cổng cấp dòng một chiều và xoay chiều của thiết bị cần kiểm tra và mạng nguồn giả được tạo ra phải được che chắn và không dài quá 0,8m. Nếu EUT có nhiều hơn một thành phần với các cổng nguồn của cùng một điện áp cung cấp danh định có thể được nối song song với mạng nguồn giả.

Hình 4a. Ví dụ mô phỏng mạng nguồn giả V 50 /50 µH + 5W để dùng trong dải tần 10 kHz tới 150 kHz

Hình 4b. Ví dụ mô phỏng mạng nguồn giả V 50 /50 µH để dùng trong dải tần 150 kHz tới 30 MHz
Hình 4. Mạng nguồn giả để đo kiểm phát xạ dẫn
Phép đo được thực hiện với mọi thiết bị đo và EUT được đo phải gắn với mặt phẳng đất. Trong trường hợp không có mặt phẳng đất, có thể dùng khung hay thảm kim loại của EUT để thay thế.
2.5.2.3. Yêu cầu kết quả
Trong dải tần 10 kHz đến 30 MHz, điện áp tần số vô tuyến của các cực nguồn cung cấp của EUT không được vượt quá giá trị quy định như trong Hình 5.

Hình 5. Giới hạn điện áp tần số vô tuyến cho phát xạ dẫn
2.5.3. Đo phát xạ bức xạ từ các cổng vỏ (trừ loại ở môi trường ngập nước)
2.5.3.1. Mục đích bài đo
Đo mọi tín hiệu phát ra từ thiết bị không qua anten và có thể gây nhiễu điện thế sang các thiết bị khác trên tàu, như các bộ thu vô tuyến.
2.5.3.2. Quy trình đo
a) Thiết bị thu đo gần đỉnh chỉ rõ trong TCVN 7189: 2009 được sử dụng. Băng thông máy thu trong dải tần 150 kHz đến 30 MHz là 9 kHz và trong dải 30 MHz đến 2 GHz là 120 kHz.
Với các phép đo cho tần số từ 150 kHz đến 30 MHz sẽ phải sử dụng từ trường H. anten đo là anten vòng có màn chắn điện và có kích thước để có thể đặt vừa một hình vuông có mỗi cạnh dài 60cm. Hệ số chính xác của anten bao gồm hệ số +51,5 dB để biến cường độ từ trường thành điện trường tương ứng.
Với các phép đo cho tần số trên 30 MHz sẽ phải sử dụng điện trường E. Anten đo là anten lưỡng cực cân bằng độ dài cộng hưởng, hay lưỡng cực luân phiên hay anten có độ tăng ích cao như chỉ rõ trong TCVN 7189: 2009. Kích thước của anten đo hướng về phía thiết bị cần kiểm tra sẽ không vượt quá 20% khoảng cách từ nó đến EUT. Tại các tần số trên 80 MHz có thể làm độ cao tâm của anten đang đo thay đổi so với mặt đất từ 1m đến 4m.
b) Hơn nữa, trong băng tần từ 156 MHz đến 165 MHz, phép đo sẽ lặp lại với băng thông thu là 9 kHz, các điều kiện khác tương tự phần a) trên.
c) Cũng có thể lựa chọn theo cách khác là trong băng tần số từ 156 MHz đến 165 MHz sử dụng một thiết bị thu giá trị đỉnh hay thiết bị phân tích tần số phù hợp với sắp xếp giữa nhà sản xuất và cơ quan đo kiểm.
2.5.3.3. Yêu cầu về kết quả
a) Giới hạn phát xạ tại điểm cách các cổng trên thân máy 3m đo trên dải tần 150 kHz đến 2 GHz được mô tả trong Hình 6.

Hình 6. Giới hạn phát xạ bức xạ từ các cổng vỏ
b) Giới hạn phát xạ tại điểm cách các cổng trên thân máy 3m đo trên dải tần 156 MHz đến 165 MHz là 24 dBµV/m.
c) Cách khác, trong dải tần 156 MHz đến 165 MHz, giới hạn phát xạ tại điểm cách các cổng trên thân máy 3m là 30 dBµV/m.
2.6. Miễn nhiễm điện từ
2.6.1. Khái quát
Trong các phép thử này, EUT phải tuân thủ theo cấu hình hoạt động, thủ tục lắp đặt và nối đất bình thường, trừ khi có thay đổi được chỉ rõ, và được khai thác trong điều kiện đo kiểm bình thường. Giao diện riêng biệt của EUT với môi trường điện từ bên ngoài là các cổng. Giới hạn vật lý của EUT mà ở đó có phát xạ hay tác động của điện từ trường là cổng vỏ.
Các phép thử chế độ chênh lệch là các phép thử giữa nguồn điện, tín hiệu và đường dây điều khiển.
Các phép thử chế độ chung là các phép thử giữa các nhóm đường dây và điểm tham chiếu chung, thường là đất.
Đối với các phép thử miễn nhiễm, các kết quả được đánh giá theo các tiêu chí chất lượng phụ thuộc và các điều kiện được khai thác và các chức năng đã gán của EUT, và được định nghĩa như sau:
- Tiêu chí chất lượng A: EUT phải tiếp tục hoạt động bình thường trong và sau khi thử. Không xảy ra suy giảm chất lượng hay mất chức năng như đã định nghĩa trong tiêu chuẩn thiết bị và chỉ tiêu kỹ thuật do nhà sản xuất cung cấp.
- Tiêu chí chất lượng B: EUT phải tiếp tục hoạt động bình thường sau khi thử. Không xảy ra suy giảm chất lượng hay mất chức năng như đã định nghĩa trong tiêu chuẩn thiết bị và chỉ tiêu kỹ thuật do nhà sản xuất cung cấp. Trong khi thử, suy giảm chất lượng hay mất chức năng nhưng có thể tự phục hồi mà không được phép thay đổi trạng thái hoạt động thực sự và số liệu lưu trữ.
- Tiêu chí chất lượng C: Suy giảm tạm thời và mất chức năng cho phép trong khi thử, với điều kiện chức năng có thể tự phục hồi, hoặc phục hồi lại sau khi kết thúc phép thử bằng các bộ phận điều khiển, như đã định nghĩa trong tiêu chuẩn thiết bị và chỉ tiêu kỹ thuật do nhà sản xuất cung cấp.
Các điều kiện và phép thử được tóm tắt trong Bảng 4. Bảng 4 cũng cung cấp các yêu cầu chỉ tiêu chất lượng cho thiết bị sóng vô tuyến và thiết bị định vị khác nhau. Với các loại thiết bị khác, tiêu chí chất lượng phải được cung cấp trong tiêu chuẩn thiết bị tương ứng và các chỉ tiêu kỹ thuật do nhà sản xuất cung cấp, tuy nhiên, tối thiểu EUT phải tuân thủ chỉ tiêu chất lượng C.
Bảng 4. Miễn nhiễm điện từ
|
|
Xách tay |
Bảo vệ |
Mở |
Chìm |
||
|
Nhiễu dẫn tần số vô tuyến |
* |
3 V r.m.s e.m.f 150 kHz - 80 MHz, 10 V r.m.se.m.f tại các tần số điểm quy định Các cổng nguồn a.c và d.c, cổng điều khiển và tín hiệu, chế độ chung Tiêu chí chất lượng A |
||||
|
Nhiễu phân tán |
10 V/m 80 MHz - 2 GHz Cổng vỏ Tiêu chí chất lượng A |
* |
||||
|
Chuyển tiếp nhanh |
* |
Điện áp 2 kV trên các cổng nguồn a.c Điện áp 1 kV chế độ chung trên các cổng điều khiển và tín hiệu Tiêu chí chất lượng B |
||||
|
Chuyển tiếp chậm |
* |
1 kV cổng/đất, 0,5 kV cổng/cổng * Cổng nguồn AC Tiêu chí chất lượng B |
||||
|
Biến đổi nguồn ngắn hạn |
* |
Điện áp ± 20% cho 1,5s, tần số ± 10% cho 5s Cổng nguồn AC Tiêu chí chất lượng B
|
||||
|
Hỏng nguồn |
* |
Ngắt 60s * Cổng nguồn a.c và d.c Tiêu chí chất lượng C |
||||
|
Phóng tĩnh điện |
Tiếp xúc 6 kV Không gian 8 kV Tiêu chí chất lượng B |
* |
||||
|
CHÚ THÍCH: “*” - Không quy định |
||||||
2.6.2. Thiết bị thu sóng vô tuyến
Nếu EUT có gắn thiết bị thu sóng vô tuyến, các tần số trong băng loại trừ, cùng với các đáp ứng của thiết bị thu băng hẹp (đáp ứng giả), phải không nằm trong các phép thử miễn nhiễm với nhiễu bức xạ và nhiễu dẫn.
2.6.2.1. Băng loại trừ
Băng loại trừ của thiết bị thu được định nghĩa là băng tần được khai thác của thiết bị thu, do nhà sản xuất công bố, mở rộng tại các giới hạn thêm 5% giá trị.
2.6.2.2. Đánh giá đáp ứng thiết bị thu
Đáp ứng băng hẹp cho phép (đáp ứng giả) được xác định bằng phương pháp sau:
Nếu tín hiệu thử (tín hiệu không mong muốn) làm suy giảm chất lượng tại một tần số riêng, tần số tín hiệu thử phải được tăng thêm một lượng gấp đôi độ rộng băng tần của bộ lọc IF máy thu nằm ngay trước bộ giải điều chế, theo như công bố của nhà sản xuất. Tín hiệu thử sau đó được giảm một lượng tương đương.
Nếu không có suy giảm chất lượng tại cả hai tần số này thì đáp ứng ở đây được gọi là đáp ứng băng hẹp cho phép. Nếu vẫn có suy giảm chất lượng, thì có thể do phần thay đổi đã làm cho tần số của tín hiệu thử tương ứng với một đáp ứng băng hẹp khác. Điều này được xác định bằng cách lặp lại các thủ tục trên bằng cách tăng và giảm tần số tín hiệu thử thêm 2,5 lần độ rộng băng tần ở trên.
Nếu vẫn có suy giảm chất lượng thì đáp ứng ở đây không được coi là đáp ứng băng hẹp cho phép.
2.6.3. Miễn nhiễm đối với nhiễu dẫn tần số vô tuyến
2.6.3.1. Mục đích
Mô phỏng ảnh hưởng của nhiễu gây ra bởi nguồn, tín hiệu và đường dây điều khiển từ các thiết bị phát sóng vô tuyến trên tàu tại các tần số dưới 80 MHz.
2.6.3.2. Quy trình đo
EUT được đặt trên một tấm đỡ cách điện có độ cao 0,1m so với mặt phẳng tham chiếu đất. Thiết bị phụ trợ (AE) cần thiết cung cấp nguồn cho EUT và các tín hiệu cần thiết để được khai thác bình thường và kiểm tra chất lượng phải được kết nối với nhau bằng dây cáp, sẽ được cung cấp bởi các thiết bị ghép và tách thích hợp (CDNs) tại khoảng cách 0,1m và 0,3m từ EUT (Hình 7). TCVN 8241-4-6: 2009 chỉ rõ thiết kế của CDNs và các kẹp phun thay thế nếu không thể sử dụng CDN.

CHÚ THÍCH: T - Đầu cuối 50 Ω
T2 - Khuyếch đại công suất (6 dB)
CDN - Mạng ghép/tách
Hình 7. Sơ đồ thiết lập thử miễn nhiễm đối với nhiễu dẫn tần số vô tuyến

Hình 8. Ví dụ minh họa sơ đồ đơn giản của CDN sử dụng với các nguồn cung cấp có lớp che chắn, trong phép thử nhiễu dẫn tần số vô tuyến
Phép thử phải được thực hiện với thiết bị phát thử nối lần lượt với các CDN, trong khi các cổng vào RF không kích thích đến CDN được nối với trở kháng 50Ω.
Thiết bị phát thử phải được thiết lập cho mỗi CDN và ngắt các kết nối AE và EUT thay bằng trở kháng 150 Ω. Thiết bị phát thử phải cung cấp e.m.f không điều chế tại cổng EUT với mức thử yêu cầu.
Phép thử được tiến hành như trong TCVN 8241-4-6: 2009 với các mức thử sau:
- Biên độ 3 V r.m.s quét trong dải tần số từ 150 kHz đến 80 MHz
- Biên độ 10 V r.m.s tại tần số: 2 MHz, 3 MHz, 4 MHz, 6,2 MHz, 8,2 MHz, 12,6 MHz, 16,5 MHz, 18,8 MHz, 22 MHz và 25 MHz.
Trong khi thử, điều chế biên độ tại 400 Hz ± 10% với độ sâu 80% ± 10% sẽ được sử dụng.
Tốc độ quét tần số không được vượt quá 1,5 x 10-3 decade/s để cho phép phát hiện lỗi của EUT.
Tín hiệu trên được đặt lên nguồn, tín hiệu và đường dây điều khiển của EUT. Phép kiểm tra chất lượng EMC sẽ được trực hiện trong và sau mỗi phép thử.
2.6.3.3. Yêu cầu kết quả
Các yêu cầu kiểm tra chất lượng EMC phải được thỏa mãn trong và sau phép thử tương ứng với Tiêu chí chất lượng A.
2.6.4. Miễn nhiễm đối với phát xạ tần số vô tuyến
2.6.4.1. Mục đích
Mô phỏng ảnh hưởng của các thiết bị phát sóng vô tuyến tần số trên 80 MHz, như các thiết bị phát VHF đặt trên tàu, thiết bị radio cầm tay, đặt gần thiết bị.
2.6.4.2. Quy trình đo
Thiết bị phải được đặt trong một phòng che thích hợp hay buồng không có tiếng vọng và có kích thước tương xứng với EUT.
EUT cần đặt ở khu vực cường độ trường đồng nhất và cách điện với đất bằng giá đỡ phi kim. Khu vực đồng nhất được hiệu chuẩn khi phòng đo trống. Cấu hình của EUT và các cáp đi cùng sẽ được ghi trong biên bản thử nghiệm.

Hình 9. Ví dụ điều kiện thử nghiệm thích hợp miễn nhiễm đối với tần số vô tuyến phân tán
Các dây dẫn song song sẽ được sử dụng nếu đường dây từ và đến EUT không được chỉ rõ, và để trần trong trường điện từ cách EUT 1m.
Phép thử được tiến hành như trong TCVN 8241-4-3: 2009, tại mức nghiêm ngặt 3, với anten phát đặt đối diện với một trong bốn mặt của EUT. Khi thiết bị có thể được sử dụng theo các hướng khác nhau (thẳng đứng và nằm ngang), phép thử được tiến hành ở tất cả các mặt. EUT ban đầu được đặt sao cho một mặt trùng với mặt phẳng hiệu chuẩn. Dải tần được quét với tốc độ theo thứ tự là 1,5 x 10-3 decade/s với dải tần từ 80 MHz đến 1 GHz và 0,5 x 10-3 decade/s với dải tần từ 1 GHz đến 2 GHz, và đủ nhỏ để cho phép phát hiện bất kỳ lỗi chức năng nào của EUT. Bất kỳ tần số nhạy cảm hay có tính vượt trội nào cũng cần được phân tích riêng.
EUT được đặt trong điện trường điều chế với cường độ 10 V/m quét trong dải tần từ 80 MHz đến 2 GHz. Điều chế tại 400 Hz ± 10% đến độ sâu 80% ± 10%.
2.6.4.3. Yêu cầu kết quả
Các yêu cầu kiểm tra chất lượng EMC phải được thỏa mãn trong và sau phép thử tương ứng với Tiêu chí chất lượng A.
2.6.5. Miễn nhiễm đối với đột biến nhanh nguồn AC, tín hiệu và đường điều khiển
2.6.5.1. Mục đích
Mô phỏng đột biến năng lượng thấp, nhanh gây ra do chuyển mạch thiết bị tạo nên cung lửa điện tại chỗ tiếp xúc.
2.6.5.2. Quy trình đo
Phép thử được tiến hành như trong IEC 61000-4-4, tại mức nghiêm ngặt 3, sử dụng thiết bị phát thử tuân thủ theo 6.1.1 của IEC 61000-4-4, mạng ghép/tách tuân thủ theo 6.2 của IEC 61000-4-4 cho các đường điện, và thiết bị kẹp ghép điện dung tuân thủ theo 6.3 của IEC 61000-4-4 cho tín hiệu và đường điều khiển (Hình 10).

CHÚ THÍCH: I - Khoảng cách giữa giá kẹp và EUT (không lớn hơn 1m)
(A) - Vị trí ghép đường nguồn
(B) - Vị trí ghép đường tín hiệu
Hình 10. Thiết lập thử nghiệm chung cho miễn nhiễm đối với đột biến nhanh
Xung với các đặc tính sau được sử dụng cho nguồn, tín hiệu và đường điều khiển:
- Thời gian quá độ: 5 ns (Giá trị nằm giữa 10% và 90%).
- Độ rộng: 50 ns (50% giá trị).
- Biên độ: 2 kV chế độ chênh lệch trên các đường điện AC, 1 kV chế độ chênh lệch trên tín hiệu và đường điện.
- Tốc độ lặp: 5 kHz (1 kV), 2,5 kHz (2 kV).
- Ứng dụng: 15 ms burst trong 300 ms.
- Chu trình: 3 phút đến 5 phút cho mỗi xung cực tính dương và âm.
2.6.5.3. Yêu cầu kết quả
Các yêu cầu kiểm tra chất lượng EMC phải được thỏa mãn trong và sau phép thử tương ứng với Tiêu chí chất lượng B.
2.6.6. Miễn nhiễm đối với xung sét trên đường điện AC
2.6.6.1. Mục đích
Phép thử mô phỏng xung sét năng lượng cao, chậm gây ra do chuyển mạch Thyristor lên nguồn điện AC.
2.6.6.2. Quy trình đo
Phép thử được tiến hành như trong TCVN 8241-4-5: 2009, tại mức nghiêm ngặt 2, sử dụng thiết bị phát sóng kết hợp (lai) thử tuân thủ theo 6.1 của TCVN 8241-4-5: 2009, kết hợp với mạng ghép/tách tuân thủ theo 8.1.1 của TCVN 8241-4-5: 2009 (Xem Hình 11).
Xung với các đặc tính sau được sử dụng cho các đường điện:
- Thời gian quá độ: 1,2 ms (Giá trị nằm giữa 10% và 90%).
- Độ rộng: 50 ms (50% giá trị)
- Biên độ: 1 kV dây/đất , 0,5 kV dây/dây.
- Tốc độ lặp: 1 xung/phút.
- Ứng dụng: liên tục.
- Chu trình: 5 phút cho mỗi xung cực tính dương và âm.
2.6.6.3. Yêu cầu kết quả
Các yêu cầu kiểm tra chất lượng EMC phải được thỏa mãn trong và sau phép thử tương ứng với Tiêu chí chất lượng B.

Hình 11a. Ví dụ thiết lập phép thử ghép điện dung trên đường AC/DC; ghép đường tới đường, đầu ra thiết bị phát thả nổi

Hình 11b. Ví dụ thiết lập phép thử ghép điện dung trên đường AC/DC; ghép đường tới đất, đầu ra thiết bị phát nối đất
Hình 11. Thiết lập phép thử miễn nhiễm đối với xung sét trên đường AC
2.6.7. Miễn nhiễm đối với biến đổi điện áp nguồn ngắn hạn
2.6.7.1. Miễn trừ
Phép thử này không dùng cho thiết bị điện áp DC.
2.6.7.2. Mục đích
Phép thử mô phỏng biến đổi điện áp nguồn do tải thay đổi mạnh. Phần này bổ sung cho phép thử biến đổi nguồn liên tục trong điều kiện đo kiểm tới hạn như chỉ ra trong Bảng 1.
2.6.7.3. Quy trình đo
Biến đổi điện áp nguồn được tạo ra bằng nguồn điện có thể lập trình được. EUT phải chịu biến đổi điện áp nguồn tương ứng với giá trị danh định 1/phút trong 10 phút (Hình 12) như sau:
a) Phép thử 1:
Điện áp: Danh định + (20 ± 1)%, chu trình 1,5s ± 0,2s,
Tần số: Danh định + (10 ± 0,5)%, chu trình 5s ± 0,5s, áp đặt;
b) Phép thử 2:
Điện áp: Danh định - (20 ± 1)%, chu trình 1,5s ± 0,2s,
Tần số: Danh định - (10 ± 0,5)%, chu trình 5s ± 0,5s, áp đặt.
Thời gian tăng hoặc giảm đối với biến đổi tần số hoặc điện áp là 0,2s ± 0,1s (từ 10% đến 90%).
Các thông tin khác được cho trong TCVN 8241-4-11: 2009.

Hình 12a. Phép thử 1: Điện áp (V) + 20% và Tần số (f) + 10%

Hình 12b. Phép thử 2: Điện áp (V) - 20% và Tần số (f) - 10%
Hình 12. Biến đổi nguồn trong phép thử miễn nhiễm đối với biến đổi điện áp nguồn ngắn hạn
2.6.7.4. Yêu cầu kết quả
Các yêu cầu kiểm tra chất lượng EMC phải được thỏa mãn trong và sau phép thử tương ứng với Tiêu chí chất lượng C như chỉ rõ trong 2.6.1. Không xảy ra hỏng hóc phần mềm hay mất các dữ liệu quan trọng.
2.6.8. Miễn nhiễm đối với lỗi nguồn
2.6.8.1. Miễn trừ
Phép thử này không áp dụng với EUT được khai thác bằng nguồn ắc quy hay kết nối tới ắc quy dự phòng.
2.6.8.2. Mục đích
Phép thử mô phỏng ngắt nguồn trong khoảng thời gian ngắn do thay đổi nguồn điện và hay nhảy rơle. Nó bao gồm cả trường hợp ngắt cho phép bởi Công ước IMO SOLAS cho thay đổi từ nguồn điện chính sang nguồn khẩn cấp.
2.6.8.3. Quy trình đo
EUT phải chịu ba lần ngắt nguồn trong khoảng 60s.
Các thông tin khác được cho trong TCVN 8241-4-11: 2009.
2.6.8.4. Yêu cầu kết quả
Các yêu cầu kiểm tra chất lượng EMC phải được thỏa mãn trong và sau phép thử tương ứng với Tiêu chí chất lượng C. Không xảy ra hỏng hóc phần mềm hay mất các dữ liệu quan trọng.
2.6.9. Miễn nhiễm đối với phóng tĩnh điện
2.6.9.1. Mục đích
Mô phỏng ảnh hưởng của phóng tĩnh điện từ người xảy ra trong môi trường mà người đó tích điện, như tiếp xúc với thảm sợi nhân tạo hay các áo quần bằng Vinyl.
2.6.9.2. Quy trình đo
Phép thử được thực hiện như mô tả trong TCVN 8241-4-2: 2009, sử dụng thiết bị phát tĩnh điện (ESD), là một tụ điện dự trữ năng lượng có điện dung 150 pF và trở kháng phóng 330Ω nối với một đầu phóng.
EUT phải được đặt trên một mặt phẳng đất bằng kim loại có cách điện và ở khoảng cách 0,5mm so với mỗi mặt của EUT (Hình 13 và 14). Phóng điện từ thiết bị phát sẽ đặt vào các điểm trên EUT mà người sử dụng thường truy nhập khi được khai thác bình thường.

Hình 13. Ví dụ thiết lập thiết bị đặt trên sàn cho phép thử miễn nhiễm phóng tĩnh điện (ESD) chỉ rõ vị trí cơ bản của thiết bị phát ESD

Hình 14. Ví dụ thiết lập thiết bị đặt trên bàn cho phép thử miễn nhiễm phóng tĩnh điện (ESD) chỉ rõ vị trí cơ bản của thiết bị phát ESD
Thiết bị phát ESD được đặt vuông góc với bề mặt, tại vị trí có thể thực hiện phóng điện và với tốc độ 20 lần trong một giây. Mỗi vị trí được thử với 10 lần phóng điện tích dương và âm trong khoảng thời gian ít nhất 1 s giữa các lần phóng để cho phép kiểm tra lỗi được khai thác của EUT. Phương pháp hay được sử dụng là phóng điện tiếp xúc. Tuy nhiên phóng điện qua không khí sẽ được dùng khi không thể áp dụng phóng điện tiếp xúc, như trên các bề mặt sơn cách điện theo công bố của nhà sản xuất.
Để mô phỏng phóng điện lên các vật thể đặt cạnh EUT, 10 lần phóng điện tiếp xúc đơn, cực tính dương và âm, sẽ được sử dụng cho mặt phẳng đất tại mỗi bề mặt ở vị trí các EUT 0,1m. 10 lần phóng điện khác sẽ đặt vào tâm của đường biên của mặt phẳng ghép thẳng đứng (VCP), với mặt phẳng đặt ở các vị trí khác nhau đủ để cả 4 bề mặt của EUT được chiếu đầy đủ.
Mức thử là phóng điện tiếp xúc 6 kV và phóng điện qua không khí 8 kV.
2.6.9.3. Yêu cầu kết quả
Các yêu cầu kiểm tra chất lượng EMC phải được thỏa mãn trong và sau phép thử tương ứng với Tiêu chí chất lượng B.
2.7. Yêu cầu đối với lớp vật lý
2.7.1. Máy phát TDMA
2.7.1.1. Lỗi tần số
2.7.1.1.1. Định nghĩa
Lỗi tần số của máy phát là sự sai khác giữa tần số sóng mang đo được khi máy phát không điều chế tần số yêu cầu của nó.
2.7.1.1.2. Sơ đồ đo

Hình 15. Sơ đồ đo lỗi tần số
2.7.1.1.3. Quy trình đo
- Tần số sóng mang được đo khi không điều chế.
- Phép đo được thực hiện dưới điều kiện thử nghiệm thông thường và điều kiện thử nghiệm tới hạn.
- Phép đo thực hiện trên 4 kênh (156,025 MHz; 157,4125 MHz; 160,6375 MHz; 162,025 MHz).
2.7.1.1.4. Yêu cầu kết quả
Lỗi tần số không vượt quá ±0,5 kHz ở trạng thái thông thường và ±1 kHz ở trạng thái tới hạn.
2.7.1. 2. Công suất sóng mang
2.7.1.2.1. Định nghĩa
Công suất sóng mang máy phát (tập trung) là công suất phát trên tải 50 danh định trong một chu kỳ tần số vô tuyến. Được đánh giá theo 2 mức danh định: cao và thấp.
Công suất này được đo trong một xung (khe thời gian).
CHÚ THÍCH: Thiết bị có thể được khai thác với các mức công suất sóng mang khác nhau. Phép đo này chỉ để đánh giá mức thiết lập công suất cao và thấp.
2.7.1.2.2. Sơ đồ đo

Hình 16. Sơ đồ đo công suất sóng mang
2.7.1.2.3. Quy trình đo
- Phép đo được thực hiện trong cả trạng thái thông thường và tới hạn với cả hai mức công suất cao và thấp.
2.7.1.2.4. Yêu cầu kết quả
- Công suất sóng mang (tập trung) cần nằm trong khoảng ±1,5 dB của mức công suất sóng mang (tập trung).
- Công suất sóng mang (tập trung) trong điều kiện đo tới hạn cần nằm trong khoảng +2,0 dB và -3,0 dB mức công suất đầu ra.
2.7.2. Quá trình phát cuộc gọi chọn số DSC
2.7.2.1. Lỗi tần số của tín hiệu DSC
2.7.2.1.1. Định nghĩa
Lỗi tần số tại các trạng thái B (2100 Hz) và Y (1300 Hz) là sự sai khác giữa tần số đo được tại bộ giải điều chế và giá trị thông thường của nó.
2.7.2.1.2. Quy trình đo
Máy phát kết nối với anten giả (là tải thụ động 50 Ω không bức xạ nối với bộ nối của anten chính máy phát) và máy giải điều chế FM tương thích. Máy phát được đặt ở kênh 70.
Thiết bị sẽ phát liên tục ở trạng thái B hoặc Y.
Bắt đầu đo đầu ra đã điều chế với cả hai trạng thái B và Y và trong cả trạng thái thông thường và tới hạn.
2.7.2.1.3.Yêu cầu kết quả
Lỗi tần số của trạng thái B và Y với cả hai điều kiện thử nghiệm thông thường và tới hạn phải nằm trong khoảng ±1%.
2.7.2.2. Tốc độ điều chế
2.7.2.2.1. Định nghĩa
Tốc độ điều chế là tốc độ bit đo được, tính theo bit/s.
2.7.2.2.2. Quy trình đo
Thiết bị cần kiểm tra phát liên tục các dấu chấm. Kết cuối đầu ra RF của thiết bị kết nối với bộ giải điều chế FM tuyến tính đằng sau bộ giải điều chế FSK tương thích.
2.7.2.2.3. Yêu cầu kết quả
Tốc độ điện báo phải đạt 1200 bit/s ± 30 ppm.
2.7.3. Máy thu TDMA
2.7.3.1. Độ nhạy thu - kênh 25 kHz
2.7.3.1.1. Định nghĩa
Độ nhạy có ích lớn nhất (dữ liệu hoặc bản tin, đã được định hướng) là mức tín hiệu thấp nhất (dBm) tại đầu vào máy thu, được sinh ra bởi sóng mang tại tần số thông thường của máy thu, rồi điều chế với tín hiệu kiểm tra thông thường, như vậy sẽ không xảy ra can nhiễu. Sau khi giải điều chế, tín hiệu này sẽ tạo ra một tín hiệu dữ liệu với tỷ lệ lỗi gói tin (PBER) riêng.
2.7.3.1.2. Sơ đồ đo

Hình 17. Sơ đồ đo độ nhạy thu tại kênh 25 kHz
|
Thông số |
Bit |
|
Mào đầu Bắt đầu cờ Dữ liệu CRC Kết thúc cờ |
24 8 168 16 8 |
|
Tổng cộng |
224 |
2.7.3.1.3. Quy trình đo
Hai dạng gói tin thường dùng:
- Một dạng có trường dữ liệu với một bit mẫu gồm các số không và một luân phiên (101010...).
- Một dạng có một bít mẫu với hai số không và hai số một luân phiên nhau (110011001100...)
Phép đo sẽ thực hiện luân phiên giữa hai dạng này.
CHÚ THÍCH: Cấu trúc bản tin nhị phân quảng bá được cho phép dùng trong phép đo này, theo đó, trường dữ liệu được giảm xuống còn 40 bit, và được điền đầy bởi mã nhận dạng của bản tin nhị phân quảng bá.
Ít nhất 1000 gói tin được gửi trong quá trình đo. PER sẽ là thương số giữa số gói tin thu được chia cho số gói tin phát đi. Phép đo được thực hiện với các tần số 156,025 MHz và 162,025 MHz.
2.7.3.1.4. Yêu cầu kết quả
Độ nhạy thu sẽ là -107 dBm trong điều kiện đo thông thường và -101 dBm trong điều kiện đo tới hạn, khi được khai thác tại kênh 25 kHz tỷ lệ lỗi bit PER khoảng 20%.
2.7.3.2. Độ nhạy thu tại kênh 12,5 kHz
2.7.3.2.1. Định nghĩa
Độ nhạy có ích lớn nhất (dữ liệu hoặc bản tin, đã được định hướng) là mức tín hiệu thấp nhất (dBm) tại đầu vào máy thu, được sinh ra bởi sóng mang tại tần số thông thường của máy thu, rồi điều chế với tín hiệu kiểm tra thông thường, như vậy sẽ không xảy ra can nhiễu. Sau khi giải điều chế, tín hiệu này sẽ tạo ra một tín hiệu dữ liệu với tỷ lệ lỗi gói tin (PER) riêng.
2.7.3.2.2. Quy trình đo
Phép đo được thực hiện với các tần số 157,4125 MHz và 160,6375 MHz.
2.7.3.2.3. Yêu cầu kết quả
Độ nhạy thu sẽ là -98 dBm trong điều kiện đo thông thường và -92 dBm trong điều kiện đo tới hạn, khi được khai thác tại kênh 12,5 kHz tỷ lệ lỗi bit PER khoảng 20%.
2.7.4. Bộ thu DSC
2.7.4.1. Độ nhạy lớn nhất
Độ nhạy thu lớn nhất là mức thấp nhất của tín hiệu tính theo dBm ở tần số thông thường khi nạp đầu vào bộ thu với phương thức điều chế cần đo có tỷ lệ lỗi bit 10-2.
2.7.4.1.2. Quy trình đo
Thiết bị đo phát liên tục cuộc gọi DSC dưới dạng các dấu chấm theo phương thức điều chế cần đo của máy phát tín hiệu RF gắn với EUT. EUT phát tín hiệu thử mức logic từ bộ giải điều chế DSC trong nó để đo tỷ lệ lỗi bit.
2.7.4.1.3. Yêu cầu kết quả
Độ nhạy hiệu dụng lớn nhất không thấp hơn -107 dBm trong điều kiện đo thông thường, và -101 dBm dưới điều kiện tới hạn. Phép đo sẽ lặp lại tại tần số sóng mang thông thường (156,525 MHz) ±1,5 kHz.
2.7.4.2. Lỗi đầu vào mức cao
2.7.4.2. 1. Định nghĩa
Dải động của thiết bị là dải từ mức thấp nhất đến cao nhất của tần số tín hiệu mà tỷ lệ lỗi bit tại đầu ra của bộ thu không vượt quá giá trị đặc biệt.
2.7.4.2. 2. Quy trình đo
Đưa tín hiệu thử, phù hợp với tín hiệu thử chuẩn số 1, vào đầu vào máy thu. Mức tín hiệu thử là -7 dBm.
2.7.4.2.3. Yêu cầu kết quả
BER không vượt quá 10-2.
2.7.4.3. Triệt nhiễu cùng kênh
2.7.4.3.1. Định nghĩa
Triệt nhiễu cùng kênh là khả năng thu một tín hiệu mong muốn, không vượt quá mức suy giảm cho phép, khi có tín hiệu không mong muốn cùng kênh, cả hai tín hiệu đều ở tần số danh định của bộ thu.
2.7.4.3.2. Quy trình đo
Tín hiệu mong đợi là tín hiệu thử chuẩn số 1. Mức tín hiệu mong đợi là -104 dBm.
Tín hiệu không mong muốn được điều chế bởi 400 Hz với độ lệch tần ±3 kHz. Mức tín hiệu đầu vào của tín hiệu mong đợi là -112 dBm.
Cả hai tín hiệu đầu vào đều ở tần số danh định của bộ thu cần đo và phép đo lặp lại khi thay đổi tín hiệu không mong muốn trong khoảng ±3 kHz.
2.7.4.3.3. Yêu cầu kết quả
Giá trị tỷ lệ triệt nhiễu cùng kênh, theo dB, tại tín hiệu không thay thế theo quy trình đo, nằm trong khoảng -10,0 dB đến 0 dB. BER không vượt quá 10-2.
2.7.4.4. Độ chọn lọc kênh lân cận
2.7.4.4.1. Định nghĩa
Độ chọn lọc kênh lân cận là khả năng thu một tín hiệu điều chế mong muốn mà độ suy giảm chất lượng không vượt quá mức cho phép khi có một tín hiệu không mong muốn khác với tần số tín hiệu điều chế mong muốn là 25 kHz.
2.7.4.4.2. Quy trình đo
Tín hiệu mong muốn là tín hiệu đo chuẩn số 1. Mức tín hiệu mong muốn là -104 dBm.
Tín hiệu không mong muốn có tần số điều chế 400 Hz với độ lệch tần ±3 kHz. Mức tín hiệu đầu vào của tín hiệu không mong muốn là -34 dBm. Tín hiệu không mong muốn được điều chỉnh tới tần số trung tâm của các kênh lân cận trên.
Phép đo được lặp lại với tín hiệu không mong muốn điều chỉnh tới tần số trung tâm của kênh lân cận dưới.
2.7.4.4.3. Yêu cầu kết quả
Độ chọn lọc kênh lân cận cho các kênh trải rộng khác nhau không thấp hơn các giá trị trong bảng. Độ chọn lọc kênh lân cận DSC ứng với BER không vượt quá 10-2.
|
Điều kiện thử thông thường |
70 dB |
|
Điều kiện thử tới tới hạn |
60 dB |
2.7.5. Phát xạ giả hội tụ tới anten
2.7.5.1. Phát xạ giả từ máy thu
2.7.5.1.1. Định nghĩa
Phát xạ giả hội tụ tới anten là mọi phát xạ RF sinh ra trong máy thu và hướng tới kết cuối của anten.
2.7.5.1.2. Quy trình đo
Phát xạ giả hội tụ được đo bằng mức công suất tại mọi tần số thu được tại kết cuối anten của máy thu. Nối máy thu với máy phân tích phổ (hoặc vôn kế) có trở kháng đấu vào là 50 Ω. Bật máy thu và đo trên toàn dải 150 kHz tới 2 GHz.
2.7.5.1.3. Yêu cầu kết quả
Công suất của mọi bức xạ giả trong dải danh định của kết cuối anten không vượt quá -57 dBm (2 nW) trong băng 150 kHz tới 1 GHz và -47 dBm (2 nW) trong băng 1 GHz tới 2 GHz.
2.7.5.2. Phát xạ giả từ máy phát
2.7.5.2.1. Định nghĩa
Phát xạ giả hội tụ là phát xạ trên một hoặc nhiều tần số nằm ngoài băng cần thiết.
2.7.5.2.2. Quy trình đo
Máy phát không điều chế kết nối với một anten giả. Ta đo trên dải tần 150 kHz tới 2 GHz, trừ kênh máy phát được khai thác và các kênh lân cận của nó.
2.7.5.2.3. Yêu cầu kết quả
Công suất của mọi phát xạ giả trên mọi tần số riêng biệt không vượt quá -36 dBm (0,25 µW) trong dải 150 kHz tới 1 GHz và -30 dBm (0,25 µW) trong dải 1 GHz tới 2 GHz.
3. Quy định về quản lý
3.1. Thiết bị trong hệ thống nhận dạng tự động sử dụng trên tàu biển (AIS) phải thực hiện chứng nhận và công bố hợp quy tuân thủ các quy định trong Quy chuẩn này.
3.2. Yêu cầu đánh giá sự phù hợp của thiết bị trong hệ thống nhận dạng tự động sử dụng trên tàu biển (AIS) với Quy chuẩn này được quy định cụ thể như sau:
|
STT |
Mục tham chiếu |
Nội dung |
Quy định |
Ghi chú |
|
1 |
2.5 |
Yêu cầu về tương thích điện từ trường |
Yêu cầu tại Bảng 3 |
|
|
2 |
2.5.2 |
Đo phát xạ dẫn (tất cả các loại thiết bị trừ loại cầm tay) |
Đáp ứng điện áp tần số vô tuyến không vượt quá giới hạn ở Hình 5. Chi tiết quy định tại 2.5.2.3 |
|
|
3 |
2.5.3 |
Đo phát xạ bức xạ từ các cổng vỏ (trừ loại ở môi trường ngập nước) |
Giới hạn phát xạ được mô tả ở Hình 6. Chi tiết quy định tại 2.5.3.3 |
|
|
4 |
2.6 |
Miễn nhiễm điện từ |
Quy định tại Bảng 4 |
|
|
5 |
2.6.3 |
Miễn nhiễm đối với nhiễu dẫn tần số vô tuyến |
Thỏa mãn Tiêu chí chất lượng A. Chi tiết quy định tại 2.6.3.3 |
|
|
6 |
2.6.4 |
Miễn nhiễm đối với phát xạ tần số vô tuyến |
Thỏa mãn Tiêu chí chất lượng A. Chi tiết quy định tại 2.6.4.3 |
|
|
7 |
2.6.5 |
Miễn nhiễm đối với đột biến nhanh nguồn AC, tín hiệu và đường điều khiển |
Thỏa mãn Tiêu chí chất lượng B Chi tiết quy định tại 2.6.5.3 |
|
|
8 |
2.6.6 |
Miễn nhiễm đối với xung sét trên đường điện AC |
Thỏa mãn Tiêu chí chất lượng B. Chi tiết quy định tại 2.6.6.3 |
|
|
9 |
2.6.7 |
Miễn nhiễm đối với biến đổi điện áp nguồn ngắn hạn |
Thỏa mãn Tiêu chí chất lượng C. Chi tiết quy định tại 2.6.7.3 |
|
|
10 |
2.6.8 |
Miễn nhiễm đối với lỗi nguồn |
Thỏa mãn Tiêu chí chất lượng C. Chi tiết quy định tại 2.6.8.3 |
|
|
11 |
2.6.9 |
Miễn nhiễm đối với phóng tĩnh điện |
Thỏa mãn Tiêu chí chất lượng B. Chi tiết quy định tại 2.6.9.3 |
|
4. Trách nhiệm của tổ chức, cá nhân
Các tổ chức, cá nhân liên quan có trách nhiệm thực hiện chứng nhận hợp quy và công bố hợp quy thiết bị trong hệ thống nhận dạng tự động sử dụng trên tàu biển (AIS) và chịu sự kiểm tra của cơ quan quản lý nhà nước theo các quy định hiện hành.
5. Tổ chức thực hiện
5.1. Cục Viễn thông và các Sở Thông tin và Truyền thông có trách nhiệm hướng dẫn, tổ chức triển khai quản lý thiết bị trong hệ thống nhận dạng tự động sử dụng trên tàu biển (AIS) theo Quy chuẩn này.
5.2. Trong trường hợp các quy định nêu tại quy chuẩn này có sự thay đổi, bổ sung hoặc được thay thế thì thực hiện theo quy định tại văn bản mới.
THƯ MỤC TÀI LIỆU THAM KHẢO
1. IEC 61993-2: Maritime navigation and radiocommunication equipment and systems - Automatic identification systems (AIS) - Part 2: Class A shipborne equipment of the universal automatic identification system (AIS) - Operational and performance requirements, methods of test and required test results.
2. IEC 60945: Maritime navigation and radio communication equipment and systems - General requirements - Methods of testing and required test results.
Bạn chưa Đăng nhập thành viên.
Đây là tiện ích dành cho tài khoản thành viên. Vui lòng Đăng nhập để xem chi tiết. Nếu chưa có tài khoản, vui lòng Đăng ký tại đây!
Bạn chưa Đăng nhập thành viên.
Đây là tiện ích dành cho tài khoản thành viên. Vui lòng Đăng nhập để xem chi tiết. Nếu chưa có tài khoản, vui lòng Đăng ký tại đây!





