- Tổng quan
- Nội dung
- Tiêu chuẩn liên quan
- Lược đồ
- Tải về
Tiêu chuẩn Quốc gia TCVN 10229:2017 ISO 18517:2015 Cao su lưu hóa hoặc nhiệt dẻo - Thử nghiệm độ cứng - Giới thiệu và hướng dẫn
| Số hiệu: | TCVN 10229:2017 | Loại văn bản: | Tiêu chuẩn Việt Nam |
| Cơ quan ban hành: | Bộ Khoa học và Công nghệ | Lĩnh vực: | Công nghiệp |
|
Ngày ban hành:
Ngày ban hành là ngày, tháng, năm văn bản được thông qua hoặc ký ban hành.
|
2017 |
Hiệu lực:
|
Đã biết
|
| Người ký: | Đang cập nhật |
Tình trạng hiệu lực:
Cho biết trạng thái hiệu lực của văn bản đang tra cứu: Chưa áp dụng, Còn hiệu lực, Hết hiệu lực, Hết hiệu lực 1 phần; Đã sửa đổi, Đính chính hay Không còn phù hợp,...
|
Đã biết
|
TÓM TẮT TIÊU CHUẨN VIỆT NAM TCVN 10229:2017
Nội dung tóm tắt đang được cập nhật, Quý khách vui lòng quay lại sau!
Tải tiêu chuẩn Việt Nam TCVN 10229:2017
TIÊU CHUẨN QUỐC GIA
TCVN 10229:2017
ISO 18517:2015
CAO SU LƯU HÓA HOẶC NHIỆT DẺO - THỬ NGHIỆM ĐỘ CỨNG - GIỚI THIỆU VÀ HƯỚNG DẪN
Rubber, vulcanized or thermoplastic - Hardness testing - Introduction and guide
Lời nói đầu
TCVN 10229:2017 thay thế TCVN 10229:2013.
TCVN 10229:2017 hoàn toàn tương đương ISO 18517:2015.
TCVN 10229:2017 do Ban kỹ thuật tiêu chuẩn quốc gia TCVN/TC45 Cao su và sản phẩm cao su biên soạn, Tổng cục Tiêu chuẩn Đo lường Chất lượng đề nghị, Bộ Khoa học và Công nghệ công bố.
CAO SU LƯU HÓA HOẶC NHIỆT DẺO - THỬ NGHIỆM ĐỘ CỨNG - GIỚI THIỆU VÀ HƯỚNG DẪN
Rubber, vulcanized or thermoplastic - Hardness testing - Introduction and guide
1 Phạm vi áp dụng
Tiêu chuẩn này đưa ra các hướng dẫn về xác định độ cứng của cao su lưu hóa và nhiệt dẻo.
Tiêu chuẩn này nhằm cung cấp sự hiểu biết về tầm quan trọng của độ cứng do độ cứng là một đặc tính của vật liệu và nhằm giúp quá trình lựa chọn phương pháp thử thích hợp.
2 Tài liệu viện dẫn
Các tài liệu viện dẫn sau đây là cần thiết để áp dụng tiêu chuẩn này. Đối với các tài liệu viện dẫn ghi năm công bố thì áp dụng bản được nêu. Đối với các tài liệu viện dẫn không ghi năm công bố thì áp dụng phiên bản mới nhất, bao gồm cả các sửa đổi, bổ sung (nếu có).
TCVN 1595-1 (ISO 7619-1), Cao su lưu hóa hoặc nhiệt dẻo - Xác định độ cứng ấn lõm - Phần 1: Phương pháp sử dụng thiết bị đo độ cứng (Độ cứng Shore)
TCVN 1595-2 (ISO 7619-2), Cao su lưu hóa hoặc nhiệt dẻo - Xác định độ cứng ấn lõm - Phần 2: Phương pháp sử dụng dụng cụ bỏ túi IRHD
TCVN 9810 (ISO 48), Cao su lưu hóa hoặc nhiệt dẻo - Xác định độ cứng (độ cứng từ 10 IRHD đến 100 IRHD)
ISO 7267-1, Rubber-covered rollers - Determination of apparent hardness - Part 1: IRHD method (Trục lăn bọc cao su - Xác định độ cứng biểu kiến - Phần 1: Phương pháp IRHD)
ISO 7267-2, Rubber-covered rollers - Determination of apparent hardness - Part 2: Shore-type durometer method (Trục lăn bọc cao su - Xác định độ cứng biểu kiến - Phần 2: Phương pháp đo độ cứng loại Shore)
ISO 7267-3, Rubber-covered rollers - Determination of apparent hardness - Part 3: Pusey and Jones method (Trục lăn bọc cao su - Xác định độ cứng biểu kiến - Phần 3: Phương pháp Pusey và Jones)
ISO 18898, Rubber - Calibration and verification of hardness testers (Cao su - Hiệu chuẩn và kiểm tra xác nhận thiết bị thử độ cứng)
ISO 27588, Rubber, vulcanized or thermoplastic - Determination of dead-load hardness using the very low rubber hardness (VLRH) scale (Cao su lưu hóa hoặc nhiệt dẻo - Xác định độ cứng tải trọng tĩnh sử dụng thang đo độ cứng cao su rất thấp (VLRH))
3 Thuật ngữ và định nghĩa
Trong tiêu chuẩn này, áp dụng thuật ngữ và định nghĩa sau:
3.1
Độ cứng chuẩn quốc tế của cao su (International rubber hardness degrees)
IRHD
Thang độ cứng được chọn sao cho “0” biểu thị độ cứng vật liệu có môđun Young bằng không và “100” biểu thị độ cứng vật liệu có môđun Young vô hạn.
CHÚ THÍCH: Các điều kiện sau áp dụng với hầu hết dải thông thường của độ cứng:
a) một độ cứng chuẩn quốc tế của cao su luôn thể hiện sự khác biệt tương ứng trong môđun Young;
b) đối với cao su đàn hồi cao, thang đo IRHD và Shore A có thể so sánh với nhau được.
3.2
Độ cứng tiêu chuẩn (Standard hardness)
S
Độ cứng tính theo độ cứng chuẩn quốc tế của cao su, nhận được bằng cách sử dụng quy trình mô tả trong TCVN 9810 (ISO 48) đối với mẫu thử có độ dày tiêu chuẩn và không nhỏ hơn kích thước biên nhỏ nhất được quy định.
3.3
Độ cứng biểu kiến (apparent hardness)
Độ cứng, độ cứng chuẩn quốc tế của cao su, nhận được bằng cách sử dụng quy trình mô tả trong TCVN 9810 (ISO 48) đối với mẫu thử có kích thước không tiêu chuẩn.
4 Độ cứng ấn lõm
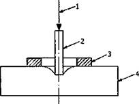
Thuật ngữ độ cứng áp dụng cho cao su liên quan đến thông số độ cứng vững nhận được từ phép thử ấn lõm. Mũi ấn được ấn vào cao su với một lực cho trước và vết lõm đo được như minh họa trong Hình 1. Trái với một số phương pháp được sử dụng cho các vật liệu khác, vết lõm được đo khi áp một tải trọng vào.
Trong hầu hết các phép thử, mũi ấn được bao quanh bởi mặt ép nằm trên mẫu thử dưới một lực cho trước. Trong các phép thử tải trọng tĩnh (xem Điều 5), vết lõm đo được là sự chênh lệch giữa vết lõm được gây ra bởi lực nhỏ ban đầu và vết lõm được gây ra bởi lực cuối cùng lớn hơn.

CHÚ DẪN
1 khối lượng hoặc lò xo để đặt lực
2 mũi ấn
3 mặt ép
4 mẫu thử
Hình 1 - Nguyên tắc của phép thử độ cứng
5 Các loại phép thử độ cứng
Sự khác biệt được thực hiện giữa các phép thử tải trọng tĩnh khi lực ấn lõm do trọng lực gây ra và thiết bị đo độ cứng hoặc dụng cụ đo độ cứng bỏ túi khi lực ấn lõm được tạo ra bởi lò xo.
Các phương pháp tải trọng tĩnh sử dụng mũi ấn bi có độ cứng được biểu thị theo độ cứng chuẩn quốc tế của cao su (IRHD) quy định trong TCVN 9810 (ISO 48). Thang độ cứng này được dựa trên mối quan hệ được xác định trong 3.1 và đường cong tin cậy thể hiện tương quan log10 (môđun) với độ cứng IRHD. Các kết quả này trong thang đo từ 0 đến 100 đối với các vật liệu từ mềm vô hạn đến cứng vô hạn. Định nghĩa về IRHD được lựa chọn để đưa ra sự phù hợp với thang đo Shore A như mô tả dưới đây.
Phương pháp tải trọng tĩnh “thông thường” được dự kiến sử dụng cho cao su trong dải từ 35 IRHD đến 85 IRHD và có các sửa đổi đối với cao su có độ cứng thấp và cao su có độ cứng cao. Phương pháp L bao gồm dải độ cứng từ 10 IRHD đến 35 IRHD và phương pháp H bao gồm dải từ 85 IRHD đến 100 IRHD. Phương pháp tải trọng tĩnh micro được sử dụng đối với các mẫu thử mỏng và sử dụng mũi ấn có đường kính bằng 1/6 đường kính theo phương pháp “thông thường”.
TCVN 9810 (ISO 48) cũng quy định quy trình sửa đổi đối với sử dụng các mẫu thử cong, với kết quả được thể hiện là độ cứng biểu kiến.
Phương pháp tải trọng tĩnh cho các vật liệu rất mềm sử dụng thang đo độ cứng cao su rất thấp (VLRH) quy định trong ISO 27588. Điều này phù hợp với dải từ khoảng 30 IRHD đến dưới 10 IRHD và mối quan hệ giữa VLRH với độ sâu ấn lõm là tuyến tính.
Đối với trục lăn cao su, thiết bị tải trọng tĩnh Pusey và Jones được quy định trong ISO 7267-3 cùng với TCVN 9810 (ISO 48) và các phương pháp đo độ cứng trong ISO 7267-1 và ISO 7267-2.
Trước đây dụng cụ đo độ cứng được dự kiến là dụng cụ cầm tay, tuy nhiên hiện nay thường được gắn trên một khung đỡ có trọng lượng nhằm tác động một áp lực mặt ép chính xác. Dụng cụ phổ biến là dụng cụ đo độ cứng Shore, với nhiều loại khác nhau để phù hợp với các loại vật liệu, và được nhiều nhà sản xuất chế tạo. Dụng cụ đo độ cứng thang Shore A đối với cao su trong dải độ cứng thông thường và dụng cụ đo độ cứng thang D đối với các vật liệu cứng được tiêu chuẩn hóa trong TCVN 1595-1 (ISO 7619-1) dùng với dụng cụ vi mô gọi là AM và dụng cụ đối với các vật liệu mềm gọi là AO. Loại A sử dụng mũi ấn nón cụt, các loại D và AM sử dụng nón đầu tròn, trong khi loại AO sử dụng mũi ấn bi. TCVN 1595-2 (ISO 7619-2) quy định dụng cụ đo bỏ túi có mũi ấn bi được thiết kế để đọc thang đo IRHD.
6 Ý nghĩa
Về nguyên tắc, độ cứng có thể liên quan đến môđun cao su và công thức kinh nghiệm có thể tìm thấy trong tài liệu kỹ thuật. Mối quan hệ đối với mũi ấn bi được nêu trong TCVN 9810 (ISO 48) cùng với biểu đồ độ cứng so với log(môđun). Mối quan hệ này chỉ đúng đối với cao su đàn hồi hoàn hảo và trong thực tế chỉ có thể được xem là giá trị gần đúng.
Do có ít quan hệ với môđun Young hoặc môđun trượt, không thể coi độ cứng là đặc tính cơ bản của vật liệu. Tuy nhiên, do tính đơn giản và không tốn kém của thử nghiệm độ cứng cùng với bản chất không phá hủy của phép thử, độ cứng được sử dụng phổ biến làm thước đo tiện lợi cho tính cứng vững của vật liệu.
Giới hạn độ phân giải và độ chính xác có thể đạt không phải lúc nào cũng được đánh giá đúng. Nhìn chung, sai số tốt nhất có thể đạt được là ± 1 IRHD, được quy đổi sang khoảng ± 4 % môđun tại mức giữa của thang tỷ lệ và khoảng ± 16 % tại độ cứng rất thấp và cao.
7 Sử dụng các phép thử độ cứng
Độ cứng là thước đo của tính chất cứng hoặc môđun. Đây là một đặc tính quan trọng của cao su trong hầu hết các ứng dụng. Tính chất phổ biến của nó là tính đơn giản và tính đa dạng của mẫu thử được yêu cầu, tính không tốn kém và bản chất không phá hủy mẫu của phép thử. Do những đặc tính này, độ cứng được sử dụng phổ biến làm thử nghiệm kiểm soát chất lượng, xử lý sự cố, làm thông số phân loại cho cả các hợp chất và sản phẩm và là như một yêu cầu về quy định kỹ thuật của sản phẩm và vật liệu. Độ cứng được sử dụng rộng rãi làm thước đo tiện lợi và không phá hủy của trạng thái và tính đồng đều của lưu hóa đối với dãy các sản phẩm lưu hóa. Độ cứng cũng có thể được sử dụng để theo dõi sự già hóa, nhiễm bẩn và độ xốp và do vậy phù hợp với các mục đích chẩn đoán.
8 Lựa chọn phương pháp
Khi cần dụng cụ di động, cầm tay, ví dụ dùng để thử nghiệm sản phẩm, sử dụng dụng cụ đo độ cứng chịu tải bằng lò xo hoặc dụng cụ đo độ cứng bỏ túi. Cho đến nay, dụng cụ đo loại A là dụng cụ đo phổ biến nhất, tuy nhiên dụng cụ đo bỏ túi loại AO và IRHD có lợi thế về mũi ấn bi, giúp cho ít bị hư hỏng hơn so với nón cụt. Dụng cụ đo độ cứng bỏ túi IRHD cũng có độ dao động lực đàn hồi lò xo rất thấp trong khoảng đo độ cứng và các kết quả tương ứng trực tiếp với kết quả nhận được bằng dụng cụ tải trọng tĩnh. Đối với cao su rất cứng và loại mẫu thử mỏng, loại D và loại AM tương ứng là thích hợp. Thang đo loại Shore D thường đi cùng với vật liệu chất dẻo nhưng thường được sử dụng đối với vật liệu đàn hồi nhiệt dẻo và ebonit cứng hơn và đôi khi được ưa chuộng hơn thang Shore A và IRHD đối với cao su có độ cứng trên 90 IRHD.
CHÚ THÍCH: Dụng cụ đo độ cứng đã được chế tạo có thiết bị tích hợp đảm bảo áp đặt một áp suất mặt ép chính xác bất kể người vận hành áp đặt một lực như thế nào.
Các phương pháp tải trọng tĩnh được dùng làm phương pháp ưu tiên đối với các mẫu thử tiêu chuẩn trong phòng thử nghiệm, phương pháp tải trọng tĩnh micro được sử dụng chỉ khi có sẵn các mẫu thử mỏng. Các thang đo độ cứng cao và thấp dùng để cải thiện sự chênh lệch tại mức tỷ lệ cao nhất nhưng ít nhất đối với thang đo cao đã cho thấy không ưu việt hơn (xem Thư mục tài liệu tham khảo [1] để có thông tin chi tiết hơn). Phương pháp VLRH được ưa chuộng hơn đối với các vật liệu rất mềm.
Lý do đối với việc sử dụng dụng cụ đo tải trọng tĩnh là tải trọng cung cấp một lực không đổi và ổn định hơn so với lò xo. Một đánh giá hệ thống các thông số ảnh hưởng đến độ chụm đã chỉ ra rằng phương pháp tải trọng tĩnh trong khía cạnh này tốt hơn (xem Thư mục tài liệu tham khảo [2] để có thông tin chi tiết hơn). Tuy nhiên, nhiều người thích sử dụng dụng cụ đo độ cứng loại Shore gắn trên khung giá (vì vậy dụng cụ đo độ cứng không còn di động xa hơn).
9 Mẫu thử
Trong thực tế, phép đo độ cứng được thực hiện trên mẫu thử và sản phẩm với các kích cỡ và hình dạng khác nhau, đặc biệt khi sử dụng dụng cụ đo độ cứng cầm tay. Các kết quả nhận được phụ thuộc vào kích cỡ mẫu thử, đặc biệt là độ dày và khi đó điều rất quan trọng là chỉ các mẫu thử tiêu chuẩn được sử dụng để nhận được các kết quả so sánh. Các kết quả trên mẫu thử không tiêu chuẩn được gọi là độ cứng biểu kiến trong TCVN 9810 (ISO 48).
Hạn chế chính của các phép đo độ cứng biểu kiến là các kết quả khác với kết quả được thực hiện trên mẫu thử tiêu chuẩn và chỉ có thể so sánh được với các thử nghiệm được thực hiện theo cùng cách thức sử dụng cùng dạng hình học. Khi không có sẵn thiết bị micro để thử vật liệu mỏng, một vài lớp có thể được sử dụng nhằm thu được độ dày mẫu thử mong muốn, tuy nhiên, kết quả thử nghiệm có thể khác với kết quả nhận được bằng mẫu thử tiêu chuẩn.
10 Khối cứng tiêu chuẩn
Dụng cụ thử độ cứng phải được hiệu chuẩn theo ISO 18898, nhưng có sẵn bộ khối đối chứng tiêu chuẩn rất hữu dụng đối với việc kiểm tra giữa các lần hiệu chuẩn, đặc biệt đối với các dụng cụ đo độ cứng cầm tay và dụng cụ đo độ cứng bỏ túi.
11 So sánh thang đo độ cứng
Đối với cao su đàn hồi tốt, thang đo Shore A và IRHD gần như đồng nhất ngoại trừ tại giới hạn thấp và cao của thang đo. Đối với các vật liệu thực tế, mối tương quan không được rõ và phụ thuộc vào vật liệu. Mối quan hệ kinh nghiệm giữa thang đo A và D đã được công bố (xem Thư mục tài liệu tham khảo [3] để có thông tin chi tiết hơn), tuy nhiên chúng phải được xem xét làm giá trị gần đúng đầu tiên. Một nhân tố quan trọng là ảnh hưởng của sự chênh lệch vào thời điểm áp dụng tải trọng, đặc biệt với vật liệu đàn hồi nhiệt dẻo và cao su lưu hóa biểu hiện hiện tượng trễ cao.
Về mặt lý thuyết, các dụng cụ tải trọng tĩnh thông thường và micro đều đưa ra kết quả tương đương, tuy nhiên do độ dày và các tác động lớp bề mặt (bề mặt có thể cứng hơn phần bên trong), điều này không phải luôn xảy ra và có thể có sự chênh lệch đáng kể.
Thư mục tài liệu tham khảo
[1] KUCHERSKII, A.M., và KAPOROVSKII B.M. Problems in determining hardness of Rigid Rubbers (Các vấn đề xác định độ cứng của cao su cứng). Polym. Test. 1995, 14, 3, pp. 253
[2] BROWN, R.P., và SOEKARNEIN, A. An investigation of the reproducibility of ruber hardness tests (Kiểm tra độ tái lập của các phép thử độ cứng cao su). Polym. Test. 1991, 10, 2, pp. 117
[3] BROWN, R.P. Physical Testing of Rubber (Thử nghiệm vật lý cao su), Springer, New York, 2006
MỤC LỤC
Lời nói đầu
1 Phạm vi áp dụng
2 Tài liệu viện dẫn
3 Thuật ngữ và định nghĩa
4 Độ cứng ấn lõm
5 Các loại phép thử độ cứng
6 Ý nghĩa
7 Sử dụng các phép thử độ cứng
8 Lựa chọn phương pháp
9 Mẫu thử
10 Khối cứng tiêu chuẩn
11 So sánh thang đo độ cứng
Thư mục tài liệu tham khảo
Bạn chưa Đăng nhập thành viên.
Đây là tiện ích dành cho tài khoản thành viên. Vui lòng Đăng nhập để xem chi tiết. Nếu chưa có tài khoản, vui lòng Đăng ký tại đây!