- Tổng quan
- Nội dung
- Tiêu chuẩn liên quan
- Lược đồ
- Tải về
Tiêu chuẩn Quốc gia TCVN 7716:2007 Etanol nhiên liệu biến tính dùng để trộn với xăng - Yêu cầu kỹ thuật
| Số hiệu: | TCVN 7716:2007 | Loại văn bản: | Tiêu chuẩn Việt Nam |
| Cơ quan ban hành: | Bộ Khoa học và Công nghệ | Lĩnh vực: | Công nghiệp |
|
Ngày ban hành:
Ngày ban hành là ngày, tháng, năm văn bản được thông qua hoặc ký ban hành.
|
2007 |
Hiệu lực:
|
Đang cập nhật |
| Người ký: | Đang cập nhật |
Tình trạng hiệu lực:
Cho biết trạng thái hiệu lực của văn bản đang tra cứu: Chưa áp dụng, Còn hiệu lực, Hết hiệu lực, Hết hiệu lực 1 phần; Đã sửa đổi, Đính chính hay Không còn phù hợp,...
|
Đã biết
|
TÓM TẮT TIÊU CHUẨN VIỆT NAM TCVN 7716:2007
Nội dung tóm tắt đang được cập nhật, Quý khách vui lòng quay lại sau!
Tải tiêu chuẩn Việt Nam TCVN 7716:2007
TIÊU CHUẨN QUỐC GIA
TCVN 7716:2007
ETANOL NHIÊN LIỆU BIẾN TÍNH DÙNG ĐỂ TRỘN VỚI XĂNG SỬ DỤNG LÀM NHIÊN LIỆU CHO ĐỘNG CƠ ĐÁNH LỬA - YÊU CẦU KỸ THUẬT
Denatured fuel ethanol for blending with gasolines for use as automotive spark-ignition engine fuel – Specification
Lời nói đầu
TCVN 7716 : 2007 được xây dựng trên cơ sở ASTM D 4806 - 06c Standard specification for Denatured Fuel Ethanol for Blending with Gasolines for Use as Automotive Spark-lgnition Engine Fuel.
TCVN 7716 : 2007 do Tiểu Ban kỹ thuật Tiêu chuẩn TC\/N/TC28/SC5 Nhiên liệu sinh học biên soạn, Tổng cục Tiêu chuẩn Đo lường Chất lượng đề nghị, Bộ Khoa học và Công nghệ công bố.
ETANOL NHIÊN LIỆU BIẾN TÍNH DÙNG ĐỂ TRỘN VỚI XĂNG SỬ DỤNG LÀM NHIÊN LIỆU CHO ĐỘNG CƠ ĐÁNH LỬA - YÊU CẦU KỸ THUẬT
Denatured fuel ethanol for blending with gasolines for use as automotive spark-ignition engine fuel - Specification
1. Phạm vi áp dụng
1.1. Tiêu chuẩn này áp dụng cho etanol nhiên liệu biến tính khan danh nghĩa để trộn với xăng không chì với thể tích từ 1 % đến 10 %, sử dụng làm nhiên liệu cho động cơ đánh lửa. Ý nghĩa của tiêu chuẩn này được nêu trong Phụ lục B.2.
1.2. Các giá trị tính theo hệ SI là giá trị tiêu chuẩn. Các giá trị ghi trong ngoặc đơn dùng để tham khảo.
2. Tài liệu viện dẫn
Các tài liệu viện dẫn sau là rất cần thiết cho việc áp dụng tiêu chuẩn này. Đối với các tài liệu viện dẫn ghi năm công bố thì áp dụng bản được nêu. Đối với các tài liệu viện dẫn không ghi năm công bố thì áp dụng phiên bản mới nhất, bao gồm cả các sửa đổi (nếu có).
TCVN 2698 (ASTM D 86) Sản phẩm dầu mỏ - Phương pháp xác định thành phần cất ở áp suất khí quyển.
TCVN 3166 (ASTM D 5580) Phương pháp xác định benzen, toluen, etylbenzen, p/m-xylen, o-xylen, các chất thơm C9 và nặng hơn, và tổng các chất thơm trong xăng thành phẩm bằng sắc ký khí.
TCVN 6593 (ASTM D 381) Nhiên liệu lỏng - Phương pháp xác định hàm lượng nhựa thực tế - Phương pháp bay hơi.
TCVN 6701 (ASTM D 2622) Sản phẩm dầu mỏ - Phương pháp xác định hàm lượng lưu huỳnh bằng phổ huỳnh quang tia X.
TCVN 6777 (ASTM D 4057) Dầu mỏ và sản phẩm dầu mỏ - Phương pháp lấy mẫu thủ công.
ASTM D 512 Test methods for chloride ion in water (Phương pháp xác định ion clorua trong nước).
ASTM D 891 Test methods for specific gravity, apparent, of liquid industrial chemicals (Phương pháp xác định khối lượng riêng, khối lượng riêng biểu kiến của hóa chất công nghiệp dạng lỏng).
ASTM D 1152 Specification for methanol (methyl alcohol) [Yêu cầu kỹ thuật đối với metanol (metyl alcohol)].
ASTM D 1193 Specification for Reagent Water (Yêu cầu kỹ thuật đối với nước sử dụng cho thí nghiệm).
ASTM D 1613 Test method for acidity in volatile solvents and chemical intermediates used in paint, varnish, lacquer, and related products (Phương pháp xác định độ axit trong dung môi bay hơi và các hóa chất trung gian sử dụng trong sơn, vecni, sơn mài và các sản phẩm liên quan).
ASTM D 1688 Test methods for copper in water (Phương pháp xác định đồng trong nước).
ASTM D 3120 Test method for trace quantities of sulfur in light liquid petroleum hydrocarbons by oxidative microcoulometry (Phương pháp xác định vết lưu huỳnh trong hydrocacbon dầu mỏ dạng lỏng nhẹ bằng vi điện lượng oxi hóa).
ASTM D 3505 Test method for density or relative density of pure liquid chemicals (Phương pháp xác định khối lượng riêng hoặc khối lượng riêng tương đối của hóa chất lỏng tinh khiết).
ASTM D 4052 Test method for density and relative density of liquids by digital density meter (Phương pháp xác định khối lượng riêng và khối lượng riêng tương đối của các chất lỏng bằng máy đo hiện số).
ASTM D 4177 Practice for automatic sampling of petroleum and petroleum products (Phương pháp lấy mẫu tự động dầu mỏ và các sản phẩm dầu mỏ).
ASTM D 4306 Practice for aviation fuel sample containers for tests affected by trace contamination (Các bình chứa mẫu nhiên liệu hàng không dùng cho các phép thử bị ảnh hưởng bởi sự nhiễm bẩn vết).
ASTM D 4814 Specification for automotive spark-igmtion engine fuel (Yêu cầu kỹ thuật đối với nhiên liệu động cơ đánh lửa).
ASTM D 5453 Standard test method for determination of total sulfur in light hydrocarbons, spark ignition engine fuel, diesel engine fuel, and engine oil by ultraviolet fluorescence (Phương pháp xác định lưu huỳnh tổng trong hydrocacbon nhẹ, nhiên liệu động cơ đánh lửa, nhiên liêu động cơ điêzen. và dầu động cơ bằng huỳnh quang tử ngoại).
ASTM D 5501 Test method for determination of ethanol content of denatured fuel ethanol by gas chromatography (Phương pháp xác định hàm lượng etanol trong etanol nhiên liệu biến tính bằng sắc ký khí).
ASTM D 5854 Practice for mixing and handlling of liquid samples of petroleum and petroleum products (Phương pháp trộn và bảo quản các mẫu dầu mỏ và sản phẩm dầu mỏ dạng lỏng).
ASTM D 6299 Practice for applying statistical quality assurance techniques to evaluate analytical measurement system performance (Phương pháp áp dụng kỹ thuật thống kê bảo đảm chất lượng để đánh giá tính năng của hệ thống phân tích).
ASTM D 6423 Test method for determination of pHe of ethanol, denatured fuel ethanol, and fuel ethanol (Ed75 - Ed85) [Phương pháp xác định pHe của etanol, etanol nhiên liệu biến tính và etanol nhiên liệu (Ed75 - Ed85)].
ASTM D 6428 Test method for total sulfur in liquid aromatic hydrocarbons and their derivatives by oxidative combustion and electrochemical detection (Phương pháp xác định lưu huỳnh tổng trong hydrocacbon thơm lỏng và các dẫn xuất bằng đốt cháy oxi hóa và phát hiện điện hóa).
ASTM D 6550 Test method for determination of olefin content of gasoline by supercritical-fluid chromatography (Phương pháp xác định hàm lượng olefin của xăng bằng sắc ký lỏng siêu tới hạn).
ASTM E 203 Test method for water using volumetric Karl Fischer titration (Phương pháp xác định nước bằng chuẩn độ thể tích Karl Fischer).
ASTM E 300 Practice for sampling industrial chemicals (Phương pháp lấy mẫu hóa chất công nghiệp).
ASTM E 1064 Test method for water in organic liquids by coulometric Karl Fisher titration (Phương pháp xác định nước trong chất lỏng hữu cơ bằng chuẩn độ điện lượng Karl Fischer).
3. Thuật ngữ, định nghĩa
3.1. Định nghĩa
3.1.1. Etanol (ethanol), etyl alcohol
Hợp chất hóa học C2H5OH.
3.1.2. Xăng (gasoline)
Hỗn hợp dễ bay hơi của các hydrocacbon lỏng, thông thường chứa lượng nhỏ các chất phụ gia, thích hợp để sử dụng làm nhiên liệu trong động cơ đốt trong, đánh lửa.
3.1.3. Hỗn hợp xăng-etanol (gasoline ethanol blend,)
Nhiên liệu bao gồm chủ yếu là xăng với lượng đáng kể etanol nhiên liệu biến tính (nhiều hơn 0,35 % khối lượng oxy).
3.1.4. Oxygenat (oxygenate)
Hợp chất hữu cơ, không tro, có chứa oxy, như alcohol hoặc ete, có thể được sử dụng làm nhiên liệu hoặc phụ gia nhiên liệu.
3.2 Định nghĩa các thuật ngữ sử dụng trong tiêu chuẩn này
3.2.1. Chất biến tính (denaturants)
Xăng tự nhiên, các thành phần xăng, xăng không chì, các chất độc hoặc các nguyên liệu độc hại được cho vào etanol nhiên liệu làm cho etanol nhiên liệu không thích hợp đối với chế biến đồ uống mà thích hợp dùng cho động cơ.
3.2.2. Etanol nhiên liệu biến tính (denatured fuel ethanol)
Etanol nhiên liệu được pha thêm các chất biến tính và không thích hợp để chế biến đồ uống.
3.2.3. Etanol nhiên liệu (fuel ethanol)
Etanol có tạp chất thông thường trong khi sản xuất (kể cả nước nhưng trừ các chất biến tính).
3.2.4. Tạp chất (impurities)
Trong etanol nhiên liệu thương phẩm, có thành phần khác với etanol hoặc chất biến tính, như là metanol và dầu fusel (ví dụ, rượu amyl và isoamyl).
3.2.5. pH (pH)
Số đo độ axit của alcohol nhiên liệu.
4. Yêu cầu kỹ thuật
4.1. Etanol nhiên liệu biến tính
Etanol nhiên liệu biến tính được qui định như trong điều 5, phải phù hợp với các yêu cầu dưới đây tại thời điểm trộn với xăng.
Bàng 1 - Yêu cầu kỹ thuật đối với etanol nhiên liệu biến tính
| Tên chỉ tiêu | Mức |
| 1. Etanol, % thể tích, min. | 92,1 |
| 2. Metanol. % thể tích, max | 0,5 |
| 3. Hàm lượng nhựa đã rửa qua dung môi, mg/100 mL, max. | 5,0 |
| 4. Hàm lượng nước, % thể tích, max. | 1,0 (Chú thích 1) |
| 5. Hàm lượng chất biến tính (xăng, naphta), % thể tích, min. % thể tích, max. | 1,96 5,0 |
| 6. Hàm lượng clorua vô cơ, mg/L (ppm khối lượng), max. | 32 (40) |
| 7. Hàm lượng đồng, mg/kg, max. | 0,1 |
| 8. Độ axit (như axil axêtic CH3COOH), % khối lượng (mg/L), max. | 0,007 (56) (Chú thích 3) |
| 9. pH . | 6,5 đến 9,0 |
| 10. Lưu huỳnh, mg/kg (ppm khối lượng), max. | 30 |
| 11. Sulfat, mg/kg (ppm khối lượng), max. | 4 |
| 12. Khối lượng riêng ở 15 °C, kg/m3 | Báo cáo |
| 13. Ngoại quan | Không nhìn thấy tạp chất lơ lửng hoặc kết tủa (trong và sáng) |
CHÚ THÍCH 1 Trong một số trường hợp, cần hàm lượng nước thấp hơn để tránh sự tách pha của hỗn hợp xăng-etanol ở nhiệt độ rất thấp. Hàm lượng nước thấp hơn này, được đo tại thời điểm giao hàng và phải được sự thỏa thuận giữa nhà cung cấp và khách hàng.
CHÚ THÍCH 2 Etanol nhiên liệu biến tính được điều chế bằng cách cho thêm các chất biến tính vào etanol nhiên liệu chưa biến tính sau khi sản xuất thì tốt hơn là trong quá trình tách nước. Khối lượng riêng của etanol nhiên liệu chưa biến tính tại 15,56/15,56 °C (60/60 °F) trong không khí phải nằm trong dải từ 0,7937 đến 0,7977.
CHÚ THÍCH 3 Etanol nhiên liệu biến tính có thể chứa các phụ gia, như chất ức chế ăn mòn và chất tẩy rửa, có thể ảnh hưởng đến độ axit chuẩn độ (axit như axit axetic) của etanol nhiên liệu thành phẩm. Mặc dù etanol nhiên liệu gốc có thể đáp ứng yêu cầu về độ axit, ảnh hưởng của các phụ gia này tạo ra độ axit chuẩn độ cao rõ rệt của thành phẩm. Liên hệ với nhà cung cấp etanol nếu có câu hỏi liên quan đến độ axit chuẩn độ của etanol nhiên liệu biến tính để kiểm tra xác nhận rằng etanol nhiên liệu gốc đáp ứng các yêu cầu về độ axit trong 4 1.
4.2. Các tính chất khác
Các giới hạn chặt chẽ hơn những chỉ tiêu qui định ở trên, hoặc qui định kỹ thuật đối với các tính chất phụ thêm như màu, có thể được thỏa thuận giữa các nhà cung cấp và khách hàng.
5. Chất biến tính
5.1. Các chất biến tính tốt nhất sử dụng cho etanol nhiên liệu phải là xăng tự nhiên, các thành phần xăng, hoặc xăng không chì có nồng độ nhỏ nhất là 2 % thể tích etanol nhiên liệu.
CHÚ THÍCH 4 Alcohol nhiên liệu không thích hợp để làm đồ uống.
5.2. Các chất biến tính bị cấm
Mặc dù qui định kỹ thuật này chỉ cho phép các hydrocacbon trong dải sôi của xăng được sử dụng làm chất biến tính, nên phải đề cập chi tiết ở một số nguyên liệu có ảnh hưởng rất bất lợi đến sự ổn định nhiên liệu, động cơ ô tô và hệ thống nhiên liệu. Những nguyên liệu này không thể sử dụng làm chất biến tính cho etanol nhiên liệu trong bất kể trường hợp nào. Đó là những nguyên liệu sau metanol không đập ứng qui định kỹ thuật trong ASTM D 1152, pyrrole, turpentin, keton và hắc in (sản phẩm nhiệt phân có khối lượng phân tử lớn của chất thực vật hóa thạch hoặc không hóa thạch). Tuy rằng lượng đáng kể metanol nào cũng phải thấp hơn lượng nước cho phép, nhưng nó làm tăng áp suất hơi của hỗn hợp xăng-etanol, những ảnh hưởng này trở nên nghiêm trọng khi metanol có mặt nhiều hơn 2,5 % phần thể tích của etanol nhiên liệu. Hơn nữa, metanol không đáp ứng qui định kỹ thuật trong ASTM D 1152, thường xuyên chứa các tạp chất, như turpentin và hắc ín Tương tự, chất biến tính keton thường làm giảm tính ổn định nhiên liệu hoặc làm tăng xu hướng ăn mòn kim loại và tác động chất đàn hồi của hỗn hợp xăng-etanol. Những ảnh hưởng này trở nghiêm trọng hơn nếu nồng độ của một keton như 4-metyl pentanon (metyl isobutyl keton) vượt quá 1 % phần thể tích của etanol nhiên liệu. Không có sẵn các thông tin về các ảnh hưởng của chất biến tính khác ngoài những thông tin đã đề cập ở trên; nhưng không được sử dụng chất biến tính, như là alcohol no mạch thẳng hoặc ete, cho dù được biết chúng không có ảnh hưởng bất lợi đến hỗn hợp xăng-etanol, động cơ ô tô hoặc hệ thống nhiên liệu.
6. Bản chất sản phẩm
6.1. Etanol nhiên liệu phải trong và sáng, không nhìn thấy cặn lắng hoặc tạp chất lơ lửng ở nhiệt độ môi trường hoặc ở 21 °C (70 °F) (lấy theo nhiệt độ cao hơn).
6.2. Tiêu chuẩn này chỉ quy định độ tinh khiết cơ bản của sản phẩm, sản phẩm không được có chất pha trộn hoặc chất bẩn làm cho nguyên liệu không thể sử dụng cho các ứng dụng thông thường.
7. Lấy mẫu, bình chứa và bảo quản mẫu
7.1. Trước khi lấy mẫu cần xem xét tất cả các phương pháp thử sẽ áp dụng để hiểu rõ tầm quan trọng và ảnh hưởng của kỹ thuật lấy mẫu, sự thích hợp của bình chứa và các yêu cầu bảo quản đặc biệt đối với mỗi phương pháp thử.
7.2. Qui trình lấy mẫu đúng là rất quan trọng để nhận được mẫu đại diện cho lô hàng đem thử nghiệm, sử dụng các qui trình thích hợp nêu trong TCVN 6777 (ASTM U 4057) hoặc ASTM E 300 đối với phương pháp lấy mẫu thủ công và ASTM D 4177 đối với phương pháp lấy mẫu tự động
7.3. Thể tích mẫu đúng và lựa chọn bình chứa thích hợp là yếu tố quan trọng có thể ảnh hưởng đến kết quả thử nghiệm. Xem ASTM D 4306 đối với sự lựa chọn bình chứa nhiên liệu hàng không cho phép thử nhạy cảm với tạp chất vết. Xem ASTM D 5854 đối với qui trình lựa chọn bình chứa, trộn và bảo quản mẫu. Thực tế nên lấy mẫu etanol nhiên liệu vào bình thủy tinh. Nếu phải đựng các mẫu trong bình kim loại thì không sử dụng bình kim loại hàn. Vì chất trợ dung hàn và chì có trong mối hàn có thể nhiễm vào mẫu. Không dùng vật chứa bằng nhựa.
7.4. Khối lượng mẫu, tối thiểu bằng khoảng 1 lít. Nếu khối lượng riêng được xác định bằng phương pháp tỷ trọng kế thì lượng mẫu phải tăng thêm, điều này phụ thuộc vào kích cỡ tỷ trọng kế.
7.5. Kích cỡ lô hàng, thông thường một lô hàng bao gồm lượng chứa trong toa chở dầu hoặc vật chứa lớn khác khi được giao hàng. Nếu không áp dụng cỡ lô như trên thì qui định về lô hàng phải được thỏa thuận giữa nhà cung cấp và khách hàng.
CHÚ THÍCH 5 Xem điều 5, 6 và 7 trong ASTM E 300 về ý nghĩa, an toàn và kết quả nghiên cứu thống kê của phương pháp lấy mẫu.
8. Phương pháp thử
8.1. Phạm vi của một số phương pháp thử được qui định từ 8.2 đến 8.10 không bao gồm etanol nhiên liệu biến tính. Độ chụm của các phương pháp thử này có thể khác với độ chụm báo cáo khi thử etanol nhiên liệu biến tính.
8.2. Hàm lượng nước - Theo ASTM E 203 hoặc ASTM E 1064.
8.3. Hàm lượng nhựa đã rửa qua dung môi - Theo TCVN 6593 (ASTM D 381), thiết bị phun không khí.
8.4. Độ axit - Tiêu chuẩn ASTM D 1613.
8.5. pH - Tiêu chuẩn ASTM D 6423.
8.6. Ngoại quan - sản phẩm phải trong và sáng, không nhìn thấy tạp chất lơ lửng và cặn lắng. Yêu cầu này được xác định ở nhiệt độ môi trường trong phòng, nếu không có sự thỏa thuận khác giữa nhà cung cấp và khách hàng.
8.7. Khối lượng riêng - Theo ASTM D 891, Qui trình B hoặc tiêu chuẩn ASTM D 4052. Đối với tiêu chuẩn ASTM D 891, Qui trình B (tỷ trọng kế), không có sẵn công bố về độ chụm, nhưng kinh nghiệm thực tế cho thấy độ chụm không nhỏ hơn 0,000 5. Tiêu chuẩn ASTM D 891 qui trình C (bình đo khối lượng riêng) có độ chụm liên phòng là 0,000 2, được sử dụng làm phương pháp trọng tài.
8.8. Hàm lượng clorua vô cơ -Theo ASTM D 512-81 (1985)e1, Phương pháp C.
8.8.1. Sự thay đổi của tiêu chuẩn ASTM D 512-81 (1985)e1, Phương pháp C là sử dụng 5 mL mẫu đã pha loãng với 20 ml nước thay thế cho 25 mL mẫu đã qui định trong qui trình tiêu chuẩn.
Nước phải phù hợp loại II của tiêu chuẩn ASTM D 1193. Thể tích mẫu được chuẩn bị theo tiêu chuẩn này sẽ lớn hơn 25 mL chút ít. Để tính hệ số pha loãng, báo cáo ion clorua có mặt trong mẫu etanol nhiên liệu là sự có mặt ion clorua trong mẫu đã pha loãng nhân với 5.
8.8.2. Độ chụm của phương pháp sửa đổi này chưa được xác định, nhưng đối với lượng ion clorua thực được phát hiện trong mẫu đã pha loãng, dự kiến là giống độ chụm của tiêu chuẩn ASTM D 512-81 (1985)E1, Phương pháp C.
8.9. Hàm lượng đồng - Theo bản sửa đổi của tiêu chuẩn ASTM D 1688, Phương pháp A.
8.9.1. Sự thay đổi Phương pháp A của tiêu chuẩn ASTM D 1688 (hấp thụ nguyên tử, trực tiếp) bao gồm việc trộn etanol cấp thuốc thử. Tuy nhiên, điều này không phải làm để chuẩn bị dung dịch đồng góc như đã mô tả trong tiêu chuẩn ASTM D 1688. Có thể xảy ra phản ứng rất mạnh giữa axit và etanol, vì vậy vẫn sử dụng nước như đã qui định, trong phần dung dịch axít của qui trình chuẩn bị dung dịch đồng gốc. Chỉ sử dụng etanol để rửa và pha loãng lần cuối.
8.9.2. Độ chụm của phương pháp sửa đổi này chưa được xác định, dự kiến giống độ chụm của ASTM D 1688 (1985)E1, Phương pháp A.
8.10. Hàm lượng etanol - Theo ASTM D 5501.
8.11. Hàm lượng lưu huỳnh - Theo các tiêu chuẩn TCVN 6701 (ASTM D 2622), ASTM D 3120 ASTM D 5453, hoặc ASTM D 6428.
8.12. Hàm lượng Sulfat - Xem Phụ lục A. 1 - Phụ lục A.3 về các phương pháp thử.
8.13. Hàm lượng chất biến tính - Chất biến tính được thêm vào phải nằm trong dải qui định phù hợp với qui chuẩn quốc gia. Hàm lượng của chúng được tính theo thể tích thêm vào trong quá trình biến tính. Không có qui trình thử tiêu chuẩn để xác định trực tiếp hàm lượng chất biến tính trong etanol nhiên liệu. Các qui trình phân tích hiện nay chỉ cung cấp ước tính hàm lượng chất biến tính, không chính xác để xác định sự phù hợp.
PHỤ LỤC A
(quy định)
A.1. Phương pháp xác định sulfat vô cơ trong etanol bằng chuẩn độ chì điện thế
A.1.1. Phạm vi áp dụng
A.1.1.1. Phương pháp thử này mô tả qui trình chuẩn độ điện thế để xác định hàm lượng sulfat vô cơ của etanol khan, ngậm nước và etanol biến tính khan, được trộn với nhiên liệu đánh lửa. Phương pháp này phân tích mẫu etanol chứa sulfat vô cơ trong khoảng 0,5 mg/g - 20 mg/g.
A.1.1.2. Tiêu chuẩn này không đề cập đến tất cả các nguyên tắc liên quan đến an toàn khi sử dụng. Người sử dụng tiêu chuẩn này có trách nhiệm thiết lập các qui định thích hợp về an toàn và bảo vệ sức khỏe, đồng thời phải xác định khả năng áp dụng phù hợp với các giới hạn quy định trước khi đưa vào sử dụng. Trước khi sử dụng cần xem xét tính độc hại của các thuốc thử và vật liệu (xem TCVN 5507).
A.1.2. Tài liệu viện dẫn
Các tài liệu viện dẫn sau đây là rất cần thiết khi áp dụng tiêu chuẩn này. Đối với các tài liệu viện dẫn ghi năm ban hành thì áp dụng bản được nêu. Đối với các tài liệu viện dẫn không ghi năm ban hành thi áp dụng phiên bản mới nhất, bao gồm cả các bản sửa đổi (nếu có).
TCVN 5507 Hóa chất nguy hiểm - Qui phạm an toàn trong sản xuất, kinh doanh, sử dụng, bảo quản và vận chuyển.
ASTM D 4177 Practice for automatic sampling of petroleum and petroleum products (Phương pháp lấy mẫu tự động dầu mỏ và các sản phẩm dầu mỏ).
ASTM D 6299 Practice for applying statistical quality assurance techniques to evaluate analytical measurement system performance (Phương pháp áp dụng kỹ thuật thống kê bảo đảm chất lượng để đánh giá tính năng của hệ thống phân tích).
A.1.3. Thuật ngữ, định nghĩa
A.1.3.1 Định nghĩa
A.1.3.1.1. Sulfat vô cơ (inorganic sulfate)
Gốc sulfat như axit sulfuric, muối ion của axit sulfuric hoặc hỗn hợp của muối và axit. Đặc biệt trong phương pháp này, sulfat vô cơ có mặt là sulfat trong etanol.
A.1.4. Tóm tắt phương pháp thử
A.1.4.1. Mẫu etanol chứa sulfat vô cơ được chuẩn độ trong môi trường etanol với dung dịch chì tiêu chuẩn. Kết tủa chì sulfat được tạo thành trong lúc chuẩn độ. Axit pecloric được cho vào để loại bỏ ảnh hưởng có thể có của cacbonat. Điểm cuối được phát hiện do sự tăng hoạt tính ion chì, đo bằng điện cực chọn lọc-chì.
A.1.5. Ý nghĩa và sử dụng
A.1.5.1. Etanol được sử dụng làm tác nhân pha trộn trong xăng. Sulfat có trong cặn lắng bộ lọc bugi và cặn lắng trong bộ phun nhiên liệu. Khi etanol nhiên liệu được đốt cháy, các sulfat có thể góp phần vào việc giải phóng axit sulfuric. Vì vậy việc sử dụng etanol phụ thuộc vào hàm lượng sulfat. Hàm lượng sulfat được xác định theo phương pháp này, có thể sử dụng như một số đo về khả năng chấp nhận etanol đối với nhiên liệu động cơ đánh lửa phù hợp với tiêu chuẩn này.
A.1.6. Thiết bị
A.1.6.1. Thiết bị chuẩn độ điện thế
Bao gồm một thiết bị chuẩn độ tự động gắn với điện cực chọn lọc ion chì, điện cực so sánh có mối nối đôi, buret và bộ khuấy. Bộ khuấy có thể là máy khuấy từ hoặc máy khuấy cơ học kiểu cánh quạt. Kích cỡ buret lý tưởng là 10 mL hoặc 20 mL
A.1.6.2. Điện cực so sánh
Điện cực so sánh có mối nối đối với điện cực bên trong gồm có bạc/bạc clorua với dung dịch kali clorua làm chất điện ly nội. Dung dịch ngoài bao gồm liti clorua 1 M trong etanol. Cấu hình này được sử dụng để ngăn ngừa ion bạc. chất độc điện cực chì, chui qua màng ngăn vào dung dịch phân tích trong lúc chuẩn độ. Các chất điện ly ưa dùng trong điện cực mối nối đôi có thể thay đổi đo nhà sản xuất; nên sử dụng các chất điện ly do nhà sản xuất khuyến cáo. Các loại điện cực so sánh khác có thể được xem xét, ví dụ, điện cực mối nối đơn, điện cực tổ hợp hoặc điện cực cacbon thủy tinh), nhưng dữ liệu đã trình bày trong phương pháp này cho thấy việc sử dụng điện cực mối nối đôi, là cách lựa chọn tốt nhất đối với phép xác định này.
A.1.6.3. Điện cực chì - sử dụng điện cực chọn lọc ion, chì (ion selective electrode - ISE) loại cảm biến tinh thể gốc sulfua chì.
A.1.6.4. Tủ sấy - Để sấy natri sulfat ở 110 °C
A.1.6.5. Pipet hoặc dụng cụ chuyển thể tích - Pipet thủy tinh Loại A hoặc loại tương đương.
A.1.6.6. Bình định mức - Bình định mức Loại A.
A.1.6.7. Vật liệu làm bóng - Điện cực cảm biến tinh thể gốc sulfua chì cần phải làm bóng để loại bỏ các sản phẩm oxy hóa. Những vật liệu này do nhà sản xuất cung cấp cùng điện cực
A.1.6.8. Dải thử pH - Dải thử pH trong dãy pH 1 đến pH 7.
A.1.6.9. Bình chuẩn độ - Cốc thủy tinh tiêu chuẩn hoặc bình chuẩn độ được cung cấp cùng thiết bị chuẩn độ.
A.1.7. Thuốc thử
A.1.7.1. Chì nitrat, cấp thuốc thử, độ tinh khiết tối thiểu 99 %. (Cảnh báo - Độc; có hại khi hít hoặc nuốt phải; tránh tiếp xúc với da. Việc loại bỏ vật liệu này phải theo qui định của quốc gia).
A.1.7.2. Natri sulfat, khan, cấp thuốc thử, độ tinh khiết tối thiểu 99 %. (Cảnh báo - Không được nuốt; tránh tiếp xúc khi không cần thiết).
A.1.7.3. Axit percloric 70 %, cấp thuốc thử với nồng độ sulfat < 0,001 % (m/M). Việc loại bỏ vật liệu này phải theo qui định của quốc gia). (Cảnh báo - Ăn mòn; tránh xa khỏi da và mắt. Axit percloric là chất oxy hóa mạnh).
A.1.7.4. Etanol, được biến tính bằng metanol, hoặc etanol dùng trong ngành y, khan, biến tính bằng etyl axetat, metyl isobutyl keton và hydrocacbon naphta. (Cảnh báo - Dễ bắt lửa; độc; có thể có hại hoặc gây nguy hiểm nếu nuốt hoặc hít phải; tránh tiếp xúc với da).
A.1.7.5. Etanol, tuyệt đối, 99,5 %, cấp thuốc thử.
A.1.7.6. Liti clorua, 99+ %, cấp thuốc thử.
A.1.7.7. Nước, loại Ill theo ASTM D 1193.
A.1.7.8. Chất làm khô canxi sulfat khan
A.1.8. Chuẩn bị dung dịch tiêu chuẩn
A.1.8.1. Chất chuẩn độ chì, 0,0025 M - Hòa tan 0,833 g chì nitrat trong 300 mL nước. Rót vào bình 1 lít, đổ đầy với etanol biến tính và trộn đều. Chuẩn hóa theo A.1.10.1.
A.1.8.2. Dung dịch tiêu chuẩn sulfat, 0,01 M - Làm khô 5 g natri sulfat khan ở 110 oC trong 1 giờ. Lấy ra khỏi tủ sấy và để nguội trong bình hút ẩm có chất làm khô canxi sulfat khan. Dùng cân phân tích cân khoảng 0,70 g, chính xác đến một phần mười của miligam và cho vào bình định mức 500 mL. Thêm nước để hòa tan natri sulfat, sau đó pha loãng đến vạch mức. Tính nồng độ chính xác theo công thức A.1.1.
Nồng độ phân tử gam =
(A.1.1)
trong đó
G là khối lượng tính bằng gam của Na2SO4 đã hòa tan trong 500 mL, và
142,02 là khối lượng phân tử gam của Na2SO4.
A.1.8.3. Dung dịch gốc sulfat để pha các dung dịch tiêu chuẩn trong etanol 2 000 mg/L - Cân 2,95 g natri sulfat khan chính xác đến một phần mười của miligam và chuyển sang bình định mức 1 L (natri sulfat khan đã làm khô phải được lưu giữ trong bình hút ẩm). Thêm nước để hòa tan natri sulfat và pha loãng đến vạch mức. Tính nồng độ sulfat trong dung dịch theo công thức A 1.2
Nồng độ sulfat gốc trong nước (mg/L) = (g Na2SO4) (0,6764) (1 000 mg/g)/1 L (A.1.2)
trong đó
g Na2SO4 là khối lượng tính bằng gam của Na2SO4 đã hòa tan trong 1 L, và
0,6764 là hệ số của sulfat trong Na2SO4.
A.1.8.4. Dung dịch tiêu chuẩn sulfat trong etanol - Etanol được cân vào bình chứa có thiết bị đóng kín để tránh bay hơi, phù hợp với Bảng A.1.1 để đạt tiêu chuẩn mong muốn. Chuyển dung dịch gốc sulfat ở A 1.8.3 vào dung dịch theo Bảng A.1.1 và ghi lại khối lượng cuối cùng của dung dịch. Nồng độ dung dịch tiêu chuẩn được tính bằng cách chia số miligam sulfat từ dung dịch gốc sulfat cho khối lượng dung dịch cuối cùng theo công thức A. 1.3.
Nồng độ dung dịch tiêu chuẩn sulfat trong etanol (mg/g) = V x C / W (A.1.3)
trong đó
V là thể tích gốc sulfat trong nước (A.1 8.3), tính bằng mL;
C là nồng độ gốc sulfat trong nước (A. 1.8.3), tính bằng µg/mL (tương đương với mg/L),và
W là khối lượng cuối cùng của etanol và phần dung dịch gốc sulfat trong nước, tính bằng g.
Bảng A.1.1 - Chuẩn bị dung dịch tiêu chuẩn sulfat trong etanol
| Dung dịch tiêu chuẩn sulfat trong etanol, | Etanol, | Dung dịch gốc sulfat, mL |
| 50 | 975 | 25 |
| 20 | 990 | 10 |
| 10 | 995 | 5 |
| 5 | 997,5 | 2,5 |
| 1 | 999,5 | 0,5 |
A.1.8.5. Dung dịch không có sulfat. 0,01 M - Dung dịch như qui định trong A.1.8.2
A.1.8.6. Axit percloric loãng, 0,1 M - Hòa tan 8,8 mL axit percloric trong 250 mL nước trong bình định mức 1 L, trộn đều và pha loãng đến vạch bằng nước.
A.1.8.7. Liti clorua trong etanol, 1 M - Thêm liti clorua (8,49 g) vào etanol tuyệt đối (200 mL) đang được khuấy cho đến khi tan hoàn toàn.
A.1.9. Chuẩn bị thiết bị chuẩn độ
A.1.9.1. Thiết bị chuẩn độ - Chuẩn bị thiết bị chuẩn độ theo qui trình của nhà sản xuất, bằng cách đổ chất chuẩn độ chì (A.1.8.1) vào bình chuẩn độ và rót đầy buret. Phép chuẩn độ được thực hiện theo cách chuẩn độ đều đều. Có thể sử dụng lượng gia tăng thêm chất chuẩn độ là 25 mL hoặc 50 mL. Sử dụng độ lệch 10 mV/phút hoặc thời gian chờ 20 giây giữa các lần cho thêm chất chuẩn độ.
A.1.9.2. Chuẩn bị điện cực - Cẩn thận và theo đúng qui tắc của điện cực lựa chọn chì là cơ sở để nhận được đường cong chuẩn độ chất lượng cao. Việc chuẩn bị điện cực chì cần thực hiện theo qui định của nhà sản xuất. Khi tính năng của điện cực chì sử dụng cảm biến tinh thể đặc bị suy giảm thì cần phải đánh bóng điện cực. Dải điện thế đối với sulfat 10 mg/kg trong chuẩn độ etanol sẽ mở rộng ít nhất 50 mV và tạo ra một đường cong chuẩn độ dạng có thể chấp nhận (xem Hình A.1.1). Nếu mức tính năng điện cực này không được đáp ứng, thì cần làm bóng điện cực chì. Thông thường điện cực được cung cấp bột mài làm bóng và miếng vải hình chữ nhật. Bột mài làm bóng được đặt trên miếng vải và tẩm ướt bằng etanol hoặc nước và điện cực được mài trên bề mặt của miếng vải trong một phút, rửa sạch bằng nước để loại bỏ chất làm bóng và lau khô bằng giấy thấm. Sau đó điện cực được ngâm trong chất chuẩn độ chì (A.1.8.1) trong 2 phút để cân bằng lại bề mặt điện cực. Điện cực so sánh mối nối đôi được đổ đầy liti clorua 1 M trong etanol (A.1.8.7) vào buồng ngoài.

Hình A.1.1 - Đường chuẩn độ điện thế đối với các dung dịch tiêu chuẩn sulfat trong etanol
A.1.10. Công tác chuẩn hóa
A.1.10.1. Nồng độ chính xác của chất chuẩn độ chì phải được xác định thực nghiệm bằng các chuẩn độ với dung dịch tiêu chuẩn sulfat (A. 1.8.2) Chuyển 1,00 mL dung dịch tiêu chuẩn sulfat vào cốc 150 mL. Thêm khoảng 100 mL etanol và 1 ml axit percloric 0,1 M (A.1.8.6). Để thực hiện chuẩn bị thiết bị chuẩn độ tự động, nhúng các điện cực vào dung dịch chuẩn độ, bắt đầu khuấy và chuẩn độ đến điểm cuối điện thế bằng chất chuẩn độ chì. Phép chuẩn độ cần khoảng 4,0 ml dung dịch chì để đạt đến điểm cuối.
A.1.10.2. Chuẩn độ mẫu trắng theo cách tương tự, không có chất chuẩn sulfat.
A.1.10.3. Việc chuẩn hóa được lặp lại cho đến khi đạt được độ chụm so sánh đã nêu tại A. 1.15 và Bảng A.1.2. Tính nồng độ của chất chuẩn độ chì như sau:
![]()
trong đó
Mpb là nồng độ phân tử gam của chì trong chất chuẩn độ, mol/L;
V là mL của dung dịch tiêu chuẩn sulfat được thêm vào:
S là nồng độ phân tử gam của dung dịch sulfat (A.1.8.2);
T là mL của chất chuẩn độ chì được sử dụng để chuẩn độ dung dịch sulfat, và
Tb Ià mL của chất chuẩn độ chì được sử dụng để chuẩn độ mẫu trắng.
Bảng A.1.2 - Độ chụm chuẩn hóa chất chuẩn độ
| Nồng độ phân tử gam chất chuẩn độ chì đã chuẩn bị | Nồng độ phân tử gam trung bình của chất chuẩn độ chì khi chuẩn độ | Số lượng phép xác định | Độ lệch chuẩn | Độ lặp lại 2,8 độ lệch chuẩn |
| 0,002517 | 0,002477 | 10 | 9,89x10-6 | 0,0000277 |
A.1.11. Phân tích mẫu
A.1.11.1. Lấy mẫu etanol theo tiêu chuẩn ASTM D 4057 và ASTM D 4177. Mẫu phải được trộn đều để đảm bảo tính đồng nhất. Để phân tích phải lấy mẫu đại diện. Các mẫu phải được để trong bình chứa có đậy kín để tránh bay hơi etanol. Các bình chứa mẫu không được chứa cặn sulfat. Nếu bình chứa được làm sạch và rửa bằng nước, thì trước khi sử dụng phải rửa bằng nước loại III.
A.1.11.2. Sử dụng qui trình mô tả trong A.1.11.3 để xác định giá trị của mẫu trắng bằng phân tích mẫu etanol biến tính (100 g). Thêm một lượng dung dịch sulfat vào tất cả các mẫu như phần của mẫu trắng.
A.1.11.3. Cân một mẫu etanol (khoảng 100 g) vào cốc 150 ml. Dùng pipet hút 0,200 mL dung dịch không có sulfat (A. 1.8.5) vào cốc có dung dịch etanol. Thêm 1 mL axit percloric 0,1 M (A.1.8.6). Trước khi chuẩn độ dùng giấy pH kiểm tra để đảm bảo mẫu có tính axit với pH trong dải từ 3 đến 5. Kiểm tra pH bằng cách nhúng đũa khuấy thủy tinh vào mẫu và thử nhỏ giọt trên giấy thử pH đã làm ẩm. Nếu 1 mL axit percloric 0,1 M không đủ để thực hiện điều này, thì cho thêm axit. Chuẩn bị thiết bị chuẩn độ tự động để hoạt động, nhúng các điện cực vào dung dịch chuẩn độ, bắt đầu khuấy và chuẩn độ đến điểm cuối điện thế bằng chất chuẩn độ chì. Ghi lại trung bình cộng của ba giá trị mẫu trắng để tính hàm lượng sulfat của mẫu.
A.1.11.4. Tiến hành mẫu theo qui trình đã nêu trong A.1.11.3, bao gồm việc cho thêm 0,200 ml dụng dịch không có sulfat. Đảm bảo rằng các phép xác định kép nằm trong giới hạn độ lặp lại trong Bảng A.1.3 (xem A.1.15). Nếu không, phải thực hiện thêm phép chuẩn độ cho đến khi đạt yêu cầu, Nếu không đạt được đường chuẩn độ phù hợp, thì phải làm bóng điện cực chì. Các đường chuẩn độ đặc trưng đối với tiêu chuẩn sulfat trong etanol được nêu trong Hình A.1.1, và ví dụ về mẫu etanol thương phẩm được nêu trong Hình A. 1.2.
Bảng A. 1.3 - Độ chụm của phương pháp
| Nồng độ sulfat đã chuẩn bị mg/g | Nồng độ trung bình sulfat khi chuẩn độ mg/g | Số lượng phép xác định | Độ lệch chuẩn mg/g | Độ lặp lại 2,8 x độ lệch chuẩn |
| 20,3 | 19,2 | 7 | 0,270A | 0,76 |
| 10,1 | 9,94 | 6 | 0,091 | 0,25 |
| 5,07 | 4,90 | 8 | 0,100 | 0,28 |
| 1,01 | 1,03 | 8 | 0,042 | 0,11 |
| 0,50 | 0,55 | 4 | 0,056 | 0,16 |
| A Giá trị tương đối cao của độ lệch chuẩn đối với mẫu 20,3 mg/g phát sinh do việc thay đổi lượng dung dịch sulfat thêm vào như là một phần mẫu trắng, đó là do sai số của dụng cụ chuyển mẫu. | ||||
A.1.12. Tính kết quả
A.1.12.1. Tính nồng độ sulfat vô cơ của mẫu etanol theo công thức A.1.5.
(A.1.5)
trong đó
Sulfat là nồng độ sulfat, mg/g (mg/kg);
V là thể tích của chất chuẩn độ chì đối với mẫu, tính bằng mL;
Vb là thể tích của chất chuẩn độ chì đối với mẫu trắng, tính bằng mL;
Mpb là nồng độ phân tử gam của chất chuẩn độ chì, tính bằng mmol/mL;
H là hệ số (96058 mg sulfat/mmol sulfat), và
G là khối lượng của mẫu etanol được lấy để phân tích, tính bằng g.
A.1.12.2. Đơn vị mg/g có thể đổi thành (mg/mL thông qua khối lượng riêng của etanol trong công thức A.1.6. Tuy nhiên, với mục đích của phương pháp này, tất cả các phép tính nên sử dụng đơn vị mg/g (khối lượng/khối lượng).
Sulfat (mg/mL) = Sulfat (mg/g) (0,7893 g etanol / mL etanol) (A.1.6)

Hình A.1.2 - Đường chuẩn độ điện thế đối với sulfat trong etanol thương phẩm
A.1.13. Báo cáo
A.1.13.1. Báo cáo kết quả hàm lượng sulfat chính xác đến 0,1 mg/g trên dải từ 0,5 mg/g đến 50 mg/g.
A.1.14. Kiểm soát chất lượng
A.1.14.1. Kiểm tra xác nhận tính năng của thiết bị hoặc qui trình thử bằng phép phân tích một hoặc nhiều mẫu kiểm tra chất lượng sau mỗi lần hiệu chuẩn và ít nhất sau mỗi ngày sử dụng. Ví dụ, một mẫu kiểm tra tốt có thể là một mẫu etanol đại diện đơn lẻ (xem B.1.1.5), được phân tích lặp đi lặp lại. Những kết quả này được ghi trong biểu đổ kiểm soát để kiểm tra tính ổn định về mặt thống kê của hệ thống, như trong B.1.1.3.
A.1.14.1.1. Khi đã có các thủ tục về kiểm soát chất lượng QC/Đảm bảo chất lượng (QA) cho các điều kiện thử nghiệm, thì có thể sử dụng các tài liệu này để khẳng định độ tin cậy của kết quả thử,
A.1.14.1.2. Nếu không có các tài liệu QC/QA cho điều kiện thử nghiệm Phụ lục B.1 có thể được áp dụng như là hệ thống QC/QA.
A.1.15. Độ chụm và độ chệch
A. 1.15.1. Độ chụm biểu thị kết quả phân tích lặp lại được thực hiện trong một phòng thử nghiệm bởi cùng người phân tích trong cùng một ngày và trên cùng một thiết bị.
A.1.15.2. Độ lặp lại - Hai phép phân tích lặp lại thỏa mãn 95 % các giá trị độ lặp lại nêu trong Bảng A.1.3. Độ chụm của phép chuẩn hóa chất chuẩn độ cũng được nêu ở Bảng A.1.2.
A.1.15.3. Độ tái lặp - Hiện nay chưa có các dữ liệu độ chụm liên phòng để tính độ tái lặp.
A.1.15.4. Độ chệch - Hiện nay chưa đo được độ chệch dựa theo các phương pháp thử khác.
A.2. Phương pháp xác định clorua và sulfat vô cơ trong etanol bằng sắc ký ion bơm nén trực tiếp
A.2.1. Phạm vi áp dụng
A.2.1.1. Phương pháp này mô tả qui trình sắc ký ion bơm trực tiếp để xác định hàm lượng clorua và sulfat vô cơ của etanol biến tính khan và ngặm nước. Mục đích phương pháp là phân tích mẫu etanol có chứa ion clorua vô cơ từ 0,5 mg/kg đến 0 mg/kg và ion sulfat vô cơ từ 0,5 mg/kg đến 20 mg/kg.
A.2.1.2. Sự rửa giải đồng thời của các ion khác có thể ảnh hưởng đến việc xác định sulfat. Để tránh ảnh hưởng này cần phải phân tích thêm ion đang xác định.
A.2.1.3. Các giá trị tính bằng đơn vị SI. Các giá trị ghi trong ngoặc đơn dùng để tham khảo.
A.2.1.4. Tiêu chuẩn này không đề cập đến tất cả các vấn đề liên quan đến an toàn khi sử dụng. Người sử dụng tiêu chuẩn này có trách nhiệm thiết lập các nguyên tắc về an toàn và bảo vệ sức khỏe cũng như khả năng áp dụng phù hợp với các giới hạn quy định trước khi đưa vào sử dụng. Trước khi sử dụng phải xem tính độc hại của các thuốc thử và vật liệu (xem TCVN 5507).
A.2.2. Tài liệu viện dẫn
Các tài liệu viện dẫn sau đây là rất cần thiết khi áp dụng tiêu chuẩn này. Đối với các tài liệu viện dẫn ghi năm ban hành thì áp dụng bản được nêu. Đối với các tài liệu viện dẫn không ghi năm ban hành thì áp dụng phiên bản mới nhất, bao gồm cả các bản sửa đổi (nếu có).
TCVN 5507 Hóa chất nguy hiểm - Qui phạm an toàn trong sản xuất, kinh doanh, sử dụng, bảo quản và vận chuyển.
ASTM D 4177 Practice for automatic sampling of petroleum and petroleum products (Phương pháp lấy mẫu tự động dầu mỏ và các sản phẩm dầu mỏ).
ASTM D 5827 Test method for analysis of engine coolant for chloride and other anions by ion chromatography (Phương pháp phân tích clorua và các anion khác trong chất lỏng làm mát động cơ bằng sắc ký ion).
ASTM D 6299 Practice for applying statistical quality assurance techniques to evaluate analytical measurement system performance (Phương pháp áp dụng kỹ thuật thống kê bảo đảm chất lượng để đánh giá tính năng của hệ thống phân tích).
ASTM D 6792 Guide for quality system in petroleum products and lubricants testing laboratories (Hướng dẫn hệ thống chất lượng trong phòng thử nghiệm sản phẩm dầu mỏ và chất bôi trơn).
A.2.3. Thuật ngữ, định nghĩa
A.2.3.1. Định nghĩa
A.2.3.1.1. Sulfat vô cơ (inorganic sulfate)
Gốc sulfat (
) có mặt như axit sulfuric, muối ion của axit này, hoặc hỗn hợp của cả hai.
A.2.3.1.2. Clorua vô cơ (inorganic chloride)
Gốc clorua (Cl-) có mặt như axit hydrocloric, muối ion của axit này, hoặc hỗn hợp của cả hai.
A.2.4. Tóm tắt phương pháp thử
A.2.4.1. Một lượng nhỏ mẫu etanol bơm trực tiếp vào máy sắc ký ion có cấu tạo thích hợp theo khuyến nghị của nhà sản xuất đối với phương pháp này. Các ion được tách ra khỏi nhau dựa trên ái lực của chúng để trao đổi vị trí của nhựa theo ái lực của nhựa đối với chất rửa giải. Bộ ức chế làm tăng độ nhạy của phương pháp theo sự tăng độ dẫn điện của chất phân tích và theo sự giảm độ dẫn điện của chất rửa giải. Bộ ức chế này cũng chuyển chất rửa giải và chất phân tích thành dạng hydro tương ứng của các anion. Các anion được định lượng bằng tích phân các pic so sánh với đường hiệu chuẩn ngoài, và được báo cáo theo mg/kg, hoặc có thể chuyển đổi thành mg/L. Các chất chuẩn hiệu chuẩn gốc được chuẩn bị trong chất nền là nước. Các chất chuẩn hiệu chuẩn bơm vào đã được chuẩn bị từ các chất thích hợp trong chất nền etanolic.
A.2.5. Ý nghĩa và sử dụng
A.2.5.1. Etanol được sử dụng làm tác nhân pha trộn trong xăng. Sulfat có trong cặn lắng bộ lọc bugi và cặn lắng trong bộ phun nhiên liệu. Việc chấp nhận sử dụng etanol phụ thuộc vào hàm lượng sulfat và clorua.
A.2.5.2. Hàm lượng sulfat và clorua, được đo theo phương pháp này, có thể sử dụng như một số đo về khả năng chấp nhận etanol đối với nhiên liệu động cơ đánh lửa phù hợp với tiêu chuẩn này.
A.2.6.1. Các ảnh hưởng
A.2.6.1. Các ảnh hưởng có thể do các chất có cùng thời gian lưu sắc ký ion, đặc biệt nếu chúng có nồng độ cao so với chất cần phân tích. Có thể pha loãng mẫu để giảm thiểu các ảnh hưởng.
A.2.6.2. Vùng lõm nước (khoảng trống hệ thống, pic âm như trên Hình A.2.1) có thể gây ảnh hưởng đến một số máy phân tích. Vùng lõm có thể được loại bỏ bằng cách pha loãng với chất rửa giải. Thông thường, đối với phép xác định clorua và sulfat, vùng lõm nước không gây cản trở vì các pic clorua và sulfat cách xa vùng lõm nước.
A.2.6.3. Lượng vết clorua và sulfat được xác định trong phương pháp này, có thể bị ảnh hưởng do sự nhiễm bẩn từ dụng cụ thủy tinh, chất rửa giải, thuốc thử, vv. Phải cẩn thận để đảm bảo sự nhiễm bẩn ở mức thấp nhất. Nên dùng găng tay cao su hoặc găng tay không có xơ vải để tránh nhiễm bẩn.
A.2.6.4. Bắt buộc phải rửa trước các bình chứa mẫu bằng nước cất loại II.
A.2.7. Thiết bị, dụng cụ
A.2.7.1. Cân phân tích, có khả năng cân đến 100 g, chính xác đến 0,000 1 g.
A.2.7.2. Tủ sấy, được điều khiển đến 110 °C ± 5 °C để sấy natri sulfat và natri clorua.
A.2.7.3. Bình hút ẩm, có chứa silica gel mới được hoạt hóa (hoặc chất hút ẩm tương đương) và chất chỉ thị hàm lượng ẩm.
A.2.7.4. Pipet hoặc dụng cụ chuyển thể tích - Pipet thủy tinh Loại A hoặc loại tương đương có dung tích 1 mL và 5 mL hoặc pipet tự động có thể tích thay đổi được gắn đầu polyetylen dùng một lần.
A.2.7.5. Bình định mức - Loại A, dung tích 25 mL, 50 mL, 100 mL, 1 000 mL.
A.2.7.5.1. Bình chứa, 1 L, có nắp gắn kín để tránh bay hơi etanol.
A.2.7.6. Sắc ký ion - Hệ thống phân tích với tất cả các phụ tùng cần thiết bao gồm xy lanh, cột, bộ ức chế và detector.
A.2.7.6.1. Hệ thống phun, có khả năng cấp 20 mL với độ chính xác tốt hơn 1 %, hoặc theo hướng dẫn của nhà sản xuất đối với phép xác định nàỵ
A.2.7.6.2. Hệ thống bơm, có khả năng truyền lưu lượng pha động giữa 0,2 mL/phút và 2,5 mL/phút với độ chính xác tốt hơn 2 %, hoặc theo hướng dẫn của nhà sản xuất đối với phép xác định này.
A.2.7.6.3. Cột bảo vệ, dùng để bảo vệ cột phân tích khỏi các thành phần bị lưu giữ mạnh. Dùng các đĩa lý thuyết phụ trợ việc tách sẽ tốt hơn.
A.2.7.6.4. Cột tách anion, dùng 100 % dung môi thích hợp và có khả năng tách tốt chất phân tích (Hình A.2.1.).
A.2.7.6.5. Thiết bị ức chế anion, có 3 khoang nhồi nhựa trao đổi cation (hay loại tương đương) dùng 100 % dung môi thích hợp. Thiết bị ức chế dùng axit khoáng bất kỳ cho H* và bằng điện / hóa, liên tục tái sinh dạng hydro. Cần tuân theo các khuyến nghị của nhà cung cấp thiết bị sắc ký ion.
A.2.7.6.6. Detector dẫn điện, (dung lượng thấp), nhiệt độ được kiểm soát đến 0,01 °C, có khả năng đo ít nhất từ 0 mS/cm đến 1 000 mS/cm trên thang đo.
A.2.7.6.7. Phần mềm tích phân hoặc hệ thống dữ liệu sắc ký, có khả năng đo điện tích pic và thời gian lưu, và hiệu chỉnh dữ liệu phù hợp đường nền sắc ký.
A.2.7.7. Găng tay, loại cao su hoặc không có xơ vải.

Hình A.2.1 - Sắc ký đồ ion điển hình của dung dịch có chứa 1 mg/kg các anion khác nhau
A.2.8. Thuốc thử, vật liệu
A.2.8.1. Độ tinh khiết của thuốc thử - Sử dụng các hóa chất cấp thuốc thử hoặc có độ tinh khiết cao để chuẩn bị tất cả các mẫu, các dung dịch chuẩn, chất rửa giải và dung dịch tái chế. Có thể sử dụng các cấp khác, với điều kiện là thuốc thử có độ tinh khiết đủ cao, khi sử dụng không làm giảm độ chính xác của phép xác định.
A.2.8.2. Độ tinh khiết của nước, trừ khi có qui định khác, nước được hiểu là nước loại II theo ASTM D 1193. Chuẩn bị và bảo quản chất rửa giải theo các yêu cầu của thiết bị sắc ký ion và cột (ví dụ, lọc, khử hơi độc, vv).
A.2.8.3. Dung dịch gốc đệm rửa giải, natri bicacbonat (NaHCO3) 1,0 mM và natri cacbonat (Na2CO3) 3,2 mM. Hòa tan 8,4 g ± 0,000 5 g NaHCO3 và 33,92 g ± 0,000 5 g Na2CO3 vào nước cấp thuốc thử trong bình định mức 1 L loại A và pha loãng đến thể tích. Pha loãng 10,0 ml dung dịch gốc này đến 1 L trong bình định mức 1 L loại A bằng nước cấp thuốc thử đã khử khí. Dung dịch rửa giải được sử dụng có thể khác nhau nếu sử dụng hệ thống khác hoặc cột phân tích khác.
CHÚ THÍCH A.2.1 Có thể chuẩn bị các thể tích khác cho dung dịch gốc, sử dụng tỷ lệ thuốc thử thích hợp. Đối với dung dịch cột bán sẵn đang sử dụng, phải theo hướng dẫn cho từng loại.
A.2.8.4. Dung dịch phục hồi ức chế cho thiết bị ức chế - Axit sulfuric 0,1 M. Cẩn thận cho thêm 334 mL axit sulfuric cấp tinh khiết thuốc thử (khối lượng riêng tương đối 1,84) vào khoảng 500 mL nước thuốc thử trong bình định mức 1 L. (Cảnh báo - Việc này sẽ làm cho dung dịch rất nóng. Để dung dịch nguội trước khi pha loãng đến thể tích 1 000 mL. Không bao giờ được cho nước vào axit đậm đặc). Pha loãng đến 1 000 mL bằng nước thuốc thử, ghi nhãn dung dịch là axit sulfuric 10,0 M. Pha loãng 10,0 mL nồng độ này đến 1 000 mL bằng nước thuốc thử cho dung dịch ức chế làm việc 0,1 M cuối cùng.
CHÚ THÍCH A.2.2 Có thể chuẩn bị các thể tích khác cho dung dịch này, sử dụng tỷ lệ thuốc thử thích hợp. Đối với thiết bị ức chế bán sẵn đang sử dụng, phải theo hướng dẫn cho từng loại.
A.2.8.5. Natri sulfat, khan, mức thuốc thử, độ tinh khiết tối thiểu 99 %. (Cảnh báo - Không được nuốt; tránh tiếp xúc nếu không cần thiết).
A.2.8.6. Natri clorua, độ tinh khiết tối thiểu 99 %.
A.2.8.7. Etanol, biến tính với metanol, hoặc etanol cho y học, khan, biến tính với etyl axetat. metylisobutyl keton và hydrocacbon naphta. (Cảnh báo - Dễ cháy, độc; có thể gây hại hoặc chết nếu nuốt phải hoặc hít vào; tránh tiếp xúc với da).
A.2.9. Chuẩn bị dung dịch tiêu chuẩn
A.2.9.1. Dung dịch gốc
A.2.9.1.1. Dung dịch gốc sulfat trong nước để pha các dung dịch tiêu chuẩn trong etanol, 2 000 mg/L - Cân 2,95 g natri sulfat khan, chính xác đến một phần mười của miligam và chuyển vào bình định mức 1 L (natri sulfat khan đã khô, bảo quản trong bình hút ẩm). Thêm nước để hòa tan natri sulfat và pha đến thể tích qui định. Tính nồng độ sulfat trong dung dịch theo công thức A.2.1. Có thể chuẩn bị thể tích khác của dung dịch gốc, sử dụng tỷ lệ thuốc thử thích hợp.
Sulfat gốc trong nước (mg/L) = (g Na2SO4) (0,6764) (1 000 mg/g) / L (A.2.2)
trong đó
g Na2SO4 là khối lượng tính bằng gam của Na2SO4 được hòa tan trong 1 L, và
0,6764 là phần trăm khối lượng sulfat trong Na2SO4.
A.2.9.1.2. Dung dịch gốc clorua trong nước để pha các dung dịch tiêu chuẩn trong etanol, 2000 mg/L - Cân 3,296 g natri clorua khan, chính xác đến một phần mười của miligam và chuyển vào bình định mức 1 L (natri clorua khan đã khô, bảo quản trong bình hút ẩm). Thêm nước để hòa tan natri clorua và pha đến thể tích qui định. Tính nồng độ clorua trong dung dịch theo công thức A.2.2. Có thể chuẩn bị thể tích khác của dung dịch gốc, sử dụng tỷ lệ thuốc thử thích hợp.
Clorua gốc trong nước (mg/L) = (g NaCI) (0,6068) (1 000 mg/g) / L (A.2.2)
trong đó
g NaCI là khối lượng tính bằng gam của NaCI được hòa -tan trong 1 L, và
0,6068 là phần trăm khối lượng clorua trong NaCl.
A.2.9.2. Dung dịch chuẩn clorua và sulfat trong etanol - Để tránh bay hơi trộn etanol, dung dịch gốc clorua và sulfat trong bình chứa có nắp kín, theo Bảng A.2.1 để đạt được chất chuẩn mong muốn.
A.2.9.2.1. Chuyển dung dịch gốc clorua và sulfat (A.2.9.1) vào bình chứa 1 L theo các thể tích đã nêu trong Bảng A.2.1, và ghi lại khối lượng cuối cùng của dung dịch etanolic. Nồng độ sulfat và clorua của mỗi chất chuẩn được tính theo công thức A.2.3 và A.2.4.
Chất chuẩn etanol sulfat (mg/kg) = Va x Ca / W (A.2.3)
Chất chuẩn etanol clorua (mg/g) = Vb x Cb / W (A.2.4)
trong đó
Va là thể tích của dung dịch gốc sulfat trong nước (A.2.9.1.1), tính bằng mL.
Ca là nồng độ của dung dịch gốc sulfat trong nước (A.2.9,1.1), tính bằng mg/L;
Vb là thể tích của dung dịch gốc clorua trong nước (A.2.9.1.2), tính bằng mL;
Cb là nồng độ của dung dịch gốc clorua trong nước (A.2.9.1.2), tính bằng mg/L; và
W là khối lượng cuối cùng của dung dịch tiêu chuẩn etanol, tính bằng g.
CHÚ THÍCH A.2.3 Cách khác, có thể sử dụng dung dịch hiệu chuẩn gốc thương phẩm bán sẵn. với điều kiện là dung dịch dẫn xuất của dung dịch gốc ban đầu hoặc là vật liệu chuẩn được chứng nhận, và không có các chất phân tích khác.
Bảng A.2.1 - Chuẩn bị chất chuẩn clorua và sulfat trong etanol
| Dung dịch tiêu chuẩn etanolic clorua và sulfat số mg clorua hay sulfat/kg etanol | Etanol g | Dung dịch gốc clorua ml | Dung dịch gốc sulfat ml |
| 50 | 975 | 25 | - |
| 20 | 980 | 10 | 10 |
| 10 | 990 | 5 | 5 |
| 5 | 995,0 | 2,5 | 2,5 |
| 1 | 999,0 | 0,5 | 0,5 |
| 0,5 | 999,5 | 0,25 | 0,25 |
| 0,1 | 999,70 | 0,15 | 0,10 |
A.2.10. Hiệu chuẩn
A.2.10.1. Lắp đặt sắc ký ion theo sự hướng dẫn của nhà sản xuất. Không cho sẵn các thông số cụ thể vì các thiết bị khác nhau sẽ đòi hỏi các chất rửa giải, điều kiện lưu lượng và cài đặt thiết bị khác nhau. Hiệu chuẩn sắc ký ion với ít nhất năm mức sulfat và clorua, bắt đầu từ gần sát, nhưng trên giới hạn phát hiện nhỏ nhất, tiếp theo xác định tiếp dải làm việc trong mẫu sẽ phân tích. Nồng độ của dung dịch hiệu chuẩn phải chặn trên, chặn dưới dải dự kiến đối với các mẫu được phân tích. Một hoặc nhiều hơn các chất chuẩn dài trung bình được sử dụng để xác nhận độ tuyến tính của đường hiệu chuẩn.
A.2.10.1.1. Điều kiện sắc ký ion đặc trưng:
Lưu lượng: 0,7 mL/phút (cc/min)
Dòng ức chế: 0,5 mL/phút đến 1,0 mL/phút
Lượng mẫu: 20 mL
Có thể sử dụng điều kiện phân tích khác theo hướng dẫn của nhà sản xuất. Điều quan trọng là kết quả sắc ký đồ có chứa các pic clorua và sulfat với sự phân chia đường nền như trên Hình A.2.1. Các anion khác với nồng độ đáng kể có thể ảnh hưởng đến phép đo clorua và sulfat.
CHÚ THÍCH A 2.4 Thể tích mẫu sẽ thay đổi theo dung tích cột, độ nhạy và các yếu tố khác. Xem sổ tay hướng dẫn thiết bị sắc ký ion và thông tin về cột đối với các chi tiết máy đặc biệt.
A.2.10.1.2. Chỉ thiết lập đường cong phân tích tại một thang đo detector đã đặt để ngăn ngừa sự thay đổi độ dốc gây ảnh hưởng đường cong phân tích.
A.2.10.2. Biểu đồ hiệu chuẩn phân tích phải được kiểm tra xác nhận hằng ngày hoặc bất kỳ khi nào chạy mẫu; trước khi phân tích mẫu phải kiểm tra độ phân giải của hệ thống, hiệu chuẩn và độ nhạy như là một phần của quá trình kiểm tra chất lượng (xem A.2.14).
A.2.10.3. Biểu đồ hiệu chuẩn sulfat và clorua nên thực hiện lại sau bất kỳ sự thay đổi dung dịch rửa giải sắc ký ion theo A.2.8.3, để thiết lập lại thời gian lưu ion và độ phân giải.
A.2.10.4. Phép đo các chất chuẩn hiệu chuẩn. Bơm 20 mL mỗi dung dịch hiệu chuẩn A.2.9.2 vào sắc ký ion, và tính diện tích của các pic tương ứng với các ion sulfat và clorua. Thông thường, mỗi một mẫu bơm một lần là đủ. Nhưng sau mỗi 10 mẫu, cần thực hiện hai phép đo cho mỗi dung dịch, và tính giá trị trung bình diện tích pic. Hai phép đo phải trong phạm vi 20 % của nhau. Sắc ký ion của dung dịch hiệu chuẩn 1 mg/kg được nêu trong Hình A.2.1 (các anion khác sẽ rửa giải như đã nêu, nếu có).
A.2.10.5. Xây dựng biểu đồ hiệu chuẩn sulfat và clorua bằng cách tính diện tích pic tương ứng với nồng độ ion sulfat và clorua. Sử dụng hồi qui tuyến tính để xác định đường hiệu chuẩn thẳng nhất, các đồ thị phải có một hệ số tương quan bình phương tối thiểu tuyến tính là 0,99 hoặc lớn hơn. xem Hình A.2.2 và A.2.3. Hệ số tương ứng cho mỗi ion, Rf, là độ dốc của đường thẳng đồ thị hiệu chuẩn, tính bằng mg/kg/số đếm diện tích.
CHÚ THÍCH A 2.5 Nếu đồ thị của các giá trị diện tích pic tương ứng với nồng độ ion là không tuyến tính (hệ số tương quan phải ít nhất là 0,99), phải kiểm tra sai số của qui trình, nếu cần, hiệu chuẩn lại bắt đầu từ A.2.9.
|
|
|
| Hình A.2.2 - Đồ thị hiệu chuẩn clorua điển hình | Hình A.2.3 - Đồ thị hiệu chuẩn sulfat điển hình |
A.2.11. Cách tiến hành
A.2.11.1. Lấy mẫu theo TCVN 6777 (ASTM D 4057) hoặc ASTM D 4177 Mẫu phải được trộn đều để đảm bảo đồng nhất. Lấy mẫu đại diện để phân tích. Mẫu được chứa vào bình có nắp kín khít (thường là bình polyetylen) để tránh bay hơi etanol. Bình chứa mẫu không được chứa cặn lắng sulfat. Nếu bình chứa đã được rửa sạch bằng nước, trước khi sử dụng phải rửa bằng nước cất loại lI và làm khô.
A.2.11.2. Trộn kỹ mẫu trong bình chứa ngay trước khi lấy ra làm mẫu phân tích.
A.2.11.3. Xác định giá trị mẫu trắng bằng cách phân tích mẫu etanol biến tính được dùng để pha các mẫu chuẩn theo qui trình nêu trong A.2.11.6 đến A.2.11.8.
A.2.11.4. Cài đặt sắc ký ion theo hướng dẫn của nhà sản xuất.
A.2.11.5. Cân bằng hệ thống bằng cách bơm chất rửa giải từ 15 phút đến 30 phút, cho đến khi nhận được đường nền ổn định.
A.2.11.6. Bắt đầu chạy sắc ký ion theo hướng dẫn của nhà sản xuất.
A.2.11.7. Bơm trực tiếp 20 mL mẫu etanol vào sắc ký ion, và đo diện tích pic tương ứng với anion của ion phân tích.
A.2.11.7.1. Đối với hầu hết các mẫu, bơm một lần là đủ. Tuy nhiên đối với mẫu thứ mười, thực hiện hai lần bơm và tính giá trị trung bình diện tích của pic tương ứng với các ion clorua và sulfat. Hai số đo diện tích phải trong phạm vi 20 % của nhau. Nếu các diện tích khác nhau nhiều hơn 20 %, dừng chạy mẫu, cho đến khi có thể đạt được độ lặp lại ít nhất 20 % diện tích.
A.2.11.8. Nếu nồng độ của anion đang phân tích vượt quá nồng độ của dung dịch hiệu chuẩn cao nhất, thì pha loãng dung dịch mẫu bằng etanol biến tính thích hợp, và lặp lại phép đo. Lấy hệ số pha loãng trong phép tính nồng độ sulfat trong mẫu etanol, và tính hệ số pha loãng theo công thức A.2-5.
F=Vf/Vi (A.2.5)
trong đó
F là hệ số pha loãng;
Vf là thể tích của mẫu ban đầu được pha loãng, mL; và
Vi là thể tích của dung dịch cuối cùng, mL.
A.2.12. Tính toán kết quả
A.2.12.1. Nồng độ sulfat và clorua trong mẫu etanoi; tính bằng mg/kg (µg/g), được tính theo công thức A.2.6.
C = A x Rf (A.2.6)
trong đó
C là nồng độ anion trong mẫu etanol, tính bằng mg/kg;
A là diện tích pic anion, từ sắc ký đồ ion trong A.2.11.7, số đếm, và
Rf là hệ số tương quan đồ thị hiệu chuẩn từ A.2.10.5, tính bằng mg/kg/số đếm.
A.2.12.2. Đơn vị mg/kg (khối lượng) có thể đổi sang mg/L (thể tích) bằng cách dùng khối lượng riêng của cùng etanol biến tính có mặt trong mẫu, như trong công thức A.2.7. Khối lượng riêng của etanol biến tính có thể được đo theo phương pháp ASTM D 4052.
Sulfat (mg/L) = Sulfat (mg/kg) x D (A.2.7)
trong đó
D là khối lượng riêng của etanol biến tính, tính bằng g/mL.
A.2.13. Báo cáo
A.2.13.1. Báo cáo kết quả nồng độ clorua và sulfat chính xác đến 0,1 mg/kg trên toàn dải từ 0,5 mg/kg đến 50 mg/kg.
A.2.14. Kiểm soát chất lượng
A.2.14.1. Kiểm tra, xác nhận tính năng của thiết bị hoặc qui trình thử bằng phép phân tích một hoặc nhiều mẫu kiểm tra chất lượng sau mỗi lần hiệu chuẩn và ít nhất sau mỗi ngày sử dụng. Ví dụ, một mẫu kiểm tra tốt có thể là một mẫu etanol đại diện đơn lẻ (xem B.1.1.5), được phân tích lặp đi lặp lại theo các qui trình trong A.2.11.2 - A.2.11.7. Những kết quả này được ghi trong biểu đồ kiểm soát để kiểm tra tính ổn định về mặt thống kê của hệ thống, như trong B.1.1.3.
A.2.14.1.1. Khi đã có các tài liệu về kiểm soát chất lượng QC/ Đảm bảo chất lượng (QA) cho các điều kiện thử nghiệm, thì có thể sử dụng các tài liệu này để khẳng định độ tin cậy của kết quả thử.
A.2.14.1.2. Nếu không có các tài liệu QC/QA cho điều kiện thử nghiệm. Phụ lục B.1 có thể được áp dụng như là hệ thống QC/QA.
A.2.15. Độ chụm và độ chệch
A.2.15.1. Độ chụm - Các đánh giá độ chụm nêu dưới đây nhận được từ một phòng thử nghiệm tiến hành thử các mẫu bảy lần như đã nêu trong Bảng A.2.2 trong cùng một ngày, do cùng một người phân tích và trên cùng một thiết bị.
A.2.15.2. Độ lặp lại - Độ lặp lại đầy đủ áp dụng cho phương pháp này sẽ được tính toán sau khi có kết quả nghiên cứu liên phòng.
A.2.15.3. Độ tái lập - Không có sẵn các dữ liệu cho việc công bố độ tái lập. Độ tái lập sẽ được tính toán từ chương trình thử nghiệm liên phòng.
A.2.15.4. Độ chệch - Vì không có sẵn vật liệu chuẩn được chứng nhận với giá trị đã biết của sulfat và clorua trong etanol, nên không xác định được độ chệch của phương pháp này.
Bảng A.2.2 - Độ chụm của phương pháp
|
| Clorua, mg/kg | Sulfat, mg/kg | ||
| Giá trị thực | 0,76 | 9,99 | 0,75 | 10,04 |
| Trung bình | 0,75 | 10,17 | 0,77 | 9,97 |
| Độ lệch chuẩn | 0,017 | 0,089 | 0,007 | 0,019 |
| RSD(%) | 2,32 | 0,88 | 0,94 | 0,19 |
A.3. Phương pháp xác định sulfat và clorua vô cơ trong etanol bằng sắc ký ion sử dụng bơm mẫu nước
A.3.1. Phạm vi áp dụng
A.3.1.1. Phương pháp này mô tả qui trình sắc ký ion để xác định hàm lượng clorua và sulfat vô cơ của etanol biến tính khan và ngậm nước. Phương pháp này áp dụng phân tích mẫu etanol (đặc biệt là etanol đáp ứng tiêu chuẩn này) có chứa ion clorua vô cơ từ 0,5 mg/kg đến 50 mg/kg và ion sulfat vô cơ từ 0,5 mg/kg đến 20 mg/kg. Mẫu etanol được bay hơi đến khô cạn và hoàn nguyên trong nước để bơm vào sắc ký ion.
A.3.1.2. Sự rửa giải đồng thời của các ion khác có thể ảnh hưởng đến việc xác định sulfat và clorua. Để tránh ảnh hưởng này cần phải phân tích thêm ion đang xác định.
A.3.1.3. Các giá trị tính bằng đơn vị Sl. Các giá trị ghi trong ngoặc đơn dùng để tham khảo.
A.3.1.4. Tiêu chuẩn này không đề cập đến tất cả các vấn đề liên quan đến an toàn khi sử dụng. Người sử dụng tiêu chuẩn này có trách nhiệm thiết lập các nguyên tắc về an toàn và bảo vệ sức khỏe cũng như khả năng áp dụng phù hợp với các giới hạn quy định trước khi đưa vào sử dụng. Trước khi sử dụng phải xem xét tính độc hại của các thuốc thử và vật liệu (xem TCVN 5507).
A.3.2. Tài liệu viện dẫn
Các tài liệu viện dẫn sau đây là rất cần thiết khi áp dụng tiêu chuẩn này. Đối với các tài liệu viện dẫn ghi năm ban hành thì áp dụng bản được nêu. Đối với các tài liệu viện dẫn không ghi năm ban hành thì áp dụng phiên bản mới nhất, bao gồm cả các bản sửa đổi (nếu có).
TCVN 5507 Hóa chất nguy hiểm - Qui phạm an toàn trong sản xuất, kinh doanh, sử dụng, bảo quản và vận chuyển.
ASTM D 4177 Practice for automatic sampling of petroleum and petroleum products (Phương pháp lấy mẫu tự động dầu mỏ và các sản phẩm dầu mỏ).
ASTM D 5827 Test method for analysis of engine coolant for chloride and other anions by ion chromatography (Phương pháp phân tích clorua và các anion khác trong chất lỏng làm mát động cơ bằng sắc ký ion).
ASTM D 6299 Practice for applying statistical quality assurance techniques to evaluate analytical measurement system performance (Phương pháp áp dụng kỹ thuật thống kê bảo đảm chất lượng để đánh giá tính năng của hệ thống phân tích).
ASTM D 6792 Guide for quality system in petroleum products and lubricants testing laboratories (Hướng dẫn hệ thống chất lượng trong phòng thử nghiệm sản phẩm dầu mỏ và chất bôi trơn).
A.3.3. Thuật ngữ, định nghĩa
A.3.3.1. Định nghĩa
A.3.3.1.1. Sulfat vô cơ (inorganic sulfate)
Gốc sulfat (SO4--) có mặt như axit sulfuric, muối ion của axit này, hoặc hỗn hợp của cả hai.
A.3.3.1.2. Clorua vô cơ (inorganic chloride)
Gốc clorua (Cl-) có mặt như axit hydrocloric, muối ion của axit này, hoặc hỗn hợp của cả hai.
A.3.4. Tóm tắt phương pháp
A.3.4.1. Cân một lượng nhỏ mẫu etanol và cho bay hơi đến khô bằng một thiết bị gia nhiệt và có dòng nitơ thổi vào mẫu. Cặn lắng được hòa tan trong nước khử ion loại II. Dung dịch này được bơm vào sắc ký ion bao gồm cột trao đổi ion thích hợp, thiết bị ức chế và cho vào detector dẫn điện.
Các ion được tách dựa trên sự khác biệt giữa ái lực của ion với vị trí trao đổi của nhựa đối với ái lực của nhựa với chất rửa giải. Thiết bị ức chế làm tăng độ nhạy của phương pháp do vừa tăng độ dẫn điện của chất phân tích và vừa giảm độ dẫn điện của chất rửa giải. Thiết bị ức chế chuyển đổi chất rửa giải và chất phân tích thành dạng hydro axit tương ứng. Các anion trong mẫu nước được định lượng bằng tích phân cảm ứng so với đường hiệu chuẩn ngoài, đối với mỗi ion được tính theo mg/L, hoặc có thể chuyển đổi thành khối lượng dựa trên đơn vị đang sử dụng khối lượng ban đầu của mẫu etanol, và được báo cáo là mg/kg. Các dung dịch hiệu chuẩn được chuẩn bị từ những muối thích hợp hòa tan trong dung dịch nước.
A.3.5. Ý nghĩa và sử dụng
A.3.5.1. Etanol được sử dụng làm tác nhân pha trộn trong xăng. Sulfat được tìm thấy trong cặn lắng bộ lọc bugi và cặn lắng bộ phun nhiên liệu. Việc chấp nhận sử dụng etanol phụ thuộc vào hàm lượng sulfat và clorua.
A.3.5.2. Hàm lượng sulfat và clorua, được đo theo phương pháp thử này, có thể được sử dụng làm phép đo khả năng chấp nhận etanol dùng cho nhiên liệu động cơ đánh lửa phù hợp với ASTM D 4806.
A.3.6. Các ảnh hưởng
A.3.6.1. Các ảnh hưởng có thể do các chất có cùng thời gian lưu sắc ký ion, đặc biệt nếu chúng có nồng độ cao so với chất cần phân tích. Có thể pha loãng mẫu để giảm thiểu các ảnh hưởng.
A.3.6.2. Vùng lõm nước (khoảng trống hệ thống, pic âm như trên Hình A 3.1) có thể gây ảnh hưởng đến một số máy phân tích. Vùng lõm có thể được loại bỏ bằng cách pha loãng với chất rửa giải. Thông thường, đối với phép xác định clorua và sulfat, vùng lõm nước không gây cản trở vì các pic clorua và sulfat cách xa vùng lõm nước.
A.3.6.3. Lượng vết clorua và sulfat được xác định trong phương pháp này, có thể bị ảnh hưởng do sự nhiễm bẩn từ dụng cụ thủy tinh, chất rửa giải, thuốc thử, v.v... Phải cẩn thận để đảm bảo rằng sự nhiễm bẩn ở mức thấp nhất có thể. Găng tay cao su hoặc găng tay không có xơ vải được khuyên dùng để tránh nhiễm bẩn.
A.3.6.4. Bắt buộc phải rửa trước các bình chứa chuẩn bị mẫu bằng nước khử ion.
A.3.7. Thiết bị, dụng cụ
A.3.7.1. Cân phân tích, có khả năng cân đến 2 000 g, với độ chính xác đến 0.01 g
A.3.7.1.1. Cân phân tích, có khả năng cân đến 100 g, với độ chính xác đến 0,000 1 g.
A.3.7.2. Tủ sấy, được điều khiển đến 110 °C ± 5 °C để sấy natri sulfat và natri clorua.
A.3.7.3. Bình hút ẩm, có chứa silica gel mới được hoạt hóa (hoặc chất hút ẩm tương đương) với chất chỉ thị hàm lượng ẩm
A.3.7.4. Pipet hoặc dụng cụ chuyển thể tích - Pipet thủy tinh Loại A hoặc loại tương đương dung tích 2,0 mL hoặc pipet tự động được gắn với đầu polyetylen dùng một lần.
A.3.7.4.1. Xy lanh nhựa, loại 10 mL, dùng một lần, không bắt buộc lắp với xy lanh lọc loại 0,2 µm (phải không có clorua và sulfat).
A.3.7.5. Lọ thủy tinh, nhỏ có nắp vặn, dung tích 15 mL.
A.3.7.6. Khối gia nhiệt, có khả năng đỡ lọ thủy tinh 15 mL và gia nhiệt đến 65 °C.
A.3.7.6.1. Khí nitơ, có độ tinh khiết cao.
A.3.7.7. Bình định mức - Loại A, dung tích 1 L.
A.3.7.8. Máy sắc ký ion - Hệ thống phân tích cùng tất cả các phụ tùng cần thiết bao gồm xy lanh, cột, thiết bị ức chế, khí và detector. Nếu có thể thì nên dùng bơm 2 kênh chất rửa giải để nâng cao tuổi thọ và tính năng của cột.
A.3.7.8.1. Hệ thống phun, có khả năng truyền 25 µl với độ chính xác tốt hơn 1 %.
A.3.7.8.2. Hệ thống bơm, có khả năng truyền lưu lượng pha động giữa 0,5 mL/phút và 1,5 ml/phút với độ chính xác cao hơn 5 %.
A.3.7.8.3. Cột bảo vệ, dùng để bảo vệ cột phân tích khỏi các thành phần bị lưu giữ mạnh. Các đĩa lý thuyết phụ trợ giúp cho việc tách tốt hơn.
A.3.7.8.4. Cột tách anion, có khả năng tách tốt chất phân tích (xem Hình A.3.1).
A.3.7.8.5. Thiết bị ức chế anion, thiết bị ức chế màng micro hoặc tương đương. Cột trao đổi cation trong dạng hydro đã được sử dụng thành công, nhưng đòi hỏi cần phải phục hồi theo chu kỳ. Điều này được chỉ ra bởi độ dẫn của nền cao và pic phân tích thấp.
A.3.7.8.6. Detector dẫn điện, dung tích nhỏ (< 2 µL) và lưu lượng thấp, nhiệt độ được bù, có khả năng đo ít nhất từ 0 µS/cm đến 1 000 µS/cm trên thang đo.
A.3.7.8.7. Phần mềm tích phân hoặc hệ thống dữ liệu sắc ký, có khả năng đo diện tích pic và thời gian lưu, và hiệu chỉnh dữ liệu phù hợp đường nền sắc ký đồ.
A.3.7.9. Găng tay, loại cao su hoặc không có xơ vải.
A.3.8. Thuốc thử
A.3.8.1. Độ tinh khiết của thuốc thử - sử dụng các hóa chất cấp thuốc thử hoặc tinh khiết cao để chuẩn bị tất cả các mẫu, các dung dịch chuẩn, chất rửa giải và dung dịch tái chế. Trừ khi có qui định khác, tất cả các thuốc thử phù hợp với qui định hiện hành. Có thể sử dụng cấp khác, với điều kiện là khi sử dụng không giảm độ chính xác của phép xác định.
A.3.8.2. Độ tinh khiết của nước, trừ khi có qui định khác, nước phải được hiểu là nước cấp thuốc thử như đã qui định loại II trong ASTM D 1193. Nước phải phù hợp với tất cả thiết bị sắc ký ion và các yêu cầu của cột (ví dụ, lọc, khử khí, vv) để chuẩn bị và bảo quản chất rửa giải.
A.3.8.3. Dung dịch gốc đệm rửa giải, natri bicacbonat (NaHCO3) 1,5 mM và natri cacbonat (Na2CO3) 1,2 mM. Hòa tan 2.5203 g ± 0,000 5 g NaHCO3 và 2,5438 g ± 0,000 5 g Na2CO3 vào nước thuốc thử trong bình định mức 1 L loại A và pha loãng đến thể tích. Pha loãng 100,0 ml dung dịch gốc này đến 2 L trong bình định mức 2 L Loại A bằng nước cấp thuốc thử đã khử khí. pH của dung dịch gốc là 10,1 đến 10,3. Dung dịch rửa giải được sử dụng có thể khác nhau nêu sử dụng hệ thống hoặc cột phân tích khác.
CHÚ THÍCH A.3 1 Thể tích khác của dung dịch gốc có thể được chuẩn bị bằng cách sử dụng tỷ lệ thuốc thử thích hợp. Theo hướng dẫn riêng đối với dung dịch nay từ nhà cung cấp cột đang được sử dụng.
A.3.8.4. Dung dịch ức chế cho thiết bị ức chế màng - axit sulfuric 0,025 N. Thêm cẩn thận 13,7 mL axit sulfuric cấp tinh khiết thuốc thử (khối lượng riêng tương đối 1,84) vào khoảng 500 mL nước cấp thuốc thử trong bình định mức 1 L. (Cảnh báo - Việc này sẽ làm cho dung dịch rất nóng. Để dung dịch nguội trước khi pha loãng đến thể tích 1 000 mL.Không được cho nước vào axit đậm đặc). Pha loãng đến 1 000 mL bằng nước, ghi nhãn dung dịch là axit sulfuric 0,50 N. Pha loãng 100 mL nồng độ này đến 2 000 mL bằng nước cấp thuốc thử để có dung dịch ức chế làm việc cuối cùng.
CHÚ THÍCH A.3.1. Có thể chuẩn bị các thể tích khác cho dung dịch gốc, sử dụng tỷ lệ thuốc thử thích hợp. Đối với dung dịch cột bán sẵn đang sử dụng, phải theo hướng dẫn cho từng loại.
A.3.8.5. Nairi sulfat, khan, cấp thuốc thử, độ tinh khiết tối thiểu 99 %. (Cảnh báo - Không được nuốt; tránh tiếp xúc nếu không cần thiết).
A.3.8.6. Natri clorua, cấp thuốc thử, độ tinh khiết tối thiểu 99 %.
A.3.8.7. Etanol, biến tính với metanol, hoặc etanol dùng cho y học, khan, biến tính với etyl axetat, metylisobutyl keton và hydrocacbon naphta. (Cảnh báo - Dễ cháy; độc; có thể gây hại hoặc chết nếu nuốt phải hoặc hít vào; tránh tiếp xúc với da).
A.3.9 Chuẩn bị dung dịch tiêu chuẩn
A.3.9.1 Dung dịch gốc
A.3.9.1.1. Dung dịch gốc sulfat , 2 000 mg/L - Để đảm bảo khô, cần cho natri sulfat khan (5 g) vào lò sấy ở 110 °C ít nhất trong một giờ, để nguội và giữ trong bình hút ẩm. Cân 2,95 g natri sulfat khan, chính xác đến một phần mười của miligam và chuyển vào bình định mức 1 lit. Thêm nước loại II để hòa tan natri sulfat và pha đến thể tích. Tính nồng độ sulfat trong dung dịch theo công thức A.3.1.
Thể tích khác của dung dịch gốc có thể được chuẩn bị bằng cách sử dụng tỷ lệ thuốc thử thích hợp.
Gốc sulfat (mg/l) = (g Na2SO4) (0.6764) (1 000 mg/g) / L (A.3.1)
trong đó
g Na2SO4, là khối lượng tính bằng gam của Na2SO4, được hòa tan trong 1 L, và
0,6764 là phần trăm khối lượng sulfat trong Na2SO4.
A.3.9.1.2. Dung dịch gốc clorua, 2 000 mg/L - Để đảm bảo khô, cần cho natri clorua (5 g) vào lò sấy là 110 °C ít nhất trong một giờ, để nguội và giữ trong bình hút ẩm. Cân 3,296 g natri clorua, chính xác đến một phần mười của miligam và chuyển vào bình định mức 1 L. Thêm nước loại II để hòa tan natri clorua và pha đến thể tích. Tính nồng độ clorua trong dung dịch theo công thức A.3.2. Thể tích khác của dung dịch gốc có thể được chuẩn bị bằng cách sử dụng tỷ lệ thuốc thử thích hợp
Gốc clorua (mg/L) = (g NaCI) (0,6068) (1 000 mg/g) /L (A.3.2)
trong đó
g NaCI là khối lượng tính bằng gam của NaCI được hòa tan trong 1 L, và
0,6068 là phần trăm khối lượng clorua trong NaCI.
A.3.9.2. Dung dịch chuẩn clorua và sulfat trong nước - Để đạt được tiêu chuẩn mong muốn, cho nước loại II, dung dịch clorua và sulfat gốc vào bình định mức thủy tinh 1 L, theo Bảng A.3.1. Dung dịch tiêu chuẩn này nên loại bỏ và pha lại hàng tháng.
Bảng A.3.1 - Chuẩn bị thể tích dung dịch tiêu chuẩn clorua và sulfat trong nước loại II
| Dung dịch tiêu chuẩn clorua và sulfat mg clorua và sulfat/lít nước | Dung dịch gốc clorua mL | Dung dịch gốc sulfat ml |
| chỉ 50 Cl- | 25 | - |
| 20 | 10 | 10 |
| 10 | 5 | 5 |
| 5 | 2,5 | 2,5 |
| 1 | 0,5 | 0,5 |
| 0,5 | 0,25 | 0,25 |
| 0,3 | 0,15 | 0,15 |
A.3.9.2.1. Cho định lượng dung dịch gốc clorua và sulfat (A.3.9.1) vào bình định mức trộn theo định lượng bằng nước loại II phù hợp qui định với Bảng A.3.1. Cẩn thận đo thể tích chính xác của các dung dịch gốc clorua và sulfat được thêm vào bình định mức, và dùng nước loại II thêm vào bình đến 1,00 lít Nồng độ clorua và sulfat của mỗi tiêu chuẩn được tính theo công thức A.3.3 và A.3.4.
Sulfat trong tiêu chuẩn (mg/Lít) = Va x Ca / V (A.3.3)
Clorua trong tiêu chuẩn (mg/Lít) = Vb x Cb / V (A.3.4)
trong đó
Va là thể tích của dung dịch gốc sulfat (A.3.9.1.1), tính bằng mL;
Ca là nồng độ của gốc sulfat (công thức A.3.1), tính bằng mg/L;
Vb là thể tích của dung dịch gốc clorua (A.3.9.1.2), tính bằng mL;
Cb là nồng độ của gốc clorua (công thức A.3.2), tính bằng mg/L; và
V là thể tích cuối cùng của dung dịch tiêu chuẩn, tính bằng L.
A.3.9.2.2. Có thể sử dụng bội số hay phân số của các giá trị Bảng A.3.1 để chuẩn bị các thể tích tiêu chuẩn khác nhau, nhưng vẫn sử dụng công thức A.3.3 và A.3.4 để tính nồng độ ion tiêu chuẩn
CHÚ THÍCH A.3.3. Cách khác, có thể sử dụng dung dịch hiệu chuẩn gốc thương phẩm bán sẵn, với điều kiện là dung dịch dẫn xuất của dung dịch gốc ban đầu hoặc là vật tiêu chuẩn được chứng nhận và không có các chất phân tích khác.
A.3.10. Hiệu chuẩn
A.3.10.1. Lắp đặt sắc ký ion theo hướng dẫn của nhà sản xuất. Không cho sẵn các thông số cụ thể vì các thiết bị khác nhau sẽ đòi hỏi các chất rửa giải, điều kiện lưu lượng và cài đặt thiết bị khác nhau. Hiệu chuẩn sắc ký ion với ít nhất năm mức sulfat và clorua, bắt đầu gần sát, nhưng trên giới hạn phát hiện nhỏ nhất, và xác định tiếp dải làm việc trong mẫu thường xuyên được phân tích. Nồng độ của dung dịch hiệu chuẩn phải chặn trên, chặn dưới dải dự kiến đối với các mẫu được phân tích. Một hoặc nhiều hơn các chất chuẩn dài trung bình được sử dụng để xác nhận độ tuyến tính của đường hiệu chuẩn.
A.2.10.1.1. Điều kiện sắc ký ion đặc trưng:
Lưu lượng - 2 mL/phút (cc/min)
Dòng ức chế: 2 mL/phút (cc/min)
Lượng mẫu: 50 ml
Có thể sử dụng điều kiện phân tích khác theo hướng dẫn của nhà sản xuất. Điều quan trọng là kết quả sắc ký đồ có chứa các pic clorua và sulfat với sự phân chia đường nền như trên Hình A.3.1. Các anion khác với nồng độ đáng kể có thể ảnh hưởng đến phép đo clorua và sulfat.
CHÚ THÍCH A.3.4 Thể tích mẫu sẽ thay đổi theo dung tích cột, độ nhạy và các yếu tố khác. Xem sổ tay hướng dẫn thiết bị sắc ký ion và thông tin về cột đối với các chi tiết máy đặc biệt.

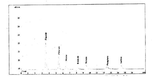
Hình A.3.1 - Sắc ký ion điển hình của dung dịch chứa 5 mg/kg clorua, phosphat, sulfat
A.3.10.1.2. Đường hiệu chuẩn phân tích phải được thiết lập chỉ ở một thang đo detector được cài đặt để ngăn ngừa thay đổi độ dốc ảnh hưởng đường cong phân tích
A.3.10.2. Đồ thị hiệu chuẩn phân tích phải được kiểm tra xác nhận hằng ngày hoặc khi chạy mẫu., Trước khi phân tích mẫu phải kiểm tra hệ thống phân giải, hiệu chuẩn và độ nhạy như một phần của quá trình kiểm tra chất lượng (xem A.3.14).
A.3.10.3. Đồ thị hiệu chuẩn sulfat và clorua nên lập lại sau bất kỳ sự thay đổi nào dung dịch rửa giải sắc ký ion theo A.3.8.3, để thiết lập lại thời gian tựu và độ phân giải.
A.3.10.4. Cách đo các dung dịch chuẩn hiệu chuẩn: Bơm 25 µL mỗi dung dịch hiệu chuẩn A.3.9.2 vào sắc ký ion, và tính diện tích các pic tương ứng với các ion sulfat và clorua. Sắc ký đồ ion của dung dịch hiệu chuẩn sulfat và clorua 5 mg/L trong nước được nêu trong Hình A.3.1.
A.3.10.5. Xây dựng đồ thị hiệu chuẩn từ phép đo diện tích pic bằng cách vẽ số đếm diện tích pic tương ứng với nồng độ ion sulfat và clorua sử dụng hồi qui tuyến tính để xác định đường hiệu chuẩn thẳng nhất, các đồ thị có một hệ số tương quan bình phương tối thiểu tuyến tính là 0,99 hoặc lớn hơn, xem Hình A.3.2 và A.3.3. Hệ số tín hiệu cho mỗi ion, Rf, là độ dốc của đường thẳng đồ thị hiệu chuẩn, tính bằng mg/L/số diện tích.
CHÚ THÍCH A.3 5 Nếu đồ thị của giá trị diện tích pic có hệ số bình phương tối thiểu nhỏ hơn 0,99, thiết bị và các dung dịch hiệu chuẩn phải được kiểm tra sai số, và nếu cần, qui trình hiệu chuẩn phải được lắp lại bắt đầu từ A.3.9.
A.3.11. Cách tiến hành
A.3.11.1. Lấy mẫu theo ASTM D 4057 hoặc ASTM D 4177. Mẫu phải được trộn đều, đảm bảo đồng nhất. Lấy mẫu đại diện để phân tích. Mẫu nên lấy vào bình chứa (tốt nhất là bình bằng polyetylen), gắn kín tốt để tránh sự bay hơi etanol. Bình chứa mẫu không được chứa cặn lắng sulfat hoặc clorua. Nếu bình chứa đã được rửa sạch bằng nước, trước khi sử dụng phải rửa bằng nước loại II và làm khô.
A.3.11.2. Trộn kỹ mẫu trong bình chứa ngay trước khi lấy ra làm mẫu phân tích.
A.3.11.3. Cho khoảng 2 mL mẫu thử etanol vào lọ thủy tinh 15 mL sạch, khô, đã trừ bì không vặn nắp kín. Cân khối lượng mẫu thử chính xác đến 0,0001 g và ghi khối lượng này là We.
CHÚ THÍCH A.3.6 Không chạm ngón tay trần vào lọ thủy tinh đã cân sử dụng găng tay không vải xơ hoặc kẹp
A.3.11.4. Đặt lọ thủy tinh có mẫu lên khối nóng 65 °C và thổi đều đều một dòng nitơ vào mẫu. Để mẫu khô hoàn toàn, mất khoảng 5 phút đến 10 phút. Khi đã hết tất cả chất lỏng, chuyển lọ thủy tinh ra khỏi khối nóng và để nguội ở nhiệt độ phòng (60 °F - 80 °F).
A.3.11.5. Cẩn thận cho 2,00 mL nước loại II vào mẫu đã khô. Thể tích này được ghi là Vw. Gắn kín lọ thủy tinh bằng nắp vặn, và lắc lọ từ từ để hòa tan tất cả các muối dạng rắn.
A.3.11.5.1. Lặp lại từ A.3.11.2 đến A.3.11.3 đối với tất cả các mẫu phân tích.
CHÚ THÍCH A.3 7. Có thể còn cặn dầu nhẹ từ chất biến tính etanol. Không quan tâm về cặn này nếu nó là màng mỏng, vì sulfua hoặc clorua trong đó sẽ được chiết vào pha nước. Nếu có nhiều cặn, trước khi cho nước vào, không đun sôi mẫu thử mới cho đến khô.
A.3.11.6. Lắp đặt sắc ký ion theo hướng dẫn của nhà sản xuất.
A.3.11.7. Cân bằng hệ thống bằng cách bơm chất rửa giải từ 15 phút đến 30 phút, cho đến khi nhận được đường nền ổn định.
A.3.11.8. Bắt đầu chạy sắc ký theo hướng dẫn của nhà sản xuất.
A.3.11.9. Bơm 25 mL dung dịch mẫu A.3.11.5 vào sắc ký, và đo diện tích các pic tương ứng với các ion clorua và sulfat.
A.3.11.9.1. Đối với hầu hết các mẫu, bơm mẫu một lần là đủ. Tuy nhiên đối với mỗi mẫu thứ mười , thực hiện hai lần bơm và tính giá trị trung bình của pic tương ứng với các ion clorua và sulfat. Hai phép đo diện tích pic phải trong phạm vi 20 % của nhau. Nếu các diện tích khác nhau nhiều hơn 20 %, thì không tiếp tục mẫu đang chạy, cho đến khi có thể đạt được lặp lại ít nhất 20 % diện tích.
A.3.11.10. Nếu diện tích pic của mẫu sulfat hoặc clorua vượt quá dung dịch hiệu chuẩn ion cao nhất, chuẩn bị mẫu mới trong A.3.11.3, sử dụng ít hơn 2 mL mẫu và phân tích lại.
A.3.12. Tính toán kết quả
A.3.12.1. Nồng độ sulfat và clorua trong mẫu etanol ban đầu, tính bằng mg/kg (µg/g), được tính theo công thức A.3.5.
C = (A x Rf) x (Vw l We) (A.3.5)
trong đó
C là nồng độ anion trong mẫu etanol ban đầu, tính bằng mg/kg;
A là diện tích pic anion, từ sắc ký đồ ion trong A.3.11.9, tình bằng số đếm;
Rf là hệ số tín hiệu đồ thị hiệu chuẩn từ A.3.10.5, tính bằng mg/L/số đếm;
We là khối lượng của mẫu etanol ban đầu từ A.3.11.3, tình bằng g và
Vw là thể tích nước được cho vào trong A.3.11.5, tính bằng mL.
A.3.13. Báo cáo
A.3.13.1. Báo cáo kết quả nồng độ clorua và sulfat chính xác đến 0.1 mg/kg trên toàn dải từ 0,5 µg/kg đến 50 µg/kg.
Hiệu chuẩn sulfat của phương pháp sắc ký ion

Diện tích pic sulfat
Hình A.3.2 - Đồ thị hiệu chuẩn sulfat điển hình
Hiệu chuẩn clorua của phương pháp sắc ký ion

Diện tích
Hình A.3.3 - Đồ thị hiệu chuẩn clorua điển hình
A.3.14. Kiểm soát chất lượng
A.3.14.1. Xác nhận tính năng của thiết bị hoặc qui trình thử bằng phép phân tích một hoặc nhiều mẫu kiểm tra chất lượng sau mỗi lần hiệu chuẩn và ít nhất sau mỗi ngày sử dụng. Ví dụ, một mẫu kiểm tra tốt có thể là một mẫu etanol đại diện đơn lẻ (xem B.1.1.5), được phân tích lặp đi lặp lại theo các qui trình trong A.3.11 2 - A.3.11.9. Những kết quả này được ghi trong biểu đồ kiểm soát để kiểm tra hệ thống về độ ổn định thống kê, như trong B.1.1.3.
A.3.14.1.1. Các mẫu kiểm tra có thể được chuẩn bị trong etanol. Cho một lượng gốc sulfat và clorua trong nước vào etanol tinh khiết hoặc biến tính theo Bảng A.3.2 và khối lượng tổng của dung dịch etanol được ghi lại là W. Nồng độ ion được tính theo công thức A.3.6 và A.3.7. Sau đó mẫu kiểm tra trong Bảng A.3.2 được phân tích theo các qui trình trong A.3.11.2 - A.3.11.9. Các kết quả này được ghi lại trong biểu đổ kiểm soát để kiểm tra hệ thống về độ ổn định thống kê, như trong B.1.1.3.
Etanolic sulfat trong tiêu chuẩn (mg/L) = Va x Ca x 10-3 / W (A.3 6)
Etanolic clorua trong tiêu chuẩn (mg/L) = Vb x Cb X 10-3/ W (A.3.7)
trong đó
Va là thể tích của dung dịch gốc sulfat (A.3.9.1.1), tính bằng mL;
Ca là nồng độ của gốc sulfat (công thức A.3.1), tính bằng mg/L;
Vb là thể tích của dung dịch clorua gốc (A.3.9.1.2), tính bằng mL;
Cb là nồng độ của gốc clorua (công thức A.3.2), tính bằng mg/L; và
W là khối lượng cuối cùng của dung dịch tiêu chuẩn (etanol và phần lượng dung dịch gốc trong nước), tính bằng kg.
Bảng A.3.2 - Mẫu kiểm tra etanolic clorua và sulfat
| Dung dịch tiêu chuẩn clorua và sulfat mg clorua và sulfat/kg etanol | Khối lượng etanol, g | Dung dịch clorua gốc, mL | Dung dịch sulfat gốc, ml |
| chỉ 50 mg/kg Cl- | 975,00 | 25 | - |
| 20 | 980,00 | 10 | 10 |
| 10 | 990,00 | 5 | 5 |
| 5 | 995,00 | 2,5 | 2,5 |
| 1 | 999,00 | 0,5 | 0,5 |
| 0,5 | 999,50 | 0,25 | 0,25 |
| 0,3 | 999,70 | 0,15 | 0,15 |
A.3.14.2. Khi đã có các thủ tục về kiểm soát chất lượng QC/ Đảm bảo chất lượng (QA) cho điều kiện thử nghiệm, thì có thể sử dụng các thủ tục này để khẳng định độ tin cậy của kết quả thử.
A.3.14.3. Nếu không có các thủ tục về QC/QA cho điều kiện thí nghiệm. Phụ lục B có thể được áp dụng như là hệ thống QC/QA.
A.3.15. Độ chụm và độ chệch
A.3.15.1. Độ chụm - Độ chụm nêu dưới đây nhận được từ một phòng thử nghiệm: các mẫu chỉ định được phân tích ba lần trong cùng một ngày, do cùng một người phân tích và trên cùng một thiết bị. Đánh giá độ chụm đối với các mẫu này được nêu trong Bảng A.3.3. Hiện nay không có sẵn các số liệu độ chụm bổ sung cho phương pháp.
A.3.15.2. Độ lặp lại - Độ lặp lại đầy đủ của phương pháp này sẽ được tính sau các nghiên cứu liên phòng.
A.3.15.3. Độ tái lập - Không có sẵn các dữ liệu để công bố độ tái lập. Qui định về độ tái lập thích hợp sẽ được tính từ kết quả liên phòng thử nghiệm.
A.3.15.4. Độ chệch - Vì không có sẵn vật liệu chuẩn so sánh được chấp nhận có giá trị đã biết của sulfat và clorua trong etanol, nên không xác định được độ chệch của phương pháp này.
Bảng A.3.3 - Độ chụm của phương pháp
| Lượng cho vào, mg/kg | Sulfat, mg/kg | Clorua, mg/kg | ||
| Giá trị trung bình đo được | Độ lệch chuẩn | Giá trị trung bình đo được | Độ lệch chuẩn | |
| 1,00 | 1,28 | 0,04 | 0,97 | 0,03 |
| 1,60 | 1,57 | 0,18 |
|
|
| 4,13 | 4,06 | 0,05 |
|
|
| 8,27 | 8,50 | 0,06 |
|
|
PHỤ LỤC B
(tham khảo)
B.1. Thông tin thêm cho các phụ lục A.1, A.2 và A.3
B.1.1 Kiểm soát chất lượng
B.1.1.1 Xác nhận tính năng của thiết bị hoặc qui trình kiểm tra bằng cách phân tích mẫu kiểm soát chất lượng (QC).
B.1.1.2. Trước khi giám sát quá trình đo, người thực hiện phương pháp thử cần xác định giá trị trung bình và giới hạn kiểm soát của mẫu QC (xem ASTM D 6299, ASTM D 6792 và ASTM MNL 71).
B.1.1.3. Ghi chép các kết quả QC và phân tích bằng biểu đổ kiểm soát hoặc kỹ thuật thống kê tương đương để đánh giá tình hình kiểm soát thống kê của tổng quá trình thử nghiệm (xem ASTM D 6299, ASTM D 6792 và ASTM MNL 7). Bất kỳ số liệu ngoài tầm kiểm soát nào cũng phải điều tra nguyên nhân gốc rễ. Các kết quả điều tra này có thể dẫn đến việc hiệu chuẩn lại thiết bị, nhưng không bắt buộc.
B.1.1.4. Nếu trong phương pháp thử không có các yêu cầu rõ, thì tần suất thử QC phụ thuộc nhiều vào độ tới hạn chất lượng cần đo, tính ổn định của qui trình thử và các yêu cầu của khách hàng. Thông thường, mẫu QC được phân tích hàng ngày trên các mẫu thường xuyên. Tần suất QC có thể tăng nếu số lượng mẫu được phân tích thường xuyên lớn. Tuy nhiên, khi chứng minh được rằng phép thử nằm trong tầm kiểm soát thống kê, tần suất thử QC có thể được giảm xuống. Độ chụm mẫu QC phải được kiểm tra so với độ chụm phương pháp thử ASTM để đảm bảo chất lượng dữ liệu.
B.1.1.5. Khuyến cáo, loại mẫu QC được kiểm tra đều đặc phải đảm bảo đại diện cho nguyên liệu phân tích thường xuyên. Nguồn cung cấp nguyên liệu mẫu QC phải có sẵn để sử dụng trong thời gian dự kiến, mẫu phải đồng nhất và ổn định ở điều kiện bảo quản qui định. Xem thêm hướng dẫn trong ASTM D 6299, ASTM D 6792 và ASTM MNL 7 về QC và phương pháp vẽ biểu đồ kiểm soát.
B.2. Ý nghĩa các đặc tính qui định
B.2.1. Alcohol nhiên liệu biến tính
B.2.1.1. Hàm lượng nước - Nói chung, phương pháp phân tích Karl Fischer là qui trình tin cậy, duy nhất hiện nay để xác định nước trong etanol biến tính. Tiêu chuẩn ASTM E 203 mô tả sự thay đổi cần thiết để tiến hành phép thử có alcohol. Phương pháp khối lượng riêng như ASTM D 891 và ASTM D 3505, thường là không thích hợp như các lý do đã nêu trong B.2.2. Sự hòa tan của hỗn hợp nhiên liệu etanol và xăng bị hạn chế bởi nước. Độ hòa tan này sẽ thay đổi theo hàm lượng etanol, nhiệt độ của hỗn hợp và hàm lượng chất thơm của xăng gốc. Nhiên liệu được tạo thành bằng cách trộn 10 % thể tích etanol nhiên liệu với xăng có chứa 14 % thể tích chất thơm và 0,6 % khối lượng nước hòa tan (khoảng 0,5 % thể tích), sẽ tách thành pha nước giàu alcohol phía dưới và pha hydrocacbon phía trên nếu làm lạnh xuống khoảng 7 °C (45 °F). Động cơ đánh lửa thông thường sẽ không chạy với nguyên liệu pha nước, cho nên việc tách pha dẫn đến sự trục trặc nghiêm trọng trong vận hành. Trong thực tế, mức độ nhiễm nước là không tránh khỏi khi vận chuyển và sử dụng, vì hỗn hợp xăng-etanol hút ẩm, hàm lượng nước của etanol biến tính nhiên liệu phải được hạn chế khi được trộn với xăng để giảm nguy cơ tách pha.
B.2.1.2. Hàm lượng nhựa đã rửa qua dung môi
B.2.1.2.1. Phép xác định hàm lượng nhựa đã rửa qua dung môi là đo lượng cặn sau khi bay hơi của nhiên liệu và tiếp theo là rửa bằng heptan. Việc rửa bằng heptan sẽ loại các phần hòa tan, phần nguyên liệu không bay hơi là các phụ gia, dầu sử dụng với phụ gia, nhiên liệu điêzen. Nhựa đã rửa qua dung môi bao gồm nhựa không tan trong nhiên liệu và nhựa tan trong nhiên liệu. Phần không tan trong nhiên liệu có thể bít kín bộ lọc nhiên liệu, cả hai có thể lắng trên bề mặt khi nhiên liệu bay hơi.
B.2.1.2.2. Nhựa đã rửa qua dung môi có thể góp phần vào cặn lắng trên bề mặt của chế hòa khí, bơm phun nhiên liệu, đường ống nạp, cổng nạp, van và thanh dẫn van. Ảnh hưởng của nhựa đã rửa qua dung môi trong alcohol tinh khiết như chưa biết etanol đến các trục trặc của động cơ hiện đại. Phương pháp thử được sử dụng cơ bản để phát hiện sự có mặt của các tạp chất có điểm sôi cao, không tan trong heptan
B.2.1.2.3. Vì công bố độ chụm cho phương pháp thử TCVN 6593 (ASTM D 381) được xây dựng trên dữ liệu của hydrocacbon, nên không thể áp dụng cho etanol biến tính nhiên liệu.
B.2.1.3. Hàm lượng clorua - Nồng độ ion clorua thấp ăn mòn nhiều kim loại.
B.2.1.4. Hàm lượng đồng - Đồng là một xúc tác rất mạnh cho sự oxi hóa hydrocacbon ở nhiệt độ thấp. Kinh nghiệm chỉ ra rằng nồng độ đồng cao hơn 0,012 ppm khối lượng trong xăng thương phẩm có thể tăng đáng kể tốc độ tạo nhựa.
B.2.1.5. Độ axit - Dung dịch nước rất loãng của axit hữu cơ có khối lượng phân tử thấp như axit axetic (CH3COOH) sẽ ăn mòn mạnh nhiều loại kim loại. Vì vậy cần phải giữ các axit hữu cơ có khối lượng phân tử thấp ở mức rất thấp.
B.2.1.6. pH - Khi pH của etanol được sử dụng làm nhiên liệu cho động cơ đánh lửa thấp hơn 6,5, bơm nhiên liệu có thể bị trục trặc dẫn đến sự tạo màng giữa chổi quét và bộ chuyển mạch, bơm nhiên liệu có thể hỏng do bị ăn mòn và có thể xảy ra ăn mòn xylanh động cơ quá mức. Khi pH trên 9.0 thì phần nhựa của bơm nhiên liệu có thể bị hỏng, sử dụng etanol với 10 % thể tích trong hỗn hợp với xăng sẽ thì giảm bớt các ảnh hưởng xấu đối với động cơ.
B.2.1.7. Ngoại quan - Thông thường độ đục hoặc độ kết tủa cho biết mức nhiễm bẩn.
B.2.1.8. Độ tinh khiết của etanol - Sự có mặt của dù một lượng nhỏ một số hợp chất hữu cơ oxy khác với etanol có thể ảnh hưởng bất lợi đến các tính chất của hỗn hợp nhiên liệu etanol-xăng.
B.2.1.9. Hàm lượng sulfat - Sự có mặt lượng nhỏ sulfat vô cơ trong etanol biến tính ở điều kiện thích hợp có thể góp phần tạo cặn lắng ở đồng hồ tuốc bin và làm tắc nhanh bộ lọc bơm phân phối nhiên liệu trong hệ thống phân phối nhiên liệu. Các sulfat cũng gây ra tắc bộ phun nhiên liệu dẫn đến động cơ không nổ và khả năng truyền động kém trong ô tô.
B.2.1.10. Chất biến tính - Chất biến tính hydrocacbon (xem điều 5) được qui đinh bởi qui chuẩn quốc gia dùng cho etanol biến tính nhiên liệu. Qui chuẩn giới hạn cả lượng tối thiểu và tối đa có thể được sử dụng. Những nhà sản xuất etanol biến tính thường sử dụng thiết bị đo để kiểm soát lượng chất biến tính. Qui trình phân tích hiện hành chỉ cho con số ước lượng hàm lượng chất biến tính.
B.2.2. Etanol chưa biến tính
B.2.2.1. Khối lượng riêng - Khối lượng riêng của hỗn hợp nước-etanol là một hàm số chính để tính hàm lượng nước của hỗn hợp. Trong qui chuẩn quốc gia cần qui định sử dụng khối lượng riêng ở nhiệt độ 15,56/15,56 °C (60/60 °C) trong không khí làm phương pháp kiểm soát hàm lượng nước của etanol chưa biến tính. Vì thông thường việc cho thêm chất biến tính sẽ ảnh hưởng đến khối lượng riêng, nói chung phương pháp khối lượng riêng không thích hợp để xác định hàm lượng nước của etanol biến tính.
B.2.2.2. Hàm lượng lưu huỳnh - Những Yêu cầu kiểm soát lưu huỳnh của xăng và tiêu chuẩn khi phát thải đã dẫn đến việc thiết lập tiêu chuẩn lưu huỳnh đối với các nhà máy lọc dầu và các nhà nhập khẩu sản xuất xăng pha chế, xăng gốc để phối trộn oxygenat, và xăng thông thường. EPA đã thiết lập việc kiểm soát lưu huỳnh trong xăng để hỗ trợ tiêu chuẩn khí phát thải động cơ. Lưu huỳnh làm hỏng bộ chuyển đổi xúc tác cần thiết cho việc giảm khí phát thải HC, CO và NOx.
B.3. Yêu cầu kỹ thuật etanol của California
B.3.1. Yêu cầu kỹ thuật etanol của California
B.3.1.1. Ban Tài nguyên không khí California đã phê duyệt tiêu chuẩn đối với etanol biến tính là để trộn tại hiện trường với xăng gốc và oxygenat để tạo ra xăng California pha 3 (CaRFG 3). Các tiêu chuẩn cũng qui định cho chất biến tính. Các tiêu chuẩn California đối với etanol biến tính và chất biến tính đã có hiệu lực từ 31/12/2003.
B.3.1.2. Các tiêu chuẩn California về etanol biến tính đưa ra giới hạn tối đa cho các hàm lượng lưu huỳnh, benzen, olefin và chất thơm như đã nêu trong Bảng B.3.1, và cũng yêu cầu etanol biến tính phù hợp với các qui định kỹ thuật trong ASTM D 4806-99.
B.3.1.3. California qui định rằng sự phù hợp với tiêu chuẩn lưu huỳnh phải được xác định bằng cách thử etanol biến tính theo ASTM D 5453-93. California qui định rằng sự phù hợp với tiêu chuẩn cho hàm lượng benzen, olefin và chất thơm được xác định bằng cách thử mẫu chất biến tính theo phương pháp thử qui định đối với xăng CARB (California reformulated gasoline blenstock), và sau đó tính hàm lượng của các hợp chất này trong etanol biến tính bằng cách nhân giá trị thử với 0,0476 (ngoại trừ chứng minh được rằng etanol biến tính có chứa ít hơn 4,76 % chất biến tính, khi đó kết quả thử được nhân với phân số thập phân tương ứng với phần trăm chất biến tính).
B.3.1.4. California cho phép một ngoại lệ đối với giới hạn nêu trong Bảng B.3.1, nhà cung cấp etanol biến tính phải có những lưu ý thích hợp để đảm bảo rằng etanol biến tính chỉ vượt quá các giới hạn trên khi nó được cho vào xăng trộn với oxygenat (CARBOB). Phải có hệ thống tài liệu đối với việc chuyển etanol biến tính. Phải tuân thủ các yêu cầu về pha trộn cuối cùng của xăng California pha 3 (CaRFG3).
B.3.1.5. Bang California qui định tiêu chuẩn đối với chất biến tính được sử dụng trong etanol biến tính như đã nêu trong Bảng B.3.2. Cũng chỉ ra phương pháp thử qui định để xác định sự phù hợp.
B.3.1.6. Các tiêu chuẩn California cho phép số lượng cao hơn của benzen, olefin và chất thơm trong chất biến tính nếu nhà cung cấp đảm bảo rằng khi cho vào etanol với mức ít hơn 4,76 % thể tích và các giới hạn trong Bảng B.3.1 được đáp ứng.
Bảng B.3.1 - Tiêu chuẩn etanol biến tính của California
(bổ sung vào qui định kỹ thuật trong ASTM D 4806-99)
| Chỉ tiêu | Giới hạn kỹ thuật | Phương pháp thử |
| Lưu huỳnh, ppm khối lượng, max | 10 | ASTM D 5453-93 |
| Benzen, % thể tích, max | 0,06 | ASTM D 5580-00 Kết quả thử của mẫu chất biến tính nhân với 0,0476 (đối với ngoại lệ xem B.3.1.3) |
| Olefin, % thể tích, max | 0,5 | ASTM D 6550-00 (sửa đổi) Kết quả thử của mẫu chất biến tính nhân với 0,0476 (đối với ngoại lệ xem B 3.1.3) |
| Chất thơm, % thể tích, max | 1,7 | ASTM D 5580-00 Kết quả thử của mẫu chất biến tính nhân với 0,0476 (đối với ngoại lệ xem B.3.1.3) |
| Bảng B.3.2 - Tiêu chuẩn chất biến tính của California | ||
| Chỉ tiêu | Giới hạn kỹ thuật | Phương pháp thử |
| Benzen, % thể tích, max | 1,1 | ASTM D 5580-00 |
| Olefin, % thể tích max | 10 | ASTM D 6550-00 (sửa đổi) |
| Chất thơm, % thể tích, max | 35 | ASTM D 5580-00 |
1 ASTM MNL 7 Hướng dẫn cách trình bày về phân tích biểu đồ kiểm soát số liệu, xuất bản lần thứ 6
Bạn chưa Đăng nhập thành viên.
Đây là tiện ích dành cho tài khoản thành viên. Vui lòng Đăng nhập để xem chi tiết. Nếu chưa có tài khoản, vui lòng Đăng ký tại đây!

