- Tổng quan
- Nội dung
- Tiêu chuẩn liên quan
- Lược đồ
- Tải về
Tiêu chuẩn Quốc gia TCVN 12796-2:2019 ISO 19095-2:2015 Tính năng kết dính liên diện trong tổ hợp chất dẻo-kim loại
| Số hiệu: | TCVN 12796-2:2019 | Loại văn bản: | Tiêu chuẩn Việt Nam |
| Cơ quan ban hành: | Bộ Khoa học và Công nghệ | Lĩnh vực: | Công nghiệp |
|
Ngày ban hành:
Ngày ban hành là ngày, tháng, năm văn bản được thông qua hoặc ký ban hành.
|
2019 |
Hiệu lực:
|
Đã biết
|
| Người ký: | Đang cập nhật |
Tình trạng hiệu lực:
Cho biết trạng thái hiệu lực của văn bản đang tra cứu: Chưa áp dụng, Còn hiệu lực, Hết hiệu lực, Hết hiệu lực 1 phần; Đã sửa đổi, Đính chính hay Không còn phù hợp,...
|
Đã biết
|
TÓM TẮT TIÊU CHUẨN VIỆT NAM TCVN 12796-2:2019
Nội dung tóm tắt đang được cập nhật, Quý khách vui lòng quay lại sau!
Tải tiêu chuẩn Việt Nam TCVN 12796-2:2019
TIÊU CHUẨN QUỐC GIA
TCVN 12796-2:2019
ISO 19095-2:2015
CHẤT DẺO - ĐÁNH GIÁ TÍNH NĂNG KẾT DÍNH LIÊN DIỆN TRONG TỔ HỢP CHẤT DẺO-KIM LOẠI - PHẦN 2: MẪU THỬ
Plastics - Evaluation of the adhesion interface performance in plastic-metal assemblies - Part 2: Test specimens
Lời nói đầu
TCVN 12796-2:2019 hoàn toàn tương đương với ISO 19095-2:2015.
TCVN 12796-2:2019 do Ban kỹ thuật tiêu chuẩn quốc gia TCVN/TC61 Chất dẻo biên soạn, Tổng cục Tiêu chuẩn Đo lường Chất lượng đề nghị, Bộ Khoa học và Công nghệ công bố
Bộ TCVN 12796 (ISO 19095) Chất dẻo - Đánh giá tính năng kết dính liên diện trong tổ hợp chất dẻo-kim loại, gồm các tiêu chuẩn sau:
- TCVN 12796-1:2019 (ISO 19095-1:2015) Phần 1: Hướng dẫn cách tiếp cận
- TCVN 12796-2:2019 (ISO 19095-2:2015) Phần 2: Mẫu thử
- TCVN 12796-3:2019 (ISO 19095-3:2015) Phần 3: Phương pháp thử
- TCVN 12796-4:2019 (ISO 19095-4:2015) Phần 4: Điều kiện môi trường để xác định độ bền.
Lời giới thiệu
Các sản phẩm có kết cấu từ các vật liệu không đồng nhất đang được sản xuất trong các lĩnh vực công nghiệp ô tô và hàng không vũ trụ, nơi đòi hỏi có các giới hạn an toàn cao hơn.
Các phương pháp thử hiện có không thích hợp do khó đánh giá tính năng liên diện chất dẻo-kim loại vì vật liệu polyme có độ bền cơ học tương đối thấp và do vậy gãy nứt bên ngoài các mối dán. Do đó, cần phải phát triển một phương pháp luận đối với việc đánh giá tính năng liên diện chất dẻo-kim loại.
Cũng cần có một phương pháp thử để đánh giá chính xác tính năng kết dính liên diện hoặc chuẩn hóa sự đánh giá dài hạn trong môi trường khắc nghiệt.
Phương pháp trong bộ TCVN 12796 (ISO 19095) nhằm đảm bảo tính toàn vẹn của liên diện được thực hiện trên toàn bộ liên diện và khả năng truy xuất nguồn gốc của giá trị sẽ giúp cải thiện việc so sánh dữ liệu.
Tiêu chuẩn này xác định hình dạng thích hợp của mẫu thử khi xem xét liên diện chất dẻo-kim loại không thể đánh giá được theo các tiêu chuẩn ISO hiện có.
CHẤT DẺO - ĐÁNH GIÁ TÍNH NĂNG KẾT DÍNH LIÊN DIỆN TRONG TỔ HỢP CHẤT DẺO-KIM LOẠI - PHẦN 2: MẪU THỬ
Plastics - Evaluation of the adhesion interface performance in plastic-metal assemblies - Part 2: Test specimens
CẢNH BÁO AN TOÀN: Người sử dụng tiêu chuẩn này phải thông thạo việc thực hành trong phòng thí nghiệm thông thường. Tiêu chuẩn này không đề cập đến tất cả các vấn đề về an toàn, nếu có, liên quan đến việc áp dụng tiêu chuẩn này. Người sử dụng có trách nhiệm thiết lập các quy trình về an toàn và vệ sinh lao động phù hợp và đảm bảo phải tuân thủ theo mọi quy định bắt buộc. Có thể nhận thấy rằng một số vật liệu được chấp nhận trong tiêu chuẩn này có thể gây ra tác động tiêu cực đến môi trường. Khi tiến bộ công nghệ dẫn đến những lựa chọn khác dễ chấp nhận hơn, các vật liệu này sẽ được loại bỏ ở mức nhiều nhất có thể. Khi kết thúc quá trình thử nghiệm, phải thận trọng xử lý tất cả các chất thải một cách thích hợp theo các quy định hiện hành.
1 Phạm vi áp dụng
Tiêu chuẩn này quy định các mẫu thử để đánh giá tính năng kết dính liên diện trong tổ hợp chất dẻo-kim loại.
2 Tài liệu viện dẫn
Các tài liệu viện dẫn sau đây rất cần thiết cho việc áp dụng tiêu chuẩn này. Đối với các tài liệu viện dẫn ghi năm công bố thì áp dụng bản được nêu. Đối với các tài liệu viện dẫn không ghi năm công bố thì áp dụng phiên bản mới nhất, bao gồm cả các sửa đổi, bổ sung (nếu có).
TCVN 11025:2015 (ISO 293:2004), Chất dẻo - Đúc ép mẫu thử vật liệu nhiệt dẻo
TCVN 11026-1:2015 (ISO 294-1:1996), Chất dẻo - Đúc phun mẫu thử vật liệu nhiệt dẻo - Phần 1: Nguyên tắc chung, đúc mẫu thử đa mục đích và mẫu thử dạng thanh
TCVN 11026-2:2015 (ISO 294-2:1996), Chất dẻo - Đúc phun mẫu thử vật liệu nhiệt dẻo - Phần 2: Thanh kéo nhỏ
TCVN 11027:2015 (ISO 295:2004), Chất dẻo - Đúc ép mẫu thử vật liệu nhiệt rắn
TCVN 11612-1:2016 (ISO 10724-1:1998), Chất dẻo - Đúc phun mẫu thử hỗn hợp đúc bột nhiệt rắn (PMC) - Phần 1: Nguyên tắc chung và đúc mẫu thử đa mục đích
TCVN 11612-2:2016 (ISO 10724-2:1998), Chất dẻo - Đúc phun mẫu thử hỗn hợp đúc bột nhiệt rắn (PMC) - Phần 2: Tấm nhỏ
ISO 17212, Structural adhesives - Guidelines for the surface preparation of metals and plastics prior to adhesive bonding (Chất kết dính kết cấu - Hướng dẫn chuẩn bị bề mặt kim loại và chất dẻo trước khi dán chất kết dính)
3 Chuẩn bị mẫu thử
Việc chuẩn bị bề mặt mẫu thử phải được tiến hành theo các yêu cầu của ISO 17212.
Nếu sử dụng phương pháp chuẩn bị khác thì phải ghi lại.
4 Loại mẫu thử
4.1 Mẫu thử được dán nối đầu (loại A)
Hình dạng và kích thước của mẫu thử được thể hiện trong Hình 1.
Kích thước tính bằng milimet

CHÚ DẪN:
1 mẫu thử kim loại
2 mẫu thử chất dẻo
3 liên diện
Hình 1 - Hình dạng và kích thước của loại A (ví dụ)
4.2 Mẫu thử được dán chồng (loại B)
Hình dạng và kích thước của mẫu thử được thể hiện trong Hình 2.
Kích thước tính bằng milimet

CHÚ DẪN:
1 mẫu thử kim loại
2 mẫu thử chất dẻo
3 liên diện
Hình 2 - Hình dạng và kích thước của loại B (ví dụ)
4.3 Mẫu thử để thử nghiệm kéo bóc (loại C)
Hình dạng và kích thước của mẫu thử được thể hiện trong Hình 3.
Kích thước tính bằng milimet

CHÚ DẪN:
1 mẫu thử kim loại mềm
2 mẫu thử chất dẻo
3 liên diện
4 chiều dài không dán, 40 mm
Hình 3 - Hình dạng và kích thước của loại C (ví dụ)
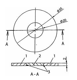
4.4 Mẫu thử cho các tính chất bịt kín (loại D)
Hình dạng và kích thước của mẫu thử được thể hiện trong Hình 4.
Kích thước tính bằng milimet

CHÚ DẪN:
1 kim loại
2 chất dẻo
3 liên diện
Hình 4 - Hình dạng và kích thước của loại D (ví dụ)
CHÚ THÍCH: Nếu không thể chế tạo được mẫu thử loại D thì có thể thay thế bằng mẫu thử được nêu trong Phụ lục A.
5 Báo cáo thử nghiệm
Báo cáo thử nghiệm phải bao gồm các thông tin sau:
a) viện dẫn tiêu chuẩn này:
b) loại (hình dạng và kích thước) mẫu thử;
c) điều kiện chuẩn bị và điều kiện thử nghiệm của mẫu thử;
d) phương pháp chuẩn bị mẫu thử;
e) xử lý bề mặt đối với mẫu kim loại;
f) số lượng phép thử;
g) giá trị đặc trưng trung bình đo được, là giá trị đại diện của tính chất đo được;
h) ngày đo;
i) quy trình khác được quy định;
j) xem các tiêu chuẩn sau dựa trên phương pháp đúc:
- đối với mẫu thử vật liệu nhiệt dẻo được đúc ép phải theo Điều 7 từ khoản a) đến khoản i) của TCVN 11025 (ISO 293).
- đối với mẫu thử vật liệu nhiệt dẻo được đúc phun phải theo Điều 6 từ khoản a) đến khoản h) của TCVN 11026-1 (ISO 294-1) và Điều 6 TCVN 11026-2 (ISO 294-2).
- đối với mẫu thử vật liệu nhiệt rắn được đúc ép phải theo Điều 10 của TCVN 11027 (ISO 295).
- đối với mẫu thử bột nhiệt rắn (PMC) được đúc phun phải theo Điều 6 từ khoản a) đến khoản h) của TCVN 11612-1 (ISO 10724-1) và Điều 6 từ khoản a) đến khoản h) của TCVN 11612-2 (ISO 10724-2).
k) loại, quy trình, phương pháp và điều kiện xử lý kim loại;
l) số lượng mẫu thử được chuẩn bị;
m) ngày chuẩn bị mẫu thử.
Phụ lục A
(tham khảo)
Mẫu thử được dán chồng cho các tính chất bịt kín (loại D.2)
A.1 Quy định chung
Phụ lục này quy định hình dạng và kích thước của mẫu thử thay thế nếu không thể chế tạo được mẫu thử loại D theo 4.4.
A.2 Hình dạng và kích thước
Hình dạng và kích thước của mẫu thử được thể hiện trong Hình A.1 và Hình A.2.
Kích thước tính bằng milimet

CHÚ DẪN:
1 kim loại
2 chất dẻo
3 diện tích liên diện
Hình A.1 - Hình dạng và kích thước của loại D.2.1 (ví dụ)
Kích thước tính bằng milimet

CHÚ DẪN:
1 kim loại
2 chất dẻo
3 diện tích liên diện
4 đường định tâm
Hình A.2 - Hình dạng và kích thước của loại D.2.2 (ví dụ)
Bạn chưa Đăng nhập thành viên.
Đây là tiện ích dành cho tài khoản thành viên. Vui lòng Đăng nhập để xem chi tiết. Nếu chưa có tài khoản, vui lòng Đăng ký tại đây!