- Tổng quan
- Nội dung
- Tiêu chuẩn liên quan
- Lược đồ
- Tải về
Tiêu chuẩn Quốc gia TCVN 8-21:2005 Chuẩn bị các nét vẽ cho hệ thống CAD
| Số hiệu: | TCVN 8-21:2005 | Loại văn bản: | Tiêu chuẩn Việt Nam |
| Cơ quan ban hành: | Bộ Khoa học và Công nghệ | Lĩnh vực: | Xây dựng |
|
Ngày ban hành:
Ngày ban hành là ngày, tháng, năm văn bản được thông qua hoặc ký ban hành.
|
2005 |
Hiệu lực:
|
Đã biết
|
| Người ký: | Đang cập nhật |
Tình trạng hiệu lực:
Cho biết trạng thái hiệu lực của văn bản đang tra cứu: Chưa áp dụng, Còn hiệu lực, Hết hiệu lực, Hết hiệu lực 1 phần; Đã sửa đổi, Đính chính hay Không còn phù hợp,...
|
Đã biết
|
TÓM TẮT TIÊU CHUẨN VIỆT NAM TCVN 8-21:2005
Nội dung tóm tắt đang được cập nhật, Quý khách vui lòng quay lại sau!
Tải tiêu chuẩn Việt Nam TCVN 8-21:2005
TIÊU CHUẨN VIỆT NAM
TCVN 8-21:2005
BẢN VẼ KỸ THUẬT – NGUYÊN TẮC CHUNG VỀ BIỂU DIỄN – PHẦN 21: CHUẨN BỊ CÁC NÉT VẼ CHO HỆ THỐNG CAD
Technical drawings – General principles of presentation – Part 21: Preparation of lines by CAD systems
TCVN 8-21:2005 hoàn toàn tương đương ISO 128-21:1997
TCVN 8-21:2005 do Ban kỹ thuật tiêu chuẩn TCVN/TC 10 Bản vẽ kỹ thuật biên soạn, Tổng cục Tiêu chuẩn Đo lường chất lượng đề nghị, Bộ Khoa học và Công nghệ ban hành
1. Phạm vi áp dụng
Tiêu chuẩn này quy định cách tính toán các loại nét vẽ không liên tục, theo TCVN 8-20:2002 và các phần tử của chúng.
2. Tài liệu viện dẫn
TCVN 8-20:2002 (ISO 128-20:1996) Bản vẽ kỹ thuật – Nguyên tắc chung về biểu diễn – Phần 20: Các quy ước cơ bản về nét vẽ.
TCVN 7286:2003 (ISO 5455:1979) Bản vẽ kỹ thuật – Tỷ lệ.
3. Định nghĩa
Trong Tiêu chuẩn này sử dụng các định nghĩa trong tiêu chuẩn TCVN 8-20:2002
4. Tính toán các phần tử của nét vẽ
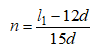
4.1. Loại nét vẽ số 2 (nét đứt)
Xem hình 1 để thấy cấu trúc hình học của loại nét này.

Hình 1
Ví dụ
Xem hình 2

Hình 2
Công thức tính:
a) Chiều dài nét: 
b) Số phân đoạn trong một nét:
(Quy tròn)
c) Chiều dài của các nét gạch:

d) Chiều dài tối thiểu của nét này:

(2 nét gạch 12 d, một khoảng hở 3d).
Nếu phải vẽ các nét đứt có chiều dài nhỏ hơn l1 = 27d, thì phải dùng tỷ lệ lớn hơn theo ISO 5455 (Nghĩa là các phần tử này được vẽ với tỷ lệ lớn hơn).
Các nét đứt có thể được vẽ với độ dài nét gạch (l1 = 12d). Trong trường hợp này một trong các nét gạch đầu hoặc cuối có thể ngắn hơn hoặc dài hơn 12d.
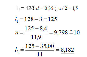
Ví dụ: l1 = 125 d = 0,35
(Quy tròn)

Kết quả: Nét đứt, chiều dài 125 mm, chiều rộng nét 0,35 mm, gồm 23 phân đoạn, 5,252 mm (4,202 m + 1,050 mm) và một nét gạch có chiều dài 4,202 mm.
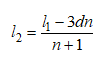
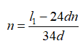
4.2. Loại nét vẽ số 04 (Nét gạch dài – chấm)
Xem hình 3 để thấy cấu trúc hình học của loại nét này.

Hình 3
Ví dụ
Xem hình 4

Hình 4
Các công thức
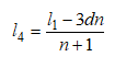
a) Chiều dài nét: l1 = l0 + 24d
(Nét này kéo dài vượt quá các đường bao quanh ở cả 2 phía)
b) Số các phân đoạn trong một nét:
(Quy tròn)
c) Chiều dài của phần tử - gạch dài:
d) Chiều dài tối thiểu của nét này:
Nếu chiều dài nét
thì phải vẽ bằng nét liền mảnh.
Để phù hợp với các yêu cầu của TCVN 8-20:2002, Điều 5, chiều dài của phần tử - gạch dài – trong nét này có thể tăng lên hoặc giảm đi.
Ví dụ:
Trình bày kết quả: Nét “gạch dài – chấm”, chiều dài 131 mm, chiều rộng nét 0,25 mm, gồm 16 phân đoạn, mỗi phân đoạn 7,801 mm (6,176 mm + 0,750 mm + 0,125 mm) và 1 phần tử “gạch dài” 6,176 mm
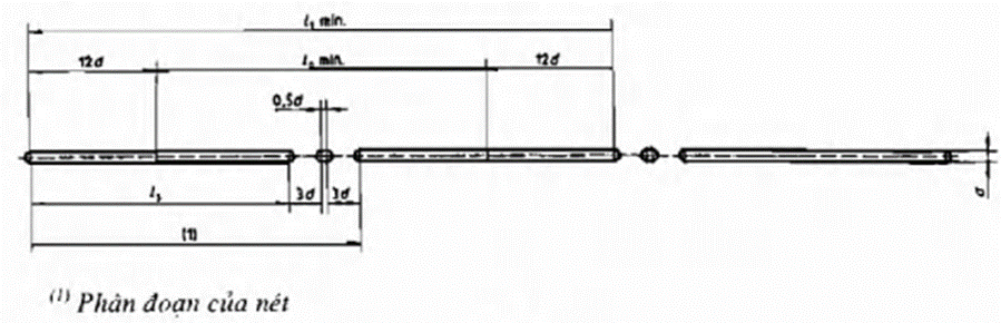
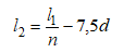
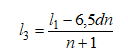
4.3. Loại gạch nét số 05 (Nét gạch dài – hai chấm)
Xem hình 5 để thấy cấu trúc hình học của nét này

Hình 5
Ví dụ: Xem hình 6

Hình 6
Các công thức:
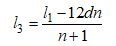
a) Chiều dài nét

b) Số các phân đoạn trong một nét:
(quy tròn)
c) Chiều dài của phần tử “gạch dài”:

d) Chiều dài tối thiểu của nét này:

Các nét có chiều dài l1 < 58d phải vẽ theo tỷ lệ lớn hơn, để phù hợp với TCVN 7286:2006. Cho phép vẽ tiếp phần tử “gạch dài” ở những chỗ chuyển hướng.
Xem hình 7

Hình 7
Để phù hợp với yêu cầu của TCVN 8-20:2002, điều 5, chiều dài của phần thử “gạch dài” trong nét này có thể tăng lên hoặc giảm đi.

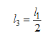
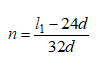
4.4. Loại nét số 07 (Nét chấm – chấm)
Xem hình 8 để thấy rõ cấu trúc hình học của nét này

Hình 8
Ví dụ: Xem hình 9

Hình 9
Các công thức:
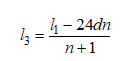
a) Chiều dài nét

b) Số các phân đoạn trong 1 nét:
(quy tròn)
c) Chiều dài của phần tử “chấm”:

d) Chiều dài tối thiểu của nét này:

Ví dụ:

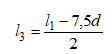
4.5. Loại nét số 08 (Nét gạch dài – gạch ngắn)
Các điều kiện đối với loại nét này cũng giống như đối với loại nét số 04, nhưng các công thức được chỉnh sửa một chút, như sau:
a) Chiều dài nét

b) Số các phân đoạn trong 1 nét:
(Quy tròn)
c) Chiều dài của phần tử “gạch dài”:

Chiều dài của phần tử “gạch ngắn”: 6d (Xem bảng 3 – TCVN 8-20:2002)
d) Chiều dài tối thiểu của nét này:

Ví dụ:
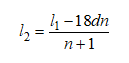
4.6. Loại nét số 09 (Nét gạch dài – hai gạch ngắn)
Các điều kiện đối với loại nét này cũng tương tự như các loại nét số 05 và các công thức b), c), và d) được chỉnh sửa một chút, như sau:
a) Chiều dài nét

b) Số phân đoạn trong 1 nét:
(Quy tròn)
c) Chiều dài của phần tử “gạch dài”:

Chiều dài của phần tử “gạch ngắn” :6d (xem bảng 3 trong TCVN 8-20:2002)
d) Chiều dài tối thiểu của nét này:

Ví dụ:

4.7. Các ví dụ về phối hợp các loại nét
4.7.1. Hai loại nét chồng lên nhau
Xem hình 10 để thấy rõ cấu trúc hình học của loại nét này

a) Nét liền, loại số 01: Chiều rộng nét, ví dụ, bằng 0,25 mm
b) Nét đứt – rộng, loại số 03: Chiều rộng nét, ví dụ bằng 0,5 mm.
Hình 10
Ví dụ
Xem hình 11

Hình 11
Các công thức:
a) Chiều dài nét:

b) Số phân đoạn trong 1 nét
(quy tròn)
c) Chiều dài của phân đoạn “gạch”:

Ví dụ:

Trình bày kết quả: Nét này bao gồm hai nét liền nhau: Nét liền (chiều dài 125 mm, chiều rộng nét bằng 0,5 mm, chứa 8 phần tử “gạch”, mỗi phần tử dài 6,625 mm, cách nhau 9 mm, 18 d2 Bảng 3 trong TCVN 8-20:2002, các chỗ cuối của nó lùi vào 4,5 mm (9d2).
4.7.2. Nét zích zắc
Xem hình 12 để thấy cấu trúc hình học của nét này

Hình 12
Ví dụ
Xem hình 13 và hình 14

Hình 13 Hình 14
Các công thức:
a) Chiều dài nét:

b) Số lượng zích zắc trong 1 nét:

c) Chiều dài của phần tử “gạch” nằm giữa các zích zắc:

d) Chiều dài của phần tử “gạch” ở đầu và cuối của nét:
- Nếu có 2 zích zắc trở lên:

- Nếu chỉ có 1 zích zắc:

- Nếu
thì zích zắc được bố trí như trong hình 14.
Ví dụ:

Trình bày kết quả: Nét zích zắc, chiều dài nét bằng 127,5 mm, chiều rộng nét bằng 0,25 mm, có 3 zích zắc, khoảng cách giữa các zích zắc bằng 40,625 mm. Chiều dài phần tử “gạch” tại đầu và cuối của nét bằng 20,313 mm.
4.7.3. Nét vẽ - “Đường sắt”
Xem hình 15 để thấy rõ cấu trúc hình học của nét này.

Hình 15
Ví dụ:
Xem hình 16

Hình 16
Các công thức:
a) Chiều dài nét:

b) Số các phân đoạn trong 1 nét

c) Chiều dài của phân tử:

d) Chiều dài tối thiểu của nét này:
l1min = 42d
Ví dụ:

Trình bày kết quả: Nét vẽ “đường sắt”. Chiều dài nét bằng 125 mm, chiều rộng nét bằng 1,4 mm (4 x 0,35 mm), gồm 12 phân đoạn dài 10,1 mm (3,800 mm ± 6,300 mm) và một phần tử “gạch” chiều dài bằng 3,800 mm.
PHỤ LỤC A
(Tham khảo)
THƯ MỤC
[1] ISO 6428:1983, Technical drawings – Requirements for microcopying (Bản vẽ kỹ thuật – Yêu cầu đối với Microcopy).
Bạn chưa Đăng nhập thành viên.
Đây là tiện ích dành cho tài khoản thành viên. Vui lòng Đăng nhập để xem chi tiết. Nếu chưa có tài khoản, vui lòng Đăng ký tại đây!