- Tổng quan
- Nội dung
- Tiêu chuẩn liên quan
- Lược đồ
- Tải về
Tiêu chuẩn TCVN 8698:2011 Yêu cầu kỹ thuật với cáp sợi đồng thông tin Cat.5, Cat.5e
| Số hiệu: | TCVN 8698:2011 | Loại văn bản: | Tiêu chuẩn Việt Nam |
| Cơ quan ban hành: | Bộ Khoa học và Công nghệ | Lĩnh vực: | Thông tin-Truyền thông |
|
Ngày ban hành:
Ngày ban hành là ngày, tháng, năm văn bản được thông qua hoặc ký ban hành.
|
2011 |
Hiệu lực:
|
Đã biết
|
| Người ký: | Đang cập nhật |
Tình trạng hiệu lực:
Cho biết trạng thái hiệu lực của văn bản đang tra cứu: Chưa áp dụng, Còn hiệu lực, Hết hiệu lực, Hết hiệu lực 1 phần; Đã sửa đổi, Đính chính hay Không còn phù hợp,...
|
Đã biết
|
TÓM TẮT TIÊU CHUẨN VIỆT NAM TCVN 8698:2011
Nội dung tóm tắt đang được cập nhật, Quý khách vui lòng quay lại sau!
Tải tiêu chuẩn Việt Nam TCVN 8698:2011
TIÊU CHUẨN QUỐC GIA
TCVN 8698:2011
MẠNG VIỄN THÔNG - CÁP SỢI ĐỒNG THÔNG TIN CAT.5, CAT.5E - YÊU CẦU KỸ THUẬT
Telecommunication network - Cat.5 and Cat.5e communication copper cable - Technical requirements
Lời nói đầu
TCVN 8698:2011 được xây dựng trên cơ sở tham khảo tiêu chuẩn “ANSI/TIA/EIA-568-B.2.
TCVN 8698:2011 do Viện Khoa học Kỹ thuật Bưu điện biên soạn, Bộ Thông tin và Truyền thông đề nghị, Tổng cục Tiêu chuẩn Đo lường Chất lượng thẩm định, Bộ Khoa học và Công nghệ công bố.
MẠNG VIỄN THÔNG - CÁP SỢI ĐỒNG THÔNG TIN CAT.5, CAT.5E - YÊU CẦU KỸ THUẬT
Telecommunication network - Cat.5 and Cat.5e communication copper cable - Technical requirements
1. Phạm vi áp dụng
Tiêu chuẩn này quy định các yêu cầu kỹ thuật cơ bản đối với cáp thông tin kim loại có lỗi dẫn bằng đồng, cách điện bằng nhựa chuyên dụng trên cơ sở polyethylene.
Tiêu chuẩn này qui định các yêu cầu kỹ thuật cho các loại cáp đồng thông tin băng rộng loại Cat.5 và Cat.5e loại luồn trong đường ống dẫn và trên cầu cáp, máng cáp trong nhà.
Tiêu chuẩn này là cơ sở cho việc thiết kế, thi công, đánh giá nghiệm thu, chứng nhận hợp chuẩn các loại cáp Cat.5 và Cat.5e.
2. Tài liệu viện dẫn
Các tài liệu viện dẫn sau đây rất cần thiết cho việc áp dụng tiêu chuẩn này. Đối với các tài liệu viện dẫn ghi năm công bố thì áp dụng bản được nêu. Đối với các tài liệu viện dẫn không ghi năm công bố thì áp dụng phiên bản mới nhất, bao gồm cả các sửa đổi, bổ sung (nếu có).
[1] TCVN 6613-1-1:2010 Thử nghiệm cáp điện trong điều kiện cháy. Phần 1: Thử nghiệm dây đơn hoặc cáp đơn cách điện ở trạng thái thẳng đứng.
3. Thuật ngữ và định nghĩa
3.1. Cáp (Cable)
Tổ hợp của một hay nhiều lõi dẫn có bọc cách điện cùng nằm trong một lớp vỏ bọc.
3.2. Cáp xoắn cặp không không bọc chống nhiễu (UTP - Unshielded Twisted Pair Cable)
Cáp xoắn cặp không bọc chống nhiễu (UTP) gồm các dây dẫn đồng có bọc cách điện, hai dây dẫn được xoắn với nhau tạo thành một cặp và các cặp dây dẫn lại được xoắn với nhau để tạo thành cáp UTP.
3.3. Cáp Cat.5 UTP (UTP Category 5 Cable)
Cáp xoắn cặp không bọc chống nhiễu thế hệ thứ năm, có 8 sợi được xoắn thành 4 cặp : Trắng Lam - Lam (Xanh Dương) ; Trắng Cam - Cam ; Trắng Lục - Lục (Xanh lá cây); Trắng Nâu - Nâu.
3.4. Cáp Cat.5e UPT (UTP Category 5e Cable)
Là loại cáp UTP nâng cao không bọc chống nhiễu, hỗ trợ mạng ở tốc độ Gigabit Ethernet (1000 Mbps).
3.5. Cáp Cat.5 ScTP (ScTP Category 5 Cable)
Cáp xoắn cặp có bọc chống nhiễu thế hệ thứ năm, có 8 sợi được xoắn thành 4 cặp : Trắng Lam - Lam (Xanh Dương) ; Trắng Cam - Cam ; Trắng Lục - Lục (Xanh lá cây) ; Trắng Nâu - Nâu.
3.6. Cáp Cat.5e ScTP (ScTP Category 5 Cable)
Là loại cáp ScTP nâng cao có bọc chống nhiễu, hỗ trợ mạng ở tốc độ Gigabit Ethernet (1000 Mbps).
3.7. Suy hao xuyên âm đầu xa cùng mức (Equal level far-end crosstalk loss)
Tỷ số giữa mức tín hiệu không mong muốn do máy phát ở đầu gần gây ra cho đôi dây dẫn cần đo ở đầu xa và mức tín hiệu thu được.
3.8. Suy hao xuyên âm đầu xa (Far-end crosstalk loss)
Tỷ số giữa mức tín hiệu không mong muốn do máy phát ở đầu gần gây ra cho đôi dây dẫn cần đo ở đầu xa và mức tín hiệu phát.
3.9. Suy hao xen/truyền dẫn (Insertion loss)
Suy hao cường độ tín hiệu khi đặt cáp vào giữa máy phát và máy thu (thường được gọi là suy hao).
3.10. Suy hao tổng công suất xuyên âm đầu xa cùng mức (Power sum equal level far-end crosstalk loss)
Tỷ số giữa tổng công suất của mức tín hiệu không mong muốn do nhiều máy phát ở đầu gần gây ra cho đôi dây dẫn cần đo ở đầu xa và mức tín hiệu thu được.
3.11. Suy hao tổng công suất xuyên âm đầu gần (Power sum near-end crosstalk loss)
Tỷ số giữa tổng công suất của mức tín hiệu không mong muốn do nhiều máy phát ở đầu gần gây ra cho đôi dây dẫn cần đo ở đầu gần và mức tín hiệu phát.
3.12. Suy hao phản xạ (Return loss)
Tỷ số công suất giữa tín hiệu phát và tín hiệu phản xạ với trở kháng cáp kết cuối 100 W, được tính theo đơn vị dB.
3.13. Suy hao phản xạ cấu trúc (Structure return loss)
Tỷ số công suất giữa tín hiệu phát và tín hiệu phản xạ với trở kháng cáp trung bình đo được, được tính theo đơn vị dB.
3.14. Lớp bọc kim (Core shield)
Lớp kim loại bao bọc một dây dẫn hay một nhóm dây dẫn.
3.15. Cáp trục (Backbone cable)
Cáp có số lượng đôi dây lớn hơn 4, sử dụng để phân phối tín hiệu cho cáp nhánh.
3.16. Cáp nhánh (Horizontal cable)
Cáp có số lượng đôi dây không quá 4.
4. Chữ viết tắt
| Ký hiệu | Tiếng Anh | Giải thích |
| CAT | Category | Loại |
| ELFEXT | Equal level far-end crosstalk loss | Suy hao xuyên âm đầu xa cùng mức |
| FEXT | Far-end crosstalk loss | Suy hao xuyên âm đầu xa |
| IL | Insertion loss | Suy hao xen/truyền dẫn |
| NEXT | Near-end crosstalk loss | Suy hao xuyên âm đầu gần |
| PE | PolyEthylene | Nhựa dẻo tổng hợp |
| PSELFEXT | Power sum equal level far-end crosstalk loss | Suy hao tổng công suất xuyên âm đầu xa cùng mức |
| PSNEXT | Povver sum near-end crosstalk loss | Suy hao tổng công suất xuyên âm đầu gần |
| RL | Return Loss | Suy hao phản xạ |
| ScTP cable | Shielded Twisted-Pair | Cáp xoắn cặp có bọc chống nhiễu |
| SLR | Structural return loss | Suy hao phản xạ cấu trúc |
| UTP cable | Unshielded Twisted-Pair | Cáp xoắn cặp không bọc chống nhiễu |
5. Yêu cầu kỹ thuật cáp Cat.5
5.1. Cáp Cat.5 UTP
5.1.1. Lõi dẫn
Lõi dẫn phải là đồng nguyên chất, có độ tinh khiết cao (liền đặc), đã qua ủ mềm, trơn nhẵn, có mặt cắt hình tròn, chất lượng đồng đều và không có bất kỳ một khuyết tật nào.
5.1.2. Đường kính tiêu chuẩn của lõi dẫn
Đường kính tiêu chuẩn của lõi dẫn bằng 1,22 mm, dung sai cho phép ± 0,01 mm.
5.1.3. Yêu cầu về nhóm cáp
5.1.3.1. Loại cáp nhánh
Số đôi dây dẫn trong một cáp không vượt quá 4.
5.1.3.2. Loại cáp trục
Với cáp có số lượng lớn hơn 25 đôi thì phải ghép lõi cáp theo từng nhóm đơn vị có số lượng không lớn hơn 25 đôi. Mỗi nhóm đơn vị được nhận dạng bằng một băng màu. Băng màu phải được duy trì tính nguyên vẹn sau khi ghép nhóm thành cáp.
5.1.4. Mã màu
5.1.4.1. Loại cáp nhánh
Mã màu được qui định trong Bảng 1.
Bảng 1 - Mã màu của cáp nhánh
| Nhận dạng dây dẫn | Mã màu | Viết tắt |
| Đôi dây 1 | Trắng - Lam | W-BL |
| Lam | BI | |
| Đôi dây 2 | Trắng - Cam | W-O |
| Cam | O | |
| Đôi dây 3 | Trắng - Lục | W - G |
| Lục | G | |
| Đôi dây 4 | Trắng – Nâu | W-BR |
| Nâu | BR |
Vạch màu được bổ sung để nhận biết đối với dây dẫn có lớp nhựa cách điện màu trắng. Lớp nhựa cách điện của dây dẫn còn lại trong đôi dây dẫn phải có màu giống vạch màu của dây dẫn có lớp nhựa cách điện màu trắng. Vạch màu trắng đối với dây dẫn có lớp nhựa cách điện màu có thể có hoặc không có.
5.1.4.2. Loại cáp trục
Mã màu phải tuân theo mã màu tiêu chuẩn công nghiệp, bao gồm 10 màu riêng biệt để nhận dạng 25 đôi dây dẫn.
Với cuộn cáp có số đôi dây dẫn nhỏ hơn 25 đôi thì cuộn cáp phải tuân theo mã màu tiêu chuẩn công nghiệp bắt đầu từ 1 đến số lượng đôi dây dẫn của cuộn cáp.
Vạch màu được bổ sung để nhận biết đối với dây dẫn có lớp nhựa cách điện màu trắng/đỏ/đen/vàng/tím. Lớp nhựa cách điện của dây dẫn còn lại trong đôi dây dẫn phải có màu giống vạch màu của dây dẫn có lớp nhựa cách điện màu trắng/đỏ/đen/vàng/tím. Vạch màu trắng/đỏ/đen/vàng/ tím đối với dây dẫn có lớp nhựa cách điện màu có thể có hoặc không có.
Bảng 2 - Bảng mã màu tiêu chuẩn công nghiệp
| Đôi dây dẫn | Mã màu | Viết tắt | Đôi dây dẫn | Mã màu | Viết tắt |
| 1 | Trắng - Lam | W-BL | 14 | Đen – Nâu | BK-BR |
| Lam | BL | Nâu | BR | ||
| 2 | Trắng - Cam | W-O | 15 | Đen - Xám | BK-GR |
| Cam | O | Xám | GR | ||
| 3 | Trắng - Lục | W-G | 16 | Vàng - Lam | Y-BL |
| Lục | G | Lam | BL | ||
| 4 | Trắng - Nâu | W-BR | 17 | Vàng – Cam | Y-O |
| Nâu | BR | Cam | O | ||
| 5 | Trắng - Xám | W-GR | 18 | Vàng - Lục | Y-G |
| Xám | GR | Lục | G | ||
| 6 | Đỏ - Lam | R-BL | 19 | Vàng - Nâu | Y-BR |
| Lam | BL | Nâu | BR | ||
| 7 | Đỏ - Cam | R-O | 20 | Vàng – Xám | Y-GR |
| Cam | O | Xám | GR | ||
| 8 | Đỏ - Lục | R-G | 21 | Tím – Lam | V-BL |
| Lục | G | Lam | BL | ||
| 9 | Đỏ - Nâu | R-BR | 22 | Tím - Cam | V-O |
| Nâu | BR | Cam | O | ||
| 10 | Đỏ - Xám | R-GR | 23 | Tím - Lục | V-G |
| Xám | GR | Lục | G | ||
| 11 | Đen - Lam | BK-BL | 24 | Tím - Nâu | V-BR |
| Lam | BL | Nâu | BR | ||
| 12 | Đen - Cam | BK-O | 25 | Tím - Xám | V-GR |
| Cam | O | Xám | GR | ||
| 13 | Đen - Lục | BK-G |
|
|
|
| Lục | G |
5.1.5. Đường kính cáp
5.1.5.1. Loại cáp nhánh
Đường kính cáp thành phẩm nhỏ hơn 6,35 mm.
5.1.5.2. Loại cáp trục
Tùy chọn.
5.1.6. Cường độ lực kéo đứt
5.1.6.1. Loại cáp nhánh
Cường độ lực kéo đứt tối thiểu của cáp yêu cầu 400 N.
5.1.6.2. Loại cáp trục
Tùy chọn. Nhưng phải bảo đảm yêu cầu cường độ lực kéo đứt tối thiểu của mỗi nhóm 4 đôi cáp không thấp hơn quy định trong 5.1.6.1.
5.1.7. Bán kính uốn cong
Cáp phải chịu được bán kính uốn cong nhỏ nhất 25,4 mm ở nhiệt độ thấp -20 oC ± 1 °C mà không bị rạn nứt lớp vỏ ngoài hay lớp cách điện.
5.1.8. Bọc lõi dẫn
Phải bọc lõi dẫn bằng một hay nhiều lớp vật liệu điện môi có độ dày đủ để đáp ứng các yêu cầu về độ bền điện môi.
5.1.9. Lớp vỏ ngoài sợi dây dẫn
Phải bọc sợi dây dẫn một lớp vỏ ngoài bằng nhựa nhiệt dẻo đồng nhất liên tục.
5.1.10. Điện trở một chiều
Điện trở một chiều của một sợi dây dẫn không được vượt quá 9,38 W/100 m khi được đo ở nhiệt độ 20 oC hay được qui đổi về nhiệt độ 20 °C.
5.1.11. Chênh lệch điện trở một chiều
Chênh lệch điện trở một chiều giữa hai sợi dây dẫn của một đôi dây dẫn không được vượt quá 5 % khi được đo ở nhiệt độ 20 °C hay được qui đổi về nhiệt độ 20 °C.
5.1.12. Điện dung tương hỗ
Điện dung tương hỗ tại 1 kHz của một đôi dây dẫn không được vượt quá 5,6 nF/100 m khi được đo ở nhiệt độ 20 oC hay được qui đổi về nhiệt độ 20 °C.
5.1.13. Suy hao phản xạ cấu trúc
Suy hao phản xạ cấu trúc (SRL) được đo trên độ dài cáp 100 m (trên đôi dây xấu nhất) phải lớn hơn hoặc bằng các giá trị qui định ở Bảng 3 trong dải tần số từ 1 MHz đến 100 MHz.
Bảng 3 - Giá trị suy hao phản xạ cấu trúc
| Tần số (MHz) | SRL (dB) |
| 1 £ f < 20 | 23 |
| 20 £ f £ 100 | 16 - 10lg (f/100) |
5.1.14. Suy hao phản xạ
Suy hao phản xạ (RL) được đo trên độ dài cáp 100 m (trên đôi dây xấu nhất) phải lớn hơn hoặc bằng các giá trị qui định ở Bảng 4 trong dải tần số từ 1 MHz đến 100 MHz.
Bảng 4 - Giá trị suy hao phản xạ ở 20 °C ± 3 °C
| Tần số (MHz) | RL (dB) |
| 1 £ f < 10 | 17 + 3lg (f) |
| 10 £ f < 20 | 20 |
| 20 £ f £ 100 | 20 - 7lg (f/20) |
5.1.15. Suy hao xen/truyền dẫn
· Loại một sợi dẫn
Suy hao xen/truyền dẫn (IL) loại một sợi dẫn phải thoả mãn các giá trị được xác định bằng công thức (1) trong dải tần số từ 1 MHz đến 100 MHz. Nhiệt độ đo suy hao xen/truyền dẫn là 20 °C ± 3 °C hay được qui đổi về nhiệt độ 20 °C sử dụng hệ số qui đổi là 0,4 %/ °C.
(1)
Trong đó, k1 = 1,967; k2 = 0,023 và k3 = 0,050.
· Loại nhiều sợi dẫn
Suy hao xen/truyền dẫn (IL) loại nhiều sợi dẫn phải thoả mãn các giá trị được tính bằng cách nhân các giá trị qui định đối với loại một sợi với hệ số 1,2 (trong dải tần số từ 1 MHz đến 100 MHz.
5.1.16. Suy hao xuyên âm đầu gần loại cáp nhánh
Suy hao xuyên âm đầu gần (NEXT) phải thoả mãn các giá trị được xác định bằng công thức (2) trong dải tần số từ 1 đến 100 MHz.
Suy hao xuyên âm đầu gần được đo với cáp có độ dài lớn hơn hoặc bằng 100 m.
(2)
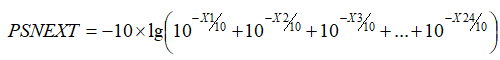
5.1.17. Suy hao tổng công suất xuyên âm đầu gần loại cáp trục
Suy hao tổng công suất xuyên âm đầu gần (PSNEXT) được tính theo công thức (3).
(3)
Trong đó, X1, X2, X3,…, X24 là các giá trị xuyên âm đầu gần đôi-đôi giữa đôi dây dẫn được đo và một trong 24 đôi dây dẫn còn lại.
Suy hao tổng công suất xuyên âm đầu gần phải thoả mãn các giá trị được xác định bằng công thức (4) trong dải tần số từ 0,772 đến 100 MHz.
(4)
5.1.18. Suy hao xuyên âm đầu xa cùng mức loại cáp nhánh
Xuyên âm đều xa cùng mức phải thoả mãn các giá trị được xác định bằng công thức (5) trong dải tần số từ 1 đến 100 MHz, độ dài cáp là 100 m.
(5)
5.1.19. Trễ truyền dẫn
5.1.19.1. Loại cáp nhánh
Trễ truyền dẫn (D) cực đại cho phép phải thoả mãn các giá trị được xác định bằng công thức (6) trong dải tần số từ 1 đến 100 MHz, độ dài cáp là 100 m.
(6)
5.1.19.2. Loại cáp trục
Trễ truyền dẫn không được vượt quá 5,7 ns/ m tại tần số 10 MHz.
5.1.20. Chênh lệch trễ truyền dẫn
Chênh lệch trễ truyền dẫn không được vượt quá 45 ns/100 m khi đo ở nhiệt độ 20 °C, 40 oC và 60 °C trong dải tần số từ 1 đến 100 MHz.
Chênh lệch trễ truyền dẫn giữa các đôi dây dẫn khi đo ở nhiệt độ 40 °C và 60 °C không được lớn hơn ± 10 ns so với giá trị được đo ở nhiệt độ 20 °C.
5.1.21. Độ bền điện môi
Lớp cách điện giữa từng lõi dẫn và lớp bọc kim phải chịu được điện áp một chiều tối thiểu là 5 kV trong thời gian 3 giây.
5.1.22. Trở kháng đặc tính
Cáp phải có trở kháng đặc tính là 100 W ± 15 % trong dải tần số từ 1 đến 100 MHz.
5.1.23. Ghi nhãn sản phẩm
Thông tin ghi nhãn sản phẩm bao gồm (các dấu hiệu nhận biết lặp đi lặp lại dọc theo suốt chiều dài cáp với khoảng cách không lớn hơn 1 m):
* Tên sản phẩm.
* Năm sản xuất.
* Loại cáp.
* Số thứ tự mét dài.
* Số đôi cáp
* Kích thước lõi dẫn.
* Thông tin về nhà sản xuất.
Đánh số độ dài cáp:
* Tất cả các cuộn cáp phải thể hiện số độ dài liên tục tại các khoảng cách đều nhau 1 m, bắt đầu từ “0 m”, dọc theo suốt chiều dài bên ngoài vỏ cáp.
* Số thể hiện độ dài phải đọc được rõ ràng.
* Sai số của số thể hiện độ dài phải nhỏ hơn hoặc bằng 1 % và độ dài thực tế của cáp không được nhỏ hơn độ dài đánh số.
5.1.24. Khả năng chống cháy
Theo quy định trong TCVN 6613-1:2000 Thử nghiệm cáp điện trong điều kiện cháy. Phần 1: Thử nghiệm dây đơn hoặc cáp đơn cách điện ở trạng thái thẳng đứng.
5.2. Cáp Cat.5 ScTP
Cáp Cat 5 ScTP phải thoả mãn các yêu cầu giống như cáp Cat.5 UTP ngoại trừ những yêu cầu được qui định dưới đây.
5.2.1. Bọc lõi cáp
Phải bọc lõi cáp bằng một hay nhiều lớp vật liệu điện môi có độ dày đủ để đáp ứng các yêu cầu về độ bền điện môi.
5.2.2. Lớp bọc chống nhiễu
Khi sử dụng lớp bọc chống nhiễu dẫn điện thì lớp bọc chống nhiễu phải tuân theo các yêu cầu trong 5.2.5.
Lớp bọc chống nhiễu phải bao gồm một băng kim loại mỏng tráng nhựa một mặt ốp dọc hoặc quấn quanh lõi cáp và một hoặc nhiều sợi dây đồng tráng thiếc chạy dọc, quấn quanh hoặc dệt quanh lõi cáp. Những sợi đồng trắng thiếc này có đường kính lớn hơn hoặc bằng 0,12 mm và phải tiếp xúc với bề mặt kim loại của băng kim loại
5.2.3. Bán kính uốn cong
Cáp phải chịu được bán kính uốn cong 50 mm ở nhiệt độ -20 °C ± 1 °C mà không bị rạn nứt lớp vỏ ngoài, lớp bọc kim hay lớp cách điện.
5.2.4. Độ bền điện môi
Lớp cách điện giữa từng sợi dây dẫn và lớp bọc kim phải chịu được điện áp một chiều tối thiểu là 2,5 kV trong thời gian 2 giây hay điện áp xoay chiều tối thiểu là 1,7 kV trong thời gian 2 giây.
5.2.5. Trở kháng lớp bọc chống nhiễu
Trở kháng lớp bọc chống nhiễu (Z) không được vượt quá các giá trị được xác định bằng công thức (7)
(7)
Trong đó, Z là trở kháng lớp bọc chống nhiễu, mW/ m; f là tần số trong dải từ 1 MHz đến 100 MHz.
5.2.6. Chênh lệch điện dung giữa đôi dây dẫn với đất
Chênh lệch điện dung tại 1 kHz giữa một đôi dây dẫn và đất không được vượt qua 330pr/ 100 m khi được đo ở nhiệt độ 20 °C hay được qui đổi về nhiệt độ 20 °C.
6. Yêu cầu kỹ thuật cáp Cat.5e
6.1. Cáp Cat.5e UTP
Cáp Cat.5e UTP phải thoả mãn các yêu cầu giống như cáp Cat.5 UTP ngoại trừ những yêu cầu được qui định dưới đây.
6.1.1. Suy hao phản xạ
· Loại một sợi
Suy hao phản xạ (RL) được đo trên độ dài cáp 100 m (trên đôi dây xấu nhất) phải lớn hơn hoặc bằng các giá trị qui định ở Bảng 5 trong dải tần số từ 1 MHz đến 100 MHz.
Bảng 5 - Giá trị suy hao phản xạ ở 20 °C ± 3 °C
| Tần số (MHz) | RL (dB) |
| 1 £ f < 10 | 20 + 5lg (f) |
| 10 £ f < 20 | 25 |
| 20 £ f £ 100 | 25 - 7lg (f/20) |
· Loại nhiều sợi
Suy hao phản xạ (RL) đo trên độ dài cáp 100 m (trên đôi dây xấu nhất) phải lớn hơn hoặc bằng các giá trị qui định ở Bảng 6 trong dải tần số từ 1 MHz đến 100 MHz.
Bảng 5 - Giá trị suy hao phản xạ ở 20 °C ± 3 °C
| Tần số (MHz) | RL (dB) |
| 1 £ f < 10 | 20 + 5lg (f) |
| 10 £ f < 20 | 25 |
| 20 £ f £ 100 | 25 - 8,6lg(f/20) |
6.1.2. Suy hao xuyên âm đầu gần
Suy hao xuyên âm đầu gần (NEXT) phải thoả mãn các giá trị được xác định bằng công thức (8) trong dải tần số từ 0,772 MHz đến 100 MHz.
Suy hao xuyên âm đầu gần được đo với cáp có độ dài lớn hơn hoặc bằng 100 m.
(8)
6.1.3. Suy hao tổng công suất xuyên âm đầu gần
6.1.3.1. Loại cáp nhánh
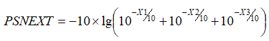
Suy hao tổng công suất xuyên âm đầu gần (PSNEXT) được tính theo công thức (9).
(9)
Trong đó, X1, X2, X3 là các giá trị xuyên âm đầu gần đôi-đôi giữa đôi dây dẫn được đo và một trong ba đôi dây dẫn còn lại.
Suy hao tổng công suất xuyên âm đầu gần phải thoả mãn các giá trị được xác định bằng công thức (10) trong dải tần số từ 0,772 MHz đến 100 MHz.
(10)
6.1.3.2. Loại cáp trục
Suy hao tổng công suất xuyên âm đầu gần (PSNEXT) được tính theo công thức (3).
Suy hao tổng công suất xuyên âm đầu gần phải thoả mãn các giá trị được xác định bằng công thức (10), trong dải tần số từ 0,772 MHz đến 100 MHz.
6.1.4. Xuyên âm đầu xa cùng mức
Xuyên âm đầu xa cùng mức (ELFEXT) là sự chênh lệch giữa suy hao xuyên âm đầu xa đo được của đôi dây dẫn chịu xuyên âm và suy hao xen/truyền dẫn của đôi dây dẫn gây xuyên âm và được tính theo đơn vị dB.
Xuyên âm đầu xa cùng mức phải thoả mãn các giá trị được xác định bằng công thức (11) trong dải tần số từ 1 MHz đến 100 MHz, độ dài cáp là 100 m.
(11)
6.1.5. Suy hao tổng công suất xuyên âm đầu gần
6.1.5.1. Loại cáp nhánh
Suy hao tổng công suất xuyên âm đầu xa cùng mức (PSELFEXT) được tính theo công thức (12).
(12)
Trong đó, X1, X2, X3 là các giá trị xuyên âm đầu xa cùng mức đôi-đôi giữa đôi dây dẫn được đo và một trong ba đôi dây dẫn còn lại và được tính theo đơn vị dB.
Suy hao tổng công suất xuyên âm đầu xa cùng mức phải thoả mãn các giá trị được xác định bằng công thức (13) trong dải tần số từ 1 MHz đến 100 MHz, độ dài cáp là 100 m.
(13)
6.1.5.2. Loại cáp trục
Suy hao tổng công suất xuyên âm đầu xa cùng mức (PSELFEXT) được tính theo công thức (14).
(14)
Trong đó, X1, X2, X3, .... X24 là các giá trị xuyên âm đầu xa cùng mức đôi-đôi giữa đôi dây dẫn được đo và một trong 24 đôi dây dẫn còn lại và được tính theo đơn vị dB.
Suy hao tổng công suất xuyên âm đầu xa cùng mức phải thoả mãn các giá trị được xác định bằng công thức (13) trong dải tần số từ 1 Mhz đến 100 MHz, độ dài cáp là 100 m.
6.1.6. Trễ truyền dẫn
Trễ truyền dẫn (D) cực đại cho phép phải thoả mãn các giá trị được xác định bằng công thức (6) trong dải tần số từ 1 MHz đến 100 MHz, độ dài cáp là 100 m.
6.1.7. Chênh lệch trễ truyền dẫn
Chênh lệch trễ truyền dẫn không được vượt quá 45 ns/ 100 m khi được đo ở nhiệt độ 20 °C, 40 °C và 60 °C trong dải tần số từ 1 MHz đến 100 MHz.
Chênh lệch trễ truyền dẫn giữa các đôi dây dẫn khi được đo ở nhiệt độ 40 °C và 60 °C không được lớn hơn ± 10 ns so với giá trị được đo ở nhiệt độ 20 °C.
6.2. Cáp Cat.5e ScTP
Cáp Cat.5e ScTP phải thoả mãn các yêu cầu giống như cáp Cat.5e UTP và 5.2.1; 5.2.2; 5.2.3; 5.2.4; 5.2.5 và 5.2.6 của cáp Cat.5 ScTP.
PHỤ LỤC A
(Tham khảo)
PHƯƠNG PHÁP ĐO CÁP
A.1. Suy hao xen/truyền dẫn
A.1.1. Cấu hình đo suy hao xen/truyền dẫn
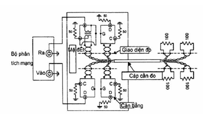
Những yêu cầu sau đây áp dụng đối với cấu hình đo suy hao xen/truyền dẫn.

Hình A. 1 - Sơ đồ cấu hình đo suy hao xen/truyền dẫn, suy hao FEXT hoặc ELFEXT và trễ truyền dẫn
Sơ đồ chi tiết của cân bằng được chỉ ra trên Hình A 1. Điểm kết nối đánh dấu là “C” biểu diễn kết nối lõi cổng dây-đất, điểm kết nối đánh dấu “D” biểu diễn kết nối tới cổng không cân bằng và điểm kết nối “G” biểu diễn kết nối tới đất.
CHÚ THÍCH:
1 Nếu sử dụng phương pháp hiệu chỉnh hai cổng và đầu cuối phía xa của cáp cần đo được nối tới đầu vào có tải của bộ đo tham số S thì kết quả do bộ phân tích mạng thông báo đã được hiệu chỉnh các suy hao nguồn và suy hao phản xạ
2 Phải nối vỏ chắn hay màn che (nếu có) với đất bằng kết nối có giá trị điện cảm bé.
3 Việc nối đất ở đầu gần hay xa thông qua bộ phân tích mạng sẽ không gây ảnh hưởng nhiều tới kết quả đo.
Trong khi hiệu chỉnh hai cổng bộ phân tích mạng, các giao diện đo phải tiếp xúc tốt với các thiết bị hiệu chỉnh và cũng phải kết nối thuận tiện với cáp trong khi đo.
A. 1.2. Hiệu chỉnh hai cổng cho hệ thống đo
Các yêu cầu sau đây áp dụng cho việc hiệu chỉnh suy hao xen/truyền dẫn.
Sử dụng các phương pháp hiệu chỉnh và đo hai cổng, bao gồm cả việc bù đáp ứng balun, để đo suy hao xen/truyền dẫn, suy hao NEXT và suy hao FEXT.
Khi hiệu chỉnh phản xạ, phải sử dụng phương pháp hiệu chỉnh hai cổng với các thiết bị hiệu chỉnh chuẩn về tải hở mạch và ngắn mạch.
Khi hiệu chỉnh truyền dẫn, phải kết nối các cổng đo đầu gần và đầu xa tại mặt phẳng tham chiếu bằng một chuẩn đã biết. Các chuẩn này có thể là một đoạn cáp.
Việc hiệu chỉnh về cách điện chỉ bắt buộc khi có xuyên âm nghiêm trọng giữa các cổng đo đầu gần và đầu xa tại vị trí mặt phẳng tham chiếu. Nếu mức xuyên âm không thể bù tại vị trí này gần nền nhiễu của bộ phân tích mạng thì có thể bỏ qua việc hiệu chỉnh về cách điện.
Nếu phải hiệu chỉnh về cách điện thì phải kết nối các cổng đo đầu gần và đầu xa bằng tải 100 W tại vị trí của mặt phẳng tham chiếu.
A.1.3. Đo suy hao xen/truyền dẫn
Đo tham số S21 của đôi dây dẫn được nối với bộ phân tích mạng tại cả cổng đo đầu gần và đầu xa.
A.2. Suy hao NEXT
A.2.1. Cấu hình đo suy hao NEXT
Hình A.2 miêu tả sơ đồ đo suy hao NEXT và suy hao phản xạ.
Sử dụng các kết cuối điện trở cho các đôi dây dẫn không đo tại đầu xa để nâng cao mức suy hao phản xạ. Sơ đồ chi tiết của balun được chỉ ra trên hình A.2. Điểm kết nối đánh dấu là “C” biểu diễn kết nối tới cổng dây-đất, điểm kết nối đánh dấu “D” biểu diễn kết nối tới cổng không cân bằng và điểm kết nối “G” biểu diễn kết nối tới mặt đất.

Hình A.2 - Sơ đồ cấu hình đo suy hao NEXT và suy hao phản xạ
A.2.2. Hiệu chỉnh suy hao NEXT
Khi hiệu chỉnh suy hao NEXT, phải sử dụng phương pháp hiệu chỉnh hai cổng như trong A.1.2.
Khi sử dụng bốn balun, phải hiệu chỉnh hai cổng đối với cả 6 kết hợp đôi dây dẫn tại đầu gần.
A.2.3. Đo suy hao NEXT
Đo tham số S21 bằng một bộ phân tích mạng được kết nối với từng kết hợp đôi dây dẫn trong 6 khả năng kết hợp đôi của cuộn cáp có bốn đôi dây dẫn hoặc từng kết hợp đôi dây dẫn trong cuộn cáp có nhiều đôi dây dẫn.
A.3. ELFEXT
A.3.1. Cấu hình đo ELFEXT
Cấu hình đo ELFEXT được miêu tả như trong A.1.1. ELFEXT là giá trị tính toán từ kết quả đo suy hao FEXT và suy hao xen/truyền dẫn.
A.3.2. Hiệu chỉnh suy hao FEXT
Khi hiệu chỉnh suy hao FEXT, phải hiệu chỉnh hai cổng như trong A.1.2.
Khi sử dụng nhiều hơn hai balun, phải hiệu chỉnh hai cổng đối với tất cả 12 kết hợp đôi dây dẫn của cuộn cáp.
A.3.3. Đo suy hao FEXT
Chỉ đo 12 kết hợp đôi dây dẫn của suy hao FEXT ở một đầu cuối.
Không phải đo suy hao FEXT ở cả hai đầu cuối.
A.4. Suy hao phản xạ
A.4.1. Cấu hình đo suy hao phản xạ
Cấu hình đo suy hao phản xạ giống như cấu hình đo suy hao NEXT trong A.2.1.
A.4.2. Hiệu chỉnh suy hao phản xạ
Hiệu chỉnh hai cổng như trong A.1.2.
A.4.3. Đo suy hao phản xạ
Đo tham số S11 bằng một bộ phân tích mạng được nối với từng đôi dây dẫn ở đầu gần.
A.5. Suy hao phản xạ cấu trúc
Phép đo suy hao phản xạ cấu trúc giống như phép đo suy hao phản xạ với trở kháng cáp kết cuối 100 W được thay thế bằng trở kháng cáp trung bình đo được.
A.6. Thử nghiệm cáp điện trong điều kiện cháy
Như quy định trong TCVN 6613-1-1:2010 Thử nghiệm cáp điện trong điều kiện cháy. Phần 1: Thử nghiệm dây đơn hoặc cáp đơn cách điện ở trạng thái thẳng đứng.
A.7. Đo các thông số cơ lý
A 7.1 Đo kiểm tra cường độ lực kéo đứt và độ giãn dài khi đứt của lõi dẫn:
Mục đích Đo kiểm tra cường độ lực kéo đứt và độ giãn dài khi đứt của lõi dẫn đặc.
Thiết bị:
i) Máy thử kéo đứt có tốc độ kéo (100 ± 20) mm/phút;
ii) Thước đo.
Các bước thực hiện:
· Chuẩn bị mẫu thử: Cắt các mẫu thử nghiệm dài 300 mm, loại bỏ lớp cách điện. Đánh dấu đoạn ở giữa dài 250 mm.
· Ổn định mẫu thử: Giữ các mẫu thử nghiệm ở nhiệt độ 23 ± 5 °C tối thiểu trong 3 giờ.
· Phép thử: Đưa mẫu thử vào máy kéo, tốc độ kéo là 100 ± 20 mm/phút ở nhiệt độ phòng. Dùng thước đo phù hợp để đo liên lục chiều dài giữa hai điểm đã đánh dấu trong suốt quá trình kéo đứt. Xử lý kết quả.
· Giá trị cường độ lực kéo đứt là ứng suất kéo lớn nhất ghi được trong quá trình kéo mẫu thử nghiệm đến thời điểm dứt. Độ giãn dài lõi dẫn được tính theo công thức:

· Trong đó: L là độ dài giữa hai điểm được đánh dấu tại thời điểm đứt, mm.
· Lấy giá trị trung bình của cường độ lực kéo đứt và độ giãn dài khi đứt trên 3 mẫu thử. Lõi dẫn được coi là đạt yêu cầu nếu cường độ lực kéo đứt trung bình như quy định trong Mục 5.1 6 và độ giãn dài khi đứt trung bình E (%) ³ 10 %.
A.7.2. Đo kiểm tra cường độ lực kéo đứt và độ giãn dài khi đứt của cách điện lõi dẫn:
Mục đích: Đo cường độ lực kéo đứt va độ giãn dài khi đứt của cách điện lõi dẫn.
Thiết bị. Máy thử kéo đứt có tốc độ kéo (25 ± 5) mm/phút nếu là cách điện PE hoặc PP hoặc cách điện có chứa vật liệu này, tốc độ kéo là (250 ± 50) mm/phút đối với các vật liệu cách điện khác.
Các bước thực hiện:
· Chuẩn bị mẫu thử: Lấy 3 mẫu thử nghiệm dài 100 mm. Mẫu sẽ có dạng ống sau khi loại bỏ ruột dẫn và các lớp bọc bên ngoài mà không làm hư hỏng cách điện. Đánh dấu đoạn ở giữa dài 20 mm trước khi thử nghiệm kéo.
· Ổn định mẫu thử: Trước khi kéo, tất cả các mẫu thử nghiệm phải được bảo vệ tránh ánh nắng mặt trời chiếu trực tiếp ít nhất trong 3h ở nhiệt độ 23 ± 2 °C.
· Phép thử: Đưa mẫu thử lên máy thử, điều chỉnh tốc độ kéo sao cho có thể ghi nhận được lực tại thời điểm kéo một cách dễ dàng. Dùng thước đo phù hợp để đo liên tục chiều dài giữa hai điểm đã đánh dấu trong suốt quá trình kéo đứt.
Xử lý kết quả:
Giá trị cường độ lực kéo đứt là ứng suất kéo lớn nhất ghi được trong quá trình kéo mẫu thử nghiệm đến thời điểm đứt. Độ giãn dài khi đứt của cách điện lõi dẫn được tính theo công thức:

· Trong đó, L là độ dài giữa hai điểm được đánh dấu tại thời điểm đứt, mm.
· Lấy giá trị trung bình của cường độ lực kéo đứt và độ giãn dài khi đứt trên 3 mẫu thử. Cách điện lõi dẫn được coi là đạt yêu cầu nếu cường độ lực kéo đứt trung bình lớn hơn hoặc bằng 1,02 kgf/mm2 và độ giãn dài khi đứt trung bình E(%) ³ 350 %.
A.7.3. Đo thử cường độ lực kéo đứt và độ giãn dài khi đứt của vỏ:
Mục đích: Đo cường độ lực kéo đứt và độ giãn dài khi đứt của vật liệu vỏ bọc.
Thiết bị: Máy thử kéo đứt có tốc độ kéo (25 ± 5) mm/phút nếu là vỏ PE hoặc PP hoặc vỏ có chứa vật liệu này, tốc độ kéo là (250 ± 50) mm/phút đối với các vật liệu khác.
Các bước thực hiện
· Chuẩn bị mẫu thử: Lấy 3 mẫu thử nghiệm dài 100 mm. Mẫu sẽ có dạng ống sau khi loại bỏ các thành phần cáp nằm bên trong vỏ bọc, kể cả các lõi, chất điền đầy và lớp phủ bên trong. Đánh dấu đoạn ở giữa dài 20 mm trước khi thử nghiệm kéo.
· Ổn định mẫu thử: Trước khi kéo, tất cả các mẫu thử nghiệm phải được bảo vệ tránh ánh nắng mặt trời chiếu trực tiếp ít nhất trong 3 h ở nhiệt độ 23 ± 2 °C.
· Phép thử: Đưa mẫu thử lên máy thử, điều chỉnh tốc độ kéo sao cho có thể ghi nhãn được lực tại thời điểm kéo một cách dễ dàng. Dùng thước đo phù hợp để đo liên tục chiều dài giữa hai điểm đã đánh dấu trong suốt quá trình kéo đứt.
Xử lý kết quả:
· Giá trị cường độ lực kéo đứt là ứng suất kéo lớn nhất ghi được trong quá trình kéo mẫu thử nghiệm đến thời điểm đứt. Độ giãn dài khi đứt của vỏ được tính theo công thức:

· Trong đó: L là độ dài giữa hai điểm được đánh dấu tại thời điểm đứt, mm.
· Lấy giá trị trung bình của cường độ lực kéo đứt và độ giãn dài khi đứt trên 3 mẫu thử. Vỏ được coi là đạt yêu cầu nếu cường độ lực kéo đứt trung bình lớn hơn hoặc bằng 1,02 kgf/mm2 và độ giãn dài khi đứt trung bình E(%) ³ 350 %.
A.8. Đo các thông số về ổn định nhiệt và độ bền môi trường
A.8.1. Độ co ngót của lớp cách điện sau khi nung nóng dây dẫn
Mục đích: Xác định độ co ngót của lớp cách điện sau khi nung nóng dây dẫn.
Thiết bị
i) Lò lưu thông không khí;
ii) Thước đo.
Các bước thực hiện:
· Chuẩn bị mẫu thử: Cắt 3 đoạn mẫu thử nghiệm của dây cách điện (kể cả dây dẫn) dài 150 mm ở phần giữa của một đoạn cáp thành phẩm dài 1.5 m. Sau đó đánh dấu một đoạn dài 100 mm ở giữa mẫu thử dài 150 mm. Ở hai đầu mẫu thử cách điểm đầu từ 2 đến 5 mm, cắt và loại bỏ lớp cách điện.
· Phép thử. Các mẫu thử nghiệm trên được đỡ theo chiều ngang bởi các đầu dây trần trong lò lưu thông không khí để tránh sự di chuyển tự do của lớp cách điện. Nung nóng các mẫu thử nghiệm ở nhiệt độ 115 ± 1 °C trong vòng 1 giờ. Đưa mẫu thử về nhiệt độ phòng và đo độ chiều dài I (mm) của lớp cách điện trên cả 2 đầu mẫu thử.
Xử lý kết quả:
· Độ co ngót được tính như sau.

· Trong đó: d - độ co ngót, %.
· Cách điện được coi là đạt yêu cầu nếu d £ 5 %.
A.8.2. Thử nghiệm uốn ở nhiệt độ thấp đối với cách điện
Mục đích: Đo độ uốn ở nhiệt độ thấp của cách điện.
Thiết bị:
i) Tủ lạnh để làm lạnh vật liệu cách điện:
ii) Trục quấn có đường kính bằng 3 lần đường kính mẫu thử.
Các bước thực hiện:
· Chuẩn bị mẫu thử: Mẫu vật liệu cách điện dây dẫn (kể cả dây dẫn) và thiết bị phải được giữ trong tủ lạnh ở nhiệt độ -40 ± 2 °C trong khoảng thời gian không ít hơn 16 giờ. Thời gian làm lạnh 16 giờ có tính đến thời gian cần thiết để làm lạnh thiết bị. Nếu thiết bị đã được làm lạnh trước thì cho phép thời gian làm lạnh ngắn hơn nhưng không ít hơn 4 giờ với điều kiện mẫu đã đạt tới nhiệt độ -40 ± 2o C. Nếu thiết bị và mẫu thử nghiệm đã được làm lạnh trước thì thời gian làm lạnh là 1 giờ sau khi từng mẫu thử nghiệm được cố định vào thiết bị là đủ.
· Phép thử: Khi kết thúc thời gian nêu trên, mẫu thử nghiệm được quấn 5 vòng trên thanh tròn hình trụ có đường kính bằng 3 lần đường kính của mẫu thử nghiệm và giữ ở nhiệt độ -40 ± 2 o C trong 1 giờ. Sau đó giữ nguyên mẫu thử nghiệm trên trục quấn và làm lạnh đến nhiệt độ môi trường.
Xử lý kết quả: Vật liệu được coi là đạt yêu cầu nếu cách điện của mẫu thử không có vết nứt khi kiểm tra bằng mắt thường hoặc có kính thị lực nhưng không có phóng đại.
A.8.3. Đo thử cường độ lực kéo đứt và độ giãn dài khi đứt của vỏ cáp sau khi lão hoá
Mục đích: Đo cường độ lực kéo đứt và độ giãn dài khi đứt của vỏ cáp sau khi lão hoá.
Thiết bị.
i) Lò nhiệt có lưu thông không khí tự nhiên hoặc cưỡng bức;
ii) Máy thử kéo đứt có tốc độ kéo (25 ± 5) mm/phút nếu là vỏ PE hoặc PP hoặc vỏ có chứa vật liệu này, tốc độ kéo là (250 ± 50) mm/phút đối với các vật liệu khác.
Các bước thực hiện:
· Chuẩn bị mẫu thử: Lấy 3 mẫu thử nghiệm dài 100 nm nằm ở vị trí gần kề với các mẫu thử nghiệm dùng, cho thử nghiệm không lão hoá thử nghiệm kéo trên các mẫu đã thử nghiệm lão hoá và không lão hoá phải theo trình tự liên tiếp. Mẫu sẽ có dạng ống sau khi loại bỏ các thành phần cáp nằm bên trong vỏ bọc, kể cả các lõi, chất điền đầy và lớp phủ bên trong. Đánh dấu đoạn ở giữa dải 20 mm trước khi thử nghiệm kéo.
· Ổn định mẫu thử: Trước khi kéo, tất cả các mẫu thử nghiệm phải được bảo vệ tránh ánh nắng mặt trời chiếu trực tiếp ít nhất trong 3 h ở nhiệt độ 23 ± 2 °C.
· Thực hiện lão hoá:
+ Không khí phải đi vào lò theo cách thổi vào bề mặt của mẫu thử nghiệm và đi ra gần phía trên của lò. Số lần thay đổi hoàn toàn không khí trong lò trong 1 giờ ở 80 °C phải lớn hơn 8 và ít hơn 20 lần.
+ Không được dùng quạt ở bên trong lò.
+ Lão hoá phải được thực hiện ở điều kiện khí quyển có các thành phần và áp suất không khí trong môi trường.
+ Mẫu thử nghiệm được treo thẳng đứng và chủ yếu ở khu vực giữa lò sao cho từng mẫu thử nghiệm cách nhau ít nhất là 20 mm.
+ Giữ mẫu thử nghiệm trong lò ở nhiệt độ 100 ± 2 °C trong khoảng thời gian 10 x 24 giờ.
+ Ngay khi kết thúc chu kỳ lão hoá, đưa mẫu thử nghiệm ra khỏi lò và để vào khu vực có nhiệt độ môi trường ít nhất là 16 h, tránh ánh nắng trực tiếp của mặt trời.
* Phép thử: Đưa mẫu thử lên máy thử, điều chỉnh tốc độ kéo sao cho có thể ghi nhận được lực tại thời điểm kéo một cách dễ dàng.
Xử lý kết quả:
* Dùng thước đo phù hợp để đo liên tục chiều dài giữa hai điểm đã đánh dấu trong suốt quá trình kéo đứt. Giá trị cường độ lực kéo đứt là ứng suất kéo lớn nhất ghi được trong quá trình kéo mẫu thử nghiệm đến thời điểm đứt. Độ giãn dài khi đứt của vỏ được tính theo công thức:

Trong đó: L là độ dài giữa hai điểm được đánh dấu tại thời điểm đứt, mm.
Lấy giá trị trung bình của cường độ lực kéo đứt và độ giãn dài khi đứt trên 3 mẫu thử. Vỏ được coi là đạt yêu cầu nếu cường độ lực kéo đứt trung bình lớn hơn hoặc bằng 70 % cường độ lực kéo đứt của vỏ cáp chưa qua lão hoá (kết quả đo được trong 5.1.3) và độ giãn dài khi đứt trung bình lớn hơn hoặc bằng 50 % độ giãn dài khi đứt của vỏ cáp chưa qua lão hoá.
A.8.4. Phép đo kiểm tra độ đồng đều của cách điện lõi dẫn
Độ đồng đều của bề dày lớp cách điện xung quanh lõi dẫn được xác định theo độ đồng tâm (Ec, %.) hoặc tỷ số giữa độ dày xuyên tâm nhỏ nhất và độ dày xuyên tâm lớn nhất (dmin/dmax) tại mặt cắt bất kỳ của vỏ cách điện lõi dẫn như sau:
;
³ 0,75
Trong đó:
* dmax là độ dày xuyên tâm lớn nhất.
* dmin là độ dày xuyên tâm nhỏ nhất.
Tiêu chuẩn Ec phải nhỏ hơn hoặc bằng 43 %.
A.9. Đo các thông số điện và thông số truyền dẫn
A.9.1. Phép đo điện trở một chiều của dây dẫn
Mục đích: Xác định điện trở một chiều của dây dẫn.
Thiết bị: Cầu đo Wheatstone hoặc máy đo tương đương có độ chính xác ± 0,5 % hoặc máy đo cáp chuyên dụng.
Sơ đồ đo:

Hình A.3 - Sơ đồ đo điện trở một chiều của dây dẫn
Các bước thực hiện:
* Cách 1:
+ Nối 2 đầu của một đôi dây với máy đo.
+ Ngắn mạch đầu xa của đôi dây.
+ Đo và ghi lại giá trị điện trở một chiều đo được.
Cách 2:
+ Nối 2 dầu dây của cùng một sợi dây với máy đo.
+ Đo và ghi lại giá trị điện trở một chiều đo được.
Xử lý kết quả:
* Hiệu chỉnh giá trị đo được về nhiệt độ tiêu chuẩn 20 °C, theo đơn vị W/km.
* Giá trị điện trở được hiệu chỉnh về nhiệt độ tiêu chuẩn bằng cách nhân giá trị đo được với hệ số k xác định theo công thức sau:

* Trong đó: t là nhiệt độ khi thực hiện phép đo tính theo °C.
* Chú ý: Để hiệu chỉnh giá trị tương ứng theo chiều dài, chia giá trị đo được cho L (L là chiều dài của cáp tính theo m).
* So sánh kết quả đo được với quy định trong Mục 5.1.10.
A.9.2. Phép đo mức độ mất cân bằng điện trở
Mức độ mất cân bằng điện trở giữa hai dây dẫn của một đôi dây trong cuộn cáp thường được xác định khi đo điện trở dây dẫn trong A.9.1.
Mức độ mất cân bằng điện trở giữa hai dây dẫn trong một đôi dây được tính theo công thức sau:

Trong đó: Rmax là điện trở tính theo W của dây dẫn có giá trị điện trở cao hơn; Rmin là điện trở tính theo W của dây dẫn có giá trị điện trở nhỏ hơn.
So sánh giá trị DR với yêu cầu trong Mục 5.1.11.
A.9.3. Phép đo điện trở màn che tĩnh điện
Mục đích: Xác định điện trở của màn che tĩnh điện.
Thiết bị: Cầu đo Wheatstone hoặc máy đo tương đương có độ chính xác ± 0,5 % hoặc máy đo cáp chuyên dụng.
Sơ đồ đo:

Hình A.4 - Sơ đồ đo điện trở màn che tĩnh điện
Các bước thực hiện:
* Bước 1 (Hình A.4 a):
+ Nối 2 đầu đây của đôi dây tới máy đo.
+ Ngắn mạch ở đầu xa của đôi dây và nối tới màn che tĩnh điện.
+ Đo và ghi lại giá trị điện trở R1, W.
* Bước 2 (Hình A.4.b):
+ Ngắn mạch ở đầu gần và đầu xa của đôi dây.
+ Nối đầu gần của đôi dây tới cực thứ nhất của máy đo.
+ Tại đầu gần, nối màn che tĩnh điện tới cực thứ 2 của máy đo.
+ Đo và ghi lại giá trị điện trở R2, W.
Xử lý kết quả:
* Giá trị điện trở của màn che tĩnh điện được xác định bằng công thức.
(Ω)
* Yêu cầu chiều dài cáp 1 km. Đối chiếu kết quả với yêu cầu như sau:
+ Trở kháng lớn nhất của màn chắn nhôm đơn hoặc màn chắn nhôm-thép kép khi đo ở (hoặc quy về) 20 o C không lớn hơn giá trị tính toán theo công thức sau:

+ Trong đó: Rs là trở kháng màn chắn lớn nhất, W/km; D là đường kính ngoài của màn chắn, mm.
A.9.4. Phép đo điện trở cách điện
Mục đích: Kiểm tra điện trở cách điện của đôi dây bao gồm giữa 2 sợi với nhau.
Thiết bị: Đồng hồ vạn năng hoặc thiết bị tương đương có khả năng đo điện trở cách điện hoặc máy đo cáp chuyên dụng.
Sơ đồ đo:

Hình A.5 - Sơ đồ đo điện trở cách điện
Các bước thực hiện:
* Nối 2 đầu dây dẫn của một đôi dây với máy đo.
* Hở mạch đầu xa của đôi dây.
* Đặt điện áp đo trên máy đo là 500 V khi đo cáp mới và 350 V khi đo cáp đã sử dụng.
* Đo trong khoảng thời gian 1 phút và ghi lại giá trị điện trở cách điện T-R.
Xử lý kết quả:
* Nếu độ dài cáp khác 1 km thì phải quy đổi giá trị đo được về độ dài tiêu chuẩn 1 km theo công thức sau:
(MW.km)
* Trong đó: Rcđ0 là giá trị điện trở cách điện quy đổi về 1 km, MW.km; Rcđ1 là giá trị điện trở cách điện đo được trên chiều dài mẫu cáp, MW;l là chiều dài mẫu cáp, km.
* Đối chiếu kết quả đo được với yêu cầu:
+ Đối với cáp không nhồi dầu, giá trị điện trở cách điện giữa dây dẫn với dây dẫn và giữa dây dẫn với màn che (nếu có) đo ở 20 °C phải lớn hơn 5 000 MW/km.
+ Đối với cáp nhồi dầu, giá trị điện trở cách điện giữa dây dẫn với dây dẫn và giữa dây dẫn với màn che (nếu có) đo ở 20 °C phải lớn hơn 1 500 MW/km.
+ Điện áp đo thử là điện áp một chiều bằng 350 VDC cho cáp đang sử dụng và bằng 500 VDC cho cáp xuất xưởng, thời gian đo là 1 phút.
A.9.5. Phép đo điện dung công tác
Mục đích: Kiểm tra điện dung công tác giữa hai sợi của một đôi dây.
Thiết bị: Cầu đo điện dung hoặc thiết bị tương đương có chức năng đo điện dung hoặc máy đo cáp chuyên dụng với độ chính xác 1 %
Sơ đồ đo:

Hình A.6 - Sơ đồ đo điện dung công tác
Các bước thực hiện:
* Nối 2 đầu dây dẫn của một đôi dây với máy đo.
* Hở mạch đầu xa của đôi dây.
* Nối tất cả các đôi dây còn lại với nhau, nối tới màn che (nếu có) và nối tới đất.
* Đặt tần số đo ở 1 000 Hz.
* Đo điện dung giữa T-R, T-G, R-G và ghi lại kết quả.
Xử lý kết quả:
* Giá trị điện dung công tác được tính theo công thức:


Hình A.7 - Cách xác định điện dung công tác
* Trong đó: CAB là điện dung giữa dây A và dây; CAG và CBG là điện dung giữa các dây A và dây B tới đất; Hiệu chỉnh giá trị điện dung đo được về chiều dài quy định, hiển thị theo đơn vị nF/km.
* Nếu độ dài mẫu cáp khác 1000 m thì giá trị đo được phải quy đổi về độ dài tiêu chuẩn 1000 m bằng công thức:

Trong đó: C0 là điện dung công tác tính theo nF/km; C là điện dung công tác đo được, nF; I là độ dài mẫu cáp, m; Đối chiếu giá trị điện dung công tác với yêu cầu: Trong một cuộn cáp, điện dung công tác trung bình của tất cả các đôi dây đo ở tần số 1 kHz và ở nhiệt độ 20 °C không được vượt quá 55 nF/km. Điện dung lớn nhất không được vượt quá 58 nF/km.
A.9.6. Phép đo điện dung không cân bằng giữa đôi dây với đất
Mục đích: Kiểm tra mức độ không cân bằng điện dung giữa đôi dây với đất.
Thiết bị: Cầu đo điện dung, thiết bị tương đương có chức năng đo điện dung hoặc máy đo cáp chuyên dụng với độ chính xác không vượt quá 5 % giá trị cần đo.
Sơ đồ đo: Như Hình A.6.
Các bước thực hiện:
* Nối 2 đầu của đôi dây tới 2 đầu của máy đo.
* Hở mạch đầu xa của đôi dây.
* Nối tất cả các đôi dây còn lại với nhau, nối tới màn che (nếu có) và nối tới đất.
* Đặt tần số đo ở 1 000 Hz.
* Đo điện dung giữa T-G, R-G và ghi lại kết quả.
Xử lý kết quả:
* Giá trị điện dung không cân bằng giữa đôi dây với đất được tính theo công thức:
(2)

Hình A.8 - Cách xác định điện dung không cân bằng giữa đôi dây với đất
* Hiệu chỉnh giá trị mức độ mất cân bằng điện dung theo đơn vị pF/km.
* Nếu cáp có chiều dài khác 1 km thì giá trị đo được sẽ được hiệu chỉnh về đơn vị pF/km như sau:

* Trong đó: CUPG(I) là điện dung không cân bằng giữa đôi dây với đất đo trên mẫu cáp có chiều dài l (m); CUPG là điện dung không cân bằng giữa các đôi dây với đất có chiều dài 1 km.
* Các đoạn cáp có chiều dài nhỏ hơn 100 m được coi là có chiều dài 100 m.
A.9.7. Phép đo điện dung không cân bằng giữa đôi dây với đôi dây
Mục đích: Kiểm tra mức điện dung không cân bằng giữa các đôi dây với nhau.
Thiết bị: Tương tự phép đo điện dung 1 công tác.
Sơ đồ đo: Như Hình A.6.
Các bước thực hiện:
* Đối với cáp xoắn đôi, phải đo mức độ mất cân bằng điện dung giữa các đôi khác nhau. Đối với cáp xoắn tư, phải đo giữa đôi a- b và c-d của cáp. Các đôi dây còn lại được nối với nhau và nối tới màn che (nếu có).
* Lần lượt nối 2 đầu dây giữa 2 đôi dây khác nhau với máy đo.
* Hở mạch đầu xa của 2 đôi dây.
* Nối tất cả các đôi dây còn lại với nhau, nối tới màn che (nếu có) và nối tới đất.
* Đặt tần số đo ở 1 000 Hz.
* Đo điện dung của từng cặp dây dẫn và ghi lại kết quả.
Xử lý kết quả:
* Giá trị điện dung không cân bằng giữa đôi với đôi được tính theo công thức


Hình A.9 - Điện dung giữa các dây dẫn
* Hiệu chỉnh giá trị điện dung không cân bằng giữa đôi với đôi theo đơn vị pF/km.
* Nếu cáp có chiều dài khác 1 km thì giá trị đo được sẽ được hiệu chỉnh về đơn vị pF/km như sau:

* Trong đó: CUPP(l) là điện dung không cân bằng giữa các đôi đo trên mẫu cáp có chiều dài I (m); CUPP là điện dung không cân bằng giữa các đôi dây có chiều dài 1 km.
A.9.8. Phép đo suy hao truyền dẫn
Mục đích: Đo suy hao truyền dẫn của đôi dây.
Thiết bị máy phân tích trải phổ hoặc máy đo cáp chuyên dụng bao gồm: i) Máy phát ở các tần số khác nhau, ii) Máy thu có thể đo công suất tại các tần số khác nhau. Thiết bị đo phải có độ chính xác tối thiểu là ± 5 %.
Sơ đồ đo:

Hình A.10 - Sơ đồ đo suy hao truyền dẫn
Các bước thực hiện:
* Nối 2 đầu dây với máy phát.
* Tại đầu xa nối 2 đầu dây với máy thu chọn tần.
Xử lý kết quả:
* Tính giá trị suy hao truyền dẫn theo công thức sau:
* Kết quả đo được hiệu chỉnh về 20 °C theo công thức sau:

* Trong đó: aT là suy hao đo được tính theo dB/100 m; T là nhiệt độ môi trường tính bằng độ C; a20 là giá trị suy hao được hiệu chỉnh về 20 °C tính theo dB/100 m.
* Đối chiếu kết quả với quy định trong Mục 5.1.15.
A.9.9. Phép đo suy hao xuyên âm đầu gần
Mục đích: Đo suy hao xuyên âm đầu gần giữa các đôi dây với nhau.
Thiết bị máy phân tích trải phổ hoặc máy đo cáp chuyên dụng bao gồm: i) Máy phát ở các tần số khác nhau: ii) Máy thu có thể do công suất tại các tần số khác nhau, iii) Hộp điện trở mẫu.
Sơ đồ đo:

Hình A.11 - Sơ đồ đo suy hao xuyên âm đầu gần
Các bước thực hiện:
* Nối 2 đầu gần của đôi dây thứ nhất với đầu phát của máy phát.
* Tại đầu xa nối 2 đầu dây với điện trở có giá trị bằng trở kháng danh định của cáp tại tần số đo thử
* Nối 2 đầu gần của đôi dây thứ hai tới đầu thu của máy thu.
* Tại đầu xa nối 2 đầu dây với điện trở có giá trị bằng trở kháng danh định của cáp tại tần số đo thử.
* Đo và ghi lại giá trị công suất thu được
Xử lý kết quả:
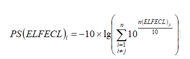
* Giá trị suy hao của tổng công suất xuyên âm đầu gần được tính theo công thức:

* Trong đó: n là số tổ hợp hai đôi dây trong N đôi dây,
; N là số đôi dây trong cáp; m(NECL)ij = -10 lg(PiN/PjN) là suy hao công suất xuyên âm từ đôi dây j sang đôi dây i ở đầu gần; PiN, PiF, PjN, PjF là công suất phát và công suất thu được trên các tải phối hợp trở kháng, W.
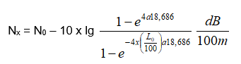
* Suy hao xuyên âm đầu gần của một đoạn cáp có chiều dài L0 khác 100 m được xác định theo công thức sau:

* Trong đó: a là suy hao truyền dẫn đo được trên độ dài cáp ‘L0’ tính bằng đơn vị dB; N0 là suy hao xuyên âm đầu gần đo được trên độ dài cáp ‘L0’ tính bằng dB; Nx là suy hao xuyên âm đầu gần quy đổi trên độ dài Lx = 100 m tính bằng dB; L0 là chiều dài đoạn cáp cần xác định xuyên âm đầu gần, tính bằng m: Lx là độ dài chuẩn (Lx = 100 m): e =2,71828.
* Đối chiếu kết quả đo được với các giá trị tính theo công thức:
, dB ở 100 m
Trong đó: f là tần số tính theo MHz, và giá trị PSNEXT(1) tham khảo trong bảng sau:
Bảng A.1 – Giá trị PS NECL
| Tần số tham chiếu lớn nhất, MHz | PS NECL |
| 30 | 44 |
| 60 | 52 |
| 100 | 62 |
Giá trị PS NECL của cáp đồng thông tin băng rộng tại các số tần chính như trong bảng sau:
Bảng A.2 - Giá trị PS NECL của cáp đồng thông tin băng rộng tại các số tần chính, dB/100m
| Tần số chính (MHz) | Tần số hoạt động lớn nhất, MHz | ||
| 30 | 60 | 100 | |
| 1 | 44,000 | 52,000 | 62,000 |
| 4 | 34,969 | 42,969 | 52,969 |
| 10 | 29,000 | 37,000 | 47,000 |
| 16 | 25,938 | 33,938 | 43,938 |
| 20 | 24,485 | 32,485 | 42,485 |
| 30 | 21,843 | 29,843 | 39,843 |
| 60 | 17,328 | 25,328 | 35,328 |
| 100 | 14,000 | 22,000 | 32,000 |
A.9.10. Phép đo suy hao xuyên âm đầu xa
Mục đích: Đo suy hao xuyên âm đầu xa giữa các đôi dây với nhau.
Thiết bị máy phân tích trải phổ hoặc máy đo cáp chuyên dụng bao gồm: i) Máy phát ở các tần số khác nhau; ii) Máy thu có thể đo công suất tại các tần số khác nhau; iii) Hộp điện trở mẫu.
Sơ đồ đo:

Hình A.12 - Sơ đồ đo suy hao xuyên âm đầu xa
Các bước thực hiện:
* Nối 2 đầu gần của đôi dây thứ nhất với đầu phát của máy phát.
* Tại đầu xa nối 2 đầu dây với điện trở có giá trị bằng trở kháng danh định của cáp tại tần số đo thử.
* Nối 2 đầu gần của của đôi dây thứ hai với điện trở có giá trị bằng trở kháng danh định của cáp tại tần số đo thử.
* Tại đầu xa nối 2 đầu dây với đầu thu của máy thu.
* Đo và ghi lại giá trị công suất thu được.
Xử lý kết quả:
* Giá trị suy hao của tổng công suất xuyên âm đầu xa cùng mức được tính theo công thức;

Trong đó: n là số tổ hợp hai đôi dây trong N đôi dây,
;N là số đôi dây trong cáp. n(ELFECL)ji = -10 lg(PiF/PjF) là suy hao công suất xuyên âm từ đôi dây j sang đôi dây i ở đầu xa; PiN, PiF,PjN, PjF là công suất phát và công suất thu được trên các tải phối hợp trở kháng, W.
* Khi độ dài cáp được đo khác với 100 m thì quy đổi giá trị suy hao của tổng công suất xuyên âm đầu xa về độ dài 100 m theo công thức sau:

* Trong đó: K0 là suy hao công suất xuyên âm đo được tại tần số f0 và chiều dài L0; Kx là suy hao công suất xuyên âm đo được tại tần số fx; Lx = 100 m.
* Đối chiếu kết quả đo được với các giá trị tính theo công thức:
, dB ở 100 m
Trong đó: f là tần số tính theo MHz, và giá trị PS ELFECL được tham khảo trong bảng sau:
Bảng A.3 - Giá trị PS ELFECL
| Tần số tham chiếu lớn nhất, MHz | PS ELFECL |
| 30 | 44 |
| 60 | 52 |
| 100 | 62 |
Giá trị PS ELFECL của cáp đồng thông tin băng rộng tại các số tần chính như trong bảng sau:
Bảng A.4 - Giá trị PS ELFECL của cáp thông tin băng rộng sợi đồng tại các số tần chính, dB/100m
| Tần số, MHz | Tần số tham chiếu lớn nhất, MHz | ||
| 30 | 60 | 100 | |
| 1 | 44,000 | 52,000 | 62,000 |
| 4 | 37,979 | 45,979 | 55,979 |
| 10 | 34,000 | 42,000 | 52,000 |
| 15 | 31,959 | 39,959 | 49,959 |
| 20 | 30,990 | 38,990 | 48,990 |
| 30 | 29,229 | 37,229 | 47,229 |
| 60 | - | 34,218 | 44,218 |
| 100 | - | - | 42,000 |
THƯ MỤC TÀI LIỆU THAM KHẢO
[1] TCVN 7699-1:2007 (IEC 60068-1:1988), Thử nghiệm môi trường – Phần 1: Quy định chung và hướng dẫn.
[2] TCVN 7699-2-14:2007 (IEC 60068-2-14:1984). Thử nghiệm môi trường - Phần 2-14: Các thử nghiệm - Thử nghiệm N: Thay đổi nhiệt độ.
[3] TCVN 7699-2-38:2007 (IEC 60068-2-38: 1974), Thử nghiệm môi trường – Phần 2-14: Các thử nghiệm - Thử nghiệm Z/AMD: Thử nghiệm chu kỳ nhiệt độ/độ ẩm kết hợp.
[4] UL 444:1994, Communication Cables 2nd Edition, 1994. Cáp thông tin thế hệ thứ hai, 1994.
[5] ANSI/TIA/EIA-568-B.1:2001, Commercial Building Telecommunications Cabling Standard, Part 1, General Requirements, 2001. Tiêu chuẩn cáp viễn thông tòa nhà thương mại, Phần 1 - Yêu cầu chung, 2001.
[6] ANSI/TIA/EIA-568-B.2:2001, Commercial Building Telecommunications Cabling Standard, Part 2: Balanced Twisted-Pair Cabling Components, April 23, 2001. Tiêu chuẩn cáp viễn thông xây dựng thương mại. Phần 2 - Các thành phần đôi cáp xoắn cân bằng, 23/04/2001.
[7] ANSI/TIA/EIA-568-B.3:2000, Commercial Building Telecommunications Cabling Standard, Part 3, Optical Fiber Cabling Components Standard, 2000.Tiêu chuẩn cáp viễn thông tòa nhà thương mại, Phần 3 - Tiêu chuẩn các thành phần cáp sợi quang, 2000.
[8] ANSI/TIA/EIA-570-A:1999, Residential Telecommunications Cabling Standard, 1999. Tiêu chuẩn cáp viễn thông dân cư, 1999.
[9] ANSI/ICEA S-80-576:1994, Communications Wire and Cable for Wiring Premises, 1994. Dây và cáp thông tin cho các tòa nhà, 1994.
[10] ANSI/TIA/EIA-606:1993, Administration Standard For The Telecommunications lnfrastructure of Commercial Buildings, 1993. Tiêu chuẩn quản lý cơ sở hạ tầng viễn thông các tòa nhà thương mại, 1993.
[11] ANSI/ICEA S-84-608:1994. Telecommunications Cable Filled, Polyolefin Insulated, Copper Conductor -Technical Requirements, 1994. Cáp đồng viễn thông có nhồi dầu cách điện - Yêu cầu kỹ thuật, 1994.
[12] ANSI/ICEA S-90-661:1994, Individually Unshielded Twisted Pair Indoor Cable For Use Communication Wiring Systems, 1994. Cáp đôi xoắn trong nhà không bọc che chắn sử dụng cho hệ thống thông tin hữu tuyến, 1994.
[13] ANSI/IEEE 802.5:1998. Information Technology - Telecommunications And Information Exchange Between Systems - Local And Metropolitan Area Networks - Specific Requirements - Part 5: Token Ring Access Method And Physical Layer Specifications, 1998. Công nghệ thông tin - Viễn thông và thông tin chuyển đổi giữa các hệ thống – Mạng khu cục bộ và mạng đô thị - Yêu cầu đặc tả - Phần 5: Phương pháp truy nhập mã vòng và đặc tính lớp vật lý, 1998.
[14] UL 1863:1995. Communications Circuit Accessories, 1995. Phụ kiện mạch thông tin, 1995.
[15] ASTM D 4565:1999, Test Methods For Physical And Environmental Performance Properties of Insulations And Jackets for Telecommunications Wire And Cable, 1999. Phương pháp kiểm tra đặc tính môi trường, vật lý cách ly và vỏ cáp viễn thông, 1999.
[16] ASTM D 4566-98:1998, Electrical Performance Properties of Insulations and Jackets for Telecommunications Wire and Cable, 1998. Các đặc tính điện của cách ly và vỏ cáp viễn thông, 1998.
[17] IEC 60068-2-2:1974, Basic Environmental Testing Procedures - Part 2: Tests - Tests B: Dry Heat, 1974. Quy trình thử nghiệm môi trường cơ bản - Phần 2: Thử nghiệm - Thử nghiệm B: Nóng khô, 1974
[18] IEC 60068-2-6:1995, Environmental Testing - Part 2: Tests - Test F: Vibration (Sinusoidal], 1995. Thử nghiệm môi trường – Phần 2: Thử nghiệm - Thử nghiệm F: Dao động (hình sin), 1995.
[19] IEC 60512-2:1985, Electromechanical Components For Electronic Equipment; Basic Testing Procedures And Measuring Methods - Part 2: General Examination, Electrical Continuity And Contact Resistance Tests, Insulation Tests And Voltage Stress Tests, 1985. Các thành phần cơ điện của thiết bị điện tử. Quy trình thử nghiệm cơ bản và phương pháp đo - Phần 2: Xem xét chung, thử nghiệm điện trở tiếp xúc và tính dẫn điện, thử nghiệm cách điện và điện áp chịu đựng, 1985
[20] IEC 60603-7:1996, Connectors for frequencies below 3 MHz for use with printed boards - Part 7; Detailed specifications for connectors 8-way, including fixed and free connectors with common mating features, with assessed quality, 1996. Đấu nối tần số dưới 3 MHz sử dụng cho bảng mạch in – Phần 7: Đặc tính chi tiết đấu nối, 8 đường, bao gồm đầu nồi cố định và linh động có đặc tính phối ghép chung, chất lượng xác định, 1996.
[21] IEC 60807-8:1992, Rectangular Connectors For Frequencies Below 3 MHz - Part 8: Detail Specification For Connectors, Four Signal Contacts And Earthing Contacts For Cable Screen, 1992. Đầu nối vuông tần số dưới 3 MHz – Phần 8: Đặc tính chi tiết đối với đầu nối, kết nối 4 tín hiệu và kết nối đất cho cáp màn hình, 1992.
[22] IEC 60807-9:1993, Rectangular Connectors For Frequencies Below 3 MHz - Part 9: Detail Specification For A Range Of Peritelevision Connectors, 1993. Đầu nối vuông tần số dưới 3 MHz – Phần 9: Đặc tính chi tiết đối với loại đầu nối truyền hình, 1993.
MỤC LỤC
1. Phạm vi áp dụng
2. Tài liệu viện dẫn
3. Thuật ngữ và định nghĩa
4. Chữ viết tắt
5. Yêu cầu kỹ thuật cáp Cat.5
5.1. Cáp Cat.5 UTP
5.1.1. Lõi dẫn
5.1.2. Đường kính tiêu chuẩn của lõi dẫn
5.1.3. Yêu cầu về nhóm cáp
5.1.4. Mã màu
5.1.5. Đường kính cáp
5.1.6. Cường độ lực kéo đứt
5.1.7. Bán kính uốn cong
5.1.8. Bọc lõi dẫn
5.1.9. Lớp vỏ ngoài sợi dây dẫn
5.1.10. Điện trở một chiều
5.1.11. Chênh lệch điện trở một chiều
5.1.12. Điện dung tương hỗ
5.1.13. Suy hao phản xạ cấu trúc
5.1.14. Suy hao phản xạ
5.1.15. Suy hao xen/truyền dẫn
5.1.16. Suy hao xuyên âm đầu gần loại cáp nhánh
5.1.17. Suy hao tổng công suất xuyên âm đầu gần loại cáp trục
5.1.18. Suy hao xuyên âm đầu xa cùng mức loại cáp nhánh
5.1.19. Trễ truyền dẫn
5.1.20. Chênh lệch trễ truyền dẫn
5.1.21. Độ bền điện môi
5.1.22. Trở kháng đặc tính
5.1.23. Ghi nhãn sản phẩm
5.1.24. Khả năng chống cháy
5.2. Cáp Cat.5 ScTP
5.2.1. Bọc lõi cáp
5.2.2. Lớp bọc chống nhiễu
5.2.3. Bán kính uốn cong
5.2.4. Độ bền điện môi
5.2.5. Trở kháng lớp bọc chống nhiễu
5.2.6. Chênh lệch điện dung giữa đôi dây dẫn với đất
6. Yêu cầu kỹ thuật cáp Cat.5e
6.1. Cáp Cat.5e UTP
6.1.1. Suy hao phản xạ
6.1.2. Suy hao xuyên âm đầu gần
6.1.3. Suy hao tổng công suất xuyên âm đầu gần
6.1.4. Xuyên âm đầu xa cùng mức
6.1.5. Suy hao tổng công suất xuyên âm đầu xa cùng mức
6.1.6. Trễ truyền dẫn
6.1.7. Chênh lệch trễ truyền dẫn
6.2. Cáp Cat.5e ScTP
Phụ lục A (Tham khảo) Phương pháp đo cáp
Thư mục tài liệu tham khảo
Bạn chưa Đăng nhập thành viên.
Đây là tiện ích dành cho tài khoản thành viên. Vui lòng Đăng nhập để xem chi tiết. Nếu chưa có tài khoản, vui lòng Đăng ký tại đây!