- Tổng quan
- Nội dung
- Tiêu chuẩn liên quan
- Lược đồ
- Tải về
Tiêu chuẩn Quốc gia TCVN 13078-23:2020 IEC 61851-23:2014 Hệ thống sạc điện có dây dùng cho xe điện - Phần 23: Trạm sạc điện một chiều cho xe điện
| Số hiệu: | TCVN 13078-23:2020 | Loại văn bản: | Tiêu chuẩn Việt Nam |
| Cơ quan ban hành: | Bộ Khoa học và Công nghệ | Lĩnh vực: | Công nghiệp , Điện lực |
|
Ngày ban hành:
Ngày ban hành là ngày, tháng, năm văn bản được thông qua hoặc ký ban hành.
|
31/12/2020 |
Hiệu lực:
|
Đã biết
|
| Người ký: | Đang cập nhật |
Tình trạng hiệu lực:
Cho biết trạng thái hiệu lực của văn bản đang tra cứu: Chưa áp dụng, Còn hiệu lực, Hết hiệu lực, Hết hiệu lực 1 phần; Đã sửa đổi, Đính chính hay Không còn phù hợp,...
|
Đã biết
|
TÓM TẮT TIÊU CHUẨN VIỆT NAM TCVN 13078-23:2020
Tiêu chuẩn Quốc gia TCVN 13078-23:2020: Quy định về Trạm Sạc Điện Một Chiều cho Xe Điện
Tiêu chuẩn Quốc gia TCVN 13078-23:2020 được ban hành nhằm xác định các yêu cầu đối với trạm sạc điện một chiều (DC) dùng cho xe điện, có điện áp đầu vào tối đa lên đến 1.500 V một chiều. Tiêu chuẩn này, được soạn thảo phù hợp với IEC 61851-23:2014, không chỉ quy định về thiết kế mà còn hướng dẫn các yêu cầu an toàn, khả năng tương thích điện từ và các thông số kỹ thuật liên quan đến các trạm sạc điện cho xe điện.
Ngày ban hành và hiệu lực
Văn bản TCVN 13078-23:2020 được công bố ngày 31/12/2020, có hiệu lực ngay trong cùng ngày.
Các phần liên quan
TCVN 13078 bao gồm nhiều phần khác nhau, trong đó Phần 23 là về trạm sạc DC cho xe điện. Điều này giúp tạo ra một khung pháp lý vững chắc cho việc áp dụng và phát triển hạ tầng sạc điện cho xe điện, hỗ trợ quá trình chuyển đổi sang sử dụng năng lượng sạch và giảm phát thải khí nhà kính.
Phạm vi áp dụng
Tiêu chuẩn này áp dụng cho các trạm sạc điện một chiều đấu nối với nguồn điện xoay chiều hoặc một chiều. Nó bao gồm hướng dẫn về giao diện nguồn và giao diện tín hiệu, cũng như quy định rõ ràng về các điện áp đầu ra lớn nhất là 1.500 V.
Các yêu cầu về an toàn
Một trong những nội dung quan trọng là các yêu cầu về an toàn, bao gồm chức năng cắt điện khẩn cấp trong trường hợp phát hiện bất thường trong quá trình sạc. Tiêu chuẩn cũng quy định việc kiểm tra điện trở cách điện để đảm bảo an toàn cho người sử dụng và thiết bị.
Các chức năng của trạm sạc
Trạm sạc DC phải có khả năng cung cấp điện theo yêu cầu của xe điện và kiểm tra liên tục về trạng thái kết nối cũng như giám sát dòng điện, điện áp, và tính toàn vẹn của hệ thống. Hệ thống cũng cần có các chức năng bảo vệ thống nhất với tiêu chuẩn quốc tế, đảm bảo an toàn cho người sử dụng cũng như bảo vệ thiết bị.
Phân loại trạm sạc
Tiêu chuẩn cũng đưa ra phân loại cho các trạm sạc điện một chiều dựa trên cách cấu trúc và các loại điều khiển. Cụ thể, các trạm này được phân thành cách ly và không cách ly, có điều tiết và không điều tiết, tùy thuộc vào thiết kế và chức năng mà chúng hỗ trợ.
Tóm tắt các yêu cầu chung
TCVN 13078-23:2020 cung cấp các yêu cầu tổng quát cho trạm sạc một chiều, đảm bảo rằng hệ thống sạc không chỉ đáp ứng tiêu chí cấu trúc mà còn là an toàn và hiệu quả trong việc cung cấp năng lượng cho xe điện. Các tính năng như bảo vệ quá dòng, quá áp và ngắt mạch cũng được nhấn mạnh trong tiêu chuẩn này.
Kết luận
Tiêu chuẩn Quốc gia TCVN 13078-23:2020 không chỉ mang tính chất hướng dẫn kỹ thuật mà còn có ý nghĩa quan trọng trong việc thúc đẩy sự phát triển hệ thống sạc cho xe điện tại Việt Nam, góp phần nâng cao chất lượng môi trường và phát triển bền vững của ngành giao thông vận tải.
Tải tiêu chuẩn Việt Nam TCVN 13078-23:2020
TIÊU CHUẨN QUỐC GIA
TCVN 13078-23:2020
IEC 61851-23:2014
HỆ THỐNG SẠC ĐIỆN CÓ DÂY DÙNG CHO XE ĐIỆN –
PHẦN 23: TRẠM SẠC ĐIỆN MỘT CHIỀU CHO XE ĐIỆN
Electric vehicle conductive charging system –
Part 23: DC electric vehicle charging station
Lời nói đầu
TCVN 13078-23:2020 hoàn toàn tương đương với IEC 61851-23:2014;
TCVN 13078-23:2020 do Ban kỹ thuật tiêu chuẩn quốc gia TCVN/TC/E1 Máy điện và khí cụ điện biên soạn, Tổng cục Tiêu chuẩn Đo lường Chất lượng đề nghị, Bộ Khoa học và Công nghệ công bố.
Bộ tiêu chuẩn TCVN 13078 (IEC 61851), Hệ thống sạc điện có dây dùng cho xe điện, gồm có các phần sau:
- TCVN 13078-1:2020 (IEC 61851-1:2017), Phần 1: Yêu cầu chung
- TCVN 13078-21-1:2020 (IEC 61851-21-1:2017), Phần 21-1: Yêu cầu tương thích điện từ của bộ sạc lắp trên xe điện kết nối có dây với nguồn cấp điện xoay chiều/một chiều
- TCVN 13078-21-2:2020 (IEC 61851-21-2:2018), Phần 21-2: Yêu cầu về xe điện kết nối có dây với nguồn cấp điện xoay chiều/một chiều - Yêu cầu tương thích điện từ của bộ sạc không lắp trên xe điện
- TCVN 13078-23:2020 (IEC 61851-21-2:2014), Phần 23: Trạm sạc điện một chiều cho xe điện
HỆ THỐNG SẠC ĐIỆN CÓ DÂY DÙNG CHO XE ĐIỆN - PHẦN 23: TRẠM SẠC ĐIỆN MỘT CHIỀU CHO XE ĐIỆN
Electric vehicle conductive charging system - Part 23: DC electric vehicle charging station
1 Phạm vi áp dụng
Tiêu chuẩn này áp dụng cùng với IEC 61851-1:20101, đưa ra các yêu cầu đối với trạm sạc điện một chiều dùng cho xe điện (EV), sau đây gọi là trạm sạc DC, để đấu nối dẫn điện đến phương tiện, có điện áp đầu vào xoay chiều hoặc một chiều đến 1 000 V xoay chiều và đến 1 500 V một chiều theo IEC 60038.
CHÚ THÍCH 1: Tiêu chuẩn này bao gồm cả các thông tin về EV đối với đấu nối dẫn điện nhưng không giới hạn ở các nội dung cần thiết để mô tả giao diện nguồn và giao diện tín hiệu.
Tiêu chuẩn này đề cập đến các điện áp đầu ra một chiều đến 1 500 V.
Các yêu cầu đối với trao đổi năng lượng hai chiều đang được xem xét.
CHÚ THÍCH 2: Sơ đồ điển hình và tham số của các hệ thống sạc một chiều được thể hiện trong Phụ lục DD.
Tiêu chuẩn này không đề cập đến các khía cạnh an toàn liên quan đến bảo dưỡng.
Tiêu chuẩn này quy định các hệ thống sạc một chiều A, B và C như xác định trong Phụ lục AA, Phụ lục BB và Phụ lục CC.
CHÚ THÍCH 3: Cấu hình điển hình đối với hệ thống sạc một chiều cho EV được thể hiện trong Phụ lục EE.
Các yêu cầu về EMC đối với các trạm sạc điện một chiều cho EV được cho trong TCVN 13078-21-2 (IEC 61851-21-2).
Tiêu chuẩn này cung cấp các yêu cầu chung đối với truyền thông điều khiển giữa trạm sạc điện một chiều cho EV và EV. Các yêu cầu đối với truyền thông số giữa trạm sạc điện một chiều cho EV và xe điện để điều khiển việc sạc một chiều được cho trong IEC 61851-24.
2 Tài liệu viện dẫn
Các tài liệu viện dẫn dưới đây là cần thiết để áp dụng tiêu chuẩn này. Đối với các tài liệu viện dẫn có ghi năm công bố thì áp dụng các bản được nêu. Đối với các tài liệu viện dẫn không ghi năm công bố thì áp dụng phiên bản mới nhất (kể cả các sửa đổi).
Áp dụng Điều 1 của IEC 61851-1 và các tài liệu dưới đây.
Bổ sung:
TCVN 7447-5-54:2015 (IEC 60364-5-54:2011), Hệ thống lắp đặt điện hạ áp - Phần 5-54: Lựa chọn và lắp đặt thiết bị điện. Bố trí nối đất và dây bảo vệ
TCVN 7589-21 (IEC 62053-21), Thiết bị đo điện (xoay chiều). Yêu cầu cụ thể. Phần 1: Công tơ điện kiểu tĩnh đo điện năng tác dụng (cấp chính xác 1 và 2)
TCVN 9621-1:2013 (IEC/TS 60479-1:2005), Ảnh hưởng của dòng điện lên người và gia súc - Phần 1: Khía cạnh chung
TCVN 11345-11 (IEC 62052-11), Thiết bị đo điện (xoay chiều) - Yêu cầu chung, thử nghiệm và điều kiện thử nghiệm - Phần 11: Công tơ điện
IEC 60950-1:2005, amd 1:2009 và amd 2:2013 2, Information technology equipment - Safety - Part 1: General requirements (Thiết bị công nghệ thông tin - An toàn - Phần 1: Yêu cầu chung)
IEC 61140, Protection against electric shock- Common aspects for installation and equipment (Bảo vệ chống điện giật - Các khía cạnh chung về hệ thống và thiết bị)
IEC 61439-1:2011, Low-voltage switchgear and controlgear assemblies - Part 1: General rules (Cụm lắp ráp cơ cấu đóng cắt và điều khiển hạ áp - Phần 1: Nguyên tắc chung)
IEC 61557-8, Electrical safety in low voltage distribution systems up to 1 000 V a.c. and 1 500 V d.c. - Equipment for testing, measuring or monitoring of protective measures - Part 8: Insulation monitoring devices for IT systems (An toàn điện trong các hệ thống phân phối điện áp đến 1 000 V ac và 1 500 V dc- Thiết bị thử nghiệm, đo lường hoặc theo dõi các biện pháp bảo vệ)
IEC 61558-1:2005 3, Safety of power transformers, power supplies, reactors and similar products - Part 1: General requirements and tests (An toàn của máy biến áp, cuộn kháng, bộ cấp nguồn và các kết hợp của chúng - Phần 1: Yêu cầu chung và thử nghiệm)
IEC 61851-1:2010, Electric vehicle conductive charging system - Part 1: General requirements (Hệ thống sạc điện dẫn dùng cho xe điện - Phần 1: Yêu cầu chung)
IEC 61851-24:2014, Electric vehicle conductive charging system - Part 24: Digital communication between a d.c. EV charging station and an electric vehicle for control of d.c. charging (Hệ thống sạc điện dẫn dùng cho xe điện - Phần 24: Truyền thông số giữa trạm sạc điện một chiều cho EV và xe điện để điều khiển việc sạc một chiều)
IEC 62196-3:2014, Plugs, socket-outlets, vehicle connectors and vehicle inlets - Conductive charging of electric vehicles - Part 3 Dimensional compatibility and interchangeability requirements for d.c. and a.c./d.c. pin and contact-tube vehicle couplers (Phích cắm, ổ cắm, đấu nối phương tiện và ổ nối vào EV - Sạc điện dẫn của xe điện - Phần 3: Các yêu cầu tương tích về kích thước và lắp lẫn đối với chân cắm một chiều, chân cắm xoay chiều/một chiều và bộ nối kiểu ống tiếp xúc của xe điện)
ISO 15118-2:2014, Road vehicles - Vehicle-to-Grid Communication Interface - Part 2: Network and application protocol requirements (Phương tiện giao thông đường bộ - Giao diện truyền thông giữa phương tiện và nguồn lưới - Phần 2: Nguồn lưới và các yêu cầu về giao thức ứng dụng)
ISO/IEC 15118-3:2015, Road vehicles - Vehicle to grid communication interface - Part 3: Physical and data link layer requirements (Phương tiện giao thông đường bộ - Giao diện truyền thông giữa phương tiện và nguồn lưới - Phần 3: Các yêu cầu về và lớp liên kết vật /ý và lớp liên kết dữ liệu)
ISO 11898-1, Road vehicles - Controller area network (CAN) - Part 1: Data link layer and physical signalling (Phương tiện giao thông đường bộ - Mạng vùng điều khiển (CAN) - Phần 1: Lớp liên kết dữ liệu và báo hiệu vật lý)
DIN SPEC 70121, Electromobility - Digital communication between a d.c. EV charging station and an electric vehicle for control of d.c. charging in the Combined Charging System (Tính điện động - Truyền thông số giữa trạm sạc EV và xe điện để điều khiển việc sạc điện một chiều trong hệ thống sạc kết hợp)
3 Thuật ngữ và định nghĩa
Tiêu chuẩn này áp dụng các thuật ngữ và định nghĩa cho trong IEC 61851-1 và IEC 61668-1 và các thuật ngữ và định nghĩa dưới đây.
CHÚ THÍCH: Các định nghĩa cho trong tiêu chuẩn này là những định nghĩa áp dụng chung. Các định nghĩa áp dụng cho biến áp cách ly, biến áp cách ly an toàn, nguồn cung cấp chế độ đóng cắt và kết cấu của chúng được cho trong IEC 61558-1.
3.101
Hệ thống sạc một chiều cho EV (d.c. EV charging system)
Hệ thống bao gồm bộ sạc một chiều, cụm cáp và thiết bị trên EV cần thiết để thực hiện chức năng sạc điện kể cả truyền thông số để điều khiển việc sạc.
3.102
Trạm sạc điện một chiều cách ly dùng cho EV (isolated d.c. EV charging station)
Trạm sạc điện một chiều cho EV có mạch điện một chiều trên phía đầu ra được phân cách về điện bởi tối thiểu cách điện chính với mạch xoay chiều trên phía hệ thống điện.
3.103
Trạm sạc điện một chiều không cách ly dùng cho EV (non-isolated d.c. EV charging station)
Trạm sạc điện một chiều cho EV có mạch điện một chiều trên phía đầu ra không được phân cách về điện bởi tối thiểu cách điện chính với mạch xoay chiều trên phía hệ thống điện.
3.104
Trạm sạc điện một chiều có điều tiết dùng cho EV (regulated d.c. EV charging station)
Trạm sạc điện một chiều cho EV cấp dòng điện sạc hoặc điện áp sạc cho pin/acquy của EV theo yêu cầu từ xe điện.
3.105
Trạm sạc điện một chiều không điều tiết dùng cho EV (non-regulated d.c. EV charging station)
Đang xem xét.
3.106
Chức năng điều khiển việc sạc một chiều (d.c. charging control function)
DCCCF
Chức năng được tích hợp trong trạm sạc điện một chiều cho EV để điều khiển công suất ra một chiều theo chỉ dẫn của VCCF.
3.107
Chức năng điều khiển việc sạc của xe điện (vehicle charging control function)
VCCF
Chức năng trong xe điện để điều khiển các tham số sạc của trạm sạc điện một chiều cho EV không nằm trên phương tiện.
3.108
Sạc với dòng điện được điều khiển (controlled current charging)
CCC
Phương pháp truyền năng lượng mà trạm sạc điện một chiều cho EV điều tiết dòng điện sạc theo giá trị dòng điện được yêu cầu bởi xe điện.
3.109
Sạc với điện áp được điều khiển (controlled voltage charging)
CVC
Phương pháp truyền năng lượng mà trạm sạc điện một chiều cho EV điều tiết điện áp sạc theo giá trị dòng điện được yêu cầu bởi xe điện.
3.110
Mạch điện điều khiển (control circuit)
Mạch điện dùng cho truyền thông tín hiệu và truyền thông số với xe điện và để quản lý quá trình điều khiển việc sạc.
3.111
Mạch sơ cấp (primary circuit)
Mạch điện được nối trực tiếp với nguồn lưới xoay chiều và bao gồm các cuộn sơ cấp của máy biến áp, các thiết bị mang tải khác và phương tiện kết nối với nguồn lưới xoay chiều.
3.112
Mạch thứ cấp (secondary circuit)
Mạch điện không được nối trực tiếp với mạch sơ cấp và lấy năng lượng từ máy biến áp, bộ chuyển đổi hoặc thiết bị cách ly tương đương.
3.113
Cách điện (insulation)
Tất cả các vật liệu và các bộ phận được sử dụng để cách điện các phần tử dẫn của một cơ cấu, hoặc một tập hợp các đặc tính đặc trưng cho khả năng của cách điện để cung cấp chức năng của nó. [NGUỒN: IEC 60050-151:2001, 151-15-41 và IEC 60050-151:2001, 151-15-42, có sửa đổi - Kết hợp cả hai định nghĩa và bỏ chú thích.]
3.114
Cách ly (isolation)
Chức năng được thiết kế để khiến cho toàn bộ hoặc một phần riêng rẽ của hệ thống lắp đặt điện trở nên mất điện vì lý do an toàn, bằng cách tách rời hệ thống lắp đặt điện đó hoặc phần đó khỏi mọi nguồn điện năng.
[NGUỒN: IEC 60050-826:2004, 826-17-01]
3.115
Giới hạn điện áp lớn nhất (maximum voltage limit)
Giá trị giới hạn trên của điện áp sạc được xe điện khai báo cho trạm sạc điện một chiều cho EV, và được sử dụng để bảo vệ quá điện áp của pin/acquy của xe điện.
3.116
Dây bảo vệ (protective conductor)
PE
Dây dẫn được cung cấp với mục đích an toàn, ví dụ bảo vệ chống điện giật.
[NGUỒN: IEC 60050-195:1998, 195-02-09]
3.117
Trạng thái sạc (charging state)
Trạng thái vật lý của hệ thống sạc một chiều cho EV.
3.118
Cắt điện khẩn cấp (emergency shutdown)
Cắt điện trạm sạc điện một chiều cho EV dẫn đến kết thúc việc sạc, gây ra do lỗi được phát hiện bởi trạm sạc điện một chiều cho EV hoặc bởi xe điện.
4 Yêu cầu chung
Áp dụng Điều 4 của IEC 61851-1.
5 Thông số đặc trưng về điện áp xoay chiều của nguồn cấp
Áp dụng Điều 5 của IEC 61851-1.
6 Yêu cầu chung của hệ thống và giao diện
Áp dụng Điều 6 của IEC 61851-1, ngoài ra:
6.2 Chế độ sạc EV
Thay thế:
Chế độ sạc EV trong tiêu chuẩn này là Chế độ 4.
Sạc Chế độ 4 trong tiêu chuẩn này có nghĩa là việc đấu nối của EV với mạng điện sử dụng trạm sạc điện một chiều cho EV (ví dụ bộ sạc không nằm trên xe điện) trong đó chức năng điều khiển quá trình sạc mở rộng cho trạm sạc điện một chiều cho EV.
Các trạm sạc điện một chiều cho EV cắm vào được, được thiết kế để nối với mạng điện xoay chiều (nguồn lưới) bằng cách sử dụng các phích cắm và ổ cắm tiêu chuẩn, phải tương thích với thiết bị dòng dư có các đặc tính kiểu A. Trạm sạc điện một chiều cho EV cắm vào được phải có RCD và có thể có trang bị thiết bị bảo vệ quá dòng.
Các yêu cầu bổ sung đối với các trạm sạc điện một chiều cho EV cắm vào được đang được xem xét.
CHÚ THÍCH 1: Nhật cho phép sử dụng RCD kiểu AC cho trạm sạc điện một chiều cho EV (nguồn lưới xoay chiều)
CHÚ THÍCH 2: Ở Mỹ và Canada, việc sử dụng hệ thống bảo vệ phải được thiết kế để ngắt mạch điện với tải khi:
a) dòng điện sự cố chạm đất vượt quá giá trị xác định trước mà nhỏ hơn giá trị cần thiết để tác động thiết bị bảo vệ quá dòng của mạch nguồn,
b) tuyến nối đất trở nên hở mạch hoặc có trở kháng cao quá mức, hoặc
c) tuyến nối đất được phát hiện trên hệ thống được cách ly (không nối đất).
Thay thế:
6.3 Các kiểu đấu nối EV
Thay thế:
6.3.1 Mô tả chung
Việc đấu nối các EV bằng cách sử dụng các cáp phải được thực hiện trong trường hợp đấu nối C như quy định trong IEC 61851-1.
6.3.3 Bộ tiếp hợp
Thay thế:
Không được sử dụng bộ tiếp hợp để nối với phích nối dùng cho EV với ổ nối vào xe điện.
Thay thế:
6.4 Các chức năng được cung cấp trong sạc một chiều
Trạm sạc điện một chiều cho EV phải cấp dòng điện hoặc điện áp một chiều cho pin/acquy của xe điện theo yêu cầu của VCCF.
Đối với sạc điện không điều tiết: đang xem xét.
Thay thế:
6.4.1 Các chức năng sạc Chế độ 4
Hệ thống sạc một chiều phải có các chức năng dưới đây:
- kiểm tra xác nhận rằng xe điện đã được nối đúng;
- kiểm tra sự liền mạch của dây bảo vệ (6.4.3.2);
- đóng điện hệ thống;
- cắt điện hệ thống (6.4.3.4);
- cấp điện một chiều cho EV (6.4.3.101);
- đo dòng điện và điện áp (6.4.3.102);
- giữ/nhả bộ nối dùng cho xe điện (6.4.3.103);
- khóa bộ nối dùng cho xe điện (6.4.3.104);
- đánh giá tính tương thích (6.4.3.105);
- thử nghiệm cách điện trước khi sạc (6.4.3.106);
- bảo vệ chống quá điện áp tại pin/acquy (6.4.3.107);
- kiểm tra xác nhận điện áp tại phích nối dùng cho EV (6.4.3.108);
- tính toàn vẹn của nguồn cấp cho mạch điều khiển (6.4.3.109);
- thử nghiệm ngắn mạch trước khi sạc (6.4.3.110);
- cắt điện được khởi phát bởi người sử dụng (6.4.3.111);
- bảo vệ quá tải đối với các dây dẫn song song (chức năng có điều kiện) (6.4.3.112);
- bảo vệ chống quá áp tạm thời (6.4.3.113);
- cắt điện khẩn cấp (6.4.3.114).
Thay thế;
6.4.2 Chức năng tùy chọn
Các chức năng nếu có cần được cung cấp bởi hệ thống sạc một chiều, như một tùy chọn được cho dưới đây:
- xác định các yêu cầu về thông gió của khu vực sạc;
- phát hiện/điều chỉnh dòng điện tải sẵn có thời gian thực của bộ sạc một chiều;
- chọn dòng điện sạc;
- đánh thức trạm sạc điện một chiều cho EV bởi EV (6.4.4.101);
- phương tiện chỉ thị để thông báo cho người sử dụng về trạng thái khóa của bộ nối dùng cho xe điện. Cho phép cung cấp các chức năng bổ sung khác.
CHÚ THÍCH 1: Các chức năng tránh ngắt có tải không chú ý có thể được lắp trong hệ thống khóa liên động chức năng chốt.
CHÚ THÍCH 2: Mỹ yêu cầu phương tiện chủ động để ngăn ngừa việc ngắt không chú ý.
CHÚ THÍCH 3: Xe điện phải có bảo vệ chính chống quá áp và quá dòng của pin/acquy của xe điện.
Thay thế:
6.4.3 Chi tiết về các chức năng đối với sạc một chiều
Thay thế:
6.4.3.2 Kiểm tra sự liền mạch của dây bảo vệ
Đối với các hệ thống được cách ly, sự liền mạch của dây bảo vệ giữ trạm sạc điện một chiều cho EV và xe điện phải được theo dõi. Đối với điện áp danh định 60 V một chiều hoặc cao hơn, trạm sạc điện một chiều cho EV phải thực hiện cắt điện khẩn cấp (xem 6.4.3.114) trong vòng 10 s sau khi mất sự liền mạch của dây bảo vệ giữa trạm sạc điện một chiều cho EV và EV (cắt điện khẩn cấp).
Đối với các hệ thống không cách ly, trong trường hợp mất sự liền mạch của dây nối đất, trạm sạc điện một chiều không cách ly dùng cho EV phải được ngắt khỏi mạng nguồn xoay chiều (nguồn lưới). Sự liền mạch của dây nối đất giữa trạm sạc điện một chiều cho EV và xe điện phải được theo dõi. Đối với điện áp danh định 60 V một chiều hoặc lớn hơn, trạm sạc điện một chiều cho EV phải thực hiện cắt điện khẩn cấp trong vòng 5 s sau khi mất sự liền mạch về điện của dây bảo vệ giữa trạm sạc điện một chiều cho EV và EV.
CHÚ THÍCH: Trạm sạc điện một chiều cách ly dùng cho EV có thể được ngắt khỏi nguồn lưới xoay chiều khi mất sự liền mạch của dây bảo vệ.
6.4.3.4 Cắt điện hệ thống
Bổ sung:
Trong trường hợp sự cố mạch điều khiển của trạm sạc điện một chiều cho EV, ví dụ ngắn mạch, chạm đất, hỏng CPU hoặc nhiệt độ cao quá mức, thì trạm sạc điện một chiều cho EV phải dừng cấp dòng điện sạc, và ngắt cấp nguồn cho mạch điều khiển. Ngoài ra, dây dẫn nơi phát hiện sự cố chạm đất hoặc quá dòng phải được ngắt khỏi nguồn cấp của nó.
Yêu cầu đối với việc ngắt EV được cho trong 7.2.3.1.
Kiểm tra sự phù hợp: đang được xem xét.
Bổ sung:
6.4.3.101 Nguồn cấp một chiều cho EV
Trạm sạc điện một chiều cho EV phải cấp điện áp một chiều và dòng điện một chiều cho pin/acquy của xe điện theo sự điều khiển của VCCF.
Đối với các hệ thống có điều tiết, trạm sạc điện một chiều cho EV phải cấp điện áp một chiều hoặc dòng điện một chiều có điều tiết (không đồng thời nhưng theo yêu cầu của xe điện trong quá trình sạc) cho pin/acquy của xe điện theo sự điều khiển của VCCF. Các yêu cầu đối với tính năng sạc của dòng điện/điện áp một chiều có điều tiết được cho trong 101.2.1.1, 101.2.1.2, 101.2.1.3 và 101.1.2.1.4.
Trong cả hai trường hợp đề cập ở trên, các thông số đặc trưng lớn nhất của trạm sạc điện một chiều cho EV không được bị vượt quá.
Xe điện có thể thay đổi dòng điện yêu cầu và/hoặc điện áp yêu cầu.
6.4.3.102 Đo dòng điện và điện áp
Trạm sạc điện một chiều cho EV phải đo dòng điện đầu ra và điện áp đầu ra. Độ chính xác của phép đo đầu ra được xác định đối với từng hệ thống trong các Phụ lục AA, BB và CC.
6.4.3.103 Giữ/nhả bộ nối dùng cho xe điện
Phải có phương tiện để giữ và nhả bộ nối dùng cho xe điện. Phương tiện này có thể là khóa liên động cơ khí, khóa liên động điện hoặc kết hợp khóa liên động và chốt.
6.4.3.104 Khóa bộ nối
Phích nối dùng cho xe điện được sử dụng để sạc một chiều phải được khóa trên ổ nối vào xe điện nếu điện áp cao hơn 60 V một chiều.
Phích nối dùng cho xe điện không được nhả khóa (nếu cơ cấu khóa đã được gài khớp) khi điện áp nguy hiểm được phát hiện thông qua quá trình sạc kể cả sau khi kết thúc quá trình sạc. Trong trường hợp hệ thống sạc làm việc sai, cho phép có phương tiện để ngắt kết nối một cách an toàn.
CHÚ THÍCH 1: Phần tác động của chức năng khóa có thể là phích nối hoặc ổ nối vào xe điện. Điều này phụ thuộc vào kết cấu.
Trạm sạc điện một chiều cho EV phải có các chức năng dưới đây, trong trường hợp thực hiện khóa bởi trạm sạc điện một chiều cho EV:
- chức năng khóa điện hoặc cơ để giữ trạng thái khóa, và
- chức năng phát hiện việc ngắt các mạch điện đối với chức năng khóa.
CHÚ THÍCH 2: Chức năng khóa đối với từng hệ thống được xác định trong các Phụ lục AA, BB và CC.
CHÚ THÍCH 3: Ví dụ về chức năng khóa và mạch phát hiện ngắt được cho trong Phụ lục AA.
Đối với các thử nghiệm độ bền cơ, xem IEC 62196-3.
6.4.3.105 Đánh giá tính tương thích
Tính tương thích của EV và trạm sạc điện một chiều cho EV phải được kiểm tra với thông tin trao đổi ở giai đoạn ban đầu như quy định trong 102.5.1.
6.4.3.106 Thử nghiệm cách điện trước khi sạc
Trạm sạc điện một chiều cho EV phải khẳng định điện trở cách điện giữa mạch điện đầu ra một chiều và dây bảo vệ nối với khung của xe điện, kể cả vỏ trạm sạc, trước khi côngtắctơ của EV được phép đóng mạch.
Nếu giá trị yêu cầu không được đáp ứng, trạm sạc điện một chiều cho EV phải gửi tín hiệu đến xe điện rằng không được phép sạc.
Xác định sự phù hợp bằng các đo điện trở cách điện như sau:
Rơ le bất kỳ trong mạch điện đầu ra một chiều của trạm sạc điện một chiều cho EV phải được đóng lại trong quá trình thử nghiệm.
Giá trị yêu cầu của điện trở cách điện R phải như thể hiện trong công thức (1):
| R ≥ 100 Ω/V x U | (1) |
trong đó
U là điện áp đầu ra danh định của trạm sạc điện một chiều cho EV
6.4.3.107 Bảo vệ chống quá điện áp tại pin/acquy
Trạm sạc điện một chiều cho EV phải thực hiện cắt điện khẩn cấp và ngắt nguồn cung cấp để ngăn quá điện áp tại pin/acquy, nếu điện áp đầu ra vượt quá giới hạn điện áp lớn nhất được gửi bởi xe điện. Trong trường hợp sự cố ở xe điện, việc ngắt kết nối với nguồn lưới xoay chiều có thể không cần thiết.
Yêu cầu cụ thể để phát hiện và cắt điện được nêu trong Phụ lục AA, BB và CC.
Xe điện được phép thay đổi giới hạn điện áp lớn nhất trong quá trình sạc.
Kiểm tra sự phù hợp bằng thử nghiệm sau.
Trạm sạc điện một chiều cho EV được nối với nguồn điện áp một chiều hoặc tải giả.
Điện áp của nguồn điện áp một chiều hoặc tài giả cần nằm trong phạm vi hoạt động của trạm sạc.
Trạm sạc điện một chiều cho EV được cài đặt để sạc nguồn điện một chiều ở dòng điện lớn hơn 10 % dòng điện danh định lớn nhất của trạm sạc điện một chiều cho EV.
Lệnh về giới hạn điện áp lớn nhất thấp hơn điện áp của nguồn điện áp phải được gửi đến trạm sạc điện một chiều cho EV.
Thời gian giữa khi gửi lệnh và khi bắt đầu giảm dòng điện sạc cũng như tốc độ giảm đều phải được đo.
Điện áp của nguồn điện áp, cách thức lệnh giới hạn điện áp được gửi và giá trị giới hạn điện áp có thể được tự chọn để phù hợp với thử nghiệm này.
CHÚ THÍCH: Việc chọn dòng điện sạc có thể được thực hiện bởi hệ thống hoặc người sử dụng.
6.4.3.108 Kiểm tra xác nhận điện áp phích nối dùng cho xe điện
Điều này chỉ áp dụng cho trạm sạc có trách nhiệm khóa phích nối dùng cho xe điện, ví dụ hệ thống A và hệ thống B.
Trạm sạc điện một chiều cho EV không được cấp điện cáp sạc khi phích nối dùng cho xe điện không bị khóa. Điện áp tại đó phích nối mở khóa phải nhỏ hơn 60 V.
6.4.3.109 Sự toàn vẹn của nguồn cấp cho mạch điều khiển
Nếu sự cố chạm đất, ngắn mạch hoặc quá dòng được phát hiện trong mạch điện đầu ra của trạm sạc điện một chiều cho EV thì mạch điện phải được ngắt khỏi nguồn cấp của nó, nhưng nguồn cấp điện cho mạch điều khiển không được ngắt trừ khi việc ngắt mạch điện là do mất mạng điện xoay chiều (nguồn lưới).
6.4.3.110 Thử nghiệm ngắn mạch trước khi sạc
Với EV được nối với trạm sạc điện một chiều cho EV và trước khi côngtắctơ của EV đóng lại, trạm sạc điện một chiều cho EV phải có phương tiện để kiểm tra ngắn mạch giữa dương và âm của mạch điện đầu ra một chiều đối với bộ nối dùng cho xe điện và xe điện.
Quy định kỹ thuật về thử nghiệm sự phù hợp được cho trong Phụ lục AA, BB và CC (đang được xem xét).
6.4.3.111 Cắt điện được khởi phát bởi người sử dụng
Trạm sạc điện một chiều cho EV phải có phương tiện để cho phép người sử dụng cắt điện quá trình sạc.
6.4.3.112 Bảo vệ quá tải đối với các dây dẫn song song (chức năng có điều kiện)
Nếu nhiều hơn một dây dẫn hoặc sợi dây kim loại và/hoặc tiếp điểm phích nối dùng cho xe điện được sử dụng song song để cấp nguồn dòng một chiều cho xe điện thì trạm sạc điện một chiều cho EV phải có phương tiện để đảm bảo rằng không có dây dẫn hoặc sợi dây kim loại nào bị quá tải.
CHÚ THÍCH: Ví dụ, có thể theo dõi các dòng điện trên các tuyến khác nhau hoặc có thể sử dụng nhiều hơn một nguồn điện.
6.4.3.113 Bảo vệ chống quá điện áp tạm thời
Đối với các trạm cung cấp điện áp đầu ra lớn nhất đến 500 V thì không được có điện áp nào cao hơn 500 V xảy ra trong thời gian nhiều hơn 5 s tại đầu ra giữa DC+ và PE hoặc giữa DC- và PE.
Đối với các trạm sạc cung cấp điện áp đầu ra cao nhất cao hơn 500 V và đến 1 000 V thì không được có điện áp cao hơn 110 % điện áp đầu ra một chiều trong thời gian dài hơn 5 s tại đầu ra giữa DC+ và PE hoặc giữa DC- và PE. Xem Hình 101.
Đối với điện áp cao hơn 1 000 V: đang xem xét.
Trạm sạc điện một chiều cho EV phải dừng cấp dòng điện sạc và ngắt mạch điện một chiều khỏi nguồn của nó trong vòng 5 s để loại bỏ nguồn quá điện áp (xem 5.3.3.2.3 trong IEC 60664-1:2007). Điều này cũng phải áp dụng trong trường hợp sự cố chạm đất đầu tiên trong phần đầu ra được cách ly của trạm sạc điện một chiều cho EV.
Với Un là điện áp đầu ra nhỏ nhất của bộ sạc DC, trạm sạc điện một chiều cho EV phải giới hạn điện áp giữa DC+/- và PE ở:
(2 Un + 1 000) x 1,41 V hoặc
(Un + 1 200) x 1,41 V, chọn giá trị nhỏ hơn.
CHÚ THÍCH: Điện áp có thể được giới hạn bằng cách giảm chủng loại quá điện áp hoặc bằng cách đưa thêm thiết bị bảo vệ chống đột biến với điện áp kẹp thích hợp.

Hình 101 - Bảo vệ quá điện áp trong trường hợp sự cố chạm đất
6.4.3.114 Cắt điện khẩn cấp
Khi trạm sạc điện một chiều cho EV phát hiện trường hợp bất thường trong trạm và/hoặc xe điện thì an toàn phải được đảm bảo bằng cách cắt điện khẩn cấp như sau.
Dừng sạc bởi:
a) ngắt có điều khiển dòng điện hoặc điện áp sạc xe điện, khi dòng điện một chiều giảm với độ dốc được khống chế và gửi tín hiệu thích hợp cho xe điện, hoặc
b) dừng sạc đột ngột không điều khiển trong các điều kiện sự cố cụ thể, trong đó không có điều khiển dòng điện và xe điện có thể không được thông báo kịp thời.
CHÚ THÍCH: Trạm sạc điện một chiều cho EV có thể đạt yêu cầu này bằng cách trao đổi thông tin với xe điện (xem 102.4 và Phụ lục AA, BB hoặc CC).
Trong các điều kiện cụ thể, việc ngắt sau đây, ví dụ, là cần thiết theo đánh giá rủi ro về những bất thường trong trạm sạc hoặc trong xe điện:
- ngắt nguồn đến dây dẫn nơi phát hiện dòng điện rò chạm đất;
- ngắt dây dẫn nơi phát hiện quá dòng điện;
- ngắt mạch điện một chiều khỏi nguồn nếu phát hiện hỏng cách điện.
Quy trình chung để cắt điện trong quá trình điều khiển sạc được cho trong 102.5.3.
6.4.4 Chi tiết về chức năng tùy chọn
6.4.4.3 Giữ/nhả bộ nối
Không áp dụng.
6.4.4.5 Chi tiết về các chức năng đối với Chế độ 3
Không áp dụng.
Bổ sung:
6.4.4.101 Đánh thức trạm sạc điện một chiều cho EV bởi EV
Trạm sạc có thể hỗ trợ chế độ chờ để giảm thiểu tiêu thụ năng lượng. Trong trường hợp này, trạm phải có thể được đánh thức bởi EV.
6.4.5 Chi tiết về chức năng điều khiển quá trình sạc
Thay thế:
Đối với sạc một chiều, bắt buộc phải có chức năng điều khiển quá trình sạc. Chức năng điều khiển quá trình sạc phải có khả năng thực hiện tối thiểu các chức năng bắt buộc được mô tả trong 6.4.3.1, 6.4.3.2, 6.4.3.3 và 6.4.3.4, và cũng có thể có khả năng góp phần vào các chức năng tùy chọn được mô tả trong 6.4.4.
Bổ sung:
6.101 Phân loại
Các trạm sạc và hệ thống sạc một chiều cho EV có thể được phân loại như sau.
6.101.1 Cấp
6.101.1.1 Theo kết cấu hệ thống:
- trạm sạc điện một chiều cách ly dùng cho EV, theo kiểu cách điện giữa đầu vào và đầu ra:
a) cách điện chính,
b) cách điện tăng cường,
c) cách điện kép,
- trạm sạc điện một chiều không cách ly dùng cho EV.
6.101.1.2 Theo điều khiển hệ thống:
- trạm sạc điện một chiều có điều tiết dùng cho EV:
a) sạc với dòng điện có điều khiển,
b) sạc với điện áp có điều khiển,
c) kết hợp a) và b),
- trạm sạc điện một chiều không điều tiết dùng cho EV.
6.101.1.3 Theo cách nhận năng lượng:
- trạm sạc điện một chiều cho EV được nối với mạng điện xoay chiều;
- trạm sạc điện một chiều cho EV được nối với nguồn lưới một chiều.
6.101.1.4 Theo các điều kiện môi trường:
- sử dụng ngoài trời;
- sử dụng trong nhà.
CHÚ THÍCH 1: Ở Mỹ và Canada, các quy định kỹ thuật quốc gia yêu cầu phải có thông gió khi sạc trong nhà.
CHÚ THÍCH 2: Các trạm sạc điện một chiều cho EV được phân loại thành sử dụng ngoài trời có thể được sử dụng trong nhà, với điều kiện đáp ứng các yêu cầu về thông gió.
6.101.1.5 Theo cách hệ thống sử dụng:
- hệ thống A (xem Phụ lục AA);
- hệ thống B (xem Phụ lục BB);
- hệ thống C (xem Phụ lục CC).
6.101.2 Thông số đặc trưng
Theo điện áp đầu ra một chiều:
- đến và bằng 60 V,
- trên 60 V đến và bằng 1 500 V.
7 Bảo vệ chống điện giật
Áp dụng Điều 7 của IEC 61851-1, ngoài ra:
7.2.3.1 Ngắt kết nối EV
Thay câu thứ nhất bằng:
Một giây sau khi ngắt EV khỏi nguồn cung cấp, điện áp giữa các phần dẫn tiếp cận được hoặc phần dẫn tiếp cận được bất kỳ và dây bảo vệ phải nhỏ hơn 60 V một chiều và năng lượng trữ sẵn phải nhỏ hơn 20 J (xem IEC 60950-1).
Thay thế:
7.2.3.2 Ngắt kết nối trạm sạc điện một chiều cho EV
Các điều kiện để ngắt kết nối trạm sạc điện một chiều cho EV khỏi nguồn lưới giống với các điều kiện được yêu cầu đối với việc ngắt kết nối EV như nêu trong 7.2.3.1.
7.4 Biện pháp bổ sung
Không áp dụng ngoại trừ đối với trạm sạc điện một chiều cho EV di động.
Thay thế:
7.5 Biện pháp bảo vệ đối với các trạm sạc điện một chiều cho EV
Các loại trạm sạc điện một chiều cho EV được đề cập bởi yêu cầu này kể cả tất cả các phần dẫn tiếp cận được trên thiết bị phải có biện pháp bảo vệ dưới đây như mô tả trong IEC 61140.
- biện pháp bảo vệ bằng ngắt nguồn tự động được thực hiện bằng cách nối tất cả các phần dẫn để hở với dây bảo vệ trong quá trình sạc pin/acquy, trừ khi biện pháp bảo vệ bằng cách điện tăng cường hoặc cách điện kép hoặc biện pháp bảo vệ bằng phân cách về điện được sử dụng cho các trạm sạc điện một chiều cho EV.
Bổ sung:
7.5.101 Yêu cầu của trạm sạc điện một chiều cho EV có cách ly
Yêu cầu đối với trạm sạc điện một chiều cho EV có cách ly để bảo vệ chống điện giật được cho đối với từng hệ thống trong AA.3.1, BB.2 hoặc CC.4.1.
Ngoài ra, nếu trạm sạc điện một chiều cho EV có nhiều đầu ra một chiều để làm việc đồng thời, từng mạch đầu ra phải được cách ly với nhau bằng cách điện chính hoặc cách điện tăng cường.
CHÚ THÍCH 1: Các yêu cầu đối với các đầu ra làm việc đồng thời không được cách ly với nhau đang được xem xét.
CHÚ THÍCH 2: Ở Mỹ và Canada, cả thiết bị cấp điện cho xe điện có cách ly và không cách ly và các trạm sạc điện một chiều cho EV đều phải phù hợp với các yêu cầu trong tiêu chuẩn quốc gia.
Đối với nhiều đầu ra, xem IEC 60364-7-722.
7.5.102 Yêu cầu đối với trạm sạc điện một chiều không cách ly dùng cho EV
Đối với các trạm sạc điện một chiều không cách ly dùng cho EV: đang xem xét.
CHÚ THÍCH: Ở Mỹ và Canada, cả thiết bị cấp điện cho xe điện có cách ly và không cách ly và các trạm sạc điện một chiều cho EV đều phải phù hợp với các yêu cầu trong tiêu chuẩn quốc gia.
7.5.103 Tiết diện dây bảo vệ
Dây bảo vệ phải có tiết diện đủ để đáp ứng các yêu cầu của TCVN 7447-5-54 (IEC 60364-5-54).
CHÚ THÍCH: Ở một số nước, kích thước và thông số của dây bảo vệ được quy định trong quy phạm và quy chuẩn quốc gia.
7.6 Yêu cầu bổ sung
Thay thế:
Trạm sạc điện một chiều cho EV phải tương thích với RCD Kiểu A trong hệ thống lắp đặt điện, tức là mạng điện xoay chiều (nguồn lưới).
Bộ sạc Cấp II có thể có dây bảo vệ để nối đất khung EV.
8 Đấu nối giữa nguồn cấp và EV
Áp dụng Điều 8 của IEC 61851-1, ngoài ra:
8.1 Quy định chung
Thay thế:
Các yêu cầu về giao diện điện dẫn giữa xe điện và trạm sạc điện một chiều cho EV như cho trong IEC 62196-3.
Đối với các hệ thống không cách ly: đang xem xét.
8.2 Trình tự tiếp điểm
Thay thế:
Áp dụng 6.7 trong IEC 62196-3.
8.3 Mô tả chức năng của giao diện tiêu chuẩn
Không áp dụng.
8.4 Mô tả chức năng của giao diện chính
Không áp dụng.
Thay thế:
9 Yêu cầu cụ thể đối với bộ nối dùng cho xe điện
Áp dụng Điều 9 của IEC 61851-1, ngoài ra:
9.1 Yêu cầu chung
Thay thế:
Yêu cầu về kết cấu và tính năng của bộ nối dùng cho xe điện được quy định trong IEC 62196-1.
Yêu cầu đối với các giao diện một chiều được quy định trong IEC 62196-3.
Thay thế:
9.3 Tuổi thọ vận hành của bộ nối dùng cho xe điện
Yêu cầu về kết cấu và tính năng của bộ nối dùng cho xe điện được quy định trong IEC 62196-1.
9.4 Khả năng cắt
Thay thế:
Đối với sạc điện một chiều, các bộ nối dùng cho xe điện được đặc trưng bởi “không dùng cho ngắt dòng điện”. Không được ngắt mạch khi có tải.
Trong trường hợp ngắt có tải một chiều do sự cố, không được xảy ra tình trạng nguy hiểm bất kỳ.
Tránh ngắt mạch có tải bằng có thể đạt được bằng phương tiện cụ thể trên phích nối dùng cho xe điện hoặc hệ thống có khóa liên động.
Ngoài cơ cấu khóa được xác định trong 6.4.3.104, trong trường hợp ngắt không chú ý bộ nối dùng cho xe điện, dòng điện đầu ra của trạm sạc điện một chiều cho EV phải được ngắt trong khoảng thời gian xác định để hạn chế hồ quang có thể có trong phạm vi vỏ bọc của bộ nối dùng cho xe điện. Thời gian ngắt này phải phù hợp với giá trị quy định trong Phụ lục AA, BB và CC, bằng cách sử dụng tốc độ tách rời nhau của phích nối dùng cho xe điện là (0,8 ±0,1) m/s theo IEC 60309-1.
Việc ngắt bộ nối dùng cho xe điện có thể được phát hiện khi xảy một trong các trường hợp sau:
- mất truyền thông số;
- ngắt (các) mạch khóa liên động, ví dụ điều khiển quá trình sạc, mạch cảm biến vị trí, để giảm thiểu hồ quang điện và nguy hiểm điện giật.
Yêu cầu cụ thể đối với khả năng cắt của hệ thống và dự phòng dư của hệ thống được cho trong Phụ lục AA, BB và CC.
10 Yêu cầu về cụm cáp sạc
Áp dụng Điều 10 của IEC 61851-1, ngoài ra:
10.1 Thông số đặc trưng về điện
Thay thế:
Điện áp và dòng điện danh định của từng dây dẫn phải tương ứng với các điện áp danh định và dòng điện danh định của đầu ra một chiều của trạm sạc điện một chiều cho EV.
11 Yêu cầu về EVSE
Áp dụng Điều 11 của IEC 61851-1, ngoài ra:
11.4 Đặc tính chịu thử điện môi
11.4.2 Chịu thử điện môi dạng xung (1,2/50 µs)
Thay thế:
Khả năng chịu thử điện môi dạng xung của các mạch điện phải được kiểm tra bằng cách sử dụng các giá trị như chỉ ra trong Bảng F.1 của IEC 60664-1:2007, cấp III đối với các trạm sạc điện một chiều cho EV cố định, và cấp II đối với các trạm sạc điện một chiều cho EV có thể tháo rời. Có thể áp dụng cấp quá điện áp thấp hơn nếu việc giảm quá điện áp phù hợp được cho trong IEC 60664-1.
Thử nghiệm phải được tiến hành theo các yêu cầu trong IEC 61180-1.
Bổ sung:
11.4.101 Loại bỏ cấp quá điện áp
Trạm sạc điện một chiều cách ly dùng cho EV phải giảm quá điện áp với EV xuống còn điện áp xung danh định 2 500 V.
Mạch sơ cấp của trạm sạc điện một chiều sử dụng ngoài trời có cấp quá điện áp (OVC) III theo IEC 61851-1.
CHÚ THÍCH: Việc giảm quá điện áp có thể đạt được bằng cách kết hợp một hoặc nhiều phương tiện suy giảm theo 4.3.3.6 của IEC 60664-1:2007.
11.5 Điện trở cách điện
Bổ sung câu sau:
Điện trở cách điện theo 11.5 không bao gồm các thành phần bắc cầu cách điện theo 1.5.6 và 1.5.7 của IEC 60950-1:2005, amendment 1:2009, amendment 2:2013.
CHÚ THÍCH: Thử nghiệm này được thực hiện mà không có hệ thống theo dõi cách điện.
11.6 Khe hở không khí và chiều dài đường rò
Thay thế:
Khe hở không khí và chiều dài đường rò phải theo IEC 60664-1.
Độ nhiễm bẩn tối thiểu phải như quy định dưới đây:
- sử dụng ngoài trời: nhiễm bẩn độ 3,
- sử dụng trong nhà: nhiễm bẩn độ 2, ngoại trừ các khu vực công nghiệp: nhiễm bẩn độ 3.
Độ nhiễm bẩn của vi môi trường đối với trạm sạc điện một chiều cho EV có thể bị ảnh hưởng bởi hệ thống lắp đặt bên trong vỏ bọc.
CHÚ THlCH: Môi trường lớn đối với sử dụng trong nhà chỉ được giả thiết là có nhiễm bẩn tối thiểu độ 3 đối với các điều kiện ôn hòa.
11.7 Dòng điện chạm rò
Thay thế:
Điều này xác định phép đo dòng điện chạy trong mạng điện mô phỏng trở kháng của cơ thể người (dòng điện chạm).
Bổ sung:
11.7.101 Giới hạn dòng điện chạm
Dòng điện chạm giữa các cực bất kỳ của mạng điện xoay chiều và các phần kim loại tiếp cận được nối với nhau và với lá kim loại phủ lên các phần bên ngoài được cách điện không được vượt quá các giá trị cho trong Bảng 2 của IEC 61851-1.
Thử nghiệm này phải được thực hiện khi trạm sạc điện một chiều cho xe điện đang làm việc với tải điện trở ở công suất ra danh định.
Đối với trạm sạc điện một chiều cho EV cấp I, áp dụng 11.7.106, nếu dòng điện chạm thử nghiệm vượt quá 3,5 mA.
Mạch điện được nối qua điện trở cố định hoặc liên quan đến dây bảo vệ (ví dụ kiểm tra đấu nối EV) cần được ngắt trước thử nghiệm này.
11.7.102 Cấu hình thử nghiệm
Các cấu hình để đo dòng điện rò được cho trong 5.4.1 của IEC 60990:1999.
11.7.103 Ứng dụng của mạng đo
Mạng đo được xác định trên Hình 102. Trên Hình 102, đầu nối B của mạng đo được nối với dây dẫn (trung tính) nối đất của nguồn. Đầu nối A của mạng đo được nối lần lượt với từng bề mặt dẫn hoặc bề mặt không nối đất tiếp cận được. Tất cả các bề mặt dẫn hoặc không nối đất tiếp cận được đều được thử nghiệm với dòng điện chạm. Mạng đo trên Hình 102 được lấy từ Hình 4 của IEC 60990:1999.
Đối với phần không dẫn tiếp cận được, thử nghiệm được thực hiện cho lá kim loại có các kích thước 100 mm x 200 mm tiếp xúc với phần đó.

Hình 102 - Mạng đo dòng điện chạm được đánh giá theo sự cảm nhận hoặc phản ứng
11.7.104 Điều kiện thử nghiệm
Dòng điện chạm phải được đo sau thử nghiệm nóng ẩm, với trạm sạc điện một chiều cho EV được nối với mạng điện (nguồn lưới) theo Điều 6 của IEC 60990:1999. Điện áp nguồn phải bằng 1,1 lần điện áp danh định danh nghĩa.
Các phép đo phải được thực hiện với từng điều kiện chạm chập áp dụng được quy định trong 6.2.2 của IEC 60990:1999.
11.7.105 Các phép đo thử nghiệm
Giá trị hiệu dụng của điện áp, U2, phải được đo bằng cách sử dụng thiết bị đo M trên Hình 102. Sử dụng công thức (2) để tính dòng điện chạm:
| Dòng điện chạm (A) = U2 / 500 | (2) |
Các giá trị đo được theo 11.7.104 không được vượt quá các giới hạn liên quan được quy định trong 11.7.101.
11.7.106 Biện pháp bảo vệ đối với dòng điện chạm vượt quá 3,5 mA
Đối với trạm sạc điện một chiều cho EV cấp I, nếu dòng điện chạm thử nghiệm vượt quá 3,5 mA hiệu dụng, phải đáp ứng tất cả các yêu cầu dưới đây. Dòng điện chạm phải được đo trong điều kiện sự cố với dây nối đất được đóng mạch.
a) Dây bảo vệ phải có tiết diện tối thiểu 10 mm2 Cu hoặc 16 mm2 AI trên toàn bộ chiều dài.
b) Trong trường hợp dây bảo vệ có tiết diện nhỏ hơn 10 mm2 Cu hoặc 16 mm2 AI, phải có dây bảo vệ thứ hai có tiết diện tối thiểu tương tự dây thứ nhất đến điểm tại đó dây bảo vệ thứ nhất có tiết diện không nhỏ hơn 10 mm2 Cu hoặc 16 mm2 AI.
CHÚ THÍCH: Yêu cầu này có thể đòi hỏi trạm sạc điện một chiều cho EV có đầu nối riêng cho dây bảo vệ thứ hai.
c) Tự động ngắt nguồn trong trường hợp mất sự liền mạch của dây bảo vệ.
Ký hiệu cảnh báo
phải được đặt trên phía ngoài của trạm sạc điện một chiều cho EV, nơi người sử dụng có thể nhìn thấy.
Kích thước tối thiểu của dây nối đất bảo vệ phải phù hợp với các quy định về an toàn tại địa phương và phải được nêu trong sổ tay hướng dẫn lắp đặt.
11.12 Thử nghiệm tương thích điện từ
Thay thế:
Yêu cầu EMC đối với các trạm sạc điện một chiều cho EV được xác định trong IEC 61851-21-2.
Bổ sung:
11.101 Thiết bị đo đếm điện
Nếu có thiết bị đo đếm điện thì nó phải phù hợp với IEC 62052-11 và IEC 62053-21.
CHÚ THÍCH 1: Có thể áp dụng các quy định kỹ thuật quốc gia đối với thiết bị đo điện.
CHÚ THÍCH 2: Việc sử dụng có thể được xác định bằng phương tiện khác, ví dụ đo khoảng thời gian sạc điện.
Bổ sung:
101 Yêu cầu cụ thể đối với trạm sạc điện một chiều cho EV
CHÚ THÍCH: Ở Mỹ và Nhật, các quy định quốc gia đưa ra các yêu cầu về vỏ bọc của trạm sạc điện một chiều cho EV.
101.1 Quy định chung
101.1.1 Đóng cắt khẩn cấp
Thiết bị ngắt khẩn cấp có thể được lắp đặt để cách ly mạng điện xoay chiều (nguồn lưới) từ trạm sạc điện một chiều cho EV trong trường hợp rủi ro điện giật, cháy hoặc nổ. Thiết bị ngắt có thể được cung cấp phương tiện ngăn ngừa việc tác động ngẫu nhiên.
101.1.2 Cấp IP đối với sự thâm nhập của các vật rắn
Cấp IP tối thiểu phải như quy định dưới đây:
- trong nhà: IP21,
- ngoài trời: IP44.
Kiểm tra sự phù hợp bằng phụ kiện ví dụ như cụm cáp và phích nối dùng cho xe điện tại vị trí lắp đặt.
CHÚ THÍCH: Đối với trạm sạc điện một chiều cho EV loại đặt tĩnh tại, các điều kiện thử nghiệm có thể được xác định theo các điều kiện lắp đặt.
10.1.3 Phương tiện bảo quản cụm cáp và phích nối dùng cho xe điện
Đối với các trạm sạc điện một chiều cho EV, phải có phương tiện bảo quản cụm cáp và phích nối dùng cho xe điện khi không sử dụng.
Phương tiện bảo quản được cung cấp đối với phích nối dùng cho xe điện phải được đặt ở độ cao từ 0,4 m đến 1,5 m so với mặt đất.
101.1.4 Độ ổn định
Trạm sạc điện một chiều cho EV phải được lắp đặt như dự kiến trong hướng dẫn lắp đặt của nhà chế tạo. Phải đặt một lực 500 N trong 5 min theo phương nằm ngang lên bề mặt trên cùng của trạm sạc điện một chiều cho EV theo từng hướng trong bốn hướng hoặc theo phương nằm ngang trường hợp xấu nhất có thể có. Không được có hư hại trạm sạc điện một chiều cho EV hoặc biến dạng tại mặt trên của trạm lớn hơn:
- 50 mm trong quá trình đặt tải;
- 10 mm sau khi đặt tải.
101.1.5 Bảo vệ chống dòng công suất ngược không kiểm soát được từ xe điện
Trạm sạc điện một chiều cho EV phải được trang bị thiết bị bảo vệ chống dòng công suất ngược không kiểm soát được từ xe điện. Dòng công suất không kiểm soát được không bao gồm dồng công suất ngược tức thời có thể xảy ra khi đóng các côngtắctơ trong phạm vi dung sai và thời gian quy định trong Phụ lục AA, BB và CC.
101.2 Yêu cầu cụ thể đối với các hệ thống cách ly
101.2.1 Đầu ra một chiều
101.2.1.1 Các đầu ra danh định và công suất ra lớn nhất
Trạm sạc điện một chiều cho EV có thể giới hạn dòng điện lớn nhất của nó trong điều kiện cho trước không phụ thuộc vào công suất danh định và công suất yêu cầu.
Trạm sạc điện một chiều cho EV phải có khả năng cung cấp công suất một chiều trong dải điện áp [Vmin, Vmax] và dải dòng điện có điều tiết [Imin, Imax] trong phạm vi giới hạn công suất danh định lớn nhất của nó [Pmax] ở nhiệt độ môi trường từ -5 °C đến 40 °C và ở độ cao thấp hơn 1 000 m so với mực nước biển. Trạm sạc điện một chiều cho EV không được vượt quá công suất danh định lớn nhất, ngay cả khi công suất lớn nhất được yêu cầu bởi EV vượt quá công suất lớn nhất danh định của bộ sạc một chiều. Bên ngoài dải làm việc này, bộ sạc một chiều được phép giảm công suất hoặc giảm dòng điện.
CHÚ THÍCH: Quy phạm quốc gia hoặc quy phạm trong công nghiệp và các quy định kỹ thuật có thể yêu cầu các dải nhiệt độ làm việc khác nhau.
101.2.1.2 Điện áp đầu ra và dung sai dòng điện
101.2.1.2.1 Quy định về dòng điện đầu ra trong CCC
Dung sai giữa các điện áp đầu ra của trạm sạc điện một chiều cho EV so với giá trị yêu cầu được EV gửi đến phải là ±2,5 A đối với yêu cầu thấp hơn 50 A, và ±5 % giá trị yêu cầu đối với 50 A hoặc lớn hơn.
101.2.1.2.2 Quy định về dòng điện đầu ra trong CVC
Dung sai giữa các điện áp đầu ra của trạm sạc điện một chiều cho EV so với giá trị yêu cầu được EV gửi đến hoạt động ở trạng thái ổn định không được cao hơn 2 % đối với điện áp danh định lớn nhất của trạm sạc điện một chiều cho EV.
101.2.1.3 Trễ điều khiển của dòng điện sạc trong CCC
Trạm sạc điện một chiều cho EV phải điều khiển dòng điện đầu ra trong phạm vi 1 s sau khi có yêu cầu từ xe điện với độ chính xác điều khiển dòng điện quy định trong 101.2.1.2.1, và với tốc độ thay đổi d/min là 20 A/s hoặc lớn hơn.
Nếu xe điện yêu cầu dòng điện mục tiêu IN, cho thấy độ lệch nhỏ hơn hoặc bằng 20 A so với giá trị dòng điện gốc l0, thì dòng điện đầu ra của trạm sạc điện một chiều cho EV phải nằm trong các giới hạn dung sai cho trong 101.2.1.2.1 trog phạm vi thời gian trễ là 1 s.
Nếu xe điện yêu cầu dòng điện mục tiêu bất kỳ lN, cho thấy độ lệch lớn hơn 20 A so với giá trị dòng điện gốc l0, thì dòng điện đầu ra của trạm sạc điện một chiều cho EV phải nằm trong các giới hạn dung sai cho trong 101.2.1.2.1 trong phạm vi thời gian trễ là Td như xác định trong công thức (3) và thể hiện trên Hình 103.
|
| (3) |
trong đó
Td là trễ điều khiển của dòng điện sạc;
lN là giá trị dòng điện mục tiêu;
l0 là giá trị dòng điện gốc, tức là dòng điện đầu ra ở thời điểm có yêu cầu mới;
d/min là tốc độ thay đổi nhỏ nhất của dòng điện.
là giá trị tuyệt đối của chênh lệch giữa lN và l0.

Hình 103 - Đáp tuyến dạng bậc thang đối với điều khiển giá trị không đổi
101.2.1.4 Tốc độ giảm dòng điện sạc
Trạm sạc điện một chiều cho EV phải có khả năng giảm dòng điện với tốc độ giảm dần là 100 A/s hoặc lớn hơn trong làm việc bình thường.
Đối với cắt nguồn khẩn cấp và để đáp ứng các yêu cầu chung trong 9.4, thậm chí cần tốc độ giảm xuống cao hơn nhiều. Các giá trị chi tiết được nêu trong Phụ lục AA, BB và CC.
101.2.1.5 Sai lệch theo chu kỳ và sai lệch ngẫu nhiên (nhấp nhô dòng điện)
Nhấp nhô dòng điện của trạm sạc điện một chiều cho EV trong quá trình điều tiết dòng điện không được vượt quá giới hạn xác định trong Bảng 101. Phép đo phải được thực hiện ở công suất danh định lớn nhất và dòng điện danh định lớn nhất, hoặc trong trường hợp xấu nhất khi điện áp đầu ra và dòng điện đầu ra tương ứng về lý thuyết với nhấp nhô lớn nhất của dòng điện. Nhấp nhô dòng điện không được tính trong dung sai xác định trong 101.2.1.2.1.
Phải sử dụng nguyên tắc của phép đo thể hiện trên Hình 104.
Bảng 101 - Giới hạn nhấp nhô dòng điện của trạm sạc điện một chiều cho EV
| Giới hạn a | Tần số |
| 1,5 A | Dưới 10 Hz |
| 6 A | Dưới 5 000 Hz |
| 9 A | Dưới 150 kHz |
| a Chênh lệch giữa phần đỉnh dương cao nhất và phần đỉnh âm cao nhất ở đầu ra toàn dải. | |

CHÚ DẪN
R1 biến trở
C1 giá trị đặt để ngăn ngừa tổn hao bên trong của dòng điện nhấp nhô trong trạm sạc điện một chiều cho EV ; (5 600 µF hoặc lớn hơn)
I1 dòng điện một chiều (dòng điện đo)
Hình 104 - Thiết bị đo nhấp nhô dòng điện bằng tụ điện
101.2.1.6 Sai lệch theo chu kỳ và sai lệch ngẫu nhiên (nhấp nhô điện áp trong CVC)
Đối với CVC, sai lệch điện áp lớn nhất trong trạng thái trước nạp và trong quá trình nạp pin/acquy của xe điện/phương tiện kéo không được vượt quá ±5 % điện áp yêu cầu. Nhấp nhô điện áp lớn nhất trong làm việc bình thường không được vượt quá ±5 V. Tốc độ thay đổi điện áp lớn nhất trong làm việc bình thường không được vượt quá ±20 V/ms.
Để giải thích các thuật ngữ, xem Hình 105.

Hình 105 - Các thông số đặc trưng lớn nhất của điện áp
Đối với CVC, khi pin/acquy của xe điện không được nối: đang xem xét.
101.2.1.7 Sa thải phụ tải
Trường hợp xấu nhất của sa thải phụ tải là giảm dòng điện đầu ra từ 100 % giá trị danh nghĩa xuống còn 0 %, ví dụ do ngắt pin/acquy của xe điện trong khi các tải khác trong EV vẫn đang nối. Trong mọi trường hợp sa thải phụ tải, mức quá điện áp không được vượt quá giới hạn quy định đối với từng hệ thống trong Phụ lục AA, BB hoặc CC.
Tốc độ thay đổi lớn nhất của điện áp đầu ra trong trường hợp sa thải phụ tải không được lớn hơn 250 v/ms.
101.2.2 Sự liền mạch nối đất hiệu quả giữa vỏ bọc và mạch bảo vệ bên ngoài
Phần dẫn để hở của trạm sạc điện một chiều cho EV phải được nối với đầu nối của dây bảo vệ bên ngoài. Thử nghiệm phải được thực hiện theo 10.5.2 trong IEC 61439-1:2011 trừ khi có quy định khác trong quy định kỹ thuật quốc gia.
101.3 Yêu cầu cụ thể đối với các hệ thống không cách ly
Đang xem xét.
Bổ sung:
102 Truyền thông giữa EV và trạm sạc điện một chiều cho EV
102.1 Quy định chung
Điều này đưa ra các yêu cầu chung đối với chức năng truyền thông điều khiển và hệ thống giữa EV và trạm sạc điện một chiều cho EV. Các yêu cầu cụ thể của truyền thông số của việc điều khiển sạc giữa hệ thống sạc một chiều không nằm trên xe điện và xe điện được cho trong IEC 61851-24.
EV được trang bị pin/acquy truyền động có công nghệ và điện áp khác nhau. Do đó, quá trình sạc phải được quản lý bởi xe điện để đảm bảo việc sạc cho các hệ thống tích trữ năng lượng thuộc các loại khác nhau trên trên xe điện.
EV được trang bị VCCF để quản lý quá trình sạc. Mục đích chung của các trạm sạc điện một chiều cho EV là phải có phương tiện cho phép xe điện điều khiển được các tham số sạc của trạm sạc điện một chiều cho EV.
102.2 Cấu hình hệ thống
Truyền thông giữa trạm sạc điện một chiều cho EV và xe điện có thể được thiết lập thông qua truyền thông cơ bản và các truyền thông mức cao.
Các bước chính trong quá trình điều khiển sạc, ví dụ khởi động việc sạc và cắt nguồn bình thường/khẩn cấp, phải được quản lý thông qua truyền thông cơ bản với sự trao đổi tín hiệu thông qua các đường dây dẫn điều khiển quá trình sạc trong hệ thống sạc một chiều cho EV.
Ngoài truyền thông cơ bản, trạm sạc điện một chiều cho EV phải được trang bị với phương tiện truyền thông số để trao đổi các tham số điều khiển đối với sạc điện một chiều giữa trạm sạc điện một chiều cho EV và xe điện thông qua truyền thông mức cao. Các phương tiện truyền thông số dưới đây được sử dụng bởi các hệ thống xác định trong Phụ lục AA, BB và CC:
a) mạng vùng điều khiển (CAN) trên mạch truyền thông số chuyên dụng theo ISO 11898-1, hoặc
b) truyền thông đường dây điện (PLC) trên mạch điều khiển quá trình sạc.
102.3 Truyền thông cơ bản
102.3.1 Giao diện
Các giao diện điển hình của chức năng điều khiển quá trình sạc trên các hệ thống sạc một chiều cho EV được quy định trong Phụ lục AA, BB và CC. Mỗi hệ thống phải thực hiện chức năng điều khiển quá trình sạc thông qua các dây dẫn và các đầu nối điều khiển quá trình sạc quy định trong IEC 62196-3.
102.3.2 Trạng thái sạc
Bảng 102 xác định trạng thái sạc của trạm sạc điện một chiều cho EV. Trạng thái sạc thể hiện trạng thái vật lý của hệ thống sạc một chiều cho EV. Trạm sạc điện một chiều cho EV và xe điện có thể trao đổi trạng thái sạc của chúng thông qua truyền thông tín hiệu và truyền thông số.
Bảng 102 - Trạng thái sạc của trạm sạc điện một chiều cho EV
| Trạng thái | Xe điện được nối | Côngtắctơ của xe điện | Có thể sạc | Mô tả | |
| DC-A | Không được nối | Không | Mở | Không | Xe điện không kết nối |
| DC-B1 | Khởi động | Có | Mở | Không | Xe điện đã kết nối/không sẵn sàng tiếp nhận năng lượng/truyền thông chưa thiết lập/phích nối đã nhả/côngtắctơ của xe điện đã hở mạch |
| DC-B2 | Có | Mở | Không | Xe điện đã kết nối/không sẵn sàng tiếp nhận năng lượng/truyền thông đã thiết lập/phích nối đã nhả/côngtắctơ của xe điện đã hở mạch | |
| DC-B3 | Có | Mở | Không | Xe điện đã kết nối/không sẵn sàng tiếp nhận năng lượng/truyền thông đã thiết lập/phích nối đã khóa/côngtắctơ của xe điện đã hở mạch/chưa các quá trình bổ sung khác đã hoàn thành | |
| DC-C | Truyền năng lượng | Có | Đóng | Có | Xe điện đã kết nối/ sẵn sàng tiếp nhận năng lượng/không yêu cầu thông gió khu vực sạc trong nhà/truyền thông đã thiết lập/phích nối đã khóa/côngtắctơ của xe điện đã khép mạch/ các quá trình bổ sung khác đã hoàn thành |
| DC-D | Có | Đóng | Có | Xe điện đã kết nối/ sẵn sàng tiếp nhận năng lượng/có yêu cầu thông gió khu vực sạc trong nhà/truyền thông đã thiết lập/phích nối đã khóa/côngtắctơ của xe điện đã khép mạch/ các quá trình bổ sung khác đã hoàn thành | |
| DC-B’1 | Cắt nguồn | Có | Đóng | Có | Xe điện đã kết nối/việc sạc đã kết thúc/truyền thông được duy trì/phích nối đã nhả/côngtắctơ của xe điện đã khép mạch |
| DC-B’2 | Có | Mở | Không | Xe điện đã kết nối/việc sạc đã kết thúc/truyền thông được duy trì/phích nối đã khóa/côngtắctơ của xe điện đã hở mạch/các quá trình bổ sung khác đã hoàn thành | |
| DC-B’3 | Có | Mở | Không | Xe điện đã kết nối/việc sạc đã kết thúc/truyền thông được duy trì/phích nối đã nhả/côngtắctơ của xe điện đã hở mạch | |
| DC-B’4 | Có | Mở | Không | Xe điện đã kết nối/việc sạc đã kết thúc/kết thúc truyền thông/phích nối đã nhả/côngtắctơ của xe điện đã hở mạch | |
| DC-E | Lỗi | Có | Mở | Không | Bộ sạc điện một chiều đã ngắt mạch khỏi xe điện/bộ sạc điện một chiều đã ngắt khỏi nguồn điện lưới, bộ sạc điện một chiều mất nguồn điện lưới hoặc dẫn hướng điều khiển nối tắt với tham chiếu điều khiển quá trình sạc |
| DC-F | Sai chức năng | Có | Mở | Không | Vấn đề khác của bộ sạc một chiều |
| CHÚ THÍCH: Các chức năng điều khiển quá trình sạc như quy định trong Bảng 102 có thể đạt được bằng cách sử dụng điều khiển quá trình sạc PWM như mô tả trong IEC 61851-1 hoặc hệ thống khác bất kỳ cung cấp các kết quả tương tự. | |||||
102.4 Truyền thông số
Truyền thông số được quy định trong IEC 60851-24.
102.5 Quá trình và trạng thái điều khiển sạc
102.5.1 Quy định chung
Quá trình điều khiển sạc của các trạm sạc điện một chiều cho EV mục đích thông dụng phải gồm ba giai đoạn sau:
- quá trình trước khi bắt đầu sạc (khởi động);
- quá trình trong khi sạc (truyền năng lượng);
- quá trình cắt nguồn (cắt nguồn).
Trạm sạc điện một chiều cho EV và xe điện phải đồng bộ hóa quá trình điều khiển với nhau. Các tín hiệu và thông tin sau phải được sử dụng trong quá trình đồng bộ hóa.
- các tín hiệu thông qua mạch điện của dây dẫn điều khiển quá trình sạc;
- các tham số thông qua mạch truyền thông số;
- các giá trị đo ví dụ mức điện áp và dòng điện của mạch sạc một chiều.
Trạm sạc điện một chiều cho EV và xe điện phải có các ràng buộc quy định về thời gian và điều chỉnh việc điều khiển để đâm bảo việc điều khiển sạc và hoạt động trơn tru.
Quá trình điều khiển sạc như một mức hoạt động hệ thống được thể hiện trong Bảng 103. Sơ đồ trình tự chung được quy định trong Phụ lục AA, Phụ lục BB và Phụ lục CC. Các tham số, định dạng truyền thông và các yêu cầu truyền thông khác được quy định trong IEC 61851-24.
Bảng 103 - Quá trình điều khiển sạc của trạm sạc điện một chiều cho EV ở mức hoạt động hệ thống
| Giai đoạn điều khiển sạc (quá trình) | Trạng thái | Hoạt động mức cao a | |
| Khởi động | Bắt tay | DC-A | Xe điện không kết nối |
| DC-B1 | Phích nối đã cắm | ||
| DC-B1 | Đánh thức DCCCF và VCCF | ||
| DC-B1 | Khởi động dữ liệu truyền thông | ||
| DC-B1->DC-B2 | Thiết lập truyền thông, trao đổi tham số và kiểm tra tính tương thích | ||
| Chuẩn bị sạc | DC-B2->DC-B3 | Phích nối đã khóa | |
| DC-B3 | Thử nghiệm cách điện đối với đường dây một chiều | ||
| DC-B3 | Sạc trước (tùy thuộc vào kiến trúc của hệ thống) | ||
| Truyền năng lượng | DC-C hoặc DC-D | Côngtắctơ phía xe điện đã khóa | |
| DC-C hoặc DC-D | Sạc theo yêu cầu về dòng điện (đối với CCC) | ||
| DC-C hoặc DC-D | Sạc theo yêu cầu về điện áp (đối với CVC) | ||
| DC-C hoặc DC-D -> DC-B’1 | Triệt dòng điện | ||
| DC-C hoặc DC-D | Đàm phán lại các giới hạn tham số (tùy chọn) | ||
| Cắt nguồn | DC-B‘1 | Xác nhận dòng điện bằng không | |
| DC-B’1->DC-B’2 | Phát hiện việc ăn khớp (bởi xe điện, tùy chọn) | ||
| DC-B’2 | Mở côngtắctơ phía xe điện | ||
| DC-B’2 | Kiểm tra xác nhận điện áp đường dây một chiều | ||
| DC-B’3 | Phích nối đã nhả khóa | ||
| DC-B’4 | Kết thúc việc sạc ở mức truyền thông | ||
| DC-A | Phích nối đã được rút | ||
| a Trình tự các hoạt động không phải quy trình của quá trình điều khiển sạc. | |||
102.5.2 Mô tả quá trình trước khi bắt đầu sạc (khởi động)
Trong quá trình này, xe điện và trạm sạc điện một chiều cho EV trao đổi các giới hạn làm việc và các tham số liên quan để điều khiển sạc điện. Các bản tin, ví dụ giới hạn điện áp của pin/acquy của xe điện, dòng điện sạc lớn nhất, v.v. cũng được truyền cho nhau. Điện áp mạch điện phải được đo để kiểm tra xem pin/acquy và trạm sạc điện một chiều cho EV đã được nối trước khi bắt đầu sạc hay chưa và pin/acquy hay chưa và trạm sạc điện một chiều cho EV đã được ngắt sau khi kết thúc quá trình sạc hay chưa. Trạm sạc điện một chiều cho EV không được tiếp tục giai đoạn tiếp theo của quá trình sạc trừ khi đã kiểm tra tính tương thích với xe điện. Sau khi kiểm tra tính tương thích, trạm sạc điện một chiều cho EV phải thực hiện thử nghiệm cách điện giữa các đường dây một chiều và vỏ bọc, kể cả khung của xe điện. Phích nối dùng cho xe điện phải được khóa trước khi thử nghiệm cách điện.
102.5.3 Mô tả quá trình sạc (truyền năng lượng)
Trong quá trình này, xe điện tiếp tục gửi giá trị đặt của dòng điện sạc hoặc điện áp sạc đến trạm sạc điện một chiều cho EV trong suốt quá trình sạc. Phải thực hiện một trong hai thuật toán sau.
a) CCC
- Pin/acquy của xe điện có thể được sạc bằng cách sử dụng CCC với xe điện là chủ và trạm sạc điện một chiều cho EV làm tớ.
- Trạm sạc điện một chiều cho EV phải nhận giá trị dòng điện sạc mà xe điện yêu cầu (giá trị lệnh) trong suốt quá trình điều khiển sạc.
- Trạm sạc điện một chiều cho EV phải đặt giá trị yêu cầu làm mục tiêu điều khiển, và điều chỉnh dòng điện sạc một chiều.
- Giá trị yêu cầu từ xe điện phải được thông báo cho trạm sạc điện một chiều cho EV ở các khoảng cách đều đặn theo yêu cầu của hệ thống.
- Trạm sạc điện một chiều cho EV phải điều chỉnh dòng điện sạc một chiều tương ứng với sự thay đổi giá trị yêu cầu của xe điện.
b) CVC
- Pin/acquy của xe điện có thể được sạc bằng cách sử dụng CVC với xe điện là chủ và trạm sạc điện một chiều cho EV làm tớ.
- Trạm sạc điện một chiều cho EV phải nhận giá trị điện áp sạc mà xe điện yêu cầu (giá trị lệnh) trong suốt quá trình điều khiển sạc.
- Trạm sạc điện một chiều cho EV phải đặt giá trị yêu cầu làm mục tiêu điều khiển, và điều chỉnh điện áp sạc một chiều.
- Giá trị yêu cầu từ xe điện phải được thông báo đến trạm sạc điện một chiều cho EV ở các khoảng cách đều đặn theo yêu cầu của hệ thống.
- Trạm sạc điện một chiều cho EV phải điều chỉnh điện áp sạc một chiều tương ứng với sự thay đổi giá trị yêu cầu của xe điện.
102.5.4 Mô tả quá trình cắt nguồn
Cắt nguồn bình thường phải xảy ra khi dung lượng pin/acquy của xe điện đạt đến giới hạn nhất định, hoặc khi quá trình sạc được dừng bởi người sử dụng với phương tiện dừng bình thường, cắt nguồn khẩn cấp xảy ra trong điều kiện sự cố (xem 6.4.3.114). Sau khi hoàn thành giai đoạn sạc, bước cắt nguồn cho phép xe điện và trạm sạc điện một chiều cho EV quay trở về các điều kiện sao cho người sử dụng có thể thu dọn an toàn cáp sạc và phích nối dùng cho xe điện. Khi việc kết thúc quá trình sạc được thông báo bởi xe điện thì trạm sạc điện một chiều cho EV phải giảm dòng điện sạc về không. Côngtắctơ phía xe điện mở ra ở dòng điện gần bằng “không”. Sau khi điện áp ở ổ nối vào EV đạt đến mức an toàn, phích nối dùng cho xe điện có thể được mở khóa bởi trạm sạc điện một chiều cho EV hoặc bởi xe điện, và người sử dụng có thể tháo phích nối dùng cho xe điện khỏi ổ nối vào EV (xem 6.4.3.108). Yêu cầu tối thiểu về điện áp an toàn được quy định trong 7.2.3.1.
Các phụ lục
Áp dụng các phụ lục trong IEC 61851-1 cùng với các phụ lục dưới đây.
Phụ lục AA
(quy định)
Trạm sạc điện một chiều thuộc hệ thống A cho EV
AA.1 Quy định chung
Phụ lục này cung cấp các yêu cầu cụ thể đối với các trạm sạc điện một chiều thuộc hệ thống A cho EV (sau đây gọi là trạm sạc hệ thống A) bổ sung cho các yêu cầu chung được xác định trong tiêu chuẩn này. Hệ thống A là hệ thống sạc một chiều có điều chỉnh sử dụng mạch điện truyền thông CAN chuyên biệt dùng cho truyền thông số giữa trạm sạc điện một chiều cho EV và EV để điều khiển sạc một chiều. Bộ nối dùng cho xe điện có cấu hình AA như quy định trong IEC 62196-3 áp dụng cho hệ thống A. Yêu cầu cụ thể đối với truyền thông số và chi tiết về các hoạt động truyền thông và các tham số của hệ thống A được xác định trong Phụ lục A của IEC 61851-24.
Điện áp danh định của đầu ra điện một chiều đối với trạm sạc hệ thống A được giới hạn ở 500 V một chiều.
Hệ thống này thích hợp cho các xe điện chở khách và xe tải nhẹ.
Phụ lục này xác định hệ thống có đầu vào xoay chiều nhưng không cấm đầu vào điện một chiều. Phụ lục này đưa ra thông tin về các mạch điện phía xe điện.
Thông tin chi tiết về hệ thống A được xác định trong JIS/TSD0007.
AA.2 Lược đồ và sơ đồ mạch điện giao diện
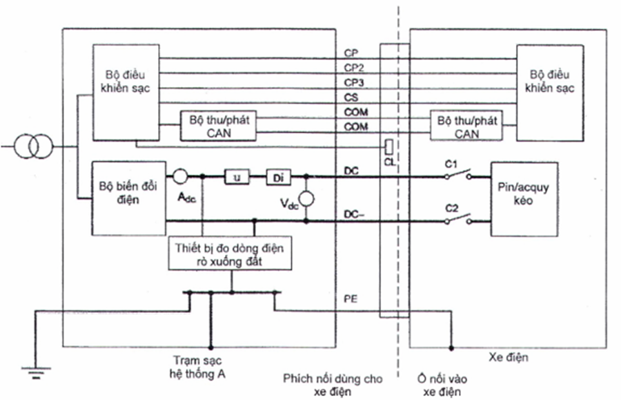
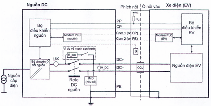
Sơ đồ khối của hệ thống A được cho trên Hình AA.1. Mạch điện giao diện giữa trạm sạc và xe điện dùng để điều khiển sạc được thể hiện trên Hình AA.2. Mạch điện CAN-bus được cung cấp cho truyền thông số với xe điện. Định nghĩa và mô tả của các ký hiệu và thuật ngữ trên Hình AA.1 và Hình AA.2 được cho trong Bảng AA.1. Các giá trị của tham số đối với mạch điện giao diện được cho trong Bảng AA.2.

Hình AA.1 - Lược đồ và sơ đồ mạch điện giao diện

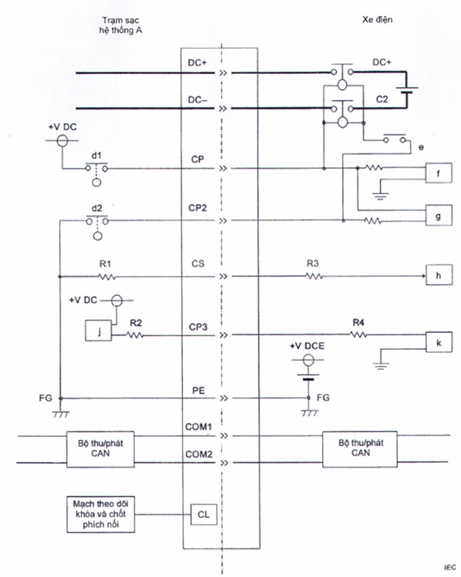
Hình AA.2 - Mạch điện giao diện để điều khiển sạc của trạm sạc hệ thống A
Bảng AA.1 - Định nghĩa các ký hiệu trong Hình AA.1 và Hình AA.2
|
| Ký hiệu | Định nghĩa | Yêu cầu |
| Trạm sạc hệ thống A | Di | Thiết bị ngăn dòng điện ngược (ví dụ điốt: catốt trên phía xe điện, anốt trên phía trạm sạc) | AA.3.3 |
|
| d1 | Cơ cấu đóng cắt trên CP đề điều khiển các tín hiệu khởi động/dừng sạc từ trạm sạc đến xe điện | AA.3.5, Điều AA.4 |
|
| d2 | Cơ cấu đóng cắt trên CP để điều khiển các tín hiệu khởi động/dừng sạc từ trạm sạc đến xe điện | AA.3.5, Điều AA.4 |
|
| j | Thiết bị nhạy với tín hiệu để phát hiện xem xe điện sẵn sàng/không sẵn sàng nhận năng lượng | AA.3.6 |
|
| Vdc | Thiết bị đo điện áp | AA.3.2, Điều AA.4 |
|
| Adc | Thiết bị đo dòng điện | Điều AA.4 |
|
| u | Thiết bị bảo vệ ngắn mạch (ví dụ cầu chảy giới hạn dòng) | AA.3.3 |
|
| R1 | Điện trở | Bảng AA.2 |
|
| R2 | Điện trở | Bảng AA.2 |
|
| +V DC | Nguồn một chiều đến côngtắctơ EV | Bảng AA.2 |
| Xe điện | C1, C2 | Cơ cấu đóng cắt ngắt đường dây nguồn một chiều (côngtắctơ của EV) | AA.3.5, AA.3.7, Điều AA.4 |
|
| e | Rơ le dùng để bật côngtắctơ của EV | Điều AA.4 |
|
| f | Thiết bị cảm nhận tín hiệu để phát hiện trạng thái d1 | Điều AA.4 |
|
| g | Thiết bị cảm nhận tín hiệu để phát hiện trạng thái d2 | Điều AA.4 |
|
| h | Thiết bị cảm nhận tin hiệu để phát hiện nối/ngắt bộ nối dùng cho xe điện | Điều AA.4 |
|
| k | Cơ cấu đóng cắt để bắt đầu/dừng sạc | Điều AA.4 |
|
| R3 | Điện trở | Bảng AA.2 |
|
| R4 | Điện trở | Bảng AA.2 |
|
| +V DCE | Nguồn một chiều trên xe điện | Bảng AA.2 |
| Đầu nối và dây dẫn | DC+ | Nguồn một chiều (dương) | AA.3.7, Điều AA.4 |
| DC- | Nguồn một chiều (âm) | AA.3.7, Điều AA.4 | |
| CP | Điều khiển quá trình sạc chỉ thị trạng thái khởi động/dừng của trạm sạc | Điều AA.2, AA.3.5, Điều AA.4 | |
|
| CP2 | Điều khiển quá trình sạc chỉ thị trạng thái khởi động/dừng của trạm sạc | Điều AA.2, AA.3.5, Điều AA.4 |
|
| CS | Dây dẫn điều khiển quá trình sạc chỉ thị trạng thái của đấu nối bộ nối | Bảng AA.2 |
|
| CP3 | Điều khiển quá trình sạc khẳng định rằng xe điện đã sẵn sàng để sạc | Điều AA.2, AA.3.6, Điều AA.4 |
|
| COM1 COM2 | Cặp đường tín hiệu dùng cho truyền thông số | Điều AA.4, Phụ lục A của IEC 61851-24. |
|
| PE | Dây bảo vệ giữa trạm sạc và EV để phát hiện sự cố chạm đất một chiều lần đầu | AA.3.1 |
| Phích nối dùng cho xe điện | CL | Cơ chế chốt và hãm phích nối | AA.3.4 |
Bảng AA.2 - Tham số và giá trị dùng cho mạch giao diện trên Hình AA.2
| Trạm sạc hệ thống A | |||||
| Đầu nối/dây | Tham số | Giá trị nhỏ nhất | Giá trị thông thường | Giá trị lớn nhất | Đơn vị |
| CP | +V DC | 10,8 | 12,0 | 13,2 | V |
| CS | Điện trở R1 | 190 | 200 | 210 | Ω |
| CP3 | Điện trở R2 | 950 | 1 000 | 1 050 | Ω |
| CP | Dòng điện tải của cơ cấu đóng cắt d1 | 2 |
| 2 000 | mA |
| CP2 | Dòng điện tải của cơ cấu đóng cắt d2 | 2 |
| 2 000 | mA |
| Xe điện | |||||
| CP | Dòng điện tải (khi d1 và d2 đóng) | 10 |
| 2 000 | mA |
| CP2 | Dòng điện tải (khi d1 và d2 đóng) | 10 |
| 2 000 | mA |
| CS | Điện trở R3 | 950 | 1 000 | 1 050 | V |
|
| +V DCE | 8 | 12 | 16 |
|
| CP3 | Điện trở R4 | 190 | 200 | 210 | Ω |
AA.3 Yêu cầu an toàn cụ thể
AA.3.1 Bảo vệ sự cố trong mạch thứ cấp
AA.3.1.1 Quy định chung
Để bảo vệ sự cố trong mạch thứ cấp, trạm sạc hệ thống A phải có các biện pháp sau:
a) máy biến áp cách ly tăng cường;
b) đo dòng điện rò chạm đất sử dụng điện trở nối đất giữa các đường dây nguồn một chiều DC+/DC- và đất (vỏ bọc và khung);
c) tự động ngắt nguồn với mạch nguồn một chiều khi có sự cố chạm đất một chiều lần đầu;
d) cáp sạc bao gồm các dây dẫn của đường dây được cách điện riêng rẽ.
Khi PE tạo thành một phần của cáp sạc, tiết diện của PE phải được xác định bởi công thức trong 543.1.2 của TCVN 7447-5-54:2015 (IEC 60364-5-54:2011).
Bảng AA.3 thể hiện nguyên tắc bảo vệ sự cố, trong đó áp dụng trường hợp 1 cho hệ thống A.
Bảng AA.3 - Nguyên tắc bảo vệ sự cố
|
| Nguồn điện trong trường hợp sự cố lần đầu | Biện pháp bảo vệ trong trường hợp sự cố lần đầu | Bảo vệ chống sự cố thứ cấp |
| Trường hợp 1 | Không yêu cầu | Tự động tắt | Cấm hoạt động ở sự cố lần đầu |
| Trường hợp 2 | Yêu cầu | - Phát hiện và lưu ý về sự cố lần đầu sử dụng thiết bị theo dõi cách điện - Khuyến cáo để loại bỏ sự cố lần đầu với thời gian trễ ngắn nhất cho phép | - PE tương đương với nối đất TN yêu cầu - Cảnh báo nhìn thấy được đối với người thao tác hệ thống khi phát hiện sự cố hệ thống |
AA.3.1.2 Tự động ngắt và theo dõi sự cố chạm đất
Trạm sạc hệ thống A đo dòng điện rò chạm đất giữa mạch thứ cấp và vỏ của nó, hoặc giữa mạch thứ cấp và khung của xe điện.
Khi sự cố chạm đất được phát hiện trong quá trình sạc, trạm sạc phải giảm dòng điện đầu ra một chiều xuống còn 5 A hoặc nhỏ hơn. Khi đó, cơ cấu đóng cắt d1 phải được mở nhằm ngăn xe điện đóng côngtắctơ của EV. Điện áp dây của đầu ra một chiều Vdc phải được giảm xuống thấp hơn 60 V. Quá trình tự động ngắt phải được thực hiện trong vòng 5 s từ khi phát hiện sự cố chạm đất. Nguyên tắc phát hiện dòng điện sự cố và các yêu cầu tính năng được xác định trên Hình AA.3 và Bảng AA.4.
Yêu cầu có phương pháp phát hiện dòng điện sự cố một chiều đối với sự cố chạm đất lần đầu. Trạm sạc hệ thống A phải phát hiện dòng điện sự cố gây ra do sự cố lần đầu trong mạch thứ cấp như quy định trong Bảng AA.4.

CHÚ DẪN
Rf điện trở cách điện giữa DC+/DC- và xe điện hoặc vỏ bọc ở sự cố lần đầu
R điện trở nối đất để phát hiện và giới hạn dòng điện sự cố lần đầu
Ig dòng điện rò chạm đất ở sự cố chạm đất lần đầu
Hình AA.3 - Nguyên tắc phát hiện sự cố bằng cách phát hiện dòng điện rò một chiều
Bảng AA.4 - Yêu cầu đối với theo dõi sự cố chạm đất
| Hạng mục | Tính năng phát hiện | ||||
| Thời gian phát hiện lớn nhấta | 1 s hoặc ngắn hơn | ||||
| Ngăn ngừa tác động | Thời gian đáp ứng nhỏ nhất phải là 0,2 s hoặc lâu hơn với theo dõi ngưỡng | ||||
| không đúng | liên tục | ||||
| Độ nhạy b | Độ nhạy của thiết bị đo dòng điện rò chạm đất và điện trở nối đất của ‘R’ phải được thiết kế sao cho dòng điện qua cơ thể người ở sự cố chạm đất lần đầu nằm trong vùng DC-2 trên Hình 22 của IEC/TS 60479-1:2005. | ||||
| Ví dụ Bố trí điều kiện 1: Khi dòng điện cơ thể người Ih vượt quá vùng DC-2 được tính bởi công thức (AA.1), thiết bị đo được thiết kế để phát hiện sự suy giảm chất lượng của điện trở cách điện Rf như một sự cố chạm đất lần đầu bằng cách đo dòng điện rò chạm đất thể hiện trong công thức (AA.2):
trong đó Ih dòng điện qua cơ thể người Vdc điện áp dây của mạch đầu ra một chiều R điện trở chạm đất Rf điện trở cách điện
trong đó Ig dòng điện đo được Bố trí điều kiện 2: Thiết bị đo được thiết kế để phát hiện dòng điện qua cơ thể người trong vùng DC-2, ngoại trừ khi thiết kế điều kiện 1. | |||||
| a Thời gian phát hiện không bao gồm thời gian cắt dòng điện đầu ra một chiều. b Dòng điện qua cơ thể người thực tế có thể khác với dòng điện rò đo được Ig, nhưng cần được tính đến khi thiết kế trạm sạc. | |||||
AA.3.2 Đo điện áp của đường dây điện một chiều để mở khóa phích nối dùng cho xe điện
Theo 6.4.3.104, phích nối dùng cho xe điện không được mở khóa khi phát hiện điện áp nguy hiểm. Để mở khóa phích nối dùng cho xe điện, điện áp đường dây một chiều phải được đo ở Vdc trong Hình AA.1 và được khẳng định là nằm trong các mức an toàn, tức là 10 V hoặc nhỏ hơn.
AA.3.3 Ngăn ngừa nguy hiểm do ngắn mạch pin/acquy của xe điện
Phải có thiết bị bảo vệ quá dòng, như cầu chảy hạn chế dòng u, trong mạch điện đầu ra của trạm sạc hệ thống A để ngăn ngừa nguy hiểm do dòng điện ngắn mạch của pin/acquy của xe điện gây ra bởi đấu nối ngược cáp sạc do nhầm lẫn, tức là khi DC+/DC- trên xe điện hoặc phía trạm sạc được nối với DC-/DC+ của đầu nối phích nối dùng cho xe điện do bảo dưỡng lỗi. Thiết bị bảo vệ quá dòng phải có thông số đặc trưng về dòng điện là 250 A hoặc nhỏ hơn, và phải là loại cắt nhanh.
AA.3.4 Theo dõi khóa và chốt đối với phích nối dùng cho xe điện
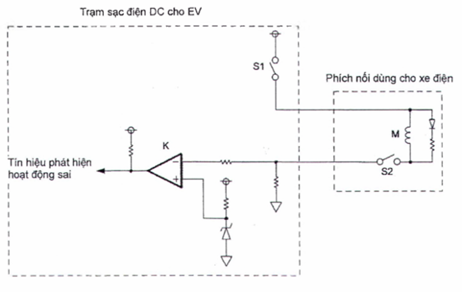
Phích nối dùng cho xe điện phải có phương tiện chốt cơ khí, khóa điện và theo dõi khóa và chốt.
Trong trường hợp hỏng chốt cơ khí hoặc khóa điện của phích nối dùng cho xe điện, trạm sạc không được cấp điện cho đường dây điện một chiều được nối với phích nối dùng cho xe điện. Nếu sự cố được phát hiện trong quá trình sạc, trạm sạc phải giảm dòng điện đầu ra một chiều xuống còn 5 A hoặc nhỏ hơn trong vòng 2 s. Sau đó, cơ cấu đóng cắt d1 phải mở ra.
Phích nối dùng cho xe điện phải có phương tiện cung cấp cho trạm sạc hệ thống A thông tin về việc phát hiện bất thường trong khi theo dõi chốt và khóa điện. Hình AA.4 thể hiện ví dụ về phương tiện phát hiện trong phích nối dùng cho xe điện và trạm sạc hệ thống A.

CHÚ DẪN
K bộ so sánh
S1 cơ cấu đóng cắt
S2 cơ cấu đóng cắt, được khóa liên động với khóa và chốt
M cuộn hút
Hình AA.4 - Ví dụ về mạch theo dõi việc chốt và khóa phích nối dùng cho xe điện
AA.3.5 Bảo vệ côngtắctơ của EV
Để ngăn ngừa việc dính tiếp điểm côngtắctơ EV, cơ cấu đóng cắt d1 và d2 không được mở ở dòng điện vượt quá 5 A.
AA.3.6 Tắt khẩn cấp khi ngắt điều khiển quá trình sạc
Nếu điều khiển quá trình sạc được ngắt trong quá trình sạc, trạm sạc hệ thống A phải giảm dòng điện đầu ra xuống còn 5 A hoặc nhỏ hơn trong vòng 30 ms. Phát hiện có thể thực hiện bằng cách sử dụng CP, CP2 hoặc CP3 như xác định bởi nhà chế tạo.
AA.3.7 Đóng dòng điện khởi động đối với mạch điện xe điện
Dòng điện khởi động trên đường dây nguồn một chiều của trạm sạc hệ thống A không được vượt quá 20 A ở phích nối dùng cho xe điện.
AA.3.8 Bảo vệ chống quá áp tại pin/acquy
Trạm sạc hệ thống A phải giảm dòng điện đầu ra một chiều xuống còn 5 A hoặc nhỏ hơn dòng điện danh định trong vòng 3 s để ngăn ngừa quá điện áp tại pin/acquy, nếu điện áp đầu ra vượt quá giới hạn điện áp lớn nhất được gửi từ xe điện.
AA.3.9 Sa thải phụ tải
Trong trường hợp sa thải phụ tải bất kỳ, quá điện áp của đầu ra một chiều của trạm điện không được vượt quá 600 V.
AA.4 Quá trình sạc và truyền thông giữa trạm sạc điện một chiều cho EV và xe điện để điều khiển sạc
AA.4.1 Biện pháp truyền thông
Truyền thông giữa trạm sạc và xe điện được thực hiện thông qua các điều khiển quá trình sạc CP, CP2 và CP3, mạch điện tiệm cận CS, và các mạch truyền thông số COM1 và COM2. CP và CP2 truyền các tín hiệu như “sẵn sàng sạc” và “kết thúc sạc” từ trạm đến xe điện. CP3 được sử dụng để truyền các hướng dẫn nhằm khởi động sạc hoặc tắt, từ xe điện đến trạm sạc. Các tham số bằng số trong Phụ lục A của IEC 61851-24 như thông số đặc trưng đầu ra của trạm sạc và điện áp lớn nhất của pin/acquy được trao đổi thông qua COM1 và COM2.
AA.4.2 Quá trình điều khiển sạc
AA.4.2.1 Sơ đồ chuyển tiếp trạng thái và sơ đồ trình tự
Quá trình sạc của hệ thống A phải phù hợp với sơ đồ chuyển dịch trạng thái như thể hiện trên Hình AA.5. Hình AA.5 đưa ra trình tự điều khiển sạc trong các điều kiện bình thường.
AA.4.2.2 Bắt đầu sạc
Khi quá trình sạc được khởi động bởi trạm sạc hệ thống A, d1 phải được đóng lại. Cơ cấu đóng cắt d2 phải được mở cho đến khi kết thúc thử nghiệm cách điện trong AA.4.2.3.
AA.4.2.3 Thử nghiệm cách điện trước khi sạc
Thử nghiệm cách điện không được bắt đầu cho đến khi xe điện cung cấp cho trạm sạc hệ thống A tín hiệu cho phép thông qua CP3 và các tham số cho phép bởi truyền thông số như thể hiện trong Phụ lục A của IEC 61851-24. Trước thử nghiệm cách điện, trạm sạc hệ thống A phải thông báo với xe điện thông qua truyền thông số rằng phích nối dùng cho xe điện đã được khóa.
Thử nghiệm cách điện phải được thực hiện theo 6.4.3.106 và theo quy trình sau.
a) Trước thử nghiệm, trạm sạc phải đo Vdc của đường dây một chiều và khẳng định rằng côngtắctơ EV mở. Điện áp đường dây một chiều, được đo ở Vdc, phải là 10 V hoặc nhỏ hơn. Nếu điện áp đo được vượt quá 10 V, quá trình sạc phải được tắt (xem Hình AA.5).
b) Điện áp U áp dụng cho đường dây một chiều phải là điện áp đầu ra lớn nhất của trạm sạc.
c) Sau thử nghiệm, phải khẳng định rằng điện áp tại Vdc là 20 V hoặc nhỏ hơn. Khi đó, trạm sạc phải thông tin cho xe điện để dừng thử nghiệm bằng cách đóng cơ cấu đóng cắt d2.
Trong thử nghiệm cách điện, sự cố chạm đất phải được theo dõi phù hợp với AA.3.1.2.
AA.4.2.4 Truyền năng lượng
Hệ thống A phải theo dõi liên tục giá trị dòng điện sạc yêu cầu bởi xe điện. Dòng điện sạc phải được thay đổi theo giá trị yêu cầu của xe điện, phù hợp với các yêu cầu CCC trong 101.2.1.2.1 và 101.2.1.3. Đặc tính điều khiển dòng điện sạc phải đáp ứng Bảng AA.5 và Hình AA.8.
AA.4.2.5 Tắt
Để kết thúc việc sạc một cách an toàn, trạm sạc hệ thống A phải tuân thủ quy trình sau.
a) Trạm sạc phải thông báo cho xe điện về việc bắt đầu quá trình dừng thông qua truyền thông số.
b) Trạm sạc phải đảm bảo dòng điện đầu ra xuống còn 5 A hoặc thấp hơn.
c) Trong các điều kiện bình thường, cơ cấu đóng cắt d1 và d2 không được mở cho đến khi xe điện kết thúc việc phát hiện hiện tượng dính tiếp điểm côngtắctơ của EV.
d) Sau khi d1 và d2 mở, và trước khi côngtắctơ của xe điện mở khóa, phải khẳng định rằng điện áp tại Vdc là 10 V hoặc thấp hơn.
AA.4.3 Dòng điện và điện áp đo
Độ chính xác của phép đo đầu ra của hệ thống A phải nằm trong phạm vi các giá trị sau:
- dòng điện: ± (1,5 % dòng điện thực + 1) A;
- điện áp: ± 5 V.
AA.5 Đáp ứng với lệnh của xe điện về dòng điện sạc
Trạm sạc hệ thống A phải cung cấp dòng điện một chiều cho xe điện bằng cách sử dụng CCC với xe điện là chủ và bộ sạc DC là tớ. Quy định kỹ thuật khuyến cáo về yêu cầu dòng điện sạc từ xe điện và tính năng đáp ứng của trạm sạc hệ thống A được cho trong Bảng AA.5 và Hình AA.7 đối với xe điện, và trong Bảng AA.6 và Hình AA.8 đối với trạm sạc hệ thống A.

Hình AA.5 - Sơ đồ dịch chuyển trạng thái của quá trình sạc đối với hệ thống A

Hình AA.6 - Sơ đồ trình tự của hệ thống A
Bảng AA.5 - Quy định kỹ thuật khuyến cáo của dòng điện sạc yêu cầu bởi xe điện
| Hạng mục | Ký hiệu | Điều kiện | Quy định kỹ thuật | ||
| Nhỏ nhất | Lớn nhất | Đơn vị | |||
| Phạm vi yêu cầu dòng điện sạc | Ireq |
| 0 | Dòng điện đầu ra có sẵn (IEC 61851-24, Phụ lục A) | A |
| Tốc độ thay đổi giá trị yêu cầu | ∆Ireq1 |
| -20 | 20 | A/s |
| Tốc độ giảm tại thời điểm tắt | ∆Ireq2 | Tắt bình thường | NA | 200 | A/s |

Hình AA.7 - Giá trị dòng điện sạc yêu cầu bởi xe điện
Bảng AA.6 - Yêu cầu đối với tính năng đáp ứng đầu ra của trạm sạc điện một chiều cho EV
| Hạng mục | Ký hiệu | Điều kiện | Quy định kỹ thuật | ||
| Nhỏ nhất | Lớn nhất | Đơn vị | |||
| Độ chính xác đầu ra | Idev | Yêu cầu dòng điện sạc: 0 A đến 50 A | I - 2,5 A | I + 2,5 A | A |
| Yêu cầu dòng điện sạc: 50 A đến 125 A | I x 95 % | I x 105 % | |||
| Trễ điều khiển với yêu cầu của xe điện | Td |
| - | 1,0 | s |
| Tốc độ đáp ứng đầu ra | ∆Iout1 | Khi đang sạc | 20 | - | A/s |
| Tốc độ giảm dòng điện đầu ra | ∆Iout2 | Tắt bình thường | 100 | 200 | |
| Tắt khẩn cấp | 200 a | - | |||
| a Trong trường hợp ngắt CP, CP2 hoặc CP3 trong quá trình sạc, yêu cầu dừng dòng điện sạc nhanh hơn. Xem AA.3.6. | |||||
|
|
|
| a) Truyền năng lượng | b) Tắt nguồn |
Hình AA.8 - Tính năng đáp ứng đầu ra của trạm sạc điện một chiều cho EV
Phụ lục BB
(quy định)
Trạm sạc điện một chiều thuộc hệ thống B cho EV
CHÚ THÍCH: Phụ lục này không áp dụng ở Châu Âu.
BB.1 Quy định chung
Phụ lục này thể hiện quy định kỹ thuật của trạm sạc điện một chiều thuộc hệ thống B cho EV sử dụng bộ nối dùng cho xe điện điện một chiều chuyên dụng có cấu hình BB như quy định trong IEC 62196-3.
Phụ lục này thể hiện quy định kỹ thuật của trạm sạc điện một chiều thuộc hệ thống B cho EV bằng cách sử dụng bộ ghép cặp điện một chiều chuyên dụng trên xe điện có cấu hình BB như quy định trong IEC 62196-3.
BB.2 Giải pháp cơ bản cho hệ thống an ninh sạc một chiều
Hình BB.1 thể hiện giải pháp cơ bản của hệ thống sạc một chiều dùng cho sạc Chế độ 4, bao gồm khối điều khiển bộ sạc DC, điện trở R1, R2, R3, R4 và R5, cơ cấu đóng cắt S, côngtắctơ mạch nguồn xoay chiều K0, biến áp cách ly T, bộ nghịch lưu AC/DC, các côngtắctơ mạch cấp điện một chiều K1 và K2, côngtắctơ mạch cấp điện phụ hạ áp K3 và K4, côngtắctơ mạch sạc K5 và K6, thiết bị ngăn dòng điện ngược bao gồm điốt K7 và R6, khóa liên động điện và bộ điều khiển xe điện. Bộ điều khiển xe điện có thể được tích hợp trong BMS (hệ thống quản lý pin/acquy). Điện trở R2 và R3 được lắp đặt trên phích nối dùng cho xe điện, và điện trở R4 được lắp trong đầu nối vào xe điện. Cơ cấu đóng cắt S là công tắc bên trong phích nối dùng cho xe điện, và nó sẽ đóng khi phích nối dùng cho xe điện và đầu nối vào xe điện được nối đúng. Trong toàn bộ quá trình sạc, bộ điều khiển bộ sạc một chiều cần phát hiện và điều khiển các trạng thái của K1, K2, K3 và K4, trong khi bộ điều khiển xe điện phát hiện và điều khiển K5 và K6. Trong quy trình sạc, nếu IMD (thiết bị theo dõi cách điện) phát hiện rằng điện trở cách điện rơi xuống thấp hơn giá trị đặt, giá trị đặt không được nhỏ hơn giá trị tính được khi nhân 100 Q/V với thông số đặc trưng của điện áp đầu ra lớn nhất của trạm sạc điện một chiều cho EV.

Hình BB.1 - Sơ đồ khối dùng cho cách điện chính của hệ thống sạc một chiều
BB.3 Quy trình vận hành và điều khiển quá trình sạc
BB.3.1 Độ chính xác của phép đo dòng điện và điện áp
Độ chính xác của phép đo đầu ra hệ thống B phải nằm trong phạm vi các giá trị sau:
- phép đo điện áp: ± 0,5 %
- phép đo dòng điện:
• ± 2 % dòng điện thực nếu dòng điện thực lớn hơn (>) 50 A;
• ± 1 A nếu dòng điện thực nhỏ hơn hoặc bằng (≤) 50 A.
BB.3.2 Chức năng tiệm cận
Khi phích nối dùng cho xe điện được cắm vào ổ cắm vào xe điện, chức năng tiệm cận sẽ được kích hoạt. Đó là khi điện áp điểm phát hiện 2 thay đổi từ 12 V xuống 6 V, xe điện xác nhận đã sự có mặt của phích nối dùng cho xe điện.
BB.3.3 Khẳng định trạng thái nối giao diện xe điện (trạng thái 3)
Khi người vận hành khởi động cấu hình sạc đối với trạm sạc điện một chiều cho EV, việc điều khiển sạc một chiều có thể xác định xem phích nối dùng cho xe điện đã được kết nối đúng vào ổ nối vào xe điện hay chưa bằng cách đo điểm phát hiện 1. Ví dụ, nếu điện áp điểm phát hiện 1 là 4 V, có thể xác định rằng giao diện xe điện đã được kết nối đúng. Khi người vận hành hoàn thành bố trí tương tác người-máy và trạm sạc điện một chiều cho EV được kết nối đúng thì bộ điều khiển bộ sạc điện một chiều duy trì khóa liên động điện. Việc nhả khóa liên động điện không thể đạt được trừ khi đáp ứng ba điều kiện dưới đây:
- kết thúc việc sạc (không có đầu ra dòng điện sạc);
- tất cả K1 - K6 được ngắt;
- nhận được lệnh mở khóa từ người vận hành.
BBB.3.4 Kết thúc việc tự phát hiện của bộ sạc điện một chiều (trạng thái 4)
Sau khi giao diện xe điện được nối đúng, nếu việc tự phát hiện của bộ sạc điện một chiều kết thúc (kể cả thao dõi cách điện), đóng K3 và K4 để khởi động mạch nguồn hạ áp phụ. Trong khi đó, “bản tin thông báo nhận diện bộ sạc” được gửi định kỳ. Sau khi năng lượng được truyền đến mạch nguồn hạ áp bởi bộ sạc điện một chiều, bộ điều khiển trên xe điện EV xác định xem giao diện xe điện được nối đúng hay chưa bằng phép đo điện áp điểm phát hiện 2. Nếu điện áp điểm phát hiện 2 là 6 V thì bộ điều khiển xe điện bắt đầu gửi “bản tin thông báo nhận diện bộ điều khiển xe điện (hoặc hệ thống quản lý pin/acquy)” định kỳ. Tín hiệu có thể được xem như một trong các điều kiện tác động của trạng thái không lái xe.
BB.3.5 Bộ sạc đã sẵn sàng (trạng thái 5)
Sau khi bắt tay và cấu hình cho bộ điều khiển xe điện và bộ điều khiển bộ sạc một chiều đã hoàn tất bằng truyền thông, bộ điều khiển trên xe điện đóng K5 và K6 để đóng điện mạch đầu ra cấp điện sạc; và bộ điều khiển bộ sạc một chiều đóng K1 và K2 để đóng điện mạch cấp điện một chiều.
BB.3.6 Giai đoạn sạc (trạng thái 5)
Trong toàn bộ quá trình sạc, bộ điều khiển xe điện điều khiển quá trình sạc bằng cách gửi các yêu cầu mức sạc pin/acquy đến bộ điều khiển bộ sạc điện một chiều. Bộ điều khiển bộ sạc một chiều điều chỉnh điện áp và dòng điện sạc để đảm bảo hoạt động bình thường của quy trình sạc theo các yêu cầu mức sạc của pin/acquy. Ngoài ra, bộ điều khiển xe điện và bộ điều khiển bộ sạc một chiều gửi trạng thái sạc cho nhau.
BB.3.7 Kết thúc sạc trong điều kiện bình thường
Bộ điều khiển xe điện xác định khi nào dừng sạc theo trạng thái sạc của hệ thống pin/acquy hoặc khi có bản tin “Kết thúc yêu cầu/đáp ứng sạc” từ trạm sạc điện một chiều cho EV. Khi một trong các điều kiện kết thúc sạc nêu trên được đáp ứng, bộ điều khiển xe điện bắt đầu gửi định kỳ bản tin “Kết thúc yêu cầu/đáp ứng sạc của bộ điều khiển xe điện (hệ thống quản lý pin/acquy)”, và làm cho bộ sạc dừng sạc trước khi K1, K2, K5 và K6 mở. Sau khi đóng truyền thông, K3 và K4 phải mở ra, sau đó nhả khóa liên động điện. Cuối cùng bộ nối dùng cho xe điện có thể được ngắt và toàn bộ quá trình sạc kết thúc.
BB.3.8 Bảo vệ an toàn trong chế độ sự cố
BB.3.8.1 Bảo vệ an toàn khi sự cố chung
Trong quá trình sạc, khi có sự cố chung, bộ điều khiển bộ sạc một chiều tự động dừng sạc (tắt đầu ra dòng điện sạc) thì côngtắctơ K1, K2, K5, K6, K3 và K4 mở ra bởi bộ điều khiển bộ sạc một chiều và bộ điều khiển xe điện trước khi người vận hành nhà khóa liên động điện thông qua bố trí bộ sạc một chiều và rút phích nối dùng cho xe điện hoặc thực hiện kiểm tra lỗi. Các sự cố chung này bao gồm nhưng không giới hạn ở các điều kiện sau.
- Xe điện không tiếp tục sạc. Vào thời điểm này, bộ điều khiển xe điện định kỳ gửi bản tin “yêu cầu dừng sạc” đến bộ điều khiển bộ sạc một chiều; bộ sạc một chiều không tiếp tục sạc. Vào thời điểm này, bộ điều khiển bộ sạc một chiều gửi bản tin “yêu cầu dừng sạc” đến bộ điều khiển xe điện; truyền thông ngắt giữa bộ điều khiển bộ sạc một chiều và bộ điều khiển xe điện (trạng thái 6).
BB.3.8.2 Bảo vệ chống quá điện áp tại pin/acquy
Trạm sạc hệ thống B phải giảm dòng điện đầu ra một chiều xuống thấp hơn 5 A trong vòng 2 s, để ngăn quá điện áp ở pin/acquy nếu điện áp đầu ra vượt quá giới hạn điện áp lớn nhất của hệ thống pin/acquy trong 1 s.
BB.8.3.3 Yêu cầu đối với sa thải phụ tải
Trong trường hợp sa thải phụ tải, quá điện áp không được vượt quá 110 % giới hạn điện áp lớn nhất yêu cầu bởi xe điện.
Bảng BB.1 cung cấp các định nghĩa về các trạng thái sạc.
Các tham số khuyến cáo của hệ thống an ninh sạc một chiều được thể hiện trên Bảng BB.2.
Bảng BB.1 - Định nghĩa các trạng thái sạc
| Trạng thái sạc | Trạng thái bộ nối xe điện | S | Kết thúc tự phát hiện bộ sạc một chiều | Kết thúc bắt tay và xác định cấu hình | Trạng thái truyền thông | Sạc hoặc không | U1 V | U2 V | Chú thích |
| Trạng thái 1 | Ngắt | MỞ | - | - | - | KHÔNG | 12 | ?? | Không truyền thông |
| Trạng thái 2 | Ngắt | MỞ | - | - | - | KHÔNG | 6 | - | Không truyền thông |
| Trạng thái 3 | Nối | ĐÓNG | KHÔNG | - | - | KHÔNG | 4 | - | Không kết thúc tự phát hiện và không truyền thông |
| Trạng thái 4 | Nối | ĐÓNG | CÓ | KHÔNG | CÓ | KHÔNG | 4 | 6 | K3 và K4 đóng, tiếp tục truyền thông |
| Trạng thái 5 | Nối | ĐÓNG | CÓ | CÓ | CÓ | CÓ | 4 | 6 | K5, K6, K1, K2 đóng |
| Trạng thái 6 | Nối | ĐÓNG | CÓ | CÓ | KHÔNG | KHÔNG | 4 | 6 | Ngắt truyền thông, bắt đầu bảo vệ |
| Trạng thái 7 | Nối | MỞ | CÓ | CÓ |
| KHÔNG | 6 | 6 | Nếu trạng thái này giữ trong thời gian cố định (200 ms), thiết bị điều khiển bộ sạc một chiều bắt đầu chấp nhận bảo vệ |
| Trạng thái 8 | Ngắt | MỞ | CÓ | CÓ | - | KHÔNG | 12 | 12 | VCE và thiết bị điều khiển bộ sạc một chiều chấp nhận các giải pháp bảo vệ khác |
| CHÚ THÍCH: Trạng thái sạc được phát hiện bởi điện áp điểm 1 (U1) và điểm 2 (U2). | |||||||||
Bảng BB.2 - Các tham số khuyến cáo của hệ thống an ninh sạc một chiều
| Đối tượng | Tham số a | Ký hiệu | Đơn vị | Danh nghĩa | Lớn nhất | Nhỏ nhất |
| Yêu cầu của bộ điều khiển bộ sạc DC | Điện trở tương đương R1 | R1 | Ω | 1 000 | 1 030 | 970 |
| Điện áp tăng lên | U1 | V | 12 | 12,6 | 11,4 | |
| Điện áp 1 | U1a | V | 12 | 12,8 | 11,2 | |
| U1b | V | 6 | 6,8 | 5,2 | ||
| U1c | V | 4 | 4,8 | 3,2 | ||
| Yêu cầu của phích nối dùng cho xe điện | Điện trở tương đương R2 | R2 | Ω | 1 000 | 1 030 | 970 |
| Điện trở tương đương R3 | R3 | Ω | 1 000 | 1 030 | 970 | |
| Yêu cầu của ổ nối vào xe điện | Điện trở tương đương R4 | R4 | Ω | 1 000 | 1 030 | 970 |
| Yêu cầu của EV | Điện trở tương đương R5 | R5 | Ω | 1 000 | 1 030 | 970 |
| Điện áp tăng lên | U2 | V | 12 | 12,6 | 11,4 | |
| Điện áp 1 | U2a | V | 12 | 12,6 | 11,2 | |
| U2b | V | 6 | 12,6 | 5,2 | ||
| a Độ chính xác phải được duy trì trong các điều kiện môi trường áp dụng được và tuổi thọ vận hành. | ||||||
BB.4 Sơ đồ trình tự của quá trình sạc
Sơ đồ trình tự của quá trình sạc được thể hiện trên Hình BB.2.

Hình BB.2 - Sơ đồ trình tự của quá trình sạc
BB.5 Lưu đồ vận hành khóa liên động của việc cắm và rút bộ nối dùng cho xe điện
Hình BB.3 và BB.4 thể hiện lưu đồ vận hành khóa liên động của các bộ nối dùng cho xe điện.

Hình BB.3 - Lưu đồ vận hành bắt đầu sạc

Hình BB.4 - Lưu đồ vận hành dừng sạc
Phụ lục CC
(quy định)
Trạm sạc điện một chiều thuộc hệ thống C cho EV (hệ thống sạc kết hợp)
CC.1 Quy định chung
Phụ lục này cung cấp các yêu cầu cụ thể đối với các trạm sạc điện một chiều cho EV để sử dụng với hệ thống sạc kết hợp (hệ thống C). Hệ thống sạc kết hợp là hệ thống sạc Chế độ 4. Điện áp đầu ra một chiều danh định của hệ thống sạc kết hợp được giới hạn ở 1 000 V một chiều. Điện áp đầu ra một chiều danh định của cấu hình trạm sạc cụ thể phải được giới hạn ở điện áp hệ thống lớn nhất theo Bảng CC.1.
Bảng CC.1 - Bộ nối một chiều và điện áp đầu ra hệ thống lớn nhất dùng cho hệ thống sạc kết hợp
|
| Bộ nối một chiều dùng cho hệ thống sạc kết hợp | Điện áp đầu ra lớn nhất của hệ thống |
| a) | Cấu hình CC theo IEC 62196-3-1 | 500 V một chiều |
| b) | Cấu hình DD theo IEC 62196-3-1 | 500 V một chiều |
| c) | Cấu hình EE theo IEC 62196-3 | 500 V một chiều |
| d) | Cấu hình FF theo IEC 62196-3 | 1 000 V một chiều |
CC.2 Truyền thông
CC.2.1 Các định nghĩa chung và chức năng tiệm cận (PP) và điều khiển quá trình sạc (CP) - các tín hiệu và tiếp điểm theo IEC 61851-1 (kể cả các định nghĩa chi tiết về điện trở trong Điều B.5) và SAE J1772TM với các giá trị điện trở cụ thể đối với cấu hình DD và FF cho trong Bảng CC.2. Chu kỳ làm việc của CP là 5 % phải được sử dụng theo Phụ lục A của IEC 61851-1:2010.
Bảng CC.2 - Định nghĩa điện trở tiệm cận đối với các cấu hình DD và FF
| Điện trở tiệm cận (R6 theo IEC 61851-1) | Dòng điện lớn nhất đối với sạc xoay chiều | Phích nối một chiều |
| 1 500 Ω | Không áp dụng | Cấu hình FF |
| 680 Ω | 20 A | Cấu hình DD |
| 220 Ω | 32 A | Cấu hình DD |
| 100 Ω | 63 A | Cấu hình DD |
CC.2.2 Truyền thông điều khiển sạc giữa nguồn một chiều và EV được quy định trong IEC 61851-24.
Lớp vật lý dùng cho truyền thông điều khiển sạc phải phù hợp với ISO/IEC 15118-3. Các yêu cầu tương đương đối với lớp vật lý của truyền thông cho trong SAE J2931/4.
Truyền thông đạt được bởi PLC trên các tiếp điểm CP và PE/đất. Sự phân công các tiếp điểm của các phích nối khác nhau được cho trong IEC 62196-3.
Truyền thông điều khiển sạc phải phù hợp với DIN SPEC 70121. Truyền thông điều khiển sạc cũng phải phù hợp với ISO/IEC 15118-2. Các yêu cầu tương đương đối với truyền thông điều khiển sạc được cho trong SAE J2836/2™, SAE J2847/2 và SAE J2931/1.
CC.3 Quá trình cấp năng lượng
CC.3.1 Quy định chung
Quá trình cấp năng lượng cho EV bởi nguồn một chiều được khởi động và điều khiển bởi các bản tin được gửi qua PLC và phải tuân thủ các trình tự thể hiện trên Hình CC.1 đến Hình CC.4, đối với khởi động bình thường, tắt bình thường, tắt khẩn cấp bắt đầu bởi trạm sạc và tắt khẩn cấp bắt đầu bởi EV.
Chú thích dùng cho các sơ đồ trình tự và mô tả:
(tx) điểm thời gian
(tx -> ty) khoảng thời gian giữa hai điểm thời gian tx và ty
<1a><1b> tham chiếu đến bản tin trong truyền thông mức cao (PLC) khoảng thời gian có thể có trong đó hành động được mô tả có thể thực hiện
Màu lam: các tín hiệu truyền thông và các giá trị được mô tả trong ISO/IEC 15118-2.
CC.3.2 Khởi động bình thường
Sơ đồ trình tự và mô tả đối với khởi động bình thường được thể hiện trên Hình CC.1 và Bảng CC.3.

Màu lam: các tín hiệu truyền thông và các giá trị được mô tả trong ISO/IEC 15118-2.
Hình CC.1 - Sơ đồ trình tự đối với khởi động bình thường
Bảng CC.3 - Sơ đồ trình tự đối với khởi động bình thường
|
| Mô tả |
| (t0) | - Phích nối dùng cho xe điện được cắm vào ổ nối vào xe điện làm thay đổi trạng thái CP từ A sang B. |
| (t0->t1) | - Truyền thông mức cao (PLG) bắt đầu và bắt tay với sự trao đổi các tham số sạc. - Nguồn một chiều kiểm tra xem điện áp đầu ra một chiều có nhỏ hơn 60 V không và kết thúc giai đoạn cấp nguồn nếu vượt quá 60 V. |
| (t1) | - EV gửi các giới hạn lớn nhất của nó (trong số các tham số khác) đối với dòng điện và điện áp đầu ra nguồn cấp một chiều với <3a>. |
| (t1 -> t2) | - EV khóa phích nối dùng cho xe điện trong ổ nối vào của nó. - Các giá trị lớn nhất của nguồn một chiều được trả lời cho EV với <3b>. - Nếu EV và nguồn một chiều không tương thích thì xe điện sẽ không đi đến Ready và sẽ chuyển sang bước t16 trong trình tự tắt bình thường. |
| (t2) | - EV thay đổi trạng thái CP từ B sang C/D bằng cách đóng S2 và đặt trạng thái EV “Ready” và kết thúc giai đoạn khởi động. |
| (t2 -> t3) | - EV yêu cầu kiểm tra cáp và cách điện bởi <4a> sau khi xác nhận khóa phích nối. - Nguồn một chiều bắt đầu kiểm tra cách điện cửa hệ thống cao áp và báo cáo liên tục trạng thái cách điện bởi <4b>. |
| (t3) | - Nguồn một chiều xác định điện trở cách điện của hệ thống cao hơn 100 kΩ (cf.CC.4.1). |
| (t3 -> t4) | - Sau khi kết thúc thành công việc kiểm tra cách điện, nguồn một chiều chỉ thị trạng thái “Valid” với bản tin tiếp theo <4b>. |
| (t4) | - Trạng thái nguồn một chiều thay đổi sang “Ready” với Cable Check Response <4b>. |
| (t5) | - Bắt đầu giai đoạn sạc trước với EV gửi Pre-Charge Request <5a>, chứa cả dòng điện một chiều được yêu cầu <2 A (dòng điện khởi động lớn nhất theo CC.5.2) và điện áp một chiều được yêu cầu. |
| (t5 -> t6) | - Nguồn một chiều điều chỉnh điện áp đầu ra một chiều đến giá trị yêu cầu trong <5a> trong khi giới hạn dòng điện đến giá trị lớn nhất 2 A (dòng điện khởi động lớn nhất theo CC.6.1). |
| (t6) | - Điện áp đầu ra một chiều đạt đến điện áp yêu cầu trong phạm vi dung sai cho trong 101.2.1.2. |
| (t6 -> t7) | - EV dừng theo dõi cách điện bên trong của xe điện, nếu có và cần thiết. - Nếu cần, EV điều chỉnh điện áp một chiều yêu cầu với các bản tin chu kỳ <5a> để giới hạn sai lệch của điện áp đầu ra một chiều với điện áp pin/acquy EV xuống nhỏ hơn 20 V (cf. chú thích trong CC.5.1). |
| (t7) | - EV đóng thiết bị ngắt của nó sau khi sai lệch điện áp đầu ra một chiều với điện áp pin/acquy EV nhỏ hơn 20 V. |
| (t7 -> t8) | - EV gửi Power Delivery Request <6a> với đặt ReadyToChargeState là “True” để cho phép đầu ra nguồn cấp một chiều. - Sau khi làm mất hiệu lực mạch sạc trước, nếu có, và đóng điện đầu ra nguồn cấp của nó, nguồn một chiều đưa ra tín hiệu phản hồi <6b> rằng nó sẵn sàng truyền năng lượng. |
| (t8) | - EV đặt yêu cầu dòng điện một chiều với <7a> để khởi động giai đoạn truyền năng lượng. |
| (t8 -> t9) | - Nguồn một chiều điều chỉnh dòng điện và điện áp đầu ra của nó theo các giá trị yêu cầu. - Nguồn một chiều báo cáo dòng điện và điện áp đầu ra của nó, giới hạn dòng điện và điện áp và trạng thái hiện tại của nó ngược về cho EV trong bản tin <7b>. CHÚ THÍCH: EV có thể thay đổi yêu cầu về điện áp và dòng điện của nó ngay cả khi dòng điện đầu ra không đạt đến yêu cầu trước đó. |
| (t9) | - Dòng điện đầu ra một chiều đạt đến yêu cầu dòng điện một chiều trong thời gian trễ Td xác định trong 101.2.1.3 (khoảng thời gian t9 - t8 = Td, nếu một yêu cầu được thực hiện, đường đậm nét thể hiện tình trạng này) |
| (t9 -> ) | - EV điều chỉnh yêu cầu dòng điện một chiều và yêu cầu điện áp một chiều theo chiến lược sạc/cấp điện với bản tin chu kỳ <7a>. |
CC.3.3 Tắt bình thường
Sơ đồ trình tự và mô tả đối với tắt bình thường được thể hiện trên Hình CC.2 và Bảng CC.4.

Hình CC.2 - Sơ đồ trình tự với tắt bình thường
Bảng CC.4 - Sơ đồ trình tự đối với tắt bình thường
|
| Mô tả |
| (t10) | EV giảm yêu cầu dòng điện để hoàn thành việc truyền năng lượng. Việc giảm được thực hiện trên chiến lược sạc/cấp điện EV. |
| (t10-> t11) | Nguồn một chiều phải tuân thủ yêu cầu về dòng điện với độ trễ thời gian theo 101.2.1.3 và nó phải giảm dòng điện đầu ra xuống còn nhỏ hơn 1 A trước khi làm mất hiệu lực đầu ra của nó. |
| (t11) | EV yêu cầu nguồn một chiều làm mất hiệu lực đầu ra của nó bằng cách gửi bản tin <8a> yêu cầu cấp điện với tín hiệu ReadyToChargeState được đặt là False. |
| (t11 -> t12) | EV có thể mở thiết bị ngắt của nó sau khi dòng điện xuống thấp hơn 1 A. |
| (t12) | - Nguồn một chiều làm mất hiệu lực đầu ra của nó và mở côngtắctơ, nếu có. - Nguồn một chiều phải cho phép mạch điện của nó phóng điện chủ động điện dung bên trong trên đầu ra của nó sau khi nhận bản tin <8a> với tín hiệu “ReadyToChargeState” được đặt là false - Nguồn một chiều không được gây ra dòng điện bất kỳ trên đầu vào EV trong quá trình phóng điện. |
| (t13) | Nguồn một chiều báo cáo mã trạng thái “Not Ready” với bản tin <8b> để chỉ ra rằng nó đã bị làm mất hiệu lực đầu ra trong vòng 2 s. |
| (t14) | EV thay đổi trạng thái CP sáng B sau khi nhận bản tin <8b> hoặc sau khi hết thời gian để đảm bảo nguồn một chiều đã phóng điện đầu ra của nó tối thiểu bởi t14 (trong trường hợp bản tin <8a> bị mất) |
| (t14’) | EV có thể thực hiện một cách tùy chọn việc kiểm tra côngtắctơ đã gắn và chỉ thị điều này cho nguồn một chiều với bản tin <9a>. |
| (t14’->t15) | Xe điện có thể gửi nhiều yêu cầu <9a> để đọc điện áp đầu ra của nguồn một chiều được đo bởi nguồn một chiều trong bản tin đáp ứng <9b>. |
| (t15) | Điểm thời gian mới nhất đối với EV đi vào trạng thái “Not Ready’’ và mở thiết bị ngắt của nó. |
| (t15 -> t16) | EV có thể khởi động theo dõi cách ly EV, nếu có. |
| (t16) | EV mở khóa phích nối sau khi đầu ra một chiều giảm xuống thấp hơn 60 V. |
| (t16 -> t16’) | Nguồn một chiều tiếp tục theo dõi cách điện tùy thuộc vào chiến lược cấp nguồn một chiều. |
| (t16’) | - SessionStopRequest với bản tin <10a> kết thúc truyền thông số (PLC). - Nguồn một chiều phải duy trì trạng thái B2 (5 %) cho đến khi nhận được SessionStopRequest sau 2 s đến 5 s và sau đó thay đổi sang B1 (100 %). CHÚ THÍCH: Nếu EV muốn khởi động lại nguồn, nó khóa các phích nối, khẳng định “EV Ready”, sau đó giai đoạn khởi động bắt đầu từ t1. Giai đoạn truyền thông có thể phải khởi động lại từ t0 nếu các modem tắt. |
| (t17) | Việc ngắt phích nối dùng cho xe điện thay đổi trạng thái CP từ B sang A. |
CC.3.4 Tắt khẩn cấp khởi động bởi nguồn một chiều
Tắt khẩn cấp dòng điện đầu ra xuống nhỏ hơn 5 A trong 1 s với tốc độ giảm dòng điện 200 A/s hoặc lớn hơn phải được áp dụng bởi nguồn một chiều.
Nguồn một chiều phải chỉ thị tắt khẩn cấp khởi động bởi nguồn cấp bằng cách tắt máy hiện sóng CP.
CHÚ THÍCH: Tắt khẩn cấp khởi động bởi nguồn một chiều có thể được tác động bởi một số nguyên nhân hoặc sự cố.

Hình CC.3 - Sơ đồ trình tự đối với tắt khẩn cấp khởi động bởi nguồn một chiều
CC.3.5 Tắt khẩn cấp bắt nguồn từ EV
EV khởi động việc tắt khẩn cấp bằng cách mở S2 và thay đổi trạng thái CP từ C/D sang B.
Nguồn một chiều phải nhận biết yêu cầu tắt khẩn cấp từ EV bằng cách thực hiện tắt khẩn cấp theo CC.3.3.

Hình CC.4 - Sơ đồ trình tự đối với tắt khẩn cấp khởi động bởi EV
CC.4 Biện pháp an toàn
CC.4.1 Yêu cầu hệ thống IT (đất cách ly)
Mạch thứ cấp (phía đầu ra) của nguồn một chiều phải được thiết kế như một hệ thống IT và phải áp dụng biện pháp bảo vệ theo 411 của IEC 60364-4-41:2005.
Trong trường hợp sử dụng thiết bị theo dõi cách điện (IMD), nó phải phù hợp với IEC 61557-8 hoặc tương đương. Nguồn một chiều phải thực hiện theo dõi cách điện giữa DC+ và PE và DC- và PE trong quá trình cấp nguồn và trao đổi trạng thái hiện tại (Không hợp lệ, Hợp lệ, cảnh báo, Sự cố) của hệ thống với EV một cách định kỳ.
Trước mỗi chu kỳ cấp nguồn, phải thực hiện các thử nghiệm sau đây. Trong các thử nghiệm này, điện áp đầu ra một chiều không được vượt quá 500 V tại phích nối dùng cho xe điện.
a) Tự thử nghiệm của chức năng theo dõi cách điện của nguồn một chiều phải được thực hiện bằng cách đặt điện trở sự cố xác định giữa đầu ra một chiều và liên kết đẳng thế (ví dụ PE). Tối thiểu một trong ba khả năng dưới đây phải được áp dụng để quản lý thời gian của tự thử nghiệm:
1) ngay trước chu kỳ cấp nguồn với phích nối dùng cho xe điện được cắm vào ổ nối vào xe điện;
2) ở các khoảng đều đặn với thời gian lớn nhất là 1 h;
3) sau khi đã hoàn thành việc tự thử nghiệm, trạm sạc có thể ở trạng thái Valid trong thời gian tối đa là 1 h và trong giai đoạn cấp điện trong các điều kiện bình thường.
CHÚ THÍCH 1: Ở Mỹ chỉ áp dụng 1) hoặc 2).
CHÚ THÍCH 2: Mục đích nhằm kiểm tra xem toàn bộ hệ thống có đang được theo dõi không, mà không nhằm kiểm tra giới hạn sự cố của điện trở cách điện.
b) Kiểm tra cách điện của hệ thống theo 6.4.3.106, ví dụ bởi IMD phải được thực hiện:
1) phích nối dùng cho xe điện không được cắm vào ổ nối vào xe điện: hệ thống bao gồm trạm sạc, cáp và phích nối dùng cho xe điện, hoặc
2) phích nối dùng cho xe điện cắm vào ổ nối vào xe điện: hệ thống bao gồm trạm sạc, cáp sạc phích nối dùng cho xe điện, ổ nối vào xe điện và các cáp của xe điện.
Trạng thái cách điện của hệ thống được xác định như sau.
a) Trạng thái Invalid: Tự thử nghiệm chưa được thực hiện. Không cho phép sạc.
b) Trạng thái Valid: Sau khi hoàn thành tự thử nghiệm, trạm sạc phải đi đến trạng thái Valid. Sau mỗi lần kết thúc truyền năng lượng, trạm sạc phải quay trở lại trạng thái Invalid.
c) Trạng thái Warning: Nếu điện trở cách điện tổng thực tế giữa DC+/DC- với PE giảm xuống thấp hơn giá trị tính được bằng cách lấy 500 Ω/V nhân với thông số điện áp đầu ra lớn nhất của trạm sạc điện một chiều cho EV (mà không có dung sai âm) nguồn một chiều phải gửi bản tin Warning và lưu giữ Warning.
d) Trạng thái Fault: Nếu tự thử nghiệm không đạt hoặc điện trở cách điện tổng thực tế giữa DC+/DC- và PE giảm xuống thấp hơn giá trị tính được bằng cách lấy 100 Ω/V nhân với thông số điện áp đầu ra lớn nhất của trạm sạc điện một chiều cho EV (mà không có dung sai âm), phải tạo ra tín hiệu quang và/hoặc tín hiệu âm thanh bởi nguồn một chiều đến người sử dụng và nguồn một chiều phải dừng quá trình cấp nguồn. Trong khi trạm sạc điện một chiều sạc điện cho xe điện, trạm sạc điện một chiều phải phát hiện trạng thái Fault và thể hiện Invalid State ≤ 2 phút liên tiếp của điện trở cách điện ≤ 100 Ω/V.
Nếu xảy ra trạng thái Warning hoặc trạng thái Fault trong quá trình truyền năng lượng, trạm sạc phải thực hiện tự thử nghiệm sau khi ngắt phích nối dùng cho xe điện khỏi xe điện. Nếu tự thử thành công, trạm sạc sẽ đi đến trạng thái Valid; ngược lại nó sẽ đi đến trạng thái Invalid và ở lại trạng thái đó cho đến khi được bảo trì.
CHÚ THÍCH 3: EV có trách nhiệm phối hợp thời gian của IMD của nó, nếu có. Trước khi đóng các rơ le EV-DC của nó (cf. thời gian t8 trên Hình CC.1), EV tắt IMD của nó hoặc nó được bảo đảm rằng không xảy ra can nhiễu lên IMD của trạm sạc.
CHÚ THÍCH 4: Ở Mỹ, yêu cầu phải có IMD trong nguồn một chiều.
Trong trường hợp nguồn một chiều không sử dụng IMD, các yêu cầu trong 411.6 và Bảng 41.1 của IEC 60364-4-41:2005 phải được đáp ứng. Trạng thái sau đây phải được truyền từ nguồn một chiều sang EV.
e) Không có trạng thái IMD: Trong trường hợp không có IMD trong nguồn một chiều.
CHÚ THÍCH 5: Ở Mỹ, Canada, Thụy Sỹ và Hà Lan, yêu cầu phải có IMD trong nguồn một chiều.
CC.4.2 Theo dõi nhiệt độ
Theo dõi nhiệt độ của phích nối dùng cho xe điện được yêu cầu và phải được thực hiện bởi nguồn một chiều để tránh quá nhiệt của phích nối dùng cho xe điện. Chức năng này để bảo vệ trong điều kiện không bình thường và không được thiết kế để tác động trong các điều kiện bình thường.
Trạm sạc phải tắt khi vượt quá giá trị nhỏ hơn trong hai giới hạn dưới đây:
- vượt quá giới hạn nhiệt độ tiếp điểm phích nối dùng cho xe điện; hoặc
- vượt quá thông số đặc trưng nhiệt độ của cáp phích nối dùng cho xe điện.
Đối với các phích nối dùng cho xe điện được thiết kế để làm việc với nhiệt độ tiếp điểm lớn hơn 120 °C, trạm sạc điện một chiều cho EV phải tắt khi nhiệt độ tiếp điểm phích nối của côngtắctơ của xe điện đạt đến hoặc vượt quá 120 °C.
CC.4.3 Chức năng khóa bộ nối kết hợp
Đối với tất cả các kiểu phích nối một chiều theo Bảng CC.1, ổ nối vào xe điện phải cung cấp chức năng khóa để giảm thiểu việc ngắt không chú ý của phích nối dùng cho xe điện khỏi ổ nối vào xe điện trong quá trình cấp năng lượng.
CHÚ THÍCH: Ngoài ra, chức năng khóa có thể bao gồm các phương tiện để chẩn đoán thao tác khóa. Yêu cầu được quy định trong ISO 17409.
CC.4.4 Tắt khi mất CP (đối với tất cả các phích nối có cấu hình CC)
Tắt khẩn cấp nhanh dòng điện đầu ra xuống thấp hơn 5 A trong vòng 30 ms phải được đặt vào bởi nguồn một chiều.
Tắt được khởi động bởi thay đổi trực tiếp điều khiển quá trình sạc từ trạng thái C sang trạng thái A do ngắt đường dây CP. Nếu việc ngắt việc điều khiển quá trình sạc xảy ra, trạm sạc phải chốt sự cố, mà sẽ ngăn trạm sạc khỏi đi đến chế độ sẵn sàng cho đến khi trạm được bảo trì.
Việc mất cấp nguồn của hệ thống phải được thực hiện trong vòng 100 ms theo Bảng A.7 của IEC 61851-1.
CC.4.5 Tắt khi mất PP (bổ sung với việc sử dụng phích nối cấu hình CC và EE)
Phải áp dụng tắt khẩn cấp nhanh của dòng điện đầu ra bởi nguồn một chiều trong 30 ms. Việc tắt được khởi động bởi EVSE và xe điện phát hiện sự chuyển trạng thái mạch tiệm cận từ không phát hiện sự cố mạch tiệm cận, S3 đóng, sang trạng thái khác bất kỳ. Theo SAE J1772™, áp dụng điện áp + 5 V PP bên trong EV (xem Hình CC.5).

Hình CC.5 - Các linh kiện đặc biệt đối với các cấu hình bộ nối CC và EE
CC.4.6 Kiểm tra điện áp khi khởi động
Khi bắt đầu giai đoạn cáp nguồn, với CP trạng thái A hoặc B, nguồn một chiều phải kiểm tra xem điện áp trên cáp có nhỏ hơn 60 V không và phải dừng giai đoạn cấp nguồn nếu vượt quá 60 V.
CC.4.7 Điện dung Y đầu ra lớn nhất của trạm sạc điện một chiều cho EV
Điện dung Y song song tổng lớn nhất không vượt quá 1 µF. Điều này ngụ ý là điện dung Y ≤ 500 nF ngang qua từng đường dẫn một chiều và đất đối với trạm sạc điện một chiều cho EV với điện dung Y được phân bố đều giữa từng đường dẫn một chiều và đất.
CC.5 Các chức năng bổ sung
CC.5.1 Sạc trước
Sạc trước để phù hợp về điện áp phải được thực hiện bởi trạm sạc điện một chiều cho EV theo các yêu cầu cho trong 101.2.1.6.
CHÚ THÍCH: Khi EV đóng các rơ le của nó, chênh lệch điện áp giữa đầu ra của trạm sạc điện một chiều cho EV và điện áp pin/acquy của EV nhỏ hơn 20 V.
CC.5.2 Đánh thức nguồn một chiều bởi EV
Nguồn một chiều có thể hỗ trợ chế độ chờ để giảm thiểu tiêu thụ điện như mô tả là chức năng tùy chọn trong 6.4.4.101. Trong trường hợp này, nguồn một chiều phải đánh thức và tiếp tục lại việc cấp năng lượng theo phương pháp sau.
- Nếu xe điện gắn với nguồn một chiều không thay đổi điều khiển quá trình sạc từ trạng thái B2 sang C2 hoặc D2 trong nhiều hơn 2 min, trạm sạc có thể chuyển sang trạng thái ngủ.
Tín hiệu điều khiển quá trình sạc B1 phải được cấp nguồn liên tục bởi nguồn một chiều để cho phép đánh thức trạm sạc tác động bởi EV chuyển sang trạng thái C1 hoặc D1.
CC.5.3 Phương tiện để mở khóa bằng tay phích nối dùng cho xe điện
Phương tiện có thể được cung cấp bởi EV để mở khóa bằng tay phích nối dùng cho xe điện ngay cả trong trường hợp điện áp tại đầu ra vẫn ở mức cao hơn 60 V sau khi dừng cấp năng lượng.
CHÚ THÍCH: Áp dụng CC.5.4 và CC.5.5.
CC.5.4 Kích hoạt cơ cấu đóng cắt vị trí chốt (S3) của phích nối cấu hình CC
Cơ cấu đóng cắt vị trí chốt (S3) của phích nối cấu hình CC phải không thể được kích hoạt khi phích nối dùng cho xe điện được khóa với ổ nối vào xe điện.
Tờ tiêu chuẩn 3-III của IEC 62196-3 cung cấp các yêu cầu về vị trí của khóa ổ nối vào xe điện cần được sử dụng để đáp ứng yêu cầu này.
CC.5.5 Kiểm tra cơ cấu đóng cắt vị trí chốt và chốt của phích nối cấu hình CC
Chu kỳ cấp nguồn chỉ được phép một khi trạm sạc điện một chiều kiểm tra phích nối cấu hình CC đã chốt và chức năng của cơ cấu đóng cắt vị trí chốt (S3) trước khi nối phích nối dùng cho xe điện với ổ nối vào xe điện.
CC.6 Yêu cầu cụ thể
CC.6.1 Bật dòng điện khởi động (phía một chiều)
Dòng điện khởi động bất kỳ trên phía một chiều theo cả hai hướng khi đóng thiết bị ngắt EV và côngtắctơ trạm sạc, nếu có, không vượt quá 2 A. Nguồn một chiều phải có trách nhiệm hạn chế dòng điện khởi động, ví dụ bằng cách áp dụng mạch sạc trước như thể hiện trên Hình CC.3.
CHÚ THÍCH: Các giá trị dòng điện cao hơn trong thời gian ngắn dưới 1 ms có thể xuất hiện để sạc và phóng điện dung của cáp.
CC.6.2 Bảo vệ chống quá điện áp của pin/acquy
Nguồn một chiều phải kích hoạt tắt khẩn cấp khởi động bởi nguồn một chiều theo CC.3.4 để ngăn ngừa quá điện áp tại pin/acquy, nếu điện áp đầu ra vượt quá giới hạn điện áp lớn nhất được gửi bởi xe điện trong 400 ms. (Xem 6.4.3.107).
CC.6.3 Yêu cầu đối với sa thải phụ tải
Trường hợp xấu nhất của sa thải phụ tải là giảm dòng điện đầu ra từ 100 % giá trị danh nghĩa xuống còn 0 %, ví dụ gây ra bằng cách ngắt pin/acquy của xe điện trong khi các tải khác trong EV vẫn được nối.
Trong trường hợp sa thải phụ tải bất kỳ, quá điện áp không được vượt quá 110 % giới hạn điện áp lớn nhất yêu cầu bởi xe điện. (Xem 101.2.1.7).
Tốc độ giảm lớn nhất của điện áp đầu ra trong trường hợp sa thải phụ tải không được vượt quá 250 V/ms.
CC.6.4 Điều định dòng điện đầu ra một chiều
Khi trong chế độ điều chỉnh dòng điện, bộ sạc DC phải cung cấp dòng điện một chiều cho xe điện. Sai số lớn nhất cho phép giữa giá trị dòng điện một chiều trung bình thực tế và giá trị dòng điện yêu cầu bởi xe điện là:
- ±150 mA khi giá trị dòng điện yêu cầu nhỏ hơn hoặc bằng 5 A;
- ± 1,5 A khi giá trị dòng điện yêu cầu lớn hơn 5 A nhưng nhỏ hơn hoặc bằng 50 A;
- ± 3 % đầu ra dòng điện lớn nhất của bộ sạc một chiều khi giá trị dòng điện yêu cầu lớn hơn 50 A.
CC.6.5 Dòng điện và điện áp đo
Độ chính xác của phép đo đầu ra hệ thống C phải nằm trong phạm vi các giá trị sau:
- Điện áp: ± 10 V,
Dòng điện đo được được báo cáo phải nằm trong phạm vi ± 1,5 % số đọc nhưng không tốt hơn ± 0,5 A.
CC.7 Sơ đồ và mô tả
Sơ đồ của hệ thống sạc kết hợp đối với nguồn một chiều được cho trong Hình CC.6, cũng như định nghĩa và mô tả các ký hiệu và thuật ngữ trong Bảng CC.5.

Đường dây PP từ phích nối dùng cho xe điện đến nguồn một chiều là bắt buộc đối với các cấu hình CC và EE và là tùy chọn đối với các bộ nối có cấu hình DD và FF.
CHÚ THÍCH 1: Rơ le một chiều của nguồn có thể được thay bằng điốt.
CHÚ THÍCH 2: Theo dõi nhiệt độ có thể nối hoặc không nối với bộ điều khiển nguồn một chiều.
CHÚ THÍCH 3: Sơ đồ thể hiện mô tả về chức năng của giao diện. Sự phân công các tiếp điểm của bộ nối dùng cho xe điện được thực hiện trong IEC 62196-3.
CHÚ THÍCH 4: Các thành phần đặc biệt đối với các cấu hình CC và EE, xem Hình CC.2.
Hình CC.6 - Sơ đồ hệ thống của hệ thống sạc một chiều kết hợp
Bảng CC.5 - Định nghĩa và mô tả các ký hiệu/thuật ngữ
| Nguồn một chiều | Xe điện (EV) | Mạch giao diện | |||
| Ký hiệu/ thuật ngữ | Định nghĩa | Ký hiệu/ thuật ngữ | Định nghĩa | Ký hiệu/ thuật ngữ | Định nghĩa |
| V_DC | Đo điện áp tại đầu ra của nguồn một chiều | Modem PLC (EV) | Giao diện truyền thông EV giữa PLC và truyền thông EV nội bộ | PE | Dây bảo vệ |
| l_DC | Đo dòng điện (trên DC+ hoặc DC- hoặc cả hai) | Bô điều khiển EV | Bộ truyền thông từ EV đến nguồn một chiều và kiểm tra quy trình an toàn | DC+ | Nguồn điện một chiều (dương) |
| Bộ chuyển đổi điện | Trạng thái nguồn được cách ly về điện để chuyển đổi nguồn lưới thành điện một chiều để cấp điện cho EV | Mạng điện EV | Hệ thống con trong EV liên quan được cấp nguồn với năng lượng từ nguồn một chiều | DC- | Nguồn điện một chiều (âm) |
| Rơ le một chiều của nguồn | Tất cả các rơ le trên đường dây để nối và ngắt đầu ra một chiều của nguồn một chiều với bộ chuyển đổi điện a |
|
| Com1 | Đường dây (dương) dùng cho PLC c |
| Modem PLC (nguồn cấp) | Giao diện truyền thông nguồn giữa PLC và truyền thông nguồn nội bộ |
|
| Com2 | Đường dây (âm) dùng cho PLC |
| Bộ điều khiển nguồn cấp | Bộ điều khiển quá trình cấp nguồn trong nguồn một chiều và truyền thông với EV |
|
| PP (tiệm cận) | Các chức năng chung theo IEC 61851-1 với định nghĩa các giá trị trong Bảng CC.2 đối với các cấu hình DD và FF và SAE J1772TM với điện áp PP +5 V bên trong EV đối với nguồn một chiều có cấu hình CC và EE |
| R_pre | Điện trở dùng cho mạch sạc trước b |
|
| CP (điều khiển quá trình sạc) | Chức năng theo IEC 61851-1. Cũng được sử dụng để tắt khẩn cấp nguồn một chiều bởi EV đi vào trạng thái B hoặc ngắt điều khiển quá trình sạc đối với tắt khi mất CP |
| IMD | Thiết bị theo dõi cách điện |
|
| RC | Điện trở tiệm cận được sử dụng cho mã hóa khả năng mang dòng điện của cáp trong trường hợp nguồn xoay chiều theo các giá trị trong IEC 61851-1. |
|
|
|
|
| CCL (tiếp xúc đúng và khóa) | Phản hồi của tiếp xúc đúng và khóa phích nối phương tiện một chiều |
|
|
|
|
|
| Theo dõi nhiệt độ của phích nối dùng cho xe điện bởi nguồn một chiều |
| a Rơ le một chiều của nguồn cấp có thể thay bằng điốt. b Cơ cấu đóng cắt và điện trở được khuyến cáo để thực hiện chức năng sạc trước bắt buộc. c Xem Bảng CC.1 đối với các phích nối khác nhau. | |||||
Phụ lục DD
(tham khảo)
Hệ thống sạc một chiều thông thường
Phụ lục này thể hiện các sơ đồ thông thường và các biến thể của hệ thống sạc một chiều cho EV. Ví dụ về hệ thống cách ly thông thường, hệ thống không cách ly thông thường, hệ thống cách ly đơn giản và hệ thống nguồn lưới một chiều được thể hiện trên Hình D.1, D.2, D.3 và D.4. Bảng D.1 cung cấp ví dụ về các loại hệ thống nguồn một chiều cho xe điện.

Hình D.1 - Ví dụ về hệ thống cách ly thông thường

Hình D.2 - Ví dụ về hệ thống không cách ly thông thường

Hình D.3 - Ví dụ về hệ thống không cách ly đơn giản

Hình D.4 - Ví dụ về hệ thống nguồn lưới một chiều
Bảng D.1 - Ví dụ về các loại hệ thống nguồn một chiều đến xe điện
| Tham số | Loại |
| 1. Cách ly | Hệ thống nguồn một chiều có thể: a) cách ly, hoặc b) không cách ly, có một hoặc nhiều trạm sạc được nối với nguồn xoay chiều. |
| 2. Điều chỉnh | Hệ thống nguồn một chiều có thể: a) được điều chỉnh, hoặc b) không được điều chỉnh. Khi không được điều chỉnh, yêu cầu dây liên kết đẳng thế đầy đủ (nối đất chức năng). |
| 3. Điện áp (V dc) | Hệ thống nguồn một chiều có thể làm việc ở mức điện áp lớn nhất: a) < 60 V (ví dụ các xe điện hạng nhẹ như xe máy); b) 60 V đến 600 V (ví dụ ô tô chở khách); c) 600 V đến 1 000 V (ví dụ ô tô chở khách và xe điện hạng nặng); d) > 1 000 V (ví dụ xe điện hạng nặng - xe buýt và xe tải). |
| 4. Dòng điện | Hệ thống nguồn một chiều có thể cấp đầu ra dòng điện lớn nhất, ví dụ a) < 80 A b) 80 A đến 200 A c) 200 A đến 300 A |
| 5. Truyền thông điều khiển sạc | EV và/hoặc hệ thống nguồn một chiều có thể: a) truyền thông bằng các bản tin số và các tín hiệu tương tự, hoặc b) truyền thông chỉ bằng các tín hiệu tương tự, bằng cách sử dụng: - các tiếp điểm truyền thông dành riêng, hoặc - trên các đường dây điện. |
| 6. Khả năng phối hợp giao diện | Hệ thống nguồn một chiều có thể: a) dành cho một hoặc nhiều EV, hoặc b) có khả năng tương tác với EV bất kỳ (không dành riêng, có thể được sử dụng bởi khách hàng bất kỳ) |
| 7. Người vận hành | Hệ thống nguồn một chiều có thể được vận hành bởi: a) khách hàng chưa qua huấn luyện, hoặc b) người vận hành đã được huấn luyện. |
| 8. Phương pháp điều chỉnh | Hệ thống nguồn một chiều có thể được sử dụng trong: a) chế độ CCC đối với sạc thời điểm bất kỳ/sạc đến khi đầy đến 80 % SOC, như một tải không liên tục (< 3 h); b) chế độ CVC đối với sạc đầy/cân bằng các cell đến 100 % SOC, như một tải liên tục (> 3 h); c) cả hai chế độ. |
Dải điện áp thông thường đối với các trạm sạc điện một chiều cách ly dùng cho EV được thể hiện trong Bảng D.2.
Bảng D.2 - Dải điện áp thông thường đối với các trạm sạc điện một chiều cách ly dùng cho EV
|
| Dải điện áp | Ví dụ về ứng dụng |
| 1 | 18 V đến 60 V | Xe máy điện |
| 2 | 50 V đến 500 V | Xe điện chở khách chạy điện |
| 3 | 200 V đến 500 V | Xe điện chở khách chạy điện |
| 4 | 400 V đến 800 V | Xe buýt điện |
| CHÚ THÍCH: Điều khiển dòng điện đầy đủ có thể được duy trì giữa các dải điện áp xác định ở trên. Điều kiện cấp dòng điện cụ thể có thể tồn tại bên dưới các dải điện áp này. | ||
Phụ lục EE
(tham khảo)
Cấu hình thông thường của hệ thống sạc một chiều
Hình E.1 thể hiện cấu hình thông thường của hệ thống sạc một chiều.

Phạm vi áp dụng của IEC 61851-23
Hệ thống sạc điện EV một chiều (xem Phụ lục AA, BB và CC)
a Bao gồm thông tin về phần tử của EV để nối liên tục.
b Các yêu cầu chi tiết đối với bộ nối dùng cho xe điện một chiều được xác định trong IEC 62196-3. Các yêu cầu đối với cụm cáp được quy định trong IEC 62196-1.
c Hệ thống lắp đặt (xem IEC 60364-7-722) cũng áp dụng cho các bộ sạc di động.
Hình E.1 - Cấu hình thông thường của hệ thống sạc điện một chiều
Thư mục tài liệu tham khảo
[1] IEC 60364-7-722, Low-voltage electrical installations - Part 7-722: Requirements for special installations or locations - Supply of electric vehicle
[2] TCVN 13078-21-2 (IEC 61851-21-2), TA (Electric vehicle conductive charging system - Part 21-2: EMC requirements for off board electric vehicle charging systems)
[3] JIS/TSD0007, Basic function of quick charger for the electric vehicle
[4] SAE J2836/2™, Use cases for communication between plug-in vehicles and off-board DC charger
[5] SAE J2847/2, Communication between plug-in vehicles and off-board DC chargers
[6] SAE J2931/1, Digital Communications for Plug-in Electric Vehicles
MỤC LỤC
Lời nói đầu
1 Phạm vi áp dụng
2 Tài liệu viện dẫn
3 Thuật ngữ và định nghĩa
4 Yêu cầu chung
5 Thông số đặc trưng về điện áp xoay chiều của nguồn cấp
6 Yêu cầu chung của hệ thống và giao diện
7 Bảo vệ chống điện giật
8 Đấu nối giữa nguồn cấp và EV
9 Yêu cầu cụ thể đối với bộ nối dùng cho xe điện
10 Yêu cầu về cụm cáp sạc
11 Yêu cầu về EVSE
101 Yêu cầu cụ thể đối với trạm sạc điện một chiều cho EV
102 Truyền thông giữa EV và trạm sạc điện một chiều cho EV
Phụ lục AA (quy định) - Trạm sạc điện một chiều thuộc hệ thống A cho EV
Phụ lục BB (quy định) - Trạm sạc điện một chiều thuộc hệ thống B cho EV
Phụ lục CC (quy định) - Trạm sạc điện một chiều thuộc hệ thống C cho EV (hệ thống sạc kết hợp)
Phụ lục DD (tham khảo) - Hệ thống sạc một chiều thông thường
Phụ lục EE (tham khảo) - Cấu hình thông thường của hệ thống sạc một chiều
Thư mục tài liệu tham khảo
Bạn chưa Đăng nhập thành viên.
Đây là tiện ích dành cho tài khoản thành viên. Vui lòng Đăng nhập để xem chi tiết. Nếu chưa có tài khoản, vui lòng Đăng ký tại đây!



