- Tổng quan
- Nội dung
- Tiêu chuẩn liên quan
- Lược đồ
- Tải về
Tiêu chuẩn Quốc gia TCVN 12695:2020 ISO 1182:2010 Thử nghiệm phản ứng với lửa cho các sản phẩm xây dựng - Phương pháp thử tính chống cháy
| Số hiệu: | TCVN 12695:2020 | Loại văn bản: | Tiêu chuẩn Việt Nam |
| Cơ quan ban hành: | Bộ Khoa học và Công nghệ | Lĩnh vực: | Công nghiệp |
|
Ngày ban hành:
Ngày ban hành là ngày, tháng, năm văn bản được thông qua hoặc ký ban hành.
|
14/09/2020 |
Hiệu lực:
|
Đã biết
|
| Người ký: | Đang cập nhật |
Tình trạng hiệu lực:
Cho biết trạng thái hiệu lực của văn bản đang tra cứu: Chưa áp dụng, Còn hiệu lực, Hết hiệu lực, Hết hiệu lực 1 phần; Đã sửa đổi, Đính chính hay Không còn phù hợp,...
|
Đã biết
|
TÓM TẮT TIÊU CHUẨN VIỆT NAM TCVN 12695:2020
Nội dung tóm tắt đang được cập nhật, Quý khách vui lòng quay lại sau!
Tải tiêu chuẩn Việt Nam TCVN 12695:2020
TIÊU CHUẨN QUỐC GIA
TCVN 12695:2020
ISO 1182:2010
THỬ NGHIỆM PHẢN ỨNG VỚI LỬA CHO CÁC SẢN PHẨM XÂY DỰNG - PHƯƠNG PHÁP THỬ TÍNH KHÔNG CHÁY
Reaction to fire tests for construction products - Non-combustibility test
Lời nói đầu
TCVN 12695:2020 thay thế cho TCXDVN 331:2004 (EN ISO 1182:2002).
TCVN 12695:2020 hoàn toàn tương đương ISO 1182:2010(E).
TCVN 12695:2020 do Viện Vật liệu xây dựng - Bộ Xây dựng biên soạn, Bộ Xây dựng đề nghị, Tổng cục Tiêu chuẩn Đo lường Chất lượng thẩm định, Bộ Khoa học và Công nghệ công bố.
Lời giới thiệu
Phương pháp thử này biên soạn cho những người chịu trách nhiệm sử dụng để lựa chọn loại sản phẩm xây dựng không hoàn toàn trơ khi chịu tiếp xúc ở nhiệt độ khoảng 750 °C, nhưng cũng chỉ tạo ra ngọn lửa và lượng nhiệt nhỏ.
Việc áp dụng thử nghiệm này bị hạn chế cho các sản phẩm đồng nhất và các thành phần chính của sản phẩm không đồng nhất được đưa ra do những vấn đề liên quan đến xác định các chỉ tiêu kỹ thuật của mẫu thử. Việc thiết kế mẫu thử cho các sản phẩm không đồng nhất sẽ ảnh hưởng nhiều đến kết quả thử nghiệm. Chính vì vậy, các sản phẩm không đồng nhất không thể thử nghiệm theo tiêu chuẩn này.
THỬ NGHIỆM PHẢN ỨNG VỚI LỬA CHO CÁC SẢN PHẨM XÂY DỰNG - PHƯƠNG PHÁP THỬ TÍNH KHÔNG CHÁY
Reaction to fire tests for construction products - Non-combustibility test
CẢNH BÁO AN TOÀN - Tất cả những người có liên quan tới việc quản lý và thực hiện các phép thử này cần chú ý rằng khi thực hiện phép thử với lửa có thể nguy hiểm và có khả năng phát thải độc tố, khói và khí độc trong quá trình thử nghiệm. Mối nguy hiểm cũng có thể tăng lên trong quá trình thử nghiệm mẫu và quá trình loại bỏ phần còn lại của mẫu thử.
Cần có đánh giá để xác định các mối nguy hiểm và rủi ro tiềm ẩn đối với sức khỏe con người và cung cấp các biện pháp nhận biết và phòng ngừa để đảm bảo an toàn. Phải ban hành hướng dẫn an toàn bằng văn bản. Các thí nghiệm viên phải được đào tạo và phải tuân thủ hướng dẫn an toàn ở tất cả các lần thử nghiệm.
1 Phạm vi áp dụng
Tiêu chuẩn này quy định phương pháp thử để xác định tính năng không cháy của sản phẩm đồng nhất và thành phần chủ yếu của sản phẩm không đồng nhất theo các điều kiện quy định.
Các thông tin về độ chụm của phương pháp thử được nêu trong Phụ lục A.
2 Tài liệu viện dẫn
Các tài liệu viện dẫn sau là cần thiết khi áp dụng tiêu chuẩn này. Đối với các tài liệu viện dẫn có ghi năm công bố áp dụng thì áp dụng bản được nêu. Đối với các tài liệu viện dẫn không ghi năm công bố thì áp dụng phiên bản mới nhất, bao gồm cả bản sửa đổi, bổ sung (nếu có).
ISO 13943, Fire safety - Vocabulary (An toàn cháy - Từ vựng)
IEC 60584-2, Thermocouples - Part 2: Tolerances (Cặp nhiệt ngẫu - Phần 2: Dung sai)
EN 13238, Reaction to fire tests for building products - Conditioning procedures and general rules for selection of substrates (Thử nghiệm phản ứng với lửa của sản phẩm xây dựng - Quy trình ổn định và nguyên tắc chung lựa chọn vật liệu nền).
3 Thuật ngữ và định nghĩa
Tiêu chuẩn này sử dụng các thuật ngữ, định nghĩa được nêu trong ISO 13943 và các thuật ngữ, định nghĩa sau đây:
3.1
Sản phẩm (Product)
Vật liệu, chi tiết hoặc cấu kiện có các thông số được quy định.
3.2
Vật liệu (Material)
Một đơn chất cơ bản hoặc một hỗn hợp các chất được phân tán đều.
CHÚ THÍCH: Ví dụ về vật liệu như là kim loại, đá, gỗ, bê tông, len khoáng với chất kết dính và polymer được phân tán đồng nhất.
3.3
Vật liệu rời (Loose fill material)
Vật liệu không có bất kỳ hình dạng vật lý nào.
3.4
Sản phẩm đồng nhất (Homogeneous product)
Sản phẩm được tạo thành từ một loại vật liệu, có mật độ và thành phần không đổi trong toàn bộ sản phẩm.
3.5
Sản phẩm không đồng nhất (Non-homogeneous product)
Sản phẩm bao gồm nhiều thành phần chủ yếu hoặc không chủ yếu, có mật độ và thành phần không đồng đều và các thành phần không phân bố trong toàn bộ sản phẩm.
3.6
Thành phần chủ yếu (Substantial component)
Vật liệu cấu thành chiếm một phần đáng kể trong sản phẩm không đồng nhất, có khối lượng/đơn vị diện tích > 1,0 kg/m2 hoặc chiều dày ≥ 1 mm.
3.7
Thành phần không chủ yếu (Non-substantial component)
Vật liệu cấu thành chiếm một phần không đáng kể trong sản phẩm không đồng nhất, có khối lượng/đơn vị diện tích < 1,0 kg/m2 và chiều dày < 1 mm.
3.8
Ngọn lửa duy trì (Sustained flaming)
Sự tồn tại của ngọn lửa có thể nhìn thấy ở vị trí bất kỳ trên mẫu thử với thời gian là 5 s hoặc lâu hơn.
CHÚ THÍCH: Các vùng khí cháy sáng ổn định có màu xanh không được xem như là sự cháy. Chỉ cần ghi nhận những vùng khí đó trong phần "Quan sát trong quá trình thử nghiệm" của Báo cáo kết quả thử nghiệm.
4 Thiết bị, dụng cụ
4.1 Quy định chung
Thiết bị thử nghiệm phải được đặt trong các điều kiện quy định tại 7.1. Một thiết kế điển hình của lò thử nghiệm được thể hiện trong Phụ lục B, có thể áp dụng các thiết kế khác cho lò thử nghiệm.
CHÚ THÍCH 1: Tất cả các kích thước được thể hiện trong các thiết bị thử nghiệm là những giá trị danh nghĩa, trừ khi có quy định về giá trị dung sai.
Thiết bị thử nghiệm bao gồm lò có hình ống được chế tạo từ vật liệu chịu lửa được quấn xung quanh bằng dây điện trở gia nhiệt và bảo ôn bằng lớp cách nhiệt. Phần đế lò có gắn bộ phận ổn định dòng không khí hình côn và trên đỉnh có vành chắn gió lùa.
Lò được gắn với chân đế, được trang bị giá đựng mẫu và một dụng cụ để đưa giá đựng mẫu vào trong lò.
Cặp nhiệt ngẫu đo nhiệt độ trong lò và thành lò được quy định trong 4.4. Các cảm biến nhiệt đo nhiệt độ dọc theo trục tâm của lò được quy định trong 4.5.
CHÚ THÍCH 2: Phụ lục C nêu chi tiết các cặp nhiệt ngẫu bổ sung sử dụng để đo nhiệt độ trên bề mặt mẫu và nhiệt độ tại tâm mẫu nếu có yêu cầu.
4.2 Lò, vành chắn gió lùa và chân đế
4.2.1 Ống lò, chế tạo từ vật liệu chịu lửa cao nhôm như quy định trong Bảng 1, có khối lượng thể tích là (2 800 ± 300) kg/m3, chiều cao là (150 ± 1) mm, đường kính trong (75 ± 1) mm và chiều dày ống lò là (10 ± 1) mm.
Bảng 1 - Thành phần hóa học của vật liệu chịu lửa để chế tạo ống lò
| Hợp chất | Hàm lượng, % khối lượng |
| 1. Nhôm ôxit (Al2O3) | > 89 |
| 2. Silic ôxit và Nhôm ôxit (SiO2, Al2O3) | > 98 |
| 3. Sắt ôxit (Fe2O3) | < 0,45 |
| 4. Titan ôxit (TiO2) | < 0,25 |
| 5. Mangan ôxit (Mn3O4) | < 0,1 |
| 6. Các ôxit vi lượng khác (các ôxit của Natri, Kali, Canxi và Magiê) | Phần còn lại |
Ống lò được đặt ở giữa vỏ lò, lớp vỏ này được chế tạo từ vật liệu cách nhiệt, có chiều cao 150 mm, chiều dày là 10 mm. Ống lò được cố định bằng các tấm phẳng có rãnh cài ở phía trên và phía dưới. Khoảng trống giữa ống lò và vỏ lò được điền đầy bằng vật liệu cách nhiệt phù hợp.
CHÚ THÍCH 1: Một ví dụ thiết kế điển hình về ống lò được nêu trong B.2.
Mặt dưới của ống lò được nối với ống ổn định dòng không khí hình côn dài 500 mm, có đường kính trong giảm đều từ trên là (75 ± 1) mm xuống dưới là (10 ± 0,5) mm. Ống ổn định dòng không khí hình côn được chế tạo từ thép tấm có chiều dày 1 mm, mặt bên trong nhẵn bóng và phía ngoài được cách nhiệt bằng vật liệu cách nhiệt thích hợp.
CHÚ THÍCH 2: Vật liệu cách nhiệt phù hợp được nêu trong B.3.
4.2.2 Vành chắn gió lùa, được làm từ vật liệu cùng loại với ống ổn định dòng không khí hình côn, nằm ở trên đỉnh lò có chiều cao bằng 50 mm, đường kính trong (75 ± 1) mm. Vành chắn gió lùa và chỗ nối với đỉnh lò có mặt trong nhẵn bóng, phía ngoài được cách nhiệt bằng vật liệu cách nhiệt phù hợp.
CHÚ THÍCH: Vật liệu cách nhiệt phù hợp được nêu trong B.4.
4.2.3 Chân đế, lò, ống ổn định dòng không khí hình côn và cửa lò được gắn chắc lên chân đế nằm ngang. Một tấm chắn được gắn vào bộ chân đế để giảm gió lùa quanh đáy của ống ổn định dòng không khí hình côn. Tấm chắn có chiều cao 550 mm, đáy của ống ổn định hình côn cách bản đế 250 mm.
4.3 Giá đựng mẫu và dụng cụ đưa mẫu vào lò
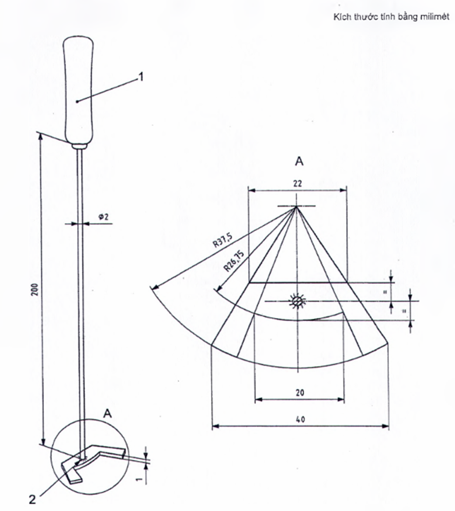
4.3.1 Giá đựng mẫu, quy định trong Hình 1, được chế tạo từ sợi thép bền nhiệt hoặc sợi Niken/Crôm. Dưới đáy của giá đựng mẫu đặt một lưới thép mỏng, bền nhiệt. Khối lượng của giá đựng mẫu khoảng (15 ± 2) g.
Giá đựng mẫu được treo tự do ở đầu dưới của ống thép không gỉ, ống này có đường kính ngoài là 6 mm và đường kính lỗ bên trong là 4 mm.
4.3.2 Dụng cụ đưa mẫu vào lò, đảm bảo cho việc hạ thấp giá đựng mẫu vào lò thật nhẹ nhàng và cẩn thận sao cho tâm hình học của mẫu thử trùng tâm hình học của lò trong suốt quá trình thử nghiệm. Dụng cụ đưa mẫu vào lò gồm một que trượt bằng kim loại chuyển động tự do theo thanh dọc định hướng lắp cạnh lò.
Đối với mẫu là vật liệu rời, giá đựng mẫu phải có dạng hình trụ có các kích thước bằng kích thước ngoài của mẫu thử (xem 5.1) và được làm bằng lưới thép mỏng bền nhiệt, tương tự như lưới thép đặt dưới đáy của giá đựng mẫu được quy định trong 4.3.1. Giá đựng mẫu loại này phải để hở ở trên đỉnh và có khối lượng không vượt quá 30 g.

CHÚ DẪN:
1) Ống bằng thép không gỉ;
2) Cặp nhiệt điện ở bề mặt mẫu thử;
3) Cặp nhiệt điện ở trung tâm mẫu thử;
4) Kích thước mắt lưới 0,9 mm đường kính dây 0,4 mm;
Hình 1 - Giá đựng mẫu
4.4 Cặp nhiệt ngẫu, có đường kính sợi là 0,3 mm, đường kính ngoài là 1,5 mm. Đầu nóng được cách nhiệt và không tiếp đất. Có thể dùng cặp nhiệt ngẫu loại K hoặc loại N, có dung sai cấp 1 theo IEC 60584-2. Lớp vỏ bọc ngoài làm bằng thép không gỉ hoặc hợp kim gốc Niken. Tất cả các cặp nhiệt ngẫu mới phải được già hóa nhân tạo trước khi sử dụng để giảm độ phản xạ nhiệt.
CHÚ THÍCH: Phương pháp già hóa nhân tạo thích hợp là cho cặp nhiệt ngẫu chạy thử nghiệm trong lò đốt trong khoảng 1 h không có bất kỳ mẫu thử nào.
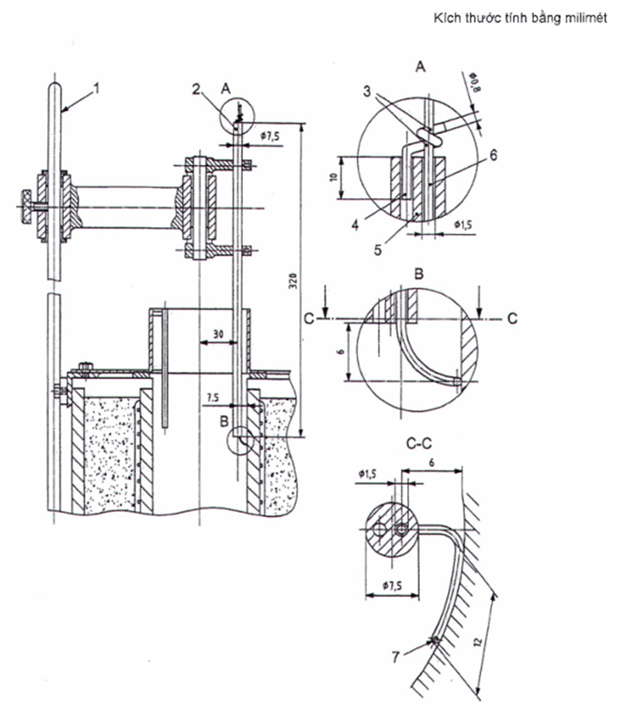
Đầu nóng cặp nhiệt ngẫu được đặt cách thành ống (10 ± 0,5) mm và ở chiều cao tương ứng với tâm hình học của ống lò (xem Hình 2). Vị trí chính xác của cặp nhiệt ngẫu phải được duy trì ở vị trí này bằng một ống dẫn hướng gắn vào vành chắn gió lùa.
Có thể thiết lập vị trí của cặp nhiệt ngẫu bằng cách sử dụng một thanh dẫn định vị được minh họa trong Hình 3. Chiều dài bên ngoài của cặp nhiệt ngẫu là (40 ± 5) mm.
Cặp nhiệt ngẫu của lò được hiệu chuẩn ban đầu ở nhiệt độ 750 °C. Bất kỳ sự hiệu chỉnh nào nhận được trong quá trình hiệu chuẩn phải được báo cáo.
Cặp nhiệt ngẫu của lò phải được thay thế sau 200 lần thử nghiệm.
Hai cặp nhiệt ngẫu bổ sung để đo nhiệt độ tại tâm và bề mặt của mẫu thử được kiểm soát ở 100 °C. Các thông tin yêu cầu của bất kỳ cặp nhiệt ngẫu bổ sung nào và cách định vị chúng được nêu chi tiết trong Phụ lục C. Việc sử dụng hai cặp nhiệt ngẫu này là không bắt buộc.

CHÚ DẪN
1) Các cặp nhiệt ngẫu có vỏ bọc;
2) Cặp nhiệt ngẫu ở trung tâm mẫu thử;
3) Cặp nhiệt ngẫu ở bề mặt mẫu thử;
4) Lỗ có đường kính 2 mm;
5) Thành lò;
6) Điểm giữa vùng nhiệt độ không đổi;
7) Điểm tiếp xúc giữa cặp nhiệt ngẫu và vật liệu
8) Cặp nhiệt ngẫu của lò
Hình 2 - Vị trí của lò, mẫu và cặp nhiệt ngẫu

CHÚ DẪN
1) Tay cầm gỗ
2) Mối hàn
Hình 3 - Thanh dẫn định vị điển hình
4.5 Cảm biến nhiệt, làm từ cặp nhiệt ngẫu như quy định trong 4.4 được hàn vào trụ bằng đồng có đường kính (10 ± 0,2) mm và chiều cao (15 ± 0,2) mm. Đầu nóng của cặp nhiệt ngẫu phải được đặt đúng vào trụ đồng.
4.6 Cặp nhiệt ngẫu tiếp xúc, là một loại cặp nhiệt ngẫu được quy định trong 4.4. Cặp nhiệt ngẫu được uốn cong theo Hình 4.

CHÚ DẪN
1) Thanh thép chịu nhiệt;
2) Cặp nhiệt ngẫu có vỏ bọc bằng nhôm sứ
3) Mối hàn bằng bạc
4) Dây thép
5) Ống bằng gốm
6) Ống bảo vệ cặp nhiệt ngẫu
7) Đầu nóng
Hình 4 - Cặp nhiệt ngẫu tiếp xúc và giá đỡ điển hình
4.7 Gương, lắp trên thiết bị thử nghiệm ở vị trí sao cho không ảnh hưởng đến phép thử để tiện quan sát ngọn lửa duy trì và an toàn cho người vận hành.
CHÚ THÍCH: Gương hình vuông có cạnh là 300 mm, lắp nghiêng so với mặt phẳng ngang một góc là 30°, cách phía trên lò khoảng 1 m là thích hợp.
4.8 Cân, có độ chính xác đến 0,01 g.
4.9 Ổn áp, loại tự động 1 pha, có công suất danh định không nhỏ hơn 1,5 kVA.
Thiết bị này có khả năng duy trì độ chính xác của điện áp đầu ra trong vòng ±1 % của giá trị điện áp định mức từ 0 đến tải toàn phần.
4.10 Biến áp có thể điều chỉnh, có khả năng duy trì công suất tối thiểu là 1,5 kVA và điều chỉnh điện áp đầu ra từ 0 đến giá trị lớn nhất tương đương điện áp đầu vào.
4.11 Thiết bị kiểm soát dòng điện vào, bao gồm ampe kế, vôn kế hoặc oát kế, cho phép cài đặt nhanh chóng khoảng nhiệt độ hoạt động của lò. Bất kỳ thiết bị nào phải có khả năng đo các thông số của dòng điện được quy định ở 7.2.3.
4.12 Thiết bị điều chỉnh công suất, có thể dùng thiết bị này thay cho ổn áp, biến thế tự ngẫu, thiết bị giám sát dòng điện vào được quy định trong 4.9, 4.10 và 4.11. Thiết bị này phải là loại lắp với bộ thyristo có độ lệch pha với công suất 1,5 kVA. Điện áp lớn nhất không vượt quá 100 V và giới hạn dòng điện phải được điều chỉnh để đạt “100 % công suất” tương đương với thông số đặc trưng lớn nhất của cuộn gia nhiệt. Độ ổn định của thiết bị điều chỉnh công suất phải đạt xấp xỉ 1,0 % và độ lặp lại phải đạt ± 1,0 %. Công suất đầu ra phải tuyến tính trong dải quy định.
4.13 Thiết bị hiển thị và ghi nhiệt độ, có khả năng đo đầu ra của cặp nhiệt ngẫu chính xác đến 1 °C hoặc giá trị tương đương tính theo mV. Thiết bị này có tốc độ ghi ổn định tại các khoảng thời gian không lớn hơn 1 s.
CHÚ THÍCH: Thiết bị phù hợp ở dạng hoặc thiết bị số hoặc thiết bị ghi dạng biểu đồ nhiều cấp có dải làm việc trên toàn thang đo là 10 mV với điểm “0” xấp xỉ bằng 700 °C.
4.14 Dụng cụ xác định thời gian, đồng hồ bấm giây có độ sai số 1 s trong vòng 1 h.
4.15 Bình hút ẩm, để bảo quản mẫu thử đã được ổn định (xem Điều 6).
5 Mẫu thử
5.1 Quy định chung
Mẫu thử được cắt từ tấm mẫu có kích thước đủ lớn để đại diện cho sản phẩm thử nghiệm.
Các mẫu thử có dạng hình trụ, mỗi mẫu có thể tích bằng (76 ± 8) cm3, đường kính
mm và chiều cao là (50 ± 3) mm.
5.2 Chuẩn bị mẫu thử
5.2.1 Nếu vật liệu thử nghiệm có chiều dày khác với (50 ± 3) mm, thì tạo mẫu thử có chiều cao (50 ± 3) mm bằng cách điều chỉnh độ dày của mẫu thử về kích thước nêu trên hoặc xếp các lớp vật liệu cho đủ độ dày của mẫu thử.
5.2.2 Khi tạo mẫu thử để đạt chiều cao theo quy định bằng cách xếp lớp, vật liệu dùng để xếp lớp phải xếp nằm ngang trong giá đựng mẫu và dùng hai sợi thép nhỏ có đường kính lớn nhất là 0,5 mm buộc chặt các lớp lại với nhau để ngăn cản sự hình thành khoảng thông khí giữa các lớp nhưng không được buộc quá chặt. Mẫu thử của vật liệu rời sẽ phải đại diện về ngoại quan, khối lượng riêng ..v..v.. như khi sử dụng.
5.2.2.1 Khi mẫu thử được tạo thành từ cách xếp lớp, giá trị của mật độ tổng thể càng sát với mật độ của vật liệu do nhà sản xuất công bố thì càng tốt.
5.2.2.2 Bất kỳ sợi lỏng lẻo nào ở những vị trí mà các thành phần của mẫu thử bị bung ra thì cần loại bỏ trước khi thử nghiệm.
Tuy nhiên, kích thước cuối cùng của mẫu thử phải tuân thủ theo quy định trong tiêu chuẩn này.
5.2.3 Với những sản phẩm dạng keo hoặc sản phẩm dạng lỏng khác xem như thành phần chủ yếu được dùng để tạo độ dày mẫu thử theo quy định, thì quá trình sẽ được tiến hành như sau:
5.2.3.1 Đổ vật liệu vào khuôn nhựa để đúc một mẫu thử đầu tiên ở dạng rắn, có đường kính đúng hoặc xấp xỉ với đường kính được quy định trong tiêu chuẩn. Mẫu thử đầu tiên này sẽ được dùng để thử nghiệm.
CHÚ THÍCH: Một vài sự điều chỉnh cho sự co ngót cần được cung cấp theo yêu cầu của đường kính mẫu thử (thử nghiệm và xác định lỗi này).
5.2.3.2 Nếu mẫu thử đầu tiên này có ứng xử bình thường khi được thử nghiệm, thì chế tạo và thử nghiệm nốt những mẫu thử còn lại theo phương pháp trên.
5.2.3.3 Nếu mẫu thử đầu tiên ở trên có những biểu hiện bất thường (ví dụ như: nứt vỡ, nổ bóng khí) thì áp dụng phương pháp chế tạo mẫu thử được mô tả trong 5.2.3.4.
5.2.3.4 Nếu không áp dụng được phương pháp đổ khuôn để đúc mẫu thử ở dạng rắn thì tất cả năm mẫu thử sẽ được ghép lại từ những miếng tròn mỏng cắt ra từ tấm vật liệu thu được sau khi vật liệu lỏng được tạo ở dạng tấm phẳng, với tấm vật liệu có độ dày được tạo là lớn nhất trong thực tế.
5.2.3.5 Mẫu thử kiểu này được chuẩn bị với một lỗ trên trục tâm của mẫu thử để đo nhiệt độ bên trong mẫu thử (xem Phụ lục C), khí dễ cháy sẽ tạo thành ngọn lửa cháy rực tại vị trí lỗ. Với sản phẩm ở dạng keo hoặc sản phẩm ứng dụng ở trạng thái lỏng, thử nghiệm phải được thực hiện theo tiêu chuẩn này mà không cần thêm bất kỳ sự kiểm tra nhiệt độ nào.
5.3 Số lượng mẫu thử
Tạo năm mẫu thử để thử nghiệm theo quy trình tại điều 7.4.
CHÚ THÍCH: Mẫu thử bổ sung có thể được thử nghiệm theo quy định với bất kỳ hệ thống phân loại nào.
6 Ổn định mẫu thử
Điều kiện ổn định mẫu thử được quy định trong EN 13238. Trước khi thử nghiệm, mẫu thử phải được sấy trong tủ sấy có quạt thông gió ở nhiệt độ (60 ± 5) °C trong khoảng thời gian từ 20 h đến 24 h, sau đó để nguội đến nhiệt độ phòng trong bình hút ẩm. Xác định khối lượng của từng mẫu, chính xác đến 0,01 g trước khi tiến hành thử nghiệm.
7 Quy trình thử nghiệm
7.1 Môi trường thử nghiệm
Không để lò ở những vị trí có gió lùa hoặc ánh sáng mặt trời hoặc ánh sáng nhân tạo có độ rọi mạnh tác động trực tiếp làm ảnh hưởng tới việc quan sát quá trình cháy bên trong lò. Khu vực lân cận lò cũng cần được chuẩn bị như vậy để không ảnh hưởng tới quá trình quan sát.
Trong quá trình thử nghiệm nhiệt độ phòng không thay đổi quá 5 °C.
7.2 Quy trình lắp đặt thiết bị
7.2.1 Giá đựng mẫu
Chuyển giá đựng mẫu và móc treo ra khỏi lò.
7.2.2. Cặp nhiệt ngẫu
Vị trí của cặp nhiệt ngẫu được quy định trong 4.4, nếu dùng các cặp nhiệt ngẫu bổ sung thì vị trí đặt các cặp nhiệt ngẫu này được quy định trong 4.4 và Phụ lục C. Nối tất cả các cặp nhiệt ngẫu này với thiết bị hiển thị nhiệt độ (4.13).
7.2.3 Cấp điện
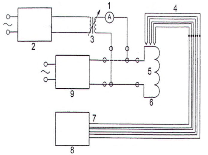
Nối phần gia nhiệt của lò nung với ổn áp (4.9), biến áp có thể điều chỉnh (4.10) và thiết bị giám sát điện đầu vào (4.11) hoặc nối với thiết bị điều chỉnh công suất (4.12) và được thể hiện ở Hình 5. Không sử dụng bộ điều khiển nhiệt tự động của lò trong suốt quá trình thử nghiệm.
Thông thường bộ phận gia nhiệt cần dòng điện có cường độ trong khoảng từ 9 A đến 10 A ở xấp xỉ 100 V dưới các điều kiện ổn định. Để tránh hiện tượng quá tải phải dùng dòng điện có cường độ tối đa là 11 A.
Khi sử dụng ống lò mới, ban đầu phải nâng nhiệt lên từ từ. Áp dụng quy trình thích hợp để tăng nhiệt độ lò theo từng giai đoạn khoảng 200 °C, giữ khoảng 2 h gia nhiệt tại mỗi mức nhiệt độ.

CHÚ DẪN
1) Ampe kế;
2) Ổn áp;
3) Biến áp có thể điều chỉnh;
4) Cặp nhiệt ngẫu
5) Hộp đấu nối;
6) Cuộn dây điện trở;
7) Cáp bù;
8) Thiết bị hiển thị nhiệt độ;
9) Thiết bị điều chỉnh công suất
Hình 5 - Sơ đồ lắp đặt thiết bị và phụ kiện
7.2.4 Ổn định lò
Điều chỉnh nhiệt độ lò sao cho nhiệt độ trung bình của lò ổn định ở (750 ± 5) °C tối thiểu trong khoảng 10 min, được xác định bởi cặp nhiệt ngẫu (xem 4.4). Độ lệch (hồi quy tuyến tính) không lớn hơn 2 °C trong 10 min này và độ lệch lớn nhất cho phép so với nhiệt độ trung bình không lớn hơn 10 °C trong khoảng 10 min (xem Phụ lục D).
Liên tục ghi lại nhiệt độ.
7.3 Quy trình hiệu chuẩn
7.3.1 Nhiệt độ thành lò
7.3.1.1 Khi nhiệt độ lò được ổn định như nêu trong 7.2.4, đo nhiệt độ ở thành lò sử dụng loại cặp nhiệt ngẫu tiếp xúc được quy định tại 4.6 và thiết bị hiển thị nhiệt độ quy định tại 4.13. Tiến hành phép đo trên 3 trục đứng của thành lò, khoảng các giữa các trục cách đều nhau. Ghi lại các giá trị nhiệt độ trên mỗi trục tại vị trí tương ứng với điểm giữa chiều cao lò và ở các vị trí 30 mm phía trên và 30 mm phía dưới so với điểm giữa chiều cao thành lò.
Có thể sử dụng thiết bị quét cặp nhiệt ngẫu phù hợp cùng với cặp nhiệt ngẫu và các ống cách nhiệt được mô tả trong Hình 4. Phải đặc biệt chú ý đến sự tiếp xúc giữa cặp nhiệt ngẫu với thành lò, vì nếu tiếp xúc kém sẽ dẫn đến nhiệt độ đo thu được là thấp. Tại mỗi điểm đo, nhiệt độ đo thu được xác định bởi cặp nhiệt ngẫu phải đạt độ ổn định trước khi đọc giá trị nhiệt độ đo.
Thu được 9 giá trị nhiệt độ đo, Tij (với i = trục 1 đến trục 3; j = mức giá trị từ a đến c tương ứng với các điểm đo + 30 mm, 0 mm và - 30 mm) được thể hiện ở Bảng 2.
Bảng 2 - Các vị trí đọc nhiệt độ thành lò
| Trục dọc | Mức | ||
| a tại vị trí + 30 mm | b tại vị trí 0 mm | c tại vị trí - 30 mm | |
| 1 (ở 0°) | T1,a | T1,b | T1,c |
| 2 (ở 120°) | T2,a | T2,b | T2,c |
| 3 (ở 240°) | T3,a | T3,b | T3,c |
7.3.1.2 Tính và ghi lại giá trị trung bình cộng của 9 giá trị nhiệt độ đo, được xác định ở 7.3.1.1, là giá trị trung bình của thành lò, Ttbtl
(1)
Tính giá trị trung bình cộng của các giá trị đo trên 3 trục, được xác định ở 7.3.1.1, là nhiệt độ trung bình của thành lò trên 3 trục
(2)
(3)
(4)
Tính giá trị phần trăm sai số tuyệt đối của nhiệt độ trên 3 trục so với nhiệt độ trung bình của thành lò.
(5)
(6)
(7)
Tính và ghi lại trung bình cộng sai số của nhiệt độ trên 3 trục so với nhiệt độ trung bình của thành lò.
(8)
Tính các giá trị trung bình cộng của giá trị nhiệt độ đo, được xác định ở 7.3.1, là các nhiệt độ trung bình của thành lò ở 3 mức.
(9)
(10)
(11)
Tính giá trị phần trăm sai số tuyệt đối của nhiệt độ ở 3 mức so với nhiệt độ trung bình của thành lò
(12)
(13)
(14)
Tính và ghi lại trung bình cộng sai số của nhiệt độ ở 3 mức so với nhiệt độ trung bình của thành lò
(15)
Sai số trung bình của nhiệt độ trên 3 trục đứng so với nhiệt độ trung bình của thành lò Ttb sai số trục (8) phải nhỏ hơn 0,5 %.
Sai số trung bình của nhiệt độ trên 3 mức so với nhiệt độ trung bình của thành lò Ttb sai số mức (15) phải nhỏ hơn 1,5 %.
7.3.1.3 Nhiệt độ trung bình của thành lò tại mức (+ 30 mm) Ttbtl mức a (9) phải nhỏ hơn so với nhiệt độ trung bình của thành lò tại mức (- 30 mm), Ttbtl mức c (11).
7.3.2 Nhiệt độ lò
7.3.2.1 Khi nhiệt độ lò đạt độ ổn định, được nêu trong 7.2.4 và nhiệt độ thành lò đã được kiểm tra như nêu ở 7.3.1, tiến hành đo nhiệt độ của lò dọc theo trục tâm bằng bộ cảm biến nhiệt được quy định trong 4.5 và bộ hiển thị nhiệt độ được quy định trong 4.13. Phải tiến hành các bước dưới đây bằng cách sử dụng thiết bị định vị phù hợp để đặt chính xác bộ cảm biến nhiệt. Cữ chuẩn để định vị theo chiều dọc là mặt trên của trụ đồng của bộ cảm biến nhiệt khi được gắn vào lò.
Ghi lại nhiệt độ của lò dọc theo trục tâm tại vị trí tương ứng với điểm giữa của chiều cao của ống lò.
Từ điểm này, dịch chuyển bộ cảm biến nhiệt xuống phía dưới theo từng mức, mỗi mức lớn nhất là 10 mm cho đến đáy ống lò và ghi lại nhiệt độ tại mỗi vị trí khi đạt độ ổn định.
Dịch chuyển bộ cảm biến nhiệt từ vị trí thấp nhất lên đỉnh lò theo từng mức, mỗi mức lớn nhất là 10 mm và ghi lại nhiệt độ tại mỗi vị trí khi đạt độ ổn định.
Từ vị trí đỉnh lò dịch chuyển bộ cảm biến nhiệt xuống đến điểm giữa của chiều cao lò theo từng mức, mỗi mức lớn nhất là 10 mm và ghi lại nhiệt độ tại mỗi vị trí khi đạt độ ổn định.
Nhiệt độ sẽ được ổn định trong khoảng 5 min ở mỗi vị trí đo.
Tại mỗi vị trí ghi lại 2 thông số đo nhiệt độ, một thông số theo chiều đi lên, một thông số theo chiều đi xuống. Báo cáo giá trị trung bình cộng này kèm theo mức dịch chuyển.
7.3.2.2 Nhiệt độ trung bình tính toán tại từng mức phải nằm trong phạm vi các giới hạn sau đây (xem Hình 6)
(16)
(17)
trong đó: h là chiều cao lò, mm và h = 0 tương ứng với đáy lò.
Các giá trị ở Hình 6 được nêu trong Bảng 3.

CHÚ DẪN
| X Nhiệt độ, °C; | 1) Đỉnh lò; | 2) Giới hạn dưới, Tmin |
| Y Chiều cao lò, mm | 3) Giới hạn trên, Tmax | 4) Đáy lò |
Hình 6 - Biểu đồ nhiệt độ đo dọc theo trục giữa của lò bằng bộ cảm biến nhiệt
Bảng 3 - Giá trị nhiệt độ lò theo chiều cao
| Chiều cao lò, h mm | Tmin °C | Tmax °C |
| 145 | 639 | 671 |
| 135 | 664 | 698 |
| 125 | 683 | 716 |
| 115 | 698 | 729 |
| 105 | 709 | 737 |
| 95 | 717 | 743 |
| 85 | 722 | 746 |
| 75 | 723 | 747 |
| 65 | 720 | 746 |
| 55 | 712 | 743 |
| 45 | 699 | 736 |
| 35 | 679 | 724 |
| 25 | 652 | 705 |
| 15 | 616 | 678 |
| 5 | 570 | 639 |
7.3.3 Tần suất hiệu chỉnh
Các quy trình thực hiện nêu trong 7.3.1 và 7.3.2 sẽ được thực hiện với lò đốt mới và khi có bất kỳ sự thay thế nào của ống lò, cuộn dây cảm biến, vật liệu cách nhiệt và thiết bị cấp điện.
7.4 Quy trình thử nghiệm chuẩn
7.4.1 Ổn định lò đốt theo 7.2.4.
Nếu máy ghi không tính được thời gian thực tế thì ngay sau đó phải kiểm tra sự ổn định về nhiệt độ. Nếu các điều kiện quy định trong 7.2.4 không được thỏa mãn thì tiến hành thử lại.
7.4.2 Trước khi tiến hành thử, phải đảm bảo toàn bộ các thiết bị sẵn sàng vận hành tốt, ví dụ: ống ổn định dòng không khí phải sạch, dụng cụ đưa mẫu vào lò phải hoạt động trơn tru và giá đựng mẫu phải đặt đúng vị trí trong lò.
7.4.3 Đưa mẫu thử đã được chuẩn bị và ổn định theo quy định tại Điều 6 vào giá đựng mẫu (4.3) và treo nó lên giá đỡ.
7.4.4 Xác định vị trí giá đựng mẫu ở trong lò nung theo quy định ở 4.3.2, thời gian thao tác không quá 5 s.
7.4.5 Bấm đồng hồ đo thời gian (4.14) ngay sau khi đưa mẫu vào lò.
7.4.6 Trong suốt quá trình thử nghiệm ghi lại nhiệt độ đo bằng cặp nhiệt ngẫu của lò (4.4) và nếu cần (xem Phụ lục C) ghi lại nhiệt độ đo bằng cặp nhiệt ngẫu trên bề mặt và cặp nhiệt ngẫu trung tâm (4.4). Giá trị nhiệt độ đo bằng cặp nhiệt ngẫu của lò sẽ được chỉnh sửa theo quá trình hiệu chỉnh (xem 4.4).
7.4.7 Thực hiện phép thử trong vòng 30 min.
Cân bằng nhiệt độ đạt được khi sự chênh lệch nhiệt độ không quá 2 °C trong vòng 10 min xác định bởi cặp nhiệt ngẫu của lò. Nếu trong vòng 30 min đạt được sự cân bằng nhiệt độ thì dừng phép thử. Nếu tại thời điểm 30 min chưa đạt được sự cân bằng nhiệt độ thì vẫn tiếp tục phép thử, cứ sau 5 min kiểm tra lại sự cân bằng nhiệt độ cuối. Dừng phép thử khi đạt được sự cân bằng nhiệt độ hoặc sau 60 min và ghi lại khoảng thời gian của phép thử. Sau đó lấy mẫu ra khỏi lò. Kết thúc phép thử là kết thúc của khoảng thời gian 5 min của lần cuối cùng hoặc 60 min (xem Phụ lục D).
Nếu máy ghi không tính được thời gian thực tế thì kết thúc phép thử phải kiểm tra các giá trị cuối cùng. Nếu không thỏa mãn các yêu cầu đã quy định ở trên thì tiến hành thử lại.
Nếu dùng các cặp nhiệt điện bổ sung, thì phép thử sẽ dừng lại khi tất cả các cặp nhiệt ngẫu đạt được sự cân bằng nhiệt độ cuối cùng, hoặc sau 60 min.
7.4.8 Sau khi mẫu thử được làm nguội đến nhiệt độ phòng trong bình hút ẩm, tiến hành cân mẫu để xác định khối lượng. Thu hồi lại bất kỳ các mảnh cháy, tro và mảnh vỡ của mẫu thử rơi vào trong ống trong suốt quá trình thử nghiệm và gộp các mảnh vụn này vào phần chưa cháy của mẫu thử.
7.4.9 Tiến hành thử tất cả 5 mẫu thử như đã nêu từ 7.4.1 đến 7.4.8.
7.5 Quan sát trong quá trình thử nghiệm
7.5.1 Ghi lại khối lượng, tính bằng g, trước và sau khi tiến hành thử nghiệm với từng mẫu thử theo 7.4, và chú ý quan sát bất kỳ sự biểu hiện nào của mẫu thử trong suốt quá trình thử.
7.5.2 Chú ý sự xuất hiện của ngọn lửa duy trì và ghi lại thời gian cháy này tính bằng giây. Chú ý đến sự xuất hiện của bất kỳ vùng khí cháy phát sáng có màu xanh ổn định.
7.5.3 Ghi lại các nhiệt độ đo, tính theo °C, được xác định bởi các cặp nhiệt ngẫu của lò:
a) Nhiệt độ ban đầu, Ti, là nhiệt độ trung bình trong 10 min cuối của quá trình ổn định được quy định trong 7.2.4;
b) Nhiệt độ lớn nhất, Tmax, là giá trị riêng của nhiệt độ ở bất kỳ thời điểm nào trong toàn bộ quá trình thử nghiệm.
c) Nhiệt độ cuối cùng, Tf, là nhiệt độ trung bình trong 1 min cuối cùng của quá trình thử được quy định trong 7.4.7.
Ví dụ về cách ghi nhiệt độ được nêu trong Phụ lục D.
Nếu sử dụng cặp nhiệt ngẫu bổ sung, cách ghi nhiệt độ được mô tả trong Phụ lục C.
8 Biểu thị kết quả
8.1 Mất khối lượng
Tính và ghi lại sự mất khối lượng theo % cho từng mẫu thử trong tổng số 5 mẫu thử nghiệm, biểu thị theo phần trăm so với khối lượng mẫu thử ban đầu, được xác định theo quy định trong 7.5.1.
8.2 Quá trình cháy
Tính và ghi lại tổng thời gian tồn tại của ngọn lửa duy trì, tính bằng s, cho từng mẫu thử trong tổng số 5 mẫu thử nghiệm được đo theo quy định trong 7.5.2.
8.3 Sự tăng nhiệt độ
Tính và ghi lại sự tăng nhiệt độ, ΔT = Tmax - Tf, tính theo °C, cho từng mẫu thử trong tổng số 5 mẫu thử nghiệm được ghi lại bởi cặp nhiệt ngẫu được quy định trong 7.5.3.
9. Báo cáo kết quả thử nghiệm
Báo cáo kết quả thử nghiệm tối thiểu phải có các thông tin sau đây. Phải phân biệt rõ đâu là số liệu được khách hàng cung cấp và số liệu được xác định theo phương pháp thử.
a) Viện dẫn tiêu chuẩn này;
b) Các sai lệch bất kỳ so với phương pháp thử;
c) Tên và địa chỉ phòng thử nghiệm;
d) Ngày và số báo cáo;
e) Tên và địa chỉ người gửi mẫu;
f) Tên và địa chỉ của nhà sản xuất/cung cấp, nếu có;
g) Ngày nhận mẫu;
h) Nhận dạng của sản phẩm;
i) Mô tả quy trình lấy mẫu, nếu cần;
j) Mô tả khái quát về sản phẩm được thử nghiệm gồm khối lượng riêng, khối lượng/đơn vị diện tích và chiều dày cùng các thông tin về cấu trúc của sản phẩm;
k) Thông tin chi tiết về điều kiện ổn định mẫu thử;
l) Ngày thử nghiệm;
m) Biểu thị kết quả hiệu chỉnh theo 7.3.1 và 7.3.2;
n) Biểu thị kết quả theo Điều 8 và C.5 nếu có sử dụng cặp nhiệt ngẫu bổ sung;
o) Các quan sát trong quá trình thử nghiệm;
p) Đoạn công bố: Các kết quả thử nghiệm chỉ thể hiện ứng xử của các mẫu thử cho một sản phẩm dưới các điều kiện cụ thể được quy định trong phép thử. Không được sử dụng kết quả đó làm tiêu chí duy nhất để đánh giá mối nguy hiểm cháy tiềm ẩn của sản phẩm khi được sử dụng trong thực tế.
Phụ lục A
(Tham khảo)
Độ chụm của phép thử
Các sản phẩm đã được thử liên phòng được mô tả trong Bảng A.1.
Bảng A.1 - Các sản phẩm thử liên phòng
| Sản phẩm | Khối lượng thể tích, kg/m3 | Chiều dày, mm |
| Bông thủy tinh | 10,9 | 100 |
| Bông khoáng | 145 | 50 |
| Tấm canxi silicat có xenluloza | 460 | 50,8 |
| Tấm sợi gỗ | 50 | 25 |
| Tấm sợi thạch cao (10% khối lượng sợi giấy) | 1 100 | 25 |
| Vật liệu rời xenluloza FR | 30 | - |
| Vật liệu rời bông khoáng | 30 | - |
| Vermiculux 1) | 190 | 50,1 |
| Tấm bê tông polystyren | 50 | 25 |
Các giá trị trung bình thống kê (m), độ lệch chuẩn (Sr và SR), độ lặp lại (r) và độ tái lập (R) ứng với độ tin cậy 95 % được tính theo ISO 5725-2 (xem Bảng A.2) với 3 thông số: sự gia tăng nhiệt độ (ΔT theo °C), mất khối lượng (Δm theo %) và thời gian cháy cuối cùng (tf theo s). Các giá trị r, R bằng 2,8 lần độ lệch chuẩn tương ứng. Các giá trị này bao gồm các kết quả xác định là "lệch" nhưng không bao gồm các kết quả xác định là "nằm ngoài".
Bảng A.2 - Kết quả thống kê của thử nghiệm liên phòng
| Thông số | Giá trị trung bình thống kê, m | Độ lệch chuẩn, Sr | Độ lệch chuẩn, SR | r | R | Sr/m, % | SR/m, % |
| ΔT, (°C) | từ 1,60 đến 144,17 | từ 1,13 đến 20,17 | từ 1,13 đến 54,26 | từ 3,15 đến 56,47 | từ 3,15 đến 151,94 | từ 9,37 đến 70,36 | từ 0,64 đến 0,36 |
| Δm, (%) | từ 2,12 đến 90,13 | từ 0,25 đến 1,68 | từ 0,33 đến 3,06 | từ 0,71 đến 4,70 | từ 0,93 đến 8,57 | từ 0,55 đến 30,64 | từ 1,34 đến 30,64 |
| tf, (s) | từ 0 đến 251,22 | từ 0 đến 37,07 | từ 0 đến 61,75 | từ 0,00 đến 103,73 | từ 0 đến 172,90 | từ 9,19 đến 43,37 | từ 23,94 đến 136,19 |
CHÚ THÍCH: Giá trị % trở lên rất cao do chia cho giá trị trung bình rất thấp.
Điều này có thể áp dụng cho tất cả các thông số để thu được các mô hình tuyến tính cho Sr, SR, r và R. Các hệ số được nêu trong A.3. Biểu đồ đối với ΔT được thể hiện trong Hình A.1 là một ví dụ. Đối với sự mất khối lượng (tính theo %) và thời gian cháy (tính theo s), các kết quả dẫn đến các mô hình đều ít nhiều thiếu ý nghĩa, thậm chí cả khi với các kết quả này đúng về mặt số liệu thống kê.
Các mô hình phức tạp hơn có thể phù hợp với các thông số này so với các mô hình tuyến tính đơn giản, nhưng lại không được xem xét trong chương trình thử nghiệm liên phòng.
Bảng A.3 - Các mô hình thống kê thử nghiệm liên phòng
| Các thông số | Sr | SR | r | R |
| ΔT, (°C) | = 1,26 + 0,10 x ΔT | = 0,96 + 0,26 x ΔT | = 3,53 + 0,29 x ΔT | = 2,68 + 0,73 x ΔT |
| Δm, (%) | = 0,00 + 0,09 x Δm | = 0,00 + 0,11 x Δm | = 0,00 + 0,24 x Δm | = 0,00 + 0,30 x Δm |
| tf, (s) | = 0,00 + 0,14 x tf | = 0,00 + 0,32 x tf | = 0,00 + 0,38 x tf | = 0,00 + 0,89 x tf |
Khi các mô hình phù hợp với các thông số, thì chúng có thể là một công cụ để “dự báo trước” kết quả.
Điều này có thể mô phỏng theo ví dụ: Giả sử một phòng thí nghiệm thử nghiệm một mẫu đơn lẻ của một sản phẩm được xác định trước và xác định được sự gia tăng nhiệt độ, ΔT, là 25 °C. Nếu cùng phòng thử nghiệm này tiến hành phép thử thứ hai trên cùng sản phẩm này, giá trị r được xác định là:
r = 3,53 + 0,29 x 25 ≈ 11 °C (A.1)
thì với xác suất là 95 %, kết quả của phép thử lần 2 sẽ nằm trong khoảng 14 °C và 36 °C.
Giả sử cùng sản phẩm này được thử ở phòng thí nghiệm khác. Giá trị R được xác định là:
R = 2,68 + 0,73 x 25 ≈ 21 °C (A.2)
Thì với xác suất là 95 %, kết quả của phép thử tiến hành tại phòng thí nghiệm đó sẽ nằm trong khoảng 4 °C và 46 °C.

CHÚ DẪN
Y Độ tăng nhiệt độ ΔT, (°C); X Giá trị trung bình thống kê m;
| 1 r; | 2 mô hình r; | 3 R; | 4 mô hình R |
Hình A.1 - Mô hình thống kê cho ΔT tính theo °C
Phụ lục B
(Tham khảo)
Thiết kế điển hình của thiết bị thử nghiệm
B.1 Quy định chung
Sơ đồ điển hình bố trí thiết bị được nêu trong Hình B.1.
B.2 Ống lò
Ống lò được quấn quanh bằng một cuộn dây điện trở Niken/Crôm = 80/20, có thể được quấn theo như quy định trong Hình B.2. Có thể khứa tạo rãnh trên ống để quấn dây được chính xác theo như quy định của nhà sản xuất.
Khoảng trống hình vành khuyên giữa ống và thành cách nhiệt bên ngoài có thể chèn đầy bằng bột magiê ôxit có khối lượng thể tích bằng (170 ± 30) kg/m3.
B.3 Ống ổn định dòng không khí
Nửa phần trên của ống ổn định có thể được cách nhiệt bên ngoài bằng một lớp cách nhiệt sợi khoáng dày 25 mm có hệ số dẫn nhiệt bằng (0,04 ± 0,01) W/(m.K) ở nhiệt độ trung bình là 20 °C.
B.4 Vành chắn gió lùa
Mặt ngoài vành chắn gió lùa có thể được cách nhiệt bằng một lớp vật liệu cách nhiệt sợi khoáng có độ dẫn nhiệt bằng (0,04 ± 0,01) W/(m.K) ở nhiệt độ trung bình là 20 °C.

CHÚ DẪN
1) Chân đế; 2) Cách nhiệt; 3) Bột oxit Magie; 4) Ống lò; 5) Cuộn dây; 6) Vành chắn gió lùa
7) Thanh thép chịu nhiệt để đưa mẫu vào lò; 8) Thanh chốt; 9) Cặp nhiệt ngẫu của mẫu thử
10) Ống làm bằng thép không gỉ; 11) Giá đựng mẫu; 12) Cặp nhiệt ngẫu của lò đốt; 13) Thành cách nhiệt phía ngoài
14) Xi măng sợi khoáng; 15) Lớp chèn; 16) Ống ổn định dòng khí hình côn; 17) Tấm chắn kim loại
Hình B.1 - Sơ đồ lắp đặt thiết bị thử nghiệm

CHÚ DẪN
| 1) Ống lò; | 2) Dây điện trở | 3) Đỉnh lò; | 4) Đáy lò. |
Hình B.2 - Sơ đồ quấn dây điện trở lò
Phụ lục C
(Quy định)
Cặp nhiệt ngẫu dùng cho các phép thử bổ sung
C.1 Quy định chung
Ngoài các cặp nhiệt ngẫu dùng để đo nhiệt độ lò và nhiệt độ thành lò, nếu cần thì phải thêm các cặp nhiệt ngẫu để đo trong vùng trung tâm và trên bề mặt của mẫu thử. Các quy định cụ thể và cách sử dụng hai cặp nhiệt ngẫu bổ sung này nêu trong phần Phụ lục này từ C.2 đến C.4.
C.2 Vị trí của cặp nhiệt ngẫu
C.2.1 Cặp nhiệt ngẫu đặt tại vùng trung tâm mẫu thử
Các cặp nhiệt ngẫu này được định vị sao cho đầu nóng được đặt ở giữa tâm mẫu thử (xem Hình 1 và Hình 2). Để đạt được điều này, phần nửa trên của mẫu thử phải tạo được một lỗ có đường kính 2 mm, bắt đầu từ phần đỉnh mẫu thử chạy dọc xuống.
C.2.2 Cặp nhiệt ngẫu trên bề mặt mẫu thử
Cặp nhiệt ngẫu này được định vị sao cho đầu nóng tiếp xúc ở vị trí giữa mẫu thử ngay khi phép thử bắt đầu và nằm cách biệt và đối diện với cặp nhiệt ngẫu của lò thử (xem Hình 1 và Hình 2 của tiêu chuẩn này).
C.3 Cách tiến hành
Thực hiện phép thử như mô tả trong Điều 7 và ghi lại các nhiệt độ đo được bằng cả hai loại cặp nhiệt ngẫu trong suốt quá trình thử.
CHÚ THÍCH: Trong một vài trường hợp cặp nhiệt ngẫu không cung cấp thêm các thông tin bổ sung thì khi đó không cần dùng nữa. Điều này áp dụng cho các loại vật liệu không ổn định nhiệt.
C.4 Quan sát trong quá trình thử
Ngoài các quy định về cách quan sát nêu ở 7.5, phải ghi các thông tin dưới đây:
a) Nhiệt độ lớn nhất của cặp nhiệt ngẫu ở tâm mẫu thử, Tc (max);
b) Nhiệt độ cuối cùng của cặp nhiệt ngẫu ở tâm mẫu thử, Tc (cuối cùng);
c) Nhiệt độ lớn nhất của cặp nhiệt ngẫu ở bề mặt mẫu thử, Ts (max);
d) Nhiệt độ cuối cùng của cặp nhiệt ngẫu ờ bề mặt mẫu thử, Ts (cuối cùng);
Các thông số nhiệt độ lớn nhất và cuối cùng đối với các cặp nhiệt ngẫu ở tâm và trên bề mặt mẫu thử được quy định trong 7.5.3 là Tmax và Tf tương ứng.
C.5 Tính toán kết quả
Sự tăng nhiệt độ, tính theo °C, được tính từ các nhiệt độ xác định trong quá trình thử nghiệm trên hai loại cặp nhiệt ngẫu cho từng mẫu thử như sau:
a) Cặp nhiệt ngẫu ở tâm mẫu thử:
ΔTc = Tc (max) - Tc (cuối cùng) (C. 1)
b) Cặp nhiệt ngẫu trên bề mặt mẫu thử:
ΔTs = Ts (max) - Ts (cuối cùng) (C.2)
Phụ lục D
(Tham khảo)
Ghi nhiệt độ
D.1 Sự ổn định nhiệt độ ban đầu
D.1.1 Các tiêu chí xác định sự ổn định nhiệt độ ban đầu được nêu trong 7.2.4. Trong 10 min, các điều kiện là:
a) Nhiệt độ trung bình Ttrung bình = (750 ± 5) °C;
b |T - Ttrung bình| ≤ 10 °C;
c) Độ lệch (hồi quy tuyến tính) ≤ 2 °C.
D.1.2 Điều này được mô phỏng bằng ví dụ nêu trong Hình D.1:
- Nhiệt độ trung bình: 750,4 °C;
- Độ lệch tối đa của nhiệt độ = 4,3 °C;
- Độ lệch = 0,7 °C.
Theo định nghĩa về nhiệt độ ban đầu nêu ở 7.5.3 là Ti (°C) = Ttrung bình. Điều này được mô phỏng bằng ví dụ nêu ở Hình D.1: Ti = 750,4 °C.

Hình D.1 - Ví dụ về sự ổn định nhiệt ban đầu
D.2 Sự ổn định nhiệt độ cuối cùng
Nếu đạt được các tiêu chí ổn định trong vòng 30 min thì phép thử kết thúc tại thời điểm 30 min. Nếu đạt được các tiêu chí ổn định trong khoảng từ 30 min đến 60 min, thì thời gian đó sẽ là điểm kết thúc của phép thử. Nếu không đạt được sự ổn định trong vòng 60 min thì phép thử kết thúc tại thời điểm 60 min.
Các tiêu chí đạt được sự ổn định khi độ lệch (hồi quy tuyến tính) của nhiệt độ trong khoảng 2 °C đối với mỗi chu kỳ là 10 min, được tính trong các khoảng giãn cách thời gian là 5 min.
Điều này được mô phỏng bằng ví dụ nêu trong Hình D.2 và Bảng D.1.

CHÚ DẪN
X thời gian, s;
Y Nhiệt độ, °C
1) Độ lệch (20 min ÷ 30 min) = 2,76 °C;
2) Độ lệch (25 min ÷ 35 min) = 2,15 °C;
3) Độ lệch (30 min ÷ 40 min) = 2,80 °C;
4) Độ lệch (35 min ÷ 45 min) = 0,84 °C;
5) Tf = Ttrung bình (44 min - 45 min) = 804,8 °C;
a Kết thúc phép thử = 45 min
Hình D.2 - Ví dụ về sự ổn định nhiệt cuối cùng
Độ lệch (hồi quy tuyến tính) của nhiệt độ thấp hơn 2 °C trong khoảng 35 min và 45 min (chu kỳ 10 min). Vì vậy các tiêu chí ổn định của nhiệt độ cuối cùng đạt được tại 45 min, như vậy phép thử kết thúc tại 45 min.
D.3 Xác định sự tăng nhiệt độ
Mức gia tăng nhiệt độ được quy định ở 8.3, được tính từ Tmax (°C) và Tf (°C). Điều này được mô phỏng bằng 2 ví dụ điển hình về ghi nhiệt độ, thể hiện trên Hình D.3 và D.4, các kết quả thử nghiệm được tóm tắt trong Bảng D.1.
Bảng D.1 - Các kết quả thử nghiệm
| Ví dụ | Kết thúc phép thử | Ti | Tmax | Tf | Tmax - Tf |
| Hình D.3 | 30 min | 750,4 °C | 877,8 °C | 802,3 °C | 75,5 °C |
| Hình D.4 | 45 min | 748,4 °C | 807,4 °C | 804,4 °C | 2,6 °C |

CHÚ DẪN
| X thời gian, s; | Y Nhiệt độ, °C; | 1) Ti = 750,4 °C; | 2) Tmax = 877,8 °C; |
| 3) Tmax - Tf = 75,5 °C; | 4) Tf = 802,3 °C; | a Kết thúc phép thử = 30 min |
|
Hình D.3 - Ví dụ về ghi nhiệt độ trong toàn bộ phép thử A

CHÚ DẪN
| X thời gian, s; | Y Nhiệt độ, °C; | 1) Ti = 748,5 °C; | 2) Tmax = 807,4 °C; |
| 3) Tf = 804,8 °C; | 4) Tmax - Tf = 2,6 °C; | a Kết thúc phép thử = 45 min |
|
Hình D.4 - Ví dụ về ghi nhiệt độ trong toàn bộ phép thử B
Thư mục tài liệu tham khảo
[1] TCVN 6910-2 (ISO 5725-2), Độ chính xác (Độ đúng và độ chụm) của phương pháp đo và kết quả đo - Phần 2: Phương pháp cơ bản xác định độ lặp và độ tái lặp của phương pháp đo tiêu chuẩn
MỤC LỤC
Lời nói đầu
Lời giới thiệu
Cảnh báo an toàn
1 Phạm vi áp dụng
2 Tài liệu viện dẫn
3 Thuật ngữ và định nghĩa
4 Thiết bị, dụng cụ
5 Mẫu thử
6 Ổn định mẫu thử
7 Quy trình thử nghiệm
8 Biểu thị kết quả
9 Báo cáo kết quả thử nghiệm
Phụ lục A (Tham khảo) Độ chụm của phép thử
Phụ lục B (Tham khảo) Thiết kế điển hình của thiết bị thử nghiệm
Phụ lục C (Quy định) Cặp nhiệt ngẫu dùng cho các phép thử bổ sung
Phụ lục D (Tham khảo) Ghi nhiệt độ
Thư mục tài liệu tham khảo
1) Vermiculux là một ví dụ sản phẩm thương mại thích hợp. Thông tin này được đưa ra để tạo sự tiện lợi cho người sử dụng tiêu chuẩn và không phải là một sự xác nhận của TCVN về sản phẩm này.
Bạn chưa Đăng nhập thành viên.
Đây là tiện ích dành cho tài khoản thành viên. Vui lòng Đăng nhập để xem chi tiết. Nếu chưa có tài khoản, vui lòng Đăng ký tại đây!