- Tổng quan
- Nội dung
- Tiêu chuẩn liên quan
- Lược đồ
- Tải về
Tiêu chuẩn TCVN 13698:2023 Tay máy rô bốt công nghiệp - Giới thiệu các đặc tính
| Số hiệu: | TCVN 13698:2023 | Loại văn bản: | Tiêu chuẩn Việt Nam |
| Cơ quan ban hành: | Bộ Khoa học và Công nghệ | Lĩnh vực: | Công nghiệp |
|
Ngày ban hành:
Ngày ban hành là ngày, tháng, năm văn bản được thông qua hoặc ký ban hành.
|
11/04/2023 |
Hiệu lực:
|
Đã biết
|
| Người ký: | Đang cập nhật |
Tình trạng hiệu lực:
Cho biết trạng thái hiệu lực của văn bản đang tra cứu: Chưa áp dụng, Còn hiệu lực, Hết hiệu lực, Hết hiệu lực 1 phần; Đã sửa đổi, Đính chính hay Không còn phù hợp,...
|
Đã biết
|
TÓM TẮT TIÊU CHUẨN VIỆT NAM TCVN 13698:2023
Tiêu chuẩn quốc gia TCVN 13698:2023 ISO 9946:1999 về Tay máy rô bốt công nghiệp
Ngày 11/04/2023, Bộ Khoa học và Công nghệ đã công bố Tiêu chuẩn quốc gia TCVN 13698:2023 ISO 9946:1999 quy định cách giới thiệu các đặc tính của tay máy rô bốt công nghiệp. Tiêu chuẩn này có hiệu lực từ ngày ban hành.
Tiêu chuẩn này áp dụng cho các nhà sản xuất rô bốt công nghiệp, nhằm cung cấp hướng dẫn về cách thức công bố các đặc tính của rô bốt. Điều này giúp đảm bảo tính nhất quán và chính xác trong thông tin liên quan đến sản phẩm rô bốt.
Nội dung đặc tính quy định
Các ứng dụng chính của rô bốt: Tiêu chuẩn yêu cầu nhà sản xuất cung cấp thông tin về các ứng dụng điển hình của tay máy rô bốt, bao gồm nhưng không giới hạn ở các lĩnh vực như điều khiển, lắp ráp, hàn điểm, hàn hồ quang, gia công cắt gọt, và kiểm tra.
Nguồn năng lượng: Cần nêu rõ các nguồn năng lượng cần thiết để vận hành rô bốt, bao gồm điện, thủy lực, và khí nén, cùng với mức tiêu thụ năng lượng tối đa cần thiết cho từng loại thiết bị.
Kết cấu cơ khí và không gian làm việc: Nhà sản xuất phải cung cấp thông tin về kiểu kết cấu cơ khí, số lượng các trục chuyển động, và không gian làm việc của tay máy, bên cạnh bản vẽ mô tả chi tiết.
Thiết bị điều khiển: Tiêu chuẩn yêu cầu quy định rõ các thông tin liên quan đến thiết bị điều khiển, bao gồm kiểu, khả năng, phương pháp điều khiển chuyển động, cùng với các giao diện vào/xuất.
Tải và vận tốc: Nhà sản xuất phải nêu rõ các đặc tính tải như khối lượng, lực đẩy, mô men xoắn và vận tốc tối đa của từng trục, cung cấp thông tin cho người dùng về giới hạn hoạt động của rô bốt.
An toàn: Rô bốt phải tuân thủ các tiêu chuẩn an toàn liên quan, đảm bảo an toàn trong quá trình vận hành.
Tiêu chuẩn TCVN 13698:2023 thiết lập các yêu cầu cần thiết về cách cung cấp thông tin kỹ thuật cho người tiêu dùng, giúp nâng cao độ tin cậy và hiệu quả trong việc sử dụng tay máy rô bốt.
Tải tiêu chuẩn Việt Nam TCVN 13698:2023
TIÊU CHUẨN QUỐC GIA
TCVN 13698:2023
ISO 9946:1999
TAY MÁY RÔ BỐT CÔNG NGHIỆP - GIỚI THIỆU CÁC ĐẶC TÍNH
Manipulating industrial robots - Presentation of characteristics
Lời nói đầu
TCVN 13698:2023 hoàn toàn tương đương ISO 9946:1999
TCVN 13698:2023 do Ban kỹ thuật tiêu chuẩn quốc gia TCVN/TC 299, Robot biên soạn, Tổng cục Tiêu chuẩn Đo lường Chất lượng đề nghị, Bộ Khoa học và Công nghệ công bố.
TAY MÁY RÔ BỐT CÔNG NGHIỆP - GIỚI THIỆU CÁC ĐẶC TÍNH
Manipulating industrial robots - Presentation of characteristics
1 Phạm vi áp dụng
Tiêu chuẩn này quy định cách giới thiệu các đặc tính của rô bốt của nhà sản xuất.
2 Tài liệu viện dẫn
Các tài liệu viện dẫn sau rất cần thiết cho áp dụng tiêu chuẩn này. Đối với các tài liệu viện dẫn có ghi năm công bố thì chỉ áp dụng phiên bản đã nêu. Đối với các tài liệu viện dẫn không ghi năm công bố thì áp dụng phiên bản mới nhất, bao gồm cả các sửa đổi, nếu có.
TCVN 13228:2020 (ISO 8373:2012), Rô bốt và các bộ phận cấu thành rô bốt - Từ vựng).
TCVN 13696:2023 (ISO 9283:1998), Tay máy rô bốt công nghiệp - Đặc tính và phương pháp thử liên quan.
TCVN 13234-1:2020 (ISO 9409-1:2004), Tay máy rô bốt công nghiệp - Mặt lắp ghép cơ khí - Phần 1: Dạng Tấm.
TCVN 13697:2023 (ISO 9787:2013), Rô bốt và các bộ phận cấu thành rô bốt - Các hệ tọa độ và thuật ngữ về chuyển động.
TCVN 13229:2020 (ISO 10218:2011), Rô bốt và các bộ phận cấu thành rô bốt - Yêu cầu an toàn cho rô bốt công nghiệp.
3 Thuật ngữ và định nghĩa
Tiêu chuẩn này áp dụng các thuật ngữ và định nghĩa được cho trong TCVN 13228 (ISO 8373) và thuật ngữ, định nghĩa sau.
3.1
Tâm của không gian làm việc (center of the working space)
Vị trí của điểm tham chiếu cánh tay khi mỗi khớp hoạt động trong cánh tay ở vị trí trung tâm của phạm vi làm việc.
4 Đơn vị
Trừ khi có quy định khác, đơn vị của tất cả các kích thước như sau:
- chiều dài tính bằng milimét (mm);
- góc tính bằng rađian (rad) hoặc độ (°);
- thời gian tính bằng giây (s);
- khối lượng tính bằng kilôgam (kg);
- lực tính bằng niutơn (N);
- vận tốc tính bằng mét trên giây (m/s), ra đi an trên giây (rad/s) hoặc độ trên giây (°/s).
5 Đặc tính
5.1 Quy định chung
Nhà sản xuất phải cung cấp thông tin liên quan đến các đặc tính khác nhau và các yêu cầu như đã mô tả trong điều này như một phần của tài liệu về rô bốt.
5.2 Ứng dụng
Nhà sản xuất phải quy định các kiểu ứng dụng chính của rô bốt.
Ví dụ về các ứng dụng điển hình là
- điều khiển, thao tác bằng tay, xếp, dỡ, nâng, chuyển tải;
- lắp ráp;
- hàn điểm;
- hàn hồ quang;
- gia công cắt gọt;
- sơn phun;
- bám dính/ hàn kín;
- kiểm tra.
5.3 Nguồn năng lượng
Nhà sản xuất phải quy định tất cả các nguồn năng lượng bên ngoài, bao gồm các loại (ví dụ. điện, thủy lực, khí nén hoặc tổ hợp năng lượng) cần cho vận hành rô bốt (ví dụ. các cơ cấu dẫn động kết cấu cơ khí, thiết bị điều khiển, thiết bị phụ trợ [ví dụ. dụng cụ kẹp]), cùng với tiêu thụ năng lượng lớn nhất cần cho mỗi loại thiết bị và cơ cấu. Các điều kiện kỹ thuật này cũng phải bao gồm các phạm vi cho phép và các sai lệch hoặc dung sai.
Nhà sản xuất cũng phải quy định loại năng lượng dùng để điều khiển các trục và chuyển động phụ (ví dụ. điện, thủy lực, khí nén). Khi sử dụng nhiều hơn một loại năng lượng, nhà sản xuất phải tính đến việc ngắt một loại năng lượng bằng chuyển động riêng.
5.4 Kết cấu cơ khí
Nhà sản xuất phải quy định kiểu kết cấu cơ khí và số lượng các trục chuyển động. Phải cung cấp một bản vẽ lắp của kết cấu với các chuyển động của trục được chi tiết hóa. Bản vẽ này có thể là một phần của bản vẽ dùng để mô tả không gian làm việc (xem 5.5).
Ví dụ về các kết cấu cơ khí:
- rô bốt dạng hình chữ nhật;
- rô bốt dạng hình trụ;
- rô bốt dạng cầu;
- rô bốt có khớp nối bản lề.
Nếu rô bốt thuộc kiểu rô bốt di động thì phải chỉ ra phương pháp dẫn hướng.
5.5 Không gian làm việc
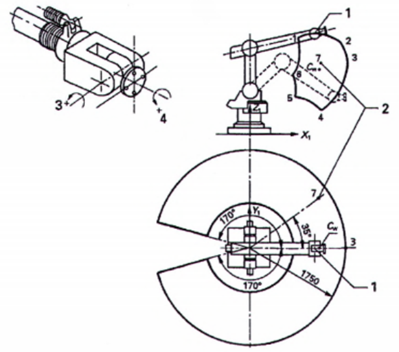
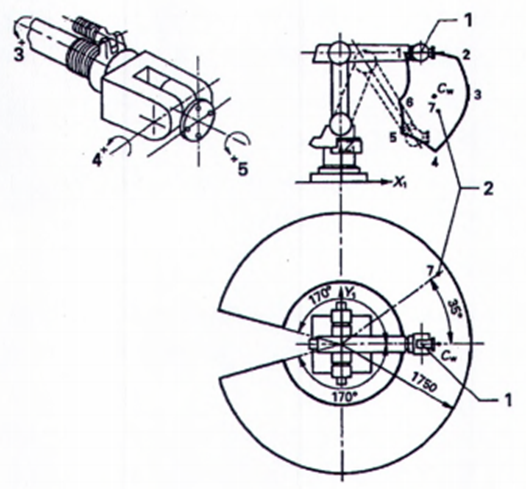
Giới hạn không gian làm việc của điểm tham chiếu khớp cổ tay bao gồm liên kết của tư thế và tàm không gian làm việc (Cw) phải được minh họa trên một bản vẽ có ít nhất là hai hình chiếu (một hình chiếu của quỹ đạo tầm với lớn nhất của cánh tay rô bốt trong mặt phẳng tọa độ cơ sở X1 - Y1 (xem TCVN 13697 (ISO 9787)) và hình chiếu kia là hình chiếu của quỹ đạo tầm với lớn nhất của cánh tay rô bốt trên mặt phẳng tọa độ cơ sở X1 - Z1). Bản vẽ cũng phải cung cấp thông tin về bất cứ giới hạn nào của chuyển động trục thứ cấp tại bất cứ điểm nào trong không gian làm việc của điềm tham chiếu khớp cổ tay (về ví dụ của một rô bốt 5 trục xem hình 1 và về ví dụ của một rô bốt 6 trục xem hình 2).
Trong các bản vẽ, nên cho các chi tiết của không gian làm việc và phạm vi chuyển động của các trục thứ cấp dưới dạng bảng như đã chỉ ra trong các ví dụ của các hình 1 và 2.
Kích thước tính bằng mi li mét

Chú dẫn
1 Điểm tham chiếu khớp cổ tay
2 Tư thế liên kết
3 Trục thứ 4
4 Trục thứ 5
| Điểm trong không gian | Không gian làm việc của điểm tham chiếu khớp cổ tay | Phạm vi chuyển động của các trục thứ cấp | ||
|
| X1 (mm) | Z1 (mm) | Trục thứ 4 | Trục thứ 5 |
| 1 | 925 | 1635 | +75° | +170° |
|
|
|
| -90° | -150° |
| 2 | 1610 | 1550 | +75° | ±180° |
|
|
|
| -90° |
|
| 3 | 1750 | 1140 | +75° | ±180° |
|
|
|
| -105° |
|
| 4 | 1310 | 345 | +45° | ±180° |
|
|
|
| -120° |
|
| 5 | 870 | 600 | +45° | +150° |
|
|
|
| -120° | -170° |
| 6 | 840 | 1000 | +75° | +140° |
|
|
|
| -120° | -150° |
| 7 | 1350 | 750 | - | - |
Hình 1 - Ví dụ về không gian làm việc của một rô bốt 5 trục
Kích thước tính bằng mi li mét

Chú dẫn
1 Điểm tham chiếu khớp cổ tay
2 Tư thế liên kết
3 Trục thứ 4
4 Trục thứ 5
5 Trục thứ 6
| Điểm trong không gian | Không gian làm việc của điểm tham chiếu khớp cổ tay | Phạm vi chuyển động của các trục thứ cấp | |||
| X1 (mm) | Z1 (mm) | Trục thứ 4 | Trục thứ 5 | Trục thứ 6 | |
| 1 | 925 | 1635 | ± 210° | +75° | +170° |
|
|
|
|
| -90° | -150° |
| 2 | 1610 | 1550 | ±210° | +75° | ±180° |
|
|
|
|
| -90° |
|
| 3 | 1750 | 1140 | ± 210° | +75° | ±180° |
|
|
|
|
| -105° |
|
| 4 | 1310 | 345 | ± 210° | +45° | ±180° |
|
|
|
|
| -120° |
|
| 5 | 870 | 600 | ± 210° | +45° | +150° |
|
|
|
|
| -120° | -170° |
| 6 | 840 | 1000 | ± 210° | +75° | +140° |
|
|
|
|
| -120° | -150° |
| 7 | 1350 | 750 | - | - |
|
Hình 2 - Ví dụ về không gian làm việc của một rô bốt 6 trục
5.6 Hệ tọa độ
Nhà sản xuất phải quy định hệ tọa độ gốc và hệ tọa độ của mặt lắp ghép cơ khí phù hợp với TCVN 13697 (ISO 9787). Bất cứ sai lệch nào so với TCVN 13697 (ISO 9787) cũng phải được nhà sản xuất công bố.
5.7 Các kích thước và khối lượng bên ngoài
Nhà sản xuất phải quy định các kích thước bên ngoài tính mi li mét (mm), và khối lượng tính bằng ki lô gam (kg) của kết cấu cơ khí và thiết bị điều khiển.
5.8 Bề mặt lắp ráp cơ sở
Nhà sản xuất phải cung cấp tài liệu mô tả bề mặt lắp ráp cơ sở (ví dụ như trong một bản vẽ) và các khuyến nghị về lắp ráp đế rô bốt để đảm bảo cho vận hành an toàn và đạt được các đặc tính danh nghĩa.
Các vị trí lắp ráp cho phép và các định hướng của rô bốt nên được quy định cùng với bất cứ các giới hạn nào về an toàn hoặc tính năng có liên quan đến mỗi vị trí và định hướng.
5.9 Mặt lắp ghép cơ khí
Nhà sản xuất phải cung cấp tài liệu mô tả về mặt lắp ghép cơ khí bao gồm bất cứ các bản vẽ, điều kiện kỹ thuật và các khuyến nghị nào cần thiết cho lắp ráp cơ cấu tác động ở đầu cuối với cổ tay rô bốt. Khi thích hợp, phải cung cấp viện dẫn các tiêu chuẩn quốc tế thích hợp (ví dụ như, xem TCVN 13234-1 (ISO 9409-1)).
5.10 Thiết bị điều khiển
Nhà sản xuất phải quy định
- Kiểu thiết bị điều khiển và tất cả các thông tin có liên quan, ví dụ như khả năng của thiết bị, các điều khoản đặc biệt (ví dụ. các sơ đồ điều khiển).
- Bộ nhớ chương trình tác vụ:
dung lượng cơ sở
dung lượng lớn nhất
- Phương pháp điều khiển chuyển động:
Tư thế - đến - tư thế (PTP)
quỹ đạo liên tục (CP)
- Kiểu điều khiển chuyển động:
servo
không servo
- Phương pháp nội suy quỹ đạo:
đường thẳng
đường tròn
đường pa ra bôl
đường khác
- Số trục điều khiển:
số trục cơ sở
số trục bổ sung (có nội suy)
số trục bổ sung (không nội suy)
- Các cơ cấu điều khiển kiểu giá treo /người vận hành:
- Các giao diện vào/ra:
kiểu và mức tín hiệu
tín hiệu liên tục hoặc tín hiệu tổng hợp
- Các giao diện dữ liệu:
định dạng dữ liệu/định dạng điều khiển
- Các giao diện mạng:
các đặc tính vật lý
các giao thức truyền thông
5.11 Lập trình tác vụ và tải chương trình
Nhà sản xuất phải quy định loại phương pháp lập trình tác vụ và các phương tiện dùng để tải chương trình.
5.11.1 Ví dụ về các phương pháp lập trình
- Nhập dữ liệu bằng tay
- Tự học
dẫn hướng bằng tay cơ cấu tác động ở đầu cuối của rô bốt
dẫn hướng bằng tay rô bốt trên một cơ cấu mô phỏng cơ khí
lập trình bằng tay bằng một bảng dạy học
- Hoạt động độc lập
- Mục tiêu có định hướng
5.11.2 Ví dụ về các phương tiện tải chương trình
- Các liên kết dữ liệu
- Các dĩa
- Các băng
- Các thẻ nhớ
5.12 Môi trường
Nhà sản xuất phải quy định các giới hạn về các điều kiện môi trường trong đó có thể đạt được các đặc tính danh nghĩa hoặc mức độ bảo vệ của rô bốt đối với các điều kiện môi trường.
Nhà sản xuất phải quy định các giới hạn cho bộ nhớ và hoạt động khi không có hư hỏng khác.
Các điều kiện môi trường bao gồm nhưng không nhất thiết phải được hạn chế
- Nhiệt độ (vận hành và lưu trữ/vận chuyển)
(độ Celsius) (°C)
- Độ ẩm tương đối (phần trăm) (%)
- Giới hạn độ cao (mét) (m)
- Nhiễu điện từ
- Các chất gây ô nhiễm trong khí quyển
- Rung
5.13 Tải
Phải quy định các đặc tính tải khác nhau dưới dạng
- Khối lượng (ki lô gam) (kg)
- Lực đẩy (niu tơn) (N)
- Mô men xoắn (niu tơn mét) (N.m)
Các giá trị này nên được trình bày dưới dạng hệ tọa độ mặt lắp ghép cơ khí.
Nhà sản xuất phải quy định tải danh nghĩa của rô bốt. Nên biểu thị mối quan hệ giữa khối lượng lớn nhất và vị trí trung tâm của khối lượng như trên hình 3.
Khi có yêu cầu, nhà sản xuất phải quy định bất cứ giới hạn nào của tải và ảnh hưởng của tải đến các đặc tính và điều kiện đã quy định khác (ví dụ. vận tốc, gia tốc). Khi rô bốt có thể mang một khối lượng bổ sung nào đó (ví dụ. khối lượng trên cánh tay) thì khối lượng này phải được quy định.
Khi có yêu cầu, nhà sản xuất phải quy định lực đẩy lớn nhất và mô men xoắn lớn nhất (xem hình 4). Khi lực đẩy và mô men xoắn phụ thuộc vào cấu hình của rô bốt thì cấu hình này phải được quy định.

Chú dẫn
1 Khối lượng (kg)
2 Trọng tâm của khối
Hình 3 - Biểu đồ tải

| Trục | Lực đẩy | Mô men xoắn |
| N | N.m | |
| Xm |
|
|
| Ym |
|
|
| Zm |
|
|
Hình 4 - Các giá trị lực đẩy và mô men xoắn
5.14 Vận tốc
Trừ khi có quy định khác, nhà sản xuất phải quy định vận tốc trong các điều kiện sau:
- tốc độ không đổi ở một khoảng cách trên một đơn vị thời gian khi không có tăng tốc hoặc giảm tốc;
- có tải danh nghĩa.
Nhà sản xuất phải quy định ít nhất là
- vận tốc lớn nhất của trục riêng đối với mỗi trục;
- vận tốc theo quỹ đạo danh nghĩa cùng với hình dạng của quỹ đạo và các tiêu chí đặc tính có liên quan.
5.15 Độ phân giải
Đối với các trục được điều khiển servo, nhà sản xuất phải quy định độ phân giải của mỗi trục dưới dạng mi li mét hoặc ra đi an hoặc độ, chọn đơn vị nào thích hợp.
5.16 Các tiêu chí đặc tính
Nhà sản xuất phải cung cấp thông tin phù hợp với TCVN 13696 (ISO 9283) về các tiêu chí đặc tính được bảo hành. Các tiêu chí đặc tính theo TCVN 13696 (ISO 9283) như sau:
- độ chính xác của tư thế và tính lặp lại của tư thế;
- biến đổi độ chính xác của tư thế theo nhiều hướng;
- độ chính xác của khoảng cách và tính lặp lại của khoảng cách;
- thời gian ổn định của vị trí;
- sự quá tải của vị trí;
- sự chệch hướng của các đặc tính tư thế;
- khả năng đổi lẫn;
- độ chính xác của quỹ đạo và tính lặp lại của quỹ đạo; độ chính xác về định hướng lại của quỹ đạo;
- các sai lệch lượn vòng;
- các đặc tính vận tốc theo quỹ đạo; thời gian tối thiểu cho tư thế;
- tính dễ biến dạng tĩnh;
- các sai lệch về răng cưa.
5.17 An toàn
Nhà sản xuất phải quy định rằng rô bốt tuân theo ISO 10218 hoặc các tiêu chuẩn an toàn khác có liên quan.
Phụ lục A
(tham khảo)
Biểu mẫu trình bày các điều kiện kỹ thuật của rô bốt
|
| Ngày phát hành ………………………. | |||||||||||||||||||||||||||||||||||||||
|
|
| |||||||||||||||||||||||||||||||||||||||
| Nhãn hiệu ........................................................................ | Tên nhà sản xuất..................................... | |||||||||||||||||||||||||||||||||||||||
| Quốc gia ........................................................................ | Model ............................................................... Kiểu................................................................... | |||||||||||||||||||||||||||||||||||||||
| Ứng dụng chính (xem 5.2) ............................................................................................................ | ||||||||||||||||||||||||||||||||||||||||
| Nguồn năng lượng (xem 5.3): | - bên ngoài (loại và đặc tính) ...................................................... | |||||||||||||||||||||||||||||||||||||||
|
| - tiêu thụ năng lượng lớn nhất .................................................... | |||||||||||||||||||||||||||||||||||||||
|
| - tiêu thụ của trục rô bốt .............................................................. | |||||||||||||||||||||||||||||||||||||||
|
| - tiêu thụ cho các chuyển động phụ ............................................. | |||||||||||||||||||||||||||||||||||||||
| Kết cấu cơ khí, không gian làm việc và hệ tọa độ (xem 5.4, 5.5 và 5.6)
................................................................................................................................................ ................................................................................................................................................ | ||||||||||||||||||||||||||||||||||||||||
| Các kích thước và khối lượng bên ngoài (xem 5.7)
| ||||||||||||||||||||||||||||||||||||||||
| Bề mặt lắp ráp cơ sở (xem 5.8)
........................................................................ ........................................................................ ........................................................................ | Giao diện cơ khí (xem 5.9)
........................................................................ ........................................................................ ........................................................................ | |||||||||||||||||||||||||||||||||||||||
| Thiết bị điều khiển (xem 5.10) |
| |||||||||||||||||||||||||||||||||||||||
| Kiểu thiết bị điều khiển .................................... Số trục được điều khiển .................................. Bộ nhớ chương trình tác vụ | Các cơ cấu điều khiển giá treo/người vận hành ............................................................................. | |||||||||||||||||||||||||||||||||||||||
| dung lượng cơ sở .................................... dung lượng lớn nhất .................................... | Các giao diện nhập/xuất .................................... ............................................................................ | |||||||||||||||||||||||||||||||||||||||
| Kiểu điều khiển chuyển động ......................... Phương pháp điều khiển chuyển động .......... Phương pháp nội suy quỹ đạo ....................... | Các giao diện mạng/ dữ liệu ............................... ............................................................................. ............................................................................. | |||||||||||||||||||||||||||||||||||||||
| Phương pháp lập trình và các phương tiện tải chương trình (xem 5.11)………………………………………… | ||||||||||||||||||||||||||||||||||||||||
| Môi trường (xem 5.12) | Vận hành | Lưu trữ/ vận chuyển | ||||||||||||||||||||||||||||||||||||||
| Nhiệt độ Độ ẩm tương đối Giới hạn độ cao Nhiễu điện từ .................................................................... .................................................................... Chất gây ô nhiễm trong khí quyển Rung ........................................................................ ........................................................................ | .................................. °C .................................... % .................................... m .................................... .................................... .................................... .................................... .................................... .................................... .................................... | ................................ °C ................................. % .................................. m .................................... .................................... .................................... .................................... .................................... .................................... .................................... | ||||||||||||||||||||||||||||||||||||||
| Tải (xem 5.13) Tải danh nghĩa
|
|
| ||||||||||||||||||||||||||||||||||||||
| Giới hạn tải ...................................................
| Khối lượng bổ sung ........................................... Ghi chú: .............................................................. ........................................................................ ........................................................................ ........................................................................ ........................................................................ | |||||||||||||||||||||||||||||||||||||||
| Số trục | Vận tốc của trục riêng (xem 5.4) | Độ phân giải (xem 5.15) | ||||||||||||||||||||||||||||||||||||||
| 1 |
|
| ||||||||||||||||||||||||||||||||||||||
| 2 |
|
| ||||||||||||||||||||||||||||||||||||||
| 3 |
|
| ||||||||||||||||||||||||||||||||||||||
| 4 |
|
| ||||||||||||||||||||||||||||||||||||||
| 5 |
|
| ||||||||||||||||||||||||||||||||||||||
| 6 |
|
| ||||||||||||||||||||||||||||||||||||||
| Các chỉ tiêu đặc tính (xem 5.16) | Thời gian cho tư thế | |||||||||||||||||||||||||||||||||||||||
| Các đặc tính của tư thế 100% và tùy chọn 10% tải danh nghĩa 100% và 50 và/hoặc 10% vận tốc danh nghĩa | Khoảng cách | Thời gian | ||||||||||||||||||||||||||||||||||||||
| APp = | vAPp = | Thời gian ổn định vị trí = |
|
| ||||||||||||||||||||||||||||||||||||
| APa = | vAPa = | Quá tải của vị trí = |
|
| ||||||||||||||||||||||||||||||||||||
| APb = | vAPb = | Đối với dải giới hạn = |
|
| ||||||||||||||||||||||||||||||||||||
| APc = | vAPc = | Sơ đồ chệch hướng | Tính dễ biến dạng tĩnh .......... mm/N dọc trục X1 .......... mm/N dọc trục Y1 .......... mm/N dọc trục Z1 | |||||||||||||||||||||||||||||||||||||
| RPl = | AD = | |||||||||||||||||||||||||||||||||||||||
| RPa = | RD = | |||||||||||||||||||||||||||||||||||||||
| RPb = |
| |||||||||||||||||||||||||||||||||||||||
| RPc = |
| |||||||||||||||||||||||||||||||||||||||
| Các đặc tính của quỹ đạo và đu đưa Dạng quỹ đạo .................................... 100% và tùy chọn 10% tải danh nghĩa .............................................................. | Các đặc tính vận tốc của quỹ đạo | |||||||||||||||||||||||||||||||||||||||
| Vận tốc danh nghĩa của quỹ đạo | 100% vận tốc danh nghĩa của quỹ đạo | |||||||||||||||||||||||||||||||||||||||
| 10% | 50% | 100% | 100% vận tốc danh nghĩa của quỹ đạo |
| AV | RV | FV | |||||||||||||||||||||||||||||||||
| ATp = | ATp = | ATp = | = | Vận tốc danh nghĩa của quỹ đạo | 10% |
|
|
| ||||||||||||||||||||||||||||||||
| ATa = | ATa = | ATa = | = | 50% |
|
|
| |||||||||||||||||||||||||||||||||
| ATb = | ATb = | ATb = | = | 100% |
|
|
| |||||||||||||||||||||||||||||||||
| ATc = | ATc = | ATc = | = | 100% vận tốc danh nghĩa của quỹ đạo | = | = | = | |||||||||||||||||||||||||||||||||
| RTp = | RTp = | RTp = | = | |||||||||||||||||||||||||||||||||||||
| RTa = | RTa = | RTa = | = | |||||||||||||||||||||||||||||||||||||
| RTb = | RTb = | RTb = | = | |||||||||||||||||||||||||||||||||||||
| RTc = | RTc = | RTc = | = | |||||||||||||||||||||||||||||||||||||
| CR = | CR = | CR = | = | |||||||||||||||||||||||||||||||||||||
| CO = | CO = | CO = | = | |||||||||||||||||||||||||||||||||||||
| WS = | WS = | WS = | = | |||||||||||||||||||||||||||||||||||||
| WF = | WF = | WF = | = | |||||||||||||||||||||||||||||||||||||
| An toàn (xem 5.17) Tuân theo .............................................................................................................................. | ||||||||||||||||||||||||||||||||||||||||
Phụ lục B
(tham khảo)
Mô tả các kí hiệu của tiêu chí đặc tính - Bản tóm tắt từ TCVN 13696 (ISO 9283)
Các ký hiệu dùng trong Phụ lục A về các tiêu chí đặc tính tuân theo TCVN 13696 (ISO 9283). Các ký hiệu này được diễn tả như sau:
| AP | độ chính xác của tư thế |
| RP | tính lặp lại của tư thế |
| vAP | biến đổi độ chính xác của tư thế theo nhiều hướng |
| AD | độ chính xác khoảng cách |
| RD | tính lặp lại của khoảng cách |
| t | thời gian ổn định vị trí |
| OV | quá tầm của vị trí |
| dAP | sự chệch hướng của độ chính xác tư thế |
| dRP | sự chệch hướng của tính lặp lại tư thế |
| E | tính đổi lẫn |
| AT | độ chính xác của quỹ đạo |
| RT | tính lặp lại của quỹ đạo |
| CR | sai số lượn vòng |
| CO | lượn vòng quá tầm |
| AV | độ chính xác vận tốc của quỹ đạo |
| RV | tính lặp lại vận tốc của quỹ đạo |
| FV | độ dao động vận tốc của quỹ đạo |
| WS | sai số của hành trình răng cưa |
| WF | sai số của tần số răng cưa |
Các chỉ số a, b, c chỉ thị một đặc tính định hướng quanh các trục X, Y, Z. Chỉ số p chỉ thị một đặc tính về vị trí.
Bạn chưa Đăng nhập thành viên.
Đây là tiện ích dành cho tài khoản thành viên. Vui lòng Đăng nhập để xem chi tiết. Nếu chưa có tài khoản, vui lòng Đăng ký tại đây!