- Tổng quan
- Nội dung
- Tiêu chuẩn liên quan
- Lược đồ
- Tải về
Tiêu chuẩn Quốc gia TCVN 7651:2007 Phương tiện bảo vệ cá nhân - Phương pháp thử giày ủng
| Số hiệu: | TCVN 7651:2007 | Loại văn bản: | Tiêu chuẩn Việt Nam |
| Cơ quan ban hành: | Bộ Khoa học và Công nghệ | Lĩnh vực: | Công nghiệp |
|
Ngày ban hành:
Ngày ban hành là ngày, tháng, năm văn bản được thông qua hoặc ký ban hành.
|
2007 |
Hiệu lực:
|
Đã biết
|
| Người ký: | Đang cập nhật |
Tình trạng hiệu lực:
Cho biết trạng thái hiệu lực của văn bản đang tra cứu: Chưa áp dụng, Còn hiệu lực, Hết hiệu lực, Hết hiệu lực 1 phần; Đã sửa đổi, Đính chính hay Không còn phù hợp,...
|
Đã biết
|
TÓM TẮT TIÊU CHUẨN VIỆT NAM TCVN 7651:2007
Nội dung tóm tắt đang được cập nhật, Quý khách vui lòng quay lại sau!
Tải tiêu chuẩn Việt Nam TCVN 7651:2007
TIÊU CHUẨN QUỐC GIA
TCVN 7651:2007
ISO 20344:2004
PHƯƠNG TIỆN BẢO VỆ CÁ NHÂN - PHƯƠNG PHÁP THỬ GIÀY ỦNG
Personal protective equipment- Test methods for footwear
Lời nói đầu
TCVN 7651 : 2007 thay thế TCVN 7204-1 : 2002 và TCVN 7204-5 : 2003
TCVN 7651 : 2007 hoàn toàn tương đương ISO 20344 : 2004 và Bản đính chính kỹ thuật 1: 2005.
TCVN 7651 : 2007 do Ban kỹ thuật Tiêu chuẩn TCVN/TC 94 Phương tiện bảo vệ cá nhân biên soạn, Tổng cục Tiêu chuẩn Đo lường Chất lượng đề nghị, Bộ Khoa học và Công nghệ công bố.
PHƯƠNG TIỆN BẢO VỆ CÁ NHÂN - PHƯƠNG PHÁP THỬ GIÀY ỦNG
Personal protective equipment- Test methods for footwear
1. Phạm vi áp dụng
Tiêu chuẩn này qui định các phương pháp thử cho giày ủng được dùng làm phương tiện bảo vệ cá nhân.
2. Tài liệu viện dẫn
Các tài liệu viện dẫn sau rất cần thiết cho việc áp dụng tiêu chuẩn. Đối với các tài liệu viện dẫn ghi năm ban hành thì áp dụng bản được nêu. Đối với các tài liệu viện dẫn không ghi năm ban hành thì áp dụng phiên bản mới nhất, bao gồm cả các sửa đổi.
TCVN 4851 : 1989 (ISO 3696: 1987), Nước dùng để phân tích trong phòng thí nghiệm - Yêu cầu kỹ thuật và phương pháp thử.
TCVN 6408: 1998 (ISO 2023:1994), Giày, ủng cao su - Ủng công nghiệp bằng cao su lưu hoá có lót - Yêu cầu kỹ thuật.
TCVN 6411:1998 (ISO 4643:1992), Giày, ủng bằng chất dẻo đúc - ủng polyvinyl clorua có lót hoặc không lót dùng chung trong công nghiệp - Yêu cầu kỹ thuật.
TCVN 7121: 2007 (ISO 3376: 2002), Da - Phép thử cơ lý - Xác định độ bền kéo và độ giãn dài.
TCVN 7122-2: 2007 (ISO 3377-2: 2002), Da - Phép thử cơ lý - Xác định độ bền xé - Phần 2: Xé hai cạnh.
TCVN 7126 : 2002 (ISO 4044: 1977), Da - Chuẩn bị mẫu thử hoá.
TCVN 7127: 2002 (ISO 4045:1977), Da - Xác định độ pH.
TCVN 7652 : 2007 (ISO 20345: 2004), Phương tiện bảo vệ cá nhân - Giày ủng an toàn.
TCVN 7653 : 2007 (ISO 20346: 2004), Phương tiện bảo vệ cá nhân - Giày ủng bảo vệ.
TCVN 7654 : 2007 (ISO 20347: 2004), Phương tiện bảo vệ cá nhân - Giày ủng lao động chuyên dụng.
EN 388: 2003, Protective gloves against mechanical risks (Găng tay bảo vệ chống các nguy hiểm cơ học).
EN 12568 : 1998, Foot and leg protectors - Requirenents and test methods for toecaps and metal penetration resistant inserts (Chi tiết bảo vệ bàn chân và ống chân - Các yêu cầu và phương pháp cho pho mũi và lót chống đâm xuyên bằng kim loại).
EN 50321 : 1999, Electricaliy insulating footwear for working on low voltage installations (Giày ủng cách điện sử dụng trong trạm điện áp thấp)
ISO 34-1: 2004, Rubber, vulcanized or thermoplastic - Determination of tear strength - Part 1: Trouser angle and crescent test pieces (Cao su lưu hoá hay nhiệt dẻo - Xác định độ bền xé - Phần 1: Các chi tiết thử dạng quần, có góc và lưỡi liềm).
ISO 868: 2003, Plastics and ebonite - Determination of indentation hardness by means of a durome (Shore hardness) [Chất dẻo và ebonit - Xác định độ cứng vết lõm bằng phương tiện đo độ cứng [Độ cứng So (Shore)].
ISO 1817: 1997, Rubber, vulcanized - Determination of the effect of liquids (Cao su lưu hóa - Xác định ảnh hưởng của các chất lỏng).
ISO 3290, Rolling bearings - Balls - Dimensions and tolerances (Ổ lăn - Bi - kích thước và dung sai)
ISO 4648:1991, Rubber, vulcanized or thermoplastic - Determination of dimension of test pieces and Products for test purposes (Cao su lưu hóa hay nhiệt dẻo - Xác định kích thước của mẫu thử và sản phẩm cho mục đích thử nghiệm).
ISO 4649: 1985, Rubber - Determination of abrasion resistance using a rotating cylindrical drum device (Cao su - Xác định độ chịu mài mòn sử dụng thiết bị hình trụ quay tròn).
EN ISO 4674-1: 2003, Rubber or plastics-coated fabrics - Determination of tear resistance - Part 1 Constant rate of tear methods (Vải tráng phủ cao su hoặc chất dẻo - Xác định độ bền xé – Phần 1: Phương pháp xé với tốc độ không đổi).
ISO 5423: 1992, Moulded plastics footwear - Lined or unlined polyurethane boots for general industrial use - Specification (Giày ủng bằng chất dẻo đúc - Ủng polyuretan có lót hoặc không lót sử dụng chung trong công nghiệp - Yêu cầu kỹ thuật).
EN ISO 17249 : 2004, Satety footwear with resistance to chain saw cutting (Giày ủng an toàn có độ bền với cắt bằng cưa xích).
3. Thuật ngữ và định nghĩa
Trong tiêu chuẩn này áp dụng các thuật ngữ và định nghĩa nêu trong TCVN 7652 : 2007 (ISO 20345 2004), TCVN 7653 : 2007 (ISO 20346 : 2004) và TCVN 7654 : 2007 (ISO 20347 : 2004).
4. Lấy mẫu và điều hoà
Số lượng mẫu tối thiểu được thử để kiểm tra sự phù hợp với các yêu cầu qui định trong TCVN 7652: 2007 (ISO 20345: 2004), TCVN 7653: 2007 (ISO 20346: 2004). TCVN 7654: 2007 (ISO 20347: 2004) và công việc đặc biệt có liên quan đến các tiêu chuẩn giày ủng (ví dụ EN ISO 17249, Giày ủng an toàn có độ bền với cắt bằng cưa xích), cùng với số lượng mẫu thử tối thiểu của mỗi mẫu, được nêu trong bảng 1.
Bảng 1 - Số lượng tối thiểu mẫu và mẫu thử hoặc miếng mẫu thử và nguồn gốc của chúng
|
| Đặc tính thử B : Yêu cầu cơ bản A : Yêu cầu bổ sung | Điều viện dẫn | Số mẫu thử | Số miếng mẫu thử lấy từ mỗi mẫu thử | Chỉ thử trên giày ủng hoàn thiện | |
| 5. Giày ủng nguyên chiếc | Đặc điểm egonomi đặc trưng | B | 5.1 | 3 đôi từ ba cỡ khác nhau | 1 đôi | Có |
| Độ bền mối ghép mũ giày ủng/ đế ngoài và các lớp đế. | B | 5.2 | 1 mẫu từ ba cỡ khác nhau | 1 | Có | |
| Chiều dài bên trong của pho mũi | B | 5.3 | 1 đôi từ ba cỡ khác nhau | 1 đôi | Có | |
| Độ bền va đập | B | 5.4 | 1 đôi từ ba cỡ khác nhau | 1 đôi | Có | |
| Độ bền nén | B | 5.5 | 1 đôi từ ba cỡ khác nhau | 1 đôi | Cô | |
| Độ bền ăn mòn của pho mũi bằng kim loại hoặc lót chống đâm xuyên bằng kim loại | B | 5.6 | 2 mẫu từ các cỡ khác nhau | 1 | Không với loại I Có với loại II | |
| Độ kín của giày ủng | B | 5.7 | 2 mẫu từ các cỡ khác nhau | 1 | Có | |
| Sự phù hợp về kích thước và độ chống đâm xuyên của lót | A | 5.8 | 1 đôi từ ba cỡ khác nhau | 1 đôi | Có | |
| Độ bền uốn của lót chống đâm xuyên | A | 5.9 | 1 đôi từ ba cỡ khác nhau | 1 đôi | Không | |
| Điện trở | A | 5.10 | 1 đôi từ ba cỡ khác nhau | 1 đôi | Có | |
| Độ cách điện | A | 5.11 | 1 đôi từ ba cỡ khác nhau | 1 đôi | Có | |
| Độ cách nhiệt | A | 5.12 | 2 mẫu từ các cỡ khác nhau | 1 | Có | |
| Độ cách lạnh | A | 5.13 | 2 mẫu từ các cỡ khác nhau | 1 | Có | |
| Độ hấp thụ năng lượng của vùng gót | A | 5.14 | 1 đôi từ ba cỡ khác nhau | 1 đôi | Có | |
| Độ bền nước | A | 5.15 | 3 đôi (tối thiểu hai cỡ khác nhau | 1 đôi | Có | |
| Độ bền va đập của chi tiết bảo vệ xương bàn chân | A | 5.16 | 1 đôi từ ba cỡ khác nhau | 1 đôi | Có | |
| Bảo vệ mắt cá chân | A | 5.17 | 1 đôi từ ba cỡ khác nhau | 1 đôi | Có | |
| 6. Mũ giày ủng Lót mũ và Lưỡi gà | Độ dày | B | 6.1 | 1 mẫu từ ba cỡ khác nhau | 3 | Có |
| Độ cao của mũ giày ủng | B | 6.2 | 1 mẫu từ ba cỡ khác nhau | 3 | Có | |
| Độ bền xé | B | 6.3 | 1 mẫu từ ba cỡ khác nhau | 3 | Có | |
| Đặc tính kéo | B | 6.4 | 1 mẫu từ ba cỡ khác nhau | 3 | Có | |
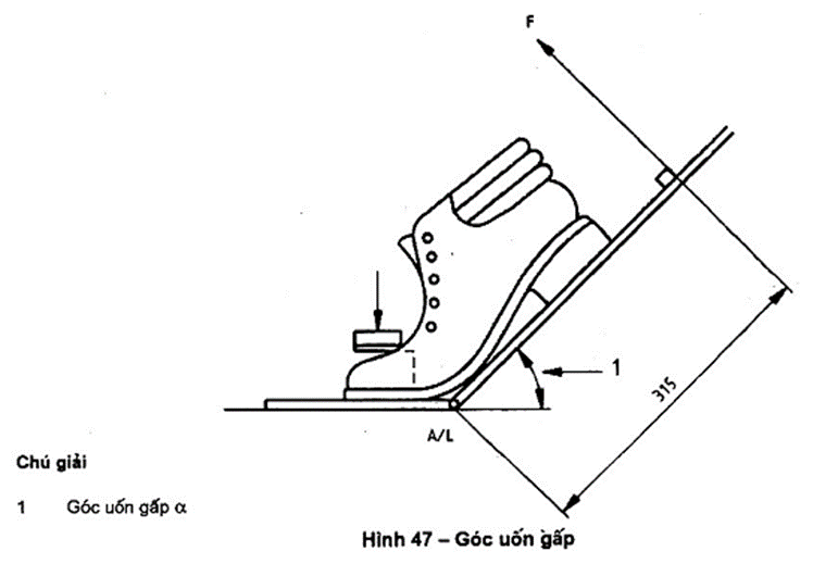
| Độ bền uốn | B | 6.5 | 1 mẫu từ ba cỡ khác nhau | 1 | Có | |
| Độ thấm hơi nước | B | 6.6 | 1 mẫu từ ba cỡ khác nhau | 1 | Có | |
| Độ hấp thụ hơi nước | B | 6.7 | 1 mẫu từ ba cỡ khác nhau | 1 | Có | |
| Hệ số hơi nước | B | 6.8 | 1 mẫu từ ba cỡ khác nhau | 1 | Có | |
| Giá trị pH | B | 6.9 | 1 | 2 | Không | |
| Độ thuỷ phân | B | 6.10 | 1 mẫu từ ba cỡ khác nhau | 1 | có | |
| Hàm lượng Crôm VI | B | 6.11 | 1 | 2 | Không | |
| Độ bền mài mòn của lót | B | 6.12 | 3 | 4 | Không | |
| Độ thấm nước và hấp thụ nước | A | 6.13 | 3 | 1 | Không | |
| Độ bền cắt | A | 6.14 | 3 | 4 | Có | |
| 7. Đế trong và lót mặt | Độ dày của đế trong | B | 7.1 | 3a | 1 | Không |
| Giá trị pH | B | 6.9 | 1 | 2 | Không | |
| Độ hấp thụ nước và giải hấp | B | 7.2 | 3a | 1 | Không | |
| Độ bền mài mòn của đế trong | B | 7.3 | 3a | 1 | Không | |
| Hàm lượng Crôm VI | B | 6.11 | 1 | 2 | Không | |
| Độ bền mài mòn của lót mặt | B | 6.12 | 3 | 4 | Không | |
| 8. Đế ngoài | Độ dày | B | 8.1 | 1 mẫu từ ba cỡ khác nhau | 1 | Có |
| Độ bền xé | B | 8.2 | 1 mẫu từ ba cỡ khác nhau | 1 | Có | |
| Độ bền mài mòn | B | 8.3 | 1 mẫu từ ba cỡ khác nhau | 1 | Có | |
| Độ bền uốn | B | 8.4 | 1 mẫu từ ba cỡ khác nhau | 1 | Có | |
| Độ thủy phân | B | 8.5 | 1 mẫu từ ba cỡ khác nhau | 1 | Có | |
| Độ chịu nhiên liệu đốt lò FO | B | 8.6 | 1 mẫu từ ba cỡ khác nhau | 1 | Có | |
| Độ bền với nhiệt tiếp xúc nóng | A | 8.7 | 1 mẫu từ ba cỡ khác nhau | 1 | Có | |
| a Nếu mẫu được lấy từ giày ủng thì phải lấy từ 3 cỡ khác nhau. | ||||||
Khi có thể và cần thiết để đảm bảo các yêu cầu an toàn, mẫu thử phải được lấy từ giày ủng nguyên chiếc. Qui định này áp dụng cho toàn bộ bảng 1.
CHÚ THÍCH Nếu không thể thu được mẫu thử đủ lớn từ giày ủng, có thể sử dụng mẫu thử của vật liệu dùng để sản xuất các chi tiết và điều này phải được nêu trong báo cáo thử nghiệm.
Khi mẫu thử được yêu cầu phải lấy từ ba cỡ thì nó phải bao gồm cả cỡ lớn nhất, cỡ nhỏ nhất và cỡ trung bình của giày ủng.
Trừ khi có các qui định khác trong phương pháp thử, tất cả các mẫu thử phải được điều hoà trong môi trường chuẩn có nhiệt độ là (23 ± 2) °C và độ ẩm tương đối là (50 ± 5) % trong thời gian tối thiểu 48 giờ trước khi thử.
Thời gian tối đa từ lúc lấy mẫu ra khỏi môi trường điều hoà đến khi thử không được lớn hơn 10 phút, trừ khi có quy định khác trong phương pháp thử.
Mỗi mẫu thử phải thoả mãn các yêu cầu đã qui định, trừ khi có qui định khác trong phương pháp thử.
Độ không đảm bảo đo của mỗi phương pháp thử mô tả trong tiêu chuẩn này phải được đánh giá. Một trong hai phương pháp sau phải được sử dụng:
- phương pháp thống kê, ví dụ nêu trong ISO 5725 -2;
- phương pháp toán học, ví dụ nêu trong ENV 13005.
5. Phương pháp thử cho giày ủng nguyên chiếc
5.1. Đặc điểm egonomi đặc trưng
Các đặc điểm egonomi đặc trưng của giày ủng phải được đánh giá bằng cách kiểm tra giày ủng được thử nghiệm bởi 3 người thử với các cỡ chân thích hợp.
Trong suốt phép thử người thử đi mỗi đôi giày ủng vừa vặn sẽ thực hiện các hoạt động giống như khi sử dụng bình thường.
Các hoạt động đó là:
· đi lại bình thường trong năm phút với tốc độ khoảng 6 km/giờ.
· đi lên và đi xuống (17 ± 3) bậc thang trong 1 phút.
· quì / cúi xuống, xem hình 1.

CHÚ THÍCH Mức độ uốn của giày có thể không đạt được với tất cả các loại giày ủng (ví dụ giày ủng có đế giữa bằng thép)
Hình 1 - Tư thế trong phép thử quỳ gối/cúi xuống
Sau khi hoàn thành tất cả các hoạt động, mỗi người thử phải điền vào bảng câu hỏi đưa ra trong bảng 2.
Bảng 2 - Bảng câu hỏi để đánh giá các đặc điểm egomomi
| 1 | Bề mặt bên trong của giày ủng có các điểm xù xì, sắc hoặc cứng gây khó chịu hoặc tổn thương chân không? | CÓ | KHÔNG |
| 2 | Phần pho mũi hoặc mép giày có các điểm bó chặt không? | CÓ | KHÔNG |
| 3 | Theo bạn, việc đi giày có gây ra nguy cơ gì không? | CÓ | KHÔNG |
| 4 | Sự bó chặt có thể điều chỉnh thích hợp được không? (nếu cần thiết) | CÓ | KHÔNG |
| 5 | Các hoạt động sau thực hiện được mà không có vấn đề gì: |
|
|
| Đi lại | CÓ | KHÔNG | |
| Leo cầu thang | CÓ | KHÔNG | |
| Quỳ gối/cúi xuống | CÓ | KHÔNG |
5.2. Xác định độ bền mối ghép mũ giày ủng/đế ngoài và các lớp đế
5.2.1. Nguyên tắc
Đo lực cần thiết để tách mũ giày ủng ra khỏi đế ngoài hoặc để tách các lớp kề nhau của đế ngoài hoặc tạo ra sự xé rách trên mũ giày ủng hoặc đế giày ủng.
CHÚ THÍCH Trong mọi trường hợp đối tượng được thử độ bền mối ghép phải được lấy gần với mép của mối ghép. Phép thử không cần phải thực hiện nếu mối ghép được làm thủ công (ví dụ, sử dụng đinh hoặc vít) hoặc khâu tay.
5.2.2. Thiết bị, dụng cụ
Máy kéo đứt, có bộ phận ghi lực liên tục, với tốc độ tách rời của ngàm kẹp là (100 ± 20) mm/phút và lực thử trong khoảng từ 0 N đến 600 N. Máy phải được lắp vừa với ngàm cặp hoặc kẹp phẳng (tuỳ thuộc vào kết cấu mẫu thử, xem 5.2.4) rộng (27,5 ± 2,5) mm, có khả năng kẹp chặt miếng mẫu thử.
5.2.3. Chuẩn bị mẫu thử
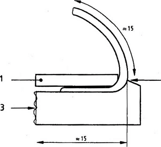
5.2.3.1. Độ bền mối ghép đế/mũ giày: kiểu kết cấu a (xem hình 2)
Lấy một miếng mẫu thử từ bên trong hoặc bên ngoài của vùng ghép.
Cắt mẫu thử theo đường X-X và Y-Y thẳng góc với mép của đế trong hoặc đế ngoài để có mẫu thử rộng khoảng 25 mm. Độ dài của mũ giày ủng và đế giày ủng khoảng 15 mm được đo từ đường gờ mép (xem hình 3). Tháo rời đế trong ra.
5.2.3.2. Độ bền mối ghép đế/mũ giày: kiểu kết cấu b, c, d và e (xem hình 2)
Lấy một miếng mẫu thử từ bên trong hoặc bên ngoài của vùng ghép.
Cắt mũ giày ủng và đế giày ủng theo đường X- X và Y-Y để có một miếng mẫu thử với chiều rộng khoảng 10 mm và chiều dài không nhỏ hơn 50 mm. Tháo rời đế trong ra.
Tách mũ giày ủng ra khỏi đế dài khoảng 10 mm bằng cách đưa dao nhiệt vào lớp keo dán (xem hình 4)
CHÚ THÍCH Kết cấu là kiểu c hoặc kiểu d khi khoảng cách từ đường X-X đến mặt phía trên của đế trong ít nhất là 8 mm.
5.2.3.3. Độ bền mối ghép các lớp đế: kiểu kết cấu f và g (xem hình 2)
Lấy một miếng mẫu thử từ bên trong hoặc bên ngoài của vùng ghép.
Tháo mũ giày ủng bằng cách cắt dọc theo đường gờ mép theo đường X-X. Tháo rời đế trong, nếu có. Cắt một miếng song song gồm cả mép đế theo đường Y-Y để có một miếng mẫu thử với chiều rộng khoảng 15 mm và chiều dài tối thiểu là 50 mm.
Tách các lớp đế khoảng dài 10 mm bằng cách đưa dao nhiệt vào lớp keo dán (xem hình 4).

Kiểu a: Khuôn giày thường, đế ngoài được dán hoặc đúc có mép mở rộng
kiểu b: Khuôn giày thường, đế ngoài được xén gọn
Kiểu c: Khuôn giày thường, đế ngoài được phun đúc trực tiếp hoặc lưu hóa hoặc dán
Kiểu d: Khâu kiểu Strobel, đế ngoài được dán hoặc phun đúc trực tiếp hoặc lưu hoá
Kiểu e: Khuôn giày thường hoặc khâu kiểu Strobel với chắn cao su và đế ngoài được dán
Kiểu f: Được khâu hoặc làm riễu bằng máy, đế ngoài được gắn trực triếp với đế trung gian
Kiểu g: Đế nhiều lớp, ví dụ đế được đúc toàn bộ, đúc từng phần hoặc gắn lại
Hình 2 - Các kiểu kết cấu và vị trí lấy mẫu thử độ bền mối ghép.
Kích thước tinh bằng milimét

Chú giải
1) Đế trong (đã tháo ra)
2) Đường gờ
3) Đế ngoài
Hình 3 - Mặt cắt ngang của mẫu thử

Hình 4 – Mẫu thử đã được chuẩn bị
5.2.4. Đo độ bền mối ghép
Trước khi tiến hành thử, đo chiều rộng của mẫu thử chính xác đến milimét ở một số điểm bằng thước lá và tính giá trị trung bình chính xác đến milimét. Sau đó đo độ bền mối ghép trên chiều dài tối thiểu là 30 mm theo một trong các cách sau:
a) Đối với độ bền mối ghép đế/mũ giày: Kiểu kết cấu a. Kẹp miếng mẫu thử trong kẹp phẳng của máy kéo đứt, sử dụng ngàm cặp để kẹp chặt mép ngắn của đế (xem hình 5), và ghi lại đồ thị lực/độ biến dạng (xem hình 6) với tốc độ tách rời của kẹp là (100 ± 20) mm/phút.
b) Đối với độ bền mối ghép đế/mũ giày ủng: Kiểu kết cấu b, c, d và e và độ bền mối ghép đế nhiều lớp: kiểu kết cấu f và g: Kẹp các đầu đã tách ra của miếng mẫu thử trong kẹp phẳng và ghi lại đồ thị lực/độ biến dạng (xem hình 6) với tốc độ tách rời của kẹp là (100 ± 20) mm/phút.

Chú giải
1) Ngàm cặp gờ đế
2) Mũ giày ủng
3) Đế giày ủng
Hình 5 - Vị trí của miếng mẫu thử trong ngàm cặp

Chú giải
1 Lực tách tính bằng Newtơn
2 Trung bình
3 Độ biến dạng
Hình 6 - Ví dụ về đồ thị lực / độ biến dạng
5.2.5. Tính toán và biểu thị kết quả
Từ đồ thị lực / độ biến dạng xác định lực tách trung bình theo Niutơn và chia cho chiều rộng trung bình (được tính theo 5.2.4) để có độ bền mối ghép theo N/mm.
5.3. Xác định chiều dài bên trong của pho mũi
5.3.1. Chuẩn bị mẫu thử
Tách cẩn thận pho mũi từ đôi giày ủng chưa thử và tháo toàn bộ các vật lạ gắn vào chúng hoặc lấy một đôi pho mũi mới giống hệt.
CHÚ THÍCH Việc điều hoà sơ bộ mẫu thử là không cần thiết.
5.3.2. Xác định trục thử
Đặt pho mũi trái với cạnh sau của nó trên đường thẳng với đường đáy và vẽ đường biên của nó. Lặp Iại động tác này với pho mũi phải của một đôi. Đặt mẫu thử sao cho đường biên ở cả hai phần đỉnh pho mũi và đường cơ sở trùng nhau (xem hình 7).
Đánh dấu 4 điểm A, B, C và D ở đường biên của pho mũi trái và phải giao nhau với đường cơ sở. Dựng đường thẳng vuông góc từ đường cơ sở ở điểm giữa của A-B hoặc C-D. Đường này tạo thành trục thử của pho mũi.
5.3.3. Tiến hành thử
Đặt pho mũi với mặt mở úp xuống một mặt phẳng, sử dụng dụng cụ đo thích hợp đo chiều dài bên trong , I, dọc theo trục thử từ mũi đến mép sau với khoảng cách giữa 3 mm và 10 mm bên trên và song song với bề mặt trên đó có đặt pho mũi (xem hình 8). I là chiều dài tối đa có thể đo được.

Chú giải
1) Trục thử
2) Pho mũi phải
3) Pho mũi trái
Hình 7 – Xác định trục thử
Kích thước tính bằng milimét

Chú giải
1 Trục thử
l = chiều dài bên trong
Hình 8 - Đo chiều dài bên trong của pho mũi
5.4. Xác định độ bền va đập
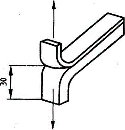
5.4.1. Thiết bị, dụng cụ
5.4.1.1. Thiết bị va đập, gồm một búa bằng thép có khối lượng 20 kg ± 0,2 kg được lắp vào để rơi tự do trên thanh dẫn hướng theo đường thẳng đứng từ một chiều cao đã xác định trước để tạo ra một năng lượng va đập yêu cầu. Cần chuẩn bị một cơ cấu để giữ vật va đập sau lần va đập đầu tiên để cho mẫu thử chỉ bị va đập một lần.
Búa (xem hình 9) có dạng nêm với chiều dài ít nhất 60 mm, hai mặt bên của nêm tạo thành một góc bằng (90 ± 1)°. Lưỡi nêm nơi hai bề mặt tiếp xúc phải được vê tròn với bán kính (3 ± 0,1) mm. Trong khi thử lưỡi nêm phải song song trong khoảng ±17' với bề mặt của thiết bị kẹp.
Chân đế của thiết bị phải có khối lượng ít nhất là 600 kg và khối kim loại có kích thước ít nhất là 400 mm x 400 mm x 40 mm phải được bắt vít vào chân đế này.
Thiết bị phải được đặt trên nền phẳng, đủ cứng và lớn để đỡ thiết bị thử.

Hình 9 - Búa va đập
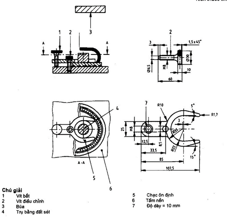
5.4.1.2. Dụng cụ kẹp, gồm có tấm thép nhẵn có độ dày ít nhất 19 mm, kích thước 150 mm x 150 mm và độ cứng tối thiểu là 60 HRC có vít bắt để kẹp phần đầu của đế trong/lót giày ủng của đầu mũi giày ủng được thử vào tấm thép sao cho chúng không hạn chế độ giãn phần bên của pho mũi trong quá trình thử va đập (xem hình 10). Chạc ổn định, được đưa vào phần trước của giày ủng sẽ được điều chỉnh nhờ vít chỉnh các phần còn lại của đế trong, song song với tấm nền. Vít bắt (ren M8) phải được bắt chặt nhờ lực xiết bằng (3 ± 1) Nm.
5.4.1.3.Trụ, bằng đất sét có đường kính (25 ± 2) mm và chiều cao (20 ± 2) mm sử dụng cho giày ủng từ cỡ 40 trở xuống (theo hệ Pháp), và chiều cao (25 ± 2) mm dùng cho giày ủng cỡ lớn hơn 40. Các mặt phẳng của ống trụ phải được phủ lớp nhôm lá để không cho chúng móc vào mẫu thử hay dụng cụ thử.
5.4.1.4. Đồng hồ đo, có chân hình bán cầu bán kính (3,0 ± 0,2) mm và mặt đỡ hình bán cầu, bán kính (15 ± 2) mm và sử dụng đối với lực không lớn hơn 250 mN.
5.4.1. Cách tiến hành
5.4.2.1. Xác định trục thử (xem hình 11)
Xác định vị trí của trục thử bằng cách đặt giày ủng lên mặt phẳng ngang rồi tỳ vào mặt phẳng đứng sao cho nó tiếp xúc với mép của đế giày ủng ở điểm A và B trên mặt trong của giày ủng. Dựng thêm hai mặt phẳng thẳng đứng vuông góc với mặt đứng thứ nhất sao cho chúng cắt đế giày ủng ở các điểm X và Y, là điểm mũi và điểm gót tương ứng. Vẽ một đường thẳng qua các điểm X và Y. Đường này tạo thành trục thử cho phần trước của giày ủng.
Kích thước tính bằng milimét

CHÚ THÍCH Kích thước nêu trong hình này chỉ là minh họa. Có thể sử dụng chạc ổn định nhỏ hơn theo tỷ lệ cho loại pho mũi nhỏ hơn.
Hình 10 - Ví dụ ngàm kẹp giày ủng

Hình 11 - Trục thử của giày ủng
5.4.2.2 Chuẩn bị mẫu thử
Chuẩn bị phần trước giày ủng bằng cách cắt đầu mũi 30 mm ở sau mép sau của pho mũi. Sau đó thì bỏ tổ hợp mũ giày ngang bằng với mép sau của pho mũi. Không được tháo mũ giày ủng và lót mũ trong vùng pho mũi. Nếu giày ủng có lót mặt tháo được, tiến hành phép thử với lót ở đúng vị trí của nó.
CHÚ THÍCH Việc điều hoà sơ bộ mẫu thử là không cần thiết
5.4.2.3. Tiến hành thử
Đặt trụ (5.4.1.3) với một đầu vào bên trong mẫu thử như chỉ ra trong hình 12.
Đặt mẫu thử trong thiết bị va đập (5.4.1.1) sao cho khi búa đập vào mẫu thử, thì búa sẽ đập lên phần sau và trước của pho mũi. Điều chỉnh dụng cụ kẹp (5.4.1.2).
Để búa va đập rơi trên trục thử từ độ cao thích hợp để có được năng lượng va đập là (200 ± 4) J đối với giày ủng an toàn hoặc (100 ± 2) J đối với giày ủng bảo vệ.
Sử dụng dụng cụ đo (5.4.1.4) để đo độ cao thấp nhất của trụ do chịu nén, chính xác đến 0,5 mm. Giá trị này là khoảng hở tại thời điểm va đập.

Chú giải
1) Pho mũi
2) Trụ đất sét
Trục thử X Y
Hình 12 - Vị trí của trụ trong phép thử va đập hoặc nén của giày ủng
5.5. Xác định độ bền nén
5.5.1. Thiết bị, dụng cụ
5.5.1.1. Máy thử nén, có khả năng thử mẫu với lực thử ít nhất là 20 kN (với sai số là ± 1 %) giữa các tấm ép chuyển động với tốc độ (5 ± 2) mm/phút. Các tấm ép phải song song trong khi sử dụng tải trọng và phải có độ cứng tối thiểu là 60 HRC. Việc đo lực phải không được bị ảnh hưởng bởi lực tác động lệch tâm.
5.5.1.2. Các trụ, như mô tả trong 5.4.1.3.
5.5.1.3. Đồng hồ đo, như mô tả trong 5.4.1.4.
5.5.1.4. Dụng cụ kẹp, như mô tả trong 5.4.1.2.
5.5.2. Cách tiến hành
5.5.2.1. Xác dịnh trục thử
Xác định trục thử như mô tả trong 5.4.2.1.
5.5.2.2. Chuẩn bị mẫu thử
Chuẩn bị mẫu thử như mô tả trong 5.4.2.2.
CHÚ THÍCH Việc điều hoà sơ bộ mẫu thử là không cần thiết.
5.5.3. Tiến hành thử
Đặt một đầu của trụ (5.5.1.2) vào bên trong mẫu thử như chỉ ra trong hình 12. Đặt mẫu thử vào thiết bị kẹp (5.5.1.4) và điều chỉnh.
Đặt dụng cụ kẹp và mẫu thử vào giữa các tấm ép của máy nén (5.5.1.1) và nén mẫu thử với lực là (15 ± 0,1) kN đối với giày ủng an toàn hoặc (10 ± 0,1) kN đối với giày ủng bảo vệ (xem hình 13).

Chú giải
1) Tấm ép trên mũ giày
2) Trụ đất sét
3) Dụng cụ kẹp
4) Tấm ép dưới
Hình 13 - Thiết bị cho phép thử độ bền nén
Bỏ tải, tháo trụ và dùng dụng cụ đo (5.5.1.3) đo chiều cao thấp nhất của trụ do chịu nén chính xác đến 0,5 mm. Giá trị này là khoảng hở khi nén.
5.6. Xác định độ bền ăn mòn
5.6.1. Xác định độ bền ăn mòn của pho mũi bằng kim loại hay lót chống đâm xuyên bằng kim loại trong loại giày ủng loại II
5.6.1.1. Chuẩn bị mẫu thử
Sử dụng giày ủng nguyên chiếc làm mẫu thử.
CHÚ THÍCH Việc điều hòa sơ bộ mẫu thử là không cần thiết.
5.6.1.2. Dung dịch thử
Sử dụng dung dịch natri clorua 1 %.
5.6.1.3. Cách tiến hành
Đổ dung dịch thử vào bên trong mẫu thử để mẫu thử ngập trong dung dịch đến độ sâu 150 mm. Che phủ miệng giày ủng, ví dụ bằng màng polyetylen để giảm thiểu sự bốc hơi của dung dịch.
Để trong 7 ngày và sau đó gạn bỏ dung dịch thử.
Tháo pho mũi hay chi tiết lót ra khỏi giày ủng và kiểm tra mọi dấu hiệu bị ăn mòn. Nếu có, đo diện tích từng chỗ bị ăn mòn theo milimet vuông và ghi cả số lượng các vùng bị ăn mòn.
5.6.2. Xác định độ bền ăn mòn của pho mũi bằng kim loại trong giày ủng loại I
Tháo pho mũi ra khỏi giày ủng hay lấy một pho mũi mới và thử theo phương pháp mô tả trong EN 12568 : 1998 (4.2).
5.6.3. Xác định độ bền ăn mòn của lót chống đâm xuyên bằng kim loại trong giày ủng không phải là giày ủng cao su
Tháo lót ra khỏi giày ủng hay lấy một lót mới và thử theo phương pháp mô tả trong EN 12568 : 1998 (5.1).
5.7. Xác định độ kín của giày ủng
5.7.1. Thiết bị, dụng cụ
5.7.1.1. Bể nước
5.7.1.2. Cung cấp khí nén
5.7.2. Chuẩn bị mẫu thử
Sử dụng giày ủng nguyên chiếc làm mẫu thử.
5.7.3. Cách tiến hành
Tiến hành thử ở nhiệt độ (23 ± 2) °C.
Đậy kín mép trên của mẫu thử, ví dụ bằng vòng đệm cao su thông qua đó khí nén có thể đi qua nhờ bộ phận nối phù hợp. Nhúng mẫu thử trong bể nước cho đến mép và sử dụng áp suất trong không đổi là (10 ±1) kPa trong 30 giây. Quan sát mẫu thử liên tục trong quá trình thử và xác định xem có tạo bọt khí không, xác đính chỗ rò rĩ khí.
5.8. Xác định sự phù hợp kích thước của lót và độ bền chống đâm xuyên của đế giày ủng
5.8.1.Sự phù hợp kích thước của lót
Đo L, chiều dài bên trong của đáy giày ủng. Vẽ như trong hình 14 vùng gạch chéo 1 và 2.
Cắt giày ủng và sử dụng thước đo khoảng cách X và Y (xem hình 14) là khoảng cách giữa đường mép của lót và đường mép gờ mỏng của phom giày ùng, chính xác đến 0,5 mm.
Kích thước tính bằng milimét
Hình 14 - Xác định kích thước của lót
5.8.2. Xác định độ bền chống đâm xuyên của đế giày ủng
5.8.2.1.Thiết bị, dụng cụ
5.8.2.1.1 Thiết bị thử, có thể đo được lực nén ít nhất đến 2 000 N, được lắp với một tấm ép có gắn mũi thử (5.8.2.1.2), và một tấm đế song song có lỗ tròn đường kính 25 mm. Trục của lỗ tròn này và mũi thử phải trùng nhau (xem hình 15).
5.8.2.1.2. Mũi thử, đường kính (4,50 ± 0,05) mm có một mũi cụt có hình dạng và kích thước như trong hình 16. Mũi của mũi thử phải có độ cứng tối thiểu là 60 HRC.
Hình dáng của mũi thử phải được kiểm tra định kỳ và nếu phát hiện có sai lệch so với kích thước nêu trong hình 16 thì phải thay mũi thử khác.
5.8.2.2 Chuẩn bị mẫu thử
Tháo mũ giày ủng ra khỏi đế và sử dụng đế làm mẫu thử.
Đối với vật liệu đế thấm nước (ví dụ da), tiến hành thử sau khi phần đế đã được ngâm trong nước khử ion ở nhiệt độ (23 ± 2) °C trong (16 ± 1) giờ.
CHÚ THÍCH Việc điều hoà sơ bộ mẫu thử là không cần thiết.
5.8.2.3. Tiền hành thử
Đặt miếng mẫu thử lên tấm đế sao cho mũi thử có thể xuyên qua đế. Ép mũi thử vào đế với tốc độ (10 ± 3) mm/phút cho đến khi mũi kim xuyên qua hoàn toàn và đo lực tối đa.
Tiến hành thử ở bốn điểm khác nhau trên đế (ít nhất một điểm nằm trong vùng gót) với khoảng cách tối thiểu giữa hai điểm xuyên bất kỳ là 30 mm và ở khoảng cách tối thiểu từ mép đế là 10 mm. Đối với đế có vân tiến hành việc thử giữa các vân đế. Hai trong bốn số đo phải được thực hiện ở khoảng cách là 10 mm đến 15 mm từ đường gờ mép của phom giày.
Ghi giá trị tối thiểu của mỗi số đo làm kết quả thử.

Hình 15 - Thiết bị thử độ bền chống đâm xuyên
Kích thước tính bằng milimét

Chú giải
1) Mũi cụt
Hình 16 - Mũi thử độ bền chống đâm xuyên
5.9. Xác định độ bền uốn của lót chống đâm xuyên
Xác định độ bền uốn của lót chống đâm xuyên theo phương pháp mô tả trong điều 7.2.2.3 của EN 12568 : 1998.
5.10. Xác định điện trở
5.10.1. Nguyên tắc
Điện trở của giày ủng dẫn điện được đo sau khi điều hoà trong môi trường khô (5.10.3.3 a). Điện trở của giày ủng chống tĩnh điện được đo sau khi điều hoà trong môi trường khô và sau khi điều hòa trong môi trường ẩm (5.10.3.3 a. và b.).
5.10.2. Thiết bị, dụng cụ
5.10.2.1. Thiết bị thử, có khả năng đo điện trở chính xác đến ± 2,5 % trong khi sử dụng điện áp (100 ±2) VDC.
5.10.2.2. Điện cực trong, gồm các viên bi thép không gỉ đường kính 5 mm và có tổng khối lượng là 4 kg. Các viên bi thép phải tuân theo các yêu cầu của ISO 3290. Cần có biện pháp để ngăn chặn hoặc loại bỏ sự oxy hoá các viên bi thép và tấm đồng vì sự ôxy hoá có thể ảnh hưởng đến tính dẫn của chứng.
5.10.2.3. Điện cực ngoài, gồm các tấm tiếp xúc bằng đồng, được làm sạch bằng etanol trước khi sử dụng.
5.10.2.4. Sơn dẫn điện.
5.10.2.5. Thiết bị đo điện dẫn của sơn, gồm có ba que dò dẫn điện bằng kim loại, mỗi que có bán kính (3 ± 0,2) mm, được gắn với một tấm đế. Hai trong số các que dò cách nhau (45 ± 2) mm và được nối bằng dây kim loại. Que dò thứ ba được đặt ở khoảng cách (180 ± 5) mm tính từ tâm cửa đường nối hai que kia và được cách điện với nhau.
5.10.3. Chuẩn bị và điều hoà mẫu thử
5.10.3.1. Chuẩn bị
Nếu giày ủng là loại có lót mặt tháo được, tiến hành thử ở điều kiện lót ở nguyên chỗ của nó. Làm sạch bề mặt của đế giày ủng bằng etanol để loại trừ tất cả các vết Silicon trong khuôn, rửa bằng nước cất và để khô ở nhiệt độ (23 ± 2) °C. Bề mặt phải không được đánh bóng hay mài mòn, hay làm sạch bằng vật liệu hữu cơ mà làm mòn hoặc làm phồng đế.
5.10.3.2. Chuẩn bị riêng cho điều hoà ẩm
Đối với các mẫu thử được thử sau khi điều hoà trong điều kiện ẩm (xem 5.10.3.3), cho sơn dẫn điện (5.10.2.4) phủ lên đế trên diện tích 200 mm x 50 mm, bao gồm cả phần gót và phần mũi. Để khô và sau đó kiểm tra điện trở của sơn xem có nhỏ hơn 1 x 103W hay không.
Đổ các viên bi thép đã được làm sạch vào đầy giày ủng và đặt nó lên các que dò bằng kim loại của thiết bị (5.10.2.5) sao cho phần trước của đế được đỡ bằng hai que dò cách nhau 45 mm và vùng gót được đỡ bằng que dò thứ ba. Sử dụng thiết bị thử (5.10.2.1), đo điện trở giữa các que dò trước và que dò thứ ba.
5.10.3.3. Điều hoà
Tuỳ theo loại giày ủng được thử, điều hoà mẫu thử ở một trong các môi trường sau:
a) Điều kiện khô, nhiệt độ (20 ± 2) °C và độ ẩm tương đối (30 ± 5) % (trong 7 ngày)
b) Điều kiện ẩm, nhiệt độ (20 ± 2) °C và độ ẩm tương đối (85 ± 5) % (trong 7 ngày).
Các phép thử phải được thực hiện trong vòng 5 phút kể từ khi đưa mẫu thử ra khỏi môi trường điều hòa nếu phép thử không được thực hiện trong môi trường đó.
5.10.4. Cách tiến hành
Đổ đầy vào mẫu thử các viên bi thép được làm sạch có khối lượng tổng cộng 4 kg, nếu cần sử dụng mảnh vật liệu cách điện để nâng độ cao của mũ giày ủng. Đặt mẫu đã chứa đầy các viên bi thép lên tấm đồng, đặt điện áp thử là (100 ± 2) V DC giữa tấm đồng và các viên bi thép trong 1 phút và tính điện trở.
Sự tiêu hao năng lượng trong đế không được lớn hơn 3 W.
Khi cần thiết, giảm điện áp xuống dưới giá trị giới hạn 3 W và ghi giá trị điện áp vào báo cáo thử nghiệm.
5.11. Xác định độ cách điện
Xác định độ cách điện theo phương pháp mô tả trong EN 50321 : 1999, điều 6.3.
5.12. Xác định độ cách nhiệt
5.12.1. Thiết bị, dụng cụ
5.12.1.1. Bể cát
Kích cỡ của bể cát phải là (40 ± 2) cm x (40 ± 2) cm với độ cao ít nhất là 5 cm (xem hình 17).
Thể tích của bể cát là (5 000 ± 250) cm3, kích thước hạt là 0,3 mm đến 1,0 mm.
Nhiệt độ của tấm nhiệt phải được đo tại nơi giày ủng sẽ tiếp xúc với tấm nhiệt (mũi và gót) và phải được điều chỉnh theo nhiệt độ thử. Tuỳ thuộc vào các đặc tính được yêu cầu của giày ủng, nhiệt độ của tấm nhiệt Thp có thể là 150 °C hoặc 250 °C (dung sai ± 5°C).
Công suất của hệ thống nhiệt ít nhất phải là (2 500 ± 250) W.
5.12.1.2. Môi trường truyền nhiệt, gồm các viên bi thép không gỉ đường kính 5 mm và có tổng khối lượng là (4 000 ± 40) g. Các viên bi thép không gỉ phải tuân theo các yêu cầu của ISO 3290.
5.12.1.3. Đầu dò nhiệt với độ chính xác ± 0,5 °C, được hàn vào đĩa đồng dày (2 ± 0,1) mm và đường kính (15 ±1) mm.
5.12.1.4. Thiết bị đo nhiệt độ, có bộ phận bù, phù hợp để sử dụng với 5.12.13.
5.12.2. Chuẩn bị mẫu thử
Sử dụng giày ủng nguyên chiếc làm mẫu thử. Cố định đầu dò nhiệt vào đế trong. Nhiệt độ bên trong giày ủng phải được đo ở phần trước ở vùng phía trên vùng mà tại đó đế giày tiếp xúc với tấm nóng. Cho các viên bi vào giày ủng. Nếu giày ủng có lót mặt tháo được, tiến hành thử với điều kiện lót mặt ở nguyên chỗ của nó. Nếu mũ giày ủng không đủ độ cao để chứa được các viên bi, tăng độ cao của nó bằng một vòng đệm.

Hình 17. Thiết bị thử độ cách điện
5.12.3. Tiến hành thử
Điều hoà mẫu thử đã chuẩn bị cho đến khi nhiệt độ của đế trong không đổi ở (23 ± 2) °C và tiến hành thử ở điều kiện môi trường có nhiệt độ là (23 ± 2) °C.
Đun nóng bể cát tối thiểu trong 2 giờ, và điều chỉnh nhiệt độ của tấm nóng Thp, duy trì nhiệt độ này trong suốt quá trình thử. Đặt mẫu thử lên tấm nhiệt này. Di chuyển giày ủng qua lại để có sự tiếp xúc tốt nhất giữa giày ủng và tấm nhiệt.
Cho cát vào xung quanh giày ủng đến độ cao vừa đủ. Đảm bảo sao cho bề mặt của bể cát phẳng đồng đều.
Sử dụng thiết bị đo nhiệt độ được nối với đầu dò nhiệt để đo nhiệt độ ở đế trong như là một hàm số của thời gian, ghi sự tăng nhiệt độ.
t1 là thời gian đo được của sự tăng cuối cùng của nhiệt độ trong giày ủng (q tính theo °C).
t2 là thời gian tổng cộng của phép thử.
Tính sự tăng nhiệt độ (lt, theo °C)chính xác đến 0,5 °c sau khi mẫu thử được đặt lên tấm nhiệt trong thời gian t1.
lt = q - 23
Tiếp tục phép thử đến thời gian t2. Ngay sau khi làm nóng sau khoảng thời gian t2 lấy mẫu thử ra và bỏ các viên bi ra, sau đó kiểm tra giày ủng và ghi lại các dấu hiệu phá huỷ nào ảnh hưởng đến đặc tính của giày ủng.
Kết quả của phép thử là :
· sự tăng nhiệt độ bên trong của giày ủng sau thời gian t1.
· báo cáo sự phá huỷ có ảnh hưởng đến đặc tính của giày ủng (ví dụ bắt đầu xuất hiện sự phân tách giữa mũ và đế của giày ủng).
5.13. Xác định độ cách lạnh
5.13.1. Thiết bị, dụng cụ
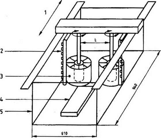
5.13.1.1. Hộp giữ lạnh, nhiệt độ không khí bên trong nó có thể điều chỉnh đến (-17 ± 2) °C (xem hình 18).
5.13.1.2. Môi trường truyền nhiệt, như mô tả trong 5.12.1.2.
5.13.1.3. Đầu dò nhiệt, như mô tả trong 5.12.1.3.
5.13.1.4. Thiết bị đo nhiệt độ, như mô tả trong 5.12.1.4.
5.13.1.5. Tấm đồng, có chiều dài (350 ± 5) mm, chiều rộng (150 ± 1) mm và độ dày (5 ± 0,1) mm, được đặt như minh hoạ trong hình 18.
5.13.2. Chuẩn bị mẫu thử
Sử dụng giày ủng nguyên chiếc làm mẫu thử. Chuẩn bị mẫu thử như mô tả trong 5.12.2.
Kích thước tính bằng milimét

Chú giải
1) Lỗ giãn nở 3) Điểm đo nhiệt độ 5) Giá nâng thí nghiệm
2) Tấm che cách nhiệt 4) Tấm đồng 6) Hộp lạnh
Hình 18 - Thiết bị thử độ chịu lạnh
5.13.3. Tiến hành thử
Điều hoà mẫu cho đến khi nhiệt độ của đế ngoài không đổi ở (23 ± 2) °C.
Điều chỉnh nhiệt độ của hộp lạnh đến (-17 ± 2) °C và duy trì nhiệt độ này trong suốt quá trình thử. Đặt mẫu thử lên giá nâng thí nghiệm trong hộp lạnh, điều chỉnh độ cao sao cho mép trên của giày ủng ngang mức với lỗ giãn nở và đóng kín lỗ giãn nở bằng tấm che cách nhiệt.
Sử dụng thiết bị đo nhiệt độ được nối với đầu dò nhiệt để đo nhiệt độ của đế trong như là một hàm số của thời gian, ghi sự giảm nhiệt độ dưới dạng đồ thị.
Tính sự giảm nhiệt độ chính xác đến 0,5 °C sau 30 phút từ thời điểm mẫu thử được đặt trong hộp lạnh.
5.14. Xác định độ hấp thụ năng lượng của vùng gót
5.14.1. Thiết bị, dụng cụ
5.14.1.1. Thiết bị thử, đo được lực nén đến 6 000 N, có thiết bị ghi các đặc tính lực / độ biến dạng.
5.14.1.2. Chầy nén, là phần hậu của phom giày ủng tiêu chuẩn được làm bằng polyetylen [1]). Phom ủng được cắt theo mặt phẳng vuông góc với trục của phần hậu đến tận mép phom (xem hình 19) kích thước của chầy nén tuỳ thuộc vào cỡ giày ủng và được nêu trong bảng 3.
Bảng 3 - Kích thước của chầy nén phụ thuộc vào cỡ giày ủng
| Cỡ giày ủng | Kích thước | |||||
| Hệ Mondopoint | Hệ Pháp | Hệ Anh | L ±2 mm | l ± 2 mm | W ± 2 mm | e ±1 mm |
| 235 | đến 36 | đến 3 1/2 | 65 mm | 32,5 mm | 52,25 mm | 2 mm |
| 245 | 37/38 | 4 đến 5 | 67,5 mm | 33,7 mm | 57 mm | 2 mm |
| 255 | 39/40 | 5 1/2 đến 6 ½ | 70,5 mm | 35 mm | 58,75 mm | 2 mm |
| 265 | 41/42 | 7 đến 8 | 72,5 mm | 36,2 mm | 60,5 mm | 3 mm |
| 275 | 43/44 | 8 1/2 đến 10 | 75,5 mm | 37,7 mm | 62,25 mm | 3 mm |
| 285 | Trên 45 | Trên 10 1/2 | 77,5 mm | 38,5 mm | 64 mm | 3 mm |

Hình 19 – Chầy nén cho phép thử độ hấp thụ năng lượng
5.14.2. Cách tiến hành
Đặt phần gót của giày ủng lên tấm đế thép và ép chầy nén lên đế từ phía trong ở trung tâm của vùng gót với tốc độ thử là (10 ± 3) mm/phút cho đến khi lực đạt được 5 000 N.
Vẽ đường cong lực/độ nén cho mỗi lần thử và xác định độ hấp thụ năng lượng E bằng Jun, chính xác đến 1 J, theo công thức:
E = 
trong đó
F là lực nén đã sử dụng, tính bằng niutơn, N;
s là khoảng cách, tính bằng milimét, mm.
5.15. Xác định độ bền nước của giày ủng nguyên chiếc
5.15.1. Phép thử máng
5.15.1.1. Nguyên tắc
Đi đôi giày ủng cần thử vào chân rồi đi qua máng chứa nước với độ sâu đã được xác định với số chân xác định. Mức độ thấm nước của giày ủng được xác định bằng cách kiểm tra.
5.15.1.2. Người thử
Chọn người thử sao cho người đó đi vừa một cách thoải mái đôi giày ủng cần thử.
5.15.1.3. Thiết bị, dụng cụ
Máng chứa nước nằm ngang, bao gồm các đặc trưng chủ yếu sau (xem hình 20):
a) sát mỗi đầu máng có một bục di chuyển được, cao trên mức nước và rộng vừa đủ để người thử có thể bước lên và quay vòng lại;
b) chiều dài máng thích hợp cho phép người thử thực hiện được 10 bước chân bình thường trong nước giữa các bục;
c) chiều rộng máng khoảng 0,6 m;
d) một nút để tháo nước ra.
CHÚ THÍCH Máng nên có một ống cấp nước để sẵn sàng xả nước vào đến độ sâu thích hợp.
Kích thước tính bằng milimét

Chú giải
1 Nút đậy
Hình 20 - Máng
5.15.1.4. Cách tiến hành
Khi máng chưa có nước, đặt các bục quay sao cho người thử thực hiện được 11 bước đi từ đầu này sang đầu kia với độ dài bước chân bình thường (nghĩa là mỗi bàn chân đặt lên nền máng 5 lần). Đổ đầy nước vào máng đến độ sâu (30 ± 3) mm.
Phải đảm bảo giày ủng khô hoàn toàn. Đi tất cao cổ hoặc tất có diềm để có thể trùm miệng giày ủng, xỏ chân vào giày và đứng lên trên một trong các bục. Đi khoảng 100 lần theo chiều dài máng có nước và khi quay lại thì phải quay trên bục. Phải rất cẩn thận để chắc chắn nước không bị bắn vào miệng giày ủng. Nếu cần thiết, để tránh bị bắn, đi chậm hơn bình thường nhưng một bước chân phải đi không quá một giây.
Sau khi đi hết 100 lần theo chiều dài máng, bước ra khỏi máng, tháo giày ủng ra cẩn thận, và kiểm tra phía bên trong bằng mắt thường và bằng cách sờ để phát hiện sự thấm nước. Nếu có bất kỳ sự thấm nước nào xảy ra, đánh dấu vị trí và phạm vi thấm của chúng lên các biểu đồ cho từng chiếc ủng hoặc giày (hình 21 chỉ ra một mẫu biểu đồ thích hợp).
Lặp lại phép thử với hai đôi giày ủng khác.

Hình 21 – Mẫu biểu đồ thích hợp cho giày ủng, với chỗ thấm được đánh dấu
5.15.2. Phương pháp thử bằng máy
5.15.2.1. Nguyên tắc
Giày ủng nguyên chiếc ở trong nước với độ sâu xác định được thử bởi hoạt động quay cơ học của các bàn chải đã được làm ẩm. Sự thấm loang nước được xác định bằng cách kiểm tra.
5.15.2.2. Thiết bị, dụng cụ
5.15.2.2.1. Cân, có thể cân chính xác đến 0,1 g.
5.15.2.2.2. Máy thử độ bền nước (xem hình 22), có một hoặc nhiều vị trí thử, mỗi vị trí có đặc điểm như mô tả từ 5.15.2.2.1 đến 5.15.2.2.2.6.
5.15.2.2.2.1. Giá đỡ mẫu thử, bao gồm miếng kim loại hình chữ nhật có gắn cố định một ngàm kẹp ở một đầu và đầu kia có một ngàm kẹp trượt, có thể cố định mẫu thử (hình 23).
5.15.2.2.2.2. Hai hệ thống bàn chải quay, bao gồm hai bàn chải được đặt ở vị trí cạnh bên của mẫu thử, cách nhau một khoảng là L (xem hình 22), L thay đổi tuỳ theo chuyển động tiến lùi dọc theo toàn bộ chiều dài của mẫu thử, với mọi kích cỡ giày ủng. L là chiều rộng của giày ủng cộng thêm 80 mm.
Chuyển động ngang của mỗi bàn chải được hoàn thành bằng chuyển động quay, với hướng chuyển động thay đổi ở cuối của mỗi chu kỳ chuyển động ngang. Hướng của chuyển động quay của mỗi bàn chải tương ứng với chuyển động tiến hoặc lùi, xem hình 24.
Kích thước tính bằng milimét

Chú giải
1) Chuyển động tiến và lùi 3) Bàn chải 5) Bể nước trong suốt
2) Hệ thống phun tia 4) Giá đỡ mẫu thử
Hình 22 - Máy thử độ bền nước

Chú giải
1 Ngàm kẹp trượt 2 Ngàm kẹp cố định
Hình 23 - Giá đỡ mẫu thử
5.15.2.2.2.3. Hệ thống phun tia, mỗi bàn chải có một hệ thống phun tia với vòi phun có khoảng rộng là 50 mm (xem hình 22 và 27) để làm ướt bàn chải, và một đồng hồ đo dòng để đo dòng nước.
5.15.2.2.2.4. Các đặc tính của bàn chải
· Sử dụng bàn chải dạng đường xoắn helicoit. Mỗi bàn chải có một trụ ở tâm có đường kính 80 mm và chiều dài 140 mm và có 10 lớp mỗi lớp có 11 lông cứng, xem hình 25.
· Mỗi lớp gồm 11 lông được sắp xếp để tạo thành hình dáng đường xoắn helicoit, xem hình 26.
5.15.2.2.2.5. Các đặc tính của lông cứng
· Vật liệu : polyamid
· Đường kính : 0,4 mm
· Chiều dài: (81 ± 2) mm
· Đường kính của chùm lông bên trong trụ trung tâm : 5 mm.

Chú giải
1 Giá đỡ mẫu thử cố định
Hình 24 - Chuyển động ngang và quay của bàn chải
Kích thước tính bằng milimét

Chú giải
1 10 lớp chùm lông, cách nhau 10 mm, được sắp xếp tạo thành hình dạng đường xoắn helicoit (xem hình 26)
2 Trụ trung tâm
Hình 25 - Giản đồ của một bàn chải
5.15.2.2.2.6. Bể nước kín, trong đó toàn bộ thiết bị được đặt trong bể nước đã được trang bị với một dụng cụ giữ mực nước không đổi.
5.15.2.3. Thông số thử
· tốc độ chuyển động quay của bàn chải : (85 ± 5) vòng/phút.
· tốc độ chuyển động ngang của bàn chải : (20 ± 2) chu kỳ/phút (một chu kỳ là chuyển động gồm chuyển động tiến và lùi).
· tốc độ dòng nước : (0,50 ±0,1) lít/phút.
5.15.2.4. Cách tiến hành
Cân mẫu thử chính xác đến 0,1 g : M1
Đặt cố định giày ủng chắc chắn lên giá đỡ mẫu thử.
Không cho nước vào qua miệng giày ủng (ví dụ bằng một vòng bằng cao su).
Cố định giá đỡ mẫu thử cùng với mẫu thử vào máy thử (xem hình 27).
Kích thước tính bằng milimét

Chú giải
B/B = p 83 = 261 mm l = 7 mm
Khoảng cách ngang E giữa các chùm lông là 261/11 = 23,7 mm L = 10 mm
Hình 26 - Cách gắn lông vào bàn chải

Chú giải
1 Vòi phun nước 4 Bàn chải số 1
2 Mẫu thử 5 Giá đỡ mẫu thử
3 Độ sâu của nước 6 Bàn chải số 2
Hình 27 - Mặt trước của thiết bị thử
Điều chỉnh khoảng cách ngang giữa hai bàn chải sao cho toàn bộ bề mặt của mũ giày ủng được tiếp xúc với lông bàn chải.
Đổ nước vào bể đến mức nước trên (20 ± 2) mm so với mặt trên của giá đỡ mẫu thử. Phải điều chỉnh dụng cụ giữ mức nước không đổi để duy trì độ sâu này.
Thông số phun tia được qui định trong bảng 4 :
Bảng 4 - Thông số phun tia
| Giày ủng (phù hợp với | Số lượng vòi phun nước | Số lượng bàn chải |
| Mẫu A | 1 | 1 |
| Giày thấp cổ | ||
| Mấu B | 1 | 1 |
| Giày cao cổ | ||
| Mẫu C | 2 | 1 |
| Ủng thấp cổ |
| |
| Mẫu D | 3 | 2 |
| Ủng cao cổ |
|
|
| Mẫu E | 3 | 2 |
| Ủng cao tới đùi |
|
|
Mở số lượng của vòi phun tuỳ theo loại giày ủng.
Điều chỉnh hệ thống cung cấp nước để duy trì mức nước cố định.
Lập chương trình thời gian cho số các chu kỳ là: 1, 5,10, 20, 30 hoặc 60 phút.
Bắt đầu chuyển động ngang của môtơ.
5.15.2.5. Phát hiện sự thấm nước
5.15.2.5.1. Phương pháp thủ công
Kết thúc mỗi quá trình thử đã được lên chương trình :
Tắt máy thử.
Tháo giá đỡ mẫu thử có gắn mẫu thử ra.
Tháo mẫu thử ra.
Làm khô nhanh bề mặt của mẫu thử.
Tháo cẩn thận tấm che nước khỏi miệng của giày ủng.
Kiểm tra bằng mắt phía trong giày ủng hoặc bằng cách sờ và/hoặc bằng cách sử dụng giấy thấm để kiểm tra sự thấm nước.
5.15.2.5.2. Phương pháp sử dụng máy
Sử dụng đèn soi có nguồn sáng phù hợp kết nối với một máy ghi hình được đặt trong mẫu thử trong suốt quá trình thử. Độ thấm nước được kiểm tra bằng mắt và có thể ghi lại bằng hình ảnh.
5.15.2.6. Hấp thụ nước
Kết thúc mỗi quá trình thử, sau khi mẫu thử đã được làm khô và kiểm tra sự thấm nước, nó được cân chính xác đến 0,1 g và các kết quả riêng biệt được ghi lại là M2, M3, v.v....
5.15.2.7. Biểu thị kết quả
Thời gian bắt đầu mẫu bị thấm nước tính bằng phút.
Tính toán độ hấp thụ nước Wa, tính bằng gam
Wa = M2 – M1; M3 – M1; v.v...
5.16. Xác định độ bền va đập của chi tiết bảo vệ xương bàn chân
5.16.1. Thiết bị, dụng cụ
5.16.1.1. Thiết bị va đập, gồm một búa bằng thép có khối lượng (20 ± 0,2) kg được lắp vào để rơi tự do trên thanh dẫn hướng theo đường thẳng đứng từ một chiều cao đã xác định trước để tạo ra một năng lượng va đập cần thiết, được tính như thế năng.
Búa va đập có dạng nêm với chiều dài ít nhất 60 mm, hai mặt bên của nêm tạo thành một góc bằng (90 ± 1)° và có độ cứng tối thiểu là 60 HRC. Lưỡi nêm nơi hai bề mặt tiếp xúc phải được vê tròn với bán kính (3 ± 0,1) mm. Trong khi thử lưỡi nêm phải song song trong khoảng ± 17' với bề mặt của thiết bị kẹp (xem hình 9).
Chân đế của thiết bị phải có khối lượng ít nhất là 600 kg và khối kim loại có kích thước ít nhất là 400 mm x 400 mm x 40 mm phải được bắt vít vào chân đế này.
Thiết bị phải được đặt trên nền phẳng, đủ cứng và lớn để đỡ thiết bị thử.
5.16.1.2. Dụng cụ kẹp, gồm tấm thép nhẵn có độ dày ít nhất 19 mm với độ cứng tối thiểu là 60 HRC và dụng cụ dùng để kẹp gót và vùng nối của giày ủng (xem hình 28).

Hình 28 - Dụng cụ kẹp
5.16.1.3. Đồng hồ đo, có chân hình bán cầu bán kính 3,0 mm ± 0,2 mm, có khả năng sử dụng đối với lực không lớn hơn 250 mN.
5.16.1.4. Mẫu thử bằng sáp, mô phỏng chân người và được sử dụng để đo sự biến dạng của giày vùng xương bàn chân trong quá trình va đập. Dạng mẫu này có thể được tạo thành theo một trong các phương pháp mô tả trong 5.16.1.4.1 hoặc 5.16.1.4.2.
5.16.1.4.1. Tạo mẫu thử sáp bằng cách sử dụng phom giày (phương pháp thường dùng)
Phương pháp này gồm hai giai đoạn, bước đầu tiên là tạo khuôn đúc của phom được sử dụng để làm giày ủng. Bước thứ hai là chế tạo mẫu thử bằng sáp của khuôn này.
Giai đoạn 1: Sử dụng cỡ nhỏ hơn so với giày ủng thử, bít kín các vết cắt chữ "V” và các lỗ có trên phom giày, sau đó tạo lớp vỏ bằng cách sử dụng thiết bị chân không và vật liệu nhựa nhiệt dẻo[2]) lên bề mặt phần mũ. Khi đã nguội hẳn, gọt các vật liệu thừa bên dưới của mép biên của phom và bỏ chúng đi. Tương tự, tạo một lớp vỏ phía trên bề mặt đáy và gọt bỏ trong khoảng 5 mm và 10 mm phía trên đường biên để tạo thành một gờ ở mép. Sử dụng một băng dán thích hợp ghép hai vỏ này với nhau sao cho phần vỏ mũ vừa khít vào bên trong của gờ tạo thành trên vỏ đế và gắn chúng lại. Cắt vỏ đã nối này để tạo thành hai khuôn đúc phần mũi và phần hậu (xem hình 29).
Giai đoạn 2: Đặt hai khuôn đúc này vào một hộp chứa cát sao cho bề mặt trên nằm ngang (xem hình 30). Chuẩn bị sáp cho phom thử từ một hỗn hợp của sáp parafin (có điểm nóng chảy ở 50 °C đến 53 °C) và sáp ong với tỷ lệ 5:1. Trộn sáp parafin và sáp ong trong một bình trộn thích hợp, cho vào lò và làm nóng đến khoảng 85 °C. Lấy bình ra khỏi lò và khuấy đến khi hỗn hợp nguội đến khoảng 60 °C và đổ vào hai khuôn đúc. Gài vào trong sáp nóng chảy một dây mảnh để có thể lấy mẫu thử bằng sáp này ra khỏi giày ủng thử một cách dễ dàng, đảm bảo rằng dây này không làm thủng bề mặt ngoài của khuôn phần mũi (xem hình 30). Để đến nguội. Tháo mẫu bằng sáp này ra khỏi khuôn đúc.
CHÚ THÍCH Nếu giữ gìn, khuôn này có thể sử dụng để chế tạo được một số mẫu bằng sáp.

Chú giải
1 Gờ phủ lên lớp vỏ trên
2 Đường cắt
Hình 29 - Lớp vỏ ghép với vị trí cắt tách
5.16.1.4.2. Tạo mẫu thử bằng sáp sử dụng giày ủng
Phương pháp này gồm ba giai đoạn, giai đoạn đầu là tạo khuôn đúc bằng thạch cao bên trong giày, sau khi tạo khuôn đúc và đổ khuôn như mô tả trong 5.16.1.4.1. Nó đòi hỏi nhiều hơn một chiếc giày ủng sẽ bị phá hỏng trong quá trình tạo khuôn đúc bằng thạch cao.
Giai đoạn 1: Dùng vazơlin hoặc chất trợ tháo khuôn bôi vào bên trong giày ủng có cùng cỡ với giày ủng thử. Buộc chặt và đổ hỗn hợp thạch cao và nước đầy đến miệng giày ủng. Để đến khi se lại và tháo bằng cách cắt giày ủng. Sau khi tháo, đặt khuôn bằng thạch cao trong lò sấy ở nhiệt độ 80 °C cho đến khi khô.
Giai đoạn 2: Tiếp tục như giai đoạn 1 trong điều 5.16.1.4.1 sử dụng khuôn đúc bằng thạch cao thay cho phom. Tiếp tục như giai đoạn 2 trong điều 5.16.1.4.1.

Hình 30 - Khuôn đúc đặt trong bể cát và được đổ đầy sáp
5.16.2. Chuẩn bị mẫu thử
Sử dụng giày ủng nguyên chiếc làm mẫu thử.
5.16.3. Cách tiến hành
Lồng khuôn sáp vào mẫu thử và buộc lại. Trục thử như qui định trong 5.3.2 phải được đánh dấu lên khuôn thử sáp bằng cách đánh dấu qua giày ủng. Kẹp mẫu thử vào tấm đế của thiết bị (5.16.1.1) bằng dụng cụ kẹp (5.16.1.2) và đặt sao cho khi đập trúng mẫu, búa va đập ở vị trí 90 ° so với trục của mẫu thử, như mô tả trong 5.4.2.1. Búa sẽ đập vào mẫu thử một lần ở khoảng cách tính từ mũi như nêu bảng 5 (xem hình 31).
Bảng 5 - Khoảng cách va đập
| Cỡ giày ủng | Khoảng cách va đập từ mũi giày ủng a, mm | |
| Hệ Pháp | Hệ Anh | |
| Nhỏ hơn và bằng 36 | Đến 3 1/2 | 90 |
| 37 và 38 | 4 đến 5 | 95 |
| 39 và 40 | 5 1/2 đến 6 1/2 | 100 |
| 41 và 42 | 7 đến 8 | 105 |
| 43 và 44 | 8 1/2 đến 10 | 110 |
| Bằng và lớn hơn 45 | Bằng và lớn hơn 10 1/2 | 115 |
| Khoảng cách này được đo dọc theo trục thử từ đầu mũi giày | ||
Đặt một tấm chèn phía duới phần mũi truớc của miếng mẫu thử để ngăn ngừa sự biến dạng của giày ủng trong khi chịu tác động.
Cho búa rơi xuống miếng mẫu thử từ một độ cao thích hợp (đo thẳng đứng từ điểm chịu tác động) để có được năng lượng va đập là (100 ± 2) J.

Hình 31 - Điểm va đập
5.16.4. Kết quả thử
Sau khi thử, tháo cẩn thận mẫu sáp ra khỏi giày ủng và đặt nó trên một mặt đỡ phẳng sao cho vẫn được hướng nằm ngang như khi nó ở trong mẫu thử.
Sử dụng đồng hồ đo (5.16.1.3), đo chiều cao thẳng đứng phía trên mặt đỡ phẳng trên các trục như xác định trong 5.4.2.1 tại điểm biến dạng lớn nhất.
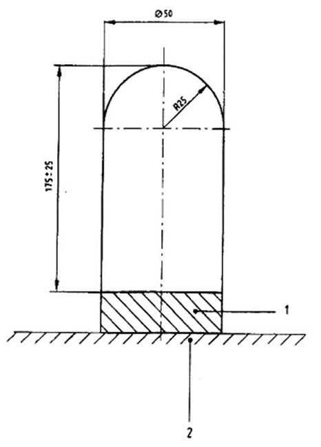
5.17. Xác định khả năng hấp thụ xung động của vật liệu bảo vệ mắt cá chân lắp bên trong mỗi giày ủng
5.17.1. Nguyên tắc
Lấy một mẫu thử từ vùng bảo vệ mắt cá chân của mũ giày ủng để thực hiện phép thử va đập truyền đo được.
5.17.2. Thiết bị, dụng cụ
5.17.2.1. Thiết bị va đập
Thiết bị va đập phải bao gồm quả nặng khối lượng (5 000 ± 10) g được dẫn hướng rơi thẳng đứng và đập vào đe thử. Trọng tâm của quả nặng phải thẳng đứng so với tâm của đe trong suốt quá trình thử.
Độ cao rơi xấp xỉ khoảng 0,2 m để đảm bảo một động năng là 10 J.
5.17.2.2. Búa va đập
Bề mặt của búa va đập được làm bằng thép bóng có kích thước là 80 mm x 40 mm, tất cả các góc phải được vê tròn với bán kính (5 ± 1) mm.
5.17.2.3. Đe
Đe (xem hình 32) được làm bằng thép bóng có độ cao là (175 ± 25)mm và bao gồm một trụ có bán kính 25 mm với phần đầu của nó được làm tròn thành hình bán cầu có bán kính 25 mm. Đe phải được với chân đế có khối lượng ít nhất là 600 kg theo vị trí thẳng đứng và thông qua một cảm biến áp điện. Cảm biến áp điện phải được chịu tải và hiệu chỉnh.
5.17.2.4. Thiết bị đo lực
Đe phải được gắn sao cho trong suốt phép thử va đập, toàn bộ lực giữa đe và chân đế của thiết bị truyền qua bộ chuyển đổi lực thạch anh áp điện theo hướng trùng với trục nhạy của bộ cảm biến chuyển đổi lực phải có khoảng được hiệu chỉnh không nhỏ hơn 120 kN và ngưỡng dưới không nhỏ 0,1 kN. Tín hiệu ra của bộ chuyển đổi phải được xử lý bằng một bộ khuyếch đại và các xung lực đỉnh phải được ghi lại bằng một dụng cụ thích hợp.
Kích thước tính bằng milimét

Chú giải
1 Bộ chuyển đổi lực 2 Chân đế cứng
Hình 32 – Đe và chân đế
5.17.2.5. Dưỡng
Dưỡng phải được chuẩn bị từ vật liệu mềm dẻo phù hợp (ví dụ vải, lông cừu, giấy, v.v....), có thể duy trì hình dáng và kích thước của nó trong quá trình sử dụng.
Dưỡng là hình tròn và có kích thước như nêu trong bảng 6. Tâm của chúng phải được chỉ ra bằng cách đánh dấu thích hợp hoặc bằng cách cắt một lỗ nhỏ.
5.17.2.6 Lấy mẫu
Lấy ít nhất 2 mẫu thử trên một đôi (trong và ngoài) từ ba đôi giày ủng (cỡ nhỏ, trung bình và lớn) để có thể tiến hành ít nhất 6 phép thử va đập, 3 phép thử cho sự bảo vệ mắt cá chân bên trong và 3 phép thử cho sự bảo vệ mắt cá chân bên ngoài.
5.17.3. Chuẩn bị mẫu thử
Mẫu thử giày ủng được chọn phải vừa với chân của từng người theo đúng cỡ. Trong khi người thử đứng ở tư thế thẳng đứng, một người khác đánh dấu lên mũ giày ủng vị trí của mắt cá chân, dựa vào phần nhô ra nhiều nhất của xương mắt cá chân. Sau đó lắp một dưỡng có cỡ phù hợp lên trên chi tiết bảo vệ mắt cá chân sao cho tâm của nó trùng với tâm đã được đánh dấu trên mũ giày ủng.
Vùng thử được định ra bằng cách vẽ xung quanh dưỡng ở trên mũ giày, và mẫu thử có chứa tất cả các lớp vật liệu được hoàn thiện bằng cách cắt từ hình đã được đánh dấu trên dưỡng và ra bên ngoài mép của hình này ít nhất là 1,0 cm.
CHÚ THÍCH Không bắt buộc các mép thừa ra phải bao trùm toàn bộ mẫu thử. Nếu cần thiết, phần thừa ra có thể được sử dụng để gắn các lớp vật liệu với nhau, việc này rất có ích khi người thử tiến hành phép thử gần với đường viền của vùng va đập.
Bốn chi tiết bảo vệ mắt cá chân của một đôi giày ủng không cần thiết phải có hình dạng thống nhất nhưng chúng phải phù hợp ít nhất là với cỡ như nêu ra trong bảng 6.
Bảng 6 - Cỡ tối thiểu của chi tiết bảo vệ mắt cá chân
| Cỡ giày ủng | Đường kính tối thiểu, mm | |
| Hệ Pháp | Hệ Anh | |
| Nhỏ hơn và bằng 40 41 đến 43 Bằng và lớn hơn 44 | Nhỏ hơn và bằng 6 1/2 7 đến 9 Bằng và lớn hơn 9 1/2 | 56 60 64 |
5.17.4. Điều hoà
Mẫu thử và miếng mẫu thử phải được điều hoà ít nhất trong 24 giờ ở (23 ± 2) °C và độ ẩm tươi 50 % ± 5 % trước khi thử.
5.17.5. Cách tiến hành
Phép thử phải được tiến hành trong môi trường chuẩn ở (23 ± 2) °C và độ ẩm tương đối (50 ± 5) %.
Mẫu thử được đặt ở bề mặt bên ngoài hướng lên trên đe sao cho một phần của vùng thử bao trùm điểm giữa của đe. Mẫu thử được gắn vào vị trí đã chọn bằng cách phủ lên mẫu một tấm lưới hoặc vải mỏng có lỗ trung tâm đường kính 20 mm đến 25 mm để tránh ảnh hưởng đến kết quả. Dụng cụ phụ trợ này phải được kéo xuống bằng các dây đàn hồi với lực tổng cộng là 5 N đến 10 N, mà có thể được điều khiển bằng một hệ thống đo lực.
Búa va đập được lấy ra và ghi lại lực truyền cũng như sự phá huỷ hoặc nứt của mẫu thử.
Mẫu thử chỉ được thử một lần với mỗi điểm.
5.17.6. Báo cáo thử nghiệm
Báo cáo lực trung bình và giá trị lực đơn lẻ lớn nhất. Trong trường hợp cấu trúc trong và ngoài khác nhau, kết quả phải được báo cáo riêng với thiết bị bảo vệ mắt cá chân trong và ngoài của mũ giày ủng. Ghi lại bất kỳ sự phá hủy nào của mẫu thử.
6. Phương pháp thử cho mũ giày ủng, lót mũ và lưỡi gà
6.1. Xác định độ dày của mũ giày ủng
Xác định độ dày của mũ giày ủng theo ISO 4648 : 1991, phương pháp A1, sử dụng dụng cụ đo độ dày với chân ấn phẳng có đường kính 10 mm và lực là 1 N. Độ dày của mũ giày ủng phải bao gồm bất kỳ lớp vải nào.
6.2. Đo độ cao của mũ giày ủng
6.2.1. Chuẩn bị mẫu thử
Sử dụng giày ủng nguyên chiếc làm mẫu thử. Đánh dấu trục dọc của giày ủng, XY, xem hình 11, dọc theo đường XY.
CHÚ THÍCH Nếu các phép thử khác được tiến hành trên giày ủng, phần đầu cùa giày ủng phải được tháo ra trước (ví dụ phép thử va đập của pho mũi).
6.2.2. Phép đo
Chiều cao (tính theo mm) của mũ giày ủng là khoảng cách theo chiều thẳng đứng giữa điểm thấp nhất trên đế trong/lót mặt (nghĩa là giữa cửa khẩu Hb và phần sau của gót Bh (xem hình 33)) và điểm cao nhất của mũ giày ủng.

Hình 33 - Đo độ cao của mũ giày ủng
6.3 Xác định độ bền xé của mũ giày ủng, lót mũ và lưỡi gà
Xác định độ bền xé theo một trong các phương pháp sau (bất kỳ phương pháp nào thích hợp):
· TCVN 7122 -2 : 2006 (ISO 3377-2 : 2002) cho da;
· EN ISO 4674-1 : 2003 phương pháp B cho vải và vải tráng phủ.
Đối với vải và vải tráng phủ, sử dụng mẫu thử càng lớn càng tốt. Chiều rộng phải trong khoảng 25 mm và 50 mm và chiều dài trong khoảng 50 mm và 200 mm, với vết cắt dọc 20 mm ở tâm và song song chiều dài để tạo thành một mẫu thử có hình dạng như ống quần. Tiến hành phép thử với tốc độ không đổi là 100 mm/phút. Đối với vải dệt kim và vải không dệt, sử dụng mẫu thử lớn nhất có thể lấy từ giày ủng.
6.4. Xác định đặc tính kéo của vật liệu làm mũ giày ủng
Xác định đặc tính kéo của vật liệu làm mũ giày ủng theo phương pháp đưa ra trong bảng 7.
Bảng 7 - Đặc tính kéo
| Loại vật liệu | Phương pháp thử | Đặc tính kéo |
| Da váng | TCVN 7121 : 2006 (ISO 3376 : 2002) a | Lực kéo |
| Cao su b | TCVN 6408 : 1998 (ISO 2023 :1994) phụ lục D | Lực kéo đứt |
| Polyme c | TCVN 6411 : 1998 (ISO 4643 : 1992) | Modun giãn dài 100 %, Độ giãn dài khi đứt |
| a Sử dụng mẫu thử có I = 90 mm, b1= 25 mm. b Mẫu thử phải bao gồm cả lớp vải. c Tháo bỏ lớp vải trước khi thử. | ||
6.5. Xác định độ bền uốn của mũ giày ủng
Xác định độ bền uốn của mũ giày ủng theo một trong các phương pháp thích hợp sau;
• TCVN 6408: 1998 (ISO 2023:1994) - Phụ lục E đối với cao su (mẫu thử phải bao gồm cả lớp vải)
• TCVN 6411: 1998 (ISO 4643 :1992) - Phụ lục B đối với polyme (phép thử tiến hành ở - 5 °C)
6.6. Xác định độ thấm hơi nước
6.6.1. Nguyên tắc
Mẫu thử được cố định trên miệng của bình trong đó đựng một lượng chất rắn hút ẩm. Toàn bộ khối này được đặt trong một luồng khí mạnh ở môi trường đã được điều hòa.
Không khí bên trong bình chứa luôn bị khuấy động nhờ chất hút ẩm chuyển động do sự quay của bình chứa.
Bình được cân để xác định khối lượng ẩm đi qua mẫu thử và bị chất hút ẩm hấp thụ.
6.6.2. Thiết bị, dụng cụ
6.6.2.1. Bình hoặc lọ, được lắp với nắp vặn với miệng tròn có đường kính bằng với đường kính của cổ bình (khoảng 30 mm) (xem hình 34)
6.6.2.2. Mâm cặp, có dạng đĩa có thể quay với tốc độ (75 ± 5) vòng /phút nhờ một động cơ điện. Các bình được đặt lên đĩa này với các đường trục của chúng song song với trục của đĩa và ở khoảng cách 67 mm so với trục (xem hình 35).

Hình 34 - Bình sử dụng cho phép thử thấm hơi nước
Kích thước tính bằng milimét

Hình 35 - Mâm cặp để giữ bình trong phép thử thấm hai nước
6.6.2.3. Quạt, được lắp phía trước miệng các bình và gồm có ba cánh phẳng nghiêng góc với 1200. Các mặt phẳng của các cánh phải đi qua phần kéo dài của trục đĩa. Các cánh có kích thước khoảng 90 mm x 75 mm, và cạnh dài 90 mm của mỗi cánh gần với miệng của các bình đi qua chúng với khoảng cách không lớn hơn 15 mm (xem hình 36). Quạt chuyển động với tốc độ (1400 ± 100) vòng/phút. Thiết bị được sử dụng trong môi trường đã điều hoà ở (23 ± 2) °c và ở độ ẩm tương đối (50 ± 5) %.
Kích thước được tính bằng milimét

Hình 36 - Sơ đồ thiết bị sử dụng trong phép thử thấm hơi nước
6.6.2.4. Chất hút ẩm silicagel, được tái chế ít nhất 16 giờ trong tủ sấy có thông gió ở nhiệt độ (125 ± 5) °C, sau đó được làm mát đến nhiệt độ môi trường trong bình gắn kín. Kích thước hạt tinh thể phải lớn để sao cho chúng không lọt qua được mặt sàng cỡ 2 mm.
Chất hút ẩm phải được sàng trước khi tái chế để loại bỏ các vật nhỏ và bụi bẩn. Khi tái chế, nhiệt độ quy định 130 °C không được vượt quá vì có nguy cơ làm giảm khả năng hấp thụ của keo. Việc thông gió lò sấy nhờ quạt không cần thiết nhưng lò sấy không được bọc kín; điều này cho phép tiếp tục trao đổi không khí bên trong lò sấy với bên ngoài. Chất hút ẩm không được sử dụng khi nó nóng hơn so với mẫu thử và do nó mát dần trong bình kín nên cần kéo dài thời gian làm mát.
6.6.2.5. Cân, có độ chính xác đến 0,001 g
6.6.2.6. Đồng hồ bấm giờ
6.6.2.7. Dụng cụ, có thể đo chính xác đến 0,1 mm đường kính trong của cổ bình.
6 6.2.8. Thiết bị uốn trước, bao gồm:
Kẹp trên, gồm có một cặp tấm phẳng. Một tấm có dạng hình thang ABCD (xem hình 37) với góc nhọn ở điểm D được cắt tròn với bán kính 2 mm. Tấm này có gờ EF trên đó đặt nằm mẫu thử đã được gấp. Tấm còn lại có hình dạng EGHCF. Hai tấm có thể được bắt vít vào nhau để giữ một đầu của mẫu giữa chúng như được nêu trong hình 38. Vít K kéo các tấm vào nhau cũng tác động như chi tiết chặn ngăn ngừa một đầu của mẫu khỏi bị đẩy mạnh ra phía trước mặt trái của bộ kẹp. Giữa các tấm gần với mép AB là chi tiết chặn để ngăn ngừa chúng khỏi chạm nhau gần AB và do vậy, đảm bảo rằng chúng kẹp mẫu chặt gần F. Kẹp trên có thể chuyển động qua lại quanh trục ngang J nhờ động cơ.
Ở vị trí được chỉ ra trong hình 37 gờ EF nằm ngang, và đầu F là điểm cao nhất của nó. Kẹp hạ xuống qua góc một là 22,5° và trở về với tốc độ (100 ± 5) vòng/ phút, số vòng được ghi lại bằng bộ đếm.
Kẹp dưới, lắp cố định và nằm trong cùng một mặt phẳng đứng như bộ kẹp trên. Kẹp dưới gồm có một cặp tấm phẳng có thể bắt vít với nhau để giữ một đầu của mẫu giữa chúng. Nếu kẹp trên quay đến vị trí mà gờ EF nằm ngang (hình 37), mép trên của các tấm phẳng của kẹp dưới sẽ nằm ở vị trí thấp hơn gờ EF 25 mm.
Kích thước tính bằng milimét

Hình 37 - Kẹp trên
6.6.3. Chuẩn bị mẫu thử
6.6.3.1. Uốn sơ bộ
Cắt mẫu thử có kích thước 70 mm x 45 mm.
Quay động cơ đến khi gờ EF nằm ngang. Gấp đôi mẫu thử, với mặt cật vào trong và kẹp nó vào trên như được nêu trong hình 38 a) với một đầu của mẫu tỳ vào cái chặn và mép gấp tỳ vào gờ.
Kéo góc tự do của mẫu ra ngoài và xuống phía dưới như được nêu trong hình 38 b) sao cho bề mặt quay vào trong, kẹp quay ra phía ngoài và xuống dưới. Kéo mẫu xuống, đưa đồng thời hai góc không bị kẹp của mẫu, kẹp nó vào kẹp dưới (như được nêu trong hình 38 c) bằng phần gấp giữa các kẹp theo chiều đứng, và sử dụng lực không lớn so với yêu cầu để làm cho mẫu không bị chùng.
Bật máy thử và thực hiện 20 000 chu kỳ uốn gấp.
Tắt máy thử và tháo mẫu ra khỏi các kẹp.

Hình 38 - Lắp mẫu thử vào các kẹp
6.6.3.2. Cắt mẫu thử
Cắt một miếng mẫu hình tròn có đường kính bằng 34 mm từ mẫu thử đã được uốn sơ bộ, có tâm điểm mà các đường gấp uốn gặp nhau.
6.6.4. Tiến hành thử
Đổ chất hút ẩm mới tái chế vào bình đến mức nửa bình, cố định mẫu thử ở trên miệng bình bằng nắp vặn với mặt tiếp xúc với chân hướng ra ngoài. Đặt bình trong mâm cặp của thiết bị và bật máy thử.
Đo đường kính trong của cổ bình thứ hai (chính xác đến 0,1 mm) theo hai hướng vuông góc với nhau và tính đường kính trung bình theo milimet.
Nếu cần phải bịt kín chỗ tiếp xúc giữa mẫu thử và cổ bình, làm ấm bình thứ hai và bôi một lớp xi mỏng vào mặt phẳng cuối của cổ bình.
Sau hơn 16 giờ nhưng ít hơn 24 giờ tắt máy và tháo bình thứ nhất. Đổ chất hút ẩm đã tái chế đến nửa bình thứ hai và ngay lập tức tháo mẫu thử khỏi bình thứ nhất và đặt nó vào bình thứ hai (với cạnh tương tự hướng ra ngoài).
Nếu miệng bình được phủ lớp sáp, làm ấm bình ở nhiệt độ khoảng (50 ± 5) °C trước khi đưa chất hút ẩm vào và cố định mẫu thử.
Cân bình thứ hai cùng với mẫu thử và chất hút ẩm, có khối lượng M1, ghi lại thời gian càng nhanh càng tốt. Đặt bình trong mâm cặp và bật động cơ.
Sau thời gian ít nhất là 7 giờ và nhiều nhất là 16 giờ tắt máy thử và cân lại bình chính xác đến 0,1 g, được khối lượng M2 và một lần nữa ghi lại thời gian chính xác đến phút.
6.6.5. Tính toán và biểu thị kết quả
Tính toán độ thấm hơi nước (W3 theo mg/(cm2.h)) theo phương trình :

trong đó:
M= M2-M1 tính bằng miligam
M1 = khối lượng ban đầu của lọ có mẫu thử và silicagel, tính bằng miligam;
M2 = khối lượng cuối của lọ có mẫu thử và silicagel, tính bằng miligam;
A = pr2 = diện tích bề mặt của mẫu thử, tính bằng centimét vuông;
r = bán kính của bề mặt mẫu thử, tính bằng centimét;
t = thời gian giữa lần cân đầu tiên và thứ hai, tính bằng giờ.
6.7.Xác định độ hấp thụ hơi nước
6.7.1. Nguyên tắc
Vật liệu không thấm nước và mẫu thử được kẹp trên miệng của hộp chứa bằng kim loại có chứa 50 ml nước trong quá trình thử.
Độ hấp thụ nước của mẫu thử được xác định bằng sự chênh lệch khối lượng của nó trước và sau khi thử.
6.7.2. Thiết bị, dụng cụ
6.7.2.1. Hộp chứa bằng kim loại hình tròn có dung tích 100 cm3 và một vòng kẹp trên, giữa vật liệu không thấm nước và mẫu thử được kẹp (xem hình 39). Hộp chứa và vòng có đường kính trong bằng 3,5 cm tương ứng với mẫu thử có diện tích khoảng 10 cm2. Vòng phía trên được kẹp vào thiết bị bằng bulông lắp với đai ốc kiểu bản lề, hoặc bằng một thiết bị khác phù hợp.
Kích thước tính bằng milimét

Chú giải
1) Nắp trên
2) Đáy
3) Chi tiết bịt
4) Mẫu thử
CHÚ THÍCH Thiết bị kẹp phần trên phần dưới chỉ là minh họa
Hình 39 - Thiết bị dùng để xác định độ hấp thụ hơi nước
6.7.2.2. Cân, có độ chính xác đến 0,001 g.
6.7.2.3. Đồng hồ bấm giây.
6.7.3 Chuẩn bị mẫu thử
Cắt mẫu thử có đường kính 4,3 cm.
6.7.4. Tiến hành thử
Tiến hành thử trong môi trường điều hoà ở (23 ± 2) °C và độ ẩm tương đối (50 ± 5) %.
Cân mẫu thử đã được điều hoà và ghi khối lượng M1 của nó.
Đổ 50 ml nước vào hộp chứa và đặt mẫu thử phía trên hộp chứa có mặt tiếp xúc với chân hướng xuống dưới. Đặt đĩa kim loại hay cao su và vòng phía trên lên trên mẫu thử và vặn chặt ốc. Đảm bảo không có nước dính vào đáy của mẫu thử.
Tháo mẫu thử ra sau thời gian 8 giờ và cân ngay, ghi lại khối lượng M2 của nó.
6.7.5. Tính toán và biểu thị kết quả
Tính toán độ hấp thụ hơi nước theo công thức:

trong đó
W1: là độ hấp thụ hơi nước, tính bằng miligam trên centimet vuông;
M1: là khối lượng ban đầu của mẫu thử, tính bằng miligam;
M2 là khối lượng sau khi thử của mẫu thử, tính bằng miligam;
a là diện tích bề mặt thử, tính bằng centimet vuông.
Làm tròn kết quả chính xác đến 0,1 mg/cm2.
6.8. Xác định hệ số hơi nước
Tính hệ số hơi nước theo công thức:
W2 = 8 W3 + W1
trong đó
W2 là hệ số hơi nước, tính bằng miligam trên centimet vuông;
W3 là độ thấm hơi nuớc, tính bằng miligam trên centimet vuông trên giờ; (xem 6.6.5)
W1 là độ hấp thụ nước, tính bằng miiigam trên centimet vuông. (xem 6.7.5)
Làm tròn kết quả chính xác đến 0,1 mg/cm2.
6.9. Xác định giá trị pH
Xác định giá trị pH của da (mũ giày, lót lắc, lưỡi gà, đế trong và lót mặt) theo TCVN 7127 : 2002 (ISO 4045: 1977).
6.10. Xác định độ thuỷ phân của mũ giày ủng
Xác định độ thuỷ phân của mũ giày ủng theo phụ lục B của ISO 5423 : 1992, sau khi đã chuẩn bị và điều hoà theo mô tả trong phụ lục E của tiêu chuẩn này. Mẫu thử phải bao gồm cả lớp vải.
6.11. Xác định hàm lượng Crom VI
6.11.1. Nguyên tắc
Phương pháp này dùng để xác định hàm lượng Crom VI (Crom hoá trị 6) có trong da.
Crom VI có khả năng hoà tan được giải phóng khỏi mẫu thử ở pH 7,5 đến pH 8,0 và các chất ảnh hưởng đến sự phát hiện được loại bỏ bằng phương pháp chiết pha rắn, nếu cần thiết. Crom VI dung dịch oxy hoá 1,5-diphenylcarbazit đến 1,5- diphenylcarbazon để cho phức đỏ/tím với crom có thể xác định bằng phép trắc quang ở 540 nm.
Kết quả đạt được từ phương pháp mô tả trên phụ thuộc nhiều vào điều kiện quá trình chiết. Các kết quả thu được bằng cách sử dụng qui trình chiết khác (dung dịch chiết, pH, thời gian chiết, v.v...) không so sánh được với các kết quả thu được từ qui trình được mô tả trong tiêu chuẩn này.
6.11.2. Hóa chất
Tất cả các hoá chất sử dụng ít nhất phải là loại có cấp độ phân tích tinh khiết.
6.11.2.1. Dung dịch chiết
Hoà tan 22,8 g đikalihydrophosphat K2HPO4 3H2O trong 1 000 ml nước, điều chỉnh từ pH 7,9 đến 8,1 bằng axit phosphoric (6.11.2.3). Khử khí của dung dịch bằng argon hoặc nitơ để đuổi khí oxy.
6.11.2.2 Dung dịch Diphenylcarbazit
Hoà tan 1,0 g 1,5- diphenylcarbazit CO(NHNHC6H5)2 trong 100 ml axeton (CH3)2CO và cho thêm giọt axit axetic băng CH3COOH.
Dung dịch phải được giữ trong lọ thuỷ tinh mầu nâu. Thời gian sử dụng là sau 14 ngày ở 4 °C.
6.11.2.3. Dung dịch axit phosphoric
Cho thêm nước cất vào 700 ml axit o-phosphoric d = 1,71 g/ml để được 1 000 ml dung dịch.
6.11.2.4. Dung dịch Crom VI ban đầu
Hoà tan 2,829 g kali dicromat (K2Cr2O7) (6.11.2.8) trong nước vào bình định mức và cho thêm nước đến 1 000 ml. 1 ml dung dịch này chứa 1 mg crom.
6.11.2.5. Dung dịch Crom VI tiêu chuẩn
Dùng pipet lấy 1 ml dung dịch (6.11.2.4) vào bình định mức 1 000 ml và đổ nước cất đầy đến vạch mức. 1 ml dung dịch này có chứa 1 mg crom.
6.11.2.6. Argon và nitơ, không có oxy.
6.11.2.7. Nước cất theo TCVN 4851 (ISO 3696).
6.11.2.8. Kaii dicromat (K2Cr2O7), được làm khô trong (16 ± 2) giờ ở (102 ± 2) °C.
6.11.3. Thiết bị, dụng cụ
6.11.3.1. Máy lắc cơ học, (50 đến 150) lần/phút.
6.11.3.2. Bình nón, 250 ml có nút đậy
6.11.3.3. Ống thông gió và máy đo lưu lượng
6.11.3.4. Máy pH có điện cực thuỷ tinh
6.11.3.5. Phễu lọc màng có kích thước lỗ 0,45 mm, được làm bằng polytetrafloetylen (PTFE) hoặc ni lông.
6.11.3.6. Bình định mức, 25 ml, 100 ml, 1000 ml.
6.11.3.7. Pipet, thể tích danh định 0,2 ml, 0,5 ml, 1,0 ml, 2,0 ml, 5,0 ml, 10 ml, 20 ml và 25 ml
6.11.3.8. Máy quang phổ kế hoặc quang kế lọc màu, bước sóng 540 nm
6.11.3.9. Photometric cell (cuvet), bằng thạch anh, chiều dài 2 cm hoặc chiều dài khác phù hợp
6.11.3.10. Hộp (cartridges) bằng thủy tinh hoặc polypropylen, đổ đầy vật liệu đảo pha [3])
CHÚ THÍCH Trong thử nghiệm liên phòng hộp (cartridges) có chứa 1 g vật liệu chiết pha rắn (SPE) và hộp (cartridges) phải được thử và phải phù hợp. Tuy nhiên, trong một số trường hợp, nên sử dụng pha khác hoặc nhiều hơn 1g vật liệu chiết pha rắn. Trong mọi trường hợp, tỷ lệ thu hồi phải được thử rất cẩn thận. Than củi được chứng minh là không phù hợp với sự làm phai màu của chất chiết.
6.11.3.11. Hệ thống SPE (chiết pha rắn), có dụng cụ hút chân không hoặc ống tiêm y tế bền với dung môi.
6.11.4. Cách tiến hành
6.11.4.1. Chuẩn bị mẫu thử
Xay, mài da theo TCVN 7126 (ISO 4044).
6.11.4.2. Chuẩn bị dung dịch phân tích
Cân (2 ± 0,01) g da đã được xay chính xác đến 0,001 g. Dùng pipet lấy 100 ml dung dịch đã được loại khí (6.11.2.1) vào bình nón dung tích 250 ml (6.11.3.2) và cho da vào. Đậy bình nón lại.
Bột da được chiết bằng cách lắc trong máy lắc cơ học (180 ± 5) phút.
Thiết bị lắc phải được đặt sao cho bột da được khuấy trộn theo chuyển động vòng tròn nhẹ nhàng mà không bị dính vào thành bình. Tránh không để chuyển động quá nhanh.
Sau 3 giờ chiết thì kiểm tra pH của dung dịch. pH của dung dịch phải ở giữa pH 7,5 và pH 8,0. Nếu phần của dung dịch không nằm trong khoảng này thì quá trình phải được thực hiện lại.
Ngay sau khi chiết xong, dung dịch trong bình nón được lọc qua một phễu lọc màng vào bình thuỷ có nút ren.
6.11.4.3. Xác định Crom VI trong dung dịch thu được từ quá trình chiết
Hộp (Cartridges) được xử lý sơ bộ theo cách sau : đầu tiên rửa hộp (cartridges) bằng 5 ml metanol, sau đó bằng 5 ml nước cất và sau đó là bằng 10 ml dung dịch chiết (6.11.2.1). Hộp (Cartridges) không được để khô trong khi xử lý sơ bộ hoặc sau khi xử lý sơ bộ.
Từ dung dịch thu được theo 6.11.4.2, lấy 10 ml và chuyển qua hộp (cartridges) (6.11.3.10) trên hệ thống SPE bằng dụng cụ hút chân không (6.11.3.11). Nước rửa giải được cho vào bình định mức 25 ml Hộp (Cartridges) được rửa bằng 10 ml dung dịch chiết (6.11.2.1) cho vào bình 25 ml. Bình này được làm đầy bằng dung dịch chiết (6.11.2.1). Dung dịch này được đánh dấu là S1.
Dùng pipet lấy 10 ml dung dịch S1, cho vào bình định mức 25 ml. Dung dịch này được pha loãng đến 3/4 thể tích bình bằng dung dịch chiết (6.11.2.1). Thêm 0,5 ml dung dịch diphenylcarbazit (6.11.2.2) và sau đó thêm 0,5 ml axit phosphoric (6.11.2.3). Cho dung dịch chiết (6.11.2.1) vào đầy bình định mức và trộn đều.
Để bình trong (15 ± 5) phút. Đo độ hấp thụ của dung dịch ở 540 nm trong cuvet 2 mm đối chứng với dung dịch trắng (6.11.4.4). Giá trị ngừng hấp thụ được ghi lại là E1.
Đối với mỗi 10 ml dung dịch S1 khác được pipet vào bình định mức 25 ml và xử lý theo mô tả ở trên nhưng không cho thêm dung dịch diphenylcarbazit (6.11.2.2). Giá trị ngừng hấp thụ của dung dịch này được đo theo cùng một cách như trước và ký hiệu là E2
6.11.4.4. Dung dịch trắng
Đổ đầy ba phần tư bình định mức 25 ml bằng dung dịch chiết (6.11.2.1), thêm 0,5 ml dung dịch diphenylcarbazit (6.11.2.2) và 0,5 ml axit phosphoric (6.11.2.3), đổ đầy đến vạch mức bằng dung dịch chiết (6.11.2.1) và trộn đều. Dung dịch này phải được để trong chỗ tối. Dung dịch trắng này được xử lý giống với cách xử lý dung dịch phân tích, bao gồm cả chiết pha rắn.
6.11.4.5. Hiệu chuẩn
Các dung dịch hiệu chuẩn được chuẩn bị từ dung dịch chuẩn (6.11.2.5). Nồng độ crom trong các dung dịch này phải bao trùm khoảng đo mong muốn. Dung dịch hiệu chuẩn được chuẩn bị trong bình định mức 25 ml.
Có thể vẽ một đường hiệu chuẩn thích hợp bằng cách sử dụng dung dịch trắng và ít nhất 4 nồng độ được chuẩn bị bằng dung dịch crom chuẩn (6.11.2.5). Dùng pipet lấy các thể tích đã cho của dung dịch chuẩn (6.11.2.5) cho vào bình định mức 25 ml, thêm 0,5 ml dung dịch diphenylcarbazit (6.11.2.2) và 0,5 ml axit phosphoric (6.11.2.3) vào mỗi bình. Cho dung dịch chiết (6.11.2.1) vào đến thể tích của bình, trộn đều và để yên trong (15 ± 5) phút.
Giá trị ngừng hấp thụ của các dung dịch được đo trong cùng một cuvet như của mẫu thử ở 540 nm đối chiếu với mẫu trắng thu được theo 6.11.4.4.
Nồng độ crom VI tính bằng ng/ml được vẽ đồ thị tương ứng với giá trị ngừng hấp thụ đo được. Nồng độ crom VI thể hiện trên trục x và giá trị ngừng hấp thụ trên trục y.
CHÚ THÍCH Với phép thử trong phòng thí nghiệm, cuvet 2 cm là thích hợp nhất. Tuy nhiên, trong một vài trường hợp cuvet có chiều dài ngắn hơn có thể phù hợp.
6.11.5. Xác định tỷ lệ thu hồi
6.11.5.1. Ảnh hưởng của chất nền
Việc xác định tỷ lệ thu hồi rất quan trọng trong việc cung cấp thông tin về hiệu ứng chất nền có thể ảnh hưởng đến kết quả.
10m I dung dịch thu được theo 6.11.4.2 được định lượng với thể tích thích hợp của dung dịch crom VI lên gấp đôi xấp xỉ hàm lượng của sự cô đặc crom VI của dịch chiết (± 25 %). Sự cô đặc dung dịch được lựa chọn sao cho thể tích cuối cùng của dung dịch tối đa là 11 ml. Dung dịch này được xử lý tương tự như với mẫu thử (xem 6.11.4.3).
Giá trị ngừng hấp thụ của dung dịch phải nằm trong khoảng của đường hiệu chuẩn, mặt khác qui trình này được lặp lại với phần chia nhỏ hơn. Tỷ lệ thu hồi phải lớn hơn 80 %.
6.11.5.2. Ảnh hưởng của chất đảo pha
Một thể tích dung dịch 6.11.2.5 tương ứng với hàm lượng crom VI trong da được lấy bằng pipet cho bình định mức 100 ml và được làm đầy đến vạch mức bằng dung dịch chiết (6.11.2.1).
Dung dịch này được xử lý giống như dịch chiết của da. Hàm lượng crom trong dung dịch này được xác định theo cùng cách như với dịch chiết của da và được so sánh với hàm lượng đã tính toán. Trong trường hợp không phát hiện ra crom VI trong mẫu da, nồng độ của dung dịch này phải là 6 mg/100 ml. Tỷ lệ thu hồi phải lớn hơn 90 %. Nếu tỷ lệ thu hồi bằng hoặc nhỏ hơn 90 % thì chất đảo pha không phù hợp với qui trình này và phải được thay thế.
CHÚ THÍCH Nếu Crom VI cho thêm vào có thể không phát hiện được thì điều này chỉ ra rằng da chứa chất khử. Trong vài trường hợp, nếu tỷ lệ thu hồi theo 6.11.5.2 lớn hơn 90 %, và sau khi cân nhắc cẩn thận có thể kết luận rằng da không có crom VI (thấp hơn giới hạn phát hiện).
CHÚ THÍCH Tỷ lệ thu hồi là một chỉ dẫn để xem qui trình thực hiện hoặc hiệu ứng chất nền có ảnh hưởng đến kết quả hay không. Thông thường tỷ lệ thu hồi lớn hơn 80 %.
6.11.6. Tính toán và biểu thị kết quả
WCrVI = 
6.11.6.1 Tính toán hàm lượng crom VI
WCrVI = CrVI có thể hoà tan trong da (mg/kg)
E1 = Giá trị ngừng của dung dịch mẫu thử có DPC
E2 = Giá trị ngừng của dung dịch mẫu thử không có DPC
F = Gradien của đường hiệu chuẩn (y/x) (ml/mg)
A1 = Phần chia lấy từ dịch chiết của da (ml)
m = khối lượng ban đầu của da (g)
Vo = Thể tích dung dịch chiết (ml)
V1 = Thể tích từ đó lấy phần chia A1 (ml)
A2 = Phần chia lấy từ dung dịch S1 (ml)
V2 = Thể tích từ đó lấy phần chia từ S1 (ml)
6.11.6.2. Tỷ lệ thu hồi (theo 6.11.5.1)
RR = ((E3-E1)*100)/M2*F
Trong đó
RR = Tỷ lệ thu hồi tính theo %
M2 = Crom VI cho thêm vào mg/ml
F = Gradient của đường hiệu chuẩn theo ml/mg
E3 = Giá trị ngừng sau khi thêm crom VI
E1 = Giá trị ngừng trước khi thêm crom VI
6.11.6.3. Biểu thị kết quả
Trong trường hợp mức của Cr VI thấp hơn 10 mg/kg theo phân tích đã tiến hành thì crom VI là không phát hiện thấy.
Trong trường hợp mức của Cr VI bằng hoặc lớn hơn 10 mg/kg thì kết quả phân tích được báo cáo là da có chứa crom VI. Hàm lượng crom VI được tính theo mg/kg chính xác đến 0,1 mg.
6.11.7. Báo cáo thử nghiệm
Báo cáo thử nghiệm phải bao gồm các thông tin sau :
a) hàm lượng crom VI thu được từ 6.11.6.3, kết quả tính đến một chỉ số thập phân tính bằng mg/kg;
b) viện dẫn tiêu chuẩn này;
c) mô tả về mẫu thử
d) tỷ lệ thu hồi theo % nếu nhỏ hơn 80 % hoặc lớn hơn 105 %
e) chi tiết các sai lệch so với qui trình này.
6.12. Xác định độ bền mài mòn của lót mũ và Iót giày ủng
6.12.1. Nguyên tắc
Mẫu thử hình tròn được mài mòn trên vải mài mòn chuẩn dưới áp lực được xác định bằng chuyển động hai chiều theo chu kỳ theo hình Lissajous tạo thành do hai chuyển động hài hoà đơn giản với nhau ở góc phải. Độ bền mài mòn được đánh giá bằng cách để mẫu thử chịu tác động của một số vòng quy định và sau khi thử không được xuất hiện các lỗ thủng.
6.12.2. Thiết bị, dụng cụ
6.12.2.1. Máy mài4) đáp ứng các yêu cầu sau:
· Tốc độ quay của mỗi vành ngoài: (47,5 ± 5) vòng/phút
· Tỷ số truyền của vành ngoài: vành trong: 32 : 30
· Các kích thước của hình Lissajous : (60 ± 1) mm
· Tính đối xứhg của hình Lissajous : các đường phải song song và cách đều nhau.
· Đường kính bề mặt của chi tiết lồng bộ kẹp mẫu : (28,65 ± 0,25) mm
· Khối lượng kết hợp của bộ kẹp mẫu, trục quay và quả nặng : (795 ± 7) g
· Tính song song của tấm phẳng và bàn mài: ± 0,05 mm
· Tính song song chu vi tròn : ± 0,05 mm
· Đường kính của đế máy mài: (125 ± 5) mm
CHÚ THÍCH Xem phụ lục B.
Bộ kẹp mẫu thử và bàn mài phải phẳng và song song ở trên toàn bộ các bề mặt của chúng. Bộ truyền động từ động cơ đến máy phải được nối với bộ đếm và được bật sao cho các vòng quay của chốt ngoài được hiện ra và máy có thể dừng lại sau một số vòng đã xác định trước do bộ đếm đếm được.
6.12.2.2. Vải mài mòn chuẩn4) bao gồm vải len chải kỹ dệt chéo, vải mộc tuân theo bảng 8.
Vải mài mòn chuẩn được gắn trên bàn mài của máy phía trên một miếng lót nỉ. Lót nỉ phải là nỉ dệt thoi có khối lượng trên đơn vị diện tích là (750 ± 50) g/m2 và có độ dày là (3 ± 0,5)mm.
CHÚ THÍCH Lót nỉ không cần thay mới cho đến khi bị hỏng hay bị bẩn trên cả hai mặt hoặc cho đến được dùng để thử trong khoảng 100 giờ.
Bảng 8 - Vải mài mòn chuẩn
|
| Sợi dọc | Sợi ngang |
| Chỉ số sợi Số sợi trên centimet Số vòng xoắn đơn, vòng trên mét Số vòng xoắn đôi, vòng trên mét Đường kính xơ, mm | R 63 tex/2 17 540 ± 20 ‘Z’ 450 ± 20 'Z' 27,5 ± 2,0 | R 74 tex/2 12 500 ± 20 'Z' 350 ± 20 'Z' 29,0 ± 2,0 |
| Khối lượng trên đơn vị diện tích của vải, tối thiểu g/m2 | 195 | |
| Hàm lượng dầu, % | 0,9 ± 0,2 | |
6.12.2.3. Tấm lót mẫu thử, có khối lượng trên đơn vị diện tích nhỏ hơn 500 g/m2, gồm bọt xốp polyeteuretan 4) dày (3 ± 1) mm, tỷ trọng (30 ±1) kg/m3 và độ cứng lõm (5,8 ± 0,8) kPa, được cắt theo cùng kích thước như mẫu thử. Tấm lót phải được thay với mỗi lần thử.
6.12.2.4. Dao dập vải hay dao cắt vải, để tạo mẫu thử vừa với bộ kẹp có đường kính 38 mm.
6.12.2.5. Quả nặng có khối lượng (2,5 ± 0,5) kg và đường kính (120 ±10) mm.
6.12.2.6. Cân, có độ chính xác đến 0,001 g.
6.12.3. Môi trường thử
Môi trường thử phải có nhiệt độ (23 ± 2) °C và độ ẩm tương đối (50 ± 5) %.
6.12.4. Chuẩn bị mẫu thử và vật liệu thử
Sử dụng dao dập vải (6.12.2.4), cắt bốn mẫu thử hình tròn từ lót mũ, hai mẫu thử để thử khô và hai mẫu thử để thử ướt. Để các mẫu thử và vật liệu ở điều kiện môi trường chuẩn ít nhất trong 24 giờ.
6.12.5. Cách tiến hành
6.12.5.1. Qui định chung
Kiểm tra tấm trên và bàn mài có song song với nhau không. Lắp đồng hồ lực qua giá đỡ trục quay và dịch chuyển tấm trên bằng cách quay trục truyền động bằng tay. Chuyển động của kim đồng hồ đo lực phải ở trong khoảng ± 0,05 mm trên toàn bề mặt của bàn mài. Nếu máy được sử dụng có bộ kẹp mẫu nối với các quả nặng nhờ trục quay, lắp ráp mỗi bộ kẹp mẫu thử trống không và đặt vào vị trí thích hợp trên bàn mài và lắp trục quay, sử dụng dụng cụ đo khe hở để kiểm tra khe hở giữa mặt của bộ kẹp lược lắp và bàn. Khe hở phải không được lớn hơn 0,05 mm. Lắc trục quay từ bên này sang bên kia và kiểm tra lại bằng dụng cụ đo khe hở. Để tránh làm hỏng bàn mài và chi tiết lồng kim loại, khôg được chạy máy bằng chi tiết lồng kim loại khi tiếp xúc với bàn mài để hở.
6.12.5.2. Lắp mẫu thử
Tháo vòng ngoài của bộ kẹp mẫu thử cùng với chi tiết lồng kim loại đi kèm, lồng mẫu thử vào giữa vòng ngoài sao cho mặt được mài lộ qua lỗ.
Đối với các mẫu thử bằng vải có khối lượng trên đơn vị diện tích nhỏ hơn 500 g/m2, lồng đĩa mút xốp polyeteuretan (6.12.2.3) có cùng đường kính như mẫu thử vào. Sử dụng tấm lót mới cho mỗi lần thử. Đặt chi tiết lồng kim loại cẩn thận vào trong vòng phía ngoài để cho bề mặt nhô lên của nó nằm cạnh mẫu thử. Hoàn chỉnh lắp ráp bộ kẹp mẫu thử bằng vặn ren lên tấm dưới trong khi ép mặt của mẫu thử chặt với mặt phẳng cứng để tránh nếp gấp. Kiểm tra không để nếp nhăn xuất hiện. Lặp lại đối với các mẫu thử còn lại.
6.12.5.3. Chuẩn bị vải mài mòn và vải lót để thử ướt
Làm ướt toàn bộ vải mài mòn và lót nỉ bằng một trong các cách sau:
a) ngâm vào nước để qua đêm;
b) lắc toàn bộ trong nước;
c) làm ướt bằng cách phun nước dưới áp suất cao.
Để nước thừa ráo hết và lắp chúng theo 6.12.5.4
Khi thực hiện được 6400 vòng, làm uớt lại vải mài mòn và lót nỉ bằng cách rót từ từ đến 30 ml nước và chà nhẹ bằng đầu ngón tay. Đặt quả nặng (6.12.2.5) lên vải và để vài giây để ép nước thừa ra.
6.12.5.4. Lắp vải mài mòn
Lắp miếng vải mài mòn chuẩn mới (6.12.2.2) lên mỗi bàn cùng miếng lót nỉ có cùng kích thước ở dưới vải mài mòn chuẩn. Làm phẳng vải mài mòn chuẩn bằng cách đặt quả nặng (6.12.2.5) lên bề mặt của nó và sau đó định vị và kéo căng cho phẳng. Đảm bảo vải mài mòn ở vị trí chắc chắn và không có nếp nhăn hoặc gợn lên.
6.12.5.5. Lắp bộ kẹp mẫu thử
Lắp bộ kẹp mẫu thử trong máy mài.
Mỗi khi bộ kẹp được tháo khỏi máy để kiểm tra mẫu thử, vặn chặt lại bộ kẹp trước khi thay mẫu trên máy.
Nếu trong quá trình thử có xuất hiện vón gút thì không được cắt bỏ.
6.12.6. Phương pháp đánh giá
Tiếp tục phép thử cho đến khi hoặc xuất hiện các lỗ thủng trên mẫu thử hoặc thực hiện được 25 600 vòng thử đối với mẫu khô (12 800 vòng thử đối với mẫu thử ướt). Nếu vải có tuyết lông, chỉ cần tính các lỗ ở vải nền. Đánh giá thực hiện bằng mắt thường.
6.13. Xác định độ thấm nước và hấp thụ nước của mũ giày ủng
6.13.1. Nguyên tắc
Vật liệu được nhúng một phần vào nước và được uốn trên máy ở các điều kiện giống như các điều kiện khi sử dụng. Thực hiện các phép đo sau:
a) mức tăng phần trăm về khối lượng của mẫu thử do hấp thụ nước trong 60 phút kể từ lúc bắt đầu thử;
b) khối lượng nước đi qua mẫu thử sau 60 phút thử.
6.13.2. Thiết bị, dụng cụ
6.13.2.1. Thiết bị, dụng cụ thử bao gồm
6.13.2.1.1. Hai xylanh, đường kính 30 mm, được làm từ vật liệu cứng trơ, được đặt ngang theo trục và lồng trục với nhau. Một xylanh được lắp cố định và xylanh kia di động dọc theo hướng trục của nó.
6.13.2.1.2. Động cơ điện, để tạo chuyển động tiến lùi cho xylanh di động theo trục của nó với chuyển rộng của tay biên 50 lần/phút. Khi xylanh di động ở khoảng cách lớn nhất của nó đối với xylanh cố định, các mặt phẳng liền kề của hai xylanh phải cách nhau là 40 mm.
6.13.2.1.3. Bể chứa, để chứa nước cất, trong đó mẫu thử hình lõm có thể nhúng từng phần.
6.13.2.1.4. Tấm kim loại, được đỡ bằng lò xo dựa lên trục của vải thấm nước, tác động một lực từ 1 N đến 2 N.
6.13.2.2. Kẹp tròn, để kẹp các cạnh dài của mẫu thử xung quanh cạnh tiếp giáp của các xylanh sao cho nó tạo nên hình dạng máng mà hai đầu máng được bịt kín bằng các xylanh.
6.13.2.3. Vải thấm, được sử dụng để thấm nước chuyển qua bên trong của máng tạo thành bởi mẫu thử. Khả năng thấm nước của vật liệu có thể không được tối ưu khi còn mới. Do đó, nên giặt vải trước khi sử dụng chúng lần đầu.
CHÚ THÍCH Vải phù hợp là một tấm hình chữ nhật của vật liệu dệt kiểu khăn bông có kích thước khoảng 0 mm x 40 mm với khối lượng khoảng 300 g/m2.
6.13.2.4. Cân, có độ chính xác đến 0,001 g
6.13.2.5. Đồng hồ, có thể đo chính xác đến 1 phút.
6.13.3. Chuẩn bị mẫu thử
Cắt từ mũ giày ủng một miếng hình chữ nhật có kích thước 75 mm x 60 mm. Đánh bóng nhẹ bề mặt tiếp xúc với chân bằng cách chà xát bằng giấy nhám độ mịn 180 và đặt một tấm phẳng cứng ép một lực 10 N lên trên và di chuyển nó 100 mm 10 lần.
Vải thấm cũng phải được điều hoà trước khi sử dụng.
6.13.4. Cách tiến hành
Điều chỉnh thiết bị để nén mẫu thử 7,5 %.
Cân mẫu thử với độ chính xác là 0,001 g và ghi lại khối lượng M1 của nó.
Lắp mẫu thử vào thiết bị sao cho mặt ngoài của mũ giày tiếp xúc với nước, như sau:
Đặt hai xylanh ở khoảng cách tối đa giữa chúng, bọc mẫu thử quanh các đầu liền kề của xylanh sao cho tạo nên máng trũng, gờ của máng trũng là cạnh ngắn của mẫu thử, nằm ngang cùng mức. Kéo nhanh mẫu thử nằm giữa hai xylanh để loại bỏ các nếp gấp, dùng vòng kẹp để kẹp mẫu vào xylanh với chiều dài mẫu bị kẹp bằng nhau (khoảng 10 mm). Mép bên trong của hai vòng kẹp phải nằm càng sát với các bề mặt của cạnh tiếp giáp của xylanh càng tốt, sao cho chiều dài của máng trũng bằng đúng với chiều dài tự đo của mẫu thử giữa hai kẹp.
Cân vải thấm (6.13.2.3) và ghi lại khối lượng P1 của nó, cuộn vải thấm để tạo thành một xylanh dài 40 mm và đặt ngay nó vào máng trũng được tạo thành bởi mẫu thử. Đặt tấm phẳng (6.13.2.1.4) lên trên vải thấm.
Nâng mức nước trong bể chứa đến khi nước nằm ở mức thấp hơn đỉnh của các xylanh 10 mm.
Khởi động động cơ. Tắt động cơ sau 60 phút.
Lấy tấm kim loại ra, tháo vải thấm và lau hết nước thừa trong máng trũng, cân lại vải và ghi khối Iượng P2 của nó.
Tháo mẫu thử ra, thấm nước còn dính và cân lại, khối lượng của này là M2.
6.13.5. Tính toán và biểu thị kết quả
Tính độ thấm nước, Wp, tính bằng gam, theo công thức:
Wp = P2 – P1,
trong đó
P1 là khối lượng ban đầu của tấm vải thấm, tính bằng gam;
P2 là khối lượng sau khi thử của tấm vải thấm, tính bằng gam.
Tính độ hấp thụ nước, Wa là phần trăm của khối lượng, theo công thức:

trong đó
M1 là khối lượng ban đầu của mẫu thử, tính bằng gam;
M2 là khối lượng sau khi thử của mẫu thử, tính bằng gam.
6.14. Xác định độ bền cắt của mũ giày ủng
Phép thử phù hợp với phương pháp mô tả trong điều 6.2 của EN 388 : 2003, đưa ra các thay đổi sau:
6.14.1. Chuẩn bị mẫu thử
Lấy ba mẫu giày ủng, sau đó cắt hai mẫu thử từ vùng bảo vệ của mỗi mẫu giày ủng. Kích thước của mẫu thử là 100 mm x 80 mm.
6.14.2. Cách tiến hành
Tiến hành một phép thử với mỗi mẫu thử.
7. Phương pháp thử cho đế trong và lót mặt
7.1. Xác định độ dày của đế trong
Cắt rời đế ở vùng có vân đế và đo độ đày của đế trong, sử dụng thị kính với thang chia độ là 0,1 mm.
7.2. Xác định độ hấp thụ nước và độ giải hấp của đế trong và lót mặt
7.2.1. Nguyên tắc
Một mẫu thử được đặt trên một bệ phẳng ướt và được uốn gấp lặp đi lặp lại dưới một lực xác định (giống như khi đế trong của giày chịu tác động trong quá trình người sử dụng đi bộ).
Độ hấp thụ nước khi kết thúc phép thử và độ giải hấp sau phép thử được xác định.
7.2.2. Thiết bị, dụng cụ
Xem hình 40, bao gồm:
7.2.2.1. Trục lăn bằng đồng thau (A), có đường kính (120 ± 1) mm và rộng (50 ± 1) mm, được đặt, mẫu thử(B).
7.2.2.2. Tấm đế (C), có bề mặt trên được làm ráp và có các lỗ để bề mặt này luôn được giữ ẩm dòng nước đi qua tấm đế. Bề mặt trên của tấm đế (C) được phủ bởi một miếng gạc bông có 50 % bông và 50 % polyamid có khối lượng trên đơn vị diện tích là (60,5 ± 2) g/m2.
7.2.2.3. Ngàm kẹp (D), để giữ một đầu ngắn của mẫu thử (B) ở vị trí nằm ngang so với tấm đế (C).
7.2.2.4. Ngàm kẹp (E), để gắn đầu ngắn còn lại của mẫu thử với trục lăn với bề mặt được gắn song song với trục của trục lăn. Ngàm kẹp này được giữ bởi một lò xo yếu để duy trì mẫu thử ở trạng thái căng vừa phải.
7.2.2.5. Dụng cụ cung cấp nước (F), đi qua tấm đế (C) và có phần tháo nước dư.
7.2.2.6. Dụng cụ di chuyển trục của trục lăn, với chuyển động “tiến - lùi” dọc theo trục X-X với biên độ là (50 ± 2) mm qua điểm thẳng phía trên của điểm giữa của mẫu thử với tần số là (20 ± 1) kỳ/phút. Chuyển động của trục này làm cho trục lăn chuyển động qua lại dọc theo mẫu thử, kéo đầu mẫu thử lên và uốn chúng phù hợp với hình dạng của trục lăn.
7.2.2.7.Dụng cụ (G) nén tấm đế, mẫu thử và trục lăn với nhau với lực là (80 + 5) N
7.2.2. 8.Dao dập, để cắt mẫu thử có kích thước (110 ± 11) mm x (40 ± 1) mm.
7.2.2.9. Cân, có độ chính xác đến 0,001 g.
7.2.2.10. Đồng hồ, có độ chính xác đến 1 giây.
7.2.2.11. Keo Silicon, hoặc chất kết dính thích hợp.
Kích thước tính bằng milimét

Hình 40 - Biểu đồ của thiết bị thử
7.2.3. Lấy mẫu và điều hoà
Trong trường hợp mẫu thử là giày ủng, miếng mẫu thử phải được lấy ở phần trước của đế trong theo hướng dọc. Đối với vật liệu dạng tấm, mẫu thử phải được lấy theo hai hướng riêng, vuông góc với nhau.
Miếng mẫu thử phải là một miếng có kích thước (110 ± 11) mm x (40 ± 1) mm.
Dùng một chút keo Silicon hoặc chất kết dính thích hợp phủ lên các gờ mép của miếng mẫu thử để ngăn không cho nước vào qua các mép.
7.2.4. Cách tiến hành
Cân mẫu thử chính xác đến 0,001 g (M0).
Đặt miếng gạc bông lên tấm đế (C).
Gắn mẫu thử vào thiết bị thử với bề mặt tiếp xúc với chân của người đi tiếp xúc với tấm đế (C) đã phủ miếng bông gạc ở trên. Kẹp các cạnh ngắn của mẫu thử vào tấm đế và trục lăn, và sử dụng một lực là (80 ± 5) N.
Mở van đế cho dòng nước đi qua tấm đế và điều chỉnh tốc độ là (7,5 ± 2,5) ml/phút.
Bật máy thử và ghi lại thời gian.
Tiến hành thử trong 4 giờ, dừng cung cấp nước trước khi tắt máy thử 1 phút. Có thể giảm thời gian thử nếu thấy vật liệu thử đã bão hoà.
CHÚ THÍCH Vật liệu đã bão hoà khi sai lệch kết quả giữa hai lần đo cách nhau 15 phút không vượt quá 20 mg.
Tháo mẫu thử ra và cân chính xác đến 0,001 g, ghi lại khối lượng này là (WF).
Điều hoà lại mẫu thử bằng cách treo nó trong môi trường đã được điều chỉnh (xem điều 4) trong thời gian 24 giờ, sau đó cân lại mẫu chính xác đến 0,001 g (MR).
7.2.5. Biểu thị kết quả
7.2.5.1. Độ hấp thụ nước
Tính độ hấp thụ nước, WA, tính bằng mg/cm2, theo công thức:

trong đó
M0 là khối lượng ban đầu của mẫu thử, tính bằng gam;
MF là khối lượng sau khi thử của mẫu thử, tính bằng gam;
A là diện tích của mẫu thử, tính bằng cm2
Biểu thị độ hấp thụ nước chính xác đến 1 mg/cm2.
7.2.5.2. Độ giải hấp
Tính độ giải hấp, WD, tính bằng phần trăm khối lượng nước đã hấp thụ được xác định theo công thức

trong đó
Mo là khối lượng ban đầu của mẫu thử, tính bằng gam;
MF là khối lượng sau khi thử của mẫu thử, tính bằng gam;
MR là khối lượng của mẫu thử được điều hoà lại, tính bằng gam.
Biểu thị độ giải hấp chính xác đến 1 %.
7.2.6. Báo cáo thử nghiệm
Báo cáo thử nghiệm bao gồm :
a) kết quả độ hấp thụ nước và độ giải hấp theo điều 7.2.5.1 và 7.2.5.2;
b) nguồn gốc và mô tả đầy đủ về mẫu thử;
c) mô tả quá trình lấy mẫu, nếu có;
d) viện dẫn phương pháp thử, các sai lệch so với phương pháp thử, nếu thích đáng.
7.3. Xác định độ bền mài mòn của đế trong
7.3.1. Nguyên tắc
Mẫu thử được chà xát với miếng lót nỉ len trắng ướt, được phủ bởi một miếng vải mài mòn dưới một lực nén qui định và với một số chu kỳ chuyển động "tiến và lùi”. Phép thử được tiến hành trên vật liệu đế trong đã điều hoà, và sự hư hỏng do mài mòn được đánh giá bằng mắt thường.
7.3.2. Thiết bị, dụng cụ 5)
7.3.2.1. Thiết bị thử, có các đặc điểm sau :
a) bộ phận quay có một mặt bệ kim loại phẳng và nằm ngang, một kẹp để kẹp chặt vật liệu cho phép lộ ra 80 mm và một dụng cụ cho phép mẫu thử được duy trì dưới một lực căng nhẹ theo hướng chà xát;
b) đầu mài có khối lượng 500 g, có thể tháo mở được nhưng có khả năng cố định chặt với một mặt đáy kích thước 15 mm x 15 mm, một dụng cụ để gắn các miếng lót nỉ len (7.3.2.2) vào mặt đáy, một tải trọng bổ sung là 500 g và các phương tiện dẫn hướng đầu mài khi đủ tải trọng (tổng khối lượng là 1 kg) lên mẫu thử;
c) các phương tiện để truyền động cho bộ phận tiến lùi với biên độ là 35 mm và tần số là (40 ± 2) lần/phút.
CHÚ THÍCH Các chi tiết sau là thích hợp, nhưng không phải là chi tiết nhất thiết phải có của thiết bị:
- dụng cụ để di chuyển đầu mài vuông góc với hướng chà xát, sao cho hai hay ba đường chuyển có thể được sử dụng để chà xát trên một mẫu thử;
- dụng cụ để lựa chọn trước số chu kỳ chà xát.
7.3.2.2. Lót len, các miếng nỉ len trắng, hình vuông có kích thước 15 mm x 15 mm, dày (5,5 ± 0,5) mm được cắt từ tấm nỉ len trắng sạch với các thông số sau:
a) khối lượng trốn đơn vị diện tích là (1750 ± 100) g/m2;
b) độ hút nước trung bình là (1,0 ± 0,1) ml;
c) pH từ 5,5 đến 7,0 đối với phần chiết được chuẩn bị bằng cách lắc 5 g nỉ nền với 100 ml nước cất trong 2 giờ trong chai polyetylen.
7.3.2.3. Vải mài mòn, cắt từ vải như qui định trong bảng 8 có kích thước phù hợp để phủ lên miếng lót nỉ và để gắn nó với đầu mài.
7.3.3. Chuẩn bị mẫu thử
Cắt một miếng hình chữ nhật có kích thước tối thiểu là 120 mm x 20 mm.
7.3.4. Chuẩn bị lót mài mòn
Điều hoà lót len (7.3.2.2) và vải mài mòn (7.3.2.3) ở nhiệt độ (23 ± 2) °C và độ ẩm tương đối (50 ± 5)% trong 48 giờ, sau đó cân lót len.
Đối với mỗi mẫu thử, đặt bốn lót và bốn miếng vải mài mòn hình chữ nhật trong nước cất, gia nhiệt đến khi sôi và để sôi nhẹ đến khi chúng chìm xuống. Sau đó chắt nước nóng ra và thay bằng nước cất lạnh. Để nguyên cho đến khi các lót len và vải mài mòn đạt đến nhiệt độ phòng.
Trước khi sử dụng, lấy từng lót và vải mài mòn ra khỏi nước và vắt nước hay thấm sạch nó sao cho không còn nhỏ nước. Các lót phải không được để nhúng trong nước lâu hơn 24 giờ trước khi sử dụng.
Kiểm tra lại bằng cách cân để khẳng định lượng nước hút của mỗi lót và vải mài mòn là (1,0 ± 0,1)
7.3.5. Cách tiến hành
Buộc chặt mẫu thử lên thiết bị và căng nhẹ để giữ nó phẳng.
Gắn lót len ướt vào đầu mài, phủ miếng vải mài mòn ướt lên và giữ chặt nó với đầu mài bằng một nẹp hoặc vòng cao su để tránh không có nếp gấp của vải phủ lên bề mặt của lót len. Đặt đầu mài các của mẫu thử 5 mm. Gắn thêm tải trọng bổ sung 500 g vào đầu mài.
Thực hiện 100 chu kỳ, nâng đầu mài, và kiểm tra vùng thử các hư hỏng do mài mòn.
Thay lót len và vải mài mòn mới và tiến hành thêm 100 chu kỳ nữa.
Thay lót len và vải mài mòn sau mỗi 100 chu kỳ và dừng việc thử khi sự phá huỷ do mài mòn trên mẫu thử tương đương hoặc nhiều hơn so với mức độ "được chấp nhận” của mẫu thử đối chứng, hoặc sau 400 chu kỳ.
7.3.6. Phương pháp đánh giá
Kiểm tra bề mặt mài của mẫu thử bằng mắt và đánh giá các phá huỷ do mài mòn bằng cách so sánh với miếng đối chứng6) của cùng loại vật liệu.
8. Phương pháp thử cho đế ngoài
8.1. Xác định độ dày của đế ngoài
8.1.1. Xác định sự phù hợp của vùng có vân đế
Kiểm tra bằng mắt và ghi lại xem, trừ vùng bên dưới cạnh của pho mũi, ít nhất vùng gạch chéo như chỉ ra trong hình 41 có vân ở cả bề mặt hay không.
Kích thước tính bằng milimét

Hình 41 - Vùng vân đế

Hình 42 - Đế ngoài được phun đúc trực tiếp, lưu hoá và được dán
8.1.2. Độ dày của đế ngoài
Đo độ dày, d1, hoặc chiều cao vân đế, d2, như chỉ ra trong hình 42 a) hoặc b), hình 43 hoặc hình 44, sử dụng một dụng cụ thích hợp có thang chia độ là 0,1 mm, sau khi cắt đế qua vùng đi của giày ủng tương ứng với vùng được gạch chéo trong hình 41. Nếu có lỗ trong đế thì khi đo giá trị d1, bỏ qua lỗ đó. Đối với giày ủng làm hoàn toàn từ cao su và polyme, đo thêm giá trị d3 như chỉ ra trong hình 44.
Kích thước tính bằng milimét

8.2. Xác định độ bền xé của đế ngoài
Xác định độ bền xé của đế ngoài không phải bằng da theo phương pháp A của ISO 34 - 1 : 2004.
Mẫu thử phải được lấy theo chiều ngang so với trục dọc của vùng thắt của mẫu giày ủng, nếu có thể
8.3. Xác định độ bền mài mòn của đế ngoài
Xác định độ bền mài mòn của đế ngoài không phải bằng da theo phương pháp A của ISO 4649 : 2002 (với lực thẳng đứng là 10 N trên một khoảng cách mài mòn là 40 m). Mẫu thử có thể được lấy từ bất kỳ chỗ nào trên đế.
8.4. Xác định độ bền uốn của đế ngoài
8.4.1. Phép thử độ cứng
8.4.1.1. Thiết bị, dụng cụ
Thiết bị thử bao gồm:
8.4.1.1.1. Tấm nhẵn có bản lề bằng kim loại, được gắn chặt với một bệ cứng
8.4.1.1.2. Thiết bị kẹp, dùng để gắn phần trước của giày ủng được thử vào bệ cứng
8.4.1.1.3. Cảm biến, có thể đo lực trong khoảng 0 N đến 50 N, với độ chính xác là ± 1 %, được gắn định vào tấm có bản lề ở khoảng cách là 315 mm tính từ bản lề.
8.4.1.2. Chuẩn bị mẫu thử
Sử dụng giày ủng nguyên chiếc làm mẫu thử. Chọn giày ủng cỡ trung bình. Nó thông thường là cỡ 42 theo hệ Pháp/ cỡ 8 theo hệ Anh hoặc cỡ 39 theo hệ Pháp/ cỡ 6 theo hệ Anh.
Đánh dấu trục dọc của giày ủng, XY, theo phương pháp mô tả trong 5.3.2.
Đường thẳng uốn được định nghĩa là đường thẳng vuông góc với trục dọc của giày ủng đi qua điểm một phần ba của đường XY tính từ điểm X ở pho mũi. Đường thẳng uốn là đường AC (xem hình 45).
8.4.1.3 Qui trình thử
Kẹp phần đầu của mẫu giày ủng vào bệ cứng bằng cách sử dụng một khối cứng (tương đương với phần đầu của phom giày) sao cho đường thẳng uốn gấp AC thẳng hàng với trục bản lề của tấm phảng (8.4.1.1.1), xem hình 45.
Gờ mép của khối cứng phải được đặt ở vị trí 10 mm phía trước đường uốn gấp (A-C như chỉ ra trong hình 46).
CHÚ THÍCH Khi phần trước của giày được cố định thì có thể gót không chạm vào tấm nhẵn.
Đo góc uốn gấp a khi lực bằng (30 ± 0,5) N được tác dụng lên mặt nền của tấm có bản lề (8.4.1.1.1) ở khoảng cách 315 mm tính từ tâm của bản lề (xem hình 47).
Lực 30 N được tác dụng theo cách tăng lên từ từ với tốc độ tăng là (100 ± 10) mm/phút.
Có thể cho thêm chất bôi trơn dưới gót giày ủng để phép thử dễ dàng hơn.

Hình 45 – Vị trí của đường uốn gấp trên đế
Kích thước tính bằng milimét

Chú giải
1 Đường thẳng uốn gấp
Hình 46 – Vị trí của giày ủng trên máy thử
8.4.1.4. Tiêu chuẩn lựa chọn
Giày ủng mà góc của nó dưới tác dụng của lực nhỏ hơn 45° so với đường nằm ngang thì sẽ không chịu phép thử uốn gấp như mô tả trong 8.4.2.
Kích thước tính bằng milimét

8.4.2. Phép thử uốn gấp
8.4.2.1. Thiết bị, dụng cụ
8.4.2.1.1. Thiết bị thử như mình họa trong hình 48. Mẫu thử phải được dẫn hướng sao cho trên một mặt nó có thể bị uốn cong một góc 90° quanh trục có bán kính 15 mm.
Kích thước tính bằng milimét

Hình 48 - Thiết bị thử độ bền uốn của đế ngoài
8.4.2.1.2. Dụng cụ cắt, như minh họa trong hình C.2 của ISO 5423 : 1992.
8.4.2.1.3. Thiết bị đo phóng đại, có khả năng phóng đại chính xác đến 0,1 mm.
8.4.2.2. Chuẩn bị mẫu thử
Lấy phần đế giày ủng được tách khỏi mũ giày ủng làm mẫu thử.
Xác định đường uốn gấp như mô tả trong 8.4.1.2.
Đánh dấu điểm để sau đó gài dụng cụ cắt vào như sau:
Tìm trung điểm của đường AC, sau đó xác định các vân đế liền kề nhau càng gần trung điểm đường AC càng tốt. Đánh dấu đường ở giữa đế giữa các vân đế (xem hình 49).
Kích thước tính bằng milimét

Hình 49 - Vết rạch đế
8.4.2.3. Cách tiến hành
Đảm bảo thiết bị thử (8.4.2.1.1) ở vị trí chưa uốn gấp (xem hình 48) và kẹp chặt mẫu thử vào thiết bị thử sao cho đường uốn gấp AC song song với đường tâm của trục và cắt điểm đã được đánh dấu 8.4.2.2 ở ngay phía trên của tâm trục. Điều chỉnh thiết bị thử cho đến khi mẫu thử bị uốn gấp lớn nhất, ở trạng thái mở rộng hoặc bị kéo căng. Tạo một vết rạch đơn tại điểm đã đánh dấu theo 8.4.2.2 bằng Iưỡi cắt của dụng cụ cắt (8.4.2.1.2) song song với đường uốn gấp AC. Dụng cụ cắt này phải cắt qua toàn bộ độ dày của đế ngoài và xuyên vào đế trong hoặc lớp tương đương.
Nếu có nhiều vật liệu cấu thành đế, phải thực hiện vết rạch khác, nhưng phải tránh không cắt vào vùng cách 15 mm so với đường mép của đế.
Đo chiều dài bên trong của vết cắt trên bề mặt của mẫu thử bằng dụng cụ đo phóng đại (8.4.2.1.3).
Tiến hành 30 000 chu kỳ bắt đầu từ trạng thái uốn cực đại với mẫu thử sẽ trải qua sự biến dạng ở số lần uốn gấp không đổi giữa 135 chu kỳ/phút và 150 chu kỳ/phút.
Khi hoàn thành 30 000 chu kỳ, thiết bị thử không được ở vị trí bị uốn gấp hoàn toàn.
Sau 30 000 chu kỳ, đo chiều dài của vết cắt trên bề mặt mẫu thử bằng dụng cụ đo phóng đại (8.4.2.1.3).
Sự phát triển vết cắt = (chiều dài vết cắt sau khi thử) - (chiều dài vết cắt ban đầu).
8.5. Xác định độ thuỷ phân của đế ngoài
Xác định độ thuỷ phân theo phụ lục C của ISO 5423 : 1992, sau khi chuẩn bị và điều hoà theo phụ lục E của tiêu chuẩn này. Mẫu thử phải bao gồm cả lớp vải, có độ dày là (3 ± 0,2) mm và được điều hoà sơ bộ ở (23 ± 2) °C, trước khi thử.
8.6. Xác định độ chịu nhiên liệu đốt lò (FO)
8.6.1. Phương pháp chung
8.6.1.1. Dung dịch thử
Sử dụng 2, 2, 4- trimetylpentan, loại thuốc thử thông dụng.
8.6.1.2. Chuẩn bị mẫu thử
Từ đế ngoài cắt hai miếng hình tròn có đường kính (16 ±1) mm và độ dày (4 ± 0,5) mm và thử cả hai mẫu cùng một lúc.
Đối với loại đế nhiều lớp, nếu không thể lấy được mẫu thử có độ dày 4 mm từ lớp đặc thì cắt mẫu thử gồm một phần của lớp mở rộng.
8.6.1.3. Qui trình thử
Tiến hành theo qui trình chung được nêu trong điều 8.2 của ISO 1817: 1999.
Nhúng mẫu thử vào chất lỏng thử (8.6.1.1) ở nhiệt độ (23 ± 2) °C trong khoảng thời gian (22 ± 0,25) giờ. Xác định độ tăng thể tích của mẫu thử bằng phương pháp đo thể tích.
Nếu mẫu thử co lại nhiều hơn 0,5 % hay tăng độ cứng lên hơn 10 đơn vị độ cứng Shore A được xác định theo phương pháp nêu trong EN ISO 868 thì lấy mẫu thử khác, như được nêu trong 8.6.2.2 và thử theo điều 8.6.2.3.
8.6.2. Phương pháp thử độ co hay độ cứng của vật liệu làm đế ngoài
8.6.2.1. Dung dịch thử
Sử dụng dung dịch như mô tả trong 8.6.1.1.
8.6.2.2. Chuẩn bị mẫu thử
Lấy mẫu thử có chiều rộng danh định 25 mm và chiều dài danh định 150 mm từ đế ngoài của giày ủng và giảm độ dày tổng tới (3 ± 0,2) mm bằng cách mài mỏng đi hoặc làm phẳng.
8.6.2.3. Qui trình thử
Nhúng mẫu thử trong dung dịch thử ở nhiệt độ (23 ± 2) °C trong khoảng thời gian (22 ± 0,25) giờ.
Loại bỏ dung dịch thừa bằng giấy thấm và xác định sự phát triển của vết cắt của mẫu thử sau 150 000 chu kỳ theo phương pháp được nêu trong phụ lục C của TCVN 6411: 1998 (ISO 4643: 1992).
8.7. Xác định độ bền với nhiệt tiếp xúc nóng
8.7.1. Thiết bị, dụng cụ
CHÚ THÍCH Sự lắp ráp của thiết bị được minh họa trong hình 50.
CẢNH BÁO Hơi độc có thể thoát ra từ một số đế giày ủng trong khi thử nên cần phải đặt thiết bị ở nơi được thông gió tốt.
8.7.1.1. Thân hình trụ bằng đồng, giống như đầu mỏ hàn có khối lượng (200 ± 20) g và có đầu dưới thu nhỏ thành mặt phẳng hình vuông với các cạnh có kích thước là (25,5 ± 0,1) mm. Thân đồng có Iỗ thông dọc theo đường tâm với đường kính 6,5 mm, kéo dài đến điểm cách bề mặt làm việc ngoài của đầu dưới hình vuông 4 mm để dùng cho thiết bị đo nhiệt độ. Các kích thước khác của thân này được nêu trong hình 51.
8.7.1.2. Khối gia nhiệt bằng kim loại, có khối lượng (530 ± 500) g bao phủ phần trụ của thân đồng. Khối gia nhiệt này gồm bộ gia nhiệt bằng điện trở và một thiết bị điều khiển (công tắc đóng/mở thích hợp) để gia nhiệt sơ bộ cho thân đồng đến bất kỳ nhiệt độ mong muốn nào, tối đa là 400 °C. Các kích thước của khối gia nhiệt này được nêu trong hình 51.
8.7.1.3. Thiết bị đo, để đo nhiệt độ bên trong của thân đồng, gần với đầu dưới hình vuông của nó.
8.7.1.4. Dụng cụ nâng và hạ thân đồng, cùng với khối gia nhiệt để đưa bề mặt của nó tiếp xúc đều với mẫu thử, theo mặt phẳng ngang và dưới áp lực phân phối đều là (20 ± 2) kPa.
8.7.1.5. Bệ đỡ tự chỉnh, có đường kính phù hợp để đỡ mẫu thử và duy trì áp lực không đổi lên nó.
8.7.1.6. Bộ đỡ có bàn lề với bề mặt cách nhiệt, trên đó có bề mặt của thân đồng nằm lên trong khi gia nhiệt và nó có thể chuyển động sang bên để cho thân đồng hạ xuống mẫu thử.
8.7.1.7. Trục, có đường kính (10 ± 1) mm

Hình 50 - Thiết bị thử độ bền với nhiệt tiếp xúc nóng

Hình 51 - Thân đồng và khối gia nhiệt
8.7.2. Chuẩn bị mẫu thử
Cắt mẫu thử có bề rộng (30 ± 2) mm và chiều dài 70 mm (tối thiểu) từ đế và nếu cần, cắt bỏ các vân
Việc thử có thể được thực hiện ở phần thắt, nơi thông thường không có vân đế. Tuy nhiên, nếu việc bỏ vân đế có thể dẫn đến cắt bỏ cả lớp đế, thì cần thiết phải lấy mẫu thử từ vùng thắt.
8.7.3. Cách tiến hành
Bật khối gia nhiệt với thân đồng nằm trên bộ đỡ cách ly và đặt mẫu thử lên bệ đỡ ở dưới với mặt của nó hướng lên trên. Phủ mẫu thử bằng nhôm lá, để tránh bị nhiễm bẩn từ thân đồng gia nhiệt, sử dụng miếng nhôm lá mới cho mỗi lần thử. Khi nhiệt độ của thân đồng vượt quá 300 °C, tách khối gia nhiệt ra và để nhiệt độ giảm xuống đến (300 ± 5) °C với thân đồng còn nằm trên bệ đỡ cách ly. Sau đó, chuyển dịch bộ đỡ cách ly sang một bên và đặt ngay thân đồng vào tâm của mẫu thử sao cho các mặt của nó song song với mặt của mẫu thử. Để nó ở vị trí trong khoảng (60 ±1) giây mà không kết nối khối gia nhiệt lại và sau đó thay mẫu trên bộ đỡ.
Tháo lá nhôm để mẫu thử nguội đi trong thời gian ít nhất 10 phút và kiểm tra phần gia nhiệt bề mặt nó như được mô tả trong 8.7.4.
8.7.4. Phương pháp đánh giá
Đánh giá bề mặt mẫu thử bằng mắt, các hư hỏng như nóng chảy, hoá than, vết rạn cả trước và sau khi uốn. Ghi lại kiểu và mức độ hư hỏng. Đối với đế bằng da ghi lại vết hoá than hay vết rạn hạn chế lớp mặt cật hoặc xem mọi sự xuyên thủng vào mô mạch.
THƯ MỤC TÀI LIỆU THAM KHẢO
[1] Martindale machine: J.Text. Inst. 1942 : 33, T151
[2] ISO 5725 - 2 , Accuracy (trueness and precision) of measurement methods and results - Part 2: Basic method for the determination of repeatability and reproducibility of a standard measurement method.
[3] ENV 13005, Guide to the uncertainly of measurement (GUM).
MỤC LỤC
Lời nói đầu ……………………………………………………………………………………………
1. Phạm vi áp dụng ………………………………………………………………………………….
2. Tài liệu viện dẫn …………………………………………………………………………………..
3. Thuật ngữ và định nghĩa …………………………………………………………………………
4. Lấy mẫu và điều hoà ……………………………………………………………………………..
5. Phương pháp thử cho giày ủng nguyên chiếc …………………………………………………
5.1. Đặc điểm egonomi đặc trưng ………………………………………………………………….
5.2. Xác định độ bền mối ghép mũ giày ủng/đế ngoài và các lớp đế ………………………….
5.3. Xác định chiều dài bên trong của pho mũi …………………………………………………..
5.4. Xác định độ bền va đập ………………………………………………………………………..
5.5. Xác định độ bền nén ……………………………………………………………………………
5.6. Xác định độ bền ăn mòn ……………………………………………………………………….
5.7. Xác định độ kín của giày ủng ………………………………………………………………….
5.8. Xác định sự phù hợp kích thước của lót và độ bền chống đâm xuyên của đế giày …….
5.9. Xác định độ bền uốn của lót chống đâm xuyên ……………………………………………..
5.10. Xác định điện trở ………………………………………………………………………………
5.11. Xác định độ cách điện ………………………………………………………………………...
5.12. Xác định độ cách nhiệt ………………………………………………………………………..
5.13. Xác định độ cách lạnh ………………………………………………………………………..
5.14. Xác định độ hấp thụ năng lượng của vùng gót …………………………………………….
5.15. Xác định độ bền nước của giày ủng nguyên chiếc ………………………………………..
5.16. Xác định độ bền va đập của chi tiết bảo vệ xương bàn chân ……………………………
5.17. Xác định khả năng hấp thụ xung động của vật liệu bảo vệ mắt cá chân lắp bên trong mũ giày ủng ……………………………………………………………………………………………….
6. Phương pháp thử cho mũ giày ủng, lót mũ và lưỡi gà ……………………………………….
6.1. Xác định độ dày của mũ giày ủng …………………………………………………………….
6.2. Đo độ cao của mũ giày ủng ……………………………………………………………………
6.3. Xác định độ bền xé của mũ giày ủng, lót mũ và lưỡi gà ……………………………………
6.4. Xác định đặc tính kéo của vật liệu làm mũ giày ủng ………………………………………..
6.5. Xác định độ bền uốn của mũ giày ủng ……………………………………………………….
6.6. Xác định độ thấm hơi nước ……………………………………………………………………
6.7. Xác định độ hấp thụ hơi nước ……………………………………………………………….
6.8. Xác định hệ số hơi nước ……………………………………………………………………..
6.9. Xác định giá trị pH …………………………………………………………………………….
6.10. Xác định độ thuỷ phân của mũ giày ủng …………………………………………………..
6.11. Xác định hàm lượng Crom VI ………………………………………………………………
6.12. Xác định độ bền mài mòn của lót mũ và lót giày ủng ……………………………………
6.13. Xác định độ thấm nước và hấp thụ nước của mũ giày ủng …………………………….
6.14. Xác định độ bền cắt của mũ giày ủng ……………………………………………………..
7. Phương pháp thử cho đế trong và lót mặt ……………………………………………………
7.1. Xác định độ dày của đế trong ………………………………………………………………..
7.2. Xác định độ hấp thụ nước và độ giải hấp của đế trong và lót mặt ……………………….
7.3. Xác định độ bền mài mòn của đế trong ……………………………………………………..
8. Phương pháp thử cho đế ngoài ………………………………………………………………..
8.1. Xác định độ dày của đế ngoài ………………………………………………………………..
8.2. Xác định độ bền xé của đế ngoài …………………………………………………………….
8.3. Xác định độ bền mài mòn của đế ngoài …………………………………………………….
8.4. Xác định độ bền uốn của đế ngoài …………………………………………………………..
8.5. Xác định độ thủy phân của đế ngoài …………………………………………………………
8.6. Xác định độ chịu nhiên liệu đốt lò (FO) ………………………………………………………
8.7. Xác định độ bền với nhiệt tiếp xúc nóng ……………………………………………………..
Thư mục tài liệu tham khảo …………………………………………………………………………
[1] Thông tin về việc mua chầy nén thích hợp có thể tham khảo từ Ban thư ký của CEN/TC 161
[2] Ví dụ, tấm PVC cứng dày 0,4 mm.
[3] Hộp (Cartridges) Dionex chứa đầy chất đảo pha 18 là một ví dụ về sản phẩm phù hợp được cung cấp bởi Dionex (UK) Ltd, 4 Albany Court, Camberley, Surrey, GU16 7 QL, UK hoặc từ văn phòng Dionex ở các bang. Thông tin này đưa ra để giúp cho người sử dụng tiêu chuẩn này và không phải là xác nhận của CEN về sản phẩm này.
4)Thông tin về các máy mài phù hợp, vải mài mòn chuẩn, lót nỉ và bọt PU có thể nhận được từ ban thư CEN/TC 161.
5) Thông tin về các thiết bị phù hợp có thể nhận được từ ban thư ký của CEN/TC 161
6) Thông tin về mẫu thử đối chứng phù hợp có thể nhận được từ Ban thư ký của CEN/TC 161
Bạn chưa Đăng nhập thành viên.
Đây là tiện ích dành cho tài khoản thành viên. Vui lòng Đăng nhập để xem chi tiết. Nếu chưa có tài khoản, vui lòng Đăng ký tại đây!